Преобразовательные устройства
Введение
«Силовая преобразовательная техника» - это дисциплина
содержанием которой является разработка методов расчета электрических схем
преобразователей, необходимых для проектирования преобразовательных устройств.
Преобразовательные устройства служат для преобразования
переменного напряжения (тока) в постоянное, постоянного напряжения (тока) в
переменное, переменного напряжения (тока) одной частоты в переменное напряжение
(ток) другой частоты, низкого постоянного напряжения в высокое постоянное
напряжение и т.д. В преобразовательных устройствах используются средства,
осуществляющие фильтрацию и стабилизацию тока и напряжения. Основными
характеристиками преобразовательных устройств являются:
- коэффициент полезного действия;
- коэффициент мощности;
- зависимость напряжения на выходе от тока нагрузки и другие
энергетические характеристики.
Преимущества полупроводниковых преобразовательных устройств по
сравнению с другими преобразователями неоспоримы: они обладают высокими
регулировочными характеристиками и энергетическими показателями, имеют малые
габариты и массу, просты и надежны в эксплуатации. Кроме преобразования и
регулирования тока и напряжения такие установки обеспечивают бесконтактную
коммутацию токов в силовых цепях.
Благодаря указанным преимуществам полупроводниковые
преобразовательные устройства получают широкое применение в различных отраслях
народного хозяйства.
В настоящее время силовые полупроводниковые преобразовательные
устройства широко используются в цветной металлургии и химической
промышленности, на железнодорожном транспорте, для питания контактных сетей
горнорудного и других видов промышленного транспорта, для электроприводов
кранов и экскаваторов, возбуждения электрических машин, зарядки аккумуляторов,
питания гальванических ванн, в сварочных аппаратах, для высоковольтных линий
электропередачи постоянного тока и т.п.
Преобразовательная техника является одним из наиболее эффективных
направлений электротехники. Широкое внедрение силовых полупроводниковых
устройств в различные отрасли промышленности способствует дальнейшему
техническому прогрессу.
Следует отметить, что некоторые виды преобразователей применяют в
сочетании с другими, например преобразователи частоты и числа фаз; при этом
изменяется еще и величина напряжения переменного тока.
В последнее время для анализа процессов в преобразовательных
устройствах все шире обращаются к ЭВМ, что позволяет производить точный расчет
и оптимизацию схем.
Совершенствование силовых полупроводниковых приборов и оптимальное
сочетание их параметров с режимами преобразователя при его проектировании,
использование эффективных методов исследования преобразователей способствуют
разработке преобразовательных устройств с высокими технико-экономическими
показателями.
Количественный рост различных радиоэлектронных устройств и
устройств электропривод, все более широко применяющегося в различных отраслях
народного хозяйства, связан с увеличением потребляемой суммарной мощности
источников электропитания. Разработка и создание рациональных источников
электропитания становится актуальной проблемой.
Рассмотрение начинается с электрических машин, трансформаторов и
выпрямителей так как они широко применяются в аппаратуре предприятий связи, а
также они получили наибольшее применение в автоматизированном электроприводе.
Целью данного курсового проекта является расчет и проектирование
полупроводникового преобразователя электрической энергии, а именно -
однофазного нулевого неуправляемого выпрямителя работающего на активно -
индуктивную нагрузку и последовательно включенный ШИП, а также проектирование
принципиальной схемы управления данным ППЭЭ основанной на цифровых микросхемах
транзисторно-транзисторной логики: типы микросхем - К155АГ3 и К140УД7.
Выбор схемы ППЭЭ
Но прежде чем начать выбор СПП по току и напряжению необходимо
выбрать схему для данного типа выпрямителя и нарисовать его временные диаграммы
при активно-индуктивной нагрузке и последовательно - подключенным ШИП.
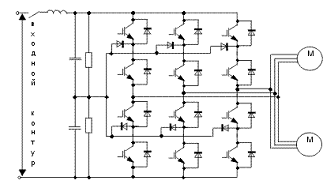
Согласно заданию нам дана схема ППЭЭ - однофазный нулевой
неуправляемый выпрямитель - последовательный ШИП, работающий на
активно-индуктивную нагрузку, где: Rн=10
Ом, Lн=3 мГн, Uн=160 В, Ta=25
, fшип = 2 кГн.
Выпрямитель - это устройство, предназначенное для преобразования
переменного напряжения в постоянное.
Основными элементами выпрямителя являются трансформатор и вентили,
с помощью которых обеспечивается протекание тока в цепи нагрузки, в результате
чего переменное напряжение преобразуется в пульсирующее.
Для сглаживания пульсаций выпрямленного напряжения к выходным
зажимам выпрямителя подключают электрический фильтр. Для регулирования или
стабилизации выпрямленного напряжения и тока потребителя к входным зажимам
выпрямителя иногда подключают регулятор или стабилизатор (стабилизатор может
быть включен и на стороне переменного тока выпрямителя).
В зависимости от числа фаз напряжения питания различают однофазные
и трехфазные выпрямители. В нашем случае выпрямитель имеет одну фазу питания -
однофазный, а также он является неуправляемым, т.е. выпрямитель построен на
неуправляемых вентилях (диодах). Выпрямитель работает на активно-индуктивную
нагрузку. Существенным признаком в классификации является структура связей
вторичной обмотки преобразовательного трансформатора и выпрямительной схемы.
Различают нулевые и мостовые схемы выпрямителей.
В нулевых схемах нагрузка включается между выведенной нулевой
точкой вторичной обмотки трансформатора и общей катодной или анодной точкой
электронных приборов выпрямительной схемы. Нулевые схемы иначе называют
однотактными, так как в течении одного периода по вторичным обмоткам ток
протекает только один полупериод.
Также в силовых преобразователях электрической энергии широко
применяются широтно-импульсные преобразователи (ШИП) посредством которых
изменяется величина напряжения потребителя. С помощью ШИП источник постоянного
или переменного напряжения периодически подключается к нагрузке. В результате
на выходе ШИП формируются импульсы напряжения.
Регулирование напряжения на нагрузке можно осуществить путем
изменения параметров выходных импульсов tи и Т, где tи - длительность выходных импульсов; Т - период следования
выходных импульсов. В нашем случае tи=var, Т= const.
ШИП постоянного напряжения преобразовывают постоянное напряжение в
импульсное, среднее значение которого можно регулировать.
Нереверсивные ШИП преобразуют плавно изменяющееся входное напряжение
в импульсное постоянной амплитуды и полярности, но различной длительности.
ШИП является последовательным, если управляемый вентиль и дроссель
фильтра включены последовательно с нагрузкой. Характерной особенностью
последовательных ШИП является невозможность получения напряжения на выходе выше
напряжения источника питания.
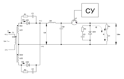
Таким образом в связи с вышеизложенным можно получить следующую
схему ППЭЭ (рисунок 1):
Рисунок 1 - Схема однофазного нулевого неуправляемого выпрямителя
работающего на RL-нагрузку, последовательный ШИП
Необходимым элементом выпрямителя является силовой трансформатор Т
с двумя вторичными обмотками
и
, связанными с первичной обмоткой
коэффициентом трансформации
и
. Схема
соединения обмоток такова, что одинаковые по величине напряжения на выводах
вторичных обмоток относительно общей (нулевой) точки сдвинуты по фазе на 1800.
Вторичные обмотки трансформатора подключены к анодам диодов VD1 и VD2. Выходное напряжение Ud снимается между нулевой точкой трансформатора и общей точкой
соединения катодов обоих диодов.
Временные диаграммы работы схемы выпрямителя при
активно-индуктивной нагрузке
Выпрямители однофазного тока применяют для питания выпрямленным
током различных систем и устройств промышленной и транспортной информационной
электроники, решающих задачи управления, регулирования, переработки и
отображения информации. Такие выпрямители рассчитаны на небольшие мощности (до
нескольких сот ватт). В тяговом электроприводе на электроподвижном составе
(электровозах и моторных вагонах электропоездов), получающим питание от
контактной сети однофазного тока, применяются мощные однофазные выпрямители от
нескольких сотен киловатт до нескольких мегаватт. Такие выпрямители должны
обладать характеристиками, обеспечивающими экономичное использование энергии.
Важно правильно выбрать схему выпрямления, полупроводниковые приборы,
сглаживающий фильтр.
Принцип выпрямления основывается на получении с помощью диодной
схемы из двуполярной синусоидальной кривой напряжения U2(
однополярных полуволн напряжения Ud(
) (рисунок
2, в). Напряжение Ud(
) характеризует кривую выпрямленного напряжения выпрямителя. Ее
постоянная составляющая Ud
определяет среднее значение выпрямленного напряжения.
Процессы в схеме выпрямителя при активно-индуктивной нагрузке
(рисунок 1) рассмотрим с помощью временных диаграмм (рисунок 2, а - з).
Здесь режим работы диодов определяется напряжениями U21 и U22 вторичных обмоток трансформатора Т (рисунок 2, б).
При поступлении полуволны напряжения Uн положительной полярности на вторичных обмотках
трансформатора действуют напряжения U21 и U22. Диоды VD1 и VD2 проводят ток поочередно, когда потенциал их анода положителен
относительно средней (нулевой) точки вторичной обмотки трансформатора Т.
Ток id замыкается через нагрузку Rн в течении обоих полупериодов, а вторичные обмотки проводят
ток i21 и i22 поочередно в течении одного полупериода. Диод VD1 открыт на интервалах
и
при положительной полуволне напряжения U21, а диод VD2 - на интервале
при положительной полуволне напряжения U22. Кривая напряжения Ud (рисунок 2, в) образуется напряжением U2 - эффективное напряжение вторичной обмотки трансформатора
и будет иметь тот же вид, что и при активной нагрузке. Отличие будет
заключаться в том, что вследствие влияния индуктивности ток в цепи нагрузки id получается сглаженным (рисунок 2, г).
Под действием индуктивности ток id не спадает до нуля при нулевых значениях напряжения Ud. Поскольку ток в цепи с индуктивностью отстает по фазе от
напряжения, максимумы тока id
следуют с некоторой задержкой времени относительно максимумов напряжения Ud.
Форма кривых тока и напряжения в нагрузке Rн одинакова. Поэтому кривая Udн на рисунке 2, в будет иметь тот же вид, что и
кривая id на рисунке 2, г. Если
активное сопротивление обмотки дросселя принять равным нулю, то среднее значение
напряжения на нагрузке Udн
будет равно среднему значению напряжения Ud на выходе выпрямителя (рисунок 2, в).
При увеличении индуктивности Lн ее сглаживающее действие повышается и
пульсации в кривой Udн
уменьшаются. В предположении Lн
переменная составляющая Ud будет полностью приложена к дросселю Lн, а на нагрузке будет действовать только постоянная
составляющая Ud.
Изменение формы кривой id по сравнению со случаем чисто активной
нагрузки приводит к изменению вида кривых токов выпрямителя i21 и i22, а также i1.
Поскольку переключение диодов осуществляется при изменении
полярности напряжений U21 и U22 в моменты времени
и т.д., ток i21 (рисунок 2, д) будет определяться
током id на интервалах
,
проводимости диода VD1, а ток i22 (рисунок 2, е) - током id на интервале
проводимости диода VD2. Форма кривых токов i21, i22 близка к прямоугольной. Их амплитуда равна
, а среднее значение
. Отличие
от прямоугольной формы становится менее заметным с увеличением Lн.
Аналогично анодным токам (токам вторичных обмоток трансформатора)
претерпевает изменение и первичный ток i1. Его кривая приближается к двуполярной кривой
прямоугольной формы с амплитудой 
, где КТ - коэффициент трансформации (рисунок 2,
ж). Кривая обратного напряжения на диоде (рисунок 2, з) при
активно-индуктивной нагрузке определяется суммарным напряжением двух вторичных
обмоток силового трансформатора - Ubmax = 2
U2.
Как видно из рисунка 2, в кривая выпрямленного напряжения
помимо постоянной составляющей содержит переменную (пульсирующую) составляющую,
которая определяется разностью напряжений Ud(
) - Ud. Наличие переменной составляющей в
подавляющем большинстве случаев является нежелательным. Поэтому осуществляют
фильтрацию выпрямленного напряжения путем подключения к выходу выпрямителя
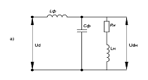
сглаживающего LC-фильтра (смотри рисунок 1).
Сглаживающие фильтры выполняют на основе реактивных элементов -
дросселей и конденсаторов, которые оказывают соответственно большое и малое
сопротивление переменному току и наоборот - для постоянного тока. Указанные
свойства этих элементов используют при построении простейших сглаживающих
фильтров: сглаживающий дроссель включают последовательно с нагрузкой, а
конденсатор - параллельно ей. Lф - фильтр выполненный на основе дросселя и
Cф - на основе конденсатора. Путем надлежащего выбора
параметров фильтра получают постоянное напряжение, удовлетворяющее нагрузку в
отношении пульсаций.
Наличие сглаживающего LC-фильтра
оказывает значительное влияние на режим работы выпрямителя и его элементов.
Существенным при этом является характер входной цепи сглаживающего фильтра,
определяющий совместно с внешней нагрузкой вид нагрузки выпрямителя.
Сглаживающая способность фильтра повышается с увеличением числа
фаз выпрямления, а также с увеличением индуктивности L и уменьшением сопротивления нагрузки Rн. Сопротивление Rн уменьшается с увеличением мощности нагрузки. В связи с
этим использование простейшего индуктивного фильтра эффективно в выпрямителях
средней и большой мощности, где он и нашел преимущественное применение.
Рисунок 2, а - з - Временные диаграммы работы схемы при
активно-индуктивной нагрузке
В маломощных выпрямителях применение простейшего индуктивного
фильтра менее эффективно, поскольку сопротивление Rн здесь относительно велико. Для получения необходимого
коэффициента сглаживания пришлось бы с целью выполнения условия
значительно завышать индуктивность
сглаживающего дросселя.
Поэтому в выпрямителях небольшой мощности задачу решают не
увеличением L, а уменьшением сопротивления цепи
нагрузки переменному току путем включения параллельно нагрузке конденсатора
фильтра, т.е. использованием Г-образного LC-фильтра (рисунок 3, а). Включением конденсатора можно
создать самостоятельную цепь протекания переменной составляющей тока, обусловленную
переменной составляющей напряжения Ud, минуя цепь нагрузки. Поскольку сопротивление конденсатора
переменному току мало, падение напряжения на конденсаторе от переменной
составляющей тока также мало, чем достигается уменьшение пульсаций напряжения Udн. Иными словами, с помощью конденсатора более эффективно
осуществляется разделение переменной и постоянной составляющих в выходной цепи
выпрямителя: задержание дросселем переменной составляющей напряжения Ud и пропусканием им постоянной составляющей
в нагрузку. Это явление наглядно иллюстрируют временные диаграммы (рисунок 3, б
- г), построенные в предположении L
и С
.
Рисунок 3, а) - схема Г-образного LC-фильтра
Рисунок 3, б - г: б) - г) - временные диаграммы, иллюстрирующие
принцип сглаживания выходного напряжения выпрямителя
Временные диаграммы работы последовательно-включенного шип на
активно-индуктивную нагрузку
Рисунок 4 - Временные диаграммы работы ШИП
Основные расчетные соотношения
Основные расчетные соотношения можно определить воспользовавшись
временными диаграммами схемы данного выпрямителя. Поскольку при расчете схемы
исходными являются среднее значение выходного напряжения Ud (тока Id) и сопротивление нагрузки
, а также действующее значение напряжения
питающей сети Uн, связи между напряжениями и токами находим относительно
исходных величин. Расчет производим, полагая равными нулю падения напряжений на
диодах, в обмотках трансформатора, соединительных и подводящих проводах.
Связь между действующим значением вторичного напряжения U2 трансформатора со средним значением выпрямленного
напряжения Ud находим из кривой рисунок 2, в,
определяя напряжение Ud
как среднее за полупериод значение напряжения U2:
, где
, (1)
коэффициент схемы выпрямителя.
Поскольку величина Ud при расчете выпрямителя является заданной, то находим вторичное
напряжение:
, (2)
а также коэффициент трансформации трансформатора:
. (3)
Как видно из рисунка 2, в, выпрямленное напряжение
пульсирует. Его мгновенные значения Ud изменяются в течении полупериода от
максимального значения, равного
, до нуля.
Разложение в ряд Фурье кривой Ud позволяет определить амплитуду высших
гармоник:
, (4)
где n - номер гармоники, а m - эквивалентное число
фаз выпрямления (для данной схемы m=2).
Исходя из выражения (4) можно получить напряжение на нагрузке
с учетом гармоник:
. (5)
Ток на нагрузке с учетом гармоник будет определяться по
выражению:
, (5.1)
где RH=10 Ом, ХL
- индуктивное сопротивление, ХL=n
LH, n - номер гармоники,
Lн=3 мГн.
Для оценки качества выпрямленного напряжения пользуются так
называемым коэффициентом пульсации qn, характеризующим
отношение амплитуды n-й гармоники к среднему значению напряжения Ud. Коэффициент пульсации
обычно определяют по амплитуде первой (основной) гармоники (n=1), как наибольшей из
всех остальных и наиболее трудно поддающейся фильтрации:
. (6)
Для рассматриваемой схемы частота первой гармоники пульсации
и при частоте питающей сети
составляет 100 Гц.
Подстановкой в выражение (6) m=2
определяем коэффициент пульсации по первой гармонике:
(7)
т.е. амплитуда первой гармоники для данной схемы
составляет 67% от Ud.
При определении типа диодов необходимо знать среднее значение тока
, протекающего через каждый из диодов, и
прикладываемое к ним максимальное обратное напряжение Ubmax.
Поскольку ток id
протекает через диоды поочередно (рис. 2, д, е), средний ток через
каждый диод составит:
. (8)
Кривая обратного напряжения на диоде (рисунок 2, з) при
активно-индуктивной нагрузке определяется суммарным напряжением двух вторичных
обмоток силового трансформатора - Ubmax = 2
U2. (9)
Для расчета силового трансформатора помимо напряжений Uн и U2 необходимо знать
действующее значение токов I2 и I1, протекающих через его
обмотки. Приняв при активно-индуктивной нагрузке кривые токов i21, i22 и первичный ток i1 прямоугольной формы,
запишем выражения для их действующих значений:
(10)
(11)
Расчетные мощности обмоток трансформатора S1 и S2 находят по произведениям
действующих значений токов и напряжений обмоток, а типовую мощность - как
среднее арифметическое мощностей S1 и S2:
(12)
Коэффициент использования трансформатора:
(13)
Значение напряжения на нагрузке ШИП:
(14)
где Е - среднее значение напряжения на нагрузке ШИП;
- скважность импульсов,
для последовательного ШИП
t0 - время открытого состояния ключа ШИП;
Tk - период коммутации,
Расчет гармоник
Определение гармоник будем производить исходя из формулы (5):
,
где n - номер гармоники, а m - эквивалентное число
фаз выпрямления (для данной схемы m=2), Uн=160 В-действующее значение
напряжения питающей сети.
Соответственно ток на нагрузке с учетом гармоник будет
определяться по формуле (5.1):
.
Так как выпрямленное напряжение симметрично относительно оси
ординат, то при разложении в ряд Фурье будут отсутствовать все четные
гармоники. А из-за отсутствия пути для замыкания системы обратной
последовательности будут отсутствовать все гармоники кратные трем.
Для данной схемы выпрямителя будем учитывать нечетные номера
гармоник, т.е. n=1,5,7,11, …, RH=10 Ом, ХL=n
LH, n - номер гармоники,
Lн=3 мГн, Uн=160 В. Процентное соотношение напряжений определим составив
пропорцию:
.
Производим расчет гармоник:
)
- напряжение на нагрузке с учетом первой
гармоники.
ХL=
- индуктивное напряжение с учетом первой
гармоники.
- ток на нагрузке с учетом первой гармоники.
.
)
- напряжение на нагрузке с учетом пятой
гармоники.
ХL=
- индуктивное напряжение с учетом пятой
гармоники.
- ток на нагрузке с учетом пятой гармоники.
.
)
- напряжение на нагрузке с учетом седьмой
гармоники.
ХL=
- индуктивное напряжение с учетом седьмой
гармоники.
- ток на нагрузке с учетом седьмой гармоники.
.
)
- напряжение на нагрузке с учетом
одиннадцатой гармоники.
ХL=
- индуктивное напряжение с учетом
одиннадцатой гармоники.
- ток на нагрузке с учетом одиннадцатой гармоники.
.
Значения напряжений и токов более высоких гармоник незначительны,
поэтому не принимаем их учет.

- действующее значение тока.
1.
Выбор СПП по току и напряжению, проверка их по перегрузочной способности,
выбор силового трансформатора
.1 Выбор СПП по току при работе в режиме и
условиях охлаждения отличных от номинальных
С учетом режима работы и условий охлаждения, отличных от
номинальных, принимаем коэффициент запаса, учитывающий отклонения режима работы
и условий охлаждения от номинальных:
- для диода, (14)
где
- коэффициент запаса, учитывающий
отклонение режима работы и условий охлаждения от номинальных,
. Так как параметры, характеризующие режим
работы диода: KФiVD=1,41<1,57 - лучше номинального режима, и условия
охлаждения вентилей: Ta=250<400 - также лучше номинальных, то принимаем
следующие значения коэффициентов:
, а
- коэффициент запаса по току в рабочем режиме примем равным
.
Определим действующее и среднее значения токов протекающих
через диоды, а также коэффициент формы тока прибора:
- среднее значение тока диода; (15)
- действующее значение тока диода; (16)
- коэффициент формы тока прибора, равен отношению действующего
значения тока, протекающего через прибор, к среднему значению тока.
Полученное выражение среднего значения тока диода подставим в
выражение (14) и получим максимально допустимый средний ток диода:
.
Согласно полученному значению 
из [2, таблица 5.3] выбираем диод типа Д112-25 с типом
охладителя О111-60 с
=15 (А) (при Та=400С и естественном
охлаждении) со следующими параметрами [2, таблица5.3, таблица 5.2 и таблица
5.1]:
. тепловое сопротивление переход - корпус
;
. тепловое сопротивление корпус - контактная поверхность
охладителя
;
. тепловое сопротивление контактная поверхность охладителя
- охлаждающая среда
;
. пороговое напряжение
;
. дифференциальное сопротивление
;
. температура перехода:
максимально допустимая
;
минимально допустимая
.
Рассчитываем тепловое сопротивление переход - окружающая среда:
.
Для выбранного диода рассчитываем максимально допустимый средний
ток при заданных условиях работы и охлаждения:
Из выражения
, т.е. 15 A<18,8 A следует, что прибор по току выбран правильно.
1.2 Выбор класса СПП по напряжению
СПП должны выдерживать определенные напряжения,
прикладываемые к ним как в прямом, так и в обратном направлениях. В
полупроводниковом преобразователе СПП подвергаются воздействию рабочего
напряжения и перенапряжений.
Рабочее импульсное напряжение (в преобразователях с
естественной коммутацией синусоидальное) или рабочее постоянное напряжение (в
преобразователях с искусственной коммутацией) определяется напряжением
источника питания. Номинальное значение и допустимые отклонения этого
напряжения известны и не могут быть произвольно изменены.
Перенапряжения разделяют на повторяющиеся и неповторяющиеся.
Повторяющиеся перенапряжения определяются действием схемы преобразователя и
возникают, например, при коммутации СПП. Неповторяющиеся перенапряжения
определяются внешними по отношению к преобразователю причинами, например,
срабатыванием коммутационной или защитной аппаратуры в схеме преобразователя
или внешней цепи, а также грозовыми электрическими разрядами. Величины
перенапряжений в схеме зависят от параметров силовой цепи преобразователя и
заранее неизвестны. Предвидимые перенапряжения, прикладываемые к СПП в схеме,
могут быть уменьшены по величине с помощью устройств ограничения
перенапряжений. Полное снятие перенапряжений в большинстве схем
нецелесообразно, так как приводит к чрезмерному увеличению массы и габаритов
устройств ограничения перенапряжений, а также потерь мощности в них. На
практике выбирают СПП, имеющий запас классификационного значения напряжения по
отношению к максимальному значению рабочего напряжения, прикладываемого к СПП в
схеме. Уровень запаса выбирают из условий получения приемлемых массы и
габаритов устройств ограничения перенапряжений и приемлемой мощности потерь в
них.
Выбор СПП по напряжению осуществляется по формуле:
, (17)
где
- коэффициент запаса по рабочему
напряжению,
=1,65 … 2;
- максимальное значение рабочего напряжения, прикладываемого к
СПП в схеме,
;
- номинальное значение максимального обратного напряжения, прикладываемого
к вентилю в конкретной схеме;
- коэффициент, учитывающий возможность повышения напряжения в
сети,
.
.
Примем
и подставим полученные значения в
выражение (17), получим:
=442 В.
Таким образом, для данных диодов Д112-25 с типом охладителя
О111-60
=442 В, т.е. нужны диоды 5-го класса по напряжению - Д112-25-5.
1.3 Проверка СПП по перегрузочной способности
управление полупроводниковый преобразователь транзисторный
В процессе эксплуатации преобразователей СПП могут
подвергаться рабочим и аварийным перегрузкам по току. Например, в
преобразователях, используемых в электроприводе, токовые рабочие перегрузки
возникают в переходных режимах работы (пуск, торможение, наброс нагрузки выше
номинальной). Если через прибор в номинальном режиме работы преобразователя
протекает максимально допустимый ток, то рабочие перегрузки недопустимы, так
как температура перехода имеет максимально допустимое значение. Выбор приборов
по току осуществляется с учетом коэффициента запаса. Поэтому в номинальном
режиме работы преобразователя температура перехода ниже максимально допустимой
и прибор может быть перегружен током, превышающим номинальный в течение
определенного времени, за которое температура перехода достигнет максимально
допустимого значения. Очевидно, что чем больше значение тока перегрузки, тем
меньше время, за которое температура перехода достигает максимально допустимого
значения и, наоборот.
Из вышесказанного следует, что для обеспечения нормальной
работы преобразователя в режимах рабочей перегрузки необходимо для выбранных по
току СПП осуществить их проверку по перегрузочной способности.
Критерием нормальной работы СПП при перегрузке по току
являются выполнения условия:
,
где tm - максимально допустимое время перегрузки,
за которое температура перехода достигнет максимально допустимого значения;
tпер - требуемое (реальное) время перегрузки.
Время tm определяется
по графику зависимости переходного теплового сопротивления переход-среда Z(th)tja = f(t) для конкретных типов прибора, охладителя
и интенсивности охлаждения [2, рисунок 5.6, в].
Проверка СПП по перегрузочной способности осуществляется в
следующей последовательности:
. определяем средние потери мощности
для тока, предшествующего перегрузке:
(18)
где
- пороговое напряжение диода,
, [2, таблицы 5.1, 5.2, 5.3];
- дифференциальное сопротивление,
, [2, таблицы 5.1, 5.2, 5.3];
- среднее значение тока диода,
;
- коэффициент формы тока прибора,
.
Подставляем полученные выражения в формулу (18):
. определяем по выражению (18) средние потери мощности
для тока, соответствующего перегрузке.
Ток перегрузки СПП напрямую связан с пусковым током двигателя постоянного тока
(ДПТ). Пусковой ток ДПТ по условиям безискровой коммутации для общепромышленных
ДПТ ограничен значениями
. Также
ограничивает по условиям не превышения допустимого линейного (или
углового) ускорений
. Таким образом
.
,
где
- коэффициент запаса по току рабочей
перегрузки,
= 1,1…1,2.
Определяем средний ток перегрузки
:
=
.
=
Определяем средние потери мощности:
.
. определяем переходное тепловое сопротивление переход-среда Z(th)tja:
,
.
. по графику функции Z(th)tja
= f(t)
определяем максимально допустимое время перегрузки tm [2, рисунок 5.6, в]:
tm=80 с.
5. критерием нормальной работы СПП при перегрузке по току является
выполнение условия:
,
где tпер - требуемое (реальное) время перегрузки, tпер=10 с;
tm - максимально допустимое время перегрузки,
за которое температура перехода достигнет максимально допустимого значения, tm=80 с.
.
Из условия
получаем, что выбранный прибор
удовлетворяет режиму перегрузки. Значит прибор выбран правильно.
1.4 Выбор трансформатора для системы НВ - ШИП
Трансформатор - это электромагнитный аппарат, предназначенный для
преобразования одной системы переменного тока в другую и для передачи энергии
посредством электромагнитной индукции.
Трансформатор применяется для согласования номинального напряжения
нагрузки с выпрямленным напряжением.
Трансформаторы классифицируются по назначению:
1. силовые трансформаторы, в них трансформируются
напряжения и токи;
2. измерительные трансформаторы, они подразделяются на:
· трансформаторы тока, они работают в режиме
короткого замыкания (КЗ);
· трансформаторы напряжения, они работают в
режиме холостого хода (ХХ);
3. испытательные трансформаторы;
4. сварочные трансформаторы;
. трансформаторы для дуговых сталеплавильных печей;
. трансформаторы специального назначения;
. автотрансформаторы.
Трансформаторы классифицируются:
. по числу фаз:
· однофазные;
· трехфазные;
· многофазные;
. по способу охлаждения:
· сухие;
· масленые, они могут быть с естественной
циркуляцией масла и с принудительной, для интенсификации охлаждения могут
использоваться радиаторы в которых расположены вентиляторы.
Естественная циркуляция состоит в том, что более нагретое
масло поднимается к поверхности и принуждает к перемещению менее нагретые слои
масла.
Согласно схеме (рисунок 1.) необходимо выбрать трансформатор.
По назначению этот трансформатор будет являться трансформатором напряжения.
Трансформаторы напряжения (ТН) служат для преобразования
высокого напряжения в низкое стандартное напряжение, удобное для измерения.
Первичная обмотка трансформатора напряжения (ТН) изолируется
от вторичной соответственно классу напряжения установки. Для безопасности
обслуживания один вывод вторичной обмотки заземляется. Таким образом, ТН
изолирует измерительные приборы и реле от цепи высокого напряжения и делает
безопасным их обслуживание.
Основными параметрами ТН являются:
1.
и
- номинальные напряжения первичной и вторичной обмоток
трансформатора, номинальное напряжение ТН равно номинальному напряжению
первичной обмотки;
. номинальный коэффициент трансформации
:
;
. погрешность по напряжению
, определяется уравнением:
, где
- напряжение, поданное на первичную
обмотку;
- напряжение, измеренное на выводах
вторичной обмотки (при
погрешность
).
Трансформатор для системы НВ - ШИП выбирается исходя из условия
обеспечения номинального напряжения на якоре двигателя
при максимальной скважности импульсов
управления
:
,
где
- постоянное напряжение на выходе
неуправляемого выпрямителя (НВ);
- падение напряжения на открытом ключе ШИП,
;
- число ключей ШИП, по которым одновременно протекает ток;
- максимальная скважность импульсов управления ключами ШИП,
.
Таким образом:
;
,
где
- номинальное напряжение ЭДС вторичной
обмотки трансформатора;
- коэффициент, учитывающий падение напряжения на активных
сопротивлениях трансформатора, падение напряжения на вентилях и падение
напряжения из-за коммутации вентилей,
=1,05;
- коэффициент, учитывающий неполное открывание вентилей,
=1,1 - для нереверсивных
преобразователей,
=1,2 - для реверсивных
преобразователей.
,
где
- коэффициент схемы,
=0,9;
- коэффициент, учитывающий возможное изменение напряжения
питающей сети в допустимых пределах,
=1,1.
Принимаем:
=
,
=1,1,
,
,
и
=1,1, подставляем выбранные нами значения в исходные
выражения и получаем:
,
,
Рассчитываем типовую мощность трансформатора:
,
где
или
- мощность постоянных составляющих напряжения и тока выпрямителя;
- номинальная мощность нагрузки,
или
;
- номинальный КПД нагрузки;
- коэффициент, учитывающий превышение типовой мощности над
мощностью постоянных составляющих,
=1,1 - для однофазного выпрямителя,
.
,
где
- номинальные значения фазных напряжений
и токов первичной и вторичной обмоток трансформатора;
- число фаз первичной и вторичной обмоток трансформатора.
Рассчитываем полную мощность трансформатора:
,
где
- коэффициент непрямоугольности тока,
учитывающий отклонение формы тока от прямоугольной,
.
Выбираем 
и подставляем полученные нами данные
в формулу для расчета полной мощности
трансформатора:
Из каталога выбираем трансформатор по соотношениям:
В каталоге отсутствует трансформатор с полученными соотношениями
полной мощности трансформатора и фазного напряжения вторичной обмотки
трансформатора, поэтому в соответствии с рассчитанными значениями
и
принимаем изготовление трансформатора по спецзаказу.
Заказываем трансформатор со следующими параметрами:
Определяем номинальное значение фазного тока первичной обмотки
трансформатора:
.
Проектируемый преобразователь электрической энергии должен
обеспечить на нагрузке (двигателе) номинальное напряжение. Ориентируясь на
стандартную промышленную сеть 380/220 В, 50 Гц, однофазные мостовые
схемы (ксх=0,9), работающие на двигатель с Uн=110В, запитывают сетевым напряжением U1=220 В, а работающие на двигатель с Uн=220 В-сетевым напряжением U1=380 В. Поскольку в нашем случае
, то сетевое напряжение, которым будет запитываться схема будет
равняться -
, т.к.
- номинальное напряжение первичной обмотки ТН должно
соответствовать номинальному напряжению сети, в которую он включается. Отсюда:
Определяем номинальное значение фазного тока вторичной обмотки
трансформатора:
Определяем площади поперечных сечений проводников трансформатора:
где
- плотность тока в обмотке
трансформатора,
Принимаем
и подставляем в выражение для определения
площадей поперечных сечений проводников трансформатора:
Из полученных выражений площадей поперечных сечений проводников
и
определяем диаметры проводников:
,
Обмотки трансформатора изготавливаем из медных проводов с удельным
сопротивлением -
.
Зададимся индукцией магнитного поля -
.
где
- частота питающей сети,
;
- площадь поперечного сечения магнитопровода сердечника;
- число витков в фазе первичной обмотки трансформатора.
Зададимся числом витков
и найдем
:
- напряжение на первичной обмотке трансформатора, т.е.
будет равняться напряжению питающей сети.
Рассчитываем число витков в фазе вторичной обмотки трансформатора:
Принимаем, что трансформатор имеет стержневый магнитопровод, а
также считаем, что обмотка однослойная.
Определяем среднюю длину витка:
Длина первичной обмотки трансформатора:
- вместе с выводами.
Находим коэффициент трансформации трансформатора:
или
.
,
где
- ЭДС вторичной обмотки трансформатора;
- номинальное напряжение нагрузки,
;
- коэффициент схемы,
Находим активное сопротивление фазы трансформатора:
,
Находим полное сопротивление короткого замыкания трансформатора:
Тогда индуктивное сопротивление фазы трансформатора находим по формуле:
Находим
и
:
Определяем индуктивность первичной и вторичной обмоток
трансформатора:
где
1.5 Выбор IGBT-транзистора
и его охлаждающего радиатора
В настоящее время транзисторы IGBT выпускаются, как правило,
в виде модулей в прямоугольных корпусах с односторонним прижимом и охлаждением
(«Mitsubishi», «Siemens», «Semikron» и др.) и таблеточном исполнении с
двухсторонним охлаждением («Toshiba Semiconductor Group»). Модули с
односторонним охлаждением выполняются в прочном пластмассовом корпусе с паяными
контактами и изолированным основанием. Все электрические контакты находятся в
верхней части корпуса. Отвод тепла осуществляется через основание. Типовая
конструкция модуля в прямоугольном корпусе показана на рисунке 5.
Рисунок
5 - Типовая конструкция IGBT-модуля: 1 - кристалл; 2 - слой керамики; 3 -
спайка; 4 - нижнее тепловыводящее основание.
Современные IGBT-модули находят сегодня широкое применение
при создании неуправляемых и управляемых выпрямителей, автономных инверторов
для питания двигателей постоянного и переменного тока средней мощности (см.
рисунок 6.), преобразователей индукционного нагрева, сварочных аппаратов,
источников бесперебойного питания, бытовой и студийной техники.
Рисунок 6 - Схема тягового привода системы ONIX 3000 на
IGBT-транзисторах электровоза AM96 для системы электроснабжения 3 кВ.
Особую роль IGBT - модули играют в развитии железнодорожного
транспорта. Применение этих перспективных приборов в тяговом преобразователе
позволило повысить частоту переключения, упростить схему управления,
минимизировать загрузку сети гармониками и обеспечить предельно низкие потери в
обмотках трансформатора и дросселей. На российском подвижном составе модули
IGBT использовались в преобразователе собственных нужд (ПСН) электровоза
ЭП-200, тяговом преобразователе электропоездов «Cокол» и ЭД-6.
Впервые тяговый преобразователь на транзисторах IGBT
(четырёхквадрантные регуляторы, импульсные инверторы и тормозной регулятор)
применён в Европе на серийном электропоезде переменного тока промышленной
частоты Heathrow Express (HEX).
Также в настоящее время IGBT-транзисторы выпускаются
впаянными в силовую сборку (рисунок 7). На основе IGBT в настоящее время разрабатывается
большинство силовых электронных устройств, работающих от промсетей с
напряжением 220 - 380 В. Практически все крупнейшие фирмы мира, производящие
электронную продукцию, развивают новые технологии IGBT и расширяют рынок этих
приборов.
Рисунок 7 - Силовая сборка на основе IGBT
Выбор элементов силовой схемы полупроводниковых
преобразователей с широтно-импульсным управлением (ПШИУ), выполненных на
IGBT-транзисторах, осуществляется в следующей последовательности:
. Находим активную мощность на входе ПШИУ:
,
где
- номинальная мощность нагрузки,
или
;
- номинальный КПД нагрузки.
или
- мощность постоянных составляющих
напряжения и тока выпрямителя;
,
где
- коэффициент, учитывающий превышение
типовой мощности над мощностью постоянных составляющих,
=1,1 - для однофазного выпрямителя;
- типовая мощность трансформатора,
.
2.
Находим значение напряжения на входе ШИП:
где
- фазное значение питающего напряжения,
=220В;
- коэффициент схемы,
. Скважность импульсов:
. Средний ток через ключ последовательного ШИП:
- пусковой ток двигателя.
Так как IGBT-транзисторы допускают перегрузку в течении 1 мс, то
выбор производим по пусковому току.
По пусковому току
выбираем транзистор типа «SEMITRANS 2 SPT IGBT - модуль (полумост) SKM50GB123D» (сайт IGBT.ru) со следующими техническими данными:
.
- напряжение коллектор-эмиттер,
.
- напряжение затвор-эмиттер,
.
- ток через коллектор (при температуре
),
;
.
- ток через коллектор (при температуре
),
;
.
- допустимые температуры хранения,
;
.
,
где
- энергия при включении и выключении
ключа соответственно (при
),
;
.
- тепловое сопротивление переход-корпус,
;
. корпус IGBT - модуля: SEMITRANS 2.
. Мощность потерь в ключе:
где
-энергия включения ключа,
-энергия выключения ключа,
;
- тактовая частота,
;
- напряжение сток-исток ключа,
- рабочий цикл или максимальная скважность импульсов -
,
- номинальное значение тока стока ключа, соответствует выражению
.
.
. Проверяем правильность выбора ключа по формуле:
где
- температура кристалла, определяется по
формуле:
,
где
- тепловое сопротивление переход-корпус,
;
- температура,
.
- максимально допустимая температура кристалла,
.
Проверяем выполнение условия
:
.
Данное условие выполняется, следовательно транзистор выбран верно.
. Находим превышение температуры корпуса
над температурой окружающей среды
по формуле:
.
. Выбираем площадь охлаждающей поверхности радиатора по формуле:
,
где
при естественном охлаждении;
- при скорости охлаждающего воздуха,
.
. Выбираем охладитель типа O45 на сайте www.elvpr.ru, рисунок 8.
Рисунок 8 - охладитель типа О45.
2. Расчет и выбор элементов пассивной защиты СПП
от аварийных токов и перенапряжений
Переходные процессы в цепях преобразователей электрической
энергии часто сопровождаются перенапряжениями, основными их которых являются:
перенапряжения, обусловленные внутренними процессами в полупроводниковых
приборах в моменты коммутации тока; коммутационные перенапряжения, возникающие
в моменты отключения внешних цепей с индуктивностями; перенапряжения, вызванные
резонансными явлениями в преобразователях; внешние перенапряжения, поступающие
из питающей сети. Перенапряжения могут привести к электрическому пробою
приборов, вызывающему, как правило, возникновение токов коротких замыканий.
2.1 Расчет и выбор защитных RC-цепочек
Защитные
цепочки предназначены для ограничения
скорости наростания напряжения на вентилях и снижения перенапряжений на
вентилях схемы. RC-цепь является активно-емкостным делителем.
Определим сопротивление резисторов
и
по формуле:
где
- повторяющийся импульсный ток в закрытом
состоянии, для
, [2, таблица 5.2.];
- значение максимального обратного напряжения прикладываемого к
вентилю,
.
Мощность резистора определим по формуле:
.
По справочнику выбираем резистор
Находим емкость конденсаторов
и
по формуле:
,
где
;
- угловая частота,
- максимальный прямой ток в схеме,
По справочнику выбираем конденсатор
Определим сопротивление резистора
по формуле
(ток транзистора в закрытом состояни
):
Мощность резистора:
По справочнику выбираем резистор:
.
Находим емкости конденсатора
:
.
По справочнику выбираем конденсатор:
2.2 Выбор шунтирующего диода VD3 по току и напряжению
Для выравнивания напряжения применяют подбор приборов одного
класса с близкими значениями обратных токов и токов утечки или устанавливают
специальные делители и схемы управления тиристорами и транзисторами.
В качестве выравнивающих устройств используют в переходных режимах
- активно-емкостные делители, т.е. RC-цепи, которые расчитаны в
предыдущем пункте, а также используются комбинированные делители с диодами,
т.е. RCD-цепи. RCD-цепь обеспечивает равномерное деление
обратного напряжения и выступает как емкостный делитель при прямом напряжении,
а также такая цепь обеспечивает снижение скорости прямого напряжения
.
Поскольку в схеме (рисунок 1.) присутствует одна RCD-цепь,
а параметры RC-цепей расчитаны в предыдущем пункте, то необходимо
произвести расчет и выбор диода
VD3 по току и напряжению.
,
Согласно полученному значению тока
выбираем [2, таблица 6.3.] диод типа ДЛ112-10 с охладителем
0111-60 с параметрами:
. тепловое сопротивление корпус-контактная поверхность
охладителя -
;
. дифференциальное сопротивление,
;
. тепловое сопротивление контактная поверхность охладителя
- окружающая среда,
;
. тепловое сопротивление переход - корпус,
;
. пороговое напряжение -
;
. температура перехода:
максимально допустимая,
;
минимально допустимая
.
Рассчитываем тепловое сопротивление переход - окружающая
среда:
Рассчитываем максимально допустимый средний ток:
- коэффициент запаса по току.
Проверяем выполнение условия
,
- условие выполняется, значит диод по току выбран верно.
Выбор по напряжению производим по формуле
,
где 
=1,65…2 - коэффициент запаса по рабочему напряжению;
- максимальное значение рабочего напряжения прикладываемого к
вентилю в конкретной схеме,
;
- номинальное значение максимального обратного напряжения,
прикладываемого к вентилю в конкретной схеме;
- коэффициент, учитывающий возможность повышения напряжения в
сети,
.
.
Примем
и подставим полученные значения в
выражение
, получим:
=442 В.
Таким образом, для данного диода ДЛ112-10 с типом
охладителя О111-60
=442 В нужен диод 5-го класса по напряжению - ДЛ112-10 -5.
2.3 Проверка шунтирующего диода VD3 по перегрузочной способности
Определяем средние потери мощности для тока,
предшествовавшего перегрузке по формуле:
,
Определим средний ток диодов при перегрузке:
Находим средние потери мощности для тока, соответствующего
перегрузке по формуле:
,
где
- коэффициент запаса по току в режиме
перегрузки,
.
Определяем переходное тепловое сопротивление переход-среда, по
формуле:
,
.
По графику функции
[2, рис. 6.7; с. 121] определяем максимально допустимое время
перегрузки:
Проверим, удовлетворяет ли диод режиму перегрузки, в соответствии
с условием:
Условие выполняется, следовательно, диод удовлетворяет режиму
перегрузки.
2.4 Расчет LC-фильтра
Сглаживающие фильтры применяют для сглаживания пульсаций
выпрямленного напряжения до уровня, который требуется по условиям эксплуатации
в устройствах, питаемых данным выпрямителем.
Оценку сглаживающего действия фильтра обычно производят по
величине его коэффициента сглаживания.
Сглаживающие фильтры бывают нескольких видов:
1. простейший индуктивный фильтр;
2. простейший емкостный фильтр;
. однозвенный Г-образный LC-фильтр (рисунок 9.);
. двухзвенный Г-образный LC-фильтр.
Рисунок 9 - однозвенный Г-образный LC-фильтр.
Расчет фильтра производится по следующим соотношениям.
Формула для определения индуктивности:
где
- число пульсаций выпрямленного напряжения за период,
,
- сопротивление двигателя.
Для определения сопротивления двигателя воспользуемся формулой:
,
где
- напряжение на выходе фильтра,
;
- потребляемая мощность из сети (
). Тогда
. Подставим значения в формулу и найдем L:
.
Из справочника [1, таблица П3.1.] выбираем
дроссель ДФ-7.
Значение емкости конденсатора определяемое по следующей
формуле будет равно:
где
- коэффициент фильтрации, который
определим по следующей формуле:
где
.
Тогда:
.
Окончательно получим:
.
2.5 Выбор сглаживающего дросселя
Для уменьшения пульсаций тока и ограничения зоны прерывистых
токов в главной цепи двигателя применяется дополнительный сглаживающий
дроссель.
Основное назначение сглаживающего дросселя в составе
электропривода - это повышение коэффициента мощности электропривода за счет
снижения амплитуды высших гармоник, генератором которых является блок
управления.
Выбор сглаживающего дросселя осуществляется в следующей
последовательности:
1. определяем требуемую постоянную времени электрической
цепи, исходя из условий ограничения зоны прерывистого тока:
,
где
- постоянный коэффициент схемы
выпрямления;
- для однофазной нулевой неуправляемой схемы;
- максимальное значение относительного граничного тока зоны
прерывистого тока:
,
где Iгр.max - абсолютное наибольшее значение
граничного тока, которое должно быть меньше тока холостого хода; его значение
должно находиться в пределах
; для однофазных схем с целью уменьшения электромагнитной
постоянной времени допускается Iгр.max=(0.1…0.8) Iн.;
IБ
- базовое значение тока,
где Um - максимальное значение анодного
напряжения;
RП -
активное сопротивление якорной цепи,
,
где RН - номинальное сопротивление схемы, RН=10 Ом,
Rтр. -
приведенное ко вторичной обмотке активное сопротивление трансформатора, Rтр=0,68
Ом;
Rсп. -
активное сопротивление силового преобразователя, учитывающее падение напряжения
на вентилях и проводах,
,
где DUВ - прямое падение напряжения на вентиле, DUВ=3 В;
n - число
вентилей, последовательно включенных, проводящих ток в один и тот же момент
времени, n=1.
Рассчитываем
:
,
Rтр=0,68 Ом, RН=10 Ом.
Исходя из полученных нами значений
находим активное сопротивление RП:
.
где
- номинальное значение максимального
обратного напряжения, прикладываемого к вентилю в конкретной схеме,
,
- коэффициент, учитывающий возможность повышения напряжения в
сети,
.
Исходя из полученных значений RП и Um рассчитываем
базовое значение тока:
Iгр.max=(0.1…0.8) Iн. - для однофазных схем с целью уменьшения электромагнитной
постоянной времени, тогда выбираем
.
Находим
:
.
Согласно полученным значениям
и
- для однофазной схемы находим требуемую
постоянную времени:
. определяем требуемую индуктивность якорной цепи и требуемую
индуктивность сглаживающего дросселя:
,
,
,
где LН - номинальное значение индуктивности, LН=3
мГн;
- требуемая индуктивность;
- индуктивность трансформатора,
;
- индуктивное сопротивление фазы трансформатора,
;
- частота питающей сети.
Определяем
:
. из каталога [1, таблица П3.1.] выбираем дроссель по
соотношениям:
Согласно данным из каталога [1, таблица П3.1.] получаем:
и выбираем дроссель типа ДФ-7-100мГн со следующими
техническими данными:
.
- масса;
.
- потери мощности при
.
. найдем активное сопротивление дросселя:
,
определяем из выражения
, т.е.
=30Вт.
.
. индуктивность якорной цепи:
,
. находим активное сопротивление якорной цепи в режиме
непрерывного тока:
где
- коммутационное сопротивление,
обусловленное углом перекрытия анодов,
,
- пульсность схемы,
- из-за двух работающих диодов;
- индуктивное сопротивление трансформатора,
Тогда:
. активное сопротивление якорной цепи в режиме прерывистого тока:
исходя из условия:
. действующее значение переменной составляющей тока нагрузки при
номинальном моменте двигателя:
где
- условная ЭДС холостого хода
преобразователя (среднее значение выпрямленной ЭДС при
)
,
- коэффициент схемы,
;
- номинальное напряжение нагрузки,
;
;
- удельная относительная величина дополнительных потерь от
переменной составляющей тока; определяется в зависимости от схемы выпрямления и
степени снижения напряжения выпрямителя
[1, страница 51, рисунок 3.12., график №2., зависимость
]. По графику определяем, что
- для несимметрично управляемых схем.
.
Проверяем выполнение условия
- условие выполняется.
. коэффициент пульсаций тока:
где
и
- максимальные и минимальные значения пульсирующего тока
нагрузки.
. коэффициент формы тока нагрузки:
. проверяем выполнение условия
- условие выполняется.
. коэффициент использования двигателя по току:
Из каталога [1, таблица П3.1.] окончательно выбираем дроссель типа
ДФ-7-100мГн со следующими параметрами:
.
- требуемая номинальная индуктивность
сглаживающего дросселя;
.
- требуемый номинальный ток сглаживающего
дросселя;
.
- масса дросселя;
.
- потери мощности при нагреве.
3. Литературный обзор СУ СПП проектируемого ППЭЭ,
требования к су проектируемого ППЭЭ
Система управления преобразовательным устройством
предназначена для формирования и генерирования управляющих импульсов
определенной формы и длительности, распределения их по фазам и изменения подачи
на управляющие электроды вентилей преобразователя.
Вентильные преобразователи состоят их силовой части и системы
управления (СУ). Силовая часть управляемого преобразователя, выполненная на
управляемых вентилях (тиристорах, силовых транзисторах), может работать при
подаче на управляющие электроды в определенные моменты времени импульсов,
обеспечивающих включение данных вентилей
Функции СУ сводятся к двум задачам:
. определение моментов времени, в которые должны быть
включены те или иные конкретные вентили. Эти моменты времени задаются некоторым
управляющим сигналом, который подается на вход СУ и определяет его работу, и в
конечном счете задает значение выходных параметров преобразователя.
. формирование управляющих импульсов, т.е. создание
управляющих сигналов, передаваемых в нужные моменты времени на управляющие электроды
тиристоров и имеющие достаточные амплитуды, мощность и длительность, а в
некоторых случаях определенную форму кривой.
Работу широтно-импульсного преобразователя обеспечивает
система управления (СУ) ШИП.
Основные требования предъявляемые к СИФУ:
. высокое быстродействие;
. высокая устойчивость к импульсным помехам;
3. линейность регулировочной характеристики (
;
. гальваническая развязка цепей управления и силовых цепей.
Широтно-импульсный преобразователь (ШИП) - это
преобразователь нерегулируемого постоянного напряжения в регулируемое
постоянное напряжение. Широтно-импульсный преобразователь (ШИП) постоянного
напряжения преобразовывают постоянное напряжение в импульсное, среднее значение
которого (т.е. его постоянную составляющую, выделяемую в нагрузке фильтрами)
можно регулировать.
ШИП является последовательным, если управляемый вентиль и
дроссель фильтра включены последовательно с нагрузкой. Характерной особенностью
последовательных ШИП является невозможность получения напряжения на выходе выше
напряжения источника питания.
Основные преимущества импульсных преобразователей:
. высокий КПД, т.к. потери мощности на регулирующем
элементе преобразователя незначительны по сравнению с потерями мощности при
непрерывном управлении;
. малую чувствительность к изменениям температуры
окружающей среды, поскольку регулирующим фактором является время проводимости
управляемого вентиля, а не внутреннее сопротивление регулирующего элемента, как
при непрерывном регулировании;
. малые габариты и массу;
. постоянную готовность к работе.
Однако импульсным преобразователям присущи и недостатки:
. импульсный режим работы регулирующего элемента
приводит к необходимости устанавливать выходные и часто входные фильтры, что
вызывает инерционность процесса регулирования в замкнутых системах;
. высокие скорости включения и выключения тока в
силовой цепи ШИП приводят к возникновению радиопомех.
Работа вентилей в ШИП имеет следующие особенности:
· ничем не ограниченные скорости нарастания
(скачки) токов в вентилях;
· ничем не ограниченные скорости нарастания
прямого напряжения на вентилях;
· отсутствия на управляемых вентилях
обратного напряжения.
Широтно-импульсное регулирование выходного напряжения (тока)
преобразователей на вентилях присуще следующим видам преобразователей:
· постоянного напряжения в постоянное;
· постоянного напряжения в переменное
(автономным инверторам тока и напряжения);
· регуляторам переменного напряжения в
переменное;
· непосредственным преобразователям частоты
с циклическим управлением или с коэффициентом преобразования по напряжению
больше единицы.
При широтно-импульсном регулировании постоянного или
переменного напряжения надо изменять соотношение длительностей проводимости
двух вентилей, сохраняя сумму этих двух длительностей неизменной, т.е. система
управления должна обеспечить сдвиг фазы импульсов одной последовательности
относительно импульсов другой последовательности с той же частотой следования.
Обычно используется вертикальный метод управления, где
управляющий импульс формируется в результате сравнения на нелинейном элементе
величин переменного (синусоидального, пилообразного, треугольного) и
постоянного напряжения. В качестве нелинейного элемента обычно применяют
транзистор.
Для определения вида передаточной характеристики
преобразователя постоянного напряжения в постоянное необходимо учесть
линейность регулировочных характеристик для однополярной и двухполярной
модуляции. Так как зависимость относительной длительности импульсов управления от
сигнала задания при вертикальном методе управления имеет линейный характер при
пилообразном опорном напряжении и синусоидальный при гармонической форме
опорного напряжения, то передаточная характеристика ШИП на идеальных элементах
будет линейной при пилообразном опорном напряжении и синусоидальной - при
гармоническом. Структура системы управления ШИП приведена на рисунке 10.
Рисунок 10 - Структурная схема управления ШИП
Система управления вентильным преобразователем в общем случае
должна выполнять следующие требования:
1. включение преобразователя и выводе его на заданный
режим работы;
. стабилизацию заданного режима (напряжения, тока,
мощности, частоты и т.д.);
. выключение преобразователя;
. регулирование режима в соответствии с заданием;
. защиту преобразователя (аварийное выключение);
. контроль работы преобразователя и при необходимости
диагностика неисправностей.
Преимуществом асинхронной СУ по сравнению с синхронной
является то, что при заметной несинусоидальности синхронизирующего напряжения
сети качество работы синхронной СУ снижается.
4. Проектирование структурной и функциональной
схем СИФУ
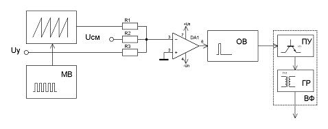
Спроектируем структурную схему управления. Она будет иметь
вид представленный на рисунке 11.
Рисунок 11 - Структурная схема управления
На данной схеме приняты следующие обозначения:
МВ - мультивибротор, который вырабатывает последовательность
импульсов заданной частоты для установки ГПН в исходное состояние (в 0);
ГПН - генератор пилообразного напряжения, формирующий
пилообразное напряжение Uп, возвращаясь в исходное состояние
в момент подачи импульсов Uсинх.;
К - компаратор или ноль-орган, сравнивающий пилообразное Uп
и напряжение управления Uу (формируется
системой автоматического управления) и в момент их равенства меняет свое
выходное состояние;
ОВ - одновибратор, вырабатывающий короткий импульс по фронту;
ВФ - выходной формирователь, служащий для формирования
открывающих импульсов по мощности, необходимых для надежного включения транзисторов,
и обеспечения потенциальной развязки системы управления преобразователем с
силовым блоком.
Функциональная схема системы управления преобразователем
представлена на рисунке 13.
Рисунок 13 - Функциональная схема системы управления
5. Выбор типов цифровых и аналоговых интегральных
микросхем (ИМС)
В качестве мультивибратора будем использовать микросхему типа
К155АГ3 [4] с номинальным напряжением питания 15В. Схема представлена на
рисунке 14. Электрические параметры микросхемы К155АГ3 приведены в таблице 1.
Таблица 1 - электрические параметры микросхемы К155АГ3
|
Тип
микросхемы
|
Номинальное
напряжение - UНОМ, В
|
Напряжение
питания - UИП,
В
|
Ток
потребления - IПОТ, мА
|
Рабочий
диапазон температур,
|
|
К155АГ3
|
15
|
не более 18
|
не более 17
|
- 10 … +70
|
Рисунок 14 - Схема мультивибратора
Назначение входов и выходов микросхемы К155АГ3:
1. информационные выходы - 1; 2; 9; 10;
2. входы сброса - 3; 11;
. внешние компоненты RS - 6; 7; 14; 15;
. общий выход - 8;
. вход +UПИТ - 16.
В качестве операционных усилителей используем микросхемы типа
К140УД7 [4] с номинальным напряжением питания 15В. Типовая схема представлена
на рисунке 15. Электрические параметры микросхемы К140УД7 приведены в таблице
2.
Таблица 2 - электрические параметры микросхемы К140УД7
|
Тип микросхемы
|
Номинальное
напряжение - UНОМ, В
|
Напряжение
питания - UИП, В
|
Ток потребления
- IПОТ, мА
|
Входное
сопротивление, RВХ, мОм
|
|
К140УД7
|
15
|
не более 17
|
не более 36
|
400
|
0,4
|
Рисунок 15 - Схема усилителя
6. Проектирование принципиальной схемы и
электрический расчет функциональных элементов СУ СПП
.1 Расчет мультивибратора
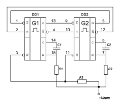
Рисунок 16 - Схема мультивибратора
Цепочка R1-C1 определяет время между
импульсами, а цепочка R3-C2 - время самого импульса:
, (19)
, (20)
. (21)
Зная частоту можно определить
,
.
Зададимся значениями С1=С2=1мкФ, тогда:
,
,
,
,
.
Выбираем резисторы из [3]: R1 - МЛТ - 0,125 - 500±10%;
R3 - МЛТ - 0,125-250±5%;
R2 - МЛТ - 0,125-200кОм±5%;
Выбираем конденсатор из [3]: C1, С2 - К10У-5-25-1 мкФ±.
6.2 Расчет генератора пилообразного напряжения
Генератор пилообразного напряжения представлен на рисунке 17.
Рисунок 17 - Генератор пилообразного напряжения.
Принимаем Uоп вх= 5 В, Uпм=10 В.
Диаграммы работы ГПН представлены на рисунке 18.
Рисунок 18 - Временные диаграммы работы ГПН.
,
,
так как при t=tраб, UС3=
Uпм., то получаем:
,
.
Зададимся С3= 0,1мкФ. Тогда:
кОм.
Принимаем R7= 1,7 кОм.
Примем R7=R5= 50 кОм. Тогда i7= i5:
мА.
мА.
кОм.
Рассчитаем мощности резисторов:
Выбираем из справочника [3]: С3 - К73-17-10В-0,1мкФ±10%,
, R7 - МЛТ
- 0,125-50кОм±10%,-
МЛТ - 0,125-25кОм±10%.
Транзистор VT1 выбираем по условиям:
,
где кзi= 1,2¸1,5; кзu=1,5¸2,0.
Ток коллектора Ik равен току разряда
конденсатора С3:
,
Считая, что разряд конденсатора С3 происходит при
постоянном токе, имеем:

,
мА.
С учетом кзi= 1,5; кзu= 2 получаем:
мА,
В.
Из справочника [3] выбираем транзистор КТ817Б со следующими
параметрами: Uкэ max= 45 В; Iк max= 8мА; b= 25.
Ток базы транзистора VT3:
,
мА.
Тогда:
,
кОм.
Выбираем из справочника [3] выбираем: R4 - МЛТ - 2,5-30кОм±10%.
6.3 Расчет компаратора
Компаратор представлен на рисунке 19.
Рисунок 19 - Схема компаратора
Диаграммы работы компаратора представлены на рисунке 20.
Рисунок 20 - Временные диаграммы работы компаратора
Компаратор осуществляет преобразование Uу в угол
открывания a.
Развертываемое напряжение определяем по формуле:
,
для момента времени, при котором произошло равенство напряжений,
для входной цепи компаратора можно записать:
,
,
Принимаем R8=R9=R10, тогда:
,
При Uу=0 угол открывания g=gнач, а Uп= - Uсм.
При
необходимо обеспечить скважность
импульсов
. В связи с этим в схеме введено
:
, (22)
,
Из формулы (22) выразим и найдем
:
,
,
.
Выбираем из справочника [3]: R8, R9 и R10 - МЛТ - 0,125-20кОм±10%.
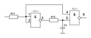
.4 Расчет одновибратора
Одновибратор выполнен с использованием микросхемы К155ЛА8.
Принципиальная схема приведена на рисунке 21.
Рисунок 21 - Принципиальная схема одновибратора
Длительность импульса
,
Принимаем
, тогда
.
Выбираем из справочника [3]:
;
.
6.5 Расчет выходного формирователя
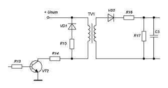
Выходной формирователь выполнен на импульсном трансформаторе.
Принципиальная схема представлена на рисунке 22.
Рисунок 22 - Схема выходного формирователя
Выходной формирователь помимо усиления по мощности импульсов
управления осуществляет также потенциальную развязку силовой части
преобразователя от СУ.
Из справочника [4] для выбранного транзистора находим
следующие данные:
- отпирающее постоянное напряжение управления;
- отпирающий постоянный ток управления.
Определяем
при снижении на 15% напряжения питания:
,
Находим
при максимальном внутреннем
сопротивлении, увеличение которого на 5% вызвано разбросом параметров и
сопротивлений элементов:
,
.
Определяем номинальные значения величин по формулам
,
,
,
.
Номинальное внутреннее сопротивление источника определим по формуле
,
Находим
и
с учетом возможного повышения напряжения на 10% и
уменьшения внутреннего сопротивления источника на 5%.
,
.
Выбираем импульсный трансформатор ТИП-18-1 и транзистор КТ504А:
сопротивление обмоток
;
-
Диод VD1 предназначен для снятия перенапряжений на
индуктивности трансформатора при выключении TV1. Выбираем диод Д106А
(UОБР=30В) [7].
Диод VD2 блокирует протекание тока через вторичную
обмотку трансформатора TV1 от силовой цепи. Выбираем диод КД202А (UОБР=50В, IПР=5А) [7].
Цепочка R17-C5 служит для повышения помехоустойчивости. Выбираем резистор МЛТ
- 0,25Вт-100кОм
[3] и конденсатор Н50-25В-0,1мкФ
[3].
Резистор R15 служит для более быстрого сброса энергии
индуктивности TV1. Выбираем МЛТ-0,25Вт-100кОм
[3].
Резистор R13 служит для ограничения тока базы:
Выбираем из [3]: R13 - МЛТ
- 0,125-12кОм
; R14 - МЛТ - 0,125-30Ом
10%.
7. Составление полной принципиальной схемы
проектируемого преобразователя и перечня элементов в ней. Временные диаграммы
работы СУ преобразователем и описание принципа ее действия
Мультивибратор формирует на своем выходе положительные
импульсы, которые подаются на базу транзистора VT1 и открывают его. Во
время открывания транзистора VT1 происходит сброс пилы на генераторе
пилообразного напряжения.
Генератор пилообразного напряжения формирует на выходе
пилообразное напряжение, которое подается на компаратор, где оно сравнивается с
напряжением управления. В моменты времени, когда напряжение пилы больше
напряжения управления компаратор формирует на своем выходе положительный
сигнал. В моменты времени, когда напряжение пилы больше напряжения управления
компаратор формирует на своем выходе положительный сигнал. В моменты времени,
когда напряжение пилы меньше напряжения управления компаратор закрывается.
Входной формирователь обеспечивает гальваническую развязку
системы управления и силовой схемы, а также усиливает сигнал с компаратора и
защищает транзистор VT1 от перегрузок.
Полная принципиальная схема представлена на рисунке 24.
Рисунок 24 - Принципиальная схема управления
Таблица 3. Перечень элементов
|
Поз.
обозначение
|
Наименование
|
Кол.
|
Примечание
|
|
|
|
|
|
|
|
|
|
Конденсаторы
|
|
|
|
|
|
|
|
C1-С2
|
К10У-5-25-1 мкФ±5%
|
2
|
|
|
С3
|
К73-17-10В-0,1мкФ±10%
|
1
|
|
|
С4
|
МБМ -10-1мкФ
|
1
|
|
|
C5
|
Н50-25В-0,1мкФ 1
|
|
|
|
C6-C7
|
К40У - 9 -
0,7нФ 10%2
|
|
|
|
С8-C9
|
К40У- 9 -
4,5мкФ±10%
|
2
|
|
|
Сф
|
К40У - 5 -
150мкФ 10%1
|
|
|
|
|
|
|
|
Микросхемы
|
|
|
|
|
|
|
|
DА1, DA2
|
К140УД7
|
2
|
|
|
DD1
|
К155АГ3
|
1
|
|
|
DD2
|
K155ЛА8
|
1
|
|
|
|
|
|
|
Трансформаторы
|
|
|
|
|
|
|
|
TV2
|
ТИП-18-1
|
1
|
|
|
|
|
|
|
Диоды
|
|
|
|
|
|
|
|
VD1
|
КД202А
|
1
|
|
|
VD2
|
Д106А
|
1
|
|
|
VD3
|
Д112 - 25 - 5
|
1
|
|
|
VD4
|
Д112 - 25 - 5
|
1
|
|
|
VD5
|
Д112 - 10 - 5
|
1
|
|
|
VD6
|
Д112 - 10 - 5
|
1
|
|
|
|
|
|
|
|
Транзисторы
|
|
|
|
|
|
|
|
VT1
|
КТ817Б
|
1
|
|
|
VT2
|
КТ504А
|
1
|
|
|
VT3
|
IGBT: SEMITRANS2
|
1
|
|
|
|
|
|
|
Резисторы
|
|
|
|
|
|
|
|
R1
|
МЛТ - 0,125 -
360±10%
|
4
|
|
|
R2
|
МЛТ -
0,125-125кОм±5%
|
1
|
|
|
R3
|
МЛТ - 0,125-5±5%
|
1
|
|
|
R4
|
МЛТ - 2,5-30кОм±10%
|
1
|
|
|
R5, R7
|
МЛТ -
0,125-2кОм±10%
|
2
|
|
|
R6
|
МЛТ -
0,125-1кОм±10%
|
1
|
|
|
R8 - R10
|
МЛТ -
0,125-20кОм±10%
|
3
|
|
|
R11, R12
|
МЛТ - 0,125-390Ом 2
|
|
|
|
R13
|
МЛТ -
0,125-12кОм±10%
|
3
|
|
|
R14
|
МЛТ -
0,125-30Ом±10%
|
2
|
|
|
R15, R16
|
МЛТ -
0,125-100кОм±10%
|
2
|
|
|
R17
|
МЛТ -
0,25-100кОм±10%
|
1
|
|
|
R18, R19
|
ВС - 1Вт-40Ом 5%2
|
|
|
|
R20, R21
|
Р1 - 11 - 0,25
- 230Ом 5%2
|
|
|
|
|
|
|
|
Дроссель
|
|
|
|
|
|
|
|
Lф
|
ДФ - 7 - 100мГн
|
1
|
|
|
Lдр
|
ДФ - 7 - 100мГн
|
1
|
|
|
|
|
|
|
8. Расчёт и построение внешней и регулировочной характеристик
преобразователя
.1 Внешняя характеристика выпрямителя
Внешней характеристикой выпрямителя называется зависимость
выходного напряжения U от тока
нагрузки I при постоянном значении скважности
, то есть зависимость
при
.
На рисунке 25 показана схема замещения выпрямителя
Рисунок 25 - Схема замещения выпрямителя
Внешняя характеристика определяется следующим уравнением
,
где Rтр - активное сопротивление последовательно
включенных элементов схемы, по которым протекает ток нагрузки в один и тот же
момент времени, Rтр=0,68Ом.;
Rдр -
сопротивление дросселя,
;
Rп -
коммутационное сопротивление, определяемое по формуле
,
где Xтр - реактивное сопротивление трансформатора,
.
.
Значение ЭДС определим по формуле:
,
В режиме непрерывного тока внешние характеристики выпрямителя
представляют собой ряд параллельных прямых, наклоненных к оси тока.
Произведем расчет внешней характеристики выпрямителя в виде
таблицы 4. для трех значений скважности.
Таблица 4
|
γ1=
γmin=0,17
|
γ2=0,55
|
γ3=
γmax=0,85
|
|
I, A
|
0
|
16
|
0
|
16
|
0
|
16
|
|
U, B
|
21,48
|
9,08
|
76,2
|
63,8
|
119,4
|
107
|
Вид внешней характеристики выпрямителя показан на рисунке 26.
Рисунок 26 - Вид внешней характеристики выпрямителя
8.2 Регулировочная характеристика выпрямителя
Регулировочная характеристика выпрямителя представляет собой
зависимость выпрямленной ЭДС Е от скважности
, то есть Е=f(
).
Для данной схемы, выражение для выпрямленной ЭДС имеет вид
,
Произведем расчет регулировочной характеристики выпрямителя в виде
таблицы 5.
Таблица 5.
|
0
|
0,17
|
0,85
|
1
|
|
|
E
|
0
|
24,48
|
122,4
|
144
|
Вид регулировочной характеристики выпрямителя показан на
рисунке 27.
Рисунок 27 - Вид регулировочной характеристики выпрямителя
8.3 Регулировочная характеристика ШИП
Регулировочной характеристикой ШИП называется зависимость
скважности
от напряжения управления UУ, то есть
.
Данная зависимость выражается в формуле:
,
Расчет регулировочной характеристики ШИП произведем в виде таблицы
6.
Таблица 5.
|
0
|
1.5
|
8.3
|
10
|
|
|
1
|
0.85
|
0.17
|
0
|
|
Вид регулировочной характеристики ШИП показан на рисунке 28.
Рисунок 28 - Регулировочная характеристики ШИП
Заключение
В курсовом проекте был рассмотрен неуправляемый однофазный
нулевой выпрямитель, работающий на последовательно подключенный ШИП и на
активно-индуктивную нагрузку.
Для указанной схемы выпрямителя были произведены: расчет и
выбор силовых элементов, расчет и выбор элементов пассивной защиты силовых
приборов, проектирование структурной и функциональной схем системы управления
преобразователем, проектирование принципиальных схем и расчет функциональных
элементов системы управления, построены полная принципиальная схема, внешняя и
регулировочная характеристики преобразователя.
В графической части приведены функциональная и полная
принципиальная схемы проектируемого преобразователя, временные диаграммы
работы, внешние и регулировочные характеристики.
Список использованных источников
1. Методическое
пособие: Г.И. Гульков, Н.М. Улащик, 2005.
2. Силовые
полупроводниковые приборы: Справочник/О.Г. Чебовский, Л.Г. Моисеев, Р.П.
Недошивин. - 2-е изд., перераб. и доп. - М.: Энергоатомиздат, 1985. - 400 с.,
ил.
3. Резисторы.
Конденсаторы. Трансформаторы. Дроссели. Коммутирующие устройства. РЭА:
Справочник/Н.Н. Акимов, Е.П. Ващуков, В.А. Прохоренко, Ю.П. Ходоренок. - Мн.
«Беларусь», 1994.
. Цифровые
интегральные микросхемы: Справочник/ М.И. Богданович, И.Н. Грель, В.А.
Прохоренко, В.В. Шалимо. - Мн. «Беларусь», 1991.
. Основы
преобразовательной техники: /В.С. Руденко, В.И. Сенько, И.М. Чиженко. - 2-е изд.,
перераб. и доп. - М.: «Высшая школа», 1980.
. Интегральная
электроника в измерительных устройствах. /В.С. Гутников. - 2-е изд., перераб. и
доп. - Л.: Энергоатомиздат. Ленингр. отд-ие, 1988.
. Справочник
по электрическим машинам: В 2 т. / Под общ. Ред. И.П. Копылова и Б.К. Клокова.
Т. 1. - М.: Энергоатомиздат, 1988. - 456 с.: ил.