Преобразование релейно-контактной схемы управления асинхронным двигателем с фазным ротором в схему на бесконтактных логических элементах
СОДЕРЖАНИЕ
Введение
.
ТЕХНОЛОГИЧЕСКАЯ ЧАСТЬ И РЕЖИМЫ РАБОТЫ УСТАНОВКИ
2. ДАТЧИКИ, УСТРОЙСТВА ЗАЩИТЫ И СИГНАЛИЗАЦИИ УСТАНОВКИ
. АНАЛИЗ ИСХОДНОЙ РЕЛЕЙНО-КОНТАКТНОЙ УСТАНОВКИ И ВЫДЕЛЕНИЕ ВХОДНЫХ,
ВЫХОДНЫХ И ПРОМЕЖУТОЧНЫХ СИГНАЛОВ
. СИНТЕЗ СТРУКТУРНЫХ ФОРМУЛ
5. СИНТЕЗ
ПРОМЕЖУТОЧНОЙ ФУНКЦИОНАЛЬНОЙ СХЕМЫ
6. ВЫБОР РЕЛЕЙНО-КОНТАКТНОЙ АППАРАТУРЫ
. ОБОСНОВАНИЕ ВЫБОРА СЕРИИ МИКРОСХЕМ И РАЗРАБОТКА ПРИНЦИПИАЛЬНОЙ
ЭЛЕКТРИЧЕСКОЙ СХЕМЫ НА БЕСКОНТАКТНЫХ ЛОГИЧЕСКИХ ЭЛЕМЕНТАХ
. ТАБЛИЦА ПЕРЕЧНЯ ЭЛЕМЕНТОВ РАЗРАБОТАННОЙ СХЕМЫ
. ВЫБОР ПРОГРАММИРУЕМОГО КОНТРОЛЛЕРА И РАЗРАБОТКА ПРОГРАММЫ НА ЯЗЫКЕ
РКС
ЗАКЛЮЧЕНИЕ
Список использованных источников
ВВЕДЕНИЕ
В современных электроприводах металлургического производства уделяется
большое внимание надежности и бесперебойной работе электрооборудования. Это в
особенности относится к таким агрегатам, как доменная и сталеплавильная печи,
крупные прокатные станы, простой которых из-за электрооборудования приводит к
большим производственным потерям, снижению производительности и качества продукции.
В этом случае стоимость электрооборудования - не главный вопрос.
Для современного металлургического электропривода характерно широкое
внедрение автоматизации технологических процессов. Это относится ко всем без
исключения мощным и высокопроизводительным механизмам доменного,
сталеплавильного и прокатного производства. Усложнение технологических
процессов, увеличение скоростей их протекания и необходимость точного
выполнения этих процессов исключает возможность ручного управления. В этих
случаях оператор не в состоянии управлять процессом и контролировать большое
число взаимосвязанных параметров без применения ЭВМ. Поэтому современные
системы управления основных мощных высокопроизводительных механизмов
металлургического производства снабжаются ЭВМ.
1. ТЕХНОЛОГИЧЕСКАЯ
ЧАСТЬ И РЕЖИМЫ РАБОТЫ УСТАНОВКИ
Для выплавки чугуна в доменных печах требуется сырые материалы. Эти
материалы, смешанные в определенной пропорции, загружают через засыпное
устройство в верхнюю часть домны. Необходимый для горения воздух обычно в смеси
с природным газом, нагретый до 900-1200°С и обогащенный кислородом, подается под давлением до 4-5
атмосфер через формы. Выдача чугуна и шлаков осуществляется через летки каждые
3-4 часа. У мощных доменных печей 2000 м3 и выше имеются 2 чугунные и 2
шлаковые летки. Печи меньшего объема имеют 1 чугунную и две шлаковые летки. На
рисунке 1.1. представлен поперечный разрез типовой доменной печи.
Рисунок 1.1 - Поперечный разрез доменной печи.
Для выплавки чугуна в доменной печи требуется большое количество сырых
материалов. Это количество материалов должно быть поднято на высоту 80 метров.
Выполнить такой объем погрузочных работ можно только при надлежащей механизации
транспорта, четкой и безотказной работе отдельных узлов системы загрузки. Для
создания бесперебойной работы доменного цеха требуется наличие определенного
запаса сырых материалов, которые в зависимости от удаленности источников
снабжения источников сырьем должен соответствовать потребностям цеха в пределах
от нескольких суток до 1,5 - 2 месяцев.
Если руда добывается в непосредственной близи от завода, то нет
необходимости в больших запасах руды. В таких случаях рудный двор на заводе
отсутствует, а руда от карьера поступает на обогатительную фабрику, откуда,
обогащенная в виде агломерата, железнодорожными составами или ленточными
транспортерами подается к рудным бункерам доменных печей. От рудных бункеров
агломерат и от коксовых бункеров кокс поднимается на верх доменной печи с
помощью скипового подъемника.
Бункера доменных печей, расположенные вдоль линии печей представляют
собой резервуары для хранения агломерата, флюсов и кокса. Агломерат и флюсы
забираются из рудных бункеров, взвешиваются, подаются к скиповой яме и
загружаются в скип с помощью вагонов-весов. Затем груженый скип по команде
машиниста вагон-весов скипового подъемника поднимается на верх доменной печи. В
мощных доменных печах полезным объемом 2000 м3 и выше доставка рудных
материалов от рудных бункеров к скипу предусматривается не вагон-весами, а
транспортерами. В доменных печах объемом 5000 м3 доставка как рудных материалов
так и топлива предусмотрена непосредственно на верх доменной печи с помощью
транспортеров.
Бункера доменных печей, расположенные вдоль линии печей представляют
собой резервуары для хранения агломерата, флюсов и кокса. Агломерат и флюсы
забираются из рудных бункеров, взвешиваются, подаются к скиповой яме и
загружаются в скип с помощью вагон-весов. Затем груженый скип по команде
машиниста вагон-весов скиповым подъемником поднимается на верх доменной печи
для ее загрузки.
На рисунке 1.2 представлена технологическая схема транспортной подачи
шихты. Система состоит из двух комплектов механизмов, расположенных в скиповой
яме и в подбункерном помещении с каждой стороны оси доменной печи. Каждый из
комплектов механизмов предназначается для загрузки скипов как с правой, так и с
левой стороны печи, для чего устанавливаются перекидные шиберы агломерата и
добавок. Общим принципом работы шихтоподачи является загрузка весовых воронок сразу
же после их опорожнения.
Рисунок 1.2 - Технологическая схема транспортерной шихтоподачи
Механизмы шихтоподачи разделены на следующие тракты:
· Погрузки агломерата
К нему относятся: бункера агломерата 1ПБ÷19ПБ, 1ПА, 2ПА, пластинчатые
конвейеры (левый 1П и правый 2П), шибер агломерата 2Ш и весовые воронки
агломерата (левая 1В и правая 2В);
· Добавок
К нему относятся: бункера добавок 1Д÷23Д, весовые воронки добавок,
ленточные конвейеры (левый 1Л и правый 2Л), перекидной шибер добавок 1Ш;
· Кокса и уборки коксовой мелочи
К нему относятся: коксовые бункера, коксовые весовые воронки 1К, 2К и
подъемники скиповой мелочи;
ДАТЧИКИ, УСТРОЙСТВА ЗАЩИТЫ И СИГНАЛИЗАЦИИ УСТАНОВКИ
На рисунке 2.1 представлена схема управления затвором левой воронки
агломерата 1В.
Подключение двигателя затвора производится
контакторами 1КЛ, 2КЛ. При открытии затвора питание контакторов 1КЛ, 2КЛ
подается через цепь с контактами 1ВК, а при закрытии затвора - через цепь с
контактами 2ВК путевого выключателя.
Каждая воронка агломерата имеет три контакта весов: контакт ВЗ,
замыкающийся при наличии в воронке грубой массы агломерата; контакт ВВ,
замыкающийся при полной массе агломерата; контакт ВО, замыкающийся при пустой
воронке. Открытие затвора левой воронки 1В при загрузке агломерата с добавками
(контакт 6КП разомкнут) возможно, если: выбрана группа бункеров добавок
(замкнут контакт 1К1, 2Кг или 3К3), погружены добавки в левую воронку (замкнут
контакт 1РПД из схемы ленточного конвейера 1Л); не работают ленточные конвейеры
1Л, 2Л замкнуты контакты КПВ из схем 1Л, 2Л) или же работает правый ленточный
конвейер 2Л, загружая добавками правую воронку 2В (замкнут контакт 1КП2 из
схемы 1Ш); работают один или два пластинчатых конвейера при загрузке агломерата
в правую воронку (замкнут контакт 2КП2 из схемы 2Ш или оба контакта КПВ из схем
1П и 2П); левый скип пришел в скиповую яму (замкнуты контакты КПН, КБН из схемы
ГП); ККП перешел в новое положение, в котором разрешена погрузка агломерата
(замкнут контакт 1КР1); нет перегона левого скипа замкнут контакт 5РБР из схемы
ККП); левая воронка 1В полна (замкнут контакт ВВ весов воронки, включено реле
1РП и включен контактор КВП).
Открытие затвора воронки при загрузке агломерата без добавок (замкнут
контакт 6КП) не связано с выбором групп бункеров добавок и работой ленточного
конвейера, так как в этом случае контакты 1K1, 2K1, 3K1, 1РПД, 2РПД шунтируются замкнутым
контактом 6КП. Импульс на открытие воронки подает схема ККП с замыканием
контакта 1KP1 из схемы ККП. Когда затвор
откроется, контакт 1ВК путевого выключателя затвора разомкнется, а контакт 2ВК
замкнется. В результате двигатель отключится от сети и под влиянием
электродинамического и механического торможений быстро остановится. Когда
материал воронки высыплется в скип, замкнется контакт ВО весов воронки,
включится осаживающая катушка реле 1РПос, реле 1РП разомкнет цепь контактора
КВП и с выдержкой времени, равной сумме уставок реле 1РВ и 2РВ, подключится на
напряжение контактор КП.
При этом кратковременно подключится контактор КБ, а
затем контакторы 1КЛ, 2KJI.
Двигатель, присоединенный к сети, начнет закрывать затвор воронки. В закрытом
положении затвора контакт 2ПК конечного выключателя затвора разомкнется,
контакторы 1КЛ, 2КЛ отключатся и двигатель затвора остановится.
Схема воронки агломерата подает импульс на отправку
скипа, груженного агломератом (замыкаются контакты контакторов KB и КЗЗ), дает разрешение на перекидку
шибера 1Ш; подает импульс на перекидку шибера 2Ш (после закрытия затвора
воронки), разрешает перекидку 2Ш шибера загруженной воронки на пустую; дает
разрешение па нагрузку воронки добавками, если воронка загружена агломератом;
прекращает действие реле добавок 1РПД и 2РПД после открытия затора воронки;
разрешается включение пластинчатого конвейера лишь при закрытом затворе пустой
воронки; подает импульс па снижение скорости пластинчатого конвейера в конце
загрузки воронки (замыкается контакт ВЗ при установке грубого веса агломерата,
включается контактор КЗ, а затем контактор КСС, размыкающий контакт которого,
размыкаясь, включает сопротивление в цепь генератора двигателя пластинчатого
конвейера).
Питается схема от трансформаторного источника питания
с выходным напряжением 10 В. При этом первичная обмотка трансформатора
подключается к сети через замыкающий контакт реле напряжения. Реле напряжение
осуществляет контроль напряжения сети и отключает схему при снижении напряжения
ниже напряжения уставки. Таким образом осуществляется нулевая защита.
Рисунок 2.1 - схема управления затвором левой воронки агломерата 1В
3. АНАЛИЗ
ИСХОДНОЙ РЕЛЕЙНО-КОНТАКТНОЙ УСТАНОВКИ И ВЫДЕЛЕНИЕ ВХОДНЫХ, ВЫХОДНЫХ И
ПРОМЕЖУТОЧНЫХ СИГНАЛОВ
Схему можно разделить на следующие функциональные узлы: силовая часть, в
которую входят силовые контакты, предохранители, реле тепловых перегрузок,
кнопки «Пуск», «Стоп», звукового сигнала, и схему управления.
Исходная принципиальная схема представлена рис.2.1.
Выделим в этой схеме входные, выходные и промежуточные сигналы.
Входными будут сигналы 3ВК, 4ВК, 1К1, 2К1, 6КП, 3К1, 1РПД, 2РПД, 1КП2,
КПВ, 2КП2, КПН, КБН, 1КР1, 5РБР, 1ВК, 2ВК, ВЗ, ВВ, ВО.
Выходные сигналы это катушки контакторов КД, 1КЛ, 2КЛ ,КЗЗ, КЗО, КБ, КЗ,
ЭМ.
Промежуточные сигналы это реле времени КТ, а также РД, КП, 1РПвт, 1РПос,
КВП, 1РВ, 2РВ.
Назначение и описание всех сигналов смотри в разделе 2.
После построения схемы на бесконтактных элементах у нас должны остаться
только входные и выходные сигналы.
Входные сигналы схемы:
a1 -
сигнал о состоянии путевого переключателя 3ВК, указывающий в замкнутом
состоянии на закрытый затвор левой воронки;
a2 -
сигнал о состоянии путевого переключателя 4ВК, указывающий в замкнутом
состоянии на открытый затвор левой воронки;
a3 -
сигнал о состоянии контакта 1К1, указывающий в замкнутом состоянии на выбор
группы бункеров добавок (контакт 6КП разомкнут);
a4 -
сигнал о состоянии контакта 2К1, указывающий в замкнутом состоянии на выбор
группы бункеров добавок (контакт 6КП разомкнут);
a5 -
сигнал о состоянии контакта 3К1, указывающий в замкнутом состоянии на выбор
группы бункеров добавок (контакт 6КП разомкнут);
a6 -
сигнал о состоянии контакта 6КП, указывающий в замкнутом состоянии на загрузку
агломерата без добавок;
a7 -
сигнал о состоянии контакта 1РПД, указывающий в замкнутом состоянии на
погружение добавки в левую воронку;
a8 -
сигнал о состоянии контакта 2РПД, указывающий в замкнутом состоянии на
погружении добавки в правую воронку;
a9 -
сигнал о состоянии контакта 1КП2, указывающий в замкнутом состоянии на работу
ленточного конвейера 2Л, загружающего добавками правую воронку 2В;
a10 -
сигнал о состоянии контакта КПВ, указывающий в замкнутом состоянии на
неработающие ленточные конвейеры 1Л и 2Л;
a11 -
сигнал о состоянии контакта 2КП2, указывающий в замкнутом состоянии на работу
одного или двух пластинчатых конвейеров при загрузке агломерата в правую
воронку;
a12 -
сигнал о состоянии контакта КПН, указывающий в замкнутом состоянии на то, что
левый скип пришел в скиповую яму;
a13 -
сигнал о состоянии контакта КБН, указывающий в замкнутом состоянии на то, что
левый скип пришел в скиповую яму;
a14 -
сигнал о состоянии контакта 1КР1, разрешающий в замкнутом состоянии погрузку
агломерата;
a15 -
сигнал о состоянии контакта 5РБР, указывающий в замкнутом состоянии на
отсутствие перегона левого скипа;
a16 -
сигнал о состоянии контакта 1ВК, указывающий в замкнутом состоянии на закрытие
затвора;
a17 -
сигнал о состоянии контакта 2ВК, указывающий в замкнутом состоянии на открытие
затвора;
a18 -
сигнал о состоянии ртутного контакта ВЗ, указывающий в замкнутом состоянии на
наличие в воронке грубой массы агломерата;
a19 -
сигнал о состоянии ртутного контакта ВВ, указывающий в замкнутом состоянии на
наличие в воронке полной массы агломерата;
a20 -
сигнал о состоянии ртутного контакта ВО, указывающий в замкнутом состоянии на
отсутствие в воронке агломерата;
Выходные сигналы схемы:
S -
сигнал на включение линейного контактора КД, управляющего всеми механизмами
тракта добавок;
N -
сигнал на включение линейного контактора 1КЛ, подключающего двигатель затвора;
U -
сигнал на включение линейного контактора 2КЛ, подключающего двигатель затвора;
V -
сигнал на включение линейного контактора КЗЗ, разрешающего отправку скипа,
груженного агломератом (затвор закрыт);
W -
сигнал на включение линейного контактора КЗО, запрещающего отправку скипа
(затвор открыт);
X -
сигнал на включение линейного контактора КБ, разрешающего закрытие воронки
затвора;
Y -
сигнал на включение линейного контактора КЗ, разрешающего снижение скорости
пластинчатого конвейера в конце загрузки воронки;
Z -
сигнал на включение электромагнита тормоза ЭМ;
Промежуточные сигналы схемы:
P1 -
сигнал контактора КТ, срабатывающего при замыкании контакта 1КЛ;
P2 -
сигнал реле времени РД, срабатывающего при замыкании контакта 1КЛ;
P3 -
сигнал контактора КП, при включении которого включится двигатель и начнется
закрытие воронки;
P4 -
сигнал катушки 1РПвт, при включении которой контакт 1РП замкнется;
P5 -
сигнал катушки 1РПос, при включении которой контакт 1РП разомкнется;
P6 -
сигнал контактора КВП, срабатывающего при полной воронке 1В;
P7 -
сигнал реле времени 1РВ, срабатывающего при замыкании контакта КВП;
P8 -
сигнал реле времени 2РВ, срабатывающего при замыкании контакта 1РВ;
СИНТЕЗ СТРУКТУРНЫХ ФОРМУЛ
Для записи структурных формул используем исходную релейно-контактную
схему изображенную на рисунке 2.1:
P2 = n;
S =
;=
;=
;=
n;=
;= a18;= a19;= a20;= p4;= p6;= p7t ;=
;
Z = p1;
5 СИНТЕЗ ПРОМЕЖУТОЧНОЙ ФУНКЦИОНАЛЬНОЙ СХЕМЫ
На основании формул, выведенных ранее, можно составить функциональную
схему. Определённый контакт, обмотка реле, контактор на релейно-контактной
схеме будут соответствовать своему значению на логической схеме. Сигналы
контактов своих контакторов обозначаем той же, но малой буквой, сигналы
размыкающих контактов на логической схеме соответствуют инверсным.
Для построения функциональной схемы используем логические элементы И, НЕ,
ИЛИ-НЕ. Для реализации выдержек времени в промежуточной функциональной схеме
используем для каждого сигнала реле времени блок задержки сигнала.
Составим функциональные схемы для выходных координат.
Узел контактора КД
Рисунок 5.1 - Бесконтактная схема узла контактора КД.
Узел контактора К33:
КЗЗ
=
Рисунок 5.2 - Бесконтактная схема узла контактора КЗЗ.
Узел контакторов 1КЛ и 2КЛ:
Рисунок
5.3 - Бесконтактная схема узла контакторов 1КЛ и 2КЛ.
Узел
контактора КБ:
Рисунок
5.4 - Бесконтактная схема узла контактора КБ.
Рисунок 5.1 - Промежуточная функциональная схема
. ВЫБОР РЕЛЕЙНО-КОНТАКТНОЙ АППАРАТУРЫ
Коммутирующую аппаратуру выбираем исходя из токов в коммутируемой цепи, и
количества замыкающих и размыкающих контактов в ней.
Из задания по курсовому проектированию выбираем асинхронный двигатель
4А112М4У3 со следующими параметрами:
Таблица 6.1 - Параметры двигателя 4А112М4У3.
|
Мощность, кВт
|
Скольжение, %
|
КПД, %
|
   
|
|
|
|
|
|
5,5
|
5
|
85,5
|
0,86
|
2,2
|
2
|
1,6
|
7
|
Произведем расчет номинального тока двигателя:
;
Принимаем
напряжение питания цепи управления 220 В постоянного тока. Тогда напряжение
питания контакторов 1КЛ и 2КЛ, стоящих последовательно в цепи, принимаем 110 В
постоянного тока. В соответствии с током двигателя, равным
выбираем контакторы серии КНЕ120У [4], со следующими
параметрами:
Контактор
КД выбираем того же типа КНЕ120У на напряжение 220В с параметрами:
Количество
контактов: 2 замыкающих, 2 размыкающих.
Контакторы
КНЕ У предназначены для коммутации электрических цепей постоянного тока
напряжением до 132 В и переменного тока напряжением до 418 В частотой от 50 до
1000 Гц. Контакторы КНЕ У относятся к одностабильным электромагнитным аппаратам
с цепями управления постоянного тока с самовозвратом.
В
качестве реле 1РП, имеющего втягивающую и осаждающую катушки, выбираем реле
РЭВ854.
Технические
данные
· Режим работы - продолжительный, прерывисто-продолжительный,
повторно-кратковременный, кратковременный.
· Допустимая частота включений - до 1200 в час.
· Коммутационная износостойкость - от 5 до 105 циклов в
зависимости от режима коммутации.
Ток, протекающий в катушках контакторов 1КЛ И 2КЛ :
Ток,
протекающий в катушке контактора КД:
Мощность
катушки во втянутом состоянии 40 Вт.
Концевые
переключатели 1ВК-4ВК выбираем типа AH8108, предназначенные для
коммутации цепей постоянного тока напряжением 220 В, и максимальным током при
активной нагрузки от 10 до 15 А [6].
В качестве реле максимального тока для защиты двигателя от перегрузки
выбираем реле РТ 40/50 с 1 замыкающим и 1 размыкающим контактом [4].
Пределы срабатывания на ток уставки:
при последовательном соединении катушек 12÷25А;
при параллельном соединении катушек 25÷50 А;
Номинальный ток 16 А.
Потребляемая мощность при токе минимальной уставки не более 0,8 ВА.
В схеме применяется электромагнитный тормоз ЭМ. Для него выберем реле
КМТ-3А со следующими данными: тяговое усилие 350 Н×м; максимальный ход якоря 50 мм;
катушечная мощность в момент включения 22500 В×А, при втянутом якоре 700 В×А.
. ОБОСНОВАНИЕ ВЫБОРА СЕРИИ МИКРОСХЕМ И РАЗРАБОТКА ПРИНЦИПИАЛЬНОЙ
ЭЛЕКТРИЧЕСКОЙ СХЕМЫ НА БЕСКОНТАКТНЫХ ЛОГИЧЕСКИХ ЭЛЕМЕНТАХ
Для построения принципиальной схемы, необходимо выбрать элементную базу.
Выберем в качестве логических элементов микросхемы серии К555, К155 и КР1530.
Этот выбор обусловлен рядом причин. Основной из них является высокая
помехоустойчивость элементов ТТЛШ-логики (достигает 30-45% от значения питающего
напряжения).
Другими преимуществами серии К555 являются:
·
низкое
энергопотребление, а, следовательно, и малый нагрев элементов в статическом
режиме (хотя в нашем случае это не слишком важный параметр);
·
широкий диапазон
рабочих температур (от -10 до +70 °С);
·
широкий диапазон
рабочих напряжений (обычно от 3 до 6 В);
·
максимальная
активная длительность фронта и среза выходного импульса (150 нс);
·
высокое входное
сопротивление (~1012 Ом).
Уровни напряжения на входе с учетом воздействия помех не должны превышать
в рабочем режиме 0,8 В для нижнего уровня и быть ниже 2 В для верхнего уровня.
Выходное напряжение логического нуля, не более 0,7 В.
Не допускается режим короткого замыкания в качестве режима рабочей
нагрузки.
Условное графическое изображение и обозначение выводов микросхем данной
серии показано на рисунках.
К555ЛН3
Назначение выходов:
1 - вход Х1; 2 - выход Y1;
3 - вход Х2; 4 - выход Y2;
5 - вход Х3; 6 - выход Y3;
7 - общий;
8 - выход Y4; 9 - вход Х4;
10 - выход Y5; 11 - вход Х5;
12 - выход Y6; 13 - вход Х6;
14 - напряжение питания;
Рисунок 7.1 - Условное графическое обозначение микросхемы К555ЛН3
К555ЛЕ1

Рисунок 7.2 - Условное графическое обозначение микросхемы К555ЛЕ1
К155ЛИ5
1,2,12,13 - входы;
3,4,6,8,9.11 - свободные;
5,10 - выходы;
7 - общий;
14 - напряжение питания;
Рисунок 7.3 - Условное графическое обозначение микросхемы К155ЛИ5
контроллер
релейный контактный установка схема
К555ЛИ3
1,2,13,3,4,5,9,10,11 - входы X1-X9;
6 - выход Y3;
7 - общий;
8 - выход Y2;
12 - выход Y1;
14 - напряжение питания;
Рисунок 7.4 - Условное графическое обозначение микросхемы К555ЛИ3
КР1530ЛЕ8
1,2,4,5,9,10,12,13,15,16,18,19 - входы;
3,6,8,11,14,17 - выходы;
7 - общий;
20 - напряжение питания;
Рисунок 7.5 - Условное графическое обозначение микросхемы КР1530ЛЕ8
Для гальванической развязки будем использовать оптопары.
Рассчитаем выходную мощность логических элементов:
;
Требуемая
мощность 40 Вт, тогда коэффициент усиления равен:
;
Исходя
из максимального тока, протекающего через катушки контакторов, выберем оптопару
TLP732 [5], с допустимым током коммутации 130 мА и напряжением
коллектор-эмиттер 55 В.
Таблица
7.2 - Параметры оптопары TLP731
|
Параметр
|
Величина
|
Единица измерения
|
|
Прямой ток диода
|
60
|
мА
|
|
Напряжение открывания
светодиода
|
1,3
|
В
|
|
Напряжение коллектор -
эммитер
|
220
|
В
|
Так как напряжение отпирания светодиода Uотп=1,3В, а выходное напряжение микросхем Uвых1 = 5,5 В (Iвых1 = 18мА, Uпит=5 В), то для предотвращения выхода из строя светодиода
ему подключим резистор Rп.
Рассчитаем его сопротивление:
.
Выбираем
резисторы из ряда Е24 МЛТ-0,125-75Ом±10% [2]
В качестве устройства задания выдержки времени используем интегральный
таймер типа КР1006ВИ1, работающего в режиме одновибратора.
Функциональная схема интегрального таймера КР1006ВИ1 показана на рисунке
7.6
Рисунок 7.6 - Схема таймера КР1006ВИ1 (а) и одновибратора на его основе (b)
Вывод 5 таймера рекомендуется соединять конденсатором емкостью порядка
0,01 мкФ с общим проводом. Это снижает влияние помех на длительность
формируемых импульсов. Входной ток верхнего по схеме (рис. 8.3, а) компаратора
составляет примерно 0.1 мкА, ток закрытого транзистора ТVЗ-около 0,5 мкА. Этими токами
определяется наибольшее допустимое сопротивление времязадающего резистора R4. Рекомендуется это сопротивление
выбирать из диапазона 1к0м-10МОм. Наименьшая возможная длительность
формируемого импульса ограничена быстродействием, таймера и равна
приблизительно 10мкс. Наибольшая длительность практически ограничена только
допустимыми габаритами времязадающего конденсатора С1.
Рассчитаем параметры таймера на выдержку времени:
Из
технологических соображений примем выдержку времени для включения подключения
двигателя к сети t = 10c.
Примем
С1 = 2 мкФ. Тогда
Ом;
Выбираем
резистор R4 из ряда Е24: МЛТ-0,125-4,7 МОм
10% [2].
Выбираем
конденсатор С1: K3-1А-250В-2мкФ±10% [3].
Для
включения реле КД, управляющего всеми механизмами тракта добавок, принимаем
выдержку времени t=2с.
Примем
С1 = 2 мкФ. Тогда
Ом;
Выбираем
резистор R4 из ряда Е24: МЛТ-0,125-910 кОм
10% [2].
Выбираем
конденсатор С1: K3-1А-250В-2мкФ±10% [3].
В
разработанной схеме, построенной на цифровых микросхемах, в процессе работы
могут возникать различные помехи, вызванные работой силовых электрических
устройств, находящихся в непосредственной близости от цифровых устройств.
Причины,
по которым стоит обращать внимание на наличие помех, и методы их устранения
следующие:
.
Полезные сигналы в электроприводе соизмеримы с величиной помехи, при больших
диапазонах регулирования;
.
Наличие помехи может привести к увеличению тока, потребляемому двигателем и к
срабатыванию защиты;
.
Гармонические помехи могут приводить к пульсациям тока и момента в электродвигателе,
что снизит точность обработки детали приводом.
В
зависимости от местонахождения источников возмущающих воздействий (внутри или
вне рассматриваемой системы) следует различать собственные и внешние
возмущения.
Методы
подавления помех - либо уменьшить напряжение помехи, либо ослабить её, если она
появилась. Одним из источников возникновения помех, являются контакторы. В
разработанной схеме контакторы отделены от схемы управления опторазвязкой,
которая препятствует прохождению помех.
Различают
гальванические, емкостные и индукционные помехи.
Гальванические
возмущения возникают из-за связи электрических цепей через общее сопротивление.
Для уменьшения гальванических помех в данной схеме предусмотрена гальваническая
развязка цепей управления и цепей питания катушек. Также при монтаже схемы
необходимо обеспечить компактность конструкции, т.е. меньшую длину проводников,
малые промежутки между проводниками, использование лентообразных проводников
или плоских шин.
Емкостные
помехи возникают из-за паразитных емкостей связи между проводниками,
относящимися к разным электрическим цепям. Для снижения уровня емкостных помех
в схеме следует принять следующие меры:
использовать
как можно более короткие проводники;
использовать
изоляционные материалы с меньшей диэлектрической проницаемостью;
выполнять
укладку сигнальных проводов между общими проводами;
экранировать,
подверженные влиянию помех проводники и цепи с помощью хорошо проводящих
металлических экранов, экранирующих проводов на печатных платах и между ними.
Индуктивные
помехи могут возникать за счет трансформаторной связи между цепями. Их можно
ослабить за счет следующих мер:
предусмотреть
размещение в непосредственной близости с цепью, подвергающейся действию помех,
короткозамкнутых витков (они уменьшают скорость изменения потока);
выполнить
экранирование кабелей, проводов, блоков и приборов в частности с помощью
ферромагнитных экранов от низкочастотных полей.
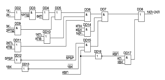
Рисунок 7.7 - Принципиальная электрическая схема на бесконтактных
элементах
8 ТАБЛИЦА ПЕРЕЧНЯ ЭЛЕМЕНТОВ РАЗРАБОТАННОЙ СХЕМЫ
|
Позиционное обозначение
|
Наименование
|
Кол.
|
Примечание
|
|
Микросхемы
|
|
|
|
|
DD7.1-DD7.6
|
КР1530ЛЕ8
|
1
|
|
|
DD8.1-DD8.2
|
К155ЛИ5
|
1
|
|
|
DD6.1-DD6.6
|
К555ЛН3
|
1
|
|
|
DD10.1-DD10.2
|
К555ЛИ3
|
2
|
|
|
DD4.1-DD4.2
|
К555ЛЕ1
|
1
|
|
|
DS1-DS2
|
КР1006ВИ1
|
2
|
|
|
Контакторы
|
|
|
|
КД, 1КЛ, 2КЛ
|
КНЕ120У
|
3
|
|
|
Выключатели
|
|
|
|
1ВК-4ВК
|
AH8108
|
4
|
|
|
Резисторы
|
|
|
|
R25-R31
|
МЛТ-0,125-75Ом±10%
|
7
|
|
|
R22
|
МЛТ-0,125-4,7МОм 10%1
|
|
|
|
R24
|
МЛТ-0,125-910 кОм 10%1
|
|
|
|
Конденсаторы
|
|
|
|
С3, C6
|
K3-1А-250В-2мкФ±10%
|
2
|
|
9 ВЫБОР ПРОГРАММИРУЕМОГО КОНТРОЛЛЕРА И РАЗРАБОТКА ПРОГРАММЫ НА ЯЗЫКЕ РКС
Реализуем заданную релейно-контактную схему на программируемом
микроконтроллере КА1.
Программируемый контроллер КА1 предназначен для управления различным
технологическим оборудованием: автоматическими линиями, робототизированными
комплексами, автоматами и др.
Технические характеристики контроллера:
- Максимальное число входов-выходов 1024
- Максимальное число промежуточных реле 1024
- Максимальный объем памяти программы, слов 15360
- Максимальное число счетчиков/таймеров 64/64
- Максимальный интервал времени, отрабатываемый одним
таймером с дискретностью 0.1 с 999.9
- Максимальное число импульсов, отсчитываемых одним
счетчиком 9999
·
Арифметические
операции:
сложение
вычитание
умножение
деление
сравнение
·
Язык
программирования
·
Символы релейных
схем.
Арифметические операции
Конструктивно программируемый контроллер КА1 выполнен в виде блоков,
встраиваемых в унифицированные шкафы, а пульт программирования и диагностики -
в виде переносного пульта.
В шкаф может быть установлено четыре блока ввода-вывода и общий источник
питания для них. В один из шкафов установлен также блок управления.
В каждом блоке ввода-вывода расположен стабилизатор напряжения, восемь
модулей ввода-вывода и модуль адаптера. К одному блоку управления можно
подключить до 16 блоков ввода-вывода.
В блоке управления расположены модуль процессора, модуль оперативного
запоминающего устройства, модуль пульта управления. Модуль адаптера, блок
питания. При необходимости устанавливается второй модуль ОЗУ.
Пульт программирования и диагностики выполнен в виде переносного
настольного устройства. В своем составе имеет сенсорную клавиатуру, генератор
изображения, блок индикации с ЭЛТ и блок питания.
Контроллер обеспечивает следующие режимы работы:
1. автоматический, при котором
производится обработка управляющей программы, записанной в ОЗУ контроллера, а
также, при необходимости, индикация рабочей программы при помощи пульта
программирования и диагностики;
2. программирование, при котором
обеспечивается ввод программы с помощью пульта программирования и диагностики в
ОЗУ контроллера, а также контроль, редактирование программы.
Для программирования контроллера выберем модули ввода-вывода.
Программу составим на основе функциональной релейно-контактной схемы. Для
реализации замыкающих контактов с задержкой на размыкание используем цепочку:
реле временной задержки - замыкающий контакт - реле- размыкающий контакт;
размыкающий контакт с задержкой на замыкание реализуется цепью реле -
замыкающий контакт - реле времени- размыкающий контакт.
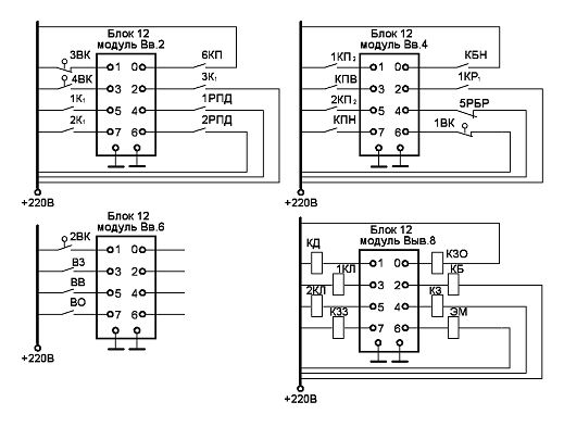
Составим таблицу распределения переменных (табл. 9.1.).
Табл. 9.1 - Распределение переменных
|
Обозначение
|
Признак
|
Блок
|
Модуль/Контакт
|
Обозначение
|
Признак
|
Модуль/Контакт
|
|
Входные переменные
|
Выходные переменные
|
|
3ВК
|
0
|
12
|
2(1)
|
КД
|
1
|
12
|
8(1)
|
|
4ВК
|
0
|
12
|
2(3)
|
1КЛ
|
1
|
12
|
8(3)
|
|
1К1
|
0
|
12
|
2(5)
|
2КЛ
|
1
|
12
|
8(5)
|
|
2К1
|
0
|
12
|
2(7)
|
КЗЗ
|
1
|
12
|
8(7)
|
|
6КП
|
0
|
12
|
2(0)
|
КЗО
|
1
|
12
|
8(0)
|
|
3К1
|
0
|
12
|
2(2)
|
КБ
|
1
|
12
|
8(2)
|
|
1РПД
|
0
|
12
|
2(4)
|
КЗ
|
1
|
12
|
8(4)
|
|
2РПД
|
0
|
12
|
2(6)
|
ЭМ
|
1
|
12
|
8(6)
|
|
1КП2
|
0
|
12
|
4(1)
|
Промежуточные переменные
|
|
КПВ
|
0
|
12
|
4(3)
|
РД
|
-
|
12
|
5(1)
|
|
2КП2
|
0
|
12
|
4(5)
|
КТ
|
-
|
12
|
5(3)
|
|
КПН
|
0
|
12
|
4(7)
|
КП
|
-
|
12
|
5(5)
|
|
КБН
|
0
|
12
|
4(0)
|
1РПВТ
|
-
|
12
|
5(7)
|
|
1КР1
|
0
|
12
|
4(2)
|
1РПОС
|
-
|
12
|
5(0)
|
|
5РБР
|
0
|
12
|
4(4)
|
КВП
|
-
|
12
|
5(2)
|
|
1ВК
|
0
|
12
|
4(6)
|
1РВ
|
-
|
12
|
5(4)
|
|
2ВК
|
0
|
12
|
6(1)
|
2РВ
|
-
|
12
|
5(6)
|
|
В3
|
0
|
12
|
6(3)
|
|
|
ВВ
|
0
|
12
|
6(5)
|
|
|
ВО
|
0
|
12
|
6(7)
|
|
Программа представлена на рис.9.2.
Рисунок 9.1 - Схема получения входных и выходных сигналов

Рисунок 9.2 - Программа на языке РКС для микроконтроллера КА1.
ЗАКЛЮЧЕНИЕ
В данной курсовой работе мы преобразовали исходную релейно контактную
схему управления асинхронным двигателем с фазным ротором в схему на бесконтактных
логических элементах. Разработанная схема имеет ряд преимуществ перед исходной.
Это повышенная надежность, меньшие масса и габариты. При этом уменьшить
стоимость схемы практически не удалось, так как основную стоимость как исходной
так и разработанной схемы составляют силовые контакторы.
Так же, в ходе выполнения курсовой работы, была предусмотрена возможность
реализации данной схемы на программируемом микроконтроллере. Для чего выбрали
контроллер типа КА1 и составили программу его работы на языке РКС.
Список использованных источников
1. В. П.
Бычков. Электропривод и автоматизация металлургического производства. - М:
«Высшая школа», 1977. - 391 с.;
. Резисторы:
Справочник / В.В. Дубовский, Д.М. Иванов, Н.Я.Петрусевич и др.; Под общ. ред.
И.И. Четверткова и В.М. Терехова. - М.: Радио и связь, 1987. - 352 с.; ил.
. Резисторы.
Конденсаторы. Трансформаторы. Дроссели. Коммутационные устройства. РЭА:
Справочник/Н.Н. Акимов, Е.П. Ващуков, В.А. Прохоренко М.: “Беларусь”, 1994.
4. www.cheaz.ru
<http://www.cheaz.ru> (выбор контакторов и реле максимального тока).
. www.toshiba.com
<http://www.toshiba.com> (выбор оптопары).
. www.rct.ru
<http://www.rct.ru> (выбор концевых переключателей).
. Ю.Н. Петренко. Системы
программного управления технологическими комплексами. - Мн: «НПО Пион», 2002.