Изготовление цифрового прибора для контроля осанки и зрения при работе на персональном компьютере

  • Вид работы:
    Дипломная (ВКР)
  • Предмет:
    Информатика, ВТ, телекоммуникации
  • Язык:
    Русский
    ,
    Формат файла:
    MS Word
    293,28 Кб
  • Опубликовано:
    2012-06-13
Вы можете узнать стоимость помощи в написании студенческой работы.
Помощь в написании работы, которую точно примут!

Изготовление цифрового прибора для контроля осанки и зрения при работе на персональном компьютере

Содержание

Аннотация

Введение

. Общая часть

.1 Электронно-лучевая трубка и жидкокристаллические мониторы

.2 Классификация и отличительные особенности мониторов

.3 Основные параметры и характеристики монитора

.4 Влияние мониторов на зрение

.5 Влияние визуальных характеристик мониторов на зрение

.6 Компьютерные нормы

.7 Нормы для компьютеров

.8 Требования к рабочему месту

.8.1 Требования к помещениям

.8.2 Требования к освещению рабочих мест

.8.3 Общие требования к организации рабочих мест пользователей ПК

.8.4 Конструкции мебели и ее эргономике для пользователя ПК

.9 Эффект Доплера в акустике

. Специальная часть

2.1 Технические характеристики

.2 Настройка

3. Технологическая часть

.1 Печатные платы

.2 Выбор материалов. Механическая обработка

.3 Травление

.4 Создание оригинала и фотошаблона

. Экспериментальная часть

. Экономическая часть

.1 Расчет затрат на материалы, полуфабрикаты и покупные изделия цифрового прибора для контроля осанки и зрения при работе за персональным компьютером

.2 Расчет фонда заработной платы

.3 Расчет полной себестоимости изделия

.4 Расчет показателей технологичности и эффективности паяльника с сенсорным устройством

. Техника безопасности

.1 Общие положения

.1.1 Специалист по работе на ПК (оператор) обязан

.1.2 Студенты обязаны

.2 Порядок проведения работ и занятий

.2.1 Меры противопожарной безопасности

.3 Охрана труда и техника безопасности в компьютерных классах

.3.1 Требования перед началом работы

.3.2 Требования перед окончанием работы

.4 Требования в аварийных ситуациях

.5 Требования пользователям к ПВЭМ компьютерных классов

Заключение

Список литературы

Аннотация

В данном дипломном проекте рассматривается проектирование, создание и изготовление цифрового прибора для контроля осанки и зрения при работе на персональном компьютере. Этот прибор может применяться как в домашних условиях для контроля осанки и зрения, особенно у детей, так и в учебных заведениях при работе на персональных компьютерах. Прибор работает в ультразвуковом режиме, питается от USB порта компьютера, и оповещает световой и звуковой сигнализацией о неправильной посадке при работе на персональном компьютере.

Введение

Современную жизнь невозможно представить без электроники и ее важнейшей отрасли - микроэлектроники. В любом месте - на работе и в быту - изделия из электроники окружают человека. Она трудится повсюду - в сверхглубоких скважинах и в подводных аппаратах - батискафах, в самолетах и космических кораблях, на атомных электростанциях и радиотелескопах. Телевизоры и телефоны, радиоприемники и магнитофоны, музыкальные центры и электронные игры, микрокалькуляторы и микро-ЭВМ... Промышленное производство, строительство, сельское хозяйство, наука, образование, медицина, культура и быт используют достижения электроники. Современная научно-техническая революция была порождена успехами микроэлектроники, созданием и массовым производством сравнительно дешевой микропроцессорной техники, многофункциональных усилительных устройств, индикаторных и коммутирующих элементов. Специалисты считают, что уже на данном этапе микропроцессоры с сопутствующими микрокомпонентами - датчиками, преобразователями - могут быть реализованы в более чем 20 тысячах промышленных изделий. Электроника не только перспективная отрасль нашей промышленности, но и крайне динамичная по своему характеру, идущая во главе современного технического прогресса и во многом определяющая его темпы. Всего за четверть века микроэлектроника проделала путь от простейших полупроводниковых приборов и устройств к однокристальным микро ЭВМ. Самые широкие возможности для микроэлектроники открываются в связи с насущными потребностями общества в повышении производительности труда и его облегчении. Этому служит создание средств робототехники, гибких автоматизированных систем, станков и линий с цифровым программным управлением, а в недалеком будущем и безлюдных производств. Внедрение средств вычислительной техники создает возможность автоматизированного проектирования сверхбольших интегральных схем (СБИСов), которые невозможно создавать обычным способом. Уже в настоящее время промышленностью освоено производство СБИСов, содержащих до трехсот тысяч элементов на кристалле. В скором времени появятся мини - ЭВМ, способные синтезировать человеческую речь, переводить с одного языка на другой и вести с человеком широкий двусторонний диалог.

1. Общая часть

1.1 Электронно-лучевая трубка и жидкокристаллические мониторы

Лет пятнадцать назад в строках рекламных изданий можно было встретить аббревиатуру LR. Сейчас уже мало кто помнит, что это означало Low Radiation (низкоизлучающий) и свидетельствовало о том, что производитель принял некие меры по снижению уровня электромагнитного излучения (ЭМИ). В те времена компьютерщики отгораживались от излучения экранами, которые ухудшали цветопередачу и заставляли напрягать зрение. Потом появились стандарты - MPRII, TCO92, TCO95, TCO99, которые ограничивали предельно допустимое ЭМИ, затем наступила эпоха жидкокристаллических (ЖК) дисплеев, электромагнитное излучение которых в принципе не может быть опасно для человека. В ушедшем году по объему продаж в России они обогнали электронно-лучевые мониторы, в других странах это произошло еще раньше. Но проблема осталась. Теперь на первое место выступают не физические, а эргономические параметры. Сами нормы устанавливают государственные органы, а разрабатывают - специализированные лаборатории. Мониторы, поставляемые в Россию, проходят обязательную сертификацию. Все современные жидкокристаллические - мониторы абсолютно безопасны по уровням излучения. Санитарные врачи и окулисты утверждают, что при работе с ними глаза устают примерно в полтора раза быстрее, чем в случае электронно-лучевая трубка (ЭЛТ) - монитора. В полтора раза - мало, скорее в два-три. Но по излучению безопасны все мониторы, и электронно-лучевые тоже. Если лет пятнадцать назад основным источником головных болей было излучение, то сейчас на первом месте идет утомляемость глаз. По утомляемости современные ЖК-мониторы немного хуже старых ЭЛТ. Вредных фактора два - мерцание и неравномерность яркости. Мерцание - извечная проблема. Десять лет назад говорили, что частота обновления экрана 60 Гц недостаточна, потом появилась величина 75, а еще позже -85Гц. Это весьма условно. Разные люди воспринимают мерцание по-разному. Кому-то достаточно 60 Гц, кому-то не хватает даже 75.

ЭЛТ-монитор тоже мерцает - изображение наносится электрическим лучом и постепенно исчезает, пока луч его не обновит. Обычно измеряют время нарастания яркости от 10% до 90% установленного значения. Для типичного ЭЛТ-монитора время нарастания составляет 30-40 микросекунд - это примерно в 200 раз быстрее, чем для среднего ЖК-монитора. Конечно, говорить о времени нарастания для ЭЛТ-монитора следует очень осторожно, поскольку как только луч "зажжет" пиксель, он начнет терять яркость. Поэтому пиксель никогда не находится в стабильном состоянии, и время нарастания в чистом виде определить нельзя. Человеческий глаз более чувствителен ко времени спада, чем нарастания. Белый объект, оставляющий на экране след, будет более неприятен, чем черный объект, который подсвечивается с задержкой. В ЭЛТ-мониторе время спада означает послесвечение дисплея. Оно может составлять 800-900 микросекунд - это остается недосягаемым даже для лучших ЖК-панелей. Если сложить время нарастания и время спада, мы получим время отклика пиксела: Tl = Tf + Tr, то есть менее одной миллисекунды. Для ЖК-монитора время нарастания и время спада составляет десятки миллисекунд.

1.2 Классификация и отличительные особенности мониторов

Важной частью настольного персонального компьютера является монитор. Все мониторы можно классифицировать:

-    по схеме формирования изображения;

-       по своим размерам;

-       по способу воздействия на человека.

Все широко распространенные современные мониторы, по схеме формирования изображения, делятся на два типа:

-    на основе электронно-лучевой трубке (ЭЛТ, или CRT);

-       на основе жидких кристаллов (ЖК-панель, LCD-панель).

ЭЛТ - мониторы очень похожи на телевизоры. У них тот же принцип формирования сигнала - направленный электронный пучок вызывает свечение точек на экране. Этот тип мониторов позволяет создание изображения с максимальной контрастностью, яркостью и цветностью. Их недостатки - высокое потребление электроэнергии и вред, наносимый здоровью. ЖК-мониторы формируют изображение за счет того, что определенные точки экрана становятся прозрачными или непрозрачными в зависимости от приложенного электрического поля. Поскольку жидкокристаллические ячейки сами не светятся, ЖК-мониторам нужна подсветка. ЖК-мониторы имеют малое потребление энергии, изображение на них приятно глазам, отсутствует радиационное излучение монитора. Их недостатки - малая контрастность изображения и малые скорости регенерации (обновления изображения) экрана. Следующим важным свойством монитора является размер его экрана. Как правило, чем больше экран, тем с большим разрешением (соответственно - меньшим размером единицы изображения) можно на нем работать. Но при этом непропорционально высоко возрастает его цена и увеличивается требуемое место для монитора на столе. За размеры монитора считают размер его экрана по диагонали. Для ЭЛТ стандартными являются размеры 14", 15", 17", 19", 21", 23", 24" (" - обозначение дюйма.) Для ЖК-мониторов - 13", 14", 15", 17", 19". Любой компьютер неизбежно приносит вредит здоровью. Одним из наиболее опасных компонентов компьютера является монитор. Наиболее вредными для здоровья являются ЭЛТ-мониторы. Прежде всего, за счет рентгеновского излучения, возникающего из-за торможения электронов в трубке, и паразитного ультрафиолетового излучения монитора. К тому же на глазах человека отрицательно сказывается неравномерная яркость экрана, нечеткость изображения (ведущая к близорукости) и выпуклость экрана (ведущая к астигматизму.)

Первым решением, которое хоть как-то ослабляло вред от мониторов, явилось применение защитного экрана на монитор. Он увеличивал контрастность изображения, устранял солнечные блики, защищал от ультрафиолета. Однако его защита все равно была недостаточной. В связи с этим стали выпускаться мониторы, поддерживающие различные эргономические стандарты. Первым таким стандартом являлся шведский стандарт MPR-II. Затем за стандартизацию взялись международные организации, и появились стандарты TCO'92, TCO'95 и TCO'99. Уже для мониторов, удовлетворяющих стандарту TCO'92, не требовалось защитного экрана. Стандарт же TCO'99 гарантирует не причинение вреда здоровью при 8-ми часовой работе за экраном монитора, удовлетворяющего данному стандарту. В отличие от ЭЛТ-мониторов ЖК-мониторы гораздо меньше приносят вреда здоровью, из-за отсутствия некоторых физических процессов присущих ЭЛТ-мониторам.

1.3 Основные параметры и характеристики монитора

Размер экрана - это размер по диагонали от одного угла экрана до другого. У ЖК-мониторов номинальный размер диагонали экрана равен видимому, но у ЭЛТ-мониторов видимый размер всегда меньше. Изготовители мониторов в дополнение к физическим размерам кинескопов также предоставляют сведения о размерах видимой части экрана. Физический размер кинескопа - это внешний размер трубки. Поскольку кинескоп заключен в пластмассовый корпус, видимый размер экрана немного меньше его физического размера. Так, например, для 14" модели (теоретическая длина диагонали 35,56 см) полезный размер диагонали равен 33,3- 33,8 см в зависимости от конкретной модели, а фактическая длина диагонали 21-дюймовых устройств (53,34 см) составляет от 49,7 до 51 см. Радиус кривизны экрана ЭЛТ. Современные кинескопы по форме экрана делятся на три типа: сферический, цилиндрический и плоский.

У сферических экранов поверхность экрана выпуклая и все пиксели (точки) находятся на равном расстоянии от электронной пушки. Такие ЭЛТ не дороги, но изображение, выводимое на них, не очень высокого качества. В настоящее время применяются только в самых дешевых мониторах.

Цилиндрический экран представляет собой сектор цилиндра: плоский по вертикали и закругленный по горизонтали. Преимущество такого экрана - большая яркость по сравнению с обычными плоскими экранами мониторов и меньшее количество бликов на экране.

Плоские экраны (Flat Square Tube) наиболее перспективны. Устанавливаются в самых совершенных моделях мониторов. Некоторые кинескопы этого типа на самом деле не являются плоскими - но из-за очень большого радиуса кривизна (80 м - по вертикали, 50 м - по горизонтали) они выглядят действительно плоскими (это, например кинескоп FD Trinitron компании Sony). Экранное покрытие. Важным параметром кинескопа являются отражающие и защитные свойства его поверхности. Если поверхность экрана никак не обработана, то он будет отражать все предметы, находящиеся за спиной пользователя, а также его самого. Кроме того, поток вторичного излучения, возникающий при попадании электронов на люминофор, может негативно влиять на здоровье человека. Наиболее распространенным и доступным видом антибликовой обработки экрана является покрытие диоксидом кремния. Это химическое соединение внедряется в поверхность экрана тонким слоем. Если поместить обработанный диоксидом кремния экран под микроскоп, то можно увидеть шершавую, неровную поверхность, которая отражает световые лучи от поверхности под различными углами, устраняя блики на экране.

Антибликовое покрытие помогает без напряжения воспринимать информацию с экрана, облегчая этот процесс даже при хорошем освещении. Некоторые изготовители кинескопов добавляют в покрытие также химические соединения, выполняющие функции антистатиков. В наиболее передовых способах обработки экрана для улучшения качества изображения используются многослойные покрытия из различных видов химических соединений. Покрытие должно отражать от экрана только внешний свет. Оно не должно оказывать никакого влияния на яркость экрана и четкость изображения, что достигается при оптимальном количестве диоксида кремния, используемого для обработки экрана. Допустимые углы обзора. Для ЖК-мониторов это критический параметр, поскольку не у всякого плоско-панельного дисплея угол обзора такой же, как у стандартного монитора ЭЛТ. Проблемы, связанные с недостаточным углом обзора, долгое время сдерживали распространение ЖК-дисплеев. Поскольку свет от задней стенки дисплейной панели проходит через поляризационные фильтры, жидкие кристаллы и ориентирующие слои, то из монитора он выходит большей частью вертикально ориентированным. Если посмотреть на обычный плоский монитор сбоку, то либо изображения вообще не видно, либо все же его можно увидеть, но с искаженными цветами. В стандартном TFT-дисплее с молекулами кристаллов, ориентированными не строго перпендикулярно подложке, угол обзора ограничивается 40 градусами по вертикали и 90 градусами по горизонтали. Контрастность и цвет варьируются при изменении угла, под которым пользователь смотрит на экран. Эта проблема стала приобретать все большую актуальность по мере увеличения размеров ЖК-дисплеев и количества отображаемых ими цветов. Для банковских терминалов это свойство, конечно, очень ценно (так как обеспечивает дополнительную безопасность), но обычным пользователям приносит неудобства. К счастью, производители уже начали применять улучшенные технологии, расширяющие угол обзора. Они позволяют расширить угол обзора до 160 градусов и выше, что соответствует характеристикам ЭЛТ-мониторов (рисунок 2). Максимальным углом обзора считается тот, где величина контрастности падает до соотношения 10:1 по сравнению с идеальной величиной (измеренной в точке, непосредственно расположенной над поверхностью дисплея).

1.4 Влияние мониторов на зрение

Зрительная система человека приспособлена для восприятия объектов в отраженном свете (картин природы, рисунков, печатных текстов и т. п.), а не для работы с дисплеем. Изображение на дисплее принципиально отличается от привычных глазу объектов наблюдения - оно светится; состоит из дискретных точек; оно мерцает, т.е. эти точки с определенной частотой зажигаются и гаснут; цветное компьютерное изображение не соответствует естественным цветам (спектры излучения люминофоров отличаются от спектров поглощения зрительных пигментов в колбочках сетчатки глаза, которые ответственны за наше цветовое зрение). Но не только особенности изображения на экране вызывают зрительное утомление. При работе на компьютере часами у глаз не бывает необходимых фаз расслабления, глаза напрягаются, их работоспособность снижается. Большую нагрузку орган зрения испытывает при вводе информации, так как пользователь вынужден часто переводить взгляд с экрана на текст и клавиатуру, находящиеся на разном расстоянии и по-разному освещенные. Характерной особенностью труда за компьютером является необходимость выполнения точных зрительных работ на светящемся экране в условиях перепада яркостей в поле зрения, наличии мельканий, неустойчивости и нечеткости изображения. Объекты зрительной работы находятся на разном расстоянии от глаз пользователя (от 30 до 70 см) и приходится часто переводить взгляд в направлениях экран-клавиатура-документация (согласно хронометражным данным от 15 до 50 раз в минуту). Нередко на экранах наблюдается зеркальное отражение источников света и окружающих предметов. Все выше изложенное затрудняет работу и приводит к нарушениям основных функций зрительной системы.

1.5 Влияние визуальных характеристик мониторов на зрение

По данным Северо-Западного Научного центра гигиены и общественного здоровья, при длительной практически все пользователи испытывают боль в глазах, быстрое утомление и затуманивание зрения, трудности при переносе взгляда с ближних на дальние и с дальних на ближние предметы, кажущееся изменение окраски предметов, их двоение, неприятные ощущения в области глаз - чувство жжения, "песка", покраснение век. Комплекс выявляемых нарушений был охарактеризован специалистами как "профессиональная офтальмопатия". Уже в первые годы компьютеризации было отмечено специфическое зрительное утомление у пользователей дисплеев, получившее общее название "компьютерный зрительный синдром" (CVS-Computer Vision Syndrome). Работа за дисплеем ребенка может вызывать необратимые последствия для глаз. Оптический аппарат в подростковом и молодом возрасте еще продолжает формироваться. И при длительной работе с дисплеями часто возникает и быстро прогрессирует приобретенная близорукость (по мнению экспертов ВОЗ, со скоростью до 1,0 диоптрии в год). Неблагоприятное влияние компьютерной работы на состояние зрительного анализатора у школьников 1-3-х классов отмечено в 45,4+3,0% исследований, экспертные опросы позволяют утверждать, что в дни работы на ПК 55-85% старших школьников жалуются на усталость глаз. Зрительная и нервно-психическая нагрузка от работы детей за компьютером, помимо нарушения зрения, может приводить к спазмам мускулатуры лица, головным болям, получившим название "синдром видеоигровой эпилепсии". Важное замечание: экран современного телевизора также не естественен для зрительной системы человека! Но в телевизоре мы рассматриваем изображение в целом и издалека - нам важен сюжет, общий план, динамика событий и нет необходимости напрягать зрительную систему, чтобы разглядеть сережки у певицы или рисунок галстука ведущего телевизионных новостей. Другое дело изображение на дисплее, с которым мы работаем, вводим или читаем текст, таблицы, рисуем графики или изучаем детали чертежа. В этом смысле игры на компьютере ближе к работе на дисплее, чем к просмотру телепередач: и расстояние наблюдения меньше, и детали изображения в компьютерной игре важны, так что следует помнить о необходимости обеспечения эргономической безопасности и игровых автоматов, и игровых приставок к телевизорам. Существует мнение… Разницы для глаз, между ЖК и ЭЛТ монитором нет никакой, поскольку, если ЭЛТ монитор качественный и поддерживает частоту 85Гц и выше, то мерцания просто не заметно для человеческого глаза. Глаза же устают в результате того, что плоскость, на которую выводится изображение, находится практически на постоянном расстоянии от глаз и глазные мышцы держат глаз постоянно сфокусированном на этом расстоянии. Если это продолжается достаточно долго (например, печатать что-нибудь не отрываясь от монитора), а потом попробовать смотреть в разные стороны, (вдаль, например), глаза плохо фокусируются и болят, потому что они как бы "затекли", как руки, если ими долго держать что-то тяжелое. Вот и вся суть усталости глаз от монитора.

.6 Компьютерные нормы

Источник естественного света (то есть окно) должен находиться на северо-восточной стороне помещения, и расстояния между рабочими местами должны быть такими, что средний работодатель, арендующий офис, просто разорится на арендной плате "требуемых по стандарту" площадей. А с другой стороны, что делать? Ведь не зря же все эти стандарты и нормативы утверждают на государственном уровне, приходят проверять их соблюдение и наказывают нерадивых? Значит, они все-таки нужны. И в первую очередь - для здоровья работников, которые работают в вашем офисе за компьютерами, а не только ради пополнения бюджета очередными штрафами. Санитарные правила действуют на всей территории Российской Федерации и должны применяться как индивидуальными предпринимателями, так и юридическими лицами, которые эксплуатируют ПЭВМ.

Основные требования Санитарных правил направлены на предотвращение или уменьшение вредных и опасных факторов для людей при работе с компьютерами, которые можно разделить на следующие виды:

-    электромагнитные и электростатические поля;

-       негативное воздействие на зрение, возникающее при восприятии и отображении информации с экрана дисплея;

-       недостаточность или неравномерность освещения рабочего места;

-       избыточный шум и вибрация;

-       несоответствие параметров микроклимата на рабочих местах (температура, относительная влажность, скорость движения воздуха) действующим санитарным нормам;

-       несоответствие рабочего места антропометрическим данным работника на ПЭВМ;

-       монотонность труда.

Все эти факторы вызывают у работника повышенную утомляемость, расстройство памяти, головную боль, трофические заболевания, заболевания глаз, нарушения сна, боль в запястьях и пальцах, заболевания позвоночника, центральной нервной, сердечно-сосудистой и дыхательной систем, внутренних органов и др. Это подтверждение тому, что рабочее место пользователя ПК, и сам компьютер должны соответствовать требованиям настоящих санитарных правил.

.7 Нормы для компьютеров

Уже при производстве каждый тип ПК подлежит санитарно-эпидемиологической экспертизе в испытательных аккредитованных лабораториях. Поэтому работодателям, которые приобрели качественную и сертифицированную технику, не стоит переживать: соблюдение всех правил и нормативов проверят до него. Работодателю важно лишь помнить, что конструкция компьютера должна иметь возможность поворачивать корпус в различные плоскости (горизонтальные, вертикальные) с фиксацией в заданном положении. Корпуса ПЭВМ должны окрашиваться в мягкие спокойные тона, то есть корпус, клавиатура и другие блоки и устройства компьютера должны иметь матовую поверхность, не должны использоваться блестящие детали, чтобы не создавать блики. В мониторе должно быть предусмотрено регулирование яркости и контрастности (как правило, такая возможность есть у всех современных мониторов).

.8 Требования к рабочему месту

Работодатели должны обеспечить выполнение санитарных требований:

-    к помещениям;

-       к освещению;

-       к организации рабочих мест;

-       к организации медицинского обслуживания пользователей ПК;

-    к проведению государственного санитарно-эпидемиологического надзора и производственного контроля.

.8.1 Требования к помещениям

На одного пользователя компьютера с электронно-лучевым монитором и вспомогательным оборудованием (принтер, сканер и др.) площадь помещения должна составлять не менее 6 кв. м. Без вспомогательных устройств площадь может быть меньше 4,5 кв. м. Для пользователей ПК с жидкокристаллическими мониторами отдельных нормативов не установлено. Поэтому советуем их счастливым обладателям придерживаться общих установленных нормативов и дожидаться обновлений законодательства.

При дизайнерской отделке помещений, где работают пользователи ПК, следует использовать диффузно отражающие материалы с тем, чтобы устранить появление блеска, ослепленности и дискомфорта отражения света от стен и потолков. Для создания безопасных условий при работе на компьютере помещения должны быть оборудованы защитным заземлением (занулением). Нельзя размещать ПК вблизи силовых кабелей, высоковольтных трансформаторов, технологического оборудования, которые могут создать помехи при работе с компьютером.

.8.2 Требования к освещению рабочих мест

Помещение, в котором находятся рабочие места, оборудованные ПК, должно быть достаточно хорошо освещено: то есть необходимо как естественное освещение, так и искусственное. Оконные проемы должны выходить на север и северо-восток. При этом окна должны быть оборудованы регулируемыми устройствами (жалюзи, занавесками и др.). Искусственное освещение в помещениях с ПК должно быть равномерным.

На рабочих местах, где происходит постоянный документооборот, применяется система комбинированного освещения: то есть к общему освещению добавляют светильник местного освещения, который должен иметь непросвечивающий отражатель с защитным углом не менее 40°.

Рабочий стол устанавливают таким образом, чтобы монитор находился боковой стороной к световым проемам. Тогда естественный свет будет падать слева. Освещение не должно создавать бликов на поверхности экрана и должно быть не более 300 лк, а освещенность поверхности стола в зоне рабочего документа должна быть 300 - 500 лк. Конечно, измерить эту величину самостоятельно проблематично. Но если рассматривать привычные ватты, то в среднем необходимо 18 - 25 Вт на 1 кв. м помещения. Повторяем, что это очень приблизительные подсчеты, поскольку в освещении пространства играет роль не только количество лампочек, но и цвет стен, высота потолка, материалы, которые использовались при отделке помещения (матовые или блестящие), и много других факторов. При искусственном освещении в качестве источника света рекомендуется применять люминесцентные лампы типа ЛБ или компактные люминесцентные лампы (КЛЛ). Допускается применение металлогалогенных ламп. В светильниках местного освещения можно применять обычные лампы накаливания, в том числе галогенные. Для помещений, где используются ПК, можно применять и светильники с зеркальными параболическими решетками, которые укомплектованы электронными пускорегулирующими аппаратами (ЭПРА). Применение светильников без рассеивателей и экранирующих решеток не допускается. Для поддержания нормальных параметров освещенности помещений, в которых эксплуатируются компьютеры, проводят чистку и мойку стекол оконных рам и светильников не реже двух раз в год, своевременно производят замену перегоревших ламп.

.8.3 Общие требования к организации рабочих пользователей ПК

При размещении рабочих мест, где находятся компьютеры, расстояние между рабочими столами с мониторами (в направлении тыла поверхности одного монитора и экрана другого монитора) должно быть не менее 2,0 м, а расстояние между боковыми поверхностями мониторов - 1,2 м. Если в помещении с компьютерами имеются источники вредных производственных факторов, то рабочие места пользователей ПК должны располагаться в изолированных кабинах с организованным воздухообменом. Рабочие места, снащенные компьютерами, при выполнении творческой работы должны быть изолированы перегородками высотой 1,5 - 2,0 м. Экран монитора должен располагаться от глаз пользователя на расстоянии 600 - 700 мм, но не ближе 500 мм.

.8.4 Конструкции мебели и ее эргономике для пользователя ПК

Конструкция рабочего стола должна обеспечивать оптимальное размещение на рабочей поверхности используемого оборудования. Высота рабочей поверхности стола для взрослых пользователей должна регулироваться в пределах 680 - 800 мм. Модульными размерами рабочей поверхности стола для ПК следует считать: ширину - 800, 1000, 1200, 1400 мм и глубину - 800, 1000 мм. Рабочий стол должен иметь пространство для ног высотой не менее 600 мм, шириной не менее 500 мм, глубиной на уровне колен не менее 450 мм и на уровне вытянутых ног не менее 650 мм. Конструкция рабочего стула или кресла должна обеспечивать поддержание рациональной позы пользователя ПК так, чтобы можно было менять позу для предупреждения утомления. Тип стула, кресла необходимо выбирать с учетом роста пользователя, характера и продолжительности работы с ПК.

Рабочий стул (кресло) должен иметь:

-    ширину и глубину поверхности сиденья не менее 400 мм поверхность сиденья с закругленным передним краем;

-       регулировку высоты поверхности сиденья в пределах 400 - 550 мм и углов наклона вперед до 15° и назад до 5°;

-       угол наклона спинки в вертикальной плоскости в пределах +30°;

-       регулировку подлокотников по высоте над сиденьем. Клавиатура должна располагаться на поверхности стола на расстоянии 100 - 300 мм от края, обращенного к пользователю, или на специальной поверхности, отделенной от столешницы.

.9 Эффект Доплера в акустике

Можно заметить, что высота звука сирены пожарной машины, движущейся с большой скоростью, резко падает после того, как эта машина пронесётся мимо наблюдателя. Высота звука двигателя гоночного автомобиля тоже изменяется, когда он проезжает мимо наблюдателя. Если источник звука приближается к наблюдателю, высота звука возрастает по сравнению с тем, когда источник звука покоился. Если же источник звука удаляется от наблюдателя, то высота звука понижается. Это явление называется эффектом Доплера и имеет место для всех типов волн. Рассмотрим теперь причины его возникновения и вычислим изменение частоты звуковых волн, обусловленное этим эффектом.

Рисунок 1,а - Эффект Доплера

Рисунок 1,б - Эффект Доплера

Эффект Доплера:

а - оба наблюдателя на тротуаре слышат звук сирены стоящей на месте пожарной машины на одной и той же частоте;

б - наблюдатель, к которому приближается пожарная машина, слышит звук более высокой частоты, а наблюдатель, от которого машина удаляется, слышит более низкий звук. Пожарный автомобиль, сирена которого, когда автомобиль стоит на месте, испускает звук определённой частоты во всех направлениях, как показано на Рисунок 1,а. Пусть теперь пожарный автомобиль начал двигаться, а сирена продолжает испускать звуковые волны на той же частоте. Однако во время движения звуковые волны, испускаемые сиреной вперёд, будут располагаться ближе друг к другу, чем в случае, когда автомобиль не двигался, что и показано на Рисунок 1,б. Это происходит потому, что в процессе своего движения пожарный автомобиль «догоняет» испущенные ранее волны. Таким образом, наблюдатель у дороги заметит большее число волновых гребней, проходящих мимо него в единицу времени, и, следовательно, для него частота звука будет выше. С другой стороны, волны, распространяющиеся позади автомобиля, будут дальше отстоять друг от друга, поскольку автомобиль как бы «отрывается» от них. Следовательно, за единицу времени мимо наблюдателя, находящегося позади автомобиля, пройдёт меньшее количество волновых гребней, и высота звука будет ниже.

Следует заметить, что эффект Доплера лежит также в основе метода обнаружения с помощью радара автомобилей, которые превышают предписываемую скорость движения, но в этом случае используются электромагнитные (радио) волны, а не звуковые.

В данном дипломном проекте разработан изготовлен прибор, который работает на эффекте Доплера и является малогабаритным локатором, который работает на ультразвуковой частоте, и представляет собой излучатель ультразвука и приемник ультразвука, которые реагируют на приближение объекта к монитору свыше допустимой нормы. Издается звуковая и световая сигнализация (свечение красного светодиода), что является нарушение санитарных норм при работе на персональном компьютере. При нормальной посадке оператора светиться синие светодиоды.

2 Специальная часть

Это прибор для контроля осанки и зрения при работе на персональном компьютере. В устройстве скомпонованы ультразвуковой передатчик, и приемник работающие на одной частоте. Когда в зоне действия прибора появляется какой-либо объект, то:

-    синяя подсветка означает, что голова оператора находиться на безопасном расстоянии от монитора (от 35 до 60 см);

-    красная подсветка означает, что голова оператора наклонилась слишком близко к монитору, т.е. ближе, чем на 35 см от экрана. Если голова оператора остается вблизи монитора слишком долго, то в дополнение к красной подсветке включается звуковое предупреждение.

Устройство обладает высокой чувствительностью. Может восстанавливать начальное состояние автоматически.

.1Технические характеристики

Таблица 2.1-Технические характеристики

Рабочее напряжение

5V

Потребляемый ток

30 mA

Синяя подсветка безопасное расстояние

От 35 до 60 см

Красная подсветка опасное расстояние

Ближе чем на 35 см


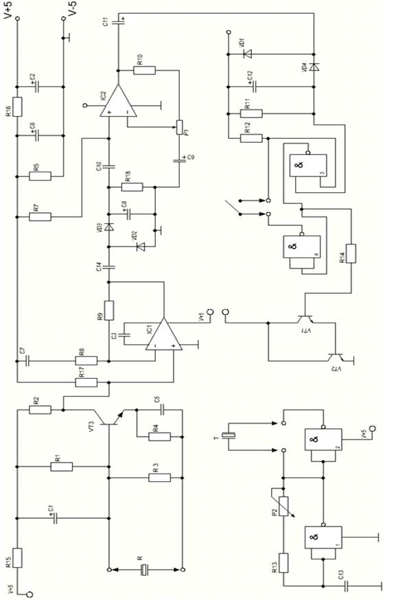
Приемник и передатчик работают на одной и той же частоте. В передатчике и приемнике используются ультразвуковые пьезоэлектрические преобразователи. Передатчик собран на двух элементах НЕ N1, N2 IC3 образующих мультивибратор. Генерируемый сигнал излучается УЗ преобразователем подключенным к точкам 5 и 6. Частота генерации подстраивается резистором R2. В приемнике используется аналогичный УЗ преобразователь для приема отраженных сигналов передатчика. Малые электрические сигналы усиливаются транзистором TR3 и операционным усилителем IC1. Усиленный сигнал выпрямляется и фильтруется элементами D1, D2, C8 и поступает на операционный усилитель на IC2. Коэффициент усиления регулируется переменным резистором P2. Схема отрегулирована таким образом, что остается стабильной при постоянстве частоты излучения передатчика. Если в контролируемой области что-то перемещается, то принимаемый сигнал становится искаженным и вызывает разбалансировку схемы. Грубые изменения сигнала на выходе IC2 выпрямляются элементами D3, D4, C12 и подаются на схему триггера Шмитта собранного на элементах N3, N4 IC3. Триггер в свою очередь включает цепь тревожной сигнализации через транзисторы TR1, TR2 в которую входит реле (подключается к точке 9). Напряжение питания схемы составляет 5 Вольт.

.2 Настройка

Подсоедините между положительным полюсом источника питания и выводом 9 на схеме последовательно соединенные светодиод и резистор номиналом 560 Ом. Затем соедините положительный полюс источника питания с точками на схеме обозначенные как Vcc+. Движок переменного резистора P1 поверните в среднее положение. Затем медленно поворачивайте движок подстроечного резистора P2 и одновременно перемещайте кисть руки перед преобразователем до тех пор, пока не будет загораться тестовый светодиод подключенный к точке 9. Быстрее произвести настройку можно, если использовать частотомер. Для этого подсоедините частотомер параллельно передающему УЗ преобразователю. Настраивая P2 добиваются совпадения частоты генератора и паспортного значения УЗ преобразователя. Затем P1 устанавливают требуемую чувствительность. Как вариант можно использовать НЧ осциллограф подключенный к коллектору TR3. В этом случае также настраивается частота генератора по максимальной амплитуде отраженного сигнала.

Рисунок 2 - Схема электрического прибора

Амплитуда отраженного сигнала на требуемой частоте будет максимальна, если вся система УЗ преобразователей настроена в резонанс. Если замкнуть точки на схеме 7 и 8 система будет сбрасываться вручную. При разомкнутых точках 7 и 8 УЗ радар дает короткие сигналы при появлении посторонних объектов и самостоятельно сбрасывается в исходное положение при их исчезновении. N1, N2, N3, N4 - в КМОП - матрицах используются полевые транзисторы с изолированным затвором с каналами разной проводимости.

Эквивалентная схема ячейки КМОП-матрицы:

- светочувствительный элемент (диод);

- затвор;

- конденсатор, сохраняющий заряд с диода;

- усилитель;

- шина выбора строки;

- вертикальная шина, передающая сигнал процессору;

- сигнал сброса.

Рисунок 3 - Эквивалентная схема ячейки КМОП-матрицы

Основное преимущество КМОП технологии - низкое энергопотребление в статическом состоянии. Это позволяет применять такие матрицы в составе энергонезависимых устройств, например, в датчиках движения и системах наблюдения, находящихся большую часть времени в режиме «сна» или «ожидания события».

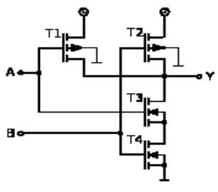
Схема логического элемента выполняющего логическую функцию 2И-НЕ. Схема вентиля 2И-НЕ, построенного по технологии КМОП. Если на оба входа A и B подан высокий уровень, то оба транзистора снизу на схеме открыты, а оба верхних закрыты, то есть выход соединён с землёй. Если хотя бы на один из входов подать низкий уровень, соответствующий транзистор сверху будет открыт, а снизу закрыт.

Рисунок 4 - Схема логического элемента 2И-НЕ

Выход будет соединён с напряжением питания и отсоединён от земли. В схеме нет никаких нагрузочных сопротивлений, поэтому в статическом состоянии через КМОП-схему протекают только токи утечки через закрытые транзисторы, и энергопотребление очень мало. При переключениях электрическая энергия тратится в основном на заряд емкостей затворов и проводников, так что потребляемая (и рассеиваемая) мощность пропорциональна частоте этих переключений (например, тактовой частоте процессора). На рисунке с топологией микросхемы 2И-НЕ можно заметить, что в ней используются два двухзатворных полевых транзистора разных конструкций. Верхний двухзатворный полевой транзистор выполняет логическую функцию 2ИЛИ, а нижний двухзатворный полевой транзистор выполняет логическую функцию 2И.

3. Технологическая часть

компьютер зрение осанка прибор

3.1 Печатные платы

Печатные платы - это составные части конструкции компьютеров и радиоэлектронной аппаратуры. Платы состоят из плоских проводников в виде участков металлизированного покрытия, размещенных на диэлектрической основе.

Основными видами печатных плат являются:

-    односторонние печатные платы (ОПП) - с одной основой, на одной стороне которой выполняют проводящий рисунок ;

-       двухсторонние печатные платы (ДПП) - с одной основой, на обеих сторонах которой выполняют проводящие рисунки;

-       многослойные печатные платы (МПП) - состоят из чередующихся слоев изоляционного материала с проводящими рисунками на двух и более слоях (до 20) с необходимыми соединениями ;

-       гибкие печатные платы (ГПП) - имеют гибкую основу, аналогичную ОПП и ДПП.

Рисунок 5 - Двухсторонняя печатная плата

Основные этапы проектирования печатной платы:

-    выбор материалов и их входной контроль;

-       обоснование способов механической обработки платы;

-       выполнение чертежа платы;

-       создание оригинала и фотошаблона;

-       реализация химических и электрохимических технологических операций;

-       сборка печатной платы.

Рисунок 6 - Сборка печатной платы

.2 Выбор материалов. Механическая обработка

Для изготовления основы печатной платы используют фольгированные и нефольгированные диэлектрики - гетинакс, стеклоткань, фторопласт, полистирол, керамические и металлические (с поверхностным изоляционным слоем) материалы.

Фольгированные материалы - это многослойные прессованные пластики из электроизоляционной бумаги или стеклоткани, пропитанные искусственной смолой. Они покрыты с одной или двух сторон электролитической фольгой толщиной 18; 35 и 50 мкм.

Фольгированный стеклотекстолит марок СФ выпускают листами размерами 400x600 мм и толщиной листа до 1 мм и 600x700 мм с большей толщиной листа. Он рекомендуется для плат, которые эксплуатируются при температуре до 120°С.

Более высокие физико-механические свойства и теплостойкость имеют стеклотекстолиты марок СФПН.

Диэлектрик слофодит имеет медную фольгу толщиной 5 мкм, которую получают испарением меди в вакууме.

Для многослойных и гибких плат используют теплостойкие стеклотекстолиты марок СТФ и ФТС; они эксплуатируются в диапазоне температур от минус 60° С до плюс 105° С.

Не фольгированный диэлектрик СТЭФ металлизируется слоем меди в процессе изготовления печатной платы.

Фольгу изготовляют из меди высокой чистоты (содержание примесей не превышает 0,05%). Медь имеет высокую электропроводность, она относительно устойчива к коррозии, хотя и требует защитного покрытия.

Для печатного монтажа допустимое значение тока выбирают: для фольги 100...250 А/мм2, для гальванической меди 60... 100 А/мм2.

Металлические платы используют в изделиях с большой токовой нагрузкой, качестве основы используют алюминий или сплавы железа с никелем.

Толщину проводника берут 18; 35 и 50 мкм. По плотности проводящего рисунка печатные платы подразделяют на пять классов:

-    первый класс характеризуется наименьшей плотностью проводящего рисунка и шириной проводника и пробелов более 0,75 мм;

-    пятый класс имеет наибольшую плотность рисунка и ширину проводника и пробелов в пределах 0,1 мм.

Во время входного контроля фольгированного диэлектрика были проверены:

-    размер листа и состояние его поверхности;

-    прочность сцепления фольги перед и после действия гальванических растворов, расплавленного припоя;

-       коробление листа и его способность к механической обработке: сверлению отверстий, прессовке и др.;

-    поверхностное сопротивление, электропроводность и др.

Перед выполнением чертежа платы были определены:

-    форма и размер печатной платы;

-  положение, формы и размеры монтажных, контактных, крепежных и фиксирующих отверстий платы;

-    шаг координатной сетки и рисунок печатной платы;

-       параметры элементов печатной платы: ширина проводников, расстояние между ними, размеры контактных площадок, расстояние между контактными площадками или проводником и контактной площадкой, размеры незанятых зон, экранов и печатных контактов;

-       сторона монтажа и положение базовых элементов устанавливаемых компонентов;

-       допустимые отклонения размеров, форм и размещения, а также шероховатости поверхности элементов платы;

-       содержимое, положение, размеры маркировки и клеймения;

-       материал основы печатной платы и вид ее поставки;

-       метод и способ получения рисунка платы;

-       способ нанесения покрытия, способ и содержание контроля.

Механическая обработка включила:

-    раскрой листового материала на полоски и получение из них заготовок;

-       выполнение технологических, фиксирующих, переходных и монтажных отверстий;

-       получение чистого контура платы после всех химических и электрохимических операций.

При ручном методе размещение элементов на плате и трассировку печатных проводников выполняет непосредственно конструктор. Этот метод обеспечивает оптимальное распределение проводящего рисунка.

Полуавтоматический метод предусматривает размещение навесных элементов с помощью ЭВМ в случае ручной трассировки печатных проводников. Этот метод значительно повышает производительность в сравнении с ручным.

Автоматизированный метод проектирования предусматривает размещение навесных элементов и трассировку печатных проводников с помощью ЭВМ; допускается доработка отдельных соединений вручную.

В зависимости от способа обработки проводящего покрытия платы (удаления или нанесения фольги) все процессы изготовления печатных плат подразделяют на субтрактивные, адитивные или полуадитивные.

Субтрактивный процесс (subtractio - отнимать) - получение проводящего рисунка заключается в выборочном удалении участков проводящей фольги.

Аддитивный процесс (additio - добавлять) - это выборочное осаждение проводящего материала на нефольгированную основу.

Полуаддитивный процесс предусматривает предварительное нанесение тонкого вспомогательного проводящего покрытия, которое затем удаляется из пробелов.

Соответственно ГОСТ 23751-86 конструирование печатных плат осуществляют с учетом следующих методов изготовления:

-    химического для ОПП, ГПК;

-       комбинированного позитивного для ДПП, ГПП;

-       электрохимического (аддитивного) для МПП.

Основное назначение химических и гальванических процессов заключается в металлизации контактных отверстий и защите рисунка печатной платы во время вытравливания. Типовой технологический процесс химической и гальванической металлизации печатных плат состоит из следующих этапов:

-    подготовка поверхности, сенсибилизация и активация;

-       химическое и гальваническое меднение;

-       гальваническое осаждение сплава SnPb.

Подготовка поверхности монтажных отверстий печатных плат заключается в гидроабразивной обработке, подтравливании диэлектрика в отверстиях серной кислотой и фтористым водородом, промывке в проточной воде.

Сенсибилизация (повышение чувствительности к меди) осуществляется в растворе двухлористого олова, соляной кислоты и металлического олова на протяжении 5...7 мин с последующей промывкой в дистиллированной воде.

Активацию проводят в водном растворе двухлористого палладия и аммиака на протяжении 5...7 мин.

Химическое омеднение заключается в восстановлении меди на активированных поверхностях из раствора, в состав которого входят соли меди, никеля и др. Процесс осуществляется с плавным покачиванием плат или с наложением ультразвукового поля. Осадок меди при этом имеет более плотную структуру, что объясняется лучшими условиями удаления пузырьков водорода, закрывающих поверхность диэлектрика. Длительность осаждения слоя меди толщиной 0,25...0,5 мкм составляет 15...20 мин.

Гальваническую металлизацию используют для увеличения ранее полученного тонкого слоя меди до толщины 5...8 мкм и для последующего создания проводящего рисунка схемы с толщиной меди возле отверстия 25 мкм. Гальваническое омеднение требует замкнутого проводящего покрытия, которое осуществляется технологическими проводниками, прошивкой отверстий медным проводом. Медь наращивают в сернокислых и других электролитах в специальных гальванических ваннах. Электроды из электролитической меди и плата подключаются соответственно к "плюс" и "минус" источника тока. На плате, которая является катодом, оседает медь.

Гальваническое осаждение сплава олово-свинец толщиной 8...20 мкм проводится с целью защиты проводящего рисунка во время травления плат и обеспечения качественной пайки.

Возможное применение специальных покрытий (палладий, золото и др.) толщиной 2 ... 5 мкм.

.3 Травление

Травление - это химический процесс, во время которого участки медной фольги, не защищенные резистом, удаляются с диэлектрической основы, а участки, покрытые резистом, сохраняются и формируют рисунок печатной платы. В качестве резиста используют фоторезисты, трафаретную краску или стойкий к действию травителей гальванически нанесенный слой оловянно-свинцового сплава или драгоценного металла. Процесс травления включает предварительную очистку, собственно вытравливание металла, промывку и удаление фоторезиста из пробелов.

-    Травление печатных плат с рисунками, защищенными сплавом олово-свинец или драгоценными металлами, проводят в растворах на основе хлорной меди. Такие растворы дешевые, простые в изготовлении и легко удаляются с платы после травления. В случае, когда рисунок защищен печатными красками, травление проводят в железомедном хлоридном растворе.

-       Травление набрызгиванием проводят в ваннах, где травильный раствор подается на плату лопастями вращающегося ротора. Такое травление обеспечивает равномерное удаление фольги и незначительное подтравливание. Однако этим методом обрабатывается одновременно мало плат при невысокой скорости травления.

-       Струйное травление обеспечивает высокую производительность. Травитель под высоким давлением через систему сопел распыляется на поверхность платы. Постоянное попадание на плату свежего раствора обеспечивает высокие скорости травления с высокой разрешающей способностью.

Защитный слой трафаретной краски или фоторезиста снимаются в щелочных растворах. Для снятия некоторых красок используются дополнительно механические вращающиеся щитки.

После травления плату необходимо тщательно промыть в горячей проточной воде для удаления остатков травильного раствора.

Фоторезисты - это специальные светочувствительные материалы в виде органических растворов или сухих пленок, которые наносят слоем на подготовленную поверхность платы. Фоторезисты вместе с фотошаблонами обеспечивают создание на поверхности платы соответствующего рисунка схемы методом фотопечати.

Фоторезисты подразделяют на негативные и позитивные. Они отличаются способом образования защитной маски после экспонирования - непродолжительного действия ультрафиолетового излучения. В качестве источника света используют дуговые ртутные и люминесцентные лампы.

.4 Создание оригинала и фотошаблона

Оригинал рисунка печатной платы - это реальное изображение на основе чертежа технологического слоя платы, выполненное в увеличенном масштабе, обычно в позитивном изображении.

Фотошаблоны обеспечивают нанесение рисунка оригинала (или непосредственно чертежа) на поверхность заготовки печатной платы. Фотошаблон - это графическое позитивное или негативное изображение рисунка платы в натуральную величину (масштаб 1:1) на светопроницаемой фотопластинке или пленочном материале, полученное путем фотографирования оригинала.

По назначению фотошаблоны подразделяют на контрольные, которые хранятся как эталоны, и рабочие, которые изготовляются с контрольных. Рабочие фотошаблоны служат для переноса имеющегося на них рисунка на плату.

Изображение элементов на фотошаблоне должно соответствовать требованиям чертежа и быть черно-белым, контрастным, с четкими и ровными краями. Размеры печатных проводников и контактных площадок устанавливают с учетом степени подтравливания.

Конструктивно блок выполнен на односторонней печатной плате, которая изготовляется комбинированным позитивным методом по третьему классу точности. По этому методу проводниковый рисунок получили субтрактивным процессом (химическим травлением медной фольги), а металлизацию монтажных отверстий - аддитивным процессом (химическим меднением с последующим гальваническим наращиванием полученного слоя). Плата разработана и произведена трассировка печатных проводников автоматизированным методом в программе P-CAD. Для платы использован односторонний теплостойкий негорючий фольгированный стеклотекстолит марки СТФ-1-35-1,5 (1 - односторонний , 35 обозначает толщину фольги в микрометрах, 1,5 - толщина диэлектрика (мм)) облицованный с одной стороны медной электролитической гальвано-стойкой фольгой толщиной 35 мкм. Травление печатной платы струйное.

4. Экспериментальная часть

Устройство устанавливается на монитор и непрерывно следит за расстоянием от наблюдателя лица до экрана. Если наблюдатель смотрит в монитор с безопасного расстояния от 35 до 60 сантиметров, на приборе горит синий индикатор. Стоит наклониться к экрану ближе чем на 35 сантиметров, и синий индикатор сменится красным, а прибор предупредит вас звуковым сигналом. Для работы прибора не нужны батарейки - он питается от USB-порта компьютера.

Большинство людей, сидящих за компьютером, могут не обращать внимания, на то, что они находятся слишком близко к монитору. В итоге возникает переутомление глаз и боль в шее. Прибор совершенно естественным образом поможет сохранять зрение и осанку при работе за компьютером не только взрослым людям, но и детям! Просто прикрепите устройство на монитор и подключите его к USB-порту. Не нужно никаких батареек и технических обслуживаний!

Синяя подсветка означает, что голова оператора находится на безопасном расстоянии от монитора (от 35 до 60 см).

Красная подсветка означает, что Вы наклонились слишком близко к монитору, т.е. ближе, чем на 35 см от экрана. Если Вы остаетесь вблизи монитора слишком долго, то в дополнение к красной подсветке включается звуковое предупреждение.

Расстояние может изменяться в незначительных пределах в зависимости от различных факторов окружающей среды, например, влажности и температуры.

Элементы устройства:

. Сенсор определения дистанции до монитора;

. Индикатор правильного расстояния (синяя подсветка);

. Индикатор расстояния «Слишком близко» (красная подсветка);

4. Двусторонняя липкая подложка для закрепления прибора;

. Выключатель звукового предупреждения;

6. Шнур от USB-порта.

Рисунок 7 - Внутренняя плата прибора

5. Экономическая часть

.1 Расчет затрат на материалы, полуфабрикаты и покупные изделия цифрового прибора для контроля осанки и зрения при работе за персональным компьютером

Таблица 5.1 - Расчет затрат на материалы

Наименования

ГОСТ ТУ

Единица измерения

Норма расхода

Цена, руб.

Сумма, руб.

Стеклотекстолит фольгированный

СТФ-2 35-0.8-16-503.161-83

кг

0,125

120,00

15,00

Лак

НЦ-218 6-10-1826-81

кг

0,15

40,00

6,00

Припой

ПОС-61 10316-79

кг

0,32

400,00

128,00

Канифоль

КОС 12481-79

кг

0,05

120,00

6,00

Провод

МГШВ-0.125 505.437-8219.347-84

м

0,19

10,00

1,90

Хлорное железо


кг

0,1

260,00

28,00

Итого

300,00





Транспортно-заготовительные расходы составляют 10% от стоимости материалов

30,00





Всего с транспортно-заготовительными расходами

330,00


Таблица 5.2 - Расчет стоимости полуфабрикатов и покупных комплектующих изделий

Наименование

Номиналы, марка

Единица измерения

Количество на единицу изделия

Цена за единицу изделия, руб.

Сумма, руб.

Микроконтроллер

4093 КМОП м\с

шт.

1

108,00

108,00

Микросхема

741 ОУ

шт.

1

10,00

10,00

Конденсатор

4,7мкФ/16V

шт.

1

8,00

8,00

Конденсатор

4,7мкФ/16V

шт.

1

1,00

1,00

Конденсатор

15пФ

шт.

2

1,00

2,00

Транзистор

BC547

3

7,00

21,00

Транзистор

BC548

шт.

3

5,00

15,00

Резистор SMD

100Ом

шт.

5

0,30

1,50

Резистор SMD

10кОм

шт.

3

0,30

0,90

Резистор SMD

180 кОм

шт.

1

0,30

0,30

Резистор SMD

12 кОм

шт.

1

0,80

0,80

Резистор SMD

47 кОм

шт.

2

1,00

2,00

Резистор SMD

3,9 кОм

шт.

1

5,00

5,00

Резистор SMD

1 мОм

шт.

2

2,50

5,00

Резистор SMD

3,3 кОм

шт.

2

0,50

1,00

Резистор переменный

10 кОм

шт.

1

12,00

12,00

Резистор переменный

47 кОм

шт.

1

12,00

12,00

Индикатор LED УЗ преобразователь

SС08-11 40 кГц

шт. шт.

4 1

3,50 13,00

14,00 13,00

УЗ преобразователь

40 кГц

шт.

1

10,00

10,00

Зуммер электромагнитный

EMX-7TA06SP

шт.

1

54,00

54,00

Кроватка для микросхем

18-контактная

шт.

1

18,00

18,00

Кроватка для микросхем

16-контактная

шт.

1

16,00

16,00

Клеммник

DG-126-021

шт.

2

3,20

6,40

Кнопка

SWT

шт.

1

4,00

4,00

Корпус

-

шт.

1

120,00

120,00

Винт

-

шт.

4

2,00

10,00

Итого

-

-

21

-

289,50

Транспортно-заготовительные расходы составляют 10% от стоимости материалов

25,10





Всего с транспортно-заготовительными расходами

304,60


.2 Расчет фонда заработной платы

Таблица 5.3 - Расчет трудоемкости и основной зарплаты

Наименование работ

Разряд работ

Трудоемкость

Часовая тариф. ставка, руб.

Расценка, руб.

Лужение

2

0,8

20,3

16,24

Сборка

3

1,0

28,9

28,9

Лакировка

2

0,15

20,3

3,045

Промывка

2

0,2

20,3

4,06

Маркировка

2

0,5

20,3

10,15

Пайка волной

3

0,95

28,9

27,45

Монтаж

4

0,26

37,6

9,78

Регулировка

5

0,52

45,2

23,50

Итого

-

4,38

-

123,13


Рсд= Сч * tшт , (5.1)

где Рсд - расценка,руб.;

Сч - часовая тарифная ставка, руб.;

tшт - трудоемкость, ч.

Зосн = ∑ Рсд , (5.2)

где Зосн - основная зарплата, руб.

Таблица 5.4 - Расчет фонда заработной платы

Наименование

Норматив, %

Сумма, руб.

Методика расчета

Основная зарплата

-

123,13

из таблицы 5.3

Премия

40

49,25

Зосн * 0.4

Территориальная надбавка (уральские)

15

25,86

осн + Зпр ) * 0,15

Дополнительная зарплата

20

39,65

осн + Зпр + Зтер ) * 0.2

Общая зарплата

-

237,89

Зосн + Зпр + Зтер + Здоп

Начисления на зарплату

26,5

63,04

Зобщ * 0,265


.3 Расчет полной себестоимости и цены изделия

Таблица 5.5 - Расчет структуры себестоимости

Статьи затрат

Норматив, %

Сумма, руб.

Методика расчета

Материалы и полуфабрикаты

-

634,60

из таблицы 5.1 и 5.2

Транспортно-заготовительные расходы

-

55,10

из таблицы 5.1 и 5.2

Основная зарплата

-

123,13

из таблицы 5.4

Премия

-

49,25

из таблицы 5.4

Территориальная надбавка

-

25,86

из таблицы 5.4

Дополнительная зарплата

-

39,65

из таблицы 5.4

Начисление на зарплату

-

63,04

из таблицы 5.4

Накладные расходы

150

184,50

из таблицы 5.4 Зосн * 1,5

Полная себестоимость

-

1068,30

М + П + ТЗР + Зобщ + + Н + НР


.4 Расчет показателей технологичности и эффективности паяльной станции с сенсорным устройством

Основными показателями технологичности и эффективности конструкции являются:

Ку = (Еу + Ду)/ Qн, (5.3)

где Ку - коэффициент унификации Ку = 10/ 11 = 0,9;

Еу - количество наименований унифицированных сборочных единиц в конструкции, шт;

Ду - количество наименований унифицированных деталей, не вошедших в состав сборочных единиц, шт;

Qн - общее количество наименований в конструкции, без учета стандартного крепежа, шт.

Кп = (Еп + Дп)/ Q, (5.4)

где Кп - коэффициент повторяемости;

Еп - количество повторяющихся сборочных единиц, шт.;

Дп - количество повторяющихся деталей, не вошедших в состав сборочных единиц, шт.;

Q - общее количество их в конструкции, без учета стандартного крепежа, шт.

Кп = 47/ 56 = 0,84

Ти = 4,38 ч. (5.5)

где Ти - трудоемкость изготовления конструкции, ч.

6. Техника безопасности

 

.1 Общие положения


. К выполнению работ на ПЭВМ во время лабораторных и практических занятий допускаются пользователи, прошедшие инструктаж по технике безопасности.

. Инструктаж и обучение по охране труда и технике безопасности, мерам противопожарной безопасности и производственной санитарии производится путем:

-  вводного инструктажа при поступлении в институт;

-  первичного на рабочем (учебном) месте в начале первого семестра;

-  повседневного текущего инструктажа перед началом занятия;

-  повторного инструктажа в начале каждого семестра;

-  внепланового инструктажа.

3. Допуск к выполнению какой-либо работы на ПЭВМ и средствах оргтехники производится только после прохождения вводного и первичного инструктажей на рабочем (учебном) месте и ознакомления с настоящим руководством. Допуск к самостоятельной работе - только после прохождения вводного, первичного инструктажей на рабочем (учебном) месте, соответствующего обучения, ознакомления с настоящим руководством и при предъявлении специалисту по работе на ПК (оператору). Допуск к выполнению работ, которые требуют особой подготовки, после прохождения индивидуального или коллективного внепланового инструктажа.

. Студенты, допускающие нарушение инструкций техники безопасности (ТБ), противопожарной безопасности (ПБ) и правил настоящего руководства, немедленно удаляются из компьютерных классов (лабораторий).

6.1.1 Специалист по работе на ПК (оператор) обязан:

- поддерживать помещение КК в чистоте и порядке;

-             поддерживать ПЭВМ и средства оргтехники в чистоте и исправном состоянии, при невозможности устранить неполадки самостоятельно обратиться к программистам (инженерам) Центра;

-             помогать студентам, занимающимся самостоятельной работой в соответствии с установленным для этого КК графиком;

-             проводить техническое обслуживание ПЭВМ и средств оргтехники в соответствии с графиком и регламентом работ.

6.1.2 Студенты обязаны:

- выполнять требования техники безопасности, пожарной безопасности, инструкций настоящего руководства;

-             беспрекословно выполнять требования руководителя занятия (преподавателя) и специалиста по работе на ПК (оператора) КК;

-             в случае обнаружения неисправности компьютера заявить об этом руководителю занятия (преподавателю) или специалисту по работе на ПК (оператору) КК.

 

.2 Порядок проведения работ и занятий


Студенты должны:

1.   Ознакомиться с планом и методикой проведения лабораторного (практического) занятия.

2.   После получения разрешения от руководителя занятия, включить ПЭВМ и приступить к работе.

3.       После выполнения задания и получения разрешения от руководителя занятия, закрыть активные приложения, корректно завершить работу ПЭВМ, отключить питание.

.        Привести в порядок рабочее место, и после получения разрешения руководителя покинуть помещение.

6.2.1 Меры противопожарной безопасности (ПБ)

1. Компьютерные классы, ПЭВМ, средства оргтехники, приборы и инструменты должны содержаться в чистоте.

2. Необходимо следить за исправностью и безопасным расположением электрических шнуров, кабелей, приборов, электротехнических изделий, ПЭВМ и средств оргтехники.

. О всех замеченных технических неисправностях необходимо сообщить руководителю занятия, оператору КК.

. В компьютерных классах запрещается:

- курить и пользоваться огнем;

-             загромождать проходы мебелью, другими предметами;

-             хранить в КК любые пожароопасные и взрывоопасные предметы, материалы;

-             пользоваться электронагревательными приборами (электрочайники, электроплиты, обогреватели, и т.д.);

-             использовать кабели и провода с поврежденной изоляцией, неисправное электрооборудование;

-             пользоваться поврежденными розетками, рубильниками и другими электроустановочными изделиями;

-             использовать электроаппараты и приборы в условиях, не соответствующих рекомендациям (инструкциям) предприятий - изготовителей, или имеющие неисправности.

По окончании работ все электроустановки и электроприборы должны быть обесточены.

 

.3 Охрана труда и техника безопасности в компьютерных классах


.3.1 Требования безопасности перед началом работы:

Включение ПЭВМ и других электроприборов производится только с разрешения руководителя занятия (преподавателя) и специалиста по работе на ПК (оператора) компьютерного класса. Руководителю занятия, специалисту по работе на ПК перед включением ПЭВМ необходимо:

- проверить правильность и исправность подключения ПЭВМ, средств оргтехники и другого оборудования к сети электропитания, заземления;

Студенту перед включением ПЭВМ необходимо:

- подготовить рабочее место, убрать ненужные для работы предметы;

-             о всех замеченных технических неисправностях сообщить руководителю занятия, специалисту по работе на ПЭВМ.

Запрещается:

- работать на неисправных ПЭВМ и средствах оргтехники;

-             перекоммутировать оборудование;

-             работать без соответствующего освещения и вентиляции рабочего места;

-             работать, если при прикосновении к корпусам оборудования ощущается действие электрического тока;

-             вскрывать корпуса ПЭВМ и средств оргтехники, разбирать периферийные и другие устройства;

-             без необходимости включать принтер и другие периферийные устройства;

-             оставлять без присмотра включенные в электросеть ПЭВМ, средства оргтехники и другие электроприборы;

.3.2 Требования безопасности по окончанию работы:

Студентам необходимо:

- закрыть приложения, завершить сеанс работы, обесточить ПЭВМ, средства оргтехники и иное оборудование;

-             привести в порядок рабочее место, убрать вспомогательные материалы и инструменты;

Специалисту по работе на ПК (оператору) необходимо:

- осмотреть КК на предмет наличия признаков возгорания, посторонних предметов, сохранности материальных средств;

-             обесточить ПЭВМ, светильники помещения, вентиляторы, кондиционеры и другие электроприборы;

-             при наличии сигнализации, поставить КК на пульт охраны;

 

.4 Требования безопасности в аварийных ситуациях


При возникновении сбоев в работе, появлении дыма, искрения, посторонних шумов и запахов, теплового излучения, при ощущении действия электрического тока от прикосновения к корпусам ПЭВМ, средств оргтехники, приборов и инструментов, необходимо отключить их от электрической сети и сообщить об этом руководителю занятия (преподавателю), специалисту по работе на ПК (оператору).

 

.5 Требования к пользователям ПЭВМ компьютерных классов


Общие положения:

- пользователю не гарантируется конфиденциальность информационного обмена и сохранность информации;

-             пользователь несет полную ответственность за действия, связанные с работой на ПЭВМ и средствах оргтехники, использования сетей, от его имени или с закрепленного за ним рабочего места;

Пользователь имеет право:

- работать на одном компьютере, с любыми приложениями, установленными на этом рабочем месте, создавать и хранить в отведенном для этого месте документы и файлы созданные в процессе работы или полученные из сетевых ресурсов, пользоваться информацией из внутренних и глобальных сетевых ресурсов;

-             получить и использовать адрес электронной почты, установленного образца и характеристик на время работы или обучения в институте;

-             принимать участие во внутри институтских конференциях и использовать другие, не запрещенные сетевые коммуникации;

-             распечатать информацию на печатающем устройстве, если печать производится на платной основе, необходимо предварительно оплатить стоимость печати в кассу института, а кассовый чек предъявить оператору КК.

Пользователь обязан:

- перед началом работы пройти инструктаж по ТБ и мерам ПБ, ознакомиться с настоящим руководством;

- знать и выполнять правила работы на ПЭВМ и средствах оргтехники;

- регистрироваться в системе только под своим именем, использование чужих имен и паролей не допускается;

-             для самостоятельной работы с ПЭВМ пройти предварительное обучение и иметь соответствующий допуск (разрешение), предъявить специалисту по работе на ПК (оператору) КК документ, удостоверяющий личность (служебное удостоверение, студенческий билет или зачетная книжка);

-             работая в сети соблюдать общепринятые нормы этики и морали;

-    всех нарушениях немедленно сообщить руководителю занятия, специалисту по работе на ПК (оператору).

Категорически запрещено:

- без разрешения преподавателя (оператора) входить и работать с ПЭВМ и средствами оргтехники;

-             без разрешения преподавателя (оператора) работать с личными носителями информации;

-             работать с ПЭВМ в верхней одежде;

-             работать положив клавиатуру на колени;

-             перегружать компьютер клавишей «POWER»;

-             открывать корпус системного блока, монитора, периферийных устройств;

-             перемещать, перекомутировать устройства ПЭВМ, располагать на них посторонние предметы;

-             самостоятельно устранять какие-либо неисправности;

-             модернизировать или изменять параметры (настройки) операционной системы;

-             прикасаться пальцами к экрану монитора и изменять его настройки и настройки периферийных устройств;

-             устанавливать любые программы, а так же запускать программы не относящиеся к учебному процессу, способные получать информацию о сетевых настройках, ресурсах, мешающие нормальной работе других пользователей;

-             вставлять в дисковод или привод CD-ROM дискеты, CD-диски, а так же посторонние предметы;

-             просматривать, использовать сетевые ресурсы других пользователей;

-             передавать свои сетевые регистрационные имена и пароли другим лицам;

-             применять методы, приемы работы, нарушающие нормальную работу других пользователей;

-             создавать, использовать вредоносные программы способные нарушить нормальную работу ПЭВМ или нормальную работу других пользователей;

-             предпринимать попытки несанкционированного доступа к близлежащим или удаленным серверам;

-             подписываться на любые списки рассылки (ftp-mail, mail-server, www-mail и т.д.) не соответствующие целям и основным видам деятельности осуществляемые институтом;

-             производить массовые рассылки электронных писем, рассылать сообщения, содержащие просьбу переслать данное сообщение другим пользователям, создавать и поддерживать сетевые ресурсы, противоречащие законодательству РФ;

-             использовать ресурсы ПЭВМ и сетевые ресурсы в коммерческих целях;

-             при работе с печатающим устройством (принтером):

-    выключать питание, если в данный момент устройство производит подготовку к выводу или вывод изображения;

-       в процессе печати вынимать или вставлять листы бумаги;

-       самостоятельно пытаться вынуть застрявший лист бумаги;

-       открывать крышки и самостоятельно пытаться заменить расходные материалы;

-       использовать материал не соответствующий характеристикам оборудования, например картон, пленку, не предназначенную для печати на принтерах;

-       если во время печати произошло аварийное отключение электропитания, сообщите об этом руководителю занятия.

- покидать рабочее место, не завершив работу с системой;

-             выносить любые материальные ценности из компьютерного класса;

-             курить в компьютерном классе;

-             распивать любые напитки и есть.

Заключение

-       Целью данного дипломного проекта предусматривается создание цифрового прибора для контроля осанки и зрения при работе на персональном, компьютере.

-             Большинство людей могут не обращать внимания, на работе, в домашних условиях, на то, что они находятся слишком близко к монитору, при работе на персональном компьютере, особенно дети. В итоге возникает переутомление глаз, ухудшение зрения и боль в шее.

-             В общей части дипломного проекта рассматривалось характеристики ЖК и ЭЛТ - мониторов, санитарные нормы при работе на персональном компьютере.

-             Разработанный прибор служит для контроля осанки и зрения при работе на персональном компьютере. В устройстве скомпонованы ультразвуковой передатчик, и приемник работающие на одной частоте. Когда в зоне действия прибора появляется какой-либо объект, то прибор индицирует красным светодиодом, а при минимальном приближении раздается звуковой сигнал сигнализирующий о не правильной посадки и вредного воздействия монитора на оператора ПК. Данный прибор показал надежность в работе, низкую себестоимость, что дает возможность обеспечить мониторы в компьютерных классов в массовом тираже.

-             В проекте были рассмотрены вопросы изготовления печатных плат и безопасные условия труда при работе на ПК.

Список литературы

1. Малыгин, Е.Н., Краснянский М.Н., Карпушкин С.В., и др. Новые информационные технологии в открытом инженерном образовании: Учебное пособие. М.: Издательство машиностроение - 1, 2003г.

. Ельянов М.М. Практикум по радиоэлектронике. Учебное пособие для учащихся. Изд. 3-е, доп. М.: Просвещение, 2005г.

3. Радиолюбитель. N1. 2003 г. Электронный сторож на триггерах Шми

4. Кардашев Г.А. Виртуальная электроника. Компьютерное моделирование аналоговых устройств. - М.: Горячая линия - Телеком, 2002. - 260 с.- (МРБ,1251).

5. Кардашев Г.А. Цифровая электроника на компьютере. Electronics Workbench, Micro-Cap. М.: Горячая линия Телеком, 2003. 311 с. (МРБ, 1263).

. Климов В.В. Пересчетные схемы на туннельных диодах и транзисторах // Полупроводниковые приборы и их применение: Сб. статей под ред. Я.А. Федотова.- 1970.- Вып. 24.- С. 135-148.

. Букреев И.Н., Мансуров Б.М., Горячев В.И. Микроэлектронные схемы цифровых устройств.- М.: Сов. радио, 2007.- 368 с.

. Климов В.В. Электронные импульсные ключи, запоминающие сигнал управления // Электронная техника в автоматике: Сб. статей под ред. Ю.И. Конева.- 2009.- Вып. 3.- С. 122-128.

.Климов В.В. Импульсные ключи в цифровых устройствах. - 2-е изд., перераб. и доп.- М.: Радио и связь, 2009.- 112 с: ил.- (Массовая б-ка инженера «Электроника»).

. Материал из свободной интернет энциклопедии Википедия.

Похожие работы на - Изготовление цифрового прибора для контроля осанки и зрения при работе на персональном компьютере

 

Не нашли материал для своей работы?
Поможем написать уникальную работу
Без плагиата!
Без нейросетей!