Анализ и исследование схем преобразователей напряжение-частота
ВЫПУСКНАЯ
РАБОТА
подготовки
бакалавров техники и технологии по направлению
"Электроника
и микроэлектроника"
Тема:
Анализ и исследование схем
ПРЕОБРАЗОВАТЕЛЕЙ НАПРЯЖЕНИЕ-ЧАСТОТА
СОДЕРЖАНИЕ
ВВЕДЕНИЕ
. ОБЗОР ЛИТЕРАТУРЫ
. СРАВНИТЕЛЬНЫЙ
АНАЛИЗ СХЕМ ПРЕОБРАЗОВАТЕЛЕЙ
2.1 Основные методы
преобразования
.2 Простейшие преобразователи
.3 Преобразователи
с повышенной линейностью
.4 Преобразователи на таймерах
.5 Применение
преобразователей напряжения в частоту
. МОДЕЛИРОВАНИЕ ПРЕОБРАЗОВАТЕЛЯ
НАПРЯЖЕНИЕ-ЧАСТОТА
.1 Выбор и описание функциональной
схемы
.2 Выбор принципиальной схемы
преобразователя напряжение-частота
.3 Расчет принципиальной схемы
преобразователя напряжение-частота
.4 Моделирование в среде MicroCAP-9
ЗАКЛЮЧЕНИЕ
СПИСОК ИСПОЛЬЗОВАННЫХ ИСТОЧНИКОВ
трансформатор преобразователь
модулятор передаточный
ВВЕДЕНИЕ
В последнее время
широкое распространение получили преобразователи напряжения в частоту на ОУ.
Такие преобразователи характеризуются точностью, высокой линейностью, хорошей
температурной стабильностью параметров и низкой стоимостью. Одно из главных
применений преобразователей напряжения в частоту основано на способности этих
преобразователей осуществлять согласование между аналоговыми и цифровыми
схемами. Преобразователи напряжения в частоту также могут быть использованы для
дистанционного контроля параметров аналоговых схем, измерения отношений
сигналов, интегрирования и т. д. Такие схемы являются основой различных систем
управления, генераторов пилообразных импульсов, модуляторов.
1. ОБЗОР ЛИТЕРАТУРЫ
В ходе выполнения дипломного проекта был
произведен поиск информации по разрабатываемой тематике. Результаты поиска
сведены в таблицу 1.1.
Таблица 1.1.
Обзор литературы
|
Предмет
поиска
|
Источники
информации, по которым проведен поиск
|
Сущность
технического решения в анализируемом источнике информации
|
|
Принцип
действия преобразователя напряжение-частота
|
Волович
Г.И. Схемотехника аналоговых и аналого-цифровых электронных устройств.- М.
Издательский дом "Додэка- XXI", 2005. - 528с.
|
Приведена
структурная схема и описан принцип действия преобразователя
напряжение-частота
|
|
Микросхема
КР1108ПП1
|
1.
Амелина М.А. Лекции. Электронные и промышленные устройства. 2. Федорков Б.Г.,
Телец В.А. Микросхемы ЦАП и АЦП: фенкционирование, параметры, применение. -
М.: Энергоатомиздат, 1990.-320с.
|
Приведена
функциональная электрическая схема и описан принцип работы
|
|
Методы
преобразования напряжения в частоту и преобразователи
|
Применение
прецизионных аналоговых микросхем/А.М. Алексенко, Е.А. Коломбет, Г.И.
Стародуб. - 2-е изд., перераб. и доп. - М.: Радио и связь, 1985. - 304 с.
|
Представлены
схемы преобразования и приведено их описание, помогающие представить работу
преобразователей напряжение-частота
|
|
1.
Интегратор 2. Компаратор 3.Неинвертирующий сумматор 4. Ждущий мультивибратор
|
1.
Титце У., Шенк К. Полупроводниковая схемотехника: Справочное руководство.
Пер. с нем. - М.: Мир, 1982.-512с. 2. Кауфман М, Сидман А.Г. Практическое
руководство по расчетам схем в электронике: Справочник. В 2-х т. Т. 1: Пер. с
англ./ Под ред. Ф.Н. Покровского. - М.: Энергоатомиздан, 1991. - 368 с. 3.
Применение прецизионных анало-говых микросхем/А.М. Алексенко, Е.А. Коломбет,
Г.И. Стародуб. - 2-е изд., перераб. и доп. - М.: Радио и связь, 1985. - 304
с. 4. Аналого-цифровые преобразо-ватели/Под ред. Г.Д. Бахтиарова. - М.:
Советское радио, 1980. - 280с. 5. Калиненко А.Г.. Усилительные устройства на
транзисторах и интегральных микросхемах. М.: издательство МЭИ, 1999 6.
Калиненко А.Г. Лекции. Электронные цепи и микро-схемотехника.
|
Рассмотрены
основные схемы включения и приведены формулы для расчета элементов входящих в
схему.
|
2. СРАВНИТЕЛЬНЫЙ
АНАЛИЗ СХЕМ ПРЕОБРАЗОВАТЕЛЕЙ
.1 Основные методы
преобразования
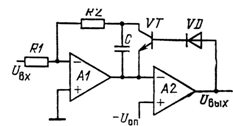
Простейшая схема
преобразователя напряжения в частоту (рис. 1.1) содержит управляемый напряжением
генератор тока (ГТ), обеспечивающий линейный процесс заряда конденсатора С до
порогового напряжения, которое определяется опорным напряжением UОП. Когда напряжение на конденсаторе достигает этого значения,
компаратор изменяет свое состояние и запускает схему формирования выходных
импульсов с одним устойчивым состоянием (одновибратор), которая вырабатывает
один импульс фиксированной длительности. Одновременно на выходе компаратора
формируется управляющий импульс, замыкающий контакты переключателя S, через которые происходит разряд конденсатора С. Затем весь
цикл снова повторяется. Если генератор тока спроектирован таким образом, что
его выходной ток i прямо пропорционален
входному напряжению U ВХ,
то схема представляет
собой обычный преобразователь напряжения в частоту.
Для напряжения на
конденсаторе в любой момент времени t (когда переключатель разомкнут) справедливо следующее выражение: UC=it/C. Время, в течение
которого напряжение UC достигнет порогового
значения UOП , равно τ=UОП
C/i=U ОП C/ kU
ВХ , где
k - коэффициент
пропорциональности между входным напряжением и выходным током ГТ
Рис. 1.1. Схема
простейшего преобразователя напряжения в частоту.
Зная τ, легко определить
зависимость выходной частоты преобразователя от входного напряжения:
f=1/τ=kUВХ/(UОПC). (1.1)
Необходимо
заметить, что в действительности время разряда конденсатора С имеет
отличное от нуля постоянное для каждой схемы значение tр. Это приводит к появлению
ошибки при определении частоты f из выражения (1.1),
причем эта ошибка особенно значительна на высоких частотах. Действительно, с
учетом времени tр выражение для определения частоты может быть представлено в виде
Можно показать, что при
использовании транзисторного ключа для разряда конденсатора емкостью 100 пФ ошибка
на частоте f = 20 МГц, вносимая временем разряда, около 10%. Дальше будут
указаны способы ее компенсации при построении преобразователей напряжения в
частоту по описанному методу.
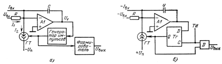
Другой метод
преобразования напряжения реализован в схеме на рис. 1.2,а.
Рис. 1.2.
Преобразователь на интеграторе (а), форма напряжения в различных точках схемы
(б, в) и зависимость частоты выходных колебаний от амплитуды входного
сигнала (г).
В ней использованы
интегратор на ОУ и переключающий биполярный транзистор, включенный параллельно
интегрирующему конденсатору. Схема работает с входным напряжением отрицательной
полярности и интегрирует его в положительном направлении до тех пор, пока
напряжение на конденсаторе не достигнет порогового значения. В этот момент
срабатывает компаратор, который возвращает интегратор в исходное нулевое
состояние с помощью транзисторного переключающего каскада, работающего в режиме
насыщения.
Форма напряжения в
различных точках схемы показана на рис. 1.2,б, в. Выходной сигнал
интегратора в виде напряжения пилообразной формы (рис. 1.2, б) поступает
на вход компаратора и преобразуется в последовательность узких импульсов (рис.
1.2, в), длительность которых зависит от времени восстановления
используемого ОУ и в приведенной схеме равна 0,5 мкс. В течение этого времени
конденсатор С полностью разряжается через транзистор VT. Частота следования выходных импульсов обратно пропорциональна
наклону пилообразного напряжения интегратора и линейно изменяется с изменением
входного сигнала (рис. 1.2, г).
Для определения частоты
выходных импульсов схемы в зависимости от амплитуды напряжения на входе
справедливо следующее выражение: f = (1/4R1С)UВХ=50UВХ,
где С - интегрирующий конденсатор; R1
- сопротивление резистора на инвертирующем входе усилителя; UВХ - в вольтах; f
- в герцах.
Верхний предел изменения
амплитуды входного напряжения равен 15 В, при этом значении UВХ максимальная частота выходных импульсов достигает 750 Гц, а
точность преобразования - не хуже ±0,5%. Можно несколько расширить диапазон
рабочих частот преобразователя уменьшением номинала конденсатора С,
однако это приведет к ухудшению линейности передаточной характеристики.
Для получения высокой линейности
изменения частоты выходного сигнала преобразователя от входного напряжения
наиболее предпочтительным является применение метода компенсации заряда
интегрирующего конденсатора, который реализован в схеме рис. 1.3,а.
Напряжение или ток подаются на вход операционного интегратора. Входной сигнал
интегратора поступает на прецизионный генератор, импульсы которого управляют
ГТ.
Рис. 1.3.
Преобразователь с повышенной линейностью (а) и
"дельта-сигма"-преобразователь (б)
Эти импульсы тока
подаются в точку суммирования входного сигнала и сигнала ОС интегратора с
противоположным входному току знаком. Частота повторения импульсов
устанавливается такой, чтобы происходила полная компенсация положительного
входного тока интегратора. На выходе преобразователя включен формирователь
импульсов (буферный усилитель).
Еще одна
разновидность схемы преобразования напряжения в частоту показана на рис. 1.3,б
- схема "дельта-сигма"-преобразователя. Она применяется в тех
случаях, когда выходные импульсы должны быть синхронизированы с тактовыми. В
схеме импульсы тока генерируются D-триггером Тг в те моменты, когда выходной сигнал преобразователя
имеет высокий уровень и в схему поступают тактовые импульсы. Отличия этой схемы
от предыдущей в том, что в ней используются входной ток или напряжение
отрицательной полярности и генератор импульсов тока вырабатывает импульсы
противоположной полярности. Выходные импульсы образуются в результате
логической операции И над выходным сигналом триггера и входными тактовыми
импульсами. В результате частота выходных импульсов пропорциональна входному
напряжению, и они синхронизированы с тактовыми [5].
.2 Простейшие
преобразователи
Ниже описаны наиболее
распространенные схемы преобразователей напряжения в частоту, для построения
которых применяются простейшие ОУ, дан пример расчета основных параметров
выходного сигнала, показаны некоторые способы улучшения передаточных
характеристик преобразователей.
Если при
преобразовании напряжения в частоту не требуется высокая линейность, можно
использовать схему на рис. 1.4,а, построенную на двух ОУ типа 140УД7 . В
схеме усилитель А1 включен в режиме интегратора, а усилитель А2-в
режиме регенеративного компаратора с гистерезисом. Когда выходное напряжение
компаратора имеет максимальное положительное значение U1, диод VD смещен в обратном направлении, и напряжение на выходе А1 линейно
уменьшается со скоростью, определяемой амплитудой входного положительного
сигнала, до тех пор, пока не достигнет значения U1R1/R2. В этот момент компаратор переключается в другое состояние, при
котором напряжение на его выходе равно максимальному отрицательному значению U2, диод VD открывается и выходное
напряжение интегратора быстро нарастает до U2R1/R2. При этом компаратор возвращается в первоначальное состояние и цикл
повторяется.
Так как время
нарастания выходного напряжения интегратора значительно меньше времени спада,
которое обратно пропорционально амплитуде входного сигнала, частота циклов
повторения f будет прямо
пропорциональна входному напряжению. Пренебрегая собственным временем
переключения компаратора, можно записать следующее выражение для определения
частоты выходных импульсов (UВХ-в
вольтах, f-в герцах):
(1.2)
Рис. 1.4. Практическая
реализация схемы на рис. 1.1 (а) и форма напряжения на выходах ОУ (б)
На самом деле
размах напряжения на выходе А1будет несколько больше величины (R1/R2) (U1-U2) из-за отличного от нуля значения времени переключения компаратора,
а частота соответственно меньше значения, определяемого выражением (1.2),
причем это расхождение будет особенно значительным при больших амплитудах
входного сигнала.
На рис. 1.4,б
показаны типовые формы напряжения на выходах ОУ для большого входного сигнала.
Как видно, в этом случае конечные значения времени нарастания выходного
напряжения интегратора и времени переключения компаратора внесут существенный
вклад в нелинейность зависимости частоты генерируемых импульсов от входного
напряжения. При малых UВХ передаточная характеристика схемы будет также нелинейной из-за
наличия дрейфа напряжения смещения интегратора. Поэтому для расширения нижнего
предела изменения входного напряжения необходимо включить внешний потенциометр
для компенсации этого дрейфа на выходе интегратора. С указанными на рис. 1.4,а
номиналами элементов схема обеспечивает линейность преобразования не хуже ±1 %
в диапазоне изменения входных напряжений 20 мВ-10 В. При этом частота выходных
импульсов изменяется от 20 Гц до 10 кГц.
Более сложная схема
преобразователя на основе интегратора, компаратора и переключателя приведена на
рис. 1.5 . Интегратор и компаратор собраны на ОУ типа 140УД1, а переключатель -
на транзисторе КТ315.
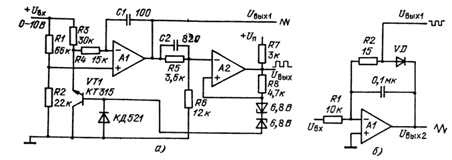
Рис. 1.5.
Преобразователь напряжения в частоту с коэффициентом преобразования 100 Гц/В.
Применение усилителя 140УД1 для
построения интегратора объясняется тем, что он имеет высокую скорость нарастания
выходного напряжения, необходимую для быстрого восстановления напряжения
на выходе интегратора, до величины ΔUВЫХ после достижения этим
напряжением порогового значения, определяемого потенциалом на неинвертирующем
входе компаратора. Для качественной работы преобразователя в широком диапазоне
изменения входных напряжений на входе интегратора включена пара согласованных
биполярных транзисторов. При этом увеличивается коэффициент усиления ОУ (до
30-50 тыс.) и уменьшаются входные токи (до 0,5 мкА). Напряжение смещения нуля
входных транзисторов устраняется внешней балансировкой с помощью подстроечного
резистора R6.
Поскольку
коэффициент усиления составного усилителя значительно возрастает по сравнению с
коэффициентом усиления ОУ 140УД1, в схему введены две цепи частотной
компенсации: R7C1 и R8C3. Интегрирующим конденсатором является С4. Диоды VD1 и VD2 включены в схему для
защиты компаратора от перегрузок по входу.
Второй ОУ
используется в режиме компаратора напряжения. Пороговое напряжение-4В
обеспечивается подключением к неинвертирующему входу А2 резистивного
делителя R10, R11 и источника питания 6 В.
Когда выходное напряжение интегратора достигает порогового значения, включается
компаратор и открывается транзисторный ключ VT3, замыкающий цепь положительной ОС компаратора. Эмиттерный ток
насыщенного транзистора VT3, приблизительно равный 11
мА, поступает в суммирующую точку компаратора, поддерживая тем самым напряжение
на неинвертирующем входе на уровне потенциала земли. При этом напряжение на
выходе интегратора начинает быстро убывать (по модулю). Когда потенциал на
инвертирующем входе компаратора достигает нуля, компаратор переключается и
закрывает транзисторный ключ VT3. Затем цикл повторяется.
Резистор R12 включен в схему для ограничения базового тока транзистора VT3; конденсаторы С5 и С6 ускоряют процесс включения -
выключения этого транзистора.
Время t1, в течение
которого напряжение на выходе интегратора изменяется от 0 до -4 В, определяется
постоянной времени R1C4 и приращением амплитуды
входного напряжения ΔUВХ:
t1=RlC4ΔUВЫХ/ΔUBX. (1.3)
Время сброса
интегратора
t2 = C4(ΔUВЫХ/IК) = R11С4(ΔUВЫХ/UП -) (1.4)
где ΔUВЫХ -максимальный размах
напряжения на выходе интегратора; IК - коллекторный ток открытого транзистора VT3; UП - -напряжение питания. Для ΔUВЫХ справедливо следующее
выражение:
ΔUВЫХ = R10UП- /(R10+R11) (1.5)
С помощью выражений
(1.3) - (1.5) легко определить период генерируемых импульсов:
T = R10C4UП-/(R10+R11)(R1/ΔUВХ + R11/UП-) .
Так как в данном
случае справедливо неравенство R1/ΔUВХ >> R11/UП- , выражение для
определения частоты выходных импульсов можно представить в виде f = (R10+R11)(ΔUВХ/ R1R10C4UП-). Из этого выражения следует, что схема имеет линейную
зависимость частоты f от входного напряжения с коэффициентом преобразования 100 Гц/В.
В предыдущих схемах
основной вклад в ошибку преобразования (нарушение линейности зависимости
частоты выходных импульсов от входного напряжения) вносило отличное от нуля
время разряда интегрирующего "конденсатора, т. е. время сброса
интегратора. Один из способов компенсации этого времени показан на рис. 1.6 .
Схема работает с положительными значениями входных напряжений. Справедливо
следующее выражение для частоты следования выходных импульсов: f=1/(T1+T2), где Т1-время интегрирования входного напряжения
интегратором А1; Т2-время сброса интегратора. Если оба ОУ
имеют незначительные напряжения смещения нуля и малые входные токи смещения,
условие для сброса интегратора может быть представлено в виде
UОП
= UС
+UR2
=
(1.6)
где U C и
U R2- падения напряжений на конденсаторе С и резисторе R2 соответственно; UОП
- опорное напряжение.
Рис. 1.6. Схема
преобразователя с компенсацией времени сброса интегратора
Если сопротивление R2 выбрать таким, чтобы постоянная времени R2C была равна времени сброса интегратора Т2, то
выражение (1.6) преобразуется к виду
или f=Uax=const.
Таким образом,
частота выходных импульсов преобразователя пропорциональна среднему значению
входного напряжения UBX даже в том случае, когда
UBX изменяется с высокой скоростью.
Однако при компенсации таким способом времени сброса следует учитывать тот
факт, что изменение входного напряжения за время Т2 приведет
к ухудшению параметров схемы. Поэтому такая компенсация эффективна лишь при
медленно изменяющихся входных управляющих сигналах.
.3 Преобразователи
с повышенной линейностью
Анализ простейших
преобразователей напряжения в частоту показывает, что при построении схем с
высокой линейностью передаточной характеристики необходимо руководствоваться
следующими основными положениями:
используемый в
режиме интегратора ОУ должен иметь большой коэффициент усиления при разомкнутой
петле ОС и высокое входное сопротивление;
верхнее и нижнее
значения порогового напряжения компаратора должны оставаться неизменными в
процессе работы схемы, для чего следует применять высоко-стабилизированный
источник отрицательного напряжения питания и ОУ с низким входным напряжением
смещения и малым дрейфом;
скорость нарастания
выходного напряжения интегратора должна быть достаточно высокой, чтобы обеспечить
быстрое время разряда интегрирующего конденсатора. Следует отметить, что
выполнение последней рекомендации наиболее важно, поскольку время сброса вносит
максимальный вклад в точность преобразователя.
Ниже приведено
несколько практических схем преобразователей напряжения в частоту с высокой
линейностью, дан их краткий анализ. Особенность схемы преобразователя,
изображенной на рис. 1.7,а, заключается в том, что времена заряда и
разряда интегрирующего
конденсатора С1 в
схеме равны; это обеспечивает симметричность выходных импульсов и позволяет в
определенных пределах скомпенсировать время включения транзистора VT1, коллекторный ток которого разряжает этот конденсатор.
Рис. 1.7.
Преобразователи с линейностью передаточной характеристикой 0,1% (а) и 0,2% (б)
Для того чтобы
времена нарастания и спада напряжения на выходе интегратора были равны между
собой, необходимо выполнение условия R1/R2=l + R3/R4. Однако в этом выражении не учтено отличное от нуля значение
времени задержки включения транзистора VT1, которое может существенно нарушить симметрию выходных импульсов
верхнего предела рабочего диапазона частот преобразователя (в данном случае 100
кГц). Кроме того, на таких частотах время задержки значительно ухудшит линейность
преобразования.
Для компенсации
влияния транзистора VT1 на линейность
передаточной характеристики в схеме использована фазосдвигающая цепь R5C2R6, включенная между интегратором и компаратором напряжения. На низких
частотах (при малых входных напряжениях) влиянием конденсатора С2 на
выходной сигнал можно пренебречь, и фазосдвигающая цепь работает как обычный
резисторный делитель. С повышением рабочей частоты сопротивление конденсатора
уменьшается, и большая часть выходного напряжения интегратора поступает на вход
компаратора, вызывая тем самым более раннее переключение последнего. При
соответствующем выборе номиналов этой цепи задержка включения транзистора VT1 может быть полностью скомпенсирована. Использование транзистора VT1 в инверсном режиме также способствует повышению качества
преобразования, поскольку при таком включении уменьшается падение напряжения
коллектор-эмиттер транзистора в насыщенном состоянии.
Предложенная схема
имеет хорошие температурные характеристики, так как положительный температурный
коэффициент по напряжению стабилитронов компенсирует отрицательный коэффициент
прямо смещенных р-n-переходов транзистора. С номиналами элементов, указанными на рис.
1.7,а, при изменении входного напряжения от 0 до 10 В частота
выходных импульсов изменяется от 0 до 40 кГц (линейность в пределах 0,1 %).
Следует отметить, что для достижения такой линейности необходимо, чтобы
внутреннее сопротивление источника сигнала оставалось достаточно малым по
сравнению с сопротивлениями R1 и R3 во всем диапазоне частот (0-40 кГц). Высокая точность и большой
динамический диапазон рабочих частот схемы позволяют выполнять с ее помощью
высококачественные аналого-цифровые преобразования и строить на ее основе
прецизионные управляемые напряжением генераторы пилообразных колебаний.
Еще одна схема
преобразователя напряжения в частоту с линейностью передаточной характеристики
лучше ±0,2 % при изменении входного сигнала от 0 до 10 В показана на рис. 1.7,б.
В ней для сброса интегратора применяется обычный четырехслойный диод. Схема
генерирует как импульсное UВЫХ1 так и пилообразное UВЫХ2 напряжения.
При интегрировании
входного напряжения операционным усилителем, резистором R1 и конденсатором С1 напряжение на выходе А1 линейно
нарастает с наклоном-UВХ/R1C1.
Когда это напряжение превышает напряжение открывания диода Uот, последний переключается в состояние с низким сопротивлением. При
этом конденсатор С1 разряжается до тех пор, пока напряжение на нем не
уменьшится до напряжения восстановления диода. После этого восстанавливается исходное
состояние VD, и цикл возобновляется. В
результате переключения диода на его аноде возникает импульсный сигнал, который
поступает на выход. Частота выходного пилообразного напряжения приблизительно
равна UВХ/[R1C1(UОТ)]
При использовании
конденсатора емкостью до 1 мкФ линейность характеристики преобразования
повышается, однако при этом уменьшается максимальная частота выходного сигнала.
Схема нормально работает на частотах до 5 кГц; дальнейшее увеличение частоты
ограничено скоростью нарастания выходного напряжения ОУ. Сопротивление
резистора R1 выбирается таким, чтобы
входной ток усилителя не превышал 10 мкА; в этом случае устраняются ошибки,
обусловленные током утечки диода.
.4 Преобразователи
на таймерах
Часто при
преобразовании напряжения в частоту требуется больший диапазон изменения
частоты выходных импульсов, чем могут обеспечить рассмотренные ранее схемы.
Преобразователи-с изменением частоты в пределах 2-4 декад реализуют на
интегральных таймерах.
При соединении
таймера по схеме самовозбуждающегося мультивибратора (рис. 1.8,а) можно
получить линейный преобразователь напряжения в частоту, изменяющуюся от 10 Гц
до 10 кГц, причем этот диапазон может быть легко сдвинут в любую сторону
заменой одного из элементов схемы. Определяемый входным управляющим-напряжением
UBX ток линейно заряжает времязадающий конденсатор С, так что с
увеличением UBX линейно возрастает частота выходных импульсов. В любой момент
заряд конденсатора напряжение на нем определяется выражением UС=UП/3+(I/C)t, где I - ток заряда конденсатора. Заряд продолжается до тех пор, пока
напряжение на конденсаторе не достигнет величины UС=2UП/3, при этом время заряда t1=UПC/3I. В этот момент
конденсатор быстро разряжается до напряжения UП/3 через сопротивление RК.Э открытого транзисторного ключа в таймере А2 типа 106ВИ1
(вывод 7), Время разряда t=0,69 RК.Э C.
Схема
рассчитывается таким образом, чтобы выполнялось условие t1>>t2 поэтому период колебаний мультивибратора Т весьма близок к U, а частота колебаний f=3I/UПC.
Операционный
усилитель 140УД7 и транзистор VT3 образуют источник тока,
зависящего от управляющего напряжения. В нем
Рис. 1.8.
Применение таймера в схеме преобразователя напряжения в частоту (а) и
зависимости частоты и ее погрешности от входного напряжения (б)
I1=UВХ/RЭ Для того чтобы источник входного напряжения UВХ можно было заземлять, заряд конденсатора фактически осуществляется
током I, поступающим от источников тока (транзисторы VT1, VT2 и VT4), являющихся
"зеркальным отражением" источника тока на транзисторе VT3; при этом I=I1. Транзистор VT4 включен по
модифицированной каскадной схеме, благодаря чему источник тока обладает
повышенным выходным сопротивлением, так что равенство токов I=I1 соблюдается лучше. С
учетом этого
f=3UВХ/RЭCUП). (1.7)
При максимальном
входном управляющем сигнале 10 В и номиналах элементов, указанных на рис. 3,8,а,
ток заряда легко можно регулировать от 10 мкА до 1 мА; при этом выходная
частота f=103 UВХ, где f - в герцах, UВХ - в вольтах.
На рис. 1.8,б
приведены экспериментальные зависимости частоты и ее погрешности от
управляющего напряжения. На верхней границе частотного диапазона (около 10 кГц)
начинает сказываться время разряда t2, которое фактически не равно нулю, и частота становится меньше
расчетного значения. На низкой частоте (около 100 Гц) коэффициенты усиления
транзисторов падают, а токи смещения компаратора (выводы 2 и 6) снижают
коэффициент преобразования напряжения в ток, при этом частота оказывается
меньше вычисленного по формуле (1.7) значения. Последнее явление можно частично
устранить регулировкой напряжения смещения ОУ. Для работы на более высоких
частотах (до 100 кГц) лучше уменьшать емкость С (до 0,002 мкФ), чем
сопротивление R3. В противном случае повысится погрешность на высоких частотах за счет
увеличения отношения t2/t1.
Приведенная на рис.
1.9 схема также построена на таймере, но имеет диапазон изменения частоты
выходных импульсов от 0 до 10 кГц. При подаче отрицательного напряжения от 0 до
10 В на вход усилителя, включенного в режиме интегратора, его выходное
напряжение начинает линейно увеличиваться до тех пор, пока не достигнет (2/3) Uп. В этот момент запускается таймер и напряжение на выходных
выводах 3 и 7 становится близким к нулю. Включается полевой
транзистор VT1, который быстро разряжает
интегрирующий конденсатор С1. Так как время разряда постоянно (не
зависит от входного напряжения), линейность преобразователя на высокой частоте
будет ограничена. Для компенсации влияния времени разряда конденсатора в схеме
используется RС-цепь, состоящая из
резистора R5 и конденсатора СЗ, которая
обеспечивает зависящую от частоты преобразователя задержку включения таймера по
входу 2.
Рис. 1.9.
Преобразователь на таймере 1006ВИ1 с частотой выходных импульсов от 0 до 10 кГц
Когда напряжение на
этом входе становится равным (1/3) UП, происходит сброс таймера, при котором напряжения на его выходах
достигают максимального значения. Транзистор VT1 выключается, и начинается следующий цикл.
Так как время
сброса преобразователя около 1 мкс, то в диапазоне 0-10 кГц нелинейность
передаточной характеристики - не хуже 0,2 %. Если пренебречь временем сброса
преобразователя, частота выходных импульсов f=3UВХ/(2UПR1C1)=103UВХ.
Для достижения
хорошей температурной стабильности следует использовать конденсатор С1 полистирольного
типа. Регулировка нуля в схеме обеспечивается переменным резистором R3. В наихудшем случае при температуре +20°C напряжение смещения на входе ОУ
равно 1,2 мВ, что соответствует смещению частоты выходных импульсов
преобразователя на 1,2 Гц.
Введение в схему
резистора R7 и источника питания +5 В
на выходе 7 таймера делают ее совместимой по уровням напряжения с
цифровыми схемами ТТЛ и ДТЛ. При замене р-канального полевого
транзистора n-канальным схема будет выполнять функцию преобразования напряжения
положительной полярности в частоту.
Основной причиной
нелинейности характеристики преобразования и ограничения частоты выходных
импульсов (fmax=10 кГц) является
большое сопротивление канала полевого транзистора (около 150 Ом). Для
расширения частотного динамического диапазона необходимо применять транзисторы
с меньшим сопротивлением в открытом состоянии [5].
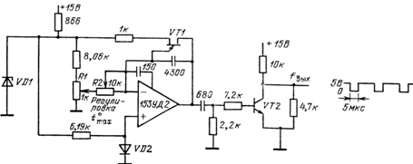
.5 Применение
преобразователей напряжения в частоту
Операционный
усилитель типа 153УД2 выполняет функции интегратора. Когда конденсатор емкостью
4300 пФ заряжается до -10 В, интегратор сбрасывается однопереходным
транзистором VT1. Температурно-ком-пенсированный
диод VD1 (6,2 В) формирует
опорное напряжение, определяющее порог открывания однопереходного транзистора,
обеспечивает стабилизацию опорных напряжений, соответствующих нулевому и
максимальному значениям температуры, и задает ток 1 мА, протекающий через
диодный преобразователь температуры VD2. Транзистор VT2 выполняет функцию
согласования выходных импульсов с логическими ТТЛ-уровнями.
Рис. 1.10. Схема
для измерения температуры с помощью преобразователя напряжения в частоту
Работа схемы
основана на преобразовании напряжения в частоту. Напряжение на инвертирующем
входе ОУ интегрируется до момента открывания транзистора VT1, через который происходит разряд конденсатора. Частота колебаний
зависит от температуры, поскольку с изменением температуры меняется падение
напряжения на диоде VD2 и соответственно на
неинвертирующем входе интегратора.
При калибровке
схемы диод помещают в среду с температурой 100°С, после чего потенциометром R2 устанавливают частоту 1000 Гц. Затем диод охлаждают до 0°С и
потенциометром R1 устанавливают частоту 0
Гц. Указанную процедуру повторяют 2-3 раза до тех пор, пока не будет исключено
взаимное влияние регулировок. После калибровки схемы выходная частота в десять
раз больше температуры (0-100°С) с погрешностью 0,3°С. Например, при
температуре 37,5°С частотомер покажет 375 Гц.
Выходную частоту
можно измерить с помощью ТТЛ-счетчиков, и генератора напряжения прямоугольной
формы с частотой 1 Гц. Это напряжение следует подать на базу транзистора VT2 через резистор сопротивлением 2,2 кОм, а выход полученной схемы
подключить к ТТЛ-счетчикам.
Схема
преобразователя температуры в частоту с высокой точностью преобразования в
широком диапазоне измеряемых температур приведена на рис. 1.11. Принцип работы
преобразователя основан на сравнении тока, протекающего через температурный
преобразователь R (терморезистор), с током
разряда конденсатора С.
На рис. 1.11.
приведенная схема, в отличие от предыдущих, легко поддается регулировке.
Как видно из
упрощенной схемы преобразователя (рис. 1.12), последний состоит из трех
основных узлов: термочувствительной схемы с резистором RT и цепью разряда
конденсатора С, компаратора тока на ОУ (А1) и импульсной схемы
управления работой коммутаторов S1 и S2. Когда уровень выходного напряжения управляющей схемы высокий, оба
коммутатора включены и конденсатор заряжается до опорного напряжения UОП. Поскольку инвертирующий
вход ОУ находится под потенциалом "кажущейся" земли, ток, протекающий
через резистор R2, iR2= UОПR2 .
Сопротивление R1 выбирается таким образом, чтобы ток iR2 был меньше суммы токов
через терморезистор RT и резистор R1, т. е.
UОП/R2<iRT + iR1. При этом диод VD2 смещен в прямом направлении и напряжение на выходе компаратора
находится у верхней границы. Это выходное напряжение усилителя сохраняется до
тех пор, пока не изменится состояние схемы управления. Время t1, в течение которого
уровень выходного напряжения управляющей схемы остается высоким, определяется
постоянной времени этой схемы. В конце интервала t1 коммутаторы открываются
и конденсатор С начинает разряжаться через резистор R2. Диод VD2 смещается в обратном
направлении, а открывающийся диод VD1 производит сброс
выходного напряжения компаратора дону-ля. После того как ток разряда
конденсатора С уменьшится до iRT , откроется диод VD1 и цикл повторится.
Выражение для
определения частоты выходных импульсов преобразователя может быть представлено
в виде f=T/Bτ, где Т-измеряемая температура; В-постоянная,
зависящая от материала терморезистора; τ= =R2C. Следует отметить, что
это выражение справедливо до тех пор, пока частота выходных импульсов меньше
величины 1/t1.
Таким образом, регулировка
рассмотренной схемы заключается лишь в том, чтобы правильно выбрать импульсную
схему управления транзисторными ключами VT1 и VT5 (см. рис. 1.11) в
зависимости от верхнего предела измеряемой температуры. Диапазон измеряемых
температур может быть практически любым и определяться типом используемого
температурного преобразователя [5].
В настоящее время используется
серийно-выпускаемая ИМС ПНЧ-ПЧН К1108ПП1 (рис. 1.13). Выходные импульсы
данной ИМС имеют прямоугольную форму с калиброванной длительностью частотой до
500 кГц.
Рис. 1.13. АЦП К1108ПП1 и основная
схема включения
АЦП такого типа удобен и недорог,
особенно в тех случаях, когда приходится передавать сигнал по кабелю, что
требует частотный, а не кодовый выход [8].
3. МОДЕЛИРОВАНИЕ ПРЕОБРАЗОВАТЕЛЯ
НАПРЯЖЕНИЕ-ЧАСТОТА
.1 Выбор и описание функциональной схемы
Для моделирования ПНЧ рассмотрим его в составе
частотно-импульсного модулятора (ЧИМ), формирующего на нагрузке Rн=100 Ом
импульсы напряжения амплитудой Uн=10 В. tи=10 мкс=const. При изменении входного
напряжения от -5 до 5 В, частота выходных импульсов напряжения f=1/T
изменяется от 5кГц до 50кГц. При выходе входного сигнала за пределы указанного
диапазона частота остается на уровне граничных значений, т.е. существует
двустороннее ограничение 5 кГц£f£
50 кГц.
Для моделирования проектируемого устройства
выберем следующую функциональную схему, представленную на рисунке 2.1
Рис. 2.1. Функциональная схема ЧИМ.
ПНЧ состоит из интегратора (И), компаратора (К)
и ключа (S). Интегратор и
компаратор реализованы на операционных усилителях, что позволяет получить
высокую линейность преобразования f=F(Uупр).
В исходном состоянии пороговое напряжение на
входе компаратора Uпор=Uпор1.
При подаче напряжения Uупр
конденсатор C заряжается до
порогового напряжения Uпор1.
Когда напряжение на конденсаторе достигает этого значения компаратор
переключится и замкнет ключ S,
через который происходит разряд конденсатора, при этом на входе компаратора Uпор=Uпор2.
При разряде конденсатора С до Uпор2
компаратор вернется в исходное состояние, ключ S
разомкнется, начнется заряд конденсатора. Весь цикл повторяется. На выходе
компаратора формируются импульсы частотой, соответствующей входному напряжению,
и длительностью tи=1/2T.
Рис. 2.2. Структурная схема преобразователя
напряжение-частота
.2 Выбор принципиальной схемы преобразователя
напряжение-частота
Анализ простейших
преобразователей напряжения в частоту показывает, что при построении схем с
высокой линейностью передаточной характеристики необходимо руководствоваться
следующими основными положениями:
используемый в
режиме интегратора ОУ должен иметь большой коэффициент усиления при разомкнутой
петле ОС и высокое входное сопротивление;
верхнее и нижнее
значения порогового напряжения компаратора должны оставаться неизменными в
процессе работы схемы, для чего следует применять высоко-стабилизированный
источник отрицательного напряжения питания и ОУ с низким входным напряжением
смещения и малым дрейфом;
скорость нарастания
выходного напряжения интегратора должна быть достаточно высокой, чтобы
обеспечить быстрое время разряда интегрирующего конденсатора. Следует отметить,
что выполнение последней рекомендации наиболее важно, поскольку время сброса
вносит максимальный вклад в точность преобразователя.
Ниже приведена
схема преобразователя напряжения в частоту с высокой линейностью. Особенность
этой схемы, изображенной на рис. 2.3, заключается в том, что времена заряда и
разряда интегрирующего конденсатора С1 в схеме равны; это обеспечивает
симметричность выходных импульсов и позволяет в определенных пределах
скомпенсировать время включения транзистора VT1, коллекторный ток которого разряжает этот конденсатор .
Рис. 2.3. Схема преобразователя
напряжение-частота.
3.3 Расчет принципиальной схемы преобразователя
напряжение-частота
Для того чтобы времена
нарастания и спада напряжения на выходе интегратора были равны между собой, необходимо
выполнение условия
. Однако в этом выражении не учтено отличное от нуля значение
времени задержки включения транзистора VT1,
которое, может существенно нарушить симметрию выходных импульсов
верхнего предела рабочего диапазона частот преобразователя (в данном случае 100
кГц). Кроме того, на таких частотах время задержки значительно ухудшит
линейность преобразования.
Для компенсации влияния
транзистора VT1
на линейность передаточной характеристики в схеме использована
фазосдвигающая цепь R12C2R13,
включенная между интегратором и компаратором напряжения. На низких
частотах (при малых входных напряжениях) влиянием конденсатора С2 на
выходной сигнал можно пренебречь, и фазосдвигающая цепь работает как обычный
резисторный делитель. С повышением рабочей частоты сопротивление конденсатора
уменьшается, и большая часть выходного напряжения интегратора поступает на вход
компаратора, вызывая тем самым более раннее переключение последнего. При соответствующем
выборе номиналов этой цепи задержка включения транзистора VT1 может быть полностью скомпенсирована. Использование транзистора Q1 в инверсном режиме также способствует повышению качества
преобразования,
поскольку при таком включении уменьшается падение
напряжения коллектор-эмиттер транзистора в насыщенном состоянии.
Предложенная схема имеет
хорошие температурные характеристики, так как положительный температурный
коэффициент по напряжению стабилитронов компенсирует отрицательный коэффициент
прямо смещенных р-n-переходов
транзистора. При изменении входного напряжения от 0 до 9.75 В частота выходных
импульсов изменяется от 0 до 50 кГц (линейность в пределах 0,1 %).
Коэффициент
преобразования "напряжения - частота" равен 5.1 кГц/В. Для того чтобы
на выходе ПНЧ получить импульсы частотой от 5кГц до 50кГц на вход ПНЧ
необходимо подать управляющее напряжение U
упр от 0.98 В до 9.8 В.
Следует отметить, что
для достижения такой линейности необходимо, чтобы внутреннее сопротивление
источника сигнала оставалось достаточно малым по сравнению с сопротивлениями R8 и R10
во всем диапазоне частот (0-50 кГц). Высокая точность и большой
динамический диапазон рабочих частот схемы позволяют выполнять с ее помощью
высококачественные аналого-цифровые преобразования и строить на ее основе
прецизионные управляемые напряжением генераторы пилообразных колебаний.
Рис. 2.4. Схема ПНЧ с выбранными и рассчитанными
элементами
Для согласования уровней входного напряжения Uвх
с ПНЧ требуется формирователь управляющего напряжения Uупр.
Формирователь импульсов служит для получения
сигнала с заданной длительностью tи=10
мкс=const.
Усилитель выходного сигнала служит для
согласования выхода формирователя импульсов с нагрузкой.
3.4 Моделирование
в среде MicroCAP-9
Узлы ЧИМ, представленные на функциональной
схеме, объединим в принципиальную схему, представленную на рисунке 2.5. При
моделировании принципиальной схемы с помощью MicroCAP-9
использованы аналоговые модели пассивных и активных компонентов, источников
сигналов. ОУ в принципиальной схеме представлены моделями 3-ого уровня (Level
3), которые характеризуются ограничение скорости наростания и спада,
ограничением коэффициента передачи на постоянном и переменном токе, фазовыми
сдвигами, ограниченной полосой пропускания. Данные характеристики ОУ привели к
соответствующим искажениям импульсного сигнала, а именно, увеличение
длительности переднего и заднего фронта импульсов. В связи с этим для получения
заданных параметров выходного сигнала при моделировании схемы ЧИМ была
произведена корректировка некоторых пассивных элементов.
Рис 2.5. Принципиальная схема ЧИМ
С помощью режима анализа Transient
(Alt+1) рассмотрим
переходные процессы.
Для наглядности и анализа работы отдельных узлов
ЧИМ и устройства в целом выбраны следующие контрольные точки: вход ЧИМ (рис.
2.7), выход ограничителя (2.8), выход, выход схемы сдвига (рис. 2.9), выход
интегратора (рис. 2.10), выход компаратора (рис. 2.11), выход ждущего мультивибратора
(рис. 2.12), выход ЧИМ (рис. 2.13)
Таблица задания параметров моделирования
приведена на рис. 2.6.
Рис. 2.6 Таблица задания параметров
моделирования
Рис. 2.7. Сигнал на входе ЧИМ
Рис.2.8. Сигнал на выходе ограничителя
Рис. 2.9. Сигнал на выходе схемы сдвига
Рис. 2.10. Сигнал на выходе интегратора
Рис. 2.11. Сигнал на выходе компаратора
Рис. 2.12. Сигнал на выходе ждущего
мультивибратора

Проведем
температурный анализ для температур 27°C, 100°C. Для этого заменим идеализированные
элементы ПНЧ-блока на приближенные реальным.
Рис. 2.14. Сигнал на выходе ПНЧ
для 27°C, 100°C
Как видно из рис. 2.14
предложенная схема имеет хорошие температурные характеристики, так как
положительный температурный коэффициент по напряжению стабилитронов
компенсирует отрицательный коэффициент прямо-смещенных p-n
- переходов транзистора.
ЗАКЛЮЧЕНИЕ
В результате проведенной работы были рассмотрены
различные схемы преобразования напряжения в частоту, промоделирован
преобразователь напряжения в частоту с повышенной линейностью передаточной
характеристики в составе частотно-импульсного модулятора (ЧИМ), формирующего на
нагрузке Rн=100 Ом импульсы
напряжения амплитудой Uн=10В
и постоянной длительностью tи=10мкс=const.
В ходе выполнения дипломной работы был
произведен расчет элементов ПНЧ.
Анализ и моделирование принципиальной схемы
выполнены с помощью программы схемотехнического моделирования Micro-CAP
9.
СПИСОК ИСПОЛЬЗОВАННЫХ ИСТОЧНИКОВ
1. Опадчий
Ю.Ф., Глудкин О.П., Гуров А.И. Аналоговая и цифровая электроника (полный курс):
учебник для вузов. Под ред. О.П. Глудкина. - М.: Горячая линия -Телеком, 2003.-
768с.
2. Титце
У.,Шенк К., Полупроводниковая схемотехника:справочное руководство. Пер. с нем.
- М.: Мир, 1982.-512с.
3. Амелина
М.А., Амелин С. А., Троицкий Ю. В. ОФОРМЛЕНИЕ КУРСОВЫХ ДИПЛОМНЫХ РАБОТ.
Методические указания для студентов специальности "Промышленная
электроника". Темплан издания СФ МЭИ, 2007 г., метод.
. Кауфман
М, Сидман А.Г. Практическое руководство по расчетам схем в электронике: Справочник.
В 2-х т. Т. 1: Пер. с англ./ Под ред. Ф.Н. Покровского. - М.: Энергоатомиздан,
1991. - 368 с.
5. Применение
прецизионных аналоговых микросхем/А.М. Алексенко, Е.А. Коломбет, Г.И. Стародуб.
- 2-е изд., перераб. и доп. - М.: Радио и связь, 1985. - 304 с.
. Калиненко
А.Г.. Усилительные устройства на транзисторах и интегральных микросхемах. М.:
издательство МЭИ, 1999
7. Калиненко
А.Г. Лекции. Электронные цепи и микросхемотехника.
. Амелина
М.А. Лекции. Электронные и промышленные устройства.
9. Волович
Г.И. Схемотехника аналоговых и аналого-цифровых электронных устройств.- М.
Издательский дом "Додэка- XXI",
2005. - 528с.
10. Полупроводниковые
приборы: Транзисторы. Справочник/В.Л. Аронов, Ф.В. Баюков и др. Под общ. ред.
Н.Н. Горюнова.- М. Энергоамиздат, 1983.- 940с.