Амплитудно-модулированный сигнал 10МГц 20-2000Гц

  • Вид работы:
    Курсовая работа (т)
  • Предмет:
    Информатика, ВТ, телекоммуникации
  • Язык:
    Русский
    ,
    Формат файла:
    MS Word
    332,74 Кб
  • Опубликовано:
    2012-07-11
Вы можете узнать стоимость помощи в написании студенческой работы.
Помощь в написании работы, которую точно примут!

Амплитудно-модулированный сигнал 10МГц 20-2000Гц















Курсовая работа

Амплитудно-модулированный сигнал 10МГц 20-2000Гц


Задание на курсовую работу

Курсовая работа на тему «Амплитудно-модулированный сигнал 10МГц 20-2000Гц» выполнена Бурсовым Р.И., студентом II курса физико-технического факультета БФУ им. И. Канта на кафедре «Организация и технология защиты информации».

Дата выдачи работы: 16.03.2012 г.

Плановый срок выполнения: 31.05.2012 г.

Руководитель проекта: доцент кафедры «Организация и технология защиты информации» Синюгин Ю.Н..

Содержание проекта: В данной работе разрабатывается амплитудный модулятор 10МГц 20-2000Гц

Оформление проекта: Согласно методическим рекомендациям.

Рекомендованный перечень литературы: см. в конце курсового проекта.

Цель проекта:

Задачи:

1.Углубление теоретических знаний по курсам, связанным с темой курсового проекта

2.Анализ существующих структур аналогичных устройств, выявление их достоинств и недостатков.

.Выбор и обоснование структурной схемы проектируемого устройства.

.Анализ существующих схемотехнических решений, выполняющих аналогичные заданию функции, выявление их достоинств и недостатков.

.Выбор и обоснование принципиальной схемы устройства, удовлетворяющей техническому заданию;

.Выбор элементной базы и расчет их параметров в установившемся режиме работы и переходных режимах;

.Коррекция принципиальной схемы в случае получения неудовлетворительных параметров и повторный их расчет;

Курсовой проект содержит 17 листов, иллюстрации.

Использовано 4 источника.

В курсовом проекте содержится краткое описание модуляторов, их классификация, применение, основные технические решения. Также выбраны и разработаны структурная и электрическая принципиальная схемы амплитудного модулятора, произведен ее расчет.


Введение

модулятор амплитудный структурный электрический

Существуют три основные схемы модуляции: 1) амплитудная модуляция (AM); 2) угловая модуляция, подразделяющаяся на два очень похожих метода: частотную модуляцию (ЧМ) и фазовую модуляцию (ФМ); 3) импульсная модуляция (ИМ). Различные схемы модуляции совмещают два этих метода или более, образуя сложные системы связи. Телевидение, например, использует как AM, так и ЧМ для различных типов передаваемой информации. Импульсная модуляция совмещается с амплитудной, образуя импульсную амплитудную модуляцию (АИМ), и т.д. Не всегда возможно найти четко выраженные основания для использования того или иного метода модуляции. В некоторых случаях этот выбор предписывается законом (в США контроль осуществляет Федеральная комиссия по связи - ФКС). Необходимо строго придерживаться правил и инструкций независимо от того, какая схема модуляции используется.

Во всех методах модуляции несущей служат синусоидальные колебания угловой частоты wн, которые выражаются в виде

еннsin(wнt+qн) (1а)

где Ан - амплитуда, а wнt+qн - мгновенная фаза (отметим, что wнt, так же как и qн, измеряется в градусах или радианах). Фазовый сдвиг qн введен для придания уравнению (la) большей общности. Аналогично модулирующий сигнал может быть представлен как

еммsin(wмt+qм) (2a)

для AM, ЧМ и ФМ или в виде импульса в случае импульсной модуляции. Выражение wм может быть использовано для обозначения скорее полосы частот, чем единичной частоты. Например, мы будем рассматривать AM в радиовещании, где модулирующий сигнал состоит из полосы звуковых частот (20-16 000 Гц).


Амплитудная модуляция (AM)

С качественной стороны амплитудная модуляция (AM) может быть определена как изменение амплитуды несущей пропорционально амплитуде модулирующего сигнала (рис. 1, а). Для модулирующего сигнала болшой амплитуды

Рис. 1. Амплитудная модуляция (wм<<wн). а - форма сигнала; б - спектр частот.

соответствующая амплитуда модулируемой несущей должна быть большой и для малых значений Ам. Эта схема модуляции может быть осуществлена умножением двух сигналов: енем. Как будет видно из дальнейшего, это является особым случаем более общего метода модуляции. Для упрощения последующих математических преобразований видоизменим уравнения (la) и (2а), опустив произвольные фазы qн и qм:

еннcos(wнt) (qн=p/2) (1б)

еммcos(wмt) (qм=p/2) (2б)

Произведением этих двух выражений является:

ен емнcos(wнt) ×Амcos(wмt) (3)

Уравнение (3) показывает, что амплитуда модулированной несущей будет изменяться от нуля (когда wмt = 900, cos(wмt)=0) до АнАм (когда wмt = 00, cos(wмt)=1). Член Амcos(wмt) × Ан является амплитудой модулированных колебаний и прямо зависит от мгновенного значения модулирующей синусоиды. Уравнение (3) может быть преобразовано к виду

 (4а)

Это преобразование основано на тригонометрическом тождестве

 (5)

Уравнение (4a) представляет собой сигнал, состоящий из двух колебаний с частотами w1=wн+wм и w2=wн-wм и амплитудами АнАм/2. Переписывая выражение для модулированного колебания (4a), получим

 (4б)

w1 и w2 называются боковыми полосами частот, так как wм обычно является полосой частот, а не одиночной частотой. Следовательно, w1 и w2 представляют собой две полосы частот - выше и ниже несущей (рис. 1,б), т. е. верхнюю и нижнюю боковую полосу соответственно. Вся информация, которую необходимо передать, содержится в этих боковых полосах частот.

Уравнение (4б) было получено для особого случая, когда модулированный сигнал был результатом прямого перемножения ен на ем. В результате уравнение (4б) не содержит компонента на частоте несущей, т. е. частота несущей полностью подавлена. Такой тип модуляции с подавленной несущей иногда преднамеренно проектируется в системах связи, так как это ведет к снижению излучаемой мощности. В большинстве таких систем излучается некоторая часть мощности на частоте несущей, позволяя тем самым приемному устройству настраиваться на эту частоту. Можно также передавать лишь одну боковую полосу, так как она содержит всю существенную информацию о модулирующем сигнале. Приемное устройство затем восстанавливает ем по модуляции одной боковой полосы.

Полное выражение, представляющее амплитудно-модулированное колебание в общем виде, имеет вид

ен емнcos(wнt)+ Амcos(wнt)cos(wмt) (6а)

Это выражение описывает как неподавленную несущую (первый член в правой части уравнения), так и произведение, т. е. модуляцию (второй член справа). Уравнение (6a) можно переписать в виде

ен ем=[Ан+ Амcos(wмt)]cos(wнt)= Анмcos(wнt) (6б)

Последнее выражение показывает, как амплитуда несущей изменяется в соответствии с мгновенными значениями модулирующего колебания. Амплитуда модулированного сигнала Анм состоит из двух частей: Ан - амплитуды немодулированной несущей и Амcos(wмt) - мгновенных значений модулирующего колебания:

Анмн+ Амcos(wмt) (7)

Отношение Ам к Ан определяет степень модуляции. Для Амн значение Анм достигает нуля при cos(wмt)=-1 (wмt=180°) и Анм=2Ан при cos(wмt)=1 (wмt= 0°). Амплитуда модулированной волны изменяется от нуля до удвоенного значения амплитуды несущей. Отношение

m= Амн (8)

определяет коэффициент модуляции. Для предотвращения искажений передаваемой информации - модулированного сигнала - значение m должно быть в пределах от нуля до единицы: 0£m£1. Это соответствует Ам£Ан. (Для m=0 Ам= 0, т. е. нет модулирующего сигнала.) Уравнение (6a) может быть переписано с введением m:

ен емнcos(wнt)[1+m×cos(wмt)] (6в)

На рис. 2,а показана форма модулированных колебаний и коэффициент модуляции m выражен через максимальное и минимальное значения ее амплитуды (пикового и узлового значений). Рис. 2,б дает представление о спектре модулированных колебаний, который может быть выражен преобразованием уравнения (6):

 (6г)

несущая верхняя боковая полоса нижняя боковая полоса

На рис. 2,в показан результат модуляции с коэффициентом m, превышающим 100%: m>1.

Рис.

В таблице на рис. 3 приведены амплитуда и мощьность для каждой из трех частотных компонент модулированного колебания.

Таблица


Угловая частота

Амплитуда

Относительная амплитуда

Относительная мощность

wн

Ан

1

1

Верхняя боковая полоса

wн+wм

Ам/2

m/2

(m/2)2

Нижняя боковая полоса

wн-wм

Ам/2

m/2

(m/2)2


Для 100%-ной модуляции (m=1) и мощности несущей 1 кВт полная мощность модулированных колебаний составляет 1 кВт+(1/2)2 кВт+(1/2)2 кВт=1,5 кВт. Отметим, что при m=1 мощность, заключенная в обеих боковых полосах, составляет половину мощности несущей. Аналогично при m=0,5 мощность в обеих боковых полосах составляет 1/8 мощности несущей. Указанное выше имеет место лишь для синусоидальной формы AM. Амплитудная модуляция может быть использована в передаче импульсных значений.

При обычной модуляции с двумя боковыми полосами, используемой в радиовещании, информация передается исключительно в боковых полосах. Для того чтобы получить, например, хорошее качество звука, необходимо работать в полосе частот шириной 2М, где М - ширина полосы высококачественного воспроизведения звука (20-20 000 Гц). Это означает, что стандартное АМ-радиовещание, к примеру, с частотами до 20 кГц должно иметь ширину полосы ±20 кГц (всего 40 кГц), учитывая верхнюю и нижнюю боковые полосы. Однако на практике ширина полосы частот по правилам ФКС ограничивается величиной 10 кГц (±5 кГц), которая предусматривает для радиопередачи звука ширину полосы всего лишь 5 кГц, что далеко от условий высококачественного воспроизведения. Радиовещание с частотной модуляцией, как это будет показано ниже, имеет более широкую полосу частот.

Федеральная комиссия связи также устанавливает допуски частоты всех распределений частот в США. Все АМ-радиовещание (535-1605 кГц) имеет допустимые отклонения в 20 Гц, или около 0,002 %. Эта точность и стабильность частоты может быть достигнута путем использования кварцевых генераторов.

Детектирование или демодуляция АМ-колебаний требует выпрямления модулированного сигнала, сопровождаемого исключением несущей частоты с помощью соответствующей фильтрации. Эти две стадии воспроизведения модулирующего сигнала могут быть продемонстрированы па примере колебания, изображенного на рис. 2, а. После выпрямления остается лишь половина колебания, а после фильтрации присутствует лишь его огибающая, которая является воспроизведенным сигналом.

Схемы

Схема линейного AM-детектора

Детектирование - процесс восстановления модулирующего сигнала, являющийся обратным модуляции.

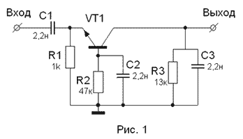
Принципиальная схема простейшего АМ детектора на одном транзисторе приведена на рис.1.


Входной амплитудно-модулированный сигнал через разделительный конденсатор С1 поступает на эмиттер транзистора VT, который через резистор R1 соединен с общей шиной. В базовую цепь транзистора включены резистор R2 и конденсатор C2, являющийся блокировочным по частоте входного сигнала. В коллекторную цепь транзистора включены нагрузочные резистор R3 и конденсатор C3. Таким образом, в схеме рис.1 по входному сигналу имеем каскад с общей базой.

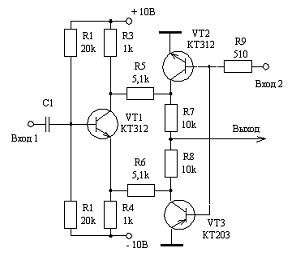
Модулятор на базе универсального квадратурного модулятора

Тогда структурная схема АМ модулятора на базе универсального квадратурного модулятора может быть представлена как это показано на рисунке 6.

Рис.

Электрическая схема диодного балансного модулятора

Рис.


Модулятор прямоугольного сигнала

Рис.

Схемы перемножителей

Перемножитель на основе сдвоенных дифференциальных каскадов с перекрестными связями

Рис.


Преобразователь «напряжение-ток»

Рис.

Схема ПНТ с делителем тока на входе дифференциального каскада

Рис.


Практическая часть

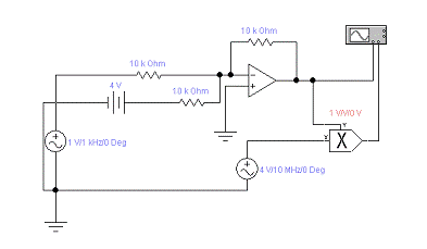
Рассмотрим схему амплитудного модулятора

Рис.

При данных значениях мы получаем огибающую сигнала

Рис.

При данных значениях коэффициент модуляции m=0,3

Рассмотрим другие уровни модуляции:

Рис. Коэффициент модуляции m=0,67

Коэффициент модуляции m=0,2

Рис.

Спектр амплитудно-модулированного сигнала

Рис.

Заключение

В курсовой работе мы сделали обзор модуляторов, конкретно выбрали амплитудный модулятор и рассмотрели его. Так же провели его исследование при нужных значениях.


Список литературы

.Титце У., Шенк К. «Полупроводниковая схемотехника» Мир 1982

. ХоровицП, Хилл У. «Искусство схемотехники» Мир 1998

. Кучумов А.И. «Электроника и схемотехника» Гелиос АРВ 2004

. Новиков Ю.В. «Основы цифровой схемотехники»

. Качанов В.И. «Радиотехнические цепи и сигналы» 2003

. Баскаков С.И. «Радиотехнические цепи и сигналы» 2000

Похожие работы на - Амплитудно-модулированный сигнал 10МГц 20-2000Гц

 

Не нашли материал для своей работы?
Поможем написать уникальную работу
Без плагиата!
Без нейросетей!