Автоматизированное управление электронной проходной
РАСЧЕТНО-ПОЯСНИТЕЛЬНАЯ
ЗАПИСКА
к
курсовой работе
ТЕМА:
«Автоматизированное управление электронной проходной»
Введение
Система контроля и управления
доступом (СКУД) предназначена для выполнения комплекса мероприятий,
направленных на ограничение и санкционирование доступа сотрудников на
территорию предприятия, в помещения и зоны ограниченного доступа. Оборудование
рассчитано на количество пользователей системы контроля и управления доступом
электронной проходной до 65 000 человек и до 5 000 человек для выделенных
помещений.
СКУД обеспечивает:
·интеграцию
с другими системами ИСБ на программно-аппаратном уровне:
·многоуровневую
организацию доступа с возможностью корректировки базы данных администратором
ИСБ в соответствии с решаемыми задачами;
·возможность
графического отображения состояния системы (наличие тревог, нештатных ситуаций,
оперативной информации с выводом поэтажных планов, мест установки технических
средств системы КУД);
·создание
архива с объемом памяти, обеспечивающим регистрацию всех фактов посещения
предприятия сотрудниками и посетителями с указанием даты и времени посещения,
их фотографий и иных данных с возможностью хранения и использования в течение
одного года;
·возможность
ежедневного архивирования базы данных разовых посетителей в конце рабочего дня.
ведение протоколов, электронных журналов:
·возможность
перехода на ручное управление отдельными элементами СКУД с зашитой паролем и
подтверждением дежурным службы безопасности с автоматическим протоколированием
данного факта;
·возможность
развития за счет расширения программно-аппаратных частей без нарушения
работоспособности смонтированного оборудования, а также возможность
модернизации в случае изменения или расширения функций (задач), выполняемых
системой.
Электронная проходная
сотрудников и посетителейСКУД электронной проходной обеспечивает:
·санкционированный
доступ (вход и выход) сотрудников на территорию предприятия (основанием
санкционированного доступа является карта-пропуск);
·вывод
фотоизображения сотрудников, имеющих постоянные и временные пропуска на
мониторе оператора поста охраны на КПП;
·возможность
блокирования выхода через проходные в случае поступления сигнала тревоги;
·компьютерный
учет входа и выхода посетителей и сотрудников с ведением протокола в компьютере
и выводом протокола на принтер.
Центральная
проходная может быть оборудована электромеханическими турникетами типа «трипод»
(рис. 5.8). С обоих сторон турникета устанавливаются считыватели для
регистрации и контроля работников предприятия. Управление проходами через
турникеты может осуществляться как в автоматическом, так и в полуавтоматическом
(с принятием решении вахтером) и ручном режимах. Выбор режима осуществляется на
программном уровне.

Электромеханические
турникеты типа «трипод»
1.
Анализ объекта автоматизации
.1 Описание объекта
автоматизации
Объектом модернизации является
электронная проходная, состоящая из электромеханического турникеты типа
«трипод» (Рис. 1) и ограждающих планок. С обоих сторон турникета установлены
считыватели для регистрации и контроля работников предприятия.
Рисунок 1.1 - Электронная проходная
(электромеханический турникет)
- Стойка; 2 - Планка преграждающая;
3 - Вращающий элемент; 4 - Зона работы считывателя, световая индикация
Считыватель работает на основе без
контакторных карт MifareProX, обеспечивают работу с идентификатором на
расстоянии от 10 до 60 мм, при поднесении его параллельно плоскости
считывателя.
Для бесконтактного считывания
идентификационного кода с карты доступа считыватель proximity карт использует
радиочастотную технологию идентификации (RFID -
RadioFrequencyIDentificationTechnology) Proximity и работает на частоте 13,56
МГц.
Во включенном состоянии считыватель
излучает электромагнитное полеcчастотой 13,56 МГц. Карточка, оказываясь в этом поле, активизируется
и начинает передавать индивидуальный кодированный сигнал, принимаемый
считывателем. Считыватель преобразует этот сигнал в кодированную
последовательность импульсов и через интерфейс RS-485 по кабелю пересылает их в
контроллер, который определяет, какое действие необходимо выполнить в ответ на
предъявление карточки. Результат действия контролера выводится на светодиодную
индикацию (разрешение, запрет на проход).
1.2 Критический
анализ
Типичным решением входа в здание,
предприятие, учреждение определенного количества посетителей является турникет
управляемым оператором. Но при увеличении количества посетителей также
требуется увеличение турникетов на проходной. В этом случае управлять одному
оператору будет неудобно. Количество посетителей и сотрудников может быть очень
велико, и в этом случае сложно оперативно идентифицировать личность человека
оператором. В этих и других случаях обосновано будет применение
автоматизированной проходной.
Под автоматизацией проходной
понимается ряд мероприятий, которые позволят проходной функционировать с
большей эффективностью, и более формализовано, что в свою очередь повысит
безопасность и позволит осуществить полный контроль над фактами прохода.
Ситуации, при которых обоснованно
применение автоматизированной проходной:
. Несколько турникетов с одним
оператором;
. Большое количество различных
подразделений, организаций, ведомств сотрудники и посетители которых проходят
через одну проходную;
. Необходимо обеспечить высокую
скорость прохода;
. Нужно вести учет рабочего времени;
. Требования безопасности и контроля
всех проходов;
. Необходимость разграничивать
доступ по времени;
. Исключить возможность повторного
прохода одного и того же сотрудника.
Мероприятием по автоматизации работы
проходной является установка устройств разделения потока для прохода по одному.
В простейшем случае - это турникеты типа «трипод», или подобные. В данном
случае используются электромеханические турникеты, которые легко могут работать
в составе систем контроля и управления доступом. Установка турникета является
обязательным требованием для систем функционирующих в автоматическом режиме -
без оператора.
Также это введение электронных
пропусков для осуществления автоматической идентификации личности и прохода. В
качестве электронных пропусков, как правило, используют бесконтактные смарт
карты. Бесконтактная технология идентификации обеспечивает долговечность
идентификатора и удобство пользования - идентифицироваться можно не вынимая
карты из кармана или сумки. Введение электронных пропусков требует установку
оборудования считывающего с них информацию и микроконтроллер управляющий
турникетом. Данное оборудование должно быть надежным, масштабируемым и простым
в администрировании.
1.3 Постановка задачи
проектирования
микроконтроллер датчик измерительный канал
Электронная проходная может работать
как автономно - при управлении от пульта управления или устройства
радиоуправления, так и в нашем варианте в качестве элемента СКУД - управление
осуществляется от считывателей (при поднесении к ним бесконтактных карт
доступа) или от компьютера при подключении к ЛВС через интерфейс RS232.
Встроенные считыватели карт доступа
находятся под блоками индикации, расположенными на торцах стойки. Блоки
индикации имеют по три светодиодных индикатора: зелёный индикатор разрешения
прохода; жёлтый индикатор ожидания прохода (ожидания предъявления карты);
красный индикатор запрета прохода. С помощью магнито-чувчтвительного датчика
угла поворота модели
Для формирования зоны прохода
электронная проходная дополнена секциями ограждения. Встроенный замок
механической разблокировки позволяет открыть турникет с помощью ключа,
обеспечив свободное вращение преграждающих планок в обоих направлениях, но
разработка в рамках этой курсовой работы не предусмотрена.
Методику решения поставленной
задачи:
. Разработка структуры системы
управления электронной проходной.
. Выбор датчика угла поворота
преграждающих планок.
. Разработка источника питания.
. Разработка функциональной схемы
системы управления электронной проходной.
. Разработка принципиальной схемы
системы управления электронной проходной и перечень элементов, используемых в
ней.
. Разработка блок-схемы алгоритмов
программы управления микроконтроллером.
. Разработка программы управления на
языке «С».
2. Проектирование
структуры системы автоматизации
.1 Анализ датчиков и
исполнительных элементов системы управления
Представленная в курсовой работе
электронная проходная имеет в своем составе ряд измерительных устройств,
задачей которых является
воспринимать (измерять) какую-либо
информацию и передавать ее на обрабатывающее устройство. Рассмотрим
измерительные устройства, находящиеся в этой системе. В нашем случае
измерительными устройствами можно назвать следующие датчики, которые
установлены в нашем объекте:
датчик угла поворота преграждающих
планок;
Proximityсчитыватель без контакторных карт.
Рассмотрим все эти устройства более
подробно.
В настоящее время все большее
применение находят анизотропные магниторезистивные датчики, предназначенные для
решения различных задач - бесконтактного измерения скорости и направления
вращения зубчатых колес и многополюсных магнитных роторов энкодеров,
определения угла поворота или величины линейного перемещения, бесконтактного
измерения тока (мощности), а также для определения курса объекта по магнитному
полю Земли в магнитометрии.
Наиболее популярные современные
АМР/датчики выпускают ведущие мировые лидеры в этой области - Philips,
Honeywell, HL/Planartechnik.
Анизотропные магниторезистивные
датчики характеризуются высокой чувствительностью, обеспечивают высокие уровни
первичного сигнала, широкий рабочий температурный диапазон, прочность,
надежность и точность работы. Кроме того, они отличаются малым смещением и
значительной нечувствительностью к магнитными механическим допускам, что
используется для создания разнообразных датчиков различных сфер применения, в
частности, для автоэлектроники, промышленности и навигационных систем.
Конкурентами АМР-датчиков в задачах
измерений скорости, положения и тока являются датчики Холла. Если сравнивать
эти датчики, окажется, что магниторезистивные имеют ряд основных преимуществ:
действует направление поля вместо
величины поля, как в эффекте Холла - широкий выбор магнитов для измерений,
независимо от их остаточной намагниченности (нов пределах насыщающих значений
поля);
) действие в зоне насыщенности
напряженности поля датчика означает:
независимость от магнитного дрейфа
во времени и под действием температуры;
независимость от температурных эффектов
за счет вычисления функции арктангенса в угловых измерениях;
) малое смещение мостовых
магниторезисторов;
) магниторезистивные мостовые
датчики после компенсации температурно стабильны и имеют расширенный
температурный диапазон (-40¼160°C).
Указанные преимущества
магниторезистивных датчиков особенно полезны в автомобильных применениях, в
условиях жесткой эксплуатации, которая характеризуется повышенной
загрязненностью, перепадами температур, повышенными механическими вибрациями.
Высокая чувствительность позволяет
также использовать АМР-датчики для измерения слабых полей в навигационных
системах, где эффект Холла обычно не применяется.
Рассмотрим работу
магниторезистивного датчика измерения угла вращения.
Принцип измерения углов показан на
рис. 2.1. На торце вала крепится дипольный магнит. При повороте магнитного
вектора на уголa
изменяется сопротивление и выходное напряжение датчика, по изменению которого
можно определить угол поворота вала и направление (в пределах ±45°).
Рисунок 2.1 - Принцип измерения
полярной угловой координаты
Для измерения углового положения
производятся датчики KMZ41, KMZ43 и KMA200, KMA199E.
В данной курсовой работы выбираем
магниточувствительний датчик угла поворота KMZ41 производства PhilipsSemiconductors
(рисунок 2.2).- чувствительный датчик магнитного поля для измерений угловых
положений объекта в индустриальных условиях. Датчик содержит два гальванически
развязанных измерительных моста с использованием магнитоустойчивого эффекта
тонкопленочного пермаллоя.
Рисунок 2.2 - Внешний вид
магнито-чувствительний датчик угла поворота KMZ41
Датчик KMZ41 имеет такие технические
параметры представленные в таблеце 2.1.
Таблица 2.1
|
Тип выходного сигнала
|
аналоговый
|
|
Тип чувствительного элемента
|
магниторезистор
|
|
Наличие встроенного магнита
|
нет
|
|
Тип чувствительности к полю
|
биполярный
|
|
Сопротивление моста, кОм;
|
2…3
|
|
Оси
|
2
|
|
Максимальная чувствительность, мВ / Гаусс
|
2.5
|
|
Мин напряжение питания, В
|
5
|
|
Макс напряжение питания, В
|
9
|
|
Максимальный ток потребления, мА
|
10
|
|
Чувствительность, mV/°
|
3
|
|
Полоса частот, МГц
|
0…1
|
|
Температурный диапазон, гр. С
|
-40…150
|
|
Корпус
|
SO8-150
|
Структурная схема подключения
датчика представлена на рисунке 2.3
Рисунок 2.3 - Структурная схема
подключения датчика
СчитывателиProximity предназначены для
использования в системах идентификации, расчетов, контроля доступа и т.п. Они
обеспечивают считывание кода с бесконтактных карт типа MifareProX. Считывание
кода карты происходит при ее поднесении к считывателю на расстояние около 10-60
см. При этом карточка может находиться в кармане или бумажнике.
Работу считывателя поясняет
функциональная схема (рис. 1).
Рисунок 2.4 Функциональная схема,
поясняющая работу считывателя
Во включенном состоянии считыватель
излучает низкочастотное электромагнитное поле с частотой 13,56 кГц. Карточка,
оказываясь в этом поле, активизируется и начинает передавать индивидуальный
кодированный сигнал, принимаемый считывателем. Считыватель преобразует этот
сигнал в кодированную последовательность импульсов и по кабелю пересылает их в
контроллер, который определяет, какое действие необходимо выполнить в ответ на
предъявление карточки.
В данной курсовой работы выбираем
считыватель фирмы PARSECсерии PR-PO3E, общий вид платы представлено на рисунке 2.2.
Рисунок 2.4 - Общий вид считывателяPR-PO3E
СчитывателяPR-PO3E имеет такие технические параметры
представленные в таблице 2.2.
Таблица 2.2
|
Параметр
|
Ед. изм.
|
Значение
|
Примечание
|
|
Напряжение питания (постоянного тока, стабилизированное)
|
В
|
9…14
|
Размах пульсаций не более 100мВ
|
|
Ток потребления в дежурном режиме, не более
|
мА
|
35
|
При выключенной несущей
|
|
Ток потребления при обмене с картой, не более
|
мА
|
Непрерывно включенная несущая
|
|
Расстояние считывания (от плоскости антенны до карты)
|
мм
|
30…60
|
Для карт Mifare Standard
|
|
Максимальный размер пакетов при обмене с картой
|
байт
|
128
|
ISO-14443/3
|
|
Тип разъема для подключения к оборудованию
|
|
BH-14
|
|
|
Поддерживаемые интерфейсы
|
|
RS-232, RS-485, Wiegand 26
|
Wiegand
только в формате 26 бит
|
|
Скорость обмена по последовательному интерфейсу
|
бод
|
9600…115200
|
Устанавливается программно
|
Для связи считывателя с контроллером
используют интерфейс RS-485. Схема подключения считывателя с микроконтроллером через
интерфейс RS-485 представлена на рисунке 2.5.
При работе с интерфейсом RS-485 имеется возможность
объединения до 32-х считывателей в сеть, при этом каждому считывателю в сети
необходимо уникальный адрес. Считыватели поставляются с предустановленным
адресом «0». Следует иметь в виду, что, независимо от установленного для
считывателя адреса, он всегда реагирует и на нулевой адрес. Это сделано для
того, чтобы можно было перепрограммировать адрес считывателя даже в том случае,
если информация об этом утеряна.
Рисунок 3.2 - Схема подключения
считывателя к микроконтроллеру через интерфейс RS-485
При поднесении карты на расстояние
считывания считыватель проверяет корректность кода карты и выдает его по
выбранному интерфейсу. В зависимости от используемых функций, выдача кода карты
может производиться как однократно, так и непрерывно на каждый запрос
программного обеспечения или контроллера (при условии, что карта продолжает
находиться в поле считывателя). При использовании режима однократной выдачи
кода следующий раз код карты будет выдан, если она была отнесена от считывателя
на время не менее 0,5 секунды.
В системе электро проходная
используется 2 считывателя, на проход и выход. Структурная схема подключения
считывателя на проход (считыватель 1) и на выход (считыватель 2) представлена
на рисунке 2.3
Рисунок 2.3 - Структурная схема
подключения считывателя
2.2 Разработка
структурной схемы источника электропитания
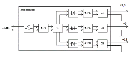
Источник электропитания предназначен
для питания системы управления, а именно для питания микроконтроллера и
измерительных устройств, входящих в систему управления. Основные структурные
элементы источника электропитания выбираются в зависимости от требований к
параметрам и качеству выходного напряжения. На данномрисунке 2.7 показана
структурная схема источника электропитания системы управления.
Входное напряжение источника
электропитания составляет ~220 В. Источник питания должен обеспечивать
достаточно стабильные (±10%) выходные постоянные напряжения 3,3, 5и 12 В.
Рисунок 2.7 - Структурная схема
источника электропитания системы управления
Основные структурные элементы
источника электропитания:
- Автомат токовой защиты предназначен для
контроля максимального значения тока, протекающего через источник питания и
защиты питающей сети от влияния источника питания в случае его поломки.
- Фильтр низких частот предназначен для
фильтрации высокочастотных импульсных помех на входе источника электропитания.
- Трансформатор напряжения предназначен
для преобразования входного напряжения в напряжения более низкой амплитуды
(понижающий трансформатор). В данной системе управления необходимо получить
следующие постоянные напряжения: 5 В-для питания датчика угла поворота, пульта
управления, 3,3 В-для питания микроконтроллера, 12 В-для считывателей,
драйверов MAX483,
ST3232. Таким
образом, должно быть 3 трансформаторных выхода - 3,3,
5 и 12 В.
- Выпрямитель предназначен для
преобразования переменного напряжения в пульсирующее постоянное.
- Фильтр низких частот 2 предназначен для
сглаживания пульсаций после выпрямления напряжения.
- Стабилизатор напряжения предназначен
для поддержания выходного напряжения с заданной амплитудой независимо от
изменения напряжения в питающей сети.
2.3 Выбор
микроконтроллера и проектирование функциональной схемы микроконтроллера
В рассматриваемой системе управления
принято решение использовать микроконтроллер LPC2138. Эти микроконтроллеры
основаны на 32-х разрядном ядре ARM7 и имеют структуру, типичную для
контроллеров на этом ядре. Программный код может быть размещен и выполнен как в
Flash-памяти так и в ОЗУ.
В основе контроллеров АRM7 лежит ядро АRM7TDМI-S. В ядро интегрированJTAG-интерфейс, позволяющий
выполнять программирование и пошаговую отладку микроконтроллера.
К ядру подключена шина АRM7 LocalBUS, предназначенная для
обмена данными с ОЗУ и FLESH(ПЗУ).
К ядру подключена также
высокоскоростная шина АНВ, используемая для связи с векторным контроллером
прерываний. К АНВ через мост подключена периферийная шина, работающая на
частоте, в четыре раза меньшей частоте ядра.
Периферийные устройства представлены
ядру своими регистрами, которые на языке СИ могут быть записаны в символьном
виде, например: IOPIN0, соответствующий на выходе порта 0.
Основные периферийные устройства
LPC2138:
) Модуль внешних прерываний. Термин
«Событие» обозначает изменение сигнала (на выходе микроконтроллера) с 1 на 0
или наоборот.
) Таймеры/счетчики Т0 и Т1 со
схемами захвата / сравнения;
) Два модуля АЦП с возможностью
мультиплексирования входных сигналов;
) Модуль ЦАП;
) Модуль ШИМ, обеспечивающий
генерацию до 6 широтно-модулированных сигналов;
) Часы реального времени, оснащены
собственным кварцевым резонатором, а также входом собственного питания;
) Два модуля UART, база для различных
коммуникационных устройств.
Структурная схема микроконтроллера
LPC2138 представлена на рисунке 2.9.
Рисунок 2.9 -
Структурная схема микроконтроллера LPC2138
3. Проектирование
функциональной схемы системы управления
.1 Проектирование
функциональной схемы входных узлов
Входными узлами системы управления
являются контрольно-измерительные приборы (датчики) и пульт управления
автоматическим освещением.
Рассмотрим подключение
магнито-чувствительного датчика угла поворота преграждающих планок турникета.
Схема подключения датчика KMZ41к микроконтроллеру изображена на рисунке 3.1.
Рисунок 3.1 - Схема подключения
магнито-чувствительногодатчика угла поворота к микроконтроллеру
Схема подключениясчитывателя PR-PO3Eк микроконтроллеру изображена на
рисунке 3.2.
Рисунок 3.2 - Схема подключения
считывателя PR-PO3Eк микроконтроллеру
3.2 Проектирование
функциональной схемы выходных узлов
Выходными узлами микроконтроллера
является совокупность аппаратных средств, позволяющая передавать (с возможным
преобразованием) сигналы с микроконтроллера на исполнительные устройства и
устройства индикации.
В системе управления электронной
проходной в роли исполнительного механизма выступают электромагнитный замок, а
устройством индикации является светодиод.
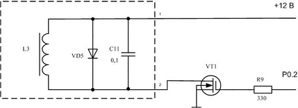
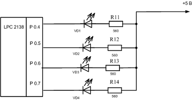
Функциональная схема подключения
электромагнитного замка представлена на рисунке 3.4.
Рисунок 16 - Функциональная
схемаподключения электромагнитного замка
Рисунок 3.5 - Функциональная схема
подключения индикации к микроконтроллеру
3.3 Проектирование
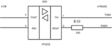
источника электропитания и средств связи с ЭВМ верхнего уровня
Для организации связи
микроконтроллера с ЭВМ верхнего уровня используетсяUART (универсальный
последовательный приемо-передатчик). Функциональная
схемаподключениямикроконтроллера с ЭВМ верхнего уровня представлена на рисунке
3.6.
Рисунок 3.6 - Функциональная схема
микроконтроллера с ЭВМ верхнего уровня
RS-232 - это стандарт
последовательной асинхронной передачи двоичных данных между терминалом
икоммуникационнымустройством.- интерфейс передачи информации между двумя
устройствами на расстоянии до 15 метров. Информация передается по проводам
цифровым сигналом с двумя уровнями напряжения. Логическому «0» соответствует
положительное напряжение (от +5 до +15 В для передатчика), а логической «1»
отрицательное (от -5 до -15 В для передатчика). Асинхронная передача данных
осуществляется с фиксированной скоростью при самосинхронизации фронтом
стартового бита.
По структуре это обычный асинхронный
последовательный протокол, то есть передающая сторона по очереди выдает в линию
0 и 1, а принимающая отслеживает их и запоминает.
Данные передаются пакетами по одному
байту (обычно 8 бит).
Вначале передаётся стартовый бит,
противоположной полярности состоянию незанятой (idle) линии, после чего
передаётся непосредственно кадр полезной информации, от 5 до 8 бит.
Увидев стартовый бит, приемник
выжидает интервал T1 и считывает первый бит, потом через интервалы T2 считывает
остальные информационные биты. Последний бит - стоповый бит (состояние
незанятой линии), говорящий о том, что передача завершена. Возможно 1, 1,5 или
2 стоповых бита.
В конце байта, перед стоп битом,
может передаваться бит чётности (paritybit) для контроля качества передачи. Он
позволяет выявить ошибку в нечетное число бит (используется, так как наиболее
вероятна ошибка в 1 бит).
Основными линиями, по которым
осуществляется обмен данными, являются две: TxD - линия, по которой из
компьютера передаются данные во внешнее устройство, и RxD - линия, по которой
компьютером принимаются данные из внешнего устройства.
Линии DTR и RTS являются выходными.
Это означает, что уровнями сигналов на этих линиях можно управлять,
устанавливая биты соответствующих регистров в нуль или единицу программным
способом. Линии CTS, DSR, DCD и RI являются входными. Это означает, что
состояния этих линий можно проверять (т.е. выяснять, в каком состоянии -
нулевом или единичном они находятся), читая соответствующие регистры состояний
и выделяя соответствующие биты.
Необходимо отметить следующие
свойства линий TxD и RxD. Линия TxD является выходной. Помимо того, что по ней
передаются данные, в отсутствие передачи состоянием этой линии можно также
управлять программно, т.е. устанавливать в единичное или нулевое состояние.
Линия RxD является входной. Однако прочитать состояние этой линии (как линий CTS,
DSR, DCD и RI) при отсутствии передачи нельзя!
4. Разработка блок-схемы
алгоритма и программы управления микроконтроллерной системы
4.1 Блок-схема алгоритма
работы программы управления
Блок - схема алгоритма функции main
представлена на рисунке 4.1.В функции main производится
инициализация глобальных переменных и задач, их описание, присвоение
идентификаторов, запуск системы настоящего времени.
Рисунок 4.1 - Блок - схема алгоритма
работы функции main
Блок - схема алгоритма функции main
состоит из трех задач Task1, Task2, Task3. Исполнительный механизм считается
включенным, если их значение в блок - схеме алгоритма равны 1, а если 0 -
выключен.
Задача Task1 предназначена для
создания всех последующих задач, назначение необходимого приоритета. После
своего выполнения Task1само уничтожается. Блок - схема алгоритма приведена на
рисунке 4.2.
Рисунок 4.2 - Блок -
схема алгоритма Task1
В задачи Task2 проводится анализ
считывателя и их значений. Датчик держит мгновенное значение измерения в
течение 50 мс, после чего данное значение сбрасывается и считыватель готов для
нового замера. Блок - схема алгоритма приведена на рисунке 4.3.
Рисунок 4.3 - Блок - схема алгоритма
Task2
Рисунок 4.4 - Блок -
схема алгоритма Task3
В задачи Task 3
осуществляется работа по перемещению данных. На этом этапе осуществляется
проверка на наличие необходимой команды в цикле программы и уровня приоритета.
Если необходима команда была осуществлена, то происходит считывание полученного
дискретного значения с датчика и отсылки его с задержкой 1 мс после чего
процесс обрывается. После чего задача может выполняться заново.
4.2 Разработка программы
управления системы
Исходный код управления программой
написано в программе Keil uVision3 на языке С, имеет следующий смысл:
# Include <RTL.h>
#
Include<LPC213x.H> / * LPC213x definitions * /
/ / Id1, id2 переменные -
идентификаторы задач настоящего времени
OS_TIDid1, id2;
intADC1, ADC2;
/ * Предварительное описание
программы * /
void task1 (void) __ task;
void task2 (void) __
task;
void task3 (void) __
task;
int main (void)
{
{
PINSEL0 = (1 << (8
* 2)) + (1 << (9* 2)) + (2 << 0); / / УстановитьпинP0.08 вTxD1 + P0.09 вRxD1 + P0.0 вPWM1
IODIR0 = (1 << 0) + (1
<< 1); / / Установить пины P0.1 и P0.2 выходами
IOSET0 = (1 << 2); / /
потушить светодиод P0.3
os_sys_init (task1) / * Старт ядра
RTX, создание и выполнение task 1.* /
}
void task1 (void) __ task {
id1 = os_tsk_create (task2, 0); / *
Создать задачу 2 и получить ее идентификатор * /
id2 = os_tsk_create (task3, 0); / *
Создать задачу 3 и получить ее идентификатор * /
os_tsk_delete_self (); /
/ Самоуничтожение Task3
}
/ / В Task2 выполняется опрос
датчиков. В следующей части кода / / реализован процесс запуска копии задачи
Task2 для каждого из датчиков.
{
tsk2_1 = os_tsk_create
(task2, 0); / / опросдатчикаУП
tsk2_2 = os_tsk_create
(task2, 0); / / опросдатчикаС1
tsk2_3 = os_tsk_create
(task2, 0); / / опросдатчикаС2
}
{Os_sys_init_user (
void (* task2) (void) / * Указатель
задачи, запускается
U1 prioritu, void *
stack, size of (stk1));
while (1);
}
os_dly_wait (50); / / Задержка 50 мс
{
os_sys_init_user (
void (* task3) (void) /
* Указательзадачи, запускается
U2 prioritu, void *
stack, size of (stk2));
while (1);
}
for (;)
{
AD1CR =(0x1 <<4);
os_dly_wait (1); / / Задержка 1 мс
ADC2 = AD1DR & (0x3ff <<4);
}
}
Заключение
В данной работе было спроектировано
устройство автоматического управления и разработана структура соответствующего
программного обеспечения для управления.
Были выбраны датчики, необходимые
для отслеживания состояния объекта, спроектированы схемы подключения датчиков и
исполнительных механизмов к микроконтроллеру, разработан блок питания системы
управления.
Были разработаны структурная и
функциональная схемы системы управления работой системы управления, а также
блок - схема алгоритма управляющей программы.
В результате данной работы были
получены и закреплены практические навыки проектирования программно-аппаратных
комплексов.
Список литературы
1. Методические указания к выполнению курсовой работы по дисциплине
«контроллеры и их программное обеспечение» (для студентов специальности
7.092501 «Автоматизированное управление технологическими процессами» дневной и
заочной форм обучения) / Сост. Е.И. Донченко. - Краматорск: ДГМА, 2007. - 24 с.
2. www.parsec.ru
. http://www.kit-e.ru
4. Технические средства и методы защиты информации: Учебник для
вузов / Зайцев А.П., Шелупанов А.А., МещеряковР.В. и др.; под ред. А.П. Зайцева
и А.А. Шелупанова. - М.: ООО
«Издательство Машиностроение», 2009 - 508 с.
. http://psj.ru