Автоматизированная система управления электроэрозионного станка на базе контроллеров фирмы Siemens

  • Вид работы:
    Дипломная (ВКР)
  • Предмет:
    Информатика, ВТ, телекоммуникации
  • Язык:
    Русский
    ,
    Формат файла:
    MS Word
    4,47 Мб
  • Опубликовано:
    2012-04-04
Вы можете узнать стоимость помощи в написании студенческой работы.
Помощь в написании работы, которую точно примут!

Автоматизированная система управления электроэрозионного станка на базе контроллеров фирмы Siemens

Содержание

Введение

Техническое задание

Исследование функций управления электроэрозионными станками и особенности технологии

.1 Общая характеристика электроэрозионного оборудования

.2 Описание существующего проволочного станка AC Classic V2

.2.1 Характеристики системы управления вырезного проволочного станка AC Classic V2

.3 Оболочка пользователя вырезного проволочного станка AC Classic V2 AGIEVISION

.3.1 Устройства управления и ориентация в интерфейсе оператора «AGIEVISION»

.3.2 Основные элементы экрана

.3.3 Описание объектов и создание проекта

.4 Постановка задачи и актуальность разработки автоматизированной системы управления электроэрозионного станка на базе контроллеров фирмы Siemens

Проектирование автоматизированной системы управления электроэрозионного станка на базе контроллеров фирмы Siemens

.1 Разработка структурной схемы автоматизированной системы управления

.2 Интерфейсы подключения системы управления электроэрозионного станка и их конфигурация

.2.1 Параллельный интерфейс

.2.2 Последовательный интерфейс RS232 (COM1, COM2)

.2.3 Специализированный интерфейс AGIEVISION

.2.4 Интерфейс подключения LAN к локальным сетям

.3 Выбор аппаратных средств контроллера SIMATIC S7-400 фирмы Siemens для организации интерфейса связи с системой управления электроэрозионного станка

.3 Проектирование программы для удаленного контроллера Simatic S7-400 фирмы Siemens

.4 Программирование контроллеров в пакете «SIMATIC Manager»

.5 Структура программы управления электроэрозионного станка

.6 Программирование панели оператора «OP170 B»

Техническая реализация проекта системы управления и диагностики параметров

.1 Настройка интерфейса подключения удаленного промышленного контроллера Simatic S7-400

.1.1 Установка программного обеспечения Remote Service Manager для организации сетевого подключения

.2 Установка связи c удаленном промышленным контроллером Simatic S7-400

.3 Описание программы управления и настройка удаленного контроллера к работе

.4 Отладка и тестирование

Экономическая часть

.1 Исследование экономических параметров базовой технической системы электроэрозионного станка

.2 Расчет затрат на разработку проекта автоматизированной системы

.3 Исследование экономических параметров проектируемой технической системы

.4 Анализ порога рентабельности проектируемой системы

.5 Анализ чувствительности проекта на изменение ключевых параметров

Безопасность жизнедеятельности

.1 Требования к ПЭВМ

.2 Требования безопасности электроэрозионных станков AGIECUT

.3 Меры безопасности

.3.1 Опасность поражения электрическим током

.3.2 Защитные приспособления

.3.3 Транспортировка

.3.4 Наладочные работы

.3.5 Работы в режиме электроэрозии

.3.6 Техническое обслуживание и уход

.4 Утилизация отходов

.4.1 Утилизация диэлектрика

.4.2 Утилизация вспомогательных средств

.5 Вывод

Заключение

Список использованной литературы

Введение

В современных условиях совершенствования производства необходимо наличие на современных предприятиях новых технических систем, которые несут в себе различные свойства улучшения работоспособности и увеличение производительности. На сегодняшний день перед руководителями технических предприятий стоит вопрос о поднятии производственного уровня на более высокую ступень. Этого можно достигнуть путем встраивания в автоматические комплексы обработки деталей станков с системами интеллектуального управления с применением новейших идей и разработок, увеличивающих область применения технических систем и улучшение их качества и быстродействия.

Решающим средством, обеспечивающим высокие темпы научного и технического прогресса, является комплексная механизация и автоматизация производственных процессов с исключенем операторов обслуживающих работу автоматизированных станков.

Управление различными процессами без вмешательства человека называется автоматическим управлением, а технические средства, с помощью которых оно осуществляется - средствами автоматики.

Важнейшим требованием, предъявляемым к устройствам автоматики, является высокая их надежность. Ненадежная работа системы автоматического управления (отказ или ошибка) может привести к нарушению производственного процесса и к другим тяжелым последствиям. Особенно большие требования предъявляется к надежности в связи с переходом от автоматизации отдельных агрегатов и операций к осуществлению автоматического регулирования и управления сложными технологическими процессами и к созданию полностью автоматизированных производств.

Особое значение приобретает использование автоматических систем в тех областях, где возможности человека не в состоянии обеспечивать должный уровень контроля над технологическим процессом. Это может касаться как быстро протекающих процессов (например, изменения напряжения), так и вредных факторов (например, ядерные реакции, химическое производство).

Применение средств и систем автоматики и вычислительной техники должно базироваться на знании основ этих предметов, а также принципов построения и особенностей работы автоматизированных систем управления.

Роль микроэлектроники в развитии общественного производства определяется ее практически неограниченными возможностями в решении различных задач. Адаптация микропроцессора к особенностям конкретной задачи осуществляется путем разработки управляющей программы. Аппаратная адаптация в большинстве случаев осуществляется путем подключения необходимых интегральных схем обрамления и организации ввода-вывода, соответствующих решаемой задаче.

На ОАО «АВТОВАЗ» в механосборочном производстве используется различное оборудования необходимое для производственных нужд. В большинстве случаев при разработке оборудования используются промышленные контроллеры. Одним из направления проектирования оборудования на базе промышленного контроллера является автоматизированный комплекс электроэрозионной обработки деталей.

Задача проектирования - разработка автоматизированной системы управления и контроля электроэрозионного станка на базе контроллеров фирмы Siemens

Техническое задание

Настоящее техническое задание распространяется на разработку системы контроля электроэрозионного станка AGI-Classic 2S и разработка тангенциального резца с четырех осевым профилем, предназначенные для текущего контроля электроэрозионного станка и одновременной прослеживаемости за обрабатыванием профиля тангенциального резца.

Основания для разработки

Автоматизированная система управления и контроля электроэрозионного станка на базе контроллеров фирмы Siemens разрабатывается на основании дипломного задания, утвержденного ректором ВУиТ №________________ от _______________

Тема: «Автоматизированная система управления электроэрозионного станка на базе контроллеров фирмы Siemens»

Источники для разработки

Источником для разработки автоматизированной системы управления электроэрозионного станка AGI-Classic 2S , разработка тангенциального резца с четырех осевым профилем и управления, является документация по организации производства на предприятии техническое описание, структурная схема, устройство и принцип работы электрооборудования, документация по функционированию, паспорт оборудования.

Общие технические требования

.1 Состав изделия

Автоматизированная система управления, разработка четырех осевого профиля и управления состоит из следующих компонентов:

-   телеметрическая сеть (главная (мастер) станция, DCE и удаленная станция);

-       оборудование мастер станции (промышленный персональный компьютер);

-       оборудование для удаленной станции (фиксированный контроллер SLC 500);

-       терминал оператора;

-       средства связи между модемом и контроллером (сеть ControlNet).

.2 Технические параметры

Телеметрическая сеть:

-   топология point-to-point;

-       полудуплексный протокол DF1;

-       режим передачи дуплекс.

Оборудование мастер станции:

-   компьютер серии 6180W фирмы Rockwell;

-       дисплей: 15 дюйм. Color TFT Display, 1024х768, 24bit;

-       процессор: Pentium IV 2,0 GHz;

-       жесткий диск: 40 Gbyte;

-       дисководы: CD-RW;

-       операционная система: OS/2 русская.

Оборудование для удаленной станции:

-   фиксированный контроллер SLC 500;

-       источник питания.

Терминал оператора:

-   дисплей цветной на ЭЛТ;

-       память приложений 1Mg (хранение прикладных экранов);

-       потребляемая мощность 300 VA AC максимум.

.3 Принцип работы

Автоматизированная система управления собирает информацию о состоянии эллектроэррозионного станка и контролирует рабочие параметры оборудования (состояние оборудование, время цикла, количество деталей, тип деталей и т.д.). Так же она ведет статистический учет фактической работы оборудования для планирования ремонтных операций.

.4 Программное обеспечение RS Logic

Операционная система OS/2, интегрированный пакет для разработки и

эксплуатации прикладных систем автоматизации, активная система отображений Active Display System.

Требования, предъявляемые к аппаратному обеспечению:

-   Pentium-совместимый процессор с частотой 133 Мгц или выше;

-       64 мегабайта (МБ) оперативной памяти (RAM);

-       Жесткий диск объемом 2ГБ, на котором имеется не менее 650 МБ свободного места.

Требования, предъявляемые к интегрированному пакету для разработки и эксплуатации прикладных систем автоматизации, активной системе отображений Active Display System:

-   PC с процессором Pentium Pro, тактовая частота 200 МГц;

-       оперативная память: 128 Мбайт;

-       емкость жесткого диска: 1 Гбайт;

графический адаптер VGA или SVGA (видеопамять 4 Мбайта).

.5 Условия эксплуатации

Условия окружающей среды должны соответствовать ГОСТ 12.2.049 «Система стандартов безопасности труда. Общие эргономические требования.

Организация рабочего места при оператора автоматизированной системы должна соответствовать санитарно-эпидемиологическим правилам и нормативам СанПиН 2.2.2/2.4.1340-03 «Гигиенические требования к персональным электронно-вычислительным машинам и организации работы».

Обслуживание осуществляется персоналом в составе:

оператор - технолог;

наладчик КИПиА.

.6 Требования к надежности

Автоматизированная система управления должна быть функционально пригодна, устойчива к ошибкам оборудования, сбоям. При этом простота использования не должна влиять на технологические процессы предприятия. Эффективность компьютерной сети должна быть экономичной и ресурсоемкой. Наличие антивирусного программного обеспечения повысит надежность сети предприятия.

.7 Требования безопасности

Требования к безопасности, связанные с монтажом, эксплуатацией, обслуживанием и ремонтом системы текущего контроля, разработки четырех осевого профиля и управления.

.8 Патентная чистота

Патентная чистота на разработку системы управления электроэррозионного станка AGI-Classic 2S и разработка тангенциального резца с четырех осевым профилем должна быть обеспечена в отношении стран входящих в содружество независимых государств СНГ.

Экономические показатели

Экономический эффект от внедрения автоматизированной системы управления рассчитываются на основании (затраты на разработку, затраты на приобретение оборудования, затраты на транспортировку, годовой экономический эффект, срок окупаемости затрат на внедрение, чистый доход, индекс доходности, расчет порога рентабельности, расчет запаса финансовой прочности, маржа безопасности).

Порядок контроля и испытаний

Тестирование автоматизированной системы управления, разработка четырех осевого профиля и управления должно проходить поэтапно:

-   расчет параметров системы;

-       использование специального программного обеспечения для тестирования.

Автоматизированная система управления электроэррозионного станка AGI-Classic 2S должны соответствовать ГОСТ 15.309 «Система разработки и постановки продукции на производства».

Испытания и приемка выпускаемой продукции. Основные положения.

1 Исследование функций управления электроэрозионными станками и особенности технологии

.1 Общая характеристика электроэрозионного оборудования

Электроэрозионные станки предназначены для автоматического изготовления деталей сложной формы из электропроводных материалов, как с вертикальной (цилиндрической), так и с наклонной (конической) образующей, в том числе профилей с переменным углом наклона и различными контурами в верхней и нижних плоскостях обрабатываемого изделия - деталей вырубных штампов, пресс-форм, матриц-пуансонов, фасонных резцов, шаблонов и др.

Модельный ряд включает проволочно-вырезные станки 2-х и 5-ти (рисунок 1.1) координатной контурной обработки. Все электроискровые станки оснащены системой числового программного управления (ЧПУ) с компьютерным управлением и генератором технологического тока, позволяющим производить обработку в обыкновенной водопроводной воде.

Рисунок 1.1 - Электроэрозионные станки

Все модели электроэрозионных станков погружного типа, что позволяет в отличие от струйных станков эффективно обрабатывать контуры в деталях полых труб, выполнять контурную резку многослойных плит с пустотами между слоями (очень важно при пакетной обработке штампов) и т.п.

На всех моделях электроискровых станков может применяться практически любая недорогая проволока (латунная, молибденовая, медная) без изоляционного покрытия диаметром от 0,05 до 0,3 мм.

Система ЧПУ выполнена на базе современной ЭВМ с 32-разрядным математическим обеспечением. Математическое обеспечение и аппаратная часть систем ЧПУ разрабатывается специально для электроискровых проволочно-вырезных станков, имеющих ряд принципиальных отличий и нюансов по сравнению с другими видами металлообрабатывающего оборудования. Интерфейс оператора состоит из цветного графического 17" LCD монитора, клавиатуры и органов управления лицевых панелей.

Электроэрозионные станки оснащены системой подготовки управляющих программ, которая обеспечивает получение управляющих программ непосредственно c чертежа, разработанного в Autodesk AutoCAD.

.2 Описание существующего проволочного станка AC Classic V2

Вырезной проволочный станок AC Classic V2 является универсальным станком для классического инструментального производства. Особенностями данного станка является:

низкие эксплуатационные расходы;

выбор обработки (обработка в ванне или коаксиальная промывка с дополнительной водяной рубашкой);

простота эксплуатации;

широкий спектр технологий;

система управления Agievision для оптимального ввода данных и планирования процесса.

Основные технические характеристики вырезного проволочного станка AC Classic V2 (рисунок 1.2) перечислены в таблице 1.1

Таблица 1.1 - Основные технические характеристики вырезного проволочного станка AC Classic V2

Станок

Характеристики

Габариты станка (Длина x Ширина x Высота)

1640 x 2040 x 2220 мм

Общий вес (без диэлектрика)

2680 кг

Оси X, Y, Z


Ход осей X, Y, Z

350 x 250 x 256 мм

Станок

Характеристики

Ход осей U,V

± 70 мм

Конусный угол/высота

± 30°/100 град/мм

Рабочая зона


Макс. размеры заготовки (Ширина Х Глубина Х Высота)

750 x 550 x 250 мм

Макс. вес заготовки (с / без ванны)

200/450 кг

Объем диэлектрика

750 л

Проволочный контур


Стандартные диаметры проволоки

0.33 - 0.15 мм

Доспутные диаметры проволоки (опция)

0.10 - 0.07 мм

Качество обработки


Минимальная шероховатость поверхности (Ra) стандартная

0.2 мкм

Минимальная шероховатость поверхности (Ra) с SF модулем

<0.1 мкм


Рисунок 1.2 - Вырезной проволочный станок AC Classic V2

Электроэрозионный станок успешно применяется в области обработки металлов. Однако новый импульс развитию данной технологии стало изобретение нового, высокотехнологичного оборудования на основе электроэрозии. Сегодня электроискровой станок - это полуавтоматические устройства, требующие минимального участия в процессе обработки человека.

В настоящее время данный станок поддерживает только полуавтоматическое функционирование и не может встраиваться в автоматические линии и другие автоматизированные комплексы в связи с тем, что автоматизированная система не связана с удаленным компьютером который полностью контролирует и управляет технологией и производством деталей.

.2.1 Характеристики системы управления вырезного проволочного станка AC Classic V2

В целом вырезной проволочный станок AC Classic V2 состоит из следующих основных узлов (рисунок 1.3):

- импульсный генератор;

- система перемотки проволоки;

- рабочая зона;

- бункер для отработанной проволоки;

- управление осями;

- электропитание;

- ЧПУ;

- диэлектрический агрегат;

- пульт ручного управления;

- консоль;

- ёмкость для диэлектрика;

- дисковод для компакт-дисков + дисковод для дискет.

Управление станком производится с помощью двух узлов - пульта ручного управления и консоли оператора.

Система управления станком содержит специализированный программный пакет, с помощью которого настраиваться и эксплуатируется станок.

Система управления имеет следующие характеристики:

. Управление и ввод данных:

выносной пульт для управления осями X/Y/U/V/Z, рабочими функциями привода проволоки, рабочего резервуара и измерительных циклов с ЖКИ индикатором и электронным маховиком;

консоль оператора AGIEJOGGER 15"Yдюймовый цветной ЖКИ дисплей, клавиатура, мышь, CD, FDD;

интегрированный интерфейс оператора AGIEVISION объектно-ориентированный интерфейс «оператор-машина»;

операционная система Windows XP;

многопроцессорный режим работы;

CPU (процессоры) Pentium M 1.1 GG для ЧПУ и интерфейса оператора;

сервоуправляемые оси X/Y/Z/U/V;

дополнительная сервоуправляемая ось A;

абсолютный и относительный формат команд;

наименьший программируемый шаг 0.1мкр;

максимальный офсет 6 мм.

Рисунок 1.3 - Основные узлы вырезного проволочного станка AC Classic V2

. Модули и функции:

упрощенное создание программ обработки EASYWORK;

измерительные циклы для автоматического определения положения заготовки AGIESETUP 2D;

измерительные циклы для автоматического определения
плоскости и положения заготовки AGIESETUP 3D;

автоматический выбор технологии по заданным условиям обработки TECCUT;

получение специфических данных по обработке из систем CAD/CAM CAMLINK;

стандартные технологии обработки AUTOSEQUENCE;

пользовательские технологии обработки USERSEQUENCE;

возможность обработки срочных деталей во время выполнения
основной программы PIECEINSERT;

DNC подключение по протоколам Xon/Xoff и LSV2DNC;

функция справки, пояснения с текстом и графикой HELP и Online-руководство;

моделирование обработки в 2D и 3D видах GRAFICHECK;

проверка вводимых данных FORMALCHECK и протоколирование вводимых данных;

простое создание шаблонов обработки WORKMODEL;

упрощенное выполнение команд EASYRUN;

автоматическое создание последовательности обработки для комплекта заготовок LOTTO;

перезаправка проволоки после обрыва, при неудачной попытке и перезапуск станка после сбоя в электропитании;

ёмкость памяти жёсткий диск 20 ГБайт, ОЗУ 512 MБайт;

интерфейсы 2 x RS232C, 1 x параллельный, 1 LAN (локальная сеть), 1 USB;

носители данных CD-ROM.

. Подключения:

номинальная мощность подключения 9.7 кВА;

сетевое напряжение 3 x 400 В;

сжатый воздух бар, 5 м3/ч;

необходимая производительность по охлаждению 1.5 кВт.

.3 Оболочка пользователя вырезного проволочного станка AC Classic V2 AGIEVISION

С появлением программного обеспечения AGIEVISION коренным образом изменился способ управления станком. От оператора больше не требуется преобразовывать требования обработки в программу с машинными кодами и командами. Станок сам говорит на языке оператора. Оператор при этом мыслит привычными категориями реального трехмерного мира - мира электроэрозионной обработки деталей.

Благодаря инновационному построению AGIEVISION оператор может описывать выполняемые работы с помощью понятий обычного языка своего производства.

Это описание может выполняться в разное время и различным способом и изменяться в зависимости от требований и имеющейся информации. При этом используются понятия из реального мира оператора (ОБЪЕКТЫ), характеристики которых и описываются.

Консоль или рабочее место оператора является связующим элементом между оператором и станком. В ней собраны элементы обслуживания, коммуникации и контроля станка. Основой оболочки пользователя является операционная система OS/2 Warp (Operating System / 2), из которой получают определенные функции и команды.

Интерфейс оператора «AGIEVISION» отображается на экране жидкокристаллического дисплея (рисунок 1.4).

Консоль оператора состоит из следующих узлов:

- дисплей;

2 - функциональные клавиши (F4... F9 соответствуют клавишам внизу экрана);

- буквенно-цифровая клавиатура;

- клавиши курсора;

- числовая клавиатура;

- мышь.

Рисунок 1.4. - Интерфейс оператора «AGIEVISION»

Клавиатура: для ввода данных клавиатура делится на четыре области, а именно:

функциональные клавиши;

буквенно-цифровая клавиатура;

клавиши перемещения курсора;

числовая клавиатура.

Работа консоли оператора определяется так называемой проектной программой, которая создается и загружается в память панели при помощи прикладной системы «AGIEVISION». Проектная программа сохраняется в памяти консоли при помощи батареи автономного питания.

Консоль оператора по отношению к компьютеру является активным устройством. Консоль оператора связывается с компьютером с помощью последовательного интерфейса. Данные, которые панель оператора считывает из компьютера или записывает в него, можно разделить на две категории:

читаемые/записываемые значения данных из области пользователя;

читаемые/записываемые значения из области данных, зарезервированной для консоли.

Первая категория - это данные, которые консоль автоматически запрашивает из тех адресов памяти компьютера, которые были заданы в проектной программе пользователя, или посылает (если находится в режиме ввода значений данных) в те же адреса, если они доступны для записи.

Вторая категория - это область из слов, зарезервированных в оперативной памяти компьютера, доступной пользователю. Она делится на две части:

область данных, изменяемых панелью оператора;

область данных, изменяемых контроллером.

Изменяемые консолью оператора данные включают два следующих блока:

метки состояния клавиш;

системные слова состояния консоли.

Изменяемые компьютером данные включают:

метки состояния светодиодов передней панели и слово состояния компьютера;

метки состояний специальных сообщений.

В процессе работы промышленный компьютер при выполнении программы в зависимости от текущей ситуации изменяет метки в области данных. Панель оператора, опрашивая область данных контроллера и учитывая измененные метки, выводит на дисплей соответствующую информацию. Измененные панелью метки в области данных промышленного компьютера используются в программе пользователя в качестве управляющих воздействий.

Область данных компьютера, зарезервированная для консоли оператора, располагается в оперативной памяти компьютера, доступной пользователю. Адрес начала этой области назначается при программировании панели оператора в системе «AGIEVISION».

Компьютер имеет возможность выдавать на дисплей консоли до 400 специальных сообщений, например, аварийных. С этой целью в области зарезервированных данных для консоли отводятся 16 слов. Каждый бит в этих словах отвечает за одно специальное сообщение. Если какая-либо метка установлена компьютером, а в консоли оператора имеется текст, соответствующий этой метке, то этот текст с информацией о времени возникновения, прекращения и подтверждения приема будет выведен на дисплей консоли оператора, а также сохранен в архиве поступивших экстренных сообщений.

Консоль оператора имеет два основных режима работы:

. Управляющий режим (Operation mode).

. Режим конфигурации (Configuration mode).

В управляющем режиме можно просматривать и модифицировать определенные в проектной программе данные при помощи клавиатуры и дисплея.

В режиме конфигурации консоль оператора программируется при помощи персонального компьютера для работы с требуемым типом консоли.

После включения питания консоль оператора автоматически входит в управляющий режим, если ранее была загружена проектная программа. Если программа отсутствует, консоль входит в режим конфигурации. На экране появляется строка «Configuration mode», и для перехода в управляющий режим в терминал необходимо загрузить проектную программу.

Чаще всего для перемещения по экрану применяется устройство-указатель - мышь.

После инициализации станка система выводит на экран страницу «Подготовка рабочей зоны» (рисунок 1.5).представлена на экране в виде трёх самостоятельных окон: левого, правого и нижнего горизонтального.

Такое разделение экрана позволяет оператору охватить единым взглядом сразу всю информацию о выполняемых на станке действиях.

В многозадачном режиме можно выполнять одновременно различные действия, например во время эрозионной обработки одной заготовки можно выполнять редактирование другой операции.

Многооконная организация экрана AGIEVISION позволяет помимо отображения выполняемых действий одновременно выполнять несколько задач, т.е. обеспечивает работу в многозадачном режиме.

Рисунок 1.5 - Основное окно «AGIEVISION»

.3.1 Устройства управления и ориентация в интерфейсе оператора «AGIEVISION»

Основное управление в интерфейсе оператора «AGIEVISION» основывается на управлении с помощью следующих устройств:

. Устройство «мышь».

«Мышь» - устройство, наиболее часто применяющееся для обслуживания пользовательской оболочки программного обеспечения AGIEVISION. Поставляемая вместе со станком «мышь» имеет две клавиши, причём для работы с AGIEVISION используются обе.

Мышь служит для перемещения указателя по экрану (как правило, это стрелочка) в то место, где оператор собирается произвести действие. С помощью клавиш мыши можно выполнять различные действия (выбирать опции и запрашивать команды).

. Функциональные клавиши.

Функциональные клавиши обеспечивают быстрый доступ к наиболее часто применяемым функциям в зависимости от активированного окна. Выбрать эти функции можно с помощью мыши или при нажатии функциональных клавиш F4...F9 на клавиатуре.

Функциональная клавиша FENSTER (Окно) всегда первая: с её помощью можно просматривать подряд содержание окон. Обозначение следующих функциональных клавиш меняется в зависимости от активированного окна.

При выборе одной из иконок режимов обработки вы увидите на экране соответствующую структуру окон. Активированное окно будет находиться в «фокусе», т.е. появится на переднем плане. Имя этого окна будет аналогично названию выбранной иконки режима обработки. Можно также активировать окно с помощью опции Window (Окно) в меню.

.3.2 Основные элементы экрана

В этой строке в верхней части экрана даны имя и номер версии программного обеспечения для управления станком. Справа в строке заголовка находятся пиктограммы (иконки) выбора режимов обработки. Это графические символы на экране, обозначающие основные режимы обработки.

С помощью этих пиктограмм можно просто и быстро скомпоновать окна, необходимые для выполнения основных режимов работы, таких как: «Подготовка рабочей зоны», «Выполнение заготовки», «Описание заготовки», «Управление файлами» и «Графический контроль» и «Easyrun». Для того чтобы составить окна для основных режимов обработки, необходимо щёлкнуть по соответствующей пиктограмме 1 раз левой клавишей мыши.

Пиктограмма «Ручной режим обработки», (Manual)

с помощью данной пиктограммы производится выбор трёх окон для «Подготовки рабочей зоны».

Пиктограмма «Эрозия»,
с помощью данной пиктограммы производится выбор трёх окон для «Выполнения заготовки».

Рисунок 1.6 - Пиктограммы основного управления «AGIEVISION»

Пиктограмма «Описание» , с помощью данной пиктограммы производится выбор трёх окон для «Редактирования заготовки» («Pieceditor»).

Пиктограмма «Обмен данными»,
с помощью данной пиктограммы производится выбор трёх окон для «Управления файлами».

Динамические пиктограммы при выполнении какой-либо работы или команды связаны с важнейшими окнами: в зависимости от состояния заданных для них действий эти пиктограммы могут изменять свой символ или цвет.

Изменение активных (динамических) пиктограмм зависит от процесса обработки.

.3.3 Описание объектов и создание проекта

Следующим элементом, необходимым для описания объекта, является «Книга».

Графически книга похожа на обычную книгу со множеством страниц,

поделённых на разделы и имеющих указатели. С её помощью можно выводить на экран данные и установки для выбранного объекта.

Рассмотрим подробнее содержание книги. Для этого выберем вертикальный указатель GEOMETRIE (Геометрия).

Книга имеет много страниц, поделённых на разделы, обозначенные вертикальными и горизонтальными указателями.

Вертикальные указатели делят «Книгу» (рисунок 1.7) на несколько разделов (основные объекты) с соответствующими заголовками. С помощью горизонтальных указателей происходит дальнейшее дробление этих разделов (группы данных).

Рисунок 1.7 - Вид «Книги» для описания объекта «AGIEVISION»

Внизу на каждой странице находятся функциональные клавиши, которые соответствуют функциям, часто применяемым на страницах книги. Эти функции одинаковы для всех «наслоённых» страниц и запрашиваются только с помощью мыши. OK - с помощью этой функции можно закрыть книгу, сохранив введённые данные. Cancel (Отмена) - с помощью этой функции книга закрывается без записи введённых данных.

Функциональные клавиши для каждой отдельной страницы позволяют, например, задать для соответствующего объекта файлы, записать или удалить выбранные опции.

Такой вид изображения типичен для операционной системы OS/2 и позволяет показать на экране все элементы какого-либо объекта.

Для того чтобы показать содержание объекта , например "Demo C3_1”, следует нажать 1 раз левой клавишей мыши на знак “+”, который находится перед объектом.

Такая структура дерева позволяет показать все элементы, из которых собственно, и состоит объект.применяет структуру дерева для показа и/или изменения значений, касающихся элементов какого-либо выбранного объекта; а нажатием правой клавиши мыши можно выбрать желаемую функцию из контекстного меню. Это означает, что вы можете, например, производить какие-либо вмешательства во время процесса обработки.

В пакете проектирования имеется библиотека, содержащая множество графики и широкий спектр рисунков. В качестве графического редактора может использоваться любой редактор с интерфейсом OLE (например, Paint Shop, Designer или CorelDraw):

векторную графику - основные геометрические фигуры (например, линии, окружности и прямоугольники);

статические тексты для обозначения функциональных клавиш, кадров и параметров процесса с любым размером шрифта;

тренды и гистограммы используются для визуализации переменных величин;

выбор кадра с ПЛК. ПЛК может формировать приглашение для переключения кадра оператором;

выбор языков, 5 динамически переключаемых языков, всего доступен 21 язык, включая азиатские и кириллические;

защита паролем с 10 уровнями доступа;

система сообщений, настройка сообщений состояния, аварийных и системных сообщений;

управление рецептами;

с помощью дополнительной памяти данных (на CF-карте);

прямое/автономное редактирование на панели;

хранение рецептов в стандартном формате Windows (CSV);

внешняя обработка с помощью стандартных пакетов Excel или Access.

текстовая справка для кадров, сообщений и переменных;

математические функции;

мониторинг уставок для надежного контроля входных и выходных параметров процесса;

индикаторная подсветка для индикации состояния агрегата или установки;

таймер для обработки циклических функций;

печать; твердая копия и печать сообщений;

динамическое перемещение и скрытие/отображение объектов;

резервирования/восстановления конфигурации, операционной системы, пользовательских и системных данных с использованием опциональной CF-карты (карта Compact Flash);

резервирования/восстановления конфигурации, операционной системы, пользовательских и системных данных на ПК с помощью ProSave;

загрузки/выгрузки конфигурации по MPI/PROFIBUS DP/RS232 и на CF -карту (опционально);

индивидуальной настройки и калибровки контрастности;

отсутствия необходимости использования батарей.

1.4 Постановка задачи и актуальность разработки автоматизированной системы управления электроэрозионного станка на базе контроллеров фирмы Siemens

Для встраивания данных видов станков в автоматические линии, либо комплексы возникает необходимость управления данным станков полностью в автоматизированным режиме. На ОАО «АВТОВАЗ» зачастую за основную систему управления автоматических линий обработки деталей выбирают промышленный контроллер, который выполняет активную роль управления и связывается с объектами управления с помощью сетевых интерфейсов.

Для оценки и разработки данного проекта необходимо рассмотреть аппаратную часть станка, оценить интерфейс связи с удаленным контроллером, произвести настройку программного обеспечения и полностью наладить станок в автоматизированном режиме работы.

Данная автоматизированная система позволяет упростить диагностику и управление станком за счет исключения релейных управляющих устройств и совмещения удаленного контроллера и консоли оператора, что приведет к повышению надежности. Использование удаленного контроллера для управления и диагностики неисправностей приведет к улучшению обслуживания и ремонта оборудования и как следствие сокращению времени простоя в ремонте.

Таким образом, возникает задача разработки автоматизированной системы управления электроэрозионным станком AC Classic V2 AGIEVISION для встраивания его в автоматические линии обработки деталей и управления им в автоматизированном режиме используя удаленный контроллер.

2 Проектирование автоматизированной системы управления электроэрозионного станка на базе контроллеров фирмы Siemens

.1 Разработка структурной схемы автоматизированной системы управления

Цель - управление и диагностика параметров электроэрозионного станка и процесса в целом. Для этого необходимо проанализировать принцип работы по имеющейся технической документации и создать автоматизированную систему согласно полученным данным.

Конфигурация системы - связь между удаленным контроллером, консолью оператора осуществляется с использованием интерфейсов поставляемых совместно со станком. Наличие интерфейса должно дополнительно настраиваться в системе управления станка и также в удаленном контроллере.

Рисунок 2.1 - Структурная схема управления

Выбор структурной схемы управления, заключается в выборе значений процесса и состояний оборудования которые необходимо контролировать и которыми необходимо управлять, а также отображать на консоли оператора, и какие типы объектов понадобится для этого сконфигурировать.

2.2 Интерфейсы подключения системы управления электроэрозионного станка и их конфигурация

Рассмотрим существующие наиболее часто применяемые последовательные и параллельные интерфейсы. Таким образом, рассмотрим возможные варианты подключения подключение удаленного контроллера к станкам AC CLASSIC.

Поставляются следующие интерфейсы (рисунок 2.2):

LPT-порт - параллельный CENTRONIC, зарезервированный для принтера;

2 последовательных интерфейса RS 232 V24;

интерфейс LAN 10/1000 Мбит/сек для сетевых подключений, TCP/IP или NETBEUI, разъём RJ45 + AUI (Agiecut Classic);

интерфейс Agie для управления периферийными устройствами.

Рисунок 2.2 - Возможные интерфейсы станка AC CLASSIC

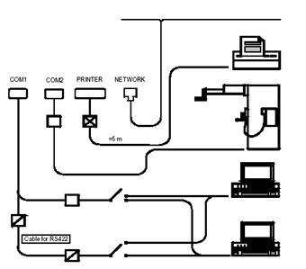
2.2.1 Параллельный интерфейс

К совместимому с Centronic параллельному интерфейсу (рисунок 2.3) (25-контактное гнездо SUB-D), можно подключить принтер, который служит для локальной печати (длина кабеля £ 5 м). Для этого требуется соответствующий адаптер между соединительным кабелем и штекерным соединением.

Адаптер DTR-52 служит для параллельного интерфейса фильтром против электромагнитных помех и не является гальванической развязкой.

Сигналы на разъёмах станка и внешних устройств идентичны и приведены в таблице на следующей странице.

Рисунок 2.3 - Структурная схема подключения системы управления станка по параллельному интерфейсу

.2.2 Последовательный интерфейс RS232 (COM1, COM2)

Последовательный интерфейс системы управления AGIEVISION служит для подключения различных устройств (рисунок 2.4), однако ограничение скорости передачи данных согласно стандартов (115 кБот/сек) имеет самый значительный минус в его использовании.

Рисунок 2.4 - Структурная схема подключения системы управления станка по последовательному интерфейсу

Плата DTR 39 является внешней платой-адаптером. Он используется для гальванической развязки шины RS232C с сигналами и 25-контактным (IBM совместимым) разъемом. Для платы DTR 39 необходимо питание +5 В. Если плата DTR 39 подключается непосредственно к управлению AGIEVISION, то он получает питание непосредственно от станка. Выход со стороны периферийных устройств на 100% совместим с IBM.

Плата DTR 39 предназначена для внешнего подключения на станках AGIE. Ее применение является обязательным в соответствии с Европейскими нормами безопасности EN 50082-2.

Если плата DTR 39 не обеспечивается необходимым для функционирования питанием (5В, 250 мA постоянного тока) от разъёма станка, то к ней следует подключить небольшой внешний источник питания. Для этого на DTR 39 предусмотрено дополнительное гнездо диаметром 3,5 мм. Благодаря этому гнезду можно использовать DTR 39 с любым типом интерфейса RS232C, совместимым с IBM, даже если соединитель интерфейса не обеспечивает необходимое питание адаптера.

2.2.3 Специализированный интерфейс AGIEVISION

Интерфейс ввода-вывода поставляется в виде дополнения ко всем станкам серий Classic, Evolution и Innovation. Интерфейс ввода-вывода служит для активизации периферийных устройств, таких как телефонная сигнализация, дополнительные оси и устройства специального назначения (собственной разработки). Он сопоставим с предыдущим М-кодовым интерфейсом. Возможно подсоединение любых устройств, для которых требуется контакт релейного типа с гальванической развязкой и состоянием «открыт-закрыт» в качестве управляющего сигнала.

Каждому выходу управляющего сигнала соответствует вход, использование которого зависит от выбранной функции. Имеется 8 входов и выходов. Существует несколько способов программирования входа и выхода контакта с помощью управляющей программы AGIEVISION.

Можно выбрать следующие функции:

установка разряда;

ожидание разряда;

сброс разряда;

установка порта;

ожидание порта;

ввод импульса.

Выходы и входы рассчитаны на 24 В. Питание периферийных устройств от оборудования не осуществляется, поэтому для них требуется собственный источник питания.

В станках версии AUTOMATION данный дополнительный интерфейс уже установлен, и использовать все его 8 каналов нельзя,поскольку два канала отведены для автоматической дверцы. Если вам необходимы все 8 входов и выходов (функциональный порт), следует поставить второй интерфейс.

В версии AGIETRON INNOVATION соответствующее аппаратное обеспечение уже установлено; функция приводится в действие по паролю.

Дополнительный интерфейс ввода-вывода является модернизируемым устройством. Если его заказ производился одновременно с заказом основного оборудования, никакой дополнительной работы не требуется. Во всех версиях AUTOMATION этот интерфейс уже установлен и используется для активации автоматической загрузочной дверцы. Однако четыре из его восьми входов-выходов остаются свободными и могут быть соединены с другими периферийными устройствами. Это входы и выходы с 4 по 7.

Установка интерфейса в трёх разных версиях оборудования производится по-разному. Для версий AGIECUT CLASSIC и EVOLUTION требуется дополнительное оборудование от фирмы AGIE, а в случае AGIETRON INNOVATION необходимо только провести обновление пароля для разрешения работы.

2.2.4 Интерфейс подключения LAN к локальным сетям

Станок снабжен сетевой картой с выходным разъёмом (AUI) и может быть подключен к локальной вычислительной сети (LAN).

Обмен данными однонаправленный. Станок может обмениваться данными со всеми персональными компьютерами сети, на которых установлены операционные системы OS/2 Warp v.4 или Windows NT / Windows 2000 Professional. Обмен данными с операционными системами Windows 95 и 98 невозможен из-за технической несовместимости.

Все станки снабжены сетевой картой с сетевым (Ethernet) выходным разъёмом типа RJ45 и AUI (Agiecut Classic).

Протокол NETBEUI (NetBIOS) является стандартным протоколом, устанавливаемым на станках Agiecut Classic. Протокол TCP/IP может быть сконфигурирован в качестве альтернативного.

Протокол TCP/IP (рисунок 2.5) является стандартным протоколом для установления на станках Agiecut Challenge, Evolution, Excellence Vertex и Agietron Impact, Innovation, Exact(Система распределённого числового программного управления) служит для передачи данных по кабелю с удаленного контроллера на станок, используя для этого протоколы передачи данных Xon/Xoff или LSV2. Подобную возможность могут обеспечить пакеты программ для ЧПУ, предоставленные третьей стороной (необходимую документацию можно заказать на фирме AGIE под именем «Описание интерфейсов DNC LSV2»), или программное обеспечение AGIEVISION PC, предоставляемое фирмой AGIE.

Протокол передачи данных посредством обмена сообщениями между двумя станциями через последовательный интерфейс в соответствии с нормативами SIEMENS LSV2 (DIN 66019).

Рисунок 2.5 - Структурная схема подключения системы управления станка по интерфейсу LAN

Интерфейс DNC (ЧПУ) и AGIEVISION PC являются стандартными модулями программного обеспечения AGIEVISION на станках Agiecut Classic, Challenge, Evolution, Excellence, Vertex и Agietron Iimpact, Innovation, Exact.

Персональный компьютер с инсталлированным на нём AGIEVISION PC можно подключать к станкам AGIE без установки каких-либо дополнительных пакетов программного обеспечения.

Подсоединение персонального компьютера к станку AGIE может быть выполнено как средствами заказчика, так и с помощью комплектующих материалов фирмы AGIE.

.3 Выбор аппаратных средств контроллера SIMATIC S7-400 фирмы Siemens для организации интерфейса связи с системой управления электроэрозионного станка

S7-400 - это модульный программируемый контроллер, предназначенный для построения систем автоматизации средней и высокой степени сложности. Несколько типов центральных процессоров различной производительности и широкий спектр модулей с множеством встроенных функций существенно упрощают разработку систем автоматизации на основе SIMATIC S7-400. Если алгоритмы управления становятся более сложными и требуют применения дополнительного оборудования, контроллер позволяет легко нарастить свои возможности установкой дополнительного набора модулей.

Система автоматизации S7-400 имеет модульную конструкцию. Она может комплектоваться широким спектром модулей, устанавливаемых в монтажных стойках в любом порядке (рисунок 2.6).

Простота конструкции S7-400 существенно повышает его эксплуатационные характеристики. Модули устанавливаются в свободные разъемы монтажных стоек в произвольном порядке и фиксируются в рабочих положениях винтами. Фиксированные места занимают только блоки питания, первый центральный процессор и некоторые интерфейсные модули.

Рисунок 2.6 - Контроллер SIMATIC S7-400

Программируемые контроллеры SIMATIC S7-400 могут комплектоваться 7 типами центральных процессоров. Центральные процессоры отличаются друг от друга различной вычислительной мощностью, объемами памяти, количеством встроенных интерфейсов и другими параметрами. Предлагаемая гамма центральных процессоров позволяет легко адаптировать контроллер к требованиям конкретной решаемой задачи.

Для линии роботизированной сварки рассматриваемой в данном дипломном проекте выбирается процессор CPU 416-2. Этот процессор необходим для построения сложных систем автоматического управления со сложными алгоритмами обработки информации и интенсивным сетевым обменом данными.

Центральные процессоры S7-400 выпускаются в пластиковых корпусах и снабжены одинаковым набором элементов управления и индикации. С тыльной стороны корпуса расположены соединительные гнезда для подключения к внутренней шине контроллера. Центральные процессоры с одним или двумя встроенными интерфейсами имеют ширину корпуса 25 мм и подключаются к внутренней шине контроллера через один разъем монтажной стойки. Центральные процессоры с тремя и четырьмя встроенными интерфейсами имеют ширину корпуса 50 мм и подключаются к внутренней шине контроллера через два разъема монтажной стойки.

К контроллеру SIMATIC S7-400 управляющему автоматическим комплексом обработки деталей, в состав которого входит система управления электроэрозионного станка, подключаются различные модули, предназначенные для контроля потоков данных, преобразования сигналов, решения типовых задач управления. Все модули устанавливаются на монтажную стойку. Монтажные стойки являются несущей основой, предназначенной для установки модулей, подключение модулей к цепям питания и внутренней шине контроллера.

Модули необходимы для увеличения скорости обработки данных контроллером. Большинство параметров модулей настраивается программным путем с помощью утилиты Hardware Configuration пакета STEP 7.

Сигнальные модули предназначены для ввода и вывода дискретных и аналоговых сигналов контроллера. Сигнальные модули выпускаются в пластиковых корпусах. На их фронтальных панелях расположены светодиоды индикации. Количество и назначение светодиодов зависит от типа модуля. За защитной дверцей расположен разъем для установки фронтального соединителя. На тыльной стороне защитной дверцы нанесена схема подключения внешних цепей модуля, на фронтальной стороне дверцы расположен паз для установки этикетки с маркировкой внешних цепей.

Сигнальные модули включают в свой состав:

модули ввода дискретных сигналов SM 421. Эти модули предназначены для преобразования входных дискретных сигналов контроллера в его внутренние логические сигналы. К входам модулей могут подключаться контактные датчики, а также бесконтактные датчики BERO;

модули вывода дискретных сигналов. Модули предназначены для преобразования внутренних логических сигналов контроллера в его выходные дискретные сигналы. К выходам модулей могут подключаться соленоидные вентили, реле, контакторы, сигнальные лампы, небольшие двигатели и т.д.;

модули ввода аналоговых сигналов. Предназначены для аналого-цифрового преобразования входных аналоговых сигналов контроллера и формирования цифровых величин, используемых центральным процессором в процессе выполнения программы. К входам модулей могут подключаться датчики с унифицированными выходными электрическими сигналами напряжения или силы тока, термопары, термометры сопротивления. Выбор вида входного сигнала (сила тока, напряжение, термо-ЭДС или сопротивление) производится аппаратно установкой кодового элемента в одно из четырех возможных положений. Кодовые элементы устанавливаются в разъемы, расположенные в боковой стенке сигнального модуля. Кодовые элементы входит в комплект поставки каждого из перечисленных модулей ввода аналоговых сигналов;

модули вывода аналоговых сигналов предназначены для цифро-аналогового преобразования внутренних цифровых величин контроллера и формирования его выходных аналоговых сигналов. Выбор вида выходного сигнала производится соответствующей схемой подключения модуля. Выбор диапазона изменения выходного сигнала производится с помощью утилиты Hardware Configuration пакета STEP 7;

Функциональные модули предназначены для решения типовых задач автоматического управления, к которым можно отнести задачи скоростного счета, позиционирования, автоматического регулирования и т.д. Кроме того, в составе программируемых контроллеров SIMATIC S7-400 могут использоваться модули FM 458-1DP, предназначенные для решения сложных задач автоматического управления со скоростной обработкой информации.

Функциональные модули включают в свой состав:

модуль скоростного счета FM 450-1. Это интеллектуальный модуль 2-канального счетчика. Модуль позволяет производить подсчет импульсов инкрементальных декодеров перемещения, контролировать импульсные сигналы различных датчиков (например, фотоэлектронных барьеров), выполнять функции сравнения содержимого счетчиков с заданными значениями и выдавать дискретные сигналы на встроенные дискретные выходы. Все операции выполняются автономно, что позволяет существенно разгрузить центральный процессор контроллера. Питание датчиков осуществляется от встроенного в модуль блока питания.

модуль позиционирования с укоренной подачей FM 451. Интеллектуальный модуль FM 451 применяется для решения задач позиционирования по 3 осям с ускоренной подачей рабочего органа. Он способен управлять работой приводов, оснащенных стандартными двигателями. Воздействия на двигатели формируются контакторами или преобразователем частоты. Текущие координаты перемещения контролируются с помощью инкрементальных или синхронно-последовательных (SSI) датчиков положения.

Помимо модуля FM 451 система позиционирования включает в свой состав центральный процессор контроллера S7-400, программатор PG и, при необходимости, панель оператора ОР. Обмен данными между модулем и центральным процессором обеспечивается стандартным функциональным блоком.

модуль электронного командоконтроллера FM 452. Модуль предназначен для формирования последовательности команд по аналогии с кулачковым командоконтроллером. Запуск последовательности операций производится по сигналу датчика положения, подключенного к входу модуля. Модуль способен работать с инкрементальными и синхронно-последовательными датчиками позиционирования и позволяет использовать для формирования команд до 32 кулачков, воздействующих на состояния 16 встроенных дискретных выходов.

модуль автоматического регулирования FM 455. Модуль является универсальным интеллектуальным 16-канальным модулем, который применяется для решения широкого круга задач автоматического регулирования. На его основе могут быть построены системы регулирования температуры, давления, потока и других параметров. Позволяют создавать программируемые структуры автоматического регулирования и использовать интерактивную систему адаптации систем регулирования температуры. Регуляторы, построенные на основе FM 455, способны продолжать свою работу даже в случае остановки центрального процессора контроллера.

.3 Проектирование программы для удаленного контроллера Simatic S7-400 фирмы Siemens

«Стандартным» способом выполнения программы в программируемых логических контроллерах, является циклическая обработка программы означающая, что операционная система выполняет программный цикл и вызывает организационный блок OB1 один раз в каждом цикле главной программы. Поэтому программа пользователя в OB1 исполняется циклически.

Циклическая обработка программы может быть прервана определенными событиями (прерываниями). Если происходит такое событие, блок, обрабатываемый в данное время, прерывается между командами и вызывается другой организационный блок, соответствующий произошедшему событию. После исполнения организационного блока циклическая обработка программы возобновляется с того же места, на котором она была прервана. Пример обработки программы с прерываниями приведен на рисунке 2.7.

Рисунок 2.7 - Схема обработки программы с прерываниями

Это позволяет выполнять части пользовательской программы не циклически, а только когда это необходимо. Программа пользователя может быть поделена на подпрограммы и распределена между различными организационными блоками. Если программа пользователя должна реагировать на важный сигнал, который случается достаточно редко (например, датчик уровня, для измерения уровня в резервуаре, сообщает, что достигнуто максимальное значение), то эта часть программы (подпрограмма обрабатывающая этот сигнал) должна располагаться в OB, обработка которого управляется событиями.

Можно написать пользовательскую программу полностью в OB1 (линейное программирование), но это целесообразно только для простых программ и требующих мало памяти.

Сложными задачами автоматизации проще управлять, если они разбиты на небольшие задачи, отражающие технологические функции процесса, или повторяющиеся более одного раза. Эти задачи представляются различными частями программы, известными как блоки (структурное программирование). На рисунке 2.8 приведены примеры линейного и структурного программирования.

Рисунок 2.8 -Схема выполнения программы при линейном и структурное программирование

.4 Программирование контроллеров в пакете «SIMATIC Manager»

Система “SIMATIC Manager” представляет собой интегрированную программную среду, объединяющую множество функций. Доступ к функциям осуществляется с помощью главного меню. Перед началом работы пользователь должен задать тип контроллера, с которым предстоит работать и типы блоков, которые автоматически добавляются в проект при их выборе.

На рисунке 2.9 показано окно выбора типа контроллера.

Рисунок 2.9 - Окно выбора типа контроллера

После выполнения этих операций открывается шаблон для написания управляющей программы, представленный на рисунке 2.10.

Свойства программы - это данные, которые позволяют ее идентифицировать (имя автора, дата создания, комментарий к программе), и возможность привязать к конкретному типу контроллера, установить вид отображения, действие флагов отображения, защиту.

Если в “Списке блоков” выбран пункт дерева «Выбор нового объекта», то предлагается выбрать тип создаваемого блока (по умолчанию - тип, в колонке которого находится курсор).

Рисунок 2.10 - Окно программы управления в «SIMATIC Manager»

«SIMATIC Manager» оперируют с различными переменными, указываемыми в качестве операнда команды. Обозначаются переменные при помощи имен, которые могут быть абсолютными или символическими. Для использования символических имен переменных их необходимо описать в блоке назначений, связывая их с абсолютными именами переменных, либо указывая только тип операнда.

Исполняемые блоки программы содержат команды. Команда - это рабочее указание процессу. Она состоит из операционной части и операнда, а операнд, в свою очередь, из типа операнда и номера операнда. На рисунке 2.11 представлена структура команды.

Рисунок 2.11 - Структура команды

Операционная часть описывает выполняемую функцию, т.е. что должен сделать процессор. Операнд содержит данные, необходимые для выполнения операции, т.е. с чем должен работать процессор. Операнд команды задает константу или адрес, по которому команда находит значение, с которым она должна выполнить операцию.

В языке программирования контроллера имеются следующие типы операндов:

отображение входов E - область памяти контроллера, куда поступают данные с модулей дискретного ввода;

отображение выходов A - область памяти контроллера, данные из которой передаются в модули дискретного вывода;

метки M - область памяти контроллера, предназначенная для хранения промежуточных результатов обработки;

таймеры T - реализуют функции времени;

счетчики Z - реализуют функции счета;

константы - неизменяемые числа;

блоки OB, PB, FB, DB - блоки, составляющие программу.

В таблице 2.2 дано описание логических команд, которые используются языком программирования Step 7.

Таблица 2.2 - Описание логических команд

Команда

Описание

U

Операция «И», опрос сигнала на «1», результат опроса = 1 , если соответствующий операнд имеет состояние сигнала «1», в противном случае результат опроса = 0. Результат устанавливает VKE в процессоре после выполнения функции «И».

O

Операция «ИЛИ», опрос сигнала на «1» , результат опроса= 1 , если соответствующий операнд имеет состояние сигнала «1», в противном случае результат опроса= 0. Результат устанавливает VKE в процессоре после выполнения функции «ИЛИ».

Команда

Описание

UN

Операция «И», опрос сигнала на «0» , результат опроса= 1 , если соответствующий операнд имеет состояние сигнала «1», в противном случае результат опроса= 0. Результат устанавливает VKE в процессоре после выполнения функции «И».

ON

Операция «ИЛИ», опрос сигнала на «0» ,результат опроса= 1 , если соответствующий операнд имеет состояние сигнала «1», в противном случае результат опроса= 0. Результат устанавливает VKE в процессоре после выполнения функции «ИЛИ».

O

Операция «ИЛИ» над функциями «И», выполнение операции ИЛИ над VKE предыдущей и последующей функций И

U(

Операция «И»,VKE выражения в скобках взаимодействует с VKE предыдущей функции И.

O(

Операция «ИЛИ» , VKE выражения в скобках взаимодействует с VKE предыдущей функции ИЛИ.

)

Закрывающая скобка Эта операция завершает выражения в скобках.


VKE (RLO) - результат цепи логических операций, обновляется с каждым сканом программы

Язык программирования STEP 7 содержит три типа команд:

. Основные, такие как логические операции, функции времени, функции счёта, арифметические функции операции вызова и передачи данных.

. Дополнительные, такие как операции сдвига и преобразования.

. Системные, имеющие доступ непосредственно к операционной системе.

Язык программирования STEP 7 содержит три типа представления программ:

. AWL (STL) - это текстовый, машинно-ориентированный язык программирования. Если программа написана на STL, то отдельные команды, в большинстве случаев, соответствуют шагам, которые ЦПУ выполняет при обработки программы. Чтобы облегчить программирование в STL включены некоторые конструкции языков программирования высокого уровня (такие как доступ к структурированным данным и параметры блоков).

. KOP (LAD) - это графический язык программирования. Синтаксис команд похож на синтаксис коммутационной схемы. LAD позволяет следить за сигналом при его прохождении через различные контакты, составные элементы и выходные катушки.

. FUP (FBD) - это графический язык программирования, использующий для представления логики элементы булевой алгебры. Кроме того, возможно использование сложных функций (такие как, математические функции) вместе с логическими блоками.

В скобках указана английская аббревиатура.

В таблице 2.3 представлены символы, используемые при разработке программы в LAD виде, в пакете SIMATIC Manager.

Таблица 2.3 - Символы контактных схем (логические соотношения)

Изображение

Краткое описание

---| |---

Нормально открытый контакт. Контакт "замкнут", если состояние сигнала относящегося к нему операнда равно «1». При состоянии сигнала соответствующего операнда равном «0», контакт "разомкнут".

---| / |---

Нормально закрытый контакт. Контакт "замкнут", если состояние сигнала относящегося к нему операнда равно "0". При состоянии сигнала соответствующего операнда равном «1», контакт "разомкнут".

---( )

Выходная катушка. Состояние сигнала операнда, относящегося к обмотке, равно «1», если в цепи есть ток. Операнд имеет состояние сигнала "0", если ток по цепи не идет. Выходную катушку можно установить только на правом конце логической цепи.

---( R )

Катушка сброса. Состояние сигнала операнда, относящегося к обмотке, равно «1», если в цепи есть ток. Операнд имеет состояние сигнала "0", если ток по цепи не идет. В качестве <адреса> может также использоваться таймер (T ) для сброса его значения в "0" или счетчик (C ) для сброса его в "0".

---( S )

Катушка установки. Инструкция установить бит исполняется только тогда, когда RLO предыдущей инструкции равен 1. Если RLO равен 1, эта инструкция устанавливает указанный адрес в 1. Если RLO равен 0, то инструкция не влияет на указанный адрес, который остается неизменным.


В таблицах 2.4 и 2.5 описаны команды, используемые при разработке программы в пакете SIMATIC Manager.

Таблица 2.4 - Команды для работы с памятью

Команда

Описание

S

Установка При первой обработке программы соответствующий операнд устанавливается в «1», если VKE=1 . Последующие изменения VKE не изменяют состояния.

R

Сброс При первой обработке программы соответствующий операнд устанавливается в «0» . Последующие изменения VKE не изменяют состояния.

=

Назначение При каждом скане выполнения программы операнд будет устанавливаться согласно текущему состоянию VKE.

Команда

Описание

SI

Запуск таймера в виде импульса. Таймер запускается по переднему фронту VKE. Отсчет времени продолжается только при VKE = «1»

SV

Запуск таймера в виде удлинённого импульса . Таймер запускается по переднему фронту VKE. Отсчет времени продолжается и при VKE = «0»

SE

Запуск таймера в виде задержки включения . Таймер запускается по переднему фронту VKE. Отсчет времени продолжается только при VKE = «1»

SS

Запуск таймера в виде задержки включения с запоминанием. Таймер запускается по переднему фронту VKE. Отсчет времени продолжается только при VKE = «1». Отсчет времени прекращается по команде R.

SA

Запуск таймера в виде задержки выключения. Таймер запускается по заднему фронту VKE.

R

Сброс таймера, таймер сбрасывается в исходное значение при VKE=1.

T

0...127


Программа разрабатывается с соблюдением правил, позволяющих просматривать блоки в любом из допускаемых в STEP7 видах (LAD, STL, FBD). Все блоки, относящиеся к цикловой обработке, используют в основном элементарные функции Булевой алгебры и могут быть выведены на экране программатора в любом виде. Более сложные блоки (например диагностические) используют функции процессора не имеющие видов LAD и FBD, поэтому могут быть просмотрены только в виде STL. Однако данные блоки унифицированы, отлажены и не должны модифицироваться обслуживающим персоналом во избежание нарушения работы программы.

В программе используются следующие типы блоков:

OB - организационные блоки

FB - функциональные блоки

FC - функции

SFC - системные функции

DB - блоки данных

Организационные блоки ОВ1, ОВ82, ОВ121, ОВ122. Организационный блок ОВ1 используется для формирования структуры программы. Остальные организационные блоки являются встроенными блоками процессора и используются для обработки аварийных состояний процессора.

Функциональные блоки FB110 и FB113. Эти блоки в программе используется, для обеспечения счета рабочих циклов автооператоров.

Функции - FC. Эти блоки можно разделить на следующие группы:

- блоки управляющие «общими системами» установки - гидростанция, вентиляция, системы питания и т.д.;

-        блоки управляющие циклами обрабатывающих постов и транспорта;

         блоки управляющие сетевым обменом устройств входящих в сеть PROFIBUS;

         блоки, управляющие диагностикой.

Среди этих блоков имеются унифицированные и оригинальные блоки. К унифицированным относятся блоки FC0 - FC3, FC90, FC92. Эти блоки разработаны, они параметрированы и используются в программах для обработки цикловых переменных и диагностики. Остальные блоки типа FC оригинальные.

Блоки данных DB используются для хранения постоянных данных (констант) и переменных данных использующихся как блоками цикловой обработки, так и блоками диагностики.

.5 Структура программы управления электроэрозионного станка

Программа управления обеспечивает:

. Отображение текущего состояния станка:

оборудования (механизмов, технологических параметров, команд оператора) - по входным/выходным сигналам контроллера;

режимных сигналов системы управления - по внутренним сигналам контроллера.

. Отображение сообщений о событиях - по внутренним сигналам контроллера:

все сообщения отображаются (в виде таблицы сообщений, текущие или архив) на отдельной видеоформе;

текущие сообщения отображаются (в виде строки из таблицы сообщений) на всех видеоформах.

. Ввод необходимых данных с панели в контроллер.

Программа диагностики состоит из экранных форм представленных на рисунке 2.12.

Рисунок 2.12 - Структура экранных форм программы управления электроэрозионным станком

На видеоформах имеются кнопки стандартного назначения «Сообщения», «Откат», «Возврат», «Справка».

Кнопка «Сообщения» (F13) открывает видеоформу «Сообщения о событиях».

Кнопка «Откат» (F14) возвращает предыдущую видеоформу, т.е. открытую до текущей.

Кнопка «Возврат» (F3) возвращает стартовую видеоформу.

Кнопки «Откат» и «Возврат» имеется на всех видеоформах, кроме стартовой и «Коррекция».

Кнопка «Справка» (F1) открывает видеоформу «Справка» для данного типа видеоформы (имеется на всех видеоформах, кроме «Справка»).

Текущее состояние каждого элемента оборудования, т.е. состояние входных и (или) выходных сигналов PLC, соответствующих этому элементу отображается на видеоформах внутри текстового поля «Элемент» (например КАРЕТКА или ПРИВОД):

входной сигнал от датчика положения элемента - как текстовое поле «Положение элемента» (например ВВЕРХУ), внутри которого текстовое поле «Обозначение аппарата» (например «1SQ2»);

выходной сигнал к командоаппарату достижения положения (состояния) элемента - или как стрелка, направленная к текстовому полю «Положение элемента», рядом с которой текстовое поле «Обозначение аппарата» (например «1Р2а»), или как текстовое поле «Достижение положения», внутри которого текстовое поле «Обозначение аппарата».

Пример отображения состояний показан на рисунке 2.13.

Рисунок 2.13 - Пример управления исполнительными механизмами станка

Обозначения аппаратов имеют две формы: символ (например «1SQ2», «1P2a») и адрес входа/выхода PLC (например «E1.0», «A2.0»), которая меняется назначенной функциональной кнопкой "Обозначение" (F7).

Пример отображения аппаратов показан на рисунке 2.14.

Рисунок 2.14 - Пример отображения обозначения аппаратов

2.6 Программирование панели оператора «OP170 B»

Проектная программа для панели оператора «OP170 B» создается в прикладной системе «ProTool». На рисунке 2.12 представлено окно программы «ProTool»

Рисунок 2.12 - Окно программы «ProTool»

Система «ProTool» интегрирована в систему «SIMATIC Manager», что позволяет обмениваться данными при разработке программы диагностики и программы управления.

Разработка программы диагностики осуществляется путем создания экранных форм при помощи, которых можно осуществлять контроль и управление объектом автоматизации. Кроме того, можно использовать дополнительные объекты, такие как сообщения, архивы, рецепты, скрипты. Связь с PLC устанавливается посредством тегов. Операторский терминал осуществляет отображение значений получаемых от PLC и может использоваться для ввода значений с клавиатуры. На рисунке 2.13 представлено окно программы диагностики.

Рисунок 2.13 - Окно программы диагностики в «ProTool»

Окно проекта состоит из правой и левой частей. В левой части расположены объекты которые можно сконфигурировать, в правой отображаются уже сконфигурированные объекты. Объекты в проекте организованы в древовидную структуру.

На экранной форме оператору представляется информация о текущем состоянии процесса в виде числовых данных, гистограмм, трендов и аналоговых индикаторов. Текущий этап технологического процесса может отображаться посредством динамических объектов. Конфигурация ПО включает экранные объекты, перечисленные ниже в таблице 2.7, которые можно использовать для создания экранных объектов.

Таблица 2.7 - Типы экранных объектов

Объект экранной формы

Описание

Графический элемент

Графические элементы можно использовать для изображения объекта автоматизации или в качестве поясняющих символов к другим использующимся объектам экранных форм.

Текст

Текстовые элементы могут использоваться для обозначения индикаторов и других объектов экранных форм. В операторском терминале текст не может быть модифицирован. Важные текстовые элементы могут выделяться различными шрифтами и форматами. Тексты могут занимать несколько строк и использовать различные языки.

Поле ввода

Поле ввода используется для ввода значений, предназначенных для последующей передачи в PLC. Можно вводить как цифровые, так и буквенно-цифровые значения.

Поле вывода

Поле вывода отображает текущие значения, получаемые от PLC в цифровом или буквенно- цифровом виде.

Символьное поле вывода

Символьное поле вывода отображает текущие значения с PLC в форме текста.

Список выбора

Список выбора используется для ввода одного из значений заранее заданного списка.

Дата/ время

Этот объект экранных форм используется для отображения и ввода календарных дат и времени. Способ отображения времени и даты зависит от языка, установленного на операторском терминале.

Графический список

Графический список отображает текущее значение, полученное от PLC, в виде графического элемента.

Обзор сообщений

В обзоре сообщений задаются фильтры для отображения буфера текущих сообщений или архива сообщений.


Одним из пунктов проектирования программы диагностики является создание сообщений. Сообщения служат для передачи сведений о событиях технологического процесса в операторский терминал. В ProTool различают следующие категории сообщений:

. Событийные сообщения - индицируют состояние процесса Событийные сообщения можно конфигурировать.

. Аварийные сообщения - предупреждают о сбое в системе. Аварийные сообщения можно конфигурировать. Аварийные сообщения необходимо подтверждать в силу их критической важности.

. Системные сообщения - генерируются операторским терминалом. Они не подлежат конфигурированию. Системные сообщения указывают на неправильные действия или ошибки связи.

. Системные сообщения S7 - предоставляют информацию о состоянии SIMATIC S7. Они не подлежат конфигурированию в пакете ProTool.

При создании сообщений нужно вначале сконфигурировать область этих сообщений, а уже потом сконфигурировать сами сообщения.

Таким образом, была разработана структура системы управления, выбран интерфейс подключения системы управления электроэрозионного станка, проанализированы и выбраны аппаратные средства промышленного контроллера Simatic S7-400, разработан алгоритм работы, создана таблица присвоений. Также был приведен список мнемоники при программировании в пакете SIMATIC Manager и разработана структура экранных форм.

3 Техническая реализация проекта системы управления и диагностики параметров

автоматизированный управление электроэрозионный станок контроллер

3.1 Настройка интерфейса подключения удаленного промышленного контроллера Simatic S7-400

AGIEVISION CONTACT является программным обеспечением системы управления станка для коммуникационной связи Оnline между электроэрозионными станками AGIECUT или AGIETRON и удаленным контроллером. Связь может осуществляться при помощи модема и аналоговой телефонной линии или через сеть LAN при помощи протокола NetBIOS.
Рассмотрим связь через интерфейс LAN через протокол NetBIOS.AGIEVISION CONTACT состоит из двух пакетов программного обеспечения:AGIEVISION CONTACT CLIENT, который устанавливается на электроэрозионном станке в соответствии со стандартом.AGIEVISION CONTACT MANAGER, который следует установить на удаленном контроллере серии Simatic фирмы Siemens как опцию.

Благодаря прямому доступу к панели пользователя AGIEVISION электроэрозионного станка AGIEVISION CONTACT позволяет следующие операции:

контроль статуса станка;

контроль правильности вводимых данных и технологий и их возможное изменение;

изменение программы данных и информации при помощи встроенной функции диалога.

Коммуникация между AGIEVISION станка и удаленным контроллером возможна в том случае, если:

выполнены все требования к аппаратному и программному обеспечению;

подключён и включен модем к аналоговой линии;

- установлены пакеты AGIESOFT программ AGIEVISION CONTACT CLIENT и AGIEVISION CONTACT MANAGER;

Связь со станком может осуществляться посредством программы AGIESOFT AGIEVISION CONTACT MANAGER.

Связь с помощью других средств или программ исключена.

Доступ защищен и может быть разблокирован только с консоли оператора станка.

Для связи с КЛИЕНТОМ возможны 2 варианта (рисунок 3.1):

через соединение аналогового модема (вариант 1);

с помощью сетевого интерфейса LAN по протоколу NetBios (вариант 2).

Рисунок 3.1 - Структурная схема вариантов связи системы управления станком с удаленным контроллером Simatic S7-400

3.1.1 Установка программного обеспечения Remote Service Manager для организации сетевого подключения

Запустить программу MANAGER двойным щелчком по одноименному символу. После этого появится следующее окно изображенное на рисунке 3.2.

Рисунок 3.2 - Окно приветствие установки программного обеспечения

Service Manager

Теперь необходимо определить тип соединения - через сеть передачи данных (NetBIOS).

Щелкните по символу . В появившемся окне (рисунок 3.3) действовать следующим образом:

Рисунок 3.3 - Окно выбора типа соединения

В поле COMMUNICATION WITH CLIENT выбрать режим передачи NetBIOS (если еще не определен).

В поле NetBIOS ID ввести имя, присвоенное КЛИЕНТУ (соответствующему станку).

Для остальных полей можно оставить значения предварительной установки.

Для подтверждения щелкните по кнопке CLOSE.

В AGIEVISION в поле HILFSPROGRAMME запустить программу CONTACT.

Нажать одновременно клавиши Ctrl [Strg] + Esc, чтобы вызвать окно WINDOW LIST.

Сначала щелкнуть SETUP, затем в открывшемся меню выбрать PARAMETERS и COMMUNICATIONS (рисунок 3.4).

Рисунок 3.4 - Окно выбора типа соединения

В поле TYPE выбрать тип связи NetBIOS. В поле NetBIOS IDENT указать имя КЛИЕНТА. Для остальных полей можно оставить значения предварительной установки. Выбрать CLOSE и одновременно нажать клавиши Ctrl [Strg] + Esc, чтобы высветить окно WINDOW LIST и через него вернуться к AGIEVISION.

.2 Установка связи c удаленном промышленным контроллером Simatic S7-400

Программная процедура подключения к локальной сети описана в AGIEVISION на странице Network / Connections in the Configuration book (Сеть /

Подсоединение в меню Конфигурации).

Рисунок 3.5 - Оконная форма настройки сетевого подключения

Используется следующий синтаксис (рисунок 3.5):[пользователь] /P:[пароль] /D:[домен]

[диск]: \\[компьютер]\[директория]

[port]: <\\[computer]\[printer>]

где:

«LOGON» - идентифицирует пользователя как члена рабочей группы;

«Пользователь» - определяет имя пользователя внутри рабочей группы;

«Пароль» - определяет отдельную строку символов, которая разрешает пользователю войти в файл перечня паролей;

«Домен» - определяет область, в которую желает войти пользователь;

«Диск» - определяет букву раздела, которая должна быть присвоена совместно используемой директории (буквы А, B, C, D, E, G, и Н не могут быть использованы);

«Компьютер» - определяет имя компьютера совместного пользования ресурсов;

«Директория» - определяет имя дисковода, раздела или директории совместного пользования ресурсов;

«порт» - определяет имя параллельного порта (LPT), которое присваивается совместно используемому принтеру;

«Принтер» - определяет имя совместно используемого принтера

Рисунок 3.6 - Экранная форма настройки соединения системы управления станка с удаленным контроллером Simatic S7-400

Настройку произведем следующим образом (рисунок 3.6): удаленный контроллер, к которому присоединяются (разделяют ресурс), имеет имя CAD и предоставляет совместный доступ к диску Е: с именем данного разделяемого ресурса Agiecut, а также коммуникационный процессор Simatic Eternet connection с именем SIM_ENET.

Имя пользователя для подключения оборудования к локальной сети - Agie, с паролем CUT, диск в локальной сети назовем drive X:, а порт локальной сети - NET3.

Выбор Net Connect (Подключение сети) из выпадающего меню Utilities (Утилиты) AGIEVISION (рисунок 3.7) открывает окно DOS, в котором будут выполняться команды, описанные на странице Configuration/Network/Connections (Конфигурация/Сеть/Подключения). Каждая строка команды, если она правильно выполнена, будет подтверждена словами: «The command completed successfully» (Команда выполнена успешно). По окончании этой операции окно закроется.

Рисунок 3.7 - экранная форма настройки «Подключения сети»

В этом месте вы можете добавить совместно используемые принтеры, а в программе управления файлами - новые узлы локальной сети.

При необходимости автоматического управления подсоединением локальной сети при каждом включении станка, задействуйте функцию Automatic Logon в меню Configuration / User (Конфигурация/Пользователь).

Отключение от локальной сети

Для выхода из локальной сети, выберите Net disconnect (Отключение сети) из выпадающего меню Utilities (Утилиты).

Проверка соединений локальной сети

Для проверки соединений действующей сети, выберите Net View (Обзор сети) из выпадающего меню Utilities (Утилиты).

3.3 Описание программы управления и настройка удаленного контроллера к работе

Теги представляют собой фиксированные области памяти удаленного контроллера терминала, предназначенные для записи и чтения значений.

Чтобы создать тег надо на вкладке Tags (Теги) нажать правую кнопку мыши и выбрать Tag insert…(Вставить тег). В появившемся окне задается имя тегу, используемая шина, тип данных, мнемоника, количество циклов опросов. На рисунке 3.8 показана процедура создания тегов, а на рисунке 3.9 представлено окно параметров тега.

Рисунок 3.8 - Окно создания тега при разработке программы диагностики

Тегу может быть так же назначена какая то определенная функция, которая выбирается из списка функций после нажатия на вкладку Functions (Функции).

После окончания ввода параметров тега в случае если пакет Pro Tool интегрирован в Step 7, то автоматически в указанном блоке, указанного формата появится слово в таблице символов Step 7 для использования его при программировании контроллера.

Рисунок 3.9 - Окно параметров тега

Аналогичным образом создаются теги для всех остальных групп.

Чтобы создать экранную форму надо на вкладке Screens (Экраны) нажать правую кнопку мыши и выбрать Screen insert…(Вставить экран). Появится пустая экранная форма. Каждой экранной форме присваивается уникальное имя, по умолчанию она обозначается PIC_X, где X это порядковый номер. Если в поле экранных форм правой кнопкой мыши щелкнуть на названии экранной формы развернется окно где, выбрав пункт Properties…(Свойства) можно задать параметры экранной формы. В параметрах экранной формы можно изменить имя экранной формы, цвет фона, порядковый номер, задать экранную форму как стартовую.

На рисунке 3.10 представлено окно свойств экранной формы. Стартовой может быть только одна экранная форма. Стартовая экранная форма - экран который будет появляться при включении панели оператора. По разработанной структуре, стартовой экранной формой является экранная форма «Режимы».

Стартовая экранная форма отображает название станка и его код согласно системе предприятия, режимы работы станка, состояния, количество заготовок деталей в данный момент находящееся на автоматической линии и изготовленных за время работы.

С этой экранной формы с помощью клавиш F1 - F14 можно переходить на другие экранные формы.

На рисунке 3.10 показана экранная форма «Режимы».

Рисунок 3.10 - Окно свойств экранной формы

Знак «<» означает, что данному элементу экранной формы присвоен тег вывода. В данном случае использован элемент Symbolic Output Field (символическое поле вывода). Для создания элемента нужно найти его в нижней части экрана (панели элементов) пакета ProTool и разместить в нужном месте экранной формы.

После его размещения открывается окно свойств этого элемента. На рисунке 3.11 представлено окно свойств элемента Symbolic Output Field.

Во вкладке General (Основной) необходимо создать текстовый лист, где к определенному текстовому обозначению присваивается бит, выбрать длину поля в данном случае она равна 8, и задать тег созданный заранее или создав его, нажав на стрелку напротив поля тега.

Рисунок 3.11 - Назначение параметров тега

Во вкладке Font (Шрифт) устанавливаются параметры шрифта размер, тип, стиль, эффект (подчеркнутый, перечеркнутый).

Во вкладке Color (Цвет) выбираются палитра цветов возможная для этого типа элемента.

Рисунок 3.12 - Назначение графических динамических параметров элемента

Во вкладке Attributes (Атрибуты) можно установить различные виды индикации элемента, мерцание, подсвечивание и пр.

На рисунке 3.12 показана вкладка Attributes (Атрибуты), где задается не только вид отображения элемента, но еще и динамика отображения. В данном случае по наличию сигнала Symbolic Output Field (Символическое поле вывода) будет мерцать.

Для задания функций клавише F необходимо на ней нажать левой кнопкой и в окне диалога (рисунок 3.13) из предлагаемого списка выбрать необходимую функцию (рисунок 3.14).

Рисунок 3.13 - Диалоговое окно функциональной клавиши

Рисунок 3.14 - Окно выбора объекта

С помощью функциональных клавиш F9…F14 возможно переходить на видео формы: «Общие системы», «Автооператоры 1 и 2», «Загрузка - выгрузка», «Технология», «Сообщения». На всех экранных формах имеется строка сообщений.

На рисунке 3.14 представлена экранная форма «Общие системы»

3.4 Отладка и тестирование

Первоначальную отладку и тестирование программного кода производят на рабочем месте. Для тестирования программы управления служит специальный пакет S7-PLCSIM. На рисунке 3.16 показано окно программы S7-PLCSIM.

Рисунок 3.16 - Окно программы S7-PLCSIM

-PLCSIM позволяет выполнять и тестировать программу на имитаторе программируемого логического контроллера (ПЛК), который установлен на компьютере или программаторе. Поскольку имитатор функционирует совместно с программным обеспечением STEP 7, нет необходимости подключаться к какому либо оборудованию S7 (ЦПУ или модулям ввода/вывода).-PLCSIM обеспечивает простой интерфейс для мониторинга и модификации различных параметров, используемых программой (например логических, таких как включено - выключено). Пока программа выполняется на имитаторе ПЛК, также можно использовать различные приложения STEP 7. Можно использовать такие инструменты, как таблица переменных (VAT) для наблюдения и модификации переменных.

Дополнительно S7-PLCSIM обеспечивает следующие возможности:

. Кнопка включения или выключения имитатора на SIMATIC Manager. Нажатие на кнопку имитатора, открывает программное обеспечение S7-PLCSIM вместе с имитатором ЦПУ. Когда S7-PLCSIM работает, любая новая связь происходит автоматически. Имитатор ПЛК выполняет программы для каждого модуля ЦПУ S7-300 или S7-400. Можно создать «видимый объект», что обеспечивает доступ к области памяти входов и выходов, аккумуляторам и регистрам имитируемого ПЛК. Возможен доступ к памяти и в символической форме

. Можно выбрать время выполнения автоматически или установить его вручную, можно устанавливать таймеры индивидуально или все вместе. Можно изменить рабочий режим ЦПУ (STOP, RUN и RUN-P) как на реальном ЦПУ. Дополнительно S7-PLCSIM обеспечивает свойство Stop, чтобы немедленно остановить ЦПУ без привязки к состоянию программы. Можно записать ряд событий (манипуляция областями памяти входа и выхода, сумматорами, регистрами) и воспроизвести запись в режиме автоматического тестирования программы.

. Можно использовать все инструменты STEP 7 для мониторинга и изменения деятельности имитатора ПЛК. Хотя имитатор ПЛК существует полностью в программном обеспечении (не требует аппаратного обеспечения), STEP 7 работает так, как если бы имитатор ПЛК был частью аппаратного обеспечения.

Есть несколько возможностей начать работу в S7-PLCSIM:

. Из стартового меню Windows, выбрав команду меню Simatic>STEP 7>S7-PLCSIM Simulating Modules.

. С панели инструментов SIMATIC Manager, нажав кнопку Simulation On/Off (Имитация вкл/выкл)  или выбрав команду меню Option > Simulate Modules (Опции >Имитировать модули). Этим действием открывается приложение S7-PLCSIM с видимым объектом CPU (со значением, по умолчанию, адреса MPI 2).

Когда кнопка Simulation On/Off (Имитатор вкл./выкл.) нажата , любая новая связь автоматически подключается к имитатору ПЛК. Любая загружаемая программа попадает в имитатор ПЛК, если адрес MPI имитатора ПЛК совпадет с адресом, установленным в проекте STEP 7. Если нажать кнопку Accessible Nodes (Доступные узлы), окно Accessible Nodes (Доступные узлы) покажет адрес созданного Вами имитатора ПЛК.

Когда кнопка имитатора отжата, любая связь устанавливается с реальным ПЛК. Если нажать на кнопку Accessible Nodes (Доступные узлы), окно Accessible Nodes (Доступные узлы) покажет сеть реальных ПЛК.

Можно активировать одновременно только один имитатор ПЛК. Если есть соединение с реальным ПЛК, режим имитатора недоступен.

После нажатия на  или выбора команды меню PLC > Download (ПЛК > Загрузить) в SIMATIC Manager происходит загрузки блоков программы в имитатор ПЛК.

Из приложения S7-PLCSIM создайте дополнительные «видимые объекты» для наблюдения информации в имитаторе ПЛК:

. Нажатием на кнопку  или выбрав команду меню Insert > Input Variable (Вставить > Входные переменные). Появляется видимый объект IB0 (входной байт 0).

. Нажатием на кнопку  или выбрав команду меню Insert > Output Variable (Вставить > Выходные переменные) для того, чтобы отметить второй видимый объект QB0 (выходной байт 0).

. Нажатием на кнопку  или выбрав команду меню Insert > Timer (Вставить > Таймер) три раза для того, чтобы пометить три видимых объекта. Наберите 2, 3 и 4 (для таймеров T 2, T 3 и T 4) в соответствующих текстовых боксах, нажимая клавишу Enter (Ввод) после каждого ввода.

Также можно использовать инструменты STEP 7 для мониторинга имитатора программы. Когда есть созданный видимый объект, войдя в SIMATIC Manager и нажав на кнопку  или выбрав View > Online (Вид > Подключено), для включения режима online.-PLCSIM отличается от реального ПЛК следующим:

. Буфер диагностики: S7-PLCSIM не поддерживает запись в диагностический буфер всех сообщений об ошибках. Например, не могут имитироваться неисправность батареи в ЦПУ или ошибка EPROM. Однако, имитируется большая часть ошибок входа/выхода.

. Переключение рабочих режимов (например, из RUN в STOP) не переключает входы/выходы в «безопасный» режим.

. Не поддерживаются функциональные модули (FM).

. Связь между равноправными узлами (между двумя ЦПУ S7-400 в одной стойке) не поддерживается.

ЦПУ имеет следующие рабочие режимы, которые можно отобразить с помощью симулятора.

режим RUN-P. ЦПУ выполняет программу и позволяет изменять ее и ее параметры. Для того, чтобы использовать инструменты STEP 7 для изменений любых параметров программы, пока она выполняется, необходимо перевести ЦПУ в режим RUN-P. Кроме того, возможно использовать видимые объекты, создаваемые с помощью S7-PLCSIM для изменения любых данных, используемых программой.

режим RUN. ЦПУ выполняет программу: опрашивание входов, выполнение программы и затем обновление выходов. В нем нельзя загрузить любую программу или использовать инструменты STEP 7 для изменения параметров (таких как входные величины), если ЦПУ находится в режиме RUN. Кроме того, можете использовать видимые объекты, создаваемые с помощью S7-PLCSIM для изменения любых данных, используемых программой.

режим STOP. ЦПУ не выполняет программу. В отличие от режиме STOP реального ЦПУ, выходы не устанавливаются в предопределенные безопасные значения но остаются в состоянии, в котором они были, когда ЦПУ перешел в STOP. Разрешается загружать программу в ЦПУ, если он находится в режиме STOP. Переход из режима STOP в RUN вызывает выполнение программы, начиная с первой команды.

Режимы работы ЦПУ, индикаторы ЦПУ и кнопка Clear/Reset (Сброс памяти) показаны на видимом объекте ЦПУ. Можно установить режим работы ЦПУ, используя переключатель режимов. Также можно приостановить выполнение имитируемой программы ПЛК, если ЦПУ находится в режимах RUN или RUN-P.

По результатам тестирования уточнялись требования к системе, и дополнялась новыми возможностями. В данный момент система работает стабильно, жалоб от пользователей нет. По словам пользователей система удобна и проста в работе, экономит много времени.

После проведения тестирования и отладки программы на рабочем месте, проводится окончательная проверка работоспособности и устранение неточностей уже непосредственно после загрузки программы в ПЛК.

Таким образом, разработанная система управления позволяет автоматизировать процесс работы установки подготовки пластмассовых деталей к покраске, отображать необходимую информацию о состояниях процесса и наличии ошибок при работе оборудования.

4 Экономическая часть

.1 Исследование экономических параметров базовой технической системы электроэрозионного станка

Коэффициент экстенсивного использования оборудования рассчитываем по формуле 4.1.

,                                                  (4.1)

где

 = 7,5 ч. - фактическое время работы оборудования в смену;

 = 8 ч. - плановое время работы оборудования в смену.

Подставляя значения в формулу (4.1), получим:

Коэффициент интенсивной загрузки оборудования рассчитываем по формуле 4.2.

,                                                 (4.2)

где

 - фактическое количество деталей, изготавливаемых в смену;

 - плановое количество деталей, изготавливаемых в смену.

,                                         (4.3)

где

ч. - время одной рабочей смены;

ч. - подготовительно-заключительное время на одну деталь;

 = 0,5 ч. - потери времени, связанные с переналадкой оборудования после сбоев;

 ч. - время на изготовление одной детали.

Подставляя значения в формулу (4.3), получим:

 шт.

.                                          (4.4)

Подставляя значения в формулу (4.4), получим:

 шт.

Таким образом, коэффициент интенсивной загрузки оборудования равен:

.

Коэффициент интегрального использования оборудования рассчитываем по формуле 4.5.

.                                       (4.5)

Подставляя значения в формулу (4.5), получим:

Коэффициент сменности рассчитываем по формуле 4.6.

,                                                        (4.6)

где

 = 5600 ч. - количество машино-смен за 1 год;

 - фонд времени работы оборудования, ч.

В свою очередь фонд времени работы оборудования рассчитываем по формуле 4.7.

,          (4.7)

где

 = 365 - календарные дни;

 = 102 - выходные дни;

 = 10 - праздничные дни;

 = 2 - количество смен.

Подставляя значения в формулу (4.7) получим:

 ч.

Подставляя значения в формулу (4.6), получим:

Коэффициент загрузки оборудования рассчитываем по формуле 4.8.

.                                                    (4.8)

Подставляя значения в формулу (4.8), получим:

Плановая производительность труда за смену рассчитываем по формуле 4.9.

.                                            (4.9)

Подставляя значения в формулу (4.9), получим:

 шт.

Фактическая производительность труда рассчитывается по формуле 4.10.

.                                     (4.10)

Подставляя значения в формулу (4.10), получим:

 шт.

Коэффициент производительности труда рассчитываем по формуле 4.11.

.                                      (4.11)

Подставляя значения в формулу (4.11), получим:

Расчет цеховой себестоимости рассчитываем по формуле 4.12.

,                                  (4.12)

где

 - технологическая себестоимость;

 - цеховые расходы.

,    (4.13)

где

 - затраты на материал;

 - расходы, связанные с отходами при производстве детали;

 - транспортно-заготовительные расходы;

 - основная заработная плата производственных рабочих;

- дополнительная заработная плата производственных рабочих;

 - отчисления на социальные нужды;

 - расходы на содержание и эксплуатацию оборудования.

Затраты на материал составляют  руб.

,                                           (4.14)

где

 = 3% - норматив транспортно-заготовительных расходов;

Подставляя значения в формулу (4.14), получим:

 руб.

Основная заработная плата производственных рабочих рассчитывается по формуле 4.8.

,                                             (4.15)

где

 - заработная плата по тарифу;

 - доплаты;

 - премия.

,                                           (4.16)

где

 = 40,30 руб. - часовая тарифная ставка рабочего;

Подставляя значения в формулу (4.16), получим:

 руб.

В свою очередь доплаты рассчитываются по формуле 4.17.

,                                     (4.17)

где

 - доплата за напряженные нормы;

 - доплата за условия труда;

 - доплата за проф. мастерство;

 - доплата за работу в вечернюю смену.

Доплата за напряженные нормы рассчитываются по формуле 4.18.

,                                         (4.18)

где

 = 12% - норматив за напряженные нормы.

Подставляя значения в формулу (4.18), получим:

 руб.

Доплата за условия труда рассчитываются по формуле 4.19.

,                                         (4.19)

где

 = 12% - норматив за условия труда.

Подставляя значения в формулу (4.19), получим:

 руб.

Доплата за проф. мастерство рассчитываются по формуле 4.18.

,                                  (4.20)

где

 = 12% - норматив за проф. мастерство.

Подставляя значения в формулу (4.20), получим:

 руб.

Доплата за работу в вечернюю смену рассчитываются по формуле 4.18.

,                                   (4.21)

где

 = 20% - норматив работу в вечернюю смену.

Подставляя значения в формулу (4.21), получим:

 руб.

Подставляя полученные значения в формулу (4.17), получим:

 руб.

Премия рассчитывается по формуле 4.22.

,                                             (4.22)

где

 = 25% - норматив на премию.

Подставляя значения в формулу (4.22), получим:

 руб.

Таким образом, основная заработная плата равна:

 руб.

Дополнительная заработная плата производственных рабочих рассчитывается по формуле 4.23.

,                                                (4.23)

где

 = 10% - норматив дополнительной заработной платы.

Подставляя значения в формулу (4.23), получим:

 руб.

Отчисления на социальные нужды рассчитывается по формуле 4.24.

,                                       (4.24)

где

 = 26% - норма отчислений на социальные нужды.

Подставляя значения в формулу (4.24), получим:

 руб.

Расходы на содержание и эксплуатацию оборудования рассчитывается по формуле 4.25

,                                               (4.25)

где

 = 200% - норматив на содержание и эксплуатацию оборудования.

Подставляя значения в формулу (25), получим:

 руб.

Таким образом, технологическая себестоимость равна:

Цеховые расходы рассчитываются по формуле 4.26.

,                                        (4.26)

где

 = 205% - норматив цеховых расходов.

Подставляя значения в формулу (4.26), получим:

 руб.

Таким образом, цеховая себестоимость составит:

 руб.

Заводские расходы рассчитываются по формуле 4.27.

     (4.27)

где

 =50% норма заводских расходов.

Подставляя значения в формулу (4.27), получим:

 руб.

Заводская себестоимость рассчитывается по формуле 4.28.

Сз = Сцех + Рз. (4.28)

Подставляя значения в формулу (4.28), получим:

Сз = 35,17 + 1,11 = 36,28 руб.

Внепроизводственные расходы рассчитываются по формуле 4.29.

Рвн.пр = (Нвн.пр∙Сз)/100, (4.29)

где

Нвн.пр =1,5% - норма внепроизводственных расходов.

Подставляя значения в формулу (4.29), получим:

Рвн.пр = (1,5∙36,28) /100 = 0,544 руб.

Полная себестоимость рассчитываются по формуле 4.30.

Спол = Сз + Рвн.пр (4.30)

Подставляя значения в формулу (4.30), получим:

Спол = 36,28 + 0,544 = 36,824 руб.

Калькуляция расходов базовой системы представлена в приложении А.

4.2 Расчет затрат на разработку проекта автоматизированной сис

темы

Затраты на разработку проекта автоматизированной системы рассчитываются по формуле 4.31.

,                                 (4.31)

где

 - затраты на разработку программы, руб.;

 - затраты на приобретение оборудования, руб.;

 - затраты на монтаж (включая демонтаж), руб.

Затраты на разработку программы рассчитываются по формуле 4.32.:

,   (4.32)

где

 - основная заработная плата программиста, руб.;

 - дополнительная заработная плата программиста, руб.;

 - отчисления на социальные нужды, руб.;

 - расходы на электроэнергию во время разработки программы, руб.

Разработка программы производилась программистом с заработанной платой (окладом) 8500 рублей в месяц. На разработку программы ушло 2 месяца, поэтому затраты на заработную плату составляют:

Дополнительная заработная плата программиста рассчитывается по формуле 4.33.

. (4.33)

Подставляя значения в формулу (4.33), получим:

Отчисления на социальные нужды рассчитываются по формуле 4.34.

. (4.34)

Подставляя значения в формулу (4.34), получим:

 руб.

На отладку и тестирование программы с использованием ПЭВМ затрачено 60 рабочих дней, из них, в среднем каждый день по 5 часов. Стоимость электроэнергии 1,84 руб./кВт. Мощность, потребляемая программатором 300 Вт. Посчитаем затраты на электроэнергию во время разработки программы:

, руб.                    (4.35)

Таким образом, подставляя полученные значения в формулу (4.32), получим стоимость затрат на разработку программы:

 руб.

Затраты на монтаж рассчитываются по формуле 4.36.

, (4.36)

где

 - заработная плата электрика, руб.;

 - заработная плата электромеханика, руб.;

 = 2 - количество электриков, чел.;

 = 1 - количество электромехаников, чел.;

 - заработная плата дополнительная всех рабочих, руб.;

 - отчисления на социальное страхование всех рабочих, руб.

, (4.37)

где

 - заработная плата по тарифу, руб.;

 - доплата за условия труда, руб.;

 - премия, руб.

,     (4.38)

где

 - время, затраченное на монтаж, ч.;

 - тарифная ставка работника, руб./час.

Время монтажа рассчитывается по формуле 4.39.

,          (4.39)

где

 - время смены, ч.;

 - количество смен, затраченных на монтаж.

Подставляя значения в формулу (4.39), получим:

 ч.

Подставляя значения в формулу (4.38), получим:

 руб.

Доплата за условия труда рассчитываются по формуле 4.40.

.    (4.40)

Подставляя значения в формулу (4.40), получим:

 руб.

 руб.

 руб.

Основная заработная плата электромеханика составляет:

 руб.

 руб.

 руб.

 руб.

Дополнительная заработная плата всех рабочих рассчитывается по формуле 4.41.

, руб.     (4.41)

Подставляя значения в формулу (4.41), получим:

 руб.

Отчисления на социальное страхование рассчитывается по формуле 4.42.

, руб.      (4.42)

Подставляя значения в формулу (4.42), получим:

руб.

Подставляя значения в формулу (4.36), получим:

 руб.

Подставляя значения в формулу (4.31), определим затраты на разработку проекта автоматизированной системы:

 руб.

.3 Исследование экономических параметров проектируемой технической системы

Проектируемая система позволит значительно уменьшить время простоя установки, т.к. облегчается процесс поиска неисправности, тем самым увеличивается фактическое время работы оборудования и повышается производительность труда. Из-за этого постоянные расходы распределяются на больший объем выпуска и, следовательно, себестоимость снижается за счет уменьшения цеховых, общезаводских расходов и других условно-постоянных расходов на единицу выпуска.

Коэффициент экстенсивного использования оборудования рассчитывается по формуле 4.43.

.                                        (4.43)

Время на изготовление одной детали -  ч.

Подготовительно-заключительное время на одну деталь -  ч.

Потери времени, связанные с переналадкой оборудования после сбоев -  = 0,15 ч.

Подставляя значения в формулу (4.3), получим:

 шт.

 шт.

Таким образом, коэффициент интенсивной загрузки оборудования равен:

.

Коэффициент интегрального использования оборудования равен:

.

Коэффициент сменности равен:

 ч.

Подставляя значения в формулу (4.6), получим:

Коэффициент загрузки оборудования равен:

.

 шт.

Фактическая производительность труда составляет:

 шт.

.

Заработная плата по тарифу равна:

 руб.

Доплата за напряженные нормы равна:

 руб.

Доплата за условия труда составляет:

 руб.

Доплата за проф. мастерство равно:

 руб.

Доплата за работу в вечернюю смену

 руб.

Подставляя полученные значения в формулу (4.17) получим:

 руб.

Премия равна:

 руб.

Основная заработная плата составляет:

 руб.

Дополнительная заработная плата составляет:

 руб.

Отчисления на социальные нужды составляют:

 руб.

Перерасчет расхода на содержание и эксплуатацию оборудования составит  = 110% - норма на содержание и эксплуатацию оборудования.

 руб.

Технологическая себестоимость равна:

Цеховая себестоимость составляет:

 руб.

Заводские расходы составят:

Рз = (50∙1,47)/100 = 0,735 руб.

Заводская себестоимость равна:

Сз = 28,39 + 0,735 = 29,125 руб.

Внепроизводственные расходы составят:

Рвн.пр = (1,529,125) /100 = 0,437 руб.

Полная себестоимость равна:

Спол = 29,125 + 0,437 = 29,56 руб.

Калькуляция расходов новой системы представлена в приложении А.

.4 Анализ порога рентабельности проектируемой системы

Срок окупаемости без учета дисконтирования.

Ток = Кв / ΣЧД. (4.44)

Капитальные вложения  = 4000000 руб.

Чистая прибыль за год составляет:

,                                            (4.45)

где

 = 25% - норма прибыли;

 = 295000 - объем реализации продукции;

 - цеховая себестоимость.

Подставляя значения в формулу (4.45), получим:

 руб.

Чистый доход

,                                                       (4.46)

где

 - амортизационные отчисления.

Амортизационные отчисления рассчитываются по формуле 4.47.

,                                                (4.47)

где

 = 14% - норма амортизации.

Подставляя значения в формулу (4.47), получим:

 руб.

Таким образом, чистый доход составит:

 руб.

Срок окупаемости капитальных вложений приведен в таблице 4.1.

Таблица 4.1 - Срок окупаемости капитальных вложений

Год

Инвестированный капитал, руб.

1

2

4000000 - 2653762,5 = 1346237,5


.

Таким образом, срок окупаемости получается равным 1,51 года (1 год и 6 месяцев).

Капитальные вложения с учетом дисконтирования рассчитывается по формуле 4.48.

,                                         (4.48)

где

E = 0,25 - норма дисконта;

- год.

Подставляя значения в формулу (4.48), получим:

 руб.

Чистый дисконтированный доход рассчитывается по формуле 4.49.

.                                        (4.49)

Подставляя значения в формулу (4.49), получим:

 руб.

 руб.

 руб.

Срок окупаемости с учетом дисконтирования приведен в таблице 4.2.

Таблица 4.2 - Срок окупаемости с учетом дисконтирования

Год

Инвестированный капитал, руб.

1

4000000 - 2123010 = 1876990

2

1876990 - 1698408 = 178582


.

Таким образом, срок окупаемости получается равным 2,13 года (2 года и 2 месяца).

Индекс доходности рассчитывается по формуле 4.50.

,                                                       (4.50)

где

 - суммарный чистый дисконтированный доход.

, руб                                     (4.51)

Подставляя значения в формулу (4.51), получим:

.

Подставляя значения в формулу (4.50), получим:

.

Проект эффективен, так как индекс доходности больше 1.

Показатели, необходимые для расчета точки безубыточности и построения графика безубыточности, приведены в таблице 4.3.

Таблица 4.3 - Показатели для расчета точки безубыточности

Показатели

Стоимость, руб.

Выручка от реализации (ед. продукции)

8720200 (29,56)

Переменные затраты (ед. продукции)

7897150 (26,77)

Постоянные затраты (ед. продукции)

477900 (1,62)

Прибыль

2093762,5

Цена, руб./шт.

29,56

Объем реализации, шт.

295000

Критический объем реализации рассчитывается по формуле 4.52.

,                                                 (4.52)

где

 - постоянные издержки;

 - объем реализации продукции;

 - цена единицы продукции;

 - переменные затраты.

Подставляя значения в формулу (4.52), получим:

 шт.

Порог рентабельности рассчитывается по формуле 4.53.

.                                           (4.53)

Подставляя значения в формулу (4.53), получим:

 руб.

Запас финансовой прочности рассчитывается по формуле 4.54.

, руб.                                               (4.54)

где

 - выручка от реализации, руб.

Подставляя значения в формулу (4.54), получим:

 руб.

Моржа безопасности рассчитывается по формуле 4.55.

.                                                  (4.55)

Подставляя значения в формулу (4.55), получим:

 шт.

.5 Анализ чувствительности проекта на изменение ключевых параметров

Анализ чувствительности проекта позволяет определить, не приведут ли изменения ключевых параметров к уменьшению чистого дисконтированного дохода до отрицательной величины.

Таблица 4.4 - Показатели

Показатели

Стоимость, руб.

Выручка от реализации (ед. продукции)

8720200 (29,56)

Капиталовложения

4000000

Переменные затраты (ед. продукции)

7897150 (26,77)

Постоянные затраты (ед. продукции)

477900 (1,62)

Материальные затраты (ед. продукции)

6619800 (22,44)

Амортизация

700000

Объём реализации, шт

295000


Произведем анализ чувствительности проекта такому фактору как:

снижение объема производства на 7% из расчета 3 года.

Срок окупаемости без учета дисконтирования рассчитывается по формуле 4.56.

Ток = Кв / ΣЧД,  (4.56)

где

 = 4000000 руб. - капитальные вложения.

Чистая прибыль за год составляет:

 руб.

Таким образом, чистый доход составит:

 руб.

.

Капитальные вложения с учётом дисконтирования составят:

 руб.

Чистый дисконтированный доход равен:

 руб.

 руб.

 руб.

Срок окупаемости с учетом дисконтирования приведен в таблице 4.5.

Таблица 4.5 - Срок окупаемости с учетом дисконтирования.

Год

Инвестированный капитал, руб.

1

4000000 - 2117759,3 = 1882240,7

2

1882240,7 - 1694207,4 = 188033,3


.

Таким образом, срок окупаемости получается равным 2,14 года (2 года и 2 месяца).

Индекс доходности составляет:

.

Анализ чувствительности проекта показал, что при изменении объема производства на - 7% уменьшится ЧДД, срок окупаемости и индекс доходности останутся практически такие же, незначительно увеличится дисконтированный срок окупаемости. В целом проект останется эффективным.

5 Безопасность жизнедеятельности

Безопасность жизнедеятельности - наука о сохранении здоровья и безопасности человека в среде обитания, призванная выявить и идентифицировать опасные и вредные факторы, разрабатывать методы и средства защиты человека снижением опасных и вредных факторов до приемлемых значений, вырабатывать меры по ликвидации последствий чрезвычайных ситуаций мирного и военного времени.

На каждом предприятии, в организации независимо от форм собственности работодатель обязан обеспечить безопасные условия труда.

Охрана труда - это система законодательных актов, социально-экономических, организационно-технических, гигиенических и лечебно-профилактических мероприятий и средств, обеспечивающих безопасность, сохранение здоровья и работоспособность человека в процессе труда.

Обеспечение безопасности жизнедеятельности оператора при работе с электроэрозионным оборудованием и работы с ПЭВМ

С развитием научно-технического прогресса немаловажную роль играет возможность безопасного исполнения людьми своих трудовых обязанностей. В связи с этим была создана и развивается наука о безопасности труда и жизнедеятельности человека.

Безопасность жизнедеятельности (БЖД) - это комплекс мероприятий, направленных на обеспечение безопасности человека в среде обитания, сохранение его здоровья, разработку методов и средств защиты путем снижения влияния вредных и опасных факторов до допустимых значений, выработку мер по ограничению ущерба в ликвидации последствий чрезвычайных ситуаций мирного и военного времени.

Для предотвращения неблагоприятного влияния на здоровье человека вредных факторов сопровождающих работы с электроэрозионным оборудованием и персональными электронно-вычислительными машинами (ПЭВМ) были разработаны и введены в действие Санитарно-эпидемиологические правила и нормативы (СанПиН), которые определяют санитарно-гигиенические требования.

.1 Требования к ПЭВМ

ПЭВМ должны соответствовать требованиям настоящих санитарных правил, и каждый их тип подлежит санитарно-эпидемиологической экспертизе с оценкой в испытательных лабораториях, аккредитованных в установленном порядке.

Перечень продукции и контролируемых гигиенических параметров вредных и опасных факторов представлены в таблице 5.1.

Таблица 5.1 - Перечень продукции и контролируемые гигиенические параметры (СанПиН 2.2.2/2.4.1340-03)

Вид продукции

Код ОКП

Контролируемые гигиенические параметры

1

Машины: вычислительные, электронные, цифровые, персональные (включая портативные ЭВМ)

40 1300, 40 1350, 40 1370

Уровни электромагнитных полей (ЭМП), акустического шума, концентрация вредных веществ в воздухе, визуальные показатели ВДТ, мягкое рентгеновское излучение

2

Устройства периферийные: принтеры, сканеры, модемы, сетевые устройства, блоки бесперебойного питания

40 3000

Уровни ЭМП, акустического шума, концентрация вредных веществ в воздухе

3

Устройства отображения информации (ВДТ)

40 3200

Уровни ЭМП, визуальные показатели, концентрация вредных веществ в воздухе, мягкое рентгеновское излучение

4

Автоматы игровые с использованием ПЭВМ

96 8575

Уровни ЭМП, акустического шума, концентрация вредных веществ в воздухе, визуальные показатели ВДТ, мягкое рентгеновское излучение


Допустимые уровни звукового давления и уровней звука, создаваемых ПЭВМ, не должны превышать значений, представленных в таблице 5.2. Измерение уровня звука и уровней звукового давления проводится на расстоянии 50см от поверхности оборудования и на высоте расположения источника звука.

Таблица 5.2 - Допустимые значения уровней звукового давления в октавных полосах частот и уровня звука, создаваемого ПЭВМ (СанПиН 2.2.2/2.4.1340-03)

Уровни звукового давления в октавных полосах со среднегеометрическими частотами

Уровни звука в дБА

31,5 Гц

63 Гц

125 Гц

250 Гц

500 Гц

1000 Гц

2000 Гц

4000 Гц

8000 Гц


86 дБ

71 дБ

61 дБ

54 дБ

49 дБ

45 дБ

42 дБ

40 дБ

38 дБ

50


Временные допустимые уровни электромагнитных полей (ЭМП), создаваемых ПЭВМ, не должны превышать значений, представленных в таблице 5.3.

Таблица 5.3 - Временные допустимые уровни ЭМП, создаваемых ПЭВМ (СанПиН 2.2.2/2.4.1340-03)

Наименование параметров

ВДУ ЭМП

 

Напряженность электрического поля

в диапазоне частот 5 Гц - 2 кГц

25В/м

 


в диапазоне частот 2 кГц - 400 кГц

2,5 В/м

 

Плотность магнитного потока

в диапазоне частот 5 Гц - 2 кГц

250 нТл

 


в диапазоне частот 2 кГц - 400 кГц

25нТл

 

Электростатический потенциал экрана видеомонитора

500В


Допустимые визуальные параметры устройств отображения информации представлены в таблице 5.4. Для дисплеев на ЭЛТ частота обновления изображения должна быть не менее 75 Гц при всех режимах разрешения экрана, гарантируемых нормативной документацией на конкретный тип дисплея, и не менее 60 Гц для дисплеев на плоских дискретных экранах (жидкокристаллических, плазменных и т. п.). Концентрации вредных веществ, выделяемых ПЭВМ в воздух помещений, не должны превышать предельно допустимых концентраций (ПДК), установленных для атмосферного воздуха.

Мощность экспозиционной дозы мягкого рентгеновского излучения в любой точке на расстоянии 0,05м от экрана и корпуса при любых положениях регулировочных устройств не должна превышать 1 мкЗв/ч (100 мкР/ч).

Конструкция ПЭВМ должна обеспечивать возможность поворота корпуса в горизонтальной и вертикальной плоскости с фиксацией в заданном положении для обеспечения фронтального наблюдения экрана ВДТ. Дизайн ПЭВМ должен предусматривать окраску корпуса в спокойные мягкие тона с диффузным рассеиванием света. Корпус ПЭВМ, клавиатура и другие блоки и устройства ПЭВМ должны иметь матовую поверхность с коэффициентом отражения 0,4 - 0,6 и не иметь блестящих деталей, способных создавать блики.

.2 Требования безопасности электроэрозионных станков AGIECUT

Концепция и построение станков AGIECUT соответствует современному уровню развитию техники, а также:

директивам Совета Европейского Сообщества по станочному оборудованию 98/37/CE от 22 июня 1998г. (89/392/EWG от 14 июня 1989г.), включая более поздние изменения;

директивам Совета Европейского Сообщества 73/23/EWG от 12 февраля 1973г., по гармонизации правил стран -членов ЕЭС относительно электрооборудования, приборов и установок для применения и использования внутри определенных пределов электрического напряжения, включая более поздние изменения.

директивам Совета Европейского Сообщества 89/366/EWG от 3 мая 1989г. об электромагнитной совместимости, включая более поздние изменения, а так же соответственным унифицированным нормам Европейских государств, а также соответствующим важнейшим, согласованным европейским нормам.

Электроэрозионные станки AGIECUT отвечают таким образом:

основополагающим требованиям по технике безопасности и защите здоровья человека при транспортировке, установке, пуске в эксплуатацию, эксплуатации станка согласно назначению и при предсказуемых нестандартных ситуациях;

предельной величине по нормам А EN 55011 группы 2 класса А помехоизлучающего спектра EN 50081-2

- требованиям помехоустойчивости EN 50082-2 и исходя из вышеназванного обладают сертификатом соответствия EG и знаком EG .

.3 Меры безопасности

.3.1 Опасность поражения электрическим током

Применять только оригинальные защитные приспособления, на которых указано напряжение!

При сбоях в электросети немедленно отключить станок!

Электрические части станка необходимо систематически проверять. Такие неисправности, как ослабленные соединения или пережатые кабели следует немедленно устранять.

Работы с электрическими частями станка могут выполняться только специалистом или обученным персоналом под руководством и наблюдением специалиста и в соответствии с требованиями безопасности по электротехнике!

Перед проведением различных работ (т.е. контроль, техобслуживание или ремонт) с электрическими частями станка его необходимо отключить .

К работам с токопроводящими частями станка необходимо привлекать второго сотрудника, т.к. если произойдет несчастный случай он выключит аварийный или главный выключатель. Рабочую зону необходимо ограничить лентой и повесить предупреждающий знак. Работать только с изолирующим инструментом!

.3.2 Защитные приспособления

Электрическая оснастка станка AGIECUT осуществляется согласно EN 60204-1.

Защита от электромагнитного излучения помех EMC

Концепция станков AGIECUT построена таким образом, что поля помех при любых рабочих условия соответствуют предельной величине А EN 55011 группы 2 класса А (по нормам помехоизлучающего спектра EN 50081-2 для промышленных зон), а также нормативам ЕС 89/396/EWG «Электромагнитная совместимость EMС» .

Несмотря на это отдельные государства могут требовать специальные меры защиты:

пуск в эксплуатацию и использование устройства, которое устанавливается в специальном месте для сокращения проблем, связанных с электромагнитной переносимостью;

установка устройства для защиты сетей телекоммуникаций, а также принимающих и передающих станций.

В подобных случаях необходимо связаться с представительством фирмы AGIE.

Шумозащита

На станках AGIECUT уровень шума составляет LpA <70 dB (A). По этой причине не требуется никакой специальной защиты.

Измерение уровня шума выполняется в соответствии с DIN EN 45 635.

.3.3 Транспортировка

Электроэрозионные установки AGIECUT являются станками самой высокой прецизионности (точности). Их транспортировку и перемещение необходимо выполнять с крайней осторожностью и поручать только профессионально подготовленному персоналу.

При транспортировке необходимо соблюдать следующие требования:

поднимать и перемещать станок только в соответствии с данными и рисунками на упаковке и согласно руководству по эксплуатации станка с помощью подъемных приспособлений;

для работ по разгрузке и транспортировке применять только транспортные и подъемные средства, а также грузоприемные механизмы достаточной грузоподъемности;

назначить компетентного инструктора по подъему и перемещению станка;

надежно закрепить установку для поднятия и транспортировки.

использовать только указанные такелажные точки;

в целях транспортировки осторожно смонтировать и закрепить съемные части перед повторным пуском станка в эксплуатацию;

при даже незначительном перемещении станка на другое место установки необходимо отсоединить его от любых внешних токоподводов;

при повторном пуске в эксплуатацию подключить станок к сети согласно инструкции;

при перемещении станка не задерживаться и не работать под висящим грузом;

не использовать при разгрузке кран в неудовлетворительном техническом состоянии;

5.3.4 Наладочные работы

При применении различных систем крепления обращать внимание на опасность столкновения!

При закреплении заготовки обращать большое внимание на опасность столкновения при перемещении по осям (аналогично при предварительном зажиме на месте подготовки)!

Нижний край заготовки должен находиться на высоте системы крепления во избежание столкновения с нижним рычагом.

.3.5 Работы в режиме электроэрозии

Прежде чем начать автоматические перемещения убедитесь, что исключена возможность столкновения в рабочей зоне (выполнить контрольные позиционирования)!

Необходимо учитывать также достаточное пространство рабочей зоны для движущихся частей станка (верхние и нижние рычаги, головки, кабели и т.д.) при позиционировании, если в рабочей зоне закреплены несколько заготовок.

При закреплении выпадающих частей также необходимо обращать внимание на опасность столкновения, а также необходимо опустить ось Z на запрограммированную высоту перед продолжением обработки.

.3.6 Техническое обслуживание и уход

Электроэрозионный станок AGIECUT необходимо регулярно чистить, а также проводить его техническое обслуживание. Частота выполнения подобных работ зависит, прежде всего, от Вашей работы и окружающей среды. Приведенные в гл. С8 "Техническое обслуживание" интервалы техобслуживания и виды выполняемых работ, включая данные по замене частей или оснастки, необходимо неукоснительно соблюдать.

Для работ по техническому обслуживанию привлекать обученный или проинструктированный персонал.

Минимум один раз за рабочую смену проверять станок на видимые повреждения! О любых изменениях (включая работу станка) немедленно доложить ответственному лицу и выключить станок!

Запасные части поставляемые не фирмой-изготовителем должны соответствовать его техническим требованиям.

В случае демонтажа защитных приспособлений при наладке, техническом обслуживании или ремонте необходимо по окончании подобных работ повторно установить и проверить все защитные приспособления.

Перед началом ремонтных работ снизить давление в открывающихся частях системы (гидравлика, сжатый воздух) в соответствии с описанием отдельных узлов.

Для чистки рабочей ванны запрещается применять любые чистящие вещества, применять только диэлектрик. Использовать безворсовые салфетки!

Перед тем, как открыть патронные фильтры и емкость для деионизационной смолы необходимо их опустошить!

Очень осторожно обращаться с небольшими, высокочувствительными и др. специальными частями станка!

Останов станка при длительных перерывах в работе.

Очистить и просушить рабочую зону и систему крепления.

При перерывах в работе свыше двух недель отключить станок с помощью аварийного выключателя и оставить его в заблокированном положении, чтобы не допустить разрядку батарей.

.4 Утилизация отходов

Необходимо обеспечить надежное и не загрязняющее окружающую среду утилизацию производственных отходов, вспомогательных материалов, а также отработанных частей станка.

5.4.1 Утилизация диэлектрика

В процессе электроэрозионной обработки часть металла детали или проволоки попадает в деионизированную воду, применяемую в качестве диэлектрика. Так как эти металлы чаще всего не безопасны, их максимальная концентрация в сточных водах определяется нормами, различными для каждой страны и региона.

Пользователь должен пользоваться следующими рекомендациями:

нужно знать, какие материалы обрабатываются, а также действующие региональные нормы по допустимым концентрациям их в сточных водах;

как можно реже меняйте диэлектрик! В результате испарения и пополнения чистой водой происходит постоянное восполнение объема жидкости. Срок службы диэлектрика увеличивается при выполнении рекомендаций, его касающихся чистоты, обслуживания и использования;

сливать воду можно только из чистового бака (отфильтрованную воду). Диэлектрик из грязевого бака необходимо сначала отфильтровать и после этого его можно, как правило, сливать из чистового бака в канализацию (принимая во внимание действующие нормы). Сливать воду непосредственно из грязевого бака можно только в том случае, если на предприятии имеется канализационная очистная установка.

Утилизация отработанной проволоки осуществляется во многих странах предприятием по переработке металлов.

.4.2 Утилизация вспомогательных средств

Самая большая часть отходов в процессе электроэрозионной обработки остается на фильтрах и в де ионизационной смоле. В большинстве стран это считается особыми отходам, ответственность за утилизацию которых несут специальные службы. Некоторые материалы могут быть регенерированы из отходов электроэрозионной обработки на специальных установках.

Если это невозможно, то следует утилизировать отходы следующим образом:

фильтровальные патроны: вывоз в хранилища для особых отходов;

деионизационная смола: сжигание в специальных установках для особых отходов;

деионизационная смола из устройства предварительной де ионизации: вывоз в хранилища для обычных отходов;

использованное масло: вывоз в пункт сбора отработанных масел;

стиропор: вывоз в хранилища для обычных отходов или восстановление.

.5 Вывод

В данной главе было рассмотрены меры безопасности которые необходимо принимать при работе с электроэрозионными станками, было обращено внимание на проведение профилактических работ и соответствие различным нормам и требованиям по безопасности. Из проведенного анализа видно, что электроэрозионный станок соответствует всем нормам и требованиям по безопасности.


Все действия, произведенные в данной работе были направлены на повышение организационной эффективности производства, повышения автоматизации и производительности труда как результатом.

В ходе работы был проведен подбор и анализ технических и информационных средств для Автоматизированная система управления и контроля электроэрозионного станка на базе контроллеров фирмы Siemens.

Проектируемая система обеспечит большую функциональность процесса электроэррозии при обработки деталей, так как с помощью нее можно производить автоматическое управление электроэрозионными станками фирмы AGIE применяемого в технологическом процессе обработки деталей. В частности, данное проектирование позволяет с помощью автоматизированной системы управления и контроля электроэрозионного станка на базе контроллеров фирмы Siemens обеспечить меньшую трудоемкость наладочных работ из-за автоматического управления и полного исключения работы оператора станка. В результате производительность оборудования за смену, а, следовательно, за год возрастает.

Также после внедрения автоматизированной системы управления и контроля электроэрозионного станка на базе контроллеров фирмы Siemens возможно сократить количество рабочих, которые способствуют изменению технологических операции и могут вносить брак своими действиями в технологию обработки деталей из-за ошибочных действий.

Внедрение автоматизированной системы управления и контроля электроэрозионного станка на базе контроллеров фирмы Siemens позволяет:

-   собирать информацию о состоянии электроэрозионных станков;

-       контролировать рабочие параметры станков (состояние станка, время цикла, количество деталей, тип деталей);

-       обмениваться данными с устройствами уровня технологического процесса (измерители и исполнительные механизмы);

-       генерировать события и сообщения о критических и аварийных состояниях станка;

-       архивировать истории изменения параметров работы станка и технологического процесса;

-       автоматически управлять технологическим процессом и автоматическое регулирование параметров;

-       управлять технологическим процессом на дистанции;

-       локализацию обнаруженной неисправности станка;

-   своевременно осуществлять подналадку станка;

-       пользоваться интегрированной системой коммуникации;

-   вести статистический учет фактической работы станка для планирования ремонтных операций.

Список использованной литературы

1 Программирование с помощью STEP 7. Руководство пользователя.

Работа со STEP 7 V 5.3. Первые шаги.

Блоки управления С7-635. Техническое описание и инструкция по эксплуатации.

Сенсорная панель ТР 170А, ТР 170В. Панель оператора ОР 170В. Техническое руководство

ProTool - Проектирование панелей оператора. Руководство по программированию.

Программа отладки и тестирования S7-PLCSIM V5.0.

Федотов А.В. Автоматизация управления в производственных системах: Учебное пособие. Омск: Изд. ОмГТУ, 2001. 368 с.

Информационные устройства систем автоматики. Методические указания. Сост. Никифоров Б.Н. - М.: ИЦ ГОУ МГТУ «Станкин», 2004. 28 с.

Синопальников В.А., Григорьев С.Н. Надежность и диагностика технологических систем. Учебник. М.: ИЦМГТУ «Станкин», Янус-К. 2003. 331 с.

Сушкова Л.Т., Тарарышкина Л.И., Титов В.Н. Введение в микроэлектронику: Практикум / Владим. Гос. ун-т; Владимир, 1999. 128с.

Малафеев СИ., Малафеева А.А. Системы автоматического управления: Учебное пособие. Владим. гос. ун-т. Владимир, 1998 г. 152 с. ISBN 5-89368-058-8.

Пикуль М.И. и др. Конструирование и технология производства ЭВМ: учебник /М.И. Пикуль, И.М. Русак, Н.А. Цырельчук.- М.Н.: выш. шк., 1996.- 263 с: ил.

Савельев М.В.: Конструкторско-техническое обеспечение производства ЭВМ: учеб. пособие для ВУЗов.- М.: высш. шк. 2001.- 319 с.

О.В. Веселов, И.Н. Егоров, А.И. Зотеев, А.А. Кобзев Системы числового программного управления. Учебное пособие. Под редакцией доцента И.Н. Егорова. Владимир 1979.

Волков Д.И., Скляренко В.К.. Экономика предприятия. Курс лекций.- М.: Инфра-м, 2004.-280 с.

СанПиН 2.2.2.542-96. Гигиенические требования к видеодисплейным терминалам, персональным электронно-вычислительным машинам и организации работы. - М.: Информационно-издательский центр Госкомсанэпиднадзора России, 1996.-64с.

ГОСТ 12.0.003-74. ССБТ. Опасные и вредные производственные факторы. Классификация. - М.: Изд-во стандартов, 1974.

ГОСТ 12.1.003-83*. ССБТ. Шум. Общие требования безопасности. - М.: Изд-во стандартов, 1983.

ГОСТ 12.1.005-88. ССБТ. Общие санитарно-гигиенические требования к воздуху рабочей зоны - М.: Издательство стандартов, 1988.

ГОСТ 12.1.009-76. ССБТ. Электробезопасность. Термины, определения. - М.: Издательство стандартов, 1978.

ГОСТ 12.1.045-84. ССБТ. Электростатические поля. Допустимые уровни на рабочих местах и требования к проведению контроля. - М.: Изд-во стандартов,1984.

СНиП II-4-79 (с изменениями). Естественное и искусственное освещение. Нормы проектирования // Светотехника, 1991. N6.

Похожие работы на - Автоматизированная система управления электроэрозионного станка на базе контроллеров фирмы Siemens

 

Не нашли материал для своей работы?
Поможем написать уникальную работу
Без плагиата!
Без нейросетей!