Расчёт многопустотной плиты перекрытия

  • Вид работы:
    Курсовая работа (т)
  • Предмет:
    Строительство
  • Язык:
    Русский
    ,
    Формат файла:
    MS Word
    357,28 Кб
  • Опубликовано:
    2012-09-11
Вы можете узнать стоимость помощи в написании студенческой работы.
Помощь в написании работы, которую точно примут!

Расчёт многопустотной плиты перекрытия

Введение

Идея создания железобетона из двух различных по своим механическим характеристикам материалов заключается в реальной возможности использования работы бетона на сжатие, а стали - на растяжение.

Совместная работа бетона и арматуры в железобетонных конструкциях оказалась возможной благодаря выгодному сочетанию следующих свойств:

1)      сцеплению между бетоном и поверхностью арматуры, возникающему при твердении бетонной смеси;

2)      близким по значению коэффициентом линейного расширения бетона и стали при t£100°С, что исключает возможность появления внутренних усилий, способных разрушить сцепление бетона с арматурой;

)        защищённости арматуры от коррозии и непосредственного действия огня.

В зависимости от метода возведения железобетонные конструкции могут быть сборными, монолитными и сборно-монолитными. По видам арматуры различают железобетон с гибкой арматурой в виде стальных стержней круглого или периодического профиля и с несущей арматурой. Несущей арматурой служат профильная прокатная сталь - уголковая, швеллерная, двутавровая и пространственные сварные каркасы из круглой стали, воспринимающие нагрузку от опалубки и свежеуложенной бетонной смеси.

Наиболее распространён в строительстве железобетон с гибкой арматурой.

фундамент колонна плита перекрытие

1. Расчёт многопустотной плиты перекрытия

1.1 Исходные данные

Таблица 3. Исходные данные

Район строительства:

г. Гродно

Размеры, м B x L:

12,4 м х 36 м

Число этажей:

5

Высота этажа, м:

2,8 м

Конструкция пола:

дощатый

Сетка колонн, м:

6,2 м х 3,6 м

Тип здания:

Больница

Грунт

суглинок

Переменная нагрузка на перекрытие

1,5 кПа

Класс по условиям эксплуатации

XC1


1.2 Расчет нагрузок на 1 м2 плиты перекрытия

Дощатый настил δ = 28 мм, ρ = 5кН/м³

Лаги 80мм х 40мм, ρ = 5 кН/м³

Звукоизоляция δ = 15 мм, ρ = 7 кН/м³

Керамзит δ = 150мм, ρ = 5 кН/м³

Ж/б плита перекрытия δ = 220мм, ρ = 25 кН/м³

Рис.3. Конструкция пола

Таблица 4. Сбор нагрузок на 1 м2 перекрытия

Наименование нагрузки

Нормативное значение кН/м2


I. Постоянная нагрузка


1

Дощатый настил 0,028∙5

0,14

2

Лаги 0,08⋅0,04∙5∙2

0,032

3

Звукоизоляция 0,015⋅0,12∙7

0,0126

4

Керамзит 0,15⋅5

0,75

5

Ж/б пустотная плита 0,12⋅25(t=120мм)

3,0


Итого

gsk = 3,93


II. Переменная нагрузка


6

Переменная

1,5


Итого

qsk = 1,5


Полная нагрузка

gsk+qsk=5,43


.3 Расчет пустотной плиты перекрытия

.3.1 Расчётная нагрузка на 1 м. п. плиты при В=1,4 м

Погонная нагрузка на плиту собирается с грузовой площади шириной, равной ширине плиты B=1,4 м.

Расчетная нагрузка на 1 м.п. плиты перекрытия при постоянных и переменных расчетных ситуациях принимается равной наиболее неблагоприятному значению из следующих сочетаний:

первое основное сочетание

g = (∑ gsk,j⋅ γG,j+∑gsk,j⋅ ψO,i⋅ γQ,i)⋅B= (3,93⋅1,35+1,5⋅0,7⋅1,5) ⋅1,4 = 8,39 кН/м2

второе основное сочетание

g = (∑ ξ ⋅ gsk,j ⋅ γG,j+gsk,j⋅ γQ,i) ⋅B= (0,85⋅3,93⋅1,35+1,5⋅1,5) ⋅1,4 = 9,46 кН/м2

При расчете нагрузка на 1 погонный метр составила 9,46 кН/м2

.3.2 Определение расчётного пролёта плиты при опирании её на ригель таврового сечения с полкой в нижней зоне

Рис.4. Схема опирания плиты перекрытия на ригели

Конструктивная длина плиты:

к = l − 2 ⋅150 − 2 ⋅ 5 − 2 ⋅ 25 = 3600 − 300 − 10 − 50 =3240 мм

Расчетный пролет:

eff = l − 300 −10 − 2 ⋅ 25 − 2 ⋅100/2=3600 − 310 − 50 − 100 = 3140 мм

1.3.3 Расчётная схема плиты

Рис.5. Расчетная схема плиты. Эпюры усилий

.3.4 Определение максимальных расчетных усилий Мsd и Vsd

МSd =9,46 ⋅ (3,14)2 / 8 = 11,66 кН⋅м

VSd =9,46 ⋅ 3,14 / 2 = 14,85 кН⋅м

.3.5. Расчётные данные

Бетон класса С 16/20

= 16 МПа = 16 Н/мм2, γc =1,5, fcd = fck / γc = 16 / 1,5= 10,67 МПа

Рабочая арматура класса S500:

d = 435 МПа = 435 Н/мм2

.3.6 Вычисляем размеры эквивалентного сечения

Высота плиты принята 220мм. Диаметр отверстий 159мм. Толщина полок: (220-159) / 2=30,5мм.

Принимаем: верхняя полка hв =31мм, нижняя полка hн =30мм. Ширина швов между плитами 10мм. Конструктивная ширина плиты bк= В -10=1400-10=1390мм.

Ширина верхней полки плиты beff = bк - 2⋅15 = 1390 - 2⋅15 = 1360 мм. Толщина промежуточных ребер 26 мм. Количество отверстий в плите:

= 1400/200=7 шт

Принимаем: 7 отверстий.

Отверстий: 7 · 159 = 1113 мм. Промежуточных ребер: 6 · 26 = 156 мм. Итого: 1269 мм.

На крайние ребра остается: (1390-1269)/2=121 мм.= 0,9 d = 0,9⋅159 = 143 мм - высота эквивалентного квадрата.= (220 −143) / 2 = 38.5 мм - толщина полок сечения.

Приведённая (суммарная) толщина рёбер: bw = 1360 − 7 ⋅ 143 = 359 мм.

Рис.6. Определение размеров для пустотной плиты

1.3.7 Рабочая высота сечения

= h − c = 220 − 25 =195 мм

где c = a + 0.5⋅ ∅ , a=20 мм - толщина защитного слоя бетона для арматуры (класс по условиям эксплуатации XC1).

с=25 мм - расстояние от центра тяжести арматуры до наружной грани плиты перекрытия.

Определяем положение нейтральной оси, предполагая, что нейтральная ось проходит по нижней грани полки, определяем область деформирования

ξ = h f /β = 38,5/195 = 0,197

Т. к. 0,167 <ξ = 0,197 < 0,259 сечение находится в области деформирования 1Б, находим величину изгибающего момента, воспринимаемого бетоном сечения, расположенным в пределах высоты полки.

= (1,14 ⋅ ξ − 0,57 ⋅ ξ − 0,07) ⋅α⋅ fcd ⋅ beff ⋅ d2 = (1,14⋅0,197 − 0,57⋅0,1972− 0,07) ⋅1⋅10,67⋅1340⋅1952 = 71732489 Н⋅мм = 71,73 кН⋅м

Проверяем условие: M Sd < M Rd= 11,66 кН⋅м < M Rd = 71,73 кН⋅м

Следовательно, нейтральная ось расположена в пределах полки и расчет производится как для прямоугольного сечения с bw = beff = 1360 мм.

.3.8 Определяем коэффициент αm

αm = MSd / α ⋅ fcd ⋅ bw ⋅ d2=11,66⋅106/1⋅10,67⋅1360⋅1952 = 0,02

При αm= 0,02 η = 0,976

.3.9 Требуемая площадь поперечного сечения продольной арматуры

Ast = Mst / fyd ⋅ η ⋅ d = 11,66⋅106 / 435⋅0,976⋅195 = 140,84 мм2

Армирование производим сеткой, в которой продольные стержни являются рабочей арматурой плиты.

Принимаем 8 ∅6 S500 Ast = 226 мм2

Коэффициент армирования (процент армирования):

ρ = ASt / bw⋅ d= 226 / 359⋅195⋅100%=0,32%

ρmin = 0,15% < ρ = 0,32% < ρmax = 4%

Поперечные стержни сетки принимаем ∅4 S500 с шагом 200 мм.

В верхней полке плиты по конструктивным соображениям принимаем сетку из арматуры ∅4 S500.

.3.10 Поперечное армирование плиты

Для поперечного армирования конструктивно принимаем короткие каркасы, устанавливаемые в приопорных четвертях пролёта плиты перекрытия. Каркасы устанавливаются в крайних рёбрах и далее через 3 пустоты.

Количество каркасов с одной стороны для данной плиты равно четырём.

Диаметр продольных и поперечных стержней каркаса принимаем ∅4 S500.

Шаг поперечных стержней по конструктивным соображениям при h ≤ 450 мм,= h / 2 = 220 / 2 = 110 мм, принимаем S = 100 мм.

1.3.11. Проверяем условие

Sd ≤ VRd,ct Vsd = 14,85Rd,ct =0,12⋅ k⋅ 3√(100⋅ρ1⋅fck) ⋅ bw⋅ d= 1+ √(200 / d) ≤ 2,0 где d в мм

k = 1+ √(200 / 195) ≤ 2,0 k = 2.0

ρ1 = ASt / bw⋅ d = 226 / 359⋅195 = 0,003 < 0,02

f ck = 16 МПа

Тогда:Rd,ct = 0,12⋅ 2,0⋅ 3√(100⋅0,003⋅16) ⋅359⋅195 = 0,12⋅2,0⋅1,3⋅573⋅195 = 28394,03 Н = 28,39 кН

VRd,ct,min = 0,4⋅ bw⋅ d⋅ fctd

fctd = fctk (fctm) / γc = 1,9/ 1,5 = 1,27 МПа

VRd,ct,min = 0,4⋅359⋅195⋅1,27 = 35562,54 Н = 35,56 кН

VRd,ct = 28,39 кН < VRd,ct,min = 35,56 кН

Принимаем VRd,ct = 35,56 кН

Проверяем условие:Sd ≤ VRd,ct; Vsd = 14,85 < VRd,ct = 35,56 кН

Всю поперечную силу может воспринять бетон плиты, поперечная арматура устанавливается конструктивно.

.3.12. Проверка плиты на монтажные усилия

Расчёт прочности панели на действие поперечной силы по наклонной трещине. В стадии монтажа в качестве внешней нагрузки на плиту действует ее собственный вес. Монтажные петли располагаются на расстоянии a = 400 мм от торцов плиты, в этих же местах должны укладываться прокладки при перевозке плиты и ее складировании. Нагрузка от собственного веса плиты:

g = tприв⋅ bк⋅ ρ⋅ γf ⋅ kд = 0,12⋅1,39⋅25⋅1,35⋅1,4 = 7,88 кН/м

kд = 1,4 - коэффициент динамичности

Рис.7. Расчетная схема плиты при монтаже

= g⋅ a2 / 2 = 7,88⋅0,42 / 2 = 0,63 kH⋅м

Этот момент воспринимается продольной арматурой верхней сетки и конструктивной продольной арматурой каркасов.

В верхней сетке в продольном направлении расположены стержни ∅4 S500 с шагом 200 мм.

Площадь этих стержней:

Ast = 8⋅12,6 = 100,8 мм2

Необходимое количество арматуры на восприятие опорного момента

Ast = Mst / 0,9⋅ fyd ⋅ d = 0,63⋅106 / 0,9⋅435⋅195 = 7,42 мм2

fyd = 435 МПа - для проволочной арматуры класса S500

Площадь требуемой арматуры Ast = 7,42 мм2, что значительно меньше имеющейся

Ast = 100,8 мм2.

Прочность панели на монтажные усилия обеспечена.

.3.13 Расчёт монтажных петель

Определяем нагрузку от собственного веса плиты.

По каталогу объем плиты перекрытия: V=0,60 м3.

= V ⋅ γf ⋅ ρ ⋅ kg = 0,60⋅1,35⋅25⋅1,4 = 28,35 кН.

kg = 1,4 - коэффициент динамичности.

При подъеме плиты вес ее может быть передан на 3 петли.

Усилие на одну петлю:

= P / 3 = 28,35 / 3 = 9,45 кH.

Определяем площадь поперечного сечения одной петли из арматуры класса S240

fyd = 218 МПа

Ast = N / fyd = 9,45⋅103 / 218 = 43,35 мм2.

Принимаем петлю ∅8 S240 Ast = 50,3 мм2.

.4 Конструирование плиты перекрытия

Армирование плиты производим сеткой, в которой продольные стержни являются рабочей арматурой плиты.

Принимаем 8 стержней ∅6 S500 (Ast = 226 мм2). Поперечные стержни сетки принимаем ∅4 S500 с шагом 200 мм.

В верхней полке по конструктивным соображениям принимаем сетку из арматуры∅4 S500. Для поперечного армирования принимаем конструктивно короткие каркасы, устанавливаемые в приопорных четвертях пролёта плиты. Каркасы, устанавливаемые в крайних рёбрах и далее через 3 пустоты. Количество каркасов с одной стороны для данной плиты перекрытия равно четырем.

Диаметр продольных и поперечных стержней каркасов принимаем

∅4 S500.

Монтажную петлю принимаем ∅8 S240 (Ast = 50,3 мм2).

2. Расчёт колонны

.1 Исходные данные

Таблица 5. Исходные данные

Район строительства:

Гродно

Размеры, м B x L:

12,4м х 36 м

Число этажей:

5

Высота этажа, м:

2,8 м

Конструкция пола:

дощатый

Сетка колонн, м:

6,2 м х 3,6 м

Тип здания:

Больница

Грунт

суглинок

Переменная нагрузка на перекрытие

1,5 кПа

Класс по условиям эксплуатации

XC1


.2 Расчет нагрузок на 1 м2 плиты перекрытия

Дощатый настил δ = 28 мм, ρ = 5кН/м³

Лаги 80мм х 40мм, ρ = 5 кН/м³

Звукоизоляция δ = 15 мм, ρ = 7 кН/м³

Керамзит δ = 150мм, ρ = 5 кН/м³

Ж/б плита перекрытия δ = 220мм, ρ = 25 кН/м³

Рис.3. Конструкция пола

Таблица 6. Сбор нагрузок на 1 м2 перекрытия

Наименование нагрузки

Нормативное значение кН/м2


I. Постоянная нагрузка


1

Дощатый настил 0,028∙5

0,14

2

Лаги 0,08⋅0,04∙5∙2

0,032

3

Звукоизоляция 0,015⋅0,12∙7

0,0126

4

Керамзит 0,15⋅5

0,75

5

Ж/б пустотная плита 0,12⋅25(t=120мм)

3,0


Итого

gsk = 3,93


II. Переменная нагрузка


6

Переменная

1,5


Итого

qsk = 1,5


Полная нагрузка

gsk+qsk=5,43


.3 Расчет нагрузок на 1 м2 покрытия

Слой гравия на мастике δ=30 мм, ρ=6 кН/м3

Гидроизоляционный ковер -

слоя гидростеклоизола δ=10 мм, ρ=6 кН/м3

Цементно-песчаная стяжка δ=30 мм, ρ=18 кН/м3

Утеплитель - минеральная вата δ=150 мм, ρ=1,25 кН/м3

Пароизоляция - 1 слой пергамина δ=5 мм, ρ=6 кН/м3

Ж/б ребристая плита δ=80 мм, ρ=25 кН/м3

Рис. 9. Конструкция покрытия

Таблица 7. Сбор нагрузок на 1 м2 покрытия

Наименование нагрузки

Нормативное значение кН/м2


I. Постоянная нагрузка


1

Слой гравия на мастике 0,03⋅6

0,18

2

Гидроизоляционный ковер - 2 слоя гидростеклоизола 0,01⋅6

0,06

3

Ц.- п. стяжка 0,03⋅18

0,54

4

Утеплитель - мин. вата 0,15⋅1,25

0,188

5

Пароизоляция 0,005⋅6

0,03

6

Ж/б ребристая плита 0,8⋅25

2,0


Итого

gsk,покр = 2,998


II. Переменная нагрузка


1

Снеговая(г. Ивацевичи)

0,8


Итого

qsk,покр = 0,8


Полная нагрузка

gsk,покр+qsk,покр=3,798


Типовые колонны многоэтажных зданий имеют разрезку через 2 этажа. Сечение колонны в первом приближении назначаем 300 мм x 300 мм (5 этажей).

.4. Расчет колонны 1-ого этажа

.4.1 Определение грузовой площади для колонны

Рис. 10. Грузовая площадь колонны

Определяем грузовую площадь для колонны.

Aгр = 6,2∙⋅3,6 = 22,32 м2

.4.2 Определяем нагрузку на колонну

постоянная от покрытия:

Nsd,покр = gsd,покр ⋅ Aгр = gsk,покр ⋅ γf ⋅ Aгр = 2,998⋅1,35⋅22,32 = 90,34 кН.

постоянная от перекрытия

Nsd,пер = gsd,пер ⋅ Aгр ⋅ (n-1)= gsk,пeр ⋅ γf ⋅ Aгр ⋅(n-1)= 3,93⋅1,35⋅22,32⋅(5-1)=473,68 кН.

где: n - количество этажей, γf - постоянная от ригеля:

Площадь поперечного сечения ригеля:

Aриг = ((0,565 + 0,520) / 2) ⋅ 0,22 + ((0,3 + 0,31) / 2) ⋅0,23 = 0,189 м2

gм.п. = Aриг ⋅ ρ ⋅ γf = 0,189⋅25⋅1,35 = 6,38 кН.

Nsd,риг = gм.п. ⋅ lриг ⋅ n = 6,38⋅6,2⋅5 = 197,78 кН.

где: n - количество этажей; lриг - пролет ригеля.

постоянная от собственного веса колонны:

Nsd,кол = bc ⋅ hc ⋅ Hэт ⋅ n ⋅ ρ ⋅ γf = 0,3⋅0,3⋅2,8⋅5⋅25⋅1,35 = 42,53 кН.

Принимая в качестве доминирующей переменную нагрузку на перекры-тие, расчетная продольная сила основной комбинации от действия постоянных и переменных нагрузок будет равна:

первое основное сочетание:

Nsd =∑ Nsd,j + qsd,пер ⋅ (n-1) ⋅ ψ0 ⋅ Aгр + qsd,покр ⋅ ψ0 ⋅ Aгр = Nsd,покр + Nsd,пер + Nsd,риг + Nsd,кол + qsk,пер⋅ γf ⋅ (n-1)⋅ ψ0⋅ Aгр+ qsk,покр ⋅ γf ⋅ ψ0 ⋅ Aгр= 90,34+473,68+197,78+42,53+1,5⋅1,5⋅4⋅0,7⋅22,32+0,8⋅1,5⋅0,7⋅22,32 =963,7 кН.

второе основное сочетание

Nsd =∑ξ⋅Nsd,j + qsd,пер ⋅ (n-1) ⋅ Aгр + qsd,покр ⋅ ψ0 ⋅ Aгр =

=0,85⋅ (Nsd,покр + Nsd,пер + Nsd,риг + Nsd,кол )+ qsk,пер⋅ γf ⋅ (n-1)⋅ Aгр+ + qsk,покр ⋅ γf ⋅ ψ0 ⋅ Aгр= 0,85⋅(90,34+473,68+197,78+42,53)+1,5⋅1,5⋅4⋅22,32+0,8⋅1,5⋅0,7⋅22,32 =903,31 кН.

где: ψ0 - коэффициент сочетания для переменных нагрузок ψ0 = 0.7

Расчетная продольная сила равна Nsd =963,7 кН.

.4.3. Определяем продольную силу, вызванную действием постоянной расчетной нагрузки.

Nsd,lt=∑Nsd,j = Nsd,покр+ Nsd,пер+ Nsd,риг+ Nsd,кол=90,34+473,68+197,78+42,53=804,33 кН.

.4.4 Определение размеров сечения колонны

При продольной сжимающей силе, приложенной со случайным эксцентриситетом (ео=еа) и при гибкости λ= l eff / h ≤ 24, расчёт сжатых элементов с симметричным армированием разрешается производить из условий

Nsd ≤ NRd = φ ⋅ (α ⋅ fcd ⋅ Ac + fyd ⋅ As,tot);

где: φ - коэффициент, учитывающий влияние продольного изгиба и случайных эксцентриситетов.

Заменив величину As,tot через ρ ⋅ Ac условие примет вид:

Nsd ≤ NRd = φ ⋅ Ac ⋅ (α ⋅ fcd ⋅ + ρ ⋅ fyd)

Необходимая площадь сечения колонны без учёта влияния продольного изгиба и случайных эксцентриситетов, т.е. при φ = 1 и эффективном значении коэффициента продольного армирования для колонны 1-ого этажа ρ = 0.02 ÷ 0.03 из условия будет равна:

Ac = Nsd / (α ⋅ fcd + ρ ⋅ fyd) = 963,7⋅10 / (1,0⋅10,67+0,02⋅435) = 497,52 см2.

Принимаем квадратное сечение колонны, размером bc × hc = 30×30 см. Тогда:

Ac = 30×30 = 900 см2.

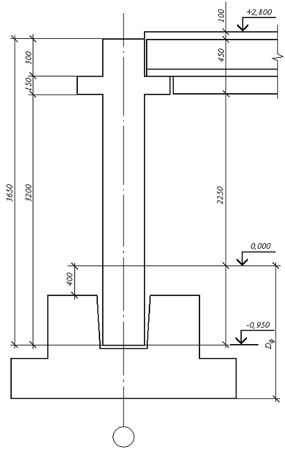
.4.5 Расчетная длина колонны

Для определения длины колонны первого этажа Нс1 принимаем расстояние от уровня чистого пола до обреза фундамента hф=0,4 м, тогда:

Нс1 = Нft + hф = 2,8 + 0,4 = 3,2 м.

Рис.11. Определение конструктивной длины колонны

.4.6 Расчёт продольного армирования колонны первого этажа

Величина случайного эксцентриситета:

lcol / 600 = (Нcl - hриг / 2) / 600 = (3200 - 450 / 2) / 600 = 4,96 мм

ea hc / 30 = 300 / 30 = 10 мм

мм

Принимаем величину случайного эксцентриситета е0 = еа =20 мм.

Расчётная длина колонны

l0 = β ⋅ lw = 1,0⋅3,2 = 3,2 м.

где: β - коэффициент, учитывающий условия закрепления; для колонн принимаеся равным единице; lw - высота элемента в свету. При рассмотрении расчётной длины колонны из плоскости lw принимается равным высоте колонны.

Определяем условную расчётную длину колонны:

leff = l0 ⋅ √ К = 3,2 ⋅ √12,16 = 4,7 м;

К = 1+ 0,5 ⋅ NSd,lt / NSd ⋅ φ( ∞ , t0 ) = 1+0,5⋅(804,33/963,7)⋅2,0 =2,16

φ( ∞ , t0 ) - предельное значение коэффициента ползучести, для бетона принимается равным 2,0.

Тогда гибкость колонны:

λi = leff / hс = 4700 / 300 = 15,67.

Определяем коэффициент, учитывающий влияние продольного изгиба и случайных эксцентриситетов.

По таблице 3. приложение 7. определяем коэффициент, учитывающий влияние продольного изгиба и случайных эксцентриситетов по λi = 14,5 и относительной величине эксцентриситета e0 / h = 20 / 300 = 0,067 : φ = 0,84.

β = 1,0


Бетон класса С 16/20

= 16 МПа = 16 Н/мм2, γc =1,5, fcd = fck / γc = 16 / 1,5= 10,67 МПа

Рабочая продольная арматура класса S500: fуd = 435 МПа = 435 Н/мм2

Требуемая площадь продольной рабочей арматуры:

AS,tot = NSd / φ ⋅ fyd - α ⋅ fcd ⋅ Ac / fyd = 963700/0,84⋅435-1,0⋅10,67⋅300⋅300/435= 2637,39 - 2207,59 = 429,8 мм2.

По сортаменту арматурной стали принимаем 4∅9 S500 c AS,tot=804 мм2.

Определяем процент армирования:

ρ= AS,tot / b ⋅ h =804 / 300 ⋅ 300 = 0,89 %

ρmin = 0,15% < ρ = 0,89 % < ρmax = 5%

2.4.7 Определяем несущую способность колонны при принятом армировании

NRd = φ ⋅ (α ⋅ fcd ⋅ Ac + fyd ⋅ As,tot) = 0,84⋅ (1,0⋅10,67⋅300⋅300+435⋅804) = 1100,43 кН.

Nsd =963,7 кН < NRd = 1100,43 кН.

Следовательно, прочность и устойчивость колонны обеспечена.

.4.8. Поперечную арматуру принимаем диаметром равным:

bw = 0.25⋅∅ = 0.25⋅16 = 4 мм и не менее 5 мм.

Принимаем bw = 5 мм S500.

Шаг поперечной арматуры при fyd ≥ 435 МПа (S500) для сварных каркасов

= 15 ⋅ ∅ ≤ 400 мм, S = 15⋅ 16 = 240 мм и не более 400 мм.

Принимаем S = 200 мм, кратно 50 мм.

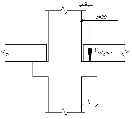
2.4.8 Расчет консоли колонны

Рис.13. Расчетная схема консоли колонны

Нагрузка на консоль от перекрытия:

qпер = ( gsd,пер + qsd,пер ) ⋅ lшагриг =( gsk,пер⋅ γf + qsk,пер⋅ γf ) ⋅ lшагриг = (3,93⋅1,35+1,5⋅1,5) ⋅3,6 = 27,2 кН.

Нагрузка от собственного веса ригеля:

qриг = Aриг ⋅ ρ ⋅ γf = 0,189⋅25⋅1,35 = 6,38 кН.

Полная расчетная нагрузка на консоль от ригеля:

q= qпер + qриг = 27,2⋅6,38 = 33,58 кН

Рис.14. Схема опирания ригеля

Расчетный пролет ригеля

leff,риг = l - 2 ⋅ bc / 2 - 2 ⋅ 20 - 2 ⋅ (lc - 20) / 2 =

= 6200-2⋅300/2-2⋅20-2⋅(150-20)/2=5730 мм = 5,73 м

Vsd,риг = q⋅ leff,риг / 2 = 33,58⋅5,73 /2 = 96,21 кН

Длина площадки опирания:

= lс - 20 = 150 - 20 = 130 мм.

Расстояние от точки приложения Vsd,риг до опорного сечения консоли:

= lc - lsup / 2 = 150 - 130 / 2 = 85 мм.

Требуемую площадь сечения продольной арматуры подбираем по изгибающему моменту MSd , увеличенному на 25%.

Момент, возникающий в консоли от ригеля:

Msd,риг = 1,25 ⋅ Vsd,риг ⋅ a = 1,25⋅ 96210⋅ 85 = 10222312,5 Н⋅мм.

Принимаем с = 30 мм.

=150 − 30 =120 мм;

Ast = Msd / fyd ⋅ ( d - с )= 10222312,5/435⋅ (120-30) = 261,1 мм2

Принимаем 2 ∅16 S500 As1 = 402 мм2.

3. Расчёт фундамента под колонну

.1 Исходные данные

Рассчитать и законструировать столбчатый сборный фундамент под колонну среднего ряда. Бетон класса С 16/20 рабочая арматура класса S500.

Таблица 8. Исходные данные

Район строительства:

г Гродно

Сечение колонны:

300 мм x 300 мм

Основание:

суглинок

Отметка земли у здания:

-0,150 м

Усреднённый вес еди-ницы обьёма материала фундамента и грунта на его свесах:

γср = 20 кН/м3

Расчётная нагрузка от фундамента:

принимаем из расчета колонны - Nsd =963,7 кН


.2 Расчет фундамента под колонну

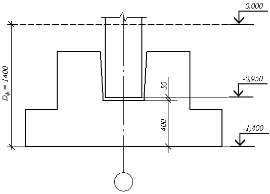
.2.1 Определяем глубину заложения фундамента из условия длины колонны:

ф1 =950+450=1400 мм = 1,4 м.

Определяем глубину заложения фундамента из условий заложения грунта

Рис. 15. Определение глубины заложения фундамента

По схематической карте нормативной глубины промерзания грунтов для г. Гродно определяем глубину промерзания - 1,34 м.

ф2 =150+1340+100=1590 мм > 1400 мм.

Следовательно, при глубине заложения фундамента Dф2 =1590 мм он устанавливается на талый грунт.

Окончательно принимаем глубину заложения фундамента

ф = Dф1 =1590 мм.

.2.2 Расчёт основания

Определяем нагрузку на фундамент без учета веса грунта на нем.

Расчетная нагрузка Nsd =963,7 кН

Нормативная нагрузка:

Nsd,n = Nsd / γf = 963,7/1,35 = 713,85 кН

где: γf = 1,35 - усредненный коэффициент безопасности по нагрузке.

Расчётные данные:

Расчетное сопротивление грунта R0 =250 кПа;

Нормативное удельное сцепление грунта Cn = 43,5 кПа;

Угол внутреннего трения = 23,5˚;

Расчетное сопротивление бетона класса С 16/20 при сжатии:

d = fck / γc =16 / 1,5= 10,67 МПа;

Расчетное сопротивление бетона класса С 16/20 при растяжении:

td = fctm / γc = 1,9 / 1,5= 1,27 МПа;

Расчетное сопротивление арматуры класса S500 fyd = 435 МПа.

Определяем предварительные размеры подошвы фундамента:

A = Nsd,n / (R0 - γcр ⋅ Dф) = 713,85 / (250 - 20⋅1,59) = 3,27 см2

Тогда размер стороны квадратной подошвы фундамента:

= √A = √3,27 = 1,8 м.

Вносим поправку на ширину подошвы и на глубину заложения фундамента.

При Dф < 2м.

R = R0 ⋅ [ 1 - k1⋅(b - b0)/b0 ] ⋅ ( Dф + d0 ) / 2 ⋅ d0

где: b0 = 1 м; d0 = 2 м; k1 - коэффициент, принимаемый для оснований, сложенных суглинками и глинами - k1 = 0,05.

k1 = 0,05 - для суглинок.

R = 250⋅[1-0,05⋅(1,8-1)/1]⋅(1,59+2 )/2⋅2=233,35 МПа.

Определяем окончательные размеры подошвы фундамента с учетом поправки:

A = Nsd,n / (R0 - γcр ⋅ Dф) = 713,85 / (233,35-20⋅1,59) = 3,54 см2

Тогда размер стороны квадратной подошвы фундамента:

= √A = √3,54 = 1,88 м.

Окончательно принимаем: b = 2,1 м (кратно 0,3 м).

Определяем среднее давление под подошвой фундамента от действующей нагрузки:

Рср = Nsd,n / A + γcр ⋅ Dф = 713,85/ 2,1⋅2,1+20⋅1,59 = 193,67 кПа.

Определяем расчётное сопротивление грунта:

R = γc1 ⋅ γc2 / k ⋅ [ Mγ ⋅ kz ⋅ b ⋅ γII + Mq ⋅ Dф ⋅ γ’II + Mc ⋅ Cn ] ;

где:

γc1 = 1,25;

γc2 = 1,2;γ = 0,71;= 3,76;= 6,35;- коэффициент, принимаемый равным: k = 1, если прочностные характеристики грунта (φ и с) определены непосредственными испытаниями, и k = 1.1, если они приняты по таблицам; k = 1,1;= 1 при b < 10 м;

γ’II = γII = 18 кН/м3 - удельный вес грунта соответственно ниже и выше подошвы фундамента.

= 1,25 ⋅ 1,2 / 1,1 [0,71⋅1⋅2.1⋅18+3,76⋅1,59⋅18+6,35⋅43,5 ] = 559,94>193,67 кПа

Следовательно, расчёт по II группе предельных состояний можно не производить.

.2.3 Расчёт тела фундамента

Определяем реактивное давление грунта:

Ргр = Nsd / A = 963,7 / 2,1⋅2,1 = 218,5 кПа.

Определяем размеры фундамента.

Рабочая высота фундамента из условия продавливания колонны через тело фундамента:

d0,min = - (hc + bc / 4) + 0,5⋅ √( Nsd / α ⋅ fctd + Ргр) = - (0,3+0,3 / 4) +

+ 0,5⋅ √( 963,7 / 1,0⋅1,27⋅103 + 218,5) = 0,252 мм= a + 0.5⋅∅

где: a = 45 мм - толщина защитного слоя бетона для арматуры (для сборных фундаментов).

с = 50 мм - расстояние от центра тяжести арматуры до подошвы фундамента.

Полная высота фундамента:

Hf1 = d0,min + c = 252+50 = 302 мм.

Для обеспечения жесткого защемления колонны в фундаменте и достаточной анкеровки ее рабочей арматуры высота фундамента принимается:

Hf2 = lbd + 400 = 870+400 = 1270 мм.

где:

lbd = ∅⋅ fyd / 4 ⋅ fbd = 9⋅435/4⋅2,0 =870 мм.

∅ = 16 мм - диаметр рабочей арматуры колонны;

fbd = 2,0 МПа - предельное напряженное сцепление для бетона класса С 16/20;

Принимаем окончательно высоту фундамента:

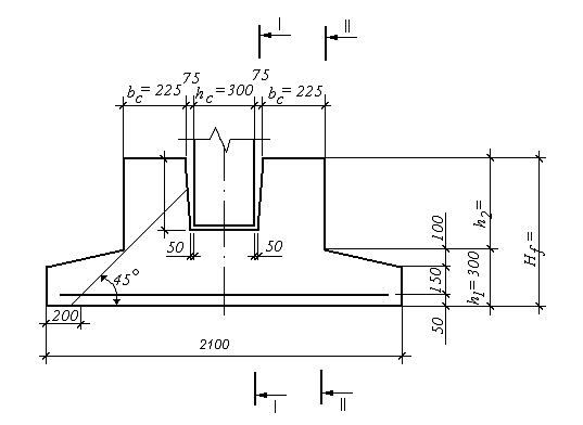
Hf = max(Hf1, Hf2) = 1000 мм. Принимаем Hf = 1050 мм - кратно 150 мм.

Рабочая высота фундамента:= H − c = 1050−50 =1000 мм.

Принимаем первую ступень высотой: h1 = 300 мм.= h1 − c = 300−50 = 250 мм.

Принимаем остальные размеры фундамента.

Рис.16. Определение размеров фундамента

Высота верхней ступени фундамента:

h2 = Hf − h2 = 1050−300 = 750 мм.

Глубина стакана hcf = 1,5 ⋅ hc + 50 = 1,5 ⋅ 300 + 50 = 500 мм, принимаем hcf = 650 мм. Так как h2 = 750 мм < hcf = 650 мм, принимаем толщину стенки стакана bc = 0,75 · h2 = 0,75 · 650 = 400 мм > bc = 225 мм.

Следовательно, требуется армирование стенки стакана.

Т. к. bc+75=225+75=300 мм < h2=750 мм

Определяем Z.

Z = b − hc − 2 · 75 − 2 · bc − 2 · bc / 2=2100−300−2·75−2·225−2·250 / 2 = 350 мм.

Определяем требуемую рабочую высоту нижней ступени:

d1,треб = Ргр ⋅ Z / α ⋅ fctd = 218,5⋅0,35/1,0⋅1,27⋅103 = 60 мм.;

что не превышает принятую d1 = 250 мм.

3.2.4 Расчет армирования подошвы фундамента

Площадь сечения рабочей арматуры сетки, укладываемой по подошве фундамента, определяется из расчета на изгиб консольного выступа ступеней, заделанных в массив фундамента, в сечениях по грани колонны и по граням ступеней.

Значения изгибающих моментов в этих сечениях:

MI-I = 0,125 ⋅ Ргр ⋅ (b - hc)2 ⋅ b = 0,125⋅218,5⋅ (2,1-0,3)2⋅2,1 = 159,29мм2

MII-II = 0,125 ⋅ Ргр ⋅ (b - b1)2 ⋅ b = 0,125⋅218,5⋅ (2,1-0,9)2⋅2,1 = 82,6 мм2

b1 = 225⋅2+75⋅2+300 = 900 мм = 0,9м

Требуемое сечение арматуры:

As1 = MI-I / 0,9⋅ d ⋅ α ⋅ fyd = 159,29⋅106 / 0,9⋅1000⋅1,0⋅435 = 406,87 мм2;= MII-II / 0,9⋅ d1 ⋅ α ⋅ fyd = 82,6⋅106 / 0,9⋅250⋅1,0⋅435 = 843,93 мм2;

Арматуру подбираем по максимальной площади:

As2 = 843,93 мм2;

Принимаем шаг стержней S = 200 мм.

Количество стержней в сетке в одном направлении:= b / S +1 = 2100 / 200 + 1 = 11,5 шт. Принимаем 12 шт.

Требуемая площадь сечения одного стержня:

As2 / 10 = 842,93 / 10 = 84,4 мм2.

Принимаем один стержень ∅12 S500, Ast = 113,1 мм2.

Такое же количество стержней укладывается в сетке в противоположном направлении.

.2.5 Расчет монтажных петель

Вес фундамента определяем по его объему и объемному весу бетона, из которого он изготовлен.

Объем бетона на 1 стакан фундамента:

Vф = 2,1⋅2,1⋅ ((0,3+0,2)/2)+0,9⋅0,9⋅0,75-((0,4+0,45)/2)2⋅0,65 = 1,48 м3

Вес стакана с учетом коэффициента динамичности kд = 1,4:

P = Vф ⋅ γ ⋅ γf ⋅ kд = 1,48⋅25000⋅1,35⋅1,4 = 69930 Н.

Усилие, приходящиеся на одну монтажную петлю:

= 69930 / 2 = 34965 Н.

Определяем площадь поперечного сечения одной петли из арматуры класса S240, fyd = 218 МПа.

As1 = N / fyd = 34965 / 218 = 160,4 мм2.

Принимаем петлю 1∅16 S240 As1 = 201,1 мм2.

Литература

1. СНБ 5.03.01-02. «Конструкции бетонные и железобетонные». - Мн.: Стройтехнорм, 2002 г. - 274с.

. Нагрузки и воздействия: СНиП 2.01.07-85.-М.:1987.-36c.

. Байков В.Н., Сигалов Э.Е. Железобетонные конструкции: Общий курс.- М.: Стройиздат , 1991.-767с.

. Железобетонные конструкции. Основы теории расчета и конструирования Учебное пособие для студентов строительной специальности. Под редакцией профессора Т.М. Петцольда и профессора В.В. Тура. - Брест, БГТУ, 2003.- 380с.

Похожие работы на - Расчёт многопустотной плиты перекрытия

 

Не нашли материал для своей работы?
Поможем написать уникальную работу
Без плагиата!
Без нейросетей!