Расчет строительных конструкций
Содержание
Исходные
данные
Компоновка
поперечной рамы
Определение
нагрузок и усилий
Расчет
колонны крайнего ряда
Расчет
колонны среднего ряда
Расчет
железобетонной сегментной фермы
Расчет
монолитного внецентренно нагруженного фундамента под колонну крайнего ряда
Список
используемой литературы
Исходные данные
1. Длина здания - 120 м.
2. Шаг колонн крайних- 6,0 м, средних -
12,0 м.
3. Пролет - 24,0 м.
4. Высота здания - 12,0 м.
5. Грузоподъемность крана - 20,0 т.
6. Количество пролетов - 2 пролетов.
7. Расчетное сопротивление грунта -
3,0МПа.
8. Район строительства - г. Ростов -на-
Дону.
9. Тип стропильной конструкции - ферма
сегментная .
П Е Р В А Я Г Р У П П А Д А Н Н Ы Х
Число пролетов рамы .......................................... = 2.0000
Шаг колонн (6 или 12), в м ................................... = 12.0000
Привязка крайних колонн (0 или 250) .......................... = 0.0000
Коэффициент пространственной работы .......................... = 4.0000
КОЛОННА КРАЙНЕГО РЯДА
В Т О Р А Я Г Р У П П А Д А Н Н Ы Х
Высота надкрановой части колонны, в м ........................ = 3.5000
Высота подкрановой части колонны, в м ........................ = 8.6500
Момент инерции сечения надкр. части кол., в м**4 ............. = 0.0018
Момент инерции сечения подкр. части кол., в м**4 ............. = 0.0170
Момент инерции сечения ветви сквоз. кол., в м**4 ............. = 1.0000
Число панелей сквозной колонны (для спл.-1000) ............... =
1000.0000
Т Р Е Т Ь Я Г Р У П П А Д А Н Н Ы Х
Эксцентриситет приложения нагрузок от :
веса покрытия (и снега), в м................................ = 0.0150
веса стенового ограждения в пределах высоты надкр. ч., в м . = 0.3400
смещения геометрических осей сечений частей колонны, в м ... = 0.2100
веса подкрановой балки (и крана), в м ...................... = 0.3500
веса стенового ограждения в пределах высоты подкр. ч., в м . = 0.5500
Расстояние от верха колонны до точки прилож. нагр. "G2", в м .
= 1.8000
Расстояние от верха колонны до точки прилож. нагр. "G5", в м .
= 9.0000
Высота подкрановой балки по крайнему ряду колонн, в м ........ = 1.4000
Ч Е Т В Е Р Т А Я Г Р У П П А Д А Н Н Ы Х
ЗНАЧЕНИЯ РАСЧЕТНЫХ НАГРУЗОК
Нагрузка от веса покрытия, в кН .............................. = 279.8000
Нагрузка от веса навесных стен в пред. надкр. части кол., в кН = 89.1600
Вес надкрановой части колонны, в кН .......................... = 15.5000
Вес подкрановой части колонны, в кН .......................... = 53.3000
Нагрузка от стен в пределах подкрановой части колонны, в кН .. = 112.8600
Вес подкрановой части колонны, в кН .......................... = 97.8000
Снеговая нагрузка, в кН ...................................... = 80.0000
Вертикальная крановая нагрузка Dmax, в кН .................... = 497.9000
Вертикальная крановая нагр. Dmin с коэфф. сочет. 0.85, в кН .. = 144.1000
Вертикальная крановая нагр. Dmin с коэфф. сочет. 0.70, в кН .. = 118.7000
Горизонтальная крановая нагрузка, в кН ....................... = 12.8000
Ветровая равномерно распр. нагрузка с наветр. стор., в кН/м .. = 1.5800
Ветровая равномерно распр. нагрузка с подветр. стор., в кН/м . = 1.1900
Сосред. сила от ветровой нагрузки на стеновые пан., в кН ..... = 11.8300
КОЛОННА СРЕДНЕГО РЯДА
П Я Т А Я Г Р У П П А Д А Н Н Ы Х
Высота надкрановой части колонны, в м ........................ = 3.5000
Высота подкрановой части колонны, в м ........................ = 8.6500
Момент инерции сечения надкр. части колонны, в м**4 .......... = 0.0072
Момент инерции сечения подкр. части колонны, в м**4 .......... = 0.0243
Момент инерции сеч. ветви скв. кол. (для спл.-1) ............. = 1.0000
Число панелей сквозной колонны (для спл.-1000) ............... =
1000.0000
Ш Е С Т А Я Г Р У П П А Д А Н Н Ы Х
Эксцентриситет приложения нагрузки от веса подкр. балки, в м . = 0.7500
Высота подкрановой балки по среднему ряду колонн, в м ........ = 1.4000
С Е Д Ь М А Я Г Р У П П А Д А Н Н Ы Х
ЗНАЧЕНИЯ РАСЧЕТНЫХ НАГРУЗОК
Нагрузка от веса покрытия, в кН .............................. =
1211.8000
Вес надкрановой части колонны, в кН .......................... = 24.5000
Вес подкрановой балки (и подкранового пути), в кН ............ = 139.0000
Вес подкрановой части колонны, в кН .......................... = 103.5000
Снеговая нагрузка, в кН ...................................... = 498.5000
Вертикальная кран. нагр. Dmax, в кН .......................... = 497.9000
Вертикальная кран. нагр. Dmin с коэфф.-0.85, в кН ............ = 144.1000
Вертикальная крановая нагр. от 4-х кранов, в кН .............. = 820.0100
Горизонтальная крановая нагр., в кН .......................... = 12.8000
УСИЛИЯ В РАСЧЕТНЫХ СЕЧЕНИЯХ КОЛОННЫ
КРАЙНЯЯ КОЛОННА : ПОСТОЯННАЯ НАГРУЗКА
СЕЧЕНИЕ M(кН*м) Q(м) N(м)
- 1 -12.00 11.99 414.32
- 2 12.26 11.99 384.46
- 3 -49.82 11.99 437.76
- 4 28.43 11.99 648.42
СРЕДНЯЯ КОЛОННА : ПОСТОЯННАЯ НАГРУЗКА
СЕЧЕНИЕ M(кН*м) Q(м) N(м)
- 1 0.00 0.00 1211.80
- 2 0.00 0.00 1236.30
- 3 0.00 0.00 1514.30
- 4 0.00 0.00 1617.80
КРАЙНЯЯ КОЛОННА : СНЕГОВАЯ НАГРУЗКА
СЕЧЕНИЕ M(кН*м) Q(м) N(м)
- 1 -38.3 2.30 80.00
- 2 7.12 2.30 80.00
- 3 -18.74 2.30 80.00
- 4 8.16 2.30 80.00
СРЕДНЯЯ КОЛОННА : СНЕГОВАЯ НАГРУЗКА
СЕЧЕНИЕ M(кН*м) Q(м) N(м)
- 1 0.00 0.00 498.50
- 2 0.00 0.00 498.50
- 3 0.00 0.00 498.50
- 4 0.00 0.00 498.50
КРАЙНЯЯ КОЛОННА: КРАНОВАЯ НАГРУЗКА D МАКСИМАЛЬНАЯ КРАЙНЯЯ
СЕЧЕНИЕ M(кН*м) Q(м) N(м)
- 1 0.00 -13.56 0.00
- 2 -52.90 -13.56 0.00
- 3 121.37 -13.56 497.90
- 4 -37.32 -13.56 497.90
СРЕДНЯЯ КОЛОННА: КРАНОВАЯ НАГРУЗКА D МАКСИМАЛЬНАЯ КРАЙНЯЯ
СЕЧЕНИЕ M(кН*м) Q(м) N(м)
- 1 0.00 9.89 0.00
- 2 38.55 9.89 0.00
- 3 -69.52 9.89 144.10
- 4 46.13 9.89 144.10
КРАЙНЯЯ КОЛОННА: КРАНОВАЯ НАГРУЗКА D МАКСИМАЛЬНАЯ СРЕДНЯЯ
СЕЧЕНИЕ M(кН*м) Q(м) N(м)
- 1 0.00 -6.01 0.00
- 2 -23.45 -6.01 0.00
- 3 26.98 -6.01 144.10
- 4 -43.38 -6.01 144.10
СРЕДНЯЯ КОЛОННА: КРАНОВАЯ НАГРУЗКА D МАКСИМАЛЬНАЯ СРЕДНЯЯ
СЕЧЕНИЕ M(кН*м) Q(м) N(м)
- 1 0.00 29.34 0.00
- 2 114.43 29.34 0.00
- 3 -258.99 29.34 497.90
- 4 84.31 29.34 497.90
КРАЙНЯЯ КОЛОННА : КРАНОВАЯ НАГРУЗКА ОТ ЧЕТЫРЕХ КРАНОВ
СЕЧЕНИЕ M(кН*м) Q(м) N(м)
- 1 0.00 -3.31 0.00
- 2 -12.90 -3.31 0.00
- 3 28.64 -3.31 118.70
- 4 -10.07 -3.31 118.70
СРЕДНЯЯ КОЛОННА : КРАНОВАЯ НАГРУЗКА ОТ ЧЕТЫРЕХ КРАНОВ
СЕЧЕНИЕ M(кН*м) Q(м) N(м)
- 1 0.00 0.00 0.00
- 2 0.00 0.00 0.00
- 3 0.00 0.00 820.01
- 4 0.00 0.00 820.01
КРАЙНЯЯ КОЛОННА : КРАНОВАЯ НАГРУЗКА T КРАЙНЯЯ
СЕЧЕНИЕ M(кН*м) Q(м) N(м)
- 1 0.00 -7.89 0.00
- 2 -12.83 4.91 0.00
- 3 -12.83 4.91 0.00
- 4 44.67 4.91 0.00
СРЕДНЯЯ КОЛОННА : КРАНОВАЯ НАГРУЗКА T КРАЙНЯЯ
СЕЧЕНИЕ M(кН*м) Q(м) N(м)
- 1 0.00 0.93 0.00
- 2 3.62 0.93 0.00
- 3 3.62 0.93 0.00
- 4 14.49 0.93 0.00
КРАЙНЯЯ КОЛОННА : КРАНОВАЯ НАГРУЗКА T СРЕДНЯЯ
СЕЧЕНИЕ M(кН*м) Q(м) N(м)
- 1 0.00 0.65 0.00
- 2 2.54 0.65 0.00
- 3 2.54 0.65 0.00
- 4 10.14 0.65 0.00
СРЕДНЯЯ КОЛОННА : КРАНОВАЯ НАГРУЗКА T СРЕДНЯЯ
СЕЧЕНИЕ M(кН*м) Q(м) N(м)
- 1 0.00 -8.24 0.00
- 2 -14.23 4.56 0.00
- 3 -14.23 4.56 0.00
- 4 39.10 4.56 0.00
КРАЙНЯЯ КОЛОННА : ВЕТРОВАЯ НАГРУЗКА СЛЕВА-НАПРАВО
СЕЧЕНИЕ M(кН*м) Q(м) N(м)
- 1 0.00 -0.96 0.00
- 2 8.28 5.20 0.00
- 3 8.28 5.20 0.00
- 4 177.31 23.69 0.00
СРЕДНЯЯ КОЛОННА : ВЕТРОВАЯ НАГРУЗКА СЛЕВА-НАПРАВО
СЕЧЕНИЕ M(кН*м) Q(м) N(м)
- 1 0.00 11.66 0.00
- 2 45.49 11.66 0.00
- 3 45.49 11.66 0.00
- 4 181.97 11.66 0.00
КРАЙНЯЯ КОЛОННА : ВЕТРОВАЯ НАГРУЗКА СПРАВА-НАЛЕВО
СЕЧЕНИЕ M(кН*м) Q(м) N(м)
- 1 0.00 -1.12 0.00
- 2 -13.43 -5.76 0.00
- 3 -13.43 -5.76 0.00
- 4 -162.33 -19.69 0.00
СРЕДНЯЯ КОЛОННА : ВЕТРОВАЯ НАГРУЗКА СПРАВА-НАЛЕВО
СЕЧЕНИЕ M(кН*м) Q(м) N(м)
- 1 0.00 -11.66 0.00
- 2 -45.49 -11.66 0.00
- 3 -45.49 -11.66 0.00
- 4 -181.97 -11.66 0.00
КОМПОНОВКА ПОПЕРЕЧНОЙ РАМЫ. ОПРЕДЕЛЕНИЕ НАГРУЗОК
Методические указания. Компоновка поперечной рамы выполняется по данным
индивидуального задания из типовых сборных элементов железобетонных
конструкций, сведения о которых содержатся в приложении 1-6 пособия.
Конструктивная схема поперечной рамы составляется по общим требованиям
типизации с учетом шага колонн и грузоподъемности мостовых кранов. Сборный
железобетонный каркас здания проектируется с наличием связей в продольном
направлении и разрезным сборными железобетонными подкрановыми балками.
Решение. Компоновку поперечной рамы производим в соответствии с
требованиями типизации конструктивных схем одноэтажных промышленных зданий.
Находим высоту подкрановой части колонны, принимая высоту подкрановой
балки 0,8м (по приложению 4), а кранового пути 0,15м с учетом минимального
габарита приближения крана к стропильной конструкции 0,1м и высоты моста крана
грузоподъемностью 20/5т.
С
учетом унификации размеров колонн серии 1.424.1 (приложение 1) назначаем
Высоту
подкрановой части колонн определяем по заданной высоте до низа стропильной
конструкции 12,0м и отметки обреза фундамента -0,15м при
:
Расстояние
от верха колонны до уровня головки подкранового рельса соответственно будет
равно
Для
назначения размеров сечений колонн по условию предельной гибкости определим их
расчетные длины в соответствии с требованиями [2, таб.32]. Результаты
представлены в таблице 1.
Расчетные длины колонн
|
Часть колонны
|
При расчете в плоскости
поперечной рамы
|
В перпендикулярном
направлении
|
|
При учете нагрузок от крана
|
Без учета нагрузок от крана
|
|
|
|
|
|
Подкрановая

Надкрановая


Согласно
требований (2, п.5.3.) размеры сечений внецентренно сжатых колонн должны
приниматься такими, чтобы их гибкость
в любом
направлении, как правило, не превышала 120 (35). Следовательно, по условию
максимальной гибкости высота сечения подкрановой части колонн должна быть не
менее
, а надкрановой -
. С
учетом требований унификации для мостовых кранов грузоподъемностью более 20тс
принимаем поперечные сечения колонны
Крайние
колонны при высоте этажа 12,0 м принимаем сплошными прямоугольного сечения с
размерами поперечного сечения: надкрановой части колонны крайнего ряда 400х380
мм, подкрановой части колонны крайнего ряда 400х800 мм. Средние колонны при
высоте этажа 12,0 м принимаем сплошными прямоугольного сечения с размерами
поперечного сечения: надкрановой части 400х600 мм, подкрановой части 400х900
мм. В этом случае удовлетворяются требования по гибкости и рекомендации по
назначению высоты сечения подкрановой части колонны в пределах:
.
Стеновые
панели принимаю двух типоразмеров: нижние (цокольные), опирающиеся на
фундаментные балки и парапетные панели - 1,2х6,0м; верхние панели-перемычки и
промежуточные панели-перемычки, закрывающие подкрановые балки - 1,8х6,0 м.
Здание
имеет 2 температурных блока по 60 м. Устройство светоаэрационных фонарей не
требуется, т.к. цех оснащен лампами дневного света.
Стропильную
конструкцию по заданию принимаем в виде сегментной фермы 2ФС-24 из легкого
бетона. По приложению 2 назначаем марку балки 2ФС-24 с номером типа опалубочной
формы 2 с максимальной высотой в середине пролета 3,15м (объем бетона 4,47м3).
По
приложению 3 назначаем тип плит покрытия размерами
(номер типа опалубочной формы I,
высота ребра 300мм, приведенная толщина с учетом заливки швов бетоном 65,5мм).
Толщина
кровли (по заданию тип 1) согласно приложению 5 составляет 170мм.
По
заданию проектируем наружные стены из сборных навесных панелей. В соответствии
с приложением 6 принимаем панели из ячеистого бетона марки плотности 800
толщиной 200мм. Размеры остекления назначем с учетом грузоподъемности мостовых
кранов.
Определение нагрузок и усилий
Постоянные нагрузки
1. Нормативные и расчетные нагрузки на 1 м2 покрытия.
Табл. 3.1. Нормативные и расчетные нагрузки на 1 м2 покрытия
|
N
|
Наименование нагрузки
|
Длина, м
|
Ширина, м
|
Высота слоя, м
|
Удельный вес слоя, кН/м3
(кН/м2)
|
Нормативное значение, Па
|
К-нт надежности по нагрузке
|
Расчетное значение, Па
|
|
1
|
2
|
3
|
4
|
5
|
6
|
7
|
8
|
9
|
|
1. Определение нагрузок на
раму
|
|
1
|
Рулонный ковер
|
1
|
1
|
-
|
0,1
|
100
|
1,30
|
130
|
|
2
|
Цементно-песчаная стяжка
|
1
|
1
|
0,035
|
18
|
630
|
1,3
|
819
|
|
3
|
Полиэтиленовая пленка
|
1
|
1
|
0,002
|
0,001
|
1
|
1,2
|
|
|
3
|
Утеплитель (полужесткие
минераловатные плиты)
|
1
|
1
|
0,15
|
3,92
|
588
|
1,2
|
706
|
|
4
|
Пароизол
|
1
|
1
|
-
|
0,005
|
5
|
1,2
|
6
|
|
5
|
Ж.б. плита покытия
|
1
|
1
|
-
|
1570
|
1570
|
1,1
|
1727
|
|
Итого от постоянных
нагрузок:
|
|
|
|
|
2894
|
|
3388
|
. Определяем расчетные нагрузки на колонны
· на крайнюю колонну:
- от веса ферм:
погонная
от покрытия
Расчетная
нагрузка на крайнюю колонну от веса покрытия с учетом коэффициента надежности
по назначению здания γn=0,95:
G1=(GФ+Gпог)·0,95=(50,6+244,1)·0,95=279,78 кН.
· на среднюю колонну:
- от веса ферм:
погонная
от покрытия
от подстропильных конструкций
Расчетная нагрузки на колонну
1=(GФ+Gпог+Gподстр)·0,95=(202,4+976,3+96,9)·0,95=1211,8
кН.
. Определяем расчетную нагрузку от веса стеновых панелей и остекления
Стены самонесущие до отметки верха 1го остекления (+6,600). От отметки
1го остекления - навесные.
· на подкрановую часть колонны:
Gw1=(g1·hw1)·B·γf·γn=(2,5·(9,0-6,0)·6·1,1·0,95=112,86
кН.
· на надкрановую часть колонны:
Gw2=(g2·hw2+g1·hw3)·B·γf·γn=(0,4·(12,0-10,2)+2,5·(15,6-12,0+10,2-9,0))·6·1,1·0,95=
=89,16 кН.
4. Определяем нагрузку от веса подкрановых балок и кранового пути:
· на крайнюю колонну:
п.б.1.+п.п.1=(42+1,5·6)·1,1·0,95=53,3 кН.
· на среднюю колонну:
п.б.2.+п.п.2=(115+1,5·12)·1,1·0,95=139 кН.
. Расчетная нагрузка от веса колонн
· крайних колонн:
надкрановая
часть:
,
подкрановая
часть:
.
· средних колонн:
надкрановая
часть:
,
подкрановая
часть:
.
Временные нагрузки
6. Снеговая.
Для
г.Ростов-на-Дону (I снеговой район)
.
Расчетная
снеговая нагрузка при
:
· на крайнюю колонну:
,
· на среднюю
колонну:
.
7. Крановые нагрузки.
Технические характеристики крана:
Грузоподъемность крана: 200 кН
Пролет крана: 24 - 2·0,75 = 22,5 м.
Основные технические характеристики крана:
Ширина крана: Вк = 5600 мм
База крана (расстояние между колесами): Ак = 4400 мм
Вес тележки крана: Gт =
63 кН.
Максимальное
и минимальное давление на колесо крана:
и
.
Определяем
расчетные давления (max и min) на колесо крана при
:
;
.

.
Определяем
вертикальную крановую нагрузка на колонну от двух сближенных кранов с
коэффициентом сочетаний
:
колонна
крайнего ряда:
.
.
где
Σy -
сумма ординат линии влияния реакции рассматриваемой рамы (рис. 3.1).
Вертикальная
крановая нагрузка на колонну от четырех сближенных кранов с коэффициентом
сочетаний
:
колонна
крайнего ряда:
колонна
среднего ряда:
Горизонтальная
крановая нагрузка на колонну от двух кранов при поперечном торможении тележки
крана:
.
.
Ветровая нагрузка.
Для
г.Ростов-на -Дону(Iветровой район) для местности типа В на части здания от
поверхности земли расчетная ветровая нагрука вычисляется по формуле:
ω0 - нормативное давление ветра, принимаемое по [2], для г. .Ростов-на
-Дону, находящегося в I ветровом районе ω0 = 0,38 кН/м2.
к
- коэффициент, учитывающий изменение скоростного напора в зависимости от высоты
здания и типа местности, принимается по [2],
с
- аэродинамический коэффициент, зависящий от конфигурации здания, для обычных
производственных зданий с=0,8 для активного давления и с=0,6 для отсоса.
Расчетная
ветровая нагрузка с наветренной стороны при
:
· на отм. 5 м:
,
.
· на отм. 10 м:
,
.
· на отм. 12,0 м:
,
.
· на отм. 15,6 м:
,
.
Моменты
от действующей ветровой нагрузки Мr1 и от эквивалентной
распределенной нагрузки Мeq1:
.
Приравнивая
Мr1 и Мeq1, получаю эквивалентные нагрузки:
с
наветренной стороны:
,
с
подветренной стороны:
.
Сосредоточенная
ветровая нагрузка, собираемая с конструкций, расположенных выше верха колонн:
Эксцентриситеты действующих нагрузок.
Эксцентриситет
приложенной нагрузки от веса покрытия и снега:
.
Эксцентриситет
приложенной нагрузки от веса стенового ограждения в пределах надкрановой части
колонны:
;
Эксцентриситет
приложения нагрузки от смещения геометрических осей сечений надкрановой и
подкрановой частей крайней колонны:
;
Эксцентриситет
приложения нагрузки от веса подкрановой балки (и крана) на крайнюю колонну:
;
Эксцентриситет
приложения нагрузки от веса стенового ограждения в пределах подкрановой части
колонны:
;
Эксцентриситет
приложения нагрузки от веса подкрановой балки (и крана) на среднюю колонну:
.
Моменты инерции сечения колонн.
Колонна по оси А (крайнего ряда):
надкрановая
часть:
, (3.36)
подкрановая
часть:
, (3.37)
Колонна
по оси Б (среднего ряда):
надкрановая
часть:
, (3.38)
подкрановая
часть:
. (3.39)
Определенияем усилия в колоннах рамы на ЭВМ по программе «COLIN».
Расчет колонны крайнего ряда
Исходные
данные.
Спроектировать сборную крайнюю внецетренно сжатую колонну прямоугольного
сечения для промышленного одноэтажного цеха, оборудованного мостовыми кранами
грузоподъемностью 32 т. Верх колонн на отм. +14,4м. Полная высота колонн с
учетом заглубления ниже отметки пола на 0,15м Н = 14,55м. Колонна изготовлена
из бетона класса В25, армирование выполняется из стержневой арматуры класса А
400.
Расчетные данные для бетона марки В20 :
- -
коэффициент условий работы бетона
- , с
учетом коэффициента условий работы бетона
- , с
учетом коэффициента условий работы бетона
-
расчетные данные для арматуры A400:
-
-
- ,
-
поперечная арматура класса A240.
Расчет
арматуры в надкрановой части колонны.
Расчет проводим по сечению 2 - 2.
Сечение
колонны
, для продольной арматуры принимаем
, тогда рабочая высота сечения
.
Подбор
арматуры производим для комбинации Mmax.
Усилия:
M=27,66 кН·м, N=507,58 кН,
от
всех нагрузок без учета крановых M’=19,38 кН·м, N’=507,38 кН,
от
продолжительно действующих нагрузок Ml=12,26 кН·м, Nl=384,46
кН,
Расчетная
длина надкрановой части колонны в плоскости изгиба по табл. 23 [5]:
- при
учете крановой нагрузки;
- без
учета крановой нагрузки.
Т.к.
минимальная гибкость в плоскости изгиба
, то
необходимо учитывать влияние прогиба на несущую способность.
Устанавливаем
значение коэффициента условий работы бетона
, для
чего находим моменты внешних сил относительно центра тяжести растянутой (менее
сжатой) арматуры с учетом и без учета крановых и ветровых нагрузок:
=M1=M+N·(0,5·h-a)=27,66+507,58·(0,5·0,38-0,03)=108,87 кН·м;=M’+N’·(0,5·h-a)=19,38+507,58·(0,5·0,38-0,03)=100,59кН·м;
Т.к.
|MI|=100,59 кН·м >0,82·|MII|=0,82·108,87
кН·м, то согласно п. 3.1 [5] принимаем gb2 = 0,9 МII/МI=0,9·108,87/100,59=0,97=1
£ 1,1, тогда расчетные сопротивления бетона:
,
.
Случайны
эксцентриситеты:
1=lo/600=8,75/600=0,016
м,
ea2=h/30=0,38/30=0,013
м,
3=10
мм=0,01 м.
Проектный
эксцентриситет
e0=|M|/N=27,66/507,58=54,5
мм=0,055 м> ea1=0,016,
следовательно
случайный эксцентриситет не учитываем.
Находим
критическую силу Ncr и коэффициент увеличения начального эксцентриситета η.
1. δe=e0/h=55/380=0,143<
δe,min=0,5-0,01lo/h-0,01·Rb=0,5-0,01·20,53-0,01·11,5=0,180, принимаем δe=0,180.
2. Т.к. моменты M и Ml имеют одинаковый знаки, то
коэффициент φl ,
учитывающий влияние длительного действия нагрузки на прогиб элемента в
предельном состоянии, определяем по формуле:
но не более 1 + b
(здесь b=1
- см. табл. 16[5]),
3. Задаемся в первом приближении коэффициентом армирования 0,005.
4. Условная критическая сила:
размеры сечения достаточны.
5. Коэффициент увеличения начального эксцентриситета:
Расчетный
эксцентриситет продольной силы
e=η·e0+0,5·h-a=1,142·0,055+0,5·380-30=222 мм.
Определим
требуемую площадь сечения симметричной арматуры по формулам п.3.61 [5].
.
.
.
4. δ=a/h0=30/350=0,086.
При
<
требуемая
площадь симметричной арматуры составляет
т.е.
арматуру принимаем по конструктивному минимуму п. 5.53 [5], минимальная площадь
сечения продольной арматуры при гибкости
составляем
As,min=0,002·b·h0=280<As.
Окончательно
принимаем в надкрановой части колонны у граней, перпендикулярных плоскости
изгиба по 2 Ø14
A400 (As=A’s=308 мм2).
Коэффициент
армирования сечения
незначительно отличается от первоначально принятого,
поэтому корректировку расчета можно не производить.
Расчет
из плоскости изгиба
За
высоту сечения принимаем его размер из плоскости поперечной рамы, т.е. с этом
случае h’=400 мм. Расчетная длина надкрановой части колонны из
плоскости изгиба составляет
Т.к.гибкость
из плоскости l0/h’=14,6 меньше гибкости в плоскости изгиба l0/h=20,5,
расчет из плоскости изгиба можно не выполнять.
Расчет
подкрановой части колонны.
Расчет
проводим по сечениям 3-3 и 4-4.
Сечение
колонны
, для продольной арматуры принимаем
, тогда рабочая высота сечения
. Подбор арматуры производим для комбинации Mmin.
Усилия:
M=-215,76 кН·м, N=1146,32 кН, Q=-26,16
кН.
от
всех нагрузок без учета крановых M’=32,80 кН·м, N’=771,54 кН,
от
продолжительно действующих нагрузок Ml=28,43 кН·м, Nl=648,42
кН,
Расчетная
длина подкрановой части колонны в плоскости изгиба по табл. 23 [5]:
- при
учете крановой нагрузки;
- без
учета крановой нагрузки.
Т.к.
минимальная гибкость в плоскости изгиба
, то
необходимо учитывать влияние прогиба на несущую способность.
Устанавливаем
значение коэффициента условий работы бетона
, для
чего находим моменты внешних сил относительно центра тяжести растянутой (менее
сжатой) арматуры с учетом и без учета крановых и ветровых нагрузок:
=M1=M+N·(0,5·h-a)=-215,76+1146,32·(0,5·0,8-0,03)=208,38
кН·м;=M’+N’·(0,5·h-a)=32,8+771,54·(0,5·0,8-0,03)=318,27кН·м;
Т.к.
|MI|=318,27 кН·м >0,82·|MII|=0,82·208,38
кН·м, то согласно п. 3.1 [5] принимаем gb2 = 0,9 МII/МI=0,9·208,38/318,27=0,58=0,6
£ 1,1, тогда расчетные сопротивления бетона:
,
.
Случайны
эксцентриситеты:
1=lo/600=12,98/600=0,022
м,
ea2=h/30=0,800/30=0,027
м,
Проектный
эксцентриситет e0=|M|/N=215,76/1146,32=188 мм >ea=0,027 мм -
случайный эксцентриситет не учитываем, т.к. колонна является элементом
статически неопределимой системы.
Находим
критическую силу Ncr и коэффициент увеличения начального эксцентриситета η.
1.
δe=e0/h=188/800=0,235< δe,min=0,5-0,01lo/h-0,01·Rb=0,5-0,01·20,53-0,01·11,5=0,211,
принимаем δe=0,235.
. Т.к. моменты M и Ml имеют разные знаки, а e0=188 мм>0,1h=80мм, тогда коэффициент φl=1.
3. Задаемся в первом приближении коэффициентом армирования 0,005.
4. Условная критическая сила:
размеры сечения достаточны.
5. Коэффициент увеличения начального эксцентриситета:
Расчетный
эксцентриситет продольной силы
e=η·e0+0,5·h-a=1,336·0,188+0,5·800-30=622 мм.
Определим
требуемую площадь сечения симметричной арматуры по формулам п.3.61 [5].
1.

.
.
4. δ=a/h0=30/770=0,039.
При
<
требуемая
площадь симметричной арматуры составляет
По
конструктивным требованиям п. 5.53 [5] минимальная площадь сечения продольной
арматуры при гибкости
составляем As,min=0,002·b·h0=0,002·400·770=616>As.
Окончательно
принимаем в подкрановой части колонны у коротких граней, перпендикулярных
плоскости изгиба по 2 Ø20
A400 (As=A’s=628 мм2). У широких граней консоли предусматриваем по
1Ø12A400
с тем, чтобы расстояния между продольными стержнями не превышали 400 мм.
Коэффициент
армирования сечения
незначительно
отличается от первоначально принятого, поэтому корректировку расчета можно не
производить.
Расчет
из плоскости изгиба
Расчетная
длина подкрановой части колонны из плоскости изгиба составляет
Т.к.гибкость
из плоскости l0/h’=10,38 меньше минимальной гибкости в плоскости изгиба
l0/h=12,98, расчет из плоскости изгиба можно не выполнять.
Расчет
крановой консоли
На
крановую консоль колонны ряда А действует сосредоточенная сила от веса
подкрановой балки и вертикально давления кранов.
=( Gп.б.1.+п.п.1+Dmax)=53,3+497,86=551,16 кН.
Размеры
консоли:
hc=900 мм, lc=400
мм, a=50мм, h0=860 мм. Подкрановые балки с шириной опорной площадки
340 мм опираются поперек консоли, тогда lsup=340 мм, l1=340
мм. Т.к. на консоль действуют нагрузки малой суммарной положительности, то
расчетные сопротивления бетона принимаем с коэффициентом γb2=1,1,
,
.
Т.к.
Qc=551,16 кН<2,5·Rbtbh=2,5·0,99·400·860=851,4
кН, прочность бетонного сечения консоли достаточна и поперечное армирование ее
выполняется по конструктивным требования п. 5.77 [5]. При hс=900
мм>2,5a=2,5·50=125 мм поперечное армирование принимаем в виде
горизонтальных хомутов из стержней Ø6 A400 с шагом не
более h/4=900/4=225 и не более 150мм по высоте консоли.
Проверим
по п. 3.93 [5] бетон консоли под опорной подкрановой балкой на местное смятие
из условия:
<ψRb,locAloc1,
для
чего последовательно определяем:
площадь
смятия Aloc1=blsup=400·340=13,6·104 мм2;
расчетная
площадь смятия Aloc2=b(2b+lsup)=400(2·400+340)=45,6·104 мм2;
;
расчетное
сопротивление бетона смятию:
,loc=α·φb·Rb·γb9=1·1,50·12,65·0,9=17,08 МПа, где
α=1,0 для бетонов класса ниже В25,
γb9=0,9 - по
табл. 9 [5];
y - коэффициент, принимаемый равным:
при равномерном распределении местной нагрузки на площади смятия - 1,0;
при неравномерном распределении местной нагрузки на площади смятия (под
концами балок, прогонов, перемычек) - 0,75;
Проверяем условие:
=Qс=551,16<0,75·17,08·13,6·104=1742
кН,
следовательно, смятие бетона консоли не произойдет.
Требуемая площадь сечения арматуры консоли:
Принимаем
2Ø20A-III (As=628
мм2). Для надежной анкеровки продольной арматуры она должна быть заведена за
грань колонны на длину не менее чем на lan=36d=36·20=720
мм. Т.к. требуемая длина анкеровки lan>h1=380мм, то
анкеровка продольной арматуры консоли достигается приваркой к ее концам
закладной детали, предназначенной для крепления стеновых панелей.
.
Расчет колонны среднего ряда произведем с помощью программного комплекса Scad Soft,.
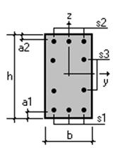
Расчет колонны среднего ряда
ЭКСПЕРТИЗА КОЛОННЫ СРЕДНЕГО РЯДА, ВЕРХНЯЯ ЧАСТЬ
Расчет выполнен по СНиП 2.03.01-84*
Конструктивное решение
Высота колонны 3,9 м
Коэффициент расчетной длины в плоскости XoY 1,5
Коэффициент расчетной длины в плоскости XoZ 2,0
Случайный эксцентриситет по Z принят по СНиП 2.03.01-84*
Случайный эксцентриситет по Y принят по СНиП 2.03.01-84*
Конструкция статически неопределимая
Сечение
Размеры:= 60,0 см= 40,0 см= 3,0 см= 3,0 см
Арматура
Класс продольной арматуры A-III
Класс поперечной арматуры A-I
Коэффициент условий работы продольной арматуры 1,0
Коэффициент условий работы поперечной арматуры 1,0
Бетон
Вид бетона: Тяжелый
Класс бетона: B20
Коэффициенты условий работы бетона
Учет нагрузок длительного действия b2 1.0
Результирующий коэффициент без b2 1,0
Условия твердения: Естественное
Коэффициент условий твердения 1,0
Нагрузки
|
Загружение
|
Тип
|
N
|
My1
|
Qz1
|
My2
|
Qz2
|
qz
|
Mkr
|
Mz1
|
Qy1
|
Mz2
|
Qy2
|
qy
|
Собственный вес
|
|
|
Т
|
Т*м
|
Т
|
Т*м
|
Т
|
Т/м
|
Т*м
|
Т*м
|
Т
|
Т*м
|
Т
|
Т/м
|
|
|
1
|
Постоянное
|
-173,48
|
0,0
|
0,0
|
0,0
|
0,0
|
0,0
|
0,0
|
0,0
|
0,0
|
0,0
|
0,0
|
0,0
|
|
Заданное армирование
|
Участок
|
Длина (м)
|
Арматура
|
|
|
1
|
3,5
|
S1 - 216 S2 - 216
|
|
Результаты экспертизы
|
Участок
|
Коэффициент использования
|
Проверка
|
|
1
|
0,558077
|
Прочность по предельной
продольной силе сечения
|
|
0,747152
|
Прочность по предельному
моменту сечения
|
|
0,648804
|
Продольная сила при учете
прогиба при гибкости L0/i>14
|
ЭКСПЕРТИЗА КОЛОННЫ СРЕДНЕГО РЯДА, НИЖНЯЯ ЧАСТЬ
Расчет выполнен по СНиП 2.03.01-84*
Конструктивное решение
Высота колонны 11,7 м
Коэффициент расчетной длины в плоскости XoY 0,8
Коэффициент расчетной длины в плоскости XoZ 1,5
Случайный эксцентриситет по Z 3,0 см
Случайный эксцентриситет по Y принят по СНиП 2.03.01-84*
Конструкция статически неопределимая
Сечение
Размеры:= 90,0 см= 40,0 см= 4,0 см= 4,0 см
Арматура
Класс продольной арматуры A-III
Класс поперечной арматуры A-I
Коэффициент условий работы продольной арматуры 1,0
Коэффициент условий работы поперечной арматуры 1,0
Бетон
Вид бетона: Тяжелый
Класс бетона: B20
Коэффициенты условий работы бетона
Учет нагрузок длительного действия b2 1.0
Результирующий коэффициент без b2 1,0
Условия твердения: Естественное
Коэффициент условий твердения 1,0
Нагрузки
|
Загружение
|
Тип
|
N
|
My1
|
Qz1
|
My2
|
Qz2
|
qz
|
Mkr
|
Mz1
|
Qy1
|
Mz2
|
Qy2
|
qy
|
Собственный вес
|
|
|
Т
|
Т*м
|
Т
|
Т*м
|
Т
|
Т/м
|
Т*м
|
Т*м
|
Т
|
Т*м
|
Т
|
Т/м
|
|
|
1
|
Постоянное
|
-293,36
|
3,91
|
-0,334188
|
0,0
|
-0,334188
|
0,0
|
0,0
|
0,0
|
0,0
|
0,0
|
0,0
|
|
Заданное армирование
|
Участок
|
Длина (м)
|
Арматура
|
|
|
1
|
8,65
|
S1 - 428 S2 - 428
|
|
Результаты экспертизы
|
Участок
|
Коэффициент использования
|
Проверка
|
|
1
|
0,484317
|
Прочность по предельной
продольной силе сечения
|
|
0,788945
|
Прочность по предельному
моменту сечения
|
|
0,854564
|
Продольная сила при учете
прогиба при гибкости L0/i>14
|
|
0,0034638
|
Прочность по наклонной
полосе между наклонными трещинами
|
|
0,0129938
|
Прочность по наклонным
сечениям без поперечной арматуры
|
Коэффициент армирования верхней части колонны
.
Коэффициент
армирования верхней части колонны
.
Армирование
консоли выполняем аналогично армированию консоли крайней колонны 2Ø20A400 (As=628
мм2).
Расчет сегментной фермы
1. Исходные данные.
. Пролет - 24 м
2. Шаг колонн - 12м
. Расчетная снеговая нагрузка S0= 0,8 кН/м2
. Тип кровли - холодная
2. Данные для проектирования.
Ферму проектируем предварительно напряженной на пролете - 24м,
При шаге ферм (колонн) - 12м
Геометрическая схема фермы
Ферма
изготовлена из тяжелого бетона класса В40 (т.к. шаг ферм 12м):
-
прочность бетона к моменту обжатия
Напрягаемая
арматура нижнего пояса из семипроволочных канатов К1400 (К-7) Ø15мм с натяжением на упоры:
Сжатый
пояс и элементы решетки фермы армируются стержнями класса А400:
Хомуты
- класса А240
Определение нагрузок на ферму
Равномерно распределенную нагрузку от покрытия согласно табл. 1
прикладываем в виде сосредоточенных сил к узлам верхнего пояса. Вес фермы 149
кН также учитывается в виде сосредоточенных сил, приложенных к узлам верхнего
пояса.gf
Сбор нагрузок на ферму
|
Вид нагрузки
|
Нормативная нагрузка Па
|
Расчетная нагрузка Па
|
|
Постоянная:-
|
2894
|
3388
|
|
Временная(снеговая):
-длительная -кратковременная
|
800 240 560
|
1800 240 560
|
|
Полная: -постоянная и
длительная -кратковременная
|
3694 3134 3454
|
4188 3628 3948
|
Узловые расчетные нагрузки по верхнему поясу фермы:
Постоянная
Длительная
снеговая:
Кратковременная
(полная) снеговая:
Узловые
нормативные нагрузки соответственно:
Определение усилий в элементах фермы.
Для вычисления продольных усилий в элементах фермы определяем сначала
усилия от единичных нагрузок.
Принимаем значения усилий от единичных нагрузок приведённые в учебном
пособии и определённые с помощью ЭВМ по программе «ЛИРА»(табл.3).
|
Усилия в элементах фермы от
единичных загружений
|
|
|
таблица 3
|
|
Элементы фермы
|
Усилия в элементах в кН
|
|
При загружении всего
пролета фермы
|
|
|
|
Ферма 24 м
|
|
нижний пояс:
|
|
|
H1
|
+6,55
|
|
H2
|
+8,11
|
|
раскосы:
|
|
|
P1
|
+0,63
|
|
P2
|
-1,36
|
|
P3
|
-0,24
|
|
стойки:
|
|
|
C1
|
+0,61
|
|
C2
|
+0,32
|
|
верхний пояс:
|
|
|
B1
|
-7,43
|
|
B2
|
-7,43
|
|
B3
|
-7,13
|
|
B4
|
-7,96
|
«+» - усилия при растяжении, «-» - усилия при сжатии.
Проектирование сечений элементов фермы
Нижний растянутый пояс.
Расчет прочности выполняем на суммарное опасное кратковременное усилие
для элемента Н2: N=1564,3 кН
(таблица 4). Определяем площадь сечения растянутой продольной напрягаемой
арматуры класса К1400 (К-7) при
площадь 1-го каната 15мм = 1,416см2
Фактическую площадь напрягаемой арматуры для обеспечения требований по
трещиностойкости принимаем ≈ на 10 - 15% больше, чем требуется по расчету
прочности.
Принимаем фактическую площадь напрягаемой арматуры:
Число
канатов
Предварительно
принимаем арматуру в виде 10 канатов Ø15 класса К1400 (К-7) с площадью:
Принимаем
сечение нижнего пояса bхh=30х25.
|
Сечение элементов фермы
|
|
|
Таблица 5
|
|
Шаг колонн
|
12
|
|
Сечение L
|
24
|
|
Пояса
|
h
|
250
|
|
b
|
300
|
|
Раскоса, стойки
|
h
|
150/200
|
|
b
|
200
|
Расчет
нижнего пояса на трещиностойкость.
Отношение
модулей упругости арматуры и бетона:
Для
канатов:
Величину
предварительного напряжения арматуры принимаем согласно п. 2.2.3.1 (4), из
условия
т.е. при Rs,n=1400МПа
получим
; принимаем
Потери
предварительного напряжения арматуры вычисляем согласно указаниям п.2.2.3 (4).
Первые
потери:
1) От релаксации напряжений арматуры:
)
От разности температур напрягаемой арматуры и натяжных устройств при Δt=65˚С
3) Потери от деформации стальной формы Δσsp3 =0, так как всю арматуру натягиваем
одновременно.
4) От деформации анкеров натяжных устройств при Δl=2мм:
МПа
где l - длина натягиваемого каната в мм.
Первые потери предварительного напряжения арматуры составляют:
Вторые
потери.
1) От усадки бетона В40:
где
εb,sh - деформации усадки бетона, для бетона класса В40
равно 0,00025.
2) От ползучести бетона:
где
φb,cr -
коэффициент ползучести бетона. При относительной влажности воздуха окружающей
среды (40-75%) для класса бетона В40 φb,cr=1,9;
σbpj - напряжения
в бетоне на уровне центра тяжести рассматриваемый j-й группы
стержней напрягаемой арматуры. Для симметрично армированного нижнего пояса
фермы
Р(1)
- усилие предварительного обжатия с учетом первых потерь:
Аred -
площадь приведенного сечения элемента:
тогда
Коэффициент
армирования
-
расстояние между центрами тяжести сечения рассматриваемой группы стержней
напрягаемой арматуры и приведенного поперечного сечения элемента. При
симметричном обжатии элемента напрягаемой арматурой ysj=0.
Итак,
потери от ползучести бетона будут равны:
Полные
потери предварительного напряжения арматуры составят:
Значение
предварительного напряжения в арматуре вводится в расчет с коэффициентом
точности натяжения арматуры γsp=0,9.
Тогда
усилие обжатия с учетом полных потерь составит:
Усилие,
воспринимаемое сечением при образовании трещин:
кН
Поскольку
Ncrc=1017,44 < Nn,кр=1278,7кН,
условие трещиностойкости сечения не выполняется и необходим расчет по раскрытию
трещин.
Расчет
по раскрытию трещин
Определим
ширину раскрытия трещин от суммарного действия постоянной и полной снеговой
нагрузки и сравним ее с допускаемым значением acrc,ult:
мм
где
φ1 - коэффициент, учитывающий продолжительность действия нагрузки и
принимаемый равным 1,4 (продолжительное действие нагрузки);
φ2 - коэффициент, учитывающий профиль продольной арматуры, принимаемый
равным 0,5 (для арматуры периодического профиля и канатной);
φ3 - коэффициент, учитывающий характер нагружения, принимаемый равным 1,2
(для растянутых элементов);
σs - приращение
напряжений в продольной предварительно-напряженной арматуре в сечении с
трещиной от внешней нагрузки:
МПа
-
базовое (без учета вида внешней поверхности арматуры) расстояние между смежными
нормальными трещинами:
рама нагрузка колонна фундамент
,
и
принимаемое не менее 10ds и 100мм и не более 40ds и 400мм (ds
-номинальный диаметр арматуры).
.
Окончательно
принимаем ls=400мм.
ψs - коэффициент,
учитывающий неравномерное распределение относительных деформаций растянутой
арматуры между трещинами:
где
σs,crc -
приращение напряжений в растянутой арматуре сразу после образования нормальных
трещин.
Для
центрально-растянутых преднапряженных элементов:
где
Так
как σs,crc>σs, то коэффициент ψs=0,2.
Ширина
раскрытия нормальных трещин acrc,1 от продолжительного действия постоянной и
длительной снеговой нагрузок в нижнем поясе фермы, с учетом изгибающих моментов,
возникающих в жестких узлах, несколько снижающих трещиностойкость, что
учитывается опытным коэффициентом γi =1,15, будет
равна:
Ширина
раскрытия трещин от непродолжительного действия постоянной и длительной
снеговой нагрузок acrc,3 и от непродолжительного действия постоянной и
полной снеговой нагрузок acrc,2 находятся по вышеприведенной формуле для acrc,1.
При вычислении acrc,3: φ1=1, φ2=0,5, φ3=1,2, ψs=0,2,
ls=400мм, σs=69,34МПа;
При
вычислении acrc,2: φ1=1,0, φ2=0,5, φ3=1,2, ls=400мм;
σs, crc=135,09МПа,
Суммарная
ширина раскрытия трещин от постоянной и снеговой нагрузок составит:
мм.
Поскольку
условия по допустимой ширине раскрытия трещин для acrc и для acrc,1
выполнены, принятое количество напрягаемой арматуры - 10 канатoв d=15
класса К1400(К-7) с Аsp=14,16 см2 оставляем без изменений.
Верхний
сжатый пояс.
Как
видно из таблицы, усилия в элементах верхнего пояса В1…В4 близки по величине,
поэтому все элементы верхнего пояса будем армировать одинаково из расчета на
усилие в наиболее напряженном элементе В4, для которого N=1535,4
кН, в том числе от расчетных значений длительных нагрузок Nl=1290,4
кН.
Ширину
верхнего пояса принимаем из условия опирания плит покрытия пролетом 12м -
300мм. Ориентировочное значение требуемой площади верхнего пояса:
Принимаем
размеры сечения верхнего пояса bхh=30х25 см с площадью А=840см2>630,3см2. Случайный
начальный эксцентриситет
,
где
l=320см - наибольшее фактическое расстояние между
узлами верхнего пояса;
;
Принимаем
. Расчетная длина в обеих плоскостях
см.
Наибольшая
гибкость элемента верхнего пояса
, то есть
необходимо учесть влияние прогиба элемента на его прочность.
Условная
критическая сила:
,
где
D - жесткость железобетонного элемента в предельной
стадии:
см4
,
где
β=1
для тяжелого бетона;
;
.
,
принимаем
.
Поскольку
количество арматуры неизвестно, принимаем в первом приближении μ=0,008 (так как площадь сечения была принята с запасом).
Находим:
кН
Коэффициент
Расстояние
.
Граничное
значение относительной высоты сжатой зоны бетона:
Далее
вычисляем:
- второй
случай внецентренного сжатия, случай «малых» эксцентриситетов.
Для
дальнейших расчетов принимаем ξ1=0,8055
;
;
В
нашем случае
значит необходимо вычислить относительную высоту
сжатой зоны - ξ,
требуемую площадь арматуры Аs= Аs' и
процент армирования - μ:
данное
значение значительно отличается от принятого при определении критической силы Ncr
(µ=0,008)
В
связи с этим корректируем µ и делаем пересчет.
Пересчет
верхнего сжатого пояса.
Принимаем
μ=0,005
N=1535,4кН -
усилие в наиболее напряженном элементе В4
Nl=1290,4кН-
усилие от расчетных значений длительных нагрузок
Ширину
верхнего пояса принимаем из условия опирания плит покрытия пролетом 6м - 300мм.
Ориентировочное
значение требуемой площади верхнего пояса:
Принимаем
размеры сечения верхнего пояса bхh=30х25 см с площадью А=750см2>630,3см2. Случайный
начальный эксцентриситет
,
где
l=320см - наибольшее фактическое расстояние между
узлами верхнего пояса;
;
Принимаем
. Расчетная длина в обеих плоскостях
см.
Наибольшая
гибкость элемента верхнего пояса
, то есть
необходимо учесть влияние прогиба элемента на его прочность.
см4
,
где
β=1
для тяжелого бетона;
;
.
,
принимаем
.
Условная
критическая сила:
Коэффициент
Расстояние
Граничное
значение относительной высоты сжатой зоны бетона:
Далее
вычисляем:
второй
случай внецентренного сжатия, случай «малых» эксцентриситетов.
Для
дальнейших расчетов принимаем ξ1=0,8055
;
В
нашем случае
значит необходимо вычислить относительную высоту
сжатой зоны - ξ,
требуемую площадь арматуры Аs= Аs' и
процент армирования - μ:
-
данное значение значительно отличается от принятого при определении критической
силы Ncr (µmin=0,005), поэтому согласно СНиП 2.03.01-84* п. 5.16.
подбираем минимальный диаметр арматуры и пересчет не делаем.
Окончательно
принимаем армирование верхнего пояса в виде 4n12А400
с
.
,
что
превышает
. Хомуты из условия свариваемости с продольной арматурой
n10 принимаем n6А240 и
устанавливаем их с шагом 100 мм, что не превышает
и не более 500мм.
Растянутый
раскос Р1.
В
данном раскосе возникают усилия (таблица): N=121,5 кН; Nn=99,3
кН; Nnl=85,8 кН.
Для
обеспечения прочности раскоса необходимая площадь продольной арматуры класса
А400 составляет:
Предварительно
принимаем 4n12А400 с Аs=4,52см2. Поскольку
рассматриваемая ферма бетонируется целиком, ширина всех элементов решетки
принята b=30см. Для растянутого раскоса bхh=30х15см.
Коэффициент армирования:
(для
центрально растянутых элементов).
Ко
всем элементам решетки предъявляются требования 3-ей категории по
трещиностойкости.
Усилие,
воспринимаемое сечением, при образовании трещин:
где
Условие
трещиностойкости не выполняется, следовательно, необходим расчет по раскрытию
трещин.
Суммарная
ширина раскрытия трещин:
Ширина
раскрытия трещин
от продолжительного действия постоянной и длительной
снеговой нагрузок:
;
- данные
из расчета нижнего пояса
1,4;
0,5;
1,2
,
что
превышает 400мм и более
Принимаем
400 мм.
Тогда:
<0,3мм,
следовательно, увеличение диаметра продольной рабочей арматуры и пересчета
расчета не требуется.
Ширина
раскрытия трещин
от непродолжительного действия постоянной и
длительной снеговой нагрузок:
1,0;
0,5;
1,2;
0,159;
189,82
МПа;
400мм
Ширина
раскрытия трещин
от непродолжительного действия постоянной и
длительной снеговой нагрузок:
1,0;
0,5;
1,2;
199,49 МПа;
400мм

Суммарная
ширина раскрытия трещин от постоянной и снеговой нагрузок будет равна:
При
расчете суммарной ширины раскрытия трещин в нашем случае получилось
, следовательно, увеличение диаметра продольной
арматуры и пересчета расчета не требуется.
Окончательно
принимаем армирование раскоса в виде 4n12А400. Диаметр
поперечной арматуры (из условия сварки с продольной) - n6А240
с шагом S=600мм, что не превышает
Сжатый
раскос Р2.
Усилия
в элементе: N=262,3кН; Nl=220,5кН.
Ориентировочное
значение площади сечения равно:
С
учетом технологии изготовления фермы примем размеры сечения стойки согласно
рекомендациям табл.5
bхh=30х20см
с площадью А=600см2>107,7см2.
Фактическая
длина элемента равна 404см: (
)
Расчетная
длина при расчете в плоскости фермы равна
.
Случайный
начальный эксцентриситет:
;
принимаем еа=1см.
Значение
, то есть необходим учет влияния прогиба элемента на
его прочность.
Условная
критическая сила:
, где
-
жесткость железобетонного элемента в предельной стадии:
см4
; где
β=1 для тяжелого бетона;
;
.
, принимаем
.
Поскольку,
площадь сечения стойки принята с большим запасом, площадь арматуры назначим
минимально возможной. В сжатых элементах продольную арматуру следует
устанавливать в количестве не менее конструктивного минимума, а в элементах
решетки стропильных ферм, кроме того, не менее 4n10А400.
Принимаем
арматуру 4n10А400 с Аs=3,14см2;
коэффициент
армирования:
Тогда:
кН.
Коэффициент
Расстояние
.
Граничное
значение относительной высоты сжатой зоны бетона (по расчету верхнего пояса):
Далее
вычисляем:
то
есть имеем первый случай внецентренного сжатия, случай «больших»
эксцентриситетов.
;
;
Поскольку
и при определении Ncr задавались
процентом армирования, исходя из минимально допустимого диаметра, перерасчет не
производим.
Оставляем
ранее принятую площадь арматуры Аs=3,14см2, что соответствует 4n10А400.
Хомуты n6А240 устанавливаем с шагом 150мм, что не превышает
.
Растянутая
стойка С1.
В
данной стойке возникают усилия (таблица):
Nкр=117,7кН; Nn,кр=96,2кН;
Nnl=83,0кН.
Для
обеспечения прочности стойки необходимая площадь продольной арматуры класса
А400 составляет:
Предварительно
принимаем 4n10А400 с Аs=3,14см2. Поскольку
рассматриваемая ферма бетонируется целиком, ширина всех элементов решетки
принята b=30см. Для растянутой стойки bхh=30х15см.
Коэффициент армирования:
Ко
всем элементам решетки предъявляются требования 3-ей категории по
трещиностойкости.
Усилие,
воспринимаемое сечением, при образовании трещин:
где
Условие
трещиностойкости не выполняется, следовательно, необходим расчет по раскрытию
трещин.
Суммарная
ширина раскрытия трещин:
Ширина
раскрытия трещин
от продолжительного действия постоянной и длительной
снеговой нагрузок:
;
- данные
из расчета нижнего пояса
1,4;
0,5;
1,2
,
что
превышает 400мм и
Принимаем
400 мм.
Тогда:
<0,3мм,
следовательно, увеличение диаметра продольной рабочей арматуры и пересчета
расчета не требуется.
Ширина
раскрытия трещин
от непродолжительного действия постоянной и
длительной снеговой нагрузок:
1,0;
0,5;
1,2;
0,144;
264,33МПа;
400мм
Ширина
раскрытия трещин
от непродолжительного действия постоянной и
длительной снеговой нагрузок:
1,0;
0,5;
1,2;
282,8 МПа;
400мм
Суммарная
ширина раскрытия трещин от постоянной и снеговой нагрузок будет равна:
При
расчете суммарной ширины раскрытия трещин в нашем случае получилось
, следовательно, увеличение диаметра продольной
арматуры и пересчета расчета не требуется.
Окончательно
принимаем армирование стойки в виде 4n10А400. Диаметр
поперечной арматуры (из условия сварки с продольной) - n6А240
с шагом S=500мм, что не превышает
Расчет монолитного внецентренно нагруженного фундамента под колонну
крайнего ряда
Исходные
данные.
Рассчитать
и спроектировать фундамент под внецентренно сжатую колонну крайнего ряда (см.
глава 6) промышленного одноэтажного здания. Расчетное сопротивление грунта
.
Глубина
заложения фундамента
(глубина промерзания для г. Ростов-на дону - 1,8 м).
Бетон фундамента В20, рабочая арматура класса А400.
Расчетные
данные для бетона марки В20 :
-
коэффициент условий работы бетона
, с
учетом коэффициента условий работы бетона
,
, с
учетом коэффициента условий работы бетона
,
,
,
,
расчётные
данные для арматуры A400:
Определение
нагрузок и усилий.
Расчетные усилия при наименее выгодном сочетании нагрузок:
То
же, нормативные:
От собственного веса стены передается расчетное усилие:
=(g2·hw4+g1·hw5)·B·γf·γn=(0,4·(3,6-1,2)+2,5·(1,2))·6·1,1·0,95=18,06
кН.
c
эксцентриситетом
:
;
.
Расчетные
усилия, действующие относительно оси симметрии подошвы фундамента, без учета
массы фундамента и грунта на нем:
,
где
,
,
Нормативные
усилия, действующие относительно оси симметрии подошвы фундамента, без учета
массы фундамента и грунта на нем:
;
.
Предварительные
размеры подошвы фундамента.
Ориентировочно площадь подошвы фундамента:
.
Назначая
соотношение сторон фундамента
:
;
.
Учитывая
наличие момента и распора, увеличиваем размеры сторон примерно на 10-15%,
принимаю
, тогда площадь подошвы
.
Момент
сопротивления подошвы в плоскости изгиба:
.
Так
как заглубление фундамента меньше 2 м, а ширина подошвы более 1 м,то необходимо
уточнить нормативное сопротивление грунта основания по формуле ((1) прил 3.СНиП
2,02,01-83)
Уточняем
нормативное сопротивление грунта основания:
где
k1=0,05 для глинистых грунтов: b0=1 м, d0=1,65
м, d=1,5 м, bf=1,7.
Определение
краевого давления на основание.
Нормативная нагрузка от веса фундамента и грунта на его обрезах:
.
Расчетная
нагрузка:
.
Эксцентриситет
равнодействующей усилий всех нормативных нагрузок, приложенных к подошве
фундамента:
при
первой комбинации усилий:
.
Так
как
, то краевое давление вычисляем по формуле:
.
Максимальное
значение эксцентриситета:
, поэтому существенного поворота подошвы фундамента не
будет и защемление колонны обеспечивается заделкой ее в стакане фундамента.
7.5. Расчет
тела фундамента.
Глубина
стакана:
, что удовлетворяет условию по заделке арматуры
(d1 - диаметр продольной арматуры крайней колонны).
Принимая толщину стенок стакана поверху 225 мм и зазор 75 мм, размеры
подколонника в плане:
Высота
подколонника h=300мм, уступы высотой 150 и 150 мм.
Момент,
действующий от расчетных нагрузок на уровне низа подколонника:
.
Эксцентриситет:
,
но
менее 0,3h0=0,3·1340=402, стенку стакана следует производить по
расчету.
Расчет
продольной арматуры подколонника
Толщину
защитного слоя принимаем не менее 50 мм, берем расстояние от наружной грани
стенки стакана до центра тяжести сечения арматуры ab=a’b=6см.
Расчетный эксцентриситет продольной силы относительно арматуры As.
=e01+ac/2-a=0,14+1,4/2-0,06=0,78
м = 78 см.
Площадь
сечения продольной арматуры:
<0,
где
zs=ac-ab-a’b=140-6-6=128 см,
0=0,5(bch20-d0b0zs)=0,5(100·1342
-90·50·128)=6,1·105 см3,
размеры
днища стакана d0=900 мм, b0=500 мм.
Из
конструктивных соображений принимаем минимальную площадь сечения продольной
арматуры при μ=0,001:
As=A’s=0,001·Ab=0,001·(140·100-90·50)=9,5 см2.
Принимаем
5Ø10 A400, As=10,05 см2.
Расчет
поперечного армирования подколонника.
Поперечное
армирование проектируем в виде горизонтальных сеток С-3 из арматуры класса A240,
шаг сеток принимаем s=150 мм< hg/4=800/4=200мм. В пределах
высоты подколонника располагается шесть сеток С-2 и две С-3 конструктивно под
днищем стакана.
При
hc/6=0,133<e0=e01=0,14 м<hc/2=0,8/2=0,4
м рассматривается наклонное сечение, проходящее через точку К1 поворота
колонны, т.е. момент от всех усилий относительно т. К1 должен быть воспринят
поперченной арматурой стакана. Требуемая площадь сечения арматуры одного уровня
для этого случая:
где
y=1150 мм - расстояние от отм 0,000 до торца колонны;
∑zsw=30+180+330+480+630+780=2430
мм.
При
четырех рабочих стержнях в сетке требуемая площадь сечения одного стержня
Asw1=147/4=36,75
мм2. Принимаем стержни Ø8
A240
Расчет
нижней части фундамента.
Напряжения
в грунте под подошвой фундамента от расчетных нагрузок без учета массы и грунта
на его уступах:
<1,2R=360
кН/м2.
<0,8R=240кН/м2.
Определяем
рабочую высоту плиты у основания подколонника из условия прочности на
продавливание:
;
,
,
из
конструктивных соображений принимаю высоту плиты
;
.
Расчет
рабочей арматуры сетки нижней плиты.
В направлении длинной стороны аf.
Расчетный изгибающий момент в сечении 1-1, проходящем по грани bс подколонника.
,
,
Требуемое
сечение арматуры:
<
.
Назначая
шаг стержней s=200 мм, на ширине bf=1,7 м
укладывают 9стержней, принимаем
.
Изгибающий
момент в сечении 2-2, проходящем через точку пересечения грани призмы
продавливания с арматурой нижней сетки плиты:
где
Требуемая
площадь сечения арматуры:
Расчет
рабочей арматуры сетки плиты в направлении короткой стороны bf.
Среднее
давление в грунте под подошвой фундамента:
.
Расчетный
изгибающий момент в сечении 3-3, проходящем по грани подколонника:
Требуемое
сечение арматуры:
Назначая
шаг стержней s=200 мм, на длине af=2,1 м
укладывают 11 стержней, принимаем
.
Список литературы
1. СНиП 2.01.07-85*. Нагрузки и
воздействия. М.: ГУЛ ЦПП, 2003
2. СНиП 52-01-2003. Бетонные и
железобетонные конструкции. Основные понятия. М.: ФГУПЦПП, 2004.
3. СП 52-101-2003. Бетонные и
железобетонные конструкции без предварительного напряжения арматуры. М.: ФГУП
ЦПП, 2005.
4. Пособие по проектированию бетонных и
железобетонных конструкций из тяжелого бетона без предварительного напряжения
арматуры. (К СП 52-101-2003). М: ФГУПЦПП, 2005.
5СНиП
2.02.01-83 . Основания зданий и сооружений. Госстрой России, ГУП ЦПП, 1995.
6. СНиП 2.01.01-82. Строительная,
климатология и геофизика. М.: Стройиздат, 1983.
7. Байкой ВН., Сигалов Э.Е.
«Железобетонные конструкции. Общий куре». М.: Стройиздат, 1991.
8.Курс лекций.