Расчет металлоконструкции моста двухбалочного мостового крана
Курсовая
работа
Расчет
металлоконструкции моста двухбалочного мостового крана
двухбалочный мостовой кран
Введение
Мостовые краны общего
назначения опорные двухбалочные с электрическим приводом (ГОСТ 25711-83)
грузоподъемностью 5-50т имеют скорость подъема груза 0,05-0,32 м/с, скорость
передвижения тележки 0,32-0,63 м с. скорость передвижения крана 0,40-2,5 м/с,
пролет 10,5-34,5 м. Эти краны опираются на четыре ходовых колеса.
Мост двухбалочного мостового
крана состоит из двух отдельных пространственных жестких балок, называемых
главными. Главные балки соединены с концевыми балками, образуя с ними
горизонтальную раму. В концевых балках моста установлены ходовые колеса крана.
К мосту крана крепится кабина управления, которая в зависимости от условий
работы может быть выполнена открытой или закрытой.
Главную балку двухбалочного
мостового крана наиболее часто выполняют коробчатого сечения с симметрично
расположенным рельсом. Она состоит из двух вертикальных стенок и двух
горизонтальных поясов (верхнего и нижнего). Усилия ходовых колес грузовой
тележки действуют равномерно на каждую вертикальную стенку. Местная
устойчивость стенок и пространственная жесткость обеспечивается установкой по
всей длине диафрагм. Для уменьшения прогиба рельса и обеспечения местной
устойчивости стенок установлены промежуточные малые диафрагмы.
Кран работает на открытой
площадке. Допускаемый температурный режим эксплуатации рассчитываемого крана от
-30°С до +30°С. Механизм подъема крана рассчитан на режим работы М6 по ИСО
4301/1, механизм передвижения тележки - М5; кран на режим работы М6.
Кран обладает грузоподъемностью - 32т.
Выбор материала конструкции
В зависимости от выбранных температурных условий
выбирается материал
Выбираем сталь ВМ Ст3сп5 ГОСТ 380-94
В - группа поставки стали - с гарантированными
механическими свойствами
и гарантированным химическим составом.
М - способ получения стали - мартеновская печь.
сп - способ раскисления:-сталь спокойной плавки
- категория поставки.
Может применяться как в закрытых, так
и открытых помещениях, но при температуре не ниже
Расчёт на основные
нагрузки
Определим допускаемое напряжение для концевых
балок
;
где
- предел текучести материала
- коэффициент запаса прочности,
зависит от того на сколько подробно мы знаем все действующие нагрузки
Принять
=140 МПа.
Расчёт на основные плюс
дополнительные нагрузки
;
Принять
=180 МПа.
Определение
действующих нагрузок
Рис. 1. Схема главной балки с центральным
приводом
Определение нагрузки от собственного
веса главной (пролётной) балки
Собственный вес пролётной балки
определяем
по графику рис.2
Рис.2. График масс половин
двухстенчатой балки коробчатого сечения
Определим погонный вес пролётной
балки:
;
при центральном приводе необходимо учитывать
погонную нагрузку от трансмиссионного вала с подшипниками, опорами и
соединительными муфтами. Кроме того необходимо учитывать погонную нагрузку от
площадок под механизмы и площадки со стороны троллей.
;
;
Принять погонную нагрузку равную
кН/м.
Определим вес механизма передвижения
крана по / табл. 1 /
Таблица 1
|
Q, т
|
кН
|
|
До
15
|
9
|
|
20/5-30/5
|
12-15
|
|
50/10
|
20
|
|
100/20
|
27
|
Т.к Q=15/3т =>
=9 кН;
Принять
=9 кН.
Длина механизма передвижения
;
Принять
.
Определяем вес кабины крановщика
Зависит от её типа, назначения
крана, место установки и завода изготовителя, данные представлены в таблице 2.
Таблица 2.
|
Тип
кабины
|
Вес
кабины, кН
|
|
1
открытого типа
|
6-8
|
|
2
закрытого типа
|
10-12
|
|
3
электроаппаратура
|
4-5
|
25-30
|
|
5
панели электрооборудования на площадках моста
|
3-5
|
Принять
=1,5м
Выбираем кабину закрытого типа весом
12 кН.
Определим
собственный вес грузовой тележки
Определяем подвижную нагрузку от
веса грузовой тележки с грузом
Динамика нагрузки определяется по
формуле:
Где
=10м/мин - скорость подъема груза
,
Конструктор при проектировании
стремиться, чтобы давление на все колёса было одинаковым, однако это удаётся
сделать в очень редких случаях, особенно при больших грузоподъёмностях.
Рассмотрим частный случай одинакового
давления на все 4 колеса.
P1=P2 и К=К'=1,0
К - коэффициент неравномерного
давления на колеса.
кН;
кН.
При расчётах учитывают комбинацию
нагрузок
Комбинация А. Кран стоит,
работает механизм подъёма. Динамические нагрузки при подъёме груза, учитываются
коэффициентом динамики, который определяется расчётным путём в зависимости от
скорости, подъёма груза, или берётся в зависимости от режима работы.
Комбинация Б. Кран с
грузом передвигается, механизм подъёма не работает.
Динамические нагрузки учитываются
коэффициентом толчков, который берется из таблицы в зависимости от скорости
передвижения крана.
Таблица 3: значения коэффициентов
толчков
|
Скорость
передвижения крана, м/мин
|
60
|
60-90
|
120-180
|
180
|
|
Значения
КТ
|
Краны
общего назначения
|
1,0
|
1,1
|
1,2
|
1,3
|
|
Металлургические
краны
|
1,0
|
1,1
|
1,1
|
1,3
|
Кт =1,1 - кран общего назначения, Vкр=60м/мин.
кН;
кН.
Силовой расчёт. Определение
изгибающих моментов методом построения линий влияния
Строим линии влияния для следующих
сечений
.L/4
.
. L/2
Сечение L/4
Определим изгибающий момент:
;
;
;
;
;
;
;
;
;
;
.
Сечение
Определим изгибающий момент:
;
;

;
;
;
;
;
.
Сечение L/2
Определим изгибающий момент:
;
;
;
;
;
;
.
Рис. 3. а) Эпюры изгибающих
моментов. б) Суммарная эпюра изгибающих моментов
Определение перерезывающих сил
методом построения линий влияния
Строим линии влияния для следующих
сечений
.0-0
.L/4
.L/2
. L
Сечение 0(опорное)
Определяем перерезывающую силу:

Из подобия треугольников получаем:
Сечение L/4
Определим перерезывающую силу:
Из подобия треугольников получаем:
Сечение L/2
Определим перерезывающую силу:

Из подобия треугольников получаем:


Сечение L
Определим перерезывающую силу:
Из подобия треугольников получаем:
Рис. 4. а) Эпюры перерезывающих сил
б) Суммарная эпюра перерезывающих
сил
Выбор основных геометрических
параметров поперечного сечения пролетной балки. Выбор оптимальной высоты балки
Оптимальная высота балки:
где
- толщина стенки крановой балки;
- момент сопротивления поперечного
сечения пролетной балки относительно главной оси х-х.
Определим напряжение:
Момент сопротивления поперечного
сечения пролетной балки относительно главной оси х-х:
Полученную величину увеличиваем на
15-20%.
Толщину стенки
определяем
из таблицы в зависимости от грузоподъемности крана:
Таблица
|
Q,т
|
10
|
20
|
30-75
|
80-250
|
250
|
|
,мм5681012
|
|
|
|
|
|
Принять
Определение высоты пролетной балки
Высоту пролетной балки определяем на
основании аналогичных конструкций по формуле ВНИТПТМ.
Принять высоту главной балки
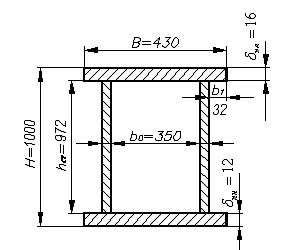
Рис. 5. Поперечное сечение пролетной
балки
Определение расстояния между полками
Из условия обеспечения общей
устойчивости пролетной балки:
Из условия обеспечения удобства
проведения сварочных работ принять
Определение свеса
полок со стенок
При ручной сварке величина свеса
При автоматической и
полуавтоматической
Принять
Определение ширины
полок
Проверка:
Условие выполняется.
Определение толщины
полок
Определяем толщину верхней полки:
Коэффициент 1,2 учитывает местное
давление колеса с рельсом на верхнюю полку.
Принять
Определяем толщину нижней полки:
Принять
Определение высоты стенки
Проверка:

Условие выполняется.
Определение высоты
опорного участка балки
Окончательная высота опорного
участка определяется при конструировании концевой балки и в частности после
выбора диаметра ходового колеса крана.
Очертание пролетной
балки
Рис. 6. Очертание пролетной балки
Принять
Определение площади
сечения балки
Определение
статического момента сечения
где
- статические моменты элементов
сечения относительно оси, проходящей через крайние волокна всего сечения;
верхнего пояса
нижнего пояса
стенки
Отсюда получаем:
Рис. 7. Сечение крановой балки с
изображением площадей ее элементов
Рис. 8. Сечение крановой балки с
изображением центров тяжести ее элементов
Определение момента инерции сечения
1-1 относительно оси х
где
- расстояние до центральной оси;
где
- расстояние до центральной оси;
Отсюда получаем:
Определение момента инерции сечения
2-2 относительно оси х
где
Отсюда получаем:
Определение момента
инерции сечения 1-1 относительно оси у
где
Отсюда получаем:
Определение момента
инерции сечения 2-2 относительно оси х

где
Отсюда получаем:
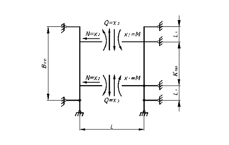
Расчет моста крана на горизонтальные
инерционные нагрузки. Определение изгибающих моментов
Рис. 9. Расчетная схема для
определения изгибающих моментов
Расчет рамы ведется методом сил для
чего расчетная схема полностью симметрична, внешние нагрузки, действующие на
раму также симметричны.
При мысленном разрезе такой рамы мы
имеем три пары внутренних неизвестных усилий.
поперечное внутреннее усилие;
продальное внутреннее усилие.
В нашем случае при полной симметрии
они возникают только от разницы температур.
изгибающий момент.
в середине главных балок
здесь
где
на концах главных балок
в концевых балках
Расчет пролетной балки на кручение
Комбинация А:
,
Крутящий момент кабины:
где
Крутящий момент привода:
где
Комбинация Б:
Крутящий момент кабины:
Крутящий момент привода:
Определение напряжений в расчетных
сечениях. Определение нормальных напряжений в опасном сечении 1-1
Рис.
Комбинация А:
Верхняя полка
Нижняя полка

Верхняя полка
Нижняя полка
Определение нормальных напряжений от
горизонтальных инерционных нагрузок:
где
Определение суммарного напряжения:
Верхний пояс
Нижний пояс
Определение касательных напряжений в
опорном сечении 2-2
Рис.
Комбинация А:
где
где
Определение касательных напряжений
от крутящих нагрузок:
где
Определение суммарного напряжения:
Комбинация Б:
Определение касательных напряжений
от крутящих нагрузок:
где
Определение суммарного напряжения:
Расчет балки на жесткость
Рис. 10. Расчетная схема для
определения прогиба балки в середине пролета от подвижной нагрузки
где
Список литература
1.В.А.
Вайник. Проектирование крановых металлоконструкций. Расчет двухбалочных мостов.
Методические указания к курсовому и дипломному проектированию по строительной
механике и металлическим конструкциям ПТМ для студентов специальности 0510 -
«Подъемно-транспортные машины и механизмы». Красноярск: Изд. КПИ, 1983.- с.52
2.
Справочник по кранам: В 2 т. Характеристики и конструктивные схемы кранов.
Крановые механизмы, их детали и узлы. Техническая эксплуатация
кранов/М.П.Александров, М.М.Гохберг; под общ. ред.
М.М.Гохберга.-М.:Машиностроение, 1988.-559с