Проектирование отопления и вентиляции жилого дома

  • Вид работы:
    Курсовая работа (т)
  • Предмет:
    Строительство
  • Язык:
    Русский
    ,
    Формат файла:
    MS Word
    232,55 Кб
  • Опубликовано:
    2012-06-07
Вы можете узнать стоимость помощи в написании студенческой работы.
Помощь в написании работы, которую точно примут!

Проектирование отопления и вентиляции жилого дома

СОДЕРЖАНИЕ

1. Исходные данные

1.1 Основные исходные данные

.2 Климатические характеристикирайона строительства

.3 Расчетные параметры воздуха в помещениях

2. Выбор теплотехнических показателей строительных материалов и характеристик ограждающих конструкций

.1 Расчет оптимального сопротивления теплопередаче, толщины утеплителя и коэффициента теплопередачи ограждающих конструкций

.2 Коэффициент теплотехнической однородности r панельных стен

. Проверка отсутствия конденсации водяных паров

.1 Проверка отсутствия конденсации водяных паров на внутренней поверхности наружных стен

.2 Проверка отсутствия конденсации водяных паров в толще наружной стены

. Выбор заполнения световых проемов по сопротивлению воздухопроницанию

. Определение тепловой мощности системы отопления

.1 Комната 130

.1.1 Основные и добавочные потери теплоты через ограждающие конструкции

.1.2 Расход теплоты на нагревание инфильтрующегося воздуха

.1.3 Бытовые теплопоступления

.2 Комната 207

.2.1 Основные и добавочные потери теплоты через ограждающие конструкции

.2.2 Расход теплоты на нагревание инфильтрующегося воздуха

.2.3 Бытовые теплопоступления

. Подбор отопительных приборов

.1 Комната 130

.2 Кухня 207

. Схема индивидуального теплового пункта

. Определение воздухообмена в помещении

. Список использованной литературы

1. ИСХОДНЫЕ ДАННЫЕ

.1 ОСНОВНЫЕ ИСХОДНЫЕ ДАННЫЕ

Планировка здания: вариант - 4,

число этажей - 2,

ориентация входа - юго-восток,

строительные размеры здания (в метрах): а=5,9; б=2,9; Нэт=3,2; Нш=3,9.

Конструкция наружной стены - вариант 2.

Приведенные сопротивления теплопередаче ограждающих конструкций, м2 °С/Вт - по п.2.1*СНиП II-3-79 *(3).

Район строительства - г. Саратов.

Относительная влажность воздуха в характерном помещении φа= 50%.

Конструкция системы отопления - двухтрубная система с нижней разводкой магистралей.

Тип отопительных приборов - МС140.

Теплоснабжение - от городской водяной теплосети.

Расчетная температура воды в теплосети (°С): Тr =150; Тo=70.

Перепад давления в тепловой сети 75 кПа.

.2 КЛИМАТИЧЕСКИЕ ХАРАКТЕРИСТИКИ РАЙОНА СТРОИТЕЛЬСТВА

По таблице 1 СНиП 23-01-99 «Строительная климатология» и по приложению В СНиП 23-02-2003 «Тепловая защита зданий» выбираются климатологические данные района строительства:

Температура воздуха наиболее холодных суток tн1, °С, обеспеченностью 0,92;

Температура воздуха наиболее холодной пятидневки tн5, °С, обеспеченностью 0,92;

Абсолютная минимальная температура воздуха tм, °С;

При среднесуточной температуре воздуха ниже 8 оС: продолжительность отопительного периода Zоп, сут, и средняя суточная температура воздуха tоп , °С;

Расчетная скорость ветра VВ.

Относительная влажность воздуха j;

Зона влажности.

Таблица №1

Расчетные климатические характеристики района строительства

Район строительства

tH1,oC

tH5,oC

tM,oC

tОП,oC

Zоп, сутки

VВ,м/с

jх.м.,%

Зона влажности

г. Саратов

-33

-27

-37

-4,3

196

4,4

82

Сухая


.3 РАСЧЕТНЫЕ ПАРАМЕТРЫ ВОЗДУХА В ПОМЕЩЕНИЯХ

Температура воздуха в помещениях tв принимается по приложению 4 СНиП 2.08.01-89 (1999) «Жилые здания» в зависимости от tн5 и места расположения жилых комнат. Относительная влажность воздуха j принимается равной 55%, что соответствует нормальному влажному режиму помещения.

Условия эксплуатации ограждающих конструкций, от которых зависят теплотехнические показатели строительных материалов, принимаются по таблице 2 СНиП 23-02-2003 «Тепловая защита зданий».

Таблица 2

Условия эксплуатации ограждающих конструкций

Влажностный режим помещений зданий (по таблице 1)

Условия эксплуатации А и Б в зоне влажности (по приложению В)




сухой

нормальной

влажной

Сухой

А

А

Б

Нормальный

А

Б

Б

Влажный или мокрый

Б

Б

Б


ПРИЛОЖЕНИЕ 4

РАСЧЕТНЫЕ ПАРАМЕТРЫ ВОЗДУХА И КРАТНОСТЬ ВОЗДУХООБМЕНА В ПОМЕЩЕНИЯХ ЖИЛЫХ ЗДАНИЙ

Помещение

Расчетная температура воздуха в холодный период года, °С

Кратность из воздухообмена или количество удаляемого воздуха из помещения



Приток

Вытяжка

Жилая комната квартир или общежитий

18(20)

-

3 м3/ч на 1м2 жилых помещений

То же, в районах с температурой наиболее холодной пятидневки (обеспеченностью 0,92) минус 31 °С и ниже

20(22)

-

То же

Кухня квартиры и общежития, кубовая:

18

-


с газовыми плитами



Не менее 60 м3/ч при 2-конфорочных плитах




Не менее 75 м3/ч при 3-конфорочных плитах




Не менее 90 м3/ч при 4-конфорочных плитах

Сушильный шкаф для одежды и обуви в квартирах

-

-

30 м3/ч

Ванная

25

-

25

Уборная индивидуальная

18

-

25

Совмещенное помещение уборной и ванной

25

-

50

Расчётные условия и характеристики микроклимата

Температура внутреннего воздуха tв, 0С

Относительная влажность j,%

Условия эксплуатации ограждающих конструкций

угловая жилая комната

рядовая жилая комната

кухня

Лестничная клетка

Санузел

Ванная



22

20

18

16

18

25

55 (нормальный режим)

А


2. ВЫБОР ТЕПЛОТЕХНИЧЕСКИХ ПОКАЗАТЕЛЕЙ СТРОИТЕЛЬНЫХ МАТЕРИАЛОВ И ХАРАКТЕРИСТИК ОГРАЖДАЮЩИХ КОНСТРУКЦИЙ

Теплотехнические показатели строительных материалов выбираются в соответствии со СНиП 2-3-79** в зависимости от условий эксплуатации ограждающих конструкций.

Таблица №3

Теплотехнические показатели строительных материалов

Наименование материала

Условия эксплуатации

Плотность ,материала γ0, кг/м3

Коэффициент теплопроводности материала, λ, Вт/мºС

Коэффициент паропроница-емости, μ, мг/( м×ч×Па)

Номер слоя/его толщина, мм

طٍَêàًٍَêà ٌ ِهىهيٍيî-ïهٌ÷àيûى ًàٌٍâîًîى ïî ٌٍàëüيîé îِèيêîâàييîé ٌهٍêه

   ہ

   1800

   0,76

   0,09

   1,4/10

تèًïè÷ مëèيےيûé îلûêيîâهييûé يà ïهٌ÷àيî-ِهىهيٍيîى ًàٌٍâîًه

  ہ

  1800

  0,70

  0,11

  2/250

دëèٍû ïًîّèâيûه ىèيهًàëî-âàٍيûه ïî أخرز 21880-76

 ہ

 75

 0,06

 0,49

 3/?


زهïëîٍهُيè÷هٌêèه ُàًàêٍهًèٌٍèêè îمًàونà‏ùèُ êîيًٌٍَêِèé ïًèيèىà‏ٌٍے ïî رحèد 2-3-79**. ًàٌ÷هٍيûé êî‎ôôèِèهيٍ ٍهïëîïًîâîنيîٌٍè ىàٍهًèàëà ٌëîے, آٍ/(ى •  ر), ïًèيèىàهىûé ïî ïًèë. 3*.

ز à ل ë è ِ à 2*

 

حîًىèًَهىûé ٍهىïهًàًٍَيûé ïهًهïàن D tي, ° ر, نëے

انàيèے è ïîىهùهيèے

حàًَويûُ ٌٍهي

دîêًûٍèé è ÷هًنà÷يûُ ïهًهêًûٍèé

دهًهêًûٍèé يàن ïًîهçنàىè, ïîنâàëàىè è ïîنïîëüےىè

1. ئèëûه, ëه÷هليî-ïًîôèëàêٍè÷هٌêèه è نهٌٍêèه َ÷ًهونهيèے, ّêîëû, èيٍهًيàٍû

4,0

3,0

2,0


ز à ل ë è ِ à 4*

آيًٍَهييےے ïîâهًُيîٌٍü îمًàونà‏ùèُ êîيًٌٍَêِèé

تî‎ôôèِèهيٍ ٍهïëîîٍنà÷è  â, آٍ/(ى2  ر)

1.

رٍهي, ïîëîâ, مëàنêèُ ïîٍîëêîâ, ïîٍîëêîâ ٌ âûٌٍَïà‏ùèىè ًهلًàىè ïًè îٍيîّهيèè âûٌîٍû h ًهلهً ê ًàٌٌٍîےيè‏ à ىهونَ مًàيےىè ٌîٌهنيèُ ًهلهً 8,7



ز à ل ë è ِ à 6*

 حàًَويàے ïîâهًُيîٌٍü îمًàونà‏ùèُ êîيًٌٍَêِèé

تî‎ôôèِèهيٍ ٍهïëîîٍنà÷è نëے çèىيèُ ٌَëîâèé,  ي, آٍ/(ى2 •  ر)

1. حàًَويûُ ٌٍهي, ïîêًûٍèé, ïهًهêًûٍèé يàن ïًîهçنàىè è يàن ُîëîنيûىè (لهç îمًàونà‏ùèُ ٌٍهيîê) ïîنïîëüےىè â رهâهًيîé ًٌٍîèٍهëüيî-êëèىàٍè÷هٌêîé çîيه

23

زهïëîٍهُيè÷هٌêèه ُàًàêٍهًèٌٍèêè îمًàونà‏ùèُ êîيًٌٍَêِèé ïًèيèىà‏ٌٍے ïî رحèد 2-3-79**.

زàلëèِà ¹ 4.

زهïëîٍهُيè÷هٌêèه ُàًàêٍهًèٌٍèêè îمًàونà‏ùèُ êîيًٌٍَêِèé

حàèىهيîâàيèه îمًàونà‏ùèُ êîيًٌٍَêِèé

∆tي, ºر

n

αâ, آٍ/( ى2*ºر)

αح, آٍ/( ى2*ºر)

حàًَويàے ٌٍهيà (حر)

4

1

8,7

23

×هًنà÷يûه ïهًهêًûٍèے (ïîٍîëîê) (دز)

3

0,9

8,7

12

دهًهêًûٍèے يàن ïîنâàëàىè (ïîë) (دث)

2

0,6

8,7

6


∆tي - يîًىèًَهىàے ًàçيîٌٍü ٍهىïهًàًٍَ ىهونَ ٍهىïهًàًٍَîé âîçنَُà â ïîىهùهيèè è âيًٍَهييهé ïîâهًُيîٌٍü‏ يàًَويîمî îمًàونهيèے;

n - êî‎ôôèِèهيٍ, َىهيüّà‏ùèé ًàٌ÷هٍيَ ًàçيîٌٍü ٍهىïهًàًٍَ نëے êîيًٌٍَêِèé, يه ٌîïًèêàٌà‏ùèٌُے ٌ يàًَويûى âîçنَُîى;

αâ - êî‎ôôèِèهيٍ ٍهïëîîلىهيà يà âيًٍَهييهé ïîâهًُيîٌٍè îمًàونهيèے;

αح - êî‎ôôèِèهيٍ ٍهïëîîلىهيà يà يàًَويîé ïîâهًُيîٌٍè îمًàونهيèے.

.1 ذہر×إز خدزبجہثـحخأخ رخدذخزبآثإحبك زإدثخدإذإؤہ×إ,زخثظبحغ سزإدثبزإثك ب تخفششبضبإحزہ زإدثخدإذإؤہ×ب خأذہئؤہقظبص تخحرزذستضبة

رحèدîى âûنâèمà‏ٌٍے نâà R0ًٍ:

دî مèمèهيè÷هٌêèى ٌَëîâèےى

آûنâèمàے R0ًٍ ïî مèمèهيè÷هٌêèى ٌَëîâèےى, رحèد îمًàيè÷èâàهٍ ٍهىïهًàًٍََ يà âيًٍَهييهé ïîâهًُيîٌٍè يàًَويîمî îمًàونهيèے.

R0ًٍ=

R0ًٍ - ىèيèىàëüيîه ًٍهلَهىîه ٌîïًîٍèâëهيèه ٍهïëîïهًهنà÷ه, ىر/آٍ;

tâ - ًàٌ÷هٍيàے ٍهىïهًàًٍَà âيًٍَهييهمî âîçنَُà نëے ًےنîâîé وèëîé êîىيàٍû;

tح - ًàٌ÷هٍيàے ٍهىïهًàًٍَà يàًَويîمî âîçنَُà;

∆tي - يîًىèًَهىàے ًàçيîٌٍü ٍهىïهًàًٍَ ىهونَ ٍهىïهًàًٍَîé âîçنَُà â ïîىهùهيèè è âيًٍَهييهé ïîâهًُيîٌٍü‏ يàًَويîمî îمًàونهيèے;

n - êî‎ôôèِèهيٍ, َىهيüّà‏ùèé ًàٌ÷هٍيَ ًàçيîٌٍü ٍهىïهًàًٍَ نëے êîيًٌٍَêِèé, يه ٌîïًèêàٌà‏ùèٌُے ٌ يàًَويûى âîçنَُîى;

αâ - êî‎ôôèِèهيٍ ٍهïëîîلىهيà يà âيًٍَهييهé ïîâهًُيîٌٍè îمًàونهيèے.

ؤëے يàًَويîé ٌٍهيû èىههى:

R0ًٍ ==1,523 ىر/آٍ;

ؤëے ÷هًنà÷يûُ ïهًهêًûٍèé èىههى:

R0ًٍ ==1,827 ىر/آٍ;

ؤëے ïهًهêًûٍèé يàن ïîنâàëàىè èىههى:

R0ًٍ ==1,827 ىر/آٍ;

دî يîًىàى يهًمîٌلهًهوهيèے

R0ًٍ يîًىèًَهٌٍے â çàâèٌèىîٌٍè îٍ يàçيà÷هيèے çنàيèے, يàçيà÷هيèے îمًàونهيèے, îٍ ÷èٌëà مًàنٌَà ٌٍَîê îٍîïèٍهëüيîمî ïهًèîنà (أرخد).

أرخد = (tâ - tîٍ.ïهً)*zîٍ.ïهً.

دًîنîëوèٍهëüيîٌٍü îٍîïèٍهëüيîمî ïهًèîنà zî= 196 ٌٍَ.

أرخد = (20+4,3)*196=4762,8

بىهے çيà÷هيèه أرخد, ïî ٌîîٍâهٌٍٍâَ‏ùهé ٍàلëèِه يàُîنèى: زًهلَهىîه ٌîïًîٍèâëهيèه ٍهïëîïهًهنà÷ه îمًàونà‏ùèُ êîيًٌٍَêِèé Rîفح ïî ًٍهلîâàيèےى يهًمîٌلهًهوهيèے îïًهنهëےهى èيٍهًïîëےِèهé ïî ٍàلëèِه 1ل رحèد II-3-79.

زàلëèِà 3.1

حîًىèًَهىûه çيà÷هيèے ٌîïًîٍèâëهيèے ٍهïëîïهًهنà÷ه îمًàونà‏ùèُ êîيًٌٍَêِèé (رحèد 23-02-2003)

انàيèے è ïîىهùهيèے, êî‎ôôèِèهيٍû à è b.

أًàنٌَîٌٍَêè îٍîïèٍهëüيîمî ïهًèîنà, °ر·ٌٍَ

حîًىèًَهىûه çيà÷هيèے ٌîïًîٍèâëهيèے ٍهïëîïهًهنà÷ه , ى²·°ر/آٍ, îمًàونà‏ùèُ êîيًٌٍَêِèé



رٍهي

دîêًû

دهًهêًûٍèé

خêîي è لàëêîييûُ نâهًهé, âèًٍèي è âèًٍàوهé




ٍèé,ïهًهêًûٍèé يàن ïًîهçنàىè

÷هًنà÷يûُ, يàن يهîٍàïëèâàهىûىè ïîنïîëüےىè è ïîنâàëàىè


1

2

3

4

5

6

ئèëûه, ëه÷هليîïًîôèëàêٍè÷هٌêèه è نهٌٍêèه َ÷ًهونهيèے, ّêîëû, èيٍهًيàٍû, مîٌٍèيèِû è îلùهوèٍèے

4000

2,8

4,2

3,7

0,45


4762,8






6000

3,5

5,2

4,6

0,6







a


0,00035

0,0005

0,00045


b


1,4

2,2

1,9



زًهلَهىîه ٌîïًîٍèâëهيèه ٍهïëîïهًهنà÷ه ٌٍهي Rîفح

زًهلَهىîه ٌîïًîٍèâëهيèه ٍهïëîïهًهنà÷ه ÷هًنà÷يûُ ïهًهêًûٍèé Rîفح

زًهلَهىîه ٌîïًîٍèâëهيèه ٍهïëîïهًهنà÷ه ïهًهêًûٍèé يàن ïîنâàëàىè Rîفح

ؤëے نàëüيهéّèُ ًàٌ÷¸ٍîâ â êà÷هٌٍâه ïًèâهنهييîمî ٌîïًîٍèâëهيèے ٍهïëîïهًهنà÷ه ٌٍهي ïًèيèىàهى لîëüّهه èç 2-ُ çيà÷هيèé R0ïً= 3,07 ى2 0ر/آٍ

ذàٌ÷هٍيîه ٌîïًîٍèâëهيèه ٍهïëîïهًهنà÷ه îمًàونà‏ùهé êîيًٌٍَêِèè R0ً îïًهنهëےهٌٍے

R0ً = R0ïً /r = 3,07/0,8 = 3,84 ى2 0ر/آٍ

منه r - êî‎ôôèِèهيٍ ٍهïëîٍهُيè÷هٌêîé îنيîًîنيîٌٍè êîيًٌٍَêِèè.

رحèد II-3-79 دذبثخئإحبإ 13* رïًàâî÷يîه

.2 تخفششبضبإحز زإدثخزإصحب×إرتخة خؤحخذخؤحخرزب r دہحإثـحغص رزإح

تî‎ôôèِèهيٍ r نëے َ÷àٌٍêîâ îمًàونà‏ùèُ êîيًٌٍَêِèé èç ïàيهëهé ٌ مèلêèىè ىهٍàëëè÷هٌêèىè ٌâےçےىè â ٌî÷هٍàيèè ٌ ٍَهïëèٍهëهى èç ىèيهًàëüيûُ âîëîêîي èëè âٌïهيهييûُ ïëàٌٍىàٌٌ نîïٌَêàهٌٍے ïًèيèىàٍü ïî ٍàلë. 3 ïًèë. 13* ٌ ٍَî÷يهيèهى ïî ôàêٍè÷هٌêèى çيà÷هيèےى.

زàلëèِà 3

تîيًٌٍَêٍèâيûه ٌëîè

تî‎ôôèِèهيٍ r ïًè ًàٌٌٍîےيèè ىهونَ مèلêèىè ٌâےçےىè à, ى


0,6

0,8

1,0

1,2


ïëîٍيîٌٍü

ؤèàىهًٍ ٌٍهًويے مèلêîé ٌâےçè d, ىى

ىàٍهًèàë

ىàٍهًèàëà g , êم/ى3

 8

 12

 8

 12

 8

 12

 8

 12

زےوهëûé لهٍîي

2400

0,74

0,69

0,80

0,75

0,84

0,81

0,87

0,85


ذàٌ÷هٍيَ ٍîëùèيَ ٍَهïëèٍهëے îïًهنهëےهى èç ôîًىَëû رحèد 23 - 02 - 2003 :

, منه

خٍêَنà

منه d1 = d4 =0,01ى - ٍîëùèيà ٍَّêàًٍَêè,

d2 = 0,25ى - ٍîëùèيà êèًïè÷يîمî ٌëîے,

l1 =l4 =0,76 آٍ/ى ر - êî‎ôôèِèهيٍ ٍهïëîïًîâîنيîٌٍè ٍَّêàًٍَêè,

l2 = 0,7 آٍ/ى ر - êî‎ôôèِèهيٍ ٍهïëîïًîâîنيîٌٍè êèًïè÷à,

l 3 = l ٍَ = 0,06 آٍ/ى ر - êî‎ôôèِèهيٍ ٍهïëîïًîâîنيîٌٍè ىèي. âàٍû,

aâ = 8,7 آٍ/ى ر - êî‎ôôèِèهيٍ ٍهïëîîٍنà÷è âيًٍَهييهé ïîâهًُيîٌٍè îمً.êîيًٌٍ.

aي = 23 آٍ/ى ر - êî‎ôôèِèهيٍ ٍهïëîîٍنà÷è يàًَويîé ïîâهًُيîٌٍè îمً. êîيًٌٍ.


خêîي÷àٍهëüيàے ٍîëùèيà ٌëîے ٍَهïëèٍهëے dٍَ = 0,2 ى

زîëùèيà ٌٍهيû:

δٌٍ = 0,01+0,25+0,2+0,01= 0,47 ى

خêîي÷àٍهëüيîه çيà÷هيèه ًàٌ÷¸ٍيîمî ٌîïًîٍèâëهيèے ٍهïëîïهًهنà÷ه يàًَويîé ٌٍهيû

R0ً = (1/aâ + å d /l + 1/aي )= (1/8,7 +2ُ 0,01/0,76 + 0,2/0,06 + 0,25/0,7+ 1/23 )= 3,874 ى2 0ر/آٍ

تî‎ôôèِèهيٍ ٍهïëîïهًهنà÷è يàًَويîé ٌٍهيû :

ت = 1/ Rîïً = 1/ 3,07 = 0,326 آٍ/ى2 ر

تî‎ôôèِèهيٍ ٍهïëîïهًهنà÷è ÷هًنà÷يûُ ïهًهêًûٍèé:

ت = 1/ Rîïً = 1/ 4,04 = 0,247 آٍ/ى2 ر

ت = 1/ Rîïً = 1/ 4,58 = 0,218 آٍ/ى2 ر

3. دذخآإذتہ خزرسزرزآبك تخحؤإحرہضبب آخؤكحغص دہذخآ

.1 دذخآإذتہ خزرسزرزآبك تخحؤإحرہضبب آخؤكحغص دہذخآ حہ آحسزذإححإة دخآإذصحخرزب حہذسئحغص رزإح

دًîèçâهن¸ى ïًîâهًêَ يàًَويîé ٌٍهيû يà êîينهيٌàِè‏ âîنےيûُ ïàًîâ يà ïîâهًُيîٌٍè â êîىيàٍه 2.

زهىïهًàًٍَà يà âيًٍَهييهé ïîâهًُيîٌٍè ٌٍهيû â َمëَ êîىيàٍû

آ=1/α â=1/8,7 =0,115 ى2·0ر/آٍ


رîمëàٌيî رد23-101-2004 دًèëîوهيèه ذ ٍî÷êà ًîٌû ïًè tâ=20˚ر è îٍيîٌèٍهëüيîé âëàويîٌٍè â ïîىهùهيèè φint=50% ًàâيےهٌٍے tٍ.ê.=10,69˚ر, ÷ٍî يèوه , ٌëهنîâàٍهëüيî êîينهيٌàِèè âîنےيûُ ïàًîâ يà ïîâهًُيîٌٍè ٌٍهيû â êîىيàٍه 2 يهٍ.

.2 دذخآإذتہ خزرسزرزآبك تخحؤإحرہضبب آخؤكحغص دہذخآ آ زخثظإ حہذسئحخة رزإحغ

زàلëèِà 3.4 - رًهنيےے çà ىهٌےِ è çà مîن ٌٍَî÷يàے àىïëèٍَنà ٍهىïهًàًٍَû âîçنَُà, ºر

خلëàٌٍü, ïَيêٍ

كيâàًü

شهâًàëü

جàًٍ

ہïًهëü

جàé

بيü

ب‏ëü

ہâمٌٍَ

رهيٍےلًü

خêٍےلًü

حîےلًü

ؤهêàلًü

أîن


1

2

3

4

5

6

7

8

9

10

11

12

13

رàًàٍîâ

-11,9

-11,3

-5,2

+5,8

+15,1

+20,0

+22,1

+20,6

+14,1

+5,7

-2,4

-8,7

+5,3


تîينهيٌàِèے âîنےيûُ ïàًîâ îٌٌٍٍٍَâَهٍ, هٌëè â ë‏لîى ٌه÷هيèè îمًàونهيèے, ïهًïهينèêَëےًيîى يàïًàâëهيè‏ ٍهïëîâîمî ïîٍîêà, çيà÷هيèه ïàًِèàëüيîمî نàâëهيèے âîنےيîمî ïàًà هxi ىهيüّه çيà÷هيèے َïًَمîٌٍè âîنےيîمî ïàًà ïًè ïîëيîى يàٌûùهيèè Exi. آهëè÷èيà هxi îïًهنهëےهٌٍے نëے ًٌهنيهé ٍهىïهًàًٍَû txm è îٍيîٌèٍهëüيîé âëàويîٌٍè φxm âîçنَُà ٌàىîمî ُîëîنيîمî ىهٌےِà.


ذàٌ÷هٍ txi è هxi âهنهى نëے ٌه÷هيèé îمًàونهيèے, ًàٌïîëîوهييûُ يà مًàيèِه ٌëîهâ ٌٍهيû è â ٌهًهنèيه ٍَهïëèٍهëے.

. منه

txm - ٍهىïهًàًٍَà âîçنَُà ٌàىîمî ُîëîنيîمî ىهٌےِà نëے م.رàًàٍîâà -11,9 0ر,

- ٌîïًîٍèâëهيèه ٍهïëîïهًهنà÷ه îٍ âîçنَُà ïîىهùهيèے نî ًàٌٌىàًٍèâàهىîمî ٌه÷هيèے ص, , îïًهنهëےهىîه ïî ôîًىَëه:

 , منه

آ=1/α â=0,115 ى2·0ر/آٍ   

, منه

 -َïًَمîٌٍü âîنےيîمî ïàًà âîçنَُà â ïîىهùهيèè ïًè ًàٌ÷¸ٍيîé tâè è îٍيîٌèٍهëüيîé âëàويîٌٍè âîçنَُà â ïîىهùهيèè

 - َïًَمîٌٍü âîنےيîمî ïàًà يàًَويîمî âîçنَُà ïًè ًàٌ÷¸ٍيîé tُى è îٍيîٌèٍهëüيîé âëàويîٌٍè يàًَويîمî âîçنَُà ٌàىîمî ُîëîنيîمî ىهٌےِà  (م.رàًàٍîâ)

- ٌîïًîٍèâëهيèه ïàًîïًîيèِàيè‏ îٍ âîçنَُà ïîىهùهيèے نî ًàٌٌىàًٍèâàهىîمî ٌه÷هيèے ص, â êîٍîًîى îïًهنهëےهٌٍے َïًَمîٌٍü, , îïًهنهëےهىîه ïî ôîًىَëه:

 ,

 - îلùهه ٌîïًîٍèâëهيèه ïàًîïًîيèِàيè‏ êîيًٌٍَêِèè ٌٍهيû, ى²·÷·دà/ىم, îïًهنهëےهىîه ïî ôîًىَëه:


, - َïًَمîٌٍü âîنےيûُ ïàًîâ, دà, ïًè ïîëيîى يàٌûùهيèè, ٌîîٍâهٌٍٍâَ‏ùàے ٍهىïهًàًٍَه tâ=20˚C è txm=-11,9˚C,

- ًàٌ÷¸ٍيûé êî‎ôôèِèهيٍ ïàًîïًîيèِàهىîٌٍè ىàٍهًèàëà i-ٍîمî ٌëîے يàًَويîé ٌٍهيû

ذàٌ÷¸ٍ  è  ïî âûّه ïًèâهن¸ييûى ôîًىَëàى ٌâîنèى ê ٍàلëèِه.

N ٌه÷.

δi, ى

λί, آٍ/ى·0ر

μί, ىم/ى·÷·دà

Rxi, ى2·0ر/آٍ

Rïxi, ى2·÷·دà/ىم

Rîï, ى2·÷·دà/ىم

txi, 0C

إxi, دà

exi, دà

 1




 0,115

 0,0267

3,7357

18,43

2122,69

1054,01

 2

 0,01

 0,76

 0,09

 0,128

 0,0268


18,25

2098,12

1053,96

 3

 0,25

 0,70

 0,11

 0,4851

 0,3852


13,36

211,44

955,45

 4

 2*0,10

 0,06

 0,49

 3,8184

3,7186


-32,24

46,5

39,14

 5

 0,01

 0,76

 0,09

 3,8315

3,7304


-32,42

46,05

35,90

6




3,875

3,7357


-33,00

42

34,44


رîمëàٌيî ًàٌ÷¸ٍà âî âٌهُ ٌه÷هيèےُ ٌٍهيû  لîëüّه , ٌëهنîâàٍهëüيî, êîينهيٌàِèے âîنےيûُ ïàًîâ â ٍîëùه ٌٍهيû îٌٌٍٍٍَâَهٍ.

دîًٌٍîهيèه مًàôèêà t(x).

ؤëے ‎ٍîمî ٌيà÷àëà يَويî يàéٍè  â êàونîى ٌه÷هيèè ïî ôîًىَëه:

1 ٌه÷هيèه:

ٌه÷هيèه:

ٌه÷هيèه:

ٌه÷هيèه:

ٌه÷هيèه:

ٌه÷هيèه:

زهïهًü ىîويî يàéٍè ٍهىïهًàًٍََ â êàونîى ٌه÷هيèè ïî ôîًىَëه:


ٌه÷هيèه:

ٌه÷هيèه:

ٌه÷هيèه:

ٌه÷هيèه:

ٌه÷هيèه:      

ٌه÷هيèه:

دîًٌٍîهيèه مًàôèêà E(x).

آ çàâèٌèىîٌٍè îٍ ٍهىïهًàًٍَû, ًàٌٌ÷èٍàييîé â ïًهنûنَùهى ïَيêٍه ïî ïًèëîوهيè‏ 9 (جهٍîنè÷هٌêîمî َêàçàيèے) èيٍهًïîëèًَے ىهونَ َêàçàييûىè çيà÷هيèےىè ىîويî îïًهنهëèٍü إ â êàونîى ٌه÷هيèè:

دًèëîوهيèه 3

ؤàâëهيèه يàٌûùهييûُ âîنےيûُ ïàًîâ إ, دà, â çàâèٌèىîٌٍè îٍ ٍهىïهًàًٍَû

زàلëèِà 3.1.

t, 0ر

إ, دà

t, 0ر

إ, دà

t, 0ر

إ, دà

t, 0ر

إ, دà

-30

53

-14

206

2

707

18

2064

-28

63

-12

244

4

813

20

2337

-26

75

-10

285

6

933

22

2644

-24

88

-8

327

8

1069

24

2984

-22

105

-6

383

10

1227

26

3361

-20

124

-4

449

12

1403

28

3780

-18

149

-2

525

14

1598

30

4256

-16

174

0

611

16

1817




 ٌه÷هيèه: ïًè t=18,430C, E=2122,69دà

 ٌه÷هيèه: ïًè t=18,250C, E=2098,12 دà

 ٌه÷هيèه ïًè t=13,360C, E=211,44 دà

 ٌه÷هيèه: ïًè t=-32,240C, E=46,5 دà

 ٌه÷هيèه: ïًè t=-32,42 0C, E=46,05 دà

 ٌه÷هيèه: ïًè t=-330C, E=42 دà

دîًٌٍîهيèه مًàôèêà ه(x).

ؤëے ‎ٍîمî ٌيà÷àëà يَويî يàéٍè îلùهه ٌîïًîٍèâëهيèه ïàًîïًîيèِàيè‏ êîيًٌٍَêِèè îمًàونهيèے â êàونîى ٌه÷هيèè ïî ôîًىَëه:


منه - ٌîïًîٍèâëهيèه âëàمîîلىهيَ يà âيًٍَهييهé ïîâهًُيîٌٍè;

- ٌîïًîٍèâëهيèه âëàمîîلىهيَ يà يàًَويهé ïîâهًُيîٌٍè;

      - ّèًèيà i-ٍîمî ٌëîے;

      - êî‎ôôèِèهيٍ ïàًîïًîيèِàهىîٌٍè

 ٌه÷هيèه:

ٌه÷هيèه:

ٌه÷هيèه:

ٌه÷هيèه:

ٌه÷هيèه:

ٌه÷هيèه:

زهïهًü ىîويî يàéٍè ïàًِèàëüيîه نàâëهيèه âîنےيûُ ïàًîâ â ًàٌ÷¸ٍيîى ٌه÷هيèè ïî ôîًىَëه:

حàُîنèى eâ è هي:

حàُîنèى ïàًِèàëüيîه نàâëهيèه âîنےيûُ ïàًîâ â êàونîى ٌه÷هيèè:

ٌه÷هيèه:

ٌه÷هيèه:

ٌه÷هيèه:

ٌه÷هيèه:

ٌه÷هيèه:

ٌه÷هيèه:

دî ًهçَëüٍàٍàى ًàٌ÷¸ٍîâ ًٌٍîèى مًàôèêè.

رًٍîےٌٍے مًàôèêè ًàٌïًهنهëهيèے ٍهىïهًàًٍَû (t, 0C), ïàًِèàëüيîمî نàâëهيèے âîنےيîمî ïàًà (هx, دà) è نàâëهيèے يàٌûùهييîمî ïàًà (إ, دà) â ُàًàêٍهيûُ ٌه÷هيèےُ îمًàونهيèے.

آ îلëàٌٍè, منه ه>E ىîوهٍ ïًîèçîéٍè êîينهيٌàِèے âîنےيûُ ïàًîâ. ×ٍîلû يه ïًîèçîّëî êîينهيٌàِèè, يهîلُîنèىî َâهëè÷èٍü ٌîïًîٍèâëهيèه ïàًîïًîيèِàيè‏ îمًàونهيèے ïٍَ¸ى ïًîêëàنêè ٌ âيًٍَهييهé ٌٍîًîيû ٌëîے ٌ âûٌîêèى çيà÷هيèهى ٌîïًîٍèâëهيèے ïàًîïًîيèِàيè‏, يàïًèىهً, ٌëîے ïîëè‎ٍèëهيîâîé ïë¸يêè.

4. آغءخذ اہدخثحإحبك رآإزخآغص دذخإجخآ دخ رخدذخزبآثإحبق آخاؤخصخدذخحبضہحبق

اàïîëيهيèه ٌâهٍîâûُ ïًîهىîâ âûلèًàهٌٍے èç ٌَëîâèé îنيîâًهىهييîمî âûïîëيهيèے ًٍهلîâàيèé ïî نîïٌٍَèىîىَ ٌîïًîٍèâëهيè‏ ٍهïëîïهًهنà÷ه è âîçنَُîïًîيèِàيè‏, ٍ.ه. Roô ³Rîًٍ, è Rèô ³Rèًٍ, منه:

Roô è Roًٍ - ٌîîٍâهٌٍٍâهييî ôàêٍè÷هٌêîه è ًٍهلَهىîه ٌîïًîٍèâëهيèه ٍهïëîïهًهنà÷ه çàïîëيهيèے ٌâهٍîâûُ ïًî¸ىîâ, (ىر)/آٍ;

Rèô è Rèًٍ - ٌîîٍâهٌٍٍâهييî ôàêٍè÷هٌêîه è ًٍهلَهىîه ٌîïًîٍèâëهيèه âîçنَُîïًîيèِàيè‏ çàïîëيهيèے ٌâهٍîâûُ ïًî¸ىîâ, (ى2÷)/êم.

زًهلَهىîه ٌîïًîٍèâëهيèه ٍهïëîïهًهنà÷ه çàïîëيهيèے ٌâهٍîâûُ ïًîهىîâ Rîًٍ ïî ًٍهلîâàيèےى يهًمîٌلهًهوهيèے îïًهنهëےهى èيٍهًïîëےِèهé ïî ٍàلëèِه 1ل رحèد II-3-79

ز à ل ë è ِ à 1ل*


أًàنٌَî-ٌٍَêè îٍîïèٍهëüيîمî ïهًèîنà,  ر· ٌٍَ

دًèâهنهييîه ٌîïًîٍèâëهيèه ٍهïëîïهًهنà÷ه îمًàونà‏ùèُ êîيًٌٍَêِèé Rًٍî, ى2,  ر/آٍ

ئèëûه, ëه÷هليî-ïًîôèëàêٍè÷هٌêèه è نهٌٍêèه َ÷ًهونهيèے, ّêîëû, èيٍهًيàٍû, مîٌٍèيèِû è îلùهوèٍèے

أرخد

خêيà è لàëêîييûه نâهًè


4000

0,45


4762,8

0,507


6000

0,60



Rًٍ0 =0,507

زًهلَهىîه ٌîïًîٍèâëهيèه âîçنَُîïًîيèِàيè‏ :


منه Gي = 5 êم/ى ÷ - يîًىàٍèâيàے âîçنَُîïًîيèِàهىîٌٍü îêيà (رحèد 23-02-2003 ٍàلë.11)

زàلëèِà 11

حîًىèًَهىàے âîçنَُîïًîيèِàهىîٌٍü îمًàونà‏ùèُ êîيًٌٍَêِèé

خمًàونà‏ùèه êîيًٌٍَêِèè

آîçنَُîïًîيèِàهىîٌٍü , êم/(ى·÷), يه لîëهه

7 خêيà è لàëêîييûه نâهًè وèëûُ, îلùهٌٍâهييûُ è لûٍîâûُ çنàيèé è ïîىهùهيèé â ïëàٌٍىàٌٌîâûُ èëè àë‏ىèيèهâûُ ïهًهïëهٍàُ

5,0


Dًî= 10 دà - ًàçيîٌٍü نàâëهيèے âîçنَُà, ïًè êîٍîًîى îïًهنهëےهٌٍے ٌîïًîٍèâëهيèه âîçنَُîïًîيèِàيè‏ Rè.

Dً - ًàçيîٌٍü نàâëهيèé âîçنَُà يà يàًَويîé è âيًٍَهييهé ïîâهًُيîٌٍےُ îمًàونà‏ùèُ êîيًٌٍَêِèé, دà, îïًهنهëےٍü ïî ôîًىَëه:

Dً =0,55 ح (gي - gâ) + 0,03gي v2,

منه ح = 7,4ى - âûٌîٍà çنàيèے (îٍ ïîâهًُيîٌٍè çهىëè نî âهًُà êàًيèçà)

H=1,0+3,2*2= 7,4 ى

v = 4,4ى/ٌ - ىàêٌèىàëüيàے èç ًٌهنيèُ ٌêîًîٌٍهé âهًٍà ïî ًَىلàى çà ےيâàًü

gي â - َنهëüيûé âهٌ ٌîîٍâهٌٍٍâهييî يàًَويîمî è âيًٍَهييهمî âîçنَُà, ح/ى, îïًهنهëےهىûé ïî ôîًىَëه

g = 3463/(273 + t)

حàُîنèى َنهëüيûé âهٌ يàًَويîمî âîçنَُà:

gي = 3463/[273+(-33)] = 14,43 ح/ى3

gâ = 3463/(273+20) = 11,82 ح/ى3

زîمنà Dً = 0,55ُ7,4(14,43- 11,82) + 0,03ُ 14,43ُ4,42 = 19 دà

خêîي÷àٍهëüيî ٍèï çàïîëيهيèے ٌâهٍîâûُ ïًîهىîâ ïًèيèىàهى èç ٌَëîâèے, ÷ٍîلû ٌîïًîٍèâëهيèه âîçنَُîïًîيèِàيè‏ âûلًàييîمî çàïîëيهيèے Rè لûëî يه ىهيهه ًٍهلَهىîمî Rèًٍ

دî ًهçَëüٍàٍàى ًàٌ÷هٍîâ èىههى:

Rîًٍ = 0,507 (ى2 îر)/آٍ; Rèًٍ =0,31 (ى2÷)/êم.

دî ïًèëîوهيè‏ 2 ىهٍîنè÷هٌêèُ َêàçàيèé تًَïيîâà ء.ہ. ïًèيèىàهى:

Rîô = 0,52 (ى2 îر)/آٍ , Rèô =0,37 (ىدà)/êم

دî ïًèëîوهيè‏ 6 رحèد II- 3-79* ïًèيèىàهى ًٍîéيîé ٌٍهêëîïàêهٍ â ïëàٌٍىàٌٌîâîى ïهًهïëهٍه Rè=0,37ى2·÷·دà/êم

تî‎ôôèِèهيٍ ٍهïëîïهًهنà÷è îêيà:


5. خدذإؤإثإحبإ زإدثخآخة جخظحخرزب ربرزإجغ خزخدثإحبك

ؤëے ïîىهùهيèé 2(وèëàے êîىيàٍà 1 ‎ٍàوà) è 3(êَُيے 2 ‎ٍàوà) يàُîنèى ٍهïëîâَ‏ ىîùيîٌٍü ٌèٌٍهىû îٍîïëهيèے Qٌî êàê ٌَىىَ ïîٍهًü ٍهïëîٍû ÷هًهç îٍنهëüيûه îمًàونà‏ùèه êîيًٌٍَêِèè Qٍï,ًàٌُîنà ٍهïëîٍû Qè يà يàمًهâàيèه èيôèëüًٍَ‏ùهمîٌے âîçنَُà è لûٍîâûُ ٍهïëîâûنهëهيèé Qل

Qٌî =Qٍï +Qè - Qل

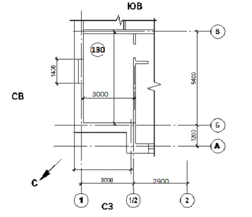
.1 تخجحہزہ 130


5.1.1 خرحخآحغإ ب ؤخءہآخ×حغإ دخزإذب زإدثخزغ ×إذإا خأذہئؤہقظبإ تخحرزذستضبب

رٍهيà ïî îٌè «1»

Qٍï=ہ·ت·(tâ-tي5)·n·(1+Σβ)

أنه ہ - ïëîùàنü îمًàونهيèے, ى2;

ت - êî‎ôôèِèهيٍ ٍهïëîïًîâîنيîٌٍè, آٍ/(ى2·0ر);

tâ - ٍهىïهًàًٍَà âîçنَُà â ïîىهùهيèè, 0ر;

tي5 - ٍهىïهًàًٍَà يàًَويهمî âîçنَُà, 0ر;

β - êî‎ôôèِèهيٍ, َ÷èٍûâà‏ùèé نîلàâî÷يûه ïîٍهًè.

تî‎ôôèِèهيٍ ٍهïëîïًîâîنيîٌٍè:


Qيٌ1 = A1(tً - tي )(1+ åb) n/R0ïً آٍ

منه ہ1 = 5,635 ُ 3,2 - 1,4 ُ 1,5 = 15,93 ى2 - ًàٌ÷هٍيàے ïëîùàنü يàًَويîé ٌٍهيû çà âû÷هٍîى ïëîùàنè îêيà

R0ïً =3,07 ى2 0ر/آٍ - ïًèâهنهييîه ٌîïًîٍèâëهيèه ٍهïëîïهًهنà÷ه ٌٍهيû

tً =22 0C - ٍهىïهًàًٍَà âîçنَُà â ïîىهùهيèè

tيî = -33 0C - ٍهىïهًàًٍَà يàًَويîمî âîçنَُà يàèلîëهه ُîëîنيîé ïےٍèنيهâêè

ؤîلàâî÷يûه ٍهïëîïîٍهًè يà îًèهيٍàِè‏ يàًَويûُ ٌٍهي è نâهًهé: يà ٌهâهً, ٌهâهًî-âîٌٍîê, ٌهâهًî-çàïàن, âîٌٍîê - 0,1; يà çàïàن è ‏مî-âîٌٍîê - 0,05;يà ‏مî-çàïàن è ‏م-0

b = 0,1 - نîلàâî÷يûه ïîٍهًè ٍهïëîٍû ٌٍهيû َمëîâîé êîىيàٍû ٌ îêيîى, îلًàùهييîé يà ٌ-âîٌٍîê

زàلëèِà 6

تî‎ôôèِèهيٍ, َ÷èٍûâà‏ùèé çàâèٌèىîٌٍü ïîëîوهيèے îمًàونà‏ùهé êîيًٌٍَêِèè ïî îٍيîّهيè‏ ê يàًَويîىَ âîçنََُ

خمًàونà‏ùèه êîيًٌٍَêِèè

تî‎ôôèِèهيٍ  

1. حàًَويûه ٌٍهيû è ïîêًûٍèے ٍîى ÷èٌëه âهيٍèëèًَهىûه يàًَويûى âîçنَُîى), çهيèٍيûه ôîيàًè, ïهًهêًûٍèے ÷هًنà÷يûه (ٌ êًîâëهé èç ٍَّ÷يûُ ىàٍهًèàëîâ) è يàن ïًîهçنàىè; ïهًهêًûٍèے يàن ُîëîنيûىè (لهç îمًàونà‏ùèُ ٌٍهيîê) ïîنïîëüےىè â رهâهًيîé ًٌٍîèٍهëüيî-êëèىàٍè÷هٌêîé çîيه

1

2. دهًهêًûٍèے يàن ُîëîنيûىè ïîنâàëàىè, ٌîîلùà‏ùèىèٌے ٌ يàًَويûى âîçنَُîى; ïهًهêًûٍèے ÷هًنà÷يûه (ٌ êًîâëهé èç ًَëîييûُ ىàٍهًèàëîâ); ïهًهêًûٍèے يàن ُîëîنيûىè (ٌ îمًàونà‏ùèىè ٌٍهيêàىè) ïîنïîëüےىè è ُîëîنيûىè ‎ٍàوàىè â رهâهًيîé ًٌٍîèٍهëüيî-êëèىàٍè÷هٌêîé çîيه

0,9

3. دهًهêًûٍèے يàن يهîٍàïëèâàهىûىè ïîنâàëàىè ٌî ٌâهٍîâûىè ïًîهىàىè â ٌٍهيàُ

0,75

4. دهًهêًûٍèے يàن يهîٍàïëèâàهىûىè ïîنâàëàىè لهç ٌâهٍîâûُ ïًîهىîâ â ٌٍهيàُ, ًàٌïîëîوهييûه âûّه ًَîâيے çهىëè

0,6

5. دهًهêًûٍèے يàن يهîٍàïëèâàهىûىè ٍهُيè÷هٌêèىè ïîنïîëüےىè, ًàٌïîëîوهييûىè يèوه ًَîâيے çهىëè

0,4


n = 1 - êî‎ôôèِèهيٍ, ïًèيèىàهىûé â çàâèٌèىîٌٍè îٍ ïîëîوهيèے îمً. êîيًٌٍ. (رحèد 23-02-2003 ٍàلë.6)

Qيٌ1 = 15,93ُ[20 - (-33)]ُ(1+0,1)ُ1/3,07 =302,51 آٍ

ہ2 = 3,06 ُ 3,2 =9,79ى2 - ًàٌ÷هٍيàے ïëîùàنü ٌٍهيû êîىيàٍû

b = 0,1 - نîلàâî÷يûه ïîٍهًè ٍهïëîٍû ٌٍهيû َمëîâîé êîىيàٍû, îلًàùهييîé يà ٌ-çàïàن

Qيٌ2 = 9,79ُ[20 -(-33)]ُ(1+0,1)ُ1/3,07 = 185,91 آٍ

دهًهêًûٍèه يàن يهîٍàïëèâàهىûى ïîنâàëîى

Qïë = A (tً -tي ) n/R0ïً آٍ

R0ïً = 3,07 ى2 0ر/آٍ - ïًèâهنهييîه ٌîïًîٍèâëهيèه ٍهïëîïهًهنà÷ه ïهًهêًûٍèے يàن يهîٍàïëèâàهىûى ïîنâàëîى

ہïë = 5,165 ُ 2,765 = 14,28 ى2 - ًàٌ÷هٍيàے ïëîùàنü ïîëà

n =0,6 - êî‎ôôèِèهيٍ (رحèد 23-02-2003 ٍàلë.6)

Qïë=14,28 ُ[20-(-33)]ُ0,6ُ1/3,07 = 147,92 آٍ

خٌيîâيûه è نîلàâî÷يûه ïîٍهًè ٍهïëîٍû ÷هًهç îمًàونà‏ùèه êîيًٌٍَêِèè êîىيàٍû 103:

Qٍï = 302,51 +185,91+147,92 =646,98=636 آٍ(ٌ îêًَمëهيèهى نî 10)

.1.2 ذہرصخؤ زإدثخزغ حہ حہأذإآہحبإ بحشبثـزذسقظإأخرك آخاؤسصہ

Qè = 0.28 å Gè c(tً - tي)k,

منه ٌ = 1 êؤوم 0ر - َنهëüيàے ٍهïëîهىêîٌٍü âîçنَُà

tً =20, C tي =-33 - ٍهىïهًàًٍَû âîçنَُà, ٌîîٍâهٌٍٍâهييî â ïîىهùهيèè è يàًَويîمî

k =0,7 - êî‎ôôèِèهيٍ َ÷هٍà âëèےيèے âًٌٍه÷يîمî ٍهïëîâîمî ïîٍîêà نëے ٌٍûêîâ ïàيهëهé ٌٍهي è îêîي ٌî ٌïàًهييûىè ïهًهïëهٍàىè.

k -êî‎ôôèِèهيٍ َ÷هٍà âëèےيèے âًٌٍه÷يîمî ٍهïëîâîمî ïîٍîêà â êîيًٌٍَêِèےُ, ًàâيûé 0,7 نëے ٌٍûêîâ ïàيهëهé ٌٍهي è îêîي ٌ ًٍîéيûىè ïهًهïëهٍàىè, 0,8 - نëے îêîي è لàëêîييûُ نâهًهé ٌ نâَىے ًàçنهëüيûىè ïهًهïëهٍàىè è 1,0 - نëے îنèيàًيûُ îêîي, îêîي

Gè - ًàٌُîن èيôèëüًٍَ‏ùهمîٌے âîçنَُà ÷هًهç يهïëîٍيîٌٍè يàًَويûُ îمًàونهيèé îïًهنهëےهى ïî ôîًىَëه:

Gè =0,216 å ہ Dً0.67/Rèًٍ

منه ہ =1,4ُ1,5=2,1 ى2 - ïëîùàنü ٌâهٍîâîمî ïًîهىà êîىيàٍû 2


ًٍهلَهىîه ٌîïًîٍèâëهيèه âîçنَُîïًîيèِàيè‏

Gي = 5 êم/ى2÷ - يîًىàٍèâيàے âîçنَُîïًîيèِàهىîٌٍü îêيà (ï.5.3* رحèد 23-02)

Dً, دà - ًàٌ÷هٍيàے ًàçيîٌٍü نàâëهيèé âîçنَُà يà يàًَويîé è âيًٍَهييهé ïîâهًُيîٌٍےُ îêيà

Dً0=10دà,

Dً=(ح - h)(gy - gâ) + 0,5 ًيv2(cي-cï)k,

منه ح = 7,4ى - âûٌîٍà çنàيèے نî âهًُà êàًيèçà

h = 3,3 ى - ًàٌ÷هٍيàے âûٌîٍà îٍ ًَîâيے çهىëè نî âهًُà îêيà

gي =14,25ح/ى3 , gâ = 11,82 ح/ى3 - َنهëüيûé âهٌ ٌîîٍâهٌٍٍâهييî يàًَويîمî è âيًٍَهييهمî âîçنَُà

ًي = gي /g=14,25/9,81=1,45 êم/ى3 - ïëîٍيîٌٍü يàًَويîمî âîçنَُà

v = 4,4 ى/ٌ - ٌêîًîٌٍü âهًٍà

ٌي = 0,8, ٌï = -0,6 - à‎ًîنèيàىè÷هٌêèه êî‎ôôèِèهيٍû ٌîîٍâهٌٍٍâهييî نëے يàâهًٍهييîé è ïîنâهًٍهييîé ïîâهًُيîٌٍهé çنàيèے رحèد 2.01.07-85

k = 0,56 - êî‎ôôèِèهيٍ َ÷هٍà èçىهيهيèے ٌêîًîٌٍيîمî نàâëهيèے âهًٍà â çàâèٌèىîٌٍè îٍ âûٌîٍû çنàيèے رحèد 2.01.07-85

Dً = (7,4-3,3)(14,25 - 11,82) + 0,5ُ1,45ُ4,42[0,8-(-0,6)]ُ0,56 = 20,96 دà

زîمنà Gè =0,216ُ2,1ُ20,96,67/0,33 = 10,56 êم/ى2÷è = 0,28ُ 10,56ُ1[20 - (-33)]ُ1 = 156,71 آٍ

آû÷èٌëےهى çàًٍàٍû ٍهïëîٍû يà يàمًهâàيèه èيôèëüًٍَ‏ùهمîٌے âîçنَُà èٌُîنے èç ٌàيèٍàًيî-مèمèهيè÷هٌêèُ ًٍهلîâàيèé:

Qâ=0,28 Lي pâٌ (tâ-tي), منه

Lي=3 ہïë=3ُ14,27=42,81 ى³/÷ - ًàٌُîن َنàëےهىîمî âîçنَُà, يه êîىïهيٌèًَهىûé ïîنîمًهٍûى ïًèٍî÷يûى âîçنَُîى;

pâ== gâ /g=11,82/9,81=1,2 êم/ى3 - ïëîٍيîٌٍü âîçنَُà â ïîىهùهيèè

Qâ=0,28ُ42,81ُ1,2ُ1ُ(20+33)=762,36 آٍ

س÷èٍûâàے, Qâ ÷ٍî لîëüّه, ÷هى Qè, â ًàٌ÷¸ٍ ïًèيèىàهى Qâ.

.1.3. ءغزخآغإ زإدثخدخرزسدثإحبك

زهïëîâàے ىîùيîٌٍü ٌèٌٍهىû îٍîïëهيèےٌî =Qٍï +Qè - Qل = 636+762,36-142,7= 1541,06آٍ

.2 تخجحہزہ 207


.2.1 خرحخآحغإ ب ؤخءہآخ×حغإ دخزإذب زإدثخزغ ×إذإا خأذہئؤہقظبإ تخحرزذستضبب

رٍهيà ïî îٌè «آ»

Qيٌ =A (tً - tي )(1+ åb) n/R0ïً آٍ

منه ہ = 3,2 ُ 2,9 - 1,4 ُ 1,5 = 7,18 ى2 - ًàٌ÷هٍيàے ïëîùàنü يàًَويîé ٌٍهيû çà âû÷هٍîى ïëîùàنè îêيà

R0ïً =3,07 ى2 0ر/آٍ - ïًèâهنهييîه ٌîïًîٍèâëهيèه ٍهïëîïهًهنà÷ه ٌٍهيû

tً =18 0C - ٍهىïهًàًٍَà âîçنَُà â ïîىهùهيèè

tيî = -33 0C - ٍهىïهًàًٍَà يàًَويîمî âîçنَُà يàèلîëهه ُîëîنيîé ïےٍèنيهâêè

b = 0,1 - نîلàâî÷يûه ïîٍهًè ٍهïëîٍû ٌٍهيû , îلًàùهييîé يà ٌ-çàïàن

n = 1 - êî‎ôôèِèهيٍ, ïًèيèىàهىûé â çàâèٌèىîٌٍè îٍ ïîëîوهيèے îمً. êîيًٌٍ. (رحèد 23-02-2003 ٍàلë.6)

Qيٌ = 7,18ُ[18 - (-33)]ُ(1+0,1)ُ1/3,07=131,2 آٍ

دهًهêًûٍèه ÷هًنà÷يîه

Q÷ï = A (tً -tي ) n/R0ïً آٍ

R0ïً = 4,04 ى2 0ر/آٍ - ïًèâهنهييîه ٌîïًîٍèâëهيèه ٍهïëîïهًهنà÷ه ÷هًنà÷يîمî ïهًهêًûٍèے

ہïٍ =3,6 ُ 2,9 = 10,44 ى2 - ًàٌ÷هٍيàے ïëîùàنü ïهًهêًûٍèے

n =1 - êî‎ôôèِèهيٍ (رحèد 23-02-2003 ٍàلë.6)

Q÷ï=10,44ُ[18- (-33)]ُ1/4,04 = 131,79 آٍ

خٌيîâيûه è نîلàâî÷يûه ïîٍهًè ٍهïëîٍû ÷هًهç îمًàونà‏ùèه êîيًٌٍَêِèè êîىيàٍû 211:

Qٍï = 131,2+131,79 =262,99=263 آٍ(ٌ îêًَمëهيèهى نî 10)

.2.2 ذہرصخؤ زإدثخزغ حہ حہأذإآہحبإ بحشبثـزذسقظإأخ آخاؤسصہ

Qè = 0.28 å Gè c(tً - tي)k,

منه ٌ = 1 êؤوم 0ر - َنهëüيàے ٍهïëîهىêîٌٍü âîçنَُà رحèد 23-02-2003

tً =18, C tي =-33 - ٍهىïهًàًٍَû âîçنَُà, ٌîîٍâهٌٍٍâهييî â ïîىهùهيèè è يàًَويîمî

k =0,7 - êî‎ôôèِèهيٍ َ÷هٍà âëèےيèے âًٌٍه÷يîمî ٍهïëîâîمî ïîٍîêà نëے ٌٍûêîâ ïàيهëهé ٌٍهي è îêîي ٌî ٌïàًهييûىè ïهًهïëهٍàىè.

Gè - ًàٌُîن èيôèëüًٍَ‏ùهمîٌے âîçنَُà ÷هًهç يهïëîٍيîٌٍè يàًَويûُ îمًàونهيèé îïًهنهëےهى ïî ôîًىَëه:

Gè =0,216 å ہ Dً0.67/Rèًٍ

منه ہ =1,4ُ1,5=2,1 ى2 - ïëîùàنü ٌâهٍîâîمî ïًîهىà êîىيàٍû 211

- ًٍهلَهىîه ٌîïًîٍèâëهيèه âîçنَُîïًîيèِàيè‏

Gي = 5 êم/ى2÷ - يîًىàٍèâيàے âîçنَُîïًîيèِàهىîٌٍü îêيà (ٍàلë.11 رحèد 23-02-2003)

Dً, دà - ًàٌ÷هٍيàے ًàçيîٌٍü نàâëهيèé âîçنَُà يà يàًَويîé è âيًٍَهييهé ïîâهًُيîٌٍےُ îêيà

Dً0=10دà,

Dً=(ح - h)(gy - gâ) + 0,5 ًيv2(cي-cï)k,

منه ح = 7,4ى - âûٌîٍà çنàيèے نî âهًُà êàًيèçà

h = 3,3 ى - ًàٌ÷هٍيàے âûٌîٍà îٍ ًَîâيے çهىëè نî âهًُà îêيà

gي =14,31ح/ى3 , gâ = 11,82 ح/ى3 - َنهëüيûé âهٌ ٌîîٍâهٌٍٍâهييî يàًَويîمî è âيًٍَهييهمî âîçنَُà

ًي = gي /g=14,31/9,81=1,46 êم/ى3 - ïëîٍيîٌٍü يàًَويîمî âîçنَُà

v = 4,4 ى/ٌ - ٌêîًîٌٍü âهًٍà

ٌي = 0,8, ٌï = -0,6 - à‎ًîنèيàىè÷هٌêèه êî‎ôôèِèهيٍû ٌîîٍâهٌٍٍâهييî نëے يàâهًٍهييîé è ïîنâهًٍهييîé ïîâهًُيîٌٍهé çنàيèے رحèد 2.01.07-85

k = 0,56 - êî‎ôôèِèهيٍ َ÷هٍà èçىهيهيèے ٌêîًîٌٍيîمî نàâëهيèے âهًٍà â çàâèٌèىîٌٍè îٍ âûٌîٍû çنàيèے رحèد 2.01.07-85

Dً = (7,4-3,3)(14,31 - 11,82) + 0,5ُ1,46ُ4,42[0,8-(-0,6)]ُ0,56 = 21,29 دà

زîمنà Gè =0,216ُ2,1ُ21,29 0,67/0,33= 10,67 êم/ى2÷è = 0,28ُ 10,67ُ1[18 - (-33)]ُ1 = 152,4 آٍ

آû÷èٌëےهى çàًٍàٍû ٍهïëîٍû يà يàمًهâàيèه èيôèëüًٍَ‏ùهمîٌے âîçنَُà èٌُîنے èç ٌàيèٍàًيî-مèمèهيè÷هٌêèُ ًٍهلîâàيèé:

Qâ=0,28 Lي pâٌ (tâ-tي), منه

Lي=3 ہïë=3ُ10,44=31,32ى³/÷ - ًàٌُîن َنàëےهىîمî âîçنَُà, يه êîىïهيٌèًَهىûé ïîنîمًهٍûى ïًèٍî÷يûى âîçنَُîى;

pâ== gâ /g=11,82/9,81=1,2 êم/ى3 - ïëîٍيîٌٍü âîçنَُà â ïîىهùهيèè

Qâ=0,28ُ31,32ُ1,2ُ1ُ(18+33)=536,7 آٍ

س÷èٍûâàے, Qâ ÷ٍî لîëüّه, ÷هى Qè, â ًàٌ÷¸ٍ ïًèيèىàهى Qâ.

.2.3. ءغزخآغإ زإدثخدخرزسدثإحبك

زهïëîâàے ىîùيîٌٍü ٌèٌٍهىû îٍîïëهيèے Qٌî =Qٍï +Qè - Qل = 263+536,7-104,4= 695,3 آٍ

ذàٌ÷هٍ ٍهïëîâûُ ïîٍهًü

¹ ïîى

حàèىهيîâàيèه ïîىهùهيèے, tâ, °ر

صàًàêٍهًèٌٍèêà îمًàونهيèے

(tâtي)·n °ر

Qo, آٍ

ؤîلàâêè β

Qٍï, آٍ



يàèىهيîâàيèه

îًèهيٍàِèے

ًàçىهً a×b, ى

ہ, ى²

Ko, آٍ/ ى²·°ر



îًèهيٍàِèے


1

2

3

4

5

6

7

8

9

10

13

 

 130

 ئèëàے êîىيàٍà, 20°ر

 حر حر دث

 رآ را

 5,4ُ3,2 3,0ُ3,2 5,158ُ2,758

 15,93 9,79 14,28

 0,326 0,326

 53ُ1 53ُ1 53ُ0,6

 302,51 185,91 147,92

 0,1 0,1

  636

 

 207

 تَُيے, 18°ر

 حر ×د

 را

 2,9ُ3,2 3,958ُ2,886

 7,18 10,44

 0,326

  51

 131,2 131,79

 0,1

  263

 


زهïëîâàے ىîùيîٌٍü ïîىهùهيèے è ٌèٌٍهىû îٍîïëهيèے

¹ ïîىهùهيèے

رîٌٍàâëے‏ùèه لàëàيٌà, آٍ

,

 


Qiآٍ




1

2

3

4

5

 130

636

 763

 143

 1542

 207

263

 537

 105

696


6. دخؤءخذ خزخدبزإثـحغص دذبءخذخآ

خïًهنهëےهى يهîلُîنèىîه ÷èٌëî ٌهêِèé ًàنèàٍîًà جر-140,ٌٍَàيàâëèâàهىîمî لهç ‎êًàيà ïîن ïîنîêîييèêîى îêيà ًàçىهًîى 1,5ُ1,4 ى, هٌëè èçâهٌٍيî: ٌèٌٍهىà îٍîïëهيèے نâًٍََُليàے, ٌ يèويهé ًàçâîنêîé îلهèُ ىàمèًٌٍàëهé, ïًîêëàنêà ًٍَل îٍêًûٍàے, ٌَëîâيûه نèàىهًٍû âهًٍèêàëüيûُ ًٍَل (ٌٍîےêîâ) 20 ىى, مîًèçîيٍàëüيûُ(ïîنâîنêà ê ًàنèàٍîًَ) 15 ىى, ًàٌ÷هٍيàے ٍهىïهًàًٍَà âîنû ïîنà‏ùهé tï =150°ر è îلًàٍيîé tî =70°ر, يîىèيàëüيûé ٍهïëîâîé ïîٍîê îنيîé ٌهêِèè qيîى=160آٍ.

ذàنèàٍîًû ÷َمَييûه جر-140ج-500 (جèيٌê)

دًهنيàçيà÷هيû نëے ٌèٌٍهى îٍîïëهيèے وèëûُ, îلùهٌٍâهييûُ è ïًîèçâîنٌٍâهييûُ çنàيèé ïîâûّهييîé ‎ٍàويîٌٍè ٌ ٍهىïهًàًٍَîé ٍهïëîيîٌèٍهëے نî 130ر ٍîى ÷èٌëه è â ïàًîâûُ ٌèٌٍهىàُ îٍîïëهيèے) è ًàلî÷èى èçلûٍî÷يûى نàâëهيèهى نî 0,9 جدà (9 êمٌى2)


زإصحب×إرتبإ صہذہتزإذبرزبتب:

زèï ًàنèàٍîًà: ٌهêِèîييûé.

ذهçüلà يèïïهëüيîمî îٍâهًٌٍèے: G 1/4-آ.

جàêٌèىàëüيàے ٍهىïهًàًٍَà ٍهïëîيîٌèٍهëے: 130°ر.

جàٍهًèàë ïًîêëàنîê: ًهçèيà ٍهïëîٌٍîéêàے ITC è Iزد زس 38 105376-82 begin_of_the_skype_highlighting 38 105376-82 end_of_the_skype_highlighting;

تîëüِî: أخرز 9833-73 / أخرز 18829-73

جàٍهًèàë ٌهêِèé è ïًîلîê: ر× 10 أخرز 1412-85.

جàٍهًèàë يèïïهëهé: ت× 30-6-ô أخرز 1215-79.

(ذàçىهً ًهçüلîâûُ îٍâهًٌٍèé G 1 1/4 ن‏éىà)

تîëè÷هٌٍâî ٌهêِèé, ٍّ

تîëè÷هٌٍâî â ïàêهٍه (çàâîنٌêàے ïîٌٍàâêà), ٍّ

حîىèيàëüيûé ٍهïëîâîé ïîٍîê, آٍ

ؤëèيà, ىى

آûٌîٍà, ىى

جهويèïهëüيîه ًàٌٌٍîےيèه, ىى

أëَلèيà, ىى

جàٌٌà, êم

¨ىêîٌٍü, ë

Py, ًàلî÷هه (èٌïûٍ- يîه)


ٌهêِèè

ًàنèàٍîًîâ









1

-

-

160

108(ّàم)

588

500

140

7,12

1,45

0,9 (1,5) جدà

4

67

1

640

459




29,18

5,80


7


9

1120

786




50,54

10,15



.1 تخجحہزہ 130

زهىïهًàًٍَà âîçنَُà â ïîىهùهيèè tâ=20°ر, ًàٌ÷هٍيîه ٍ/ïîًٍهلëهيèه Qïîى= 1542آٍ, نëèيà مîًèçîيٍàëüيûُ lم ًٍَل ٌîٌٍàâëےهٍ 2,8 ى

.ذàٌُîن âîنû, ïًîُîنےùهé ÷هًهç ًàنèàٍîً

Gïً= 0,86 Qïîى/(tï - tî) = 0,86ُ1542/(95 - 70) = 53 êم

دîêàçàٍهëè n è p ًàâيû ٌîîٍâهٌٍٍâهييî 0,3 è 0,02, êî‎ôôèِèهيٍ b = 1,02

.رًهنيےے ًàçيîٌٍü ٍهىïهًàًٍَ

Dtًٌ= 0,5(tï - tî ) - tâ = 0,5(95 + 70) - 20 = 62,5 °ر

.دîëüçَےٌü ٍàلëèِàىè ٍ/îٍنà÷è îٍêًûٍî ïًîëîوهييûُ مîًèçîيٍàëüيûُ ًٍَل, يàُîنèى ٍ/îٍنà÷َ ًٍَل

Qًٍ= qم lم = 84ُ1,4 + 50ُ1,4 = 187,6 آٍ

.خïًهنهëےهى ÷èٌëî ٌهêِèé

N =(Qïîى - 0,9Qًٍ)b/[qيîى (Dtًٌ/70)1+n (Gïً /360)p] =

=(1542 -0,9ُ187,6)ُ1,02/[160ُ(62,5/70)1+0,3ُ(53/360)0,02] = 10,5

رëهنَهٍ ïًèيےٍü ê ٌٍَàيîâêه 11 ٌهêِèé. ؤëèيà ًàنèàٍîًà 1,188 ى, ÷ٍî لîëüّه ïîëîâèيû îêيà

6.2 تسصحك 207

زهىïهًàًٍَà âîçنَُà â ïîىهùهيèè tâ=18°ر, ًàٌ÷هٍيîه ٍ/ïîًٍهلëهيèه Qïîى= 696 آٍ, نëèيà âهًٍèêàëüيûُ lâ è مîًèçîيٍàëüيûُ lم ًٍَل ٌîٌٍàâëےهٍ ٌîîٍâهٌٍٍâهييî 5,4 è 0,9(0,5 + 0,4) ى

.ذàٌُîن âîنû, ïًîُîنےùهé ÷هًهç ًàنèàٍîً

Gïً= 0,86 Qïîى/(tï - tî) = 0,86ُ810/(95 - 70) = 27,9 êم

دîêàçàٍهëè n è p ًàâيû ٌîîٍâهٌٍٍâهييî 0,3 è 0,02, êî‎ôôèِèهيٍ b = 1,02

.رًهنيےے ًàçيîٌٍü ٍهىïهًàًٍَ

Dtًٌ= 0,5(tï - tî ) - tâ = 0,5(95 + 70) - 18 = 64,5 °ر

.دîëüçَےٌü ٍàلëèِàىè ٍ/îٍنà÷è îٍêًûٍî ïًîëîوهييûُ âهًٍèêàëüيûُ è مîًèçîيٍàëüيûُ ًٍَل, يàُîنèى ٍ/îٍنà÷َ ًٍَل

Qًٍ= qâ lâ +qم lم = 81ُ2,7 + 47ُ2,7 + 84ُ0,5 + 50ُ0,4 = 407,6 آٍ

.خïًهنهëےهى ÷èٌëî ٌهêِèé

N =(Qïîى - 0,9Qًٍ)b/[qيîى (Dtًٌ/70)1+n (Gïً /360)p] =

=(696 -0,9ُ407,6)ُ1,02/[160ُ(64,5/70)1+0,3ُ(27,9/360)0,02] = 3,31

رëهنَهٍ ïًèيےٍü ê ٌٍَàيîâêه 4 ٌهêِèè. خنيàêî نëèيà ًàنèàٍîًà, ًàâيàے 0,43 ى, ىهيüّه ïîëîâèيû ًàçىهًà îêيà. دî‎ٍîىَ ٌëهنَهٍ ٌٍَàيîâèٍü ًàنèàٍîً ىهيüّهé âûٌîٍû, يàïًèىهً, ٍèïà جر -140-300, يîىèيàëüيûé ٍهïëîâîé ïîٍîê îنيîé ٌهêِèè êîٍîًîمî qيîى ٌîٌٍàâëےهٍ 120 آٍ

N =(696 -0,9ُ407,6)ُ1,02/[120ُ(64,5/70)1+0,3ُ(27,9/360)0,02] = 4,41

دًèيèىàهى ê ٌٍَàيîâêه 5 ٌهêِèé. ؤëèيà ًàنèàٍîًà ٌîٌٍàâëےهٍ 0,52 ى, ÷ٍî ٍàêوه ىهيüّه ïîëîâèيû ًàçىهًà îêيà, يî ٍ. ê. â êَُيه ٍ/îٍنà÷à îٍ îٍêًûٍî ïًîëîوهييûُ ًٍَل ٌîٌٍàâëےهٍ ïîëîâèيَ ىîùيîٌٍè ٌèٌٍهىû îٍîïëهيèے è َ÷èٍûâàے ٍهïëîâûنهëهيèے îٍ ïًèمîٍîâëهيèے ïèùè ïًèيèىàهى ê ٌٍَàيîâêه 5 ٌهêِèé ًàنèàٍîًà جر -140-300.

7. رصإجہ بحؤبآبؤسہثـحخأخ زإدثخآخأخ دسحتزہ

ؤëے ïîيèوهيèے ٍهىïهًàًٍَû ٌهٍهâîé âîنû tٌ =150°ر, ïîٌٍَïà‏ùهé îٍ زفض â ٍهïëîâîé ِهيًٍ çنàيèے, نî يهîلُîنèىîé نëے ïîنà÷è â ٌèٌٍهىَ îٍîïëهيèے âîنû ٌ ٍهىïهًàًٍَîé tم =95°ر ïًèىهيے‏ٍ ٌىهٌèٍهëüيûé يàٌîٌ èëè âîنîًٌٍَéيûé ‎ëهâàٍîً. دîيèوهيèه ٍهىïهًàًٍَû ïًîèٌُîنèٍ ïًè ٌىهّèâàيèè âûٌîêîٍهىïهًàًٍَيîé âîنû tٌ ٌ îلًàٍيîé âîنîé, îُëàونهييîé نî ٍهىïهًàًٍَû tî =70°ر. حèوه ïًهنٌٍàâëهيî ًٌٍَîéٌٍâî ٍهïëîâîمî ِهيًٍà ٌ ‎ëهâàٍîًيûى َçëîى.









- çàنâèوêà, 2 - مًےçهâèê, 3 - ًهمَëےٍîً, 4 - ٍهïëîâîé ٌ÷¸ٍ÷èê, 5 - ‎ëهâàٍîً, 6- ٍهًىîىهًٍ, 7 - ىàيîىهًٍ

خٌيîâيîé ًàٌ÷هٍيîé ُàًàêٍهًèٌٍèêîé نëے ïîنلîًà âîنîًٌٍَéيîمî ‎ëهâàٍîًà ےâëےهٌٍے êî‎ôôèِèهيٍ ٌىهّهيèے αٌى

αٌى= 1,15[(tٌ - tم)/(tم - tî)] = 1,15[(150 - 95)/(95 - 70)] = 2,53

ايàے αٌى, à ٍàêوه ٍهïëîâَ‏ ىîùيîٌٍü ٌèٌٍهىû îٍîïëهيèے Qcèٌٍ(â êًٌَîâَ‏ ًàلîٍَ يه âُîنèٍ) è ïهًهïàن نàâëهيèے â ٍهïëîâîé ٌهٍè pٌèٌٍ=75êدà(0,75àٍى), يàُîنèى نèàىهًٍ êàىهًû ٌىهّهيèے è نèàىهًٍ ٌîïëà ‎ëهâàٍîًà. دî يàéنهييîىَ نèàىهًٍَ êàىهًû ٌىهّهيèے âûلèًàهٌٍے يîىهً ‎ëهâàٍîًà è َêàçûâà‏ٌٍے همî ًàçىهًû.

8. خدذإؤإثإحبإ آخاؤسصخخءجإحہ آ دخجإظإحبب

حهîلُîنèىî çàïًîهêٍèًîâàٍü ٌèٌٍهىَ هٌٍهٌٍâهييîé êàيàëüيîé âûٍےويîé âهيٍèëےِèè نëے êâàًٍèً نâَُ‎ٍàويîمî وèëîمî çنàيèے.
















دًèيِèïèàëüيàے ٌُهىà ٌîٌٍîèٍ èç âهًٍèêàëüيûُ âيًٍَèٌٍهييûُ êàيàëîâ 2 ٌ îٍâهًٌٍèےىè, â êîٍîًûه âٌٍàâëهيû وàë‏çèéيûه ًهّهٍêè 1, ٌلîًيîمî مîًèçîيٍàëüيîمî âîçنَُîâîنà 3, ïًîêëàنûâàهىîمî â ÷هًنà÷يîى ïîىهùهيèè, è âهًٍèêàëüيîé âûٍےويîé ّàٍُû 4, يàن êîٍîًîé ٌٍَàيàâëèâà‏ٍ نهôëهêٍîً 5.

رُهىà هٌٍهٌٍâهييîé âهيٍèëےِèè êâàًٍèً ٍàêîâà: ïîٌٍَïëهيèه âîçنَُà â ïîىهùهيèه îٌَùهٌٍâëےهٌٍے ÷هًهç ïîًû è يهïëîٍيîٌٍè يàًَويûُ îمًàونهيèé (èيôèëüًٍàِèے) èëè ïًèٍî÷يûه ًٌٍَîéٌٍâà (ôîًٍî÷êè, ôًàىَمè), à َنàëهيèه âîçنَُà èç ïîىهùهيèé - ÷هًهç ًهّهٍêè âهيٍèëےِèîييûُ êàيàëîâ, ٌٍَàيîâëهييûه ïîن ïîٍîëêîى â êَُيےُ, ٌàيَçëàُ è âàييûُ êîىيàٍàُ.

ز. ê. âيًٍَهييèه ٌٍهيû çنàيèے êèًïè÷يûه âهيٍèëےِèîييûه êàيàëû يهîلُîنèىî ًٌٍَîèٍü â لîًîçنàُ ٌٍهيû, çàنهëûâàهىûُ ïëèٍàىè.

ؤëے ïًهنîٍâًàùهيèے îُëàونهيèے âîçنَُà, ïهًهىهùàهىîمî ïî ٌلîًيîىَ âîçنَُîâîنَ يà ÷هًنàêه, همî يهîلُîنèىî ٍَهïëےٍü.

آهيٍèëےِèے â وèëîى نîىه ïًهنٌَىîًٍهيà هٌٍهٌٍâهييàے èç êَُîيü è ٌàيَçëîâ ٌ َ÷هٍîى ًٍهلîâàيèé ريèد 2.08.01-89 è ريèد 2.04.05-91. آîçنَُîîلىهي îïًهنهëهي ïî يîًىèًَهىûى êًàٍيîٌٍےى. دًèٍîê يه îًمàيèçîâàييûé.

آ êàيàëüيûُ ٌèٌٍهىàُ هٌٍهٌٍâهييîé âûٍےويîé âهيٍèëےِèè âîçنَُ ïهًهىهùàهٌٍے â âîçنَُîâîنàُ ïîن نهéٌٍâèهى مًàâèٍàِèîييîمî نàâëهيèے, âîçيèêà‏ùهمî çà ٌ÷هٍ ًàçيîٌٍè ïëîٍيîٌٍهé يàًَويîمî è âيًٍَهييهمî âîçنَُà

Pمً= h g(pي -pâ)

منه h =0,3+3,2+3,9=7,4 ى - âûٌîٍà âîçنَّيîمî ٌٍîëلà îٍ ِهيًٍà وàë‏çèéيîé ًهّهٍêè 1 ‎ٍàوà êَُيè نî ٌٍَüے âûٍےويîé ّàٍُû

g = 9,81 ى/ٌ2 - ٌَêîًهيèه ٌâîلîنيîمî ïàنهيèے

Pي = 1,46 êم/ى3 , pâ =1,2êم/ى3 - ïëîٍيîٌٍü ٌîîٍâهٌٍٍâهييî يàًَويîمî è âيًٍَهييهمî âîçنَُà

Pمً=7,4ُ9,81ُ(1,46 - 1,2) = 18,87 دà

دًè ïهًهىهùهيèè âîçنَُà ïî âîçنَُîâîنàى ïًîèٌُîنےٍ ïîٍهًè نàâëهيèے pïîٍ يà ًٍهيèه ïî نëèيه è â ىهٌٍيûُ ٌîïًîٍèâëهيèےُ. رèٌٍهىà هٌٍهٌٍâهييîé âûٍےويîé âهيٍèëےِèè لَنهٍ ‎ôôهêٍèâيî ًàلîٍàٍü ïًè ٌَëîâèè, ÷ٍî âهëè÷èيà مًàâèٍàِèîييîمî نàâëهيèے pمً لَنهٍ لîëüّه ïîٍهًü نàâëهيèے pïîٍ.


دًè îïًهنهëهيèè ًàٌ÷هٍيîمî âîçنَُîîلىهيà êâàًٍèًû 1 ‎ٍàوà èٌُîنèى èç ٍîمî, ÷ٍî êîëè÷هٌٍâî âîçنَُà, يهîلُîنèىîمî نëے âهيٍèëےِèè ٌîٌٍàâëےهٍ 3 ى3/÷ يà 1 ى2 وèëîé ïëîùàنè, è ÷ٍî ÷àٌٍü âîçنَُà َنàëےهٌٍے èç êâàًٍèًû ÷هًهç âهيٍèëےِèîييûه êàيàëû ٍَàëهٍà, âàييîé êîىيàٍû è êَُيè:

Vوï = 3 ΣFوï = 3ُ(13,87+ 14,89) = 86,28 ى3/÷

آîçنَُîîلىهي نëے îلîًَنîâàييîé مàçîâîé ïëèٍîé (دأ-4) êَُيè, âàييîé êîىيàٍû è ٍَàëهٍà:

ΣV = 90+50+25 = 165 ى3/÷

دًèيèىàهى ê ًàٌ÷هٍَ لîëüَّ‏ èç âهëè÷èي, à èىهييî ΣV = 165 ى3/÷

ايàے ًàٌُîن âîçنَُà è ïًèيèىàے ٌêîًîٌٍü نâèوهيèے âîçنَُà â âهًٍèêàëüيûُ êàيàëàُ يèويهمî ‎ٍàوà w = 0,7 ى/c ïî يîىîمًàىىه نëے نèàىهًٍà êًَمëûُ âîçنَُîâîنîâ ٌèٌٍهىû هٌٍهٌٍâهييîé âهيٍèëےِèè è ïîٍهًü نàâëهيèے يà ًٍهيèے â يèُ يàُîنèى نèàىهًٍû âîçنَُîâîنîâ: نëے êَُيè d = 210ىى, نëے âàييîé êîىيàٍû d = 160 ىى è نëے ٍَàëهٍà d = 115 ىى.

دî ٌîîٍيîّهيè‏ ًàçىهًîâ ïًےىîَمîëüيûُ âîçنَُîâîنîâ è êًَمëûُ ïî ‎êâèâàëهيٍيîىَ نèàىهًٍَ يàُîنèى ïëîùàنü ïîïهًه÷يîمî ٌه÷هيèے ہُآ è مèنًàâëè÷هٌêèé نèàىهًٍ ٌîîٍâهٌٍٍâهييî نëے êَُيè 0,040 ى2 è 200ىى, نëے âàييîé 0,03 ى2 è171ىى, نëے ٍَàëهٍà 0,015 ى2 è 120ىى.


9. ردبرخت بردخثـاخآہححخة ثبزإذہزسذغ

îٍîïëهيèه âهيٍèëےِèے وèëîé نîى

1.   رحèد 2.04.05-91* خٍîïëهيèه, âهيٍèëےِèے è êîينèِèîيèًîâàيèه âîçنَُà.

2.       رحèد II-3-79** رًٍîèٍهëüيàے ٍهïëîٍهُيèêà.

.        رحèد 23-01-99 رًٍîèٍهëüيàے êëèىàٍîëîمèے رحèد 2.08.01-89 (1999) ئèëûه çنàيèے.

.        رحèد 41-01-2003 خٍîïëهيèه, âهيٍèëےِèے è êîينèِèîيèًîâàيèه.

.        رحèد 23-02-2003 زهïëîâàے çàùèٍà çنàيèé.

.        جهٍîنè÷هٌêèه َêàçàيèے ثàâًهيٍüهâîé آ.ج.. حîâîٌèلèًٌê 2001.

.        جهٍîنè÷هٌêèه َêàçàيèے تًَïيîâà ء.ہ., 2006م.

.        جهٍîنè÷هٌêèه َêàçàيèے ءهëîâîé إ.ج., جîٌêâà 2003.

.        زهïëîٌيàلوهيèه è âهيٍèëےِèے. س÷هليèê نëے âَçîâ. بçن. 2-َ. آ.ج. أٌَهâ. ثهيèيمًàن: رًٍîéèçنàٍ. ثهيèيمًàنٌêîه îٍنهëهيèه. 1975. - 232 ًٌٍ.

.        زهïëîâîé ًهوèى çنàيèé: س÷هليîه ïîٌîلèه. ہ.ب. إًهىêèي, تîًîëهâà ز.ب. - ج.: بçنàٍهëüٌٍâî ہرآ, 2000. - 368 ٌ.

ذàçىهùهيî يà Allbest.ru


Не нашли материал для своей работы?
Поможем написать уникальную работу
Без плагиата!
Без нейросетей!