Разработка предложений по вопросам защиты экологических систем на территории нефтяного терминала ОАО 'НК 'Роснефть-Архангельскнефтепродукт'

  • Вид работы:
    Дипломная (ВКР)
  • Предмет:
    Экология
  • Язык:
    Русский
    ,
    Формат файла:
    MS Word
    4,28 Мб
  • Опубликовано:
    2012-08-30
Вы можете узнать стоимость помощи в написании студенческой работы.
Помощь в написании работы, которую точно примут!

Разработка предложений по вопросам защиты экологических систем на территории нефтяного терминала ОАО 'НК 'Роснефть-Архангельскнефтепродукт'

Аннотация

 

В данной дипломной работе рассматриваются сведения об Архангельском нефтеналивном терминале, как источнике повышенной экологической опасности, при транспортировке через него нефти и нефтепродуктов. Также принимается во внимание оценка экологических рисков на предприятии и возможные негативные последствия, которые могут иметь место при несоблюдении требований экологической и технологической безопасности.

Отдельно, на примере очистных сооружений сточных вод рассматривается вопрос технико-экономических решений по защите водной среды от негативного воздействия нефтебазы, приводится экономический эффект от внедрения нового оборудования, в том числе зернистого напорного фильтра SPF-2,0/0,25-RО.

Проект состоит из семи глав, выполненных на 104 страницах. Графическая часть дипломной работы выполнена на шести чертежах формата А1. Использовано 17 литературных источников и внутренние документы "НК "Роснефть - Архангельскнефтепродукт".

Содержание

 

Введение

1. Общие сведения об архангельском нефтеналивном терминале

1.1 Характеристика местоположения терминала

1.2 Краткая характеристика деятельности предприятия

2. Оценка влияния архангельского нефтяного терминала на окружающую среду

2.1 Влияние на земельные ресурсы

2.1.1 Краткая характеристика существующего состояния земель

2.1.2 Воздействие реконструируемых объектов на территорию и условия землепользования

2.1.3 Охрана земель от воздействия объектов

2.2 Влияние на атмосферу

2.2.1 Краткая характеристика климатических условий района расположения терминала

2.2.2 Характеристика фонового уровня загрязнения атмосферного воздуха

2.2.3 Воздействие на атмосферный воздух и характеристика источников выбросов загрязняющих веществ

2.2.4 Мероприятия по уменьшению выбросов загрязняющих веществ в атмосферу

2.2.5 Расчет приземных концентраций загрязняющих веществ

2.2.6 Методы и средства контроля за состоянием воздушного бассейна

2.2.7 Определение размеров санитарно-защитной зоны (СЗЗ)

2.3 Влияние на гидросферу

2.3.1 Характеристика современного состояния водных объектов

2.3.2 Водопотребление терминала

2.3.3 Водоотведение терминала

2.3.4 Причальные сооружения

2.3.5 Мероприятия по предупреждению аварийных сбросов сточных вод

3.Основные качественно - количественные характеристики сточных вод

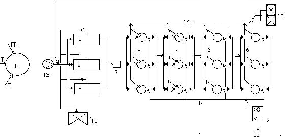
3.1 Схема очистки сточных вод

3.2 Обработка отходов

4. Технологические решения по очистке сточных вод

4.1 Фильтр напорный зернистый SPF-2,0/0,25-RО

4.2 Расчет потерь напора в дренажной и распределительной системах фильтра

4.1.1 Расчет потерь напора по длине в дренажной системе фильтров

4.1.2 Расчет местных потерь напора в дренажной системе фильтров

5. Экономическая оценка внедрения очистных сооружений

5.1 Показатели оценки эффективности реализации проектных решений

5.2 Капитальные затраты

5.3 Эксплуатационные затраты

5.4 Расчет показателей экономической эффективности

6. Оценка основных сценариев возможных аварий на Архангельском нефтяном терминале

6.1 Сведения об известных авариях на территории России

6.3 Основные сценарии возможных аварий

6.3.1Оценка факторов, связанных со сценарием "Разлив нефти"

6.4.2 Оценка факторов, связанных со сценарием "Пожар резервуара с нефтью"

6.4.3 Оценка факторов, связанных со сценарием "Взрыв резервуара с нефтью"

7. Организация производственного контроля за соблюдением требований промышленной безопасности

7.1 Основы законодательства РФ о промышленной безопасности

7.2 Правила организации и осуществления производственного контроля за соблюдением требований промышленной безопасности на опасном производственном объекте

7.3 Задачи производственного контроля по обеспечению соблюдения требований промышленной безопасности

7.4 Обеспечение охраны труда в организации

7.5 Охрана труда, техника безопасности и противопожарные мероприятия на Архангельском терминале

7.5.1 Мероприятия по предотвращению и ликвидации аварий при эксплуатации терминала

7.5.2 Методы и средства защиты работающих от производственных опасностей

7.5.3 Требования безопасности и меры оказания помощи при отравлении парами углеводородов

7.5.4 Требования безопасности и защитные мероприятия при эксплуа-тации электроустановок, электрооборудования, обеспечение молниезащиты

7.5.5 Требования противопожарной безопасности на терминале

Заключение

Список использованых источников

Введение


По оценкам специалистов, Тимано-Печорская нефтегазоносная провинция является перспективным и стратегически важным для российской экономики регионом. Тимано-Печорский бассейн является последним крупным, практически не тронутым на севере европейской части России, в результате осуществления Федеральной целевой программы по комплексному освоению нефтегазовых ресурсов к 2010 году он должен превратиться в центр добычи нефти с уровнем 20-30 млн. тонн. Соответственно, при возрастающей добыче встаёт вопрос о транспортировке добытой продукции. Значительная ее часть планируется вывозить северным морским путем. Одним из вариантов данной концепции транспортировки может рассматриваться отгрузка нефти через Архангельский терминал (Рисунок 1). В связи с этим компанией "Роснефть-Архангельскнефтепродукт" проводится реконструкция всей нефтебазы с целью увеличения объёма пропускаемой товарной продукции до 6 млн. тонн нефти и нефтепродуктов в год к 2007 г, и с перспективой увеличения пропускной способности до 10,2 млн. тонн в год к 2010 году. Увеличение объема транспорта нефти также позволит обеспечить как загруженность морского и речного порта, так и потребности хозяйства и экономики г. Архангельска.

защита экологическая система нефть

Рисунок 1 - Маршруты транспортировки нефти

Исходными данными для настоящей работы "Экологические проблемы транспортировки нефти и нефтепродуктов через Архангельский нефтеналивной терминал", послужили данные гидрометеорологических наблюдений, результатов анализов и проб, проведенных аттестованной лабораторией нефтебазы, а также проекта "Оценки воздействия на окружающую среду" и др.

Задачей данной дипломной работы является разработка предложений по вопросам защиты экологических систем на территории нефтяного терминала ОАО "НК "Роснефть-Архангельскнефтепродукт" от воздействия объекта, при запланированном увеличении перевалки нефтепродукта.

1. Общие сведения об архангельском нефтеналивном терминале


1.1 Характеристика местоположения терминала


Архангельская область занимает центральное положение на Европейском Севере. На западе она граничит с Карелией, на востоке - с Коми и Тюменской областью, на юге - с Вологодской и Кировской областями. Площадь территории составляет 587,3 тыс. км2. Область расположена в ледяной, тундровой, лесотундровой и таежной природных зонах.

Территория Архангельской области в целом представляет собой обширную равнину со слабо выраженным уклоном к Белому и Баренцеву морям. На плоских водораздельных плато на западе области, где ближе всего к поверхности подходят палеозойские известняки и мергеля, широко распространены карстовые явления. Низины обычно выполнены толщами морских, озерно-ледниковых и аллювиальных наносов. На изменение рельефа влияют эрозия (ежегодно в бассейне Северной Двины смывается до 660 кг почвы с 1 га), морской или озерный прибой, карстовые процессы, образование болот, аккумулирующая деятельность льдов на озерах и реках.

Значительная протяженность таежной части области (700 км с запада на восток и 600 км с юга на север) обусловила разнообразие ее климата, хотя относительно и холодного. Среднегодовые температуры территории, имеющей в лесной зоне умеренно - континентальный климат, лишь немного выше (а иногда и ниже) нуля. Продолжительность периода со средними суточными отрицательными температурами на юге - 160 дней, на севере - около 200. На севере области разница средних температур января и июля составляет менее 27˚С, а на юго-востоке она достигает 31˚С.

В Архангельской области часта смена воздушных масс, вызывающая резкие изменения и неустойчивость погоды. Отсутствие горных хребтов делает эту территорию легкодоступной для циклонов с Атлантики и потоков холодного арктического воздуха с северо-востока. Первые приносят осадки, пасмурную погоду, зимой - потепление, вторые вызывают сильное снижение температур, морозы. До юго-востока доходит гораздо меньше циклонов, чем до северо-запада: для Архангельска число их по основным сезонам года, начиная с зимы, составляет 20-19-12-24. Годовая сумма осадков в лесной зоне колеблется от 400 до 540 мм при количестве дней с осадками до 200. Осадки выпадают в виде небольших продолжительных снегопадов зимой и длительных моросящих дождей осенью. Значительная относительная влажность воздуха зимой и осенью (85-95%) обусловлена массами теплого воздуха, а летом и весной (70-90%) зависит от испарения с тающего снега, водоемов, лесов и болот в условиях продолжительной пасмурной погоды и невысоких температур. Зимой на территории области образуется мощный снеговой покров толщиной до 60-70 см. Снег выпадает 25 октября - 10 ноября и лежит до 25 апреля - 10 мая (на берегах Белого моря может задерживаться до 20 чисел мая).

Обилие поверхностных вод и сильная заболоченность типичны для этого края. Избыточные воды застаиваются в замкнутых впадинах, насыщают грунты или стекают в море многочисленными реками. Питаются реки в основном талыми снеговыми водами, весной сильно разливаются. Спад весенних вод затягивается из-за значительной залесенности их бассейнов. Высокой заболоченностью (до 25%) отличаются северные районы и бассейн Онеги, что связано с равнинностью территории, слабым дренажем и наличием водоупорных глин ледникового происхождения.

1.2 Краткая характеристика деятельности предприятия


Архангельский терминал ОАО "НК "Роснефть - Архангельскнефтепродукт" является дочерним предприятием государственной нефтяной компании "Роснефть". Терминал эксплуатируется с 1973 года. Предприятие осуществляет следующие виды деятельности:

а) Обеспечение приема, хранения и отпуска нефтепродуктов. Хранение осуществляется в наземных вертикальных резервуарах единичным объемом от 400 м3 до 20 000 м3.

Общая вместимость существующих резервуаров для нефтепродуктов - 274 000 м3, в том числе для:

· нефти 80 000 м3;

· мазута 20 000 м3;

· дизельного топлива 100 000 м3;

· топлива ТС 20 000 м3;

· газового конденсата 40 000 м3;

· масел 4 400 м3;

· автомобильного бензина 2 600 м3.

Поступление нефтепродуктов производится по железной дороге, отгрузка танкерами.

Имеющиеся пять железнодорожных подъездных путей и сливные железнодорожные эстакады для слива мазута, масла и светлых нефтепродуктов позволяют принимать до 7200 тонн светлых нефтепродуктов, 3600 тонн мазута, 360 тонн масел в сутки. Слив из железнодорожных цистерн осуществляется на трех железнодорожных эстакадах:

· односторонняя для слива мазута на 5 цистерно-мест;

· двухсторонняя для слива светлых нефтепродуктов на 30 цистерно-мест;

· двухсторонняя для слива нефти на 52 цистерно-места.

Слив мазута осуществляется горячим нефтепродуктом, что позволяет избежать обводнения. Кроме того, имеется отдельный изолированный коллектор для слива ТС-1, что исключает его смешивание с другими нефтепродуктами. Производственные возможности нефтебазы позволяют переваливать без потери качества дизельное топливо (зимнее, летнее и арктическое), авиационный керосин ТС - 1, мазут (М - 40, М - 100).

На территории терминала расположены два отдельных здания насосных для светлых и темных нефтепродуктов, в которых установлены насосы, осуществляющие слив из железнодорожных цистерн и налив нефтепродуктов в танкеры.

Основные технологические трубопроводы, по которым осуществляется перекачка нефтепродуктов, надземной и подземной прокладки;

б) Перевалка нефтепродуктов в другие регионы России и на экспорт:

· бензовозами;

· танкерами.

Причальные сооружения позволяют раздельно отпускать на танкер до 800 тонн/час светлых нефтепродуктов и 400 тонн/час - тёмных. Глубины подходов к причалу позволяют принимать круглогодично танкера грузоподъемностью до 30000 тонн и осадкой до 9 м;

в) Организация и осуществление сбора и переработки (утилизации) отработанных нефтепродуктов и отходов производства;

г) Поставка нефтепродуктов предприятиям и организациям Архангельской области;

д) Реализация нефтепродуктов через АЗС.

Проектом реконструкции Архангельского нефтяного терминала предусматривается увеличение производственных мощностей по перевалке с 4,3 млн. тонн до 10,7 млн. тонн в год нефти и нефтепродуктов в год, а увеличение резервуарной емкости товарной нефти с 80 тыс. м3 до 170 тыс. м3

2. Оценка влияния архангельского нефтяного терминала на окружающую среду


2.1 Влияние на земельные ресурсы


2.1.1 Краткая характеристика существующего состояния земель

Территория терминала - Архангельской нефтебазы ОАО "НК "Роснефть - Архангельскнефтепродукт" находится в 8 км северо-восточнее города Архангельск. Расстояние от предприятия до:

· железнодорожной станции Архангельск-город - 12км;

· морского - речного порта г. Архангельска - 16 км;

· аэропорта Талаги - 8 км;

· ближайшего строения - 0,2 км.

Разрешенное использование (назначение) - для производственных нужд. Категория земель - земли промышленности. Земельный участок используется в соответствии с целевым назначением.

Действующая промышленная площадка терминала расположена в населенном пункте со сложившейся жилой застройкой. С западной стороны промышленной площадки на расстоянии порядка 320 метров располагается деревня Талаги, на расстоянии 1,5 км - областная психиатрическая больница №2. С восточной стороны в радиусе 300 метров от ограждения промышленной площадки находятся: АЗС №59, предприятия, жилые застройки и объекты социального назначения (школа, детский сад, областная психиатрическая больница №1). С южной стороны к площадке примыкают подъездные железнодорожные пути и производственные объекты. Северная сторона оканчивается обрывом высотой 10 метров, переходящим в затопляемую паводком пойму р. Кузнечиха.

Рельеф площадки возвышенный, слабо всхолмленный. Абсолютные отметки колеблются в пределах 5-8 метров с небольшим уклоном с севера на юг. Территория предприятия ограждена. Санитарно-защитная зона составляет 200 м, запретная зона отсутствует.

Местность вокруг нефтебазы частично заболочена. В геологическом отношении грунты почвы сложены мореными суглинками, содержащими включения гравия, гальки и редких валунов. Район расположения предприятия не сейсмичен, вероятность карстовых явлений ничтожно мала. Землетрясения, оползни, сели и лавины отсутствуют. Сильные наводнения исключены.

Территорию реконструируемого объекта можно отнести к слабонарушенной. Нарушения территории в границах отвода и используемой для строительства объектов, предназначенных для приема, хранения и перевалки нефти и нефтепродуктов, связаны со строительством зданий и сооружений нефтебазы. К настоящему времени на участках с нарушенным растительным покровом произошло зарастание травяной растительностью после проведения рекультивации и естественным путем.

Деградированных, загрязненных земель на данной территории нет.

2.1.2 Воздействие реконструируемых объектов на территорию и условия землепользования

В соответствии со ст.42 Земельного Кодекса Российской Федерации, землепользователь обязан:

· использовать земельные участки в соответствии с их целевым назначением и принадлежностью к той или иной категории земель и разрешенным использованием способами, которые не должны наносить вред окружающей среде, в том числе земле как природному объекту;

· осуществлять мероприятия по охране земель, соблюдать порядок пользования водными и другими природными объектами;

· своевременно производить платежи за землю;

· соблюдать при использовании земельных участков требования строительных, экологических, санитарно-гигиенических, противопожарных и иных правил, нормативов;

· не допускать загрязнение, захламление, деградацию и ухудшение состояния почв на землях соответствующих категорий.

Рациональное использование земельных ресурсов предусматривает выполнение системы мер, направленных на оптимизацию размещения производственных объектов, их параметров, сроков отчуждения и использования земельных участков. Снижение прямого и косвенного воздействия на земли достигается строгим соблюдением строительных норм и правил, регламентирующих взаимное расположение сооружений и коммуникаций. С целью рационального использования земель проектом предусматривается строительство объектов на ранее отведенной территории, что исключает необходимость в дополнительном изъятии земель. Площади, необходимые для строительства объектов обустройства определены по генпланам сооружений. Площади, необходимые под линейные коммуникации, определены с учетом ширины отвода, необходимой для строительства и эксплуатации объектов и их протяженности.

Предусмотренная проектом реконструкция включает в себя:

· монтаж двух РВС (№ 44, 45) емкостью 20000 м³ каждый с понтонами для приема и хранения товарной нефти;

· ввод в эксплуатацию двух резервных РВС № 08,09 емкостью 10000 м³ каждый под товарную нефть;

· переоборудование насосной станции темных нефтепродуктов;

· расширение существующий двухсторонней ж/д эстакады для слива темных нефтепродуктов на одновременный слив 50 вагоно-цистерн;

· две противопожарные автодороги вдоль нефтесливной эстакады.

Все проектируемые объекты расположены в границах земельного участка ранее отведенного предприятию.

Общая площадь земель, необходимых для строительства объектов, составляет 2,45 гектара.

Строительство объектов нефтебазы приведет к негативному воздействию на земельные участки.

Территория резервуарного парка.

На стадии проведения подготовительных работ на территориях резервуарного парка наибольшее влияние будет оказываться при расчистке строительной площадки, перепланировке поверхности территории. На стадии обустройства территории объектов влияние будет оказываться на рельеф за счет устройства насыпных площадок объектов, обвалования по периметру парка и в пределах одной группы (2 резервуара № 44,45), по периметру одного резервуара № 46.

В результате строительства этих объектов возможны следующие последствия:

· уничтожение первоначальной растительности при расчистке и перепланировке, при движении строительной техники;

· изменение видового состава растительности;

· усиление эрозийных процессов при уничтожении почвенного и растительного покрова на склоновых участках.

Эстакада для слива темных нефтепродуктов.

В результате строительства эстакад и противопожарных автодорог на осваиваемой территории техногенные нарушения земельных угодий будут проявляться на всех стадиях. На стадии проведения подготовительных работ наибольшее влияние будет оказываться при расчистке строительных полос, планировке трасс, строительстве водопропускных сооружений. На стадии проведения земляных работ влияние оказывается при разработке и засыпке траншей, насыпей и площадок под сооружения и объекты, отсыпке земляного полотна автодорог.

В целом на всех объектах почвенно-растительный покров может быть засорен отходами строительного производства.

В связи с тем, что проектируемые объекты расположены в границах ранее отведенного предприятию земельного участка, воздействие на территории смежных землепользователей оказываться не будет, изменения в распределении земель по видам землепользования, землевладельцам и землепользователям не произойдут. Строительство объектов также не приведет к территориальному разобщению земель района и нарушению внутрихозяйственных связей различных землепользователей.

2.1.3 Охрана земель от воздействия объектов

В соответствии со статьей 12 Земельного кодекса Российской Федерации использование земель должно осуществляться способами, обеспечивающими сохранение экологических систем, способности земли быть средством производства в сельском хозяйстве, основой осуществления хозяйственной и иных видов деятельности.

Основной целью охраны земель является предотвращение деградации, загрязнения, захламления, нарушения земель, других негативных воздействий и обеспечение улучшения и восстановления земель, подвергшихся негативным воздействиям хозяйственной деятельности. При использовании земельных участков землепользователь обязан осуществлять комплекс мероприятий по охране земель, который включает в себя:

· рациональное использование территории;

· защиту земель от водной эрозии, уплотнения, загрязнения отходами производства и потребления, химическими веществами;

· рекультивацию нарушенных земель, восстановление полезных свойств земли и своевременное вовлечение их в хозяйственный оборот.

Охрана земель в период строительства и эксплуатации проектируемых объектов обеспечивается комплексами мер по минимизации изымаемых и нарушенных земель, по охране плодородного слоя почвы при его снятии, транспортировке и хранении, по предупреждению химического загрязнения почв, по предотвращению заболачивания, по рекультивации нарушенных земель по окончании строительства.

Использование территории, необходимой для строительства объектов, приведет к изменению рельефа, нарушению параметров поверхностного стока, нарушению земель, нарушению почвенно-растительного покрова, как в границах строительных площадок, так и на прилегающих землях. Изменение свойств почв и грунтов возможны в связи с перепланировкой поверхности территории и созданием новых форм рельефа, загрязнением ее отходами строительства и производства, активизацией природных процессов: эрозией, дефляцией, изменением интенсивности биологического круговорота. Самое значительное влияние при этом оказывается на рельеф, почвенный и растительный покров.

Охрана земель от техногенного воздействия.

По форме проявления воздействие может быть площадным и линейным.

Площадное техногенное воздействие заключается в полном нарушении почвенного и растительного покрова при планировке территорий резервуарного парка, устройстве обвалований по периметру, отсыпке тела площадок и проездов.

Линейное техногенное воздействие на территорию связано с прокладкой коммуникаций, строительством железнодорожных эстакад для слива нефтепродуктов и противопожарных автодорог, движением автотранспорта.

Строительство объектов будет осуществляться на свободной от застройки территории, ранее отведенной предприятию. В этой связи нарушения возникнут в результате:

·проведения землеройных работ по ширине железнодорожных путей эстакад, по площадке резервуарного парка основной промлощадки и на причале, на водоотводных канавах, при строительстве коммуникаций;

· строительства противопожарных автодорог.

В результате механического воздействия на почвенно-растительный покров возможны последствия:

· уничтожение почвенного и растительного покрова при проведении землеройных работ

· изменение видового состава растительности;

· усиление эрозионных процессов при уничтожении естественной растительности на склоновых участках территории.

Охрана земель природоохранного назначения.

К категории земель природоохранного назначения относятся земли:

· водоохранных зон рек и водоемов;

· запретных и нерестоохранных полос;

· лесов, выполняющих защитные функции;

· противоэрозионных, пастбищезащитных и полезащитных насаждений;

· иные земли, выполняющие природоохранные функции.

На землях природоохранного назначения допускается ограниченная хозяйственная деятельность при соблюдении установленного режима охраны этих земель в соответствии с федеральными законами, законами субъектов Российской Федерации и нормативными правовыми актами органов местного самоуправления.

В пределах земель природоохранного назначения вводится особый правовой режим использования земель, ограничивающий или запрещающий виды деятельности, которые несовместимы с основным назначением этих земель.

Район строительства объектов и прилегающие к нему территории не имеют статуса особо охраняемых природных территорий.

К землям природоохранного назначения на территории нефтяного терминала относятся водоохранная зона и прибрежная защитная полоса реки Кузнечиха.

В водоохранной зоне реки Кузнечиха расположен цех причальных сооружений. Причал находится на расстоянии 1,2 км от границы главной промышленной площадки, введен в эксплуатацию в 1978 году. Отпуск нефтепродуктов осуществляется в танкеры по сети технологических трубопроводов.

Территория причальных сооружений оборудована:

· бетонным покрытием с организованным водостоком в приемные колодцы;

· системой канализации с водоотведением стоков на очистные сооружения;

· дренажной системой с установкой контрольных колодцев, предназначенной для очистки грунта от нефтепродуктов в теле причала;

· нефтемусоросборщиком МНМС-80;

· боновыми заграждениями "Анаконда" для установки на водной акватории.

Все остальные объекты нефтяного терминала расположены за пределами водоохранной зоны.

При выборе площадок под объекты основной задачей было минимизировать предполагаемое воздействие объектов на эти территории. В целях минимизации воздействия на эти территории строительство объектов предусмотрено за пределами водоохранных зон водных объектов и их прибрежных защитных полос.

Участки земель в пределах прибрежных защитных полос предоставляются для размещения объектов водоснабжения, водозаборных и гидротехнических сооружений при наличии лицензий на водопользование, в которых устанавливаются требования по соблюдению водоохранного режима.

Охрана земель от захламления и химического загрязнения.

В целях предотвращения захламления территории предприятием организовано 50 площадок временного хранения отходов, из них: 41 открытая и 9 закрытых. Сбор отходов производства и потребления предусматривается в специальные контейнеры с последующим вывозом их на санкционированные свалки.

При эксплуатации объектов вследствие особенностей технологических процессов могут произойти аварийные разливы нефти и сточных вод, что приведет к химическому загрязнению земель, которое из всех видов техногенного воздействия является одним из самых трудно устраняемых. Трудность устранения химических загрязнений возникает не только из-за сложного состава загрязнителя, но и из-за особенностей климата и биологического комплекса. Для уменьшения опасности химического заражения почв проектом предусмотрены следующие мероприятия:

При строительстве:

· сбор строительных отходов в соответствии с проектом по организации строительных работ и вывоз их в места, отведенные для свалок;

· сбор горюче-смазочных жидкостей в специальные емкости и вывоз их с территории строительства;

· соблюдение режима использования территории водоохранной зоны - реки Кузнечиха.

При эксплуатации:

Площадка резервуарного парка:

1. Устройство по периметру групп резервуаров замкнутого земляного обвалования (каре) шириной по верху 0,5 м. Свободный объем обвалованной территории рассчитывается по номинальному объему наибольшего резервуара в группе. Для перехода через обвалование предусмотрены лестницы-переходы. Высота обвалования группы резервуаров принята на 0,2 м выше уровня расчетного объема разлившейся жидкости (10000 м3) - 1,5 метра;

2. Устройство внутренней обваловки между группами резервуаров общей вместимостью 40000 м3 и 20000 м3. Высота внутренней обваловки равна 1,3 м.

. Соединения трубопроводов, прокладываемых внутри обвалования, выполняются на сварке. Для присоединения арматуры допускается применение фланцевых соединений с негорючими прокладками.

. Обустройство в обваловании РВС №46 (причал) дренажного сборного лотка для отвода возможных протечек и промливневого стока через хлопушку в подземную емкость - резервуар стальной горизонтальный подземный объемом 50 м3. Откуда стоки предусмотрено откачивать ас-машиной предприятия с дальнейшим вывозом на очистные сооружения терминала.

Площадки сливоналивных эстакад:

.        Устройство бетонного покрытия площадок с уклоном не менее 2% для стока жидкости в приемные устройства.

2.       Ограждение площадок эстакад по периметру бортиком высотой 0,2.

.        Сбор и отвод ливневых вод с пониженных мест удлиняемой части эстакад и резервуаров для нефти в сеть ливневой канализации через решетки дождеприемных колодцев. Лотки для сбора проливов расположены с внешней стороны железнодорожных путей. В торцах эстакад установлены лестницы. Узел слива масел имеет бетонированное покрытие и оснащен стационарным освещением. Сливоналивные эстакады светлых и темных нефтепродуктов и узел слива масел оборудованы промышленно-ливневой канализацией, стационарным освещением и пожарным инвентарем. Локализация возможных аварийных разливов нефти и нефтепродуктов в соответствии с разработанным на предприятии планом ликвидации аварийного разлива нефти (ПЛАРН) обеспечивается следующими решениями:

· устройство котлована или обвалования в пониженных местах рельефа для сбора нефтепродукта;

· устройство траншеи для отвода нефтепродукта в котлован;

· подготовка площадки для производства аварийно-восстановительных работ;

· удаление нефтепродуктов в ёмкости с помощью специальных насосов;

· снятие загрязненного грунта и вывоз его на специальный полигон для проведения рекультивационных работ;

· в случае выявления локальных загрязнений земель загрязненный нефтепродуктами грунт обрабатывается биопрепаратам "Деворойл" в месте образования;

· засыпка котлована.

Объем котлована или обвалования должен обеспечить прием откачиваемых или сливающихся самотеком нефтепродуктов и определяется из максимальных объемов разлива. Глубина котлована определяется высотой всасывания насосов, которые будут применяться для закачки в емкости собранных нефтепродуктов.

Сгребание загрязненного слоя осуществляется бульдозерами, экскаваторами, автомашинами или тракторами, при невозможности собрать грунт с помощью техники очистку территории производят вручную.

В качестве вспомогательных средств, которые могут задержать распространение нефтепродуктов, используются природные и искусственные сорбенты: торф, песок, ледяная крошка, полимерные материалы.

Для сбора нефтепродуктов в труднодоступных местах, когда применение насосных установок ограничено, предусмотрено применение сорбентов в виде ткани, матов, салфеток. Сбор сорбентов осуществляется вручную, с последующей регенерацией в отжимных устройствах для повторного применения. Одноразовые сорбенты после употребления сжигаются.

Для предупреждения развития эрозионных процессов и заболачивания территорий объектов, а также прилегающих к ним земель, предусматривается:

· устройство с нагорной стороны площадок водоотводных канав;

· укрепление откосов (кроме площадки резервуарного парка) насыпных площадок посевом многолетних трав.

Охрана и рациональное использование почвенного слоя

При эксплуатации нефтебазы для почв наибольшую опасность представляет химическое заражение. В нефтяном загрязнении почв выделяется несколько этапов, обусловленных разной степенью преобразования составляющих нефть углеводородов [7]. Вначале происходят процессы физико-химического разрушения, дегазации и ультрафиолетовой деструкции. Происходят рассеивание нефтяных компонентов в почвенно-грунтовом пространстве и испарение легких фракций. В результате оставшаяся нефть подвергается структурным изменением. Преобладающими становятся тяжелые фракции, содержащие в своём составе смолисто-асфальтеновые компоненты, которые в свою очередь из-за своей большой вязкости и плотности, препятствуют процессам влаго- и газообмена в почвах, что приводит к изменению физических свойств почв и грунтов. Учитывая длительность разложения нефти в естественных условиях, особенно в условиях Крайнего Севера, охрана почвенного слоя является одной из приоритетных задач в вопросе охраны земельных ресурсов на нефтяном терминале.

Почвенный слой является ценным природным ресурсом, который при ведении строительных работ, прокладке линий коммуникаций и всех других видах работ, приводящих к нарушению и снижению свойств почвенного слоя, подлежит снятию, перемещению в резерв с дальнейшим использованием для рекультивации земель или землевания.

Снятие почвенного слоя предусмотрено с территории, занимаемой проектируемыми объектами, при проведении вертикальной планировки.

Места с предполагаемым сильным нарушением почвенного покрова (полное уничтожение верхнего плодородного слоя) имеют весьма ограниченное распространение. Это относится в первую очередь к стройплощадкам, на которых возводятся объекты. Для сохранения плодородного слоя на данных участках при строительстве предусмотрено его предварительное снятие, складирование и последующее нанесение на спланированные участки после прохождения строительного потока.

По окончании строительства предусмотрено использование плодородного слоя при проведении озеленения территории.

 

.2 Влияние на атмосферу


Загрязнение атмосферного воздуха на территории Архангельского терминала происходит вследствие:  выбросов ЗВ из технологических установок; сварочных работ и механической обработки металлов; работы транспортных средств; испарения нефтепродуктов через неплотности фланцевых соединений технологических трубопроводов; испарения лёгких фракций из резервуарных парков (дыхания резервуаров); испарения легких фракций при аварийных разливах нефти.

 

.2.1 Краткая характеристика климатических условий района расположения терминала

По климатическим условиям район терминала относится к континентальному, с длительной умеренно-суровой зимой и коротким прохладным летом. Основные метеорологические характеристики района расположения терминала приведены в таблице 2.1 по многолетним данным метеостанции Архангельск.

Таблица 2.1 - Климатические характеристики района расположения терминала

Наименование показателя

Единица измерения

Величина показателя

Средняя температура воздуха наиболее холодного месяца

˚С

-13

Средняя максимальная температура воздуха самого жаркого месяца

˚С

21

Повторяемость направлений ветра:



С

%

10

СВ

%

7

В

%

11

ЮВ

%

20

Ю

%

15

ЮЗ

%

11

З

%

13

СЗ

%

13

Штиль

%

3

Преобладающими ветрами зимой являются ветры южного и юго-восточного направлений, весной и летом - северного и северо-западного

Наибольшая скорость ветра, превышение которой в году для данного района составляет 5%

м/с

6,9


Таблица 2.2 - Коэффициенты для расчетов загрязнения атмосферы

Характеристика

Обозначение и размерность

Величина

Коэффициент температурной стратификации атмосферы

А

160

Коэффициент учета рельефа местности

Кр

1


Коэффициент учета рельефа местности Кр принимается равным 1, так как перепад отметок местности не превышает 50 м на 1 км.

2.2.2 Характеристика фонового уровня загрязнения атмосферного воздуха

Наличие загрязняющих веществ в воздухе влияет на режимы выбросов в атмосферу. Высокая фоновая концентрация загрязняющих веществ может привести к установлению весьма жёстких нормативов природопользования и в первую очередь предельно-допустимых выбросов (ПДВ), достижение которых связано с существенными технологическими трудностями предприятия, а то и совсем окажется невозможным.

Значения, принятые для расчетов приземных концентраций, представлены в таблице 2.3 При этом учтены условия расположения поста (большое количество источников выброса в районе поста, влияющих на результаты наблюдений), а также взаимное месторасположение поста и терминала (терминал находится севернее поста и удален от территории с большим скоплением источников воздействия на воздушный бассейн на расстояние более 1,5 км). По остальным загрязняющим веществам фоновые концентрации приняты равными нулю.

Таблица 2.3 - Фоновый уровень загрязнения атмосферного воздуха

Загрязняющее вещество

Концентрация, мг/м3

Диоксид азота

0,049

Диоксид серы

0,009

Сероводород

0,003

Оксид углерода

1,618

Бенз (а) пирен

0,0053

Металлы (г/м3)

Железо

4,989

Марганец

0,002

Свинец

0,001


Данные о фоновых концентрациях загрязняющих веществ для Архангельской нефтебазы предоставлены Архангельским ЦГМС-Р по результатам наблюдений на посту №6 за период 1998-2002 г.

2.2.3 Воздействие на атмосферный воздух и характеристика источников выбросов загрязняющих веществ

При эксплуатации терминала источниками загрязнения атмосферы являются резервуарный парк, технологические объекты приема и отпуска нефтепродуктов (насосные, АСН, причальные сооружения), котельная, станки и механизмы ремонтно-строительного и автотранспортного цехов, очистные сооружения. Кроме того, в непосредственной близости от территории терминала располагается АЗС-59 ОАО "НК "Роснефть-Архангельскнефтепродукт", и оборудование для отпуска нефтепродуктов, которые также являются источниками выбросов. При рассмотрение вопроса о выбросах в атмосферу все узлы и агрегаты нефтебазы принимаются единым блоком.

В качестве критерия оценки качества атмосферного воздуха, в основном, используются предельно-допустимые концентрации (ПДК) и ориентировочно - безопасные уровни воздействия (ОБУВ) - загрязняющих веществ в воздухе населённых мест [12]. В таблице 2.4 приведены ПДК для загрязняющих веществ, которые поступают в атмосферу при эксплуатации нефтебазы. Можно отметить, что ПДК максимально разовая (ПДК м/р) используется для разработки предельно-допустимых выбросов (ПДВ), а ПДК среднесуточная (ПДК с/с) - для оценки степени загрязненности воздуха при ведении мониторинга его состояния.

Таблица 2.4 - Перечень загрязняющих веществ выбрасываемых в атмосферу

Код вещест- ва

Наименование вещества

Исполь-зованный критерий

Значение критерия, мг/м3

Класс опас - ности

Выброс вещества, г/с

Выброс вещества, т/год

1

2

3

4

5

6

7

110

Ванадия пятиокись

ПДК с/с

0,0020000

1

0,096000

2,4120

123

Железа оксид

ПДК с/с

0,0400000

3

0,007060

0,0525

143

Марганец и его соединения

ПДК м/р

0,0100000

2

0,000150

0,0026

184

Свинец и его соединения

ПДК м/р

0,0010000

1

0,000058

0,0000

304

Азот (II) оксид

ПДК м/р

0,4000000

3

0,370850

9,4153

322

Серная кислота

ПДК м/р

0,3000000

2

0,001170

0,0003

328

ПДК м/р

0,1500000

3

0,355129

9,0155

330

Сера диоксид

ПДК м/р

0,5000000

3

16,449983

420,0009

333

Сероводород

ПДК м/р

0,0080000

2

0,011175

0,0300

337

Углерод оксид

ПДК м/р

5,0000000

4

3,134994

74,1738

415

Углеводороды пре-дельные С1-С5

ОБУВ

50,0000000

4

101,875928

757,0313

416

Углеводороды пре-дельные С6-С10

ОБУВ

30,0000000

4

62,338311

575,4565

501

Амилены

ПДК м/р

1,5000000

4

2,178034

0,1451

602

Бензол

ПДК м/р

0,3000000

2

4,256230

35,9748

616

Ксилол

ПДК м/р

0, 2000000

3

2,430220

26,7461

621

Толуол

ПДК м/р

0,6000000

3

4,449475

39,3606

627

Этилбензол

ПДК м/р

0,0200000

3

0,030759

0,0033

703

Бензапирен

ПДК м/р

0,0000010

1

0,000006

0,0002

2704

Бензин нефтяной

ПДК м/р

5,0000000

4

0,046616

0,0130


Контроль за выбросами в атмосферный воздух производится аттестованной лабораторией нефтебазы.

2.2.4 Мероприятия по уменьшению выбросов загрязняющих веществ в атмосферу

Основным источником загрязнения атмосферы на территории терминала являются резервуары. Выброс лёгких фракций нефти из резервуаров происходит при больших и малых "дыханиях".

Процесс опорожнения и наполнения товарного резервуара нефтью, сопровождающийся вначале впуском воздуха в газовое пространство (ГП) резервуара, а затем выбросом газо-воздушной смеси в атмосферу, называется большим "дыханием".

Малые "дыхания" товарного резервуара получаются в результате впуска воздуха и выпуска газо-воздушной смеси через дыхательный клапан при изменении температуры и давления в течение суток.

В настоящее время для борьбы с выбросами в атмосферу углеводородов, хранящихся в резервуарах, рекомендуется применять плавающие крыши понтоны, в которых газовое пространство сведено к минимуму. Плавающие на поверхности нефти крыши почти полностью устраняют газовое пространство резервуаров и таким образом предотвращают потери лёгких фракций нефти от малых и больших "дыханий". Плавающие крыши изготавливают из металла и пластмассы. Применение плавающих крыш наиболее эффективно на резервуарах, работающих с большим коэффициентом оборачиваемости, к таковым относятся все без исключения резервуары нефтебазы. Эксплуатация резервуаров, оборудованных понтонами, должна осуществляться только при положении понтона "на плаву".

В целом же организационные мероприятия по уменьшению выбросов загрязняющих веществ в атмосферу включают:

· организацию работы котельной в строгом соответствии с режимной картой;

· предотвращение проливов ГСМ;

· контроль и обеспечение герметичности резервуаров хранения, систем перекачки и транспортировки нефтепродуктов;

· диспетчерский контроль за технологическими и вспомогательными процессами.

Мероприятия по регулированию выбросов загрязняющих веществ при неблагоприятных погодных условиях.

Загрязнение приземного слоя воздуха, создаваемое выбросами предприятий в большой степени зависит от метеорологических условий. В периоды, когда метеорологические условия способствуют накоплению вредных веществ в приземном слое атмосферы, необходимо своевременное сокращение выбросов вредных веществ. В зависимости от ожидаемого уровня загрязнения атмосферы подразделениями Госкомгидромета составляются предупреждения трех степеней, которым соответствуют три режима работы предприятий в периоды неблагоприятных метеорологических условий.

Для первого режима регулирования выбросов осуществляются организационно-технические мероприятия, эффективность которых принимается равной 15 %:

· усиление контроля за точным соблюдением технологического регламента производства;

· усиление контроля за работой контрольно-измерительных приборов и автоматики;

· усиление контроля за герметичностью оборудования;

· запрещение продувок и очистки оборудования;

· усиление контроля за режимом горения, поддержания избытка воздуха при сжигании топлива на уровне, устраняющем условия образования недожига.

При втором режиме сокращение выбросов должно составлять в дополнение к первому режиму не менее 20 %, при третьем режиме - не менее 40 %.

В составе объектов терминала выброс загрязняющих веществ, создающих наибольшие приземные концентрации на границе зоны жилой застройки, осуществляется котельной, ремонтно-строительным и автотранспортным цехом.

2.2.5 Расчет приземных концентраций загрязняющих веществ

Для оценки степени загрязнения атмосферного воздуха выбросами

загрязняющих веществ, образующихся при эксплуатации Архангельского нефтяного терминала ОАО "НК "Роснефть - Архангельскнефтепродукт" на существующее положение и при проектных показателях работы, выполнены расчеты рассеивания вредных веществ в приземном слое атмосферы. Расчеты выполнены при полной нагрузке и проектных показателях работы оборудования. С целью оптимизации расчетов группы одноцелевых резервуаров объединены в площадные объекты.

Расчет приземных концентраций выполнен с использованием следующих исходных данных:

· метеорологических характеристик района (таблица 2.1);

· коэффициентов, определяющих условия рассеивания загрязняющих веществ в атмосфере (таблица 2.2);

· фоновых концентраций (таблица 2.3);

· параметров источников выбросов;

· генеральных планов промышленных площадок.

В соответствии с постановлением Госкомсанэпиднадзора (1992) на территории России действуют 53 сочетания веществ, которые обладают суммарным действием при совместном присутствие в атмосферном воздухе. В этом случае сумма отношений их концентраций Сi к ПДКi не должна превышать единицы при расчете по формуле (2.1):

 (2.1)

По этой формуле возможно установить пределы допустимого уровня загрязнения атмосферного воздуха для ингредиентов, обладающих эффектом неполной суммации (К<1) или эффектом потенцирования - взаимного усиления действия друг друга при совместном присутствии (К>1). Результаты расчетов рассеивания представлены в таблице 2.5.

Таблица 2.5 - Результаты расчетов приземных концентраций загрязняющих веществ

Загрязняющее вещество, группа суммации

Класс опасности

ПДКм. р. (ОБУВ) в воздухе населенных мест

Расчетная максимальная концентрация в долях ПДК*

Концентрация на границе жилой зоны в долях ПДК*

Азот (IV) оксид

2

0,085

0,78

0,76

Сера диоксид

3

0,50000

0,38

0,38

Углерод оксид

4

5,00000

0,33

0,33

Углеводороды предельные С1-С5

4

50,000

1,36/0,97

0,08

Углеводороды предельные С6-С10

4

30,000

0,73/0,49

0,05

Амилены

4

1,5000

10,88/6,01

0,29/0,15

Бензол

2

0,3000

7,06/4,83

0,46

Ксилол

3

0, 2000

1,16/1,0

0,09/0, 19

Толуол

3

0,6000

3,08/2,02

0,21

Этилбензол

3

0,0200

2,73/1,86

0,18

Бензапирен

1

0,000001

0,53

0,53

Масло минеральное

0

0,0500

0,31/0,30

0,07/0,08

Углеводороды предельные С12-С19

4

1,00000

0,46/0,48

0,17

Пыль древесная

0

0,1000

0,47

0,07

Группа суммации: 6009



1,03

1,00

Группа суммации: 6018



0,43

0,43

Группа суммации: 6034



0,38

0,38

Группа суммации: 6041



0,38

0,38

Группа суммации: 6043



0,62

0,62


В числителе приведено значение на существующее положение, в знаменателе - по проектным решениям. В случае одинаковых приземных концентраций приведено одно значение.

По результатам расчетов максимальные приземные концентрации по углеводородам предельным С1-С5, амиленам, бензолу, ксилолу, толуолу, этилбензолу и группе суммации 6009 превышают ПДК. Однако зоны повышенных концентраций расположены в пределах промышленной площадки, и уже на расстоянии 100-150 м от источников выбросов снижаются до ПДК.

Максимальные приземные концентрации пятиокиси ванадия, оксида железа, марганца и его соединений, оксида азота, серной кислоты, сажи, спирта н-бутилового, уайт-спирита и группы суммации 6017 составили менее 0,1 ПДК. На границе зоны жилой застройки создаваемые приземные концентрации, не превышают ПДК ни по одному загрязняющему веществу.

2.2.6 Методы и средства контроля за состоянием воздушного бассейна

Контроль за соблюдением нормативов ПДВ непосредственно на источниках выброса включает определение следующих параметров:

· температура;

· влажность;

· объём отходящих газов;

· скорость газового потока;

· концентрация загрязняющего вещества.

На первом этапе работ по организации контроля за соблюдением нормативов ПДВ определяются категории источников выбросов по каждому вредному веществу. При определении категории выбросов рассчитываются параметры  и , характеризующие влияние выброса j-го вещества из k-го источника на загрязнение воздуха прилегающих к предприятию территорий, по формулам:

, (2.2)

, (2.3)

где - максимальная по всем режимам выброса величина выброса данного вещества, г/с;

 - максимально разовая предельно допустимая концентрация, а при её отсутствии другие критерии качества воздуха, мг/м3;

 - максимальная по всем режимам выброса и метеоусловиям (скоростям и направлениям ветра) расчётная приземная концентрация данного (j-го) вещества, создаваемая выбросом из рассматриваемого (k-го) источника на границе санитарно - защитной зоны (СЗЗ) или ближайшей жилой застройки, в долях ;

 - средний эксплуатационный коэффициент полезного действия пылегазоочистного оборудования, %;

Нк - высота источника, для отдалённых источников при Нк < 10 м принимается Нк = 10 м.

В случае, если все источники на предприятии являются наземными и низкими, т.е. высота выброса не превышает 10 м (выбросы могут быть как организованными, так и неорганизованными), значение Нк принимается равной фактической высоте выброса.

Определение категории "источник - загрязняющее вещество" выполняется исходя из следующих условий:

1 категория - одновременно выполняются неравенства:  > 0,1 и > 0,5;

категория - одновременно выполняются неравенства:  > 0,01 и < 0,5 и для рассматриваемого источника разработаны мероприятия по сокращению выбросов данного вещества в атмосферу;

категория - одновременно выполняются неравенства:  > 0,01 и < 0,5 и за норматив ПДВ принимается значение выброса на существующее положение;

категория - если одновременно выполняются неравенства:  < 0,01 и < 0,5 и за норматив ПДВ принимается значение выброса на существующее положение.

Исходя из категории сочетания "источник - загрязняющее вещество" устанавливается следующая периодичность контроля за соблюдением нормативов ПДВ для каждого сочетания.

1 категория - 1 раз в квартал, при каждом режиме выброса из источника, учтённом при разработке нормативов ПДВ.

категория - 2 раза в год, при каждом режиме выброса из источника, учтённом при разработке нормативов ПДВ.

категория - 1 раз в год, при каждом режиме выброса из источника, учтённом при разработке нормативов ПДВ.

категория - 1 раз в 5 лет, при каждом режиме выброса из источника, учтённом при разработке нормативов ПДВ.

Кроме того, в число обязательно контролируемых веществ должны быть включены оксиды азота, сернистый ангидрид и оксид углерода.

2.2.7 Определение размеров санитарно-защитной зоны (СЗЗ)

Основные правила установления границ санитарно-защитной зоны (СЗЗ) сформулированы в САНПИН 2.2.1/2.1.1.1200-03 "Санитарно-защитные зоны и санитарная классификация предприятий, сооружений и иных объектов". Санитарно-защитная зона (СЗЗ) предназначена для создания санитарно-защитного барьера между территорией предприятия и территорией жилой застройки.

В соответствии с проектом ПДВ, для ОАО "НК "Роснефть-Архангельскнефтепродукт" размер санитарно-защитной зоны принят равным 200 м. Основания принятого решения:

. В соответствии со СНиП 2.11.03-93 "Склады нефти и нефтепродуктов", минимальное расстояния от зданий и сооружений складов нефти и нефтепродуктов до жилых и общественных зданий следует принимать для складов 1 категории (к которому относится Архангельский терминал) равным 200 метров.

. Терминал введен в эксплуатацию в 1978 году, по проекту СЗЗ принята равной 200 м, что соответствовала действующим на тот момент нормативно-методическим документам. Поскольку терминал расположен в населенном пункте Талаги со сложившейся жилой застройкой, применение в таком случае нормативной СЗЗ установленной САНПИН 2.2.1/2.1.1.1200-03 не представляется возможным.

Исходя из вышеизложенного и на основании результатов расчета загрязнения атмосферы, дана оценка достаточности размера фактической СЗЗ. На границе СЗЗ предусматривается проведение контроля качества воздуха.

Граница санитарно-защитной зоны нанесена на ситуационную карту-схему (рисунок 2).

Рисунок 2 - Ситуационная карта-схема расположения площадок терминала

2.3 Влияние на гидросферу


Загрязнение и ухудшение качества поверхностных и подземных вод, нарушение режима водных объектов, находящихся в непосредственной близости от нефтяного терминала, происходят вследствие:

· сброса сточных вод и ливневых стоков с промышленных площадок;

· аварийных разливов нефти;

· производства дноуглубительных работ в прибрежной зоне;

· взмучивания осадков гребными винтами танкеров и обслуживающего флота терминала;

· изменения рельефа и нарушения целостности почвенно-растительного покрова.

Во время работ, связанных с касанием морского и речного дна, происходит взмучивание осадков, следствием чего является резкое повышение концентрации в

воде, иногда в десятки и сотни раз по отношению к фоновым, взвешенных веществ.

Для различных видов гидробионтов порог опасных концентраций взвешенных веществ колеблется в пределах от десятков мг/л до нескольких г/л [5]. Наибольшую выживаемость в этих условиях проявляют донные организмы - более 80 % даже при концентрациях взвеси в воде 50 мг/л. Высокая выживаемость и у водорослей, а вот для рыб массовая гибель наступает при концентрациях 0,5 мг/л.

Сбрасывание в водные объекты сточных вод, при неполной их очистке, может привести не только к ухудшению качественных показателей, но и сделать водоёмы полностью непригодными для обитания в них флоры и фауны и употребления воды. Во время сильных дождей происходит смыв загрязняющих веществ с промышленной площадки - нефтеналивного причала, а так же с танкеров и вспомогательных судов, стоящих на рейде или непосредственно у причала. Уровень ухудшения качества воды зависит от объёмов и состава загрязнителей и, как и при сборе неочищенных сточных вод, может превысить ПДК по целому ряду показателей.

Нефть и нефтепродукты, попадая в водную среду, очень быстро перестают существовать как исходные субстраты. Почти все компоненты сырой нефти и её фракций имеют плотность менее 1 г/см3, и большинство из них в той или иной мере переходят в растворенное состояние. Одновременно происходит процесс испарения легколетучих фракций.

В среднем лишь около 1…3 % (иногда до 15 %) сырой нефти растворяется в воде, тогда как испаряется от 10 до 40 % [11]. В водной среде нефть может состоять в нескольких агрегатных состояниях, а именно:

· поверхностные плёнки (слики);

· растворенные формы;

· эмульсии ("нефть в воде" и "вода в нефти");

· взвешенные формы (плавающие на поверхности и в толще воды мазутно-нефтяные агрегаты, сорбированные на взвесях нефтяные фракции);

· осажденные на дне твёрдые и вязкие компоненты.

Нефтепродукты другого состава в водной среде могут находиться в одной или сразу в нескольких из вышеперечисленных форм.

Течениями и волнами нефть выбрасывается на берег, где абсорбируется слагающими его породами. Учитывая низкую самовосстанавливающую способность нашей северной экосистемы, нефть на берегу может быть обнаружена даже по истечении многих лет, и служить источником вторичного загрязнения.

Из всего вышеперечисленного следует, что охрана водных объектов, как на основной, так и прилегающих к нефтебазе территориях, является одним из главных экологических вопросов, рассматриваемых при эксплуатации Архангельского нефтеналивного терминала.

2.3.1 Характеристика современного состояния водных объектов

Обилие поверхностных вод и сильная заболоченность типичны для этого края. Избыточные воды застаиваются в замкнутых впадинах, насыщают грунты или стекают в море многочисленными реками. Питаются реки в основном талыми снеговыми водами, весной сильно разливаются. Спад весенних вод затягивается из-за значительной залесенности их бассейнов. Высокой заболоченностью (до 25%) отличаются северные районы и бассейн Онеги, что связано с равнинностью территории, слабым дренажем и наличием водоупорных глин ледникового происхождения.

Проток Кузнечиха - второй по величине и значимости проток дельты реки Северная Двина. Кузнечиха окаймляет дельту справа и является ее восточной границей. Начинается этот проток у города Архангельск ответвлением от Корабельного рукава. С коренного правого берега в Кузнечиху впадают небольшие реки - Юрас, Лодьма, Ижма и другие. С левого берега около истока Кузнечихи отходит Соломбалка и примыкают кутовые речки Хаторица и Ваганиха.

Русло Кузнечихи умеренно извилистое, слабо разветвленное. Острова расположены около истока в средней части и вблизи его устья. Длина Кузнечихи составляет 25 км, ширина русла - 300-500 м, местами уменьшается до 200 м. Наибольшая ширина составляет 800 м (в 4-х км от истока). Берега низменные, пойменные, то луговые, то поросшие болотистым лесом.

Кузнечиха - водоем I - й категории водопользования. Ихтиофауна реки: язь, лещ, плотва, окунь, ерш, налим, пескарь, по большой воде заходит сиг и стерлядь. Самый маловодный проток дельты. При среднем годовом расходе воды реки Северная Двина 3330 м3/сек по Кузнечихе протекает всего 170 м3/сек (около 4%). Наибольший расход воды в Кузнечихе может быть более 3000 м3/сек, наименьший - около 12 м3/сек.

Наблюдения за химическим составом воды протоки Кузнечиха в районе причальных сооружений нефтеналивного терминала Архангельский ЦГМС-Р не осуществляет. Поэтому данные по гидрохимическому составу водотока приведены по результатам ведомственного производственного контроля, осуществляемого согласно утвержденной схеме лабораторного контроля (таблица 2.4). Точка отбора - насосная причала (технический водоза-бор). Частота отбора - 1 раз в месяц. Пробы разовые. Данные приведены в усреднённом варианте.

Таблица 2.4 - Фоновый химический состав воды в р. Кузнечиха

Наименование показателя

2000 г.

2001 г.

2002 г.

2003 г.

ПДК рыбохозяйственного водоема

рН

7,2

7,4

7,58

7,4

6,5-8,5

Взвешенные вещества, мг/дм3

23,73

12,43

13,87

14,13

+0,75 к фону

БПК20, мг/дм3

4,4

4,6

3,23

6,26

3,0

ХПК, мг О2/дм3

157,2

145,4

84,11

54,22

-

Сульфаты, мг/дм3

57,65

236,1

64,31

42,14

100,0

Хлориды, мг/ дм3

541,9

149,3

155,7

24,84

300,0

Сухой остаток, мг/дм3

1129

908,5

535,8

252,1

1000,0

Нефтепродукты, мг/ дм3

0

0

0,05

0,12

0,05


Как видно из приведенных данных химический состав водотока по сухому остатку, хлоридам и сульфатам не постоянен, что связано с приливно-отливными явлениями и влиянием соленых вод Белого моря. ХПК также колеблется в широких пределах.

Река Юрас - проток реки Северная Двина. Вытекает из основного русла р. Северной Двины в районе п. Уйма и впадает в рукав Кузнечиху на 17 км от устья. Длина водотока 28 км.30-ти дневный расход (95%) - 0,06 м3/сек. Водоем I категории водопользования. Ихтиофауна реки: язь, лещ, плотва, окунь, ерш, налим, пескарь, по большой воде заходит сиг и стерлядь. В пойме реки Юрас нерестятся плотва, окунь, ерш, лещ. В русле реки Юрас и ее притоках Юяда и Сяда нерестится язь. В нижнем течении Юраса по большой воде заходит молодь корюшки.

В месте выпуска сточных вод предприятия в Юрас (1 км от устья)

нагуливаются все представители туводных рыб (окунь, язь, плотва, ерш, лещ).

Мест нереста нет.

Река Проезд (Волжановка). Ширина реки от 5 до 15 м, средняя глубина - 1,2 м.30-ти дневный расход (95%) - 3,5 м3/сек. Река Проезд - водоем II категории водопользования. Обитает в ней плотва, окунь, ерш, язь. В реку из Кузнечихи заходит на нерест язь.

В целом, учитывая всю важность имеющегося водного хозяйства, пользование водными ресурсами Архангельским нефтеналивным терминалом происходит в сочетании с полным комплексом мероприятий по защите от негативного воздействия на гидросферу. Об этом ниже.

2.3.2 Водопотребление терминала

Любой промышленный объект в процессе строительства, а затем эксплуатации потребляет определенное количество чистой воды, а также сбрасывает очищенные, условно чистые или неочищенные сточные воды в окружающую среду.

ОАО "НК "Роснефть-Архангельскнефтепродукт" осуществляет забор воды для промышленных и хозяйственно-бытовых нужд из двух источников:

· из городского водопровода (водопроводные сети МП "Водоканал");

· из протоки Кузнечиха (собственный технический водозабор).

Система водоснабжения нефтебазы - прямоточная, весь объем воды, потребляемый для основных и вспомогательных производственных процессов, а также для хозяйственно-бытовых нужд обеспечивается свежей водой.

Источником водоснабжения для хозяйственно-бытовых нужд и обеспечения некоторых технологических процессов является городской водопровод.

Источником водоснабжения производственных нужд является протока Кузнечиха. Техническая вода используется для получения пара и регенерации фильтров котельных, промывки резервуаров, трубопроводов, бочек, очистных сооружений, гидравлических испытаний технологических трубопроводов, резервуаров и для противопожарных целей.

Химический состав протоки Кузнечиха по сухому остатку, хлоридам

и сульфатам не постоянен, что связано с изменением гидрологической обстановки при нагонных северо-западных ветрах. Соленая морская вода поднимается до района Соломбалы. Данные химических анализов речной воды из технического водозабора свидетельствуют о превышении содержания хлоридов (до 2193,5 мг/дм3), сульфатов (до 2261,0 мг/дм3) и сухого остатка (до 5391,0 мг/дм3) выше допустимых норм для эксплуатации котельных. В целях недопущения аварийных ситуаций и обеспечения устойчивого теплоснабжения объектов нефтебазы производится разбавление технической воды в период сильных нагонных ветров хозяйственно-питьевой водой, получаемой из систем городского водопровода.

Система водоподготовки котельной состоит из: фильтров механических, фильтров натрий-катионитных и деаэратора.

Предприятием осуществляется первичный учет использования вод, который предусматривает измерение, обработку и регистрацию по установленным формам количественных и качественных характеристик забора и сброса воды.

Расход воды постоянный, за исключением летних месяцев, когда водопотребление снижается в связи с окончанием отопительного сезона и снижением потребности в теплоэнергии для технологических нужд.

2.3.3 Водоотведение терминала

Количественная характеристика сточных вод.

В процессе хозяйственной деятельности предприятия образуются следующие виды сточных вод:

· подтоварные воды - стоки, образующиеся за счет влаги, поступающей из воздуха в процессе "дыхания" резервуаров;

· балластные, подсланевые воды, поступающие от нефтеналивных судов;

· фильтрационные утечки вредных веществ из емкостей, трубопроводов и других сооружений;

· атмосферные воды - дождевые и талые воды, образующиеся в период выпадения осадков (дождей), таяния снега на обвалованных территориях

резервуарных парков, на сливно-наливных эстакадах, производственных площадях;

· дренажные воды, образующиеся при откачке загрязненных грунтовых вод с тела причала.

На балансе предприятия находятся два выпуска сточных вод:

· Выпуск № 1 - водоотведение сточных вод в р. Проезд после физико-химической очистки совместно со сточными водами после биологической очистки (Талажская сельская администрация и Психиатрическая больница №1).

· Выпуск № 2 - водоотведение сточных вод от южного промышленного узла через систему нефтяных ловушек. Выпуск осуществляется в р. Юрас по дренажной канаве длиной порядка 4 км. Совместно со сточными водами предприятия в данную дренажную канаву поступают неочищенные хозяйственно-бытовые сточные воды от психиатрической больницы № 2, ливнесток с производственной территории ЗАО "Архангельскгеологоразведка" и стоки исправительной колонии.

Учет очищенных на очистных сооружениях промышленных сточных вод, включающих подтоварные, производственные, балластные, подсланцевые, атмосферные, и дренажные воды, ведется по производительности насоса (160 м3/час), который перекачивает воду из прудов отстоя в КНС №58. Количество отводимых сточных вод через выпуск № 2 определен расчетным методом.

Объем водоотведения согласно индивидуальным нормам водоотведения за последние четыре года представлен в таблице 2.5.

Таблица 2.5 - Объём водоотведения терминала

Наименование стоков

Расчетный расход

Фактический расход, м3/год


м3/сут

м3/год

2000 г.

2001 г.

2002 г.

2003 г.

Выпуск № 1 р. Проезд

Балластные

548,0

200000

0,0

0,0

324

0,0

Льяльные

137,0

50000

1550

4082,6

6958,3

67

Подтоварные воды

9,3

3400

-

-

-

-

Атмосферные осадки

300,0

109500

-

-

-

-

Дренаж тела причала

13,9

5074

921

889

825

221

Итого

1008,2

368000

111711

157215,8

172968,1

70300

Хозяйственно-бытовые сточные воды предприятия

30,0

10950

210595,6

245113,3

2010,0

1273

Хозяйственно-бытовые стоки жилого посёлка

450,0

164502

37133

20637,9

98044,0

36700,0

Стоки ОПБ №1

227,0

82855

51674,08

53299

41525

18800,0

Всего

1715,2

626055

411113,7

476266

314547,1

127073

Выпуск № 2 р. Юрас

Условно чистые воды от котельной

197,8

72197

3810,0

25781

38154,0

11000

Ливнесток через нефтеловушки №1 и №2

3,79

11380

11380

11380

11380

2850

Всего

201,59

83577

15190

37161

49534

13850


Планируемое увеличение водоотведения составит 6300 м3/год промышленных сточных вод с каре резервуарных парков, вводимых в эксплуатацию резервуаров №08,09 и строящихся №44,45,46 и 6700 м3/год с реконструируемых эстакад.

Смыв случайных протечек на участке железнодорожной эстакады осуществляется разогретым паром с последующим поступлением сточных вод в приёмные лотки существующей сети производственной канализации, далее на очистные сооружения физико-химической очистки сточных вод.

Как уже говорилось, водоотведение промышленного стока осуществляется через выпуск №1 в реку Проезд. Проектная мощность очистных сооружений физико-химической очистки составляет 8260 м3/сут. Фактически объём водоотведения за период с 2000 по 1 полугодие 2003 годов колебался от 306 до 474 м3/сут. Максимальный расчетный объём водоотведения составлял 1008,2 м3/сут, с учетом реконструкции максимальный расчетный объём водоотведения составит 1750,8 м3/сут и 639055 м3/год. Таким образом, имеющаяся мощность очистных сооружений достаточна для очистки промышленных сточных вод, которые будут образовываться с учетом проектируемой реконструкции предприятия.

Качественная характеристика сточных вод.

Реки Юрас и Проезд являются притоками р. Кузнечиха. В соответствии со схемой лабораторного контроля за работой очистных сооружений, аттестованной лабораторией предприятия производится наблюдение за фоновым составом рек и расчетным створом (влияние сточных вод предприятия на реки Юрас и Проезд в 500 м ниже и выше сброса сточных вод).

Качественная характеристика очищенных производственных сточных вод, сбрасываемых в р. Проезд приведена в таблице 2.6.

Таблица 2.6 - Качественная характеристика сточных вод

Наименование показателя

Средне-годовая концентрация загрязняющих веществ в точке выхода очищенных промстоков с прудов допотстоя в р. Проезд, мг/дм3

Среднее содержание загрязняющих веществ в р. Проезд, в месте сброса сточных вод, мг/дм3

Установленный лимит, мг/дм3

Среднее содержание загрязняющих веществ в р. Проезд, в 500 м ниже сброса сточных вод, мг/дм3

Среднее содержание загрязняющих веществ в р. Проезд, в 500 м выше сброса сточных вод, мг/дм3

Нефтепро-дукты

0,4

0,06

0,038

0,08

0,07

Сульфаты

41,94

20,2

37,13

24,2

32,3

Сухой остаток

800,42

360,0

368,72

308

302

БПКп

33,46

6,2

22,3

4,9

4,7

Хлориды

333,64

118,5

41,45

132,6

121,6

Фосфаты

0,1

0,24

-

0, 19

0,24

Азот аммонистый

0,95

0,98

0,83

0,9

1,02

Азот нитратный

0,13

0,17

0,158

0,16

0,17

Азот нитритный

0,01

0,007

0,0639

0,007

0,008

Взвешенные вещества

17,42

19,8

28,06

19,8

20,2

АПАВ

1,93

0*

59,68

0*

0*

ТЕС

0,0

0

-

0

0

 

* - ниже предела обнаружения

Анализируя приведенные данные, можно сделать вывод, что в целом водоотведение сточных вод после очистных сооружений физико-химической очистки в реку Проезд осуществляется в пределах установленных лимитов, за исключением таких показателей как хлориды, азот нитратный, азот аммонистый, и нефтепродукты.

Превышение сброса по хлоридам объясняется установленными низкими лимитами, как по данному веществу, так и по сухому остатку. ПДК рыбохозяйственного водоема по хлоридам составляет 300 мг/дм3, лимит же сброса установлен 41,45 мг/дм3. ПДК по сухому остатку 1000 мг/дм3, существующий лимит - 368,72 мг/дм3.

Превышение сброса по нефтепродуктам отмечено в 2002-2003 годах, т.е. в период увеличения интенсивности перевалки нефтепродуктов, по отношению к предыдущим годам. Но необходимо отметить, что лимит по вышеназванному ингредиенту (0,038 мг/дм3) установлен ниже ПДК рыбохозяйственного водоёма (0,05 мг/дм3).

Рассматривая же в целом качество реки Проезд в контрольных точках (в 500 м ниже и выше сброса сточных вод) можно сделать вывод, что негативнее влияние производственных сточных вод нефтебазы хоть и незначительно, но всё же вызывает опасение, в связи с будущими планами по увеличению объема переваливаемого через нефтебазу продукта.

2.3.4 Причальные сооружения

Причальные сооружения Архангельской нефтебазы позволяют производить перевалку нефтепродуктов в другие регионы России и за рубеж, а также раздельно отпускать на танкер до 800 тонн в час светлых нефтепродуктов и до 400 тонн в час - темных.

В связи со спецификой выполняемых причалом операций по отгрузке нефтепродукта, и того воздействия на водную экосистему, которое может быть оказано при возникновении аварийной ситуации, вопрос обеспечения экологической безопасности здесь имеет первостепенное значение.

Рыбозащитные сооружения.

Забор технической воды, как отмечалось выше, осуществляется из протоки Кузнечиха реки Северная Двина. Технический водозабор - стационарного типа, расположен в 13 км от устья. Водозаборные оголовки находятся в теле 16 причала в промежутке абсолютных отметок 98-105 м.

В целях препятствования попадания малька рыб в систему водопровода на всасывающем трубопроводе технического водозабора диаметром 300 мм установлено рыбозащитное устройство в виде керамзитобетонной кассеты. Заполнитель кассеты - керамзит М 500, крупность фракций 25 - 30 мм.

Второй водозаборный оголовок заглушён.

Состояние почв, недр и поверхностных вод на территории причала.

Причальные сооружения Архангельской нефтебазы состоят из 15 и 17 причалов и берегоукрепления между ними (16 причал). Проектная отметка дна у причалов составляет минус 8,7 метра в Балтийской системе высот.

Причалы оборудованы:

· бетонным покрытием с организованным водостоком в приемные колодцы;

· системой канализации с водоотведением стоков на очистные сооружения;

· дренажной системой с установкой контрольных колодцев, предназначенной для очистки грунта от нефтепродуктов в теле причала;

· иглофильтровой установкой ЛИУ;

· нефтемусоросборщиком МНМС-80;

· боновыми заграждениями "Анаконда" для установки на водной акватории;

· спецавтотранспортом.

В процессе эксплуатации нефтеналивных причалов происходило загрязнение грунта и подземных вод в теле причалов № 15 и 17. В связи с этим долгие годы наблюдалось загрязнение акватории реки Кузнечиха нефтепродуктами.

В ходе бурения двух зондировочных скважин была выяснена глубина максимального загрязнения грунтов (3,0 м). Концентрация нефтепродуктов в грунтах в скважине № 17 составила 11 141 мг/кг, а в скважине № 15 - 14 904 мг/кг. Загрязнение грунтов в нижележащих горизонтах (до 15,0 м) соответствовало нормативам (от 25 до 629 мг/кг).

В ходе реконструкции терминала было принято решение по локализации и ликвидации загрязнения реки. Для этого в теле причала № 15 были установлены иглофильтры. По периметру охраняемого бассейна установлены боновые заграждений "Анаконда", а сбор нефтепродуктов в огражденной акватории водного объекта производится нефтемусоросборщиком МНМС-80.

Схема ликвидации разлива нефтепродуктов в районе причала и размещение технологического оборудования изображены на рисунке 3.

Рисунок 3 - Схема ликвидации аварийного разлива нефтепродуктов

Предусмотренная проектом реконструкция включает в себя:

· замена существующего наливного технологического оборудования (стендеров): три на причале №15 и одного на причале №17 на новое, аналогичное по характеристикам (Ду=250 мм);

· монтаж одного резервуара V=400 м3 РВС №46 с завязкой в схему существующего перекачивающего насоса.

Проектом реконструкции предусмотрен монтаж одного резервуара V=400 м3 с перекачивающим насосом. Назначение: для зачистки технологических трубопроводов от нефтебазы до причала, а также, для освобождения технологических трубопроводов при аварийной ситуации. Вокруг резервуара оборудуется замкнутое земляное обвалование.

Во избежание загрязнения земель, внутри обвалования предусматривается дренажный сборный лоток для отвода возможных протечек и промышленного стока через хлопушку в подземную емкость - резервуар стальной горизонтальный подземный объемом 50 м3. Откуда стоки предусмотрено откачивать ас-машиной предприятия с дальнейшим вывозом на очистные сооружения терминала.

Т.е., исходя из принятых технологических решений по реконструкции причала и фактическому состоянию, воздействие на почву, недра и поверхностные воды при эксплуатации реконструируемого объекта будет минимальным.

2.3.5 Мероприятия по предупреждению аварийных сбросов сточных вод

В процессе эксплуатации промышленных объектов возможны аварийные сбросы сточных вод, случайные переливы жидких продуктов из емкостей, разрывы трубопроводов и другие непредвиденные ситуации.

Для предупреждения негативных последствий аварийных ситуаций на существующем объекте необходимо обеспечить:

· соблюдение технологических параметров основного производства и нормальную эксплуатацию сооружений и агрегатов;

· аккумулирование стоков и подачу их в систему очистных сооружений или на повторную переработку;

· предупреждение возможности аварийных сбросов сточных вод в естественные водоемы и водотоки;

· применение оборудования и трубопроводов, стойких к коррозийному и абразивному воздействию агрессивных жидких сред;

· обвалование технологических площадок и сооружений, на которых возможны аварийные сбросы сточных вод и жидких продуктов, с созданием системы сбора ливневых вод с этих площадок;

· создание системы сбора загрязненного поверхностного стока с территории предприятия с последующей передачей его на очистные сооружения.

На случай возникновения аварийных ситуаций для исключения загрязнения окружающей природной среды предусмотрена возможность перекачки нефтепродуктов в резервные резервуары.

Неукоснительное соблюдение правил природопользования заключается в полном исключении аварийных сбросов неочищенных сточных вод в водный объект. С этой целью необходимо обеспечение бесперебойной работы в проектном режиме насосных станций по подаче сточных вод на очистные сооружения и самих очистных сооружений по очистке 100 % объема всех видов сточных вод без исключения. В свете будущих планов по увеличению объема переваливаемого через нефтебазу продукта достижение этих показателей будет связано с всё возрастающими расходами, а в конце концов и с физической невозможностью очистных сооружений справляться с поставленными задачами.

         Исходя из этого, насущным стал вопрос о модернизации, либо о полной замене всей системы очистных сооружений сточных вод нефтебазы.

         Мероприятии по снижению негативного воздействия на водную среду.

Одним из важнейших вопросов экологического характера, рассматриваемых при приеме, хранении и отпуске нефти и нефтепродуктов был и остаётся вопрос сточных вод, образующихся в процессе эксплуатации нефтебазы. К сточным водам относятся:

· нефтесодержащие промышленные стоки, образующиеся в результате протечек резервуарного парка и технологических трубопроводов, а также образующиеся при возникновении аварийной ситуации на оборудовании, сопровождающейся выбросом нефти и нефтепродуктов;

· ливневые воды - осадки, выпадающие на территории предприятия;

· балластные и льяльные воды танкеров и судов, работающих на причале;

· промышленные стоки, являющиеся прямыми продуктами жизнедеятель-ности подсобных хозяйств нефтебазы.

В связи с перспективой наращиванием объёмов пропускаемой продукции, запланированной ОАО "НК "Роснефть-Архангельскнефтепродукт", и, в соответствии с всё ужесточающимися экологическими требованиями, на нефтебазе производится реконструкция существующих очистных сооружений сточных вод. Её целью является снижение концентрации нефтепродукта в очищенных сточных водах, сбрасываемых в р. Проезд, приток р. Кузнечиха - рыбохозяйственный водоём первой категории, до показателей, удовлетворяющих нормативам.

Имеющийся опыт оценки характеристики сточных вод нефтебаз свидетельствует о сложном составе загрязнений, который может меняться, а также об устойчивости водной системы с загрязнениями к процессам разделения. Это подтверждается результатами анализов, выполняемых лабораторией нефтебазы. Поэтому, учитывая требуемую глубокую степень очистки, обеспечивающую возможность отвода воды в водоем рыбохозяйственного значения, обработку сточных вод нефтебазы следует проводить физико-химическими методами по многоступенчатой технологической схеме.

3.Основные качественно - количественные характеристики сточных вод


Количество сточных вод, поступающих на очистные сооружения - величина непостоянная. Она зависит от таких факторов как:

· время года;

· количество осадков, и коэффициент испаряемости;

· погодные условия (ветер-штиль, тепло-холод).

Общая количественная характеристика образующихся сточных вод по временам года приведена в таблице 3.1.

Таблица 3.1 - Изменение объёмов образующихся сточных вод

январь

апрель

июнь

сентябрь

2002

2002

2003

2003

2002

м3/мес

м3

м3/мес

м3

м3/мес

м3

м3/мес

м3

м3/мес

м3

4564

6,4

24410

34

34600

48

10539

15

12967

18


Качественная характеристика также неоднородна и зависит от многих факторов. Данные по качественной характеристике загрязнений сточных вод в зависимости от времени года приведены в таблице 3.2

Таблица 3.2 - Характеристика загрязнений сточных вод, поступающих на очистные сооружения

Наименование показателей загрязнения

Еди-ница изме- рений

Среднее содержание загрязнений



январь

апрель

июнь

сентябрь



2002

2003

2002

2003

2002

2003

2002

2003

pH

-

7,8

-

7,8

8,1

7,5

7,9

7,9

-

Нефтепродукты

мг/л

8,9

-

28,2

36,2

7,0

3,4

116,7

-

ХПК

мг/л

776

-

1476

134

153

576

829

-

Взвешенные вещества

мг/л

59

-

27

44

22

27

48

-


Результаты таблицы 3.1 свидетельствуют, что расход воды по сезонам года изменяется в широких пределах: от 6 до 48 тыс. м3/ч. Следует отметить, что большой объём резервуаров - 30000 м3 позволяет принимать и хранить в течение всего месяца и более весь объём сточных вод, образующихся за месяц. Поэтому целесообразно назначить усредненный расход воды, который должен откачиваться из резервуаров и подаваться на очистные сооружения. В этом случае сооружения будут работать устойчиво, требуя постоянный режим эксплуатации.

3.1 Схема очистки сточных вод


Сточные воды из дренажных канав по коллектору D=500 мм поступают в приёмную камеру проектируемой насосной станции и перекачиваются в существующие буферные резервуары, где происходит их отстой. Вследствие больших объемов буферных резервуаров поступающие в них сточные воды отстаиваются в них в течение нескольких часов, а в нередких случаях - суток, поэтому нефтяные ловушки из технологической схемы исключены.

Накопленные и частично отстоявшиеся в буферных резервуарах сточные воды по самотечным коллекторам (задвижки на трубопроводах опорожнения резервуаров открываются вручную) направляются на очистные сооружения, расположенные в отдельно стоящем здании. Самотечный коллектор присоединен через задвижки с электроприводами к двум центробежным насосам производительностью 22,5 м3/час. Напорный трубопровод от каждого насоса подсоединен к самостоятельному флотатору. Подающие трубопроводы насосов соединены перемычкой, на которой установлена ручная задвижка. На напорных трубопроводах перед задвижками устанавливаются расходомеры, назначение которых в строгом ограничении и поддержании постоянного расхода воды, подаваемого на флотатор, который регулируется изменением оборотов привода насоса, дополненного частотным преобразователем. Такая система обеспечивает стабильность и устойчивость работы очистных сооружений. Для флотации рекомендуется комбинированный флотатор фирмы ООО "Стройинжиниринг СМ", объединяющий импеллерную и напорную флотацию. В этом случае достигается более глубокая очистка. В качестве реагента применяют оксихлорид алюминия. Вместе с тем система позволяет в процессе эксплуатации изменять вид реагента, который может оказаться более удобным для приобретения.

Пройдя объем напорной флотации, вода через водослив попадает в

приемный карман, используемый как промежуточная емкость. В каждом кармане двух флотаторов устанавливаются погружные насосы, подающие воду в общий коллектор, по которому она направляется на фильтрование. На каждом отводящем отфлотированную воду коллекторе устанавливается расходомер, фиксирующий и регулирующий работу насоса через частотный преобразователь, что способствует устойчивости работы фильтров. Общий объем очищаемой воды фиксируется на общем для расходомеров интеграторе.

Фильтрование производится через две ступени напорных фильтров SPF-2,0/0,25-RО. На каждой ступени по два параллельно работающих кварцевых фильтра, загруженных кварцевым песком (месторождение "Гора хрустальная") или гранитной крошкой. На первой ступени крупность загрузки 2-5 мм, на второй - 0,8-2,0 мм. Общий слой загрузки составляет 1,2 м. Фильтры должны регенерироваться через каждые 12 часов и каждый раз при прекращении подачи воды вследствие опорожнения буферных резервуаров. Регенерация фильтровальной загрузки - водовоздушная при попеременной подаче воздуха и воды. Одновременная их подача исключается. Интенсивность подачи воды составляет 10 л/с на 1м2, воздуха - 20 л/с на 1м2.

Для предупреждения кальматации зернистой загрузки фильтры снабжены системой интенсивной регенерации, которая включает гидроэлеватор, размещенный внутри фильтра, и напорный гидроциклон D=150-200 мм. Система включается периодически и работает в ручном режиме управления.

Внутренняя поверхность корпуса фильтра покрыта антикоррозионным покрытием, которое предупреждает возникновение гальванической пары уголь-железо.

Слой загрузки назначается из расчета продолжительности пребывания в нем воды 15 мин.

Через 5 суток загрузка промывается обратным током воды интенсивностью 7 л/сек на 1 м2.

Поскольку в сточных водах присутствуют органические загрязнения, которые будут задерживаться в зернистых фильтрах, возможно их загнивание в теле фильтров. Для предупреждения этого необходима периодическая дезинфекция загрузки. В качестве дезинфектора рекомендуется использовать раствор гипохлорита натрия, приготавливаемого на электролизной установке из раствора поваренной соли.

Периодически (период устанавливается в процессе эксплуатации) фильтр опорожняется, после чего заполняется дезинфицирующим раствором и выдерживается несколько часов, после чего раствор сливается в заводскую канализацию, а фильтр запускается в работу.

Очищенная вода после сорбционных фильтров отводится в рядом расположенный под полом резервуар чистой воды, из которого лишняя вода самотеком отводится в сбросной коллектор, из которого в свою очередь она попадает в водоём. В резервуаре чистой воды расположены погружной насос для регулярной промывки фильтров и высоконапорный насос для подачи воды на узел интенсивной регенерации.

Рисунок 4 - Принципиальная схема очистки сточных вод предприятия:          производственные сточные воды;

II-      бытовые сточные воды;        поверхностный сток;

1-      резервуары-накопители;

2-      комбинированные флотаторы;

-        песчаные фильтры первой ступени очистки;

-        песчаные фильтры второй ступени очистки;

-        сорбционные фильтры первой ступени очистки;

-        сорбционные фильтры второй ступени очистки;

-        промежуточный резервуар;

-        насос промывных вод;

-        резервуар чистой воды;

-        отстойник грязных промысловых вод;

-        промежуточный резервуар шлама и шламопродукта;

-        сброс очищенных стоков в водоём;

-        насосная станция;

-        линия подачи чистой воды на промывку фильтров;

-        линия отвода грязных промывных вод.

3.2 Обработка отходов


Пенопродукты из комбинированного флотатора удаляются через пеносливы в сборный лоток, из которого трубопроводом отводятся в резервуар, расположенный под полом. Из резервуара, освободившаяся вода откачивается в буферные резервуары, выделенный шлам направляется в шламонакопитель. Грязная промывная вода отводится в двухсекционный резервуар-отстойник промывных вод. Каждая секция рассчитывается на одну промывку одного фильтра. Промывная вода от второго фильтра регенерируемой ступени отводится в другую секцию отстойника промывных вод. Регенерация ступеней фильтров сдвинута по времени. Это позволяет обеспечивать отстаивание промывной воды между промывками. Отстоянная вода подается в буферный резервуар - накопитель, чтобы снова поступать на очистку, а накопленный шлам переносным погружным насосом периодически откачивается в шламонакопитель. Период откачки устанавливается опытным путем. Все резервуары снабжены датчиками аварийного уровня, сигнал от которых поступает в диспетчерскую.

Предусмотренный проектом комплекс технических решений позволяет обеспечить необходимую техническую надёжность и экологическую безопасность проектируемого объекта, способствует максимальному сохранению компонентов природной среды. Принятая система очистки производственных сточных вод должна привести весь объём сточных вод предприятия, сбрасываемых в водоём, к установленным нормативам по концентрациям загрязняющих веществ. Так, например, концентрация нефти и нефтепродукта в сбрасываемых сточных водах по существующему положению не должна превышать 1 мг/л. В противном случае на предприятие будут наложены штрафные санкции.

4. Технологические решения по очистке сточных вод


4.1 Фильтр напорный зернистый SPF-2,0/0,25-RО


Расчетный расход смеси сточных вод, подаваемых на очистку, принимается 45м3/час. На каждой ступени фильтрования принимаются по три очистных аппарата. Поэтому, каждый аппарат рассчитывается на производительность 15м3/час. По предложению ОАО "НижегородНИИнефтепроект" параллельно проводится расчет сооружений на расход 22,5м3/час. Однако, в этом случае, при небольших расходах сооружения будут значительно недогружены, но это не повлияет на эффективность их работы, но повысит эксплуатационные затраты. С другой стороны, как показывает практика эксплуатации рекомендуемых аппаратов, разработанных ООО "Стройинжиниринг СМ", их производительность в процессе эксплуатации может быть увеличена в период пиковых нагрузок или ремонта параллельных сооружений практически без изменений степени очистки.

Процесс фильтрования производится в две ступени на напорных однослойных фильтрах SPF-2,0/0,25-RO, выпускаемых фирмой ООО "Стройинжиниринг СМ", загруженных кварцевым песком или гранитной крошкой. Первая ступень имеет крупность загрузки d=2-5 мм слоем 1,2 м, вторая - d=0,8-2,0 мм слоем 1,2 м.

 

Рисунок 5 - Напорный зернистый фильтр SPF-2,0/0,25-RO: 1 - корпус фильтра; 2 - крышка;

- поддон;

- сборно-распределительная система;

- подача воды на фильтрование;

- дренажная система;

- отвод очищенной воды;

- подача воды на гидроэлеватор;

- гидроэлеватор;

- напорный гидроциклон;

- подача песчаной пульпы в напорный гидроциклон из гидроэлеватора;

- отвод грязной промывной воды;

- конус выгрузки отмытых восстановленных частиц;

- загрузка фильтра.

Фильтры SPF-2,0/0,25-RO имеют в высоту 2 м и укомплектованы узлом интенсивной регенерации, который включается в работу периодически один раз в квартал или в полгода и служит для предупреждения кальматации загрузки. Период работы узла интенсивной регенерации зависит от качества фильтруемой воды и определяется опытным путем во время пуско-наладочных работ. Узел включает гидроэлеватор и напорный гидроциклон диаметром 150 мм. На узел подается чистая вода расходом 7-10 м3/час с давлением 8-9 атмосфер. Песчаная пульпа, с разрушенными агломератами в турбулентных полях гидроэлеватора и гидроциклона, выгружается через нижний шламовый насадок гидроциклона в фильтр, а загрязненная вода через сливной патрубок гидроциклона, через задвижку отводится по трубопроводу в коллектор грязных промывных вод. При этом трубопровод слива гидроциклона подсоединяется к коллектору под углом 30° по направлению потока. Промывка фильтров производится два раза в сутки поочередной подачей воды и воздуха. Интенсивность подачи воды - 10 л/с на 1м2, воздуха - 20 л/с на 1 м2. Алгоритм промывки зернистых песчаных фильтров следующий:

. Фильтр выключается из работы. Закрываются задвижки на подающем и отводящем трубопроводах.

. Открывается задвижка на трубопроводе, отводящем грязную промывную воду.

. Включается компрессор.

. Открывается задвижка на патрубке, подводящем воздух на фильтр:

· продувка воздухом загрузки в течение 5мин;

· закрывается задвижка на подаче воздуха;

. Включается промывной насос:

· открывается задвижка на подаче промывной воды.

. Подача воды в течение 3 мин;

· закрывается задвижка на подаче воды;

· открывается задвижка на подаче воздуха. Продувка 5 мин;

· закрывается задвижка на подаче воздуха;

· отключается компрессор.

. Открывается задвижка на подаче промывной воды. Промывка в течение 4 мин;

· закрывается задвижка подачи промывной воды;

· отключается промывной насос.

. Открывается задвижка на подаче воды после флотации.

. Открывается задвижка на отводе фильтрованной воды.

Фильтр включен в работу.

Таким образом, для промывки одного фильтра D=2 м ступени потребуется 13,2 м3 воды, а 2-х фильтров - 26,4 м3. На этот объем рассчитан резервуар чистой воды. Грязная промывная вода подается в отстойник промывных вод.

Продолжительность промывки одного зернистого фильтра, с учетом продолжительности закрытия и открытия запорной арматуры, составляет примерно 30 минут. При работе одновременно всех четырех фильтров общая продолжительность промывки будет 2 часа. Из этого следует, что продолжительность отстаивания в отстойнике грязных промывных вод до поступления новых порций может быть порядка 8-9 часов. Резервуар, имеющий две секции по 13,2 м3 позволяет увеличить продолжительность отстаивания между поступлением новых порций воды. Поскольку требуется время на откачку отстоявшейся воды, принимается две секции отстойника объемом 13,2 м3 каждая. Одна секция наполняется, а из другой отстоявшаяся вода откачивается в один из буферных резервуаров.

Каждый резервуар-отстойник имеет объем 13,2 м3 при глубине секции 2,4 м ее размеры в плане будут 2,3x3,1м. Днище отстойника имеет уклон к одной из сторон. Поскольку в воде, подаваемой на фильтры, присутствуют органические загрязнения, в загрузке может развиваться микрофлора. Поэтому периодически производится дезинфекция загрузки. Дезинфекция производится раствором гидрохлорида натрия, получаемого на электролизере АГД-150, выпускаемым заводом "Коммунальник" производительностью 0,3 м3 концентрированного продукта с содержанием хлора 150 г/л, который разбавляется в объеме 2-2,5 м3 до концентрации 0,3 г/л, и подается в опорожненный фильтр. Продолжительность контакта загрузки с раствором 4-5 часов. После контакта использованный раствор вытесняется водой, подаваемой на промывку. Режим регенерации уточняется во время эксплуатации. После фильтрования через кварцевую загрузку вода подается на сорбцию.

4.2 Расчет потерь напора в дренажной и распределительной системах фильтра


При фильтрации расход воды на один фильтр =15 м3/час и =22,5 м3/час.

Расход промывной воды, приходящейся на один колпачок:

, (4.1)

где N - количество колпачков, N=61 шт.

 м3/час - при расходе =15 м3/час;

 м3/час - при расходе =22,5 м3/час;

Диаметр патрубков для крепления колпачков d3=12 мм. Диаметр патрубков для распределения воды d4=24,5 мм.

4.1.1 Расчет потерь напора по длине в дренажной системе фильтров

Потери напора по длине (hдл) определим по формуле:

, (4.2)

где А - коэффициент, зависящий от эффективности распределения m;

 - скорость потока воды в распределительном коллекторе, м/с;

 - скорость потока воды в длинном ответвлении, м/с;

 - скорость потока воды в коротком ответвлении, м/с.

Величина m зависит от показателя Кω - соотношения площадей ответвлений на колпачки к сечению распределительного коллектора:

, (4.3)

где n - количество ответвлений на колпачки, n=30 шт;р. кол - диаметр распределительного коллектора, dр. кол=100 мм;колп - диаметр колпачков, dколп=12,5 мм.


Коэффициент m - равномерность распределения воды по графику.

Исходя из значения  - m=0,9. Коэффициент А определяется по таблице, при m=0,9, А=10.

, (4.4)

где fр. кол - площадь сечения распределительного коллектора;

 м/с;

 м/с

Найдём скорость потока в длинном ответвлении:

, (4.5)

где d2 - диаметр отводящих радиальных ответвлений, d2 = 50 мм;

 м/с;

 м/с;

Найдём скорость потока в коротком ответвлении:

 (4.6)

 м/с;

 м/с;

Таким образом, при фильтрации потери напора в дренажной системе составят:

· при расходе =15 м3/час

 м,

в трёх системах Н=3*0,039=0,12 м;

· при расходе =22,5 м3/час

 м,

в двух системах Н = 2*0,08 = 0,16 м.

Учитывая высоту фильтров 2 м, и их количество для каждого варианта, общие потери напора в системе фильтров составят:

· при расходе =15 м3/час

0,12+2*3=6,12 м;

· при расходе =22,5 м3/час

0,16+2*2=4,16 м.

4.1.2 Расчет местных потерь напора в дренажной системе фильтров

К местным потерям напора относятся:

· потери напора в патрубке колпачка и имеющие место при расширении струи;

· потери напора при сжатии струи, что имеет место при фильтровании, когда вода собирается дренажной системой.

. Потери напора в патрубке колпачка и имеющие место при расширении струи:

, (4.7)

где  - скорости потока в патрубке распределительной системы:

· при расходе =15 м3/час

, (4.8)

где d4 - диаметр патрубков для распределения воды, d4=24,5 мм;

 м/с;

· при расходе =22,5 м3/час

 м/с

 - скорости фильтрования:

· при расходе =15 м3/час

, (4.9)

где Dф - диаметр фильтра, Dф= 2,0 м;

 м/с

· при расходе =22,5 м3/час

 м/с

 м;

 м,

что несоизмеримо меньше потерь давления, связанных с высотой самого фильтра.

. Потери напора при сжатии струи, что имеет место при фильтровании, когда вода собирается в дренажной системе:

 (4.10)

м,

 м,

что также несоизмеримо меньше потерь давления, связанных с высотой самого фильтра. Таким образом, местные потери  м

Отсюда потери на одной ступени фильтров составят:

 (4.11)

 м;

 м.

По всей системе фильтрования потери составят:

· при расходе на фильтр =15 м3/час

 м;

· при расходе фильтр =22,5 м3/час

 м.

С учетом потерь напора на коммуникациях общие потери не превышают 20 метров водного столба. Для надежности производительность насоса, подающего воду на фильтрование принимается Q=45 м3/час, при развиваемом рабочем давлении Р =3,0 МПа.

Таблица 4.1 - Результаты расчета параметров зернистых фильтров

Расход воды на один фильтр

Скорость фильт-рования

Диаметр фильтра

Количество фильтров в схеме

Промывка




I сту - пень

 II сту - пень

Интенсив - ность подачи воды

Интенсив - ность подачи воздуха

Объем воды на одну промывку

м3/час

м/час

м

шт.

шт.

л/с м2

мин.

м3

15

4,7

2,0

3

3

10

7

9,0

22,5

7

2,0

2

2

10

7

13,2


Особенность напорных фильтров SPF-2,0/0,25-RO заключается в меньшей материалоемкости, поскольку они рассчитаны на меньшее давление, чем серийно выпускаемые. Это оправдывает себя для подачи воды после фильтров в безнапорные сооружения (самотечные коллектора). Таким образом достигается минимизации энергоёмкости сооружений. Наличие системы активной регенерации песчаной загрузки фильтра обеспечивает продление срока использования расходной материальной базы, что прямым образом отражается на производственных затратах. Применение специальных защитных покрытий для защиты внутренних поверхностей, подвергающихся абразивному износу, повышает срок полезного использования оборудования.

В общем, принятые для очистки фильтры SPF-2,0/0,25-RO и двухступенчатая система фильтрования обеспечивают достижение высоких качественных показателей при минимизации материалоемкости, энергоёмкости, расходной базы, и упрощении всей технологической схемы очистки.

5. Экономическая оценка внедрения очистных сооружений


5.1 Показатели оценки эффективности реализации проектных решений


В соответствии с требованиями природоохранного законодательства в составе проекта предусмотрены дополнительные затраты, направленные на минимизацию негативных воздействий на природные объекты и охрану окружающей среды. При определении природоохранных затрат учитывались особенности возведения и эксплуатации объекта (очистные сооружения сточных вод), проведения работ в области производственно-экологической безопасности.

Система оценочных показателей отражает деятельность предприятия в условиях рыночной экономики и включает:

· капитальные вложения;

· прямые эксплуатационные затраты на очистку сточных вод терминала.

Капитальные вложения представляют собой совокупность затрат на создание новых основных фондов. Они включают затраты по выполнению строительно-монтажных работ по строительству объектов обустройства, технологических трубопроводов, резервуаров хранения, производственных помещений для техники и технологического оборудования [3]. Также в состав капитальных вложений включаются затраты на приобретение собственно производственного оборудования, механизмов, единиц автотранспорта и прочие затраты, связанные с подготовкой и осуществлением производственного цикла.

Прямые эксплуатационные затраты отражают предполагаемые затраты предприятия, связанные с осуществлением производственных процессов в транспортировке и обслуживании мощностей, рассчитаны на годовой период по достигнутым расходным показателям проектируемых и реконструируемых объектов.

Оценка экономической эффективности природоохранных мероприятий определяется соизмерением затрат на их осуществление и величины предотвращённого за их счёт производственного и экологического видов ущерба.

Предотвращённый экологический ущерб от загрязнения окружающей среды представляет собой оценку в денежной форме возможных отрицательных последствий загрязнения природной среды, которые удалось избежать или минимизировать в результате осуществления природоохранных мероприятий на проектируемом объекте [5].

Оценка производственного вида ущерба в данном случае нами не рассматривается, ввиду её незначительности. Оценка окупаемости проекта нами также не рассматривается, потому как проект очистных сооружений не коммерческий, а имеет своей целью исключительно экологический эффект.

5.2 Капитальные затраты


Капитальные вложения в строительство блока очистных сооружений определены сводным сметным расчётом; в текущих ценах составляют 72841,5 млн. руб., в том числе НДС (18 %) 13111,5 млн. руб.

Распределение капиталовложений в строительство по видам работ представлено в таблице 5.1.

5.3 Эксплуатационные затраты


Эксплуатационные затраты на внедрение природоохранных мероприятий на Архангельском терминале определены в соответствии с нормативными актами и фактическими данными ОАО "НК "Роснефть"-Архангельскнефтепродукт". Расчёт произведён по статьям затрат. Затраты на материалы (абсорбент, загрузку фильтров) и энергоресурсы определены в соответствии с расходными показателями смежных отделов и фактических цен, сложившихся в ОАО "НК "Роснефть-Архангельскнефтепродукт", представлены в таблице 5.2.

Годовой фонд оплаты труда (ФОТ) в составе прямых эксплуатационных расходов цеха очистных сооружений выполнен по проектному штату цеха очистных сооружений с использованием фактических данных в ОАО "НК "Роснефть-Архангельскнефтепродукт" о среднемесячной заработной плате обслуживающего персонала.

Таблица 5.1 - Сводный сметный расчёт стоимости реконструкции блока очистных сооружений

Общая сметная стоимость, млн. руб.

Глава 2. Основные объекты строительства

7839,2

5052,6

45983,3

3042,9

4736,3

66654,3

66654,3

Глава 8. Временные здания и сооружения

1044,7

62962,7

Сметная стоимость, тыс. руб.

прочих затрат

 

-

-

-

-

-

-

-


-

-

оборудования, приспособлений и производствен-ного инвентаря

 

2961,4

4523,4

30820,7

813,3

-

39118,8

39118,8


-

39118,8

монтажных работ

 

732,7

135,7

3506,2

1014,9

-

5389,5

5389,5


199,3

5588,8

строитель-ных работ

 

4145,1

393,5

11656,4

1214,7

4736,3

17409,7

17409,7


845,4

18255,1

Наименование частей, глав, объектов, работ и затрат

 

Насосная станция промливневых стоков с резервуаром

Установка биологической очистки бытовых сточных вод

Блок очистных сооружений

Насосная станция бытовых стоков

Сети ВиК

Всего по главе: 2

Итого по главам 1-7:


Временные здания и сооружения - 3,9% с К=0,8

Итого по главам 1-8:

Номер сметы

 

Объектный сметный расчёт №221

Объектный сметный расчёт №222

Объектный сметный расчёт №223

Объектный сметный расчёт №259

Объектный сметный расчёт на инженерные сети п.1-13




СНиП 4-08-91 п. ГСН 81-05-01-2001, Приложение 1, п.1.6.1




Таблица 5.1.1


-

368,2

368,2


5022,9

151,4

246,1

5788,6

173,7

5962,3

1073,2

7035,5


-

-

39118,8


-

-

-

39118,8

1173,6

40292,4

7252,6

47545


316,1

-

5904,9


-

-

-

5904,9

207,1

6112

1100,2

7212,2


1341,2

-

19596,3


-

-

-

19596,3

878,5

20474,8

3685,5

24160,3


Средства на возмещение дополнительных затрат при производстве работ в зимнее время - 4 %*1,2

Затраты на отчисление пожарной службе - 0,5 % (от стоимости по итогу глав 1-8)

Итого по главам 1-9:


Проектные и изыскательские работы

Авторский надзор (0,2 %)

 Экспертиза проекта - 4,9 % от ПИР

Итого по главам 1-12

Резерв средств на непредвиденные работы и затраты (3 %)

Итого по сводному сметному расчету

НДС (18 %)

Итого капитальных затрат


НДЗ-91 таб. ГСН 81-05-02-2001, табл.4 п.1.2,

ФЗ РФ от 21.12 94 №69



Смета к договору № 557 от 04.02.03

Постановление Госстроя СССР от 15 апреля 1985 г. №78,

Постановление Госстроя России от 18.08.1997 г.


СНиП 1.02.01-85





Таблица 5.2 - Затраты на материалы и энергоресурсы

Наименование расходных показателей

Единица измерения

Количество

Стоимость, руб.

Сумма, тыс. руб.

Материалы





Кварцевый песок d=2.5 мм

тонн

16

1644,07

26,31

Кварцевый песок d=0,8.2 мм

тонн

16

28, 20

Активированный уголь

тонн

26

24050,85

625,3

Коагулянт оксихлорид аллюминия

тонн

23,5

3389,83

79,66

Гипохлорид натрия

тонн

0,045

1500,00

0,07

Всего по материалам

-

-

-

759,56

Электроэнергия





годовой расход

тыс. кВт/час

1246,15

1,69

1103,50

Всего по электроэнергии

-

-

-

1103,50


Заработная плата рассчитывается исходя месячной тарифной ставки, учитывая районный коэффициент - 0,2 и северную надбавку - 0,5. Премия начисляется из расчёта 40 % от заработной платы. Результаты расчета сведены в таблицу 5.3.

Таблица 5.3 - Фонд оплаты труда

Наименование должности

Коли-чество человек

Раз- ряд

Зарплата за месяц, руб/чел

Премия за месяц, руб/чел

Всего за год, руб.

Начальник цеха

1


11000,0

4400,0

184800,0

Механик

1


10400,0

4160,0

174720,0

Оператор

1

3

5100,0

2040,0

85680,0

Оператор

4

5

6100,0

2440,0

409920,0

Слесарь аварийно-восстановительных работ

1

5

8000,0

3200,0

134400,0

Слесарь аварийно-восстановительных работ сетей канализации

2

5

7700,0

3080,0

258720,0

Слесарь аварийно-восстановительных работ сетей канализации

2

5

6000,0

2400,0,

201600,0

Слесарь аварийно-восстановительных работ сетей канализации

4

4

5800,0

2320,0

389760,0

Машинист насосных установок (КНС)

1

4

5600,0

2240,0

94080,0

Машинист насосных установок (КНС)

4

3

5000,0

2000,0

336000,0

Электросварщик ручной сварки

1

5

7200,0

2880,0

120960,0

Уборщик производственных помещений

0,5


2500,0

1000,0

21000,0

Итого:

22,5




2411640,0


Т.о. годовой ФОТ равен 2411640,0 руб.

Расчет годовых амортизационных отчислений произведен в соответствии с величиной основных фондов по реконструируемым объектам, определенной, исходя из их сметной стоимости (таблица 5.4) и начисляется в зависимости от срока полезного использования оборудования линейным способом по формуле:

, (5.1)

где Стоф - стоимость основных фондов, руб; Nа - норма амортизации, %; А - годовые амортизационные отчисления, руб.

В соответствии с постановлением Правительства РФ от 1 января 2002 г. №1 "О классификации основных средств, включаемых в амортизационные группы" основное технологическое оборудование блока ОС (насосные станции, установка биологической очистки сточных вод, трубопроводы технологические и задвижки) относятся к 8 - 10-й амортизационной группе со сроком полезного использования (Т пол) - 20-28 лет [17].

Отсюда Nа находится как:

 (5.2)

Таблица 5.4 - Расчет амортизационных отчислений

Наименование

Стоимость основных фондов Стоф, тыс. руб.

Срок полезного использования Т пол, лет

Норма амортизации Nа, %

Сумма отчислений, тыс. руб.

Насосные станции стоков

10882,1

20

5,0

544,1

Установка биологической очистки

5052,6

28

3,5

176,8

Очистные сооружения

45983,3

20

5,0

2299,2

Сети ВиК

4736,3

40

2,5

118,4

Всего

66654,3



3138,5


Расчёт эксплуатационных затрат приведён в таблице 5.5.

Таблица 5.5 - Эксплуатационные затраты

Наименование затрат

Сумма затрат, тыс. руб.

Электроэнергия

2103,5

Фонд оплаты труда

2411,6

Единый социальный налог и страхование от несчастного случая

639,1

Ремонтный фонд, в т. ч.: текущий капитальный

5082,2 784,6 4297,6

Плата за предельно-допустимые сбросы

3534,0

Итого производственных затрат:

13770,4

НИОКР

275,4

Общепроизводственные расходы

137,7

Итого эксплуатационные затраты

14183,5

Амортизация ОПФ

3138,5


Примечания

.        Единый социальный налог определяется процентом (26 %) от ФОТ (см. п.выше). Страхование от несчастного случая принимается равным согласно третьему классу профессионального риска [17] - 0,5 % от ФОТ.

. Ремонтный фонд исчисляется исходя из "Норм амортизационных отчислений":

· расходы на текущий ремонт определены в размере 25 % от амортизационных отчислений;

· расходы на капитальный ремонт определены в размере 5 % от капиталовложений.

. Плата за предельно-допустимые сбросы определяется исходя из количества сбрасываемых загрязняющих веществ и норматива платы по ним.

Различают сбросы в пределах установленных лимитов (за них начисляется одна сумма компенсации вреда водной среде) и сверхлимитные сбросы (соответственно, плата по ним увеличивается в 5 раз). Основным загрязняющим компонентам в сбрасываемых сточных водах нефтебазы является нефтепродукт. Стоимость 1 тонны сбрасываемой нефти и нефтепродукта равна [10]: в пределах установленных лимитов сбросов - 27550 руб/т; при сверхлимитных сбросах - 137750 руб/т.

При существующем объёме стоков Vсток = 393000 м3/год и концентрации нефтепродукта в стоках, равной Кнеф = 1 мг/л объём сбрасываемых нефтепродуктов найдём по формуле (3):

неф = VстокКнеф (5.3)неф=393000*0,0001=39,3 т/год

Соответственно выплаты за сбросы (Ссброс) будут следующими:

в пределах установленных лимитов сбросов:

Ссброс=27550Vнефkэкол k доп k инфл, (5.4)

где kэкол - коэффициент, учитывающий экологические факторы (состояние водных объектов), по бассейнам рек и морей. Для бассейна Северной Двины kэкол=1,36; k доп - дополнительный коэффициент для особо охраняемых природных территорий, к которым относят районы Крайнего Севера, k доп=2;инфл - коэффициент инфляции, k инфл=1,2.

Ссброс=27550*39,3*1,36*2*1,2=3534 тыс. руб/год

при сверхлимитных сбросах:

Ссброс сверхлим = 5Ссброс=17670 тыс. руб/год

. Затраты на научно-исследовательские и опытно-конструкторские работы определены из расчёта 2 % от производственных затрат.

. Общепроизводственные расходы определены из расчёта 1 % от производственных затрат.

5.4 Расчет показателей экономической эффективности


Таблица 5.6 - Расчёт показателей экономической эффективности (тыс. руб.)

Показатели эффективности

Стоимостное выражение

1. Капитальные вложения (К)

85953,0

2. Экономический эффект (Э)

14136,0

3. Эксплуатационные затраты

14183,5

4. Амортизация (Аt)

3138,5

5. Налогооблагаемая прибыль (убыток)

-3186,0

6. Налог на прибыль

0

7. Налог на имущество

1890,0

8. Чистая прибыль (убыток) (Пt)

-5076,0

9. Чистые денежные поступления (Пtt)

-1937,5


Замечания

.        Экономический эффект природоохранных мероприятий достигается за счёт предотвращённого экологического ущерба (экологический эффект) [5], технологический эффект в данном случае незначителен и нами не рассматривается.

Экологический эффект заключается в освобождении гидросферы от большей части сбросов загрязняющих веществ и платы по ним, также в исключении уплаты штрафных санкций за сверхлимитные сбросы. Экономический эффект (Э) здесь будет выражен разностью выплат за нормативные и сверхлимитные сбросы:

Э= Ссброс сверхлим - Ссброс=17670-3534=14136 тыс. руб/год.

. Налогооблагаемая прибыль определяется суммой экономического эффекта за вычетом эксплуатационных затрат и амортизации. В нашем случае она отрицательная, т.е. предприятие несёт убытки.

. Ставка налога на прибыль установлена в размере 24 % от налогооблагаемой прибыли. При отрицательной прибыли (убытках) предприятия налог на прибыль не начисляется.

. Ставка налога на имущество установлена в размере 2,2 % от стоимости ОПФ.

. Чистая прибыль определяется как налогооблагаемая прибыль минус налоги на прибыль и имущество.

. Чистые денежные поступления определяются как сумма чистой прибыли и амортизации. В нашем случае этот показатель также является отрицательным.

Т.о. можно заключить, что внедрение очистных сооружений - мероприятие затратное и не несёт для нефтебазы в целом никакой прибыли, выраженной в денежном эквиваленте. Однако, как уже отмечалось выше, проект очистных сооружений является некоммерческим, и представляет собой не столько денежный эффект, сколько направлен на улучшение экологической ситуации в бассейнах рек, а соответственно здоровье людей, так и на повышение общей оценки деятельности Архангельского нефтеналивного терминала различными экологическими, а в некоторых случаях и общественными организациями. В зависимости от этого складывается адекватное мнение об ОАО "НК "Роснефть-Архангельскнефтепродукт" в целом и её подразделении - Архангельском нефтеналивном терминале в частности.

6. Оценка основных сценариев возможных аварий на Архангельском нефтяном терминале


Компанией "Роснефть-Архангельскнефтепродукт” проводится реконструкция нефтебазы с целью увеличения объёма пропускаемой товарной продукции до 10 млн. тонн в год к 2010 году. Соответственно возрастают риски возникновения различных внештатных ситуаций. Учитывая близость населённого пункта д. Талаги, водной артерии - р. Кузнечиха, и сравнительно небольшого расстояния непосредственно до самого г. Архангельска вопрос экологической безопасности требует детальной проработки. Оценка экологического риска является составной частью решения задачи обеспечения экологической безопасности объекта, связанного с хранением и отпуском нефти и нефтепродуктов.

Целью выполненных исследований является выявление возможности возникновения, предупреждение и предотвращение аварийных ситуаций, в результате которых может быть нанесен ущерб окружающей природной среде, нарушены условия нормальной жизнедеятельности людей.

Основные сценарии возможных аварий на Архангельском терминале связаны с пожарами разлива нефтепродуктов и взрывами топливо - воздушной смеси на технологическом оборудовании, в резервуарах хранения и насосных. В данном формате разлив нефти на акваторию не рассматривается, поскольку об этом уже было упомянуто выше.

На основе анализа причин возникновения и развития аварий, технологической схемы, плана размещения основного технологического оборудования, а также с учетом реконструкции, выполнена оценка экологического риска деятельности терминала.

Но для начала приведем сведения об имевших место авариях и причинах их возникновения на нефтебазах России в целом, и на Архангельском терминале в частности.

6.1 Сведения об известных авариях на территории России


По данным Госгортехнадзора России на территории России с 1970 по 1990 годы отмечено 238 пожаров, произошедших на резервуарах с нефтью и нефтепродуктами. Анализ данных по России за 1992-2003 годы показывает, что наиболее распространенными в нефтехранилищах были следующие аварийные ситуации:

· взрыв в насосной (10 случаев);

· взрывы и пожары при сливно-наливных операциях (6 случаев);

· разгерметизация оборудования и внутриобъектных трубопроводов (18 случаев);

· пожары и взрывы, возникшие в результате нарушения технологии, порядка и правил проведения сварочных работ на технологическом оборудовании и территории нефтебаз.

Сведения об известных авариях, имевших место на Архангельском

нефтеналивном терминале.

Ниже приведены сведения об авариях зарегистрированных на объектах Архангельского терминала ОАО "НК Роснефть-Архангельскнефтепродукт” за время его эксплуатации.

. В результате ошибки при установке тормозного башмака сошла с рельсового полотна цистерна со светлым нефтепродуктом. От удара цистерны о грунт произошла её разгерметизация, и до 50 % содержимого вылилось на железнодорожные пути, по системе промышленно-ливневой канализации нефтепродукт поступил на очистные сооружения. Пожара удалось избежать. Последствия аварии - загрязнение нефтепродуктами 100 метров железнодорожного пути.

. При сливе железнодорожной цистерны с мазутом, из-за ошибки оператора, через устройство нижнего слива пролито 50 % содержимого цистерны. Пролитый мазут через систему промышленно-ливневой канализации поступил на очистные сооружения. Загрязнение окружающей природной среды при этом было минимальным. Загрязненный грунт был собран и размещен в шламонакопителе очистных сооружений.

. При проведении сварочных работ на очистных сооружениях загорелась емкость V=300 м3, обшитая шифером. Сварочные работы проводились без согласования с органами пожарного надзора. Пожар локализован и потушен. Жертв и разрушений не было.

. Водитель автоцистерны не вставил шланг в цистерну и включил подачу бензина. Произошел взрыв, водителя отбросило на 30 м в сторону. Последствия: сгорела автоцистерна, водитель остался жив.

. Через свищ на блокировочном трубопроводе произошел выброс нефтепродукта на высоту до 20 м. Загрязненная нефтепродуктами земля была собрана в бочки и вывезена на очистные сооружения.

. При проведении сварочных работ загорелся резервуар РВС-5000 с темными нефтепродуктами. Пожар был локализован и потушен, жертв и разрушений не было.

. У коренной задвижки резервуара разошелся шов. В результате произошел сброс бензина в обваловку. Взрыва и пожара удалось избежать.

.2 Анализ условий возникновения и развития аварий

Анализ сведений об аварийных ситуациях, имевших место за всё время эксплуатации терминала, показывает, что аварии возникали при нарушении правил технологической, пожарной и технической безопасности. При этом 100 % возгораний было связано с нарушением техники безопасности при проведении сварочных работ.

Следовательно, возможные причины и факторы, способствующие возникновению и развитию аварийных ситуаций на Архангельском терминале можно сгруппировать следующим образом:

· наличие больших масс легковоспламеняющихся и горючих углеводородных жидкостей, способных в закрытых объёмах (помещениях насосных, незаполненных резервуарах) создавать взрывоопасные концентрации паровоздушных смесей;

· отказы технологического оборудования (локальные утечки через фланцевые соединения, сварные швы, запорную арматуру, торцевые уплотнения насосов и т.д.), которые при несвоевременном устранении и локализации могут привести к развитию аварийной ситуации и полному разрушению оборудования;

· ошибки персонала при ведении технологического процесса сливно-наливных операций, профилактических и ремонтных работ и, особенно, при производстве сварочных работ на оборудовании и территории нефтебазы;

· внешние источники (факторы) природного, техногенного характера и преднамеренные действия: диверсии, военные действия, характеризуются незначительной вероятностью реализации событий.

6.3 Основные сценарии возможных аварий


При оценке экологического риска рассматривались наиболее тяжелые аварийные ситуации [8], в результате которых может быть нанесён ущерб окружающей природной среде.

Сценарии развития:

· Разлив нефти при мгновенном разрушении ёмкости;

а) Отсутствие возгорания разлившейся нефти;

б) Возникновение пожара разлития;

· Пожар в резервуаре с нефтью;

а) Пожар в резервуаре без выброса горящей жидкости;

б) Пожар с выбросом горящей жидкости;

· Взрыв резервуара, содержащий максимальный объём нефти;

Планы по ликвидации последствий разрабатываются в соответствии с действующими нормативными правовыми актами, с учётом максимально возможного объёма разлившейся нефти и нефтепродуктов, который определяется для стационарных объектов хранения нефти и нефтепродуктов с учетом 100 % объёма максимальной ёмкости хранения. Расчёт ведется на один из резервуаров максимальной ёмкости хранения в объеме 20000 м3.

6.3.1 Оценка факторов, связанных со сценарием "Разлив нефти"

Исходная ситуация - разрушение резервуара с нефтью.

· Сценарий - "Разлив нефти" при мгновенном разрушении резервуара и отсутствии возгорания разлившейся нефти.

Поскольку по периметру резервуара в соответствии с проектом обустраивается замкнутое земляное обвалование высотой 1,5 м и шириной по верху 0,5 м, рассчитанное на гидростатическое давление разлившейся жидкости. Соответственно, площадь разлития нефти будет равна площади внутреннего обвалования и составит S=3120 м2. Объём разлившейся нефти найдём по формуле:

 (6.1)

где  - вместимость резервуара, м3

 м3

Нормативное время существования разлития не превышает одного часа.

Для оценки степени загрязнения атмосферного воздуха необходимо оценить количество углеводородов, испарившихся в течение часа и попавших в атмосферный воздух с поверхности разлива, по формуле:

 (6.2)

где =2,140 г/см2 - принимаем скорость испарения нефти при скорости ветра 1 м/с и температуре воздуха Т=25 С.- площадь обвалованной территории, м2

 т

Ёмкости для хранения нефти в соответствии с требованиями "Правил эксплуатации нефтебаз" обнесены земляным обвалованием. Поскольку степень загрязнения земель рассчитывается только при свободном разлитии нефти из наземных резервуаров, при отсутствии обвалования, то оценка степени загрязнения земель за обвалованием в рассматриваемом случае не производится.

Факторы воздействия на окружающую природную среду при возникновении пожара разлива нефти

При оценке факторов воздействия на природную среду, сопровождающих пожар разлития, выделяют две зоны:

· зона горения - часть пространства, в котором образуется пламя или огненный шар из продуктов горения;

· зона теплового воздействия - часть пространства, примыкающая к зоне горения, в которой происходит воспламенение или изменение состояния материалов и конструкций, растительности, поражающее действие на животных

В зоне горения, совпадающей с зоной разлития нефти и составляющей для рассматриваемой ситуации S=3120 м2, происходит сгорание материала, растительности, в атмосферный воздух выбрасываются токсичные продукты горения. Зона теплового воздействия ограничивается дальностью Rб, зависящей от пороговой интенсивности теплового излучения I, и определяется по формуле:

, (6.3)

где R - приведенный размер очага горения, для пожара разлития R=d=30 м (диаметр области свободного растекания ограниченный обвалованием резервуаров);

 - удельная теплота пожара, для нефти принимается равной 1800 кДж/м2*с;

= 0,02 - для пожара разлития;- пороговый уровень теплового излучения при сгорании легко-воспламеняющейся жидкости (ЛВЖ) техногенного комплекса, принимаем равной

кДж/м2*с.

 м

Т.о. максимальный расчетный радиус зоны теплового воздействия при пожаре разлива нефти может составить 28 м.

Оценка массы загрязняющих веществ Ма, выбрасываемых в атмосферу при горении нефти производится по формуле:

, (6.4)

где Ка - коэффициент эмиссии α-го вещества; Кнп - коэффициент полноты сгорания нефти, для горения на почве, покрытой растительностью принимаем равным 1;М - масса горящей нефти, т.

 т

Таким образом масса горящей нефти составит 13770 т. Результаты расчета сведены в таблицу 6.1.

Таблица 6.1 - Выброс загрязняющих веществ в атмосферу

Поллютант

Ка, при горении нефти

Масса выброса в атмосферу Ма, т

Оксид углерода

0,0840000

1156,68

Сероводород

0,0010000

13,7700

Оксиды азота

0,0069000

95,0130

Оксиды серы

0,0010000

13,7700

Сажа

0,0017000

23,4090

Синильная кислота

0,0010000

13,7700

Пятиоксид ванадия

0,0004640

6,3893

Бензапирен

0,0000001

0,0010

Итого:


1322,802


Валовый выброс загрязняющих веществ в атмосферу при возможном аварийном разливе нефти и последующем её горении составит 1322,802 т

6.4.2 Оценка факторов, связанных со сценарием "Пожар резервуара с нефтью"

а) Сценарий "Пожар в резервуаре без выброса горящей жидкости"

Рассматривается вариант возгорания резервуара с наибольшим объёмом хранения V=20000 м3.

В зоне горения равной =40 м происходит сгорание материала, в атмосферный воздух выбрасываются токсичные продукты горения.

Зона теплового воздействия ограничивается дальностью Rб, зависящей от пороговой интенсивности теплового излучения I, и определяется по формуле:

м

- приведенный размер очага горения, для пожара резервуара R=d=40 м;  - удельная теплота пожара, для нефти принимаем равной 1800 кДж/м2*с; = 0,08 - для пожара в резервуаре;- пороговый уровень теплового излучения при сгорании ЛВЖ техногенного комплекса принимаем = 41 кДж/м2*с.

 м

Таким образом максимальный расчетный радиус зоны теплового воздействия для горящего резервуара с нефтью может составить 75 м.

Количество загрязняющих веществ, выбрасываемых в атмосферу то же, что и в предыдущем случае.

б) Сценарий "Пожар с выбросом горящей жидкости"

Расчеты производятся по той же схеме, что и без выброса.

В зоне горения равной диметру резервуара dрез=40 м и возможной зоне выброса горящей жидкости, происходит сгорание материала, растительности, в атмосферный воздух выбрасываются токсичные продукты горения.

При пожаре в резервуаре с выбросом горящей смеси приведённый размер очага горения включает в себя предполагаемый выброс горящей жидкости на дальность до 8-ми диаметров во все стороны от резервуара. Его величина принимается равной 16*dрез и может составить 640 м.

Зона теплового воздействия ограничивается дальностью Rб, зависящей от пороговой интенсивности теплового излучения I, и определяется по формуле:

м,

где R - приведенный размер очага горения, для пожара разлития R=16*dрез=640 м;

 - удельная теплота пожара, для нефти принимаем равной 1800 кДж/м2*с;

= 0,08 - для пожара разлития;- пороговый уровень теплового излучения при сгорании ЛВЖ техногенного комплекса принимаем = 41 кДж/м2*с.

 м

Т.о. максимальный расчетный радиус зоны теплового воздействия при пожаре нефти в резервуаре с выбросом горящей жидкости может составить до 1200 м.

Вероятность попадания нефти в поверхностные воды протоки р. Кузнечиха исключена, т.к. она удалена от границ промплощадки основного терминала на расстояние 1250 м, а резервуар расположен внутри земляного обвалования, рассчитанного на гидростатическое давление разлившейся жидкости.

При возможном возгорании разлитой нефти радиус зоны горения будет совпадать с площадью разлива нефти (3120 м2) и составит 30 м, максимальный расчетный радиус теплового воздействия при пожаре розлива нефти не превысит 28 м. При этом валовой выброс загрязняющих веществ в атмосферу составит 1322,8 тонны.

При развитии сценария "Пожар в резервуаре с нефтью” без выброса горящей смеси в зоне горения равной диаметру резервуара (40 м) происходит сгорание материала.

При пожаре в резервуаре с выбросом горящей смеси, приведенный размер очага горения включает в себя предполагаемый выброс горящей жидкости. Дальность выброса принимается равной до 8 диаметров резервуара во все стороны от резервуара и может составить 640 м.

Дальность максимальной зоны теплового воздействия при возгорании резервуара с нефтью составят:

· 75 м без выброса горящей жидкости;

· 1200 м с выбросом горящей жидкости.

Масса загрязняющих веществ, выбрасываемых при этом в атмосферу, составит 1322,8 тонны.

6.4.3 Оценка факторов, связанных со сценарием "Взрыв резервуара с нефтью"

При развитии сценария "Взрыв резервуара с нефтью" взрыв топливно-воздушной смеси в резервуаре окажет бризантное и тепловое воздействие на техногенные, растительные и жилые объекты.

Сила воздействия от ударной волны может вызвать:

· полное разрушение объектов техногенного комплекса на расстоянии до 110 м от взорвавшегося резервуара (давление ударной волны более 100 кПа);

· сильное разрушение всех зданий с массовыми обвалами на расстоянии от 111 до 135 м от взорвавшегося резервуара (давление ударной волны 70 кПа);

· слабое разрушение на расстоянии более 175 м от взорвавшегося резервуара (давление ударной волны 14 кПа);

На автомашины, проезжающие по Талажской автодороге, расположенной на расстоянии 140 м от места взрыва - сильное разрушение.

На близлежащие жилые деревянные здания д. Талаги:

среднее разрушение на расстоянии 400 м от взорвавшегося резервуара;

слабое разрушение на расстоянии более 420 м;

При этом взрыв окажет тепловое воздействие на растительный комплекс: воспламенение растительности, крон деревьев будет наблюдаться на расстоянии до 350 м от места взрыва.

Вывод

При возникновении аварийной ситуации на терминале с максимальной ёмкостью хранения нефти равной 20 тыс. м3 влияние её на окружающую среду будет значительным.

На нефтебазе предусмотрены все возможные необходимые противопо-жарные мероприятия, направленные на соблюдение противопожарного режима и создания условий для заблаговременного предотвращения и быстрого тушения пожара. Всё технологическое оборудование изготовлено во взрывозащитном исполнении.

Для снижения вероятности возникновения и тяжести последствий аварийных ситуаций при проектировании предусмотрен ряд специальных мероприятий. О них будет изложено в следующей главе.

7. Организация производственного контроля за соблюдением требований промышленной безопасности


7.1 Основы законодательства РФ о промышленной безопасности


Основами законодательства РФ об охране труда предусмотрено, что ответственность за состояние условий и охраны труда на предприятии возлагается на работодателя.

На терминале должны быть разработаны и должны действовать "Положение о системе управления промышленной безопасностью и охраны труда" и "Положение об организации производственного контроля за соблюдением требований промышленной безопасности на опасных производственных объектах".

Для реализации своих обязательств по созданию безопасных условий труда, соблюдения прав работников на охрану труда и обеспечения правовой защиты своих интересов в области охраны труда, предприятие осуществляет выполнение комплекса организационных, организационно-технических и технических мероприятий.

Обеспечение безопасности при транспортировке и хранении нефти и нефтепродуктов является приоритетной задачей. В силу своей природы углеводороды таят в себе опасность, которая может привести, если не принимать соответствующих мер, к пожарам и взрывам, представляя серьезную угрозу людям, оборудованию и окружающей среде.

Проектирование, строительство и эксплуатация нефтеналивного терминала должны осуществляться в соответствии с требованиями:

· "Правил промышленной безопасности нефтебаз и складов нефтепродуктов", утвержденных Госгортехнадзором России 20.05.2003г.;

· Федерального закона "О промышленной безопасности опасных производственных объектов" №116-ФЗ, принятого Государственной Думой 20.06.1997 г.;

· Приказа Минэнерго РФ "Об утверждении правил технической эксплуатации нефтебаз” № 232 от 19.06.2003г.;

· "Правил организации и осуществления производственного контроля за соблюдением требований промышленной безопасности на опасном производственном объекте", утверждённых Постановлением Правительства РФ от 10.03.99 г. №263.

Правовые, экономические и социальные основы обеспечения безопасной эксплуатации опасных производственных объектов определяет Федеральный Закон "О промышленной безопасности опасных производственных объектов"; он направлен на предупреждение аварий на опасных производственных объектах и обеспечение готовности организаций, эксплуатирующих данные объекты, к локализации и ликвидации последствий указанных аварий.

Согласно данному закону, промышленная безопасность опасных производственных объектов представляет собой состояние защищённости жизненно важных интересов личности и общества от аварий на опасных производственных объектах и последствий указанных аварий.

Опасными производственными объектами в соответствии с настоящим Федеральным законом являются предприятия или их цехи, участки, площадки, а также иные производственные объекты; все опасные производственные объекты подлежат регистрации в государственном реестре.

Требования промышленной безопасности должны соответствовать нормам в области защиты населения и территорий от чрезвычайных ситуаций, санитарно-эпидемиологического благополучия населения, охраны окружающей природной среды, экологической и пожарной безопасности, охраны труда, строительства, а также требованиям государственных стандартов.

7.2 Правила организации и осуществления производственного контроля за соблюдением требований промышленной безопасности на опасном производственном объекте


Согласно статьи 11 ФЗ №116 "Организация, эксплуатирующая опасный производственный объект, обязана организовывать и осуществлять производственный контроль за соблюдением требований промышленной безопасности в соответствии с требованиями, устанавливаемыми Правительством Российской Федерации".

Каждая эксплуатирующая организация разрабатывает положение о производственном контроле с учетом профиля производственного объекта. Положение о производственном контроле утверждается руководителем эксплуатирующей организации при обязательном согласовании с территориальными органами Федерального горного и промышленного надзора России, а в отношении эксплуатирующих организаций, подведомственных федеральным органам исполнительной власти, которым в установленном порядке предоставлено право осуществлять в пределах своих полномочий отдельные функции нормативно - правового регулирования, специальные разрешительные, контрольные или надзорные функции в области промышленной безопасности.

Производственный контроль является составной частью системы управления промышленной безопасностью и осуществляется эксплуатирующей организацией путем проведения комплекса мероприятий, направленных на обеспечение безопасного функционирования опасных производственных объектов, а также на предупреждение аварий на этих объектах и обеспечение готовности к локализации аварий и инцидентов и ликвидации их последствий. Ответственность за организацию и осуществление производственного контроля несут руководитель эксплуатирующей организации и лица, на которых возложены такие обязанности в соответствии с законодательством Российской Федерации.

Основными задачами производственного контроля являются:

а) обеспечение соблюдения требований промышленной безопасности в эксплуатирующей организации;

б) анализ состояния промышленной безопасности в эксплуатирующей организации, в том числе путем организации проведения соответствующих экспертиз;

в) разработка мер, направленных на улучшение состояния промышленной безопасности и предотвращение ущерба окружающей среде;

г) контроль за соблюдением требований промышленной безопасности, установленных федеральными законами и иными нормативными правовыми

актами;

д) координация работ, направленных на предупреждение аварий на опасных производственных объектах и обеспечение готовности к локализации аварий и ликвидации их последствий;

е) контроль за своевременным проведением необходимых испытаний и технических освидетельствований технических устройств, применяемых на опасных производственных объектах, ремонтом и поверкой контрольных средств измерений;

ж) контроль за соблюдением технологической дисциплины.

Производственный контроль в эксплуатирующей организации осуществляют назначенный решением руководителя организации работник или служба производственного контроля.

Функции лица, ответственного за осуществление производственного контроля, рекомендуется возлагать:

· на одного из заместителей руководителя эксплуатирующей организации - если численность занятых на опасных производственных объектах работников составляет менее 150 человек;

· на специально назначенного работника - если численность занятых на опасных производственных объектах работников составляет от 150 до 500 человек;

· на руководителя службы производственного контроля - если численность занятых на опасных производственных объектах работников составляет более 500 человек.

Эксплуатирующие организации представляют информацию об организации производственного контроля в территориальные органы Федерального горного и промышленного надзора России, а эксплуатирующие организации. В информации об организации производственного контроля должны содержаться следующие сведения:

а) план мероприятий по обеспечению промышленной безопасности на текущий год;

б) организация системы управления промышленной безопасностью;

в) фамилия работника, ответственного за осуществление производственного контроля, его должность, образование, стаж работы по специальности, дата

последней аттестации по промышленной безопасности;

г) количество опасных производственных объектов с описанием основных потенциальных источников опасности и возможных последствий аварий;

д) выполнение плана мероприятий по обеспечению промышленной безопасности, результаты проверок, устранение нарушений, выполнение предписаний Федерального горного и промышленного надзора России и соответствующих федеральных органов исполнительной власти;

е) план мероприятий по локализации аварий и инцидентов и ликвидации их последствий;

ж) копии договора страхования риска ответственности за причинение вреда при эксплуатации опасного производственного объекта;

з) состояние оборудования, применяемого на опасном производственном объекте и подлежащего обязательной сертификации;

и) освидетельствование и контрольные испытания опасных производственных объектов;

к) план проведения контрольно-профилактических проверок на следующий год;

л) оценка готовности работников эксплуатирующей организации к действиям во время аварии;

м) описание аварий и несчастных случаев, происшедших на опасном производственном объекте, анализ причин их возникновения и принятые меры;

н) подготовка и аттестация руководителей, специалистов и других работников, занятых на опасных производственных объектах, в области промышленной безопасности.

7.3 Задачи производственного контроля по обеспечению соблюдения требований промышленной безопасности


Основными задачами производственного контроля являются:

· Анализ состояния промышленной безопасности в эксплуатирующих организациях в том числе путем проведения соответствующих экспертиз. Расследуются и анализируются даже те происшествия, которые не привели, но могли бы привести к инциденту. Причины инцидентов и меры по недопущению их впредь рассматриваются на регулярных заседаниях ПДК.

· Разработка мер, направленных на улучшение состояния промышленной безопасности и предотвращение ущерба окружающей природной среде. Постоянно действующей комиссией (ПДК), опираясь на анализ причин происшедших инцидентов, разрабатываются мероприятия, которые включаются в планы по снижению аварий и травматизма.

· Контроль за соблюдением требований промышленной безопасности, установленных федеральными законами и иными нормативно-правовыми актами.

Установлена строгая система своевременного устранения нарушений соблюдения требований промышленной безопасности, федеральных законов и иных нормативно-правовых актов, выявленных, в том числе, и органами государственного надзора. Контроль за своевременным информированием этих органов возложен на службу экологии, промышленной безопасности и ОТ.

7.4 Обеспечение охраны труда в организации


1. В целях обеспечения соблюдения требований охраны труда, осуществления контроля за их выполнением в каждой организации, осуществляющей производственную деятельность, с численностью более 100 работников создается служба охраны труда или вводится должность специалиста по охране труда, имеющего соответствующую подготовку или опыт работы в этой области.

. В организации с численностью 100 и менее работников решение о создании службы охраны труда или введении должности специалиста по охране труда принимается работодателем с учетом специфики деятельности данной организации.

При отсутствии в организации службы охраны труда (специалиста по охране труда) работодатель заключает договор со специалистами или с организациями, оказывающими услуги в области охраны труда.

. Структура службы охраны труда в организации и численность работников службы охраны труда определяются работодателем с учетом рекомендаций федерального органа исполнительной власти, ведающего вопросами охраны труда.

Комитеты (комиссии) по охране труда.

1. В организациях с численностью более 10 работников работодателями создаются комитеты (комиссии) по охране труда. В их состав на паритетной основе входят представители работодателей, профессиональных союзов или иного уполномоченного работниками представительного органа.

. Комитет (комиссия) по охране труда организует разработку раздела коллективного договора (соглашения) по охране труда, совместные действия работодателя и работников по обеспечению требований охраны труда, предупреждению производственного травматизма и профессиональных заболеваний, а также проведение проверок условий и охраны труда на рабочих местах и информирование работников о результатах указанных проверок.

Для проектируемых и действующих опасных производственных объектов разрабатываются "Планы эвакуации в чрезвычайных ситуациях" и "Планы ликвидации аварийных ситуаций", которыми предусматриваются:

·        меры по защите жизни и здоровья работников при аварии;

порядок информирования соответствующих органов об аварии, ее причинах и принятых мерах;

·        мероприятия по локализации и ликвидации последствий аварий;

·        координация действий всех структурных подразделений по обеспечению готовности к локализации аварии и ликвидации её последствий.

Контроль за проведением необходимых испытаний и технических освидетельствований технических устройств, применяемых на опасных производственных объектах, ремонтом и поверкой контрольных средств измерений выполняется посредством соблюдения графика проекта производства работ ППР технического освидетельствования грузоподъемных машин, механизмов, технических устройств, котлов, а также по требованию органов надзора и соответствующих правил безопасности. Ремонт и поверка контрольных средств измерений производятся специализированными организациями, которые имеют соответствующие лицензии. Эта работа возложена на руководителей производственных объектов, а контроль за ее своевременным исполнением - на службу экологии, промышленной безопасности и ОТ.

Контроль за соблюдением технологической дисциплины осуществляется посредством анализа оперативной информации (ежесуточных сводок) и целевыми и периодическими проверками объектов структурных подразделений, группами производственного контроля, комиссией ПДК на предмет соблюдения проектной документации, режимно - технологических карт, регламентов, качества проведения инструктажей по профессиям и видам работ, обучения и аттестации персонала структурных подразделений. Ответственность за соблюдение технологической дисциплины возложена на руководителей объектов.

 

.5 Охрана труда, техника безопасности и противопожарные мероприятия на Архангельском терминале


7.5.1 Мероприятия по предотвращению и ликвидации аварий при эксплуатации терминала

В соответствии с ГОСТ 22.05-94 ”Техногенные чрезвычайные ситуации, термины и определения" нефтебаза категорируется, как пожаро-взрывоопасный объект. Для обеспечения безопасной эксплуатации объектов нефтебазы проектом предусматривается:

· оснащение объектов системами контроля, управления, автоматического регулирования, обеспечивающими заданную точность поддержания технологических параметров и безопасность нефти и нефтепродуктов в период эксплуатации. Все системы и приборы рассчитаны на работу во взрывопожарной среде и должны эксплуатироваться при соблюдении инструкции на их эксплуатацию;

· диаметры трубопроводов, по которым транспортируются нефть и нефтепродукты, выбраны с учетом допустимых скоростей движения жидкости, исключающих накопление статического электричества;

· оборудование понтонами резервуаров для хранения нефти, оборудование дисками-отражателями резервных ёмкостей для хранения нефти;

· установка огнепреградителей для защиты от возможности распространения пламени сливных коллекторов на железнодорожных эстакадах, на дыхательных и предохранительных клапанах резервуаров и технологических трубопроводах;

· устройство специально оборудованных мест на сливных эстакадах для выполнения операций по аварийному освобождению аварийных цистерн;

· коммуникации нефтебазы предусматривают возможность перекачки нефти и нефтепродуктов из резервуара в резервуар в случае возникновения аварийной ситуации;

· электрические контрольно-измерительные и автоматические приборы, устанавливаемые во взрывоопасных помещениях и на наружных установках, соответствуют установленным требованиям;

· предусмотрены защитные средства вращающихся и движущихся частей оборудования;

· все помещения оснащены пожарной сигнализацией;

· предусмотрено защитное заземление технологического оборудования каждого в отдельности, в том числе трубопроводов, резервуаров, насосов и приводов насосов;

· от проявлений разряда молний предусмотрена молниезащита всей площадки и оборудования установки.

7.5.2 Методы и средства защиты работающих от производственных опасностей

Опасные свойства углеводородов

.        Пары нефти представляют собой смесь паров углеводородов и воздуха, обладающими токсичными и взрывоопасными свойствами.

2.       Человек с нормальным обонянием ощущает запах паров углеводородов при концентрации их в воздухе около 400 мг/м3.

.        Легкое отравление парами углеводородов может наступить после 5-10 минут пребывания человека в атмосфере с концентрацией паров углеводородов в пределах от 900 до 3612 мг/м3. При этом появляются головная боль, головокружение, сердцебиение, слабость, психическое возбуждение, беспричинная вялость, легкие подергивания мышц, дрожание рук, мышечные судороги.

.        При непродолжительном вдыхании воздуха с концентрацией паров углеводородов от 5000 до 10000 мг/м3 уже через несколько минут появляются головная боль, неприятные ощущения в горле, кашель, раздражение слизистых оболочек носа, глаз. Кроме того, первыми признаками острого отравления парами углеводородов являются понижение температуры тела, замедление пульса и другие симптомы.

.        При концентрации паров углеводородов воздухе свыше 2,2 % (30 г/м3) после 10-12 вдохов человек отравляется, теряет сознание, свыше 3 % (40 г/м3) происходит молниеносное отравление (2-3 вдоха) - быстрая потеря сознания и смерть. Подобные концентрации паров углеводородов возможны в технологической емкости и аппаратах со свободной поверхностью углеводородов, а также после их осушения.

.        С повышением температуры окружающего воздуха сила токсического воздействия углеводородов резко повышается. При воздействии на кожу, обезжиривают ее и может вызывать кожные заболевания - дерматиты и экземы.

7.5.3 Требования безопасности и меры оказания помощи при отравлении парами углеводородов

1.       Должен быть предусмотрен автоматический контроль загазованности на площадке установки и в насосной.

2.       Периодичность контроля за ПДК для вредных веществ III и IV класса опасности должна быть не реже 1 раза в квартал.

При установленном соответствии содержания вредных веществ III и IV классов опасности уровню ПДК, по согласованию с органами государственного санитарного надзора, допускается проводить контроль не реже 1 раза в год.

.        В помещениях и на площадках для хранения и использования нефтепродуктов запрещается применение открытого огня, а искусственное освещение должно быть выполнено во взрывобезопасном исполнении.

4.       В помещениях и на площадках, где работают с нефтепродуктом, нельзя пить, курить, принимать пищу.

5.       При попадании на кожу нефтепродукта следует смывать его теплой водой с мылом.

.        При работе с технологическим оборудованием, где присутствуют углеводороды, не допускается использование инструмента, искрящего при ударе.

7.       При разливе нефтепродукта необходимо собрать его в отдельную тару, место разлива протереть сухой тряпкой; при разливе на открытой площадке место разлива засыпать песком, а затем удалить его.

.        При загорании топлива следует применять распыленную воду, пену, углекислый газ, перегретый пар.

.        При работах с углеводородами следует использовать средства индивидуальной защиты, а также применять специальную одежду и обувь в соответствии с действующими нормами.

.        При отравлении парами углеводородов пострадавшего надлежит немедленно вынести (или вывести) на свежий воздух, освободить от стесняющей одежды (расстегнуть ворот, пояс, брюки, юбку). В холодное время важным является также согревание пострадавшего. При этом надо хорошо растереть конечности, чтобы вызвать усиленную циркуляцию крови.

.        При потере сознания, остановке или ослаблении дыхания необходимо немедленно вызвать врача. До прибытия врача следует обеспечивать вдыхание кислорода, паров нашатырного, производить искусственное дыхание на свежем воздухе. При необходимости пострадавшего следует направить с сопровождающим в лечебное учреждение.

.        Когда пострадавший придет в сознание, необходимо напоить его крепким кофе или чаем (не давать спиртных напитков). При низкой температуре и плохой погоде пострадавшего не выносят на свежий воздух, а переводят в теплое хорошо вентилируемое помещение.

13.     При попадании нефтепродукта в организм через рот следует промыть желудок. Для этого необходимо выпить 1,5-2 л воды с одной столовой ложкой питьевой соды и вызвать рвоту. Повторить это стоит 2-3 раза до исчезновения частиц пищи и слизи. При необходимости проводят искусственное дыхание.

В тяжелом состоянии пострадавшему надо срочно вызвать врача.

7.5.4 Требования безопасности и защитные мероприятия при эксплуа-тации электроустановок, электрооборудования, обеспечение молниезащиты

1.       Электроустановки, электрооборудование и электроосвещение должны соответствовать требованиям действующих правил устройства и эксплуатации электроустановок.

2.       Для защиты людей от поражения электрическим током при повреждении изоляции должно предусматриваться защитное зануление и защитное заземление электрооборудования.

.        Заземление необходимо выполнять в соответствии с требованиями действующих государственных стандартов и строительных норм и правил.

.        Зануление выполняется путем присоединения всех нетоковедущих металлических частей электрооборудования, которые могут находиться под напряжением, к нулевой жиле питающего кабеля, а защитное заземление - путем присоединения вышеуказанных частей к заземляющему устройству. Суммарное сопротивление заземляющего устройства в любое время года должно быть не более 10 Ом.

.        Каждая часть электроустановки, подлежащая заземлению и занулению, должна быть присоединена к сети заземления и зануления при помощи отдельного ответвления. Последовательное включение в заземляющий или защитный проводник заземляемых и зануляемых частей электроустановки не допускается.

.        Электротехнические устройства и взрывозащищенные светильники должны соответствовать требованиям действующих государственных стандартов.

.        В соответствии с "Инструкцией по устройству молниезащиты зданий и сооружений" насосная и прилегающая технологическая площадка требует выполнения молниезащиты по 2 категории. Защита от прямых ударов молнии должна обеспечиваться отдельно стоящими молниеотводами, установленными на территории наливного комплекса. Все технологическое оборудование, площадка обслуживания, трубопроводы, а также металлические колонны навеса насосной подлежат заземлению.

8.       Для защиты насосной и технологической площадки от заноса высоких потенциалов по коммуникациям, вводимые извне, последние необходимо присоединить к заземляющему устройству.

.        Монтаж, наладку и обслуживание электрооборудования должны выполнять работники, имеющие соответствующую квалификацию, допуск к работам.

10.     В случаях поражения человека электрическим током необходимо как можно быстрее освободить его от факторов воздействия электрического тока с соблюдением соответствующих мер предосторожности и оказать квалифицированную медицинскую помощь пострадавшему.

7.5.5 Требования противопожарной безопасности на терминале

Проектируемые объекты Архангельского терминала обеспечиваются комплексом противопожарных мероприятий в соответствии с действующими требованиями норм и правил. Для защиты объектов предусматриваются следующие противопожарные мероприятия:

· автоматические установки комбинированного "подслойного" тушения резервуаров с легковосплапламеняющаяся с применением фторсинтетических пленкообразующих пенообразователей;

· стационарные установки водяного орошения резервуаров с легковоспла-пламеняющейся жидкостью;

· стационарные установки пенотушения воздушно-механической пеной средней кратности, железнодорожных эстакад, технологических насосных, узла выдачи топлива в автотранспорт;

· комбинированные лафетные гидромониторы;

· для обеспечения пожарной защиты проектируемых объектов терминала предусматривается пожарная насосная с резервуарами запаса воды 2´3000 м3 и

резервуарами хранения раствора пенообразователя 2´200 м3;

· тушение пожаров в резервуарах хранения нефтепродуктов предусматривается воздушно-механической пеной низкой кратности. В качестве пенообразователя предусматривается фторсинтетический тонкообразующий пенообразователь. Также принимается комбинированный способ тушения резервуаров с подачей пены на поверхность и в слой;

· при тушении нефтепродуктов в резервуарах с защитной стенкой типа "стакан в стакане" предусматривается ввод пены в межстенное пространство от пожарной техники;

· тушение пожаров на железнодорожных эстакадах предусматривается воздушно-механической пеной средней кратности. Охлаждение железнодорожных цистерн обеспечивается лафетными стволами из условия орошения каждой точки железнодорожной эстакады двумя лафетными струями;

· защита открытых технологических насосных узла выдачи топлива в автотранспорт предусматривается стационарными установками пенотушения с дистанционным пуском. Тушение предусматривается воздушно-механической пеной средней кратности. В районе узла выдачи топлива в цистерны предусматривается установка лафетных стволов из расчета орошении каждой точки узла двумя лафетными струями;

· причальный комплекс обеспечивается системой автоматической противопожарной защиты САПЗ в составе:

. Системы обнаружения и сообщения о пожаре.

. Береговой водозабор с пожарными насосами.

. Резервуар для хранения трехкратного запаса концентрата пенообразователя.

. Наружных трубопроводов пожарной воды.

. Системы растворопроводов и трубопроводов водяной завесы.

· на подводящих трубопроводах пожарной воды у каждой технологической площадки предусматриваются распределительные гребенки с соединительными головками для подключения пожарных мобильных средств.

Система противопожарной защиты всех объектов нефтебазы состоит из:

· системы обнаружения и сообщения о пожаре;

· насосной пожаротушения с резервуарами запаса воды и резервуарами хранения раствора пенообразователя;

· наружных сетей противопожарного водопровода высокого давления и растворопроводов системы пенотушения.

Заключение


Темпы добычи нефти в ТПНГП и других северных нефтедобывающих провинциях непрерывно растут. При благоприятном инвестиционном климате в течение ближайших 10-15 лет регион может занять одно из первых мест по объёмам добычи в России. В связи с всё возрастающими объёмами добычи актуальным становится вопрос о поисках новых путей транспортировки продукции или модернизации старых. Одним из примеров второй концепции развития является реконструкция Архангельского нефтеналивного терминала, с целью увеличения пропускной способности.

Интенсивная транспортировка нефтегазовых ресурсов влечёт за собой появление проблемы воздействия на окружающую среду, т.к. нефтетранспортные операции относятся к видам хозяйственной деятельности, представляющим собой повышенную опасность для населения и окружающей среды. Этим проблемам и посвящена данная дипломная работа.

В первых двух главах рассматривались общие сведения и характеристика воздействия реконструируемого объекта на различные компоненты окружающей среды. Выполнена оценка негативного воздействия терминала на эти компоненты и предложены действенные меры по сокращению или полной ликвидации данного воздействия.

В третьей главе подробнее рассмотрен вопрос о влиянии деятельности терминала на водную среду (проблема очистки сточных вод). В частности вынесены предложения по внедрению многоступенчатой системы очистки сточных вод, исключив из технологической схемы использование нефтеловушек.

В четвёртой главе внимание уделено внедрению в схему очистки принципа безнапорной фильтрации и более всего подходящего для этого осветительного зернистого фильтра SPF-2,0/0,25-RО, отличительной особенностью которого является наличие системы активной регенерации песчаной загрузки фильтра, позволяющей продлить срок полезного использования расходного материала (кварцевого песка), тем самым, снижая эксплуатационные расходы. Также выполнен гидравлический расчет потерь напора в дренажной и распределительной системах фильтра, и показано, что эти потери минимальны, поэтому возможна установка менее энергоёмких насосов.

В пятой главе выполнена экономическая оценка внедрения очистных сооружений сточных вод. Экономический эффект, хоть и несоизмерим с затратами, но всё же существует, и выражается в разнице выплат за нормативные и сверхлимитные сбросы. Однако на первый план здесь выходит экологический аспект - сокращение сбросов загрязняющих веществ в гидросферу.

В последних двух главах рассмотрен вопрос анализа причин возникновения, и рассмотрены различные сценарии развития аварийных ситуаций на терминале. Также высказаны предложения по предупреждению и предотвращению аварийных ситуаций, в результате которых может быть нанесен ущерб окружающей природной среде, нарушены условия нормальной жизнедеятельности людей.

Минимизации отрицательного воздействия на окружающую среду можно достичь за счёт выполнения нормативов природопользования, строгой производственной и трудовой дисциплины, внедрения в практику природосберегающих технологий, а также за счёт проведения мониторинга природной среды для контроля качества её компонентов.

Соблюдение всех требований природоохранного законодательства, применение современных технологий и повышенное внимание к экологической и промышленной безопасности делают возможными транспортировку нефти через Архангельский нефтеналивной терминал без существенного воздействия на окружающую среду.

Список использованых источников


1. Баринов А.В., Сафин С.Г., Губайдуллин М.Г. // Состояние запасов и перспективы освоения северной части Тимано-Печорской нефтегазоносной провинции // Нефтепромысловое дело. - 2001. - №6.

. Водный Кодекс Российской Федерации от 16 ноября 1995 г. №167. - ПЦПИ, 1995.

. Згонникова В.В. Экономика инвестиционных проектов нефтегазового производства: Учебно-методические указания по подготовки курсовых и дипломных работ студентами нефтегазовых специальностей. - Архангельск: изд-во АГТУ, 2003. - 18с.

. Кормак Д. // Борьба с загрязнением моря нефтью и химическими веществами. - М.: Транспорт, 1989. - 365 с.

. Методика определения предотвращенного экологического ущерба. Москва 1999.

. Оценка воздействия на окружающую среду Архангельского нефтеналивного терминала. - Москва 1999 г

. Панов Г.Е., Петряшин Л.Ф., Лысяный Г.Н. // Охрана окружающей среды на предприятиях нефтяной и газовой промышленности. - М.: Недра, 1986. - 244 с.

. Пособие по оценке опасности, связанной с возможными авариями при производстве, хранении, использовании и транспортировке больших количеств пожароопасных, взрывоопасных и токсичных веществ. - М., 1992.

. Постановление "О порядке действия на территории Российской Федерации нормативных актов бывшего союза ССР в области санитарно-эпидемиологического благополучия населения" (Государственный комитет санитарно-эпидемиологического надзора РФ (Госкомсанэпиднадзор России), № 1, от 06.02.92).

. Постановление Правительства РФ № 344 от 12 июня 2003 г. "О нормативах платы за выбросы в атмосферный воздух загрязняющих веществ стационарными и передвижными источниками, сбросы загрязняющих веществ в поверхностные и подземные водные объекты, размещение отходов производства и потребления".

. Правила охраны от загрязнения прибрежных вод морей. Минводхоз, Минздрав, Минрыбхоз СССР, 1987.

. Правила охраны поверхностных вод (типовые положения). Госкомприроды СССР, 1991.

. РД 39-142-00 "Методика расчёта выбросов вредных веществ в окружающую среду от неорганизованных источников нефтегазового оборудования" - Краснодар, 2001.

. Реймерс Н.Ф. // Охрана природы и окружающей человека среды // М.: Просвещение, 1992.

. СП 11-102-97 "Инженерно-экологические изыскания для строительства". - Госстрой России.М., ПНИИС, 1997.

. Федеральный Закон РФ "Об охране атмосферного воздуха" от 4 мая 1999г. №96. - ПЦПИ, 1999.

. Ярунов А. С, Каргаполов М.Д. Экономическое обоснование проектируемых мероприятий в дипломных проектах студентов технических специальностей. Ч.I. - Архангельск: Изд-во АГТУ, 2003.

Похожие работы на - Разработка предложений по вопросам защиты экологических систем на территории нефтяного терминала ОАО 'НК 'Роснефть-Архангельскнефтепродукт'

 

Не нашли материал для своей работы?
Поможем написать уникальную работу
Без плагиата!
Без нейросетей!