Формообразование поверхностей деталей 'Проходник'
Введение
Задача нормирования времени возникает на
различных этапах проектирования технологического процесса сборки. В начале ее
приходится решать для установления типа производства. На основе разработанных
технологических схем общей и узловой сборки выявляют несколько характерных
операций и для них определяют нормы времени по укрупненным нормативам или
другими приближенными методами нормирования. Сопоставляя среднеарифметическое
из этих норм с темпом работы, устанавливают тип производства.
На этапе разработки маршрутной технологии нормы
времени устанавливают на все операции технологического процесса после выявления
их структуры и содержания. Для серийного производства при нормировании
используют укрупненные нормативы, для массового применяют расчетно-аналитический
метод нормирования.
На этапе разработки операционной технологии в
массовом производстве установленные ранее нормы времени корректируют после
внесения в содержание операций отдельных изменений (уменьшение и перекрытие
элементов штучного времени, изменение структуры операций). Откорректированные
нормы времени увязывают с темпом работы. Содержание операций и нормы времени
подробно прорабатывают при автоматизации сборочных процессов, при многомашинном
обслуживании, а также при использовании роботов на основных и вспомогательных
операциях.
1.
Отделочный этап
.1
Круглошлифовальная операция
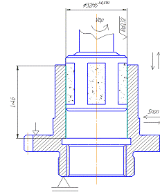
.Шлифовать поверхность Ш 38,3 предварительно (по
варианту- врезной схемой).
Выбор режущего инструмента
Выбираем шлифовальный круг прямого профиля ПП по
ГОСТ 2424-83.
Геометрические параметры круга:Dк=600
мм; Н=250 мм; В=60 мм.
Параметры материала:15А50С1К
А-электрокорунд нормальный для предварительной
обр-ки легированных сталей [1,стр.242]
-зернистость для предварительного шлифования
[1,стр.247,табл.166]
П-индекс зернистости (содержание осн.
фракции-55%) [1,стр.245]
С1-степень твердости для круглого врезного
шлифования [1,стр.249]
К1-керамическая связка для всех видов
шлифования, для инструмента из электрокорунда [1,стр.247]
А-класс точности [1,стр.250]
Максимальная скорость вращения круга-35 м/с.
Полное обозначение инструмента: ПП 600х250х40
15А50С1К 35 м/с.
Рис.1-Шлифкруг прямого профиля ПП. ГОСТ 2424-83
Выбор
цикла шлифования
Обработка проводится с циклом без окончательного
шлифования.
Рис.2-Схема цикла без окончательного шлифования
Расчет
технологических режимов резания
1.Окружная скорость заготовки:
.Частота вращения заготовки и
действительная скорость вращения:
Используем круглошлифовальный станок
модели 3151:
Технические данные:
Наибольший диаметр шлифкруга Dк,
мм…………………..600
Наибольшая высота шлифкруга В,
мм………………………...100
Внутренний диаметр круга,
мм………………………………......305
Максимальный диаметр шлифования,
мм……………………….150
Частота вращения шпинделя
шлифовальной бабки, об/мин…….1100
Мощность двигателя шлифовальной
бабки, кВт…………..7
Частота вращения планшайбы бабки,
об/мин……………...75,150,300
Принимаем
;
Действительная скорость вращения
заготовки:
.Окружная скорость абразивного
круга:
4.Расчет минутной
радиальной подачи (средней) в мм/мин:
Максимальное значение подачи:
Минимальное значение подачи :
Среднее значение:
.Расчет основного времени обработки:
Где
припуск обработки на сторону,
коэффициент выхаживания.
.Расчет эффективной мощности
шлифования:
полезная мощность станка;
шлифование возможно
.Проверка на условие
бесприжоговости:
Удельная мощность:
Допустимая удельная мощность:
где
коэффициент для твердости материала
круга С1,
условие выполняется.
1.2
Круглошлифовальная операция
.Шлифовать поверхность Ш 38,02 окончательно (по
варианту- врезной схемой).
Выбор режущего инструмента
Выбираем шлифовальный круг прямого профиля ПП по
ГОСТ 2424-83.
Геометрические параметры круга (аналогичные) :Dк=600
мм; Н=250 мм; В=60 мм.
Параметры материала:24А20С2К-
А-электрокорунд нормальный для окончательной
обр-ки легированных сталей [1,стр.242]
-зернистость для окончательного шлифования
[1,стр.247,табл.166]
С2-степень твердости для круглого врезного
шлифования [1,стр.249]
К-керамическая связка для всех видов шлифования,
для инструмента из электрокорунда [1,стр.247]
-класс неуравновешенности [1,стр.250]
Максимальная скорость вращения круга-35 м/с.
Полное обозначение инструмента: ПП 600х250х40
24А20С2К 35 м/с.
Выбор цикла шлифования
Поскольку проводиться окончательное шлифование
на 5 квалитет после термообработки легированной стали, обработка производиться
полным циклом шлифования.
Рис.3-Схема полного цикла шлифования
Расчет технологических режимов резания
1.Окружная скорость заготовки для закаленной
стали:
.Частота вращения заготовки и
действительная скорость вращения:
Используем
аналогичный круглошлифовальный станок модели 3151.
Принимаем
;
Действительная скорость вращения
заготовки:
.Окружная скорость абразивного
круга:
.Расчет минутной радиальной подачи
на каждом этапе, в мм/мин:
Подача на участке 0-1:
Подача на участке 1-2:
.Расчет основного времени обработки:
Где
припуск обработки на сторону,
припуск обработки на этапе 0-1,
припуск обработки на этапе 1-2,
коэффициент выхаживания.
.Расчет эффективной мощности
шлифования на каждом этапе:
полезная мощность станка;
шлифование возможно
.Проверка на условие
бесприжоговости:
Удельная мощность:
Допустимая удельная мощность:
где
коэффициент для твердости материала
круга С2,
условие выполняется.
1.3
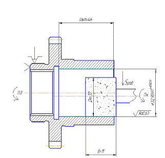
Внутришлифовальная операция
.Шлифовать поверхность Ш 32,95 окончательно (по
варианту- продольное схемой).
Выбор режущего инструмента
Выбираем шлифовальный круг прямого профиля ПП по
ГОСТ 2424-83.
Геометрические параметры круга:Dк=10мм;
Н=5 мм; В=11 мм.
Параметры материала:24А50ПС18К0А2-
А-электрокорунд нормальный для окончательной
обр-ки легированных сталей [1,стр.242]
-зернистость для окончательного внутреннего
шлифования [1,стр.247,табл.166]
П-индекс зернистости (содержание осн.
фракции-55%) [1,стр.245]
С1-степень твердости для внутреннего
окончательного шлифования [1,стр.249]
-номер структуры абразива для внутреннего
шлифования [1,стр.249]
К0-керамическая связка для малогабаритных кругов
для внутреннего шлифования, для инструмента из электрокорунда [1,стр.247]
А-класс точности [1,стр.250]
-класс неуравновешенности [1,стр.250]
Максимальная скорость вращения круга-35 м/с.
Полное обозначение инструмента: ПП 10х5х11
24А50ПС18К0А2 35 м/с.
Выбор цикла шлифования
Поскольку проводиться окончательное шлифование
на 7 квалитет после термообработки, обработка производиться полным циклом
шлифования.
Расчет технологических режимов
резания
1.Окружная скорость заготовки для закаленной
стали:
.Частота вращения заготовки и
действительная скорость вращения:
Используем
внутришлифовальный станок модели 3К228В:
Технические данные:
Наибольший диаметр шлифкруга Dк, мм……………………………25
Наибольшая высота шлифкруга В,
мм…………………………….....25
Максимальный диаметр шлифования,
мм………………………….200
Частота вращения шпинделя шлифовальной бабки,
об/мин…20000-100000
Мощность двигателя шлифовальной бабки,
кВт……………………...5,5
Частота вращения бабки заготовки,
об/мин…………….........280-2000
;
.Окружная скорость абразивного круга
(при этом выбираем частоту вращения круга
) :
.Расяитуем величину подач при
обработке.:
Продольная подача: 

Минутная подача: 



.Расчет величины рабочего хода
стола:
.
. Определить число одинарных и
двойных ходов:
.
.
7.Расчитать
поперечную подачу на один ход
.
.Расчет основного времени обработки:
Где
припуск обработки на сторону,
припуск обработки на этапе 0-1,
припуск обработки на этапе 1-2,
.Расчет эффективной мощности
шлифования на каждом этапе:
.
полезная мощность станка;
шлифование возможно
.Проверка на условие
бесприжоговости:
Удельная мощность:
Допустимая удельная мощность:
где
коэффициент для твердости материала
круга С1,
условие выполняется.
2.
Хонингование
.Параметры обрабатываемой поверхности для
предшествующей и текущей ступеней обработки:
Поверхность- отверстие Ш 32 Н6; Ra 0,32, L=46.
Предшествующая операция- шлифование: Ш31,95 Н6, Rа
0,63.
. Определение припуска на хонингование:
z=0,04 (мм)- припуск
на диаметр [2,стр.114,табл.П.5.3];
z=0,02 (мм)- припуск
на сторону [3,стр. 431, табл.71];
припуск на черновой обработке
[3,стр.431,табл.70],
припуск на чистовой обработке
[3,стр.431,табл.70].
. Выбор оборудования для операции
хонингования:
Выбираем вертикальный хонинговальный
станок ОФ-50 [4,стр.255,табл.1,36]:
Технические данные:
Наибольший диаметр хонингования,
мм……………………………50
Наибольшая длина хода,
мм………………………………………..200
Скорость хонинговальной головки,
об/мин…………………..200-800
Мощность приводного электродвигателя,
кВт………………………1
Вес станка,
кН…………………………….…………………………10
. Назначение инструмента:
Поскольку припуск z=0,025<0,05
мм, применяем абразивный инструмент.
Применяем абразивные бруски на
основе бруска прямоугольного БП по ГОСТ 2456-82.
Рис.4- Брусок прямоугольный БП. ГОСТ
2456-82
обработка поверхность
деталь хонингование
Состав, размеры и число брусков в
хонинговальной головке:
Состав материала абразива для
закаленной стали- 63С М40 СМ1 7 Б А [3,стр.433,табл.73], где-
С- зеленый
карбид кремния для абразивной обработки [1,стр.243],
М40- зернистость для
хонингования [1,стр.247],
СМ1- степень твердости для
хонингования [1,стр.249],
- номер структуры зерна [1,стр.249],
Б- бакелитовая связка для
абразивного инструмента
[1,стр.243];
А- класс точности
[1,стр.250]
Рис. 5- Геометрические параметры
обработки
Геометрические размеры брусков [3,стр.433,436]:
l=(0,5…0,75)*L=0,5*33=16,5
(мм)- длина брусков. Примем l=17 (мм).
lвых=1/3*l=1/3*17=5,66
(мм)- длина выходов брусков. Примем lвых=6 (мм).
Lрх=L+2*lвых-l=46+2*6-17=41
(мм)- длина рабочего хода.
Режущий периметр [3,стр.434]:
режущая поверхность брусков,
где
периметр обр. поверхности.
Примем количество брусков в
головке-3 [3,cтр.431,433];
Ширина брусков:
.
Высота с=4,5 (мм).
Полное обозначение инструмента: БП
8х4,5х22 63С М40 СМ1 7 Б А ГОСТ 2456-82.
5. Назначение продольной подачи:
Поскольку Lрх=35,5<50,
то примем Vпр=5 (м/мин)
[3,стр.435].
. Назначение окружной скорости
вращения головки:
Примем Vвр.черн=Кчерн*Vпр=3*5=15
(м/мин)- на черновом этапе,
Vвр.чист=Кчист*Vпр=7*5=35
(м/мин)- на чистовом этапе,
Где К=Vвр/Vпр- соотношение между
скоростью вращения и скоростью возвратно-поступательного движения
хонинговальной головки.
Кчерн=3; Кчист=7
[3,стр.436,табл.74].
. Назначение поперечной подачи:
Sпоп.черн=0,003
(мм/дв.х)- на черновом этапе,поп.чист=0,0004 (мм/дв.х)- на чистовом этапе.
. Число двойных ходов:
.
9. Расчет времени
обработки:
3.
Суперфиниширование
.Параметры обрабатываемой поверхности для
предшествующей и текущей ступеней обработки:
Поверхность- хвостовик Ш 46 h7;
Ra 0,32, L=46
Предшествующая операция- шлифование: h7,
Rа 0,63.
. Определение припуска на суперфиниширование:
z=0,05 (мм)- припуск
на диаметр [2,стр.114,табл.П.5.3];
z=0,0025 (мм)-
припуск на сторону [3,стр. 438, табл.75];
Припуск на операции должен превышать высоту
неровностей поверхности полученной на предыдущей обработке - чистовом
шлифовании (Rz 1,25).
. Выбор оборудования для операции
суперфиниширования:
Выбираем суперфинишный круглошлифовальный станок
3870Б :
Технические данные:
Наибольший диаметр обрабатываемой модели,
мм……………….140
Наибольшая длина обрабатываемой детали,
мм…………………...360
Мощность приводного электродвигателя,
кВт………..…………….3
Масса станка, т……………………………………………………3,61
. Назначение инструмента:
Применяем абразивные бруски на основе бруска
прямоугольного БП по ГОСТ 2456-82.
Рис.5- Брусок прямоугольный БП. ГОСТ 2456-82
Применяем число брусков-2;
Состав материала брусков:
Состав материала абразива для закаленной стали- 23А
М14 СМ1 7 Б А [3,стр.433,табл.73], где-
А- белый
электрокорунд для абразивной обработки [1,стр.243],
М14- зернистость для
суперфиниширования [1,стр.247],
СМ1- степень твердости для
суперфиниширования [1,стр.249],
- номер структуры зерна [1,стр.249],
Б- бакелитовая связка для
абразивного инструмента [1,стр.243];
А- класс точности
[1,стр.250].
Геометрические размеры брусков:
Поскольку имеем на данной поверхности лыски
шириной b=20 мм, ширина
бруска должна быть равна В=1,6*b=1,6*20=32 (мм) [3,стр.438].
Рис.6 Схема расположения абразивных брусков.
Длина бруска для врезного суперфиниширования без
продольной подачи равна l=L=30(мм);
Высота бруска с=8 (мм).
Полное обозначение инструмента: БП 22х8х30
23А М14 СМ1 7 Б А ГОСТ 2456-82;
Стандартные бруски подвергаються пропитке
твердым смазочным материалом в виде раствора или расплава [3,стр.438].
Угол установки между брусками-60 градусов
[3,стр.439].
Рис.7- Схема закрепления абразивных брусков.
. Расчет режимов резания
Амплитуда колебаний осциллирующего движения
брусков А=(2…6)=4 (мм) [3,стр.439].
Скорость колебаний Vкол=(5…7)=5
(м/мин) [3,стр.439].
Вращательная скорость детали [3,стр.439]:
на черновом этапе Vвр.черн=Кчерн*Vкол=3*Vкол=3*5=15
(м/мин),
на чистовом этапе Vвр.чист=Кчист*Vкол=10*Vкол=10*5=50
(м/мин),
где К=Vвр/Vкол.
Давление брусков для деталей из стали, 0,1-0,3
МПа [3,стр.439]. Примем 0,2 МПа.
. Расчет основного машинного времени:
где Ст=0,067, k1=0,62-
коэффициенты.
4.
Технологическое нормирование операций ТП
.Определение программы запуска:
,
где Nвып-
заданная годовая программа выпуска (4200шт.),
a=2,5 %-
общая доля вероятного брака,
b=3,5 %-
общая доля деталей идущих на запчасти,
с=3 %- общая доля деталей
незавершенного производства.
2.Определение размера партии
деталей:
где a=6-
периодичность запуска (3,6,12,24),
- число рабочих дней в году.
Нормирование операций ТП:
Табл. 1. Нормирование операций
|
Наименование
Операций
|
Основное
время,
To
|
Вспомогательное
время,
Tв
|
Опер.
время, Топ
|
Время
обслуживания, Тоб
|
Время
нормированных перерывов, Тнп
|
Штучное
время, Тшт
|
Подготовит-заключит.
время, Тп-з
|
Тп-з./n
|
Штучно
калькуляционное время, Тшт-к
|
|
|
|
Установка
и снятие детали
|
Управление
станком
|
Измерение
деталей
|
Серийное
|
|
|
|
|
|
|
|
|
|
|
1.
|
Токарная
|
1.12
|
0.15
|
0.205
|
0.29
|
1.2
|
2.32
|
0.33
|
0.0394
|
0.37
|
0,1392
|
2.8236
|
11
|
0.28
|
3,1036
|
|
2
|
Сверлильная
|
2.11
|
0.07
|
0.15
|
0.04
|
0.48
|
2,59
|
0.05
|
0.044
|
0.1
|
0.038
|
2,678
|
14
|
0.35
|
3,028
|
|
3
|
Зубофрезерная
|
3.6
|
0.06
|
0.11
|
0.15
|
0.59
|
4.19
|
0.2
|
0.27
|
0.336
|
4.726
|
18
|
0.45
|
5.176
|
|
4.
|
Круглошлифовальная
предварительная
|
0.15
|
0.07
|
0.03
|
0.09
|
0.35
|
0.49
|
0.14
|
0.0083
|
0.15
|
0.0136
|
0.6436
|
8
|
0.2
|
0.844
|
|
5.
|
Круглошлифовальная
окончательная
|
0.28
|
0.07
|
0.03
|
0.09
|
0.35
|
0.633
|
0.14
|
0.0083
|
0.15
|
0.0136
|
0.786
|
8
|
0.2
|
0.986
|
|
6
|
Внутришлифовальная
|
0.71
|
0.07
|
0.06
|
0.04
|
0.31
|
1.02
|
0.14
|
0.017
|
0.16
|
0.043
|
1.203
|
16
|
0.4
|
1.63
|
|
7
|
Хонинговальная
|
0.38
|
0.06
|
0.05
|
0.085
|
0.36
|
0.74
|
0.03
|
0.013
|
0.04
|
0.079
|
0.849
|
5
|
0.13
|
0.979
|
|
8
|
Суперфинишная
|
0.6
|
0.08
|
0.07
|
0.08
|
0.43
|
0.78
|
0.03
|
0.014
|
0.04
|
0.083
|
0.893
|
10
|
0.25
|
1.143
|
Пример нормирования для заданной
круглошлифовальной предварительной операции:
Топ.=То+Тв'=0,15+(0,07+0,03+0,09)х1,85=0,49
(мин.);
Тшт.=Топ.+Тоб.+Тн.п.=0,49 +0,14+0,0136=0,6436
(мин.);
Тшт-к.=Тшт+Тп-з./n=0,6436+8/40=0,844
(мин.).
Коэффициент загрузки:
- расчетное число станков,
принятое число станков,
- такт выпуска продукции,
(ч.)- действительный годовой фонд
времени, где
(ч.)- календарный годовой фонд
времени, при двухсменной работе,
- коэффициент, учитывающий ремонт
оборудования (0,95…0,97).
Расчет и оптимизация загрузки
оборудования
Табл. 2. Загрузка оборудования до оптимизации
|
№
|
Наименов.
операции
|
Модель
оборудования
|
Т
шт-к
|
Расчетное
число станков ,mр
|
Коэфф.
загрузки , hз
|
Средний
коэфф. загрузки, hз ср
|
|
1
|
Токарная
|
16Б16А
|
3.104
|
0.0227
|
0.0227
|
0.015
|
|
2
|
Сверлильная
|
5К310
|
3.028
|
0.0221
|
0.0221
|
|
|
3
|
Зубофрезерная
|
5В832
|
5.176
|
0.0378
|
0.0378
|
|
|
4
|
Круглошлифовальная
предварительная
|
3151
|
0.844
|
0.0062
|
0.0062
|
|
|
5
|
Круглошлифовальная
окончательная
|
3151
|
0.986
|
0.0072
|
0.0072
|
|
|
6
|
Внутришлифовальная
|
3К228В
|
1.63
|
0.012
|
0.012
|
|
|
7
|
Хонинговальная
|
ОФ-50
|
0.979
|
0.0072
|
0.0072
|
|
|
8
|
Суперфинишная
|
3870Б
|
1.143
|
0.00835
|
0.00835
|
|
Табл. 3. Загрузка оборудования после оптимизации
|
№
|
Наименов.
операции
|
Модель
оборудования
|
Т
шт-к
|
Расчетное
число станков, mр
|
Принятое
число станков, mпр
|
Коэфф.
загрузки , hз
|
Средний
коэфф. загрузки, hз ср
|
|
1
|
Токарная
|
16Б16А
|
3.104
|
0.0227
|
2
|
0.011
|
0.0082
|
|
2
|
Сверлильная
|
5К310
|
3.028
|
0.0221
|
2
|
0.011
|
|
|
3
|
Зубофрезерная
|
5В832
|
5.176
|
0.0378
|
4
|
0.0095
|
|
|
4
|
Круглошлифовальная
предварительная
|
3151
|
0.844
|
0.0062
|
1
|
0.006
|
|
|
5
|
Круглошлифовальная
окончательная
|
3151
|
0.986
|
0.0072
|
1
|
0.007
|
|
|
6
|
Внутришлифовальная
|
3К228В
|
1.63
|
0.012
|
2
|
0.006
|
|
|
7
|
Хонинговальная
|
ОФ-50
|
0.979
|
0.0072
|
1
|
0.007
|
|
|
8
|
Суперфинишная
|
3870Б
|
1.143
|
0.00835
|
1
|
0.008
|
|
График загрузки до оптимизации
График загрузки после оптимизации
Список
использованной литературы
1. Справочник
технолога-машиностроителя. Под ред. Косиловой А.Г. и Мещерякова Р.К. т.2., М.,
1985, 656 с.
2. Определение
припусков на механическую обработку и технологические размерные расчеты. Гранин
В.Ю., Долматов А.И., Лимберг Э.А., Харьков, ХАИ, 1993, 119 стр.
. Справочник
технолога-машиностроителя. Под ред. Косиловой А.Г. и Мещерякова Р.К. т.1., М.,
1985, 656 с.
4.
Металлорежущие станки. Под ред. Ачеркана Н.С., т.1, М., Машиностроение, 1965,
765 с.
.
Выбор оборудования и метода механической обработки детали по минимуму
приведенных затрат. Мунгиев А.М., Горбачев А.Ф., Жданов А.А., Харьков, ХАИ,
2006, 60 стр.
6. Оформление
технологической документации в курсовых и дипломных проектах. Барсуков А.П.,
Горбачев А.Ф., Гранин В.Ю., Харьков, ХАИ, 1990, 45 стр.