Технологический процесс раскроя листового металла

  • Вид работы:
    Дипломная (ВКР)
  • Предмет:
    Другое
  • Язык:
    Русский
    ,
    Формат файла:
    MS Word
    1,92 Мб
  • Опубликовано:
    2012-09-16
Вы можете узнать стоимость помощи в написании студенческой работы.
Помощь в написании работы, которую точно примут!

Технологический процесс раскроя листового металла

1. Введение

Современное машиностроительное производство трудно представить без станков с числовым программным управлением. Сегодня они широко применяются как на промышленных гигантах, так и на малых предприятиях. Несомненно, что успешное развитие машиностроительной промышленности невозможно без активного использования оборудования с ЧПУ и автоматизации производства.

Увеличение парка станков с ЧПУ приводит к повышению требований к технологической подготовке производства, в том числе к качеству разработки управляющих программ (УП). Разработка УП - сложный и трудоемкий процесс, во многом определяющий эффективность использования оборудования с ЧПУ и качество обрабатываемых деталей, поэтому сейчас большое внимание обращается на разработку и совершенствование систем и методов автоматизированной подготовки УП. Особое внимание проблеме автоматизированной подготовки управляющих программ уделяется в составе комплексной системы САПР-АСТПП-ГПС. программа при этом является результатом сквозного цикла обработки информации от чертежа детали до программы ее изготовления на станках с ЧПУ, совокупность команд на языке программирования, соответствующая заданному алгоритму функционирования станка по обработке конкретной заготовки. Система автоматизированного программирования (САП) оборудования с ЧПУ - составная часть такой комплексной системы.

Сегодня все основные разработчики САПР в составе своих программных комплексов предлагают модули для разработки УП для станков с ЧПУ. К достоинствам этих модулей можно отнести то, что, будучи интегрированными в системы автоматизированного проектирования и соответственно обеспечивая корректный обмен моделями между конструкторскими и технологическими модулями, они позволяют успешно разрабатывать УП для основных видов металлообрабатывающего оборудования со стандартными технологическими возможностями - для фрезерных, токарных и электроэрозионных станков. Недостатками же многих систем являются необходимость в высокой квалификации технологов для работы в CAM-системе, зачастую неинформативный интерфейс пользователя, необходимость выполнения многочисленных ручных операций, недостаточно развитые функции диагностики программ на предмет выявления ошибок, ограниченные возможности создания УП для наиболее современных или уникальных видов оборудования.

Для предприятий, использующих машины термической резки, лазерной, гидроабразивной, и прочих видов резки металла внедрение современных информационных технологий - задача из числа самых актуальных. Понятно, что сокращение сроков подготовки программ раскроя, оптимальное размещение деталей на листе, меньший расход материала решающим образом повлияют на себестоимость и качество выпускаемой продукции. Одной из технологических операций, автоматизация которой особенно выгодна и широко распространена - раскрой листового материала. На сегодняшний день разработано и успешно используется несколько программных комплексов, которые помогают технологу эффективно решить эту задачу.

Цель данной дипломной работы - разработать технологический процесс раскроя листового металла (фигурный) и управляющую программу для станка с ЧПУ с помощью одного из самых распространённых отечественных программных комплексов Техтран, создать пакет необходимой документации, проанализировать особенности этого комплекса и способы повышения эффективности работы с ним.

2. Обзор программного комплекса «Техтран»

.1 Общие сведения

Техтран - это семейство современных CAM систем, объединенных общим названием, единой структурой и интерфейсом, эффективно сочетающих лучшие свойства графических и технологических систем проектирования, преимущества профессионально ориентированного пользовательского интерфейса со всеми достоинствами представления программы на понятном технологу языке.

Каждая из систем, входящих в семейство, ориентирована на определенный вид обработки. Едиными для всех являются: стандартные функции разработки, контроля и отладки УП и, прежде всего, ядро входного языка, включающее все геометрические определения и универсальные технологические и специальные операторы. Благодаря универсальности решений и открытости данных Техтран уже более двадцати лет успешно используется предприятиями самых различных отраслей.

Техтран обеспечивает:

построение геометрической модели детали,

задание обработки: построение траектории движения инструмента и назначение технологических команд,

получение УП для различных станков с ЧПУ,

автоматическую генерацию текста программы на языке Техтран,

средства разработки и отладки программ,

обмен геометрическими данными с другими CAD/CAM системами,

средства настройки на конкретное оборудование с ЧПУ

Разработка технологического процесса раскроя

Сегодня комплекс включает следующие компоненты:

Техтран - Фрезерная обработка
Проектирование управляющих программ (УП) 2.5-координатной обработки деталей на фрезерных, сверлильных, расточных станках с ЧПУ и обрабатывающих центрах.

Техтран - Токарная обработка
Проектирование управляющих программ (УП) обработки деталей на токарных и карусельных станках с ЧПУ и обрабатывающих центрах.

Техтран - Токарно-фрезерная обработка
Проектирование управляющих программ (УП) обработки деталей для токарно-фрезерных центров с ЧПУ.

Техтран - Раскрой листового материала (фигурный)
Kомплексноe решение задачи раскроя листового материала.

Техтран - Раскрой листового материала (прямоугольный)
Комплексное решение задачи прямоугольного раскроя листового материала.

Техтран - Электроэрозионная обработка <#"554699.files/image001.gif">

Программа организует взаимодействие различных объектов, задействованных в процессе раскроя листового материала.

Из деталей, которые необходимо изготовить, формируется задание на раскрой.

В задание на раскрой отбираются листы. Они служат основой для создания раскроев этих листов с целью изготовления деталей. В качестве листа может быть выбран типовой лист со склада или лист произвольного размера.

Затем производится размещение деталей на листах. Программа обеспечивает возможность автоматического и ручного размещения на листах деталей, входящих в задание на раскрой. При этом отслеживается количество неразмещенных деталей, и проверяется возможность изготовления детали из выбранного листа.

По размещению деталей на листе программируется раскрой листа: строится траектория движения инструмента с необходимым набором технологических команд.

Из неиспользованной части листа формируются листы делового отхода, которые могут быть задействованы снова.

После того, как запрограммированы раскрои листов, могут быть получены соответствующие управляющие программы и другие выходные документы.

.2.3 Формирование задания на раскрой

Процесс работы начинается с формирования задания на раскрой. В него вносятся все детали, которые требуется изготовить, причем для каждой из них указывается количество экземпляров. Листы для задания на раскрой берутся со склада цельных листов или деловых отходов. Затем в это задание включаются листы для изготовления деталей. При этом она отслеживает количество неразмещенных деталей и возможность изготовления детали из выбранного листа.

2.2.3.1 Режимы размещения деталей на листе

Система позволяет размещать детали на листе в ручном и автоматическом режимах. При использовании ручного режима детали выбираются из списка неразмещенных деталей задания на раскрой и поочередно укладываются на лист материала, а затем перемещаются на свободное место средствами графического редактора. Технолог выбирает оптимальное положение деталей и размещает их, используя инструменты Техтран. Имеются также средства точного контроля взаимного расположения объектов.

В режиме ручного размещения программа берет на себя ряд полезных функций. К их числу относятся различные способы перемещения деталей с соблюдением требуемых расстояний между деталями и между деталями и краем листа:

Совмещение сторон деталей позволяет расположить две детали таким образом, чтобы совместить их выбранными сторонами.

Выравнивание деталей по прямой. Такая возможность полезна при расположении деталей под обработку сквозным резом.

Строгий контроль перемещения деталей. Включение этой функции позволяет перемещать детали как реальные предметы, для которых другие детали и край листа являются непреодолимым препятствием.

Предупреждающий контроль перемещения деталей, при котором перемещение не ограничивается свободной областью листа. Если деталь попадает в зону перекрытия с другими объектами, программа выдаст соответствующее предупреждение: изменится цвет перемещаемой детали.

Перемещение деталей до упора. Эта функция позволяет прижать деталь к самому краю свободной области листа. Иными словами, перемещение детали в том или ином направлении возможно до тех пор, пока она не упрется в другую деталь или в край листа.

Копирование деталей вплотную друг к другу. В этом режиме программа автоматически определяет расстояние, на которое можно переместить деталь в заданном направлении, чтобы детали располагались вплотную друг к другу.

В режиме автоматического размещения программа укладывает детали задания на листы оптимальным образом. Требующиеся дополнительные листы могут быть автоматически взяты со склада. Программа позволяет также автоматически разместить отобранные детали на конкретном листе. При этом выдерживаются заданные расстояния до края листа и между деталями. Стратегия автоматического размещения обеспечивает весьма высокий коэффициент использования материала. Пользователь имеет возможность подобрать оптимальное соотношение между качеством размещения деталей и временем расчета. При автоматическом размещении задается способ уплотнения деталей на листе, заполненном не целиком. Это влияет на форму и пропорции делового отхода с учетом специфики его дальнейшего использования. Управление выбором деталей для заполнения отверстий позволяет задействовать для размещения в пустотах внутри деталей более мелкие или более крупные детали или же вовсе не заполнять отверстия.

Сочетание автоматического и ручного размещения деталей дает возможность выгодно использовать преимущества каждого режима для наиболее эффективной работы.

.2.3.2 Программирование обработки

После того, как детали размещены на листе, программируется обработка. В простейшем случае достаточно последовательно указать обрабатываемые контуры деталей. Программа строит траекторию движения инструмента с учетом необходимых поправок, формирует подходы, отходы и вспомогательные перемещения инструмента, команды включения и выключения резака, подачи, коррекции и т.д. Возможно настроить следующие параметры:

Подход и отход. Предусмотрена возможность разнообразной настройки способов подхода к обрабатываемому контуру (по прямой, по дуге, по нормали, по касательной и т.п.), выбора точки подхода (автоматически или явно) и режимов работы резака на различных стадиях обработки.

Перемычки. На контуре детали могут быть выделены непрорезаемые участки - перемычки. При построении траектории программа автоматически формирует в таких местах команды включения и выключения резака и встраивает участки подхода и отхода.

Мостики между деталями позволяют обрабатывать несколько деталей без выключения резака. Задание точек перехода траектории от одной детали к другой производится после размещения деталей и учитывается при построении окончательной траектории резака.

Петли обеспечивают качественную обработку углов деталей и могут быть назначены для любого угла.

Назначенная обработка. Для упрощения работы обработка деталей может быть запрограммирована на предварительном этапе с тем, чтобы не повторять одни и те же действия для многократного включения элементов в раскрой.

Обработка вручную. Для нестандартных случаев существует возможность построения траектории и задания технологических команд в явном виде.

Подпрограммы обеспечивают структурирование получаемой управляющей программы и позволяют уменьшить объём формируемого текста.

Обработка деталей совмещенным резом. Пары деталей, размещенные на листе на расстоянии ширины реза, могут быть обработаны единым резом без выключения резака. При обработке отдельных деталей достаточно указать контур детали, которая будет обрабатываться первой.

Предварительная пробивка. При обработке листов большой толщины может потребоваться сначала пробить отверсия в листе, а затем выполнить основную обработку. Для подобной предварительной обработки листа может использоваться либо отдельный резак, либо сверло. Программа позволяет выполнить обработку с предварительной пробивкой отверстий. Предусмотрена возможность задания различных способов предварительной пробивки.

Позиционирование над материалом. В некоторых случаях необходимо при переходе от контура к контуру перемещать резак, минуя отделённые от листа детали и отходы. Эта функция необходима при резке поролона. Иногда она требуется при термической резке для предотвращения столкновения резака с вырезанными деталями и отходами. Программа обеспечивает возможность такого позиционирования с учётом заданного расстояния до детали и до края листа.

Режим автоматической обработки дает возможность максимально упростить программирование обработки большого числа деталей. Программа сама назначает последовательность обхода деталей на листе и выполняет обработку. Различные стратегии обхода деталей обеспечивают соблюдение необходимых условий обработки.

Также есть возможность назначения разделки кромок под сварку. Разделка кромок под сварку может производиться на машинах термической резки, оснащенных трехрезаковыми блоками. В программе предусмотрена возможность обработки деталей как с постоянными, так и с переменными фасками. Постоянная фаска характеризуется постоянством лицевых и тыловых углов и высот по всей длине. Переменная фаска характеризуется равномерным изменением угла и высоты по длине. Программа автоматически встраивает в траекторию движения резака специальные участки - окна вреза в местах включения боковых резаков и петли разворота резаков, которые обеспечивают правильную ориентацию боковых резаков и соблюдение необходимых условий обработки. Положение окон вреза может быть изменено с помощью графического редактора.

Нанесение разметки на лист может производиться с помощью порошка или керна. Контуры разметки могут храниться в базе данных вместе с деталью. В этом случае разметка оказывается размещенной на листе вместе с деталями. Для программирования работы блока разметки достаточно указать контуры разметки в нужной последовательности. Программа произведет все необходимые переключения и построит траекторию.

На машинах, оборудованных несколькими суппортами, одновременно может вырезаться несколько деталей. Программа обеспечивает автоматическое и ручное размещение деталей с учетом возможностей такого оборудования. При программировании обработки требуемая разводка суппортов выполняется автоматически.

.2.3.3 Документирование

Программа формирует следующие выходные документы:

Карту раскроя листа. Карта раскроя представляет собой изображение листа с размещенными на нем деталями, сквозными резами и текстовой информацией. Для каждой детали могут быть указаны ее обозначение, габариты, а также номер, соответствующий месту детали в спецификации. Штамп содержит характеристики листа и реквизиты разработчика.

Спецификацию раскроя листа. Спецификация карты раскроя листа включает перечень размещенных на листе деталей с указанием их обозначения, количества, габаритов и массы. Здесь же указывается норма расхода материала.

Спецификацию задания на раскрой. В ней приводится перечень входящих в задание деталей, ведомость расхода листов, перечень размещенных и неразмещенных деталей.

Как правило, конкретный вид выходных документов определяется традициями предприятия. Генератор отчетов, входящий в Техтран, имеет гибкий механизм настройки формата документов и объема выводимой информации. В результате технолог получает полную информацию по раскрою, включая ведомость расхода листов, перечень входящих в задание деталей, их массу, габариты, нормы расхода материала. С помощью встроенного генератора отчетов внешний вид выходных документов можно настроить под принятые на предприятии стандарты.

.2.4 Создание управляющей программы

В процессе построения геометрических объектов и проектирования раскроя листа происходит формирование текста программы на языке Техтран. Программа включает в себя всю последовательность произведенных действий и может быть использована при дальнейшей работе. Это позволяет гибко сочетать удобство диалогового режима с преимуществами текстового представления программы, к которым относятся:

Параметризация для типовых деталей

Использование условных операторов, циклов, арифметических выражений и функций

Возможность отладки и исправления ошибок

Система включает набор средств для работы с программой на языке Техтран:

Команды выполнения (выполнить оператор, перейти в макрос, выполнить программу до конца, до курсора и т.п.) позволяют выполнять и отлаживать программу на Техтране. Используя эти команды можно выполнить программу целиком или по частям, приостанавливая процесс для анализа результатов выполнения отдельных операторов.

Средства контроля выполнения дают возможность просматривать значения переменных, использовать графическое окно для визуального контроля объектов программы и просматривать диагностическую информацию, сформированную в ходе выполнения программы.

Постпроцессор, входящий в состав Техтрана, позволяет формировать управляющие программы для различных станков с ЧПУ по программе обработки детали и данным об оборудовании, включенным в состав системы. Используя программу обработки детали, полученную для одного станка, можно получить УП для любого другого станка из списка оборудования.

В состав системы включены данные об оборудовании, позволяющие формировать управляющие программы для машин термической резки, таких как "Гранат", "Кристалл", "Комета", "Енисей", "ESAB", "HEBR". По программе раскроя листа для одного станка можно получить УП для любого другого из имеющихся в списке.

Техтран обеспечивает возможность настройки на конкретное оборудование с ЧПУ. Для описания оборудования требуется заполнить паспорт станка и создать модуль станка на специальном языке Техпост. Такой механизм позволяет пользователям самостоятельно учитывать особенности формирования УП, разрабатывая собственные модули на основе уже имеющихся.

Следует отметить, что Техтран, обладая высокой эффективностью, является простым в изучении и эксплуатации. Как правило, уже через несколько дней после установки технолог приобретает навыки, достаточные для использования Техтрана в производстве. Это подтверждается успешным опытом десятков предприятий, применяющих Техтран для оптимизации раскроя листового материала.

.3 Принцип работы САПР УП системы Техтран

В настоящее время Техтран - это система автоматизированного проектирования технологического процесса (САПР ТП), комплекс программ, включающий в себя САПР с базой данных и системой подготовки документации, а не только инструмент для автоматизированной генерации кода управляющей программы станка. Но если взять САПР УП, то её структура, кроме препроцессора с возможностями графического моделирования и оконным интерфейсом, - классическая для САП APT-типа и продолжает традиции старой САП Техтран. Это входной язык, процессор, промежуточный язык и постпроцессор.

САП - это комплекс технических, программных, языковых, информационных средств, осуществляющих преобразование данных чертежа детали в коды устройства управления оборудованием с ЧПУ. Как правило, САП организованы по классической структуре: входной язык, процессор, промежуточный язык, постпроцессор. В зависимости от реализации возможны отклонения от этой структуры. При разработке системы преследовалось несколько целей. Во-первых, САП должна быть простой в обслуживании, т. е. вмешательство оператора должно быть сведено к минимуму. Во-вторых, САП должна быть мобильной (это позволяет минимизировать затраты при адаптации САП для различных классов ЭВМ и операционных систем). В-третьих, САП должна допускать расширение выполняемых функций.

Входной язык САП - проблемно-ориентированный язык, предназначенный для описания исходных данных о детали и технологическом процессе её обработки на оборудовании с ЧПУ.

Процессор САП - программное изделие, предназначенное для решения общих геометрических и технологических задач, а также задач управления процессом обработки данных на ЭВМ, реализация которого возможна в виде специализированного программного устройства.

Постпроцессор САП - программное изделие, предназначенное для адаптации управляющей программы к конкретному оборудованию с ЧПУ, реализация которого возможна с помощью специализированного программного устройства.

Промежуточный язык процессор-постпроцессор - внутренний проблемно-ориентированный язык САП, служащий для представления данных, передаваемых от процессора к постпроцессору. В литературе промежуточный язык процессор-постпроцессор встречается под названием CLDATA (Cutter Location Data - данные о перемещении инструмента).

Обычно в состав САП входит библиотека постпроцессоров, каждый из которой предназначен для определенной модели системы ЧПУ или модели станка. Разрабатываются также универсальные постпроцессоры, способные формировать УП для различных систем ЧПУ. Графические постпроцессоры предназначены для вывода траектории движения Инструмента на графические отображающие устройства.

В современной системе создание программы на языке Техтран практически полностью автоматизировано, а большая часть информации вводится в препроцессоре с помощью графических построений. Однако благодаря используемой технологии всегда существует возможность вносить корректировки в создаваемый код. Основанный на технологии APT язык описывает все операции, выполняемые в пакете, как построение деталей, так и формирование траектории обработки с помощью последовательно выполняемых операторов.

3. Выбор материала и оборудования.

.1 Способы автоматической резки металла

Автоматические станки сейчас выполняют задачи по резке множества разных материалов, наиболее частое их применение - это раскрой металлических листов. Существует множество способов резки металла:

Лазерная резка <#"554699.files/image002.gif">

Рисунок . Деталь №1.

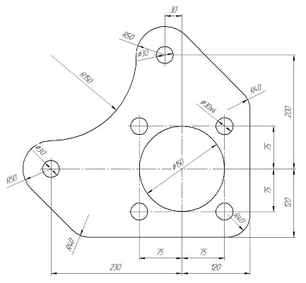
Деталь №2 - крышка более сложной для построения и резки формы с отверстиями и скруглениями:

Рисунок . Деталь №2.

Деталь №3 - дуга, сложная для размещения на листе, так как имеет большие линейные размеры при относительно небольшой площади:

Рисунок . Деталь №3.

Все три детали предварительно построены в САПР «КОМПАС». Первая и вторая - с целью оценить относительную трудоёмкость их построения в пакете Техтран и целесообразность пользования встроенной САПР вместо внешних пакетов с последующим импортом. Деталь №3 сохранена в формате dxf с целью непосредственно импорта контура в систему Техтран и тестирования этой операции.

.3 Создание деталей в базе данных

Запускаю пакет «Техтран - раскрой листового материала (фигурный)» и захожу в программу под учётной записью «администратор»

Открывается окно «база данных» с таблицей деталей. Необходимо внести все три детали для раскроя в базу. Для начала выберу режим работы программы «фигурный раскрой» из меню настройки. Затем с помощью команды «правка/создать» создаю новую деталь. В диалоговом окне «параметры детали» вношу сведения о первой детали:

Обозначение:Деталь №1
Наименование:Корпусная пластина
Марка материала:09Г2С
Толщина:4

После этого заношу деталь в базу данных. Сведения о детали, хранящиеся в базе, всегда можно будет изменить с помощью контекстного меню (их два, малое по левому клику, и более полное по правому). Помимо вышеперечисленных, доступны сведения о размерах прямоугольной детали и комментарий.

Аналогичным образом создаю детали №2 и №3:

Обозначение:Деталь №2
Наименование:Крышка
Марка материала:09Г2С
Толщина:4

Обозначение:Деталь №3
Наименование:Дуга
Марка материала:09Г2С
Толщина:4

Для экономии времени предусмотрена возможность копирования деталей с помощью контекстного меню. Все свойства детали остаются от оригинала, за исключением названия. Это удобно, если, как в моём случае, детали изготавливаются из одного и того же материала или например имеют одинаковое наименование. Различающиеся характеристики отредактировать быстрее, чем вводить все заново.

Следует отметить, что главное меню базы данных, состоящее по умолчанию из списка деталей базы данных слева и панели предварительного просмотра справа, может по выбору пользователя отображать также комплекты деталей, задания на раскрой, раскрои листов, цельные листы, листы делового отхода, списки пользователей, материала или параметров раскроя. Всё это можно разместить как в левом, так и в правом окне, что удобно допустим при формировании комплектов из деталей.

Далее перейду к построению контуров деталей с помощью встроенной САПР Техтран.

.4 Построение деталей с помощью САПР пакета Техтран

При выборе детали в списке базы данных справа в окне сразу можно наблюдать её графическое изображение, что достаточно удобно. Так как информации о геометрии своих деталей я ещё не ввёл, справа отображается пустая координатная плоскость. Выбираю в списке первую деталь и открываю её (это можно сделать с помощью контекстного меню, вкладки «правка/открыть» или клавиши быстрого доступа F4).

Открывается большая координатная плоскость окна «графика» с панелями инструментов построения, аналогичными таковым в других САПР. После выбора необходимого инструмента и способа построения объекта, числовые параметры вводятся в текстовом поле, если это необходимо. В некоторых случаях затем указанием требуется выбрать необходимый вариант из предложенных. Такой способ построения хотя и является точным, однако довольно медленный и субъективно проигрывает построению в системе «КОМПАС», где числовые данные могут формироваться автоматически, исходя из построения мышью, и уточняться системой привязок. Также отсутствует возможность выбора геометрического объекта указанием мыши до применения каких-либо операторов, это затрудняет некоторые операции, например удаление. Навигация по координатной плоскости организована аналогично другим САПР с помощью мыши.

Первая деталь состоит из одного контура. Для построения контура необходимо сначала построить прямые, из которых он будет сформирован, с помощью вышеописанного интерфейса , затем указать точку начала контура и его элементы на прямых. Инструментом «прямая» строю все прямые, на которых располагаются элементы контура, кроме фасок, используя метод «прямая, параллельная одной из осей координат».


Затем инструментом «точка» методом «точка пересечения» выставляю точку начала контура и инструментом «контур», начиная с этой точки, последовательно выбираю все элементы контура.

Возможен как ввод в ручном режиме, с подтверждением указания каждого отрезка или точки, так и в автоматическом без необходимости такого подтверждения. В детали присутствуют две фаски, которые необходимо встроить в контур. Это производится инструментом «контур/фаска». Фаску можно задать длиной двух сторон, или одной из сторон и углом к этой стороне.


Параллельно с построением детали формируется её описание на языке Техтран:

ВЕРСИЯ 4,5

ДЕТАЛЬ

ПР0=ХПАР,0,УБ

ПР1=УПАР,0,ХБ

ПР2=УПАР,200,ХБ

ПР3=ХПАР,120,УБ

ПР4=УПАР,40,ХБ

ПР5=УПАР,160,ХБ

ПР6=ХПАР,10,УБ

ПР6 ОТМЕН

ПР7=ХПАР,15,УБ

ТЧ0=ПЕРЕСЕЧ,ПР1,ПР0

КОНТУР К0=ИЗ,ТЧ0,ХБ

ВЛЕВО,ПР1,НА,ПР3

ВПРАВО,ПР3,НА,ПР2

ВПРАВО,ПР2,НА,ПР0

ВПРАВО,ПР0,НА,ПР5

ВПРАВО,ПР5,НА,ПР7

ВЛЕВО,ПР4,НА,ПР0

ВПРАВО,ПР0,НА,ТЧ0

КОНКОН; АТРИБУТ К0,ДЕТАЛЬ

К0,1: ФАСКА 25,25

К0 ОТМЕН

КОНТУР К1=ИЗ,ТЧ0,ХБ

ВЛЕВО,ПР1,НА,ПР3

ВПРАВО,ПР3,НА,ПР2

ВПРАВО,ПР2,НА,ПР0

ВПРАВО,ПР0,НА,ПР5

ВПРАВО,ПР5,НА,ПР7

ВЛЕВО,ПР7,НА,ПР4

ВЛЕВО,ПР4,НА,ПР0

КОНКОН; АТРИБУТ К1,ДЕТАЛЬ

ПР0 ОТМЕН

К1 ОТМЕН

ПР8=ХПАР,0,УБ

КОНТУР К2=ИЗ,ТЧ0,ХБ

ВЛЕВО,ПР1,НА,ПР3

ВПРАВО,ПР3,НА,ПР2

ВПРАВО,ПР2,НА,ПР8

ВПРАВО,ПР8,НА,ПР5

ВПРАВО,ПР5,НА,ПР7

ВЛЕВО,ПР7,НА,ПР4

ВЛЕВО,ПР4,НА,ПР8

ВПРАВО,ПР8,НА,ТЧ0

КОНКОН; АТРИБУТ К2,ДЕТАЛЬ

К2,1: ФАСКА 25,25

К2,3: ФАСКА 25,25

КОНЕЦ

Деталь построена, выхожу из окна «графика». При выходе программа предлагает сохранить построенную деталь в базе, в случае если пользователь не сделал этого вручную. Это исключает возможность случайной потери данных о построении. Теперь справа, в окне предварительного просмотра базы данных можно увидеть изображение созданной детали. Если открыть окно свойств детали №1, в закладке «вычисляемые» появились автоматически рассчитанные данные о детали, такие как периметр, площадь и масса.

Аналогичным способом необходимо построить деталь №2, уже созданную в базе, но пока не имеющую геометрических данных. Открываю её в окне редактирования геометрии и приступаю к построению. В данном случае контуров будет 8, и они будут опираться не только на прямые, но и на окружности различного диаметра. К счастью, в программе предусмотрено много возможностей построения на основе как координат, так и касательных и точек пересечения геометрических элементов. Левую верхнюю часть контура формирую из элементов трёх окружностей, две из которых задаю центром и радиусом, а третью касательными к первым двум и радиусом. Также строю прямые, параллельные осям координат и прямые под углом 135 градусов к OX, опирающиеся на касательную к окружностям для формирования боковых граней детали. Для каждого из отверстий крышки создаётся отдельная окружность.



Затем создаю опорную точку на периметре и основной контур:

Теперь необходимо задать скругления углов главного контура и описать контуры отверстий:


Код для второй детали:

ВЕРСИЯ 4,5

ДЕТАЛЬ

ПР0=УПАР,150,ХБ

ПР1=ХПАР,120,УМ

ТЧ0=-200,0,0

ТЧ1=0,200,0

КР0=ЦЕНТР,ТЧ0,РАДИУС,15

КР1=ЦЕНТР,ТЧ1,РАДИУС,15

КР2=ЦЕНТР,ТЧ0,РАДИУС,50

КР3=ЦЕНТР,ТЧ1,РАДИУС,50

ПР2=ТЧ0,ТЧ1

ПР3=КАС,КР2,ХМ,135

ПР2 ОТМЕН

ПР4=КАС,КР3,ХБ,135

КР4=ХМ,ВНЕ,КР2,ВНЕ,КР3,РАДИУС,150

КР5=ЦЕНТР,30,0,РАДИУС,75

ПР5=КАС,КР5,УМ,ПР1

ПР6=КАС,КР5,УБ,ПР1

ПР7=КАС,КР5,ХБ,ПР0

ПР8=КАС,КР5,ХМ,ПР0

ТЧ2=ПЕРЕСЕЧ,ПР6,ПР8

ТЧ3=ПЕРЕСЕЧ,ПР7,ПР6

ТЧ4=ПЕРЕСЕЧ,ПР5,ПР7

ТЧ5=ПЕРЕСЕЧ,ПР5,ПР8

КР6=ЦЕНТР,ТЧ2,РАДИУС,15

КР7=ЦЕНТР,ТЧ3,РАДИУС,15

КР8=ЦЕНТР,ТЧ4,РАДИУС,15

КР9=ЦЕНТР,ТЧ5,РАДИУС,15

ТЧ6=ПЕРЕСЕЧ,ПР3,ПР1

КОНТУР К0=ИЗ,ТЧ6,ХБ

НАЗАД,ПР3,НА,КР2

ВПЕРЕД,КР2,НА,КР4

ВПЕРЕД,КР3,НА,ПР4

ВПЕРЕД,ПР4,НА,ПР0

ВПЕРЕД,ПР0,НА,ПР1

ВПРАВО,ПР1,НА,ТЧ6

КОНКОН; АТРИБУТ К0,ДЕТАЛЬ

К0,7:СКРУГ 40

К0,7:СКРУГ 40

К0,6:СКРУГ 40

ТЧ7=КР0,ПРЧС,0

ТЧ8=КР5,ПРЧС,0

ТЧ9=КР7,ПРЧС,0

ТЧ10=КР8,ПРЧС,0

ТЧ11=КР9,ПРЧС,0

ТЧ12=КР6,ПРЧС,0

ТЧ13=КР1,ПРЧС,0

КОНТУР К1=ИЗ,ТЧ7,ХБ

ВЛЕВО,КР0,НА,ТЧ7

КОНКОН; АТРИБУТ К1,ДЕТАЛЬ

КОНТУР К2=ИЗ,ТЧ12,ХБ

ВЛЕВО,КР6,НА,ТЧ12

КОНКОН; АТРИБУТ К2,ДЕТАЛЬ

КОНТУР К3=ИЗ,ТЧ9,ХБ

ВЛЕВО,КР7,НА,ТЧ9

КОНКОН

КОНТУР К4=ИЗ,ТЧ10,ХБ

ВЛЕВО,КР8,НА,ТЧ10

КОНКОН

КОНТУР К5=ИЗ,ТЧ11,ХБ

ВЛЕВО,КР9,НА,ТЧ11

КОНКОН

КОНТУР К6=ИЗ,ТЧ8,ХБ

ВЛЕВО,КР5,НА,ТЧ8

КОНКОН

КОНТУР К7=ИЗ,ТЧ13,ХБ

ВЛЕВО,КР1,НА,ТЧ13

КОНКОН

АТРИБУТ К7,КОНТУР,НЕОБР,ВИД,ВКЛ

АТРИБУТ К3,ДЕТАЛЬ,НЕОБР,ВИД,ВКЛ

АТРИБУТ К2,ДЕТАЛЬ,НЕОБР,ВИД,ВКЛ

АТРИБУТ К7,ДЕТАЛЬ,НЕОБР,ВИД,ВКЛ

АТРИБУТ К4,ДЕТАЛЬ,НЕОБР,ВИД,ВКЛ

АТРИБУТ К5,ДЕТАЛЬ,НЕОБР,ВИД,ВКЛ

АТРИБУТ К6,ДЕТАЛЬ,НЕОБР,ВИД,ВКЛ

К2 ОТМЕН

КОНТУР К8=ИЗ,ТЧ12,ХБ

ВЛЕВО,КР6,НА,ТЧ12

КОНКОН; АТРИБУТ К8,ДЕТАЛЬ

КОНЕЦ

После завершения работы над деталью сохраняю её и выхожу в меню базы данных. Как и первая деталь, она теперь изображается в окне предварительного просмотра и имеет вычисленные характеристики в меню свойств.

.5 Импорт детали, построенной во внешней САПР

Для третьей детали вместо построения буду использовать импорт из формата dxf, в котором она была сохранена после создания в САПР «КОМПАС».

Выбираю деталь в списке базы и захожу в окно графического редактирования. Импорт детали осуществляется с помощью меню «файл/импорт», которое в оконном режиме предлагает выбрать файл для импорта в Техтран. Поддерживается импорт деталей из форматов программы Autocad - dxf и dxb, библиотек lib и файлов Техтрана Р/2.0 lap. Современный формат чертежей Autocad dwg к сожалению не поддерживается, однако пока не только Autocad, но и большинство других САПР имеют возможность сохранения в dxf, это не является серьёзной проблемой.

При выборе нужного файла (detail3.dxf), программа предлагает настроить параметры импорта, такие как тип контура и необходимые для импорта элементы (объекты, блоки, слои и т.д.). Файл с моей деталью содержит только контур, поэтому все настройки оставляю неизменными, тип контура, как и в предыдущих деталях, остаётся «деталь». При подтверждении контур появляется в проекционном окне. После импорта можно проверить соответствие геометрических параметров детали исходным. Если в пакете, из которого осуществлялся импорт, был неверно обозначен масштаб, можно его откорректировать соответствующим инструментом. Также существует возможность контроля контуров, в том числе и импортированных, на замкнутость, направление обхода, число сегментов и т.д.. Это осуществляется выключением режима ввода параметров (настройка/параметры) и последующим указанием контролируемого объекта.


В моём случае деталь импортирована верно, все контуры замкнуты, масштаб соответствует исходному. Также можно посмотреть её код:

ВЕРСИЯ 4,5

ДЕТАЛЬ

КОНТУР К0=ИЗ ТОЧКА(36.7638096,400.4730351),ХБ

ВТОЧКУ 96.6793156,398.2230351,ПОЧС,66.7638096,400.4730351,30

ВТОЧКУ 266.4866092,210.9993509,ПОЧС,66.7638096,200.4730351,200

ВТОЧКУ 256.5004692,200.4730351,ПОЧС,256.5004692,210.4730351,10

ВТОЧКУ 236.4694371,200.4730351

ВТОЧКУ 226.4867531,209.8847999,ПОЧС,236.4694371,210.4730351,10

ВТОЧКУ 66.7638096,360.4730351,ПРЧС,66.7638096,200.4730351,160

ВТОЧКУ -333.2361904,360.4730351

ВТОЧКУ -492.9591339,209.8847999,ПРЧС,-333.2361904,200.4730351,160

ВТОЧКУ -502.9418179,200.4730351,ПОЧС,-502.9418179,210.4730351,10

ВТОЧКУ -522.97285,200.4730351

ВТОЧКУ -532.95899,210.9993509,ПОЧС,-522.97285,210.4730351,10

ВТОЧКУ -363.1516964,398.2230351,ПОЧС,-333.2361904,200.4730351,200

ВТОЧКУ -522.97285,200.4730351,ПРЧС,-522.97285,210.4730351,10

ВТОЧКУ -502.9418179,200.4730351

ВТОЧКУ -492.9591339,209.8847999,ПРЧС,-502.9418179,210.4730351,10

ВТОЧКУ -333.2361904,360.4730351,ПОЧС,-333.2361904,200.4730351,160

ВТОЧКУ 66.7638096,360.4730351

ВТОЧКУ 226.4867531,209.8847999,ПОЧС,66.7638096,200.4730351,160

ВТОЧКУ 236.4694371,200.4730351,ПРЧС,236.4694371,210.4730351,10

ВТОЧКУ 256.5004692,200.4730351

ВТОЧКУ 266.4866092,210.9993509,ПРЧС,256.5004692,210.4730351,10

ВТОЧКУ 96.6793156,398.2230351,ПРЧС,66.7638096,200.4730351,200

ВТОЧКУ 36.7638096,400.4730351,ПРЧС,66.7638096,400.4730351,30

ВТОЧКУ -303.2361904,400.4730351

ВТОЧКУ -363.1516964,398.2230351,ПРЧС,-333.2361904,400.4730351,30

ВТОЧКУ -303.2361904,400.4730351,ПОЧС,-333.2361904,400.4730351,30

ВТОЧКУ 36.7638096,400.4730351

КОНКОН

АТРИБУТ К0,ДЕТАЛЬ

КОНТУР К1=ИЗ ТОЧКА(-363.1516964,398.2230351),ХБ

ВТОЧКУ -532.95899,210.9993509,ПРЧС,-333.2361904,200.4730351,200

ВТОЧКУ -522.97285,200.4730351,ПРЧС,-522.97285,210.4730351,10

ВТОЧКУ -502.9418179,200.4730351

ВТОЧКУ -492.9591339,209.8847999,ПРЧС,-502.9418179,210.4730351,10

ВТОЧКУ -333.2361904,360.4730351,ПОЧС,-333.2361904,200.4730351,160

ВТОЧКУ 66.7638096,360.4730351

ВТОЧКУ 226.4867531,209.8847999,ПОЧС,66.7638096,200.4730351,160

ВТОЧКУ 236.4694371,200.4730351,ПРЧС,236.4694371,210.4730351,10

ВТОЧКУ 256.5004692,200.4730351

ВТОЧКУ 266.4866092,210.9993509,ПРЧС,256.5004692,210.4730351,10

ВТОЧКУ 96.6793156,398.2230351,ПРЧС,66.7638096,200.4730351,200

ВТОЧКУ 36.7638096,400.4730351,ПРЧС,66.7638096,400.4730351,30

ВТОЧКУ -303.2361904,400.4730351

ВТОЧКУ -363.1516964,398.2230351,ПРЧС,-333.2361904,400.4730351,30

КОНКОН

АТРИБУТ К1,ДЕТАЛЬ

КОНТУР К2=ИЗ ТОЧКА(-363.1516964,398.2230351),ХБ

ВТОЧКУ -532.95899,210.9993509,ПРЧС,-333.2361904,200.4730351,200

ВТОЧКУ -522.97285,200.4730351,ПРЧС,-522.97285,210.4730351,10

ВТОЧКУ -502.9418179,200.4730351

ВТОЧКУ -492.9591339,209.8847999,ПРЧС,-502.9418179,210.4730351,10

ВТОЧКУ -333.2361904,360.4730351,ПОЧС,-333.2361904,200.4730351,160

ВТОЧКУ 66.7638096,360.4730351

ВТОЧКУ 226.4867531,209.8847999,ПОЧС,66.7638096,200.4730351,160

ВТОЧКУ 236.4694371,200.4730351,ПРЧС,236.4694371,210.4730351,10

ВТОЧКУ 256.5004692,200.4730351

ВТОЧКУ 266.4866092,210.9993509,ПРЧС,256.5004692,210.4730351,10

ВТОЧКУ 96.6793156,398.2230351,ПРЧС,66.7638096,200.4730351,200

ВТОЧКУ 36.7638096,400.4730351,ПРЧС,66.7638096,400.4730351,30

ВТОЧКУ -303.2361904,400.4730351

ВТОЧКУ -363.1516964,398.2230351,ПРЧС,-333.2361904,400.4730351,30

КОНКОН

АТРИБУТ К2,ДЕТАЛЬ

КОНТУР К3=ИЗ ТОЧКА(-363.1516964,398.2230351),ХБ

ВТОЧКУ -532.95899,210.9993509,ПРЧС,-333.2361904,200.4730351,200

ВТОЧКУ -522.97285,200.4730351,ПРЧС,-522.97285,210.4730351,10

ВТОЧКУ -502.9418179,200.4730351

ВТОЧКУ -492.9591339,209.8847999,ПРЧС,-502.9418179,210.4730351,10

ВТОЧКУ -333.2361904,360.4730351,ПОЧС,-333.2361904,200.4730351,160

ВТОЧКУ 66.7638096,360.4730351

ВТОЧКУ 226.4867531,209.8847999,ПОЧС,66.7638096,200.4730351,160

ВТОЧКУ 236.4694371,200.4730351,ПРЧС,236.4694371,210.4730351,10

ВТОЧКУ 256.5004692,200.4730351

ВТОЧКУ 266.4866092,210.9993509,ПРЧС,256.5004692,210.4730351,10

ВТОЧКУ 96.6793156,398.2230351,ПРЧС,66.7638096,200.4730351,200

ВТОЧКУ 36.7638096,400.4730351,ПРЧС,66.7638096,400.4730351,30

ВТОЧКУ -303.2361904,400.4730351

ВТОЧКУ -363.1516964,398.2230351,ПРЧС,-333.2361904,400.4730351,30

КОНКОН

АТРИБУТ К3,ДЕТАЛЬ

КОНТУР К4=ИЗ ТОЧКА(-363.1516964,398.2230351),ХБ

ВТОЧКУ -532.95899,210.9993509,ПРЧС,-333.2361904,200.4730351,200

ВТОЧКУ -502.9418179,200.4730351

ВТОЧКУ -492.9591339,209.8847999,ПРЧС,-502.9418179,210.4730351,10

ВТОЧКУ -333.2361904,360.4730351,ПОЧС,-333.2361904,200.4730351,160

ВТОЧКУ 66.7638096,360.4730351

ВТОЧКУ 226.4867531,209.8847999,ПОЧС,66.7638096,200.4730351,160

ВТОЧКУ 236.4694371,200.4730351,ПРЧС,236.4694371,210.4730351,10

ВТОЧКУ 256.5004692,200.4730351

ВТОЧКУ 266.4866092,210.9993509,ПРЧС,256.5004692,210.4730351,10

ВТОЧКУ 96.6793156,398.2230351,ПРЧС,66.7638096,200.4730351,200

ВТОЧКУ 36.7638096,400.4730351,ПРЧС,66.7638096,400.4730351,30

ВТОЧКУ -303.2361904,400.4730351

ВТОЧКУ -363.1516964,398.2230351,ПРЧС,-333.2361904,400.4730351,30

КОНКОН

АТРИБУТ К4,ДЕТАЛЬ

КОНТУР К5=ИЗ ТОЧКА(-318.2361904,400.4730351),ХБ

ВТОЧКУ -348.2361904,400.4730351,ПОЧС,-333.2361904,400.4730351,15

ВТОЧКУ -318.2361904,400.4730351,ПОЧС,-333.2361904,400.4730351,15

ВТОЧКУ -348.2361904,400.4730351,ПОЧС,-333.2361904,400.4730351,15

ВТОЧКУ -318.2361904,400.4730351,ПОЧС,-333.2361904,400.4730351,15

КОНКОН

АТРИБУТ К5,ДЕТАЛЬ

КОНТУР К6=ИЗ ТОЧКА(81.7638096,400.4730351),ХБ

ВТОЧКУ 51.7638096,400.4730351,ПОЧС,66.7638096,400.4730351,15

ВТОЧКУ 81.7638096,400.4730351,ПОЧС,66.7638096,400.4730351,15

ВТОЧКУ 51.7638096,400.4730351,ПОЧС,66.7638096,400.4730351,15

ВТОЧКУ 81.7638096,400.4730351,ПОЧС,66.7638096,400.4730351,15

КОНКОН

АТРИБУТ К6,ДЕТАЛЬ

КОНЕЦ

Можно заметить, что код импортированной детали больше по объёму, чем построенной средствами пакета. Это обусловлено тем, что импортируемый контур не опирается на вспомогательные элементы, а задаётся точками и элементами кривых.

После сохранения и закрытия графического окна деталь помещена в базу наряду с предыдущими.

В результате проделанной работы по созданию деталей можно сделать вывод, что несложные контуры и контуры средней сложности лучше строить внутренними средствами пакета Техтран. При работе же с наиболее сложными деталями оптимальным будет построение во внешней САПР с последующим импортом контуров, так как встроенными средствами это хотя и возможно, но занимает больше времени.

.6 Формирование комплекта деталей

Комплекты деталей в Техтране формируются во вкладке «Комплекты» меню базы данных. Так как предстоит работать с двумя списками - деталей и комплектов, удобно будет поместить окно комплектов справа вместо предварительного просмотра деталей, который пока не требуется. В каждом окне сверху присутствует выпадающий список, позволяющий выбрать элемент базы данных для отображения. Окно графического просмотра детали в списке не присутствует, поэтому при необходимости вернуть его придётся делать это через меню «база данных/соседняя панель» или через контекстное меню, что не совсем удобно. По умолчанию там уже присутствуют тестовые комплекты, мне же будет необходимо создать свой. Это делается аналогично созданию детали в списке, с помощью контекстного меню. Окно параметров комплекта, как и у детали, требует ввода обозначения и наименования:

Обозначение:Комплект №1
Наименование:Детали для диплома

После ввода параметров в списке появился новый комплект, по клику на котором открывается список деталей комплекта. Перенос в него деталей можно выполнить как копированием и вставкой посредством контекстного меню или клавиш быстрого доступа, так и простым перетаскиванием из списка деталей в список деталей комплекта, что при наличии двух открытых окон быстрее и удобнее. При вставке деталей в комплект запрашивается их количество. Введу этот параметр равным 20 шт. для детали №1, 10 шт. для детали №2 и 5 шт. для детали №3. Детали появились в списке, в отдельных столбцах отображается их количество в данном комплекте и параметры.

Комплект деталей создан и внесён в базу данных. Теперь его можно будет выбрать из списка комплектов. В Техтране также предусмотрена удобная функция выбора комплектов, содержащих данную деталь, из контекстного меню в списке деталей.

.7 Формирование задания на раскрой

Создание заданий на раскрой производится по аналогии с созданием деталей и комплектов. Для этого существует список базы данных «задания на раскрой», который я размещу вместо списка «детали» в левом окне, оставив правое с комплектами открытым. Включить в список новое задание можно либо из контекстного меню, либо клавишей быстрого доступа (Insert). Требуется ввести параметры нового задания:

Код: 0001

Марка материала:09Г2С

Минимальная толщина:4

Максимальная толщина:4

После ввода в списке появляется новое задание на раскрой. Теперь необходимо внести в него детали из моего комплекта. Открываю из контекстного меню пункт «детали задания» и переношу ранее созданный комплект из списка на правой панели на левую панель. При переносе можно проставить множитель для комплекта, число деталей в задании будет увеличено по отношению к числу их в комплекте в соответствующее количество раз. В моём случае это 1. После проведения данной операции все детали из комплекта включены в задание. Существует возможность дополнять задание не только комплектами, но и одиночными деталями. Внесение организуется аналогичным образом, только из списка деталей.

В задание нужно включить раскрой листа. Для этого выбираю созданное задание и открываю из выпадающего списка пункт «раскрои листов задания». Каждому заданию необходимо привести в соответствие один или несколько листов, из которых его детали будут вырезаться. Это могут быть цельные листы или деловой отход, оставшийся после резки предыдущих листов. Делового отхода у нас пока не имеется, поэтому выбираю в противоположной вкладке список «цельные листы» и вношу в него новый лист со следующими параметрами (также, как и другие элементы базы, клавишей Insert):

Код:0003 (проставлен системой автоматически)

Марка материала:09Г2С

Толщина:4

Ширина:1500

Длина:6000

Стоимость:5000

Остаток:1

После появления листа в базе назначаю его заданию, перенося в список «раскрои листов задания 0001», открытый в левом окне. Свойства этого листа, такие как толщина, длина и ширина больше не подлежат редактированию, так как подразумевается, что он взят из существующей базы, но в его параметрах после переноса в раскрои листа появляются новые пункты, такие как размещение и обработка. Можно либо вручную задать значения расстояний от края листа, между деталями, подачи, ширины реза и т.д. либо воспользоваться вводом стандартных. Стандартные значения вносятся в базу для листов определённой толщины и материала. Для листов, имеющихся в базе по умолчанию они уже внесены, для нашего необходимо либо внести их, чтобы использовать в будущем, либо указать значения непосредственно в задании.

Воспользуюсь внесением в базу стандартных значений. Для этого открою вкладку базы «параметры раскроя» и создам предустановку для листов моего типа, исходя из того, что расстояние между деталями нежелательно назначать меньшим толщины листа, а ширину реза и подачу установлю из рекомендованных параметров для резки соответствующих листов:

Похожие работы на - Технологический процесс раскроя листового металла

 

Не нашли материал для своей работы?
Поможем написать уникальную работу
Без плагиата!
Без нейросетей!