Судовой двухтактный двигатель с турбонаддувом
Перечень
условных обозначений, символов, единиц измерений физических величин, сокращений
и терминов
- давление
окружающей среды, МПа;
- давление в
цилиндре в начале сжатия, МПа;
- давление в
цилиндре в конце сжатия, МПа;
- среднее
индикаторное давление, МПа;
- среднее
эффективное давление, МПа;
- температура
окружающего воздуха, 0С;
- температура в
цилиндре в начале сжатия, 0С;
- температура в
цилиндре в конце сжатия, 0С;
- температура
выпускных газов, 0С;
- температура
надувочного и продувочного воздуха, 0С;
- рабочий объем
цилиндра, описываемый поршнем, м3;
- полный объем
цилиндра перед началом сжатия, м3;
- объем цилиндра в
конце сжатия, м3;
- коэффициент
избытка воздуха;
- степень сжатия
действительная;
- коэффициент
наполнения цилиндров двигателя;
- степень
повышения давления;
- степень
предварительного расширения;
- механический
к.п.д.;
- индикаторный
к.п.д.;
- эффективный
к.п.д.;
- индикаторная
мощность двигателя, кВт;
- эффективная
мощность двигателя, кВт;
- число оборотов
вала двигателя, об/мин;
- расход топлива в
двигателе, кг/ч;- диаметр цилиндра двигателя, м; - полный ход поршня, м;- число
цилиндров двигателя;
- средняя скорость
поршня, м/с;
- расход воздуха в
двигателе, кг/с;
КШМ - кривошипно-шатунный механизм;
ДВС - двигатель внутреннего сгорания;
КВ - коленчатый вал;
ВМТ - верхняя мертвая точка;
ПД - поршневой двигатель.
ВВЕДЕНИЕ
Современные поршневые двигатели внутреннего
сгорания достигли высокой степени совершенства, продолжая тенденцию
непрерывного роста удельных мощностей, снижения удельной материалоемкости,
токсичности отработанных газов, снижения удельных расходов топлива и масел,
повышения надежности и долговечности. Поэтому выполнение задач по производству
и эксплуатации поршневых двигателей требует от специалистов глубоких знаний
рабочего процесса, конструкции двигателя и методов их расчета.
Успешное применение двигателей внутреннего
сгорания, разработка опытных конструкций, повышение мощностных и экономических
показателей стали возможны в значительной мере благодаря исследованиям и
разработке теории рабочих процессов в двигателях внутреннего сгорания.
Рассмотрение отдельных процессов в двигателе и их расчет позволяют определить
предполагаемые показатели цикла, мощность, экономичность, а также давление
газов, действующее в камере сгорания, в зависимости от угла поворота
коленчатого вала. По данным расчета можно установить основные размеры двигателя
(диметр цилиндра и ход поршня), проверить на прочность его основные детали,
оценить надежность его работы и т.д.
Также от специалиста требуется умение с
наибольшим экономическим эффектом использовать современные технические средства
и материалы, понимать технологический процесс изготовления и сборки двигателя.
1. КОНСТРУКТОРСКАЯ ЧАСТЬ
.1 Тепловой расчет
Выбор исходных параметров для теплового расчета
рабочего цикла двигателя
Определим исходные параметры для расчета:
- давление в
цилиндре в начале сжатия,
где
-
давление, нагнетаемое компрессором;
-температуру
выпускных газов выбираем из ист. [1];
-давление
остаточных газов;
-показатель
политропы сжатия для нагнетателя выбираем из [1].
Процесс наполнения
Находим температуру воздуха (выходящего из
нагнетателя) по формуле:
, (1.1)
где
- давление окружающей среды;
- температура
окружающего воздуха.
Принимаем коэффициент остаточных газов для
прямоточной продувки
(выбираем из
рекомендуемого диапазона [2]
).
В таблице 2 [3] находим:
Теоретически необходимое количество воздуха:
Подсчитываем:
. (1.2)
Температура рабочего тела в начале сжатия Ta:
. (1.3)
Необходимо стремится наполнять цилиндр
максимально возможным количеством свежего заряда. С этой точки зрения и
оценивается совершенство процесса наполнения, характеризуемое величиной
коэффициента наполнения ηv.
Уточненное уравнение для определения
коэффициента наполнения двухтактного двигателя с продувкой камеры сжатия и
дозарядкой в процессе наполнения:
, (1.4)
где
- степень сжатия действительная.
Процесс сжатия
По графику на фиг.7 [3] находим значение
среднего показателя адиабаты сжатия
и
определяем:
температуру в конце сжатия Tc:
; (1.5)
;
давление в конце сжатия pc:
. (1.6)
Из фигура 10 [3] находим
(воздуха)
при
:
(воздуха) = 7,45
ккал/моль·град
и подсчитываем
(воздуха) =
,
где
-газовая
постоянная.
Из фигура 10 находим
(остаточных
газов) при
и
:
(ост. газов) = 7,8
ккал/моль·град,
и подсчитываем:
(ост. газов) =
,
(ккал/моль·град).
Процесс сгорания
Находим температуру в конце сгорания из
уравнения [3]:
(1.7)
где
-
коэффициент использования тепла
;
- степень повышения
давления.
Из (1.7) выражаем температуру:
;
.
После чего определяем теоретическое максимальное
давление:
. (1.8)
Процесс расширения
Подсчитываем степень предварительного
расширения:
. (1.9)
Рассчитываем давление в конце расширения:
,
где степень последующего расширения определяется
из зависимости:
.
Процесс расширения в реальных двигателях
осуществляется по политропе с переменным показателем.
Практическое использование переменных значений
показателя политропы
расширения, как и показателя сжатия,
затруднительно, поэтому при расчетах действительный политропический процесс
заменяют условным, при котором принимается средний показатель политропы
расширения:
Тогда при отсутствии утечек газов, температура в
конце расширения:
. (1.10)
Давление же в конце расширения:
. (1.11)
Определение среднего индикаторного и
эффективного давления
Индикаторные показатели характеризуют
действительный рабочий цикл и определяются или расчётом цикла или
экспериментально по снятой индикаторной диаграмме изменения давления в цилиндре
за время рабочего цикла.
Для дизелей с подводом теплоты при V и p =
const, получим уравнение для определения среднего индикаторного давления
теоретического цикла
:
(1.12)
Приняв
,
найдем
. (1.13)
Дальше находим среднее индикаторное давление
действительного цикла, которым называют постоянное по величине, избыточное
давление, которое, действуя на поршень, совершает работу за один его ход от ВМТ
к НМТ, равную работе газа за рабочий цикл, приняв
:
. (1.14)
К эффективным показателям относится: мощность
Ne, среднее давление Pe и среднее давление механических потерь NМ, эффективные
расходы топлива - часовой GТ и удельный ge.
Определим среднее эффективное давление, приняв
:
. (1.15)
Определение размеров цилиндра
Рабочий объём одного цилиндра
определяется:
(1.16)
Задаем отношение
,
следовательно:
.
Определим диаметр цилиндра:
(1.17)
Окончательно принимаем:
На основании полученного определим среднюю
скорость поршня:
(1.18)
Определение индикаторных и эффективных
показателей двигателя
Определяем полезную индикаторную мощность:
(1.19)
Показателями экономичности работы двигателя
служат эффективный КПД ηе и удельный
эффективный расход топлива ge. Они являются также наиболее важными
показателями, оценивающими работу двигателя в целом, что аналитически можно
представить в виде:
(1.20)
следовательно:
Вычисляем удельный индикаторный расход топлива:
(1.21)
Тогда, удельный эффективный расход топлива
равен:
Определяем расход топлива и литровую мощность:
(1.22)
(1.23)
Определяем расход воздуха на продувку и наддув
двигателя. Приняв
, найдем
действительное количество свежего заряда в весовых единицах:
(1.24)
Расчет температуры выпускных газов ПДВС перед
газовой турбиной
Исходные данные для расчета турбины:
- давление
надувочного воздуха;
- температура
надувочного и продувочного воздуха;
- степень сжатия
действительная;
- коэффициенты
избытка воздуха, полноты наполнения и остаточных газов;
- коэффициенты
полноты наполнения;
- коэффициенты
остаточных газов;
- давление в
цилиндре в начале сжатия;
- изменение
температуры надувочного воздуха.
Принимаем температуру остаточных газов
.
Согласно уравнению температуры рабочего тела в
начале сжатия:
. (1.25)
Температура выпускных газов без учета смешения с
продувочным воздухом:
. (1.26)
Полученное значение
отличается
от принятого
при определении
в
допустимых пределах, и поэтому пересчитывать нет необходимости. Температура
газов в ресивере с учетом смешения выпускных газов с продувочным воздухом:
. (1.27)
Построение проектной индикаторной диаграммы
Завершающим этапом теплового расчета двигателя
может служить построение проектной индикаторной диаграммы (рисунок 1.1).
Построение начинается с выбора базы, т.е. объема
Vh, соответствующего полному ходу поршня. Далее откладываем влево объем Vc,
соответствующий пространству сжатия, и проводят ось ординат.
Затем вычисляют расстояние, равное
,
где
-
степень предварительного расширения (в циклах с изобарным или смешанным
подводом тепла), и, откладывая его от оси ординат, находят положение поршня в
момент окончания изобарного подвода тепла.
Далее по известным из расчета давлениям и
объемам:
откладывают основные точки a, c, y, z и b
предварительной проектной диаграммы, выбрав подходящий масштаб давлений так,
чтобы высота диаграммы была не больше ее длины.
Проводим построение политроп по уравнениям
политроп сжатия и расширения:
,
. (1.28)
Результаты приведены в таблице 1.1:
Таблица 1.1 - Данные для построения диаграммы
Проектная индикаторная диаграмма представлена на
рисунке 1.1.
Рисунок 1.1 - Проектная индикаторная диаграмма
двухтактного дизеля
1.2 Динамический расчет
Кинематический расчет КШМ двигателя
Перемещение поршня рассчитывается по формуле:
, (1.29)
где
-радиус
кривошипа (
),
-
отношение радиуса кривошипа к длине шатуна (
),
-
угол поворота коленчатого вала.
Расчет производится через каждые 10° угла
поворота коленчатого вала.
Угловая скорость вращения коленчатого вала:
. (1.30)
Скорость поршня:
. (1.31)
Ускорение поршня:
. (1.32)
Результаты расчетов занесены в таблице.1.2 и
представлены графически на рисунке 1.2.
Таблица 1.2 - Значение зависимости перемещения,
скорости и ускорения поршня от угла поворота КВ
Рисунок 1.2 - Зависимость Sп, Vп, Jп от угла
поворота КВ
Динамический расчет КШМ двигателя
Основной целью динамического расчета является
определение сил и моментов, действующих в кривошипно-шатунном механизме и
установление закономерностей их изменения за рабочий цикл двигателя.
Определение размеров и масс основных элементов
КШМ
Недостающие размеры КШМ определяются по диаметру
цилиндра и ходу поршня:
радиус кривошипа коленчатого вала
; (1.33)
длину шатуна
, (1.34)
где
.
Размеры поршня, шатуна, коленчатого вала
принимаются согласно статистическим соотношениям [1] и размерам деталей
существующего прототипа [2].
Для расчета сил инерции деталей КШМ определяют
массы:
поршневого комплекта;
массы центральных шатунов;
шатунных шеек и щек коленчатого вала.
Значение масс элементов КШМ проектируемого
двигателя принимаем равными массам элементов прототипа:
масса поршневого комплекта -
;
масса шатунной группы -
;
Масса поршневой группы определяется по формуле:
,
где
-
масса поршня;
- масса комплекта
поршневых колец;
- масса поршневого
пальца;
- общая масса
элементов крепления.
Следовательно, масса поршневой группы
.
Общая масса шатунной группы:
.
Масса поступательно-движущейся части шатунной
группы, условно сосредоточенной на оси поршневого пальца определяется по
формуле:
.
Масса вращающейся части шатунной группы, условно
сосредоточенной на оси шатунной шейки:
.
Масса поступательно-движущихся частей КШМ
определяется по формуле:
.
Силы, действующие в КШМ
Определение сил давления газов в цилиндре
Сила давления газов определяется по формуле:
, (1.35)
где
-
значение давления газов в цилиндре;
- давление
окружающей среды;
- диаметр
цилиндра, м.
Для последующих расчетов необходимо построить
график изменения силы давления газов в функции от угла поворота коленчатого
вала.
Для этого необходимо индикаторную диаграмму,
построенную в координатах
, перестроить в
диаграмму с координатами
(развернутую
диаграмму). Для этого индикаторная диаграмма перестраивается в развернутую с
помощью метода Брикса (см. рис.3) - на отрезке, соответствующем ходу поршня,
строится полуокружность радиусом, равным половине хода. С учетом поправки
Брикса (
)
откладывается новый центр, из которого проводят лучи до пересечения с
полуокружностью, соответствующие углу поворота коленчатого вала. В конечном
итоге получаем точки пересечения, являющиеся шкалой для диаграммы в координатах
.
Следующим шагом является разворачивание индикаторной диаграммы по углу
(рисунок
1.3).
Рисунок 1.3 - Развернутая индикаторная диаграмма
методом Брикса
Рисунок 1.4 - Развернутая индикаторная диаграмма
изменения давления по углу поворота КВ
Развернутая индикаторная диаграмма показывает
избыточное давление газов на поршень:
. (1.36)
Сила давления газов на поршень подсчитывается по
формуле (1.36), и величины соответствующих сил для каждого угла поворота
коленчатого вала записываются в таблицу 1.3.
Таблица 1.3 - Изменение силы давления газов на
поршень по углу поворота КВ.
Определение сил инерции поступательно-движущихся
масс
Действующая на поршень сила инерции масс,
совершающих возвратно-поступательное движение, равна:
, (1.37)
где
-
силы инерции первого порядка,
- силы инерции
второго порядка.
Следовательно,
, (1.38)
где
-
масса ПДМ;
- радиус кривошипа
коленчатого вала;
- угловая скорость
коленчатого вала,
.
Суммарная сила
,
действующая на поршневой палец, определяется алгебраическим сложением сил
давления газов
и сил инерции ПДМ
по
формуле:
(1.39)
Результаты расчета сил
,
и
сводятся
в таблицу 1.4, и строится сводный график сил, действующих на поршень по углу
поворота коленчатого вала (рисунок 1.5).
Таблица 1.4 - Изменение сил, действующих на
поршень в зависимости от угла поворота КВ
Рисунок 1.5 - График сил, действующих на поршень
Определение сил, действующих на шатунную шейку
коленчатого вала
От действия суммарной силы
возникают
следующие силы (рисунок 1.6):
Рисунок 1.6 - Схема сил, действующих на детали
КШМ
суммарная нормальная (боковая) сила N,
направленная перпендикулярно оси цилиндра; определяется по формуле
; (1.40)
суммарная радиальная сила Z, направленная по
радиусу кривошипа; определяется по формуле
; (1.41)
суммарная тангенциальная сила Т, направленная
перпендикулярно к радиусу кривошипа; определяется по формуле
; (1.42)
- суммарная сила, действующая вдоль шатуна К
определяется по формуле
, (1.43)
где
-
угол отклонения оси шатуна от оси цилиндра,
.
Результаты расчета сил K, N, T и Z сводятся в
таблицу 1.5. Диаграммы изменения этих сил в зависимости от угла поворота
коленчатого вала представлены на рисунок 1.7.
Таблица 1.5 - Изменение сил, действующих на
поршень, в зависимости от угла поворота КВ
Рисунок 1.7 - Диаграмма изменения сил K, N, T и
Z в зависимости от угла поворота КВ
Крутящий момент на выходном коленчатом вале
Кривая тангенциальных сил T является кривой
изменения индикаторного крутящего момента, развиваемого одним цилиндром.
Построение графика суммарного индикаторного крутящего момента многоцилиндрового
двигателя (с равномерным чередованием одноименных процессов) сводится к
суммированию крутящих моментов от всех цилиндров с учетом чередования вспышек.
Так как величины и характер изменения крутящего момента по углу поворота
коленчатого вала одинаковы и отличаются лишь угловыми интервалами, равными
угловым интервалам между вспышками в отдельных цилиндрах, то для подсчета
суммарного крутящего момента достаточно иметь значения крутящего момента одного
цилиндра.
Крутящий момент одного цилиндра определяется по
формуле:
, (1.44)
где
-
радиус кривошипа коленчатого вала;
- тангенциальная
сила, направленная перпендикулярно к радиусу кривошипа.
Приняв схему КВ с расположением кривошипов под
углом 120°, рассмотрим Н-образный двигатель как совокупность согласованно
работающих двухтактных оппозитных двигателей. Таким образом, принимаем
следующий порядок работы:
Рисунок 1.8
Теперь рассчитываем крутящий момент отдельно
взятого оппозитного двигателя как V-образного с углом развала между блоками
цилиндров 180°. Для этого определяем крутящий момент в отсеке двигателя, а
после - момент на коленчатом вале.
Т.е. крутящий момент в отсеке для угла
определяется
как сумма моментов от двух шатунов (с учетом угла развала цилиндров
):
. (1.45)
Крутящий момент на коленчатом вале для угла
определяется
по формуле:
. (1.46)
Крутящий момент на выходном вале определяется по
формуле:
(1.47)
Результаты расчетов сил t и крутящих моментов М
представлены в табл. 1.6, на рис. 1.9 представлен график изменения крутящего
момента двигателя на выходном валу.
Таблица 1.6 - Результаты расчетов крутящих
моментов, действующих на КВ
Среднее значение крутящего момента одного КВ
приближенно определяется по формуле:
.
Рисунок 1.9 - Графики изменения крутящего
момента выходного вала
1.4 Прочностной расчет основных
деталей КШМ двигателя
Расчет поршня двигателя
В соответствии с существующими прототипами
двигателя и с учетом соотношений [1], принимаем:
толщина днища поршня:
;
высота поршня:
;
высота юбки поршня:
;
высота верхней части поршня:
;
внутренний диаметр поршня:
;
диаметр бобышки:
;
расстояние между торцами бобышек:
;
расстояние до первой поршневой канавки:
;
радиальная толщина кольца:
;
радиальный зазор кольца в канавке поршня:
;
толщина стенки головки поршня:
;
толщина стенки юбки поршня:
;
величина верхней кольцевой перемычки:
;
число и диаметр масляных каналов в поршне:
и
.
На основании данных теплового расчета,
скоростной характеристики и динамического расчета получили:
диаметр цилиндра
;
ход поршня:
;
действительное максимальное давление сгорания:
;
площадь поршня:
;
наибольшая нормальная сила:
;
масса поршневой группы:
;
частота вращения:
;
отношение радиуса кривошипа к длине шатуна:
.
Также, принимаем:
материал поршня - алюминиевый
сплав,
;
материал гильзы цилиндра -
чугун,
.
Рис. 1.10 - Схема нагружения днища поршня
Напряжение изгиба на днище поршня определятся по
формуле:
где
.
.
Полученное значение является допустимым, т.к.
.
Рисунок 1.11
Напряжение сжатия в сечении x-x:
, (1.55)
где
;
.
тогда
.
Предельное напряжение сжатия:
.
Напряжение разрыва в сечении x-x:
максимальная угловая скорость холостого хода:
; (1.56)
.
- масса поршня с кольцами, расположенными выше
сечения x-x:
(кг).
максимальная разрывающая сила:
; (1.57)
.
напряжение разрыва:
; (1.58)
.
Напряжение в верхней кольцевой перемычке:
напряжение среза:
; (1.59)
.
напряжение изгиба:
; (1.60)
.
напряжение сложное:
; (1.61)
.
Удельное давление поршня на стенку цилиндра:
цилиндр двигатель вал себестоимость
; (1.62)
.
; (1.63)
.
Допустимое удельное давление
Диаметры головки и юбки поршня:
, (1.64)
,
, (1.65)
,
где
;
.
Диаметральные зазоры в горячем состоянии:
; (1.66)
;
; (1.67)
,
где
-
температуры, принятые с учетом жидкостного охлаждения двигателя [1];
и
-
коэффициенты линейного расширения материалов цилиндра и поршня.
Расчет компрессионного кольца
Основные параметры кольца:
радиальная толщина кольца:
;
радиальный зазор кольца в канавке поршня:
;
высота кольца:
;
разность между величинами зазоров замка кольца в
свободном и в рабочем состоянии:
;
материал кольца: чугун серый,
.
Среднее давление кольца на стенку цилиндра
определяем по формуле:
, (1.68)
т.е.
.
Давление кольца на стенку цилиндра в различных
точках окружности определяется по зависимости:
, (1.69)
где
-
коэффициенты, принятые из статистических данных [2].
Результаты расчетов
представлены
в таблице 3.1. По данным таблица 1.7 строим эпюру давлений компрессионного
кольца на стенку цилиндра (рисунок 1.12).
Таблица 1.7 - Изменение давление кольца на
стенку цилиндра
|
y°
|
0
|
30
|
60
|
90
|
120
|
150
|
180
|
|
mк
|
1,05
|
1,05
|
1,14
|
0,90
|
0,45
|
0,67
|
2,85
|
|
р,
МПа
|
0,1155
|
0,1155
|
0,125
|
0,099
|
0,05
|
0,074
|
0,31
|
Рисунок 1.12 - Эпюра давления кольца по
окружности цилиндра
Напряжение изгиба кольца в рабочем состоянии
определяется по формуле:
, (1.70)
.
Напряжение изгиба при надевании кольца на
поршень:
, (1.71)
где
-
коэффициент, зависящий от способа монтажа кольца.
Следовательно,
.
Монтажный зазор в замке поршневого кольца
определяется по формуле:
, (1.72)
где
-
минимально допустимый зазор в замке кольца во время работы двигателя;
и
-
коэффициенты линейного расширения материала кольца и гильзы цилиндра;
- приближенные
значения температуры цилиндра, кольца и продувочного воздуха [2].
Следовательно, получаем значение монтажного
зазора
Расчет поршневого пальца
Параметры поршневого пальца:
палец плавающего типа;
наружный диаметр пальца:
;
внутренний диаметр пальца:
;
длина пальца:
;
длина втулки шатуна:
;
расстояние между торцами бобышек:
;
материал поршневого пальца:
.
Рисунок 1.13 - Схема нагружения поршневого
пальца
Действительное максимальное давление:
.
Расчетная сила, действующая на поршневой палец:
газовая:
; (1.73)
.
инерционная:
, (1.74)
где
;
.
расчетная:
, (1.75)
где
-
коэффициент, учитывающий массу поршневого пальца.
.
Удельное давление пальца на втулку поршневой
головки шатуна:
; (1.76)
.
Удельное давление пальца на бобышки:
; (1.77)
.
Напряжение изгиба в среднем сечении пальца:
, (1.78)
где
-
отношение внутреннего диаметра пальца к наружному.
.
Касательное напряжение среза в сечениях между
бобышками и головкой шатуна:
; (1.79)
.
Наибольшее увеличение горизонтального диаметра
пальца при овализации:
; (1. 80)
.
Напряжение овализации на внешней поверхности
пальца:
в горизонтальной плоскости (рисунок 1.11,
):
; (1. 81)
;
в вертикальной плоскости (рисунок 1.11,
):
; (1.82)
.
Напряжение овализации на внутренней поверхности
пальца:
в горизонтальной плоскости (рисунок 3.4,
):
; (1.83)
.
в вертикальной плоскости (рисунок 1.11,
):
; (1.84)
.
Эпюры напряжений, действующих на палец и
приводящих к его оволизации представлены на рис. 1.14.
Рисунок 1.14 - Эпюры напряжений от овализации
пальца
Расчет стержня и верхней головки шатуна
Конструктивные размеры шатуна [2]:
- наружный диаметр
сечения стержня шатуна,
- внутренний
диаметр сечения стержня шатуна;
- наружный диаметр
поршневой головки,
-внутренний
диаметр поршневой головки.
Расчет стержня шатуна
Стержень шатуна работает в условиях
пульсирующего цикла нагрузки.
Максимальное напряжение цикла определяется по
формуле:
, (1.85)
где
-
коэффициент, соответствующий работе шатуна на сжатие;
- площадь среднего
сечения стержня шатуна;
- максимальная
сила давления газов, передаваемая через поршневой палец на шатун;
- сила инерции от
массы поршневой группы.
Следовательно, получаем максимальное напряжение
цикла
.
Минимальное напряжение цикла:
, (1.86)
где
.
Тогда
.
Среднее и амплитудное напряжение определяется по
формулам:
. (1.87)
. (1.88)
Запас прочности при асимметричном цикле:
, (1.89)
где
-
масштабный коэффициент;
- коэффициент,
- предел усталости
от растяжения-сжатия при симметричном цикле;
- предел усталости
при пульсирующем цикле.
Тогда коэффициент запаса прочности при
асимметричном цикле равен:
.
Запас прочности должен быть не менее 1,8…2,0.
Проверим запас прочности также по пределу
текучести:
. (1.90)
Расчет верхней головки шатуна
Рисунок 1.15
При расчете шатуна можно ограничиться
определением относительного уменьшения диаметра верхней головки по формуле:
, (1.91)
где
-
сила инерции от массы поршневой группы;
- модуль упругости
материала (сталь 40Г) шатуна;
- средний диаметр;
- момент инерции
сечения верхней головки.
Тогда получаем, что
.
Величина
не
должна превышать
.
Коленчатый вал.
Коренная шейка.
Коренные шейки нагружаются главным образом
крутящим моментом, поэтому запас прочности оцениваем только по касательным
напряжениям.
Рисунок 1.16 - Схема нагружения элементов КВ
Момент сопротивления кручению шейки КВ
определяется по формуле:
, (1. 92)
где
-
диаметр коренной шейки.
Тогда
.
Максимальные и минимальные касательные
напряжения подсчитываются по формулам:
(1.93)
где
и
-
максимальное и минимальное значение крутящего момента.
Следовательно, получаем
Амплитудное и среднее значение касательных
напряжений в цикле:
, (1.94)
. (1.95)
Определим коэффициент для ассиметричного цикла
нагрузки:
, (1.96)
где
-
предел выносливости материала (сталь) на кручение при симметричном цикле;
- предел
выносливости при пульсирующем цикле.
Следовательно,
.
Определяем запас прочности при асимметричном
цикле нагрузки по формуле:
. (1.97)
Шатунная шейка.
1.5 Расчет масляной системы
двигателя
Надлежащая смазка трущихся деталей двигателя
имеет решающее значение для обеспечения его наиболее экономичной, надежной
работы, а также для повышения срока службы двигателя.
Основное назначение системы смазки двигателя
заключается в обеспечении минимального трения во всех механизмах, вымывание
продуктов износа из пар трения, охлаждение. Кроме того, смазка способствует
уплотнению поршневыми кольцами внутрицилиндрового пространства и защищает
детали двигателя от коррозионного разрушения.
Объем масла в смазочной системе для уменьшения
массы двигателя должен быть по возможности малым, но достаточным для заполнения
всей системы, смачивания деталей и стенок картера и создания определенного
запаса, компенсирующего расход масла между заправками двигателя. Этот расход
для двигателей различных типов в зависимости от их износа составляет 0,2 - 3%
расхода топлива.
Удельный объем масла
,
заливаемого в смазочную систему с мокрым картером, для дизельных двигателей
лежит в пределах
. Принимаем
.
Тогда объем масла заливаемого в масляную систему
двигателя будет равен:
. (1.98)
Расчет масляного насоса
Расчёт масляного насоса заключается в
определении размеров его шестерен. Этому расчету предшествует определение
циркуляционного расхода масла в системе.
Циркуляционный расход масла
зависит
от количества отводимого им от двигателя тепла
.
Если количество тепла, отводимое от двигателя маслом неизвестно, то пользуются
величиной удельного количества теплоты отводимого от двигателя
,
которое для дизельных двигателей лежит в пределах
.
Принимаем
.
Определим циркуляционный расход масла:
, (1.99)
где
-
коэффициент запаса масла, необходимого на случай перегрузки и форсирования
двигателя, нарушения герметичности соединений системы, увеличения зазоров при
изнашивании, а также для обеспечения требуемого давления масла в системе.
Принимаем
;
- номинальная
эффективная мощность двигателя;
- перепад
температуры масла на выходе из двигателя и на входе в него,
для форсированных двигателей с водомасляными
охладителями
. Принимаем
;
- средняя
теплоемкость масла.
- плотность масла.
В связи с утечками масла через торцовые и
радиальные зазоры насоса расчетную производительность его определяют с учетом
объемного коэффициента подачи
.
Приняв
определим
расчетную производительность насоса
:
. (1.100)
В двигателях в качестве нагнетающих и
откачивающих масляных насосов применяют главным образом объемные шестеренные и
винтовые насосы, отличающиеся надежностью, способностью создавать большие
давления, простотой конструкции и малой стоимостью. Шестеренные насосы по
сравнению с винтовыми имеют более простую конструкцию и меньшую стоимость,
поэтому будем использовать односекционный шестеренный насос с прямозубыми
шестернями.
Из рекомендуемого диапазона чисел зубьев Z =
6..18, зададимся числом зубьев шестерни Z=14 и модулем зацепления
.
Тогда высота зуба шестерни для нулевого
зацепления равна:
.
Задавшись числом зубьев и модулем зацепления,
определим диаметр делительной окружности
:
. (1.101)
Диаметр вершин зубьев определяем по эмпирической
зависимости
:
. (1.102)
Окружная скорость вращения шестерни на внешнем
диаметре
не
должна превышать 8…10 м/с[ ]. При больших значениях скорости коэффициент подачи
насоса значительно уменьшается. Принимаем ее равной:
.
Определим потребное число оборотов шестерни
маслонасоса, которое обеспечит расчетную производительность насоса:
. (1.103)
Задавшись значениями
,
и
,
определим длину зуба шестерни:
. (1.104)
Примем, что в двигателе реализуется давление
масла
которое
соответствует для бензиновых двигателей с турбонаддувом.
Зададимся величиной механического КПД масляного
насоса
.
Определим мощность, затрачиваемую на привод
масляного насоса
:
. (1.105)
1.6 Расчет системы охлаждения
двигателя
Распределение затрат теплоты, полученной в результате
сгорания топлива, на полезную работу и потери называется тепловым балансом
двигателя.
Система охлаждения двигателя поддерживает
определенный, наиболее выгодный тепловой режим его работы. При переохлаждении
увеличиваются потери на трение, уменьшается мощность двигателя, на холодных
деталях конденсируются пары бензина и в виде капель стекают по зеркалу
цилиндра, смывая мазку. Возрастает износ деталей, и чаще требуется заменять
масло.
Перегрев ухудшает количественное наполнение
цилиндра горючей смесью, вызывает разжижение и выгорание масла, в результате
чего могут заклиниться поршни в цилиндрах, и выплавится вкладыши подшипников.
Чтобы избегать перегрева и поддерживать наиболее
оптимальный режим работы двигателя, необходимо достаточно точно рассчитать и
изготовить детали системы охлаждения. В данной работе мы будем рассчитывать
объём жидкости, заливаемый в систему, диаметр патрубков системы и рассчитаем, а
также спрофилируем поточную часть и лопатку водяного насоса.
Расчет объема системы охлаждения двигателя
Объём жидкости в системе охлаждения должен быть
по возможности минимален, но на столько, чтобы обеспечивать поддержание
наиболее оптимальной температуры для работы двигателя, и запас, необходимый в
случае нарушения герметичности системы. Для бензиновых двигателей удельный
объём жидкости заливаемой в систему составляет 
.
Для рассчитываемого двигателя при наличии
турбокомпрессора и маслорадиатора принимаем 
.
Следовательно, объём жидкости, заливаемой в
систему:

. (1.106)
Расчет насоса системы охлаждения
Насос системы охлаждения двигателя служит для
обеспечения непрерывной циркуляции охлаждающей жидкости с целью охлаждения
некоторых агрегатов при помощи радиаторов.
Для нахождения циркуляционного расхода
охлаждающей жидкости
, который необходим
для расчёта насоса, определим количество теплоты, отводимого жидкостью от
двигателя
.
Количество теплоты, отводимого жидкостью от
двигателя определяем по удельному количеству тепла
,
которое для дизельных двигателей лежит в пределах
.
При наличии турбокомпрессора принимаем удельное количество тепла
[5].
Находим количество теплоты, отводимое от
двигателя:
, (1.107)
где
-
количество тепла, отводимое маслом.
Исходя из рекомендаций, для турбокомпрессорных
двигателей с наличием интеркулера величину
следует
увеличить на 2-7%. С учетом всех конструктивных особенностей
.
В качестве охлаждающей жидкости используем
теплоноситель на основе воды и этилглюколя, средняя теплоёмкость которой
составляет
, средняя плотность
-
.
Принимаем частоту вращения насоса равной
.
Значит напор, создаваемый насосом
.
Зная все необходимое для нахождения
циркуляционного расхода охлаждающей жидкости, находим его:
(1.108)
где 
- температурный
перепад воды в радиаторе, выбираемый в диапазоне 7-15 К.
Расчетная производительность насоса определяется
с учётом утечек жидкости из нагнетательной полости во всасывающую:
; (1.109)
Где
-
коэффициент подачи насоса, который для центробежных насосов лежит в пределах
0,8-0,9.
Входное отверстие насоса должно обеспечить
подвод расчётного количества воды. Это достигается при выполнении условия:
(1.110)
Где
-
скорость воды на входе, м/с;
- радиусы входного
отверстия и ступицы крыльчатки, м. (рис. 1), принимаем
.
Следовательно:
(м), (1.111)
Определяем окружную скорость на выходе из
колеса:
,
где
,
-углы
между направлениями скоростей
;
гидравлический КПД
насоса(
).
Избыточное давление в системе охлаждения
предназначено для повышения температуры кипения, охлаждающей жидкости, а также
для обеспечения запаса давления на гидравлические потери в каналах системы.
При построении профиля лопатки крыльчатки
принимают угол 
, а угол 
. С увеличением
растет напор, создаваемым насосом. Однако увеличение приводит к уменьшению КПД
насоса.
Предварительно задаваясь частотой вращения
колеса 
, определим радиус
крыльчатки:
.
Окружная скорость входа потока (из соотношения
скоростей к радиусам) равна:
. (1.112)
Принимаем угол между скоростями
и
,
,
при этом:
, откуда
;
Найдём радиальную скорость потока на выходе из
колеса:
; (1.113)
Определяем ширину лопатки на входе:
,
где
-
толщина лопаток на выходе, м.
Определим мощность, потребляемую водяным
насосом:
кВт;
где
механический
КПД насоса.
Мощность, затрачиваемая на привод насоса,
составляет 0,038% от мощности двигателя.
Определение режимных и конструктивных параметров
системы охлаждения двигателя
Определение диаметра патрубков системы
охлаждения так же, как и предыдущие расчеты являются весьма важной частью расчетов.
При недостаточном диаметре не будет осуществляться расчётный циркуляционный
расход. Слишком большой диаметр будет негативно влиять на компоновочные и
проектировочные свойства двигателя. Основным параметром для расчёта является
циркуляционный расход охлаждающей жидкости.
Диаметр патрубка можно определить по
зависимости:
(1.114)
Следовательно:
. (1.115)
Рисунок 1.17 - Схема центробежного насоса
1.7 Оценка надежности проектируемого
двигателя и его срока службы
Надежность двигателя - это свойство нормально
(без поломок, недопустимых износов, потери мощности и т.д.) работать в пределах
оговоренного межремонтного срока службы при условии соблюдения всех требований
инструкции по эксплуатации. Она определяется степенью отработанности
конструкции и технологии изготовления, а также стабильностью качества
применяемых материалов.
Для определения надежности рассматриваемого
двигателя и определения его ресурса используем методику прогнозирования
структурной надежности ДВС.
Структурной надежностью двигателя называют его
результирующую надежность при заданных значениях надежности всех элементов, что
входят в состав ДВС.
Приведем структурную схему разрабатываемого
двигателя (рисунок 1.18):
Рисунок 1.18 - Структурная схема надежности
двигателя.
Повторение элементов в схеме связано с тем, что
в каждом из 16 цилиндров расположено по 2 встречно-движущихся поршня, каждый из
которых расположен на отдельном шатуне.
Зададимся ресурсом безотказной работы двигателя
и
нормой надежности
при количестве
элементов
где
-
количество элементов в цилиндре;
- количество
цилиндров.
Находим значения интенсивности отказов
двигателя:
(1.116)
Пересчитываем значения интенсивности отказов для
одного элемента:
Следовательно, средняя наработка до отказа
составит:
. (1.117)
Тогда средняя наработка до отказа элемента
равна:
.
Определим вероятность безотказности работы
двигателя:
(1.118)
Для низкооборотных судовых дизелей ресурс
составляет 40000…45000 часов.
Видим, что ресурс работы реальной модели
двигателя гораздо ниже, чем предполагаемый, следовательно, необходимо повышать
надежность каждой детали в частности.
Повышение надежности работы двигателя связано, в
первую очередь, с повышением усталостной прочности деталей, с уменьшением
концентрации напряжений, применением азотирования, накатки галтелей и других
видов поверхностного упрочнения.
В двигателестроении обычно устанавливаются
следующие регламентированные виды сроков службы:
а) назначенный ресурс до первой переборки, т.е.
до первой необходимости произвести вскрытие цилиндропоршневой группы для
осмотра или промывки поршневых колец (возможна и смена колец), либо для
притирки клапанов;
б) назначенный ресурс до капитального ремонта
(ресурс), при котором осуществляется полная разборка двигателя с перешлифовкой
коленчатого вала и заменой подшипников.
Величины минимально допустимых назначенных
ресурсов до первой переборки и до капитального ремонта для дизелей различных
размеров и уровня форсирования приведены в справочных данных по дизелестроению
[2]:
не менее 20,0 тыс. ч. до переборки;
не менее 40,0 тыс. ч. до капитального ремонта.
1.8 Диагностика деталей двигателя
Методы неразрушающего контроля при производстве деталей
Одним из эффективных способов поддержания
высокой надежности техники и увеличения сроков её службы является обязательное
применение на этапах производства, эксплуатации и ремонта различных методов
неразрушающего контроля ответственных деталей и узлов.
Методы неразрушающего контроля предназначены для
выявления дефектов (нарушения сплошности материала, оценки его структуры и
физико-химических свойств, контроля геометрических размеров изделий и т.д.).
Методы неразрушающего контроля в зависимости от физических явлений положенных в
их основу подразделяют на акустические, капиллярные, магнитные, оптические,
радиационные, радиоволновые, тепловые, электрические, электромагнитные.
Универсальных методов контроля не существует.
Наиболее распространены в условиях производства,
эксплуатации и ремонта авиационной техники магнитные (магнитопорошковый),
капиллярные (цветной, люминесцентный и люминесцентно-цветной), токовихревые,
акустические, радиационные (рентгенографический и гаммаграфический) и
оптические методы (с использованием луп, жестких, гибких эндоскопов).
Выявление поверхностных и подповерхностных
дефектов обеспечивают практически все методы (за исключением оптико-визуального
и капиллярных, не позволяющих выявить подповерхностные дефекты). Возможности
обнаружить дефекты в толще материала или на недоступной стороне детали
ограниченны, поэтому здесь приемлемы лишь ультразвуковой и радиационные методы.
Причем радиационные методы (наиболее распространенные радиографические с
применением рентгеновского и гамма-излучений) не всегда могут конкурировать с
ультразвуковым методом, так как требуют доступа к объекту с двух сторон для
установки кассеты с пленкой и источника излучения, в то время как контроль
деталей с помощью ультразвука возможен при одностороннем подходе к ним.
Методы контроля при производстве поршня
двигателя
Поршень является одной из наиболее ответственных
деталей в двигателе, поэтому на каждом этапе производства выявлению дефектов
уделяется большое внимание. При изготовлении поршня используют следующие виды
неразрушающего контроля: ультразвуковой (УЗК), люминесцентный и визуальный
методы контроля.
Методы контроля на разных этапах производства
поршня:
Ковка или литье в кокиль: После операции литья
(ковки) применяют ультразвуковой метод контроля, с помощью которого определяют
инородные включения, газовые и усадочные раковины, пористость, неоднородность
структуры, горячие трещины и т.д..
Механическая обработка поверхностей (боковая
поверхность, днище поршня, расточки под пальцы, канавки под кольца и т.д.):
После обработки проверяют комбинированным методом, ультразвуковым и
люминесцентным методом контроля, во избежание пропуска недопустимых
поверхностных и подповерхностных дефектов.
Таким образом, анализ технического состояния
деталей, осуществляемый методами неразрушающего контроля, позволяет решать
многие задачи: определять работоспособность деталей, выявлять усталостные
трещины, изнашивание и повреждение деталей, устанавливать причины образования
дефектов и т.д.
1.9 Описание конструкции двигателя
На чертеже ХАІ.401.445.09О.09216.0604122 ВО
показан силовой агрегат двухтактного быстроходного судового Н-образного
(двухвального) двенадцати цилиндрового двигателя.
Коленчатые валы соединены с распределительным
валом с помощью косозубой цилиндрической передачи, поскольку двигатель
двухтактный обороты коленчатых валов равны оборотам распределительного вала.
Валы крепятся в разъемных опорах расположенных в остове двигателя. Алюминиевый
остов состоит из двух половин, соединяющихся вдоль коленчатых валов и распределительного
вала. К остову двигателя присоединяются левый и правый блоки цилиндров,
расположенных в горизонтальном положении. К блокам цилиндров присоединяются
головки блоков, в них на каждый цилиндр расположены по четыре выпускных клапана
для лучшей очистки и продувки рабочей части. Клапана приводятся в действие с
помощью коромысел и толкателей от распределительно вала, расположенного между
коленчатыми валами, в каждом цилиндре расположены окна для наполнения цилиндра
свежим зарядом. Угол между кривошипами коленчатого вала 120 градусов. Верхний
коленчатый вал работает (1л-3п-2л-1п-3л-2п) со вспышками через 60 градусов,
нижний коленчатый вал, провернутый относительно верхнего на 60 градусов,
следовательно, вспышки нижнего совпадает со вспышками верхнего со смещением на
60 градусов.
Работа данного ПДВС осуществляется следующим
образом. Агрегат наддува через впускной коллектор и впускные окна нагнетает
воздух в цилиндр, поршень двигаясь с НМТ в ВМТ сжимает воздух после чего под
большим давлением через дизельную форсунку топливной системы подается топливо,
оно воспламеняется. Из-за силы газов образованных от вспышки поршень движется с
ВМТ в НМТ, распределительный вал проворачивается и кулачками давит на штанги
которые, в свою очередь через коромысла открывают клапана. Через которые и
впускные окна осуществляется очистка и продувка цилиндра. Двигатель охлаждается
смягченной водой. Система смазки заключена в каналах, проходящих по остову. В
головку цилиндра смазка поступает через направляющие трубки штанг, на конце которых
расположены крышки выполняющие роль форсунок, для распыления масла в головке.
Собранная смазка собирается в нижней части крышки головки цилиндра и по штуцеру
стекает в поддон картера. Масляный насос расположен снаружи двигателя и
приводящегося в действии е от нижнего коленчатого вала. Двигатель имеет четыре
опоры для крепления к раме судна.
2. ТЕХНОЛОГИЧЕСКАЯ ЧАСТЬ
2.1 Конструктивно-технологический
анализ детали
Ввертыш изготавливается из коррозионно-стойкой
стали марки 14Х17Н2 ГОСТ 5632-72. По технологическим свойствам сталь
характеризуется низкой обрабатываемостью резанием, низкой свариваемостью,
высокой пластичностью при холодной обработке. Для выбранной стали интервал
температур ковки составляет 620°-700°С. Химический состав и механические свойства
стали приведены в таблице 1.1 и 1.2 соответственно.
Таблица 2.1 - Химический состав стали Х18Н9Т
ГОСТ 5232-72
|
С,%
|
Mn,%
|
Si,%
|
Cr,%
|
Ni,
% не более
|
S,%
не более
|
Р,%
не более
|
|
0,11-0,17
|
до
0,8
|
до
0,8
|
16
- 18
|
1,5
- 2,5
|
до
0,025
|
до
0,3
|
Таблица 2.2 - Механические свойства стали Х18Н9Т
ГОСТ 5232-72
|
σв., МПа
|
σm.,
МПа
|
δ,%
|
Ψ,%
|
Ударная
вязкость, кДж/м2
|
НВ
|
|
784
|
637
|
12
|
30
|
490
|
55
|
Деталь представляет собой тело вращения.
Наибольший диаметр составляет 14 мм, а длина 31,5 мм. С точки зрения геометрии
деталь является технологичной, так как представляет собой комбинацию простых
поверхностей. Необходимая твердость материала достигается термообработкой.
Материал трудно обрабатываемый.
В целом, конструкция вверыша, с точки зрения
технологии изготовления, имеет ряд преимуществ:
деталь имеет поверхности несложной конфигурации;
все поверхности доступны для обработки;
непосредственное измерение большинства размеров
не вызывает технологических трудностей;
для производства детали возможно использование
высокопроизводительных методов обработки.
Основным принципом выбора заготовки является
ориентация ее на такой способ изготовления, который обеспечивал бы ее
максимальное приближение к форме готовой детали. Учитывая также назначение и
условия работы детали, ее конфигурацию, свойства материала и тип производства,
для нашей детали выбираем заготовку, полученную методом сортового проката. При
таких условиях существенно сокращается расход материала, объем механической
обработки и производственный цикл изготовления детали. Выбранный метод
получения заготовки широко применяется в промышленности для изготовления
деталей типа форсунок, валов, втулок, рычагов и тому подобное. В качестве
заготовки выбираем горячекатаный пруток повышенной точности диаметром 16 мм с
такими характеристиками качества поверхности:
квалитет точности Т= 16; [10]
шероховатость RZ= 80 мкм;
глубина дефектного слоя h= 120 мкм.
Уровень технологичности детали по точности
обработки определяется по формуле:
,
где
-
средний квалитет точности, определяемый по формуле
где
-
квалитет точности;
- количество
поверхностей, соответствующих квалитету;
- общее количество
обрабатываемых поверхностей.
Условие выполняется, следовательно, наша деталь
технологична по точности обработки.
Определим уровень технологичности детали по
шероховатости поверхности по формуле:
где
-
средняя шероховатость поверхности, определяемая по формуле
где
-
шероховатость поверхности;
- количество
поверхностей, соответствующих шероховатости;
- количество
обрабатываемых поверхностей.
Условие выполняется, следовательно, наша деталь
технологична по шероховатости поверхности.
Таким образом, анализ технологичности позволяет
нам сделать вывод об общей технологичности детали и о возможности ее
изготовления в условиях, характерных для авиадвигателестроения.
2.2 Расчет числа технологический
переходов обработки основных поверхностей детали
Число переходов, необходимое для обработки
каждой из поверхностей детали, их состав по применяемым методам обработки
определяются на основании расчетов по аналитическим зависимостям (соотношениям
характеристик точности размеров, формы и шероховатости одноименных поверхностей
исходной заготовки и готовой детали).
Количество ступеней обработки отдельной
поверхности для достижения заданной точности размеров и шероховатости
поверхности определяем по следующим зависимостям:
количество операций обработки поверхности для
достижения необходимой степени точности,
где Тзаг - допуск на размер заготовки;
Тдет - допуск на размер готовой детали;A = lg 3
= 0,45 - коэффициент уточнения.
количество операций обработки поверхности для
достижения необходимой шероховатости,
где Rzзаг - шероховатость заготовки; дет -
шероховатость готовой детали; В = lg 2,5 = 0,40 - коэффициент уточнения.
При определении параметров по каждому отдельному
переходу следует учесть то, что каждая последующая ступень обработки приводит к
повышению точности операционного размера, а наиболее существенное уменьшение
исходной погрешности происходят на первых ступенях обработки.
Однако вычисленные по вышеуказанным формулам значения
количества формообразующих операций являются ориентировочными, поскольку они
могут быть, как уменьшены, так и увеличены в зависимости от применяемого
оборудования, инструмента, оснастки. Кроме того, отдельных операций требуют
фрезерование шлицев, сверление, зенкерование отверстий, запрессовка втулок и
приваривание пластины. Также в случае использования поверхности как
установочной базы ее, как правило, после нескольких установов правят, таким
образом, увеличивая количество формообразующих операций для данной поверхности.
Расчета потребного количества операций и
переходов представлен в таблице 2.1., на которой представлены также изменения
точности и шероховатости рассматриваемых поверхностей по операциям. Схема
нумерации поверхностей представлена на рис. 2.1.
После определения количества формообразующих
операций технологический процесс изготовления детали насыщается необходимыми
вспомогательными операциями, такими как слесарные, промывочные, контрольные,
сборочные и т.д. Также отдельно выделяются операции термической и
химико-термической обработки, которые вносятся в технологический процесс на
соответствующих этапах изготовления детали.
Рисунок 2.1 - Схема нумерации поверхностей
|
Nп/п
|
Размер,
мм.
|
Точность
(кв./допуск, мкм)
|
Шероховатость
, мкм
|
Число
ступеней обработки
|
Точность
по ступеням обработки (квалитет)
|
Шероховатость
по ступеням обработки , мкм
|
Методы
обработки
|
|
Д
|
З
|
Д
|
З
|
Д
|
З
|
|
|
|
1
|
2
|
3
|
4
|
1
|
2
|
3
|
4
|
|
|
1
|
Æ6
|
Æ16
|
|
|
20
|
80
|
3,3
|
1,5
|
3
|
|
|
|
|
60
|
|
|
|
1.Точение
черновое
|
|
|
|
|
|
|
|
|
|
|
|
|
|
|
|
40
|
|
|
2.Точение
получистовое
|
|
|
|
|
|
|
|
|
|
|
|
|
|
|
|
|
20
|
|
3.Точение
чистовое
|
|
2-7
|
35
|
41,6
|
|
|
40
|
80
|
0,4
|
0,75
|
1
|
|
|
|
|
40
|
|
|
|
1.Точение
черновое
|
|
3-8
|
Æ8,5
|
Æ16
|
|
|
10
|
80
|
1,4
|
2,26
|
2
|
|
|
|
|
40
|
|
|
|
1.Точение
черновое
|
|
|
|
|
|
|
|
|
|
|
|
|
|
|
|
10
|
|
|
2.Точение
получистовое
|
|
4
|
Æ14
|
Æ16
|
|
|
40
|
80
|
2,4
|
0,75
|
2
|
|
|
|
|
60
|
|
|
|
1.Точение
черновое
|
|
|
|
|
|
|
|
|
|
|
|
|
|
|
|
40
|
|
|
2.Точение
получистовое
|
|
5
|
15
|
41,6
|
|
|
40
|
80
|
0,7
|
0,75
|
1
|
|
|
|
|
40
|
|
|
|
1.Точение
черновое
|
|
6
|
11
|
41,6
|
|
|
40
|
80
|
1,2
|
0,75
|
1
|
|
|
|
|
40
|
|
|
|
1.Точение
черновое
|
|
9
|
Æ4,5
|
-
|
|
|
10
|
80
|
3,4
|
2,26
|
3
|
|
|
|
|
60
|
|
|
|
1.Сверление
|
|
|
|
|
|
|
|
|
|
|
|
|
|
|
|
40
|
|
|
2.Зенкирование
|
|
|
|
|
|
|
|
|
|
|
|
|
|
|
|
|
10
|
|
3.Развертывание
|
Таблица 2.2 - Расчет потребного количества
операций и переходов
|
10
|
11
|
41,6
|
|
|
20
|
80
|
0,7
|
1,5
|
2
|
|
|
|
|
40
|
|
|
|
1.Точение
черновое
|
|
|
|
|
|
|
|
|
|
|
|
|
|
|
|
20
|
|
|
2.Точение
получистовое
|
|
11-12
|
2,8
|
41,6
|
|
|
10
|
80
|
2,4
|
2,25
|
2
|
|
|
|
|
40
|
|
|
|
1.Фрезерование
черновое
|
|
|
|
|
|
|
|
|
|
|
|
|
|
|
|
10
|
|
|
2.Фрезерование
получистовое
|
|
13
|
Æ1,8
|
-
|
|
|
20
|
80
|
3,4
|
1,5
|
3
|
|
|
|
|
60
|
|
|
|
1.Сверление
|
|
|
|
|
|
|
|
|
|
|
|
|
|
|
|
40
|
|
|
2.Зенкирование
|
|
|
|
|
|
|
|
|
|
|
|
|
|
|
|
|
20
|
|
3.Развертывание
|
|
14
|
3
|
41,6
|
|
|
10
|
80
|
1,2
|
2,25
|
2
|
|
|
|
|
40
|
|
|
|
1.Фрезерование
черновое
|
|
|
|
|
|
|
|
|
|
|
|
|
|
|
|
10
|
|
|
2.Фрезерование
получистовое
|
3. РАЗРАБОТКА ПЛАНА ТЕХНОЛОГИЧЕСКОГО
ПРОЦЕССА
После анализа чертежа детали, выбора метода
формообразования заготовки и определения потребного количества операций и
переходов обработки основных поверхностей детали приступают к разработке
предварительного плана технологического процесса ее изготовления. Такой план
составляют по чертежу рабочей детали в виде операционных эскизов. Им
устанавливаются границы между операциями и их последовательность в процессе,
степень концентрации операций, установочные и исходные базы, схемы закрепления
заготовок, обрабатываемые поверхности выделяются особо соответствующими
операционными размерами с указанием шероховатости.
Для формирования плана технологического процесса
необходимо:
определить наиболее ответственные поверхности,
требующие многократной обработки, выделяя из них те, которые обрабатывают
совместно с другими и поверхности, требующие отдельных операций;
определить поверхности, допускающие обработку
сразу окончательно, также разделяя на обрабатываемые в комплексе с другими и
отдельно;
оценить однородность формообразующих операций
для поверхностей, обрабатываемых совместно и наметить предварительную
последовательность операций, начиная с самых грубых и переходя к окончательным;
зафиксировать операции эскизами, которые
выполняются в соответствии с закономерностями теории базирования, требованиями
ЕСТД. На эскизах установки и обработки отображаются необходимые данные,
условия, параметры обрабатываемой детали, устанавливается шероховатость
поверхностей, операционные размеры и технические условия, указываются условные
обозначения опор и зажимов;
внести в первоначальный план операции для
поверхностей, обрабатываемых отдельно;
включить вспомогательные операции: слесарные,
гальванические, промывочные, контрольные.
Разработка и оформление предварительного плана
технологического процесса изготовления форсунки производится с помощью ЭВМ.
Используемым программным обеспечением является программа КОМПАС-3D V10 (АО
АСКОН, РОССИЯ). Версия программы некоммерческая.
.1 Описание структурной схемы
технологического процесса
Первый этап технологического процесса
«Заготовительный» предполагает получение заготовки детали. Точность получаемых
размеров находится на уровне IT 15, а шероховатость Rz = 80 мкм.
На втором этапе необходимо произвести черновую
обработку детали. Предусматривается черновая обработка основных технологических
баз, снятие корки, образовавшейся в результате проката, а также окончательная
обработка поверхностей, точность которых не превышает 11-го квалитета. Точность
получаемых размеров находится на уровне IT 12, а шероховатость Rz = 40..20 мкм.
После выполнения черновой обработки необходимо
снять внутренние напряжения, образовавшиеся в материале детали. Поэтому
предусматриваем термический этап (закалка, отпуск).
Следующий этап технологического процесса
предназначен для получистовой обработки точных поверхностей. Точность
получаемых размеров находится на уровне IT 10..9, а шероховатость Rz = 10..6,3
мкм.
Чистовой и отделочный этапы предназначены для
окончательной обработки всех точных поверхностей детали. Разницу между ними
составляют величины достижимых величин точности и шероховатости, а,
следовательно, и применяемые методы обработки. Точность получаемых размеров на
чистовом этапе находится на уровне IT 7..8, а шероховатость Rz = 3,2...6,3 мкм,
на отделочном этапе точность размеров - IT 6, а шероховатость Rа = 0,16…1,25
мкм.
3.2 Выбор и обоснование
технологических баз
Анализируя чертеж детали, можно сказать, что для
обеспечения наибольшей точности получаемых линейных размеров целесообразнее
всего в качестве установочных баз использовать торцевые поверхности 2 и 8,
поскольку с ними связано наибольшее количество размеров. Также при их
использовании выполняются условие наименьшей погрешности от несовмещения баз и
принцип постоянства установочной базы. На чертеже детали в качестве
конструкторской базы для диаметральных размеров принята ось детали, однако,
исходя из невозможности использования геометрической прямой в качестве
технологической базы, в качестве установочных используем внутренние и внешние
цилиндрические.
.3 Разработка и обоснование
предварительного плана технологического процесса
После данных операций заготовительного этапа
заготовка поступает в механический цех. Первой операцией механообработки
является токарная операция, предназначение которой состоит в подготовке
установочных баз для последующей механообработки. Для черновой обработки точных
поверхностей и окончательного формирования поверхностей, точность которых не
превышает IT12, предусматриваем токарные операции на станках с ЧПУ. Причем для
повышения точности обработки все переходы каждой из операций выполняем с одного
установа. Также на этой стадии производится сверление отверстий, которые
находятся на уже обработанных поверхностях.
После черновой обработки производится отпуск
детали для снятия возникших внутренних напряжений, после чего выполняют
промежуточный контроль размеров детали.
Получистовую обработку точных поверхностей
детали производим абразивными методами, т.е. шлифованием. На этой стадии
технологического процесса последовательность операций выстраиваем таким
образом, чтобы более точные поверхности обрабатывались после обработки
поверхностей, которые служат для них базами.
После выше описанных операций обработки детали
перед чистовой обработкой в технологический процесс закладываем операции
термической обработки, предназначенные для изменения структуры и свойств
обрабатываемых поверхностей. Эти операции включают закалку и низкий отпуск для
получения оптимальной структуры и распределения внутренних напряжений материала
перед операциями чистового этапа, а также для придания детали заданных чертежом
эксплуатационных свойств, т.е. твердости и прочности. Здесь же производим
промежуточный контроль формы и свойств детали.
Чистовая обработка детали производится на
шлифовальных операциях.
Завершающая обработка детали производится для
обеспечения максимальной точности и требуемой шероховатости на полировальной
операци. После каждой из операций предусмотрены операции отмочки и промывки для
обеспечения чистоты детали и уменьшения вероятности ошибки при контроле.
В конце технологического процесса производятся
операции окончательного контроля и консервации детали, предназначенные для
контроля всех геометрических параметров детали (по чертежу) и предохранения ее
от внешних воздействий.
4. РАСЧЕТ ПРИПУСКОВ И ОПЕРАЦИОННЫХ
РАЗМЕРОВ НА ОБРАБОТКУ
.1 Расчет припусков и операционных
размеров на диаметральные поверхности расчетно-аналитическим и нормативным
методами
Расчетно-аналитический метод расчета припусков
состоит в установлении факторов, влияющих на величину операционных
(промежуточных) припусков и установления расчетным путем значение каждой из
составляющих припуска, компенсирующих влияние этих факторов. Этот метод
учитывает конкретное сочетание условий обработки и является наиболее
оптимальным и точным.
Минимальный припуск при обработке поверхностей
вращения рассчитывается по формуле:
, [
17, с. 62];
где
-
высота неровностей поверхности, оставшихся при выполнении предшествующей
операции (перехода), мкм;
- глубина
дефектного слоя, оставшегося при выполнении предшествующей операции (перехода),
мкм;
- погрешность
установки заготовки данной операции (переходе), мкм.
Пространственные отклонения исходной заготовки
определяют по формуле:
,
где
-
погрешность коробления, мкм;
- погрешность
смещения, мкм.
Порядок расчета припусков и операционных
размеров поверхностей вращения проследим на примере наружной цилиндрической
поверхности № 1 форсунка. Исходные данные для расчета: размер окончательно
обработанной поверхности - Ø
,
шероховатость Rz5.
Значения составляющих припуска определяем с
учетом принятых методов обработки поверхности, способов базирования и
закрепления заготовки, точности оборудования и оснастки. Результаты вычислений
заносим в таблицу в следующем порядке.
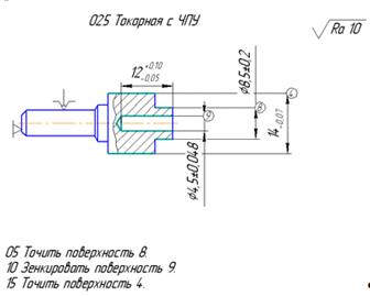
. Маршрут обработки поверхности, номера операций
и достигаемая при этом шероховатость известны на основании разработанного плана
техпроцесса. После штамповки поверхность подвергается трем переходам
механической обработки - черновому точению (операция 070), получистовому
точению (операция 090), чистовому точению (операция 130), шлифованию (операция
260).
Шероховатость поверхности изменяется по
переходам следующим образом: Rz80 - Rz60 - Rz20 - Rz10- Rz5.
. Величины
и
,
характеризующие состояние поверхности заготовки после обработки различными
методами, определяем по таблицам точности и качества обработки [10, с. 186 т.
12, с. 188 т. 25; 11, с. 89, т. П.1.1].
После проката на прессе для массы поковки до
0,25 кг принимаем
=80 мкм и
=120
мкм.
Черновое точение позволяет уменьшить
шероховатость и глубину дефектного слоя соответственно до
=
60 мкм и
=60
мкм.
Получистовым точением обеспечиваем
=20
мкм и
=30
мкм.
Пространственные отклонения
выражаются
короблением заготовки
и смещением одних
ее элементов относительно других вследствие несовпадения частей штампа
:
.
Для определения пространственных отклонений
горячекатаной заготовки воспользуемся справочными нормативами [10, с.186 т.17,
с.187 т.18]. После заготовительного этапа
=
210 мкм,
=
210 мкм. Тогда получаем
=296мкм.
Величины остаточных пространственных отклонений
коробления и смещения на всех последующих ступенях обработки находим по
формуле:
,
где
-
коэффициент уточнения, принимается на основании опытных данных [11, с.18].
После чернового точения (
=
0,06)
=
=
17,8мкм,
После получистового точения (
=
0,05)
=
=
14,8мкм,
После чистового точения (
=
0,04)
=
=
11,76мкм,
Погрешность установки заготовки представляет
собой отклонение достигнутого положения заготовки при ее базировании и
закреплении от требуемого. Это отклонение компенсируется дополнительной
составляющей припуска
,
где
и
-
соответственно погрешности базирования и закрепления.
Значение
выбираем
из справочных данных [10, с. 41, т. 12]:
для чернового точения, при котором в качестве
установочной базы применяется чисто обработанная поверхность габаритного торца,
=120
мкм;
для получистового точения, при котором в
качестве установочной базы применяется чисто обработанная поверхность торца,
=60
мкм;
для чистового точения, при котором в качестве
установочной базы применяется та же чисто обработанная поверхность торца,
=30
мкм;
для шлифования, при котором в качестве установочной
базы применяется та же чисто обработанная поверхность торца,
=15
мкм;
. Имея значения составляющих элементов припуска,
определяем расчетное значение минимального припуска на диаметр для всех
ступеней обработки, начиная с последней:
для чистового точения
=
226,8 мкм;
для получистового точения
=
309,6 мкм;
для чернового точения
=1000
мкм.
. Допуск на размер определяем на основании
данных о точности на каждой ступени обработки. Устанавливаем квалитет точности
[10, с.8-10, т.4] и значение допуска [10, с.192, т.32] для каждой ступени
механической обработки.
. Расчетный припуск
определяется
как сумма минимального припуска
и допуска на
предшествующей операции:
;
для чистового точения
=
0,284 мм;
для получистового точения
=
0,53 мм;
для чернового точения
=
1,2 мм (используется только положительная часть припуска заготовки).
. Расчетный размер на последней ступени
обработки равен размеру готовой детали. Для операции чистового точения
=
6 мм. Значение, которое будет принимать наименьший предельный размер на данной
операции:
= 5,98 мм.
Размеры на предшествующих ступенях обработки
определяем как разность наименьшего предельного размера
(равного
округленному значению расчетного размера) и соответствующего ему расчетного
припуска
на
данной ступени обработки.
. Максимальные предельные значения заготовки на
всех этапах ее обработки определяем как сумму минимального предельного значения
и соответствующего допуска:
.
10. Имея значения
и
,
находим значения максимального
и минимального
припусков
по следующим зависимостям:
,
,
где
и
-
соответственно максимальный и минимальный предельные размеры на предшествующей
ступени обработки,
и
-
соответственно максимальный и минимальный предельные размеры на рассматриваемой
ступени обработки.
. Технологический операционный размер на каждой
ступени обработки записываем как максимальный размер с допуском “в тело
Аналогично ведем расчет для 14 поверхности
вращения. Результаты расчета заносим в таблицу 4.1.
Расчет припусков и операционных размеров
поверхностей вращения расчетно-аналитическим методом
Таблица 4.1
|
№
|
Элементарная
пов-ть детали. Технологический маршрут ее обработки
|
Элементы
припуска, мкм.
|
Расчетный
припуск, мкм
|
Допуск
размера Т, мм
|
Расчетный
припуск 2Zном.р мм.
|
Расчетный
размер D, мм.
|
Принятые
размеры, мм.
|
Принятые
припуски, мм.
|
Операционные
размеры, мм.
|
|
|
Rz
|
h
|
D
|
e
|
2Zmin.p
|
T
|
2Zном.р
|
Dp.
|
Dmax
|
Dmin.
|
2Zmax
|
2Zmin
|
|
|
Æ
|
|
0
|
Заготовительная
|
80
|
120
|
294
|
-
|
-
|
|
-
|
8,014
|
8,014
|
7,814
|
-
|
-
|
|
|
10
|
Точение
черновое
|
60
|
60
|
17,64
|
60
|
1000
|
0,22
|
1,2
|
6,814
|
6,814
|
6,594
|
1,42
|
1
|
|
|
20
|
Точение
получистовое
|
40
|
40
|
14,7
|
30
|
309,6
|
0,058
|
0,53
|
6,284
|
6,284
|
6,226
|
0,588
|
0,31
|
|
|
30
|
Точение
чистовое
|
20
|
30
|
11,76
|
15
|
226,8
|
0,026
|
0,284
|
6
|
6
|
5,974
|
0,31
|
0,22
|
|
|
Æ
|
|
0
|
Заготовительная
(Прокат)
|
80
|
120
|
294
|
-
|
-
|
|
-
|
2,536
|
2,536
|
2,336
|
-
|
-
|
|
|
15
|
Сверление
|
60
|
60
|
17,64
|
60
|
1000
|
0,18
|
1,2
|
3,736
|
3,736
|
3,556
|
1,02
|
1,4
|
|
|
25
|
Зенкерование
|
40
|
40
|
14,7
|
30
|
309,6
|
0,048
|
0,489
|
4,225
|
4,225
|
4,177
|
0,441
|
0,669
|
|
|
35
|
Развертывание
|
10
|
20
|
11,76
|
15
|
226,8
|
0,025
|
0,2748
|
4,5
|
4,5
|
4,475
|
0,25
|
0,323
|
|
|
|
|
|
|
|
|
|
|
|
|
|
|
|
|
|
Сущность нормативного метода состоит в
назначении (установлении и оптимизации) общего припуска на формообразующие
операции в зависимости от применяемых методов обработки, требуемой точности,
шероховатости и размеров поверхности на основе опытно-статистических данных.
Метод базируется на опытных данных, которые не могут учитывать конкретные
условия построения технологического процесса. Поэтому нормативные припуски
почти всегда получаются завышенными.
Расчет припусков данным методом выполним на
примере поверчности 1 форсунки (размер окончательно обработанной поверхности Ø6-0,022.
Результаты расчета будем заносить в таблицу в следующей последовательности:
. Устанавливаем маршрут обработки поверхности на
основании ранее разработанного технологического процесса. Формообразование
отверстия производится за четыре перехода, начиная с заготовительной.
Точность поверхности изменяется по переходам
следующим образом: H14 - H13- H10 - H9- H8; шероховатость: Rz160 - Rz60 - Rz20
- Rz10- Rz5.
. Расчетный припуск
по
ступеням обработки назначаем по табличным данным [11, с. 112, т. П.5.1.]:
для чернового точения
=
1,2 мм
для получистового
=
0,53 мм;
для чистового
=
0,284 мм;
. На последней ступени обработки расчетный
размер равен размеру готовой детали. Для шлифования
=
6 мм. Это же значение будет принимать наименьший предельный размер на данной
операции:
= 6 мм.
Расчетные размеры на предшествующих ступенях
обработки определяем как разность наименьшего предельного размера (равного
округленному значению расчетного размера по рекомендациям[11, с.110, т. П.4.1])
и соответствующего ему расчетного припуска
на
данной ступени обработки:
Тогда:
для чистового точения
=6
мм;
6 мм;
для получистового точения
=6,284
мм;
6,284 мм;
для чернового точения
=
6,814мм;
6,814 мм.
для заготовительной
=
8,014мм;
8,014мм
. Технологический операционный размер на каждой
ступени обработки записывается как минимальный размер и допуск “в тело”:
Аналогично ведем расчет для остальных поверхностей вращения. Результаты расчета
заносим в таблицу 4.2.
Таблица 4.2
|
№
|
Наименование
операции
|
Размеры
|
Откл
|
Припуски
|
Шераховатость
|
Точность.
|
|
|
Расчет
|
Приним
|
|
Реком.
|
Прин.
|
min
|
|
|
|
№1
Æ6
|
|
030
|
Точение
чистовое
|
6
|
6
|
-0,206
|
0,400
|
0,400
|
0,342
|
20
|
6
|
|
020
|
Точение
получистовое
|
6,4
|
6,4
|
-0,058
|
0,400
|
0,400
|
0,180
|
40
|
10
|
|
010
|
Точение
черновое
|
6,8
|
6,8
|
-0,220
|
0,400
|
0,400
|
0,100
|
60
|
13
|
|
00
|
Заготовительная
|
7,2
|
7,2
|
|
-
|
-
|
-
|
80
|
16
|
|
№3-8
Æ
|
|
020
|
Точение
получистовое
|
8,5
|
8,5
|
-0,200
|
0,400
|
0,400
|
0,040
|
10
|
12
|
|
010
|
Точение
черновое
|
8,9
|
8,9
|
0,360
|
0,400
|
0,400
|
0,200
|
40
|
14
|
|
0
|
Заготовительная
|
9,3
|
9,3
|
|
-
|
-
|
-
|
80
|
16
|
|
№4
Æ
|
|
025
|
Точение
получистовое
|
14
|
14
|
-0,07
|
0,500
|
0,500
|
0,457
|
40
|
10
|
|
015
|
Точение
черновое
|
14,5
|
14,5
|
-0,43
|
0,500
|
0,500
|
0,200
|
60
|
14
|
|
00
|
Заготовительная
|
15
|
15
|
|
-
|
-
|
-
|
80
|
16
|
|
№9
Æ
|
|
035
|
Развертывание
|
4,5
|
4,5
|
+0,025
|
0,900
|
0,900
|
0,948
|
10
|
8
|
|
025
|
Зенкерование
|
3,6
|
+0,048
|
0,900
|
0,900
|
1,08
|
40
|
10
|
|
015
|
Сверление
|
2,7
|
2,7
|
+0,180
|
0,900
|
0,900
|
-
|
60
|
13
|
|
00
|
Заготовительная
|
-
|
-
|
-
|
-
|
-
|
-
|
80
|
16
|
|
№13
Æ
|
|
060
|
Развертывание
|
1,8
|
1,8
|
0,02
|
0,900
|
0,900
|
0,86
|
20
|
9
|
|
055
|
Зенкерование
|
0,9
|
0,9
|
+0,04
|
0,200
|
0,200
|
0,34
|
40
|
10
|
|
050
|
Сверление
|
0,7
|
0,7
|
+0,14
|
0,200
|
0,200
|
-
|
60
|
13
|
|
00
|
Заготовительная
|
-
|
-
|
-
|
-
|
-
|
-
|
80
|
16
|
|
|
|
|
|
|
|
|
|
|
|
Анализируя полученные результаты в таблицах
4.1.1. и 4.1.2. можно сравнить используемые два метода для расчета
размеров-диаметров поверхностей вращения. Нормативным методом назначается общий
припуск, как правило, не учитывающий конкретные условия обработки, а лишь метод
обработки, заданную точность и шероховатость размеров поверхностей. В то время
как расчетно-аналитический метод учитывает конкретное сочетание условий
обработки (высоту неровностей поверхности и глубину дефектного слоя, оставшихся
при выполнении предшествующей операции; пространственные отклонения, возникшие
как на предшествующей операции, так и при выполнении текущей операции). Поэтому
припуски, рассчитанные нормативным методом получаются завышенными, а
расчетно-аналитическим - более оптимальными и точными. При проектировании
детали будем пользоваться размерами, полученными нормативным методом.
4.2 Построение размерной схемы
техпроцесса и схем размерных цепей на торцевые поверхности
Главная задача размерного анализа - правильное и
обоснованное определение промежуточных и окончательных размеров и допусков на
них для обрабатываемой детали. Особенно в этом нуждаются линейные размеры,
связывающие неоднократно обрабатываемые противоположные поверхности.
Определение припусков на такие поверхности расчетно-аналитическим или
нормативным методами затрудняет определение промежуточных технологических
размеров и их отклонений. В этом случае обращаются к прикладной теории
размерных цепей. Последовательный размерный анализ технологического процесса
состоит из ряда этапов: разработка размерной схемы технологического процесса;
выявление технологических размерных цепей; расчет технологических размерных
цепей.
Размерную схему строим располагая планами
эскизов установки и обработки детали. С учетом количества обработок торцевых
поверхностей на эскизе условно показываем операционные припуски, а также
размеры готовой детали и заготовки. Для этого вычерчиваем контур готовой детали
и указываем в направлении торцов слои межоперационных припусков на обработку.
Все исходные, промежуточные и окончательные торцевые поверхности нумеруем по
порядку слева на право от 1 до n. Через нумерованные поверхности проводим
вертикальные линии, затем в зонах номеров соответствующей операции, между
вертикальными линиями начиная с последней операции с учетом эскизов установки и
обработки плана технологического процесса, указываем технологические размеры,
получаемые при выполнении каждой операции соответствующими буквами Sк.
Операционные размеры представляем в виде стрелок с точкой. Точка совмещается с
установочной базой, а стрелка с поверхностью, обработанной в данной операции.
Указываем расстояние между торцевыми
поверхностями размерами A1, A2, A3, в соответствии с координацией размеров на
рабочем чертеже; с учетом количества обработок торцевых поверхностей условно
показываем операционные припуски Zi-j (где i, j - номера припусков); обозначаем
размеры заготовки З1, З2.
Справа от размерной схемы для каждой операции
выявляем и строим схемы технологических размерных цепей. На основании составленных
схем размерных цепей определяем типы составляющих звеньев и составляем исходные
уравнения, а затем их рассчитываем. В этих цепях в квадратных скобках
указываются конструкторские размеры и размеры припусков, которые являются
замыкающими звеньями в рассматриваемых цепях. Выявление размерных цепей по
размерной схеме начинаем с последней операции. Построение выполняем таким
образом, чтобы в каждой новой цепи было неизвестно только одно звено. В такой
же последовательности ведут расчет размерных цепей.
Размерная схема представлена на рис. 4.1.
Рисунок 4.1
4.3 Расчет припусков на обработку
торцевых поверхностей расчетно-аналитическим методом
Расчет припусков на обработку для плоских
торцевых поверхностей расчетно-аналитическим методом рассмотрим на примере
формирования припусков для торца 13. т ак как требования по шероховатости для
этого торца очень высокие, то его формирование за 4 перехода: подрезка торца на
черновом точении на получистовом точении, чистовом точении и шлифовании.
Припуск на обработку торцов определяют по
формуле:
Где
- шероховатость поверхности;
- глубина
дефектного поверхностного слоя;
- Пространственные
отклонения;
- погрешность
установки, мкм.
Составляющие припуска определяются с учетом
принятых методов обработки поверхностей. Результаты вычислений заносятся в
таблицу 4.3.1 в следующем порядке:
маршрут обработки элементарных поверхностей,
номер операций (графы 1 и 2) и достигаемая при этом шероховатость поверхности
заполняются в таблицу на основании данных метода обработки.
величина h, характеризующая глубину
поверхностного дефектного слоя заготовки после обработки различными методами,
определяем по таблицам точности и качества обработки [6,с. 89, т.П.11].
для деталей типа дисков основными
пространственными отклонениями Δ являются
отклонение торцевых поверхностей от перпендикулярности по отношению к оси
детали, смещение и увод оси отверстия, а так же коробление полотна диска.
погрешность установки представляет собой
отклонение фактически достигнутого положения заготовки при ее установке от
требуемого и равняется:
для токарной черновой e
= 60 мкм.
Имея значение составляющих элементов припуска,
определяем расчетное значение минимального припуска на сторону для всех
ступеней обработки, начиная с последней:
Торец 2:
для чернового подрезания торца:
80+120+0+60=260мкм,
Для остальных операций расчеты выполняются
аналогично.
Результаты расчетов заносим в таблицу 4.3.
Таблица 4.3 - Расчет припусков на обработку
торцев
|
Номер
операции
|
Операции
|
Эл-ты
припуска, мкм
|
Расчетный
припуск Zmin.р, мкм
|
|
|
Rz
|
h
|
D
|
e
|
|
|
Торец
13
|
|
0
|
Заготовительная
(Прокат)
|
80
|
120
|
-
|
-
|
-
|
|
5
|
Точение
черновое
|
65
|
65
|
0
|
60
|
260
|
|
Торец
5
|
|
0
|
Заготовительная
(Прокат)
|
80
|
120
|
-
|
-
|
-
|
|
10
|
Точение
черновое
|
65
|
65
|
0
|
60
|
260
|
|
Торец
6
|
|
0
|
Заготовительная
(Прокат)
|
80
|
120
|
-
|
-
|
-
|
|
70
|
Точение
черновое
|
65
|
65
|
0
|
60
|
260
|
|
Торец
7
|
|
0
|
Заготовительная
(Прокат )
|
80
|
120
|
-
|
-
|
-
|
|
60
|
Точение
черновое
|
65
|
65
|
0
|
60
|
260
|
4.4 Расчёты и оптимизация припусков
на обработку и операционных размеров-координат торцевых поверхностей с
использованием методов теории графов размерных цепей
Для выявления сложных размерных цепей
целесообразно построение графа размерных связей, который начинают с
технологической установочной базы первой операции обработки резанием.
Технологические базы всех операций должны быть непосредственно связаны между
собой размерами. Чтобы построить дерево необходимо выбрать какую-либо вершину.
Первоначально выбранная вершина называется корневой. Построение дерева может
начинаться с любой вершины. Если принять поверхности заготовки и детали за
вершины, а связи между ними (размеры) - за ребра, то процесс обработки детали,
начиная с заготовки до готовой детали, можно представить в виде двух деревьев -
исходного и производного, соответственно. Дерево с конструкторскими размерами и
размерами припусков на обработку называется исходным, а дерево с
технологическими размерами - производным. Если оба этих дерева для конкретной
детали совместить, то такой совмещенный граф в закодированной форме позволяет
представить геометрическую структуру технологического процесса обработки
рассматриваемой детали. В таком графе все размерные связи и технологические
размерные цепи из неявных превращаются в явные. Появляется возможность, не
прибегая к чертежу детали, а пользуясь только этой информацией, носителем
которой является совмещенный граф, производить все необходимые исследования и
расчеты. Любой замкнутый контур на совмещенном графе, состоящий из ребер
исходного и производного деревьев, образует технологическую размерную цепь. В
ней ребро исходного дерева является замыкающим звеном, а ребра производного
дерева являются составляющими звеньями.
Сначала строим производное дерево, а затем -
исходное дерево. При построении производного дерева корнем выбирается вершина,
к которой на размерной схеме процесса не подходит ни одна стрелка.
Аналогично строим исходное дерево. Его ребра
можно не ориентировать, поэтому при построении можно выбирать корнем любую
вершину. Дуги обозначают конструкторские размеры, а ломаные линии - размеры
припусков.
Перед построением совмещенного графа необходимо
проверить:
а) на размерной схеме технологического процесса
количество операционных размеров, учитывая размеры заготовки, должно равняться
количеству конструкторских размеров, включая общее количество припусков;
б) к каждой поверхности должна подходить одна и
только одна стрелка.
После проверки правильности построения деревьев
их совмещают так, чтобы вершины с одинаковыми номерами совпали. Совмещенный
граф производного и исходного деревьев и является графом технологических
размерных цепей.
Совмещённый граф размерных цепей представлен на
рисунке 4.2.
Рисунок 4.2 - Совмещенный граф размерных цепей
формообразования размеров-координат плоских торцевых поверхностей
Любой замкнутый контур совмещенного графа
образует размерную цепь, у которой ребро исходного дерева является замыкающим,
а ребра производного - составляющими звеньями. Так как в размерной цепи только
одно звено может быть замыкающим, а в качестве такого является только
конструкторский размер или припуск, то при выявлении размерных цепей по графу
необходимо выбирать такие контуры, в которых бы содержалось только по одному
ребру исходного дерева. Остальные ребра принадлежали бы производному дереву.
Общее число размерных цепей на графе должно быть равно числу технологических
размеров по размерной схеме технологического процесса. Учитывая правило знаков
и принимая условие, что алгебраическая сумма всех звеньев размерной цепи равна
нулю, составляются расчетные уравнения относительно замыкающего звена.
Таблица 4.4
|
№
|
Уравнение
размерной цепи
|
Искомый
размер
|
|
1
|
S4=А1
|
S4
|
|
2
|
+Z4+S4-S2=0
|
S2
|
|
3
|
-Z1-S2+З1=0
|
З1
|
|
4
|
-А2+S1-S2+S4=0
|
S1
|
|
5
|
-Z2-S1+З2=0
|
З2
|
|
6
|
+А3-S3+S2-S1=0
|
S3
|
|
7
|
+Z3+З3-S2+S3=0
|
З3
|
Значения минимальных припусков Zi-jmin на
формообразующие операции принимаем из расчета операционных размеров-координат
нормативным методом и заносим в табл. 4.4.1.Определив Zi-jmin составляем
исходные уравнения размерных цепей относительно Zi-jmin:
где Хr min - наименьший предельный размер
увеличивающего звена размерной цепи; Хq max - наибольший предельный размер
уменьшающего звена размерной цепи; nr - число увеличивающих звеньев; nq - число
уменьшающих звеньев.
Обозначим определяемый операционный размер ХХ,
тогда если искомый размер является уменьшающим звеном, получаем:
А если искомый размер является увеличивающим
звеном, то:
Определив величины XX max, XX min на размеры ХХ,
устанавливаем допуск на операционный размер δХ.
Полученные расчетные уравнения и значения операционных размеров заносим в табл.
4.5.
Далее по заранее составленным уравнениям
рассчитываем номинальные размеры и предельные отклонения операционных
припусков. Вычисленные значения вносим в таблицу 4.5.
Таблица 4.5 - Расчёт технологических размерных
цепей линейных операционных размеров
|
Замыкающий
размер
|
Исходное
уравнение
|
Расчётный
размер, мм
|
До-пуск,
мм
|
Принятый
размер, мм
|
Предельные
значения припуска
|
|
1
|
2
|
3
|
4
|
5
|
6
|
|
[А1]=35
|
[А1]=S4
|
S4=35
|
-0,62
|
35-0,62
|
S4max
=35-0,62
|
|
[Z4
min]=0,260
|
[Z4]=S2-S4
|
S2=35,26
S2min=34,64 S2max=35,88
|
-0,62
|
35,88-0,62
|
Z4=35,88-0,62-35-0,62=0,88
|
|
[Z1min]=0,260
|
[Z1]=З1-S2
|
З1=36,14
З1min=35,64 З1max=36,44
|
|
36,44
|
Z1=36,44 -35,88-0,62=0,76
|
|
[А2]=15
|
[А2]=S1-S2+S4
|
S1=15,68
S1min=15,25 S1max=16,11
|
-0,43
|
16,11-0.43
|
A2min=14,57
A2max=15,43
|
|
[Z2min]=0,260
|
[Z2]=
З2-S1
|
З2=16,57
З2min=16,07 З2max=16,87
|
|
16,87
|
Z2=16,87 -16,11-0,43=0,76
|
|
[A3]=11
|
[A3]=S3-S2+S1
|
S3=29,95
S3min=29,7 S3max=30,2
|
-0,25
|
30,2-0.250
|
A3min=10,75
A3max=11,25
|
|
[Z3min]=0,260
|
[Z3]=
S2-S3-З3
|
З3=4,8
З3min=4,3 З3max=5,1
|
|
5,1
|
Z3=35,88-0,620-30,2-0,250-
-5,1 =0,58
|
5. ПРОЕКТИРОВАНИЕ МЕХАНИЧЕСКИХ
ОПЕРАЦИЙ ТЕХПРОЦЕССА
.1 Разработка эскизов для типовых
представителей операций, выбор оборудования, расчет режимов резания
Проектирование токарных операций.
В качестве операции-представителя выбрана
токарная операция 70 (смотри рис. 5.1).
Рисунок 5.1 - Схема установки и обработки
Подрезать торец 6 и 7
По справочнику технолога - машиностроителя [
13, с. 115-161] выбираем режущий инструмент. Выбор режущего
инструмента (его конструкции и геометрических параметров) определяется
конфигурацией обрабатываемой поверхности, материалом заготовки и сечением
срезаемого слоя.
Выбираем по [13, с.121, т.8] - токарный
подрезной отогнутый резец ГОСТ 18880-73 с пластинами из твердого сплава.
Материал пластины резца - твердый сплав Т5К10. Материал корпуса - сталь
45.Геометрические характеристики резца: H=16; B=12; L=100; m=5; a=12; r=1,0; α=10º;
g=5º;
j
=10º;(рис. 5.2).
Рис. 5.2 - Эскиз отрезного отогнутого резца
Точить поверхность 4 и 8
По справочнику технолога - машиностроителя [
13, с. 115-161] выбираем режущий инструмент. Выбор режущего
инструмента (его конструкции и геометрических параметров) определяется
конфигурацией обрабатываемой поверхности, материалом заготовки и сечением
срезаемого слоя.
Выбираем по [13, с.121, т.8] - токарный
подрезной отогнутый резец ГОСТ 18880-73 с пластинами из твердого сплава.
Материал пластины резца - твердый сплав Т5К10. Материал корпуса - сталь
45.Геометрические характеристики резца: H=16; B=16; L=120; m=3,5; a=10; r=0,5; α=10º;
g=7º;
j
=15º;(рис. 5.3).
Рис. 5.3 - Эскиз отрезного отогнутого резца
Выбор станка
Выбираем станок токарно-револьверный с ЧПУ
1В340Ф30 [7, ст.13, табл.7].
Наибольший диаметр обрабатываемого прутка, мм
18;
Частота вращения шпинделя об/мин 100 - 4000;
Подача суппорта, мм/об
Продольная (0,04-0,4)
Мощность электродвигателя главного привода, кВт
1,7 или 2,2.
Определение параметров режима резания
) Глубину резания t принимаем равной
максимальному припуску на обработку поверхности
для поверхности 4: t4=0,43;
для поверхности 8: t8=0,36;
для поверхности 6: t6=0,25;
для поверхности 7: t7=0,62;
Обработку осуществляем за несколько проходов
) Величину подачи определяем по номограмме. При
определении подачи таким способом, она зависит от шероховатости обрабатываемой
поверхности и геометрических параметров резца. Принимаем подачу равной:
S4=0,3мм/об=0,3мм/об=0,3мм/об=0,3мм/об
Согласовываем подачу с техническими
характеристиками станка.
Станки выпускаются со ступенчатым регулированием
подач, ряды которых построены по геометрической прогрессии. Различают ряды со
следующими значениями знаменателя:
φ: 1.06 1.12 1.26
1.41 1.58 1.78 2.00
Smax=Smin*φm-1
Величину φ определяем
по таблице[7,прил10,стр80]:
φ =1.26
m=10
Теперь можем построить ряд подач:
Таблица 5.1 - Ряд продольных подач станка 1Е316
|
Smin
|
S2
|
S3
|
S4
|
S5
|
S6
|
S7
|
S8
|
S9
|
S10
|
S11
|
|
0,04
|
0,05
|
0,064
|
0,08
|
0,1
|
0,127
|
0,16
|
0,2
|
0,254
|
0,32
|
0,4
|
В соответствии с подачами станка принимаем
S=0.32мм/об
) Скорость резания:
(3.3)
где Т - время стойкости инструмента;- общий
поправочный коэффициент на измененные условия обработки по сравнению с теми,
для которых дается значение Сv.
Определение поправочного коэффициента
,
где kmv=0,8 учитывает влияние материла
заготовки;=0,6 влияние вида токарной обработки;=1- влияние материала режущей
части инструмента;=1.06- взаимосвязь стойкости и скорости резания;
v=
1,55- влияние углов в плане резцов;
=kmvknvkuvkTv=0,79
Значение коэффициента
принимаются
в соответствии с таблицей
[6, таб.17,стр269.]
Сv=350
поверхность 4
поверхность 8
поверхность 6
поверхность 7
) Частота вращения шпинделя или детали:

поверхность 8
поверхность 6
поверхность 7
где D - диаметральный размер.
Согласование частоты вращения с техническими
характеристиками станка.
Находим ступени частот вращения станка.
По таблице значений нормализованных знаменателей
рядов j,
возведенных в степень [6, стр80] находим числовое значение, близкое к
вычисленному. Величина m=16. Тогда коэффициент дискретности φ=1,26
Из определения геометрической прогрессии строим
ряд частот вращения шпинделя, и результаты заносим в таблицу 5.1.1.2
Таблица 5.2- Значения частот вращения
|
nmin
|
n2
|
n3
|
n4
|
n5
|
n12
|
n13
|
n14
|
n15
|
n16
|
n17
|
|
100
|
126
|
158,76
|
200,038
|
252,047
|
1271
|
1601
|
2018
|
2542
|
3203
|
4036
|
) Сила резания.
Главной составляющей силы резания является
тангенциальная. По ней определяют крутящий момент на шпинделе станка и
мощность, расходуемую на резание. Для обрабатываемых материалов, входящих в
третью группу, когда S>0.07 мм/об, она определяется по
формуле:
Значения коэффициента Cр приведены в
таблице[6,ст30, табл1.5], р=1700
поверхность 4
поверхность 8
поверхность 6
поверхность 7
) Крутящий момент.
Если на резец действует сила Pz то на заготовку
в месте резания действует такая же сила, обратная по направлению. То момент
этой силы, т.е. крутящий 
момент на шпинделе
станка будет равен:
поверхность 4
(Нм)
поверхность 8
(Нм)
поверхность 6
(Нм)
- поверхность 7
(Нм)
) Мощность расходуемая на резание (эффективная
мощность):
поверхность 4
поверхность 8
поверхность 6
поверхность 7
Мощность электродвигателя, необходимая для
резания, определяется с учетом КПД станка (0.7…0.8):

Мощность электродвигателя привода главного
рабочего движения станка составляет 1,7 кВт. Эта величина не превышает
необходимую для резания мощность. Условие выполняется, таким образом, выбранный
станок удовлетворяет по параметрам мощности и вращающего момента.
Сверление
Рисунок 5.4
На данной операции производится обработка одного
радиального отверстия 9 Ø3мм.
Выбор конструкции и геометрических параметров
режущего инструмента. Поскольку к геометрическим параметрам отверстий не
предъявляется особых требований, то в качестве инструмента выбираем сверло
спиральное с цилиндрическим хвостовиком Ø3 ОСТ
2И20 - 1 - 80 для станков с ЧПУ. [13, с.146, т.42].
Материал сверла выбираем исходя из
соответствующих рекомендаций [18, с.115, т.2]. Для сверления высокопрочных,
коррозионно-стойких сталей и сплавов используется сталь Р9 ГОСТ 19265 - 73,
которую и назначаем материалом сверла.
Рисунок 5.5 - Эскиз инструмента
Основные геометрические параметры сверла: D=3 мм;
Назначаем оборудование на операцию:
Выбираем станок токарно-револьверный с ЧПУ
1В340Ф30 [7, ст.13, табл.7].
Наибольший диаметр обрабатываемого прутка, мм
18;
Частота вращения шпинделя об/мин 100 - 4000;
Подача суппорта, мм/об. Продольная (0,04-0,4)
Мощность электродвигателя главного привода, кВт
1,7 или 2,2.
Определение параметров режима резания
) глубина резания:
;
) величина подачи:
назначаем величину подачи в зависимости от
обрабатываемого материала, материала инструмента и других технологических
факторов.= 0,05мм/об
) скорость резания
где
.
- общий поправочный коэффициент на скорость резания;
- коэффициент при
сверлении сквозных отверстий
- коэффициент на
инструментальный материал (Р6М5);
- коэффициент
учитывающий глубину резания.
Значения коэффициентов и показателей степени
принимаем по данным [2]
Согласовываем со станком подачу S получаем
S=0.05(мм/об)
(м/мин)
) Частота вращения шпинделя или детали:
(об/мин) (3.15)
Принимаем ближайшее стандартное значение
об/мин;
Пересчитываем скорость:
(м/мин)
) Сила резания:
выбираем
из
таблицы [6,табл2.4]
,(3.16)
=1100
(Н)
) Крутящий момент.:
,(3.17)
где
(Н·м)
7) Мощность расходуемая на резание (эффективная
мощность):
(кВт)(4.18)
(кВт);(4.19)
) Проверка выбранных элементов режима резания
Проверка производится по прочности слабого звена
механизма подачи станка, прочность слабого звена механизма главного движения
станка и по достаточной мощности электродвигателя.
<
,042<1,7
Проверка на достаточную мощность
электродвигателя станка
(3.20)
- станок
удовлетворяет условиям перехода
Зенкерование
Рисунок 5.6
На данной операции производится обработка одного
радиального отверстия 9 Ø3мм.
Выбор режущего инструмента. В качестве
инструмента принимаем зенкер цельный твердосплавный для обработки деталей из
коррозионно-стойких и жаропрочных сталей и сплавов Ø
4,5
ГОСТ 21543-76 [13, с.153, т.47].
Рисунок 5.7 - Зенкер цельный
=62мм, l=12мм, d=4,5.
Оборудованием служит тот же станок, что и при
сверлении:
токарно-револьверный с ЧПУ 1В340Ф30 [7, ст.13,
табл.7].
Наибольший диаметр обрабатываемого прутка, мм
18;
Частота вращения шпинделя об/мин 100 - 4000;
Подача суппорта, мм/об
Продольная (0,04-0,4)
Мощность электродвигателя главного привода, кВт
1,7 или 2,2.
Назначаем подачу по [13, с.277, т.26]: S=0,5-0,6
мм/об, для зенкерования отверстия инструментом из быстрорежущей стали диаметром
до 15мм. По паспортным данным станка примем Sприн = 0,57 мм/об.
Определим скорость резания:
,
где CV, q, m, y - коэффициент и показатели
степени, зависящие от вида обрабатываемого материала и рабочей подачи [13,
с.279, т.29]. Т = 25 мин - период стойкости зенкера, который зависит от
диаметра обрабатываемого отверстия, обрабатываемого материала и материала
режущей части зенкера [13, с.279, т.30]; t=0,4 - глубина резания: t= Z/2, Z -
припуск на диаметр.
Определим расчетную частоту вращения шпинделя
станка:
.
По паспортным данным станка принимаем nприн =
510 об/мин.
Тогда фактическая скорость резания:
.
Вычислим основное время обработки одного
отверстия:
,
где Lрх = lподв + lврез+ lобр
+lпереб=2+0,12+26,24+0=28,36(мм),
Суммарное время обработки всех отверстий:= (Tсв
+ Тзенк )·9= (0,183+0,098)·9=2,53 мин.
Рисунок 5.8 - Схема врезания
Определим крутящий момент при зенкеровании:
,
где СМ =0,09; q=1,0; y=0,8; х=0,9 - коэффициент
и показатели степени, зависящие от обрабатываемого материала, выполняемой
операции и материала режущей части зенкера [13, с.281, т.32];
Вычислим мощность резания:
Мощность при зенкеровании меньше мощности при
сверлении.
Фрезерная операция
Рисунок 5.9
На данной операции производится обработка
поверхностей 10, 11 и 12.
Выбор режущего инструмента
Для обработки поверхностей 10, 11 и 12 выбираем
дисковую 3-х стороннюю фрезу ГОСТ 3755-80. Геометрические размеры фрезы
приведены на рисунке 5.10.
=
50 мм; d = 16 мм; B = 2 мм; z = 14.
Рисунок 5.10 - Эскиз дисковой 3-х сторонней
фрезы
Материал фрезы - сталь Р6М5. Для фрезерования
шестигранника используем сразу две такие фрезы, настроенные на получение
заданного размера.
Расчет режимов резания
Поверхность 10
. Глубина фрезерования t = 3 мм, ширина
фрезерования В = 2,8 мм.
. Назначаем подачу. Жёсткость системы
заготовка-приспособление - средняя, конструкционная сталь, дисковая фреза с
мелким зубом: S = 0,04-0,06 мм/зуб [2, с.283, т. 34]. Назначаем подачу Sz =
0,06 мм/зуб.
. Назначаем период стойкости фрезы. T=120 мин
[2, с. 290, т. 40].
. Скорость главного движения резания при
фрезеровании определяется по формуле [2, с.276]:
,
где значение коэффициента
и
показатели степеней берем по рекомендациям [2, с.287, т. 39]:
; m = 0,2; q =
0,25; y = 0,2; х = 0,3; u = 0,1; p =0,1.
.
С учетом всех найденных величин находим
расчетную скорость резания:
.
. Выбор станка. В соответствии с методом
обработки выбираем горизонтально-фрезерный станок 6Р80.
Основные данные станка:
Наибольшее перемещение стола:
продольное500 мм;
поперечное160 мм;
вертикальное300 мм.
Наибольший угол поворота стола± 45°.
Число скоростей шпинделя12.
Частота вращения шпинделя50-2240 об/мин.
Число подач стола12.
Подача стола:
продольная и поперечная25-1120 мм/мин;
вертикальная12,5-560 мм/мин.
Скорость быстрого перемещения стола:
продольного и поперечного2300 мм/мин;
вертикального1120 мм/мин.
Мощность электродвигателя привода главного
движения3 кВт.
. Частота вращения шпинделя, соответствующая
найденной скорости главного движения резания:
. Пересчитаем подачу в мм/мин:
.
.
. С учетом Уточнения подачи находим расчетную
скорость резания:
.
. Частота вращения шпинделя, соответствующая
найденной скорости главного движения резания:
. В соответствии с паспортными данными станка
корректируем частоту вращения шпинделя, выбрав ее из ряда частот для данного
станка:
|
50
|
70,6
|
99,8
|
141
|
199,3
|
281,5
|
397,8
|
562,1
|
794,1
|
1122,1
|
1585,4
|
2240
|
Принимаем:
. Действительная скорость главного движения
резания:
.
. Окружная сила при фрезеровании определяется по
формуле [2, с. 282]:
,
Значения коэффициентов [2, с.291, т.41]:
= 68,2; х = 0,86; y
= 0,72; u = 1; q = 0,86; w = 0.
Осевая сила резания равна:
Так как шестигранник фрезеруют сразу две фрезы,
то осевая сила резания удваивается:
Н.
. Крутящий момент при фрезеровании определяется
по формуле [2, с. 290]:
. Мощность, затрачиваемая на резание [2, с.290]:
Проверяем, достаточна ли мощность станка.
Обработка возможна, если
.
Мощность на шпинделе станка
.
Следовательно: 0,46 < 2,4 - обработка
поверхности 17 возможна.
. Основное время на фрезерование:
,
где
мм/об.
- длина рабочего
хода фрезы.
Рисунок 5.11 - К определению длины врезания
фрезы
Длина рабочего хода:
мм.
Тогда основное время на обработку:
Суммарное время на фрезерование шестигранника:
Резьбонарезная.
Рисунок 5.12
На данной операции производится нарезание резьбы
на поверхность 1.
Параметры резьбы и материала
Резьба М х р=6х1,5.
Назначение инструмента:
Рисунок 5.13
Токарный резьбовой резец с пластиной из твёрдого
сплава (ГОСТ 18885-73).= 32 мм= 20 мм= 170 мм= 4 мм= 10 мм
Материал режущей части Р6М5.
Назначение оборудования.
Токарный станок 1Е316
Технические данные станка приведены в приложении
3.
Определяем число рабочих ходов:
Назначение подач:
Определение поправочного коэффициента: 
Скорость резания при нарезании резьбы
Черновые ходы:
Чистовые ходы:
Частота вращения шпинделя: расчетная nр.
Величина рабочего хода Lр.х
Основное время Tо
Сила резания Pz
Kp - [2, с.
261, 262, т. 1, 2], y, n - [2,
c. 298, т.
51]
Мощность станка
6. БЕЗОПАСНОСТЬ ЖИЗНЕДЕЯТЕЛЬНОСТИ
.1 Охрана и пожарная безопасность на
рабочих местах
Организация техники безопасности и
противопожарные мероприятия
Техника безопасности - это система
организационных мероприятий и технических средств, предотвращающих воздействия,
приводящие к травмам или к ухудшению состояния здоровья (в результате
несчастного случая).
Для уменьшения и предупреждения травматизма
проводятся следующие виды инструктажа:
) вводный инструктаж - проводится при
поступлении рабочего на работу;
) ежедневный - проводится на рабочем месте;
) периодический - через 3…6 месяцев;
) внеочередной - проводится после каждого
несчастного случая или при изменении технологии производства.
Тело рабочего должно быть защищено от
повреждений при помощи спецодежды. В зависимости от вида и опасности
выполняемых работ предусматривается специальная обувь. При работе, связанной с
поднятием и переносом тяжелых предметов необходимо пользоваться перчатками. При
работе с вредными или красящими жидкостями необходимо применять респиратор, а
руки защищать резиновыми перчатками.
Для защиты рабочего от поражений электрическим
током необходимо голые проводки, шины и другие токоведущие части оборудования,
либо располагать в недоступном месте, либо защищать ограждениями. В некоторых
случаях для защиты применяют крышки, короба, изоляцию и т.д.
Для безопасной эксплуатации внутрицехового
транспорта и безопасного выполнения работ на участке необходимо четко разметить
габариты проезжей части, места переходов и опасных выступающих частей
оборудования, а также установить на участке предупредительные и запрещающие
знаки, использовать для предупреждения об опасности звуковые и световые
сигналы.
Для предотвращения возникновения пожаров на
участке предусматриваем следующие меры:
не допускать нарушения технологического
процесса;
не допускать неисправностей оборудования
(короткое замыкание, перегрузка);
не допускать скопления промасленной ветоши и
других материалов, склонных к самовозгоранию;
ставить ограждения при проведении газо - и
электросварочных работ;
заземлить все электроустановки.
Кроме того, согласно ГОСТ 12.1004-76 ''Пожарная
безопасность'' на рабочих местах должны быть предусмотрены ящики с песком,
пожарные щиты.
6.2 Мероприятия по снижению
воздействия вредных факторов на человека
Мероприятия по снижению шума в машинах,
оборудовании в цехах
В промышленности всегда имеет место шум как
совокупность мешающих и раздражающих звуков.
Шум на производстве наносит большой ущерб:
вредно воздействует на организм человека, снижает производительность труда.
Природа шума - колебания твердых, жидких и
газообразных систем.
Можно выделить следующие направления снижения
шума:
) внедрение конструкторских решений (замена в
кинематических цепях прямозубых шестерен косозубыми, цепных передач -
ременными, применение специальных смазочных материалов);
технологические решения (выбор менее шумных
режимов);
применение специальных устройств (глушителей на
транспорте);
применение акустической обработки машин и
механизмов (ведется с применением пористых, волокнистых, многослойных
материалов, противошумных мастик и т.д.);
необходимость принятия мер по снабжению рабочих
наушниками, шлемами или другими индивидуальными средствами защиты.
Мероприятия по снижению вибраций машин и
оборудования
Природа вибрации та же, что и у шума -
колебания, но вибрация без шумовых эффектов наблюдается на частотах ниже 16 Гц.
Существует ряд частот колебаний, которые при
воздействии на человека вызывают спазм сосудов и потерю чувствительности, а при
длительном систематическим воздействии могут привести к виброболезням.
Виброболезнь относится к группе профзаболеваний, поддающихся лечению лишь на
ранних стадиях. Поэтому необходимо ежегодно проводить для рабочих
профессиональные осмотры в поликлиниках.
Основными причинами вибраций являются различные
дисбалансы, неуравновешенность механизмов, несовпадение осей, неравномерность
материала конструкции (раковины), неравномерный нагрев и т. д.
Для снижения вибраций машин и оборудования
проводят следующие мероприятия: наладка оборудования, балансировка вращающихся
частей, установка оборудования на достаточно прочный фундамент, применение
вибродемпферов для гашения колебаний, применение специальных прокладок,
резиновых муфт и т.д.
Разработка пылеулавливающих устройств
Промышленная пыль это мельчайшие частицы,
которые могут находиться во взвешенном состоянии.
Пыль образуется при дроблении и размоле,
транспортировке измельченного материала (например, песка), механической
обработке поверхностей (например, при шлифовании), при сварке, уборке помещений
и т.д.
Наибольшую опасность для организма человека
представляет мелкодисперсная пыль, которая не исчезает из воздуха, легко
проникает в легкие человека. При длительном вдыхании пыли у человека может
возникнуть профессиональное заболевание - силикоз.
На участке механического цеха по обработке вала
мелкодисперсная пыль возникает в основном около шлифовальных станков. Для ее
устранения на шлифовальных станках предусмотрен отсос пыли из зоны резания.
Кроме этого, на участке предусмотрена общая и местная вентиляция, которая
обеспечивает необходимую циркуляцию воздуха.
7. ЭКОНОМИЧЕСКАЯ ЧАСТЬ
.1 Расчет себестоимости и цены
изделия
Основные материалы (Мο)
,
где
-
норма расходов основных материалов на единицу изделия, кг;
- цена основных
материалов (Сталь 38Х2МЮА) [10].
Определим норму расходов по известной формуле
,
где
-
плотность материала;
- объем заготовки.
Тогда
,
.
Покупные, комплектующие изделия и полуфабрикаты
(Пи)
,
где
-
норма расходов покупных изделий;
- цена покупных
изделий.
Покупных, комплектующих изделий и полуфабрикатов
нет, следовательно,
.
Возвратные отходы (Вотх)
,
где
-
норма отходов на единицу изделия, кг;
- цена отходов
[18].
Норма отходов определяется разностью
,
где
-
масса детали.
Тогда
,
Основная (прямая) зарплата производственным
рабочим (Зпр)
Основная зарплата производственным рабочим
определяется по формуле
,
где
-
средняя часовая ставка производственного рабочего [12];
-
трудоемкость одного изделия.
Таким образом
.
Дополнительная зарплата производственным рабочим
(Здоп)
Дополнительная зарплата производственным рабочим
берется в размере 30-40% от основной заработной платы [20], то есть
.
Получим
.
Отчисления
Отчисления определяются как
.
Расходы на содержание и эксплуатацию оборудования
(Рс.е)
Расходы на содержание оборудования вычислим по
формуле
,
где
-
процент расходов на содержание и эксплуатацию оборудования [11].
Тогда
.
Цеховые расходы
Цеховые расходы на производство определяются как
где
-
процент цеховых расходов [12].
.
Тогда цеховая себестоимость:
,
.
Расходы на освоение новых видов изделий (Росв)
На освоение новых видов изделий идут
соответствующие затраты
,
.
Специальные расходы (Рспец)
Специальные расходы обычно определяются как
,
.
Общезаводские расходы
Общезаводские расходы определяются с учетом
основной заработной платы рабочих
,
где
-
процент общезаводских расходов [12].
Тогда
.
Теперь мы можем определить заводская
себестоимость.
, (4.15)
.
Внепроизводственные расходы
Внепроизводственные расходы обычно принимают
равными
,
.
Итого: полная себестоимость
,
.
Прибыль
Прибыль определяется по известной полной
себестоимости
,
.
Таким образом, оптовая цена детали определяется
суммой
,
.
Виды цен и порядок их формирования
Государственные регулируемые цены на продукцию (услуги)
производственно-технического назначения определяются таким образом [13]:
а) оптовая цена детали
,
;
б) продажная (отпускная) цена детали
,
где
,
.
Тогда
.
Свободные оптовые цены на продукцию (услуги)
производственно-технического назначения устанавливаются изготовителем на равной
основе с потребителем продукции и применяются с учетом налога на добавленную
стоимость при расчетах изготовителей со всеми потребителями (кроме населения),
в том числе с посредниками (включая снабженческо-бытовые, торгово-закупочные
предприятия и прочее).
Свободные (отпускные) цены на ТНП
устанавливаются с учетом НДС изготовителями товаров по согласованию с
розничными торговыми предприятиями, реализующие товары населению, а также с
посредниками.
Эти цены определяются исходя из конъюнктуры
рынка (спроса, предложения, качества и потребительских свойств продукции).
Цены с учетом акцизного налога в свободных
оптовых ценах на продукцию производственно-технического назначения и свободных
отпускных ценах на ТНП учитывается себестоимостью и НДС.
Цены на продукцию и товары, поставленные через
посредников (торгово-закупочные, снабженческо-сбытовые организации и другие)
определяются исходя из свободных оптовых (отпускных) цен и
снабженческо-сбытовой надбавки, уровень которой определяется по согласованию
сторон (между посредником и потребителем) [11].
,
.
При производстве различных модификаций
однородной продукции, в целях стимулирования повышения ее качества, свободные
оптовые цены могут дифференцироваться изготовителем с учетом потребительских
свойств из свободной цены базового вида и доплат (скидок) за качество
конкретного исполнения продукции.
Свободные розничные цены формируются исходя из
свободной отпускной цены с НДС и торговой надбавки.
,
де
-
торговая надбавка, включающая издержки торговли, прибыль и НДС, грн.
,
.
.
При поставке продавцу товаров или продукции
через посредников, свободная розничная цена формируется из цены закупки и торговой
надбавки [13].
ВЫВОДЫ
В результате проделанной работы была получена
индикаторная диаграмма действительного цикла, графики сил, действующих в КШМ, а
также построены продольное и поперечное сечения двигателя.
Полученные расчетные данные соответствуют статистическим
показателям для поршневых двигателей данного класса. Так спроектированный
двигатель имеет следующие технические характеристики:
эффективная мощность двигателя -
;
частота вращения коленчатого вала -
;
степень сжатия -
;
количество цилиндров -
;
эффективное давление -
;
удельный расход топлива -
;
крутящий момент -
;
диаметр цилиндра -
;
габаритные размеры двигателя при этом
составляют:
высота -
;
ширина -
;
длина -
.
Расчет на прочность деталей элементов двигателя
показал, что при выбранных их размерах запасы прочности лежат в пределах
n=3..6, что достаточно для надежной работы двигателя.
В целом из выполненного проекта следуют выводы:
. Обоснованы исходные данные для проектирования
эффективного двигателя по заданию с учетом прототипа и методических
рекомендаций.
. Рассчитаны с применением ЭВМ рабочий цикл,
работа и размеры двигателя, его удельные мощности и топливные показатели,
кинематика и динамика, регуляторная (нагрузочная) характеристика.
. Получены навыки расчета и опыт оформления
материалов по проектированию двигателя, отвечающего современным техническим
требованиям.
ЛИТЕРАТУРА
1. Ваншейдт
В.А. Дизели. Справочник. - Л., 1977. - 430 с.
2. Орлин
А.С., Круглов М.Г. Комбинированные двухтактные двигатели. - М.: Машиностроение,
1968.
. Гусев
Ю.А., Епифанов С.В., Белогуб А.В. Шатуны ДВС. Учебное пособие по лаб. работам,
курсовому и дипломному проектированию. - Харьков: ХАИ, 1999.
. Гусев
Ю.А., Епифанов С.В., Белогуб А.В. Поршни ДВС. Учебное пособие по лаб. работам,
курсовому и дипломному проектированию. - Харьков: ХАИ, 1999.
. Климанов
А.В. Курсовое проектирование по теории и расчету автотракторных двигателей. -
Самара, 2002.
. Двигатели
внутреннего сгорания. Конструирование и расчет на прочность поршневых и
комбинированных двигателей. - М.: Машиностроение, 1984.
. Колчин
А.И., Демидов В.П. Расчет автомобильных и тракторных двигателей. - М.: Высшая
школа, 1980.
. Климанов
А.В., Ленивцев Г.А. Теория, расчет и анализ работы автотракторных двигателей. -
Самара, 2002.
. Конструирование
и расчет двигателей внутреннего сгорания. /Под ред. Н.Х. Дьяченко. - М.:
Машиностроение, 1979.
. Пода
В.Б. Динамический расчет и уравновешивания поршневых двигателей внутреннего
сгорания. - Учебное пособие. - Харьков: Национальный аэрокосмический ун-т
«ХАИ», 2007.-102 с.
. Якунин
Н.Н., Калимуллин Р.Ф., Горбачев С.В. Расчет автомобильных двигателей:
методические указания к курсовому проекту, часть 2 - динамический расчет и
компоновка двигателя. - Оренбург: ГОУ ОГУ, 2003.
. Косилова
А.Г., Мещерякова Р.К. "Справочник технолога машиностроителя": Т1; 4-е
издание; М., "Машиностроение";1985 г., 655 с.
. Косилова
А.Г., Мещерякова Р.К. "Справочник технолога машиностроителя": Т2; 4-е
издание; М., "Машиностроение";1986 г., 495 с.
. Барановский
Ю.В. "Справочник Режимы резания металлов", М.:
"Машиностроение"; 1972 г., 407 с.
. Чернавский
С.А. "Курсовое проектирование деталей машин",
"Машиностроение";1988 г., 416 с.
. Добрыднев
И.С. "Курсовое проектирование по предмету "Технология
машиностроения"": М., "Машиностроение"; 1985 г., 183 с.
. Горбацевич
А.Ф., Шкред В.А. " Курсовое проектирование по технологии
машиностроения":4-е издание; Минск, "Высшая школа"; 1983 г., 255
с.
. Нефёдов
Н.А. "Дипломное проектирование в машиностроительных техникумах" 2-е
издание, М., "Высшая школа"; 1986 г., 238 с.
19. Станочные
приспособления: Справочник. В 2-х т. Т. 1./ Под ред. Вардашкина Б.Н., Шатилова
А.А. - М.: Машиностроение, 1984.