Резьба. Резьбовые изделия. Резьбовые соединения
Федеральное государственное
образовательное учреждение
высшего профессионального
образования
«Астраханский государственный
технический университет»
Кафедра «Начертательная геометрия
и инженернаф графика»
Методическое указание
для студентов первого курса
технических специальностей дневного и заочного обучения
Резьба. Резьбовые изделия. Резьбовые
соединения.
Составитель: доц. каф. НГГ
Гусева Тамара Викторовна
Рецензент: доцент каф. ХМ
Путилин С.А.
Астрахань 2011
Введение
Данные
методические указания предназначены для студентов первого курса технических
специальностей при изучении ими раздела «Резьба. Резьбовые изделия. Резьбовые
соединения» курса «Инженерная графика». Цель работы:
· Освоить основные положения ГОСТ 2.311-68.
· Изучить способы изображения крепежных изделий - болтов, гаек, шайб
и шпилек.
· Изучить способы изображения крепежных соединений по действительным
размерам.
· Освоить основные положения ГОСТ 2.315-68. Изучить упрощенные
изображения крепежных соединений.
1. Резьба
.1 Основные понятия
и определения
Резьба -
поверхность, образованная при винтовом перемещении плоского контура по
цилиндрической или конической поверхности. Резьба,
образованная на
цилиндрической поверхности, называется цилиндрической резьбой, на конической
поверхности - конической резьбой.
При резьбовом
соединении двух деталей одна из них имеет наружную резьбу, выполненную на
наружной поверхности, а другая - внутреннюю, выполненную в отверстии (рис.1).
Рис. 1
В машиностроении
применяются стандартные цилиндрические и конические резьбы разных типов,
отличающихся друг от друга назначением и параметрами: метрическая, трубная
цилиндрическая, трубная коническая, трапецеидальная, упорная и др. Стандарты,
устанавливающие параметры той или иной резьбы, предусматривают также ее
условное обозначение на чертежах. Обозначение резьбы обычно включает в себя
буквенное обозначение, определяющее тип резьбы, а также размер резьбы (примеры рассмотрены
ниже).
Основным элементом
резьбы является ее профиль, установленный соответствующим стандартом.
Профиль резьбы -
контур сечения резьбы в плоскости, проходящей через ее ось. На рис. 2 показаны
профили резьб общего назначения. Резьба метрическая (рис. 2 а), резьба трубная
(рис. 2 б), резьба трапецеидальная (рис. 2 в), резьба упорная (рис. 2 г).
Прямолинейные участки профиля, принадлежащие винтовым поверхностям называются
боковыми сторонами профиля. Участки профиля, соединяющие боковые стороны выступов,
называются вершинами профиля, участки профиля, соединяющие боковые стороны
канавок - впадиной профиля. Угол между боковыми сторонами профиля - ß - угол профиля.
Рис. 2
Ось резьбы -
прямая, относительно которой происходит винтовое движение плоского контура,
образующего резьбу.
Наружный диаметр
резьбы d - диаметр воображаемого цилиндра, описанного вокруг вершин
наружной резьбы или вписанной во впадины внутренней резьбы. Под размером резьбы
понимается значение ее наружного диаметра, который называют номинальным
диаметром резьбы.
Внутренний диаметр
резьбы d1 - диаметр воображаемого
цилиндра, вписанного во впадины наружной резьбы или описанной вокруг вершин
внутренней резьбы. d2 - диаметр воображаемого
соосного с резьбой цилиндра, где ширина канавки равна половине номинального
шага резьбы.
Шаг резьбы - Р
расстояние между соседними одноименными боковыми сторонами профиля в
направлении, параллельном оси резьбы.
Часть резьбы,
образованная при одном повороте профиля вокруг оси, называется витком. При этом
все точки производящего профиля перемещаются параллельно оси на одну и ту же
величину, которая называется ходом резьбы (Ph). Резьба,
образованная движением одного профиля, называется однозаходной, образованная
движением двух, трех одинаковых профилей и более - многозаходной. У
однозаходной резьбы ход равен шагу Ph = Р (рис. 3 а), у многозаходной ход равен шагу, умноженному на
число ходов Ph = Р х n, где n - число ходов (рис. 3, б).
Рис. 3
Резьба может быть
правой или левой. Если ось резьбы расположить вертикально перед наблюдателем,
то у правой резьбы видимые витки поднимаются слева направо (рис. 3, а), а у
левой - справа налево (рис. 3, б). Так как применяется преимущественно правая
резьба, то на чертеже оговаривают только левую, добавляя к обозначению резьбы «LH» согласно ГОСТ 8724-81
«Резьба метрическая, диаметры и шаги».
.2 Виды резьб
По назначению
резьбы разделяют на крепежные (к ним относятся метрическая и трубная) и
кинематические или ходовые (к ним относятся трапецеидальная и упорная).
Метрическая резьба
наиболее часто применяется в крепежных изделиях (винты, болты, шпильки, гайки).
Основные размеры метрической резьбы устанавливает ГОСТ 24705-81. Номинальный
профиль и размеры его элементов устанавливает ГОСТ 9150-81. На рис. 4 изображен
профиль метрической резьбы: d - наружный диаметр наружной резьбы (болта); d1 - внутренний диаметр наружной резьбы (болта); Р - шаг резьбы.
Рис. 4
ГОСТ 8724-81
устанавливает диаметры и шаги метрической резьбы. В зависимости от назначения
детали метрическую резьбу нарезают с крупным или мелким шагом. При одинаковых
номинальных диаметрах шаг мелкой резьбы может быть различным (табл. 1).
Таблица 1
Диаметры и шаги
метрической резьбы, мм
(выдержка из ГОСТ
8724-81)
|
Диаметр резьбы для ряда
|
Шаг Р
|
|
1
|
2
|
3
|
крупный
|
мелкий
|
|
- 16 - - 20 - 24 - - - - 30
|
- - - 18 - 22 - - - 27 - -
|
15 - 17 - - - - 25 (26) - (28) -
|
- 2 - 2,5 2,5 2,5 3 - - 3 - 3,5
|
1,5; (1) 1,5; 1; 0,75; 0,5 1,5; (1) 2; 1,5; 1; 0,75; 0,5 2; 1,5;
1; 0,75; 0,5 2; 1,5; 1; 0,75; 0,5 2; 1,5; (1) 2; 1,5; (1) 1,5 2; 1,5; 1; 0,75
2; 1,5; 1 (3); 2; 1,5; 1; 0,75
|
|
Примечания: 1. При выборе диаметров резьб следует предпочитать
первый ряд второму, а второй третьему. 2. Диаметры и шаги резьб, заключенные
в скобки, по возможности не применять.
|
Трубная
цилиндрическая резьба применяется для соединения труб и фитингов, где требуется
герметичность. Профиль резьбы - равнобедренный треугольник с углом при вершине
55° (рис. 5).
Рис. 5
Трубная резьба
разработана в дюймовой системе и имеет мелкие шаги.
дюйм (1'') = 25,4 мм.
Шаг трубной резьбы задают косвенным способом - указывают число ниток резьбы,
укладывающихся на 1''. Для трубной цилиндрической резьбы установлено два класса
точности А и В.
Основные размеры трубной
цилиндрической резьбы устанавливает ГОСТ 6357-81 (табл. 2).
Таблица 2
Основные размеры трубной
цилиндрической резьбы, мм (выдержка из ГОСТ 6357-81)
|
Обозначение размера резьбы
|
Диаметр резьбы
|
Шаг Р
|
|
наружный d=D
|
Внутренний d1=D1
|
|
|
¼
|
13,157
|
11,445
|
1,337
|
|
½
|
20,955
|
18,631
|
1,814
|
|
1
|
33,249
|
30,291
|
2,309
|
|
1¼
|
41,910
|
38,952
|
2,309
|
|
1½
|
47,803
|
44,845
|
2,309
|
|
13/4
|
53,746
|
50,788
|
2,309
|
|
2
|
59,614
|
56,656
|
2,309
|
Трубная коническая
резьба (рис. 6) применяется в случаях, когда требуется повышенная герметичность
соединения труб при больших давлениях жидкости или газа.
Рис. 6
ГОСТ 6211-81
распространяется на трубную коническую резьбу с конусностью 1:16, применяемую в
конических резьбовых соединениях (рис. 7), а также в соединениях наружной
трубной конической резьбы с внутренней трубной цилиндрической резьбой (рис. 8)
Рис. 7
Рис. 8
Профиль конической
резьбы (рис. 6) - равнобедренный треугольник с углом 55° при вершине,
биссектриса которого перпендикулярна к оси конуса. При конусности 1:16
образующая конуса наклонена к оси под углом 1°47'24". Размеры трубной
конической резьбы (таблица 4.3) измеряются в основной плоскости. Под основной
плоскостью подразумевается плоскость, перпендикулярная оси трубы, совпадающая с
торцом детали (муфты), имеющей внутреннюю резьбу. Если деталь с наружной
конической резьбой ввинтить в деталь (муфту) без натяга, то эта деталь войдет
туда на длину /, определяющую положение основной плоскости относительно конца
(торца) детали (рис.7).
Условный размер и
параметры трубной конической резьбы в основной плоскости (таблица 3) полностью
соответствуют параметрам трубной цилиндрической резьбы с тем же условным
размером, шагом и числом витков на длине одного дюйма (рис.8).
Таблица 3
Основные размеры трубной
конической резьбы, мм
(выдержка из ГОСТ
6211-81)
|
Обозначение размера резьбы
|
Шаг Р
|
Диаметр резьбы
|
Длина наружной резьбы l (от торца до основной плоскости)
|
|
|
наружный d=D
|
Внутренний d1=D1
|
|
|
¼
|
1,337
|
13,157
|
11,445
|
6,0
|
|
3/8
|
1,337
|
16,662
|
14,950
|
6,4
|
|
½
|
1,814
|
20,955
|
18,631
|
8,2
|
|
3/4
|
1,814
|
26,441
|
24,117
|
9,5
|
|
1
|
2,309
|
33,249
|
30,291
|
10,4
|
|
1¼
|
2,309
|
41,910
|
38,952
|
12,7
|
|
1½
|
2,309
|
47,803
|
44,845
|
12,7
|
|
2
|
2,309
|
59,614
|
56,656
|
15.9
|
Трапецеидальная
резьба относится к кинематическим резьбам и предназначена для передачи
движения. ГОСТ 9484-81 устанавливает профиль и размеры его элементов. Профиль
трапецеидальной резьбы - равнобочная трапеция с углом между ее боковыми
сторонами, равным 30° (рис. 9).
Рис. 9
Эта резьба
применяется главным образом в деталях механизмов для преобразования
вращательного движения в поступательное при значительных нагрузках. Например, в
ходовых винтах станков, винтах суппортов, грузовых винтах прессов.
Основные размеры
для однозаходной трапецеидальной резьбы устанавливает ГОСТ 24737-81, а ГОСТ
24738-81 - диаметры и шаги (таблица 4).
Таблица 4
Диаметры и шаги
трапецеидальных однозаходных резьб, мм
(выдержка из ГОСТ
24738-81)
|
Диаметр резьбы, d
|
Шаг Р
|
|
Ряд 1
|
Ряд 2
|
Р
|
Р*
|
Р**
|
|
10
|
-
|
1,5
|
2
|
-
|
|
- 12 -
|
11 - 14
|
3 2 2
|
2 3 3
|
- - -
|
|
16 - 20
|
- 18 -
|
2 2 2
|
4 4 4
|
- - -
|
|
- 24 -
|
22 - 26
|
3; 8 3; 8 3; 8
|
5 5 5
|
2 2 2
|
|
28 - 32
|
- 30 -
|
3; 8 3; 10 3; 10
|
5 6 6
|
2 - -
|
|
- 36 -
|
34 - 38
|
3; 10 3; 10 3; 10
|
6 6 7
|
- - 6
|
|
Примечания: При выборе диаметров резьбы следует предпочитать
первый ряд второму. * Шаги, являющиеся предпочтительными при
разработке новых конструкций. ** Шаги, которые не следует
применять при разработке новых конструкций.
|
Основные размеры
для многозаходной резьбы устанавливает ГОСТ 24739-81.
Упорная резьба
применяется при больших односторонних усилиях, действующих в осевом
направлении. ГОСТ 10177-82 предусматривает форму профиля и основные размеры для
однозаходной упорной резьбы (таблица 5).
Таблица 5
Диаметры и шаги
упорной резьбы, мм (выдержка из ГОСТ 10177-82)
Профиль резьбы
(рис. 10) представляет собой трапецию, одна сторона которой является рабочей
стороной профиля, и ее положение определяется углом наклона 3° к прямой,
перпендикулярной оси.
Другая сторона
трапеции (нерабочая сторона профиля) имеет угол наклона 30°. Упорная резьба
может выполняться с разными шагами при одном и том же диаметре.
Рис. 10
Резьбу изготовляют
или режущим инструментом с удалением слоя материала, или накаткой путем
выдавливания. При выводе инструмента из металла резьба как бы сходит на нет,
образуя сбег резьбы. Длиной резьбы называют длину участка поверхности, на
которой образована резьба, включая сбег резьбы и фаску. Фаска это коническая
поверхность, служит для облегчения наворачивания гайки на болт, ввинчивания
шпильки в резьбовое отверстие и т.д. Как правило, на чертежах указывают только
длину резьбы с полным профилем (рис. 11, а). Если резьбу выполняют до некоторой
поверхности, не позволяющей перемещать резьбообрзующий инструмент до упора к
ней, то образуется так называемый недовод резьбы (рис. 11, б). Сбег плюс
недовод образуют так называемый недорез резьбы. Если требуется изготовить
резьбу полного профиля, без сбега, то для вывода резьбообразуюшего инструмента
делается проточка, диаметр которой для наружной должен быть немного меньше
внутреннего диаметра резьбы, а для внутренней резьбы - немного больше наружного
диаметра резьбы (рис. 11, в).
резьба деталь
контур
Рис. 11
.3 Изображение
резьбы
Построение точного
изображения витков резьбы требует большой затраты времени, поэтому на чертежах
резьбу изображают условно, независимо от профиля резьбы. Согласно ГОСТ
2.311-68, резьбу на стержне изображают сплошными основными линиями по наружному
диаметру резьбы и сплошными тонкими - по внутреннему на всю длину резьбы,
включая фаску (рис. 12,а). На видах, полученных проецированием на плоскость,
перпендикулярную оси стержня, по внутреннему диаметру резьбы проводят дугу
сплошной тонкой линией, приблизительно равную 3/4
окружности и разомкнутую в любом месте.
На изображениях
резьбы в отверстии сплошные основные и сплошные тонкие линии как бы меняются
местами (рис. 12, б).
Фаски на стержне с
резьбой и в отверстии с резьбой, не имеющие специального конструктивного
назначения, в проекции на плоскость, перпендикулярную оси стержня или
отверстия, не изображают. Границу резьбы на стержне и в отверстии проводят в
конце полного профиля резьбы, до сбега, основной линией (или штриховой, если
резьба изображена как невидимая), которую проводят до линий наружного диаметра
резьбы. Расстояние между линиями, изображающими наружный и внутренний диаметры
резьбы, согласно ГОСТ 2.303-68, не должно быть менее 0,8 мм и не больше шага
резьбы. Сбег резьбы изображается тонкой линией, проводимой примерно под углом
30° к оси резьбы (рис. 12). Сбег резьбы на производственных чертежах показывают
редко. Невидимую резьбу изображают штриховыми линиями одинаковой толщины по
наружному и внутреннему диаметрам.
Рис. 12
На чертежах, по которым
резьбу не выполняют, резьбу в глухом резьбовом отверстии (гнезде) допускается
условно изображать, как показано на рис. 13.
Рис. 13
В резьбовых соединениях,
изображенных в разрезе, резьба стержня закрывает резьбу отверстия (рис. 14, а,
б), на разрезах штриховка доводится до сплошных основных линий. Более подробные
сведения об изображении резьбы изложены в ГОСТ 2.311-68.
Рис. 14
.4 Обозначение резьбы
Обозначение резьбы
включает в себя буквенное обозначение, определяющее тип резьбы, а также размер
резьбы. В обозначениях резьбы всегда указывается наружный диаметр резьбы.
Метрическую резьбу выполняют с крупным шагом (единственным для данного диаметра
резьбы) и мелкими шагами, которых для данного диаметра резьбы может быть
несколько. Например, для диаметра резьбы 20 мм крупный шаг всегда равен 2,5 мм,
а мелкий может быть равен 2; 1,5; 1; 0,75; 0,5 мм, поэтому в обозначении
метрической резьбы крупный шаг не указывается, а мелкий указывается
обязательно.
Примеры обозначения
метрической резьбы:
с крупным шагом: М16,
М42, М64;
с мелким шагом: М16х0,5;
М42х2; М64х4;
Многозаходная
метрическая резьба должна обозначаться буквой М, номинальным диаметром,
числовым значением хода и в скобках буквой Р с числовым значением шага,
например, трехзаходная резьба номинальным диаметром 42 мм, с шагом 1 мм и ходом
3 мм обозначается - М42хЗ (Р1).
Для обозначения
левой резьбы после условного обозначения ставят буквы LH, например; M16LH, M42х2LH, М42хЗ (Pl)LH.
Примеры обозначения
метрической резьбы на чертежах показаны на рис. 15.
Рис. 15
Если для метрической
резьбы обозначение диаметра резьбы соответствует ее наружному диаметру, то в
трубной резьбе ее диаметр обозначается условно, например G1, что соответствует трубе, имеющей условный проход (внутренний
диаметр трубы), равный 25 мм, т. е. ≈ 1". Наружный же диаметр
трубной резьбы 1" равен 33,25 мм, т. е. больше на две толщины стенки,
поэтому обозначение трубной резьбы осуществляется линией-выноской с одной
стрелкой и полкой (рис. 4.16).
В условное
обозначение трубной цилиндрической резьбы должны входить: буква G, обозначение размера резьбы и
класса точности.
Пример условного
обозначения трубной цилиндрической резьбы: класса точности A: G 1 1/2 -А;
левой резьбы класса точности В: G 1 1/2 LH-В. Трубная
цилиндрическая резьба одного и того же размера может быть выполнена на трубах с
различной толщиной стенки и даже на сплошном стержне.
Примеры обозначения
трубной цилиндрической резьбы показаны на рис. 16.
Рис. 16
В условное
обозначение трубной конической резьбы входят: буквы (R - для конической наружной резьбы, Rc - для конической
внутренней резьбы) и обозначение размера резьбы. Левая резьба дополняется
буквами LH.
Например: наружная
трубная коничекая резьба 1 1/2: R1 1/2
; левая внутренняя трубная коническая резьба 1 3/4: Rc1 3/4
LH.
Примеры обозначения трубной конической резьбы на чертежах показаны на рис. 17.
Рис. 17
В условное
обозначение трапецеидальной резьбы входят: буквы Тr, размер наружного диаметра и шаг
резьбы, например, Тr 28x5,
левая резьба
обозначается Tr 28x5 LH.
В обозначении
многозаходной трапецеидальной резьбы указываются наружный диаметр, ход резьбы и
в скобках буква Р и числовое значение шага, например: Tr 28x5 (P1).
Примеры обозначения
трапецеидальной резьбы на чертежах показаны на рис. 18.
Рис. 18
В условное
обозначение упорной резьбы должны входить: буква S, номинальный диаметр и шаг,
например: S60x9.
Для левой резьбы - S 60X9LH.
В условное
обозначение многозаходной резьбы должны входить: буквы S, номинальный диаметр, значение хода
и в скобках буква Р и значение шага, например, для двухзаходной резьбы с шагом
8 мм и значением хода 16 мм: S 60x16(P8).
Примеры обозначения
упорной резьбы на чертежах показаны на рис. 19.
Рис. 19
Прямоугольная
резьба не стандартизована. При ее применении на чертеже указываются все
необходимые для изготовления размеры (рис. 20).
Рис. 20
2. Стандартные резьбовые
крепежные изделия
Для соединения
деталей применяются стандартные крепежные резьбовые детали: болты, винты,
шпильки, гайки. Все крепежные резьбовые изделия выполняются с метрической
резьбой (как правило, с крупным шагом, реже с мелким) и изготовляются по
соответствующим стандартам, устанавливающим требования к материалу, покрытию и
прочим условиям изготовления этих деталей. Каждая крепежная деталь имеет
условное обозначение, в котором отражаются: форма, основные размеры, материал и
покрытие.
В зависимости от
необходимых механических свойств материала, из которого изготовлена крепежная
деталь, она характеризуется определенным классом прочности или относится к
определенной группе, которые устанавливает ГОСТ 1759-70. Каждый класс прочности
и каждая группа определяют требования к механической прочности резьбовой детали
и предусматривают марки материалов, из которых могут изготавливаться эти
детали. Класс прочности болтов, винтов и шпилек обозначается двумя числами,
каждое из которых отражает различные параметры, характеризующие прочность
материала детали. Класс прочности гаек обозначается одним числом, которое
отражает состояние материала детали при воздействии на нее испытательной
нагрузки.
Для предохранения
крепежных деталей от коррозии применяются соответствующие защитные покрытия.
ГОСТ 1759-70 устанавливает следующие условные обозначения покрытий: цинковое с
хроматированием - 01; кадмиевое с хроматированием - 02; многослойное (медь -
никель) - 03; многослойное (медь - никель - хром) - 04; окисное - 05; фосфатное
с промасливанием - 06; оловянное - 07; медное - 08; цинковое - 09; окисное
анодизационное с хромированием - 10; пассивное - 11; серебряное - 12.
Детали, выполняемые
без покрытия, характеризуются индексом 00.
Условное
обозначение любой стандартной крепежной детали должно отражать:
· форму
и основные размеры детали и ее элементов, определяемые соответствующим
размерным стандартом;
· класс
прочности или группу детали, характеризующие механические свойства материала
детали;
· условное
обозначение покрытия, предохраняющего деталь от коррозии.
2.1 Болт
Болт - крепежное
резьбовое изделие, состоящее из двух частей: головки и стержня с резьбой (рис.
21). В большинстве конструкций болтов на его головке имеется фаска,
сглаживающая острые края головки и облегчающая наложение гаечного ключа при
свинчивании. Болты с шестигранной головкой выпускаются в трех исполнениях (рис.
22):
исполнение 1 - без
отверстий в головке и стержне;
исполнение 2 - с
отверстием для шплинта на нарезанной части стержня болта;
исполнение 3 - с
двумя отверстиями в головке болта (в них заводится проволока для соединения
группы нескольких однородных болтов).
Болты исполнения 2
и 3 употребляются для соединения деталей машин, испытывающих вибрации, толчки и
удары, ведущие к самоотвинчиванию гаек и болтов. Шплинт или проволока будут
этому препятствовать.
Основные размеры
наиболее распространенных в машиностроении болтов с шестигранной головкой
приведены в таблице 6.
Рис. 21
Рис. 22
Каждому диаметру резьбы
болта d соответствуют определенные размеры его головки. При одном и том
же диаметре резьбы d болт может
изготавливаться различной длины l,
которая стандартизована. Длина резьбы болта l0,
которая также стандартизована и устанавливается в зависимости от его диаметра d и длины l (ГОСТ 7798-70).
Размеры болтов с
шестигранной головкой нормальной точности
(выдержка из ГОСТ
7798-70) мм.
Таблица 6
|
Номинальный диаметр резьбы d
|
S
|
H
|
D,
не менее
|
r
|
d3
|
d4
|
l2
|
|
|
|
|
Не менее
|
Не более
|
|
|
|
|
16 20 24 30
|
24 30 36 46
|
10 13 15 19
|
26,5 33,3 39,6 50,9
|
0,6 0,8 0,8 1
|
1,6 2,2 2,2 2,7
|
4 4 5 6,3
|
4 4 4 4
|
5 6,5 7,5 9,5
|
Длина болтов с
шестигранной головкой нормальной точности
(выдержка из ГОСТ
7798-70) мм.
Таблица 7
|
Номинальная длина болта l
|
Длина резьбы l0 и расстояние от опорной
поверхности головки до оси отверстия в стержне l1 при номинальном диаметре резьбы d (знаком х отмечены болты с
резьбой на всей длине болта.)
|
|
16
|
20
|
24
|
30
|
|
l1
|
l0
|
l1
|
l0
|
l1
|
l0
|
l1
|
l0
|
|
60
|
54
|
38
|
54
|
46
|
53
|
х
|
51
|
х
|
|
70
|
64
|
38
|
64
|
46
|
63
|
54
|
61
|
х
|
|
80
|
74
|
38
|
74
|
46
|
54
|
71
|
66
|
|
90
|
84
|
38
|
84
|
46
|
83
|
54
|
81
|
66
|
|
100
|
94
|
38
|
94
|
46
|
93
|
54
|
91
|
66
|
Рабочий чертеж
болта выполняется по размерам, взятым из соответствующего стандарта.
Обычно резьбовые
крепежные детали изображаются на чертеже так, чтобы ось их резьбы располагалась
параллельно основной надписи чертежа.
Условное
обозначение болта:
Болт 2 М16 х 1.5.
2а х 75.68.09 ГОСТ 7798-70.
Расшифровывается:
Болт - название детали; 2 - исполнение 2; М16 - тип и размер резьбы; 1,5 -
величина мелкого шага резьбы; 2а - класс (степень) точности резьбы; 75 - длина
болта; 68 - условная запись класса прочности 68, указывающего, что болт
выполнен из стали с определенными механическими свойствами; 09 - цинковое
покрытие; ГОСТ 7798-70 - размерный стандарт, указывающий, что болт имеет
шестигранную головку и выполнен с нормальной точностью. На учебных чертежах
обозначение болта упрощают: Болт 2 М16 х 1.5 х 75 ГОСТ 7798-70.
2.2 Гайка
Гайки - изделие с
резьбовым отверстием для навинчивания на резьбовой конец болта, при этом
соединяемые детали зажимаются между гайкой и головкой болта.
По форме гайки
могут быть шестигранными, шестигранными прорезными, корончатыми, круглыми,
барашковыми и др. Шестигранные гайки подразделяются по высоте: нормальной
высоты, низкие, высокие, особо высокие. По виду резьбы различают гайки с
метрической резьбой с крупным или мелким шагом. Гайки изготавливают нормальной
точности, повышенной и грубой.
Наиболее
распространенные шестигранные гайки нормальной точности (рис. 23, а) по ГОСТ
5915-70 в двух исполнениях: с двумя и одной наружными фасками (рис. 23, б).
а)
Исполнение 1
Исполнение 2
б)
Рис. 23
Гайки шестигранные
(нормальной точности)
(выдержка из ГОСТ
5915-70) мм.
Таблица 8
|
Размер под ключ S
|
Диаметр описанной окружности D, не менее
|
Высота H
|
|
24
|
26,5
|
13
|
|
30
|
33,3
|
16
|
|
36
|
39,6
|
19
|
|
46
|
50,9
|
24
|
Чертеж гайки
выполняется по размерам, взятым из соответствующего стандарта, низкие гайки
(ГОСТ 5916-70), высокие (ГОСТ 15523-70) и особо высокие (ГОСТ 15525-70).
Условное
обозначение гаек на учебных чертежах:
Гайка М24 ГОСТ
5915-70 - шестигранная гайка, нормальной точности, первого исполнения, с
диаметром метрической резьбы 24 мм шаг крупный.
Изображение фасок
на головках болтов и гайках. Дуги кривых на гранях гаек и головках болтов
являются дугами гипербол, но их, как правило, заменяют на изображениях дугами
окружностей. Построения показаны на рис. 24
Рис. 24
2.3 Шпилька
Шпилька применяется
в тех случаях, когда у деталей нет места для размещения головки болта, или если
одна из деталей имеет значительно большую толщину, тогда применять слишком
длинный болт неэкономично.
Шпилька
представляет собой цилиндрический стержень, имеющий с обоих концов резьбу (рис.
25).
Рис. 25
Одним нарезанным концом
шпилька ввинчивается в резьбовое отверстие, выполненное в одной из деталей. На
второй конец с резьбой навинчивается гайка, соединяя детали. Размеры шпильки стандартизованы.
Длина l1 ввинчиваемого резьбового конца определяется материалом детали, в
которую он должен ввинчиваться, и может выполняться разной величины. В таблице
9 приведены данные о длине ввинчиваемого конца шпильки в зависимости от области
ее применения.
Таблица 9
|
Длина ввинчиваемого резьбового конца
|
ГОСТ
|
Область применения
|
|
l1=d
|
22032-76*
|
для стальных, бронзовых и латунных деталей
|
|
l1=1,25d
|
22034-76*
|
для деталей из ковкого и серого чугуна
|
|
l1= 1,6d
|
22036-76*
|
|
|
l1=2d
|
22038-76*
|
для деталей из легких сплавов
|
|
l1=2,5d
|
22040-76*
|
|
(d - наружный диаметр резьбы).
Резьбовой конец шпильки l0 предназначен для
навинчивания на него гайки при соединении скрепляемых деталей. Под длиной
шпильки l понимается длина стержня без ввинчиваемого резьбового конца. Длина
резьбового (гаечного) конца l0 может иметь различные
значения, определяемые диаметром резьбы d и длиной шпильки l. Шпильки изготавливаются на концах
с одинаковыми диаметрами резьбы и гладкой части стержня посередине (рис. 25)
нормальной и повышенной точности.
Длина шпилек общего
применения
(выдержка из ГОСТ
22032-76) мм.
Таблица 10
|
Номинальная длина шпильки l (без резьбового
ввинчиваемого конца l1)
|
Длина резьбового конца l0 (без сбега резьбы) при d.
|
|
16
|
20
|
24
|
30
|
|
50
|
38
|
х
|
х
|
-
|
|
60
|
38
|
46
|
х
|
х
|
|
70
|
38
|
46
|
54
|
х
|
|
80
|
38
|
46
|
54
|
66
|
|
90
|
38
|
46
|
54
|
66
|
|
100
|
38
|
46
|
54
|
66
|
Условное
обозначение шпильки на учебных чертежах:
Шпилька M24х80 ГОСТ 22032-76 означает: М24 -
номинальный диаметр метрической резьбы с крупным шагом; 80 - длина шпильки.
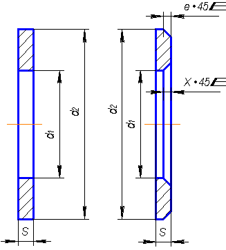
Шайба - деталь,
которую устанавливают под гайку, головку болта или винта. Шайба предохраняет
опорную поверхность детали от задиров при затяжке гайки ключом; позволяет
распределить усилия на соединяемые детали (когда мала опорная поверхность
гаек); предотвращает возможность самоотвинчивания. Шайбы разделяют на круглые,
пружинные, стопорные и др. Шайбы круглые делят на: шайбы обычные нормального
ряда, шайбы увеличенные, шайбы уменьшенные. Наиболее часто применяются шайбы
нормального ряда по ГОСТ 11371-78, имеющие два исполнения (рис. 26): исполнение
1 - без фаски; исполнение 2 - с фасками. Условное обозначение шайбы: Шайба 12
ГОСТ 11371-78.
Исполнение 1
Исполнение 2
Рис. 26Шайбы нормальные
(выдержка из ГОСТ
11371-78) мм.
Таблица 11
|
Номинальный диаметр резьбы крепежной детали
|
d1
|
d2
|
s
|
e
|
X, не менее
|
|
16
|
17
|
30
|
3
|
0,75-1,50
|
1,50
|
|
20
|
21
|
37
|
3
|
0,75-1,50
|
1,50
|
|
24
|
25
|
44
|
4
|
1,00-2,00
|
1,50
|
|
30
|
31
|
56
|
4
|
1,00-2,00
|
1,50
|
В целях
предупреждения самоотвинчивания болтов, винтов и гаек от вибрации и толчков
применяют пружинные шайбы (рис. 27, а), которые представляют собой как бы виток
пружины квадратного профиля с левым направлением навивки. Пружинная шайба
разрезана поперек, под углом 70-85° к плоскости опоры. Острые края ее при
сжатии гайкой стремятся внедриться в торец гайки (рис. 27, б) и опорную
поверхность детали, тем самым задерживая обратное вращение гайки или болта.
Кроме того, пружинная шайба обеспечивает постоянное натяжение между витками
резьбы болта и гайки и этим самым способствует задержке обратного поворота
гайки.
Шайба пружинная,
выполненная по ГОСТ 6402-70 диаметром 12 мм обозначается: Шайба 12 ГОСТ
6402-70.
Рис. 27
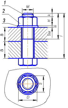
3. Резьбовые
соединения
.1 Болтовое
соединение
В болтовое
соединение входят: 1 - болт, 2 - гайка, 3 - шайба (рис. 28). Чертеж болтового
соединения выполняется по заданным размерам диаметра резьбы болта и толщины
соединяемых деталей. Длина болта рассчитывается по формуле:
l = B1 + B2 + Sш + H + k,
где В1 +
В2 - толщина соединяемых деталей;
Sш - толщина шайбы
H - высота гайки
k = 0,3d - запас резьбы.
В соответствии со стандартом
выбирают l - длину болта, l0 - длину нарезанной части. Диаметр
отверстия под болт принимают на 1 мм больше диаметра стержня болта. На чертежах
резьбовых соединений болты, винты, шпильки, гайки, шайбы в продольном разрезе
изображают не рассеченными.
Пример.
Дано: диаметр
резьбы болта d = 20 мм, толщина соединяемых деталей В1 = 30 мм, В2
= 34 мм.
Находим: высота
гайки H = 16 мм (ГОСТ 5915-70*, таблица 4.8 ), толщина шайбы Sш = 3 мм (ГОСТ 11371-78*, таблица 11).
Рассчитываем длину
болта: l = 30 + 34 + 3 + 16 + 6 = 89 мм, по ГОСТ 7798-70*
принимаем l = 90 мм. Длина нарезанной части l0 = 46 мм (таблица 7).
Рис. 28
.2 Шпилечное соединение
В шпилечное соединение
входят: шпилька, гайка, шайба и соединяемые детали. Чертеж шпилечного
соединения выполняется по заданным размерам диаметра резьбы шпильки, толщины В
соединяемой детали, марки материала детали с резьбовым гнездом. Длина шпильки рассчитывается
по формуле:
l
= B + Sш
+ H + k,
где В - толщина детали;
Sш
- высота шайбы
H
- высота гайки
k
= 0,3d - запас резьбы.
Длину ввинчиваемого
конца шпильки l1 выбирают в зависимости от материала детали, в которую
вворачивается шпилька (см. выше). Технологическая последовательность выполнения
отверстия с резьбой под шпильку и порядок сборки шпилечного соединения показаны
на рис. 29 Сверлят отверстие диаметром d1 = 0,85d на глубину l2 = l1
+ 0,5d (рис. 29 а) - сверленое гнездо под шпильку). Отверстие заканчивается
конической поверхностью с углом при вершине 1200 (угол на чертеже не
показывают). Резьбу в отверстии детали нарезают метчиком, на конце которого
имеется заборный конус, предупреждающий его поломку в начале нарезания. Поэтому
глубина резьбы l3
= l1 + 2Р, где Р - шаг резьбы (рис. 29 б) - нарезанное гнездо под
шпильку). Шпилька ввинчивается в резьбовое отверстие детали А на всю длину
резьбы l1, сверху устанавливается деталь В с отверстием на 1 мм больше
диаметра, чем диаметр шпильки (рис. 29 в). На резьбовой конец шпильки
надевается шайба и навинчивается гайка (рис. 29 г).
а) б) в) г)
Рис. 29
3.3 Упрощенное
изображение резьбовых соединений
На сборочных чертежах резьбовые
соединения изображаются упрощенно (ГОТС 2.315-68), по приведенным размерам:
D = 2d h = 0,7d d1
= 0,85dш = 2,2d S = 1,5d = 0,8d k = 0,3d
Упрощенные изображения резьбовых
соединений имеют следующие особенности: резьбу условно показывают по всей длине
стержней болта, шпильки или винта; фаски на крепежных деталях не изображают. Не
показывают зазор между болтом (шпилькой) и соединяемыми деталями. На виде
сверху не показывают резьбу. На рис. 30 показаны упрощенные изображения
болтового и шпилечного соединений.
Вопросы для самопроверки.
1. В чем
состоит различие между понятиями «ход резьбы» и «шаг резьбы»?
2. Как
отличить левую резьбу от правой (на изображении и в натуре)? 9. Что такое
«недорез» резьбы? из каких частей он состоит?
. Пояснить
эскизом правило: «Резьба стержня закрывает резьбу отверстия».
. В каких
случаях указывается шаг метрической резьбы?
. Нарисуйте
профиль резьбы, обозначаемый символом «S».
. В чем
заключается особенность трубной резьбы?
. Расшифруйте
все составные элементы обозначения резьбового изделия:
Винт 2М12 х 1,25 - 6g х 50.109.40Х.019 ГОСТ 1491-80.
|
Упрощенное изображение болтового соединения
|
Упрощенное изображение шпилечного соединения
|
|

|
|
Рис. 30
4. Графическая
работа: Резьбовые изделия. Резьбовые соединения
Содержание
Вычертить:
1. Болт,
гайку, шайбу, шпильку по их действительным размерам, которые следует взять из
соответствующих стандартов;
2. Гнезда под
шпильку (сверленое и нарезанное);
. Шпилечное
соединение по действительным размерам;
. Упрощенное
болтовое соединение.
Длины болта и
шпильки подобрать по соответствующему ГОСТу, исходя из размеров соединяемых
деталей. Данные взять из таблиц 12, 13.
Варианты заданий
даны в табл. 12 и 13.
Таблица 12
|
Вариант
|
Резьба
|
Исполнение
|
ГОСТ
|
|
|
Болт ГОСТ 7798-70*
|
Гайка ГОСТ 5915-70*
|
Шайба ГОСТ 11371-78*
|
Шпилька
|
|
1
|
М16
|
1
|
1
|
1
|
22032-76*
|
|
2
|
М30х2
|
2
|
2
|
2
|
22034-76*
|
|
3
|
М20
|
1
|
2
|
1
|
22036-76*
|
|
4
|
М16х1,5
|
2
|
1
|
2
|
22038-76*
|
|
5
|
М30
|
1
|
2
|
1
|
22040-76*
|
|
6
|
М20х1,5
|
2
|
1
|
2
|
22038-76*
|
|
7
|
М24
|
1
|
1
|
2
|
22040-76*
|
|
8
|
М24х2
|
2
|
2
|
1
|
22034-76*
|
|
9
|
М16
|
3
|
1
|
2
|
22036-76*
|
|
10
|
М24
|
3
|
1
|
1
|
22032-76*
|
|
11
|
М30х2
|
3
|
2
|
2
|
22034-76*
|
|
12
|
М20
|
2
|
1
|
2
|
22036-76*
|
|
13
|
М16х1,5
|
1
|
2
|
1
|
22038-76*
|
|
14
|
М30
|
3
|
1
|
1
|
22040-76*
|
|
15
|
М20х1,5
|
1
|
2
|
2
|
22032-76*
|
|
|
|
|
|
|
Таблица 13
|
Вариант
|
Толщина соединяемых деталей
|
|
Болтовое соединение
|
Шпилечное соединение
|
|
В1
|
В2
|
В
|
|
1
|
22
|
25
|
28
|
|
2
|
30
|
32
|
52
|
|
3
|
30
|
34
|
34
|
|
4
|
15
|
22
|
38
|
|
5
|
20
|
32
|
60
|
|
6
|
22
|
32
|
42
|
24
|
34
|
38
|
|
8
|
20
|
28
|
45
|
|
9
|
20
|
28
|
28
|
|
10
|
24
|
34
|
38
|
|
11
|
30
|
32
|
52
|
|
12
|
28
|
36
|
34
|
|
13
|
24
|
24
|
38
|
|
14
|
20
|
32
|
60
|
|
15
|
30
|
34
|
42
|
Образец выполнения
задания дан на рис. 31.
Рис. 31
Библиографический
список.
1. Чекмарев А.А. Инженерная графика. М., 2006.
2. Чекмарев А.А., Осипов В.К. Справочник по
машиностроительному черчению. М.,
1995.
3. Левицкий В.С. Машиностроительное черчение. М., 1988.
4. Попова Г.Н., Алексеев С.Ю.
Справочник по машиностроительному черчению. М., 1988.
5. ГОСТ 2.311-68
Изображение резьбы.
6. ГОСТ 2.315-68 Изображения
упрощенные и условные крепежных деталей.