Расчет токарного станка
1. Общая характеристика
Токарные станки с ЧПУ предназначены для
высокопроизводительной обработки в автоматическом режиме заготовок типа тел
вращения в условиях мелкосерийного и серийного производства.
В станках с ЧПУ полностью автоматизированы цикл обработки
детали с установлением необходимых режимов резания, а также все вспомогательные
движения и функции: ускоренное перемещение рабочих органов, смена инструмента,
устанавливаемого в револьверных головках или магазинах, зажим заготовки,
перемещение задней бабки и люнета, включение и выключение механизмов
стружкодробления и стружкоудаления, включение системы охлаждения, введение
коррекции на положение заранее настроенных на размер инструментов и т.д.
Токарные станки с ЧПУ классифицируются: по расположению оси
шпинделя (горизонтальные, вертикальные); по числу используемых инструментов,
способу их закрепления и смены (с револьверными головками или магазином сменных
инструментов); по виду выполняемых работ (прутковые, патронные, центровые,
патронно-центровые); по типу применяемого ЧПУ.
Ограничением диаметра заготовки, обрабатываемой на станке,
является не высота его центров, а условие исключения столкновений инструмента и
заготовки, что определяется видом и размерами инструментов, расстоянием между
ними при их установке в револьверной головке. В случае пруткового варианта -
диаметр заготовки ограничивается диаметром сквозного отверстия в шпинделе.
Поэтому основным размером токарного станка с ЧПУ следует считать (наряду с
наибольшим диаметром устанавливаемой заготовки) наибольший диаметр
обрабатываемого изделия.
Обычно выпускаются станки с горизонтальной осью шпинделя с
наибольшим диаметром обрабатываемой заготовки 125…5000 мм, прутковые станки
имеют диаметр обработки 10…125 мм. Станки средних размеров обычно изготавливают
по классу точности П, малых - иногда В.
Основные типовые операции выполняемые на токарном станке с
ЧПУ: точение (продольное, поперечное), растачивание, резьбонарезание,
сверление, проточка канавок, отрезание.
1.1 Выбор и описание станка - аналога
В качестве станка - аналога принимаем РТК типа МРК50 с
характеристиками:
1. Наибольший диаметр детали, устанавливаемой в патрон,
мм…….315
2. Количество шпинделей, шт.……………………………………………2
. Частота вращения рабочих шпинделей, 1/мин………………10…1600
. Наибольший крутящий момент на шпинделе станка, Нм………4500
. Число управляемых координат……………………………………2 x 2
. Наибольший ход салазок, мм……………………………………315
. Диапазон подачи, мм/мин…………………………………….10…2000
. Скорость быстрого хода, мм/мин…………………………………..4900
. Дискретность перемещения по осям X и Z, мм……………………0,01
. Количество позиций в револьверной головке, шт.…………………..4
. Длина стороны головки, мм……………………………………….282
. Размеры резца в сечении (b x l), мм……………………………25 x 25
. Габаритные размеры (длина x ширина x высота), мм 4570x4285x2107
. Масса станка (без устройства ЧПУ, электрошкафов,
гидростанции), кг………10000
. Масса электрошкафов, устройства ЧПУ и гидростанции, кг…2000
РТК типа МРК50, созданные на базе двухшпиндельного
фронтального токарного станка с ЧПУ мод МР315, предназначены для
многооперационной обработки в патроне заготовок типа коротких тел вращения
(дисков, фланцев, шкивов и т.п.).
Комплекс состоит из (см. лист «Общий вид»): накопителя 1
заготовок магазинного типа, установленного наклонно над шпинделем левой части станка,
которая обслуживается автоматическим манипулятором (автооператором) 3;
магазинного накопителя 4 для обработанных деталей, загрузка которого
осуществляется манипулятором 5, обслуживающим правую часть станка поворотного
устройства 6 для кантования детали, снимаемой манипулятором 3 из патрона
шпинделя 2, а затем передаваемых манипулятором 5 в патрон шпинделя 7 правой
части станка.
Каждая часть станка имеет независимо управляемые крестовые
суппорты 8, перемещающиеся по наклонным направляющим станины. На суппортах
монтируются четырехгранные револьверные головки 9, имеющие 12 позиций для
крепления инструментов. Транспортирование стружки за пределы рабочей зоны
осуществляет конвейер 11, общий для обеих частей станка
Шпиндели приводятся во вращение регулируемыми
электродвигателями 12 постоянного тока. Блоки управления двигателями и
электроавтоматики каждой части станка размещены в электрошкафах 13. Устройства
ЧПУ (поз. 14) типа «Электроника НЦ-31Т» обеспечивают независимое управление
левой и правой частями станка. Работа станка в автоматическом цикле
осуществляется в соответствии с алгоритмом.
После контроля наличия заготовки в накопителе манипулятор 3
загружает ее в патрон левого шпинделя 2. Обработанную в левой части станка
деталь манипулятор 3 переносит из патрона в кантователь 6, который поворачивает
ее на 180°. Манипулятор 5 снимает деталь с кантователя и загружает ее в патрон
шпинделя 7. Обработанную в правой части станка деталь манипулятор 5 снимает из
патрона и загружает в накопитель 4 готовых деталей.
Благодаря разделению рабочих зон левой и правой частей станка
возможна параллельная обработка двух одинаковых или различных изделий при одной
их установке и независимой загрузке шпинделей, а также последовательная
обработка сложных деталей с одной стороны за два установа (при отключении
привода поворота кантоватепя).
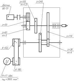
Кинематическая схема механизма привода главного движения в
левой и правой частях станка включает в себя двухваловую шпиндельную коробку,
которая клиноременной передачей связана с валом электродвигателя постоянного
тока, обеспечивающего бесступенчатое регулирование в диапазоне от 100 до 2000
мин-1. Переключение диапазонов 1, 2 и 3 шпиндельной коробки
осуществляется автоматически от трехпозиционных гидроцилиндров через зубчатый
сектор и рейку на подвижный блок шестерен Z=23, 48 и 35.
Движение подачи - продольной (ось Z) или поперечной (ось X) -
осуществляется от высокомоментного электродвигателя через зубчатую ременную
передачу на шариковый винт.
Контроль положений механизмов манипулятора и поворотного
устройства, а также механизмов переключения диапазонов частот вращения шпинделя
и зажима патрона станка осуществляется при помощи конечных выключателей.
Шпиндельная коробка станка имеет два исполнения - левое и
правое.
В шпиндельной коробке расположены зубчатые механизмы привода
главного движения с устройством автоматического переключения диапазонов частот
вращения и шпиндельный узел станка
Электродвигатели главного привода установлены на отдельной
подставке с задней стороны станка вместе с электрошкафами управления.
Датчик резьбонарезания типа ВЕ1782 приводится во вращение от
шпинделя через ременную передачу 244/244. Импульсные сигналы датчика,
поступающие в устройство ЧПУ, характеризуют угол поворота и частоту вращения
шпинделя. Поэтому при задании шага резьбы они определяют соответствующую
подачу.
На станке установлены левый и правый крестовые суппорты,
отличающиеся друг от друга зеркальным расположением конструктивных элементов.
1.2 Разработка типовой детали.
В целях экономического использования станка, для станков
токарной группы принимают:
Типовая деталь показана на листе «Технология обработки типовой
детали».
1.3 Выбор электродвигателя
Двигатель для проектируемого привода выбираем на основе
разработанных режимов резания по максимальной мощности, моменту, максимальным и
минимальным оборотам.
Выбираем двигатель 4ПФ 180S с параметрами:
1.4 Выбор структуры привода
Выбираем неразделенный привод, отличающийся экономичностью и
компактностью, по сравнению с разделенным приводом.
2. Кинематический расчет главного привода
Определение диапазона регулирования привода:
Диапазон регулирования двигателя:
Расчетный диапазон регулирования:
где
Диапазон регулирования коробки скоростей:
Число ступеней:
принимаем
Знаменатель коробки скоростей:
Общее понижающее передаточное отношение:
Определение передаточных отношений:
Принимаем
,
тогда
Кинематическая схема привода
График частот вращения
Графики частот вращения, мощности и моментов, а также
кинематическая схема показаны на листе «Кинематическая схема. Механизм
переключения скоростей».
Вывод из графика мощности и моментов: указанные в
технических характеристиках станка значения мощности и момента относятся
только к одной частоте вращения двигателя главного привода - номинальной. На
частотах вращения ниже номинальной мощность пропорциональна частоте
вращения при постоянном крутящем моменте. На частотах вращения выше
номинальной мощность постоянна, а крутящий момент уменьшается
пропорционально частоте вращения.
3. Расчет элементов коробки скоростей
.1 Исходные данные
Частоты вращения валов:
Мощности на валах:
Крутящие моменты на валах:
Определение диаметра вала:
|
№ вала
|
  
|
|
|
|
|
0
|
17
|
500
|
325
|
-
|
|
1
|
16
|
200
|
764
|
60
|
|
2
|
15,5
|
63
315
|
2350
470
|
-
|
3.2 Проектировочные расчеты зубчатых передач
Проектировочный расчет цилиндрической прямозубой передачи
.
Выбор материала и определение допускаемых напряжений
Принимаем для обоих колес одинаковый материал - сталь 40ХН, закалка
ТВЧ сквозная с охватом дна впадин,
, твердость 260…300 НВ. В расчете будем использовать среднюю
твердость 280 НВ.
- базовый предел выносливости при изгибе в зависимости от
химико-термической обработки;
- базовый предел контактной выносливости в зависимости от
химико-термической обработки;
Допускаемые напряжения изгиба шестерни и колеса:
где
- коэффициент запаса при изгибе;
- коэффициент, учитывающий влияние двустороннего приложения
нагрузки;
- коэффициент, учитывающий шероховатость переходной поверхности;
- коэффициент, учитывающий влияние шлифования переходной
поверхности зубьев в зависимости от способа химико-термической обработки;
- коэффициент, учитывающий влияние деформационного упрочнения
переходной поверхности;
- коэффициент, учитывающий способ получения заготовки зубчатого
колеса;
- коэффициент долговечности;
Допускаемые контактные напряжения шестерни и колеса:
где
- коэффициент, учитывающий шероховатость сопряженных
поверхностей;
- коэффициент, учитывающий влияние скорости;
- коэффициент запаса прочности;
- коэффициент долговечности;
Определение модуля исходя из изгибной прочности.
где
- коэффициент формы зуба шестерни;
- коэффициент ширины колеса;
- коэффициент, учитывающий неравномерность распределения нагрузки
по длине контактной линии;
Определение модуля исходя из контактной прочности.
где
- коэффициент, учитывающий материал и вид передачи;
- коэффициент ширины колеса;
- коэффициент, учитывающий неравномерность распределения нагрузки
по длине контактной линии;
Принимаем стандартный модуль
Межосевое расстояние:
Проектировочный расчет цилиндрической прямозубой передачи
Выбор материала и определение допускаемых напряжений
Принимаем для обоих колес одинаковый материал - сталь 40ХН,
закалка ТВЧ сквозная с охватом дна впадин,
, твердость 260…300 НВ. В расчете будем использовать среднюю
твердость 280 НВ.
- базовый предел выносливости при изгибе в зависимости от химико-термической
обработки;
- базовый предел контактной выносливости в зависимости от
химико-термической обработки;
Допускаемые напряжения изгиба шестерни и колеса:
где
- коэффициент запаса при изгибе;
- коэффициент, учитывающий влияние двустороннего приложения
нагрузки;
- коэффициент, учитывающий шероховатость переходной поверхности;
- коэффициент, учитывающий влияние шлифования переходной
поверхности зубьев в зависимости от способа химико-термической обработки;
- коэффициент, учитывающий влияние деформационного упрочнения
переходной поверхности;
- коэффициент, учитывающий способ получения заготовки зубчатого
колеса;
- коэффициент долговечности;
Допускаемые контактные напряжения шестерни и колеса:
где
- коэффициент, учитывающий шероховатость сопряженных
поверхностей;
- коэффициент, учитывающий влияние скорости;
- коэффициент запаса прочности;
- коэффициент долговечности;
Определение модуля исходя из изгибной прочности.
где
- коэффициент формы зуба шестерни;
- коэффициент ширины колеса;
- коэффициент, учитывающий неравномерность распределения нагрузки
по длине контактной линии;
Определение модуля исходя из контактной прочности.
где
- коэффициент, учитывающий материал и вид передачи;
- коэффициент ширины колеса;
- коэффициент, учитывающий неравномерность распределения нагрузки
по длине контактной линии;
Принимаем стандартный модуль
Определение геометрии зацеплений.
Диаметры начальных окружностей:
Диаметры окружностей выступов:
Диаметры окружностей впадин:
|
z
|
m(мм)
|
а(мм)
|
  
|
|
|
|
|
|
36
|
4
|
300
|
144
|
152
|
134
|
40
|
|
|
114
|
|
|
456
|
464
|
446
|
|
|
|
245
|
1,5
|
300
|
367,5
|
370,5
|
363,75
|
40
|
|
|
155
|
|
|
232,5
|
235,5
|
228,75
|
|
|
Силы, действующие в зацеплении зубчатых передач:
.3 Проверочные расчеты зубчатых передач
Проверочный расчет прямозубой цилиндрической передачи
.
Проверка на изгибную прочность.
где
- ширина колеса;
- окружное усилие в зацеплении;
- коэффициент, учитывающий форму зуба шестерни;
- коэффициенты, учитывающие перекрытие зубьев и наклон линии
зуба;
- коэффициент, учитывающий распределение нагрузки между зубьями;
- коэффициент, учитывающий неравномерность распределения нагрузки
по длине контактной линии;
- коэффициент, учитывающий динамическую нагрузку в зацеплении;
- динамическая нагрузка в зацеплении;
- коэффициент, учитывающий влияние вида зубьев и модификации
профиля их головок;
- коэффициент, учитывающий влияние разности основных шагов в
зацеплении;
Проверка на контактную прочность.
где
- коэффициент, учитывающий механические свойства материалов
шестерни и колеса;
- коэффициент, учитывающий форму сопряженных поверхностей;
- коэффициент торцевого перекрытия;
- коэффициент, учитывающий суммарную длину контактных линий;
- коэффициент, учитывающий распределение нагрузки между зубьями;
- коэффициент, учитывающий неравномерность распределения нагрузки
по длине контактной линии;
- коэффициент, учитывающий динамическую нагрузку в зацеплении;
- динамическая нагрузка в зацеплении;
- коэффициент, учитывающий влияние вида зубьев и модификации
профиля их головок;
- коэффициент, учитывающий влияние разности основных шагов в
зацеплении;
Проверочный расчет прямозубой цилиндрической передачи
.
Проверка на изгибную прочность.
где
- коэффициент, учитывающий форму зуба шестерни;
- коэффициенты, учитывающие перекрытие зубьев и наклон линии зуба;
- коэффициент, учитывающий распределение нагрузки между зубьями;
- коэффициент, учитывающий неравномерность распределения нагрузки
по длине контактной линии;
- коэффициент, учитывающий динамическую нагрузку в зацеплении;
- динамическая нагрузка в зацеплении;
- коэффициент, учитывающий влияние вида зубьев и модификации
профиля их головок;
- коэффициент, учитывающий влияние разности основных шагов в
зацеплении;
Проверка на контактную прочность.
где
- коэффициент, учитывающий механические свойства материалов
шестерни и колеса;
- коэффициент, учитывающий форму сопряженных поверхностей;
- коэффициент торцевого перекрытия;
- коэффициент, учитывающий суммарную длину контактных линий;
- коэффициент, учитывающий распределение нагрузки между зубьями;
- коэффициент, учитывающий неравномерность распределения нагрузки
по длине контактной линии;
- коэффициент, учитывающий динамическую нагрузку в зацеплении;
- динамическая нагрузка в зацеплении;
- коэффициент, учитывающий влияние вида зубьев и модификации
профиля их головок;
- коэффициент, учитывающий влияние разности основных шагов в
зацеплении;
.4 Расчет передачи с поликлиновым ремнем
- мощность на ведущем валу;
- частота вращения ведущего вала;
- передаточное число.
При
рекомендуемое сечение поликлинового ремня
М по ТУ-38-105763 с характеристиками:
Диаметр ведущего шкива принимаем:
Расчетный диаметр ведомого шкива:
Принимаем стандартное значение:
.
Фактическая частота вращения ведомого вала:
Скорость ремня:
Окружная сила:
Длина ремня:
Принимаем стандартную длину ремня:
Окончательное межосевое расстояние:
где
Коэффициент режима:
Угол обхвата на малом шкиве:
Коэффициент угла обхвата:
Коэффициент, учитывающий влияние скорости ремня:
Коэффициент, учитывающий влияние диаметра ведущего шкива:
Коэффициент, учитывающий длину ремня:
Частота пробегов ремня:
Эквивалентный диаметр ведущего шкива:

Приведенное полезное напряжение:
Допускаемое полезное напряжение:
Число ребер поликлинового ремня:
Принимаем
Размеры профиля канавок на шкивах:
Наружный диаметр шкивов:
где
- толщина плоской части ремня
Внутренний диаметр шкивов:
Ширина ремня:
Ширина шкива:
Рабочий коэффициент тяги:
Площадь сечения ремней:
Натяжение от центробежных сил:
Натяжение ветвей при работе:
Натяжение ветвей в покое:
Силы, действующие на валы при работе:
Силы, действующие на валы в покое:
.5 Расчет подшипников
Определение реакций в опорах вала.
Результирующие реакции в опорах при различных режимах.
Эквивалентная нагрузка при различных режимах.
где
- коэффициент безопасности;
- температурный коэффициент.
Приведенная эквивалентная нагрузка.
В опоре «А» установлены два шариковых радиальных однорядных
подшипника №310:
.
Динамическая и статическая грузоподъемность пары:
Ресурс работы:
Ресурс работы подшипников опоры «А» обеспечен.
В опоре «В» установлен роликовый радиальный однорядный подшипник
№32310А:
Ресурс работы:
Ресурс работы подшипников опоры «В» обеспечен.
.6 Расчет вала
В качестве материала быстроходного вала принимаем сталь 45 с
характеристиками:
Определение действующих моментов.
II I II I
Сечения I и II соответствуют зацеплениям:
Наибольший изгибающий момент действует в сечении I, где:
Геометрические характеристики опасного сечения вала.
Осевой и полярный моменты сопротивления для вала с призматической
шпонкой:
где
Напряжения в расчетном сечении I первого вала.
Напряжения изгиба:
Напряжения при кручении:
Проверочный расчет вала на статическую прочность.
Эквивалентное максимальное напряжение:
Запас прочности по пределу текучести:
где
Статическая прочность быстроходного вала обеспечена.
Проверочный расчет вала на сопротивление усталости.
Приведенные коэффициенты концентрации напряжений:
С учетом влияния призматической шпонки:
С учетом влияния посадки:
где
- коэффициент, учитывающий влияние поверхностного упрочнения;
- эффективные коэффициенты напряжений;
- коэффициенты влияния абсолютных размеров поперечного сечения;
- коэффициент влияния шероховатости поверхности.
При посадке типа
:
В дальнейшем расчете принимаем:
Коэффициенты запаса по нормальным и касательным напряжениям:
где
Коэффициент запаса по условию сопротивления усталости:
где
Усталостная прочность вала обеспечена.
.7 Расчет шпоночных соединений
Материал шпонок - сталь 45:
Сегментная шпонка
.
Проверка на смятие боковой поверхности:
- условие выполнено.
Проверка на срез по поперечному сечению:
- условие выполнено.
Призматическая шпонка
.
Проверка на смятие боковой поверхности:
- условие выполнено.
Проверка на срез по поперечному сечению:
- условие выполнено.
Призматическая шпонка
.
Проверка на смятие боковой поверхности:
- условие выполнено.
Проверка на срез по поперечному сечению:
- условие выполнено.
4. Расчет шпиндельного узла
Шпиндельные узлы предназначены для осуществления точного вращения
инструмента или обрабатываемой заготовки. Точность и качество обработанной
поверхности, возможность использования мощности главного привода
непосредственно связаны с эксплуатационными параметрами шпиндельного узла, и
его конструкция играет решающую роль в работоспособности станка в целом.
Выбор переднего конца шпинделя и опор качения проводился с помощью
программного средства «SPINDL».
4.1 Выбор переднего конца шпинделя
|
D
|
D1
|
D2
|
D3
|
Конус
|
d1
|
d2
|
d3
|
B
|
l
|
H
|
h
|
|
290
|
196,869
|
235,0
|
95
|
100
|
28
|
M10
|
36
|
35
|
18
|
8
|
12
|
4.2 Выбор опор качения
Шпиндельные подшипники отличаются от обычных высокой
точностью, жесткостью, низким тепловыделением и оказывают решающее влияние на
работу шпиндельного узла.
|
Диаметр
шпинделя под передней опорой, мм
|
160
|
|
Диаметр
шпинделя под задней опорой, мм
|
130
|
|
Максимальная
частота вращения, об/мин
|
2500
|
Расчетная быстроходность 400000 мм/мин.
Опоры выбираем по быстроходности и по виду опор
станка-аналога:
Передняя опора
Упорно-радиальный подшипник (178832) работает в паре с
радиальным (3182132) и воспринимает осевую нагрузку в двух направлениях.
Быстроходность подшипника выше, чем у упорного подшипника примерно в 1,5 - 2
раза, а тепловыделения - меньше. Требуемый натяг выдерживается за счет толщины
кольца.
Задняя опора
станок деталь резание привод
Двухрядный роликовый подшипник (3182126) с короткими
цилиндрическими роликами. Внутреннее кольцо подшипника устанавливается на
коническую (конусность 1:12) шейку шпинделя, благодаря чему при осевом
перемещении кольца происходит его деформирование и регулирование натяга.
Подшипник отличается высокой жесткостью и виброустойчивостью. Величина натяга
устанавливается за счет подшлифовки компенсатора (который также исключает
перекос внутреннего кольца подшипника) и подтягиванием гайки.
Исходные данные расчета
|
Количество
узловых точек
|
11
|
|
Количество
стержней
|
10
|
|
Количество
пружин
|
3
|
|
Количество
сосредот. масс
|
3
|
Соединение и параметры стержневых элементов
|
N»
|
Нач. узел
|
Кон. узел
|
Наружный
диаметр [мм]
|
Внутренний
диаметр [мм]
|
Длина [мм]
|
|
1 2
3 4 5 6 7 8 9 10
|
1 2
3 4 5 6 7 8 9 10
|
2 3
4 5 6 7 8 9 10 11
|
315
280 160 160 150 150 150 150
134 115
|
0 90
90 90 90 90 90 90 90 90
|
62,5 129 78 43 28 180 2 46 96 170
|
Соединения и параметры пружинных элементов
|
N»
|
Нач. узел
|
Кон. узел
|
Жестк. осевая [даН/мкм]
|
Жестк. радиал. [даН/мкм]
|
Жестк. угловая
[даН*м/рад]
|
Коэф.рас. энергии
|
|
1 2
3
|
3 4
10
|
0 0
0
|
212
212 0
|
225
0 194
|
0
1,06E+6 0
|
0,4
0,3 0,4
|
Инерционные характеристики
|
N»
|
Узел
|
Масса [кг]
|
Момент инерции [кг*м**2]
|
|
1 2 3
|
1 6 7
|
66,3 43,76 7,81
|
0,79200 1,35930
0,07982
|
Координаты точек
|
Узел N»
|
Координата по
оси X [мм]
|
Узел N»
|
Координата по
оси X [мм]
|
|
1 2 3 4 5 6
|
0 62,5 191,5
269,5 312,5 340,5
|
7 8 9 10 11
|
520,5 540,5
586,5 682,5 852,5
|
Патрон механизированный токарный трехкулачковый (масса 1):
- масса патрона;
- длина патрона;
- диаметр патрона.
- момент инерции относительно оси X;
- момент инерции относительно оси Y;
- момент инерции относительно оси Z;
Цилиндрическое зубчатое колесо
(масса 2):
- момент инерции относительно оси X;
- момент инерции относительно оси Y;
- момент инерции относительно оси Z;
- масса колеса.
Цилиндрическое зубчатое колесо
(масса 3):
- момент инерции относительно оси X;
- момент инерции относительно оси Y;
- момент инерции относительно оси Z;
- масса колеса.
Результаты статического расчета.
Деформации в узловых точках
|
N»
|
X [мкм]
|
Y [мкм]
|
Z [мкм]
|
FI(z)
[рад]
|
FI(y)
[рад]
|
|
1 2
3 4 5 6 7 8 9 10 11
|
0 0
0 0 0 0 0 0 0 0 0
|
0 0
0 0 0 0 0 0 0 0 0
|
0,178E-1
0,144E-1 0,577E-2 0,157E-2 -0,764E-4 -0,944E-3 -0,294E-2 -0,288E-2 -0,260E-2
-0,154E-2 0,643E-3
|
0 0
0 0 0 0 0 0 0 0 0
|
0,684E-7
0,682Е-7 0,656Е-7 0,425Е-7 0,343Е-7 0,277Е-7 -0,204Е-8 -0,404Е-8 -0,763Е-8 -0,128Е-7 -0,128Е-7
|
Реакции в пружинах
|
N»
|
RX [даН]
|
RY [даН]
|
RZ [даН]
|
MZ [даН]
|
MY [даН]
|
|
1 2
3
|
0 0
0
|
0 0
0
|
-1,3 0 0,298
|
0 0
0
|
0 -0,451E-1 0
|
Результаты динамического расчета.
Формы колебаний
|
Соб. част. [Гц]
|
323,80
|
642,80
|
|
Коэф. демпф.
|
0,0165
|
0,0199
|
|
Узел N»
|
X
|
Z
|
FI(Y)
|
X
|
Z
|
FI(Y)
|
|
1 2 3 4 5 6 7 8 9 10 11
|
0 0 0 0 0 0 0 0 0 0 0
|
2,77 2,14 0,84 0,21 -0,05 -0,19 -0,51 -0,50 -0,45 -0,25 0,16
|
0,1 0,1 0,1
0,07 0,05 0,05 0 -0,01 -0,01 -0,02 -0,02
|
0 0 0 0 0 0 0 0
0 0 0
|
0,14 0,71 1,88
2,56 2,88 3,05 2,76 2,59 2,13 0,87 -1,58
|
-0,09 -0,09
-0,09 -0,08 -0,07 -0,05 0,08 0,09 0,11 0,14 0,15
|
Баланс демпфирования по элементам
|
Соб.
част./демпф.
|
N элемента
|
[%]
|
|
323.8
0.0165
|
1 2
3 4 5 6 7 8 9 10 11 12 13
|
0 0,12 1,42 0,31 0,22 1,15 0,05 0,07 0,06
0,00 74,82 16,02 5,76
|
|
642,8 0,0199
|
1 2 3 4 5 6 7 8
9 10 11 12 13
|
0 0 0,05 0,06
0,12 1,66 0,1 0,15 0,13 0 78,34 4,85 14,53
|
|
НОМЕР УЗЛА
ПРИЛОЖЕНИЯ НАГР.=1 НОМЕР УЗЛА ОПР. ПЕРЕМЕЩЕНИЯ=1 КООРДИНАТА (X-1, Y-2, Z-3)=3
|
|
N»
|
Частота
|
Податливость
|
N»
|
Частота
|
Податливость
|
N»
|
Частота
|
Податливость
|
|
1 2 3 4 5 6 7 8
9 10 11 12 13 14 15 16 17 18 19 20 21 22 23 24 25 26 27 28 29
|
0 15.0 30.0
45.0 60.0 75.0 90.0 105.0 120.0 135.0 150.0 165.0 180.0 195.0 210.0 225.0
240.0 255.0 270.0 285.0 300.0 315.0 317.0 319.0 321.0 323.0 325.0 327.0 329.0
|
18669E-01
18709E-01 18830E-01 19330E-01 19330E-01 19723E-01 20226E-01 20854E-01
21629E-01 22580E-01 23748E-01 25188E-01 26979E-01 29241E-01 32152E-01
36002E-01 41286E-01 48928E-01 60865E-01 81945E-01 12845 29761 35328 42407 50304 55880
54807 47956 39915
|
30 31 32 33 34
35 36 37 38 39 40 41 42 43 44 45 46 47 48 49 50 51 52 53 54 55 56 57 58
|
331.0 346.0
361.0 376.0 391.0 406.0 421.0 436.0 451.0 466.0 481.0 496.0 511.0 526.0 541.0
556.0 571.0 586.0 601.0 612.0 616.0 620.0 624.0 628.0 632.0 636.0 640.0 644.0
645.0
|
33093
12721 75614E-01 52985E-01 40363E-01 32338E-01 26799E-01 22753E-01 19673E-01
17254E-01 15306E-01 13705E-01 12369E-01 11236E-01 10265E-01 94220E-02
86836E-02 80290E-02 74408E-02 70416E-02 69018E-02 67648E-02 66317E-02 65054E-02 63932E-02 63093E-02
62677E-02 62548E-02 62507E-02
|
59 60 61 62 63
64 65 66 67 68 69 70 71 72 73 74 75 76 77 78 79 80 81 82 83 84 85 86 87
|
648.0 651.0
654.0 669.0 684.0 699.0 714.0 729.0 744.0 759.0 774.0 789.0 804.0 819.0 834.0
849.0 864.0 879.0 894.0 909.0 924.0 939.0 954.0 969.0 984.0 999.0 1014.0
1014.0 1014.0
|
62257E-02
61784E-02 61136E-02 57263E-02 53721E-02 50596E-02 47790E-02 45241E-02
42907E-02 40760E-02 38776E-02 36936E-02 35225E-02 33629E-02 32136E-02
30737E-02 29422E-02 28183E-02 27014E-02 25908E-02 24858E-02 23860E-02 22908E-02 21997E-02
21122E-02 20280E-02 19464E-02 19464E-02 19464E-02
|
4.4 Расчет статической жесткости
На жесткость рассчитывают шпиндельные узлы всех типов. При
этом определяют упругое перемещение шпинделя в сечении его переднего конца, для
которого производится стандартная проверка шпиндельного узла на жесткость. Это
перемещение принимают в качестве упругого перемещения переднего конца шпинделя.
В перемещении учитывают только деформации тела шпинделя и его
опор. Собственные деформации обрабатываемой детали, режущего инструмента,
конического или другого соединения инструмента со шпинделем определяют
дополнительными расчетами, не относящимися к расчету шпиндельного узла на
жесткость.
Статическая жесткость определяется по радиальному
и осевому смещениям конца шпинделя под
действием силы F. При этом суммарная деформация
складывается из собственной деформации
шпинделя и деформации
опор.
4.5 Расчет на точность
Подшипники выбирают примерно в три раза точнее, чем допустимое
биение шпинделя.
В первом приближении радиальное биение
определяется из простых геометрических
соотношений, учитывающих погрешности
передней и задней опор и размеры шпинделя:
При
4.6 Энергетические потери и нагрев опор
Энергетические потери характеризуются моментом трения и мощностью
холостого хода и учитываются при выборе опор и назначении мощности привода.
- момент холостого хода (при
),
где
- средний диаметр подшипника;
- кинематическая вязкость масла;
- частота вращения;
- коэффициент, зависящий от типа подшипника и смазки;
Нагревание опор приводит к изменению натяга в подшипниках
(снижается работоспособность), к смещению
конца шпинделя (влияет на точность). Избыточная температура
зависит в основном от типа подшипника и величины натяга в нем и способа
смазывания.
- средняя установившаяся избыточная температура от внутренних
источников,
где
- теплота от механических потерь на трение от подшипников
качания;
- коэффициент теплоотдачи шпиндельной бабки;
- поверхность охлаждения корпуса;
- коэффициент, учитывающий отвод тепла в станину (стойку).
5. Автоматическая поворотная резцедержавка
На листе «Автоматическая поворотная резцедержавка» приведены общий
вид и основные разрезы 12-позиционной револьверной головки.
От встроенного в корпус 1 электродвигателя 2 вращение через
зубчатые колеса 3 и 4 передается на вал 5, а с него через зубчатую пару 6 и 7 -
на вал-шестерню 8. Вал-шестерня 8 через промежуточные зубчатые колеса 9 и 10
зацепляется с венцом 11, имеющим внутреннюю зубчатую нарезку. Относительно
корпуса / зубчатый венец 11 может вращаться на шарикоподшипниках 12. При
повороте зубчатого венца 11 на угол 80° упор 13, входящий в фигурный паз на
наружной поверхности венца, смещает вниз зубчатую полумуфту 14, которая жестко
прикреплена к его нижнему торцу. При сцеплении трапецеидальных кулачков
полумуфт 14 и 15 упор 16 наклонной плоскостью зуба входит в отверстие в
неподвижном корпусе 1. Наружный корпус револьверной головки 17 при этом
поднимается под действием пружин 18: происходит расцепление плоской зубчатой
полумуфты 19 на нижнем торце головки с полумуфтой на основании 20 и расфиксация
головки.
Конечный микровыключатель 21 дает при этом команду на поворот
револьверной головки 17. При прохождении заданного углового положения (перебеге
на 3…5°) срабатывает соответствующий микровыключатель 22, который дает команду
на реверс электродвигателя 2: поворотная часть револьверной головки 17 движется
в обратную сторону до упора 16. После остановки корпуса револьверной головки 17
зубчатый венец 11 продолжает вращение на угол 80°. Кулачки полумуфт 14 и 15
находят друг на друга, опуская корпус револьверной головки до фиксации ее
плоской зубчатой полумуфтой 19 относительно основания 20. Микровыключатель 21
при этом дает команду на останов электродвигателя 2.
Список литературы
1.
Альбом станочного оборудования и автоматизированных производств. Кинематические
схемы, конструкции, компоновки станков, станочных модулей и станочных
комплексов, в 2-х частях. - М.: ВНИИТЭМР, 1991 г.
.
Анурьев В.И. Справочник конструктора-машиностроителя, изд. 8-е в 3-х т. - М.:
Машиностроение, 2001 г.
.
Бушуев В.В. Основы конструирования станков. - М.: Издательство «Станкин», 1992
г.
.
Жуков К.П., Гуревич Ю.Е. Расчеты деталей машин: Учеб. пособие для студентов
машиностроит. специальностей вузов, изд. 2-е - М.: Издательство «Станкин», 2003
г.
5.
Краткий справочник металлиста / Под общ. ред. П.Н. Орлова и Е.А. Скороходова. -
3-е изд., перераб. и доп. - М.: Машиностроение, 1986 г.
.
Модзелевский А.А., Мущинкин А.А. Токарные станки. - М.: Машиностроение, 1973 г.
7. Подшипники качения:
Справочник-каталог/О.Н. Черменского и Н.Н. Федотова - М.: Машиностроение, 2003
г.
8.
Пуш В.Э. Металлорежущие станки. - М.: Машиностроение, 1986 г.
9.
Решетов Д.Н. Детали машин, изд. 4-е - М.: Машиностроение, 1989 г.
10.
Роботизированные технологические комплексы и гибкие производственные системы в
машиностроении / Под ред. Ю.М. Соломенцева. - М.: Машиностроение, 1989 г.
11.
Справочник технолога-машиностроителя / Под ред. А.Г. Косиловой и Р.К.
Мещерякова в 2-х т. - 4-е изд., перераб. и доп. - М.: Машиностроение, 1985 г.
.
Станочное оборудование автоматизированного производства / Под ред. В.В. Бушуева
в 2-х т. - М.: Издательство «Станкин», 1993 г.