Проектирование шлифовальных операций по обработке поверхностей деталей
Содержание
1. Проектирование внутришлифовальной операции
2. Проектирование хонинговальной операции
3. Проектирование шлифовальной операции
4. Проектирование операции суперфиниширования
1. Проектирование внутришлифовальной операции
Операция 70 внутришлифовальная
Рисунок 1 - схема обработки на внутришлифовальной операции.
1. Параметры обрабатываемой поверхности:
Ø17.96 H6, Ra 0,63, L=46.
Z=0.3 мм; t=0.019 мм.
. Определение вида шлифования и цикла обработки.
Обработку будем вести на внутришлифовальном станке СШ162.
Выполняем шлифование с продольной подачей. В качестве инструмента выбираем круг
ПП 17x15x6 25А20ПС14К1А 18 м/с 2кл. [2, с.250]
Рисунок 2 - геометрия шлифовального круга.
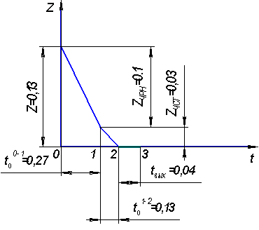
Так как выполняем окончательное шлифование, обработку будем
вести по полному циклу [1, c.11].
Рисунок 3 - полный цикл шлифования.
3. Определяем скорость круговой подачи заготовки.
[1, с.22].
4. Определяем частоту вращения заготовки.
В соответствии с паспортом станка выбираем ближайшие станочные
обороты.
. [2, c.35, т. 20].
Тогда
5. Определяем окружную скорость шлифовального круга.
Принятое оборудование обеспечивает частоту вращения
шлифовального круга
[2, c.35, т. 20].
Тогда
6. Определение продольной подачи:
Принимаем ближайшее значение продольной подачи (скорость движения
стола) в соответствии с паспортом станка:
[2, c.35, т. 20].
7. Величина рабочего хода стола L=33 (см. рис.1).
8. Определяем поперечную подачу (глубину шлифования) на
один ход стола:
[1, с.22]
9. Определяем число одинарных и двойных ходов стола в
минуту:
[1, с.22]
10. Определение основного времени:
[1, с.22]
11. Определение эффективной мощности шлифования:
ледовательно, операция на данном оборудовании выполнима.
12. Выполним проверку энергетических режимов шлифования
на условие бесприжоговости.
Определим удельную мощность, приходящуюся на 1 мм активного
участка.
Сопоставим полученную величину с допустимой по условиям
бесприжеговости
Здесь
для круга твердостью С1. [1, с.22].
Условие бесприжоговости выполняется.
шлифовальная операция поверхность деталь
2.
Проектирование хонинговальной операции
Операция 75 Хонинговальная
Рисунок 4 - схема обработки на хонинговальной операции.
1. Параметры обрабатываемой поверхности:
Ø20 H7, Ra 0,63, L=44.
. Припуск на хонингование принимаем 2z=0.04 в соответствии со
справочными данными. [1, с.29, т.9]
Назначаем припуски на черновую и чистовую обработку:
Выбор оборудования: используем станок 3821
3. В соответствии со справочными данными назначаем
состав, размеры и число брусков хонинговальной головки.
Материал зерна - 63 С, зернистость - М 40, твердость - С1,
связка - керамическая. [2, с.432, т.73].
Определяем длину бруска длину рабочего хода:
Рисунок 5 - схема обработки на хонинговальной операции.
[2, с.433]
Определим режущий диаметр, как:
Исходя из полученного значения
, назначаем ширину бруска B=10 (мм).
4. Назначаем скорость прямолинейного движения и
окружную скорость вращения.
Vпр=5 (м/мин).
Соотношение скорости прямолинейного движения и скорости
вращения определяется следующим образом:
Для черновой обработки К=3, для чистовой - К=7. [2, с.436, т.74].
5. Назначаем поперечную подачу:
6. Определяем число двойных ходов:
7. Определим основное время:
8. Треугольники скоростей для черновой и чистовой
обработки имеют вид:
Рисунок 6 - треугольники скоростей для черновой и чистовой
обработки.
3.
Проектирование шлифовальной операции
Операция 80 шлифовальная
Рисунок 7 - схема обработки на шлифовальной операции.
. Параметры обрабатываемой поверхности. Ø34.6 h8; Rz 6.4; L=42. 2Z=0.5 мм.
2. Определение вида шлифования и цикла обработки.
Обработку будем вести на круглошлифовальном станке модели 3151.
Так как
мм, а максимально возможная высота круга B=100 мм, будем выполнять врезное шлифование периферией
круга. В качестве инструмента используем круг ПП 500x60x250 15А40ПСМ25К7A 35м/с 2кл. [2, с.250]
Рисунок 8 - геометрия шлифовального круга.
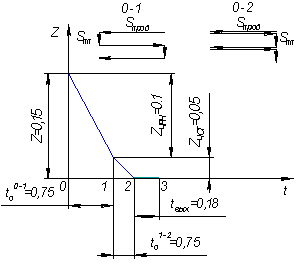
Так как выполняем предварительное шлифование, обработку будем
вести по бездоводочному циклу. [1, с.11]
Рисунок 10 - цикл без доводочного шлифования.
3. Определяем скорость круговой подачи заготовки.
4. ф
[1, с.22].
5. Определяем частоту вращения заготовки.
В соответствии с паспортом станка выбираем ближайшие станочные
обороты.
. [1, c.18]
Тогда
6. Определяем окружную скорость шлифовального круга.
Принятое оборудование обеспечивает частоту вращения
шлифовального круга
[1, c.18]
Тогда
7. Определение радиальной подачи.
Учитывая принятый цикл обработки, определяем радиальную
подачу на участках цикла 0-1 и 0-2.
[1, c.22]
8. Определяем основное время:
9. Определим потребную мощность станка на каждом из
участков цикла.
Таким образом, операция на выбранном оборудовании выполнима.
10. Выполним проверку энергетических режимов шлифования
на условие бесприжоговости.
Определим удельную мощность, приходящуюся на 1 мм активного
участка.
Сопоставим полученную величину с допустимой по условиям
бесприжеговости
Здесь
для круга твердостью СМ2. [1, с.22].
Условие бесприжоговости выполняется.
Операция 85 шлифовальная
Рисунок 10 - схема обработки на шлифовальной операции.
1. Параметры обрабатываемой поверхности. Ø34.04 h7; Ra 1.6; L=42. 2Z=0.26 мм.
2. Определение вида шлифования и цикла обработки.
Обработку будем вести на круглошлифовальном станке модели 3151.
Так как
мм, а максимально возможная высота круга B=100 мм, будем выполнять врезное шлифование периферией
круга. В качестве инструмента используем круг ПП 500x60x250 24А20ПС15К7А 35 м/с 2кл. [2, с.250]
Рисунок 11 - геометрия шлифовального круга.
Так как выполняем окончательное шлифование, обработку будем вести
по полному циклу. [1, с.11]
Рисунок 12 - полный цикл шлифования.
3. Определяем скорость круговой подачи заготовки.
[1, с.22].
4. Определяем частоту вращения заготовки.
В соответствии с паспортом станка выбираем ближайшие станочные
обороты.
. [1, c.18]
Тогда
5. Определяем окружную скорость шлифовального круга.
Принятое оборудование обеспечивает частоту вращения
шлифовального круга
[1, c.18]
Тогда
6. Определение радиальной подачи.
Учитывая принятый цикл обработки, определяем радиальную
подачу на участках цикла 0-1 и 0-2.
[1, c.22]
7. Определяем основное время:
8. Определим потребную мощность станка на каждом из
участков цикла.
Таким образом, операция на выбранном оборудовании выполнима.
9. Выполним проверку энергетических режимов шлифования
на условие бесприжоговости.
Определим удельную мощность, приходящуюся на 1 мм активного
участка.
Сопоставим полученную величину с допустимой по условиям
бесприжеговости
Здесь
для круга твердостью С1. [1, с.22].
Условие бесприжоговости выполняется.
4.
Проектирование операции суперфиниширования
Операция 90 суперфинишная
Рисунок 13 - схема обработки на суперфинишной операции.
. Параметры обрабатываемой поверхности: Ø34.02 h6; Ra 1.25; L=42.
2. Определим припуск на сторону. Z=20; 2Z=40 мкм. [2, с.438, т.75]
3. Выбор оборудования:
Используем станок Л3-240В - автомат суперфинишный.
. В соответствии со справочными данными назначаем
состав, размеры и число брусков.
Материал зерна - 23 А, зернистость - 5, твердость - С2,
связка - керамическая. [2, с.438, т.75].
Число брусков n=2. L=42 мм. Угол
. Выполним расчет режимов резания.
Амплитуда колебания брусков - 5 мм.
Скорость колебательного движения
[1, с.439].
Соотношение скорости колебания брусков и скорости вращения
заготовки определяется следующим образом:
;
Таким образом,
Давление Р=0.2 (МПа).
6. Определим основное время:
Здесь
Нормирование операций
Таблица 1. Нормирование операций
|
№ оп
|
Наименование
операции
|
       
|
|
|
|
|
|
|
|
|
|
|
|
     
|
|
|
|
|
|
|
|
|
|
|
|
|
|
35
|
Токарная
|
0.95
|
0,23
|
0,1
|
0,16
|
0,91
|
1,86
|
0,11
|
0,057
|
0,167
|
0,23
|
2.25
|
8
|
0,2
|
2.45
|
|
40
|
Сверлильная
|
0, 195
|
0,04
|
0,02
|
0,16
|
0,22
|
0,415
|
0,01
|
0,004
|
0,014
|
0,03
|
0,459
|
4
|
0,1
|
0,559
|
|
45
|
Фрезерная
|
0,35
|
0,04
|
0,06
|
0,03
|
0,24
|
0,59
|
0,05
|
0,01
|
0,06
|
0,05
|
0.7
|
14
|
0,35
|
1,05
|
|
70
|
Внутришли-фовальная
|
0,29
|
0,23
|
0,05
|
0,13
|
0,76
|
1,05
|
0,1
|
0,049
|
0,149
|
0,12
|
1,319
|
7
|
0,175
|
1,494
|
|
75
|
Хонинговальная
|
0,41
|
0,12
|
0,07
|
0,13
|
0,58
|
0,99
|
0,038
|
0,019
|
0,057
|
0,1
|
1.15
|
5
|
0,125
|
1,275
|
|
80
|
Круглошлифо-валь-ная
предв.
|
0,14
|
0,1
|
0,03
|
0,11
|
0,44
|
0,58
|
0,18
|
0,014
|
0, 194
|
0,04
|
0,814
|
7
|
0,175
|
0,989
|
|
85
|
Круглошлифо-вальная
ок.
|
0,28
|
0,1
|
0,03
|
0,11
|
0,44
|
0,72
|
0,18
|
0,015
|
0, 195
|
0,04
|
0,955
|
7
|
0,175
|
1,13
|
|
90
|
Суперфинишная
|
0,53
|
0,1
|
0,01
|
0,13
|
0,44
|
0,97
|
0,028
|
0,023
|
0,051
|
0,11
|
1,13
|
10
|
0,25
|
1,38
|
Расчет норм времени
Выполним описание круглошлифовальной предварительной
операции.
Программа выпуска составляет Nвып=1700 деталей.
Программа запуска.
деталей.
Здесь коэффициенты a, b и с учитывают процент брака, запасные части и детали для
незавершенного производства соответственно.
Количество деталей в партии определим по следующей формуле:
деталей.
Деталь устанавливается в центрах. Закрепление осуществляем
поводковым патроном. Тогда
мин. [2,c.36].
Управление станком заключается во включении и выключении подачи
кнопкой, подвода шлифовального круга. Соответственно:
=0,03мин. [2,c.39]
Контрольные измерения осуществляются скобой двухсторонней.
Точность измерения - IT 6. Измеряемый
размер - Ø34.6 мм.
мин. [2,c.43]
Суммарное вспомогательное время:
мин.
Здесь 1.85 - коэффициент, учитывающий серийность производства.
Данный технологический процесс проектируется для среднесерийного производства.
мин.
Затраты времени на техническое обслуживание рабочего места при
круглошлифовании определяем в процентах от основного времени, в соответствии со
справочными данными.
мин. [2,c.49].
Затраты на организационное обслуживание рабочего места при
круглошлифовании определяем в процентах от основного времени, в соответствии со
справочными данными.
мин. [2,c.50-51].
мин.
Время на отдых и естественные надобности (время нормированных
перерывов) определяем в соответствии со справочными данными:
мин. [2,c.52],
0,814 мин.
Время подготовительно-заключительного времени для
круглошлифовальных станков составляет
мин. [2,c.59]. Общее
подготовительно-заключительное время необходимо разделить на количество деталей
в партии. Получим подготовительно заключительное время, приходящееся на одну
деталь:
мин.
Расчетное время, затрачиваемое на изготовление одной детали
(штучно-калькуляционное время) определяется суммой штучного
подготовительно-заключительного времен:
мин.
Расчет и оптимизация загрузки оборудования
Для каждого станка выполним расчет коэффициента загрузки и
коэффициента использования станка по основному времени.
,
где
- расчетное количество станков,
- принятое количество станков.
,
где
- такт выпуска,
- штучно-калькуляционное время (см. табл.1).
,
где
- действительный фонд времени.
,
где
- календарный фонд времени для
двухсменной работы, к - коэффициент, учитывающий ремонт оборудования.
.
Далее осуществим расчет
для каждой операции. Результаты занесем в таблицу 2.
Таблица 1. Расчет загрузки оборудования
№ Операция Тип оборудов.
Кол-во станков
|
|
|
|
|
|
|
|
|
|
|

|
|
|
|
1
|
Токарная
|
16Б16А
|
0.95
|
2.54
|
0,02
|
1
|
0,02
|
|
2
|
Сверлильная
|
2Н125
|
0, 195
|
0,559
|
0,005
|
1
|
0,005
|
|
3
|
Фрезерная
|
6Р80
|
0,35
|
1,05
|
0,008
|
1
|
0,008
|
|
4
|
Внутришли-фовальная
|
СШ162
|
0,29
|
1,494
|
0,011
|
1
|
0,011
|
|
5
|
Хонинговальная
|
3821
|
0,41
|
1,275
|
0,01
|
1
|
0,01
|
|
6
|
Круглошлифоваль-ная
предв.
|
3151
|
0,14
|
0,989
|
0,007
|
1
|
0,007
|
|
7
|
Круглошлифоваль-ная
ок.
|
3151
|
0,28
|
1,13
|
0,01
|
1
|
0,01
|
|
8
|
Суперфинишная
|
Л3-240В
|
0,53
|
1,38
|
0,01
|
1
|
0,01
|
Используя полученные расчетные данные, построим график
загрузки оборудования:
Рисунок 14 - график загрузки оборудования
Анализ графика загрузки показывает, что есть операции с большим и
малым коэффициентом загрузки. Это объясняется тем, что штучно-калькуляционное
время для различных операций различно. В данном случае наиболее загруженными
являются токарный и внутришлифовальный станки. В ходе оптимизации необходимо
стремиться к тому, чтобы коэффициент загрузки по операциям не превышал
от среднего значения.
Исходя из этих соображений, примем количество токарных станков
равным 2. С учетом проведенной оптимизации, таблица загрузки оборудования
примет вид:
Таблица 2. Расчет загрузки оборудования (с учетом оптимизации)
№ Операция Тип оборудов.
Кол-во станков
|
|
|
|
|
|
|
|
|
|
|

|
|
|
|
1
|
Токарная
|
16Б16А
|
0.95
|
2.54
|
0,02
|
2
|
0,01
|
|
2
|
Сверлильная
|
2Н125
|
0, 195
|
0,559
|
0,005
|
1
|
0,005
|
|
3
|
Фрезерная
|
6Р80
|
0,35
|
1,05
|
0,008
|
1
|
0,008
|
|
4
|
Внутришли-фовальная
|
СШ162
|
0,29
|
1,494
|
0,011
|
1
|
0,011
|
|
5
|
Хонинговальная
|
3821
|
0,41
|
1,275
|
0,01
|
1
|
0,01
|
|
6
|
Круглошлифоваль-ная
предв.
|
3151
|
0,14
|
0,989
|
0,007
|
1
|
0,007
|
|
7
|
Круглошлифоваль-ная
ок.
|
3151
|
0,28
|
1,13
|
0,01
|
1
|
0,01
|
|
8
|
Суперфинишная
|
Л3-240В
|
0,53
|
1,38
|
0,01
|
1
|
0,01
|
Построим график загрузки оборудования с учетом проведенной
оптимизации:
Рисунок 15 - график загрузки оборудования с учетом
оптимизации
Ведомость комплекта документов, подлежащих сдаче в архив
кафедры.
|
№
|
Обозначение
|
Наименование
|
Формат
|
Количество
|
|
1
|
2010. ГАЙДУК.234.01
|
Комплект
технологической документации
|
А4
|
1
|
|
2
|
ХАИ.
204.234.11В.051102.08002096
|
Записка
|
А4
|
1
|