Проектирование планетарного редуктора

  • Вид работы:
    Практическое задание
  • Предмет:
    Другое
  • Язык:
    Русский
    ,
    Формат файла:
    MS Word
    1,19 Мб
  • Опубликовано:
    2012-04-05
Вы можете узнать стоимость помощи в написании студенческой работы.
Помощь в написании работы, которую точно примут!

Проектирование планетарного редуктора

Образовательная автономная некоммерческая организация

Волжский университет им. В.Н.Татищева

Кафедра УКОПС









Расчетно - графическая работа

по дисциплине «Конструирование мехатронных модулей»

Тема: «Проектирование планетарного редуктора»

Вариант: 8

Разработал: ст.гр. ИМ - 417 А.В.Жданов

Руководил: к.т.к. доцент В.В. Волосков







Тольятти 2008

ЗАДАНИЕ

для курсового проектирования по конструированию мехатронных модулей

студенту Жданову А.В. курса 4 группы ИМ - 417

Тема задания: Проектирование планетарного редуктора Вариант: 8

Кинематическая схема

Исходные данные

Рв.в. =2,3кВт


nв.в. = 68 мин


Нагрузка - постоянная


t = 20000 часов










Курсовая работа на указанную тему выполняется в следующем объеме:

I.       Расчетно-пояснительная записка по ГОСТ 2.106-96 форма 9 и 9а:

Задание

Содержание

Введение

1.       Структурная и кинематическая схемы мехатронного модуля

2. Энергетический расчет привода мехатронного модуля при динамических нагрузках

3. Расчет и проектирование преобразователя движения:

1 Кинематический расчет

2 Расчет на прочность основных элементов

3 Расчет упругих деформаций (податливость звеньев)

4 Расчет прочности

5 Расчет надежности

Заключение

Литература

Приложения

II.           Графическая часть:

1. Сборочный чертеж преобразователя движения по ГОСТ 2.301-89 формат А1 или А2

2. Спецификация по ГОСТ 2.108-96 форма 1 и 1а

Дата выдачи задания: «__ »__________ 200 г.

Дата сдачи работы до: « 2___________ » июня         2008 г.

ИЗУЧЕНИЕ И ИССЛЕДОВАНИЕ ТОЧНОСТИ МОНТАЖА ПЛАНЕТАРНОГО РЕДУКТОРА РП-R-i-000

Цель занятия

. Изучить конструкцию и провести экспериментальные исследования точности монтажа планетарной передачи.

 

1. Техническое задание


Определить основные параметры планетарной передачи по исходным данным и кинематической схеме. Расчет выполняется по методике, изложенной в [24] и материалам данного пособия.

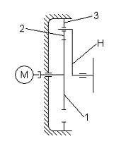
- центральное колесо

- сателлиты

- неподвижное колесо

Н - водило

Рисунок 1 - Планетарная передача

Рвых=3,4 кВт nвых=41 мин-1

 

2. Энерго-кинематический расчет


Момент сопротивления на выходном звене (Н×м) определяют по формуле:

планетарный передача мехатронный модуль


Требуемую мощность электродвигателя (Р, Вт) для ММ вращательного движения определяют:


где    Тн - момент сопротивления на выходном звене ММ, Н×м;

nвых - частота вращения выходного звена ММ, об/мин.

h - коэффициент полезного действия ММ;

Кдин = 1,1...1,3 - коэффициент запаса, учитывающий влияние динамических нагрузок в период разгона и торможения.

Так как электродвигатели одной и той же мощности имеют разные номинальные вращающие моменты Тном, то необходимо определить требуемый момент двигателя (Тдтр, Н×м):


где    i - передаточное отношение преобразователя движения.

По требуемой мощности (Р), моменту (Т) выбирают тип электродвигателя.

1. Расчет редуктора


1.       Определяем передаточное отношение


По ГОСТ 2185-66 ближайшее значение i=18.

3.       Принимаем число сателлитов (из условия уравновешивания сил в зацеплении) nc=3.

4.       Выбираем число зубьев солнечного колеса z1=24.

5.       Определяем число зубьев сателлита [24, формула 5.2]

2=0,5z1(i(3)1H-2)=0.5*18(18-2)=144.

. Проверяем выполнение условия вхождения зубьев в зацепление

[24, формула 5.10]

 - целое число, условие выполнено.

7.       Проверяем выполнение условия соседства [24, формула 5.9]

Условие выполнено.

8.       Определяем число зубьев корончатого колеса из условия соосности [24, формула 5.2]


9.       Выбираем для зубчатых колес сталь 40ХН, улучшенную, средняя твёрдость HB 280 [24, табл. 3.3]; базовое число циклов пермены напряжений [24, таблица. 3.3]

10.     Определяем рабочее число циклов перемены напряжений для солнечного колеса за весь срок службы t=5·30·8=12·103ч по формуле


Здесь = - =750-41=709об/мин.

11.     Так как NH>NH0, то принимаем коэффициент долговечности KHL=1

[пояснение к 24, формуле 3.9].

12.     Определяем межосевое расстояние между солнечным колесом и сателлитом [24, формула 5.15 табл. 5.3]


Входящие в неё величины имеют значения:

а) для передач цилиндрическими примозубыми колесами Ka=49,5;

б) передаточное отношение


в) вращающий момент, Н*мм


г) коэффициент концентрации наргрузки [24, табл. 3.1] КНß=1,2;

д) расчётное число сателлитов nc’=nc - 0,7=3 - 0,7=2,3;

е) допускаемое контактное напряжение [24, формула 3,9]


Здесь  предельное значение контактной выносливости; [24, таблица. 3.2 ]


Коэффициент долговечности КHL= 1

Коэффициент безопасности [SH] = 1,1÷1,2 для колес из улучшенной стали, принимаем среднее значение [SH] = 1,15.

Коэффициент ширины сателлита принимаем ψba=0,5.

После подстановки приведённых величин [24, формула 5,15] имеем

13.     Определяем модуль зацепления на основании [24, формула 3,14]


Ближайшее значение m=3

14.     Определяем диаметры делительных окружностей колес и ширину, мм


15.     Выполняем проверочный расчёт зубьев на изгиб [24, формула 5,21 таблица. 5,3]. Последовательность расчёта сходна с изложено выше. Значения коэффициентов определяют по ГОСТ21354-75.

Не воспроизводя всех выкладок, приводим результат:

Расчётное напряжение изгиба, МПа


Сравним с допускаемым напряжением


Условие прочности выполнено.

16.     Расчет валов по кинематическому допускаемому напряжению без учета влияния изгиба [24, формула 8,16]

,  ,

где Т - крутящий момент, Н*мм;

[τk] - допускаемое напряжение на кручение; для валов из сталей 40, 45, Ст6 принимают значение [τk] = 15-20МПа (Н/мм2). Полученный результат округляют до ближайшего большего значения из стандартного ряда (Приложение).

17.     Подбор подшипников качения. Основные критерии работоспособности подшипника качения - его динамическая и статическая грузоподъёмность.

Наименьшая долговечность (ресурс) подшипника в миллионах оборотов


где С - динамическая грузоподъемность по каталогу;

Р - эквивалентная нагрузка;

р - показатель степени: для шарикоподшипников р=3; для роликоподшипников р=10/3.

Наименьшая долговечность в часах


18.     Система смазки планетарных передач. В планетарной передаче применен способ окунания колес в масляную ванну. Масло индустриальное И-40А ГОСТ 20799-75 вязкостью (35-45)×10-6 м2/с, температура вспышки tвсп=200°С.

Для подшипниковых узлов применяются пластичные смазочные материалы марки ЦИАТИМ-201 или ЦИАТИМ-203 ГОСТ 6267-74 и ГОСТ 8773-73 с температурой эксплуатации от -60 до +90°С и от -50 до +90°С.

19.     Сборочный чертеж планетарного редуктора со спецификацией, выполненный с расчетом по базовому варианту дан в приложении Б.

2.       Анурьев В.И. - Справочник конструктора-машиностроителя, т.2. М.: «Машиностроение», 1980 - 539 с.

.        Анурьев В.И. - Справочник конструктора-машиностроителя, т.3. М.: «Машиностроение», 1980 - 576 с.

.        Анфимов М.И. - Редукторы. Конструкции и расчет. М.: «Машиностроение», 1972.

.        Беляев В.Г. Винтовые механизмы качения в станках с ЧПУ и роботах. М.: «Мосстанкин», 1984.

.        ГОСТ 21098-82. Цепи кинематические. Методы расчета точности. Взамен ГОСТ 21098-75; Введ. 01.01.84. - М.: «Изд-во стандартов», 1986.

.        Дунаев П.Ф., Леликов О.П. - Конструирование узлов и деталей машин. М.: «Высшая школа», 1985.

.        Жуков К.П., Гуревич Ю.Е. Проектирование деталей и узлов машин. - М.: «Изд-во Станкин», 1999.

.        Иванов М.Н. Детали машин. М.: «Машиностроение», 1991.

.        Илюхин Ю.В., Подураев Ю.В. Проектирование исполнительных систем роботов. Линеаризованные системы. - М.: «Изд-во МПИ», 1989.

.        Иосилевич Г.Б. Детали машин: Учебник для студентов машиностроительных специальностей ВУЗов. - М.: «Машиностроение», 1988 - 368 с.

.        Исии Т., Симояма И. Мехатроника. Перевод с япон. - М.: «Мир», 1988. - 388 с.

.        Казмиренко В.Ф. Электрогидравлические мехатронные модули движения. М.: «Радио и связь», 2001.

.        Кудрявцев В.Н., Державец Ю.А. Курсовое проектирование деталей машин. Учебное пособие для студентов машиностроительных специальностей ВУЗов. - Л.: Машиностроение, Ленингр. отд-ние, 1984. - 400с., ил.

.        Каталог продукции мотор-редукторы. Редукторы. - М.: «Приводная техника», 2002.

.        Шейнблит А.Е. Курсовое проектирование деталей машин. - Калининград: Янтар. сказ, 2004. - 454 с.


Структурная схема

Похожие работы на - Проектирование планетарного редуктора

 

Не нашли материал для своей работы?
Поможем написать уникальную работу
Без плагиата!
Без нейросетей!