Проект замены насосов на установке первичной переработки нефти

  • Вид работы:
    Дипломная (ВКР)
  • Предмет:
    Другое
  • Язык:
    Русский
    ,
    Формат файла:
    MS Word
    2,45 Мб
  • Опубликовано:
    2012-05-10
Вы можете узнать стоимость помощи в написании студенческой работы.
Помощь в написании работы, которую точно примут!

Проект замены насосов на установке первичной переработки нефти

Введение

В химических нефтехимических производствах насосные установки являются одним из основных видов оборудования, надежная работа которого обеспечивает непрерывность технологического процесса. Насосное оборудование используют для перекачивания жидкостей с разными физико-химическими свойствами (кислот и щелочей в широком диапазоне концентраций, органических продуктов, сжиженных газов и т.п.) при различных температурах. Перекачиваемые жидкости характеризуются различными температурой кристаллизации, взрывоопасностью, токсичностью, склонностью к полимеризации и налипанию, содержанием растворенных газов и т.д.

На предприятиях уделяется большое внимание совершенствованию эксплуатации и ремонту насосного оборудования. Однако практические достижения в этом еще недостаточны, и за редкими исключениями технический и организационный уровень ремонта значительно ниже уровня производства соответствующих машин. Во многих случаях низкое качество ремонта объясняется отсутствием ремонтно-технологической документации и недостатком запасных частей. Вследствие этого снижается эффективность использования насосного оборудования из-за простоев, преждевременного выхода из строя и высокой стоимости ремонта.

Данный дипломный проект посвящен замене насосного агрегата Н-6,6а на установке первичной переработки нефти АВТ-6. Замена насосного агрегата на установке отражает концепцию развития отечественных нефтеперерабатывающих заводов - совершенствование хозяйства посредством реконструкции установок. Замена насоса направлена на увеличение количественной характеристики насосного агрегата Н-6, 6а, а именно производительности.

 

1. Общая часть

 

1.1   Обоснование проекта

Увеличение производительности насоса Н-6,6а путем его замены на новый более мощный насос было вызвано увеличением выхода легкой фракции из колонны К-3. Увеличение, в свою очередь, было вызвано изменением технологического режима установки после капитального ремонта с реконструкцией.

Технологическая установка - это сложный комплекс, включающий в себя различное по своему назначению и устройству оборудование, контрольно-измерительные приборы и средства автоматизации. Режим работы каждой единицы оборудования зависит от технологического режима.

В результате изменения режима на установке насос Н-6,6а должен откачивать увеличенный объем фракции, а именно 149 м3/ч подавать на орошение и 166 м3/ч - на вывод с установки. При старой производительности в 210 м3/ч с напором 200 м.ст.ж. один насос был не способен обеспечить нормальный ход технологического режима. На ранних этапах работы установки на новом технологическом режиме стабильность достигалась путем параллельной работы основного и резервного насоса, что, как известно, увеличивает производительность. Недостатком такой работы был низкий совместный КПД и большие объемы потребляемой электроэнергии. Позднее, после того, как недавно введенный технологический режим был закреплен, руководством установки было принято решение заменить насос Н-6,6а на более мощный. Эта мера была принята с целью освобождения пары от совместной работы.

В итоге вновь смонтированные насосы с производительностью в 360 м3/ч при напоре в 200 м.ст.ж. удовлетворяют требованиям технологического режима и могут работать по отдельности.

1.2  
Описание технологической схемы блока, в котором работает агрегат с указанием КИП

Установка АВТ-6, комбинированная с ЭЛОУ предназначена для подготовки сырой нефти к первичной перегонке, с последующей атмосферной и вакуумной перегонкой уже обессоленной и обезвоженной нефти. Установка АВТ-6 состоит из:

-     блока ЭЛОУ;

-       атмосферного блока;

-       вакуумного блока;

-       блока стабилизации бензина;

-       блока вторичной перегонки бензина.

Насос Н-6,6а работает в блоке вторичной перегонки бензина.

Блок вторичной перегонки бензина установки АВТ-6 предназначен для разделения стабильного бензина на узкие фракции НК-85º С, 85-180º С в колонне четкой ректификации К-3.

Принципиальная технологическая схема блока вторичной перегонки бензина имеет следующее описание. Нестабильный бензин из емкости Е-1 насосом Н-16, Н-16а подается в теплообменник Т-7, где нагревается за счет тепла фракции 85-180º С, затем в теплообменник Т-8, Т-12, где нагревается за счет тепла стабильной фракции НК-180º С, и с температурой ≈150º С поступает в колонну стабилизации К-4 на 22, 26, 30 тарелки. Температура бензина в К-4 контролируется поз. TR. Расход бензина в К-4 контролируется поз. FR.

Расход холодного орошения в К-4 регулируется клапаном регулятора давления, расположенным на линии вывода газа из Е-4 в систему собственного топливного газа или на установку 30/4, и регистрируется поз. PRCA с сигнализацией минимального и максимального значения. Контроль за давлением верха К-4 ведется также приборами PRSA с сигнализацией минимального и максимального значения.

Предусмотрена отсечка топлива к печи П-2 при максимальном давлении верха К-4: подача жидкого топлива к форсункам П-2, подача газообразного топлива к форсункам П-2. Давление низа колонны регистрируется поз. PRSA.

С верха колонны К-4 пары головного погона поступают в воздушные конденсаторы-холодильники АВЗ-4/1, АВЗ-4/2, в воздушный холодильник АВЗ-4/3, затем направляется в емкость Е-4. Несконденсированные углеводородные газы из Е-4 поступают через рибойлер Т-10 в топливную сеть установки или выводятся на установку сероочистки газов 30/4.

Температура в Е-4 регулируется числом оборотов вентилятора АВЗ-4/3 и регистрируется поз. TRC. Давление в емкости Е-4 регистрируется поз. PRC. Давление и расход газа на установку 30/4 контролируется соответственно поз. PR, поз. FQR.

Отстоявшаяся вода из емкости Е-4 сбрасывается в ПЛК через запорно-регулирующий клапан уровня раздела фаз на линии сброса воды.

Максимальный и минимальный уровень раздела фаз сигнализируется на линии сброса воды. Максимальный и минимальный уровень раздела фаз сигнализируется поз. LRCA, по минимальному уровню раздела фаз закрываются отсечной клапан и регулирующий клапан.

Из емкости Е-4 сжиженные углеводородные газы (рефлюкс) насосом Н-17, 17а в виде острого орошения возвращаются на верх колонны К-4, а балансовое количество СУГ, регулируемое клапаном регулятора уровня в Е-4 поз. LRCA, откачивается с установки на газораспределительный пункт, как бензин нестабильный газовый. В емкости Е-4 предусмотрена сигнализация максимального и минимального уровня поз. LRCA, поз. LRA. Расход СУГ (бензина газового нестабильного) с установки контролируется и суммируется поз. FQR. Температура бензина газового нестабильного с установки контролируется поз. TR.

Поддержание необходимой температуры низа колонны К-4 достигается следующим образом: часть стабильно фракции НК-180º С с низа колонны откачивается насосом Н-2, 2а двумя потоками в печь П-2, нагревается до температуры не выше 230º С в камере радиации и возвращается в колонну К-4. При повышении температуры до 235º С - отключение печи, прекращение подачи топлива в печь. Расход стабильной фракции НК-180º С поз. FRCA регулируется клапаном, расположенным на линии циркулирующей струи в печь П-2. Температура нагрева в печи регистрируется, максимальное значение сигнализируется поз. TRSA. Изменение температуры горячей струи осуществляется регулированием расхода потока. Температура низа К-4 контролируется поз. TR.

Стабильная фракция НК-180º С с низа колонны К-4 под собственным давлением направляется через теплообменники Т-12, Т-8, где отдает тепло сырью стабилизатора, на 29-ую тарелку колонны К-3. Расход фракции НК-180º С в К-3 поз. FQRC регулируется клапаном регулятором, установленным на перетоке фракции НК-180º С из К-4 в К-3 с коррекцией по уровню в К-4 поз. LRCA. Предусмотрена сигнализация максимального и минимального уровня в колонне К-4 поз. LRSA.

Давление верха колонны К-3 поз. PRCA регулируется и регистрируется посредством изменения числа оборотов вентилятора АВЗ-3/3 и регистрируется с сигнализацией максимального и минимального значений поз. PRSA. Предусмотрена отсечка топлива к печи П-2 (подача жидкого топлива к форсункам П-2, подача газообразного топлива к форсункам П-2) при максимальном давлении верха К-3. Давление низа колонны регистрируется поз. PRSA.

С верха колонны К-3 фракция НК-85º С в паровой фазе поступает в воздушные конденсаторы-холодильники АВЗ-3/1, АВЗ-3/2, АВЗ-3/4, холодильник АВЗ-3/3. откуда после конденсации и охлаждения поступает в емкость Е-3. Температура фракции на линиях входа и входа из АВЗ-3/3 в Е-3 контролируется и регистрируется соответственно поз. TR-вход, поз. TR-выход. Температура и давление в емкости Е-3 регистрируется поз. TR и поз. PR.

Из Е-3 фракция НК-85º С насосом Н-6, Н-6а подается на верх колонны К-3 в качестве острого орошения. Расход острого орошения поз. FRC, регулируется с коррекцией по температуре верха колонны поз. TRC.

Балансовый избыток фракции НК-85º С, регулируемый клапаном регулятора уровня в Е-3 с коррекцией по уровню в Е-3 поз. LRCA, выводится с установки через воздушный холодильник АВЗ-12. Предусмотрена сигнализация минимального и максимального уровня в емкости Е-3 поз. LRA. Расход фракции НК-85º С контролируется и суммируется поз. FQR.

Температура поз. TR и давление поз. PR фракции НК-85º С регистрируется на выходе с установки.

Температура внизу колонны К-3 поддерживается следующим образом: часть фракции 85-180º С (циркулирующая флегма) с низа колонны К-3 откачивается насосом Н-11, 11а и проходит четырьмя потоками конвекционную часть печи П-2, затем объединившись в два потока проходит камеру радиации печи, где нагревается до температуры не выше 210º С и возвращается одним потоком в колонну К-3. Температура на выходе потоков из П-2 контролируется и регистрируется поз. TRSA. При повышении температуры выше 210º С - аварийное отключение печи и отсечка топлива к форсункам: на подаче газообразного топлива (основного), на подаче газообразного топлива к пилотным горелкам, на подаче жидкого топлива к форсункам, на возврате жидкого топлива. Давление топливного газа к форсункам печи П-2 поз. PRCA регулируется клапаном регулятора давления, расположенным на линии топливного газа к форсункам печи П-2, с коррекцией по температуре нагреваемого потока-горячей струи К-3 поз. TRCA. Расход циркулирующей флегмы К-3 по потокам в П-2: 1 поток поз. FRCA; 2 поток поз. FRCA; 3 поток поз. FRCA; 4 поток поз. FRCA регулируется клапанами-регуляторами расхода, расположенными на каждом потоке в печь. Температура низа К-3 поз. TR регистрируется.

Расход фракции 85-180º С поз. FQR регистрируется. Уровень куба К-3 регистрируется поз. LRCA и регулируется клапаном-регулятором, расположенном на выводе фракции 85-180º С от Н-12 в Т-7. Предусмотрена сигнализация минимального и максимального уровня в кубе К-3 поз. LRA.

С низа колонны К-3 фракция 85-180º С забирается насосом Н-12, 12а, проходит через теплообменник Т-7, где нагревает прямогонный бензин из Е-1, воздушные холодильники АВЗ-12, АВЗ-12а и выводится с установки. Температура поз. TR и давление поз. PR фракции 85-180º С контролируются на выходе с установки.

На выводах СУГ, фракций НК-85º С и 85-180º С с установки предусмотрены узлы отбора проб.

В качестве ТОУ (технологического объекта управления) выбираем насос Н-6,6а, установленный на трубопроводе, предназначенного для подачи острого орошения в колонну К-3 и вывода с установки фракции НК-85º С через АВЗ-12. Данный процесс относится к гидромеханическим процессам непрерывного действия с распределенными параметрами и минимальной информационной емкостью. В состав ТОУ входят трубопровод и насос, работающий от электродвигателя. По аппаратному исполнению данный ТОУ относится к простым. Рассматриваемый процесс, как ТОУ обладает емкостью (способностью накапливать вещество) и запаздыванием. Работа ТОУ описывается динамическими характеристиками.

По категории взрывопожароопасности ТОУ относится к категории 1-А. Входными и выходными потоками является фракция НК-85º С.

Возможными возмущающими воздействиями на работу ТОУ могут явиться: изменение давления в линии трубопровода, изменение вязкости и плотности среды, изменение общего гидравлического напора в трубопроводе.

При работе ТОУ могут возникнуть следующие аварийные ситуации:

-     резкое повышение давление в линии трубопровода;

-       разгерметизация оборудования;

-       неисправность электродвигателя.

Для автоматизации ТОУ выбираем распределенную систему управления на базе микропроцессорной техники фирмы SIEMENS.

КТС (комплекс технических средств) выбираем исходя из общих правил взрывопожаробезопасности, технических условий и правил эксплуатации технологического оборудования. Выбираем приборы фирмы SIEMENS и средства автоматизации, работающие в комплекте с данной системой управления. Исследование ФСА:

а)     выбор цели управления. Целью служит поддержание расхода фракции в соответствиями с технологическими параметрами.

б)      выбор критерия управления. Критерием служит расход равный 315 м3/ч.

в)      выбор регулируемых параметров. На регулирование выводится расход фракции НК-85º С при подаче острого орошения в колонну К-3 и расход фракции на входе в воздушный холодильник АВЗ-12.

г)       выбор контролируемых параметров. Контролю подлежат следующие параметры:

-   все регулируемые параметры;

-       давление в линии трубопровода до и после насоса;

-       перепад давления;

-       температура перемещаемой среды до и после насоса.

д)    выбор сигнализируемых параметров. На сигнализацию выводятся следующие параметры:

-   давление в линии нагнетания по максимуму;

-       расход фракции по максимуму и минимуму;

-       положение задвижки на линии всасывания и нагнетания.

е)     выбор средств блокировки и противоаварийной защиты (СБ и ПАЗ). При изменении давления в линии нагнетания, а также при изменении параметров, характеризующих состояние объекта, срабатывают автоматические средства защиты. Средства защиты отключают действующий аппарат и включают резервный, а также перекрывают подачу фракции НК-85º С. Отсечной клапан установлен на линии трубопровода до насоса.

Таблица 1 - Спецификация оборудования КИП на СУ "РСУ"

Позиционное обозначение

Марка и тип прибора

Кол-во

Характеристика прибора

-

Микропроцессор SIMATIC S7-400F/FM

1

Погрешность 0,001

4-1, 7-1

Датчик температуры

2

КТ 0,5

-

 Датчик давления SITRANS DS7 ME 4432

2

КТ 0,5

1-2, 2-2, 3-2

Датчик расхода SITRANS FDS7 ME 4033

3

КТ 0,5

1-3

РПК в комплекте с позиционером SITRANS P32 EEXd

1

КТ 1,5

5-1

Отсечной клапан

1

КТ 1,5

6-1

Диафрагма камерная DKS-1080

1

КТ 1,5


1.3   Обзор насосов установки АВТ-6

насос центробежный демонтаж трубопровод

На установке АВТ-6 используются следующие насосы:

-   одноступенчатые насосы типа НД с рабочим колесом двустороннего входа и горизонтальным разъемом корпуса типа НД;

-       горизонтальные одноколесные центробежные насосы с рабочим колесом одностороннего входа типа НК;

-       горизонтальные центробежные насосы с рабочим колесом одностороннего входа, работающие в паре с предвключенным винтовым колесом (шнеком) типа НКВ;

-       центробежные герметичные насосы типа ЦГ - одноступенчатые насосы со спиральным отводом и осевым подводом жидкости на колесо;

-       специальные герметичные электронасосы типа БЭН;

-       шламовые насосы типа НШ;

-       вихревые насосы типа ВК;

-       шестеренчатые насосы типа Ш;

-       вакуум-насосы типа НВ;

-       дозировочные насосы типа НДВ;

-       плунжерные насосы типа ДП;

-       трехплунжерные насосы типа 3ДП;

-       насосы типа НТ;

-       насосы типа РГ;

-       консольные насосы типа НКУ.

Как видно, на установке широко используются центробежные насосы, которые почти полностью вытеснили объемные насосы. Это объясняется рядом существенных преимуществ динамического насоса перед объемным:

-   отсутствие кривошипно-шатунного механизма, громоздких приводов, поэтому насосы конструктивно просты и компактны, имеют небольшую массу и сравнительно малые габаритные размеры при большой подаче;

-       отсутствие клапанов, часто нарушающих нормальную работу насоса;

-       равномерная и непрерывная подача жидкости, поэтому не требуется устанавливать газовые колпаки на трубопроводах;

-       более точное регулирование количества подаваемой жидкости в широком диапазоне, возможен быстрый пуск и остановка насоса;

-       надежность и долговечность в работе, простота в ремонте и эксплуатации.

Основной недостаток центробежного насоса - это отсутствие сухого всасывания. Но эта проблема решается путем установки насоса на более низкую высотную отметку, чем питательная емкость. В результате этого насос находится все время залитым (при условии открытия задвижки на всасывающем трубопроводе) и готовым к пуску.

Центробежные насосы используются для перекачивания взрывопожароопасных сред на установке - в связи с чем, большинство работают в паре с торцовыми уплотнениями, т.к. любая объемная потеря перекачиваемой среды из агрегата может привести к пожару и аварии на установке.

Торцовое уплотнение представляет собой конструкцию, в которой плоские уплотняющие поверхности (торцовые поверхности втулок) расположены перпендикулярно оси вращения, а усилия, удерживающие эти поверхности в контакте, направлены параллельно оси вала. На АВТ-6 используются торцовые уплотнения различной конструкции, но работают все они по одной и той же схеме. В качестве опорных узлов используются как подшипники качения, так и подшипники скольжения. Плунжерные насосы используются для перекачивания и дозировки реагентов. Приводом для насосов служат асинхронные электродвигатели с короткозамкнутым ротором различной мощности, выполненные во взрывозащищенном корпусе. Центробежные насосы вместе с электродвигателями монтируются на единой литой плите и раме, закрепленной на бетонном постаменте.

1.4   Описание конструктивных особенностей насосов типа НКВ

Насосы марки НКВ - это центробежные насосы, предназначенные для перекачки нефти и нефтепродуктов, имеющие одно консольно расположенное рабочее колесо с односторонним входом жидкости и одно предвключенное винтовое колесо (шнек). Насосы марки НКВ выпускаются с производительностью от 16 до 1800 м3/ч и напором от 80 до 320 м.ст.ж.

Рисунок 1 - Центробежный насос марки НКВ-360/200

Основными частями насоса являются: корпус насоса 1, крышка насоса 2, гайка 3, вал 4, корпус подшипников 5, колесо рабочее 6, подшипники: радиально-упорные (шариковые) 7, радиальные (роликовые) 8, уплотнение вала 9, колесо винтовое 15.

Корпус насоса выполняется совместно с опорными лапками и входным и выходным патрубками.

Крышка насоса присоединяется к корпусу насоса с помощью шпилек 10 с гайками 11 и шайбами 12.

Стык корпуса и крышки уплотняется спирально-навитой прокладкой 13.

Крышка корпуса в месте выхода вала имеет сальниковую камеру, в которую могут устанавливаться либо сальниковая набивка и фонарь сальника (при изготовлении насоса с уплотнением вала типа СГ), либо сальниковая набивка (при изготовлении насоса с уплотнением вала типа СО). Также возможна установка холодильника торцового уплотнения при условии изготовления насоса с некоторыми типами уплотнений, применяемых при высоких температурах. В монтируемом насосе используется торцовое уплотнение 70УТТ5.

Рубашка охлаждения камеры сальников выполняется закрытой.

В корпусе насоса, крышке насоса и корпусе подшипников имеется система отверстий: подвода и отвода уплотнительной и охлаждающей жидкости из насоса и т.д.

На валу насоса устанавливаются колесо рабочие с уплотняющим кольцом, детали сальникового или торцового уплотнения, кольцо 14, колесо винтовое 15.

Вал насоса вращается на двух подшипниковых опорах. Опора, расположенная у муфты, состоит из двух радиально-упорных подшипников, смонтированных по типу сдвоенных, обращенных друг к другу широкими бортами наружных колец.

Вторая опора состоит из одного радиального роликового подшипника.

Внутренние кольца радиально-упорных подшипников от осевого перемещения закрепляются с помощью шайбы 21 и гайки 20, которые одновременно крепят полумуфту 16 зубчатой муфты и распорную втулку 17.

Рабочее и винтовое колеса посажены на цилиндрическую шейку консольной части вала и закрепляются с помощью специальной гайки с левой резьбой 3.

Смазка подшипников циркуляционная. Кольцо 14, вращаясь вместе с валом, забрасывает масло в лоток крышки, откуда оно стекает в маслопроводящий лоток, отлитый на внутренней стенке корпуса подшипников.

Из лотка масло по сверленным каналам в корпусе подшипников и каналам в комплектовочных шайбах, установленных между подшипниками, поступает равномерно к подшипникам, а затем по предусмотренным стокам попадает в масляную ванну.

Работа насоса состоит в следующем. При вращении рабочего колеса жидкость, залитая в насос перед его пуском, увлекается лопатками шнека и рабочего колеса, под действием центробежной силы движется от центра к периферии вдоль лопаток и подается через спиральную камеру в нагнетательную трубу. Поэтому на выходе в колесо в том месте, где всасывающая труба примыкает к корпусу, создается разрежение, под действием которого рабочая жидкость всасывается в насос. Таким образом, устанавливается непрерывное движение жидкости в насосе.

Главное отличие насосов типа НКВ от нормального ряда центробежных насосов - это наличие винтового колеса (шнека). Шнек обеспечивает равномерную, прямолинейную подачу жидкости на вход рабочего колеса, что уменьшает риск возникновения кавитации.

1.5  
Обоснование выбора конструкционных материалов

При выборе материального исполнения следует учитывать механические, физико-химические и технологические свойства, стоимость и дефицитность определенных материалов. Использование без нужды дорогих материалов влечет за собой убытки и экономическую нецелесообразность. Свойства материалов должны удовлетворять рабочим условиям агрегата.

К изготовлению валов, их сборке и установке предъявляют высокие требования. Валы, работая при большой частоте вращения, подвергаются действию поперечных сил, поэтому они должны быть прочными, обладать гибкостью и хорошо обрабатываться.

Сложные фасонные детали насоса (корпус, колесо и др.) возможно изготовить только литьем, поэтому материал должен обладать хорошими литейными свойствами, быть прочным и изностойким.

Материалы для изготовления деталей торцовых уплотнений выбирают главным образом в зависимости от температуры и свойств перекачиваемой среды.

В насосе Н-6, 6а используется материальное исполнение "С".

Выбранное материальное исполнение предлагает изготовление вала из легированной стали 40Х, которая имеет хорошие прочностные характеристики. Сталь 40Х хорошо обрабатывается резанием и имеет высокую коррозионную стойкость. Уплотняющие кольца лабиринтных уплотнений также изготавливают из этой стали.

Корпус и колесо насоса изготавливается из литейной стали 25Л. Эта сталь способна работать при высоких давлениях и температуре до 450º С. Она имеет хорошие литейные свойства и хорошо сопротивляется коррозионному и эрозионному износу.

Для крепления и соединения узлов насоса используются различные виды крепежа: шпильки, винты, отжимные болты, штифты и др. Крепеж насоса выполняется из углеродистой стали 35. Углеродистая сталь 35 обладает хорошими прочностными характеристиками и хорошо обрабатывается резанием.

Втулки торцового уплотнения изготавливаем из графита ПК-О, пропитанного феноло-формальдегидной смолой. Данный материал хорошо обрабатывается, что обеспечивает быструю приработку трущихся поверхностей.

Подшипники изготавливаются из специальной подшипниковой стали ШХ15. Она имеет высокую твердость и износостойкость.

Насос Н-6,6а перекачивает фракцию НК-85ºС при температуре 79º С. Механические и физико-химические свойства выбранных материалов соответствуют рабочим условиям агрегата. Материалы недефицитны и имеют хорошие технологические свойства.

2. Специальная часть

2.1 Исходные данные

Марка насоса - НКВ 360/200 - С в 70УТТ У2 ТУ 26-02-766-84

Перекачиваемая среда - фракция НК-85º С

Температура среды - 80º С

Упругость паров фракции, pn - 0,105 МПа

Плотность среды, ρ - 720 кг/м3

Кинематическая вязкость, ν - 1,3*10-6 м2

Давление на свободную поверхность в питательной емкости, P1 - 0,16 МПа

Давление на свободную поверхность в колонне, P2 - 0,8 МПа

Давление гидроиспытания корпуса насоса, Pпр. - 7,5 МПа

Масса агрегата, m - 2235 кг

Подпор, h1- 10 м

Геометрическая высота нагнетания, h2 - 28 м

Таблица 2- Характеристика трубопроводов насоса Н-14,14аа

Показатель

Всасывающий

Нагнетательный

Диаметр трубопровода, м

0,3

0,2

Длина трубопровода, м

30

30

Количество резких поворотов на 90º

3

3

Количество полностью открытых задвижек

1

1

Количество переходов

1

1

Подача, м3

315 (Q)

315 (Q)

Тип труб

бесшовные

бесшовные

Состояние труб

новые

новые

Дополнительное сопротивление

-

обратный клапан


2.2 Содержание расчета

2.2.1  Определение потребного напора [1]

Среднюю скорость течения жидкости во всасывающем трубопроводе σвсас., м/с вычисляем по формуле

, (1)

где Q - подача через всасывающий трубопровод, Q =315 м3/ч;

d1 - внутренний диаметр всасывающего трубопровода, d1=0,3 м.


Среднюю скорость течения жидкости в напорном трубопроводе σнагн., м/с вычисляем по формуле


где d2 - внутренний диаметр напорного трубопровода, d2=0,2 м.


Среднюю скорость течения жидкости в напорном трубопроводе, идущем в колонну К-3 σнагн.1, м/с вычисляем по формуле


Среднюю скорость течения жидкости в напорном трубопроводе, идущем в АВЗ-12 σнагн.2, м/с вычисляем по формуле


Критерий Рейнольдса Re, вычисляем по формуле

, (2)

где ν - кинематическая вязкость перекачиваемой жидкости, ν = 1,3*10-6 м2/с.

Во всех трубопроводах устанавливается турбулентный режим течения жидкости, т.к. на всех участках Re >2300.

Коэффициент трения по длине трубопровода λ, вычисляем по формуле

, (3)

где Δ - шероховатость стенок, Δ=0,014 мм (1.табл.2).

 

Потери напора на трение ∑hтр., м вычисляем по формуле

, (4)

где L - длина участка трубопровода, Lвсас.=30 м, Lнагн.=30 м, Lнагн.1=100 м, Lнагн.2=50 м.


Потери на преодоление местных сопротивлений ∑hмп, м вычисляем по формуле

, (5)

где ζ - коэффициент местного сопротивления (2. табл.2).


Потери напора h1-2, м вычисляем по формуле


Потребный напор Hн, м вычисляем по формуле

, (6)

где h1 - геометрическая высота всасывания, h1=10 м;

h2 - геометрическая высота нагнетания, h2=28 м;

ρ - плотность перекачиваемой жидкости, ρ=720 кг/м3;

P1 - давление в емкости Е-3, P1=0,16*106 Па;

P2 - давление в колонне К-3, P2=0,8*106 Па.


2.2.2  Расчет привода насоса

Цель расчета - подобрать электродвигатель, необходимый для нормальной работы насоса.

Необходимую мощность электродвигателя насоса N, Вт вычисляем по формуле

, (7)

где η - КПД насоса, η=0,8;

k - коэффициент возможной перегрузки, k=1,2;

H - напор насоса, H=187,9 м;

Q - производительность насоса, Q=0,0875 м3/с.


На основании расчетов 2.2.1 и 2.2.2 принимаем электродвигатель ВАО2-450М-2 с номинальной мощностью N=200 кВт и насос НКВ 360/200 -394 С 70УТТ У2 ТУ 26-02-766-84, где "Н" - нефтяной;

"К" - с консольным расположением рабочего колеса;

"В" - с предвключенным колесом;

"360" - производительность насоса, м3/ч;

"200" - напор насоса, м.ст.ж.;

"394" - диаметр рабочего колеса уменьшен при обточке до 394 мм;

"С" - насос изготовлен из углеродистой стали;

"70УТТ" - с торцовым уплотнением вала типа "Тандем" диаметром 70 мм;

"У2" - климатическое исполнение.

2.2.3  Расчет допустимой высоты всасывания

Цель расчета - определить высоту установки насоса, обеспечивающую бескавитационную работу насоса.

Допускаемую высоту всасывания или минимальный подпор hs, м определяем по формуле:

,

где pа - абсолютное давление на свободную поверхность жидкости в емкости Е-3, кгс/см2;


pп - упругость паров фракции НК-85º С при рабочей температуре, pп=1,05 кгс/см2;

Δh - допустимый кавитационный запас для насоса НКВ-360/200, Δh=7,5 м;

hвсас - потери напора во всасывающем трубопроводе, hвсас =0,88 м.


Принимаем hs = 12 м (допускаемая высота всасывания).

2.2.4  Расчет корпуса насоса

Корпус насоса рассчитываем как короткую цилиндрическую оболочку.

Рисунок 2- Расчетный эскиз

Напряжение, возникающее в оболочке σ1, σ2, МПа вычисляем по формуле

, (11)

где p - давление гидравлического испытания корпуса, p=7,5 МПа;

R - внутренний радиус цилиндрического корпуса, R=0,217 м;

h - толщина стенки корпуса насоса, h=0,034 м.


Условие прочности для коротких сферических оболочек

, (12)

где ε - коэффициент влияния толщины стенки корпуса, ε=1;

σт - предел текучести стали 25Л при 80º С, σт =200 МПа;

n - коэффициент запаса прочности для стали, n=3.

,9 МПа < 66,67 МПа

Условие прочности выполнено.

 

2.2.5  Расчет и выбор стальных канатов для строп

При монтаже насоса максимальное разрывное усилие возникает при подготовке агрегата в предмонтажное положение.

Рисунок 3 - Схема строповки

Разрушающая нагрузка, возникающая в канате от веса агрегата S, Н вычисляем по формуле

,(13)

где k - коэффициент неравномерности загрузки стропов, k=1,35 (4.стр.58); G - вес агрегата, Н;

(14)

n - число ветвей стропа, n=4;

α - угол наклона стропа к оси, проходящей через центр тяжести, α=30º.


Необходимое разрывное усилие F0, Н вычисляем по формуле

,(15)

где zр - коэффициент использования, zр=2,5 (4.стр. 57).


Для стропов принимаем стальной канат типа ЛК-РО (6×36×1 о.с.) по ГОСТ 7668-69 диаметром проволоки 13,5 мм, с временным сопротивлением разрыву 180 кг×с/мм2 и разрывным усилием F0= 104000 Н.

3. Организация производства

 

3.1   Организация работ по демонтажу и монтажу насоса

Характер монтажных работ зависит от того, в каком виде поступает оборудование на монтажную площадку. Транспортабельный насосный агрегат поставляется заводом-изготовителем полностью в собранном виде вместе с электродвигателем. Весь агрегат собран на единой литой плите. Процесс монтажа в таком случае заключается в установке агрегата на готовый, проверенный на точность изготовления фундамент.

Насосно-компрессорное оборудование относится к машинам, работающим с большими динамическими нагрузками, вызывающими вибрацию фундамента, который поэтому должен быть достаточно надежным. Перед монтажом путем замеров устанавливаются фактические отклонения от проектных размеров длины, ширины, высоты, отметки поверхности фундамента. Они должны быть в пределах допустимых значений. Фундамент должен быть защищен от разрушающего действия смазочного масла, перекачиваемых нефтепродуктов или химических веществ. Поэтому его поверхность покрывают в несколько слоев стойкой к данной среде краской или обкладывают керамическими плитами.

Учитывая высокие требования к качеству монтажа и сохранности оборудования, к монтажу обычно приступают после завершения всех основных строительных работ. Кроме того, должны быть подготовлены системы освещения.

Весьма серьезной операцией является строповка машин. Она должна проводиться таким образом, чтобы исключить повреждение узлов и деталей. Она должна проводиться таким образом, чтобы исключить повреждение узлов и деталей. При установке агрегата в предмонтажное положение строповку производят путем обхвата полоза, на котором установлен насосный агрегат. Установка электродвигателя и насоса на фундамент происходит раздельно, при этом строповка оборудования производится за монтажные элементы - рым-болты.

Выбор технических средств для монтажа и демонтажа должен быть обоснован; необходимо учитывать их стоимость. Без особой нужды использовать уникальные средства механизации не следует, помня о необходимости всемерного снижения стоимости работ.

При монтаже насоса Н-6,6а необходимо и достаточно применение грузоподъемного автокрана небольшой грузоподъемности, обладающего высокой степенью мобильности, что немаловажно в условиях действующей установки. Грузоподъемный кран оснащают полиспастом - устройством, позволяющим уменьшить тяговое усилие на ходовую, наматывающуюся на барабан лебедки ветвь троса. Благодаря полиспастам вес поднимаемых лебедками грузов намного больше их грузоподъемности.

Трос выбирают в зависимости от назначения и условий работы. Большой значение имеет его гибкость, которая зависит от числа и диаметра проволок в пряди, а также от направления свивки. При одном и том же диаметре троса гибкость его тем больше, чем больше число проволок в пряди. Грузовой трос, многократно огибающий ролики блоков и стропы, плотно опоясывающие поднимаемый груз, должны быть гибкими.

С помощью стропа поднимаемый груз подвешивают к серьге подвижного блока грузоподъемного крана. Конструкция стропа должна обеспечивать безопасность в работе, удобство обращения с ним, а также быстро и легко осуществляемые строповку и последующую расстроповку груза. При монтаже насоса применяют универсальный строп. Он имеет форму замкнутой петли изготовленной из троса, концы которого сращиваются взаимной сплеткой.

Для производства сборочных работ используют ключи, молотки, кувалды, зубила, клинья и различный механизированный инструмент.

В отличие от строительства нового предприятия, когда план организации монтажа составляется с учетом наиболее целесообразной последовательности всех работ, при реконструкциях и ремонтах приходится демонтировать и монтировать конкретное оборудование, которое находится на одной территории с другим оборудованием, зданиями и сооружениями и порой окружено ими со всех сторон.

Монтажу нового оборудования предшествует демонтаж старого. Демонтаж - очень ответственная операция, при которой всегда возможны нарушение запланированной последовательности работ и резкие перегрузки подъемных механизмов и их оснастки. Особенно опасно заклинивание в опорных конструкциях поднимаемого оборудования, поэтому в начальный момент подъем нужно производить медленно, чтобы своевременно обнаружить заклинивание и принять меры для его устранения. Заклинивание устраняют с помощью домкратов, струбцин, отжимных болтов, подбивки клиньев и т.д.

Перед началом монтажных и демонтажных работ оборудование и все трубопроводы, прилегающие к рабочему участку, должны быть освобождены от содержимого, соответствующим образом обезопасены и надежно и герметично отделены от демонтируемого агрегата. Все подземные коммуникации (канализация, трубопроводы, кабели и др.) необходимо обозначить на поверхности площадки хорошо видимыми указателями. Территорию, на которой проводят монтажные работы, ограждают или ограничивают указателями, разрешенные границы наносят также на генеральный план установки, прилагаемый к протоколу по организации монтажных работ в действующем цехе.

Распаковку насосного агрегата, передаваемого в монтаж, следует производить на приобъектном складе или на месте монтажа. После распаковки необходимо произвести (путем наружного осмотра) проверку наличия и состояния всех деталей, комплектующих, запасных частей, согласно паспорту насоса.

Если гарантийные сроки истекли или условия хранения нарушены, или агрегат поступил в монтаж с неопломбированными патрубками, либо в явно дефектном состоянии - с трещинами, вмятинами и другими повреждениями, - то агрегат до монтажа подлежит разборке и ревизии.

Расконсервацию отдельных частей агрегата производят по мере необходимости в период от начала монтажа до пуска насоса.

Расконсервацию наружных поверхностей, а также запасных частей производят водомоющими растворами с последующей протиркой насухо чистыми протирочными материалами.

Расконсервация проточной части насоса, торцовых уплотнений, полости соединительной муфты и подшипников не производится.

Снятие заглушек с патрубков насоса для присоединения к нему испытанных трубопроводов разрешается только после окончания всех монтажных работ по трубопроводам, а также их очистки, промывки и продувки во избежание попадания в насос каких-либо посторонних предметов.

Между фланцами насоса и подсоединяемыми трубопроводами устанавливают спирально-навитые прокладки, входящие в комплект поставки насоса.

После присоединения технологических трубопроводов необходимо произвести центровку валов насоса и электродвигателя.

Место установки насоса должно быть удобным для обслуживания при эксплуатации и ремонте, соответствовать строительным нормам и требованиям по технике по безопасности и промышленной санитарии.

Установка насоса может производиться как в помещении, и так и вне помещения.

При установке вне помещения насосное оборудование необходимо защитить от прямого попадания атмосферных осадков и солнечной радиации специальными навесами или легкими съемными кожухами.

Фундамент насоса, выполненный согласно проекту, должен быть монолитным, без трещин, раковин и пустот.

Бетон для выкладки фундамента должен иметь марку в соответствии с проектом, но не менее 100.

Высотную отметку опорной плоскости фундамента на 40-80 мм ниже подошвы фундаментной плиты агрегата для установки подкладок и последующей подливки бетоном.

Перед монтажом необходимо очистить фундамент, а также колодцы для фундаментных болтов от строительного мусора, масла, краски и промыть водой.

Агрегат устанавливают с заложенными ранее фундаментными болтами на фундамент.

Выверку агрегата производят согласно проектным привязочным размерам. Допускаемое отклонение относительно установочных осей - 10 мм.

Положение агрегата по высоте регулируют установочными винтами.

Допускаемое отклонение от проектного положения не более 10 мм.

Положение в горизонтальной плоскости, поперечном и продольном направлениях проверяют при помощи брускового уровня, установленного на контрольную поверхность фундаментной плиты. Допускаемое отклонение не более 0,1 мм на 1 м длины.

После выверки положения агрегата производят бетонирование фундаментных болтов и плиты. Предварительно установочные винты оборачивают толем или бумагой, смазанной тонким слоем густой смазки.

Бетон или раствор для подливки должен иметь марку в соответствии с проектом, но не менее 200.

Обеспечивают проникновение бетона (раствора) под всю подливаемую поверхность с тем, чтобы не оставалось пустот и раковин. При этом фундамент должен образовать выступ приблизительно в 25 мм над опорной поверхностью плиты.

В течение 30 минут после окончания подливки должно быть проверено выверенное положение агрегата.

Окончательная затяжка гаек фундаментных болтов должна осуществляться после достижения бетоном подливки прочности не менее 12 МПа, но не ранее, чем через 7 суток после подливки. Установочные винты перед затяжкой отворачивают на 2-3 оборота.

Всасывающий и напорный трубопроводы должны иметь опоры, исключающие передачу всяких усилий на патрубки насоса, как при монтаже, так и при эксплуатации.

При монтаже плоскости прилегания фланцев трубопроводов должны быть параллельны плоскостям прилегания фланцев насоса (допускаемая не параллельность не более 0,1 мм), а болтовые отверстия должны совпадать.

На технологических трубопроводах (на расстоянии 1-2 диаметров трубопровода от фланцев насоса) должны быть установлены штуцера для присоединения манометров, вакуумметров или ановакуумметров.

Всасывающий трубопровод должен быть, по возможности, коротким и прямым без местных подъемов и спусков с постоянным уклоном (8-10 мм на 1 м длины), обеспечивающим свободный выход из него воздуха.

При присоединении к насосу трубопровода большего диаметра, чем диаметр патрубка насоса, между патрубком и трубопроводом установить эксцентрический переход, на вертикальных - концентрический.

На пусконаладочный период на всасывающей линии установить сетчатый фильтр (установка фильтра непосредственно во всасывающий патрубок насоса не допускается).

Фильтр может иметь форму усеченного конуса, свободное проходное сечение которого должно быть в 3-4 раза больше площади сечения всасывающего трубопровода.

Промывку фильтра производят по мере накопления включений в фильтрующем элементе.

На всасывающем и нагнетательном трубопроводах устанавливают задвижки. На нагнетательном трубопроводе, между насосом и задвижкой устанавливают обратный клапан.

Байпасы устанавливают в случаях:

-     длительной работы насоса с нулевой или близкой к нулю подачей;

-       необходимость прогрева (охлаждения) насоса перед пуском;

-     в ряде случаев, определяемых требованиями технологического режима.

При эксплуатации насоса с двойным торцовым уплотнением, к месту установки должна быть подведена затворная жидкость (подкачка АПГ).

В качестве затворной жидкости следует применять минеральные масла вязкостью 10…30 сст при 50º С, а также другие жидкости, обладающие смазывающими свойствами в соответствии с рекомендациями проектной организации. В зимнее время при эксплуатации насосов под навесом или в не отапливаемом помещении рекомендуется применять жидкость с температурой застывания ниже минимальной температуры окружающей среды (воздуха) или обеспечить ее подогрев.

Перед центровкой проверяют затяжку резьбовых соединений.

При отсоединенной муфте проверяют направление вращения электродвигателя (двигатель обязательно должен быть заземлен).

Направление вращения должно быть правым, т.е. по часовой стрелке, если смотреть на электродвигатель со стороны насоса.

При подготовке насоса к работе необходимо снять промежуточный валик муфты и заложить в зубчатую муфту смазку, состоящую из 50% пресс солидола С по ГОСТ 4366-76 и 50% графита П по ГОСТ 8295-73 в количестве ≈0,6 кг.

Проверку центровки производят при помощи специальных скоб с индикаторами часового типа. Скобы с жесткими кронштейнами устанавливают и надежно закрепляют на полумуфтах валов насоса и электродвигателя.

Принимают вертикальное положение скоб за нулевое и устанавливают в этом положении стрелки индикатора на "0". Поворачивают валы насоса и электродвигателя совместно со скобами последовательно в положения 90, 180, 270 и записывают показания индикаторов в каждом положении.

Центровка насосного агрегата считается удовлетворительной, если несоосность и непараллельность валов насоса и электродвигателя при диаметре, на котором производится измерение, равном 500 мм, не превышает 0,1 мм.

Устанавливают промежуточный валик зубчатой муфты.

Устанавливают ограждение муфты; в масляную ванну корпуса подшипников и масленку постоянного уровня заливают масло индустриальное И-20А ГОСТ 20799-75 или турбинное Тп-22 или Тп-30 ГОСТ 9972-74 в количестве ≈1,6 л. При работе с торцовым уплотнением закрепляют клемное кольцо, снимают монтажную скобу и устанавливают ограждение торцового уплотнения в соответствии с инструкцией предприятия-изготовителя. В качестве охлаждающей жидкости для насосов, устанавливаемых в помещении, применяют воду; для насосов, устанавливаемых вне помещения - незамерзающие жидкости: керосин, антифриз и т.д. Подготовку электродвигателя к работе производят в соответствии с инструкцией предприятия-изготовителя.

3.2   Организация работ по ремонту центробежных насосов

3.2.1 Ремонтные документы

ГОСТ 2.602-68 устанавливает комплектность и правила составления ремонтных документов на изделия серийного или массового производства всех отраслей промышленности. Ремонтные документы для индивидуального оборудования составляются разработчиком.

Ремонтные документы разрабатываются на основе конструкторской, эксплутационной и технологической документации, а также опыта эксплуатации, в процессе которой определяют интенсивность износа и другие показатели. В этих документах должны быть отражены способы ремонта; приспособления, инструмент и приборы, необходимые при проведении ремонта; технические требования к отремонтированному оборудованию; нормы расхода запасных частей и материалов.

Особенно важна документация при выполнении ремонта силами потребителей, когда одинаковые насосы ремонтируют различными методами, зачастую без соблюдения необходимых правил.

Основным ремонтным документом является дефектная ведомость. Началу каждого ремонта должно предшествовать составление этого документа, в котором детально перечислены все работы, выполняемые в соответствии с данным плановым ремонтом. Формы дефектной ведомости могут быть различны, но все они должны содержать сведения, достаточные для правильного определения требуемой рабочей силы, необходимых материалов и запасных частей, а также стоимость, как всего ремонта, так и отдельных его элементов.

Кроме ремонтных работ в ведомости могут быть отражены работы, обусловленные производственной необходимостью (мелкие переключения коммуникаций, конструктивные изменения и др.), направленные на улучшение условий труда (номенклатурные работы по технике безопасности), а также работы по частичной модернизации технологической установки или полной модернизации конкретного оборудования (замена старого оборудования новым, более совершенным).

Ведомость составляется начальником и механиком установки. Чтобы обеспечить высокое качество составленной ведомости, следует учитывать мнение всего обслуживающего персонала (операторов, аппаратчиков, машинистов, дежурных слесарей и т.д.). Ведомость согласовывается с главным механиком и утверждается главным инженером предприятия.

На основании дефектной ведомости составляются сводные заявки на необходимые для ремонта материалы и запасные части, которые должны быть подготовлены в назначенные сроки ремонта службами снабжения предприятия или исполнителя.

Дефектная ведомость нельзя считать документом, требующим неукоснительного, пунктуального исполнения. При разборке насоса и тщательном техническом осмотре ремонтируемого оборудования могут быть выявлены новые, на предусмотренные ведомостью дефекты или, наоборот, предполагаемые дефекты могут отсутствовать. Поэтому в ходе ремонта ведомость дополняется новыми пунктами или сокращается. Откорректированная ведомость, отражающая перечень и объем фактически произведенных работ, называется исполнительной и вместе с предварительной ведомостью служит отчетным документом при оформлении сдачи объекта после ремонта. Расхождения между предварительной и исполнительной ведомостями должны быть подробно объяснены в графе "Примечания" или в специальном акте.

Основными исходными документами при составлении общего плана ремонта являются годовые планы и графики ремонтов производств, цехов, технологических установок или отдельного оборудования. Планы и графики составляют, исходя из производственного плана и действующих нормативов на ремонт. При этом учитывают также реальные возможности, силы и средства ремонтной службы, а в некоторых случаях и сезонность.

Структура межремонтного цикла, межремонтный период и продолжительность простоя оборудования в ремонте должны соответствовать ремонтным нормативам.

В годовых графиках устанавливают месяцы, в течение которых данная технологическая установка (или оборудование) должна быть отремонтирована. На основании годовых графиков составляют месячные графики ремонтов; в них указывают календарные дни простоя каждого объекта в ремонте того вида, который предусмотрен годовым планом. Согласно месячному графику объект в строго назначенное время останавливают на ремонт. Отступления от графика должны носить исключительный характер. Они допустимы только после тщательной проверки состояния объекта специальной коммисией из руководящих работников предприятия.

С учетом расходуемых материалов и запасных частей по ведомостям составляют смету на ремонт, определяющую поэлементную и общую стоимость всего ремонта. Руководством для составления смет служат утвержденные ценники или - в случае их отсутствия - оформленные соответствующим образом калькуляции.

Сетевые графики представляют собой графическую модель технологии выполнения ремонта всего объекта, проектируемой на основании расчета продолжительности каждой операции, потребной рабочей силы и ее распределения по объектам во времени при обеспечении наиболее рациональной последовательности работ.

Руководство по капитальному ремонту представляет собой практическое пособие по выполнению ремонта данного вида оборудования. Оно также содержит в себе советы и рекомендации по ремонту, которые явились на свет в результате многолетних наблюдений и накопленного опыта по производству данной работы.

На проведение отдельных ремонтных работ составляется техническая карта, содержащая строгую пооперационную технологию проведения этой работы.

Для организации проведения ремонтов большое значение имеет наличие качественно составленных ремонтных чертежей, т.е. чертежей для ремонта сборочных единиц, сборки и контроля отремонтированных деталей и узлов. Они должны быть составлены в соответствии с ГОСТ 2.604-68.

Ремонтными размерами называют размеры, установленные для изготовления новой детали взамен изношенной. Они могут быть категорийными (окончательными) и пригоночными (рассчитанными на пригонку детали "по месту"). На ремонтных чертежах указывают только те размеры, предельные отклонения, зазоры и другие данные, которые проверяют в процессе ремонта. При этом должны быть сохранены класс точности и посадка, предусмотренные в рабочих чертежах.

При ремонте обязательно исполнение различных стандартов. В первую очередь учитываются государственные (ГОСТ) и отраслевые стандарты (ОСТ), на базе которых на предприятии разрабатываются технические условия (ТУ) и СТП, который распространяется на нестандартное оборудование.

3.2.2       Организация ремонтной службы и способы производства ремонтных работ насосов

На предприятиях нефтеперерабатывающей промышленности объектами ремонта являются здания, сооружения, все виды оборудования и транспортных средств. При централизованной системе ремонтного обслуживания необходимо четко разграничивать функции основных служб предприятия.

Служба главного механика руководит эксплуатацией и ремонтом технологического и механического оборудования, а также технологических сооружений, коммуникаций, металлоконструкций, эстакад. В обязанности службы главного энергетика входит надзор за эксплуатацией электрооборудования, паросиловых установок, водопроводных и канализационных сетей, линий связи и их ремонт. Служба главного прибориста осуществляет надзор и ремонт контрольно-измерительных и регулирующих приборов, приборов сигнализации и блокировки.

Главный механик осуществляет руководство всем ремонтно-механическим хозяйством завода. Ремонтно-строительный и ремонтно-механический цеха административно подчиняются директору завода, а технически - главному механику.

Рисунок 4- Структура ремонтно-механического хозяйства

Отдел главного механика (ОГМ) входит в состав заводоуправления. На этот отдел возложены следующие функции:

1)    систематический надзор за состоянием оборудования предприятия;

2)      составление плана на ремонт оборудования по предприятию в целом;

)        разработка плана организационно-технических мероприятий по ремонтной службе;

)        разработка плана внедрения новых высокопроизводительных технологических процессов для выполнения ремонтных работ;

)        контроль стоимости ремонтных работ;

6)    составление сводного ежеквартального отчета о выполнении средних и капитальных ремонтов основного оборудования.

Необходимость ремонта оборудования может быть вызвана следующими причинами: наравнопрочность деталей, в результате чего некоторые из них изнашиваются значительно раньше установленного нормативного срока службы данной машины и требуют периодической замены или восстановления; возможность модернизации машины в процессе ремонта, что позволяет компенсировать ее моральный износ; возможностью существенной экономии затрат труда и металла при рациональной организации ремонта.

При правильной организации ремонта в 2-3 раза сокращаются затраты на его обслуживание, увеличиваются сроки службы действующего оборудования, т.е. уменьшается потребность в новом оборудовании. Существенное значение имеет также сокращение на 30-50% простоев оборудования в ремонте, особенно при создании обменного фонда ремонтируемых машин.

Все работы по ремонту производятся или собственными силами предприятия, или совместно со сторонними специализированными организациями. Сторонние организации, привлекаемые на договорных началах, называются подрядчиками; предприятие, заключающее договор, является заказчиком.

Необходимость в подрядчиках определяется объемом предполагаемых работ, а также мощностью и технической оснащенностью собственных ремонтных баз.

Работы между подрядчиками и собственными ремонтными базами, как и работы между производственными участками или звеньями всей ремонтной службы распределяются главным механиком предприятия.

По принципу организации формы ремонтных служб различают децентрализованную, централизованную и смешанную. В первом случае ремонт выполняется на месте силами ремонтных мастерских. Централизованный ремонт выполняется на централизованных ремонтных базах. При смешанной форме в зависимости от объема и сложности ремонт выполняется частично в цеховых ремонтных подразделениях, а основной объем работ - на централизованной ремонтной базе. В настоящее время принята централизованная форма организации ремонтного хозяйства.

Специализация исполнителей ремонтных работ - необходимое условие для повышения производительности труда. Она дает возможность повышать квалификацию и мастерство слесарей, такелажников, сварщиков и других рабочих, улучшать качество ремонтных работ. В некоторых крупных ремонтных базах признана целесообразная узкая специализация: рабочий выполняет определенный комплекс работ только для оного-двух типов оборудования, например только компрессоров или центробежных насосов. Для ремонта нетранспортабельного оборудования на месте его эксплуатации создают специализированные выездные бригады ремонтных баз или заводов изготовителей.

На базовом предприятии действует система технического обслуживания, контроля технического состояния и ремонта оборудования (ТОКРО). Цель системы ТОКРО - обеспечить безопасную и безаварийную эксплуатацию технологического оборудования предприятия в заданных расчетных параметрах при минимальных материальных и трудовых затратах.

Она построена на сочетании проведения технического обслуживания, контроля технического состояния и двух видов планового ремонта - регламентированного и ремонта по техническому состоянию. Регламентированный ремонт выполняется по строго определенным графикам вне зависимости от состояния оборудования, имеет сравнительно большие материальные и трудовые затраты, но при этом гарантирует высокую надежность работы оборудования. Ремонт по техническому состоянию ведется по нормативной документации, определяющей признаки необходимости ремонта по его рабочим параметрам и фактическому состоянию. Такой вид ремонта не имеет строгой последовательности. В настоящее время на предприятии для насосов применяется ремонт по техническому состоянию.

Техническое обслуживание должно обеспечить работоспособность оборудования между ремонтами и выполняется эксплутационным и обслуживающим персоналом. Техническое обслуживание предполагает эксплутационный уход (чистка, смазка, контроль исправности с ведением журнала состояния оборудования) и мелкие ремонт (устранение небольших дефектов, подтяжка креплений, регулировка, замена прокладок и выполнение работ, отмеченных в сменном журнале; смены запасных частей при этом на предусмотрена).

В зависимости от состояния насосного агрегата в Системе ТОКРО предусмотрены три вида планового ремонта: текущий, средний и капитальный.

Текущий ремонт является наиболее часто проводимым видом ремонта; он призван обеспечить или восстановить работоспособность оборудования путем замены или восстановления отдельных его частей. При каждом текущем ремонте должен выполняться комплекс ремонтных работ, обеспечивающий работоспособность оборудования до следующего запланированного ремонта.

Как правило, текущий ремонт отличается небольшим объемом работ. Наиболее характерными работами являются: разборка и последующая сборка отдельных узлов оборудования; тщательный осмотр и оценка характеристики и интенсивности износа поверхностей; обнаружение нарушений размеров деталей; ремонт или замена деталей. При текущем ремонте предоставляется возможность установить правильность предварительно запланированных долговечности, работоспособности и очередных сроков ремонта, а также уточнить объем предстоящего капитального ремонта.

Расходы на текущий ремонт включают в смету производства. Полная его стоимость не превышает 10% оптовой цены насоса.

Капитальный ремонт - это ремонт, при котором производят демонтаж и полную разборку насоса, восстановление деталей (в том числе базовые и корпусные), а также все работы, входящие в текущий и средний ремонт. Капитальный ремонт выполняют в стационарных условиях.

В результате капитального ремонта должна восстанавливаться первоначальная характеристика насосного агрегата.

Капитальный ремонт выполняется за счет амортизационных отчислений. Полная его стоимость не превышает 60% стоимости нового насоса.

Трудоемкость текущих ремонтов составляет 15-20% от трудоемкости капитальных ремонтов.

Из анализа ценообразования на капитальный ремонт насосов следует, что затраты на первый капитальный ремонт составляют в среднем 60% первоначальной стоимости техники, на второй ремонт - 85%, на третий и четвертый ремонты - 100-120%. Это объясняется различной степенью износа основных деталей машин в зависимости от срока ее эксплуатации. Признано целесообразным ввести дифференцированные коэффициенты увеличения затрат на ремонт в зависимости от номера ремонта к затратам на первый капитальный (текущий) ремонт. Так, если стоимость первого капитального ремонта принята за 100%, коэффициент увеличения стоимости второго капитального ремонта по отношению к первому составит 1,3, третьего - 1,8-2.

В зависимости от размеров, массы и конструктивной сложности оборудования практикуются различные способы осуществления ремонтных работ.

Наиболее совершенным является поагрегатный способ ремонта. Он заключается в том, что ремонтируемый насос снимается с фундамента и отправляется в ремонтно-механический цех. Этот способ должен лечь в основу индустриализации ремонта, создать предпосылки для снижения его себестоимости (особенно трудовых затрат), а также резко сократить простой технологических установок в ремонте.

Достоинства поагрегатного способа особенно проявляются в тех случаях, когда предприятие имеет сменный фонд оборудования, т.е. когда на место отправляемого на ремонт оборудования ставится заранее отремонтированное и опробованное оборудование. Это позволяет равномерно загружать ремонтные базы предприятия в течение года, избегая больших нагрузок при одновременной остановке нескольких технологических единиц. Сменный фонд оборудования определяют на основании графиков ремонта, числа одновременно сменяемых машин, аппаратов, арматуры и деталей трубопроводов, а также исходя из сроков простоя в ремонте и мощности ремонтных баз.

Для ремонта крупногабаритного оборудования следует применять крупноузловой способ проведения ремонтных работ, при котором изношенные узлы заменяют новыми, заранее собранными узлами. Применение этого способа возможно только при тщательном соблюдении принципа взаимозаменяемости. Но этот метод ремонта применим и к насосам. Например, для центробежных однокорпусных насосов капитальный ремонт заключается в замене ротора с подшипниками и уплотняющих колец корпуса. При этом сборку ротора и предварительную подгонку подшипников по шейкам вала следует вести в механической мастерской в цехе на участке по ремонту насосов.

Если при полной разборке насосов выявится необходимость замены рабочих колес, защитных гильз и других деталей, целесообразно также заменить ротор в сборе, а затем на ремонтном участке восстановить замененный ротор, сделав его запасным.

На указанном участке должны быть собранные роторы с подогнанными уплотняющими кольцами корпуса, грундбуксами, торцовыми уплотнениями и т.д. На заводах, где есть литейные отделения, необходимо иметь запасные корпуса подшипников с подогнанными вкладышами, внутренние корпуса двухкорпусных насосов в сборе с роторами и др.

Для уникального оборудования, а также при отсутствии условий для первых двух способов проведения ремонта используют индивидуальный способ ремонта. Сущность его заключается в том, что после разборки ремонтируемых участков оборудования изношенные узлы и детали восстанавливают по технологии, наиболее приемлемой в данном случае. Широкое применение запасных частей при этом является надежной основой для сокращения сроков ремонта.

3.2.3     Типовые ремонтные работы центробежных насосов

На базовом предприятии насосы ремонтируют в соответствии с их техническим состоянием. В системе ТОКРО для насоса выделяются такие виды ремонта как капитальный, средний и текущий.

Текущий ремонт насоса состоит в следующем:

-     проверка и регулировка осевого разбега ротора;

-       проверка состояния подшипников качения;

-       проверка уплотняющей способности торцового уплотнения, при необходимости ремонт или замена;

-       осмотр и при необходимости ремонт или замена защитных гильз вала;

-       осмотр соединительной муфты, замена смазки;

-       проверка системы охлаждения и смазки, трубопроводов и штуцеров на насосе;

-       замена масла;

-       проверка крепления насоса и электродвигателя к раме и рамы к фундаменту;

-       проверка центровки с электродвигателем.

Средний ремонт насоса:

-     весь объем работ текущего ремонта;

-       проверка состояния рабочих колес, проверка на трещины цветной дефектоскопией, при необходимости их замена;

-       ремонт или замена уплотнительных колец рабочих колес и корпуса;

-       проверка ротора на биение, статическая и при необходимости динамическая балансировка;

-       разборка, проверка и при необходимости замена соединительной муфты;

-       очистка и промывка масляных емкостей подшипников;

-       осмотр и восстановление резьбовых соединений насоса, шеек, шпоночных канавок и резьб вала, а при необходимости его замена. Проверка вала на отсутствие трещин цветной и ультразвуковой дефектоскопией, а остальных деталей визуально;

-       центровка вала насоса и электродвигателя;

-       обкатка и опробование насоса в работе.

Капитальный ремонт насоса:

-     весь объем текущего и среднего ремонта;

-     расточка и загильзовка посадочных мест корпуса насоса под подшипники, диафрагму, уплотнительные кольца и др.

-     нарезание ремонтных резьб. Восстановление прокорродированных мест и привалочных поверхностей;

-       проверка горизонтальности корпуса насоса;

-       ремонт фундамента;

-     обкатка и испытание насоса.

3.2.4     Контроль качества ремонта

Для обеспечения высокой надежности машин большое значение имеет периодический контроль их состояния при эксплутационном обслуживании и ремонте.

Оценку качества отремонтированного оборудования и его узлов производит служба технического контроля совместно с руководящим персоналом эксплуатационной службы на основании отраслевых стандартов. Методы и средства испытаний должны обеспечить возможность получения данных, достаточно полно характеризующих показатели качества, установленные технической документацией данного оборудования. Результаты оценки качества ремонта заносят в акт сдачи оборудования из ремонта.

Самым простым методом контроля является визуальный осмотр. При этом методе контролируемую деталь тщательно очищают и осматривают с использованием слабой оптики. Этот метод контроля применим только для выявления явных дефектов и существенно экономит время по сравнению с другими методами контроля.

С целью установления правильности геометрической формы деталей и узлов, отклонения их размеров от заданных и определения износа выполняются технические измерения. В условиях ремонта точность измерений лежит в пределах 10 мкм и очень редко достигает 2-5 мкм.

По способу получения результата измерения подразделяют на прямые и косвенные. Прямые (абсолютные) измерения - при которых искомое значение измеряемой величины определяют путем непосредственного сравнения ее с мерами или с помощью прибора, проградуированного в принятых единицах измерений. Косвенные измерения состоят в определении измеряемой величины по результатам прямых измерений одной или нескольких других величин, связанных с искомой величиной определенной функциональной зависимостью.

Методы измерения и контроля подразделяет на контактные и бесконтактные. Контактные измерения проводят путем контакта измерительного наконечника с поверхностью измеряемой детали, причем характер контакта может быть точечным, линейным или поверхностным. Бесконтактные измерения осуществляются без механического контакта между измерительным наконечником и измеряемой деталью.

Методы контроля также подразделяют на методы неразрушающего контроля и методы разрушающего контроля. Главное отличие этих методов в том, что неразрушающий контроль позволяет проверить качество деталей, не нарушая пригодности к использованию. Методы неразрушающего контроля по ГОСТ 18253-88 подразделяют на оптические, капиллярные, ультразвуковые, радиационные, электрические, магнитные и др.

Основные узлы насоса (ротор, торцовое уплотнение) могут иметь различные отклонения формы, относительного расположения деталей на каждое из которых существует определенный метод контроля.

В условиях ремонта овальность определяют с помощью универсальных приборов (штангенциркуль, микрометр и др.) измерением наибольшей разности диаметров в двух взаимно перпендикулярных направлениях.

Конусообразность (конусность) определяют с помощью универсальных приборов измерением диаметров по краям продольного сечения, а бочкообразность - по краям и в середине продольного сечения. Изогнутость определяют при вращении детали, базирующиеся на двух ножевых опорах под наконечником измерительной головки. При этом размах колебаний показаний головки равен удвоенной величине изогнутости.

Неплоскостность можно определить по поверочной плите с помощью измерительной головки, укрепленной на стойке. Деталь выверяют на плите так, чтобы три точки, не лежащие на одной прямой и по возможности наиболее удаленный друг от друга, находились на одинаковом расстоянии от поверочной плиты. Считается, что при этом прилегающая плоскость параллельна плоскости поверочной плиты. За неплоскостность принимается наибольшая разность показаний измерительной головки в различных точках контролируемой поверхности.

Непараллельность плоскостей контролируют с помощью измерительной головки, укрепленной на стойке. Деталь устанавливают базовой поверхностью на поверочной плите, имитирующей прилегающую плоскость; непараллельность определяют изменением показаний головки в разных точках свободной поверхности. При такой схеме в результате измерения непараллельности образуется погрешность метода измерений - неплоскостность. Для исключения последней могут быть использованы контрольная линейка или пластинка с параллельными гранями.

Перекос осей и непараллельность могут быть определены на поверочной плите с помощью индикаторного прибора, укрепленного на стойке. Деталь устанавливают на призмах и выверят так чтобы ее ось была параллельна плоскости поверочной плиты, причем расположение оси цилиндрической прилегающей поверхности при измерении обычно определяется по соответствующей образующей этой поверхности.

Неперпендикулярность определяют на поверочной плите с помощью измерительной головки, укрепленной на стойке, позволяющей перемещать головку перпендикулярно плоскости плиты. За неперпендикулярность принимается разность показаний головки на заданном перемещении.

Торцовое биение определяют на призме с помощью измерительной головки. Деталь устанавливают базовой поверхностью и фиксируют в осевом направлении. За торцовое биение принимают разность между наибольшим и наименьшим показаниями головки, полученными при вращении детали.

Несоосность относительно базовой поверхности определяют обычно измерением радиального биения проверяемой поверхности в заданном сечении или в крайних сечениях при вращении детали вокруг оси базовой поверхности.

Несоосность шеек вала определяют на ножевых опорах, находящихся в средних сечениях шеек, с помощью измерительной головки.

Радиальное биение проверяют на призмах с помощью измерительной головки. За радиальное биение принимается разность экстремальных показаний головки за полный оборот детали.

Несимметричность проверяют на плите в центрах с помощью измерительной головки. Она определяется как полуразность расстояний, замеренных в двух диаметрально противоположных направлениях детали.

Неуравновешенность ротора приводит к появлению инерционных сил, перегружающих опоры и вызывающих вибрацию машину. Поэтому ротор должен быть обязательно уравновешен. Процесс уравновешивания называют балансировкой. Различают статическую и динамическую балансировку.

Цель статической балансировки - устранить неуравновешенность детали и узла относительно оси вращения. Статическую балансировку производят на горизонтальных направляющих ножах или на вращающихся дисках. Изготовленные с высокой точностью стальные закаленные ножи с трапециевидным сечением устанавливают так, чтобы их рабочие поверхности находились строго в одной горизонтальной плоскости. Ширина рабочих поверхностей ножей обычно колеблется от 5 до 8 мм в зависимости от массы балансируемого узла. Диаметр дисков (роликов) балансировочного приспособления в 6-8 раз превышает диаметр цапф вала балансируемого узла (детали). Ролики должны быть установлены так, чтобы ось вращения балансируемого узла была строго горизонтальна.

Установленный на балансировочное приспособление ротор выводят из равновесия, перекатывая его по ножам или дискам на разные угла. Если узел не уравновешен, он будет стараться вернуться в прежнее положение, т.е. в такое, при котором дисбаланс (смещение центра тяжести) будет находиться в нижней части сечения ротора вертикальной плоскостью, проходящей через ось. Пробным прикреплением корректирующих грузов или, наоборот, удалением эквивалентного их количества с диаметрально противоположной стороны добиваются равновесия балансируемого ротора во всех положениях. Добавляемый груз приваривают к какой-нибудь детали ротора, заливают ее в пустоты и т.п. Излишний металл удаляют сверлением рубкой, точением.

После устранения дисбаланса в обязательном порядке следует произвести контрольную балансировку.

Для ротора одной статической балансировки недостаточно; необходимо, чтобы массы, сосредоточенные в разных плоскостях, перпендикулярных к оси вращения, не создавали пару центробежных сил, приводящих к большим динамическим перегрузкам опорных конструкций (вибрациям), т.е. к динамическому дисбалансу. Динамическую балансировку проводят на специальных приспособлениях и станках.

Во всех балансировочных машинах измерят колебания опор быстро вращающегося ротора; по амплитуде и фазе колебаний, измеряемых механическим, оптическим или электрическим способом, определяют величину и положение уравновешивающих грузиков.

Конструктивное разнообразие балансировочных машин и роторов оборудования не позволяет создать сколько-нибудь общую технологию балансировки роторов, поэтому в каждом конкретном случае следует руководствоваться соответствующими инструкциями.

Дефекты в глубине детали обнаруживают методами магнитной и ультразвуковой дефектоскопии и рентгеноскопии.

Контроль резьбовых деталей можно осуществлять поэлементно - измерением отдельно каждого параметра резьбы - и комплексно - измерением одновременно ряда параметров.

Поэлементный контроль основных параметров (средний диаметр, угол профиля, шаг и ход резьбы) ввиду сложности применяют преимущественно в лабораторных условиях при контроле резьбовых калибров, резьбообразующего инструмента, микрометрических и ходовых винтов.

Комплексный контроль обеспечивает соблюдение предельных размеров контролируемой резьбы на длине свинчивания. Резьбу считают годной, если ее действительные размеры не выходят за пределы допусков на любом участке, равном длине свинчивания.

При выполнении ремонта производится центровка валов насоса и электродвигателя, способом, описанным при монтаже агрегата.

Собранный насос должен пройти обкатку, при которой контролируют температуру элементов насоса и герметичность соединений, концевых уплотнений ротора. Помимо обкатки, корпус насоса и вспомогательные трубопроводы подвергаются гидроиспытанию.

Допустимые значения средних уровней звука на расстоянии 1 м от контура агрегата не должны превышать средние уровни звука электродвигателя по ГОСТ 16372-84 более, чем на 3 дБ.

Перед пуском насоса необходимо проверить правильность сборки оборудования по составленным в период ремонта формулярам зазоров ротора, качества центровки, показателям балансировки, актам технического состояния и результатам ультра звуковой дефектоскопии шеек вала, актам гидроиспытаний ответственных деталей и сборочных единиц насоса. До оформления и подписания этих документов нельзя приступать к обкатке.

Подготовку к обкатке насосной установки выполняют в соответствии с инструкциями завода-изготовителя.

Перед пуском, прежде всего, тщательно очищают площадку вокруг машины: убирают ремонтные приспособления, неиспользованные и замененные детали, инструменты и прочее. Проверяют и готовят к пуску смазочную систему и систему охлаждения. Обильное смазывание поверхностей трения в период обкатки насоса - одно из основных условий правильной приработки деталей. Для проверки правильности сборки ходовой части вал насоса проворачивают вручную или с помощью валоповоротных механизмов. В некоторых машинах это делают кратковременным включением электродвигателя.

Определенное время оборудование обкатывают без нагрузки. При обкатке непрерывно наблюдают за давлением и подачей смазки на все поверхности трения, определяют, нет ли стуков и ударов в механизме движения, контролируют температуру подшипников и размер осевого сдвига. В отремонтированных насосах промывают вспомогательное оборудование и трубопроводы. После устранения выявленных при обкатке и промывке недостатков постепенно дают нагрузку. Длительность приработки деталей под нагрузкой зависит в основном от размеров и сложности оборудования. Наблюдать за работой насоса в этот период следует особенно внимательно. По истечении установленного времени пробега под нагрузкой оборудование останавливают и проводят ревизию основных узлов и деталей. Выявленные при этом неисправности следует устранить. Сборку после ревизии нужно проводить особенно тщательно, чтобы не нарушать приработку деталей. После сборки для проверки ее правильности оборудование вновь запускают под нагрузкой. Продолжительность пробного пробега под нагрузкой составляет 1-3 часа. При нормальной работе всех сборочных единиц оборудование включают в систему для работы. После 2-3 часов работы насоса в системе подписывают акт о приемке агрегата из ремонта. Одновременно с обкаткой и наладкой нормального режима насосной установки настраивают средства автоматического контроля, регулирования, защиты и сигнализации.

3.3  
Технология изготовления вала

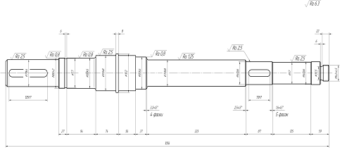
В качестве исходного материала берется 40Х в соответствии с требованиями чертежа.

Рисунок 4 - Операционный эскиз

Контрольная

Проверить состояние проката на наличие поверхностных дефектов, трещин, плен, забоин визуально. Проверить наличие сертификата на круглый прокат Ø 105 мм, полноту проведения испытаний; при отсутствии сертификата произвести химический анализ и механические испытания круга Ø 105 40Х согласно ГОСТ 4543-71.

Заготовительная

Разметить и отрезать заготовку на вал с припуском на механическую обработку 40Х Ø 105 мм, L=1060 мм.

Токарная

Установить заготовку вала в станок. Точить заготовку вала под предварительную термообработку Ø 104 мм, L=1058 мм.

Контрольная

Проверить геометрические характеристики: диаметр и длину заготовки.

Термическая

Произвести улучшение металла: закалка t=840-860º С. Охлаждающая среда - масло. Отпуск t=540-580º С. Охлаждающая среда - масло или воздух с печью.

Контрольная

Зачистить заготовку вала. Произвести контроль твердости заготовки вала. HB≥280.

Токарная

Точить вал под УЗД. Диаметр и длина вала в размер согласно чертежа: Ø 103 мм, L=1057 мм.

Контрольная

Проверить геометрические характеристики: Ø 103 мм, L=1057. Произвести УЗД заготовки вала согласно ГОСТ 14782-86, ГОСТ 24507-80.

Точить вал в соответствии с чертежом в центрах с припуском под шлифовку. Øн 102,5 мм, L= 1056 мм. Точить и нарезать резьбы. Подрезы и острые углы в местах переходов не допускаются.

Контрольная

Произвести контроль геометрических размеров вала: основные диаметры и длину вала. Контролировать резьбы на валу по калибру.

Фрезерная

Фрезеровать пазы согласно чертежу в размер.

Контрольная

Произвести контроль размеров пазов.

Термическая.

Вал калить ТВЧ. HRC=48-52. Отпустить t=180-220º С.

Контрольная.

Зачистить каленую поверхность. Произвести замер твердости HRC=48-52.

Шлифовальная.

Шлифовать вал согласно чертежу.

Контрольная

Контролировать диаметры вала, длину, резьбы. Произвести цветную дефектоскопию вала в лаборатории ОТН.

Клеймение.

Клеймить вал с торца: НКВ 360/200 и номер партии.

 

4. Экономическая часть

 

4.1   Расчет сметных затрат на замену насоса Н-6,6а

Затраты, произведенные на приобретение нового оборудования Знов, руб. вычисляем по формуле

,

где n - количество приобретенных единиц оборудования, n=2;

З1 - цена одного нового насоса, З1=780 000 руб.


Стоимость демонтажа-монтажа насосов Н-6, 6а Здм, руб согласно расценкам ремонтного предприятия составляет 34 390 руб.

Остаточную стоимость агрегатов Qост, руб. вычисляем по формуле

,

где Qперв. - первоначальная стоимость демонтируемых насосов, Qперв.=500 000 руб.;

Nа - норма амортизации, Nа=9 %;

nэксп. - срок эксплуатации, nэксп.=5 лет.

Затраты на возведение фундамента, заготовку трубопроводов и арматуры Зф, руб вычисляем по формуле


Транспортные и складские расходы Зтс, руб вычисляем по формуле


Затраты на замену насоса Зз, руб. вычисляем по формуле


Таблица 5 - Сметная стоимость замены насосов Н-6,6а

Приобретение новых агрегатов:

1 560 000 руб.

Демонтаж-монтаж:

34 390 руб.

Заготовка фундамента и др.:

46 800 руб.

Транспортные и складские расходы:

31 200 руб.

Ликвидационная стоимость:

550 000 руб.

Итого:

1 122 390 руб.


4.2   Расчет годовой экономии в результате замены насосов Н-6,6а

Мощность, потребляемую насосными агрегатами до замены Nстар., руб. вычисляем по формуле

,

где Nном.стар. - номинальная мощность старого электродвигателя, Nном.стар.=132 кВт;

ηдв. - КПД двигателя, ηдв.=0,98;

ηсети - КПД двигателя, ηсети=0,99.


Мощность, потребляемую насосными агрегатами после замены Nнов., руб. вычисляем по формуле

,

где Nном.нов. - номинальная мощность нового электродвигателя, Nном.нов.=200 кВт;

ηдв. - КПД двигателя, ηдв.=0,98;

ηсети - КПД двигателя, ηсети=0,99.


Годовую экономию в результате снижения потребления электроэнергии Ээл., руб. вычисляем по формуле

,

где Тэф. - эффективный фонд рабочего времени установки АВТ-6, Тэф.=315 дн.;

Ц1 кВт*ч - цена 1 кВт*ч электроэнергии, Ц1 кВт*ч=1,38 руб..


В результате замены насосов происходит 2-х кратное уменьшение износа, приходящегося на один насос и как следствие, 2-х кратное уменьшение затрат на проведение ремонта. Экономия равна затратам, производимым на ремонт одного насоса.

Годовую экономия по ремонту насосных агрегатов Эрем., руб. вычисляем по формуле

,

где nтек. - количество текущих ремонтов за ремонтный цикл, nтек.=6;

nсред. - количество средних ремонтов за ремонтный цикл, nсред.=2;

nкап. - количество капитальных ремонтов за ремонтный цикл, nкап.=1;

Стек. - стоимость текущего ремонта на ремонтном заводе, Стек.=5321 руб;

Ссред. - стоимость среднего ремонта на ремонтном заводе, Ссред.=14200 руб;

Скап. - стоимость капитального ремонта на ремонтном заводе, Скап.=17755 руб;

Тцикла - длительность ремонтного цикла, Тцикла =4,5 года.

Суммарную годовую экономию Э, руб. вычисляем по формуле

 

4.3   Расчет срока окупаемости насосных агрегатов

Срок окупаемости Т, в годах вычисляем по формуле


Срок окупаемости лежит в пределах нормативного.

Таблица 6 - Технико-экономические показатели

Стоимость агрегатов:

1 560 000 руб.

Ликвидационная стоимость:

550 000 руб.

Суммарные затраты:

1 122 390 руб.

Годовая экономия по электроэнергии:

688 565 руб.

Годовая экономия по ремонту насосов:

17 351 руб.

Строк окупаемости:

1,56 года


Данный расчет подтверждает обоснованность проекта замены и доказывает, что электроэнергия является дорогим энергоресурсом, неграмотное использование которого приводит к экономическим убыткам.

5. Мероприятия по технике безопасности и противопожарной технике

 

5.1        Противопожарные мероприятия на установке АВТ-6

На установке в больших объемах и под давлением в трубопроводах и аппаратах образуются взрывопожароопасные продукты переработки нефти.

Зажженная спичка, подключение электроприборов в недозволенном месте, брошенная тлеющая сигарета, искра от сварки или удар металла о металл могут привести к взрыву и пожару.

Каждый рабочий и служащий обязан:

- знать правила пожарной безопасности, установленных для его рабочего места, участка, а также для всего предприятия и выполнять их;

-       знать расположение имеющихся вблизи его рабочего места средств пожаротушения, их назначение и уметь ими пользоваться;

-       знать местонахождение телефона и извещателя АПС;

-       знать способ, как вызвать пожарную охрану на место пожара.

Территория установки должна содержаться в чистоте и порядке.

На ней должны располагаться указатели на ближайшее пожарное оборудование. Дороги должны быть незагромождены. Въезд транспорта на территорию установки возможен только с письменного разрешения начальника установки.

При проведении строительных, ремонтных, земляных и монтажных работ на путях должно оставаться не менее 3 метров ширины проезда. При проведении раскопки дороги через яму должен быть проложен мост шириной не менее 3 метров.

Самостоятельно ремонтировать электропроводку и электроприборы запрещается. Разборку и сборку электродвигателя, а также отключение его от электросети должен производить только электромонтер. Оборудование должно быть заземлено согласно отраслевым и государственным стандартам.

На дверях каждого помещения должны быть написаны их категории взрывопожароопасности по НПБ 105. Двери помещений должны открываться наружу.

В помещениях должна быть установлена вентиляция.

На установке должен осуществляться регулярный контроль за работой оборудования, исправностью трубопроводов и фланцевых соединений. В случае обнаружения разгерметизации трубопровода очевидец должен сообщить об этом руководству.

Трава должна регулярно коситься, а кустарник вырубаться с дальнейшим вывозом за территорию установки.

Применение открытого огня, сушка одежды на трубопроводах, складирование горючих материалов в открытой таре на территории установки запрещается.

Пуск насоса, перекачивающего горячий нефтепродукт должен сопровождаться предварительным прогревом.

5.2        Техника безопасности при монтаже насоса

Половина травм происходит при строповке, перемещении, установке и укладке грузов. В основном травмируются ноги при падении переносимых грузов. При этом основании группа травм связана с временными устройствами, которые изготавливаются из подручных материалов по индивидуальным проектам. При монтаже оборудования должны выполняться следующие правила техники безопасности.

К монтажным работам допускаются лица не моложе 18 лет на основании данных медицинского осмотра, прошедшие вводный инструктаж на рабочем месте и знающие правила техники безопасности, что должно быть записано в специальных журналах.

Монтажный персонал должен явиться на рабочее место в исправной спецодежде и с защитными средствами (каска, противогаз). Все колодцы, лотки, траншеи и другие коммуникации, находящиеся на пути грузоподъемных и транспортных машин, должны быть обозначены хорошо видимыми указателями. Запрещается выходить на монтажную площадку без защитной каски и находиться под грузом, перемещаемым краном.

При силе ветра более 6 баллов работа кранов прекращается. На электролебедках могут работать только лица, знающие их устройство и правила эксплуатации, что должно быть подтверждено удостоверением, выданным квалификационной коммисией.

Грузоподъемные операции могут проводиться только специально обученным персоналом. Из зоны подъема и спуска груза люди должны быть удалены на безопасное расстояние до начала операции.

Не допускается поднимать грузы, засыпанные землей или примерзшие к земле.

При строповке грузов запрещается поднимать груз без предварительной проверки исправности такелажа, надежности строповки груза, пробного подъема груза на высоту 0,2-0,3 м для проверки равномерности натяжения стропов и положения центра тяжести. Запрещается подтаскивать грузы краном при косом натяжении канатов или поворотов стрелы.

Усилие, действующие на рым-болт, должно быть направлено по оси рыма. Для этой цели при подъеме агрегата за несколько стропов между стропами должна быть установлена распорка или применена траверса. При обвязке груза нельзя допускать угол между ветвями стропа более 90º.

На углах и ребрах оборудования во избежание повреждения стропа необходимо ставить деревянные подкладки. Запрещается смазывать, чистить и ремонтировать такелажные механизмы и оснастку, когда они находятся под нагрузкой.

При сматывании каната с барабана лебедки на последнем должно оставаться не менее полутора витка каната.

Устанавливаемые элементы конструкций до их освобождения от крюка крана должны быть надежно закреплены.

При установке деталей следует направлять их не руками, а соответствующим инструментом. Совпадение отверстий во фланцах и других деталях должно проверяться конусными оправками, а не пальцами.

При работе в ночное время рабочие места должны быть хорошо освещены лампами рассеивающегося света и прожекторами. Переносные лампы должны иметь напряжение 12 В.

При гидроиспытании насоса и арматуры запрещается находится против фланцевых соединений.

 

5.3        Техника безопасности при ремонте насоса

Ремонтные работы в действующих цехах проводятся по нарядам -допускам согласно перечня. Наряд-допуск выдается начальником цеха. Допуск к работе выдается по наряду-допуску руководителем работ, которым является механик цеха. Руководитель работ назначает ответственного производителя работ (бригадир, слесарь) на 3 дня.

При работе в слесарной мастерской и в РМЦ наряд-допуск не требуется.

Транспортировка и подъем узлов осуществляется только исправными грузоподъемными механизмами. К ручной транспортировке грузов допускаются лица, достигшие 18-ти лет и прошедшие медосмотр. Один человек может поднимать узлы весом не более 500 Н. Подъем более тяжелых грузов одним человеком запрещается. При работе грузоподъемных устройств запрещается: находиться под поднимаемым грузом или на пути его движения; отрывать краном агрегат от бетонной подливки; допускать раскачивание груза; оставлять груз в подвешенном состоянии на длительное время. При работе электролебедки запрещается исправлять неправильное наматывание троса на барабан; осуществлять резкое переключение с прямого хода на обратный, допускать полное разматывание троса (на барабане лебедки должно оставаться не менее полутора витков троса).

Перед ремонтом насоса необходимо отключить электропитание, разъединить зубчатую муфту и на рубильнике повесить плакат "Не включать работают люди". Снятые узлы и детали укладываются на специально отведенных местах так, чтобы оставались свободные участки для безопасного продолжения работ. Запрещается наращивать гаечные ключи трубами для увеличения крутящего момента и использовать ключи большого размера с установкой прокладок между гайкой и ключом. Запрещается также отворачивать и заворачивать гайки зубилом и молотком.

При выпрессовке деталей прессом запрещается поддерживать рукой оправки и другие направляющие приспособления. Разборка узла на стендах и верстаках выполняется после надежного его закрепления. Пользоваться неисправными зажимными устройствами запрещается.

При мойке деталей необходимо работать в резиновом фартуке и перчатках. При работе с кислотами необходимо пользоваться резиновым фартуком, перчатками и специальными защитными очками. При травлении и обезжиривании для погружения детали в ванну должны применяться щипцы. Количество кислот, хранимых на рабочем месте, не должно превышать потребности одной рабочей смены. Храниться кислоты в стеклянных и фарфоровых сосудах с широким дном и притертой пробкой. При попадании кислоты или щелочи на кожу пораженное место необходимо промывать водой в течении 15-20 мин.

Слесарные верстаки, установленные вблизи проходов или обращенные к другим рабочим местам, должны иметь на задней стороне сетку высотой 600 мм. Перед работой необходимо проверять исправность ручного инструмента и надежность крепления его на рукоятках. Рабочая поверхность молотков и кувалд не должна иметь заусенцев и трещин. Ручки молотков и кувалд должны быть заклинены стальными клиньями.

При рубке нужно надевать предохранительные очки с небьющимися стеклами.

Напильники должны быть с ручками. Опилки и стружку необходимо удалять с помощью щеток или ветоши.

Заточные станки должны иметь предохранительный кожух и специальный прозрачный экран для защиты гильз от абразивной пыли. Зазор между абразивным кругом и подручником должен быть минимальным. Регулировать зазоры можно только во время остановки станка.

Работа на сверлильных станках ведется с соблюдением следующих правил:

- необходимо надежно закрепить детали на столе станка в тисках или в приспособлении;

-       нельзя удалять стружку рукой;

-       нельзя подавать охлаждающую жидкость смоченными обтирочными концами;

Рукава одежды рабочего должны быть завязаны, волосы убраны под головной убор.

К работе электрическим и пневматическим инструментом допускаются лица, которые изучили их устройство и правила пользования. Работа с электрифицированным инструментом разрешается только с обязательным использованием диэлектрических перчаток, галош или коврика и заземления корпуса электроинструмента. Изоляция электрифицированного инструмента должна проверяться периодически, а также при начале работы инструментом. При работе со сжатым воздухом и на наждачном круге надеваются защитные очки.

Электроинструмент с помещении без повышенной опасности может применяться на напряжении 127 220 В. В помещениях с повышенной опасностью напряжение не должно превышать 36 В. Провода должны покрываться защитой из резиновой трубки. Резиновая трубка в месте вывода провода в инструмент должна быть заключена в металлическую спираль. До полной остановки электроинструмента нельзя вынимать режущий инструмент.

Пневмоинструмент более безопасен, чем электроинструмент. Он может применяться в сырых помещениях и под дождем. Работа с пневмомолотком и пневмозубилом должна проводиться в защитных очках с установкой экранов для ограждения зоны отлета кусков. При включении пневмомолотка во избежание выброса зубила необходимо сначала прижать зубило к металлу и после этого включить молоток.

5.4        Средства индивидуальной защиты ремонтного персонала

Согласно ГОСТ 12.4.034-78 средства индивидуальной защиты органов дыхания (СИЗОД) подразделяют на две группы: фильтрующие (Ф), обеспечивающие защиту в условиях достаточного количества кислорода (не менее 18% в воздухе) и ограниченного содержания вредных веществ, и изолирующие (И), обеспечивающие защиту в условиях недостаточного количества кислорода и неограниченного содержания вредных веществ в воздухе.

Фильтрующие СИЗОД в свою очередь подразделяют на противоаэрозольные (ФА), противогазовые (ФГ) и универсальные (ФУ), а изолирующие СИЗОД - на шланговые (ИШ) и автономные (ИК).

Промышленный фильтрующий противогаз состоит из резиновой лицевой части (шлема-маски), гофрированной трубки и фильтрующей коробки, заполненной специальным химическим поглотителем, состав которого зависит от вида вредных веществ, находящихся в воздухе. Лицевая часть противогаза имеет пять размеров.

В зависимости от конкретных условий на каждом участке производства его руководители вместе с работниками газоспасательной службы определяют, какими марками противогазов должны пользоваться работающие и кому противогазы должны выдаваться в личное пользование. Независимо от этого на установке или в цехе создают резервный запас противогазов. В резервном комплекте должны быть противогазы всех размеров, а каждый рабочий должен знать свой размер противогаза.

Для защиты от пыли применяют противоаэрозольные (противопылевые) респираторы. Они могут быть бесклапанными или клапанными.

Наиболее простым респиратором бесклапанного типа является "Лепесток" одноразового пользования, изготовленный из специальной фильтрующей ткани, укрепленной на каркасе из пластмассы. На голове "Лепесток" крепится тесемками.

Пневмошлемы и пневмомаски применяют для защиты органов дыхания в условиях повышенной концентрации пыли и газов при выполнении работ на отдельных рабочих местах (в пескоструйных камерах).

Для защиты глаз от воздействия вредных и опасных производственных факторов применяют защитные очки (от пыли, твердых частиц, брызг неразъедающих и разъедающих жидкостей, газов, ультрафиолетового излучения, слепящей яркости видимого излучения, инфракрасного излучения и др.).

Для защиты от вредного воздействия на кожные покровы агрессивных веществ помимо рукавиц применяют защитные пасты и мази.

Спецодежда служит для защиты тела работающих от различных производственных вредностей и опасностей: агрессивных жидкостей, искр, брызг металла, вода, низких и высоких температур и т.д. Спецодежда, спецобувь и другие предохранительные приспособления выдают работающими бесплатно в соответствии с действующими нормами и сроками носки.

Для защиты ног от агрессивных веществ, воздействия температурных факторов и механических повреждений применяют различные виды специальной обуви: сапоги, полусапоги, ботинки, полуботинки, туфли, галоши, боты и бахилы.

Спецодежда, спецобувь и предохранительные приспособления являются собственностью предприятия, выносить их за пределы предприятия не разрешается.

Для защиты рук от механических травм, ожогов, действия растворителей и других вредностей применяют рукавицы и перчатки, изготавливаемые из различных материалов: хлопчатобумажных, льняных, шерстяных, кожи, резины и полимерных материалов.

Средства защиты от шума подразделяют на две группы: антифоны -вкладыши, вкладываемые в устье слухового аппарата, и наружные противошумы - наушники, шлемы, накладываемые на ушную раковину. Наиболее эффективны вкладыши "Беруши", состоящие из смеси волокон органической бактерицидной ваты и ультратонких полимерных волокон и позволяющие снижать уровень звука на различных частотах от 15 до 30 дБ.

Список используемой литературы

1. Б.М. Елисеев "Расчет деталей центробежных насосов", М. "Машиностроение", 1975 г.

. А.Е. Евгеньев, А.П. Крупеник "Гидравлика", М. "Недра", 1993 г.

3. С.А. Фарамазов. Ремонт и монтаж оборудования химических и нефтеперерабатывающих заводов. М.: Химия, 1988 г.

. М.И. Ведерников "Компрессорные и насосные установки", М.:"Высшая школа", 1974 г.

. М.И. Гальперин, В.И. Артемьев, Л.М. Месгечкин "Монтаж технологического оборудования нефтеперерабатывающих заводов", М.:"Высшая школа", 1974 г.

. В.И. Ермаков, В.С. Шеин "Ремонт и монтаж химического оборудования", Ленинград:"Химия", 1981 г.

. З.З. Рахмилевич "Насосы в химической промышленности", М.: "Химия", 1990 г.

. З.Б. Харас "Монтаж аппаратов нефтяной и газовой промышленности", М.: "Недра", 1974 г.

. М.С. Семидуберский " Насосы. Компрессоры. Вентиляторы.", М.:"Высшая школа", 1974 г.

10. М.А.Берлин " Ремонт и эксплуатация насосов нефтеперерабатывающих заводов" , Ленинград: "Химия", 1970 г.

. В.С. Медведева "Охрана труда и противопожарная защита в химической промышленности", Ленинград: "Химия", 1989 г.

12.   Волков О. И. , "Экономика предприятия", М., 1997 г.

13. Малышев Ю. М. , "Экономика, организация и планирование", М., 1990 г.

Приложение А

Формат

Зона

Позиция

Обозначение

Наименование

Кол.

Приме- чание





Документация



А4



ДП 150411 00.00.00 ПЗ

Пояснительная записка

1


А1



ДП 150411 00.00.00 СБ

Сборочный чертеж

2






Сборочные единицы





1

ДП 150411 00.01.00 СБ

Торцевое уплотнение

1






Детали





5

ДП 150411 00.00.01

Корпус насоса

1




6

ДП 150411 00.00.02

Крышка корпуса

1




7

ДП 150411 00.00.03

Корпус подшипников

1




8

ДП 150411 00.00.04

Сальница

1




9

ДП 150411 00.00.05

Аппарат направляющий

1




10

ДП 150411 00.00.06

Рубашка охлаждения

1




11

ДП 150411 00.00.07

Крышка сквозная

1




12

ДП 150411 00.00.08

Крышка

1




13

ДП 150411 00.00.09

Крышка сквозная

1




14

ДП 150411 00.00.10

Кольцо

1




15

ДП 150411 00.00.11

Кольцо

1




18

ДП 150411 00.00.14

Шайба установочная; комплект

1




19

ДП 150411 00.00.15

Шайба установочная; комплект

1




20

ДП 150411 00.00.16

Кольцо уплотнительное

1




21

ДП 150411 00.00.17

Кольцо уплотнительное

1




22

ДП 150411 00.00.18

Вал

1




23

ДП 150411 00.00.19

Колесо рабочее

1




24

ДП 150411 00.00.20

Колесо винтовое

1




25

ДП 150411 00.00.21

Гайка

1




26

ДП 150411 00.00.22

Кольцо отбойное

1




27

ДП 150411 00.00.23

Втулка

1




28

ДП 150411 00.00.24

Кольцо

1




29

ДП 150411 00.00.25

Втулка

1




30

ДП 150411 00.00.26

Втулка распорная

1




31

ДП 150411 00.00.27

Втулка уплотнительная

1




32

ДП 150411 00.00.28

Полумуфта зубчатая

1




33

ДП 150411 00.00.29

Кольцо уплотнительное

1




34

ДП 150411 00.00.30

Кольцо уплотнительное

1




35

ДП 150411 00.00.31

Кольцо уплотнительное

1




36

ДП 150411 00.00.32

Кольцо уплотнительное

1




37

ДП 150411 00.00.33

Пробка

2




38

ДП 150411 00.00.34

Пробка

2




39

ДП 150411 00.00.35

Прокладка

2




40

ДП 150411 00.00.36

Прокладка

1




41

ДП 150411 00.00.37

Прокладка

1




42

ДП 150411 00.00.38

Прокладка

1




44


Стандартные изделия




Похожие работы на - Проект замены насосов на установке первичной переработки нефти

 

Не нашли материал для своей работы?
Поможем написать уникальную работу
Без плагиата!
Без нейросетей!