Принцип построения систем автоматического управления
МИНОБРНАУКИ
РОССИИ
Федеральное
государственное бюджетное образовательное
Учреждение
высшего профессионального образования
«Тульский
государственный университет»
Политехнический
институт
Контрольно-курсовая
работа
по
дисциплине «Управление техническими системами»
Тула 2011
Задание 1. Изучение принципа
построения систем автоматического управления
. Принцип управления по отклонению.
Принципиальная схема и описание работы системы
управления по отклонению.
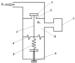
Рассмотрим его на примере газового регулятора
давления. Принципиальная схема приведена на рисунке:
Рис. 1
- клапан; 2 - седло; 3 - шток; 4 - мембрана; 5 -
пружина; 6 - регулировочный винт; 7 - коллектор; 8 - полость регулируемого
давления
В соответствии с этим принципом система
управления «наблюдает» за объектом, на который воздействуют возмущающие
факторы. В результате, в поведении объекта возникают отклонения. Система
управления отслеживает наблюдаемые параметры (переменные) и на основе
наблюдений создает алгоритм управления.
Функциональная схема и описание способа
формирования управляющего воздействия.
Рис. 2
Характерной особенностью принципа управления по
отклонению является наличие замкнутого контура управления, образованного прямой
связью (вход - выход) и обратной связью (выход - вход). Обратная связь должна
быть обязательно отрицательной. При отклонении управляемой величины в одну
сторону отклоняющая величина должна быть отклонена в противоположную сторону.
Достоинства и недостатки.
Рассмотренный принцип управления обладает
универсальностью, что позволяет применить его для управления при наличии любого
числа неизвестных заранее возмущений. 90% систем управления построены по этому
принципу. Недостатком данного принципа является трудность в обеспечении
устойчивости процесса управления. Устойчивость процесса управления можно
обеспечивать, вводя в управляющее воздействие помимо рассогласования
производные (они позволяют предсказать ход процесса) от управляемой величины и
других воздействий.
. Принцип управления по возмущению.
Принципиальная схема и описание работы системы
управления по возмущению.
Этот принцип может быть реализован в системах
при наличии 1, максимум 2 возмущений. При этом управляющая часть должна быть
предварительно обучена в результате проведения экспериментальных или
теоретических исследований. Отмеченное ограничивает применение данного
принципа, и мы рассмотрим его на вымышленном примере. В качестве примера будет
использован регулятор давления, действующий при единственном возмущении -
входном давлении.
Принципиальная схема приведена на рисунке:
Рис. 3
Функциональная схема и описание способа
формирования управляющего воздействия.
Рис. 4
Принцип управления по возмущению основывается на
том, что система управления наблюдает за возмущающими факторами и, учитывая их,
строит алгоритм управления так, чтобы действие этих факторов на систему
компенсировалось.
Достоинства и недостатки.
Достоинством этого принципа является отсутствие
затруднения в обеспечении устойчивости процессов управления. Существенный
недостаток, во многом ограничивающий применение данного принципа, заключается в
возможности использования его лишь при одном, максимум 2-х возмущениях, а также
необходимости предварительных исследований с целью обучения функционального
блока.
Задание 2. Построение статистической
характеристики газового регулятора давления и исследование влияния на его
выходные (рабочие) характеристики конструктивных параметров
автоматический управление газовый
регулятор
1. Принципиальная схема и описание работы
газового регулятора давления.
Принципиальная схема приведена на рисунке:
Рис. 5
- клапан; 2 - седло; 3 - шток; 4 - мембрана; 5 -
пружина; 6 - регулировочный винт; 7 - коллектор; 8 - полость регулируемого давления
В соответствии с этим принципом система
управления наблюдает за объектом (газ в полости цилиндра), на который
воздействуют возмущающие факторы. В результате, в поведении объекта возникают
отклонения. Система управления отслеживает наблюдаемые параметры (переменные) и
на основе наблюдений создает алгоритм управления.
. Построение математической модели газового
регулятора давления.
а) Допущения:
Равновесность газа в полости низкого давления.
Допущение об адиабадности процесса
взаимодействия газа и стенок цилиндра.
Допущение о рассмотрении газа в полости
регулятора как идеального.
Допущение о том, что в реализуемом диапазоне
перемещения подвижных частей жесткость пружины и коэффициент трения постоянны.
В результате принятых допущений расчетная схема
газового регулятора давления примет вид:
Рис. 6
б) При описании приведенной расчетной схемы
используется концептуальный подход, базирующийся на применении основных
физических законов в их чистом виде.
в) Закон сохранения энергии.
Закон сохранения массы.
Закон движения твердых звеньев.
. Статистическая характеристика устанавливает
связь в установившемся равновесном режиме выходного сигнала (давление на
выходе) с входными возмущающими воздействиями (давление на входе и расход газа
потребителем). Газовый регулятор давления может работать в установившемся и
переходном режиме, при этом рабочим режимом является равновесный, а
периодический - аварийный. Переходный режим должен обеспечивать переход от
одного установившегося режима к другому. В соответствии с указанным основной
рабочей характеристикой является статистическая.
. Частный случай математической модели,
отражающей поведение газового регулятора давления в установившемся режиме.
Данный режим может быть получен при условии
неизменности во времени фазовых координат. Учитывая это уравнения 1-4
трансформируются в алгебраические, так как:


После ряда преобразований с
использованием уравнений термодинамики математическая модель запишется в виде:
Полученную систему можно решить
относительно любой фазовой координаты (Рно, Тно, vo,
xo). Зависимость для получения статистической характеристики
определяет изменение выходного давления Рно в зависимости от внешних
условий работы и конструктивных параметров. Данная искомая зависимость,
полученная в результате решения системы 1а-4а, имеет вид:
. Исследования влияния на точность работы
газового регулятора давления клапанного узла.
Рассмотрим два варианта исполнения клапанного
узла:
а) уравновешенный по входному давлению.
б) неуравновешенный по входному давлению.
α = 0 - клапан уравновешен.
α = 1 - клапан неуравновешен.
в) Построение статистической
характеристики:
Исходные данные для расчета:
) Вариант с уравновешенным клапаном.
При настроенном расходе (f =fн):
,
,
,
,
,
,
При расходе, уменьшенном в два раза
(f = 0,5∙fн):
,
,
,
,
,
,
Рис. 7
) Вариант с неуравновешенным
клапаном.
При настроенном расходе (f =fн):
,
,
,
,
,
,
При расходе, уменьшенном в два раза
(f = 0,5∙fн):
,
,
,
,
,
,
Рис. 8