Моделирование топки пылеугольного котла с целью повышения эффективности сжигания топлива

  • Вид работы:
    Курсовая работа (т)
  • Предмет:
    Другое
  • Язык:
    Русский
    ,
    Формат файла:
    MS Word
    1,78 Мб
  • Опубликовано:
    2012-08-26
Вы можете узнать стоимость помощи в написании студенческой работы.
Помощь в написании работы, которую точно примут!

Моделирование топки пылеугольного котла с целью повышения эффективности сжигания топлива










Курсовая работа

Дисциплина:

Моделирование физических процессов и объектов проектирования

Тема:

Моделирование топки пылеугольного котла с целью повышения эффективности сжигания топлива

Содержание

1. Математическое моделирование горения движущейся коксовой частицы

.1 Расчет движения частицы в заданном поле скоростей

.2 Расчет горения коксового остатка

.3 Алгоритм вычислений

.4 Исходные данные

.5 Результаты

.6 Вывод

. SigmaFlame

.1 Введение

.2 Математическая модель

.2 Данные для моделирования топки

.3 Расчет сетки

.4 Результаты расчетов

.4.1 Поля температур

.4.2Концентрация компонентов

.4.3 Траектория движения частиц топлива

.5 Анализ полученных данных

Приложение 1

Литература

1 Математическое моделирование горения движущейся коксовой частицы


Цель работы: расчетное исследование влияния основных параметров топочного процесса на полноту сгорания топлива в котле.

1.1 Расчет движения частицы в заданном поле скоростей


Уравнение движение частицы в двухмерной постановке:

 (1)

 (2)

 (3)

Где m - масса частицы, кг; w, v - скорость газа и частицы в проекциях на оси Xи Y, м/с; с - коэффициент сопротивления частицы; f-площадь миделева сечения частицы, м2; -плотность газа, кг/м2.

Коэффициент сопротивления частицы рассчитывается с помощью критерия Рейнольдса:

 (4)

 (5)

1.2 Расчет горения коксового остатка


Время горения коксового остатка , с, при малых скоростях обдувания может быть определено по следующей эмпирической зависимости:

 (6)

где - опытный коэффициент; -внутренняя зольность коксового остатка, %;-объемная концентрация кислорода, %;-плотность коксового остатка, кг/м3.

Физико-химические характеристики донецкого угля маркиА:Wr=2,3 %, Ad=4,6 %, Ak=4,7 %, Vdaf=2,6 %, Qdaf=33,56МДж/кг, ρк=1477 кг/м3, Кгк=1,0.

Дифференциальное уравнение изменения размера угольной частицы в зависемомти от параметров процесса может быть получено из уравнения:

 (7)

1.3 Алгоритм вычислений


Вычисление траектории горячей частицы выполняется в следующей последовательности:

1. численно интегрируется уравнения Бабия (7);

2.       численно интегрируется уравнения (1) и (2).

Пункты 3 повторяется до тех по, пока рассчитанные координаты частицы (X,Y) принадлежат контуру топочной камеры.

1.4 Исходные данные


Высота топки 39 м; Высота горелок 10 м;

Адиабатическая температура горения 1800;

Внутренняя зольность коксового остатка 18,1;

Температура на выходе из топки 1081 ;

Коэффициент избытка воздуха 1,2;

Топливо донецкий уголь марки А.

Рисунок 1.4.1 - Зависимость температуры газов от высоты

Рисунок 1.4.2 - Зависимость кинематической вязкости дымовых газов от температуры

Рисунок 1.4.3 - Зависимость концентрации кислорода от высоты

1.5 Результаты


Разработанная программа позволяет исследовать максимальный диаметр угольных частиц, подаваемых в топочную камеру, при котором будут отсутствовать потери . На этот диаметр будут влиять коэффициент избытка воздуха и температурные поля в топочной камере.

Были посчитаны максимальные диаметры частиц, при различных топочных режимах, и чем больше избыток воздуха и температура на выходе из топки, тем большего диаметра частицы можно подавать в топку.

Шаг интегрирования по времени выбирается таким, чтобы его значение не оказывало влияния на погрешность измерений.

Для выбора шага был построен график изменения высоты сгорания частицы в зависимости от точности шага интегрирования для движения и выгорания частицы размером 310 мкм, который представлен на рисунке 4.

Рисунок 1.5.1 - График изменения высоты сгорания частицы в зависимости от точности шага интегрирования

Из рисунка 4 видно, что шаг интегрирования перестаёт влиять на погрешность при dt=0,00001 с, поэтому выбираем этот шаг для дальнейших расчётов.

Скорость газового потока, концентрация кислорода, температура газа и геометрия топочной камеры берутся из курсового проекта по расчету котлоагрегата.

Рисунок 1.5.2 - Зависимость максимального диаметра частицы от температуры на выходе из топки и коэффициента избытка воздуха, при котором она полностью выгорает

Результаты расчетов сведены в таблицу 1.

Таблица 1

Максимальный диаметр частицы при различных режимах

α


при


1000

1100

1200

1,1

287

299

308

1,2

299

302

312

1,4

308

305

315


Рисунок 1.5.3 - Траектория движения частицы, размер которой соответствует минимальному размеру провала d=4,5мм.

Рисунок 1.5.4 - Траектория движения частицы при уносе

Вывод

В результате расчетов были установлены следующие закономерности: на полноту сгорания топлива влияют в основном размер частицы, температура на выходе из топки и коэффициент избытка воздуха. Чем температура больше и чем больше коэффициент избытка воздуха, при всех равных условиях, тем большего диаметра сгорит частица. И тем самым механический недожог будет меньше.

Принятые параметры топочного процесса (избыток воздуха и температура на выходе из топки) дают следующие значения

·  Диаметр частицы при уносе -310 мкм

·        Диаметр частицы, при которой будет провал -4500 мкм.

Были построены траектории движения соответствующих частиц.

Анализируя полученный результат, можно сделать вывод, что для снижения уноса следует увеличить избыток воздуха в топке и повысить температуру на выходе из нее, однако это приведет к увеличению затрат на тягодутьевые машины, а так же может привести к плавлению угля и, соответственно, шлакованию поверхностей нагрева.

Поэтому выбранный вариант (при температуре 1081 и избытке воздуха ) будет оптимальным при данных размерах топки.

2. SigmaFlame


2.1 Введение


При проектировании, исследовании и наладке котельного оборудования в последние годы все более широко применяется математическое моделирование, основанное на физических законах, описывающих процессы аэродинамики и теплообмена. Оно дополняет традиционные, часто эмпирические, методы расчета локальных и интегральных характеристик теплообмена. Совместное использование математического моделирования, физического эксперимента и натурных испытаний дает возможность получить наиболее полную и достоверную информацию об объекте исследования.

Математическое моделирование топочных устройств, становится одним из важнейших способов получения информации об аэродинамике, локальном и суммарном теплообмене. Эта информация крайне необходима при решении следующих научных и проектно-конструкторских задач.

Существующие нормативные методики расчета теплообмена, основанные на большом, часто противоречивом, эмпирическом материале, позволяют оценить, главным образом, интегральные характеристики теплообмена традиционных топочных устройств. Позонные (одномерные) расчеты не позволяют четко определить зоны и уровень максимальных тепловых нагрузок, выяснить аэродинамические причины смещений факела. Достоверностьрезультатов нормативных расчетов для нетрадиционных способов сжигания, а также при организации подавления вредных выбросов существенно снижается, особенно с увеличением масштаба исследуемого объекта. Методическая погрешность может быть сокращена только с помощью математического моделирования с использованием современных результатов лабораторных, стендовых и промышленных исследований аэродинамики, выгорания топлива и теплообмена в топочных устройствах.

В настоящее время развитие моделей описания турбулентного движения многокомпонентной неизотермической газовой среды при наличии полидисперсной пыли, радиационного переноса, химического реагирования газов, процессов сушки и пиролиза угольной пыли, гетерогенного горения кокса достигло того уровня, когда стало возможным построение физико-математических моделей процессов, происходящих в топочной камере, с достаточной для инженерной практики точностью воспроизводящей работу реального оборудования. Развитие вычислительной техники позволило реализовать эти модели в виде программных комплексов для доступных персональных ЭВМ.

2.2 Математическая модель


Современная топочная техника отличается большим разнообразием аэродинамических схем.

Такое разнообразие аэродинамических схем неслучайно, поскольку аэродинамика является одним из факторов, определяющих процессы горения и теплообмена в топочных устройствах. Поэтому при создании новых конструкций котельных агрегатов большое внимание уделяется изучению аэродинамики газовых потоков внутри топочных камер. В настоящее время этот вопрос в основном решается с помощью физического моделирования. Однако в последние годы все большее значение при изучении аэродинамики топок начинает играть численное моделирование.

Течение газов в топочных камерах является пространственным и турбулентным. Характер его обусловлен способами подвода топлива, воздуха и газов рециркуляции, внутренней конструкцией, характером размещения теплообменных поверхностей. Максимальные скорости движения газов в топочных камерах не превышают 100 м/с. При температурах около 1800 К это соответствует числам Маха М ≤ 0,12. Для описания движения газов при таких числах Маха можно использовать модель несжимаемой жидкости. Для ламинарного режима течения такие уравнения могут быть записаны в форме уравнений Навье-Стокса.

В качестве основных уравнений для ламинарного течения также используются уравнение переноса концентрации компонент, уравнения состояния (несжимаемая жидкость,модель термического расширения, Модель идеального газа, свойств смеси (теплопроводность смеси, плотность смеси, удельная теплоемкость смеси, энтальпия смеси, динамическая вязкость смеси, молярная масса смеси)

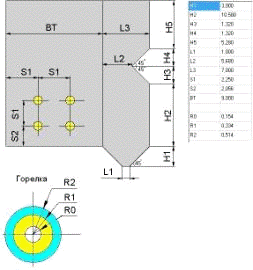
2.2 Данные для моделирования топки


Рисунок 2.2.1 - Схема расположения горелок и сечений топки

Рисунок 2.2.2 - Основные размеры

2.3 Расчет сетки


Таблица 2.3.1

Размер ячейки

Наименование

Величина

Объем топки, м3

1257,82

Необходимое число ячеек

50000

Объем одной ячейки, м3

0,025

Размер одной ячейки, м

0,293


Таблица2.3.2

Расчет количества ячеек на сектор

Наименование

Размер, м

Количество ячеек

x

9

30

y

7

23

h1

3

10

h2

10,58

35

h3

1,32

h4

1,32

4

h5

5,28

17

Всего ячеек

-

48300


2.4 Результаты расчетов

 

2.4.1 Поля температур


Рисунок 2.4.1.1 - Поля температур при Т=1100

Рисунок 2.4.1.2 - Поля температур при Т=1300

Рисунок 2.4.1.3 - Поля температур по осям XYZ

2.4.2  Концентрация компонентов


Рисунок 2.4.2.1 - Концентрация азота (N2)

Рисунок 2.4.2.2 - Концентрация азота(N2) по осям XYZ

Рисунок 2.4.2.3 - Концентрация летучих вблизи горелок

Рисунок 2.4.2.4 - Концентрация летучих по осям XYZ

Рисунок 2.4.2.5 - Концентрация кислорода (О2)

Рисунок 2.4.2.6 - Концентрация кислорода(О2) по осям XYZ

Рисунок 2.4.2.7 - Концентрация оксида углерода (СО)

Рисунок 2.4.2.8 - Концентрация оксида углерода (СО) по осям XYZ

Рисунок 2.4.2.9 - Концентрация двуокиси углерода (СО2) по осям XYZ

Рисунок 2.4.2.10 - Концентрация двулокиси углерода (СО2) по осям XYZ

2.4.3 Траектория движения частиц топлива


Рисунок 2.4.3.1 - Траектория движения частиц топлива

Рисунок 2.4.3.2 - Траектория движения частиц топлива по осям XYZ

топочный скорость коксовый горение

2.5 Анализ полученных данных


К сожалению, программа была доступна лишь в демо-режиме и не смогла в полной мере раскрыть свой потенциал, но то, что было увидено позволяет сказать, что SigmaFlame достаточно мощный пакет для расчета топочных процессов.

Из полей температур (рисунки 2.4.1.1 - 2.4.1.3) видно, что ядро факела набрасывается на заднюю стенку топки, что может привести к шлакованию поверхностей нагрева и пережогу труб.

По выходу изолинии выхода летучих (рисунок 2.4.2.3-2.4.2.4) видно, что летучие в основной своей массе выделяются на уровне горелок, это позволяет стабилизировать возгорание в ядре факела.

По концентрации кислорода (рисунок 2.4.2.5-2.4.2.6) можно сделать вывод о том, что топка достаточно узкая и струи будут «налезать» друг на друга, хотя теплонапряжение в сечении в пределах нормы.

Траектории движения частиц топлива (рисунок 2.4.3.1-2.4.3.2) показывают, что частицы в основном «наскакивают» на фронтовую стенку топки, поэтому она будет подвержена наибольшему эрозионному износу.

Литература


1. Основы практической теории горения: под ред. В.В. Померанцева. Л.: Энергоатомиздат, 1986. 309 с.

. Бабий В.И., Куваев Ю.Ф. Горение угольной пыли и расчет пылеугольного факела. М.: Энергоатомиздат, 1986. 208 с.

Приложение


Текст программы «Движение частицы», написанной в среде программирования Delphi

unitUnit_m;, Messages, SysUtils, Classes, Graphics, Controls, Forms, Dialogs,, ExtCtrls, ComCtrls, TeeProcs, TeEngine, Chart, Buttons, Series;= class(TForm): TPageControl;: TTabSheet;: TTabSheet;: TImage;: TButton;: TChart;: TChart;: TBitBtn;: TLineSeries;: TLineSeries;: TChart;: TLineSeries;Button1Click(Sender: TObject);BitBtn1Click(Sender: TObject);(Sender: TObject);

{ Private declarations }

{ Public declarations };: TForm1;, x, y, dTm, Vx, Vy, Nu, Tg, Re, C, Rog, Wx, Wy, dVx, dVy, Ht,, f, d, m, g, hg, msh, bt, Alfa2t, Ta,T2t,O2,O2t,dd,Kgk,Ak,DenKo : real;,yg,xt: integer;

{$R *.DFM}f_Vkin (Tg: real) :real; //--------------------------------_Vkin:=(4.794E-05*Tg*Tg + 1.099E-01*Tg + 8.185)/1e6;; //----------------------------------------------------------------f_Tg (y: real):real;,b : real;//=======================================:=(T2t-0.8*Ta)/(Ht-hg);:= 0.8*Ta-a*hg;y>hg then f_Tg:=b+y*a_tg:=0.8*Ta;;

//=====================================================

===========

f_O2 (y: real):real;,b : real;//=======================================:=(O2t-21)/(Ht-hg);:=21-a*hg;y>hg then f_O2:=a*y+bf_O2:=21;;

//=====================================================

===========TForm1.FormActivate(Sender: TObject); //----------------------:=39;:=10;:=1800;t:=1081;t:=1.2;t:=21-21/Alfa2t;; //-------------------------------------------------------------------TForm1.Button1Click(Sender: TObject);//----------------------------:=9;:=0;:=0.00001;:=6;:=0;:=0.009;:=10;:=310e-6;:=10;:=9.8;:=1;:=4.7;:=1477;:=Ht/image1.height;:=round(bt/msh);.Image1.Canvas.MoveTo(xt,0);.Image1.Canvas.LineTo(xt,image1.height);:=round(x/msh);:=image1.Height-round(y/msh);.Image1.Canvas.Pixels[xg,yg]:=ClRed ;

// 0ABS(y-hg)<0.5 then Wx:=6:=0;

//:=f_Tg(y);:=29/22.4*273/(273+Tg);:=f_Vkin(Tg);:=f_O2(y);

//:=1/(Kgk*4.42e8*(100-Ak)/100)*exp(0.9*ln(Tg+273))*O2/(d*DenKo);:=d-dd*dTm;

//:= Pi*d*d/4;:= 1/6*Pi*d*d*d*DenKo;

//:=sqrt((Wx-Vx)*(Wx-Vx)+(Wy-Vy)*(Wy-Vy));:=d*Vot/Nu;Re<1 then C:=24/ReC:=24/Re+4/exp(1/3*ln(Re));:=C*f*Rog/2*(Wx-Vx)*Vot/m;:=C*f*Rog/2*(Wy-Vy)*Vot/m-g;:=Vx+dVx*dTm;:=Vy+dVy*dTm;:=x+Vx*dTm;:=y+Vy*dTm;:=Tm+dTm;(y>Ht) or (y<0) or (d<20e-6);.Caption:='h='+floattostr(y) +' d='+ floattostr(d*1e6);; //---------------------------------------------------------------TForm1.BitBtn1Click(Sender: TObject); //-----------------------:integer;, Nu, y : real;i:=100 to 2200 do begin:=i;:=f_Vkin(Tg)*1e6;.Chart1.Series[0].AddXY(Tg,Nu,'',clRed);

//=====================================================

===========i:=0 to round(Ht) do begin:=i;:=f_Tg(y);.Chart2.Series[0].AddXY(y, Tg,'',clRed) ;;

//=====================================================

===========i:=0 to round(Ht) do begin:=i;:=f_O2(y);.Chart3.Series[0].AddXY(y, O2,'',clRed) ;

end;end;//--------------------------------------------------------------------

Похожие работы на - Моделирование топки пылеугольного котла с целью повышения эффективности сжигания топлива

 

Не нашли материал для своей работы?
Поможем написать уникальную работу
Без плагиата!
Без нейросетей!