Конструкторско-технологическая подготовка мелкосерийного производства валов агрегатов авиационных двигателей на специализированном участке
МІНІСТЕРСТВО
ОСВІТИ І НАУКИ, МОЛОДІ ТА СПОРТУ УКРАЇНИ
Національний аерокосмічний
університет
ім. М. Є. Жуковського "ХАІ"
ФАКУЛЬТЕТ
АВІАЦІЙНИХ ДВИГУНІВ
До захисту допускаю:
Завідувач кафедри доктор
техн.наук, професор
___________ А.І. Долматов
КОНСТРУКТОРСКО-ТЕХНОЛОГИЧЕСКАЯ
ПОДГОТОВКА МЕЛКОСЕРИЙНОГО ПРОИЗВОДСТВА ВАЛОВ АГРЕГАТОВ АВИАЦИОННЫХ ДВИГАТЕЛЕЙ
НА СПЕЦИАЛИЗИРОВАННОМ УЧАСТКЕ
Расчетно-пояснительная
записка к выпускной работе бакалавра
Специальность:
8.090260 - "Технология строительства авиационных двигателей"
Виконавець: студент гр.244 С.В.Гайдук
Керівник: доцент каф. 204 А.П.Петренко
Консультант технологічної частини:
доцент кафедри 204 А.П.Петренко
Консультант конструкторської частини:
доцент кафедри 203 О.І.Гаркуша
Консультант розділу охорона праці:
доцент кафедри 106 В.В. Кручина
Нормоконтролер: доцент кафедри 204 А.П.Петренко
Харків 2012
Затверджую:
Завідувач кафедри 204
Професор А.І. Долматов
"___"________2012
Завдання на
випускну роботу бакалавра
студенту гр.
244 Гайдуку Сергію Володимировичу:
1. Тема: Конструкторсько-технологічна підготовка дрібносерійного
виробництва валів агрегатів авіаційних двигунів на спеціалізованій дільниці.
. Технічне завдання: тип виробництва - дрібносерійне, обсяг випуску - 240
од/рік.
. Завдання для основного розділу: спроектувати маршрутно-операційний
технологічний процес виготовлення вала.
Консультант ____________Петренко А.П.
. Завдання для допоміжного розділу: розробка конструктивно-компонувальної
схеми ТРДДсм. Термогазодинамічний розрахунок двигуна. Розрахунок на міцність
пера робочої лопатки та диска першого ступеня компрессора високого тиску.
Розрахунок частоти першої форми згинальних коливань пера робочої лопатки та
побудова частотної діаграми.
Консультант ____________Гаркуша А.І.
Виявлення та аналіз шкідливих та небезпечних факторів у виробничому
приміщенні.
Консультант ___________Кручина В.В.
. Перелік обов’язкових питань, що підлягають опрацюванню:
.1. Розробити конструктивно-компонувальну схему авіадвигуна.
.2. Виконати термогазодинамічний розрахунок авіадвигуна.
.3. Розрахувати на міцність задані елементи конструкції авіадвигуна.
.4. Аналіз робочого креслення вала.
.5. Вибір та обґрунтування етапів технологічного процесу, технологічних
баз, методів та послідовності обробки поверхонь вала.
.6. Вибір та обґрунтування виду заготовки та методу її формоутворення.
.7. Розрахунки та оптимізація необхідної кількості операцій та переходів
формоутворення основних поверхонь вала .
.8. Розробка плану технологічного процесу виготовлення вала.
.9. Розрахунки та обгрунтування припусків на обробку та операційних
розмірів-координат торцевих поверхонь та операційних розмірів-діаметрів
поверхонь обертання.
.10. Проектування та розрахунки формоутворюючих операцій.
.11. Проектування та оформлення маршрутної карти, операційних карт та
операційних ескізів 5 основних операцій-представників.
. Перелік обов’язкових розрахунково-графічних матеріалів:
.1. Конструктивно-компонувальна схема ТРДДсм.
.2. Робоче креслення вала.
.3. Робоче креслення заготівки вала.
.4. План технологічного процесу виготовлення вала.
.5. Комплект технологічної документації.
.6. Розрахунково-пояснювальна записка випускної роботи бакалавра.
Строк здачі закінченої роботи для затвердження: 26.05.2012 р.
АНОТАЦІЯ НА
ВИПУСКНУ РОБОТУ БАКАЛАВРА
"КОНСТРУКТОРСЬКО-ТЕХНОЛОГІЧНА ПІДГОТОВКА ДРІБНОСЕРІЙНОГО ВИРОБНИЦТВА
ВАЛІВ АГРЕГАТІВ АВІАЦІЙНИХ ДВИГУНІВ НА СПЕЦІАЛІЗОВАНІЙ ДІЛЬНИЦІ"
студента 244 гр. факультету № 2 Національного аерокосмічного університету
iм. М. Є. Жуковського "ХАI" Гайдука Сергія Володимировича.
Керівник ВРБ: доцент каф. 204 Петренко А.П.
Консультант з конструкторської частини: доцент каф. 204 Гаркуша О.І.
Консультант з охорони праці: доцент каф. 106 Кручина В.В.
Стор. 96, табл. 17, рис. 33, креслень формату А1 1; комплект документації
21.
Випускна робота бакалавра присвячена темі конструкторсько-технологічної
підготовки дрібносерійного виробництва валів на спеціалізованій дільниці.
ВРБ складається з трьох частин: конструкторської, технологічної та
охорони праці.
Конструкторська частина виконана за допомогою електронно-обчислювальної
техніки. При виконанні використовувались розрахункові програми кафедри 203:
TRDDsm для термогазодинамічного розрахунку і узгодження параметрів компресора
та турбіни, Statlop, Disk_112 - для міцностних розрахунків, Dinlop - для
розрахунків частоти першої форми згибних коливань лопатки. При виконанні
креслень використовувався програмний пакет Компас.
В конструкторський частині ВРБ був проведений термогазодінамічний
розрахунок та узгодження параметрів компресора і турбіни роторів високого та
низького тиску турбореактивного двохконтурного авіаційного двигуна з камерою
змішування з заданими параметрами та виконана його конструктивно-компонувальна
схема. За геометричними параметрами обраних деталей двигуна (диск першої
ступені компресору високого тиску та робоча лопатка першої ступені компресору
високого тиску) проведено перевірочний розрахунок на міцність, який показав
відповідність міцності деталей вимогам та наявність достатніх запасів міцності.
Розрахунок динамічної частоти першої форми згинальних коливань лопатки і
побудова частотної діаграми показали, що можливі резонансні режими роботи
двигуна знаходяться поза діапазоном робочих обертів.
Технологічна частина виконана за допомогою довідникової літератури, при
цьому використовувались методики, прийняті для авіаційної галузі. При оформлені
графічної частини використовувався програмний пакет Компас. При оформлені
розрахунково-пояснювальної записки використовувались програмні продукти
Microsoft Word, Microsoft Excel та прикладні програми операційної системи
Microsoft Windows XP.
В технологічній частині ВРБ був спроектований технологічний процес
виготовлення валу на спеціалізованій ділянці в умовах дрібносерійного
виробництва. Цьому передували ретельний аналіз креслення вала та умов його
роботи, аналіз деталі з точки зору технологічності. З загальної форми валу,
технічних умов на неї та властивостей і особливостей власного матеріалу деталі
було призначено тип заготівки деталі та спосіб її отримання. При протиставленні
характеристик заготівки та готової деталі було розраховано потрібну кількість
переходів обробки різанням. На підставі попередньо спроектованого плану
технологічного процесу були розраховані припуски, як на поверхні обертання, так
і на торцеві поверхні. Розрахунок припусків вівся за допомогою
розрахунково-аналітичного та нормативного методів. Визначення проміжних
розмірів-координат при обробці неодноразово оброблюваних протилежних торцевих
поверхонь за допомогою розрахунково-аналітичного та нормативного методів
викликає труднощі, тому розрахунок проміжних розмірів-координат вівся за
допомогою методів розмірного аналізу із застосуванням прикладної теорії графів.
В розділі з охорони праці було виконано аналіз шкідливих та небезпечних
факторів у робочому приміщенні спеціалізованої дільниці з виготовлення валів та
їх імовірного впливу на працівників, а також на навколишнє середовище. Також
були запропоновані заходи боротьби з імовірним впливом шкідливих та небезпечних
факторів на працівників дільниці.
Оформлення конструкторської та технологічної документації при виконанні
ВРБ було виконано у відповідності до вимог ЄСКД, ЄСТД і ЄСТПП.
___________________ Гайдук С.В.
Содержание
Введение
.
Конструкторская часть
.1 Основные
сведения о проектируемом двигателе и краткое описание конструкции
.2
Термогазодинамический расчет двигателя
.2.1 Выбор и
обоснование параметров
.2.2
Термогазодинамический расчет на ЭВМ
.2.3
Формирование облика ГТД
1.3 Расчет на
прочность элементов конструкции АД
1.3.1 Расчёт
на прочность пера лопатки 1-й ступени КВД
.3.2 Расчёт
на прочность диска первой ступени КВД
.3.3 Расчет
динамической частоты первой формы изгибных колебаний лопатки компрессора и
построение частотной диаграммы
.
Технологическая часть
2.1 Анализ
рабочего чертежа и определение показателей технологичности вала
2.1.1
Технологичность по материалу
.1.2
Технологичность по точности, шероховатости поверхностей вала
.2 Выбор и
обоснование метода, оборудования и параметров формообразования заготовки
2.3 Расчёт,
оптимизация и обоснование потребного количества технологических операций
(переходов) формообразования поверхностей-представителей вала
2.4 Выбор и
технико-экономическое обоснование этапов технологического процесса
изготовления, комплектов технологических баз, методов и последовательности
обработки поверхностей вала
2.5
Разработка, обоснование, оптимизация и оформление предварительного плана
технологического процесса изготовления вала
.6 Расчеты
припусков на обработку и операционных размеров-диаметров всех цилиндрических
поверхностей вала нормативным методом
2.7 Расчеты
припусков на обработку и операционных размеров-диаметров заданных
цилиндрических поверхностей вращения вала расчетно-аналитическим методом
2.8
Разработка, расчеты и анализ размерной схемы формообразования и схем размерных
цепей плоских торцевых поверхностей вала
.8.1 Расчеты
припусков на обработку и операционных размеров-координат плоских торцевых
поверхностей вала расчетно-аналитическим методом
.8.2 Расчеты
и оптимизация припусков на обработку операционных размеров-координат плоских
торцевых поверхностей с использованием прикладной теории графов размерных цепей
.9
Проектирование и выполнение чертежа заготовки вала
.10
Проектирование механических операций технологического процесса
.10.1 Расчет
режимов резания и разработка, оформление комплекта технологической документации
.10.1.1
Токарная черновая операция
.10.1.2
Сверлильная операция
.10.1.3
Шлицефрезерная операция
.10.1.4
Круглошлифовальная операция
.10.1.5
Шлицефрезерная операция
.11
Формирование и оформление окончательного плана маршрутно-операционного
технологического процесса
. Охрана
труда
3.1 Выявление
и анализ опасных и вредных производственных факторов, действующих в рабочей
зоне на специализированном участке по производству деталей типа вал
3.1.1 Краткое
описание прототипа объекта проектирования
3.1.2
Выявление опасных и вредных производственных факторов, действующих в рабочей
зоне проектируемого объекта
3.1.3
Характеристика источников опасных и вредных производственных факторов
.1.4 Анализ
возможных последствий воздействия негативных факторов на работающих
.2 Разработка
мероприятий по предотвращению возможного воздействия опасных и вредных
производственных на работающих
3.2.1
Обоснование возможностей устранения из состава проектируемого объекта источников
опасных и вредных производственных факторов
.2.2 Анализ
возможных методов и устройств ослабления воздействия на работающих опасных и
вредных производственных факторов
3.2.3
Обоснование и расчет наиболее целесообразных технических систем и устройств защиты
работающих от воздействия опасных и вредных производственных факторов
3.3
Обеспечение экологической безопасности функционирования проектируемого объекта
при воздействии опасных и вредных производственных факторов
Заключение
Список
использованной литературы
Ведомость
документов бакалаврской работы
Введение
Выпускная работа бакалавра состоит из трёх разделов: конструкторского,
технологического и раздела по охране труда.
Целью конструкторского раздела является формирование облика и расчет на
прочность элементов первой ступени компрессора высокого давления
турбореактивного двухконтурного двигателя со смешением потоков для
учебно-боевого истребителя. В качестве прототипа был выбран ТРДДФсм АИ-222-25,
который обладает необходимыми параметрами по тяговооруженности и расходу
топлива. Для формирования облика двигателя необходимо выполнить
термогазодинамический расчет двигателя и согласование параметров компрессора и
турбины роторов высокого и низкого давления. Для расчета диска и пера лопатки
первой ступени компрессора высокого давления, а также расчета частоты первой
формы изгибных колебаний лопатки будем использовать программное обеспечение,
разработанное на кафедре 203.
Целью технологической части является конструкторско-технологическая
подготовка мелкосерийного производства валов на специализированном участке. Для
проектирования технологического процесса изготовления вала необходимо выполнить
анализ рабочего чертежа данного изделия, анализ технологичности, выполнить
расчет потребного количества переходов для формообразования
поверхностей-представителей вала. На основании этого анализа, а также на
основании материала изделия, видов потребной термической и химико-термической
обработки его поверхностей необходимо разработать предварительный план
технологического процесса. Предварительный план технологического процесса
включает в себя собственно последовательность формообразующих и вспомогательных
операций, а также назначение схем базирования, комплекта технологических баз.
Далее необходимо выполнить расчет припусков на обработку для наружных и
внутренних поверхностей вращения, а также для торцевых поверхностей. Для
решения этой задачи будем использовать расчетно-аналитический и нормативный
метод. Расчет припусков на обработку неоднократно обрабатываемых противолежащих
торцевых поверхностей посредством расчетно-аналитического или нормативного
метода является затруднительным. Поэтому для определения припусков на обработку
торцевых поверхностей выполним анализ топографии технологических
размеров-координат, для чего составим размерную схему формообразования торцевых
поверхностей вала и выявим технологические размерные цепи.
Целью раздела охраны труда является выявление и анализ вредных и опасных
факторов, действующих на проектируемом участке по производству валов. Также
необходимо проанализировать возможность уменьшения влияния этих факторов на
рабочих и окружающую среду.
компрессор двигатель припуск вращение
1. КОНСТРУКТОРСКАЯ ЧАСТЬ
1.1 Основные сведения о проектируемом двигателе и краткое
описание конструкции
Прототипом проектируемого двигателя служит двигатель АИ-222-25.
Параметры прототипа:
Рmax = 2500 кгс
Суд = 0,64 кг/кгс*ч
Gв = 49,5 кг/с
- πК = 15,4
ТГ = 1470К
m=1.18
Двухконтурный турбореактивный двигатель двухвальный. Состоит из:
двухкаскадного осевого компрессора: вентилятора и КВД (компрессор
высокого давления), которые приводятся во вращение одноступенчатыми турбинами
низкого и высокого давления соответственно;
разделительного корпуса с коробкой приводных агрегатов;
камеры сгорания;
реактивного сопла.
Для удобства сборки и ремонта конструкция двигателя выполнена модульной.
К модулям компрессора относятся:
кок;
колесо вентилятора 1 ступени;
колесо вентилятора 2 ступени;
валопровод;
корпус вентилятора с НА 1 ступени;
аппарат направляющий 2 ступени и СА вентилятора;
КВД с корпусом разделительным.
Компрессор
Двухкаскадный осевой десятиступенчатый компрессор со степенью повышения
давления
состоит из сверхзвукового
двухступенчатого вентилятора и дозвукового восьмиступенчатого КВД.
Вентилятор
Вентилятор является первым каскадом компрессора и состоит из статора и
ротора.
Статор вентилятора состоит из двух узлов: корпуса вентилятора с НА 1
ступени и аппарата направляющего 2 ступени и СА вентилятора, соединяющимися
между собой 59 титановыми (ВТ8М-1) болтами и стальными гайками (13X11Н2В2МФ).
Ротор вентилятора состоит из кока, трубы ПОС, колес вентилятора 1 и 2
ступени, валопровода.
Кок с обогреваемым носком конической формы. Переход к проточной части
колеса вентилятора 1 ступени выполнен по сопряженным дугам двух окружностей.
Воздух для обогрева кока отбирается из полости за лабиринтным уплотнением
проточной части за колесом вентилятора 2 ступени. Через отверстия в валу воздух
из полости поступает во внутреннюю поверхность вала, а затем в трубу ПОС и
далее к отверстиям в носке кока. Воздух, выдуваемый через отверстия в носке
кока, препятствует льдообразованию на его поверхности.
Передняя опора ротора КВД - шариковый радиально-упорный трехточечный подшипник
с разрезной внутренней обоймой. В наружной обойме выполнены канавки под
маслоуплотнительные кольца, а на торце имеется четыре выступа для фиксации,
которые входят в пазы на корпусе опоры.
Механизм поворота лопаток ВНА и первых трех ступеней направляющих
аппаратов, является частью системы регулирования компрессора с целью получения
приемлемых запасов устойчивости на всех режимах работы двигателя. Механизм
поворота лопаток ВНА, НА нулевой, 1 и 2 ступеней КВД позволяет изменять угол
установки лопаток во всем диапазоне рабочих режимов двигателя по заданному
закону и включает в себя силовой рычаг привода жестко связанный с валиком,
плату с качалками, тягами и рейкой, синхронизирующие кольца поворота, связанные
с рычагами поворотных лопаток, опорные катки колец поворота, лимб для настройки
углов поворота лопаток. Плата с качалками, тягами и рейкой крепится к
разделительному корпусу и корпусу КВД.
Клапан запуска установлен на корпусе компрессора и служит для получения
приемлемых запасов устойчивости на режимах запуска. Клапан запуска состоит из корпуса,
поршня со штоком, тарелки, пружины. Исходное положение клапана - открытое. При
достижении оборотов малого газа, воздух из-за компрессора, поступающий в
полость над поршнем преодолевает усилие пружины и давление воздуха на поршень
клапана со стороны ресивера за 5 ступенью и закрывает клапан запуска.
Камера сгорания
Камера сгорания двигателя, кольцевая с завихрителем воздуха вокруг
рабочих форсунок, состоит из следующих узлов: наружного корпуса диффузора,
внутреннего корпуса диффузора, жаровой трубы и коллектора с двенадцатью
форсунками.
Наружный корпус диффузора состоит из переднего наружного фланца, секций и
заднего наружного фланца. Передним фланцем диффузор крепится к корпусу
спрямляющего аппарата компрессора, а задним - к сопловому аппарату турбины.
Жаровая труба кольцевого типа состоит из наружного и внутреннего
обтекателей с вваренными во внутренний обтекатель двенадцатью завихрителями,
двух секций смесителя и двух опорных секций.
Турбина
Турбина двигателя является модификацией турбин двигателей ДВ-2, АИ-22 с
изменениями, направленными на реализацию более высоких параметров и обеспечение
заданного ресурса. Турбина состоит из одноступенчатых турбин высокого и низкого
давления, опоры задней и реактивного насадка.
Турбина высокого давления (ТВД) 1 охлаждаемая, осевая, реактивная предназначена
для преобразования энергии газового потока в механическую энергию вращения
ротора ВД и приводных агрегатов.
Ротор ТВД состоит из рабочего колеса, диска лабиринтного, цапфы задней и
экрана переднего. Колесо ротора включает в себя диск и рабочие лопатки,
зафиксированные уплотнительным диском. На цапфе задней, имеющей гребешки
лабиринтных уплотнений, установлено радиально- торцовое контактное уплотнение и
внутреннее кольцо межвального роликоподшипника ТВД. Ротор ТВД соединяется с
задним валом КВД стяжными болтами. Статор ТВД состоит из секторов сопловых
лопаток, корпуса наружного, проставок над рабочими лопатками и корпуса
внутреннего с элементами лабиринтных уплотнений.
Турбина низкого давления (ТНД) - осевая, реактивная, предназначена для
преобразования энергии газового потока в механическую энергию вращения
вентилятора. Ротор ТНД состоит из рабочего колеса, лабиринтного кольца и вала
ТНД. Колесо ТНД состоит из диска и лопаток, зафиксированных в диске
уплотнительными пластинами. На валу ТНД смонтированы элементы
радиально-торцовых контактных уплотнений, наружное кольцо роликоподшипника ТВД
и внутреннее кольцо роликоподшипника ТНД.
Статор ТНД состоит из секторов сопловых лопаток, корпуса наружного,
проставок над рабочими лопатками и корпуса внутреннего с элементами лабиринтных
уплотнений.
1.2 Термогазодинамический расчет двигателя
.2.1 Выбор и обоснование параметров
Выбор
параметров двигателя осуществляется в соответствии с рекомендациями,
изложенными в методическом пособии
[1].
В зависимости от назначения и условий, при которых рассчитывается
двигатель, выбираются параметры узлов (sВХ, hK, sкс, hг, hт*, sрн,) и соответствующие им режимы работы на характеристиках. В основу
оптимизации параметров закладываются разные критерии (целевые функции): минимум
удельного расхода топлива, максимум тяги, обеспечение надежности на
чрезвычайных режимах работы и т.п.
Расчёт выполняется при заданных значениях высоты и числа Маха полёта:
Н=0, Mп = 0.
Основными параметрами рабочего процесса двигателя, оказывающими
существенное влияние на его удельные параметры, является температура газа Т*г
и общая степень повышения давления в компрессоре π *к1.
Выбор основных параметров двигателя сказывается на эффективности его
работы как нагнетателя. Основным требованием к данному двигателю является
высокая экономичность (малые значения удельного расхода топлива) и высокой
удельной мощности, надежность. Топливом для данного двигателя является
авиационный керосин.
Температура газа перед турбиной
Современные достижения материаловедения и технологии, а также
совершенствование систем охлаждения лопаток газовых турбин позволяет
существенно увеличивать допускаемое значение Т*г.
Увеличение температуры газов перед турбиной позволяет значительно
увеличить удельную тягу двигателя и следовательно, уменьшить габаритные размеры
и массу двигателя. Для обеспечения надежности работы турбины при высоких
значениях температуры газа (Тг*>1250 К) необходимо применять
охлаждаемые лопатки. Потребное количество охлаждающего воздуха зависит от
температуры газа и способа охлаждения турбины, что приводит к снижению удельной
тяги и росту удельного расхода топлива. С учетом использования конструктивных
материалов двигателя-прототипа принимаем TГ*=1475 К
Общая степень повышения полного давления в компрессоре
внутреннего контура
Стремление получить двигатель с высокими удельными параметрами требует
увеличения значения степени повышения давления (πк1*) в компрессоре внутреннего контура.
Но большие значения степени повышения давления ограничиваются усложнением
конструкции и, следовательно, увеличением массы и габаритов двигателя.
Увеличить πк1*, не увеличивая количество ступеней, можно путём постановки
сверхзвуковых или широкохордных ступеней. Выбор высоких значений πк1* при проектировании приводит к
получению малых высот лопаток последней ступени компрессора высокого давления и
первых ступеней турбины высокого давления. Это, в свою очередь, приводит к
росту потерь энергии из-за увеличения относительных радиальных зазоров и
понижению относительной точности изготовления лопаток.
При Тг*=1475 К оптимальное значение πк1* составляет ≈ 11,0. При этом
экономическое значение, соответствующие минимуму удельного расхода топлива
(наилучшая топливная экономичность) равно~28.
Оптимальное значение πк1 опт* - такая степень повышения
давления, при которой реализуется максимальная удельная тяга двигателя. С
увеличением Т*г в цикле значение πк1 опт* увеличивается. Принимаем πк1р*=15,55, т.е. πк1 эк*>
πк1р*>
πк1 опт*.Это позволяет снизить Суд с
незначительным снижением Руд.
Степень повышенеия давления в вентиляторе
Выбор степени повышения давления в вентиляторе наружного контура
оказывает существенное влияние на удельные параметры двухконтурных двигателей.
Для турбореактивного двигателя со смешением потока в качестве оптимальной
величины πвIIопт* принимают значение π¯*в II , соответствующее равенству
полных давлений потоков наружного и внутреннего контуров на входе в камеру
смешения Р*II= Р*I.Значение πв IIопт* получено в результате
термогазодинамического расчета (см. табл.1.2).
КПД компрессора и турбины
Величина изоэнтропического КПД многоступенчатого компрессора по
параметрам заторможенного потока зависит от степени повышения давления в
компрессоре и КПД его ступеней:
где
- среднее значение КПД ступеней.
На
расчетном режиме среднее значение КПД ступеней в многоступенчатом осевом
компрессоре современных ГТД лежит в пределах
= 0,88..
.0,89. Принимаем
= 0,890.
Рассчитываем
КПД для πк1*=17,1:
Значения
КПД охлаждаемых турбин меньше значений КПД неохлаждаемых по той причине, что в
охлаждаемых турбинах, в процессе их работы, охлаждающий воздух
"отбирает" часть тепла у рабочего тела, лишая тем самым турбину
возможности снять у рабочего тела всю работу полученную им от компрессора.
Рекомендуется для неохлаждаемых турбин значения КПД выбирать в пределах от 0,9
до 0,92. Выбираем КПД неохлаждаемой турбины равным 0,91.
Для
вычисления КПД охлаждаемых турбин рекомендуется использовать следующую формулу:
где
h *т неохл - КПД неохлаждаемой
турбины.
Неохлаждаемые
турбины необходимо применять при температуре
Т*г
≤1250 К. КПД неохлаждаемой турбины принимаем h* т
неохл = 0,91. Тогда:
Потери
в элементах проточной части двигателя
Потери
в элементах проточной части двигателя задаются значениями коэффициентов
восстановления полного давления в этих элементах.
Коэффициент
восстановления полного давления для входных устройств:
Для
самолётных двигателей - 0,95…0,98. Принимаем sВХ=0,97.
Потери
полного давления в камере сгорания вызываются гидравлическим и тепловым
сопротивлением. Гидравлическое сопротивление определяется в основном потерями в
диффузоре, фронтовом устройстве камеры сгорания, при смешении струи газов,
имеющих различные плотности, при повороте потока газов s гидр=0,93...0,97,
принимаем s гидр = 0,96.
Тепловое
сопротивление возникает вследствие подвода тепла к движущемуся газу. Примем
величину коэффициента теплового сопротивления sтепл = 0,965. Определяем величину коэффициента
потерь полного давления в камере сгорания:
s кс = s гидр. s тепл = 0,96·0,965=0,926.
Потери
тепла в камерах сгорания, главным образом, связаны с неполным сгоранием топлива
и оцениваются коэффициентом полноты сгорания ηг. Этот
коэффициент на расчётном режиме достигает значений 0,985.. .0,995.Выбираем η г = 0,995.
При
наличии переходного канала между турбинами компрессора НД и ВД коэффициент
восстановления полного давления σпт
выбирается в пределах σпт =0,985…1.
Так как переходник между ступенями турбины отсутствует, принимаем σпт=1.
Коэффициент
восстановления полного давления в переходном канале между каскадами компрессора
принимаем равным σвк=0,990.
Коэффициент
восстановления полного давления в камере смешения принимаем 0,985. Поскольку в
рассматриваемом двигателе отсутствует форсажная камера, коэффициент
восстановления полного давления s ф=1.
С
помощью механического КПД учитывают потери мощности в опорах двигателя, отбор
мощности на привод вспомогательных агрегатов, обслуживающих двигатель.
Механический КПД находится в интервале ηm=0,98...0,995.
Для ротора компрессора и турбины высокого давлания принимаем ηm вд=0,985.
Для ротора вентилятора ηm в=0,990.
При
истечении газа из суживающегося сопла возникают потери, обусловленные трением
потока о стенки сопла, а также внутренним трением в газе. Эти потери
оцениваются коэффициентом скорости φс. Для
реактивного сопла принимаем φсΙ=0,985. Современные двигатели имеют сложную систему
охлаждения горячих частей (первые ступени турбины). Необходимо также
производить подогрев элементов входного устройства, а иногда и входного
направляющего аппарата во избежание обледенения, поскольку попадание в
проточную часть двигателя льда может привести к повреждению лопаток. Для всех
этих нужд требуется воздух, отбираемый из-за компрессора или какой-либо его
ступени. Отбор сжатого воздуха оценивается относительной величиной
Для расчёта принимаем
=0,1.
1.2.2 Термогазодинамический расчет на ЭВМ
Целью термогазодинамического расчета двигателя является определение
основных удельных параметров (Руд - удельной тяги, Суд - удельного расхода
топлива).
С помощью программы rdd.exe выполняем термогазодинамический
расчет ГТД с использованием ЭВМ.
Исходными данными для расчета являются параметры, выбранные в
предыдущем разделе.
Исходными данными для расчета являются следующие величины, определяющие
расчетный режим двигателя:
► Gв - величина расхода воздуха через двигатель;
► πк1*, Т*г - параметры,
определяющие термогазодинамический цикл двигателя на расчетном режиме;
►
І,
,
, - КПД
компрессора, турбин компрессора и вентилятора;
►
- механический КПД двигателя;
►
- коэффициент полноты сгорания топлива;
►
,
,
, φс -
коэффициенты восстановления полного давления в элементах проточной части
двигателя.
Так
как основной целью термогазодинамического расчета является определение удельных
параметров двигателя Руд и Суд, то данный расчет обычно выполняют для Gв=1
кг/с. При этом вычисляют значения параметров рабочего тела в характерных сечениях
по тракту двигателя. Эти данные используют при согласовании параметров
компрессора и турбины и при общей компоновке проточной части двигателя.
В
табл. 1.2.2 представлены данные, необходимые для термогазодинамического расчета
двухконтурного двигателя, имеющего камеру смешения.
Таблица 1.2.2 - Результаты термогазодинамического расчёта
Параметры Руд=532 Н*с/кг и Суд=0,06528кг/Н*ч соответствуют современному
уровню значений для ТРДДсм с малой степенью двухконтурности-m.Получено
распределение Т* и Р* в характерных сечениях проточной части.
1.2.3 Формирование облика ГТД
Формирование облика ГТД производим по методике [2], и представлены в
таблице 1.2.3.
При согласовании сформировали облик ТРДД см. Получили 2-х ступенчатый
вентилятор с Нzc=0,2588 и η*кв=0,8700. Частота вращения 13617
об/мин.
Компрессор высокого давления, 8-ступенчатый Нzc=0,2423,
η*к=0,8551,
η=18450 об/мин.
Турбины высокого давления, одноступенчатая, Мz=1,6476 и η*=0,8820.
Турбины вентилятора, одноступенчатая, Мz=1,485 и η*=0,9000.
ТВД и ТВ-высоконагруженные.
Таблица 1.2.3 - Формирование облика ГТД
Рис. 1.2.3 - Схема проточной части двигателя
1.3 Расчет на прочность элементов конструкции АД
1.3.1
Расчёт на прочность пера лопатки 1-й ступени КВД
Рабочие лопатки осевого компрессора являются весьма ответственными деталями
газотурбинного двигателя, от надежной работы которых зависит надежность работы
двигателя в целом.
При работе газотурбинного двигателя на рабочие лопатки действуют
статические, динамические и температурные нагрузки, вызывая сложную картину
напряжений.
Расчет на прочность пера лопатки выполняем, учитывая воздействие только
статических нагрузок.
К ним относятся центробежные силы масс лопаток, которые появляются при
вращении ротора, и газовые силы, возникающие при обтекании газом профиля пера
лопатки и в связи с наличием разности давлений газа перед и за лопаткой.
Центробежные силы вызывают деформации растяжения, изгиба и кручения,
газовые - деформации изгиба и кручения.
Напряжения кручения от центробежных, газовых сил слабозакрученных рабочих
лопаток компрессора малы, и ими пренебрегаем. Напряжения растяжения от
центробежных сил являются наиболее существенными.
Напряжения изгиба обычно меньше напряжений растяжения, причем при
необходимости для уменьшения изгибающих напряжений в лопатке от газовых сил ее
проектируют так, чтобы возникающие изгибающие моменты от центробежных сил были
противоположны по знаку моментам от газовых сил и, следовательно, уменьшали
последние.
При расчете лопатки на прочность принимаем следующие допущения:
лопатку рассматриваем как консольную балку, жестко заделанную в ободе
диска;
напряжения определяем по каждому виду деформации отдельно;
температуру в рассматриваемом сечении пера лопатки считаем одинаковой,
т.е. температурные напряжения отсутствуют;
лопатку считаем жесткой, а деформацией лопатки под действием сил и
моментов пренебрегаем;
предполагаем, что деформации лопатки протекают в упругой зоне, напряжения
в пере лопатки не превышают предел пропорциональности.
Целью расчета на прочность рабочей лопатки первой ступени компрессора является
определение напряжений и запасов прочности в различных сечениях по длине пера
лопатки.
В качестве расчетного режима выбираем режим максимальной частоты вращения
ротора и максимального расхода воздуха через двигатель. Этим условиям
соответствует взлетный режим работы двигателя.
Исходные данные
Материал лопатки: ВТ8
Длина лопатки L=0,051 м;
Радиус корневого сечения Rк =0,1466 м;
Радиус периферийного сечения Rп=0,2043 м;
Объем
бандажной полки
=0 м
;
Хорда
профиля сечения пера b
в
корневом сечении bk=0,027 м;
в
среднем сечении bcp=0,027 м;
в
периферийном сечении bп=0,027 м;
Максимальная
толщина профиля
в сечениях:
в
корневом сечении
=0,0028 м;
в
среднем сечении
=0,0022 м;
в
периферийном сечении
=0,0015 м;
Максимальная
стрела прогиба средних линий профиля в сечениях:
в
корневом сечении
=0,0032 м;
в
среднем сечении
=0,0025 м;
в
периферийном сечении
=0,002 м;
Угол
установки профиля
в сечениях:
в
корневом сечении
=1,05 рад;
в
среднем сечении
=0,87 рад;
в
периферийном сечении
=0,70 рад;
Интенсивность
газовых сил на среднем радиусе в плоскости вращения:
;
Интенсивность
газовых сил в осевой плоскости:
;
Где
- радиус сечения;
- число
лопаток;
- плотность газа;
и
- осевая составляющая скорости газа перед и за
лопаткой; W1U, W2U - окружные составляющие относительной
скорости газа перед и за лопаткой; Р1, Р2 - давление газа
перед и за лопаткой;
- длина лопатки.
Н/м;
Н/м;
Н/м;
Частота
вращения рабочего колеса
=19500 об/мин;
Плотность
материала лопатки
=4500 кг/м
;
Предел
длительной прочности
=1000 МПа;
Согласно
нормам прочности минимальный запас по статической прочности профильной части
рабочей лопатки компрессора должен быть не менее 1,5.
Расчет
рабочих лопаток на растяжение от центробежных сил.
Напряжение
растяжения в расчетном сечении Fп пера лопатки определяется
по формуле:
,
где
Pц - центробежная сила части пера лопатки, расположенной выше
расчетного сечения; w - угловая скорость вращения ротора.
Определение
напряжений изгиба.
Напряжения
изгиба в каждой точке расчетного сечения определяются по формуле [7]:
,
В
целях упрощения расчета значения изгибающих моментов и моментов сопротивления
берут без учета знаков (по модулю). Напряжение изгиба от газовых сил, как
правило, определяют в трех точках, наиболее удаленных от осей h и x, относительно которых моменты инерции сечения лопатки
соответственно максимальный и минимальный (на рисунке это точки А, В и С).
Рисунок
1.3 - Определению изгибных напряжений в лопатке.
где
u, a - расчётные оси; a - угол между главными осями сечения и расчётными
осями.
Так
в точке А:
,
в
точке В:
,
в
точке С:
,
Вместе
с тем знак при определении напряжения изгиба характеризует вид деформации
волокон лопатки. Так, если волокна лопатки растянуты, то напряжение изгиба
имеет знак "+", если же они сжаты, то "-". Заметим, что от
действия газовых нагрузок на кромках профиля (в точках А и В) всегда возникают
напряжения растяжения, а на спинке профиля (в точке С) - напряжения сжатия.
Определение
запасов прочности лопаток.
При
определении запасов прочности следует учитывать напряжения, как растяжения, так
и изгиба лопатки. Суммарное напряжение в каждой точке расчетного сечения
профильной части лопатки:
.
Для
компрессорных лопаток запас прочности определяют по формуле [7]:
,
где
sдлит -
предел длительной прочности материала лопатки с учетом температуры в данном
сечении и длительность работы.
Согласно
нормам прочности минимальный запас по статической прочности профильной части
рабочей лопатки компрессора должен быть не менее 1,5.Вычисления выполняем с
помощью программы Statlop.exe.
Таблица
1.3.1 - Результаты машинного счёта.
Рисунок
1.3.1 - Изменение напряжений по высоте лопатки.
Рисунок
1.3.2 - Изменение коэффициентов запаса прочности по высоте лопатки.
Вывод:
Полученные значения запасов во всех
сечениях удовлетворяют нормам прочности. Это значение больше минимально
допустимого 1,5.
1.3.2
Расчёт на прочность диска первой ступени КВД
Диски компрессора - это наиболее ответственные элементы конструкции
газотурбинных двигателей. От совершенства конструкции дисков зависит
надёжность, легкость и надежная работа авиационных двигателей в целом.
Нагрузки, действующие на диск.
В общем, случаи в диске возникают следующие виды напряжений:
растяжения от центробежных сил и температурных нагрузок;
кручения, если диск передаёт крутящий момент;
изгибные от разности давления и температуры по радиусу диска, осевых
газодинамических сил, действующих на лопатку, гироскопических моментов.
Допущения, принимаемые при расчете.
При расчете диска на прочность принимаются следующие допущения:
диск находится в плоском напряженном состоянии;
температура диска меняется только по радиусу и постоянна по толщине;
напряжения на любом радиусе не меняется по толщине;
наличие отверстий и бобышек на полотне диска, отдельных выступов и
проточек на его частях не принимаются во внимание.
Целью данного расчета является расчет диска компрессора на прочность от
действия центробежных сил масс лопаточного венца и диска, методом конечных
разностей.
Метод конечных разностей основан на приближенном расчете дифференциальных
уравнений (1.3.1) и (1.3.2):
, (1.3.1)
,(1.3.2)
где
уR и уТ - радиальные и окружные
напряжения;, R - текущее значение толщины и радиуса;
w - угловая скорость
вращения диска;
r - плотность
материала диска;
Е
- модуль упругости первого рода;- температура элемента диска на радиусе R;
a - коэффициент
линейного расширения материала диска;
m - коэффициент
Пуассона.
Замена
дифференциалов на конечные разности производится по таким формулам:
,
,
,
,
,
где
индексы n, принимающие значения от 0 до k, указывают номер кольцевого сечения
диска.
Окончательные
расчетные формулы [9]:
,
,
где
,
,
,
.
,
,
,
,
,
.
Особенностью
расчета диска со скачкообразным изменением толщины является то, что в случае
скачка в толщине диска следует ожидать скачкообразного изменения напряжений.
Величину скачка в напряжениях можно определить из условия равенства радиальных
сил, действующих в сечениях на границе смыкания участков диска с разными
толщинами, и равенства окружных удлинений кольцевых элементов диска, выделенных
там же.
Отличие
в расчетах состоит в том, что при расчете диска со скачкообразным изменением
толщины в месте скачка проводится два совпадающих сечения с разными толщинами
диска.
Расчетные
формулы для вычисления напряжений в сечении после скачка при использовании
метода конечных разностей имеют такой вид:
,
,
где
sR`n1 и
sTn1 -
радиальные и окружные напряжения в диске на радиусе Rn после
скачка в толщине диска;
s0 - напряжение в центре диска.
Коэффициенты
A/n, B/n, N/n
и Q/n находятся по формулам:
;
,
,
,
где
b/n, bn - толщина диска на
радиусе Rn до и после скачка в диске.
Значения
коэффициентов А0, В0, N0,
Q0 равны:
А0
= 0, В0 = 0, N0 = 1, Q0 =
0.
При
разбивании диска на расчетные сечения должны выполнятся следующее условия:
отношения
радиусов:
;
отношения
толщин:
.
Для
первых трех ступеней диска с центральным отверстием:
В
качестве нагружающего фактора рассматривается нагрузка от лопаточного венца и
замочной части, которая учитывается величиной sRn:
,
где
z - число лопаток;
sRk - напряжения в корневом сечении лопатки от растяжения
центробежными силами (из расчета лопатки на прочность);k -
площадь корневого сечения лопатки (из расчета лопатки на прочность);
r - плотность
материала диска (материал диска ВТ-8);- площадь радиального сечения разрезной
части обода;f- радиус центра тяжести площади f;k
- наружный радиус неразрезанного обода диска;k - ширина обода
диска на радиусе Rk.
Расчетным
режимом для проведения расчета на прочность диска, обычно является режим
максимальной частоты вращения диска. В этом случаи наибольшей величины
достигают напряжения от центробежных сил собственной массы диска и лопаточного
венца, которые почти всегда имеют решающие значение при оценке прочности диска.
Исходные
данные:
материал
диска - титановый сплав ВТ-8;
плотность
материала r = 4500 кг/м3;
предел
длительной прочности sдлит =
1000МПа;
частота
вращения n = 19500 об/мин;
коэффициент
Пуассона m = 0,3;
площадь
корневого сечения лопатки Fk = 0,524×10-4 м2;
число
лопаток на рабочем колесе z = 43;
площадь
радиального сечения разрезной части обода диска f = 0,00009 м2;
радиус
центра тяжести радиального сечения разрезной части обода диска Rf
= 0,14961 м;
Геометрические
параметры диска в расчетных сечениях приведены в таблице 1.3.2
Рисунок
1.3.3 - Расчетная схема диска
Таблица
1.3.2 - Геометрические параметры сечений.
|
Номер сечения
|
R, м
|
Ri/Ri-1
|
b, м
|
bi/bi-1
|
|
1
|
0,0968
|
-
|
0,0282
|
-
|
|
2
|
0,1040
|
1,07
|
0,0282
|
1
|
|
3
|
0,1051
|
1,02
|
0,0279
|
0,99
|
|
4
|
0,1076
|
1,02
|
0,0234
|
0,858
|
|
5
|
0,1103
|
1,02
|
0,0190
|
0,81
|
|
6
|
0,1127
|
1,01
|
0,0154
|
0,81
|
|
7
|
0,1142
|
1,01
|
0,0130
|
0,84
|
|
8
|
0,1154
|
1,01
|
0,0108
|
0,827
|
|
9
|
0,1165
|
1,01
|
0,0088
|
0,829
|
|
10
|
0,1177
|
1,01
|
0,0072
|
0,81
|
|
11
|
0,1191
|
1,01
|
0,0059
|
0,81
|
|
12
|
0,1209
|
1,02
|
0,0048
|
0,81
|
|
13
|
0,1223
|
1,01
|
0,0044
|
0,92
|
|
14
|
0,1246
|
1,02
|
0,0049
|
1,1
|
|
15
|
0,1413
|
1,13
|
0,0049
|
1
|
|
16
|
0,1413
|
1,00
|
0,0136
|
2,78
|
|
17
|
0,1466
|
1,03
|
0,0136
|
1
|
Запас
прочности находим по формуле:
[9].
Так
как диск находится в плосконапряженном состоянии, то за критерий прочности
принимается эквивалентное напряжение:
.
Расчет
на прочность диска компрессора выполнен с помощью ЭВМ по программе diskop.exe.
Ниже приведены результаты расчетов:
Таблица
1.3.3 - Результаты машинного счета
Рисунок
1.3.4 - Распределение напряжений по радиусу диска
Рисунок
1.3.5- Изменение коэффициента запаса прочности по радиусу диска.
Вывод: Значения запасов прочности во всех сечениях
удовлетворяют нормам прочности. Минимальное значение было получено в сечении
1-1 равно 2,2 и является больше минимально допустимого.
1.3.3 Расчет динамической частоты первой формы изгибных
колебаний лопатки компрессора и построение частотной диаграммы
Цель расчета - определение частоты собственных колебаний рабочей лопатки
осевого компрессора, и анализ частотной диаграммы для проверки отсутствия
резонансных режимов в рабочей области частот вращения.
Вращение лопатки совместно с диском, на котором она закреплена, оказывает
влияние на ее колебания, так как центробежная сила стремиться вернуть
колеблющуюся лопатку в положение равновесия. Действие центробежной силы лопатки
приводит к тому же результату, что и увеличение ее жесткости, потому частота
собственных колебаний вращающейся лопатки (так называемая динамическая частота)
повышается с увеличением частоты вращения ротора.
Динамическую частоту собственных колебаний вращающейся лопатки вычисляем
по формуле [8]:
где
nc - частота вращения ротора, об/с;- коэффициент пропорциональности,
зависящий от геометрии лопатки и формы упругой линии, который можно рассчитать
по следующей формуле [8]:
c - частота собственных
изгибных колебаний лопатки по 1й форме, определенная энергетическим методом
Релея, который основан на законе сохранения энергии свободноколеблющейся
упругой системы, рассчитанная по формуле:
Для
вычисления значения по данным формулам воспользуемся кафедральной программой
DinLop.exe.
Исходные
данные:
Материал
лопатки: ВТ-8;
Модуль
упругости материала в рабочих условиях: 1,15∙105 МПа;
Плотность
материала: 4500 кг/м3;
Объем
бандажной полки: 0;
Расстояние
от центра тяжести бандажной полки до оси вращения: 0;
Расстояние
от центра тяжести бандажной полки до корневого сечения лопатки: 0;
Радиус
корневого сечения: 0,14664м;
Длина
пера лопатки: 0,051 м;
Площади
лопатки:
в
корневом сечении
=0,0000524 м2;
в
среднем сечении
=0,0000412 м2;
в
периферийном сечении
=0,0000281 м2;
Минимальные
моменты инерции лопатки:
в
корневом сечении
=5,6∙10-11 м4;
в
среднем сечении
=2,4∙10-11 м4;
в
периферийном сечении
=1,04∙10-11 м4;
Максимальная
секундная частота вращения: 325 об/с.
Таблица
1.3.4 - Результаты машинного счета
По
результатам расчета построена частотная диаграмма (рисунок 9). Из начала
координат проведены лучи, представляющие собой частоты возбуждающих сил,
кратные частоте вращения ротора:
,
где
k - число кратности, определяющее порядок гармоник возбуждающей силы (k1=6,
т.к. переходной канал имеет 6 силовых стоек, k2=42, так как перед рабочим
колесом находится ВНА, содержащий 42 лопаток. (nС1= 10об/с и nС2 =325 об/с):
,
Пересечение
линий показывает резонансные частоты (рисунок 1.3.6). Зона рабочих режимов
начинается с зоны малого газа, составляющего ≈65% от nmax, т.е.
nмг=211,25 об/с, и заканчивается максимальным режимом - nmax=325об/с.
Рисунок
1.3.6 - Частотная диаграмма.
Вывод: возможные резонансные режимы работы двигателя не
попадают в диапазон рабочих чисел оборотов, поэтому являются неопасными.
2. ТЕХНОЛОГИЧЕСКАЯ ЧАСТЬ
2.1 Анализ рабочего чертежа и определение показателей
технологичности вала
Рабочий чертеж детали является основным документом для контроля и приемки
изготовленных деталей. На рабочем чертеже указывается материал детали,
проставляются допуски на изготовление, шероховатость поверхностей, в
технических условиях указывается группа контроля, термообработка и твердость
материала, покрытия и прочие специфические требования. Для ответственных
деталей в технических условиях указываются также физико-механические свойства
сердцевины и поверхностного слоя, применяемые методы улучшения прочностных
свойств с целью повышения надежности и долговечности детали. Указываются также
методы и способы контроля, как наружных поверхностей, так и внутренней
структуры материала детали.
В качестве исходной информации для выполнения бакалаврской рабоы был
задан чертеж детали вала на листе формата А2. Он представляет чертеж вала,
выполненный в одной проекции, с дополнительными видами, поясняющими конструкцию
вала. С правой стороны размещена таблицыа параметров шлицевого венца. Ввиду
сложности детали и высоких требований, предъявляемых к ней, некоторые
поверхности или даже участки поверхностей нуждаются в особых видах обработки
или способах контроля. Для идентификации таких участков используется буквенная
индексация.
Данная деталь - вал ГП 23.095 применяется в регуляторе привода генератора
ГП 23, который в свою очередь устанавливается на гидромашине.
Вал служит для восприятия и передачи крутящего момента.
Деталь представляет собой осесимметричную фигуру с центральным и
радиальным отверстиями. Для восприятия и передачи крутящего момента служат
такие конструктивные элементы как шлицы эвольвентного профиля. Точность
большинства линейных размеров - 12 квалитет.
Одним из заданий было перевод чертежа в электронный вид и его выполнение
в соответствии с требованиями ГОСТов.
2.1.1 Технологичность по материалу
Материал детали сталь 40ХН2МА (ТУ14-1-2765-79) по ГОСТ 4543-71.
Заменитель: 40ХГТ, 40ХГР, 30Х3МФ, 45ХН2МФА.
Классификация : Сталь конструкционная легированная.
Применение: коленчатые валы, клапаны, шатуны, крышки шатунов,
ответственные болты, шестерни, кулачковые муфты, диски и другие
тяжелонагруженные детали.
Химический состав и механические характеристики приведены в таблице 2.1.1
и 2.1.2.
Таблица 2.1.1 - Химический состав
|
C
|
Si
|
Mn
|
Ni
|
S
|
P
|
Cr
|
Mo
|
Cu
|
|
0.37 - 0.44
|
0.17 - 0.37
|
0.5 - 0.8
|
1.25 - 1.65
|
до 0.025
|
до 0.025
|
0.6 - 0.9
|
0.15 - 0.25
|
до 0.3
|
Таблица 2.1.2 - Механические свойства
|
Сортамент
|
Размер
|
Напр.
|
sв
|
sт
|
d
|
y
|
KCU
|
Термообр.
|
|
-
|
мм
|
-
|
МПа
|
МПа
|
%
|
%
|
кДж / м2
|
-
|
|
Пруток
|
25
|
|
1080
|
930
|
12
|
50
|
780
|
Закалка и отпуск
|
Твердость материала 40ХН2МА после отжига HB 10 -1 = 269 МПа
Таблица 2.1.3 - Физические свойства
|
t
|
 a·106
|
|
|
|
°С МПа 1/Град кг/м3
|
|
|
|
|
20
|
2.15
|
|
7850
|
|
100
|
2.11
|
11.6
|
|
|
200
|
2.01
|
12.1
|
|
|
300
|
1.9
|
12.7
|
|
|
400
|
1.77
|
13.2
|
|
|
500
|
1.73
|
13.6
|
|
|
600
|
|
13.9
|
|
Критические
точки:
Технологические
свойства материала 40ХН2МА .
Свариваемость:
трудносвариваемая.
Флокеночувствительность:
чувствительна.
Склонность
к отпускной хрупкости: не склонна.
2.1.2 Технологичность по точности, шероховатости поверхностей
вала
Уровень технологичности конструкции по точности обработки:
;
; Тср -
средний квалитет точности обработки изделия;
- число
размеров соответствующего квалитета точности.
Так
как
> 0,82, деталь считается технологичной.
Уровень
технологичности конструкции по шероховатости поверхности:
;
;
Шср
- средняя шероховатость поверхности изделия,
- число
поверхностей соответствующей шероховатости,
Ш
- шероховатость конструкции.
Так
как
<0,320, деталь по шероховатости технологична.
Одним
из важнейших показателей технологичности деталей является коэффициент
использования материала - КИМ, представляющий собой отношение массы
обработанной детали к массе исходной заготовки. В наиболее прогрессивных
технологических процессах это отношение приближается к единице и зависит от
способов получения заготовок и масштабов производства.
Коэффициент
использования материала:
Масса
детали:
;
Масса
заготовки: mз=0,092 кг;
;
По
КИМ деталь вала технологична.
В
целом деталь вала относится к деталям средней технологичности и может быть
изготовлена в условиях мелкосерийного производства, хотя ее выпуск сопряжен с
определенными трудностями.
2.2 Выбор и обоснование метода, оборудования и параметров
формообразования заготовки
Процесс получения заготовки является одним из первых этапов
преобразования материала в готовое изделие. Однако именно он определяет в
дальнейшем не только способы и режимы обработки, но и эксплуатационные
характеристики детали, её ресурс. Неправильно выбранный способ получения
заготовки может сделать полностью невозможным получение кондиционной детали или
себестоимость её будет настолько высока, что использование изделия в узле будет
нерентабельным.
При выборе способа получения заготовки необходимо учитывать конфигурацию,
размеры, массу и материал заготовки; количество получаемых заготовок; требуемую
точность получения заготовки; шероховатость и качество ее поверхностных слоев;
желательное направление волокон металла.
В процессе эксплуатации в детали ГП 21.095 вал возникают высокие
напряжения кручения, деталь работает в условиях повышенных температур. Для
обеспечения высоких физико-механических свойств, а также из соображений
экономической целесообразности заготовку будем получать посредством обработки
давлением. Штампованная заготовка имеет уплотненную структуру, благоприятное
направление волокон металла, её физико-механические свойства выше, чем при
обработке резанием.
Поковка имеет малые габаритные размеры, для выполнения операции штамповки
не требуется значительных усилий. В таком случае рекомендуется использовать
штамповку на ГКМ. Помимо улучшения механических свойств детали, возможности
получения поковки без заусенцев и штамповочных уклонов, это также позволит
повысить коэффициент использования материала (КИМ). Получение более сложной
поковки экономически нецелесообразно, так как припуски на механическую обработку
незначительны (КИМ не увеличится существенно), а следовательно не будет
достигнут положительный экономический эффект от применения сложной штамповочной
оснастки.
Чертеж заготовки вала показан на 2012.ГАЙДУК.244-05.
2.3 Расчёт, оптимизация и обоснование потребного количества
технологических операций (переходов) формообразования
поверхностей-представителей вала
В связи с тем, что выбранный способ окончательной обработки отдельных
поверхностей не всегда может обеспечить получение требуемых точности и качества
поверхности непосредственно из исходной заготовки возникает необходимость
создания промежуточных операций или переходов, по мере выполнения которых
достигается постепенное повышение точности заготовки до требуемой в готовой
детали.
Выполним
расчет потребного количества операций формообразования элементарных
цилиндрических и плоских поверхностей-представителей вала. Для этого будем
использовать расчетный метод, основанный на оценке коэффициентов уточнения
(по точности) и
(по
шероховатости). Указанные коэффициенты показывают, насколько увеличилась
точность либо повысился показатель шероховатости как за один переход (
), так и в целом после всех этапов обработки
поверхности (
). Для оценки потребного количества операций
формообразования будем использовать общий коэффициент уточнения -
.
,
Определим
количество переходов, необходимое для достижения заданной точности и
шероховатости. Окончательно примем большее из полученных значений.
,
Результаты
расчета заносим в таблицу 2.3.1
Схема
нумерации поверхностей вала представлена на рисунке 2.3.1
Рисунок
2.3.1- Схема нумерации поверхностей вала
Таблица 2.3.1. Расчёт и оптимизация потребного количества
операций формообразования поверхностей-представителей вала
|
№
|
Характеристики
|
Количество переходов
|
Характеристики по
операциям
|
Операция
|
|
Деталь
|
Заготовка
|
   12345
№Наименования
|
|
|
|
|
|
|
|
|
|
|
|
|
|
|
|
|
|
|
|
|
|
|
|
|
1 Ø15,2m5
0,8Ø18IT14(
)
|
Rz 802,941,335h12 Rz40
010Токарная
|
|
|
|
|
|
|
|
|
|
|
|
|
|
|
|
|
|
|
|
|
|
h9 Rz20
|
|
|
|
020
|
Токарная
|
|
|
|
|
|
|
|
|
|
h8 Ra2,5
|
|
|
075
|
Шлифовальная
|
|
|
|
|
|
|
|
|
|
|
m6 Ra 1.25
|
|
075
|
Шлифовальная
|
|
|
|
|
|
|
|
|
|
|
|
m5 Ra0.8
|
090
|
Доводочная
|
2 8,5js12(±0,25) Rz20 8IT14
Rz800,531,322h12
|
Rz40 010Токарная
|
|
|
|
|
|
|
|
|
|
|
|
|
|
|
|
|
|
|
|
|
js12 Rz20
|
|
|
|
020
|
Токарная
|
3 3,36js10(±0,023) Rz20 6IT14
Rz802,41,7822h12
|
Rz40 010Токарная
|
|
|
|
|
|
|
|
|
|
|
|
|
|
|
|
|
|
|
|
|
js10 Rz20
|
|
|
|
020
|
Токарная
|
4 3,36js10(±0,023) Ra1,25 6IT14
Rz802,43,534h12
|
Rz40 015Токарная c ЧПУ
|
|
|
|
|
|
|
|
|
|
|
|
|
|
|
|
|
|
|
|
|
h10 Rz20
|
|
|
|
025
|
Токарная c ЧПУ
|
|
|
|
|
|
|
|
|
|
h10 Ra5
|
|
|
065
|
Шлифовальная
|
|
|
|
|
|
|
|
|
|
|
js10 Ra1,25
|
|
070
|
5 Ø19js14
,3Ø22IT14(
)8011,2522h14
|
Rz40 010 Токарная
|
|
|
|
|
|
|
|
|
|
|
|
|
|
|
|
|
|
|
|
|
|
js14 Ra6,3
|
|
|
|
020
|
Токарная
|
6 Ø12,68h5
,5Ø15IT14
,762,2545h12
|
Rz40 015Токарная c ЧПУ
|
|
|
|
|
|
|
|
|
|
|
|
|
|
|
|
|
|
|
|
|
|
h10 Rz20
|
|
|
|
025
|
Токарная c ЧПУ
|
|
|
|
|
|
|
|
|
|
h8 Ra 5
|
|
|
065
|
Шлифовальная
|
|
|
|
|
|
|
|
|
|
|
h6 Ra1.25
|
|
070
|
Шлифовальная
|
|
|
|
|
|
|
|
|
|
|
|
h5 Ra0,63
|
090
|
Доводочная
|
7 Ø11,093h
,5Ø15IT14
|
Rz803.762.2545h12 Rz40
015Токарная c ЧПУ
|
|
|
|
|
|
|
|
|
|
|
|
|
|
|
|
|
|
|
|
|
|
h10 Rz20
|
|
|
|
025
|
Токарная c ЧПУ
|
|
|
|
|
|
|
|
|
|
h8 Ra 5
|
|
|
065
|
Шлифовальная
|
|
|
|
|
|
|
|
|
|
|
h6 Ra1.25
|
|
070
|
Шлифовальная
|
|
|
|
|
|
|
|
|
|
|
|
h5 Ra0,63
|
090
|
Доводочная
|
8 52,4js12(±0,25) Ra 2,5 53IT14
|
Rz800,531,322h12 Rz40
015Токарная c ЧПУ
|
|
|
|
|
|
|
|
|
|
|
|
|
|
|
|
|
|
|
|
|
js12 Ra2,5
|
|
|
|
025
|
Токарная c ЧПУ
|
9 Ø8,46h11
,5Ø11IT14
|
Rz802,061,7323h12 Rz40
015Токарная c ЧПУ
|
|
|
|
|
|
|
|
|
|
|
|
|
|
|
|
|
|
|
|
|
|
h10 Rz20
|
|
|
|
025
|
Токарная c ЧПУ
|
|
|
|
|
|
|
|
|
|
h8 Ra2,5
|
|
|
040
|
Шлицефрезерная
|
11 14,3H12
IT14
|
Rz800,121,322H12 Rz40
015Токарная c ЧПУ
|
|
|
|
|
|
|
|
|
|
|
|
|
|
|
|
|
|
|
|
|
|
H12 Rz20
|
|
|
|
025
|
Токарная c ЧПУ
|
12 10,2h12
,553IT14
|
Rz801,301,9634h12 Rz40
015Токарная c ЧПУ
|
|
|
|
|
|
|
|
|
|
|
|
|
|
|
|
|
|
|
|
|
|
h12 Rz20
|
|
|
|
025
|
Токарная c ЧПУ
|
|
|
|
|
|
|
|
|
|
h12 Rz10
|
|
|
065
|
Шлифовальная
|
|
|
|
|
|
|
|
|
|
|
h12 Ra2,5
|
|
065
|
Шлифовальная
|
13 Ø4,76Н7
,2Ø4.5IT1
|
Rz400,581,133H12 Rz40
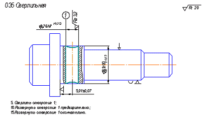
035Сверлильная
|
|
|
|
|
|
|
|
|
|
|
|
|
|
|
|
|
|
|
|
|
|
H10 Rz20
|
|
|
|
035
|
Сверлильная
|
|
|
|
|
|
|
|
|
|
H7 Ra3,2
|
|
|
035
|
Сверлильная
|
14 Ø11,2Н14
Ø11IT14
|
Rz401111H14 Rz20
020Сверлильная
|
|
|
|
|
|
|
|
|
|
|
|
|
15 Ø12,3h14
,3Ø18IT14(
)
|
Rz 801,21,3822h14 Rz40
010Токарная
|
|
|
|
|
|
|
|
|
|
|
|
|
|
|
|
|
|
|
|
|
|
h14 Ra6,3
|
|
|
|
020
|
Токарная
|
2.4 Выбор и технико-экономическое обоснование этапов
технологического процесса изготовления, комплектов технологических баз, методов
и последовательности обработки поверхностей вала
Одной из наиболее сложных и принципиальных задач проектирования
технологических процессов механической обработки является назначение
технологических и измерительных баз. От правильного выбора технологических баз
в значительной мере зависят фактическая точность выполнения размеров, заданных
конструктором; правильность взаимного расположения обрабатываемых поверхностей;
степень сложности приспособлений, режущих и измерительных инструментов; общая
производительность обработки заготовок.
Исходными данными при выборе баз являются: рабочий чертеж детали,
технические условия на ее изготовление, вид заготовки и состояние ее
поверхностей, желаемая степень автоматизации. Перед выбором баз для конкретной
операции необходимо четко сформулировать задачи, которые должны быть решены в
результате выполнения данной операции. Эти задачи вытекают из чертежа и
технических условий на изготовление данной детали.
Выбор баз производится исходя из размерных связей между поверхностями.
Это находит отражение в принципах совмещения баз и постоянства баз, соблюдение
которых обеспечивает формирование наиболее коротких размерных цепей.
Технологические базы должны иметь точность не ниже чем у обрабатываемых
поверхностей. Для большинства операций это требование соблюдается, и такие базы
называют чистыми.
Исключение составляют первые операции каждого этапа, базы для которых
подготовлены на предшествующем этапе и уступают по точности и качеству обрабатываемым
поверхностям.
Выбору баз на первой операции предшествует определение поверхностей,
которые будут использоваться в качестве баз на последующих операциях.
Черновые базы могут быть использованы на каждом этапе только один раз и
для координации только одной из обрабатываемых поверхностей.
Почти всегда возможна реализация нескольких вариантов базирования. Но
обычно при выборе баз руководствуются следующими рекомендациями:
. Базы должны обладать достаточной протяженностью.
. Заготовка должна занимать в приспособлении надлежащее ей положение под
действием собственного веса, а не в результате приложения зажимных усилий.
.Базовые поверхности должны быть чистыми для обеспечения однозначности
базирования. Не допускается использовать поверхности со следами разъема
штампов, литейных форм, остатками литниковой системы.
Наиболее существенное влияние на последовательность обработки
поверхностей детали оказывает характер размерной связи. Анализируя форму детали
и проставленные на рабочем чертеже размеры, можно установить, что основными
технологическими базами могут служить: 1) торцы детали - в качестве опорной
базы, лишающей заготовку одной степени свободы; 2) наружные поверхности в
качестве направляющих баз; 3) внутренние поверхности, лишающие заготовку
четырех степеней свободы.
При обработке желательно свести к минимуму погрешность установки, чтобы
обеспечить требования к точности и шероховатости поверхностей. Этого можно
добиться, предварительно подготовив базы - торец и отверстие заготовки.
На чертеже детали в качестве конструкторской базы для диаметральных
размеров принята ось детали, однако, исходя из невозможности использования оси
в качестве технологической базы, в качестве установочных используем внешнюю
цилиндрическую поверхность 1,6и торцы 3,4 (рисунок 2.3.1), при этом будет
выполнен принцип совмещения баз при обработке большинства торцев, кроме того, в
процессе изготовления детали будем применять вспомогательные установочные базы
в виде центровых гнезд.
2.5 Разработка, обоснование, оптимизация и оформление предварительного
плана технологического процесса изготовления вала
План технологического процесса в виде операционных эскизов составляют по
рабочему чертежу детали. Такой план является результатом решения всех основных
технологических задач. Им устанавливается границы между операциями и
последовательность операций в техпроцессе, установочные и исходные базы, схемы
закрепления заготовки.
Намечаются виды операций, которые должна пройти каждая поверхность, а
следовательно и основные этапы техпроцесса. Так же определяются поверхности,
которые лучше или необходимо обрабатывать совместно с другими поверхностями.
Для данной детали - вала - технологический процесс изготовления ее был
разбит на следующие этапы:
) заготовительный - этап, на котором из первичного материала формируется
заготовка, подлежащая обработке для получения готовой детали. Заготовка
получается посредством штамповки на горизонтально-ковочной машине. На
заготовительном этапе достигается точность поверхностей, соответствующая 14
квалитету, и шероховатость Rz = 80 мкм;
) черновой этап - этап, на котором производится первичное
формообразование поверхностей вала. Определяется общая конфигурация
поверхностей. Этот этап в механической обработке характеризуется большой
величиной снимаемых припусков, большими числами подач, большими силами резания
при относительно невысоких скоростях резания. При обработке данной детали
наиболее характерная операция - токарная; достигаемая точность поверхностей
соответствует 12 квалитету при шероховатости поверхностей Rz = 40 мкм;
Закрепление заготовки осуществляют с помощью трехкулачкового патрона и
упором в торец по наружной поверхности.
3) Получистовой этап - обработка поверхностей детали до 10-го квалитета
точности и шероховатости Rz = 20 мкм.
Закрепление заготовки в центрах с поводковым патроном.
) Термообработка - закалка и отпуск;
) Чистовой - этап, на котором производится обработка поверхностей, где
достигается 9-й и 8-й квалитеты точности и шероховатость Rz = 10 мкм; также на
этом этапе сверлится отверстие, снимаются фаски, обрабатываются шлицы; после
чистового этапа следует промывка детали (т.е. очистка от остатков стружки и
пыли);
На токарных операциях заготовку устанавливают в центра с поводковым
патроном.
) Отделочный этап - обработка ответственных поверхностей вала до
шероховатости Ra = 0,8 мкм; после отделочного этапа следуют промывка детали
(т.е. очистка от остатков стружки и пыли); также проводятся слесарные операции,
чаще всего выполняемые вручную, непосредственно рабочим, с низким уровнем
механизации (очистка от заусенцев, притупление острых кромок);
После выполнения всех формообразующих операций следует окончательный
контроль детали и консервация.
2.6 Расчеты припусков на обработку и операционных
размеров-диаметров всех цилиндрических поверхностей вала нормативным методом
Нормативный метод определения припусков предусматривает назначение общих
или операционных припусков на механическую обработку в зависимости от метода
изготовления заготовки, требуемой точности и шероховатости поверхности детали и
размеров этой поверхности на основе опытно-статистических данных, содержащихся
в нормативно-технической документации. Этот метод иногда именуется
опытно-статистическим. Величина общего припуска в соответствии с принятым
технологическим маршрутом распределяется между отдельными переходами обработки
каждой поверхности.
Главным преимуществом нормативного метода определения припусков является
возможность назначения общего припуска до разработки технологического маршрута.
Это позволяет существенно сократить длительность технологической подготовки
производства нового изделия в результате параллельного проектирования
технологических процессов получения заготовки и ее механической обработки.
Однако этот метод не дает возможности сокращать расход материала за счет
уменьшения припусков на отдельные операции.
В
качестве примера рассмотрим расчет припусков нормативным методом для наружной
цилиндрической поверхности Ø15.2m5
, Ra 0,8.
Результаты
расчета будем заносить в таблицу 2.6.1.
Маршрут
обработки устанавливаем на основании ранее разработанного плана
технологического процесса. Формообразование данной поверхности осуществляется
за 5 переходов в следующем порядке: точение черновое, точение получистовое,
шлифование предварительное, шлифование окончательное, доводка. В качестве
доводочной операции применяем суперфиниширование. Заготовка - поковка, IT 14,
Rz80.
Точность поверхности изменяется по переходам следующим образом: h12 - h19
- h8- h6 - m5; шероховатость: Rz40 - Rz20- Rа2,5 - Rа1,25 - Rа0,8.
Достигаемая
точность определяет допуск размера. Значение операционных допусков
устанавливаем по справочнику [2, с.192, т.32]. Черновое точение (−0,180мм),
получистовое точение (−0,043 мм), предварительное шлифование (−0,027
мм), окончательное шлифование (−0,011), суперфиниширование
.
Рекомендуемый
припуск назначаем в соответствии со справочными данными [1, c.112, т.П.5.1],
[1, c.114, т.П.5.3].
.
Точение черновое : 2z = 1,300 мм;
2.
Точение получистовое: 2z = 0,600 мм;
3. Шлифование предварительное: 2z = 0,200 мм;
. Шлифование окончательное: 2z = 0,100 мм;
. Суперфиниширование: 2z = 0,030 мм.
На последней ступени обработки расчетный размер равен размеру готовой
детали. Для суперфиниширования Dp = 15,2 мм. C учетом допуска
наибольший предельный размер на данной операции:max = 15,215 мм.
Расчетные
размеры на предшествующих ступенях обработки определяем как сумму наибольшего
предельного размера (равного округленному значению расчетного размера по
рекомендациям [1, с.110, т. П.4.1] и из технологических соображений) и
соответствующего ему расчетного припуска
на данной
ступени обработки:
Тогда:
для
окончательного шлифования (операция075 ):p =15,2+0,030= 15,230 мм;прин
=15,300 мм;
для
предварительного шлифования (операция075 ):p =15,300 +0,100= 15,400
мм;прин =15,400 мм;
для
получистового точения (операция 020):p =15,400+0,200= 15,600 мм;прин
=15,600 мм;
для
чернового точения (операция010 ):p =15,600+0,600= 16,200 мм;прин
=16,200 мм;
для
операции штамповки (операция 005):p =16,420+1,300= 17,500 мм;прин
=18,000 мм.
Принятый
припуск на обработку равен разности принятых размеров на предыдущем и данном
переходах:
для
суперфиниширования: 2zприн =15,300 - 15,200= 0,100 мм;
для
окончательного шлифования: 2zприн = 15,400 - 15,300 = 0,100 мм;
для
предварительного шлифования: 2zприн =15,600 - 15,400 = 0,200 мм;
для
получистового точения: 2zприн =16,200- 15,600 =0,600 мм;
для
чернового точения: 2zприн =18,000- 16,200 =1,800 мм.
Минимальное
значение припуска на данном переходе определяем по следующей формуле:
.
для
суперфиниширования: 2zmin=0,100-0,011= 0,089 мм;
для
окончательного шлифования: 2zmin=0,100-0,027= 0,073 мм;
- для предварительного шлифования: 2zmin=0,200-0,043= 0,157
мм;
для получистового точения: 2zmin=0,600-0,180=0,420 мм;
для чернового точения: 2zmin=1,800-0,300=1,500 мм;
Полученное значение минимального припуска необходимо сравнить с
допустимым минимальным значением припуска на каждую операцию. Минимальный
припуск должен составлять не менее трети рекомендуемого.
Технологический
операционный размер на каждой ступени обработки записывается как максимальный
размер и допуск "в тело": для суперфиниширования: 15,2
; для окончательного шлифования:15,3-0,011;
для предварительного шлифования: 15,400-0,027; для получистового
точения: 15,600-0,043; для чернового точения: 16,200-0,180.
Аналогично
ведем расчет для остальных поверхностей вращения. Результаты расчета заносим в
таблицу 2.6.1.
Таблица 2.6.1 - Расчет и оптимизация припусков
на обработку операционных размеров-диаметров цилиндрических поверхностей
вращения нормативным методом
|
Технологические операции
|
Размеры, мм
|
Отклонения, мм
|
Припуски, мм
|
Характеристики операций
|
|
№
|
Наименование
|
Расчётный
|
Принятый
|
|
Рекомендуемый
|
Принятый
|
Минимальный
|
Шероховатость обработки,
мкм
|
Точность обработки
|
|
Поверхность № 1: Наружная
цилиндрическая, Ø
15,2 m5 ; Ra 0,8; <28 HRCэ
|
|
090
|
Суперфинишная
|
15,200
|
15,200
|
0,0300,1000,089Ra 0,8m5
|
|
|
|
|
|
|
075
|
Шлифовальная
|
15,230
|
15,300
|
0,1000,1000,073 Ra 1,25h6
|
|
|
|
|
|
|
075
|
Шлифовальная
|
15,400
|
15,400
|
0,200 0,2000,157Ra 2,5h8
|
|
|
|
|
|
|
020
|
Токарная
|
15,600
|
15,600
|
0,600 0,600 0,420Rz 20h9
|
|
|
|
|
|
|
010
|
Токарная
|
16,200
|
16,200
|
1,300 1,8001,500Rz 40h12
|
|
|
|
|
|
|
005
|
Штамповка
|
17,500
|
18,000
|
---Rz 80IT14
|
|
|
|
|
|
|
Поверхность № 5: : Наружная
цилиндрическая, Ø
19 js14 ; Ra 6,3; < 28 HRCэ
|
|
020
|
Токарная
|
19,000
|
19,000
|
0,700 0,7000,180Ra 6,3js14
|
|
|
|
|
|
|
010
|
Токарная
|
19,700
|
19,700
|
1,8002,3002,000Rz 40h14
|
|
|
|
|
|
|
005
|
Штамповка
|
21,500
|
22,000
|
---Rz 80IT14
|
|
|
|
|
|
|
Поверхность № 6: : Наружная
цилиндрическая, Ø
12,68 h5 ; Ra 2,5; < 28 HRCэ
|
|
090
|
Суперфинишная
|
12,680
|
12,680
|
0,0300,1200,109 Ra 0,8h5
|
|
|
|
|
|
|
070
|
Шлифовальная
|
12,710
|
12,800
|
0,1000,1000,073 Ra 1,25h6
|
|
|
|
|
|
|
065
|
Шлифовальная
|
12,900
|
12,900
|
0,2000,2000,130Ra 5h8
|
|
|
|
|
|
|
025
|
Токарная
|
13,100
|
13,100
|
0,6000,6000,420 Rz 20h10
|
|
|
|
|
|
|
015
|
Токарная
|
13,700
|
13,700
|
1,3001,3001,000 Rz 40 h12
|
|
|
|
|
|
|
005
|
Штамповка
|
15,000
|
15,000
|
--- Rz 80 IT14
|
|
|
|
|
|
|
Поверхность № 7: : Наружная
цилиндрическая, Ø
11,093 h5 ; Ra 0,8; < 28 HRCэ
|
|
090
|
Суперфинишная
|
11,093
|
11,093
|
0,0300,1070,096 Ra 0,8h5
|
|
|
|
|
|
|
065
|
Шлифовальная
|
11,123
|
11,200
|
0,1000,1000,082 Ra 1,25h6
|
|
|
|
|
|
|
065
|
Шлифовальная
|
11,300
|
11,300
|
0,2000,2000,157 Ra 5h7
|
|
|
|
|
|
|
025
|
Токарная
|
11,500
|
11,500
|
0,6000,600 0,420 Rz 20h9
|
|
|
|
|
|
|
015
|
Токарная
|
12,100
|
12,100
|
1,3001,9001,900 Rz 40 h12
|
|
|
|
|
|
|
005
|
Штамповка
|
13,400
|
14,000
|
--- Rz 80IT12
|
|
|
|
|
|
|
Поверхность № 9: : Наружная
цилиндрическая, Ø
8,46 h10 ; Ra 2,5; < 28 HRCэ
|
|
025
|
Токарная
|
8,460
|
8,460
|
0,5000,5400,390 Rz 20h10
|
|
|
|
|
|
|
015
|
Токарная
|
8,960
|
9,000
|
1,3002,0001,700 Rz 40h12
|
|
|
|
|
|
|
005
|
Штамповка
|
10,300
|
11,000
|
--- Rz 80IT14
|
|
|
|
|
|
2.7 Расчеты припусков на обработку и операционных
размеров-диаметров заданных цилиндрических поверхностей вращения вала
расчетно-аналитическим методом
Расчетно-аналитический метод точнее нормативного, поскольку позволяет
определить оптимальные значения промежуточных припусков, исходя из конкретного
сочетания условий обработки, реализуемых в данном технологическом процессе.
Применение данного метода позволяет снизить потери материала в стружку на 20…30%.
Однако расчетно-аналитический метод не получил широкого распространения
вследствие своей трудоемкости.
Выполним
расчет припусков расчетно-аналитическим методом для наружной цилиндрической
поверхности Ø15,2
m5
, Ra 0.8. Для поверхностей вращения определяем
величину минимального симметричного припуска на обработку по следующей формуле
[1, c. 11]:
где
- шероховатость поверхности, полученная на
предшествующей операции, мкм;
- глубина
дефектного поверхностного слоя, полученная на предыдущей операции механической
обработки, мкм;
- суммарное значение пространственных отклонений,
которые были получены на предыдущей операции, мкм;
- погрешность установки на данной операции, мкм.
Составляющие припуска определяем с учетом принятых методов обработки
поверхностей в следующем порядке:
1. Маршрут обработки элементарных поверхностей, номер операций и
достигаемая при этом шероховатость поверхности заносятся в таблицу 2.7.1 на
основании данных метода обработки.
2. Величины
и
,
характеризующие состояние поверхности заготовки после обработки различными
методами, определяем по таблицам точности и качества обработки [1, с. 89, т.
П.1.1]:
- штамповка (операция 005): Rz80, h = 100;
точение черновое (операции010): Rz40, h = 60;
точение получистовое (операция020 ): Rz20, h = 20;
шлифование предварительное (операция075 ): Rz10, h = 20;
шлифование окончательное (операция075 ): Rz5, h = 10;
суперфиниширование (операция090 ): Rz3,2, h = 4;
3. Для штампованной заготовки имеют место отклонения, обусловленные смещением
полостей штампа (∆СМ) и короблением (∆КОР).
Так как величины этих отклонений носят случайный характер, суммарное отклонение
определяем как среднеквадратичное их значение:
Определяем
значения отклонений штампованной заготовки 5 класса точности в соответствии со
справочными данными [1, c.108, т. П.3.7, П.3.8]:
∆СМ=0,300
мкм; ∆КОР=0,400 мкм.
На
последующих операциях остаточные отклонения от погрешности исходной заготовки
определяются через коэффициент уточнения формы
В
этом выражении Ку характеризует степень уменьшения погрешности после
выполнения нескольких переходов, т.е. от исходной заготовки до рассматриваемого
этапа обработки.
На
основании опытных данных рекомендуется принять следующие значения коэффициента
уточнения формы [1, c.18]:
Точение:
черновое,06;
получистовое 0,05;
чистовое 0,04;
Шлифование:
предварительное 0,03;
окончательное 0,02.
Кроме того, учитывается коробление заготовки после операций
термообработки.
Погрешность установки представляет собой отклонение фактически
достигнутого положения заготовки при ее установке от требуемого. Она зависит от
способа закрепления детали на станке, типа приспособления, его точности и т.д.
[1, с. 19-20, т .1.1].
- точение черновое (операции010 ): e = 200;
точение получистовое (операция020 ): e = 100;
шлифование предварительное (операция075 ): e = 30;
шлифование окончательное (операция075 ): e = 30;
суперфиниширование (операция090 ): e = 20.
. Зная все составляющие минимального припуска, определим расчетное
значение минимального припуска для каждой из ступеней обработки по формуле 2.1:
-
точение черновое (операции010):
= 1437
мкм;
точение
получистовое (операция020 ):
= 410
мкм;
шлифование
предварительное (операция075):
= 160
мкм;
шлифование
окончательное (операция075):
= 128
мкм;
суперфиниширование
(операция090 ):
= 94 мкм.
Определив
значения минимального припуска на всех ступенях обработки, получим
соответствующие расчетные размеры. На последней ступени обработки
(суперфинишной операции) расчетный размер будет равен диаметру готовой детали
15,2мм. Так как для данной поверхности конструктором
задано поле допуска m5
, максимальный
предельный размер Dmax = 15,215 мм.
На
предшествующих ступенях обработки расчетный размер будем определять по
следующей зависимости:
:
штамповка
(операция 005): 18,237 мм;
точение
черновое (операции010): 16,490 мм;
точение
получистовое (операция020): 15,803 мм;
шлифование
предварительное (операция075 ): 15,555 мм;
шлифование
окончательное (операция075): 15,317 мм.
Полученные
значения расчетных размеров необходимо округлить в соответствии с требованиями
[1, с.110, т. П.4.1], причем минимальный припуск на каждой ступени обработки с
учетом округления должен быть больше или равен расчетному минимальному
припуску. Кроме того, необходимо учитывать технологические особенности
обработки на каждой из операций. Таким образом, имеем значения округленных
размеров:
штамповка
(операция 005): 19.000 мм;
точение
черновое (операции010 ): 16.500 мм;
точение
получистовое (операция020 ): 15,900 мм;
шлифование
предварительное (операция075): 15,600 мм;
шлифование
окончательное (операция075 ): 15,400 мм.
.
Максимальные предельные значения размеров совпадают с расчетными (с учетом
округления) на всех операциях кроме штамповки (ибо поле допуска на данной
операции расположено как в тело заготовки, так и "в плюс").
Минимальные предельные значения размеров определяются следующим образом:
.
Величины
допусков
аналогичны принятым при расчете припусков нормативным
методом.
По
найденным значениям
и
можем
определить значения максимального (
) и
минимального (
) припусков по формулам:
;
.
Полученные
расчетные данные заносим в таблицу 2.7.1. Расчет остальных поверхностей
вращения ведем аналогичным образом. Для охватывающих поверхностей отличие будет
состоять в том, что расчетный размер будет совпадать с минимальным предельным
значением.
Таблица 2.7.1 Расчет и оптимизация припусков на
обработку операционных размеров-диаметров цилиндрических поверхностей вращения
расчетно-аналитическим методом.
|
Технологическая операция
|
Элементы припуска, мкм
|
Расчетный припуск, мкм
|
Расчетный размер D, мм.
|
Принятые размеры, мм.
|
Принятые припуски, мм
|
Предельные отклонения
|
Куо
|
|
№
|
Наименование
|
Rz
|
h
|
D
|
e
|
2Zmin.pасч
|
Т
|
Dpасч
|
Dmax
|
Dmin
|
2Zmax
|
2Zmin
|
Δсм
|
Δкор
|
|
|
Поверхность № 1: Наружная
цилиндрическая, Ø
15,2 m5 ;
Ra 0,8; <28 HRCэ
|
|
005
|
Штамповка
|
80
|
100
|
500
|
-
|
-
|
18,23719,00018,200 - -300400 -
|
|
|
|
|
|
|
|
|
|
010
|
Токарная
|
40
|
60
|
30
|
200
|
1437
|
16,49016,50016,3202,6801,70018240,06
|
|
|
|
|
|
|
|
|
|
020
|
Токарная
|
20
|
20
|
25
|
100
|
410
|
15,80315,90015,8570,630 0,42015200,05
|
|
|
|
|
|
|
|
|
|
060
|
Термическая
|
|
|
|
|
|
|
|
|
|
|
|
|
1,5
|
|
|
075
|
Шлифовальная
|
10
|
20
|
16
|
30
|
160
|
15,55515,60015,5730,327 0,25710130,03
|
|
|
|
|
|
|
|
|
|
075
|
Шлифовальная
|
5
|
10
|
11
|
30
|
128
|
15,31715,40015,3890,2110,173790,02
|
|
|
|
|
|
|
|
|
|
090
|
Суперфинишная
|
3,2
|
4
|
6
|
20
|
94
|
15,21515,21515,2070,1930,174350,01
|
|
|
|
|
|
|
|
|
|
Поверхность № 5: :
Наружная цилиндрическая, Ø 19 js14 ;
Ra 6,3; < 28 HRCэ
|
|
005
|
Штамповка
|
80
|
100
|
500
|
-
|
-
|
21,93722,50021,700 - -300400 -
|
|
|
|
|
|
|
|
|
|
010
|
Токарная
|
40
|
60
|
30
|
200
|
1437
|
20,19021,20020,680 1,8200,5001824 0,06
|
|
|
|
|
|
|
|
|
|
020
|
Токарная
|
20
|
20
|
25
|
100
|
410
|
19,26019,26018,974 2,2261,42015200,05
|
|
|
|
|
|
|
|
|
|
Поверхность № 6: :
Наружная цилиндрическая, Ø 12,68 h5 ;
Ra 2,5; < 28 HRCэ
|
|
005
|
Штамповка
|
80
|
100
|
500
|
-
|
-
|
15,63716,50015,700 - -300400 -
|
|
|
|
|
|
|
|
|
|
015
|
Токарная
|
40
|
60
|
30
|
200
|
1437
|
13,89013,90013,6202,8801,80018240,06
|
|
|
|
|
|
|
|
|
|
025
|
Токарная
|
20
|
20
|
25
|
100
|
410
|
13,23013,313,1300,7700,32015200,05
|
|
|
|
|
|
|
|
|
|
060
|
Термическая
|
|
|
|
|
|
|
|
|
|
|
|
|
1
|
|
|
065
|
Шлифовальная
|
10
|
20
|
16
|
30
|
160
|
12,95513,00012,9730,3270,13010130,03
|
|
|
|
|
|
|
|
|
|
070
|
Шлифовальная
|
5
|
10
|
11
|
30
|
128
|
12,78512,80012,7890,2110,173690,02
|
|
|
|
|
|
|
|
|
|
090
|
Суперфинишная
|
3,2
|
4
|
6
|
20
|
94
|
12,68812,68012,6720,1280,109350,01
|
|
|
|
|
|
|
|
|
|
Поверхность № 7: :
Наружная цилиндрическая, Ø 11,093 h5 ;
Ra 0,8; < 28 HRCэ
|
|
005
|
Штамповка
|
80
|
100
|
500
|
-
|
-
|
13,63714,18014,000 - -300400 -
|
|
|
|
|
|
|
|
|
|
015
|
Токарная
|
40
|
60
|
30
|
200
|
1437
|
12,19012,20012,0202,1601,80018240,06
|
|
|
|
|
|
|
|
|
|
025
|
Токарная
|
20
|
20
|
25
|
100
|
410
|
11,60311,60011,5570,6430,42015200,05
|
|
|
|
|
|
|
|
|
|
060
|
Термическая
|
|
|
|
|
|
|
|
|
|
|
|
|
2,5
|
|
|
065
|
Шлифовальная
|
10
|
20
|
16
|
30
|
160
|
11,34611,40011,3820,2180,15710130,03
|
|
|
|
|
|
|
|
|
|
065
|
Шлифовальная
|
5
|
10
|
11
|
30
|
128
|
11,19811,20011,1890,2110,182790,02
|
|
|
|
|
|
|
|
|
|
090
|
Суперфинишная
|
3,2
|
4
|
6
|
20
|
94
|
11,08511,09311,0850,1150,096350,01
|
|
|
|
|
|
|
|
|
|
Поверхность № 9: :
Наружная цилиндрическая, Ø 8,46 h10 ;
Ra 2,5; < 28 HRCэ
|
|
005
|
Штамповка
|
80
|
100
|
500
|
-
|
-
|
10,83711,50010,700 - -300400 -
|
|
|
|
|
|
|
|
|
|
015
|
Токарная
|
40
|
60
|
30
|
200
|
1437
|
9,029,100 8,9502,5501,60018240,06
|
|
|
|
|
|
|
|
|
|
025
|
Токарная
|
20
|
20
|
25
|
100
|
410
|
8,4028,460 8,4020,6980,49015200,05
|
|
|
|
|
|
|
|
|
|
|
|
|
|
|
|
|
|
|
|
|
|
|
|
|
|
|
|
|
|
.8 Разработка, расчеты и анализ размерной схемы
формообразования и схем размерных цепей плоских торцевых поверхностей вала
Главная
задача размерного анализа - правильное и обоснованное определение промежуточных
и окончательных размеров и допусков на них для вала. Особенно в этом нуждаются
линейные размеры, связывающие неоднократно обрабатываемые противоположные
поверхности. Определение припусков на такие поверхности расчетно-аналитическим
или нормативным методами затрудняет определение промежуточных технологических
размеров и их отклонений. В этом случае обращаются к прикладной теории
размерных цепей. Последовательный размерный анализ технологического процесса
состоит из ряда этапов: разработка размерной схемы технологического процесса;
выявление технологических размерных цепей; расчет технологических размерных
цепей. Размерную схему строим, располагая планами эскизов установки и обработки
детали. С учетом количества обработок торцевых поверхностей на эскизе условно
показываем операционные припуски, а также размеры готовой детали и заготовки.
Для этого вычерчиваем контур готовой детали и указываем в направлении торцов
слои межоперационных припусков на обработку. Указываем расстояние между
торцевыми поверхностями размерами А…Д в соответствии с координацией
размеров на рабочем чертеже; с учетом количества обработок торцевых
поверхностей, условно показываем операционные припуски
.
Все исходные, промежуточные и окончательные торцевые поверхности нумеруем
по порядку слева направо от 1 до n. Через нумерованные поверхности проводим
вертикальные линии, затем в зонах номеров соответствующей операции, между
вертикальными линиями начиная с последней операции с учетом эскизов установки и
обработки плана технологического процесса, указываем технологические размеры,
получаемые при выполнении каждой операции. Операционные размеры представляем в
виде стрелок с точкой. Точка совмещается с установочной базой, а стрелка с
поверхностью, полученной на данной операции.
После построения размерной схемы выявляем и строим схемы технологических
размерных цепей. На основании составленных схем размерных цепей определяем типы
составляющих звеньев и составляем исходные уравнения, а затем их рассчитываем.
В этих цепях в квадратных скобках указываются конструкторские размеры и размеры
припусков, которые являются замыкающими звеньями в рассматриваемых цепях.
Выявление размерных цепей по размерной схеме начинаем с последней операции.
Составление размерных цепей выполняем таким образом, чтобы в каждой новой цепи
было неизвестно только одно звено. В такой же последовательности ведут расчет
размерных цепей.
Рисунок 2.8 - Размерная схема формообразования торцевых поверхностей
2.8.1. Расчеты припусков на обработку и операционных
размеров-координат плоских торцевых поверхностей вала расчетно-аналитическим
методом
В качестве примера рассмотрим расчет припусков для торца 8, который
координируется относительно торца 4 размером Г=52,4±0,25 (см. рисунок 2.8). Для
односторонней обработки (в частности для обработки плоских торцевых
поверхностей) величина минимального припуска определяется по следующей
зависимости [1, c.11]:
Обработка
торца 2 ведется на операциях 20 (черновое точение) и 50 (получистовое точение).
Шероховатость
и величину дефектного слоя определяем аналогично рассмотренной выше методике:
- точение черновое (операция 015): Rz40, h = 60;
точение получистовое (операция025 ): Rz20, h = 20.
Отклонения формы, вызванные смещением полостей штампа не оказывают
влияния на точность обработки торцевых поверхностей. При расчете минимального
припуска учитываем только коробление заготовки (∆КОР): ∆КОР=0,400
мкм [1, c.108, т. П.3.7, П.3.8]. Для расчета дальнейших операций принимаем
следующие коэффициенты уточнения [1, c.18]:
Точение:
черновое,06;
получистовое 0,05;
чистовое 0,04;
Шлифование:
предварительное 0,03.
Погрешность установки определяем в соответствии со справочными данными
[1, с. 19-20, т .1.1]:
точение черновое (операции015 ): e = 50;
точение получистовое (операция025 ): e = 50.
. Зная все составляющие минимального припуска, определим расчетное
значение минимального припуска для каждой из ступеней обработки по формуле 4.1:
-
точение черновое (операция015 ):
= 630
мкм;
точение
получистовое (операция025 ):
= 174
мкм.
Аналогично
ведем расчет припусков остальных плоских торцевых поверхностей. Результаты
расчетов заносим в таблицу 2.8.
Таблица
2.8.1 - Расчет припусков на обработку плоских торцевых поверхностей
расчетно-аналитическим методом.
|
Технологическая операция
|
Элементы припуска
|
Расчет минимального
припуска Zmin, мкм
|
|
№
|
Наименование
|
Rz
|
h
|
Δ
|
εy
|
|
|
Поверхность № 2: Торцевая,
8,5js12(±0,25); Rz 20
|
|
005
|
Штамповка
|
80
|
100
|
400
|
-
|
-
|
|
010
|
Токарная
|
40
|
60
|
24
|
50
|
630
|
|
020
|
Токарная
|
20
|
20
|
20
|
50
|
174
|
|
Поверхность № 8: Торцевая,
52,4js12(±0,25); Rz 20
|
|
005
|
Штамповка
|
80
|
100
|
400
|
-
|
-
|
|
015
|
Токарная
|
40
|
60
|
24
|
50
|
630
|
|
025
|
Токарная
|
20
|
20
|
20
|
50
|
174
|
|
Поверхность № 4: Торцевая,
3,36js10(±0,023); Rа 2,5
|
|
005
|
Штамповка
|
80
|
100
|
400
|
-
|
-
|
|
015
|
Токарная
|
40
|
60
|
24
|
50
|
630
|
|
025
|
Токарная
|
20
|
20
|
20
|
50
|
174
|
|
060
|
Термическая
|
|
|
1,68
|
|
|
|
065
|
Шлифовальная
|
10
|
10
|
16
|
20
|
80
|
|
070
|
Шлифовальная
|
5
|
5
|
12
|
10
|
46
|
|
Поверхность № 12:
Торцевая, 10,2h12 ; Rа 2,5
|
|
005
|
80
|
100
|
400
|
-
|
-
|
|
015
|
Токарная
|
40
|
60
|
24
|
50
|
630
|
|
025
|
Токарная
|
20
|
20
|
20
|
50
|
174
|
|
060
|
Термическая
|
|
|
0,51
|
|
|
|
065
|
Шлифовальная
|
10
|
10
|
16
|
20
|
80
|
|
Поверхность № 11:
Торцевая, 14,3H12 ; Rz 20
|
|
005
|
Штамповка
|
80
|
100
|
400
|
-
|
-
|
|
015
|
Токарная
|
40
|
60
|
24
|
50
|
630
|
|
025
|
Токарная
|
20
|
20
|
20
|
50
|
174
|
|
Поверхность № 3: Торцевая,
3,36js10(±0,023); Rz 20
|
|
005
|
Штамповка
|
80
|
100
|
400
|
-
|
-
|
|
010
|
Токарная
|
40
|
60
|
24
|
50
|
630
|
|
015
|
Токарная
|
20
|
20
|
20
|
50
|
174
|
Расчет операционных размеров-координат ведем в соответствии с полученной
схемой технологических размерных цепей. В качестве примера рассмотрим расчет
линейного операционного размера S5 (cм. рисунок 2.8).
Конструкторский размер Б получается в условиях совмещения исходной и
конструкторской баз и равен технологическому размеру S15 (S15=
Б=3,36±0,023).
Замыкающим звеном этой цепи является размер припуска z5.
Исходное уравнение для данной размерной цепи можно записать в виде:
5=
S14 -S15.
Далее, зная величину минимального припуска z2min и
технологический размер S15 с допуском на него, определим размер S14:
14min= z5min+S15max=0,046+3,383=3,429.
Прибавим к полученному значению S14min величину операционного
допуска и получим расчетное значение размера S14:5nom=3,429+0,046=3,475.
Округляем полученный размер в соответствии с [1, с.110, т. П.4.1]. При
этом учитываем, что размер S14 является увеличивающим звеном в
рассмотренной размерной цепи. Поэтому округлять его необходимо в большую
сторону. Таким образом, S14 = 3,5-0,046.
Определив все составляющие звенья рассмотренной размерной цепи, выполним
расчет фактического припуска z2:
Z5=
S14 -S15 = 3,5-0,046-3,36±0,023=
.
Из
расчета видно, что значение минимального припуска z5min = 0,071 не
менее расчетного, следовательно расчет операционного размера выполнен верно.
Расчет
остальных размерных цепей торцевых поверхностей вала проводится аналогично и
представлен в таблице 2.8.1
Таблица 2.8.1 Определение операционных размеров-координат
|
Замыкающий размер, мм
|
Исходное уравнение
|
Расчетный размер, мм
|
Допуск, мм
|
Принятый размер, мм
|
Принятый припуск, мм
|
|
Б=3,36±0,023
|
Б=S15
|
S15=3,36
|
0,046
|
S15=3,36±0,023
|
-
|
|
z5 =0,046
|
z5 =S14 -S15
|
S14min= z5min+S15max=
=0,046+3,383=3,429
|
0,046
|
S14=3,5-0,046
|
Z5=3,5-0,046-3,36±0,023=
|
|
Z6 =0,080
|
Z6 =S12 -S14
|
S12min= z6min+S14max=
=0,080+3,5=3,58
|
0,046
|
S12=3,6-0,046
|
Z6=3,6-0,046-3,5-0,046=
|
|
Z7 =0,174
|
Z7 =S8 -S12
|
S8min= z7min+S12max=
=0,174+3,6=3,774
|
0,120
|
S8=3,9-0,120
|
Z7=3,9-0,120-3,6-0,046=
|
|
Z4 =0,174
|
Z4 =S6 -S8
|
S6min= z4min+S8max=
=0,174+3,9=4,074
|
0,046
|
S6=4,1 Z4=4,1-0,046-3,90,120=
|
|
|
Z8 =0,630
|
Z8 =S2 -S6
|
S2min= z8min+S6max=
=0,630+4,1=4,730
|
0,120
|
S2=4,9-0.120
|
Z8=4,9-0.120-4,1-0.046=
|
|
Z3 =0,630
|
Z3 =Н2 -S2
|
Н2min= z8min+S2max=
=0,630+4,9=5,530
|
0,300
|
Н2=6 Z3=6 -4,9-0.120=
|
|
|
В=10,2 В =S12 +S13 -S15S13min= В
min -S12min+S15mах=10-3,554+3,383=9,8290,114 S13=
9,94-0.114В =3,6-0,046+9,94-0.114-3,36±0,020=10,18
|
|
|
|
|
|
|
Z9 =0,080
|
Z9 =S11 +
Z7- S13
|
S11min=
Z9 min -Z7mах+S13mах=0,080-0,346+9,94=9,674
|
0,150
|
S11=10-0.150
|
Z9=10 +0,3 -9,94 =
|
|
Z10 =0,174
|
Z10 =S5 +
Z8- S11
|
S5min=
Z10 min -Z8min+S11mах=0,174-0,680+10=9,494
|
0,150
|
S5=9,7-0.150
|
Z10=9,7 +0,8 -10 =
|
|
Z11 =0,630
|
Z11 =Н5 -
S5
|
Н5min= z11min+S5max=
=0,630+9,7=10,330
|
0,800
|
Н5 =11 Z11=11 -9,7-0.150=
|
|
|
А=8,5±0,250
|
А=S7 -S8
|
S7min= Аmin+S8max=
=8,25+3,9=12,15
|
0,180
|
S7= 12,4-0.180
|
А=12,4-0.180-3,9-0,120=
|
|
Z2 =0,174
|
Z2 =S1 -
S7
|
S1min= Z2min+S7max=
=0,174+12,4=12,574
|
0,180
|
S1=12,8-0.180
|
Z2=12,8 -12,4-0.180=
|
|
Z1 =0,630
|
Z1 =Н1 +
Н2- S1
|
Н1min= Z1min
-Н2min+S1mах=0,630-6+12,800=7,430
|
0,800
|
Н1=8 Z1=8 +6 -12,8-0.180 =1,2
|
|
|
Г=52,4±0,250
|
Г=S9 -S15
|
S9min= Гmin+S15max=
=52,15+3,383=55,533
|
0,300
|
S9=55,76-0.250
|
Г=55,76-0.220-3,36±0,023=52,4
|
|
Z14 =0,174
|
Z14 =S3 -
S9
|
S3min= Z14min+S9max=
=0,174+55,76=55,934
|
0,300
|
S3=56,3-0.300
|
Z14=56,3-0.300-55,76-0.250=0,54
|
Z15 =0,630 Z15 =Н2
+ Н3 - S3- Z3 Н3min= Z15 min -Н2min+S3mах+z3max
=0,630-6+56,3+1,520=52,45 0,800 Н3=
53
Z15=53
+6
-56,3-0.300 -
=
|
=1,6
|
|
|
|
Д=14,3 Д=S10S10=14,30,700S10=14,3 -
|
|
|
|
|
|
|
Z12 =0,174
|
Z12 =S10 +
Z14- S4
|
S4mах= S10min+ Z14 min-z12min=14,3+0,24-0,174=14,366
|
0,180
|
S4= 14,1 Z12=14,3 +0,54 -14,1 =
|
|
|
Z13 =0,630
|
Z13 =S4 +
Z15- Н4
|
Н4mах= S4min+ Z15 min-z13min= =14,1+0,880-0,630=14,350
|
0,800
|
Н4=14 Z13 =14,1 +1,6 -14 =
|
|
.8.2 Расчеты и оптимизация припусков на обработку
операционных размеров-координат плоских торцевых поверхностей с использованием
прикладной теории графов размерных цепей
Для выявления, анализа и оптимизации сложных размерных цепей
целесообразно построение графа размерных связей, который начинают с
технологической установочной базы первой операции обработки резанием [1, с.
64]. Начнем построение графа с торца 11 (рисунок 2.8). Технологические базы
всех операций должны быть непосредственно связаны между собой размерами. Чтобы
построить дерево необходимо выбрать какую-либо вершину. Первоначально выбранная
вершина называется корнем. Построение дерева может начинаться с любой вершины.
Если принять поверхности заготовки и детали за вершины, а связи между ними
(размеры) за ребра, то процесс обработки детали, начиная с заготовки до готовой
детали, можно представить в виде двух деревьев - исходного и производного,
соответственно. Дерево с конструкторскими размерами и размерами припусков на
обработку называется исходным, а дерево с технологическими размерами -
производным. Если оба этих дерева для конкретной детали совместить, то такой
совмещенный граф в закодированной форме позволяет представить геометрическую
структуру технологического процесса обработки рассматриваемой детали. В таком графе
все размерные связи и технологические размерные цепи из неявных превращаются в
явные. Появляется возможность в дальнейшем, в технологическом процессе не
прибегать к чертежу вала, а, пользуясь только этой информацией, носителем
которой является совмещенный граф, производить все необходимые исследования и
расчеты. Любой замкнутый контур на совмещенном графе, состоящий из ребер
исходного и производного деревьев, образует технологическую размерную цепь. В
ней ребро исходного дерева является замыкающим звеном, а ребра производного
дерева являются составляющими звеньями.
Сначала строим производное дерево, а затем - исходное дерево .
Перед построением совмещенного графа необходимо проверить:
количество операционных размеров, учитывая размеры заготовки, на размерной
схеме технологического процесса должно равняться сумме конструкторских размеров
и размеров припусков;
к каждой поверхности должна подходить одна, и только одна, стрелка.
После проверки правильности построения деревьев их совмещают так, чтобы
вершины с одинаковыми номерами совпали. Совмещенный граф производного и
исходного деревьев и является графом технологических размерных цепей.
Совмещенный граф размерных цепей представлен на рисунке 2.8.2.
Рисунок 2.8.2 - Совмещенный граф размерных цепей
2.9 Проектирование и выполнение чертежа заготовки вала
Процесс получения заготовки является одним из первых этапов
преобразования материала в готовое изделие. Однако именно он определяет в
дальнейшем не только способы и режимы обработки, но и эксплуатационные
характеристики детали, её ресурс. Неправильно выбранный способ получения
заготовки может сделать полностью невозможным получение кондиционной детали или
себестоимость её будет настолько высока, что использование изделия в сборочной
единице будет нерентабельным.
При выборе способа получения заготовки необходимо учитывать конфигурацию,
размеры, массу и материал заготовки, количество получаемых заготовок, требуемую
точность получения заготовки; шероховатость и качество ее поверхностных слоев;
желательное направление волокон металла. В процессе эксплуатации в детали ГП
23-095 вала возникают высокие напряжения кручения, контактные и изгибные
напряжения в зубчатом венце также высоки, деталь работает в условиях повышенных
температур. Для обеспечения высоких физико-механических свойств
заготовку будем получать посредством обработки давлением. Штампованная
заготовка имеет уплотненную структуру, благоприятное направление волокон
металла, высокие физико-механические свойства. Помимо улучшения механических
свойств детали, это также позволит повысить коэффициент использования материала
(КИМ). Поковка имеет малые габаритные размеры, для выполнения операции
штамповки не требуется значительных усилий. В таком случае рекомендуется
использовать штамповку на ГКМ. ГКМ широко применяют в крупносерийном и массовом
производствах для горячей штамповки из проката самых различных поковок,
требующих технологических переходов высадки, прошивки, просечки, пережима
заготовки, выдавливания, гибки и отрезки поковки от прутка. Поковки штампуют
непосредственно из прутка или отдельных штучных заготовок с незначительными по
величине облоем и штамповочными уклонами, а также без них с малыми припусками и
допусками, что обеспечивает значительную экономию металла.Конфигурация
заготовки с учетом метода ее получения показана на рисунке 2.9. Размеры на
чертеже (рисунок 2.9) проставлены с учетом проведенных расчетов линейных
размеров и размеров-диаметров нормативным методом.
Рисунок 2.9 - Заготовка вала
2.10 Проектирование механических операций
технологического процесса
.10.1 Расчет режимов резания и разработка,
оформление комплекта технологической документации
2.10.1.1 Токарная черновая операция
Рисунок 2.10- Эскиз обработки
1. Выбор инструмента
Для подрезки торца 1 выбираем токарный проходной отогнутый
резец с пластинами из твердого сплава ГОСТ 18868-73[15, с. 120, т. 4].
Геометрические размеры резца приведены на рисунке 2.11
Рисунок 2.11 - Эскиз проходного отогнутого резца
Материал режущей части резца - твердый сплав Т5К10.
Для обработки поверхностей 2,4 и 5выбираем токарный подрезной отогнутый
резец ГОСТ 18880-73, показанный на рисунке 2.12[15,
с.120,т. 6].
Рисунок 2.12 - Эскиз подрезного отогнутого резца.
Материал режущей части резца - твердый сплав Т5К10.
. Устанавливаем глубину резания. Припуск на обработку удаляем
за один рабочий проход:
поверхность 1: t = 1,2мм;
поверхность 2: t = 0,9 мм;
поверхность 4: t = 1,1 мм;
поверхность 5: t = 1,15мм.
3. Рассчитываем подачу по формуле:
- поверхность 1:
мм/об;
поверхность 2:
мм/об;
поверхность 4:
мм/об;
поверхность 5:
мм/об.
Принимаем период стойкости резца
= 60 мин [15, с. 268].
. Определяем скорость главного движения резания, допускаемую
режущими свойствами резца:
Находим значение коэффициентов по справочным данным [15, с. 269,
т. 17].
= 350;x = 0,15; y = 0,35; m = 0,2.v
- общий поправочный коэффициент, равный произведению коэффициентов, учитывающих
измененные условия обработки:
- поправочный коэффициент, учитывающий изменение механических
свойств обрабатываемого материала. Определяется по формуле:
,
где
- коэффициент для материала инструмента,
- показатель степени, при обработке
резцами с пластинами из твердого сплава:
;
=1 [15, с. 262, т. 2]. Предел прочности
стали
= 1080 МПа. Тогда:
.
- поправочный коэффициент, учитывающий состояние поверхности
заготовки, для поковки
[15, с. 263, т. 5].
- поправочный коэффициент, учитывающий влияние марки
инструментального материала режущего лезвия на скорость резания
= 1, [15, с. 263, т. 6].
и
- поправочные коэффициенты, учитывающие изменение
главного и вспомогательного углов в плане. Для резцов:
проходной
отогнутый резец Kφ= 1 и Kφ1 = 0,87;
подрезной
отогнутый резец Kφ = 0,75 и Kφ1= 1.
Общий поправочный коэффициент на скорость главного движения резания:
-
поверхность 1:
;
поверхность
2:
;
поверхность
4:
;
поверхность
5:
.
С учетом всех найденных величин находим расчетную скорость резания:
-
поверхность 1:
поверхность
2:
поверхность
4:
-
поверхность 5:
6. Частота вращения шпинделя, соответствующая найденной скорости главного
движения резания находится по формуле:
-
поверхность 1:
поверхность
2:
поверхность
4:
-
поверхность 5:
7. Мощность, затрачиваемая на резание, кВт:
,
где
- тангенциальная составляющая силы резания при точении
[15, с. 271]:
Для
заданных условий: [15, с. 273, т. 22].
Рz:
; x = 1; y = 0,75; n = -0,15;
Поправочный
коэффициент представляет собой произведение ряда коэффициентов
, учитывающих фактические условия резания. Численные
значения этих коэффициентов назначаем по рекомендациям [15, с. 275, т. 23]:
;
проходной
отогнутый резец Рz:Kφp = 1;Kγp = 1,1;Kλp = 1;
подрезной
отогнутый резец Рz: Kφp = 0,91;Kγp = 1;Kλp = 1.
.
Подставляем все найденные значения в формулу:
поверхность
1:
поверхность
2:
поверхность
4:
-
поверхность 5:
Тогда мощность резания:
-
поверхность 1:
поверхность
2:
поверхность
4:
-
поверхность 5:
В соответствии с выбранным методом обработки, полученной мощностью и
размером заготовки выбираем станок: токарно-винторезный 16Б16А [15, с.15,
табл.9].
Примем станочные обороты и подачи:
поверхность 1: n= 1400 об/мин; Sпр=0,52 мм/об;
поверхность 2: n= 1000 об/мин; Sпр=0,52 мм/об;
поверхность 4: n= 1000 об/мин; Sпр=0,52 мм/об;
поверхность 5: n= 1000 об/мин; Sпр=0,52 мм/об.
. Фактическая скорость главного движения резания:
поверхность
1 :
поверхность
2 :
поверхность
4 и 5:
10. Проверяем, достаточна ли мощность привода станка для резания
исходя из условия
.
Мощность на шпинделе станка:
, где
- мощность двигателя;
- КПД станка. Тогда:
.
Так как
- обработка поверхностей на выбранном
станке возможна.
11.
Определяем основное время обработки:
,
гдеL
- расстояние, которое проходит резец.
поверхность
1:
поверхность
2:
поверхность
4:
-
поверхность 2:
Тогда
время обработки:
поверхность
1:
поверхность2:
поверхность
4:
-
поверхность 5:
.
Определим общее время обработки за операцию:
2.10.1.2 Сверлильная операция
Рисунок 2.13- Эскиз обработки
1.Выбор инструмента
Для сверления отверстия выбираем сверло спиральное с задним
направлением для труднообрабатываемых материалов по ГОСТ 10902-77
Рисунок 2.14 - Сверло спиральное с задним направлением для
труднообрабатываемых материалов
=20мм; l1=30мм; L=80 мм; D=4,5мм;D1=5 мм
Материал сверла Р6М5.
Для операции предварительного развертывания выбираем машинную
цельную развертку с цилиндрическим хвостовиком ГОСТ1672-80. Материал развертки
Р6М5.(рис. 2.15)
Габаритные размеры: d=4,7; L=109; l=50.
Для операции окончательного развертывания выбираем машинную
цельную развертку с цилиндрическим хвостовиком ГОСТ1672-80. Материал развертки
Р6М5.(рис. 2.15)
Габаритные размеры: d=4,76; L=117; l=50.
Рисунок 2.15- машинная цельная развертка с цилиндрическим
хвостовиком
Расчет режимов резания при сверлении
Для стали 40ХН2МА поправочный коэффициент, учитывающий
влияние физико-механических свойств на скорость резания:

; [2,c.262,т.2]
. Поправочный коэффициент, учитывающий влияние инструментального
материала на скорость резания:
1 [2, с.263, т.6].
. Поправочный коэффициент, учитывающий влияние глубины сверления
на скорость резания:
Глубина сверления на данной операции:
Диаметр сверла D=4,5 мм, таким образом
. Тогда
1,0 [2, с.280, т.31].
. Подачу назначаем в соответствии со справочными данными.
Твердость материала 269...300 HB. Тогда
[2,с.277,т.25].
. Скорость резания определяем по формуле:
[2,c.276]
определим коэффициенты и показатели степени в формуле скорости
резания для конструкционной стали. Материал сверла - Р6М5. В соответствии со
справочными данными, имеем:
Сv=7; q=0,4; y=0,7; m=0,2 [2, с.278, т.28].
Период стойкости сверла Т=15 мин для сверла Ø4,5мм [2, с.279, т.30].
. Общий поправочный коэффициент на скорость резания, учитывающий
фактические условия резания составит:
;
;
. Определим обороты шпинделя станка:
об/мин;
. Рассчитаем фактическую скорость резания:
;
9. Рассчитаем основное время:
мин;
Выполним расчет крутящего момента и осевой силы при сверлении.
. Рассчитаем крутящий момент и осевое усилие при обработке
отверстия:
;
. [2,c.277]
См=0,0345; q=2,0; y=0,8;
Ср=68; q=1,0; y=0,7.
Общий поправочный коэффициент на силу резания, учитывающий
фактические условия резания составит:
; [2,c.264,т.9]
(Нм);
.
.
. Мощность резания будет составлять:
кВт.
Расчет режимов резания при развертывании
.Определение подачи
Подачу назначаем в соответствии со справочными данными:
[3,c.278,т.27].
.Скорость резания определяем по формуле:
[3,c.276]
Определим коэффициенты и показатели степени в формуле скорости
резания для конструкционной стали. Материал развертки - Р6М5. В соответствии со
справочными данными, имеем:
Сv=10,5; q=0,3;x=0.2; y=0,65; m=0,4 [3, с.279, т.29].
Период стойкости развертки Т=20 мин для развертки
Ø4,7мм [2, с.279, т.30].
.
.Определение числа оборотов шпинделя станка
об/мин;
.
4. Расчет основного времени
мин.
Для развертывания диаметром 4,76 мм принимаем те же режимы
обработки.
. Определим общее время обработки за операцию:
В соответствии с выбранным методом обработки, полученной мощностью
и размером заготовки выбираем станок: вертикально-сверлильный 2Н125.
2.10.1.3 Шлицефрезерная операция
Рисунок 2.16- Эскиз обработки
1. Параметры
обрабатываемой поверхности.
. Выбор
режущего инструмента.
Для нарезания шлицев применяем фрезу червячную по ГОСТ 10331-81.= 1,25
мм; d = 8 мм; l = 16 мм; d1 = 16 мм; l1 = 3 мм; dao = 25 мм; zo= 10.
Материал фрезы - Р6М5; класс точности - А.
Рисунок 2.17 - геометрия червячной фрезы
3. Выбор оборудования
Станок зубофрезерный Hamai 120
Технические характеристики.
Максимальный диаметр обрабатываемой заготовки 120мм, максимальные размеры
нарезаемых колёс - модуль 2мм, rоличество нарезаемых зубьев 6-325. Частота
вращения шпинделя инструмента - 200-1500 об/мин. Диапазон рабочих подач (9
ступеней), мм/об 0,13 - 0,9/ Мощность электродвигателя - 2,5кВт.
Определение подачи
Табличное
значение подачи -
[Адам, Овумян, с. 109, т. 6].
Поправочные
коэффициенты [Адам, Овумян, c. 1, т. 42]:
;
4. Определение стойкости червячной фрезы
Стойкость
червячной фрезы:
[Адам, Овумян, с.142, т.37].
5. Определение скорости резания
V = 15 м/мин. [Адам, Овумян, с.154-160, т.45-51].
6. Определение числа оборотов фрезы
Число оборотов фрезы определяем из номограммы скоростей для принятой
скорости резания и диаметра фрезы.
.
7. Расчет числа оборотов заготовки
Частоту вращения заготовки определяем из соотношения
Тогда
.
На
практике для данного вида оборудования настройка числа оборотов фрезы и
заготовки осуществляется посредством подбора сменных зубчатых колес гитары
деления в соответствии с руководством по эксплуатации станка.
8. Расчет глубины фрезерования
Колесо нарезается за один проход. Глубина фрезерования
.
9. Расчет основного времени
2.10.1.4 Круглошлифовальная операция
Рисунок 2.18- Эскиз обработки
1. Для обработки поверхности 1 выбираем шлифовальный круг прямого профиля
ГОСТ 2424-83. Эскиз круга приведен на рисунке 2.19. Применим круг ПВК 500×40×250 25А32-ПС1 6 К5 35м/с 1 кл. А [15,
с. 242-250], где 500 - внешний диаметр круга,мм; 40 - высота круга, мм; 250
-внутренний диаметр круга,мм; 25А - белый электрокорунд для абразивного
инструмента на керамической связке; 32 - обозначение зернистости (область
применения - предварительное и чистовое шлифование деталей с параметром
шероховатости Ra 2,5…0,32 мкм); С1 - твердость: круг средний (для чистового
круглого шлифования периферией круга заготовок из закаленных сталей); 6 - номер
структуры: круглое наружное шлифование периферией круга; К5 - связка
керамическая; 35 м/с -скорость вращения шлифовального круга; 1А - класс
неуравновешенности кругов для класса точности А.
Рисунок 2.19 - Шлифовальный круг ПВК
2. Выбор оборудования
В соответствии с методом обработки выбираем круглошлифовальный станок
модели 3Б153[15, с.28, т.11].
3. Расчет режимов резания для предварительного шлифования
Применим метод шлифования - врезное.
1) Окружная скорость заготовки:
м/мин.
)
Расчетная частота вращения заготовки:
.
Корректируем частоту вращения согласно паспортным данным станка.
3) Принятая частота вращения заготовки nприн=300 об/мин.
4) Определение действительной окружной скорости заготовки:
.
) Частота вращения абразивного круга:
.
)
Принятая частота вращения абразивного круга согласно паспортным данным станка:
nприн=1000 об/мин.
)
Действительная окружная скорость круга:
м/с.
)
Минутная радиальная подача :
Рисунок 2.20 - Этапы процесса шлифования
.
)
Эффективная мощность шлифования:
кВт;
Проверяем, достаточна ли мощность привода станка для резания исходя из
условия Nрез≤ Nст
Мощность
станка:
,
где
- механический КПД станка;
-
мощность двигателя станка.
Nст=4,5·0,75 = 3,3 кВт
Т.к. Nэ≤ Nст, обработка возможна.
10) Проверим энергетические режимы шлифования на условие бесприжоговости.
Удельная мощность на 1 мм активной длины:
Мощность,
допустимая по условию бесприжоговости:
Условие
бесприжоговости
соблюдено.
11) Основное время обработки [22, с. 23]
Для окончательного шлифования принимаем те же режимы
обработки.
2.10.1.5 Шлицешлифовальная операция
Рисунок 2.21- Эскиз обработки
1.
Параметры зубчатого венца:
.
Подбор зубошлифовального станка по параметрам колеса и типу круга [16, с. 140,
т. 5.27]:
Зубошлифовальный
станок 5В830
.
Выбор шлифовального круга.
Тип
1D1 ГОСТ 17123-79- плоский с двухсторонним коническим профилем [15, с. 255, т.
172].
Рисунок
2.22 - Эскиз шлифовального круга
Основные
размеры, мм:
- наружный диаметр D = 400;
- высота H = 10;
- отверстие d = 100.
Выбираем характеристики шлифовального круга:
ЛО - кубический нитрид бора (эльбор) [15, с. 243];
М10 - зернистость [15, с. 246, т. 165];
К - керамическая связка [15, с. 247];
-номер структуры [15, с. 249, т. 167];
СМ1- твердость связки (среднемягкий) [15, с. 249];
Класс точности выбираем А - основная точность [15, с. 250];
Класс неуравновешенности круга 1[15, с. 250, т. 168];
Маркировка 1D1 60×10×13 ЛО М10 СМ1К5 А 1кл, 35м/с ГОСТ
17123-79.
. Назначение припуска на шлифование:
5.
Выбор значения подачи:
- Черновая
- Чистовая
6. Определение числа рабочих ходов:
.
Длина рабочего хода:
.
.
Основное время обработки:
об/мин.
.11 Формирование и оформление окончательного плана
маршрутно-операционного технологического процесса
Изначально, из соображения потребного количества операций для получения
заданной детали, был разработан предварительный план технологического процесса.
Но в результате расчетов припусков, разработки, расчетов и анализа размерной
схемы с применением прикладной теории графов, были внесены в план
технологического процесса некоторые корректировки с целью оптимизации,
повышения общей экономической эффективности технологического процесса.
Для достижения большей экономичности, при некотором снижении
производительности, объединяем некоторые операции. Были изменены расположения
операций обработки некоторых поверхностей, за счет чего достигнута обработка с
более чистых баз, с меньшей погрешностью, т. е. уменьшилась возможность брака.
Для фрезерования шлицов мы воспользуемся следующей
последовательностью: фрезерование, термообработка и шлифование, т.к. в
результате термообработки мы обеспечивает высокую контактную прочность
поверхности зубьев и большую ударную вязкость их сердцевины, предохраняющую
зубья при вибрационной нагрузке от появления трещин и преждевременного
разрушения. Обработка червячной фрезой с последующим шлифованием позволит нам
получить более точную поверхность.
3. ОХРАНА ТРУДА
3.1 Выявление и анализ опасных и вредных производственных
факторов, действующих в рабочей зоне на специализированном участке по
производству деталей типа вал
.1.1 Краткое описание прототипа объекта проектирования
Объект проектирования - специализированный участок механического цеха по
производству деталей типа вал. Численность персонала - 18 рабочих. На участке
применяется металлообрабатывающее оборудование: токарно-револьверные,
токарно-винторезные с ЧПУ, шлифовальные, зубофрезерные, зубошлифовальные,
вертикально-сверлильные станки, станок для суперфиниша.
Данное оборудование является источником вредных и опасных
производственных факторов.
.1.2 Выявление опасных и вредных производственных факторов,
действующих в рабочей зоне проектируемого объекта
Выполним анализ опасных и вредных производственных факторов, действующих
в рабочей зоне проектируемого участка. Согласно ГОСТ 12.0.003-74 вредные и
опасные факторы подразделяются по природе действия на физические, химические,
биологические ,психофизиологические. Проанализируем вероятное вредное и опасное
воздействие применяемого на участке оборудования в соответствии с данной
классификацией.
Физические опасные и вредные производственные факторы (ГОСТ
12.0.003-74 п. 1.1.1):
· Повышенное напряжение в электрической цепи, замыкание которой
может пройти через тело человека. Станочное оборудование потребляет электрический ток
напряжением 220 В и 380 В. Вследствие неисправности оборудования, проводки
возможно замыкание и прохождение электрического тока через нетоковедущие части
оборудования.
· Повышенный уровень вибрации. На операторов станков воздействует
технологическая вибрация. При работе с вышеописанным технологическим
оборудованием рабочие подвергаются воздействию локальной вибрации, которая
передается через руки при контакте с элементами управления станка. Также
персонал подвергается воздействию общих вибраций, передающихся через опорные
поверхности.
· Движущиеся машины и механизмы, подвижные части
производственного оборудования. Используемое технологическое оборудование обладает
подвижными частями (шпиндели, суппорты, столы и т.п.), которые имеют большие
числа оборотов, скорости перемещения. Присутствие таких элементов оборудования
делает вероятным травмирование персонала вследствие несоблюдения правил техники
безопасности при эксплуатации металлообрабатывающего оборудования. Также
возможно травмирование вследствие неисправности оборудования, поражение электрическим
током.
· Повышенная запыленность воздуха рабочей зоны. При обработке вала абразивным
инструментом имеет место повышенная запыленность воздуха рабочей зоны.
· Повышенный уровень шума на рабочих местах. Работающие электродвигатели и
трансмиссии станков, а также процесс механической обработки металла являются
источником шума. Шум усугубляет также воздействие вредных веществ на организм
человека.
· Острые кромки, заусенцы, шероховатость на поверхностях
заготовок и инструмента. После обработки заготовок на них могут образовываться заусенцы, острые
кромки. Также после обработки металлическая стружка может наворачиваться на
режущий инструмент. Вследствие несоблюдения техники безопасности может
произойти травмирование персонала.
· Отсутствие или недостаток естественного света. Ввиду того что производственное
помещение занимает большие площади, то проникновение естественного света
затруднено в зоны расположенные на большом расстоянии от источника
естественного света.
Химические опасные и вредные производственные факторы (ГОСТ
12.0.003-74 п. 1.1.2):
· Испарения СОЖ (укринол) могут оказывать раздражающее воздействие на
органы дыхания. Данное вещество относится к мало опасным, его предельно
допустимая концентрация составляет порядка 10 мг/м³.
Биологические и психофизиологические вредные и опасные факторы на
рассматриваемом участке отсутствуют.
3.1.3 Характеристика источников опасных и вредных
производственных факторов
· Вероятность травмирования персонала вследствие контакта с подвижными
частями оборудования а также острыми кромками, заусенцами,
шероховатостями на поверхностях заготовок и инструмента определяется
суперпозицией вероятностей выхода из строя оборудования и несоблюдения
персоналом правил техники безопасности. Эта вероятность составляет 0,09%.
Средства защиты регламентируются ГОСТ 12.4.011-89.
· Повышенный уровень запыленности имеет место в зоне работы
шлифовальных станков. Выделение пыли составляет порядка 36000 мг/час.
Санитарно-гигиенические требования к воздуху рабочей зоны по ГОСТ 12.1.005-88.
· При работе оборудования цеха возникает статический механический шум
в результате движения отдельных деталей и узлов машин. Диапазон частот
составляет от 2000 ... 4000 Гц. При интенсивности звука 80 дБ при данной
частоте будет происходить утомляющее воздействие на органы слуха. Уровень шума
в производственных помещениях нормируется в соответствии с ГОСТ 12.1.003-88
· Уровень виброскоростей и виброускорений для средней геометрической
частоты 250 Гц составляет соответственно 1,2 м/с и 9,6 м/с2 ,что не
превышает допустимых значений для данной октавной полосы в соответствии с ГОСТ
12.1.034-81.
· Станочное оборудование потребляет ток напряжением 220 и 380 вольт, таким
образом в случае поражения электрическим током при однофазном включении
человека в сеть через него пройдет
,22А и 0,38 А соответственно, что является величиной, смертельной для
человека (вызывает фибрилляцию). Правила электробезопасности, средства защиты
изложены в ГОСТ 12.1.030-81.
· Содержание испарений СОЖ составляет 6,4 мг/м³,
что менее предельно
допустимой концентрации 10 мг/м³. Санитарно-гигиенические требования к
воздуху рабочей зоны по ГОСТ 12.1.005-88.
· Для естественного освещения характерна недостаточная освещённость рабочей
зоны, повышенная яркость света, высокая диффузность (рассеянность) дневного
света от небосвода, что весьма благоприятно для зрительных условий работы.
Регламентируется в СНиП II-4-79.
.1.4. Анализ возможных последствий воздействия негативных
факторов на работающих
· Вероятный контакт персонала с движущимися частями станков, а также
вероятный выход из строя агрегатов оборудования, разрушение абразивных
кругов, контакт рабочих с острыми кромками детали и заусенцами
влечет за собой травмирование рабочих различной степени тяжести. Метод борьбы -
соблюдение техники безопасности, применение средств индивидуальной защиты.
· Повышенная запыленность рабочей зоны с выделением пыли с интенсивностью
порядка 360000 мг/час может привести к раздражению верхних дыхательных путей и
слизистых оболочек. Для предотвращения этого необходимо применять систему
механической вентиляции на данном участке, а также местную вытяжную систему
вентиляции для оборудования с абразивным инструментом.
· Степень заглушения при работе оборудования может достигать такой
величины, что трудно разбирать речь и звуковые сигналы. Неразборчивость речи
оказывает отрицательное влияние на психику человека. Если интенсивность звука
превысит 80 дБ (при частоте 2000... 4000 Гц), шум будет утомляюще
воздействовать на органы слуха. Появление утомления органа слуха следует
рассматривать как ранний сигнал угрозы развития тугоухости и глухоты.
· При определенных условиях действие вибрации становится опасным для
здоровья работающих, снижаются производительность и качество труда, может
возникнуть профессиональное заболевание, называемое вибрационной болезнью, т.е.
возможны функциональные и физиологические изменения в организме человека Так
как при работе на рассматриваемом участке на воздействие происходит как на
руки, так и на весь организм рабочего, то возможно возникновение периферической
и церебральной формы вибрационной болезни.
· Испарения СОЖ относятся к малоопасным веществам, имеют высокую предельно
допустимую концентрацию. Данные вещества успешно удаляются системой
механической вентиляции. Отрицательное воздействие их на здоровье персонала
маловероятно.
· При прохождении через тело человека тока 0,22 А или 0,38 А вызывает
фибрилляцию, является смертельно опасным. Несоблюдение правил техники
безопасности (например, наличие алкоголя в крови)
усугубляет последствия поражения электрическим током.
· При неудовлетворительном освещении резко снижается производительность
труда, возможны несчастные случаи, появление близорукости, быстрая
утомляемость, нарушение зрительных функций
(ослепленность), т.е. ухудшение видимости объектов, переадаптация глаза,
приводящая к значительному утомлению.
3.2 Разработка мероприятий по предотвращению возможного
воздействия опасных и вредных производственных на работающих
.2.1 Обоснование возможностей устранения из состава
проектируемого объекта источников опасных и вредных производственных факторов
На рассматриваемом специализированном участке по производству деталей
типа вал основным источником вредных и опасных производственных факторов
является технологическое оборудование. Применение тех или иных видов станков
для изготовления изделия обосновано при проектировании технологического
процесса и обусловлено требуемыми характеристиками изготавливаемой детали,
экономической целесообразностью. Применение смазочно-охлаждающих жидкостей
также необходимо для выполнения технологических операций. Поэтому удалить из
состава рассматриваемого участка источники опасных и вредных производственных
факторов невозможно.
.2.2 Анализ возможных методов и устройств ослабления
воздействия на работающих опасных и вредных производственных факторов
· Для предотвращения травмирования персонала вследствие контакта с
подвижными агрегатами технологического оборудования, острыми кромками и
заусенцами обрабатываемой детали, вследствие разрушения конструкций агрегатов
станков или абразивного инструмента необходима проработка и соблюдение правил
техники безопасности при работе со станками. Также необходима разработка и
внедрение блокировочных систем на оборудовании. Ослабление воздействия на
рабочих данного вида опасных и вредных факторов также возможно за счет
применения средств индивидуальной защиты.
· Для ослабления вредного воздействия повышенной запыленности и испарений
СОЖ необходимо применять систему механической вентиляции. При работе на
шлифовальных станках также необходимо применение средств индивидуальной защиты
(респираторов), значительно снизит вредное воздействие абразивной пыли
применение локальной вытяжной вентиляции в зоне работы шлифовальных станков.
· Возможно избежание церебрального воздействия вибраций на организм
рабочего посредством постановки оборудования на специальные фундаменты.
· Для снижения воздействия повышенного уровня шума на органы слуха
необходимо применение средств индивидуальной зашиты (наушников).
· Во избежание опасности поражения персонала электрическим током вследствие
замыкания на нетоковедущие части оборудования необходимо использовать защитное
заземление.
· Для предотвращения травмирования персонала вследствие недостаточного
естественного освещения необходимо обеспечивать более
или менее равномерную освещенность во всем рабочем помещении, а не
ограничиваться освещенностью только рабочих мест, уменьшение яркости источника
света, правильный выбор защитного угла светильника, увеличение высоты подвеса
светильников, правильное направление светового потока на рабочую поверхность,
изменением угла наклона рабочей поверхности. Там, где это возможно, блестящие
поверхности следует заменять матовыми.
3.2.3 Обоснование и расчет наиболее целесообразных
технических систем и устройств защиты работающих от воздействия опасных и
вредных производственных факторов.
В соответствии с заданием на проектирование для данного участка
механической обработки выполним расчет необходимого воздухообмена. Цех имеет
размеры 65 × 35, высота Η = 9 м. В воздушную среду цеха выделяется
пыль в количестве W = 0,7 мг/мин (предельно допустимая концентрация пыли ПДК =
4 мг/м3). Количество рабочих составляет 18 человек.
. Определяем объем цеха.
V
= A
B
H = 65
35
9 = 20475 м3.
.
Найдем выделение пыли (в миллиграммах) за 1 час:
.
3. Определяем количество воздуха, которое нужно подать в рабочую зону,
чтобы концентрация пыли в рабочем объеме не превышала ПДК:
.
.
Определяем количество воздуха, которое нужно подать в
рабочую
зону для того, чтобы обеспечить необходимое количество
воздуха
на работающего:
.
5.
Сравнивая нормы подачи G и G1 для дальнейших расчетов принимаем большее
значение, то есть значение G.
.
Находим кратность воздухообмена:
.
Таким
образом, получен необходимый параметр для дальнейшего проектирования системы
воздухообмена - расход воздуха.
3.3
Обеспечение экологической безопасности функционирования проектируемого объекта
при воздействии опасных и вредных производственных факторов
Воздействие
на окружающую среду и население могут осуществлять такие производственные
факторы, как повышенная запыленность и повышенный уровень шума. Механическая
система вентиляции предусматривает очистку воздуха, проектируемый участок
механической обработки находится на территории машиностроительного предприятия
вдали от жилых массивов и мест отдыха населения. Таким образом, разработка
специальных мероприятий по ослаблению воздействия данных факторов на окружающую
среду и население не требуется.
Заключение
В ходе выполнения выпускной работы бакалавра были произведены
конструкторско-технологические расчеты маршрутно-операционного технологического
процесса изготовления вала.
План технологического процесса был представлен в виде
операционных эскизов.
Приблизительную оценку количества формообразующих операций получили с
использованием эмпирических формул.
Последовательность операций обработки детали принята согласно
предварительно разработанному плану технологического процесса c учетом
описанных выше изменений.
Был выполнен расчет припусков на обработку поверхностей вала нормативным
и расчетно-аналитическим методами. После разработки, расчета и анализа
размерной схемы формообразования плоских торцевых поверхностей вала, были
построены и рассчитаны конструкторско-технологические размерные цепи и
разработан совмещенный граф размерных цепей.
Вышеперечисленные мероприятия позволили составить окончательный план
технологического процесса изготовления вала. В результате его оптимизации и
корректировки была исключена возможность получения брака на этапе
проектирования. Расчет конструкторско-технологических размерных цепей позволил
повысить экономичность использования материала за счет рационально выбранных
припусков, повысилась производительность труда и уменьшились затраты времени на
обработку за счет применения современного оборудования с программным
управлением.
Также в ходе выполнения выпускной работы бакалавра были выполнены
конструкторские мероприятия по формированию облика и проектированию первой
ступени компрессора высокого давления ТРДДФсм для учебно-боевого истребителя.
Расчеты показали, что выбранные параметры геометрии пера лопатки и диска первой
ступени компрессора высокого давления удовлетворяют нормам прочности.
Были проанализированы вредные и опасные факторы, действующие на
специализированном участке по изготовлению детали типа вал.
Таким образом, в ходе выполнения выпускной работы бакалавра были получены
важные навыки по расчету деталей авиационного двигателя, разработке
технологических процессов механической обработки, технологической подготовке
производства.
Список использованной литературы
1. Гранин
В.Ю., Долматов А.И., Лимберг Э.А. "Определение припусков на механическую
обработку и технологические размерные расчеты". Учебное пособие - Х.:ХАИ,
1993. - 118 с.
.
"Справочник технолога-машинострои-теля".Под редакцией Косиловой А. Г.
и Мещерякова. Р. К. Том 1-М.: Машиностроение, 1985 - 655 с.
.
"Справочник технолога-машинострои-теля".Под редакцией Косиловой А. Г.
и Мещерякова. Р. К. Том 2-М.: Машиностроение, 1985 - 496 с.
. Фираго В.П.
Основы проектирования технологических процессов и приспособлений. Методы
обработки поверхностей - М., Машиностроение, 1973г. - 468с.
. Конспект
лекций по дисциплине "Технология авиадвигателестроения", лектор -
Сотников В.Д., 2012.
.
Скубачевский Г.С. Авиационные газотурбинные двигатели. Конструкция и расчет
деталей. М.: Машиностроение, 1981.
. Шошин Ю.С.,
Епифанов С.В., Шарков С.Ю. Расчет на прочность рабочей лопатки компрессора или
турбины. Учебное пособие. Харьков: Харьковский авиационный институт, 1993.
. Шошин Ю.С.,
Епифанов С.В., Шарков С.Ю. Расчет динамической частоты первой формы изгибных
колебаний лопатки компрессора или турбины и построение частотной диаграммы.
Учебное пособие. Харьков: Харьковский авиационный институт, 1999.
. Шошин Ю.С.,
Епифанов С.В., Муравченко Ф.М. Расчет на прочность дисков компрессоров и
турбин. Учебное пособие. Харьков: Харьковский авиационный институт, 1998.
. Никитин
Ю.М. Конструирование элементов деталей и узлов авиадвигателей. М:
Машиностроение, 1968.
.Выбор
параметров и термогазодинамический расчет двухконтурных турбореактивных
двигателей/ А.Ф.Брехов и Г.В.Павленко. Учебное пособие, Харьков. 1984г.-60 c.
.Буслик Л.Н.,
Ковалев В.И. Согласование параметров и определение основных размеров турбин и
компрессоров ГТД. Учебное пособие, Харьков. 1984г.-
.Павленко
Г.В. Формирование облика ГТД и ГТУ. Учебное пособие, Харьков. 2003г.-35 c.
. Сорокин А.
В. Марочник сталей и сплавов. Под ред. Сорокина В. Г. М.: Машиностроение,
1984.- 660 с.
. Ковка и
объемная штамповка стали. В 2-х т. / Под ред. Сторожева М. В. - 2-е изд.,
перераб. и доп. - М.: Машиностроение, 1967.- 436 с.
.
Производство зубчатых колес. под ред. Б.А. Тайца. Изд. 2-е перераб. и доп. М.,
"Машиностроение", 1975. 708с.
. А.И.
Адам,Г.Г. Овумян. Справочник зубореза - фрезеровщика. М., 1961.-271с.
. Гуревич
Я.Л. 18, М.В. Горохов, В.И. Захаров. Режимы резания труднообрабатываемых
материалов. Справочник. М., "Машиностроение",1986, 240с.
19. В.Н.
Павленко, А.С. Набатов, И.М. Тараненко. Порядок оформления учебных и
научно-исследовательских документов. Х., ХАИ, 2007, 66с.
Ведомость документов бакалаврской работы
|
№
|
Наименование
|
Формат
|
Количество листов
|
Обозначение
|
|
1
|
Рабочий чертеж детали
|
А2
|
1
|
2012.ГАЙДУК.244-02
|
|
2
|
Расчетно-пояснительная
записка
|
А4
|
96
|
2012.ГАЙДУК.244-01
|
|
3
|
Компоновочная схема ТРДД
|
А1
|
1
|
2012.ГАЙДУК.244-03
|
|
4
|
План технологического
процесса
|
А4
|
9
|
2012.ГАЙДУК.244-04
|
|
5
|
Чертеж заготовки
|
А4
|
1
|
2012.ГАЙДУК.244-05
|
|
6
|
Комплект документов на
технологический процесс
|
А4
|
21
|
2012.ГАЙДУК.244-06
|