Разработка конструкции компрессора высокого давления ТРДДФсм для легкого фронтового истребителя на базе существующего ТРДДФсм РД-33
Содержание
Введение
Конструкторская часть
.1 Основные сведения о двигателе и краткое описание
.2 Термогазодинамический расчет двигателя
.3 Согласование параметров компрессора и турбины
.4 Расчет на прочность лопатки первой ступени КВД
.5 Расчет на прочность диска компрессора
1.6 Расчет динамической частоты первой формы изгибных
колебаний лопатки компрессора и построение частотной диаграммы
2 Технологическая часть
.1 Анализ рабочего чертежа детали
.2 Определение и обоснование вида начальной заготовки, метода
и оборудования для её изготовления
2.3 Расчет и оптимизация потребного количества операций
формообразования элементарных цилиндрических и плоских
поверхностей-представителей вала-шестерни
2.4 Определение качественных и количественных показателей
технологичности вала-шестерни
.4.1 Качественная оценка
.4.1.1 Технологичность по механической обработке
.4.1.2 Технологичность по простановке размеров
2.4.1.3 Технологичность относительно потребности в
специальных инструментах и технологической оснастке
2.4.1.4 Технологичность по материалу
.4.2 Количественная оценка
2.5 Разработка и обоснование рациональной последовательности
формообразующих операций технологического процесса изготовления вала-шестерни
.6 Разработка и мотивирование этапов, комплектов
технологических баз, схем базирования вала-шестерни и вариантов методов
формообразовния основных поверхностей-представителей
.7 Обоснование, выполнения и утверждения плана
технологического изготовления вала-шестерни
2.8 Расчет припусков на обработку и операционных размеров-диаметров
цилиндрических наружных и внутренних поверхностей вала-шестерни нормативным
методом
2.9 Расчет припусков на обработку и операционных
размеров-диаметров цилиндрических наружных и внутренних поверхностей
вала-шестерни расчетно-аналитическим методом
2.10 Разработка, выполнение и анализ размерной схемы
формообразования и схем размерных цепей плоских торцевых поверхностей
вала-шестерни
.11 Расчеты припусков на обработку и операционных
размеров-координат плоских торцевых поверхностей вала-шестерни расчетно-аналитическим
методом
.12 Расчеты и оптимизация припусков на обработку операционных
размеров-координат плоских торцевых поверхностей с использованием прикладной
теории графов размерных цепе
.13 Проектирование и выполнение чертежа заготовки вала-шестрни
.14 Формирование и оформление окончательного плана
маршрутно-операционного технологического процесса
.15 Расчет режимов резания для операций-представителей
.15.1 Операция 050 токарная
.15.2 Операция 140 шлифовальная
.15.3 Операция 200 сверлильная
.15.4 Операция 180 фрезерная
.15.5 Операция 150 зубофрезерная
.15.6 Операция 170 протяжная
Охрана труда
3.1 Выявление и анализ опасных и вредных производственных
факторов, действующих в рабочей зоне на специализированном
участке по производству деталей типа вал-шестерня
.1.1 Краткое описание прототипа объекта проектирования
3.1.2 Выявление опасных и вредных производственных факторов,
действующих в рабочей зоне проектируемого объекта
.1.3 Характеристика источников опасных и вредных
производственных факторов
.1.4 Анализ возможных последствий воздействия негативных
факторов на работающих
.2 Разработка мероприятий по предотвращению возможного
воздействия опасных и вредных производственных на работающих
.2.1 Обоснование возможностей устранения из состава
проектируемого объекта источников опасных и вредных производственных факторов
.2.2 Анализ возможных методов и устройств ослабления
воздействия на работающих опасных и вредных производственных факторов
.2.3 Обоснование и расчет наиболее целесообразных технических
систем и устройств защиты работающих от воздействия опасных и вредных
производственных факторов
3.3 Обеспечение экологической безопасности функционирования
проектируемого объекта при воздействии опасных и вредных производственных
факторов
Заключение.
Список использованной литературы
Введение
В процессе развития человеческого общества, его научной мысли возникает
необходимость в изготовлении новых видов продукции, а также всегда актуальным
является повышение производительности и повышение степени автоматизации при
производстве уже выпускаемых изделий, что позволяет уменьшить затраты труда.
Указанные задачи могут быть выполнены только посредством применения новых
технологических процессов и нового оборудования, необходимого для их
выполнения. Это и является основным направлением развития технологии
машиностроения.
Технология машиностроения является комплексной инженерной и научной
дисциплиной, которая, являясь прикладной наукой, тем не менее, имеет большую
теоретическую основу. Данная дисциплина рассматривает вопросы жесткости
технологической системы и точности процессов обработки, рассеяния размеров
обрабатываемых заготовок, погрешностей оборудования и технологической оснастки,
влияния механической обработки на физико-механические свойства деталей,
назначения припусков на механическую обработку и режимов резания, теории
базирования, технологической наследственности т.д.
Производство различных объектов народного хозяйства имеет свои
особенности. Для технологии авиадвигателестроения характерны высокие требования
к точности и качеству поверхностей, ограничения по весу, низкая жесткость
деталей. Узлы и агрегаты авиационного двигателя работают в условиях высоких
температур, воспринимают большие нагрузки. В силу этого, для их изготовления
необходимо применение высокопрочных, жаростойких, способных работать в
агрессивных средах, жаропрочных материалов. Металлы и сплавы, отвечающие
указанным требованиям, обладают низким коэффициентом обрабатываемости,
некоторые из них не могут быть подвергнуты лезвийной обработке, что требует
инновационного подхода к разработке технологических процессов. Эти и другие
факторы характеризуют авиадвигателестроение как наиболее высокотехнологичную и
наукоемкую отрасль машиностроения.
Выпуску деталей, узлов и агрегатов авиационного двигателя предшествует
трудоемкий этап технологической подготовки производства, включающий в себя
конструкторскую, технологическую и организационную подготовку. На этом этапе
изделие проходит различные стадии от освоения его опытного образца до серийного
производства на конкретном действующем предприятии.
Технологическая часть работы посвящена конструкторско-технологическим
расчетам маршрутно-операционного технологического процесса изготовления
вала-шестерни, грамотное выполнение которых позволяет обеспечить выпуск качественной
продукции с минимальными затратами материальных ресурсов.
В настоящее время интенсивность развития авиационной техники довольно
высока. Это обусловлено потребностями мирового авиарынка и высоким уровнем
конкуренции между фирмами-производителями. На сегодняшний день актуальными
являются существовавшие ранее промышленно-производственные и материальные связи
Украины со странами бывшего СССР. В частности ведется активное сотрудничество
ведущих украинских предприятий в области авиадвигателестроения и агрегатостроения
с конструкторскими бюро, опытными и серийными предприятиями Российской
Федерации. Поэтому нам необходимы разработки по созданию дешевых и эффективных
двигателей для самолетов пассажирского, транспортного и военного назначения,
соответствующих европейским и мировым стандартам.
Темой конструкторской части работы является разработка конструкции
компрессора высокого давления ТРДДФсм для легкого фронтового истребителя на
базе существующего ТРДДФсм - РД-33. Выбор этого двигателя в качестве прототипа связан
с тем, что он может обеспечить необходимые параметры по расходу топлива,
шумности и тяговооруженности.
1
Конструкторская часть
.1 Основные сведения о двигателе и краткое описание
В качестве прототипа двигателя принят ТРДДФсм РД-33 - двухвальный турбореактивный
двухконтурный двигатель с форсажной камерой со смешением потоков. Особенность
двухвальной схемы - разделение ротора компрессора на два самостоятельных
ротора, каждый из которых приводится во вращение своей турбиной.
Конструкция двигателя выполнена с учетом обеспечения принципа модульной
(блочной) сборки. Двигатель разделён на восемь основных модулей: вентилятор,
центральный привод, газогенератор (компрессор высокого давления, камера
сгорания и турбина высокого давления), статор турбины низкого давления, ротор
турбины низкого давления, корпус задней опоры двигателя, форсажная камера и
реактивное сопло, коробка двигательных агрегатов.
Рисунок 1.1.1 - Модули двигателя двигателя:
1 - вентилятор; 2 - центральный привод; 3 - коробка
двигательных агрегатов; 4 - газогенератор; 5 - сопловой аппарат турбины низкого
давления;
6 - ротор турбины низкого давления; 7 - задняя опора
двигателя;
- форсажная камера и сопло
Модульность конструкции двигателя обеспечивает возможность восстановления
его эксплуатационных качеств заменой узлов в условиях эксплуатации, а высокая
контролепригодность способствует переходу к обслуживанию по состоянию.
По типу конструктивно-компоновочной схемы двигатель относится к
двухроторным ТРДДФ со смешением потоков I и II
контуров и общей форсажной камерой (рисунок 1.1.2). Входное устройство -
сверхзвуковое, регулируемое, выполнено в виде плоского подкрыльевого
воздухозаборника. Компрессор двигателя - осевой, тринадцатиступенчатый,
включает в себя четырехступенчатый вентилятор 2 и девятиступенчатый компрессор
высокого давления 4. Камера сгорания 5 кольцевая прямоточная, турбина двигателя
6 - осевая, реактивная, двухступенчатая. Первая ступень приводит во вращение
КВД, вторая - вентилятор. Форсажная камера 9 - прямоточная, одноконтурная,
реактивное сопло 10 сверхзвуковое (типа Лаваля) с независимо регулируемым
горлом и выходным сечением.
Рисунок 1.1.2 - Конструктивно компоновочная схема двигателя
Входное устройство двигателя сверхзвуковое, регулируемое, выполнено в
виде плоского подкрыльевого воздухозаборника.
Компрессор двигателя - Компрессор представляет собой лопаточную машину, в
которой осуществляется преобразование механической энергии, получаемой от
турбины, в энергию давление воздуха, предназначенную для сжатия и подвода
воздуха в камеру сгорания.
Компрессор выполнен осевым двухкаскадным с околозвуковыми ступенями,
включает в себя четырехступенчатый вентилятор и девятиступенчатый компрессор
высокого давления (КВД).
Для повышения запаса газодинамической устойчивости над первой ступенью
вентилятора выполнен кольцевой перепуск, КВД имеет механизацию в виде трех
поворотных направляющих аппаратов.
Конструктивно компрессор состоит из переднего корпуса, статора
вентилятора, ротора вентилятора, разделительного корпуса, статора и ротора КВД.
Передний корпус компрессора представляет собой сварную конструкцию из титанового
сплава, образующую продолжение входного устройства.
Статор вентилятора состоит из узла кольцевого перепуска, трех корпусов
направляющих аппаратов и лопаток направляющих аппаратов.
Ротор вентилятора барабанно-дисковой конструкции состоит из диска первой
ступени, выполненного заодно с передней цапфой, диска второй ступени, диска
третьей ступени, диска четвертой ступени с задним лабиринтом и задней цапфы.
Статическая балансировка ротора вентилятора осуществляется подбором
рабочих лопаток в комплекте рабочего колеса по массе.
Динамическая балансировка проводится установкой балансировочных грузов в
обод диска четвертой ступени и подбором массы болтов (за счет ысоты головки),
устанавливаемых в обод первого диска.
Разделительный корпус является основным силовым узлом двигателя,
воспринимающим тягу, вес двигателя, осевую и радиальные нагрузки от роторов
вентилятора и турбокомпрессора, инерционные нагрузки, возникающие при эволюциях
летательного аппарата.
Разделительный корпус включает в себя: заднюю опору вентилятора, переднюю
опору компрессора высокого давления, центральный привод. Корпус сварной
конструкции состоит из наружной оболочки, рассекателя, внутренней оболочки и
десяти стоек.
Статор КВД состоит из отдельных кольцевых корпусов заднего корпуса, лопаток
входного направляющего аппарата(ВНА), внутренней обоймы ВНА и внутренних обойм
поворотных направляющих аппаратов (НА) первой и второй
ступеней, НА третьей, четвертой, пятой, шестой, седьмой, восьмой ступеней
и спрямляющего аппарата (СпА). Передним фланцем статор КВД крепится к
рассекателю разделительного корпуса, заднимфланцем - к корпусу камеры сгорания.
Лопатки ВНА имеют верхние и нижние цапфы. Верхние цапфы установлены в
бобышках корпуса и вращаются во втулках, выполненных из антифрикционного
состава (стекловолокно, пропитанное фторопластом). Нижняя цапфа расположена в
плоскости разъема внутренней обоймы и корпуса опоры.
Лопатки НА первой и второй ступеней также выполнены с верхней и нижней
цапфами. Верхние цапфы лопаток вращаются во втулках из антифрикционного
материала в радиальных отверстиях, оси которых расположены в плоскости разъема
корпусов. Нижние цапфы установлены в обоймы.
Ротор КВД барабанно-дисковой конструкции состоит из сварного узла первой
и второй ступеней, диска третьей ступени с передней цапфой, узла четвертой,
пятой, шестой ступеней, дисков, диска-лабиринта и вала.
Динамическую балансировку ротора проводят в несколько этапов. Отдельно
балансируется узел первой и второй ступеней подбором по массе и перестановкой
лопаток. Сварной узел балансируют постановкой балансировочных грузиков, имеющих
форму хвостовика лопатки, в поперечный паз между замками лопаток. Вал
компрессора балансируется съемом материала со специальных кольцевых утолщений.
Окончательная балансировка ротора осуществляется в сборе постановкой
балансировочных грузов на диске первой ступени и на диск-лабиринт между
стяжными шпильками.
Конструкционные материалы.
В конструкции компрессора широкое применение получили титановые сплавы,
имеющие высокую прочность и малую массу
(ρ = 4500 кг/м3).
Рабочие лопатки, диски рабочих колес, лопатки направляющих аппаратов
вентилятора, лопатки направляющих аппаратов первой и второй ступеней, рабочие
лопатки первой, второй и третьей ступеней компрессора высокого давления
изготовлены из титанового сплава ВТ9; передний корпус компрессора, корпус
четвертой ступени вентилятора - из титанового сплава ВТ20; корпуса направляющих
аппаратов первой, второй и третьей ступеней - из титанового сплава BT5-I;
детали разделительного корпуса - из титановых сплавов ВТ20,
ВТ25, ОТ4-1; диски первой - седьмой ступеней компрессора высокого
давления - из титанового сплава ВТ25.
По мере роста температуры по проточной части компрессора титановые сплавы
заменяются сталью и сплавами на никелевой основе.
Рабочие лопатки четвёртой - восьмой ступеней и лопатки направляющих
аппаратов третьей - шестой ступеней КВД изготовлены из сплава ЭП866, рабочие
лопатки девятой ступени и лопатки направляющих аппаратов седьмой и восьмой
ступеней - из сплава ЭП718НД, диски рабочих колее восьмой и девятой ступеней -
из сплава ЭП742. Лопатки спрямляющего аппарата последней
ступени КВД изготовлены из жаропрочного сплава ЭП648. Вал КВД изготовлен
из сплава ЭП741НП методом порошковой металлургии.
Камера сгорания предназначена для осуществления подвода тепла к рабочему
телу (воздуху) путем сжигания в ней топлива.
Камера сгорания - кольцевая. Конструктивно она состоит из следующих
основных узлов: корпуса (включающего в себя наружную и внутреннюю оболочки),
жаровой трубы, топливного коллектора с двадцатью четырьмя форсунками и двух
пусковых устройств.
Корпус камеры сгорания сварной конструкции состоит из литого диффузора,
наружной и внутренней оболочек, заднего наружного и заднего внутреннего
фланцев. Передним фланцем, выполненным на диффузоре, корпус закреплён к статору
КВД, задним наружным и задним внутренним к наружному и внутреннему корпусам
соплового аппарата турбины высокого давления.
Турбина двигателя - двухступенчатая: первая ступень приводит во вращение
ротор компрессора высокого давления, вторая ступень - вентилятор.
Турбина представляет собой лопаточную машину, в которой тепловая энергия
и энергия давления газов преобразуются в механическую работу.
Для обеспечения надежной работы турбины в условиях высоких температур
предусматриваются охлаждение и теплозащита основных элементов турбины воздухом,
отбираемым за пятой ступенью компрессора высокого давления, за компрессором
высокого давления и из второго контура.
Статор ТВД состоит из наружного корпуса, девяти блоков сопловых
аппаратов, внутреннего корпуса, сильфонной перегородки, верхнего и нижнего
козырька.
Статор турбины сильфонной перегородкой крепится к оболочке камеры
сгорания, внутренним корпусом - к внутренней оболочке камеры сгорания, а
верхним и нижним козырьком телескопически стыкуется с жаровой трубой.
Наружный корпус представляет собой точёную оболочку с отверстиями для
крепления сопловых лопаток и прохода воздуха, охлаждающего сопловые лопатки. К
наружному корпусу с помощью болтов закреплены наружные полки сопловых
аппаратов. Болтами крепления сопловых аппаратов в передней части наружного
корпуса закреплен козырек, в задней части - сильфонная перегородка.
Ротор ТВД состоит из диска, рабочих лопаток, демпферов, покрывного диска,
фиксирующего кольца и лабиринтного кольца.
Диск турбины торцевыми шлицами крепят к валу с помощью стяжных болтов.
Осевые усилия от ротора турбины передаются стяжными болтами, крутящий момент -
торцевыми шлицами. На ободе диска выполнены пазы типа "елочка" для
установки лопаток. На дне пазов имеются выборки и радиальные отверстия для
подвода охлаждающего воздуха к рабочим лопаткам.
Динамическая балансировка ротора турбины высокого давления осуществляется
постановкой балансированных грузиков.
Основным элементом уплотнения являются графитовые разрезные кольца.
Статор ТНД состоит из наружного корпуса пятидесяти трёх сопловых лопаток,
корпуса, лабиринтов, сотовой вставки, компенсационной обоймы.
Сопловые лопатки спаяны между собой и с двумя наружными и внутренними
кольцами в единый паяный узел.
Лопатки - полые, во внутренние полости каждой лопатки установлен
дефлектор.
Ротор ТНД состоит из диска, вала, девяносто четырёх рабочих лопаток,
лабиринта.
Диск - штампованный. На диске имеется фланец, которым его крепят к валу
двадцатью призонными болтам. На ободе выполнены пазы "елочного" типа
для крепления лопаток и наклонные радиальные отверстия, по которым подводится
воздух, охлаждающий рабочие лопатки.
Вал - штампованный. На конце вала нарезана резьба, на которую
наворачивается гайка, стягивающая ротор вентилятора и ТНД, и эвольвентные шлицы
для передачи крутящего момента к ротору вентилятора. На валу имеются фланцы для
крепления диска ТНД и крепления тонкостенного стакана радиально-торцевого
графитового уплотнения. По внутреннему диаметру вала монтируется наружная
обойма роликового подшипника ТНД, заглушка и распорная втулка. Весь пакет
затянут гайкой.
Динамическая балансировка ротора турбины низкого давления осуществляется
постановкой грузиков.
Задний корпус - силовой узел, воспринимающий усилия от опор турбины
низкого и высокого давления. Он состоят из наружного корпуса, внутреннего
корпуса, корпуса опоры , семи силовых стоек, корпуса лабиринта и обтекателей.
Конструкционные материалы.
Детали турбины работают в тяжелых условиях. Они нагружены высокими
напряжениями от действия газового потока, подвержены неравномерному нагреву,
вызывающему температурные напряжения. Детали ротора, кроме этого, нагружаются
значительными центробежными силами.
Рабочие лопатки турбины изготовлены литьем из высокопрочных жаропрочных
сплавов на никелевой основе: первой ступени - ЖC26-НК, второй ступени -
ЖС6К-ВИ.
Сопловые лопатки первой и второй ступеней отлиты из сплава ЖС6К-ВИ.
Диск первой ступени турбины и покрывной диск изготовлены из жаропрочного
сплава ЭП-74Ш, диск второй ступени - из хромоникельмарганцовистой жаропрочной
стали ЭИ-698ВД.
Задний корпус опор турбины изготовлен из титанового сплава ВТ20, кроме
обтекателей, размещенных в проточной части, изготовленных из жаропрочного
сплава ЭП-742.
Выходное устройство двигателя состоит из форсажной камеры и реактивного
сопла.
Форсажная камера - одноконтурная, общая для первого и второго контуров с
предварительным смешением потоков в смесителе.
Форсажная камера состоит из смесителя, диффузора, стабилизаторов пламени,
топливораспыливающих устройств и камеры горения. Передним фланцем наружного
корпуса смесителя форсажная камера закреплена к фланцу корпуса второго контура.
К заднему фланцу камеры горения крепятся створки реактивного сопла.
Реактивное сопло (PC) обеспечивает преобразование тепловой и потенциальной
энергии газов в кинетическую с минимальными потерями на всех режимах работы
двигателя. По конструктивному исполнению реактивное сопло - сверхзвуковое, типа
Лаваля, двухрядное, всережимное с регулируемой площадью критического и
выходного сечений.
Регулирование площади критического сечения сопла позволяет поддерживать
неизменным режим работы турбокомпрессорной части двигателя на форсажном режиме,
получать наиболее экономичные дроссельные режимы при работе на форсаже и без
форсажа, облегчать запуск двигателя.
Конструктивно сопло состоит из наружных и внутренних створок в дозвуковой
и сверхзвуковой частях сопла, системы синхронизации и силового привода.
Створки образуют проточную часть и внешний профиль РС.
Конструкционные материалы.
Для получения минимальной массы конструкции выходного устройства детали,
подверженные ограниченному нагреву, изготовлены из титановых сплавов.
Из сплава BТ20 выполнены оболочки смесителя, диффузора и камеры горения
форсажной камеры.
Стабилизаторы и распылители форсажной камеры изготовлены из сплава ВХ-4Л.
Тепловые экраны камеры горения выполнены из жаропрочного сплава ЭП-99.
Наружные створки реактивного сопла изготовлены из титанового сплава ВТ20,
внутренние большие створки и экран на малых створках - из жаропрочного сплава
ЖС3-ДК, малые створки и балки - из сплава ВХ-4Л.
.2 Термогазодинамический расчет двигателя
компрессор двигатель вал
шестерня
Целью термогазодинамического расчета двигателя является определение
основных удельных параметров (Руд - удельной тяги, Суд - удельного расхода
топлива).
С помощью программы rdd.exe выполняем термогазодинамический расчет ГТД с
использованием ЭВМ.
Исходными данными для расчета являются следующие величины, определяющие
расчетный режим двигателя:
· Gв - величина расхода воздуха через двигатель;
· πк1*, Т*г - параметры, определяющие
термогазодинамический цикл двигателя на расчетном режиме;
·
І,
,
, - КПД компрессора, турбин компрессора и вентилятора;
·
- механический КПД двигателя;
·
- коэффициент полноты сгорания топлива;
·
,
,
, φс - коэффициенты восстановления
полного давления в элементах проточной части двигателя.
Так как основной целью термогазодинамического расчета является
определение удельных параметров двигателя Руд и Суд, то данный расчет обычно
выполняют для Gв=1 кг/с. При этом вычисляют значения параметров рабочего тела в
характерных сечениях по тракту двигателя. Эти данные используют при
согласовании параметров компрессора и турбины и при общей компоновке проточной
части двигателя.
В табл. 1.2.1 представлены данные, необходимые для термогазодинамического
расчета двухконтурного двигателя, имеющего камеру смешения.
Таблица 2.1 - Результаты термогазодинамического расчёта
ТГДР
ТРДД NT= 4 1 1 1 1 ДАТА 21. 11. 11
ТЕРМОГАЗОДИНАМИЧЕСКИЙ
РАСЧЕТ ТРДДФ
ИСХОДНЫЕ
ДАННЫЕ: GB= 1.00 ТФ= 2050. DGO= .100
H=
.00 MH= .000 NB1= .872 NB2= .870 LBO=1.000 NTB= .875 ПСО=1.000
SBO=
.970 SBK= .990 SK= .951 S2= .985 SCM= .990 SФ= .931 SФН= .980
NГ= .985 NФ= .950 NMBД= .980 NMB=
.995 FI= .985 FI2=1.000 ПСО2=1.000
SB=
.970 TH= 288.15 THO=288.15 PH=101325. PHO=101325. PB= 98285. VH= .0
СХЕМА ПЕЧАТИ: RYФ RФ CYФ QTФ AKФ FKФ FCФ CCФ
GTФ ПСФ SCФ LCФ РФ РСФО СРФ KГФ
RY R CY QT AKC FKP FC CC
GT ПС SC
LC РФН PCO CPГ KГ
RO TKB1 TK2 TK TTBД TT PK2 P2
NKBД NTBД PKB1 PBBД PK PГ PTBД PT
ПiВ2 ПiB1 ПiKBД LB2
LB1 LKBД LTBД LTB
ПТВД ПТВ ПТО TCM
PCM PC РСФ
M=
.490 ТГ=1635.0 ПK1=21.300 ПВ20= 3.751
NK1= .836 ТФ=2050.0
.113E+04
.113E+04 .172 .541E-01 1.25 .361E-02 .361E-02 800.
195.
3.30 .981 .985 .334E+06 .328E+06 .137E+04 1.27
760.
760. .757E-01 .238E-01 2.55 .225E-02 .225E-02 561.
57.6
3.47 .980 .985 .352E+06 .345E+06 .126E+04 1.29
1.49
439. 439. 765. .134E+04 .116E+04 .369E+06 .363E+06
.860
.873 .370E+06 .366E+06 .209E+07 .199E+07 .713E+06 .363E+06
3.75 3.77
5.71 .153E+06 .153E+06 .331E+06 .376E+06 .229E+06
2.79
1.97 5.49 988. .359E+06 .190E+06 .185E+06
Параметры Руд=760 Н*с/кг и Суд=0,0757 кг/Н*ч соответствуют
современному уровню значений для ТРДДФсм с малой степенью двухконтурности-m. Получено распределение
Т* и Р* в характерных сечениях проточной части.
.3 Согласование
параметров компрессора и турбины
Согласование работы турбины и компрессора является наиболее важным этапом
проектирования двигателя. Целью согласования является распределение работы
между каскадами и ступенями компрессора, ступенями турбины, определение
основных размеров двигателя. В ходе выполнения расчёта необходимо соблюдать
основные условия, обеспечивающие надёжную и экономичную работу. Среди них:
высота лопаток последних ступеней компрессора и первых ступеней турбины,
относительный втулочный диаметр на выходе из компрессора, степень реактивности
ступеней компрессора, нагрузка на ступени турбины.
Исходными данными для этих расчетов являются значения заторможенных
параметров рабочего тела (воздуха и продуктов сгорания) в характерных
(расчетных) сечениях проточной части, основные геометрические (диаметральные)
соотношения каскадов лопаточных машин и принимаемые значения коэффициентов
аэродинамической загрузки компрессорных и турбинных ступеней.
После термогазодинамического расчета двигателя известны его основные
параметры (удельная тяга, удельный расход топлива). Предварительно были выбраны
параметры термогазодинамического цикла двигателя (температура газа перед
турбиной - Тг*, общая степень повышения полного давления в компрессоре
внутреннего кнтура-pк1*).
Выбраны КПД компрессора и турбины, а также коэффициенты потерь в других
элементах двигателя.Согласование выполняют на базе термогазодинамического
расчета (см. таблицу 1.2.1).
При выборе формы проточной части компрессора с постоянным наружным
диаметром Dk=const следует учитывать её эксплуатационные и технологические
преимущества, а также относительно высокий энергообмен в ступенях.
Следовательно, выбираем форму проточной части компрессора с Dk=const.
Форма проточной части турбины выбирается из конструктивных соображений, а
также требований аэродинамики. При постоянном наружном диаметре проточной части
турбины возможно получение лопаток большой высоты на последних ступенях. В
выборе формы необходимо учесть, что при повышении Dср резко возрастают окружные
скорости на периферии лопаток, а значит и напряжения на лопатках ступени. При
Dср=const угол раскрытия проточной части турбины уменьшается, что способствует
безотрывному течению потока по тракту турбины и повышению КПД. Таким образом,
выбираем форму проточной части турбины с постоянным средним диаметром
Dср=const.
Значение среднего коэффициента нагрузки в турбине не должно превышать
величины
=1.8 для обеспечения осевого выхода
потока.
В записке результаты согласования компрессора и турбины представлены в
табл. 1.3.1.
При выполнении расчетов по формированию облика ГТД определяются: форма
проточной части, частоты вращения роторов и число ступеней каскадов лопаточных
машин.
Графическое изображение проточной части газогенератора ТРДДсм
(выполненного по схеме ТРДДсм-2), приведено на рис. 1.3.1.
Рисунок 1.3.1 - Схема проточной части двигателя
Таблица 1.3.1 - Результаты согласования компрессора и турбины
Формирование
облика ГГ и ТВК ТРДД-2 ( КВД - ОК или ОЦК )
Исходные данные:
Руд = 760.3 Суд = .0757 КПДк= .8599 КПДтк= .8730
Lк = 331400. Lтк*= 375800. Lтв*= 229100. КПДтв= .8750
Lв2 = 153000. Lв1 = 153000. КПД2= .8700 КПД1 = .8720
Cpг =1265.0 Kг =1.2940 Cpв =1008.0 Kв =1.3980
Р = 86440. Gво = 76.43 Gв1 = 51.29
do = .300 Dсртв/Dк = .900
doво= .780
Dствд/Dко=1.100
Lв1/Lв2=1.000
Lок/Lкв=1.000 КПДок* = .857
Spквк = .990 Sрт = .970
Uк = 460.0 Uквд = 450.0
Результаты pасчета:
* ВЕНТ * Кф = 2 Zк = 4.
Lк*= 153000. Пiк*= 3.751 КПД*= .8700 Uк = 460.0
Dк = .7051 dob = .3000 dok = .6615 Hzc= .2066
nв =12460.
* ОК ВД * Кф = 1 Zк = 9.
Lк*= 331400. Пiк*= 5.713 КПД*= .8574 Uк = 450.0
Dк = .5788 dob = .7800 dok = .9153 Hzc= .1818
nвд =13660.
*
ТВД * Кф = 1 Zт = 1.
Lт*= 375800. Пiт*= 2.791 КПД*= .8730 (h/D)г= .0669
Uср= 495.0 Mz =1.5337 Dcр = .6367 (h/D)т= .1247
Sр = 305.6 Tw* =1434.8
* ТВ * Кф = 2 Zт = 1. Iред = 1.00
Lт*= 229100. Пiт*= 1.966 КПД*= .8750 (h/D)г= .1294
Uср= 414.0 Mz = 1.337 Dcр = .6346 (h/D)т= .1789
Sр = 306.6 Tw* =1224.7 nтв =12460.
Сечение\Паpаметp: T* : P* : C : C/акp : F
: K : Па : м/с : --- : кв.м
в - в 288. 98290. 230.0 .7407 .3553
к в1 - к в1 439. 369640. 170.0 .4436 .1665
в квд - в квд 439. 366399. 190.0 .4958 .1030
к - к 765. 2093000. 130.0 .2569 .0426
г - г 1635. 1991000. 129.7 .1781 .0947
т твд - т твд 1338. 713400. 180.0 .2732 .1588
г тв - г тв 1338. 691998. 180.0 .2732 .1637
т - т 1157. 362800. 220.0 .3591 .2263
Dн1 Dcp1 Dвт1 Dн2 Dcp2 Dвт2 Zст
ВЕНТ .7051 .5205 .2115 .6140 .5205 .4062 4.
ОK ВД .5788 .5150 .4515 .5788 .5548 .5298 9.
TBД .7161 .6711 .6262 .7161 .6367 .5573 1.
TВ .7167 .6346 .5525 .7481 .6346 .5211 1.
При согласовании сформировали облик ТРДДФсм. Получили 4-х ступенчатый
вентилятор с Нzc=0,2066 и η*кв=0,87. Частота вращения n=12460 об/мин.
Компрессор высокого давления, 9-ступенчатый Нzc=0,1818,
η*к=0,8574, n=13660 об/мин.
Турбина высокого давления,одноступенчатая, Мz=1,5337 и η*=0,873.
Турбина вентилятора, одноступенчатая, Мz=1,337 и η*=0,875.
ТВД и ТВ-высоконагруженные.
.4 Расчет на прочность лопатки первой ступени КВД
Рабочие лопатки осевого компрессора являются весьма ответственными
деталями газотурбинного двигателя, от надежной работы которых зависит
надежность работы двигателя в целом.
При работе газотурбинного двигателя на рабочие лопатки действуют
статические, динамические и температурные нагрузки, вызывая сложную картину
напряжений.
Расчет на прочность пера лопатки выполняем, учитывая воздействие только
статических нагрузок. К ним относятся центробежные силы масс лопаток, которые
появляются при вращении ротора, и газовые силы, возникающие при обтекании газом
профиля пера лопатки и в связи с наличием разности давлений газа перед и за
лопаткой. Центробежные силы вызывают деформации растяжения, изгиба и кручения,
газовые - деформации изгиба и кручения. Напряжения кручения от центробежных,
газовых сил слабозакрученных рабочих лопаток компрессора малы, и ими
пренебрегаем. Напряжения растяжения от центробежных сил являются наиболее
существенными. Напряжения изгиба обычно меньше напряжений растяжения, причем
при необходимости для уменьшения изгибающих напряжений в лопатке от газовых сил
ее проектируют так, чтобы возникающие изгибающие моменты от центробежных сил
были противоположны по знаку моментам от газовых сил и, следовательно,
уменьшали последние.
При расчете лопатки на прочность принимаем следующие допущения:
лопатку рассматриваем как консольную балку, жестко заделанную в ободе
диска;
напряжения определяем по каждому виду деформации отдельно;
температуру в рассматриваемом сечении пера лопатки считаем одинаковой,
т.е. температурные напряжения отсутствуют;
лопатку считаем жесткой, а деформацией лопатки под действием сил и
моментов пренебрегаем;
предполагаем, что деформации лопатки протекают в упругой зоне, напряжения
в пере лопатки не превышают предел пропорциональности.
Целю расчета на прочность рабочей лопатки первой ступени компрессора
является определение напряжений и запасов прочности в различных сечениях по
длине пера лопатки.
В качестве расчетного режима выбираем режим максимальной частоты вращения
ротора и максимального расхода воздуха через двигатель. Этим условиям
соответствует взлетный режим работы двигателя, то есть с частотой вращения 9828 об/мин.
Исходные данные
1. Материал лопатки: ВТ9
2. Длина лопатки L=0,064 м;
. Радиус корневого сечения Rк =0,2255 м;
. Радиус периферийного сечения Rп=0,2895 м;
5. Объем
бандажной полки
=0 м
;
. Хорда
профиля сечения пера b
- в корневом сечении bk=0,04 м;
- в среднем сечении bcp=0,04 м;
в периферийном сечении bп=0,04 м;
7. Максимальная
толщина профиля
в сечениях:
в
корневом сечении
=0,0035 м;
в
среднем сечении
=0,0025 м;
в
периферийном сечении
=0,0015 м;
8. Максимальная стрела прогиба средних линий профиля в сечениях:
- в
корневом сечении
=0,0033 м;
в
среднем сечении
=0,0024 м;
в
периферийном сечении
=0,0012 м;
. Угол
установки профиля
в сечениях:
в
корневом сечении
=1,11 рад;
в
среднем сечении
=0,91 рад;
в
периферийном сечении
=0,75 рад;
10. Интенсивность газовых сил на среднем радиусе в плоскости вращения:
;
11. Интенсивность газовых сил в осевой плоскости:
;
Где
- радиус сечения;
- число
лопаток;
- плотность газа;
и
- осевая составляющая скорости газа перед и за
лопаткой; W1U, W2U
- окружные составляющие относительной скорости газа перед и за лопаткой; Р1,
Р2 - давление газа перед и за лопаткой;
- длина лопатки.
Н/м;
Н/м;
Н/м;
12.
Частота вращения рабочего колеса
=13660
об/мин;
.
Плотность материала лопатки
=4500
кг/м
;
.
Предел длительной прочности
=950 МПа;
Согласно
нормам прочности минимальный запас по статической прочности профильной части
рабочей лопатки компрессора должен быть не менее 1,5.
Расчет
рабочих лопаток на растяжение от центробежных сил.
Напряжение
растяжения в расчетном сечении Fп пера лопатки определяется по формуле:
где
Pц - центробежная сила части пера лопатки, расположенной выше расчетного
сечения; w - угловая скорость вращения ротора.
Определение
напряжений изгиба.
Напряжения
изгиба в каждой точке расчетного сечения определяются по формуле:
,
В
целях упрощения расчета значения изгибающих моментов и моментов сопротивления
берут без учета знаков (по модулю). Напряжение изгиба от газовых сил, как
правило, определяют в трех точках, наиболее удаленных от осей h и x, относительно которых моменты инерции сечения лопатки
соответственно максимальный и минимальный (на рисунке это точки А, В и С).
Рисунок
1.4.1 - Определению изгибных напряжений в лопатке.
где
u, a - расчётные оси; a - угол между
главными осями сечения и расчётными осями.
Так
в точке А:
,
в
точке В:
,
в
точке С:
,
Вместе
с тем знак при определении напряжения изгиба характеризует вид деформации
волокон лопатки. Так, если волокна лопатки растянуты, то напряжение изгиба
имеет знак "+", если же они сжаты, то "-". Заметим, что от
действия газовых нагрузок на кромках профиля (в точках А и В) всегда возникают
напряжения растяжения, а на спинке профиля (в точке С) - напряжения сжатия.
Определение
запасов прочности лопаток.
При
определении запасов прочности следует учитывать напряжения, как растяжения, так
и изгиба лопатки. Суммарное напряжение в каждой точке расчетного сечения
профильной части лопатки:
.
Для
компрессорных лопаток запас прочности определяют по формуле:
,
где
sдлит - предел длительной прочности материала лопатки с
учетом температуры в данном сечении и длительность работы.
Согласно
нормам прочности минимальный запас по статической прочности профильной части
рабочей лопатки компрессора должен быть не менее 1,5. Вычисления выполняем с
помощью программы Statlop.exe.
Таблица
1.4.1 - Результаты машинного счёта
РАСЧЕТ НА ПРОЧНОСТЬ ПЕРА
РАБОЧЕЙ ЛОПАТКИ КОМПРЕССОРА (ТУРБИНЫ)
--------------------------------------------------------------------------
ВЫПОЛНИЛ : timoshenko
УЗЕЛ ДВИГАТЕЛЯ:
компрессор МАТЕРИАЛ: BT-9
ИСХОДНЫЕ
ДАННЫЕ:
GT=
1.000000 CL= 6.400000E-02 RK= 2.255000E-01 RP=
2.895000E-01
VP= 0.000000E+00 UPP= 0.000000E+00 APP=
0.000000E+00
EN= 14800.000000 AA= 0.000000E+00 AU=
0.000000E+00 PU= 490.000000
PAK= 570.000000 PAP= 800.000000
RO= 4500.000000
B=
4.000000E-02 4.000000E-02 4.000000E-02
D=
3.500000E-03 2.500000E-03 1.500000E-03
AP=
3.300000E-03 2.400000E-03 1.200000E-03
AL=
1.140000 9.100000E-01 7.500000E-01
SPT= 950.000000 950.000000 950.000000
950.000000
950.000000
950.000000 950.000000 950.000000
950.000000
950.000000 950.000000
Результаты расчета
на прочноcть пера лопатки X F Jmin
Spakt SизгA SизгB SизгC
m
m^2 m^4 МПа МПа МПа МПа
1 .00000 .970E-04 .133E-09 125.131 27.315
31.704 -28.103
2 .00640
.915E-04 .992E-10 116.416 27.636 31.035 -27.520
3 .01280
.859E-04 .831E-10 107.141 25.659 28.303 -25.258
4 .01920
.804E-04 .702E-10 97.250 22.884 24.892 -22.387
5 .02560
.748E-04 .592E-10 86.672 19.587 21.057 -19.112
6 .03200
.693E-04 .492E-10 75.313 15.931 16.952 -15.558
7 .03840
.638E-04 .402E-10 63.046 12.062 12.716 -11.833
8 .04480
.582E-04 .317E-10 49.696 8.150 8.519 -8.071
9 .05120
.527E-04 .238E-10 35.015 4.450 4.615 -4.482
10 .05760
.471E-04 .162E-10 18.636 1.414 1.455 -1.466
11 .06400
.416E-04 .908E-11 .000 .000 .000 .000 SсумA
SсумB SсумC Ka Kb Kc
[МПa] [МПa] [МПa]
1 152.446 156.835
97.027 6.232 6.057 9.791
2 144.053 147.451
88.897 6.595 6.443 10.687
3 132.800 135.444
81.883 7.154 7.014 11.602
4 120.134 122.142
74.863 7.908 7.778 12.690
5 106.259 107.729
67.560 8.940 8.818 14.062
6 91.244 92.264
59.755 10.412 10.297 15.898
7 75.107 75.761 51.213
12.649 12.539 18.550
8 57.846 58.215
41.625 16.423 16.319 22.823
10 20.050 20.092
17.171 47.382 47.283 55.326

Рисунок 1.4.2 - Изменение напряжений по высоте лопатки

Рисунок 1.4.3 - Изменение коэффициентов запаса прочности по высоте
лопатки
Вывод: Произведен расчет на статическую прочность пера рабочей лопатки
первой ступени компрессора высокого давления. В качестве материала был
использован титановый сплав ВТ-9. Полученные значения запасов во всех сечениях
удовлетворяют нормам прочности. Минимальное значение было получено в сечении
1-1 в точке В и равно 6,057. Это значение больше минимально допустимого 1,5.
.5 Расчет
на прочность диска компрессора
Общие сведения:
Диски компрессора - это наиболее ответственные элементы конструкции
газотурбинных двигателей. От совершенства конструкции дисков зависит
надёжность, легкость и надежная работа авиационных двигателей в целом.
Нагрузки, действующие на диск.
В общем, случаи в диске возникают следующие виды напряжений:
− растяжения от центробежных сил и температурных нагрузок;
− кручения, если диск передаёт крутящий момент;
− изгибные от разности давления и температуры по радиусу диска,
осевых газодинамических сил, действующих на лопатку, гироскопических моментов.
Допущения, принимаемые при расчете.
При расчете диска на прочность принимаются следующие допущения:
− диск находится в плоском напряженном состоянии;
− температура диска меняется только по радиусу и постоянна по
толщине;
− напряжения на любом радиусе не меняется по толщине;
− наличие отверстий и бобышек на полотне диска, отдельных
выступов и проточек на его частях не принимаются во внимание.
Целью данного расчета является расчет диска компрессора на прочность от
действия центробежных сил масс лопаточного венца и диска, методом конечных
разностей.
Метод конечных разностей основан на приближенном расчете дифференциальных
уравнений (1.5.1) и (1.5.2):
, (1.5.1)
,(1.5.2)
где уR и уТ - радиальные и окружные напряжения;, R
- текущее значение толщины и радиуса;
w - угловая скорость вращения диска;
r - плотность материала диска;
Е - модуль упругости первого рода;- температура элемента диска на радиусе
R;
a - коэффициент линейного расширения материала диска;
m - коэффициент Пуассона.
Замена дифференциалов на конечные разности производится по таким
формулам:
,
,
,
,
,
где
индексы n, принимающие значения от 0 до k, указывают номер кольцевого сечения
диска.
Окончательные расчетные формулы:
,
,
где
,
,
,
.
Значения xn, nn, jn, Cn, ln и yn определяются так:
,
,
,
,
,
.
Особенностью расчета диска со скачкообразным изменением толщины является
то, что в случае скачка в толщине диска следует ожидать скачкообразного
изменения напряжений. Величину скачка в напряжениях можно определить из условия
равенства радиальных сил, действующих в сечениях на границе смыкания участков
диска с разными толщинами, и равенства окружных удлинений кольцевых элементов
диска, выделенных там же.
Отличие в расчетах состоит в том, что при расчете диска со скачкообразным
изменением толщины в месте скачка проводится два совпадающих сечения с разными
толщинами диска.
Расчетные формулы для вычисления напряжений в сечении после скачка при
использовании метода конечных разностей имеют такой вид:
,
, (1.5.7)
где sR`n1 и sTn1 -
радиальные и окружные напряжения в диске на радиусе Rn после скачка
в толщине диска;
s0 -
напряжение в центре диска.
Коэффициенты A/n, B/n, N/n
и Q/n находятся по формулам:
;
,
, (1.5.8)
, (1.5.9)
где b/n, bn - толщина диска на радиусе Rn до и после скачка в диске.
Значения коэффициентов А0, В0, N0, Q0
равны:
А0 = 0, В0 = 0, N0 = 1, Q0 =
0.
При разбивании диска на расчетные сечения должны выполнятся следующее
условия:
− отношения
радиусов:
;
− отношения
толщин:
.
− Для
первых трех ступеней диска с центральным отверстием:
В
качестве нагружающего фактора рассматривается нагрузка от лопаточного венца и
замочной части, которая учитывается величиной sRn:
, (1.5.10)
где
z - число лопаток;
sRk - напряжения в корневом сечении лопатки от растяжения
центробежными силами (из расчета лопатки на прочность);k - площадь
корневого сечения лопатки (из расчета лопатки на прочность);
r - плотность
материала диска (материал диска ВТ-8);- площадь радиального сечения разрезной
части обода;f- радиус центра тяжести площади f;k -
наружный радиус неразрезанного обода диска;
bk - ширина обода диска на радиусе Rk.
Расчетным
режимом для проведения расчета на прочность диска, обычно является режим
максимальной частоты вращения диска. В этом случаи наибольшей величины
достигают напряжения от центробежных сил собственной массы диска и лопаточного
венца, которые почти всегда имеют решающие значение при оценке прочности диска.
Исходные
данные:
− материал диска - титановый сплав ВТ-9;
− плотность материала r = 4500 кг/м3;
− предел длительной прочности sдлит = 950МПа;
− частота вращения n = 13660 об/мин;
− коэффициент Пуассона m = 0,3;
− площадь корневого сечения лопатки Fk = 0,97×10-4 м2;
− число лопаток на рабочем колесе z = 43;
− площадь радиального сечения разрезной части обода диска
f = 0,0001815 м2;
− радиус центра тяжести радиального сечения разрезной части
обода диска Rf = 0,2205 м;
−
Геометрические параметры диска в расчетных сечениях приведены в таблице
Рисунок 1.5.1 - Расчетная схема диска
Таблица 1.5.1 - Геометрические параметры сечений.
|
Номер сечения
|
R, м
|
Ri/Ri-1
|
b, м
|
bi/bi-1
|
|
1
|
0,125
|
-
|
0,031
|
-
|
|
2
|
0,13
|
1,04
|
0,031
|
1
|
|
3
|
0,135
|
1,04
|
0,031
|
1
|
|
4
|
0,138
|
1,02
|
0,02597
|
0,837742
|
|
5
|
0,141
|
1,02
|
0,02093
|
0,80593
|
|
6
|
0,143
|
1,01
|
0,01757
|
0,839465
|
|
7
|
0,145
|
1,01
|
0,01422
|
0,809334
|
|
8
|
0,146
|
1,01
|
0,01254
|
0,881857
|
|
9
|
0,147
|
1,01
|
0,01086
|
0,866029
|
|
10
|
0,148
|
1,01
|
0,00918
|
0,845304
|
|
11
|
0,149
|
1,01
|
0,00751
|
0,818083
|
|
12
|
0,18
|
1,21
|
0,007
|
0,932091
|
|
13
|
0,195
|
1,08
|
0,007
|
1
|
|
14
|
0,21
|
1,08
|
0,007
|
1
|
|
15
|
0,21
|
1,00
|
0,033
|
4,714286
|
|
16
|
0,2155
|
1,03
|
0,033
|
1
|
Запас
прочности находим по формуле:
.
Так
как диск находится в плосконапряженном состоянии, то за критерий прочности
принимается эквивалентное напряжение:
.
Расчет
на прочность диска компрессора выполнен с помощью ЭВМ по программе diskop.exe.
Ниже приведены результаты расчетов:
Таблица 1.5.2 - Результаты машинного счета
РАCЧЕТ
НА ПРОЧНОCТЬ ДИCКОВ
КОМПРЕССОРОВ И ТУРБИН
********************************************************************************
ВЫПОЛНИЛ(А) :
Timoshenko
ИСХОДНЫЕ ДАННЫЕ:
K= 16 Z= 1 DP= 0
DT= 0 NR= 13660.000000 S
RL= 23.180000
AZ=
0.000000E+00 BZ= 0.000000E+00 NZ= 1 QZ= 0.000000E+00 MU=
3.000000E-01
ZAPR=
1.500000
R(K)=
1.250000E-01 1.300000E-01 1.350000E-01 1.380000E-01
1.410000E-01
1.430000E-01 1.450000E-01 1.460000E-01
1.470000E-01
1.480000E-01 1.490000E-01 1.800000E-01
1.950000E-01
2.100000E-01 2.100000E-01 2.155000E-01
B(K)=
3.100000E-02 3.100000E-02 3.100000E-02 2.597000E-02
2.093000E-02
1.757000E-02 1.422000E-02 1.254000E-02
1.086000E-02
9.180000E-03 7.510000E-03 7.000000E-03
7.000000E-03
7.000000E-03 3.300000E-02 3.300000E-02
NRS(Z)=
14
PL=
4500.000000
SDC=
950.000000
I R(I),M
B(I),M MAS, КГ SR,МПА
ST,МПА SEK,МПА ZAP
1 .1250
.3100E-01 .0000 .0000 488.0 488.0 1.947
2 .1300
.3100E-01 .5588 13.65 466.7 460.1 2.065
3 .1350
.3100E-01 .5807 24.98 447.5 435.5 2.181
4 .1380
.2597E-01 .3298 34.65 438.2 421.9 2.252
5 .1410
.2093E-01 .2775 46.29 430.3 409.1 2.322
6 .1430
.1757E-01 .1546 56.55 426.3 401.0 2.369
7 .1450
.1422E-01 .1294 69.85 423.5 393.3 2.416
8 .1460
.1254E-01 .5504E-01 79.20 423.2 389.6 2.438
9 .1470
.1086E-01 .4846E-01 90.82 423.6 386.3 2.459
10 .1480 .9180E-02
.4179E-01 105.8 425.1 383.3 2.478
11 .1490 .7510E-02
.3504E-01 125.8 428.3 381.3 2.491
12 .1800 .7000E-02
1.046 150.3 353.9 307.6 3.088
13 .1950 .7000E-02
.5567 141.4 329.1 286.0 3.322
14 .2100 .7000E-02
.6012 127.9 306.3 266.5 3.565
15 .2100 .3300E-01
.0000 27.12 276.1 263.6 3.604
16 .2155 .3300E-01
1.092 22.87 266.3 255.7 3.716

Рисунок 1.5.2 - Распределение напряжений по радиусу диска
Рисунок 1.5.3 - Изменение коэффициента запаса прочности по радиусу диска.
Вывод: Произведен расчет статической прочности диска первой ступени
компрессора высокого давления. Из полученных результатов следует, что значения
запасов прочности во всех сечениях удовлетворяют нормам прочности. Минимальное
значение было получено в сечении 1-1 равно 1,947 и являеться большим минимально
допустимого.
1.6 Расчет динамической частоты первой формы изгибных колебаний лопатки
компрессора и построение частотной диаграммы
Цель расчета - определение частоты собственных колебаний рабочей лопатки
осевого компрессора, и анализ частотной диаграммы для проверки отсутствия
резонансных режимов в рабочей области частот вращения.
Вращение лопатки совместно с диском, на котором она закреплена, оказывает влияние на ее колебания, так как центробежная сила стремиться вернуть колеблющуюся лопатку в положение равновесия. Действие центробежной силы лопатки приводит к тому же результату, что и увеличение ее жесткости, потому частота собственных колебаний вращающейся лопатки (так называемая динамическая частота) повышается с увеличением частоты
вращения ротора.
Динамическую частоту собственных колебаний вращающейся
лопатки вычисляем по формуле:
где
nc - частота вращения ротора, об/с;
B - коэффициент
пропорциональности, зависящий от геометрии лопатки и формы упругой линии,
который можно рассчитать по следующей формуле:
fc -
частота собственных изгибных колебаний лопатки по 1й форме, определенная
энергетическим методом Релея, который основан на законе сохранения энергии
свободноколеблющейся упругой системы, рассчитанная по формуле:
Для
вычисления значения по данным формулам воспользуемся кафедральной программой
DinLop.exe.
Исходные
данные:
Материал
лопатки: ВТ-9;
Модуль
упругости материала в рабочих условиях: 1,2∙105 МПа;
Плотность
материала: 4500 кг/м3;
Объем
бандажной полки: 0;
Расстояние
от центра тяжести бандажной полки до оси вращения: 0;
Расстояние
от центра тяжести бандажной полки до корневого сечения
лопатки:
0;
Радиус
корневого сечения: 0,2255м;
Длина
пера лопатки: 0,064 м;
Площади
лопатки:
в
корневом сечении
=0,000097 м2;
в
среднем сечении
=0,0000693 м2;
в
периферийном сечении
=0,0000416 м2;
Минимальные
моменты инерции лопатки:
в
корневом сечении
=0,133∙10-9 м4;
в
среднем сечении
=0,429∙10-10 м4;
в
периферийном сечении
=0,908∙10-11 м4;
Максимальная
секундная частота вращения: 228 об/с.
Таблица 1.6.1 - Результаты машинного счета
РАСЧЕТ ДИНАМИЧЕСКОЙ ЧАСТОТЫ - 1 ФОРМЫ
ИЗГИБНЫХ КОЛЕБАНИЙ ЛОПАТКИ КОМПРЕССОРА (ТУРБИНЫ)
ЭНЕРГЕТИЧЕСКИМ МЕТОДОМ РЕЛЕЯ
ВЫПОЛНИЛ :
Timoshenko
УЗЕЛ
ДВИГАТЕЛЯ: компрессор МАТЕРИАЛ: ВТ-9
ИСХОДНЫЕ
ДАННЫЕ:
E= 120000.000000
120000.000000 120000.000000 120000.000000
120000.000000
120000.000000 120000.000000 120000.000000
120000.000000
120000.000000 120000.000000
PO= 4500.000000 VP=
0.000000E+00 RP= 0.000000E+00
XP= 0.000000E+00 RK=
2.255000E-01 L= 6.400000E-02
FK= 9.700000E-05 FC=
6.930000E-05 FP= 4.160000E-05 JK= 1.330000E-10
JC= 4.920000E-11 JP= 9.080000E-12 NSM=
228.000000EPS= 1.000000E-03
Q0= 1.600000 Q1=
2.500000
----------------------------------------------------------------------
РЕЗУЛЬТАТЫ
РАСЧЕТА:
Q
NS [об/с] F1 [1/с]
1 1.89795100
.0 912.8248
2 1.89770400
22.8 914.8860
3 1.89707300
45.6 921.0415
4 1.89619400
68.4 931.2085
5 1.89474000
91.2 945.2547
6 1.89298300
114.0 963.0071
7 1.89098600
136.8 984.2607
8 1.88859100
159.6 1008.7890
9 1.88595600
182.4 1036.3540
10 1.88277100
205.2 1066.7140
11 1.87942200
228.0 1099.6310
----------------------------------------------------------------------
По результатам расчета построена частотная диаграмма (рисунок 1.6.1). Из
начала координат проведены лучи, представляющие собой частоты возбуждающих сил,
кратные частоте вращения ротора:
,
где k - число кратности, определяющее порядок гармоник возбуждающей силы
(k1=10, т.к. переходной канал имеет 10 силовых стоек, k2=41, так как перед
рабочим колесом находится ВНА, содержащий 41 лопатку.
(nС1 =10 об/с и nС2 =228 об/с):
Гц,
Гц,
Пересечение
линий показывает резонансные частоты (рисунок 1.6.1). Зона рабочих режимов
начинается с зоны малого газа, составляющего ≈65% от nmax, т.е. nмг=148,2
об/с, и заканчивается максимальным режимом - nmax=228об/с.
Рисунок 1.6.1 - Частотная диаграмма.
Вывод: возможные резонансные режимы работы двигателя не попадают в
диапазон рабочих чисел оборотов, поэтому являются неопасными.
2 Технологическая часть
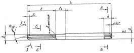
.1 Анализ рабочего чертежа детали
Рабочий чертеж детали является основным документом для контроля и приемки
изготовленных деталей. На рабочем чертеже указывается материал детали,
проставляются допуски на изготовление, шероховатость поверхностей, в
технических условиях указывается группа контроля, термообработка и твердость
материала, покрытия и прочие специфические требования. Для ответственных
деталей в технических условиях указываются также физико-механические свойства
сердцевины и поверхностного слоя, применяемые методы улучшения прочностных
свойств с целью повышения надежности и долговечности детали. Указываются также
методы и способы контроля, как наружных поверхностей, так и внутренней
структуры материала детали.
В качестве исходной информации для выполнения домашнего задания был задан
чертеж детали «вал-шестерня» на листе формата А2. Он представляет чертеж
вала-шестерни, выполненный в одной проекции, с дополнительными видами,
поясняющими конструкцию вала-шестерни (в частности профили зубьев и шлиц,
конфигурация канавок для выхода инструмента). С правой стороны размещены
таблицы параметров зубчатого и шлицевого венцов. Ввиду большой сложности детали
и высоких требований, предъявляемых к ней, некоторые поверхности или даже
участки поверхностей нуждаются в особых видах обработки или способах контроля.
Для идентификации таких участков используется буквенная индексация.
Данная деталь - вал-шестерня ГП 22.368 применяется в центробежном
регуляторе привода генератора ГП 22, который в свою очередь устанавливается на
гидромашине.
Вал-шестерня служит для восприятия и передачи крутящего момента.
Деталь представляет собой осесимметричную фигуру с центральным и
радиальным отверстиями, на внешней поверхности нарезана резьба M6x0,5. Для восприятия и передачи крутящего момента служат такие
конструктивные элементы как шлицы эвольвентного профиля и зубчатый венец. Места
под шарикоподшипники нормальной серии выполнены по 5 квалитету, точность
большинства линейных размеров - 12 квалитет.
Одним из заданий было перевод чертежа в электронный вид и его выполнение
в соответствии с требованиями ГОСТов.
Рисунок 2.1.1 - Вал-шестерня
.2 Определение и обоснование вида начальной заготовки, метода и
оборудования для её изготовления
Процесс получения заготовки является одним из первых этапов
преобразования материала в готовое изделие. Однако именно он определяет в
дальнейшем не только способы и режимы обработки, но и эксплуатационные
характеристики детали, её ресурс. Неправильно выбранный способ получения
заготовки может сделать полностью невозможным получение кондиционной детали или
себестоимость её будет настолько высока, что использование изделия в сборочной
единице будет нерентабельным.
При выборе способа получения заготовки необходимо учитывать конфигурацию,
размеры, массу и материал заготовки, количество получаемых заготовок, требуемую
точность получения заготовки; шероховатость и качество ее поверхностных слоев;
желательное направление волокон металла.
В процессе эксплуатации в детали ГП 22-368 вал-шестерня возникают высокие
напряжения кручения, контактные и изгибные напряжения в зубчатом венце также
высоки, деталь работает в условиях повышенных температур. Для обеспечения высоких физико-механических свойств заготовку будем получать посредством обработки давлением.
Штампованная заготовка имеет уплотненную структуру, благоприятное направление
волокон металла, высокие физико-механические свойства. Помимо улучшения
механических свойств детали, это также позволит повысить коэффициент
использования материала (КИМ). Поковка имеет малые габаритные размеры, для
выполнения операции штамповки не требуется значительных усилий. В таком случае
рекомендуется использовать штамповку на ГКМ.
ГКМ широко применяют в крупносерийном и массовом производствах для
горячей штамповки из проката самых различных поковок, требующих технологических
переходов высадки, прошивки, просечки, пережима заготовки, выдавливания, гибки
и отрезки поковки от прутка. Поковки штампуют непосредственно из прутка или
отдельных штучных заготовок с незначительными по величине облоем и
штамповочными уклонами, а также без них с малыми припусками и допусками, что
обеспечивает значительную экономию металла.
Конфигурация заготовки с учетом метода ее получения показана на рисунке
2.2.1. Плоскость разъёма штампа проходит через наибольшее сечение заготовки,
что облегчает заполнение штампа. Получение более сложной поковки экономически
нецелесообразно, так как припуски на механическую обработку незначительны (КИМ
не увеличится существенно), а следовательно не будет достигнут положительный
экономический эффект от применения сложной штамповой оснастки.
Размеры на чертеже поковки (рисунок 2.2.1) будут проставлены с учетом
проведенных расчетов линейных размеров и размеров-диаметров нормативным методом.
Разработанный план технологического процесса предполагает использования
технологического припуска со стороны фланца детали для установки заготовки в
цанговый патрон. Так как торец этого элемента не служит установочной базой ни
на одной из операций, величину припуска будем назначать из технологических
соображений.
Рисунок 2.2.1 - Заготовка вала-шестерни
.3 Расчет и оптимизация потребного количества операций формообразования
элементарных цилиндрических и плоских поверхностей-представителей детали.
В связи с тем, что выбранный способ окончательной обработки отдельных
поверхностей не всегда может обеспечить получение требуемых точности и качества
поверхности непосредственно из исходной заготовки возникает необходимость
создания промежуточных операций или переходов, по мере выполнения которых
достигается постепенное повышение точности заготовки до требуемой в готовой
детали.
Выполним
расчет потребного количества операций формообразования элементарных
цилиндрических и плоских поверхностей-представителей вала-шестерни. Для
этого будем использовать расчетный метод, основанный на оценке коэффициентов
уточнения
(по точности) и
(по
шероховатости). Указанные коэффициенты показывают, насколько увеличилась
точность либо повысился показатель шероховатости как за один переход (
), так и в целом после всех этапов обработки
поверхности (
). Для оценки потребного количества операций
формообразования будем использовать общий коэффициент уточнения -
.
,
[1,c.31-33].
Определим
количество переходов, необходимое для достижения заданной точности и
шероховатости. Окончательно примем большее из полученных значений.
,
[1,с.31-33].
Результаты
расчета заносим в таблицу 2.3.1.
Для
поверхностей фасонного профиля (зубья и шлицы) данный расчетный метод не
применим. Количество и тип формообразующих операций для получения указанных
поверхностей назначаем, исходя из рекомендаций, в зависимости от предъявляемых
требований. Конструктивные элементы типа фасок, канавок и т.п., получаемые за
один проход, к которым не предъявляются специфические требования по точности
или шероховатости, также не подлежат расчету. Данные о формообразующих
операциях для получения указанных поверхностей заносим в таблицу 2.3.2.
Таблица 2.3.1 - Расчёт и оптимизация потребного количества операций формообразования поверхностей-представителей
детали
|
№
|
Характеристики
|
Количество переходов
|
Характеристики по операциям
|
Операция
|
Деталь Заготовка

|
12345№Наименования
|
|
|
|
|
|
|
|
|
|
|
1; 14 31 h11(-0.16) Rz 20
30…38,5 HRCэ 49 IT15
0,5
Rz 120
240…255
HB1,71,922h12
|
Rz40Токарно-револьверная
|
|
|
|
|
|
|
|
|
|
|
|
|
|
|
|
|
|
|
|
|
h11 Rz20
|
|
|
|
|
Токарная
|
2
20
…38,5 HRCэ
0,31120
240…255
HB1.021.922IT
12
|
Rz40Токарно-револьверная
|
|
|
|
|
|
|
|
|
|
|
|
|
|
|
|
|
|
|
|
|
|
IT 12 Rz20
|
|
|
|
|
Токарная
|
3
16.5 h9
20
…38,5 HRCэ
120
240…255
HB2.951.933h12
|
Rz40Токарно-револьверная
|
|
|
|
|
|
|
|
|
|
|
|
|
|
|
|
|
|
|
|
|
|
h10 Rz30
|
|
|
|
|
Токарная
|
|
|
|
|
|
|
|
|
|
h9 Rz20
|
|
|
|
Токарная
|
4
z 20
…38,5 HRCэ
0,31120
240…255
HB2.41.923h12
|
Rz40Токарно-револьверная
|
|
|
|
|
|
|
|
|
|
|
|
|
|
|
|
|
|
|
|
|
|
h11 Rz30
|
|
|
|
|
Токарная
|
|
|
|
|
|
|
|
|
|
h10 Rа 2,5
|
|
|
|
Шлифовальная
|
5 
…38,5 HRCэ
Rz 120
25-30 HRCэ1.71.522h12
6
Ra 2.5
…38,5 HRC
Rz 40
-30 HRCэ1.31.532+1H10
|
Rz40Сверлильная
|
|
|
|
|
|
|
|
|
|
|
|
|
|
|
|
|
|
|
|
|
|
H8 Rz20
|
|
|
|
|
Сверлильная (развертывание
черновое)
|
|
|
|
|
|
|
|
|
|
H7 Ra 2.5
|
|
|
|
Сверлильная (развертывание
чистовое)
|
7
Ra 0.63
…38,5 HRCэ
Rz 120
25-30 HRCэ4.93.9555h12
|
Rz40Токарно-револьверная
|
|
|
|
|
|
|
|
|
|
|
|
|
|
|
|
|
|
|
|
|
|
h10 Rz20
|
|
|
|
|
Токарная
|
|
|
|
|
|
|
|
|
|
h8 Ra 2,5
|
|
|
|
Шлифовальная
|
|
|
|
|
|
|
|
|
|
|
g6 Ra 1.25
|
|
|
Шлифовальная
|
|
|
|
|
|
|
|
|
|
|
|
g5 Ra 0.63
|
|
Доводочная (суперфиниши-рование)
|
9
20
…38,5 HRCэ
Ra 5
-30 HRCэ--11h10
10
2.5
…38,5 HRCэ
0,31120
240…255
HB1,87
2.7
3
IT
|
Rz40Токарно-револьверная
|
|
|
|
|
|
|
|
|
|
|
|
|
|
|
|
|
|
|
|
|
|
IT 11 Rz20
|
|
|
|
|
Токарная
|
|
|
|
|
|
|
|
|
|
IT 10 Rа 2,5
|
|
|
|
Шлифовальная
|
11
0.63
…38,5 HRCэ
Rz 120
25-30 HRCэ4.9
3.95
5
|
Rz40Токарная
|
|
|
|
|
|
|
|
|
|
|
|
|
|
|
|
|
|
|
|
|
|
h10 Rz20
|
|
|
|
|
Токарная
|
|
|
|
|
|
|
|
|
|
h8 Ra 2,5
|
|
|
|
Шлифовальная
|
|
|
|
|
|
|
|
|
|
|
p6 Ra 1.25
|
|
|
Шлифовальная
|
|
|
|
|
|
|
|
|
|
|
|
p5 Ra 0.63
|
|
Доводочная (суперфиниши-рование)
|
12
2.5
…38,5 HRCэ9 (-0.294)
Rz 20
…38,5 HRCэ2.620.7533IT
|
Rz40Токарная
|
|
|
|
|
|
|
|
|
|
|
|
|
|
|
|
|
|
|
|
|
|
IT 10 Rz20
|
|
|
|
|
Токарная
|
|
|
|
|
|
|
|
|
|
IT 8 Rа 2,5
|
|
|
|
Шлифовальная
|
13
2.5
…38,5 HRCэ
Rz 120
25-30 HRCэ3.872.733h12
|
Rz40Токарно-револьверная
|
|
|
|
|
|
|
|
|
|
|
|
|
|
|
|
|
|
|
|
|
|
h10 Rz20
|
|
|
|
|
Токарная
|
|
|
|
|
|
|
|
|
|
h8 Ra 2.5
|
|
|
|
Шлифовальная
|
16
Rz 20
30…38,5 HRCэ
Rz 40
30 HRCэ1,30,72+12+1H12
Rz40Сверлильная
|
|
|
|
|
|
|
|
|
|
|
|
|
|
|
|
|
|
|
|
|
|
H10 Rz20
|
|
|
|
|
Сверлильная (развертывание
черновое)
|
|
|
|
|
|
|
|
|
|
H9 Rz20
|
|
|
|
Сверлильная (развертывание чистовое)
|
20
10
30…38,5 HRCэ
40
30 HRCэ1,781,52+12+1H12
|
Rz40Сверлильная
|
|
|
|
|
|
|
|
|
|
|
|
|
|
|
|
|
|
|
|
|
|
H10 Rz20
|
|
|
|
|
Сверлильная
(развертывание черновое)
|
|
|
|
|
|
|
|
|
|
K8 Rz10
|
|
|
|
Токарная
|
Таблица 2.3.2 Количество операций формообразования прочих
поверхностей-представителей детали
|
№
|
Характеристики детали
|
Количество переходов
|
Характеристики по операциям
|
Операция
|
|
|
 №Наименование
|
|
|
|
|
|
|
|
|
|
|
|
8
Rz 20 30…38,5
HRCэ11h12
|
Rz20Токарная
|
|
|
|
|
|
|
|
15
|
Шлицы эвольвентные (b9x4x5) Rz 20
30…38,5 HRCэ
|
1
|
1
|
-
|
|
Электроэрозионная
|
|
17
|
Резьба М6х0,5-6h6g
|
1
|
1
|
6h6g
|
|
Токарно-винторезная
|
18
Rz 20 30 HRCэ11h12
|
Rz20Токарная
|
|
|
|
|
|
|
|
19
|
Зубья эвольвентного
профиля (m=0.5, z= 32)
7-C Ra 0.63
|
2
|
2
|
10-С
|
|
Зубофрезерная
|
|
|
|
|
7-С
|
|
Зубошлифовальная
|
Рисунок 2.3.1- Схема нумерации поверхностей детали
2.4 Определение качественных и количественных показателей технологичности
детали
Технологичность детали - это совокупность свойств детали, обеспечивающих
ее высокие эксплуатационные характеристики при наименьшей трудоемкости и
стоимости изготовления.
.4.1 Качественная оценка
2.4.1.1 Технологичность по
механической обработке
При изготовлении детали вал-шестерня необходимо большое количество разнообразных технологических операций,
которые и позволяют получить из заготовки готовую деталь.
Большинство поферхностей детали достаточно просты и удобны для
изготовления. Большую часть поверхностей детали можно получить токарной
обработкой при использовании стандартных резцов разных видов. Отверстия в теле
детали выполняются стандартным инструментом, размещение их удобно, к ним
обеспечены хорошие подходы.
Деталь имеет две наружные цилиндрические поверхности (места под
подшипники), которые необходимо изготовить по пятому квалитету точности и
обеспечить параметр шероховатости Ra 0.63. Кроме того, конструктором задана
высокая точность взаимного расположения поверхностей. Для выполнения указанных
требований необходимо применение абразивной обработки и доводочных операций.
Кроме того, обеспечение указанных параметров невозможно без применения точной
прецизионной оснастки. Эти факторы значительно усложняют как технологический
процесс непосредственно, так и технологическую подготовку производства.
Усложняющими элементами являются шлицы эвольвентного профиля и зубчатый венец
седьмой степени точности, для достижения которой необходимо применнение
отделочной операции. Шлицы с модулем 0.5, внутенним и наружным диаметром 4 и 5
мм соответственно невозможно получить зубодолблением или протяжной операцией,
так как деталь является тонкостенной, а следовательно обладает недостаточной
жесткостью. Для получения наружной резьбы с шагом 0.5 и полями допусков
среднего и наружного диаметра 6g и 6h соответственно достаточно обработки
резцом, фрезерованием, накаткой и т.п. Дополнительных отделочных операций для
резьбы с указанной точностью не требуется.
.4.1.2 Технологичность по простановке размеров
На чертеже детали конструктором проставлены собственные размеры детали с
учетом отклонений и погрешностей. Они проставлялись с учетом условий работы
детали и конструктивного назначения ее элементов. Однако топография размеров,
выбранная конструктором для данной детали не позволяет для всех поверхностей
соблюсти принцип совмещения баз. Таким образом, будет иметь место необходимость
ужесточения допусков некоторых размеров, что повлечет за собой повышение
стоимости детали. Таким образом, по рассматриваемому параметру деталь
нетехнологична.
.4.1.3 Технологичность относительно потребности в специальных
инструментах и технологической оснастке
Для изготовления данной детали требуется достаточно широкая номенклатура
инструмента. Большинство - это стандартные резцы, сверла, зенкеры, развертки и
фрезы. Но ряд элементов детали требуют специального инструмента. К ним
относятся:
- внутренние шлицы - специальный электрод-инструмент в виде калиброванной
проволоки для обработки на электроэрозионном станке c ЧПУ;
- канавки под выход шлифовального круга - требуют специальных
фасонных резцов;
зубья эвольвентного профиля - требуют специальной червячной фрезы
заданного модуля.
При изготовлении вала требуется большое количество специальной оснастки
(оправки при зубофрезеровании и зубошлифовании, кондуктор при сверлении и
т.д.). Это повышает стоимость и снижает технологичность детали.
.4.1.4 Технологичность по материалу
Материал детали - сталь 20ХН3А по ГОСТ 4543-71. Сталь конструкционная
легированная.
Заменители: 20ХГНР, 20ХНГ, 38ХА, 15Х2ГН2ТА, 20ХГР.
Применение: Шестерни, валы, втулки, силовые шпильки, болты, муфты,
червяки и другие цементуемые детали, к которым предъявляются требования высокой
прочности, пластичности и вязкости сердцевины и высокой поверхностной
твердости.
Химический состав, механические характеристики и физические, свойства
приведены в таблицах 2.1, 2.2 и 3.3.
Таблица 2.4.1.4.1 - Химический состав стали 20ХН3А, %
|
С
|
Si
|
Mn
|
Cr
|
Ni
|
Сu
|
Fe
|
S
|
P
|
|
|
|
|
|
|
|
не более
|
|
0.17 - 0.24
|
0.17 - 0.37
|
0.3 - 0.6
|
0.6 - 0.9
|
2.75 - 3.15
|
до 0.3
|
основа
|
0,025
|
0,025
|
Таблица 2.4.1.4.2- Механические свойства.
|
Состояние материала
|
sв
|
sт
|
d
|
y
|
KCU
|
|
|
МПа
|
%
|
|
|
|
Термически обработанный по
режиму: закалка с 820°С в масле; отпуск при 500°С, вода.
|
930
|
735
|
12
|
55
|
108
|
27-33
|
|
|
|
|
|
|
|
|
Таблица 2.4.1.4.3- Физические свойства
|
t
|
 a·106
|
|
|
|
°С МПа 1/Град кг/м3
|
|
|
|
|
20
|
2.12
|
|
7850
|
|
100
|
2.04
|
11.5
|
7830
|
|
200
|
1.94
|
11.7
|
7800
|
|
300
|
1.88
|
12
|
7760
|
|
400
|
1.69
|
12.6
|
7730
|
|
500
|
1.69
|
12.8
|
7700
|
|
600
|
1.53
|
13.2
|
7660
|
Критические
точки:
Технологические
данные: склонна к отпускной хрупкости, свариваемость ограниченная, температура
ковки 800-1220°С, флокеночувствительна.
Термообработка:
закалка 820
(масло) и отпуск 500
(воздух);
Цементация
920-950 °С. [Сорокин справочник]
В
контексте высоких физико-механических свойств материала детали, она является
нетехнологичной по данному параметру, особенно на этапах обработки,
осуществляемых после термической и химико-термической обработки.
.4.2 Количественная оценка
Уровень технологичности конструкции по точности обработки:
;
; Тср -
средний квалитет точности обработки изделия;
- число
размеров соответствующего квалитета точности.
Так
как
> 0,82, деталь считается технологичной.[1,c.31-33]
Уровень
технологичности конструкции по шероховатости поверхности:
;
;
Шср
- средняя шероховатость поверхности изделия,
- число
поверхностей соответствующей шероховатости,
Ш
- шероховатость конструкции.
Так
как
<0,320, деталь по шероховатости технологична.
[1,c.31-33]
Одним из важнейших показателей технологичности деталей является
коэффициент использования материала - КИМ, представляющий собой отношение массы
обработанной детали к массе исходной заготовки. В наиболее прогрессивных
технологических процессах это отношение приближается к единице и зависит от
способов получения заготовок и масштабов производства.
Коэффициент использования материала:
Масса
детали:
;
Масса заготовки: mз=0,096
кг;
;
По
КИМ деталь средней технологичности.
В целом деталь вал-шестерня относится к деталям средней технологичности и
может быть изготовлена в условиях мелкосерийного производства, хотя ее выпуск
сопряжен с определенными трудностями.
2.5 Разработка и обоснование рациональной последовательности
формообразующих операций технологического процесса изготовления детали
В основу разработки технологических процессов положены три принципа:
технический, экономический и организационный.
В соответствии с техническим принципом проектируемый технологический
процесс должен полностью обеспечить выполнение требований чертежа и технических
условий на изготовление данного изделия. К ним относят точность детали,
качество ее поверхностей, технологичность и конструкций.
Деталь характеризуют: точность размеров, формы и взаимного положения в
пространстве отдельных ее конструктивных элементов. Под точностью понимают
степень соответствия фактических размеров, формы и правильности взаимного
положения элементов заданным на чертеже или оговоренным техническими условиями.
В зависимости от требования конечной точности и условий работы деталей в узле
назначают точность изготовления отдельных деталей, т.е. обеспечивают
математическую связь между замыкающим звеном в той или иной сборочной единицей
и ее составляющими звеньями. При этом, чем выше требуемая точность замыкающего
звена, тем с более высокой точностью должны быть выполнены размеры деталей -
звеньев размерной цепи.
Качество поверхностей деталей авиационного двигателя определяется
геометрическими и физико-механическими параметрами. К геометрическим параметрам
относится отклонение формы и шероховатость. К физико-механическим параметрам
относятся твердость, глубина и интенсивность упрочнения, величина и характер
внутренних напряжений. Часть этих параметров (например, шероховатость
поверхности и твердость) оговаривается на рабочих чертежах деталей. Другие
показатели (например, глубина и интенсивность упрочнения, величина и характер
залегания внутренних напряжений), ввиду отсутствия надежных средств цехового
контроля, обычно не находят отражения в технических условиях. Однако знание
характера влияния этих параметров на долговечность деталей позволяет при
разработке технологических процессов положительно влиять на качество отдельных
деталей и машин в целом за счет применения методов упрочняющей технологии или
соответствующих режимов обработки, геометрии режущего инструмента и пр.
В соответствии с экономическим принципом изделия должны изготовляться с
минимальными затратами труда и издержками производства. Для этого необходимо
обеспечить следующее:
) заготовки по форме и размерам должны приближаться к готовым деталям.
Степень приближения зависит от программы выпуска; при большой программе
приближение должно быть максимальным. В этом случае припуски на обработку и
объем последующей механической обработки будут минимальными;
) схемы базирования детали должны обеспечивать максимальную простоту и
надежность конструкции приспособлений;
) припуски на чистовую, черновую и окончательную обработку должны быть
рационально распределены;
) последовательность и структура операций должны выбираться так, чтобы
качественное изготовление деталей происходило при минимальных затратах времени
и материальных средств. При этом необходимо применять современные методы и виды
обработки;
) оборудование должно быть высокопроизводительным и мощным, позволяющим
сконцентрировать большое количество переходов, одновременно использовать
большое число режущих инструментов, механизировать и автоматизировать
вспомогательные работы;
) технологическая оснастка должна быть высокопроизводительной,
эффективной, точной, с минимальным временем на установку и снятие заготовок.
) режущий и мерительный инструмент должен быть стандартным и широко
распространенным;
) режимы резания должны быть оптимальными, т. е. при обработке
максимально используют мощность станка и стойкость режущего инструмента.
) нормы времени должны быть технически обоснованными.
В соответствии с организационным принципом изготовление детали должно
осуществляться в условиях, обеспечивающих максимальную эффективность
производства, а именно:
) форма организации технологического процесса должна соответствовать типу
производства;
) размещение оборудования на участке должно обеспечивать непрерывное
изготовление изделия и минимально протяженные пути транспортировки;
) каждое рабочее место должно соответствовать требованиям научной
организации труда и санитарно-гигиеническим нормам;
) обеспечение рабочих мест заготовками, инструментом,
смазочно-охлаждающими жидкостями, уборкой стружки должно быть своевременным.
2.6 Разработка и мотивирование этапов, комплектов
технологических баз, схем базирования детали и вариантов методов формообразования
основных поверхностей-представителей
Одной из наиболее сложных и принципиальных задач проектирования
технологических процессов механической обработки является назначение
технологических и измерительных баз [4, с. 124, 131]. От правильного выбора технологических баз в значительной
мере зависят фактическая точность выполнения размеров, заданных конструктором;
правильность взаимного расположения обрабатываемых поверхностей; степень
сложности приспособлений, режущих и измерительных инструментов; общая
производительность обработки заготовок.
Исходными данными при выборе баз являются: рабочий чертеж детали,
технические условия на ее изготовление, вид заготовки и состояние ее
поверхностей, желаемая степень автоматизации [4,, с. 110]. Перед выбором баз для конкретной
операции необходимо четко сформулировать задачи, которые должны быть решены в
результате выполнения данной операции. Эти задачи вытекают из чертежа и
технических условий на изготовление данной детали.
Выбор баз производится исходя из размерных связей между поверхностями.
Это находит отражение в принципах совмещения баз и постоянства баз, соблюдение
которых обеспечивает формирование наиболее коротких размерных цепей.
Технологические базы должны иметь точность не ниже чем у обрабатываемых
поверхностей. Для большинства операций это требование соблюдается, и такие базы
называют чистыми.
Исключение составляют первые операции каждого этапа, базы для которых
подготовлены на предшествующем этапе и уступают по точности и качеству
обрабатываемым поверхностям.
Выбору баз на первой операции предшествует определение поверхностей,
которые будут использоваться в качестве баз на последующих операциях.
Черновые базы могут быть использованы на каждом этапе только один раз и
для координации только одной из обрабатываемых поверхностей.
Почти всегда возможна реализация нескольких вариантов базирования. Но
обычно при выборе баз руководствуются следующими рекомендациями:
. Базы должны обладать достаточной протяженностью.
. Заготовка должна занимать в приспособлении надлежащее ей положение под
действием собственного веса, а не в результате приложения зажимных усилий.
.Базовые поверхности должны быть чистыми для обеспечения однозначности
базирования. Не допускается использовать поверхности со следами разъема
штампов, литейных форм, остатками литниковой системы.
Наиболее существенное влияние на последовательность обработки
поверхностей детали оказывает характер размерной связи. Анализируя форму детали
и проставленные на рабочем чертеже размеры, можно установить, что основными
технологическими базами могут служить: 1) торцы детали - в качестве опорной
базы, лишающей заготовку одной степени свободы; 2) наружные поверхности в
качестве направляющих баз; 3) внутренние поверхности, лишающие заготовку
четырех степеней свободы.
При обработке желательно свести к минимуму погрешность установки, чтобы
обеспечить требования к точности и шероховатости поверхностей. Этого можно
добиться, предварительно подготовив базы - торец и отверстие заготовки.
На чертеже детали в качестве конструкторской базы для диаметральных
размеров принята ось детали, однако, исходя из невозможности использования оси
в качестве технологической базы, в качестве установочных используем внешнюю
цилиндрическую поверхность 7, отверстие 20 и торцы 1,10 (рисунок 3.1), при этом
будет выполнен принцип совмещения баз при обработке большинства торцев, кроме
того, в процессе изготовления детали будем применять вспомогательные
установочные базы в виде технологического припуска и центровых гнезд.
2.7 Обоснование, выполнения и утверждения плана технологического
изготовления детали
План технологического процесса в виде операционных эскизов составляют по
рабочему чертежу детали. Такой план является результатом решения всех основных
технологических задач. Им устанавливается границы между операциями и
последовательность операций в техпроцессе, установочные и исходные базы, схемы
закрепления заготовки.
Намечаются виды операций, которые должна пройти каждая поверхность, а
следовательно и основные этапы техпроцесса. Так же определяются поверхности,
которые лучше или необходимо обрабатывать совместно с другими поверхностями.
Для данной детали - вала-шестерни - технологический процесс изготовления
ее был разбит на следующие этапы:
) заготовительный
- этап, на котором из первичного материала формируется заготовка, подлежащая
обработке для получения готовой детали. Заготовка получается посредством
штамповки на горизонтально-ковочной машине. На заготовительном этапе достигается точность
поверхностей, соответствующая 14 квалитету, и шероховатость Rz = 120 мкм;
2) черновой этап - этап, на котором производится первичное
формообразование поверхностей вала-шестерни. Определяется общая конфигурация
поверхностей. Этот этап в механической обработке характеризуется большой
величиной снимаемых припусков, большими числами подач, большими силами резания
при относительно невысоких скоростях резания. При обработке данной детали
наиболее характерная операция - токарная; достигаемая точность поверхностей
соответствует 12 квалитету при шероховатости поверхностей Rz = 40 мкм;
Закрепление заготовки осуществляют с помощью трехкулачкового патрона и
упором в торец по наружной поверхности.
3) Термообработка - закалка и отпуск
)Получистовой этап - обработка поверхностей детали до 10-го квалитета
точности и шероховатости Rz =
25 мкм.
Закрепление заготовки в центрах с поводковым патроном.
) Чистовой - этап, на котором производится обработка поверхностей, где
достигается 9-й и 8-й квалитеты точности и шероховатость Rz = 10 мкм; также на этом этапе
сверлится отверстие, снимаются фаски, обрабатывается зубчатый венец и шлицы;
после чистового этапа следует промывка детали (т.е. очистка от остатков стружки
и пыли);
На токарных и круглошлифовальных операциях заготовку устанавливают в
центра с поводковым патроном, и в трехкулачковый патрон при обработке отверстия
16.
На сверлильной операциях заготовку устанавливают в кондуктор.
) Химико-термическая обработка - цементация;
6) Отделочный этап - обработка ответственных поверхностей вала-шестерни
до шероховатости Ra = 0,63 мкм,
обработка зубчатого венца (зубошлифование); после отделочного этапа следуют
промывка детали (т.е. очистка от остатков стружки и пыли, а также обезжиривание
поверхностей детали); также проводятся слесарные операции, чаще всего
выполняемые вручную, непосредственно рабочим, с низким уровнем механизации
(очистка от заусенцев, притупление острых кромок);
При зубошлифовании и суперфинишировании деталь устанавливается на
специальные оправки.
После выполнения всех формообразующих операций следует окончательный
контроль детали и консервация.
.8 Расчет припусков на обработку и операционных размеров-диаметров цилиндрических наружных и
внутренних поверхностей вала-шестерни нормативным методом
Нормативный метод определения припусков предусматривает назначение общих или операционных
припусков на механическую обработку в зависимости от метода изготовления
заготовки, требуемой точности и шероховатости поверхности детали и размеров
этой поверхности на основе опытно-статистических данных, содержащихся в
нормативно-технической документации. Этот метод иногда именуется
опытно-статистическим. Величина общего припуска в соответствии с принятым
технологическим маршрутом распределяется между отдельными переходами обработки
каждой поверхности.
Главным преимуществом нормативного метода определения припусков является
возможность назначения общего припуска до разработки технологического маршрута.
Это позволяет существенно сократить длительность технологической подготовки
производства нового изделия в результате параллельного проектирования технологических
процессов получения заготовки и ее механической обработки. Однако этот метод не
дает возможности сокращать расход материала за счет уменьшения припусков на
отдельные операции.
В качестве примера рассмотрим расчет припусков нормативным
методом
для наружной цилиндрической поверхности Ø10 g5
, Ra 0.63.
Результаты
расчета будем заносить в таблицу 2.8.1.
Маршрут
обработки устанавливаем на основании ранее разработанного плана
технологического процесса. Формообразование данной поверхности осуществляется
за 6 переходов в следующем порядке: точение черновое, точение получистовое,
точение чистовое, шлифование предварительное, шлифование окончательное,
доводка. В качестве доводочной операции применяем суперфиниширование. Заготовка
- поковка, IT 16, Rz120.
Точность поверхности изменяется по переходам следующим образом: h14 - h12 - h10- h8 - h6 - g5;
шероховатость: Rz80 - Rz40 - Rz20- Rz10 -
Rz5 - Rz3,15.
Достигаемая точность определяет допуск размера. Значение операционных
допусков устанавливаем по справочнику [том 1, с.192, т.32]. Черновое точение (−0,360мм),
получистовое точение (−0,150 мм), чистовое точение (−0,058 мм),
предварительное шлифование (−0,022 мм), окончательное шлифование (−0,009),
суперфиниширование
.
Рекомендуемый припуск назначаем в соответствии со справочными данными [1,
c.112, т.П.5.1], [1, c.114, т.П.5.3].
. Точение черновое : 2z =
1,3 мм;
. Точение получистовое: 2z =
0,5 мм;
. Точение чистовое: 2z =
0,4 мм;
. Шлифование предварительное: 2z = 0,2 мм;
. Шлифование окончательное: 2z = 0,1 мм;
. Суперфиниширование: 2z =
0,025 мм.
На последней ступени обработки расчетный размер равен размеру готовой
детали. Для хонингования Dp = 10 мм. C учетом допуска
наибольший предельный размер на данной операции:
Dmax = 9,995 мм.
Расчетные
размеры на предшествующих ступенях обработки определяем как сумму наибольшего
предельного размера (равного округленному значению расчетного размера по
рекомендациям [1, с.110, т. П.4.1] и из технологических соображений) и соответствующего ему расчетного припуска
на данной ступени обработки:
Тогда:
для
окончательного шлифования (операция 140):
Dp
=9,995+0,028= 10,023 мм;
Dприн =10,026 мм;
для
предварительного шлифования (операция 130):
Dp
=10,026 +0,100= 10,126 мм;
Dприн =10,200 мм;
для
чистового точения (операция 060):
Dp
=10,200+0,200= 10,400 мм;
Dприн =10,400 мм;
для
получистового точения (операция 050):
Dp
=10,400+0,400= 10,800 мм;
Dприн =10,800 мм;
для
чернового точения (операция 020):
Dp
=10,800+0,500= 11,300 мм;
Dприн =11,400 мм;
для
операции штамповки (операция 005):
Dp
=11,400+1,300= 12,700 мм;
Dприн =13,000 мм.
Принятый
припуск на обработку равен разности принятых размеров на предыдущем и данном
переходах:
для
суперфиниширования: 2zприн
=10,026 - 9,995= 0,031 мм;
для
окончательного шлифования: 2zприн =
10,200 - 10,026 = 0,174 мм;
для
предварительного шлифования: 2zприн
=10,400 - 10,200 = 0,200 мм;
для
чистового точения: 2zприн
=10,800 - 10,400 =0,400 мм;
для
получистового точения: 2zприн
=11,400- 10,800 =0,600 мм;
для
чернового точения: 2zприн
=13,000- 11,400 =1,600 мм.
Минимальное
значение припуска на данном переходе определяем по следующей формуле:
.
для
суперфиниширования: 2zmin=0,031-0,009= 0,022 мм;
для
окончательного шлифования: 2zmin=0,174-0,022= 0,152 мм;
- для предварительного шлифования: 2zmin=0,200-0,058= 0,142 мм;
для чистового точения: 2zmin=0,400-0,150=0,250 мм;
для получистового точения: 2zmin=0,600-0,360=0,240 мм;
для чернового точения: 2zmin=1,600-0,300=1,300 мм;
Полученное значение минимального припуска необходимо сравнить с
допустимым минимальным значением припуска на каждую операцию. Минимальный
припуск должен составлять не менее трети рекомендуемого.
Технологический операционный размер на каждой ступени обработки
записывается как максимальный размер и допуск “в тело”: для суперфиниширования:
9,995-0,006; для окончательного шлифования: 10,026-0,009;
для предварительного шлифования: 10,200-0,022; для чистового
точения:
Аналогично ведем расчет для остальных поверхностей вращения. Результаты
расчета заносим в таблицу 2.8.1
Таблица 2.8.1 - Расчет и оптимизация припусков
на обработку операционных размеров-диаметров цилиндрических поверхностей
вращения нормативным методом
|
Технологические операции
|
Размеры, мм
|
Отклонения, мм
|
Припуски, мм
|
Характеристики операций
|
|
|
№
|
Наименование
|
Расчётный
|
Принятый
|
|
Рекомендуемый
|
Принятый
|
Минимальный
|
Шероховатость обработки, мкм
|
Точность обработки
|
|
|
Поверхность № 3: Наружная
цилиндрическая, Ø
16,5 h19(-0,043); Rz 20; 30...38,5 HRCэ
|
|
|
060
|
Токарная с ЧПУ
|
16,500
|
16,500
|
-0,043
|
0,500
|
0,500
|
0,430
|
Rz 20
|
h9
|
|
|
050
|
Токарная с ЧПУ
|
17
|
17
|
-0,070
|
0,600
|
0,600
|
0,420
|
Rz 30
|
h10
|
|
|
010
|
Токарно-револьверная
|
17,600
|
17,600
|
-0,180
|
1,300
|
1,400
|
1,000
|
Rz 40
|
h12
|
|
|
005
|
Штамповка
|
18.900
|
19
|
+0,600 -0,400
|
-
|
-
|
-
|
Rz 120
|
IT16
|
|
|
Поверхность № 6: Внутренняя
цилиндрическая, Ø
2,500 H7(+0,010); Ra 2,5; 30...38,5 HRCэ
|
|
|
200
|
Сверлильная
(развертывание чистовое)
|
2,5
|
2,5
|
+0,010
|
0,050
|
0,060
|
0,046
|
Ra 2,5
|
H7
|
|
|
200
|
Сверлильная (развертывание
черновое)
|
2,45
|
2,4
|
+0,014
|
0,200
|
0,200
|
0,160
|
Rz 20
|
H8
|
|
|
200
|
Сверлильная
|
2,2
|
2,2
|
+0,040
|
-
|
-
|
-
|
Rz 40
|
H10
|
|
|
Поверхность № 7: Наружная
цилиндрическая, Ø10
g5 (-0.005-0.011); Ra 0.63;
30...38,5 HRCэ
|
|
|
330
|
Доводочная
(суперфиниширование)
|
10
|
10
|
-0,005 -0,011
|
0,028
|
0,031
|
0,022
|
Ra 0,63
|
g5
|
|
|
140
|
Шлифовальная
|
10,023
|
10,026
|
-0,009
|
0,100
|
0,174
|
0,152
|
Ra 1,25
|
h6
|
|
|
130
|
Шлифовальная
|
10,126
|
10,200
|
-0,022
|
0,200
|
0,200
|
0,142
|
Ra 2,5
|
h8
|
|
|
060
|
Токарная с ЧПУ
|
10,400
|
10,400
|
-0,058
|
0,400
|
0,400
|
0,250
|
Rz 20
|
h10
|
|
|
050
|
Токарная с ЧПУ
|
10,800
|
10,800
|
-0,150
|
0,500
|
0,600
|
0,240
|
Rz 40
|
h12
|
|
|
020
|
Токарно-револьверная
|
11,300
|
11,400
|
-0,360
|
1,300
|
1,600
|
1,300
|
Rz 80
|
h14
|
|
|
005
|
Штамповка
|
12,700
|
13
|
+0,100 -0,300
|
-
|
-
|
-
|
Rz 120
|
IT16
|
|
|
Поверхность № 11:
Наружная цилиндрическая, Ø7 p5 (+0.021+0.015);
Ra 0.63; 30...38,5 HRCэ
|
|
330
|
Доводочная
(суперфиниширование)
|
7
|
7
|
+0,021 +0.015
|
0,026
|
0,060
|
0,030
|
Ra 0,63
|
p5
|
|
140
|
Шлифовальная
|
7,026
|
7,060
|
-0,009
|
0,100
|
0,140
|
0,118
|
Ra 1,25
|
h6
|
|
130
|
Шлифовальная
|
7,160
|
7,200
|
-0,022
|
0,200
|
0,200
|
0,142
|
Ra 2,5
|
h8
|
|
060
|
Токарная с ЧПУ
|
7,400
|
7,400
|
-0,058
|
0,400
|
0,400
|
0,250
|
Rz 20
|
h10
|
|
050
|
Токарная с ЧПУ
|
7,800
|
7,800
|
-0,150
|
0,500
|
3,600 (за два прохода)
|
3,240
|
Rz 40
|
h12
|
|
020
|
Токарно-револьверная
|
7,300
|
11,400
|
-0,360
|
1,300
|
1,600
|
1,300
|
Rz 80
|
h14
|
|
005
|
Штамповка
|
12,700
|
13
|
+0.100 -0.300
|
-
|
-
|
-
|
Rz 120
|
IT16
|
|
Поверхность № 13:
Наружная цилиндрическая, Ø6 h8 (-0.018); Ra
2.5; 30...38,5 HRCэ
|
|
130
|
Шлифовальная
|
6
|
6
|
-0,018
|
0,200
|
0,200
|
0,152
|
Ra 2,5
|
h8
|
|
060
|
Токарная с ЧПУ
|
6,200
|
6,200
|
-0,048
|
0,400
|
0,400
|
0,250
|
Rz 20
|
h10
|
|
050
|
Токарная с ЧПУ
|
6,600
|
6,600
|
-0,150
|
0,500
|
4,800 (за
три прохода)
|
4,440
|
Rz40
|
h12
|
|
020
|
Токарно-револьверная
|
7,300
|
11,400
|
-0,360
|
1,300
|
1,600
|
1,050
|
Rz 80
|
h14
|
|
005
|
Штамповка
|
12,700
|
13
|
+0.100 -0.300
|
-
|
-
|
-
|
Rz 120
|
IT16
|
|
Поверхность № 16:
Внутренняя цилиндрическая, Ø4 H9 (+0,030); Rz 20; 30...38,5 HRCэ
|
|
090
|
Токарно-винторезная (развертывание чистовое)
|
4
|
4
|
+0,030
|
0,050
|
0,100
|
0,052
|
Rz 20
|
H9
|
|
090
|
Токарно-винторезная (развертывание
черновое)
|
3,950
|
3,900
|
+0,048
|
0,200
|
0,300
|
0,180
|
Rz 20
|
H10
|
|
090
|
Токарно-винторезная (сверление)
|
3,700
|
3,600
|
+0,120
|
-
|
-
|
-
|
Rz 40
|
H12
|
|
Поверхность № 20: Внутренняя
цилиндрическая, Ø6
K8 (+0.005-0.013); Rz 10;
30...38,5 HRCэ
|
|
100
|
Токарно-винторезная (развертывание чистовое)
|
6
|
6
|
+0,005 -0,013
|
0,050
|
0,500
|
0,457
|
Rz 10
|
K8
|
|
100
|
Токарно-винторезная
(развертывание черновое )
|
5,950
|
5,500
|
+0,030
|
0,200
|
1,500
|
1,470
|
Rz 20
|
H9
|
|
090
|
Токарно-винторезная (развертывание чистовое)
|
4
|
4
|
+0,030
|
0,050
|
0,100
|
0,052
|
Rz 20
|
H9
|
|
090
|
Токарно-винторезная (развертывание
черновое)
|
3,950
|
3,900
|
+0,048
|
0,200
|
0,300
|
Rz 20
|
H10
|
|
090
|
Токарно-винторезная (сверление)
|
3,700
|
3,600
|
+0,120
|
-
|
-
|
-
|
Rz 40
|
H12
|
|
|
|
|
|
|
|
|
|
|
|
|
|
|
|
|
|
|
.9 Расчет припусков на обработку и операционных размеров-диаметров цилиндрических наружных и
внутренних поверхностей вала-шестерни расчетно-аналитическим методом
Расчетно-аналитический метод точнее нормативного, поскольку позволяет
определить оптимальные значения промежуточных припусков, исходя из конкретного
сочетания условий обработки, реализуемых в данном технологическом процессе.
Применение данного метода позволяет снизить потери материала в стружку на
20…30%. Однако расчетно-аналитический метод не получил широкого распространения
вследствие своей трудоемкости.
Выполним
расчет припусков расчетно-аналитическим методом для наружной цилиндрической
поверхности Ø10
g5
, Ra 0.63. Для поверхностей вращения определяем
величину минимального симметричного припуска на обработку по следующей формуле
[1, c. 11]:
(2.9.1)
где
- шероховатость поверхности, полученная на
предшествующей операции, мкм;
- глубина
дефектного поверхностного слоя, полученная на предыдущей операции механической
обработки, мкм;
- суммарное значение пространственных отклонений,
которые были получены на предыдущей операции, мкм;
- погрешность установки на данной операции, мкм.
Составляющие припуска определяем с учетом принятых методов обработки
поверхностей в следующем порядке:
1. Маршрут обработки элементарных поверхностей, номер операций и
достигаемая при этом шероховатость поверхности заносятся в таблицу 2.9.1 на
основании данных метода обработки.
2. Величины
и
,
характеризующие состояние поверхности заготовки после обработки различными
методами, определяем по таблицам точности и качества обработки [1, с. 89, т.
П.1.1]:
- штамповка
(операция 005): Rz120, h = 200;
точение черновое (операции 010, 020): Rz80, h =
80;
точение получистовое (операция 050): Rz40, h =
40;
точение чистовое (операция 060): Rz20, h =
30;
шлифование предварительное (операция 130): Rz10, h =
20;
шлифование окончательное (операция 140): Rz5, h =
10;
суперфиниширование (операция 330): Rz3,15, h = 5;
3. Для штампованной заготовки имеют место отклонения, обусловленные
смещением полостей штампа (∆СМ) и короблением (∆КОР).
Так как величины этих отклонений носят случайный характер, суммарное отклонение
определяем как среднеквадратичное их значение:
(2.9.2)
Определяем
значения отклонений штампованной заготовки 5 класса точности в соответствии со
справочными данными [1, c.108, т. П.3.7, П.3.8]:
∆СМ=0,300
мкм; ∆КОР=0,400 мкм.
На
последующих операциях остаточные отклонения от погрешности исходной заготовки
определяются через коэффициент уточнения формы [1, c.18]:
(2.3)
В
этом выражении Ку характеризует степень уменьшения погрешности после
выполнения нескольких переходов, т.е. от исходной заготовки до рассматриваемого
этапа обработки.
На
основании опытных данных рекомендуется принять следующие значения коэффициента
уточнения формы [1, c.18]:
Точение:
черновое 0,06;
получистовое 0,05;
чистовое 0,04;
Шлифование:
предварительное 0,03;
окончательное 0,02.
Кроме того, учитывается коробление заготовки после операций
термообработки.
4. Погрешность установки представляет собой отклонение фактически
достигнутого положения заготовки при ее установке от требуемого. Она зависит от
способа закрепления детали на станке, типа приспособления, его точности и т.д.
[1, с. 19-20, т .1.1].
- точение черновое (операции 010, 020): e = 100;
точение получистовое (операция 050): e = 40;
точение чистовое (операция 060): e = 40;
шлифование предварительное (операция 130): e = 20;
шлифование окончательное (операция 140): e = 20;
суперфиниширование (операция 330): e = 20.
. Зная все составляющие минимального припуска, определим расчетное
значение минимального припуска для каждой из ступеней обработки по формуле 2.1:
-
точение черновое (операции 010, 020):
= 1660
мкм;
точение
получистовое (операция 050):
= 420
мкм;
точение
чистовое (операция 060):
= 260 мкм;
шлифование
предварительное (операция 130):
= 162
мкм;
шлифование
окончательное (операция 140):
= 114
мкм;
суперфиниширование
(операция 330):
= 84 мкм.
.
Определив значения минимального припуска на всех ступенях обработки, получим
соответствующие расчетные размеры. На последней ступени обработки
(суперфинишной операции) расчетный размер будет равен диаметру готовой детали
10мм. Так как для данной поверхности конструктором
задано поле допуска g5
, максимальный предельный размер Dmax = 9,995
мм.
На
предшествующих ступенях обработки расчетный размер будем определять по
следующей зависимости:
:
- штамповка (операция 005): 13,594
мм;
точение
черновое (операции 010, 020): 11,634 мм;
точение
получистовое (операция 050): 10,854 мм;
точение
чистовое (операция 060): 10,444 мм;
шлифование
предварительное (операция 130): 10,224 мм;
шлифование
окончательное (операция 140): 10,088 мм.
Полученные
значения расчетных размеров необходимо округлить в соответствии с требованиями
[1, с.110, т. П.4.1], причем минимальный припуск на каждой ступени
обработки с учетом округления должен быть больше или равен расчетному
минимальному припуску. Кроме того, необходимо учитывать технологические
особенности обработки на каждой из операций. Таким образом, имеем значения
округленных размеров:
- штамповка (операция 005): 14 мм;
точение
черновое (операции 010, 020): 12 мм;
точение
получистовое (операция 050): 11,100 мм;
точение
чистовое (операция 060): 10,600 мм;
шлифование
предварительное (операция 130): 10,300 мм;
шлифование
окончательное (операция 140): 10,100 мм.
.
Максимальные предельные значения размеров совпадают с расчетными (с учетом
округления) на всех операциях кроме штамповки (ибо поле допуска на данной
операции расположено как в тело заготовки, так и "в плюс").
Минимальные предельные значения размеров определяются следующим образом:
.
Величины
допусков
аналогичны принятым при расчете припусков нормативным
методом.
.
По найденным значениям
и
можем
определить значения максимального (
) и
минимального (
) припусков по формулам:
;
.
Полученные
расчетные данные заносим в таблицу 2.9.1. Расчет остальных поверхностей
вращения ведем аналогичным образом. Для охватывающих поверхностей отличие будет
состоять в том, что расчетный размер будет совпадать с минимальным предельным
значением.
Сравним
значения припусков, полученных нормативным и расчетно-аналитическим методом.
Последний дал завышенные результаты, что объясняется увеличенными значениями
величин дефектного слоя и погрешностей установки при расчете.
Таблица 2.9.1 Расчет и оптимизация припусков на
обработку операционных размеров-диаметров цилиндрических поверхностей вращения
расчетно-аналитическим методом
|
Технологические операции
|
Элементы припуска, мм
|
Расчётный
припуск 2Zmin, мкм
|
Допуск размера
Т,мм
|
Расчетный размер Dр, мм
|
Принятый размер, мм
|
Предельные значения
припуска, мм
|
Пространственные отклонения
|
Ку.о.
|
|
№
|
Наименование
|
Rz
|
h
|
ΔΣ
|
εy
|
|
|
|
Dmax
|
Dmin
|
2Zmax
|
2Zmin
|
Δсм
|
Δкор
|
|
|
Поверхность № 3: Наружная
цилиндрическая, Ø
16,5 h19(-0,043); Rz 20; 30...38,5 HRCэ
|
|
005
|
Штамповка
|
120
|
200
|
500
|
-
|
-
|
+0,600 -0,400
|
19,485
|
20,600
|
19,600
|
-
|
-
|
300
|
400
|
-
|
|
010
|
Токарно-револьверная
|
80
|
80
|
30
|
100
|
1660
|
-0,180
|
17,425
|
17,500
|
17,320
|
3,180
|
2,100
|
18
|
24
|
0,06
|
|
040
|
Закалка и отпуск
|
|
|
|
|
|
|
|
|
|
|
|
|
1
|
-
|
|
050
|
Токарная с ЧПУ
|
40
|
40
|
26
|
40
|
420
|
-0,070
|
16,825
|
16,900
|
16,830
|
0,670
|
0,420
|
15
|
21
|
0,05
|
|
060
|
Токарная с ЧПУ
|
20
|
30
|
21
|
40
|
255
|
-0,043
|
16,500
|
16,500
|
16,457
|
0,443
|
0,330
|
12
|
17
|
0,04
|
|
Поверхность № 6: Внутренняя
цилиндрическая, Ø
2,500 H7(+0,010); Ra 2,5; 30...38,5 HRCэ
|
|
200
|
Сверлильная
|
40
|
70
|
24
|
60
|
-
|
+0,040
|
1,897
|
1,840
|
1,800
|
-
|
-
|
22
|
10
|
-
|
|
200
|
Сверлильная (развертывание
черновое)
|
20
|
20
|
1,45
|
60
|
349
|
+0,014
|
2,286
|
2,214
|
2,200
|
0,414
|
0,360
|
1,32
|
0,6
|
0,06
|
|
200
|
Сверлильная (развертывание
чистовое)
|
2,5
|
10
|
0,97
|
60
|
200
|
+0,010
|
2,500
|
2,510
|
2,500
|
0,310
|
0,286
|
0,88
|
0,4
|
0,04
|
|
Поверхность № 7: Наружная
цилиндрическая, Ø10
g5 (-0.005-0.011);
Ra 0.63; 30...38,5 HRCэ
|
|
005
|
Штамповка
|
120
|
200
|
500
|
-
|
-
|
+0,100 -0,300
|
13,594
|
14,100
|
13,800
|
-
|
-
|
300
|
400
|
-
|
|
020
|
Токарно-револьверная
|
80
|
80
|
30
|
100
|
1660
|
-0,360
|
11,634
|
12
|
11,640
|
2,460
|
1,700
|
18
|
24
|
0,06
|
|
040
|
Закалка и отпуск
|
|
|
|
|
|
|
|
|
|
|
|
-
|
7
|
-
|
|
050
|
Токарная с ЧПУ
|
40
|
40
|
30
|
40
|
420
|
-0,150
|
10,854
|
11,100
|
10,950
|
1,050
|
0,540
|
15
|
26
|
0,05
|
|
060
|
Токарная с ЧПУ
|
20
|
30
|
24
|
40
|
260
|
-0,058
|
10,444
|
10,600
|
10,542
|
0,558
|
0,350
|
12
|
21
|
0,04
|
|
130
|
Шлифовальная
|
10
|
20
|
18
|
20
|
162
|
-0,022
|
10,224
|
10,300
|
10,278
|
0,322
|
0,242
|
9
|
16
|
0,03
|
|
140
|
Шлифовальная
|
5
|
10
|
12
|
20
|
114
|
-0,009
|
10,088
|
10,100
|
10,091
|
0,209
|
0,178
|
6
|
10
|
0,02
|
|
250
|
Цементация
|
|
|
|
|
|
|
|
|
|
|
|
|
3
|
|
|
330
|
Доводочная (суперфиниш.)
|
3,15
|
5
|
7
|
20
|
84
|
-0,005 -0,011
|
9,995
|
9,995
|
9,989
|
0,111
|
0,096
|
3
|
6
|
0,01
|
|
№
|
Наименование
|
Rz
|
h
|
ΔΣ
|
εy
|
|
|
|
Dmax
|
Dmin
|
2Zmax
|
Δсм
|
Δкор
|
|
|
Поверхность № 11: Наружная
цилиндрическая, Ø7
p5 (+0.021+0.015);
Ra 0.63; 30...38,5 HRCэ
|
|
005
|
Штамповка
|
120
|
200
|
500
|
-
|
-
|
+0,100 -0,300
|
10,612
|
14,100
|
13,700
|
-
|
-
|
300
|
400
|
|
|
020
|
Токарно-револьверная
|
80
|
80
|
30
|
100
|
1660
|
-0,360
|
8,652
|
12
|
11,640
|
2,460
|
1,700
|
18
|
24
|
0,06
|
|
040
|
Закалка и отпуск
|
|
|
|
|
|
|
|
|
|
|
|
|
7
|
-
|
|
050
|
Токарная с ЧПУ
|
40
|
40
|
30
|
40
|
420
|
-0,150
|
7,872
|
8,200
|
8,05
|
3,950
|
3,440
|
15
|
26
|
0,05
|
|
060
|
Токарная с ЧПУ
|
20
|
30
|
24
|
40
|
260
|
-0,058
|
7,463
|
7,700
|
7,642
|
0,558
|
0,350
|
12
|
21
|
0,04
|
|
130
|
Шлифовальная
|
10
|
20
|
18
|
20
|
162
|
-0,022
|
7,242
|
7,400
|
7,378
|
0,322
|
0,242
|
9
|
16
|
0,03
|
|
140
|
Шлифовальная
|
5
|
10
|
12
|
20
|
114
|
-0,009
|
7,107
|
7,200
|
7,191
|
0,209
|
0,178
|
6
|
10
|
0,02
|
|
250
|
Цементация
|
|
|
|
|
|
|
|
|
|
|
|
|
2
|
|
|
330
|
Доводочная (суперфиниш.)
|
2,5
|
5
|
7
|
20
|
77
|
+0,021 +0,015
|
7,021
|
7,021
|
7,015
|
0,185
|
0,17
|
3
|
6
|
0,01
|
|
Поверхность № 13: Наружная
цилиндрическая, Ø6
h8 (-0.018); Ra 2.5; 30...38,5 HRCэ
|
|
005
|
Штамповка
|
120
|
200
|
500
|
-
|
-
|
+0,100 -0,300
|
9,330
|
14,1
|
13,800
|
-
|
-
|
300
|
400
|
|
|
020
|
Токарно-револьверная
|
80
|
80
|
30
|
100
|
1660
|
-0,360
|
7,370
|
12
|
11,640
|
2,460
|
1,700
|
18
|
24
|
0,06
|
|
040
|
Закалка и отпуск
|
|
|
7
|
|
|
|
|
|
|
|
|
|
7
|
-
|
|
050
|
Токарная с ЧПУ
|
40
|
40
|
30
|
40
|
420
|
-0,120
|
6,590
|
6,6
|
6,48
|
5,520
|
5,040
|
15
|
26
|
0,05
|
|
060
|
Токарная с ЧПУ
|
20
|
30
|
24
|
40
|
260
|
-0,048
|
6,210
|
6,3
|
6,252
|
0,348
|
0,180
|
12
|
21
|
0,04
|
|
130
|
Шлифовальная
|
10
|
20
|
18
|
20
|
162
|
-0,018
|
6
|
6
|
5,982
|
0,318
|
0,252
|
9
|
16
|
0,03
|
|
Поверхность № 16: Внутренняя
цилиндрическая, Ø4
H9 (+0,030); Rz 20; 30...38,5 HRCэ
|
|
090
|
Токарно-винторезная
(сверление)
|
40
|
70
|
97
|
50
|
-
|
+0,120
|
3,214
|
3,220
|
3,100
|
-
|
-
|
96
|
10
|
-
|
|
090
|
Токарно-винторезная
(развертывание черновое)
|
20
|
20
|
5
|
50
|
436
|
+0,048
|
3,771
|
3,748
|
3,700
|
0,648
|
0,480
|
5
|
0,6
|
0,06
|
|
090
|
Токарно-винторезная
(развертывание чистовое)
|
20
|
10
|
3
|
50
|
180
|
+0,030
|
4
|
4,030
|
4
|
0,330
|
0,252
|
3
|
0,4
|
0,04
|
|
Поверхность № 20: Внутренняя
цилиндрическая, Ø6
K8 (+0.005-0.013); Rz 10; 30...38,5 HRCэ
|
|
|
090
|
Токарно-винторезная
(сверление)
|
40
|
70
|
97
|
50
|
-
|
+0,120
|
4,801
|
3,220
|
3,100
|
-
|
-
|
96
|
10
|
-
|
|
|
090
|
Токарно-винторезная
(развертывание черновое)
|
20
|
20
|
5
|
50
|
437
|
+0,048
|
5,358
|
3,748
|
3,700
|
0,648
|
0,480
|
5
|
0,6
|
0,06
|
|
|
090
|
Токарно-винторезная
(развертывание чистовое)
|
20
|
10
|
3
|
50
|
181
|
+0,030
|
5,587
|
4,030
|
4
|
0,330
|
0,252
|
3
|
0,4
|
0,04
|
|
|
100
|
Токарно-винторезная
(развертывание черновое)
|
20
|
20
|
3
|
50
|
160
|
+0,030
|
5,777
|
5,630
|
5,600
|
1,630
|
1,570
|
3
|
0,4
|
0,04
|
|
|
100
|
Токарно-винторезная
(развертывание чистовое)
|
10
|
10
|
3
|
50
|
180
|
+0,005 -0,013
|
5,987
|
6,005
|
5,987
|
0,405
|
0,357
|
3
|
0,4
|
0,04
|
|
|
|
|
|
|
|
|
|
|
|
|
|
|
|
|
|
|
|
|
|
|
|
|
|
|
|
|
|
|
|
|
|
|
|
|
2.10 Разработка, выполнение и анализ размерной схемы формообразования и схем размерных цепей плоских торцевых поверхностей вала-шестерни
Главная задача размерного анализа - правильное и обоснованное определение
промежуточных и окончательных размеров и допусков на них для вала-шестерни.
Особенно в этом нуждаются линейные размеры, связывающие неоднократно
обрабатываемые противоположные поверхности. Определение припусков на такие поверхности
расчетно-аналитическим или нормативным методами затрудняет определение
промежуточных технологических размеров и их отклонений. В этом случае
обращаются к прикладной теории размерных цепей. Последовательный размерный
анализ технологического процесса состоит из ряда этапов: разработка размерной
схемы технологического процесса; выявление технологических размерных цепей;
расчет технологических размерных цепей.
Размерную
схему строим, располагая планами эскизов установки и обработки детали. С учетом
количества обработок торцевых поверхностей на эскизе условно показываем
операционные припуски, а также размеры готовой детали и заготовки. Для этого
вычерчиваем контур готовой детали и указываем в направлении торцов слои
межоперационных припусков на обработку. Указываем расстояние между торцевыми
поверхностями размерами А…E в соответствии с координацией размеров
на рабочем чертеже; с учетом количества обработок торцевых поверхностей,
условно показываем операционные припуски
.
Все
исходные, промежуточные и окончательные торцевые поверхности нумеруем по
порядку слева направо от 1 до n. Через нумерованные поверхности проводим вертикальные
линии, затем в зонах номеров соответствующей операции, между вертикальными
линиями начиная с последней операции с учетом эскизов установки и обработки
плана технологического процесса, указываем технологические размеры, получаемые
при выполнении каждой операции. Операционные размеры представляем в виде
стрелок с точкой. Точка совмещается с установочной базой, а стрелка с
поверхностью, полученной на данной операции.
После
построения размерной схемы выявляем и строим схемы технологических размерных
цепей. На основании составленных схем размерных цепей определяем типы
составляющих звеньев и составляем исходные уравнения, а затем их рассчитываем.
В этих цепях в квадратных скобках указываются конструкторские размеры и размеры
припусков, которые являются замыкающими звеньями в рассматриваемых цепях.
Выявление размерных цепей по размерной схеме начинаем с последней операции.
Составление размерных цепей выполняем таким образом, чтобы в каждой новой цепи
было неизвестно только одно звено. В такой же последовательности ведут расчет
размерных цепей.
Схема
нумерации поверхностей представлена на рисунке 2.3.1.
Размерная схема изображена на рисунке 2.10.1, схемы
размерных цепей - на рисунке 2.10.2
Рисунок
2.10.1 - Размерная схема формообразования торцевых поверхностей
Рисунок 2.10.2 - Схема технологических размерных цепей
.11 Расчеты припусков на обработку и операционных размеров-координат
плоских торцевых поверхностей вала-шестерни расчетно-аналитическим методом
В качестве примера рассмотрим расчет припусков для торца 2, который
координируется относительно торца 14 размером B=29h12(-0,120) Для
односторонней обработки (в частности для обработки плоских торцевых
поверхностей) величина минимального припуска определяется по следующей
зависимости [1, c.11]:
(2.11.1)
. Шероховатость и величину дефектного слоя определяем аналогично
рассмотренной выше методике:
- точение черновое (операция 020): Rz80, h =
80;
точение получистовое (операция 050): Rz40, h =
40.
. Отклонения формы, вызванные смещением полостей штампа не оказывают
влияния на точность обработки торцевых поверхностей. При расчете минимального
припуска учитываем только коробление заготовки (∆КОР): ∆КОР=0,400
мкм [1, c.108, т. П.3.7, П.3.8]. Для расчета
дальнейших операций принимаем следующие коэффициенты уточнения [1, c.18]:
Точение:
черновое 0,06;
получистовое 0,05;
чистовое 0,04;
Шлифование:
предварительное 0,03.
. Погрешность установки определяем в соответствии со справочными данными
[1, с. 19-20, т .1.1]:
точение черновое (операции 020): e = 100;
точение получистовое (операция 050): e = 40.
. Зная все составляющие минимального припуска, определим расчетное
значение минимального припуска для каждой из ступеней обработки по формуле
4.1:-
точение черновое (операция 020):
= 820
мкм;
точение
получистовое (операция 050):
= 144
мкм.
Аналогично
ведем расчет припусков остальных плоских торцевых поверхностей. Результаты
расчетов заносим в таблицу 2.11.1.
Таблица
2.11.1 - Расчет припусков на обработку плоских торцевых поверхностей
расчетно-аналитическим методом.
|
Технологические
операции
|
Элементы
припуска, мм
|
Расчётный
припуск Zmin, мкм
|
|
№
|
Наименование
|
Rz
|
h
|
ΔΣ
|
εy
|
|
|
Поверхность № 1;
14: 36 h11(-0,160); Rz 20; 30...38,5 HRCэ
|
|
005
|
Штамповка
|
120
|
200
|
400
|
-
|
-
|
|
010; 020
|
Токарно-револьверная
|
40
|
40
|
24
|
100
|
820
|
|
050, 100
|
Токарно-винторезная
|
20
|
20
|
21
|
40
|
144
|
|
Поверхность № 2:
29 h12(-0,210); Rz 20; 30...38,5 HRCэ
|
|
005
|
Штамповка
|
120
|
200
|
400
|
-
|
-
|
|
020
|
Токарно-револьверная
|
40
|
40
|
24
|
100
|
820
|
|
050
|
Токарно-винторезная
|
20
|
20
|
21
|
40
|
144
|
|
Поверхность № 4:
4 h10(-0,048); Rz 10; 30...38,5 HRCэ
|
|
005
|
Штамповка
|
120
|
200
|
400
|
-
|
-
|
|
020
|
Токарно-револьверная
|
40
|
40
|
26
|
100
|
820
|
|
050
|
Токарно-винторезная
|
20
|
20
|
21
|
40
|
146
|
|
130
|
Шлифовальная
|
10
|
10
|
16
|
20
|
81
|
|
Поверхность №
10: 22 h10(-0,084); Rz 10; 30...38,5 HRCэ
|
|
005
|
Штамповка
|
120
|
200
|
400
|
-
|
-
|
|
050
|
Токарно-винторезная
|
40
|
40
|
26
|
40
|
760
|
|
060
|
Токарно-винторезная
|
20
|
20
|
21
|
40
|
146
|
|
130
|
Шлифовальная
|
10
|
10
|
16
|
20
|
81
|
|
Поверхность №
12: 5 k8(+0,005; -0,013); Rz 10; 30...38,5 HRCэ
|
|
005
|
Штамповка
|
120
|
200
|
400
|
-
|
-
|
|
050
|
Токарно-винторезная
|
40
|
40
|
26
|
40
|
760
|
|
060
|
Токарно-винторезная
|
20
|
20
|
21
|
40
|
146
|
|
130
|
Шлифовальная
|
10
|
10
|
16
|
20
|
81
|
Расчет операционных размеров-координат ведем в соответствии с полученной
выше схемой технологических размерных цепей. В качестве примера рассмотрим
расчет линейного операционного размера S5 (cм. рисунки 3.1, 3.2).
Конструкторский размер А получается в условиях совмещения исходной и
конструкторской баз и равен технологическому размеру S12 (S12=
A=31-0,160).
Рассмотрим технологическую размерную цепь 4 (см. рисунок 3.2). Замыкающим
звеном этой цепи является размер припуска z2. Исходное уравнение для данной размерной цепи можно записать
в виде:
z2= S5 -S12.
Далее, зная величину минимального припуска z2min и технологический размер S12 с допуском на него, определим размер S5 :
S5min= z2min+S12max=0,144+31=31,144.
Прибавим к полученному значению S5min величину
операционного допуска и получим расчетное значение размера S5:
S5nom=31,144+0,250=31,394.
Округляем полученный размер в соответствии с [1, с.110, т. П.4.1]. При этом учитываем, что размер S5 является увеличивающим звеном в рассмотренной
размерной цепи. Поэтому округлять его необходимо в большую сторону. Таким
образом, S5 = 31,4-0,250.
Определив все составляющие звенья рассмотренной размерной цепи, выполним
расчет фактического припуска z2:
z2= S5 -S12
= 31,4-0,250-31-0,160=
.
Из
расчета видно, что значение минимального припуска z2min = 0,150
не менее расчетного, следовательно расчет операционного размера выполнен верно.
Расчет
остальных размерных цепей торцевых поверхностей вала-шестерни проводится
аналогично и представлен в таблице 2.11.2.
Таблица 2.11.2 Определение операционных размеров-координат
|
Замыкающий
размер, мм
|
Исходное уравнение
|
Расчетный размер, мм
|
Допуск, мм
|
Принятый размер, мм
|
Принятый припуск, мм
|
|
A=31-0,160
|
A=S12
|
S12=31
|
0,160
|
31-0,160
|
-
|
|
B=29-0.210
|
B=S9
|
S9=29
|
0,210
|
29-0,210
|
-
|
|
C=4-0.048
|
C=S15
|
S15=4
|
0,048
|
4-0,048
|
-
|
|
D=22-0.084
|
D=S14
|
S14=22
|
0,084
|
22-0,084
|
-
|
|
E=5 E=S13S13=50,0335 -
|
|
|
|
|
|
|
z5
|
z5 =S12
-S7-S15
|
S7max=
S12min- S15max- z5min= =30,84-4-0,081=26,759
|
0,210
|
26,700-0.210
|
z5=31-0,160-26,7-0.210-4-0.048=
|
|
z8
|
z8 =S12
-S14-S11
|
S11max=
S12min- S14max- z8min= =30,84-22-0,081=8,759
|
0,150
|
8,7-0.150
|
z8=31-0,160-22-0.084-8,7-0.150=
|
|
z11
|
z11= S13
-S10
|
S10max=
S13min- z11min= =4,987-0,081=4,906
|
0,120
|
4,8-0,120
|
z11=5 -4,8-0,120=
|
|
z2
|
z2= S5
-S12
|
S5min=
z2min+S12max= =0,144+31=31,144
|
0,250
|
31,4-0,250
|
z2=
31,4-0,250-31-0,160=
|
|
z9
|
z9= S11-
S6
|
S6max=
S11min- z9min=8,55- 0,146=8,404
|
0,150
|
8,4-0,150
|
z9=
8,7-0.150-8,4-0,150=
|
|
z12
|
z12= S10-
S8
|
S8max=
S10min- z12min=4,68-0,146=4,534
|
0,120
|
4,5-0,120
|
z12=
4,8-0,120-4,5-0,120=
|
|
z3
|
z3= S9
-S5+S4
|
S4min=
z3min+ S5max- S9min=0,144+31,4-28,79=2,754
|
0,100
|
2,9-0,100
|
z3=29-0.210+2,9-0,100-31,4-0,250=
|
|
z6
|
z6= S3
-S5+S7
|
S3min=
z6min+ S5max- S7min=0,146+31,4-26,49=5,056
|
0,120
|
5,2-0.120
|
z6=
5,2-0.120+26,700-0.210-31,4-0,250=
|
|
z10
|
z10=S6
|
z10min=8,25
|
-
|
-
|
z10=8,4-0,150
|
|
z13
|
z13=S8
|
z13min=4,38
|
-
|
-
|
z13=4,5-0,120
|
|
z14
|
z14=S2-S5
|
S2min=
z14min+ S5max=0,144+31,4=31,544
|
0,250
|
31,8-0,250
|
z14=
31,8-0,250-31,4-0,250=
|
|
z4
|
z4=S1-S4
|
S1min=
z4min+ S4max=0,820+2,9=3,72
|
0,120
|
3,9-0,120
|
z4=
3,9-0,120-2,9-0,100=
|
|
z7
|
z7=S2-S3
|
z7min=
S2min- S3max=31,55-5,2=26,35
|
-
|
-
|
z7=31,8-0,250-5,2-0.120=
|
|
z1
|
z1=H2-S1
|
H2min=
z1min+ S1max=0,820+3,9=4,72
|
0,350
|
5 z1= 5 -3,9-0,120=
|
|
z15 z15=H1-H2+S1-S2 H1min=
z15min+ H2max- S1min+ S2max=
=0,820+5,2-3,78+31,8=34,04 0,350 35
z15
=35
-5
+3,9-0,120-31,8-0,250=
|
=
|
|
2.12 Расчеты и оптимизация припусков
на обработку операционных
размеров-координат плоских торцевых поверхностей с
использованием прикладной теории графов размерных цепей
Для выявления, анализа и оптимизации сложных размерных цепей
целесообразно построение графа размерных связей, который начинают с
технологической установочной базы первой операции обработки резанием
[1, с. 64]. Начнем построение графа с торца 6
(рисунок 2.10.1). Технологические базы всех операций должны быть
непосредственно связаны между собой размерами. Чтобы построить дерево необходимо выбрать какую-либо вершину.
Первоначально выбранная вершина называется корнем. Построение дерева может
начинаться с любой вершины. Если принять поверхности заготовки и детали за
вершины, а связи между ними (размеры) за ребра, то процесс обработки детали,
начиная с заготовки до готовой детали, можно представить в виде двух деревьев -
исходного и производного, соответственно. Дерево с конструкторскими размерами и
размерами припусков на обработку называется исходным, а дерево с
технологическими размерами - производным. Если оба этих дерева для конкретной
детали совместить, то такой совмещенный граф в закодированной форме позволяет
представить геометрическую структуру технологического процесса обработки
рассматриваемой детали. В таком графе все размерные связи и технологические
размерные цепи из неявных превращаются в явные. Появляется возможность в
дальнейшем, в технологическом процессе не прибегать к чертежу вала-шестерни, а,
пользуясь только этой информацией, носителем которой является совмещенный граф,
производить все необходимые исследования и расчеты. Любой замкнутый контур на
совмещенном графе, состоящий из ребер исходного и производного деревьев,
образует технологическую размерную цепь. В ней ребро исходного дерева является
замыкающим звеном, а ребра производного дерева являются составляющими звеньями.
Сначала строим производное дерево, а затем - исходное дерево .
Перед построением совмещенного графа необходимо проверить:
количество операционных размеров, учитывая размеры заготовки, на
размерной схеме технологического процесса должно равняться сумме
конструкторских размеров и размеров припусков;
к каждой поверхности должна подходить одна, и только одна, стрелка.
После проверки правильности построения деревьев их совмещают так, чтобы
вершины с одинаковыми номерами совпали. Совмещенный граф производного и
исходного деревьев и является графом технологических размерных цепей.
Совмещенный граф размерных цепей представлен на рисунке 2.12.1.
Рисунок 2.12.1 - Совмещенный граф размерных цепей
2.13 Проектирование и выполнение чертежа заготовки вала-шестрни
Процесс получения заготовки является одним из первых этапов
преобразования материала в готовое изделие. Однако именно он определяет в
дальнейшем не только способы и режимы обработки, но и эксплуатационные
характеристики детали, её ресурс. Неправильно выбранный способ получения
заготовки может сделать полностью невозможным получение кондиционной детали или
себестоимость её будет настолько высока, что использование изделия в сборочной
единице будет нерентабельным.
При выборе способа получения заготовки необходимо учитывать конфигурацию,
размеры, массу и материал заготовки, количество получаемых заготовок, требуемую
точность получения заготовки; шероховатость и качество ее поверхностных слоев;
желательное направление волокон металла.
В процессе эксплуатации в детали ГП 22-368 вал-шестерня возникают высокие
напряжения кручения, контактные и изгибные напряжения в зубчатом венце также
высоки, деталь работает в условиях повышенных температур. Для обеспечения высоких физико-механических свойств заготовку будем получать посредством обработки давлением.
Штампованная заготовка имеет уплотненную структуру, благоприятное направление
волокон металла, высокие физико-механические свойства. Помимо улучшения
механических свойств детали, это также позволит повысить коэффициент
использования материала (КИМ). Поковка имеет малые габаритные размеры, для выполнения
операции штамповки не требуется значительных усилий. В таком случае
рекомендуется использовать штамповку на ГКМ.
ГКМ широко применяют в крупносерийном и массовом производствах для
горячей штамповки из проката самых различных поковок, требующих технологических
переходов высадки, прошивки, просечки, пережима заготовки, выдавливания, гибки
и отрезки поковки от прутка. Поковки штампуют непосредственно из прутка или
отдельных штучных заготовок с незначительными по величине облоем и
штамповочными уклонами, а также без них с малыми припусками и допусками, что
обеспечивает значительную экономию металла.
Конфигурация заготовки с учетом метода ее получения показана на рисунке
6.1. Плоскость разъёма штампа проходит через наибольшее сечение заготовки, что
облегчает заполнение штампа. Получение более сложной поковки экономически
нецелесообразно, так как припуски на механическую обработку незначительны (КИМ
не увеличится существенно), а следовательно не будет достигнут положительный
экономический эффект от применения сложной штамповой оснастки.
Размеры на чертеже (рисунок 2.14.1) проставлены с учетом проведенных
расчетов линейных размеров и размеров-диаметров нормативным методом.
Разработанный план технологического процесса предполагает использования
технологического припуска со стороны фланца детали для установки заготовки в
цанговый патрон. Так как торец этого элемента не служит установочной базой ни
на одной из операций, величину припуска назначаем из технологических
соображений.
Рисунок 2.14.1 - Заготовка вала-шестерни
2.14 Формирование и оформление
окончательного плана маршрутно-операционного технологического процесса
Изначально, из соображений потребного количества операций для получения
заданной детали, был разработан план технологического процесса. Но в результате
расчетов припусков, разработки, расчета и анализа размерной схемы с применением
прикладной теории графов, были внесены изменения в план технологического
процесса с целью оптимизации, повышения общей экономической эффективности,
достижения заданной точности. Так, были пересмотрены схемы установки и
обработки детали на токарных операциях с целью получения плоских торцевых
поверхностей в условиях совмещения баз. С учетом большой степени концентрации
переходов на получистовой и чистовой токарных операциях было принято
использовать оборудование с числовым программным управлением.
.15 Расчет режимов резания для операций-представителей
.15.1 Операция 050 токарная
Рисунок 2.15.1.1 - эскиз установки и обработки на операции 050
Содержание переходов:
1. Подрезать торец 1;
2. Точить поверхность 2 с подрезкой торца 3;
. Точить поверхность 6 с подрезкой торца 7;
. Точить поверхность 4 с подрезкой торца 5;
. Подрезать торец 8;
. Точить поверхность 9.
1. Выбор режущего инструмента.Подрезку торца 1 выполняем токарным
подрезным отогнутым правымрезцом с пластиной из твердого сплава ГОСТ 18880-73.

Рисунок 2.15.1.2 -Геометрия резца №1
Выбор
резца обусловлен необходимостью подрезать торец, подпираемый срезанным центром
(вспомогательный угол в плане должен быть
).
Точение
цилиндрических поверхностей с подрезкой торцев осуществляем токарным проходным
упорным отогнутым правым резцом. Главный угол в плане
позволяет выполнить подрезку торца на продольной
подаче (разность диаметров обрабатываемых цилиндрических поверхностей не
превышает длины режущей кромки l=10 мм).

Рисунок
2.15.1.3 - Геометрия резца №2
На
данной операции ведется получистовая обработка закаленной легированной стали.
Передний и задний углы принимаем соответственно
.
2. Выбор материала режущей части инструмента.
Для
получистовой обработки закаленной легированной стали применяемв качестве
материала режущей части двухкарбидный твердый сплав Т15К6, обладающий высокой
прочностью, износостойкостью, высоким пределом теплостойкости
. Так как получистовая обработка не предполагает
больших ударных нагрузок, не требуется большой процент связующего вещества
(кобальта).
3. Определение поправочных коэффициентов.
Определим поправочный коэффициент Kмv, учитывающий
влияние физико-механических свойств обрабатываемого материала на скорость
резания, для хромоникелевой стали 20ХН3А [3, c. 262, т. 2]:
;
;
МПа; n=1;
.
Коэффициент,
учитывающий влияние состояния поверхности заготовки на скорость резания:
[3, с.263, т.5];
Коэффициент,
учитывающий влияние инструментального материала на скорость резания:
[3, с.263, т.6];
Коэффициенты, учитывающие влияние параметров резца на скорость резания:
-
для резца №1:
,
;
для
резца №2:
,
[3,
с.271, т.18].
Тогда
коэффициент Кv:
для
резца №1:
;
для
резца №2:
.
4. Расчет режимов резания по переходам
Подрезка торца 1:
Определение глубины резания
;
Определение подачи
; [18,
с.77, т.36]
Скорость резания определяем по следующей формуле:
;
Значения
эмпирических коэффициентов определяем по справочным данным:
;
;
; y=
; T=120 мин; [3, с.269, т.17]
.
Точение поверхности 2 с подрезкой торца 3:
Определение глубины резания
;
Определение подачи
; [18,
с.77, т.36]
Определение расчетной скорости резания
Скорость резания определяем по следующей формуле:
;
Значения
эмпирических коэффициентов определяем по справочным данным:
;
;
; y=
; T=120 мин; [3, с.269, т.17]
.
Точение
поверхности 4 с подрезкой торца 5
Определение
глубины резания
;
Определение подачи
; [18,
с.77, т.36]
Определение
расчетной скорости резания
Скорость
резания определяем по следующей формуле:
;
Значения
эмпирических коэффициентов определяем по справочным данным:
;
;
; y=
; T=120 мин; [3, с.269, т.17]
.
Точение
поверхности 6 с подрезкой торца 7
Определение
глубины резания
;
Определение подачи
; [18,
с.77, т.36]
Определение
расчетной скорости резания
Скорость
резания определяем по следующей формуле:
;
Значения
эмпирических коэффициентов определяем по справочным данным:
;
;
; y=
; T=120 мин; [3, с.269, т.17]
.
Подрезка
торца 8
Определение
глубины резания
;
Определение подачи
; [18,
с.77, т.36]
Определение
расчетной скорости резания
Скорость
резания определяем по следующей формуле:
;
Значения эмпирических коэффициентов определяем по справочным данным:
;
;
; y=
; T=120 мин; [3, с.269, т.17]
.
Точение поверхности 9
Определение глубины резания
;
Определение подачи
; [18,
с.77, т.36]
Определение расчетной скорости резания
Скорость резания определяем по следующей формуле:
;
Значения
эмпирических коэффициентов определяем по справочным данным:
;
;
; y=
; T=120 мин; [3, с.269, т.17]
.
5. Расчет тангенциальной составляющей силы резания Pz.
Определение поправочных коэффициентов
Поправочный коэффициент Кmp,
учитывающий влияние обрабатываемого материала на силовые зависимости:
;
[3,с.264, т.9]
Поправочные
коэффициенты, учитывающие влияние геометрических параметров инструмента на
составляющие сил резания:
- для
резца №1;
- для
резца №2;
. [3,
с.275, т.23]
Тогда
поправочный коэффициент Kp равен:
- для
резца №1;
- для
резца №2.
Определение
эмпирических коэффициентов в формуле расчета силы резания:
;
,
,
; [3,с.273, т.22]
Расчет
силы резания:
(Н) - для
подрезки торца 1;
(Н) - для
точения поверхностей 2 и 6;
(Н) - для
точения поверхностей 4 и 9;
6. Определение расчетной потребной мощности оборудования:
Расчет ведем для наиболее нагруженной операции:
7. Выбор оборудования
В силу большой степени концентрации переходов на данной операции, а
следовательно - высокой её трудоемкости целесообразно применять оборудование с
ЧПУ. Исходя из этого, а также потребной мощности принимаем токарно-винторезный
станок с ЧПУ 16K20Ф3.
Наибольший диаметр обрабатываемой заготовки:
· над станиной - 400 мм;
· над суппортом - 210 мм;
Частота вращения шпинделя - (16 - 1600) об/мин;
Подача суппорта - продольная (0,05 - 2,8) мм/об, поперечная (0,025- 1,4)
мм/об;
Мощность электродвигателя главного привода - 3,8 кВт.
8. Расчет оборотов шпинделя и фактической скорости резания
Выполним расчет оборотов шпинделя для точения поверхности с наибольшим
диаметром (поверхность 9) с целью определить минимальное значение на данной
операции:
.
Так
как максимально возможное число оборотов шпинделя для данного станка составляет
1600
, что меньше минимального расчетного значения, на всех
переходах назначаем частоту вращения шпинделя
.
Для
принятой частоты вращения шпинделя определим фактические значения скорости
резания:
Точение
поверхности 2:
;
Точение
поверхности 4:
;
Точение
поверхности 6:
;
Точение
поверхности 9:
.
Так как вследствие назначения фактической частоты вращения шпинделя
меньше расчетной скорости резания, а следовательно и усилия изменились в
меньшую сторону, пересчет потребляемой мощности не требуется.
9. Определим длину рабочего хода по следующей формуле:
;
мм
(путь
подвода, врезания и перебега в формулу подставлен суммарный для всех
переходов).
10. Определим основное время обработки на переходе по следующей формуле:
;
мин.
11. Управляющая программа (см. РТК):
T1 -
резец 1 - подрезной отогнутый
T2 -
резец 2 - проходной упорный отогнутый
%
N1 m3 s1600 m8
/включение вращения шпинделя по часовой стрелке и /подачи СОЖ, задание оборотов
шпинделя
N2 g0 x30 z100
/перемещение в исходную точку на ускоренной подаче
N3 g0 x0 z1 /точка 1
N4 g1 z-0.4
f0.4 /перемещение с рабочей подачей s =
в точку 2
N5 g1 x12.4
z-0.4 /точка 3
N6 g0 x30 z100
/точка 4
N7 t2 m6
/смена позиции револьверной головки в позицию 2
N8 g0 x10.2
z 0.6 /точка 5
N9 g1 x10.2
z-8.8 f0.4 /точка 6
N10 g1 x12.4
z-8,8 /точка 7
N11 g0 x12.4
z0.6 /точка 8
N12 g0 x9 z0.6
/точка 9
N13 g1 x9 z-8.8
f0.4 /точка 10
N13 g1 x12.4
z-8.8 /точка 11
N14 g0 x12.4
z0.6 /точка 12
N15 g0 x7.8 z0.6
/точка 13
N16 g1 x7.8 z-8.8
f0.4 /точка 14
N17 g1 x12.4
z-8.8 /точка 15
N18 g0 x12.4
z0.6 /точка 16
N19 g0 x6.6 z0.6
/точка 17
N20 g1 x6.6 z-4,9
/точка 18
N21 g1 x8.8 z-4,9
/точка 19
N22 g0 x10.8
z-4,9 / точка 20
N23 g0 x10.8
z-7.8 / точка 21
N24 g1 x10.8
z-27.1 f0.4 / точка 22
N25 g1 x12 z-27.1
/ точка 23
N26 g1 x12 z-29.4
/ точка 24
N27 g1 x17 z-29.4
/ точка 25
N28 g1 x17 z-32.8
/ точка 26
N29 g0 x30 z-32.8
/ точка 27
N30 g0 x30 z100 /
точка 0
N31 t1 m6 /
смена позиции револьверной головки в позицию 1
N32 m30 / выключение шпинделя, СОЖ, конец
программы
.15.2 Операция 140 Шлифовальная
Рисунок 2.15.2.1 - Эскиз установки и обработки на операции 140
Содержание переходов:
1. Шлифовать поверхность 1;
2. Шлифовать поверхность 2.
1. Параметры обрабатываемой поверхности.
Ø10,2 -0,022; Ra 2,5; L=18 мм;
Z=0.174
мм; твердость - 35 HRCЭ 35;
Ø7,2 -0,022; Ra 2,5; L=4,4;
Z=0.140
мм; твердость - 35 HRCЭ 35;
2. Определение вида шлифования и цикла обработки.
Обработку
будем вести на круглошлифовальном станке модели 3151. Так как
(4,4)мм а максимально возможная высота круга B=100
мм, будем выполнять врезное шлифование периферией круга. В качестве инструмента
используем круг
ПП
500x60x250 24А20ПС15К7А 35 м/с 2кл. [3, с. 250]
Рисунок
2.15.2.2 - Геометрия шлифовального круга.
Так
как выполняем окончательное шлифование, обработку будем вести по полному циклу.
Рисунок
2.15.2.3 - полный цикл шлифования (поверхность 2)
Рисунок
2.15.2.4 - Полный цикл шлифования (поверхность 1)
3. Определяем скорость круговой подачи заготовки.
4. Определяем частоту вращения заготовки.
В
соответствии с паспортом станка выбираем ближайшие станочные обороты. Для
уменьшения вспомогательного времени принимаем для обработки обеих поверхностей
одну частоту вращение заготовки.
. [?, c.18]
Тогда:
5. Определяем окружную скорость шлифовального круга.
Принятое
оборудование обеспечивает частоту вращения шлифовального круга
[1, c.18]
Тогда
6. Определение радиальной подачи.
Учитывая принятый цикл обработки, определяем радиальную подачу на
участках цикла 0-1 и 0-2.
[1,
c.22]
7. Определяем основное время:
8. Определим потребную мощность станка на каждом из участков цикла.
Таким
образом, операция на выбранном оборудовании выполнима.
9. Выполним проверку энергетических режимов шлифования на условие
бесприжоговости.
Определим удельную мощность, приходящуюся на 1 мм активного участка.
Сопоставим
полученную величину с допустимой по условиям бесприжеговости
Здесь
для круга твердостью С1.
Условие
бесприжоговости выполняется.
2.15.3 Операция 200 Сверлильная
Рисунок 2.15.3.1 - эскиз установки и обработки на операции 200
Содержание переходов:
1. Сверлить отверстие 1;
2. Развернуть отверстие 1;
. Развернуть отверстие 1.
1. Выбор режущего инструмента
Для сверления отверстия выбираем сверло спиральное с цилиндрическим
хвостовиком 2300-0146 по ГОСТ 10902-77
d=2.2 мм, L=53 мм, l =27. Материал сверла Р6М5. Класс точности B1.
Для
развертывания отверстия выбираем развертки специальные, обозначение
6.120.1011-31 и 6.120.1011-32 (см. рис. 2.2).
Д=2.4, Д=2.46 соответственно, L=70,l=10,

Рисунок 2.15.3.2 - Геометрия режущего инструмента
2. Определение поправочных коэффициентов
Для стали 20ХН3А поправочный коэффициент, учитывающий влияние
физико-механических свойств на скорость резания:
;
[3,c.262,т.2]
Поправочный
коэффициент, учитывающий влияние инструментального материала на скорость
резания:
[3,
с.263, т.6].
Поправочный
коэффициент, учитывающий влияние глубины сверления на скорость резания:
Глубина
сверления на данной операции:
.
Диаметр
сверла D=2.3 мм, таким образом
. Тогда
[3,
с.280, т.31].
Тогда коэффициент Кv:
;
3. Расчет режимов резания
Определение подачи
Подачу назначаем в соответствии со справочными данными. Твердость
материала 264...311 HB. Тогда
[3,с.277,т.25].
Скорость резания определяем по формуле:
[3,c.276]
Определим
коэффициенты и показатели степени в формуле скорости резания для
конструкционной стали. Материал сверла - Р6М5. В соответствии со справочными
данными, имеем:
Сv=7;
q=0,4; y=0,7; m=0,2 [2, с.278, т.28].
Период
стойкости сверла Т=15 мин для сверла
Ø2,2мм [2, с.279, т.30].
;
Определение расчетного числа оборотов шпинделя
об/мин;
4. Определение усилий резания
Определение поправочного коэффициента для расчета момента резания
Поправочный коэффициент Кmp,
учитывающий влияние обрабатываемого материала на силовые зависимости:
;
[3,с.264, т.9]
Определение эмпирических коэффициентов в формуле расчета момента резания
и осевой силы:
См=0,0345;
q=2; y=0,8;
Ср=68;
q=1; y=0,7. [3, с.281, т.32]:
Расчет момента резания и осевой силы:
(Нм);
.
5. Определение расчетной потребной мощности оборудования:
кВт.
6. Выбор оборудования
На основании расчета потребной мощности для сверления (развертывание
будет менее нагруженной операцией) и режимов резания выбираем
вертикально-сверлильный станок 2H150,
· мощность электродвигателя главного движения 7.5(кВт);
· размеры рабочей поверхности станка 500x650;
· частота вращения шпинделя 22-1000 об/мин;
· подача шпинделя 0.05-2.24.
7. Расчет фактической скорости резания
Максимально
возможное число оборотов шпинделя для данного станка составляет 1000
.
Вследствие
назначения числа оборотов меньше расчетного пересчет потребляемой мощности не
требуется.
8. Расчет основного времени
мин;
9. Расчет режимов резания при развертывании
Определение подачи
Подачу назначаем в соответствии со справочными данными:
[3,c.278,т.27].
Скорость резания определяем по формуле:
[3,c.276]
Определим
коэффициенты и показатели степени в формуле скорости резания для
конструкционной стали. Материал развертки - Р6М5. В соответствии со справочными
данными, имеем:
Сv=10,5;
q=0,3;x=0.2; y=0,65; m=0,4 [3, с.279, т.29].
Период
стойкости развертки Т=20 мин для развертки
Ø2,4мм [2, с.279, т.30].
.
Определение числа оборотов шпинделя станка
об/мин;
.
Расчет основного времени
мин.
Для
развертывания диаметром 2,5 мм принимаем те же режимы обработки.
.15.4 Операция 180 Фрезерная
Рисунок 2.15.4.1 - Эскиз
установки и обработки на операции 180
Содержание переходов:
1. Фрезеровать лыску 1.
. Выбор режущего инструмента
Фрезерование будем выполнять блоком дисковых трехсторонних фрез по ГОСТ
3755-78.
D = 63 мм; d =
22 мм; B = 16 мм; z = 16;
;
.
Материал
фрезы - Р6М5.

Рисунок 2.15.4.2 -
Геометрия режущего инструмента
2. Определение поправочных коэффициентов
;
[3,c.262,т.2]
; [3,
с.263, т.5]
; [2,
с.263, т.6]
Тогда
.
3. Расчет режимов резания
Определение подачи
Подачу
назначаем в соответствии со справочными данными.
[3,с.285,т.37].
Скорость резания определяем по формуле:
[3,c.282]
Определим
коэффициенты и показатели степени в формуле скорости резания:
t = 4 мм; B = 0,5 мм;
;Сv =
68,5; q = 0,25;= 0,3; y = 0,2; u = 0,1; p = 0,1; m=0,2[2, с.278, т.28].
Период
стойкости фрезы Т=80 мин.
;
Определение
расчетного числа оборотов шпинделя
об/мин.
4. Определение усилий резания
Определение поправочного коэффициента Кmp.
Поправочный коэффициент Кmp,
учитывающий влияние обрабатываемого материала на силовые зависимости:
;
[3,с.264, т.9]
Определение
эмпирических коэффициентов в формуле расчета окружной силы.
Ср = 68,2; x = 0,86; y = 0,72; u = 1; q =
0,86; w = 0. [3,
с.291, т.41]
Расчет окружной силы резания
.
5. Определение расчетной потребной мощности оборудования:
кВт.
6. Выбор оборудования
По расчетным значениям мощности и режимов резания, а также исходя из
выбранного метода формообразования (фрезерование блоком дисковых фрез)
принимаем горизонтально-фрезерный станок 6Р80.
· мощность электродвигателя главного движения 3 (кВт);
· размеры рабочей поверхности станка 200x800;
· частота вращения шпинделя 50-2240 об/мин;
· подача шпинделя
продольная 25-1120;
поперечная 25-1120;
вертикальная 12,5-560.
7. Расчет фактической скорости резания
В соответствии с паспортом станка принимаем ближайшее к расчетному число
оборотов шпинделя
;
Фактическая
скорость резания составит:
.
Вследствие
назначения числа оборотов меньше расчетного пересчет потребляемой мощности не
требуется.
8. Расчет основного времени
мм;
.
2.15.5
Операция 150 Зубофрезерная

Рисунок
2.15.5.1 - Эскиз установки и обработки на операции 150
1. Параметры обрабатываемой поверхности.
2. Выбор режущего инструмента.
Для нарезания зубчатого венца применяем фрезу червячную мелкомодульную по
ГОСТ 10331-81.
m =
0,5 мм; d = 8 мм; l = 16 мм; d1 =
16 мм; l1 = 3 мм; dao = 25 мм; zo= 10.
Материал фрезы - Р6М5; класс точности - А.
Рисунок .2.15.5.2 - Геометрия червячной мелкомодульной фрезы
3. Выбор оборудования
Станок зубофрезерный 5A326
Технические характеристики.
Максимальный диаметр обрабатываемой заготовки 500мм, максимальные размеры
нарезаемых колёс - модуль 8мм, длина прямозубых колёс - 350мм. Частота вращения
шпинделя инструмента - 50-310 об/мин. Подача заготовки: вертикальная или
продольная - 0,8 - 5,0 мм/об, радиальная - 0,14 - 0,84 мм/об. Мощность
электродвигателя - 7,5кВт. Группа оборудования - III [17ст. 147, т.40].
4. Определение подачи
Табличное
значение подачи -
[17с. 149, т. 41].
Поправочные
коэффициенты [17c. 150, т. 42]:
;
5. Определение стойкости червячной фрезы
Стойкость
червячной фрезы:
[17с.142,
т.37].
6. Определение скорости резания
V = 15
м/мин. [17с.154-160, т.45-51].
7. Определение числа оборотов фрезы
Число оборотов фрезы определяем из номограммы скоростей для принятой
скорости резания и диаметра фрезы.
.
8. Расчет числа оборотов заготовки
Частоту вращения заготовки определяем из соотношения
Тогда
.
На
практике для данного вида оборудования настройка числа оборотов фрезы и
заготовки осуществляется посредством подбора сменных зубчатых колес гитары
деления в соответствии с руководством по эксплуатации станка.
9. Расчет глубины фрезерования
Колесо нарезается за один проход. Глубина фрезерования
.
10. Расчет основного времени
.15.6
Операция 170 протяжная

Рисунок 2.15.6.1 - Эскиз установки и обработки на операции 170
1. Параметры протягиваемого контура.
Шлицевое отверстие:
Модуль m = 0,5;
Число зубьев z = 9;
Делительный
диаметр
;
Диметр
вершин
мм;
Диаметр
впадин
мм;
Длина
обработки
мм.
2. Выбор режущего инструмента
Для обработки шлиц применяем протяжку для внутреннего протягивания (по
ГОСТ 25159-82) шлицевых отверстий с эвольвентным профилем и центрированием по
наружному диаметру. Материал протяжки - Р6М5.
Рисунок 2.15.6.2 - Геометрия протяжки для шлицевых отверстий
3. Выбор схемы протягивания.
Для обработки шлиц применяем генераторную схему протягивания. Протяжки
для профильной схемы сложны в изготовлении, их применение для данной операции
будет экономически нецелесообразно.
Рисунок .2.15.6.3 - Ссхема протягивания
4. Определение группы скорости резания.
Для стали 20ХН3А принимаем III
группу скорости резания [3,с.299,табл. 53].
;
.
5. Определение геометрических параметров протяжки.
· шага зубьев
протяжки:
· определение
рабочей высоты зуба:
· радиус
закругления:
6.Сопоставление полученных значений с табличными [3, с. 171, табл.62].
Задание шага для чистовых и калибрующих зубьев [3, с. 173, табл.63].
Определение среднего шага чистовых зубьев.
Сопоставим полученные значения с табличными [3, с. 171, табл.62]:
t =
5,5 мм;
h = 2,0 мм;
r = 1,0 мм;
b = 2,5 мм;
r1 =
3,0 мм;
F = 3,14 
;
Зададим
шаг для чистовых и калибрующих зубьев [3, с. 173, табл.63]:
Определим
средний шаг чистовых зубьев:
7. Разделение припуска на черновой и чистовой:
8.
Определение числа поясов зубьев черновой, чистовой и калибрующей
частей протяжки и определение черновой и чистовой подачи на зуб
[3, с. 173, т.64].
Определим
подачу на зуб
по справочным данным [3, с.173, т. 64]:
В
калибрующей части протяжки в соответствии с рекомендациями
[3,
c.300] необходимо принимать nкал = 4 - 5 поясов зубьев. Примем 4 пояса.
Для
черновых и чистовых поясов проведём расчёт по следующим формулам:
9. Определение рабочей длины протяжки.
10. Определение периметра обрабатываемого профиля B.
Рисунок 2.15.6.4 - Обрабатываемый профиль
11. Определение удельной силы резания, приходящейся на 1 мм
периметра
,
[3, с.
300, табл. 54].
12. Определение усилий резания:
13. Определение эффективной мощности
резания:
14. Определение основного технологического времени:
. Выбор оборудования:
Горизонтальный протяжной станок для внутреннего протягивания 7Б55
Номинальная тяговая сила, кН - 100;
Скорость рабочего хода протяжки, м/мин - 1,5 - 11,5;
Мощность электродвигателя привода главного движения, кВт - 18,5.
3.Охрана труда
.1 Выявление и анализ опасных и вредных производственных факторов,
действующих в рабочей зоне на специализированном участке по производству
деталей типа вал-шестерня
3.1.1 Краткое описание прототипа объекта проектирования
Объект проектирования - специализированный участок механического цеха по
производству деталей типа вал-шестерня. Численность персонала - 14 рабочих. На
участке применяется металлообрабатывающее оборудование: токарно-револьверные,
токарно-винторезные с ЧПУ, шлифовальные, зубофрезерные, зубошлифовальные,
горизонтально-фрезерные, вертикально-сверлильные станки, станок для
суперфиниша. Данное оборудование является источником вредных и опасных
производственных факторов.
.1.2 Выявление опасных и вредных производственных факторов, действующих в
рабочей зоне проектируемого объекта
Выполним анализ опасных и вредных производственных факторов, действующих
в рабочей зоне проектируемого участка. Согласно ГОСТ 12.0.003-74 вредные и
опасные факторы подразделяются по природе действия на физические, химические,
биологические и психофизиологические. Проанализируем вероятное вредное и
опасное воздействие применяемого на участке оборудования в соответствии с
данной классификацией.
Физические опасные и вредные производственные факторы (ГОСТ 12.0.003-74
п. 1.1.1):
· Движущиеся машины и механизмы, подвижные части производственного
оборудования. Используемое технологическое оборудование обладает подвижными
частями (шпиндели, суппорты, столы и т.п.), которые имеют большие числа
оборотов, скорости перемещения. Присутствие таких элементов оборудования делает
вероятным травмирование персонала вследствие несоблюдения правил техники безопасности при
эксплуатации металлообрабатывающего оборудования. Также возможно травмирование
вследствие неисправности оборудования, поражение электрическим током.
Абразивные круги на шлифовальных станках вращаются с высокой частотой.
Специфика абразивного инструмента такова, что вероятно его разрушение под
действием центробежных сил. Частицы круга обладают высокой поражающей
способностью. Травмирование персонала возможно вследствие несоблюдения техники
безопасности. Также вероятно разрушение конструкций различных агрегатов станка.
Причиной травмирования в таком случае является нарушение правил эксплуатации и
обслуживания оборудования и правил техники безопасности.
· Повышенная запыленность воздуха рабочей зоны. При обработке вала-шестерни
абразивным инструментом имеет место повышенная запыленность воздуха рабочей
зоны.
· Повышенный уровень шума на рабочих местах. Работающие электродвигатели и
трансмиссии станков, а также процесс механической обработки металла являются
источником шума. Шум усугубляет также воздействие вредных веществ на организм
человека.
· Острые кромки, заусенцы, шероховатость на поверхностях заготовок и
инструмента. После обработки заготовок на них могут образовываться заусенцы,
острые кромки. Также после обработки металлическая стружка может наворачиваться
на режущий инструмент. Вследствие несоблюдения техники безопасности может произойти
травмирование персонала.
· Повышенный уровень вибрации. На операторов станков воздействует
технологическая вибрация. При работе с вышеописанным технологическим
оборудованием рабочие подвергаются воздействию локальной вибрации, которая
передается через руки при контакте с элементами управления станка. Также
персонал подвергается воздействию общих вибраций, передающихся через опорные
поверхности.
· Повышенное напряжение в электрической цепи, замыкание которой может
пройти через тело человека. Станочное оборудование потребляет электрический ток
напряжением 220 В и 380 В. Вследствие неисправности оборудования, проводки
возможно замыкание и прохождение электрического тока через нетоковедущие части
оборудования.
Химические опасные и вредные производственные факторы (ГОСТ 12.0.003-74
п. 1.1.2):
· Испарения
СОЖ (укринол) могут оказывать раздражающее воздействие на органы дыхания. Данное вещество
относится к мало опасным, его предельно допустимая концентрация составляет
порядка 10 мг/м³.
Биологические и психофизиологические вредные и опасные факторы на
рассматриваемом участке отсутствуют.
3.1.3 Характеристика источников опасных и вредных производственных
факторов
· Вероятность травмирования персонала вследствие контакта с подвижными
частями оборудования а также острыми кромками, заусенцами, шероховатостями на
поверхностях заготовок и инструмента определяется суперпозицией вероятностей
выхода из строя оборудования и несоблюдения персоналом правил техники
безопасности. Эта вероятность составляет 0.09%. Средства защиты
регламентируются ГОСТ 12.4.011-89.
Требования безопасности при работе с абразивным и эльборовым инструментом
изложены в ГОСТ 12.3.028-82.
· Повышенный уровень запыленности имеет место в зоне работы
шлифовальных станков. Выделенеие пыли составляет порядка 36000 мг/час.
Санитарно-гигиенические требования к воздуху рабочей зоны по ГОСТ 12.1.005-88.
· При работе оборудования цеха возникает статический механический шум в
результате движения отдельных деталей и узлов машин. Диапазон частот составляет
от 2000 ... 4000 Гц. При интенсивности звука
80 дБ при данной частоте будет происходить утомляющее воздействие на
органы слуха. Уровень шума в производственных помещениях нормируется в
соответствии с ГОСТ 12.1.003-88
· Уровень виброскоростей и виброускорений для средней геометрической
частоты 250 Гц составляет соответственно 1,2 м/с и 9,6 м/с2 ,что не
превышает допускимых значений для данной октавной полосы в соответствии с ГОСТ
12.1.034-81.
· Станочное оборудование потребляет ток напряжением 220 и 380 вольт, таким
образом в случае поражения электрическим током при однофазном включении
человека в сеть через него пройдет
0,22А и 0,38 А соответственно, что является величиной, смертельной для
человека (вызывает фибрилляцию). Правила электробезопасности, средства защиты изложены
в ГОСТ 12.1.030-81.
· Содержание испарений СОЖ составляет 6,4 мг/м³,
что менее предельно
допустимой концентрации 10 мг/м³. Санитарно-гигиенические требования к
воздуху рабочей зоны по ГОСТ 12.1.005-88.
.1.4 Анализ возможных последствий воздействия негативных факторов на
работающих
· Вероятный контакт персонала с
движущимися частями станков, а также вероятный выход из строя агрегатов оборудования, разрушение
абразивных кругов, контакт рабочих с острыми кромками детали и заусенцами
влечет за собой травмирование рабочих различной степени тяжести. Метод борьбы -
соблюдение техники безопасности, применение средств индивидуальной защиты.
· Повышенная запыленность рабочей зоны с выделением пыли с интенсивностью
порядка 360000 мг/час может привести к раздражению верхних дыхательных путей и
слизистых оболочек. Для предотвращения этого необходимо применять систему
механической вентиляции на данном участке, а также местную вытяжную систему
вентиляции для оборудования с абразивным инструментом.
· Степень заглушения при работе оборудования может достигать такой
величины, что трудно разбирать речь и звуковые сигналы. Неразборчивость речи
оказывает отрицательное влияние на психику человека. Если интенсивность звука
превысит 80 дБ (при частоте 2000... 4000 Гц), шум будет утомляюще
воздействовать на органы слуха. Появление утомления органа слуха следует
рассматривать как ранний сигнал угрозы развития тугоухости и глухоты.
· При определенных условиях действие вибрации становится опасным для
здоровья работающих, снижаются производительность и качество труда, может
возникнуть профессиональное заболевание, называемое вибрационной болезнью, т.е.
возможны функциональные и физиологические изменения в организме человека Так
как при работе на рассматриваемом участке на воздействие происходит как на
руки, так и на весь организм рабочего, то возможно возникновение периферической
и церебральной формы вибрационной болезни.
· Испарения СОЖ относятся к малоопасным веществам, имеют высокую предельно
допустимую концентрацию. Данные вещества успешно удаляются системой
механической вентиляции. Отрицательное воздействие их на здоровье персонала
маловероятно.
· При прохождении через тело человека тока 0,22 А или 0,38 А вызывает
фибрилляцию, является смертельно опасным. Несоблюдение правил техники
безопасности (например, наличие алкоголя в крови) усугубляет последствия
поражения электрическим током.
3.2 Разработка мероприятий по предотвращению возможного воздействия
опасных и вредных производственных на работающих
3.2.1 Обоснование
возможностей устранения из состава проектируемого объекта источников опасных и
вредных производственных факторов
На рассматриваемом специализированном участке по производству деталей
типа вал-шестерня основным источником вредных и опасных производственных
факторов является технологическое оборудование. Применение тех или иных видов
станков для изготовления изделия обосновано при проектировании технологического
процесса и обусловлено требуемыми характеристиками изготавливаемой детали,
экономической целесообразностью. Применение смазочно-охлаждающих жидкостей
также необходимо для выполнения технологических операций. Поэтому удалить из
состава рассматриваемого участка источники опасных и вредных производственных
факторов невозможно.
3.2.2 Анализ возможных методов и устройств ослабления воздействия на
работающих опасных и вредных производственных факторов
· Для предотвращения травмирования персонала вследствие
контакта с подвижными агрегатами технологического оборудования, острыми
кромками и заусенцами обрабатываемой детали, вследствие разрушения конструкций
агрегатов станков или абразивного инструмента необходима проработка и
соблюдение правил техники безопасности при работе со станками. Также необходима
разработка и внедрение блокировочных систем на оборудовании. Ослабление
воздействия на рабочих данного вида опасных и вредных факторов также возможно
за счет применения средств индивидуальной защиты.
· Для ослабления вредного воздействия повышенной запыленности и испарений
СОЖ необходимо применять систему механической вентиляции. При работе на
шлифовальных станках также необходимо применение средств индивидуальной защиты
(респираторов), значительно снизит вредное воздействие абразивной пыли
применение локальной вытяжной вентиляции в зоне работы шлифовальных станков.
· Возможно избежание церебрального воздействия вибраций на организм
рабочего посредством постановки оборудования на специальные фундаменты.
· Для снижения воздействия повышенного уровня шума на органы слуха
необходимо применение средств индивидуальной зашиты (наушников).
· Во избежание опасности поражения персонала электрическим током вследствие
замыкания на нетоковедущие части оборудования необходимо использовать защитное
заземление.
.2.3 Обоснование и расчет наиболее целесообразных технических систем и
устройств защиты работающих от воздействия опасных и вредных производственных
факторов
В соответствии с заданием на проектирование для данного участка
механической обработки выполним расчет необходимого воздухообмена. Цех имеет
размеры 50 × 25, высота Η = 8 м. В воздушную среду цеха выделяется
пыль в количестве W = 0,6 мг/мин (предельно допустимая концентрация пыли ПДК =
4 мг/м3). Количество рабочих составляет 14 человек.
. Определяем объем цеха.
V
= A
B
H = 50
25
8 = 10000 м3.
.
Найдем выделение пыли (в миллиграммах) за 1 час:
.
3. Определяем количество воздуха, которое нужно подать в рабочую зону,
чтобы концентрация пыли в рабочем объеме не превышала ПДК:
.
.
Определяем количество воздуха, которое нужно подать в
рабочую
зону для того, чтобы обеспечить необходимое количество
воздуха
на работающего:
.
.
Сравнивая нормы подачи G и G1 для дальнейших расчетов
принимаем
большее значение, то есть значение G.
.
Находим кратность воздухообмена:
.
Таким
образом, получен необходимый параметр для дальнейшего проектирования системы
воздухообмена - расход воздуха.
.3
Обеспечение экологической безопасности функционирования проектируемого объекта
при воздействии опасных и вредных производственных факторов
Воздействие
на окружающую среду и население могут осуществлять такие производственные
факторы, как повышенная запыленность и повышенный уровень шума. Механическая
система вентиляции предусматривает очистку воздуха, проектируемый участок
механической обработки находится на территории машиностроительного предприятия
вдали от жилых массивов и мест отдыха населения. Таким образом, разработка
специальных мероприятий по ослаблению воздействия данных факторов на окружающую
среду и население не требуется.
Заключение
В ходе выполнения выпускной работы бакалавра были произведены
конструкторско-технологические расчеты маршрутно-операционного технологического
процесса изготовления вала-шестерни.
План технологического процесса был представлен в виде
операционных эскизов.
Приблизительную оценку количества формообразующих операций получили с
использованием эмпирических формул.
Последовательность операций обработки детали принята согласно
предварительно разработанному плану технологического процесса у учетом
описанных выше изменений.
Был выполнен расчет припусков на обработку поверхностей вала-шестерни
нормативным и расчетно-аналитическим методами. После разработки, расчета и анализа
размерной схемы формообразования плоских торцевых поверхностей вала-шестерни,
были построены и расчитаны конструкторско-технологические размерные цепи и разработан совмещенный
граф размерных цепей.
Вышеперечисленные мероприятия позволили составить окончательный план
технологического процесса изготовления шестерни. В результате его оптимизации и
корректировки была исключена возможность получения брака на этапе
проектирования. Расчет конструкторско-технологических
размерных цепей позволил повысить экономичность использования материала за счет
рационально выбранных припусков, повысилась производительность труда и
уменьшились затраты времени на обработку за счет применения современного
оборудования с программным управлением.
Также в ходе выполнения выпускной работы бакалавра были выполнены
конструкторские мероприятия по формированию облика и проектированию первой
ступени компрессора высокого давления ТРДДФсм для легкого фронтового
истребтеля.
Были проанализированы вредные и опасные факторы, действующие на
специализированном участке по изготовлению детали типа вал-шестерня.
Таким образом, в ходе выполнения выпускной работы бакалавра были получены
важные навыки по расчету деталей авиационного двигателя, разработке
технологических процессов механической обработки, технологической подготовке
производства.
Список использованной литературы
1. 1 В.Ю., Долматов А.И., Лимберг Э.А. «Определение припусков
на механическую обработку и технологические размерные расчеты». Учебное пособие
- Х.:ХАИ, 1993. - 118 с.
. «Справочник технолога-машинострои-теля».Под редакцией
Косиловой А. Г. и Мещерякова. Р. К. Том 1-М.: Машиностроение, 1985 - 655 с.
. «Справочник технолога-машинострои-теля».Под редакцией
Косиловой А. Г. и Мещерякова. Р. К. Том 2-М.: Машиностроение, 1985 - 496 с.
. 4 В.П. Основы проектирования технологических процессов и
приспособлений. Методы обработки поверхностей - М., Машиностроение, 1973г. - 468с.
. Конспект лекций по дисциплине «Технология
авиадвигателестроения», лектор - Сотников В.Д., 2012.
. Скубачевский Г.С. Авиационные газотурбинные двигатели.
Конструкция и расчет деталей. М.: Машиностроение, 1981.
. Шошин Ю.С., Епифанов С.В., Шарков С.Ю. Расчет на прочность
рабочей лопатки компрессора или турбины. Учебное пособие. Харьков: Харьковский
авиационный институт, 1993.
. Шошин Ю.С., Епифанов С.В., Шарков С.Ю. Расчет динамической
частоты первой формы изгибных колебаний лопатки компрессора или турбины и
построение частотной диаграммы. Учебное пособие. Харьков: Харьковский
авиационный институт, 1999.
. Шошин Ю.С., Епифанов С.В., Муравченко Ф.М. Расчет на
прочность дисков компрессоров и турбин. Учебное пособие. Харьков: Харьковский
авиационный институт, 1998.
. Никитин Ю.М. Конструирование элементов деталей и узлов
авиадвигателей. М: Машиностроение, 1968.
.Выбор параметров и термогазодинамический расчет
двухконтурных турбореактивных двигателей/ А.Ф.Брехов и Г.В.Павленко. Учебное
пособие, Харьков. 1984г.-60 c.
.Буслик Л.Н., Ковалев В.И. Согласование параметров и
определение основных размеров турбин и компрессоров ГТД. Учебное пособие,
Харьков. 1984г.-
.Павленко Г.В. Формирование облика ГТД и ГТУ. Учебное
пособие, Харьков. 2003г.-35 c.
. Сорокин А. В. Марочник сталей и сплавов. Под ред. Сорокина
В. Г. М.: Машиностроение, 1984.- 660 с.
. Ковка и объемная штамповка стали. В 2-х т. / Под ред.
Сторожева М. В. - 2-е изд., перераб. и доп. - М.: Машиностроение, 1967.- 436 с.
. Производство зубчатых колес. под ред. Б.А. Тайца. Изд. 2-е
перераб. и доп. М., "Машиностроение", 1975. 708с.
. А.И. Адам,Г.Г. Овумян. Справочник зубореза - фрезеровщика.
М., 1961.-271с.
. Я.Л. 18, М.В. Горохов, В.И. Захаров. Режимы резания
труднообрабатываемых материалов. Справочник. М., "Машиностроение",1986,
240с.
19. В.Н. Павленко, А.С. Набатов, И.М. Тараненко. Порядок
оформления учебных и научно-исследовательских документов. Х., ХАИ, 2007, 66с.
Ведомость документов бакалаврской работы
|
№
|
Наименование
|
Формат
|
Количество листов
|
Обозначение
|
|
1
|
Рабочий чертеж детали
|
А2
|
1
|
2012.ТИМОШЕ.244-01
|
|
2
|
Расчетно-пояснительная
записка
|
А4
|
113
|
ХАИ.204.244.12В.051102.08002106
|
|
3
|
Компоновочная схема ТРДД
|
А1
|
1
|
2012.ТИМОШЕ.244-03
|
|
4
|
План технологического
процесса
|
-
|
1
|
2012.ТИМОШЕ.244-04
|
|
5
|
Чертеж заготовки
|
А1
|
1
|
2012.ТИМОШЕ.244-05
|
|
6
|
Комплект документов на
технологический процесс
|
А4
|
28
|
2012.ТИМОШЕ.244-06
|
|
7
|
Перечень вредных и опасных
факторов
|
А3
|
1
|
2012.ТИМОШЕ.244-07
|