Кинематический и кинетостатический расчет поперечно-строгального станка
Министерство образования и науки
Российской Федерации
Государственное образовательное
учреждение высшего профессионального образования “Ижевский государственный
технический университет”
Воткинский филиал
Кафедра: ”Техническая механика”
Расчётно-пояснительная записка
к курсовому проекту по ТММ
На тему: «Кинематический и
кинетостатический расчёт поперечно-строгального станка»
Выполнил студент группы Т- 712
Шайхразиев М.Ф.
Проверил Каракулов М.Н.
Воткинск 2008
Содержание
Введение
. Структурный и кинематический анализ механизма
.1 Исходные данные
.2 Структурный анализ механизма
.2.1 Степень подвижности W + Асур
.2.2 Структурная формула механизма
.3 Синтез механизма (определение длин звеньев)
.4 Кинематический анализ механизма
.4.1 Графический метод (описание построения ПС и ПУ)
.4.2 Графоаналитический метод
.4.3 Аналитический метод
. Синтез зубчатых механизмов
.1 Геометрический расчёт прямозубой цилиндрической передачи
.2 Расчёт внешнего зацепления с прямыми зубьями
.3 Определение качественных показателей зацепления
.3.1 Коэффициент перекрытия ε
2.3.2 Коэффициент относительного скольжения
.3.3 Коэффициент удельного давления
.4 Кинематический анализ планетарной передачи
. Силовой анализ механизма
.1 Расчёты для определения уравновешивающей силы для групп
Асура по методу последовательного рассмотрения
.2 Расчёты по методу Жуковского
.3 Расчёты с применением принципа возможных перемещений
. Синтез плоского кулачкового механизма
. Расчёт маховика
Выводы
Список литературы
Введение
Как бы ни называли наш технический век - веком космоса
или автоматики, атомным веком или веком электроники - основой технического
прогресса была и остается машина.
Теория механизмов и машин - наука, изучающая общие
методы структурного и динамического анализа и синтеза различных механизмов,
механику машин. Важно подчеркнуть, что излагаемые в теории механизмов и машин
методы пригодны для проектирования любого механизма и не зависят от его
технического назначения, а также физической природы рабочего процесса машины.
Машина есть устройство, выполняющее механические движения для
преобразования энергии, материалов и информации с целью замены или облегчения
физического и умственного труда человека.
Машина осуществляет свой рабочий процесс посредством выполнения
закономерных механических движений. Носителем этих движений является механизм.
Следовательно, механизм есть система твердых тел, подвижно связанных путем
соприкосновения и движущихся определенным, требуемым образом относительно
одного из них, принятого за неподвижное.
Создание современной машины требует от конструктора всестороннего анализа
ее проекта. Конструкция должна удовлетворять многочисленным требованиям,
которые находятся в противоречии. Из допустимого множества решений конструктор
выбирает компромиссное решение с определенным набором параметров и проводит
сравнительную оценку различных вариантов. В настоящее время расчеты выполняют
на ЭВМ, что позволяет оценить конструкцию по многим критериям качества и найти
максимум показателя эффективности.
Задачи перед машиностроением стоят весьма сложные. Машина должна быть
прочной, надежной в работе, высокопроизводительной, но вместе с тем и легкой, с
минимальными материалоемкостью и энергозатратами, не должна загрязнять
окружающую среду, должна соответствовать требованиям технической эстетики.
Чтобы успешно решать эти задачи, чтобы создавать хорошие машины, отвечающие
современным требованиям, специалистам в области машиностроения нужны знания
основ целого ряда наук, в том числе теории механизмов и машин.
Кинематическая схема механизма является «скелетом» реальной конструкции
машины. Выбор и проектирование схемы механизма определяет первый и основной
этап проектирования машины. Теория машин и механизмов в настоящем ее виде
является комплексной наукой, в которой проблемы структуры, кинематики и
динамики машин, их анализа и синтеза тесно переплетаются с проблемами
оптимального проектирования и управления.
Универсальный поперечно-строгальный станок предназначен для обработки
строганием горизонтальных, вертикальных и наклонных плоскостей линейчатых
фасонных поверхностей, а также пазов различного профиля у деталей небольших
размеров и среднего веса в условиях индивидуального и мелкосерийного
производства.
1. Структурный и кинематический анализ механизма
.1 Исходные данные
Данные поперечно-строгального станка.
|
1
|
Расстояние между стойками
/м/
|
LO2O3
|
0,33
|
|
2
|
Ход ползуна /м/
|
Н
|
0,37
|
|
3
|
Коэффициент изменения
скорости хода
|
К
|
1,45
|
|
4
|
Положение центра тяжести
кулисы /м/
|
03S3
|
0,35
|
|
5
|
Расстояние /м/
|
в Х5
|
0,22 0,155
|
|
6
|
Число зубьев колёс
|
Z6 Z7
|
15 58
|
|
7
|
Модуль зубчатых колёс /мм/
|
mI mII
mIII
|
9 7 5
|
|
8
|
Масса звеньев /кг/
|
G3/g G5/g
|
18 72
|
|
9
|
Момент инерции /кгм2/
|
IS3
|
1,1
|
|
10
|
Межцентровое расстояние
/мм/
|
α
w6-7
|
328,5
|
|
И
|
Длина толкателя /м/
|
LО4C
|
0,32
|
|
12
|
Угол размаха толкателя
/град/
|
βmaх
|
22
|
|
13
|
Угол передачи движения
/град/
|
γmin
|
48
|
|
14
|
Фазовые углы
|
φу φд.с. φв
|
55 5 50
|
|
15
|
Коэффициент неравномерности
хода
|
δ
|
1/30
|
|
16
|
Число оборотов двигателя
/об/мин/
|
|
3400
|
|
17
|
U1-7
|
|
68
|
|
18
|
Зацепление
|
Z3 - Z2
Не равносмещенное
|
|
19
|
Диаграмма ускорения
толкателя
|
Б
|
|
20
|
Кр, /Н/мм/
|
45
|
|
21
|
Коэффициент коррекции Х
выбирать из условия
|
Выравнивание удельных
скольжений
|
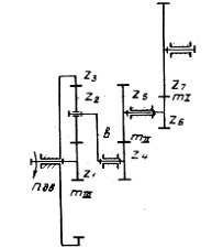
Поперечно - строгальный станок:
Кинематическая схема машины:
1.2 Структурный анализ механизма
.2.1 Степень подвижности W + Асур
Примем следующие обозначения звеньев механизма:
1
- стойка 3 -
кулиса О3В
2
- кривошип О2А
4 - камень В кулисы О3В
3
- камень А кулисы
5-ползун
Степень подвижности кинематической цепи проверяем по
формуле Чебышева (для плоских механизмов):
W = Зn - 2Р5
- Р4 = 3*5 -2*7 = 15-14=1,
где n-
количество подвижных звеньев,
р5=(0-1) (1-2) (2-3) (3-0) (3-4) (4- 5)
(5-0)=7 - количество пар 5-го класса
p4 - число пар 4-го класса, p4=0.
Таким образом кинематическая цепь имеет степень
подвижности равную 1, следовательно, является механизмом образованным путём
последовательного присоединения к стойке О и ведущему звену 1 двух групп
состоящих из звеньев 2-3 и 4-5.
По классификации Асура-Артоболевского он должен быть
отнесён к механизму II класса.
Составим структурные группы механизма:
1)
стойка - кривошип
О2А - механизм I
класса - ведущая часть механизма;
2)
камень А - кулиса
ОЗВ - группа II
класса 3 вида;
3)
камень В - ползун
- группа II класса 4 вида.
Классификация кинематических пар и групп звеньев в механизме сведены в
две таблицы.
Таблица 1. Классификация кинематических пар
|
п/п
|
Кинематическая пара
|
Наименование пары
|
Класс
|
Кол-во степеней свободы
|
|
1
|
0 - 1
|
Вращательная
|
V
|
1
|
|
2
|
1 - 2
|
Вращательная
|
V
|
1
|
|
3
|
2 - 3
|
Поступательная
|
V
|
1
|
|
4
|
3 - 0
|
Вращательная
|
V
|
1
|
|
5
|
3 - 4
|
Вращательная
|
V
|
1
|
|
6
|
4 - 5
|
Поступательная
|
V
|
1
|
|
7
|
5 - 0
|
Поступательная
|
V
|
1
|
Таблица 2. Классификация групп звеньев
|
п/п
|
Схема группы
|
Класс группы
|
Порядок группы
|
Wотн
|
|
1*
|
|
I
|
-
|
1
|
|
2
|
|
II
|
2
|
0
|
|
3
|
|
II
|
2
|
0
|
|
4
|
|
II
|
2
|
0
|
|
5
|
|
II
|
2
|
0
|
|
6
|
|
II
|
2
|
0
|
|
7
|
|
II
|
2
|
0
|
Примечание: 1* - ведущее звено.
1.2.2 Структурная формула механизма
На основании таблиц 1 и 2 структурная формула механизма выглядит так:
I (0 -
1) → II (2 - 3) → II (4 - 5)
1.3 Синтез механизма (определение
длин звеньев)
Одна из задач проектирования механизмов состоит в
таком подборе размеров звеньев (точнее - расстояний между осями шарниров), при
котором за все время работы механизма удовлетворялись бы некоторые наперед
поставленные требования, а именно: чтобы определенные точки звеньев
перемещались по заданным траекториям или по определенному закону.
По заданной конструктивной схеме механизма составляем
кинематическую схему (рис. 1).
Исходные данные:
Расстояние между стойками О2О3=0,33 м;
Ход ползуна H=0,37 м;
Коэффициент изменения скорости хода K=1,45.
Угол качения кулисы (Ѳ) определяем по заданному значению (К) согласно
формуле:
Графическое решение приведено на рис. 1
Из прямоугольного треугольника ΔO3NB вычисляем длину звена O3B:
Звено
O2A определяем из ΔO2AO3:
Рис. 1. Кинематическая схема механизма
1.4 Кинематический анализ механизма
.4.1 Графический метод (описание построения ПС и ПУ)
Построение плана скоростей.
Планы скоростей и ускорений строим для любых 6
положений механизма, в нашем случае это для 0,1, 2, 4, 6 и 8 положений.
Для примера построения плана скоростей данного
механизма рассмотрим построение для 1 положения.
Планы скоростей строим в масштабе μv=0,01 (м/с)/мм.
Из произвольно выбранной точки p, принятой за полюс плана скоростей откладываем отрезок ра1,
изображающий скорость точки А кривошипа:
VA1 = VО2 (=0) + VА1 О2
VA1 = VA1O2
= ω*O2A;1 = μv *О2А1; pa1 ┴ О2А1
(рад/с)
VA1 = ω*O2A = 5,23*0,094 = 0,49 м/с
Скорость
точки A3 кулисы
совпадающей с точкой A2 камня,
определим по уравнению:
VA1 = VA3 + VА1А3
или
ра1 = ра3 + а1а3,
где
ра3 ^О3А, а3а2ú êО3А
Скорость точки В3 кулисы определяем на основании теоремы о
подобии:
Pb3 = pa3*О3В/О3А = 23,5*650/145,9 =104,7 мм
Чтобы определить скорость ползуна, воспользуемся условием, что VB5║xx, и векторным уравнением:
VB3
= VB5 + V B3 B5 или pb3 = pb5 + b5b3,
Где pb5║xx и pb3 ^ О3В, а b5b3┴xx
Планы скоростей для всех остальных положений строятся аналогично.
Построение плана ускорений.
Построение плана ускорений также выполняем для 1
положения. Так как кривошип вращается с постоянной угловой скоростью, точка А1
кривошипа будет иметь только нормальное ускорение. Поэтому от произвольной
точки p полюса плана ускорений по
направлению А1 к О2 откладываем отрезок pа1, представляющий собой
ускорение точки А1 кривошипа.
Планы ускорений строим в масштабе μа=0,05 (м/с2)/мм.
Движение точки А2 камня рассматриваем как сложное: вместе с кулисой и относительно ее.
аA1n=аnA3O3+ аτA3O3+ аkA1A3+ аA1A3
или πа1=πn1+ n1 a3+
ka1+a3k.
Отрезки ка1, изображающий в масштабе μа ускорение Кориолиса, и πn1, изображающий в том же масштабе, нормальное ускорение
точки А3, определяются по формулам:
ка1=(2*а1 а3*Ра3*К2)/(О3
А*К12) = 27,52 мм
πn1=((Ра3)2*К2)/(О3
А*К12) = 7,6 мм
Ускорение точки В3, принадлежащей кулисе, определяем на
основании теоремы о подобии:
pb3 = pа3*О3В/О3А
= 18,8*650/145,9 = 83,8 мм
Ускорение точки В5 определяем графическим построением
векторного уравнения
аb5 = аb3
+ аb5 b3
или pb5 = pb3 + b5b3.
При этом b5b3^хх, pb5÷êхх
.4.2 Графоаналитический метод
Исходные данные:
j1=0,5236 (30°) - угол поворота начального звена;
u1-7=68 - передаточное отношение
многозвенной зубчатой передачи;
nдв=3400 об/мин - частота вращения
электродвигателя.
Описание метода.
Механизм на чертеже изображаем в 12 положениях - через каждые 300,
начиная с положения, соответствующего левому нулевому (за нулевое положение
берется такое, при котором кривошип перпендикулярен кулисе).
Отсчет перемещений точки Si ведется от нулевого положения. Построение графиков зависимостей S = Si(t), u = ui(t), a = ai(t) производим в программе EXCEL.
В первый столбец заносим номер положения кривошипа. Во второй- угол
поворота, соответствующий положению. В третий- время t, за которое кривошип проходит 12 положений. Определяем
время:
,
где
- угловая скорость начального звена.
В
четвёртый- ∆t.
По
чертежу измеряем перемещение точки Sn и умножаем их на
масштаб длины, результаты заносим в пятый столбец таблицы, в седьмой заносим
значения скорости Vn. В шестой
и восьмой столбцы вводим формулы для вычисления ∆S и ∆V.
соответственно
;
∆S=Sn-Sn-1;
∆V=Vn-Vn-1;
В
девятый столбец введём значения ускорений
соответственно
.
По
полученным результатам в таблице строим диаграммы зависимостей S(t); V(t); a(t).
Результаты графоаналитического метода анализа.
|
Положение №
|
Угол поворота, φ°
|
Время t, сек
|
∆t, сек
|
Перемещение S, м
|
∆S, м
|
Скорость V, м/с
|
∆V, м/с
|
Ускорение а, м/с2
|
|
0
|
0
|
0,00
|
0,00
|
0
|
0
|
0
|
0
|
0,0020
|
|
1
|
30
|
5,74
|
5,74
|
0,023
|
0,023
|
0,004
|
0,004
|
0,0007
|
|
2
|
60
|
11,47
|
5,74
|
0,076
|
0,053
|
0,009
|
0,005
|
0,0009
|
|
3
|
90
|
17,21
|
5,74
|
0,146
|
0,07
|
0,012
|
0,003
|
0,0005
|
120
|
22,94
|
5,74
|
0,221
|
0,075
|
0,013
|
0,001
|
0,0002
|
|
5
|
150
|
28,68
|
5,74
|
0,291
|
0,07
|
0,012
|
-0,001
|
-0,0002
|
|
6
|
180
|
34,42
|
5,74
|
0,346
|
0,055
|
0,010
|
-0,003
|
-0,0005
|
|
7
|
210
|
40,15
|
5,74
|
0,37
|
0,024
|
0,004
|
-0,005
|
-0,0009
|
|
8
|
240
|
45,89
|
5,74
|
0,346
|
-0,024
|
-0,004
|
-0,008
|
-0,0015
|
|
9
|
270
|
51,63
|
5,74
|
0,254
|
-0,092
|
-0,016
|
-0,012
|
-0,0021
|
|
10
|
300
|
57,36
|
5,74
|
0,123
|
-0,131
|
-0,023
|
-0,007
|
-0,0012
|
|
11
|
330
|
63,10
|
5,74
|
0,028
|
-0,095
|
-0,017
|
0,006
|
0,0011
|
|
12
|
360
|
68,83
|
5,74
|
0
|
-0,028
|
0
|
0.017
|
0,0020
|
1.4.3 Аналитический метод
Скорость:
Все
необходимые схемы для анализа показаны на рисунке.
Скорость точки A:
,
где
- скорость точки O2;
-
скорость звена O2A.
Скорость
точки O3
,
где
;
-
скорость точки A относительно звена BO3;
-
скорость звена AO3.
Принимаем
т. A за начало координат, векторы
и
за оси x1, y1.
Проецируем
на оси координат:
Очевидно
что:
,
где
О2 А VA) =(180˚ - (φ2 + (90˚-
φ1)) - 90˚
= φ1 - φ2
VAO3 = VA sin(φ1 - φ2) VABO3 = VA cos
(φ1 - φ2)
Также
VAO3 можно
найти через ω2 :
VAO3 = ω2 O3A => ω2 = VAO3 /O3A = VA sin (φ1 - φ2)/O3A
Учитывая формулу
(1) ω2 = ω1
O2A sin(φ1 - φ2)/O3A
По
теореме косинусов из треугольника O2AO3
находим
O3A
=
Можно
записать, учитывая, что
O3A
=
Выразим
φ2 через φ1
φ2 =
arctan
φ1 =
VB = VO3 + VBO3,,
где
VO3 =0
- скорость точки O3
VB = VBO3 =
ω2 O3N
где
O3N = O3B cos(φ2)
Ускорение:
aA = aO2 + a nAO2
+ a τAO2
O2 = 0 -ускорение точки О2
a τAO2 = 0 -тангенциальное ускорение точки А
относительно стойки О2
aA = a nAO2
= ω12 O2Aо3=aa+(a nAO3+
a nAO3B)+(a τAO3+a kA)
Выбираем систему координат аналогично скоростям: т. А начало координат,
оси координат вектора (a nAO3+ a nAO3B),
(a τAO3+a kA)
Ах1=aA*cosα
(a τAO3-a kA)=
aA*cosα
a τAO3= aA*cosα+
a kA
кориолисово ускорение:
a kA=2ω2·VABO3
тангенциальное ускорение:
a τAO3=ε2·O3A
ε2=(ω12· O2A·cosα+2ω2·VABO3)/ O3AB=aO3+
a nBO3+ a τBO3
ac=aBx= a
τBO3· cosφ2+a nBO3·
sinφ2
ac= ε2·O3B·cosφ2+ω22·O3B·sinφ2
2. Синтез зубчатых механизмов
.1 Геометрический расчёт прямозубой цилиндрической передачи
Расчет геометрических параметров цилиндрических передач внешнего
зацепления с прямыми зубьями при стандартном исходном контуре.
|
параметры
|
обозначения и расчетные
формулы
|
числовые значения
|
|
Число зубьев
|
шестерни
|
Z6
|
15
|
|
колеса
|
Z7
|
58
|
|
Модуль(по ГОСТ 9563-60)
|
m
|
9
|
|
Угол наклона зуба
|
β
|
0
|
|
Нормальный исходный контур
(по ГОСТ 13755-68)
|
Угол профиля
|
|
α
|
20˚
|
|
Коэффициент высоты головки
|
|
h*
|
1
|
|
Коэффициент радиального
зазора
|
|
c*
|
0,25
|
|
Коэффициент радиуса
кривизны переходной кривой
|
|
ρ*
|
0,38
|
|
Коэффициент смещения для
прямых зубьев(по ГОСТ 16532-70, приложение 2, табл. 1, при 10≤Z≤30
|
у шестерни
|
X1
|
0,92
|
|
у колеса
|
X2
|
0,76
|
|
Зубья шестерни и колеса
образованы исходной производящей рейкой
|
|
ширина венца
|
шестерни
|
b1
|
35
|
|
колеса
|
b2
|
30
|
|
рабочая ширина венца
|
bw
|
|
|
Степень точности (по ГОСТ
1643 - 72)
|
|
8-B
|
|
межосевое расстояние
|
Делительное межосевое
расстояние
|
а=(Z6+Z7)m/(2cosβ)
|
328,5
|
|
коэффициент суммы смещения
|
Х∑ = Х1
+Х2
|
1.68
|
|
угол профиля
|
tgαt = tgα/cosβ=tgα
|
αt=20˚
|
|
угол зацепления
|
inv a = (2X∑
tgα)/(Z6+Z7) + inv a
|
αtw=
25,4˚
|
|
Межосевое расстояние
|
aw=(Z6+Z7)·m·cos
αt /2cosβ·cos αtw
|
341,72
|
|
диаметры зубчатых колес и
высота зуба
|
делительный диаметр
|
шестерни
|
d6= Z6·m/cosβ
|
135
|
|
|
колеса
|
d7= Z7·m/cosβ
|
522
|
|
Диаметры зубчатых колес и
высота зуба
|
Передаточное число
|
U = Z 7/ Z6
|
3,9
|
|
Начальный диаметр
|
шестерни
|
dw6 = 2 aw · /
(U+1)
|
139,477
|
|
|
колеса
|
dw7 = 2 aw · U /
(U+1)
|
543,962
|
|
Коэффициент воспринимаемого
смещения
|
y = (aw - a)/m
|
1,47
|
|
Коэффициент уравнительного
смещения
|
∆y = X∑
- y
|
0,21
|
|
Диаметр вершин зубьев
|
шестерни
|
dа6 = d1 +
2(h*+ X1- ∆y)m
|
165.78
|
|
|
колеса
|
dа7 = d2 +
2(h*+ X2 - ∆y)m
|
549.9
|
|
Диаметр впадин
|
шестерни
|
df6 =d1 -
2(h*+c* -X1)m
|
129,06
|
|
|
колеса
|
df7 =d2 -
2(h*+c* -X2)m
|
513,18
|
|
Высота зуба
|
шестерни
|
h6 = 0,5(dа1-
df1)
|
18.36
|
|
|
колеса
|
h7 = 0,5(dа2 -
df2)
|
|
.2 Расчёт внешнего зацепления с
прямыми зубьями
Заданы следующие величины:
m=9, модуль зацепления;
α=20˚, угол профиля исходного
профиля рейки;
hа*=1 - коэффициент высоты головки зуба исходного профиля;
с* - коэффициент радиального зазора;
z1=15, z2=58- числа зубьев колёс;
х1=0,92; х2 =0,76 -коэффициент
смещения.
Порядок проведения расчета:
1. Делительные диаметры
;
;
.
. Основные диаметры
;
;
.
3. Окружной и основной шаги
;
4. Окружные толщины зубьев (по делительной окружности)
;
.
;
.
Угол зацепления определится из формулы
;
.
.
Начальные диаметры
;
;
.
7. Межосевое расстояние
.
.
8. Диаметры впадин (нарезанные реечным инструментом)
;
.
;
.
. Диаметры
вершин зубьев
;
.
;
.
Проверка на заострение (по толщине зубьев на поверхности вершин)
;
.
;
;
;
;
;
;
.
Длина общей нормали для контроля колеса 6
;
;
Толщина
зуба на основном диаметре:
;
.
;
Проверка
качественных показателей зубчатого зацепления.
Условие
проверки на подрезание зуба:
Для шестерни: Z6 = 15, hа*
= 1, α0 = 20˚, следовательно
коэффициент радиальной коррекции Х =0,12. Xi >X. Подрезание отсутствует.
2.3 Определение качественных
показателей зацепления
.3.1 Коэффициент перекрытия ε
Коэффициентом перекрытия называют отношение длины К
дуги зацепления к длине шага Рв по начальным окружностям колес.
Коэффициент перекрытия ε, определяющий среднее число пар
зубьев, находящихся одновременно в зацеплении, подсчитывают по формуле:
ε=lAB/Pв=g/ Pв;
Pв- основной шаг,
lAB=g- истинная длина активной части линии зацепления.
Эту длину следует определить аналитически и проверить
с помощью построения.
Для этого можно использовать следующие зависимости.
Здесь
радиусы кривизны эвольвент на окружностях выступов равны
;
Тогда
1,31
Коэффициент перекрытия дает возможность определить
число пар профилей зубьев, находящихся одновременно в зацеплении. Для этого
нужно воспользоваться теми целыми положительными числами, между которыми
находится числовое значение коэффициента перекрытия. Эти целые числа определяют
те числа пар профилей зубьев, которые попеременно участвуют в зацеплении.
Коэффициент перекрытия не должен быть меньше единицы, так как это приводит к
перерывам в передаче движения от ведущего колеса к ведомому и к ударам зубьев
колес. При проектировании зацепления коэффициент перекрытия берут не меньше 1,2
(в данном случае это условие выполняется). Чем больше
ε, тем выше
качество.
2.3.2 Коэффициент относительного
скольжения
Так как рабочие участки профилей зубьев перекатываются
друг по другу со скольжением, то на этих участках возникают силы трения и
происходит процесс изнашивания. Характеристикой вредного влияния скольжения
являются коэффициенты λ1 и λ2 относительного скольжения, которые определяют по
формулам:
=0,0899
=0,7546
λ2>λ1 -
седьмое колесо изнашивается больше.
.3.3 Коэффициент удельного давления
Коэффициент
удельного давления q пропорционален величине напряжения сжатия на площадке
контакта зубьев и характеризует контактную прочность зубьев. Обычно
выкрашивание зуба происходит около полюса, где и определяется
по формуле:
,
где
Здесь
- приведенный радиус кривизны зубьев в точке контакта.
В
полюсе радиусы кривизны эвольвент:
желательно,
чтобы
был меньше
.
2.4 Кинематический анализ планетарной передачи
Для определения числа зубьев в программе необходимо вычислить U31в.
При определении числа зубьев планетарной передачи сталкиваемся с рядом
ограничений:
1.
.
.
Условие соосности
z1+z2=z4-z3
.
Условие соседства
(0,5z1+0,5z2)sin(p/p)>z2+2 и (z4-z3)sin(p/p)>z3+2
.
условие собираемости
((z1*
)/p)*(1+p*a)=целое,
а
- целое число, р - количество сателлитов.
.
Z4>85
.
Z2/Z3=1,5..2,5
Данные
условия реализуются методом перебора с использованием программы, разработанной на
кафедре ТМ Каракуловым М.Н.
Используя
программу, получили следующие значения: Z1=20, Z2=48, Z3=48, Z4=116.
Число
зубьев 5-го колеса выберем из ряда 15≤Z4≤40 : Z5=29
Диаметры колёс.
мм
мм
мм
мм
мм
мм
3.
Силовой анализ механизма
строгальный станок зацепление маховик
При силовом расчете механизмов обычно предполагаются
заданными законы движения ведущих звеньев хотя бы в первом приближении и часть
внешних сил.
Основными силами, определяющими характер движения
механизма, являются движущие силы, совершающие положительную работу, и силы
полезного (производственного) сопротивления, возникающие в процессе выполнения
механизмом полезной работы и совершающие отрицательную работу. К движущим силам
относятся: сила давления рабочей смеси на поршень цилиндра двигателя, момент,
развиваемый электродвигателем на ведущем валу насоса или компрессора, и т.д.
Силы полезного сопротивления - это те силы, для преодоления которых
предназначен механизм. Такими силами являются: силы сопротивления резанию в
токарном станке, сопротивления ткани проколу иглы в швейной машине и т. д.
Кроме этих сил необходимо учитывать также силы сопротивления среды, в которой
движется механизм, и силы тяжести звеньев, производящие положительную или
отрицательную работу в зависимости от направления движения центра тяжести
звеньев - вниз или вверх.
3.1 Расчёты для определения
уравновешивающей силы для групп Асура по методу последовательного рассмотрения
Силовой расчёт производим только для первого положения
механизма.
Разбиваем механизм на три группы Асура. В местах соединения звеньев
указываем реакции. Решаем полученные уравнения, находим уравновешивающую силу и
строим силовые многоугольники.
На звенья механизма действуют не только внешние силы, но на кулису
действует и момент сил инерции Ми3. Чтобы избавиться от момента сил
инерции Ми3, силу инерции Ри3 переносим в точку качения
К, определив отрезок LSK по формуле:
м
Определение
реакций в кинематических парах механизма начинаем с последней группы Асура и
кончаем ведущим звеном. Решение данной задачи начинаем с рассмотрения
равновесия структурной группы, состоящей из ползуна 5 и камня 4.
Общее
уравнение равновесия всей группы будет иметь вид:
R05 + РПС + РИ5 + G5 + R34 = 0,
где
R05 -
реакция со стороны стойки на пятое звено
R34 - реакция со стороны третьего звена на четвёртое.
Для
определения величины реакций R05 и R34 строим план сил в масштабе
μр= G3/LG3 =540/27
= 20 H/мм.
Из
плана сил R05= G5=720 Н
R34= РПС + РИ5=540+301,14= 841,14 Н
РПС=12
мм*45 Н/мм=540 Н
РИ5=m5*πb5
*μa=72*83,65*0,05=301,14 Н
Рассмотрим группу, состоящую из звеньев 2 и 3. На звенья этой группы,
кроме силы тяжести G3 и силы инерции Рин3,
действуют ещё реакции R43, R12, R03. Реакция R43 равна по величине силе R34, но противоположно ей направлена. Реакция R03 проходит через центр шарнира О3,
она не известна ни по величине, ни по направлению. Реакция R12 прикладывается в центре вращательной
пары А, а направление её перпендикулярно к кулисе О2В.
Величина силы R12 определяется из уравнения моментов
всех сил, действующих на группу 2-3 относительно точки О2
Н
G3=18*10=180 Н
Рин3=
m3*πb3 *μa=75,24 Н
Приравнивая
к нулю векторную сумму всех сил, действующих на группу 2-3, и, построив план
сил, находим силу R03.
R43 + Рин3 + G3 + R12 + R03 = 0.
Рассмотрим равновесие ведущего звена кривошипа ОА, на которое действуют
следующие силы: сила давления камня кулисы R21, сила давления стойки R01, сила тяжести G1, и уравновешивающая сила Ру.
Линия действия уравновешивающей силы Ру совпадает с
направлением линии зацепления зубчатой пары 4-5. Поэтому плечо этой силы равно
масштабной величине радиуса rb5
основной окружности колеса. Величина силы Ру определяется из
уравнения
Н.
3.2
Расчёты по методу Жуковского
Правильность
определения уравновешивающей силы Рур определяем также с помощью
рычага Жуковского. Для этого строим план скоростей и в соответствии с точками
прикладываем внешние силы инерции, провернув их по часовой стрелке на 900.
Уравновешивающую силу Ру” прикладываем в точке a1
перпендикулярно к Ра1.
Запишем
уравнение равновесие рычага:
Н
Уравновешивающие
силы Ру и Ру” не равны, потому что приложены в
различных точках, но моменты этих сил должны быть равны между собой.
Расхождение величин этих моментов из-за неточности графического построения
допускается в пределах 5%.
Уравновешивающий
момент от силы Ру”, определяемой по рычагу Жуковского:
МIу = Ру”*rO2A = 102,88(Н.
м)
Уравновешивающий
момент от силы Ру, определяемой по плану сил:
Мур
= Рур. rb5
=98,46 (Н. м)
Относительная
величина расхождения определяемого момента в обоих случаях:
3.3
Расчёты с применением принципа возможных перемещений
Pин5·V5· cos180 +G5·V5·cos90
+ Pин3·V3·cos180 + G3·V3·cos107
+ Py·V1· cos0 + Pnc·V5· cos0 = 0
Силы
инерции действуют в противоположные стороны от ускорения направление и величину
V3 и V5
берём с плана скоростей.
V5=44 мм
V3=25 мм
V1=98,8 мм
Py= (Pин5·V5· cos180
+G5·V5·cos90 + Pин3·V3·cos180 + G3·V3·cos107+ Pnc·V5· cos0)/
V1· cos0
= 128 Н
4. Синтез плоского кулачкового механизма
Ведущее звено в кулачковом механизме называют кулачком. Ведомое -
толкателем. Элементы высшей кинематической пары принадлежащей кулачку называют
профилем кулачка, а элементы принадлежащие толкателю называют профилем
толкателя.
Кулачковый механизм состоит из кулачка, толкателя, ролика, который
закреплен на толкателе и непосредственно соприкасается с поверхностью кулачка.
Ролик служит для уменьшения трения возникающего в зоне контакта кулачка с толкателем.
Полный цикл толкателя в кулачковом механизме соответствует одному полному
обороту кулачка. Промежутки соответствующие удалению из самого (по отношению к
центру вращения кулачка) в самое дальнее, высотою в самом дальнем положении,
возвращение из самого дальнего положения в самое близкое, высотою в самом
ближнем положении называют Ту, Твп, Тпр, Тнв.
φТу+φТвп+φТпр+φТнв=360ú
Задача синтеза кулачкового механизма состоит в том, чтобы построить
профиль кулачковой шайбы удовлетворяющий поставленным технологическим
требованиям.
1. Таблица результатов.
|
|
T
|
6,1
|
сек
|
Rp
|
10
|
мм
|
|
|
w1
|
1,029508
|
рад/сек
|
|
|
|
|
|
Vmax
|
0,010714
|
м/с
|
|
|
|
|
|
|
|
|
|
|
|
|
|
SH
|
0,018024
|
м
|
|
|
|
|
|
|
|
|
|
|
|
|
|
t
|
fi
|
Sbi
|
riK
|
xk
|
yk
|
|
|
0
|
0
|
0
|
0,008024
|
0,008024
|
0
|
|
|
0,05
|
0,051475
|
0,91
|
0,008934
|
0,008922
|
0,00046
|
|
|
0,1
|
0,102951
|
1,82
|
0,009844
|
0,009792
|
0,001012
|
|
|
0,15
|
0,154426
|
2,73
|
0,010754
|
0,010626
|
0,001654
|
|
|
0,2
|
0,205902
|
3,64
|
0,011664
|
0,011418
|
0,002385
|
|
|
0,25
|
0,257377
|
4,55
|
0,012574
|
0,01216
|
0,003201
|
|
|
|
0,3
|
0,308852
|
5,46
|
0,013484
|
0,012846
|
0,004099
|
|
S=20,714t
|
0,35
|
0,360328
|
6,37
|
0,014394
|
0,01347
|
0,005075
|
|
|
0,4
|
0,411803
|
7,28
|
0,015304
|
0,014025
|
0,006126
|
|
|
0,45
|
0,463279
|
8,19
|
0,016214
|
0,014505
|
0,007246
|
|
|
0,5
|
0,514754
|
9,1
|
0,017124
|
0,014905
|
0,008431
|
|
|
0,55
|
0,56623
|
10,01
|
0,018034
|
0,01522
|
0,009675
|
|
|
0,6
|
0,617705
|
10,92
|
0,018944
|
0,015444
|
0,010972
|
|
|
0,65
|
0,66918
|
11,83
|
0,019854
|
0,015572
|
0,012316
|
|
|
0,7
|
0,720656
|
12,74
|
0,020764
|
0,015602
|
0,013702
|
|
|
0,75
|
0,772131
|
13,65
|
0,021674
|
0,015528
|
0,015121
|
|
|
0,8
|
0,823607
|
14,56
|
0,022584
|
0,015348
|
0,016568
|
|
|
0,85
|
0,875082
|
15,47
|
0,023494
|
0,015058
|
0,018034
|
|
|
0,9
|
0,926557
|
16,38
|
0,024404
|
0,014657
|
0,019513
|
|
|
0,95
|
0,978033
|
17,29
|
0,025314
|
0,014142
|
0,020996
|
|
|
1
|
1,029508
|
18,2
|
0,026224
|
0,013512
|
0,022475
|
|
|
1,05
|
1,080984
|
19,11
|
0,027134
|
0,012766
|
0,023944
|
|
|
1,1
|
1,132459
|
20,02
|
0,028044
|
0,011903
|
0,025393
|
|
|
1,15
|
1,183934
|
20,93
|
0,028954
|
0,010924
|
0,026814
|
|
|
1,2
|
1,23541
|
21,5
|
0,029524
|
0,009717
|
0,027879
|
|
|
1,25
|
1,286885
|
21,5
|
0,029524
|
0,00827
|
0,028342
|
|
|
1,3
|
1,338361
|
21,5
|
0,029524
|
0,006801
|
0,02873
|
|
|
1,35
|
1,389836
|
21,5
|
0,029524
|
0,005314
|
0,029042
|
|
|
1,4
|
1,441311
|
21,5
|
0,029524
|
0,003812
|
0,029277
|
|
|
1,45
|
1,492787
|
21,5
|
0,029524
|
0,002301
|
0,029434
|
|
|
1,5
|
1,544262
|
21,5
|
0,029524
|
0,000783
|
0,029514
|
|
|
1,55
|
1,595738
|
21,5
|
0,029524
|
-0,00074
|
0,029515
|
|
|
1,6
|
1,647213
|
21,5
|
0,029524
|
-0,00225
|
0,029438
|
|
|
1,65
|
1,698689
|
21,5
|
0,029524
|
-0,00377
|
0,029283
|
|
|
1,7
|
1,750164
|
21,5
|
0,029524
|
-0,00527
|
0,029051
|
|
|
1,75
|
1,801639
|
21,5
|
0,029524
|
-0,00676
|
0,028741
|
|
|
1,8
|
1,853115
|
21,5
|
0,029524
|
-0,00822
|
0,028355
|
|
|
1,85
|
1,90459
|
21,5
|
0,029524
|
-0,00967
|
0,027895
|
|
|
1,9
|
1,956066
|
21,5
|
-0,0111
|
0,02736
|
|
|
1,95
|
2,007541
|
21,5
|
0,029524
|
-0,01249
|
0,026753
|
|
S=23,2
|
2
|
2,059016
|
21,5
|
0,029524
|
-0,01385
|
0,026075
|
|
|
2,05
|
2,110492
|
21,5
|
0,029524
|
-0,01517
|
0,025328
|
|
|
2,1
|
2,161967
|
21,5
|
0,029524
|
-0,01645
|
0,024514
|
|
|
2,15
|
2,213443
|
21,5
|
0,029524
|
-0,01769
|
0,023635
|
|
|
2,2
|
2,264918
|
21,5
|
0,029524
|
-0,01889
|
0,022693
|
|
|
2,25
|
2,316393
|
21,5
|
0,029524
|
-0,02003
|
0,021691
|
|
|
2,3
|
2,367869
|
21,5
|
0,029524
|
-0,02112
|
0,020632
|
|
|
2,35
|
2,419344
|
21,5
|
0,029524
|
-0,02215
|
0,019518
|
|
|
2,4
|
2,47082
|
21,5
|
0,029524
|
-0,02313
|
0,018352
|
|
|
2,45
|
2,522295
|
21,5
|
0,029524
|
-0,02404
|
0,017138
|
|
|
2,5
|
2,57377
|
21,5
|
0,029524
|
-0,02489
|
0,015878
|
|
|
2,55
|
2,625246
|
21,5
|
0,029524
|
-0,02568
|
0,014576
|
|
|
2,6
|
2,676721
|
21,5
|
0,029524
|
-0,02639
|
0,013236
|
|
|
2,65
|
2,728197
|
21,5
|
0,029524
|
-0,02704
|
0,011861
|
|
|
2,7
|
2,779672
|
21,5
|
0,029524
|
-0,02761
|
0,010454
|
|
|
2,75
|
2,831148
|
21,5
|
0,029524
|
-0,02811
|
0,009019
|
|
|
2,8
|
2,882623
|
21,5
|
0,029524
|
-0,02854
|
0,007561
|
|
|
2,85
|
2,934098
|
21,5
|
0,029524
|
-0,02889
|
0,006082
|
|
|
2,9
|
2,985574
|
21,5
|
0,029524
|
-0,02917
|
0,004588
|
|
|
2,95
|
3,037049
|
21,5
|
0,029524
|
-0,02936
|
0,003081
|
|
|
3
|
3,088525
|
21,5
|
0,029524
|
-0,02948
|
0,001566
|
|
|
3,05
|
3,14
|
21,5
|
0,029524
|
-0,02952
|
4,7E-05
|
|
|
3,1
|
3,191475
|
21,5
|
0,029524
|
-0,02949
|
-0,00147
|
|
|
3,15
|
3,242951
|
20,88
|
0,028904
|
-0,02876
|
-0,00292
|
|
|
3,2
|
3,294426
|
20,3
|
0,028324
|
-0,02799
|
-0,00431
|
|
|
3,25
|
3,345902
|
19,72
|
0,027744
|
-0,02717
|
-0,00563
|
|
S=-12,81t+54,218
|
3,3
|
3,397377
|
19,14
|
0,027164
|
-0,02628
|
-0,00687
|
|
|
3,35
|
3,448852
|
18,56
|
0,026584
|
-0,02534
|
-0,00804
|
|
|
3,4
|
3,500328
|
17,98
|
0,026004
|
-0,02435
|
-0,00913
|
|
|
3,45
|
3,551803
|
17,4
|
0,025424
|
-0,02331
|
-0,01014
|
|
|
3,5
|
3,603279
|
16,82
|
0,024844
|
-0,02224
|
-0,01107
|
|
|
3,55
|
3,654754
|
16,24
|
0,024264
|
-0,02114
|
-0,01191
|
|
|
3,6
|
3,70623
|
15,66
|
0,023684
|
-0,02001
|
-0,01267
|
|
|
3,65
|
3,757705
|
15,08
|
0,023104
|
-0,01886
|
-0,01335
|
|
|
3,7
|
3,80918
|
14,5
|
0,022524
|
-0,01769
|
-0,01394
|
|
|
3,75
|
3,860656
|
13,92
|
0,021944
|
-0,01651
|
-0,01445
|
|
|
3,8
|
3,912131
|
13,34
|
0,021364
|
-0,01533
|
-0,01488
|
|
|
3,85
|
3,963607
|
12,76
|
0,020784
|
-0,01415
|
-0,01522
|
|
|
3,9
|
4,015082
|
12,18
|
0,020204
|
-0,01297
|
-0,01549
|
|
|
3,95
|
4,066557
|
11,6
|
0,019624
|
-0,01181
|
-0,01567
|
|
|
4
|
4,118033
|
11,02
|
0,019044
|
-0,01066
|
-0,01578
|
|
|
4,05
|
4,169508
|
10,44
|
0,018464
|
-0,00954
|
-0,01581
|
|
|
4,1
|
4,220984
|
9,86
|
0,017884
|
-0,00844
|
-0,01577
|
|
|
4,15
|
4,272459
|
9,28
|
0,017304
|
-0,00737
|
-0,01566
|
|
|
4,2
|
4,323934
|
8,7
|
0,016724
|
-0,00633
|
-0,01548
|
|
|
4,25
|
4,37541
|
8,12
|
0,016144
|
-0,00534
|
-0,01524
|
|
|
4,3
|
4,426885
|
7,54
|
0,015564
|
-0,00438
|
-0,01493
|
|
|
4,35
|
4,478361
|
6,96
|
0,014984
|
-0,00347
|
-0,01458
|
|
|
4,4
|
4,529836
|
6,38
|
0,014404
|
-0,00261
|
-0,01416
|
|
|
4,45
|
4,581311
|
5,8
|
0,013824
|
-0,00181
|
-0,01371
|
|
|
4,5
|
4,632787
|
5,22
|
0,013244
|
-0,00105
|
-0,0132
|
|
|
4,55
|
4,684262
|
4,64
|
0,012664
|
-0,00036
|
-0,01266
|
|
|
4,6
|
4,735738
|
4,06
|
0,012084
|
0,000282
|
-0,01208
|
|
|
4,65
|
4,787213
|
3,48
|
0,011504
|
0,00086
|
-0,01147
|
|
|
4,7
|
4,838689
|
2,9
|
0,010924
|
0,001376
|
-0,01084
|
|
|
4,75
|
4,890164
|
2,32
|
0,010344
|
0,001829
|
-0,01018
|
|
|
4,8
|
4,941639
|
1,74
|
0,009764
|
-0,00951
|
|
|
4,85
|
4,993115
|
1,16
|
0,009184
|
0,002545
|
-0,00882
|
|
|
4,9
|
5,04459
|
0,58
|
0,008604
|
0,002806
|
-0,00813
|
|
|
4,95
|
5,096066
|
0
|
0,008024
|
0,003004
|
-0,00744
|
|
|
5
|
5,147541
|
0
|
0,008024
|
0,003383
|
-0,00728
|
|
S=0
|
|
5,05
|
5,199016
|
0
|
0,008024
|
0,003753
|
-0,00709
|
|
|
5,1
|
5,250492
|
0
|
0,008024
|
0,004112
|
-0,00689
|
|
|
5,15
|
5,301967
|
0
|
0,008024
|
0,004462
|
-0,00667
|
|
|
5,2
|
5,353443
|
0
|
0,008024
|
0,004799
|
-0,00643
|
|
|
5,25
|
5,404918
|
0
|
0,008024
|
0,005123
|
-0,00618
|
|
|
5,3
|
5,456393
|
0
|
0,008024
|
0,005434
|
-0,0059
|
|
|
5,35
|
5,507869
|
0
|
0,008024
|
0,005731
|
-0,00562
|
|
|
5,4
|
5,559344
|
0
|
0,008024
|
0,006012
|
-0,00531
|
|
|
5,45
|
5,61082
|
0
|
0,008024
|
0,006278
|
-0,005
|
|
|
5,5
|
5,662295
|
0
|
0,008024
|
0,006527
|
-0,00467
|
|
|
5,55
|
5,71377
|
0
|
0,008024
|
0,006758
|
-0,00433
|
|
|
5,6
|
5,765246
|
0
|
0,008024
|
0,006972
|
-0,00397
|
|
|
5,65
|
5,816721
|
0
|
0,008024
|
0,007167
|
-0,00361
|
|
|
5,7
|
5,868197
|
0
|
0,008024
|
0,007343
|
-0,00324
|
|
|
5,75
|
5,919672
|
0
|
0,008024
|
0,0075
|
-0,00285
|
|
|
5,8
|
5,971148
|
0
|
0,008024
|
0,007637
|
-0,00246
|
|
|
5,85
|
6,022623
|
0
|
0,008024
|
0,007753
|
-0,00207
|
|
|
5,9
|
6,074098
|
0
|
0,008024
|
0,007849
|
-0,00167
|
|
|
5,95
|
6,125574
|
0
|
0,008024
|
0,007925
|
-0,00126
|
|
|
6
|
6,177049
|
0
|
0,008024
|
0,007979
|
-0,00085
|
|
|
6,05
|
6,228525
|
0
|
0,008024
|
0,008012
|
-0,00044
|
|
|
6,1
|
6,28
|
0
|
0,008024
|
0,008024
|
-2,6E-05
|
2. Диаграмма EXCEL с теоретическим профилем кулачка.
5. Расчёт маховика
. Таблицы результатов.
|
РП.С., Н
|
ω1, рад/сек
|
, радиан
|
Положение №
|
Угол поворота, φ°
|
Время t, сек
|
∆t, сек
|
Перемещение S, м
|
∆S, м
|
|
540
|
5,23
|
0
|
0
|
0
|
0,00
|
0,00
|
0
|
0
|
|
540
|
5,23
|
0,523599
|
1
|
30
|
5,74
|
5,74
|
0,023
|
0,023
|
|
540
|
5,23
|
1,047198
|
2
|
60
|
11,47
|
5,74
|
0,076
|
0,053
|
|
540
|
5,23
|
1,570796
|
3
|
90
|
17,21
|
5,74
|
0,146
|
0,07
|
|
540
|
5,23
|
2,094395
|
4
|
120
|
22,94
|
5,74
|
0,221
|
0,075
|
|
540
|
5,23
|
2,617994
|
5
|
150
|
28,68
|
5,74
|
0,291
|
0,07
|
|
540
|
5,23
|
3,141593
|
6
|
180
|
34,42
|
5,74
|
0,346
|
0,055
|
|
540
|
5,23
|
3,665191
|
7
|
210
|
40,15
|
5,74
|
0,37
|
0,024
|
|
540
|
5,23
|
4,18879
|
8
|
240
|
45,89
|
5,74
|
0,346
|
-0,024
|
|
540
|
5,23
|
4,712389
|
9
|
270
|
51,63
|
5,74
|
0,254
|
-0,092
|
|
540
|
5,23
|
5,235988
|
10
|
300
|
57,36
|
5,74
|
0,123
|
-0,131
|
|
540
|
5,23
|
5,759587
|
11
|
330
|
63,10
|
5,74
|
0,028
|
-0,095
|
|
540
|
5,23
|
6,283185
|
12
|
360
|
68,83
|
5,74
|
0
|
-0,028
|
|
Скорость V, м/с
|
∆V, м/с
|
Ускорение а, м/с2
|
∆φ, рад
|
МП.С., Н∙м
|
Мп.с.*∆φ
|
Мдв, Н∙м
|
АП.С., Н∙м
|
Адв, Н∙м
|
|
0,000
|
0
|
0,0029
|
0,0000
|
0,0000
|
0,0000
|
0,042
|
0
|
0
|
|
0,004
|
0,004
|
0,0007
|
0,5236
|
0,4140
|
0,2168
|
0,042
|
0,216769893
|
0,021991
|
|
0,009
|
0,005
|
0,0009
|
0,5236
|
0,9540
|
0,4995
|
0,042
|
0,716283125
|
0,043982
|
|
0,012
|
0,003
|
0,0005
|
0,5236
|
1,2600
|
0,6597
|
0,042
|
1,376017582
|
0,065973
|
|
0,013
|
0,001
|
0,0002
|
0,5236
|
1,3500
|
0,7069
|
0,042
|
2,082875929
|
0,087965
|
|
0,012
|
-0,001
|
-0,0002
|
0,5236
|
1,2600
|
0,6597
|
0,042
|
2,742610387
|
|
0,010
|
-0,003
|
-0,0005
|
0,5236
|
0,9900
|
0,5184
|
0,042
|
3,260973174
|
0,131947
|
|
0,004
|
-0,005
|
-0,0009
|
0,5236
|
0,4320
|
0,2262
|
0,042
|
3,487167845
|
0,153938
|
|
-0,004
|
-0,008
|
-0,0015
|
0,5236
|
-0,4320
|
-0,2262
|
0,042
|
3,260973174
|
0,175929
|
|
-0,016
|
-0,012
|
-0,0021
|
0,5236
|
-1,6560
|
-0,8671
|
0,042
|
2,393893602
|
0,19792
|
|
-0,023
|
-0,007
|
-0,0012
|
0,5236
|
-2,3580
|
-1,2346
|
0,042
|
1,159247689
|
0,219911
|
|
-0,017
|
0,006
|
0,0011
|
0,5236
|
-1,7100
|
-0,8954
|
0,042
|
0,263893783
|
0,241903
|
|
0,000
|
0,017
|
0,0029
|
0,5236
|
0,0000
|
0,0000
|
0,042
|
0,263893783
|
0,263894
|
|
ΔΕ
|
W3
|
J3W32/2
|
m5V52/2
|
Т
|
JПР
|
|
0
|
0
|
0
|
0
|
0
|
0
|
|
0,194779
|
0,645
|
0,228814
|
0,000579
|
0,229393
|
0,016773
|
|
0,672301
|
0,986
|
0,534708
|
0,003073
|
0,537781
|
0,039322
|
|
1,310044
|
1,053
|
0,609845
|
0,005361
|
0,615206
|
0,044983
|
|
1,994911
|
1,12
|
0,68992
|
0,006154
|
0,696074
|
0,050896
|
|
2,632655
|
0,9
|
0,4455
|
0,005361
|
0,450861
|
0,032966
|
|
3,129026
|
0,68
|
0,25432
|
0,00331
|
0,25763
|
0,018837
|
|
3,33323
|
0,78
|
0,33462
|
0,00063
|
0,33525
|
0,024513
|
|
3,085044
|
0,88
|
0,42592
|
0,00063
|
0,42655
|
0,031189
|
|
2,195973
|
1,401
|
1,079541
|
0,009261
|
1,088801
|
0,079611
|
|
0,939336
|
1,922
|
2,031746
|
0,018776
|
2,050522
|
0,149931
|
|
0,021991
|
0,961
|
0,507937
|
0,009874
|
0,517811
|
0,037862
|
|
0
|
0
|
0
|
0
|
0
|
0
|
|
J3
|
1,1
|
|
0,0333333
|
|
|
|
m5
|
72
|
СР
|
5,23
|
МЕ, Дж/мм
|
0,0322
|
|
|
Emax
|
2,0505223
|
MJ, кгм2/мм
|
0,0012
|
|
|
Emin
|
0
|
|
|
|
|
tgmin
|
26,525003
|
|
|
|
|
tgmax
|
28,082111
|
|
|
Выводы
Анализируя три, вышеописанных метода, приходим к выводу, что самый точный
метод - аналитический. Потому что для любой точки можно найти все необходимые
параметры с точностью до сотых. Самый неточный метод - графический. В этом
методе есть много недостатков:
1. Необходимость вести расчет расстояния с мертвой зоны (крайнее
положение механизма).
2. Формулы вычисления скорости и ускорения приближенные.
3. Измерение расстояния неточное.
Можно повысить точность получения данных, проведя некоторые изменения.
Например:
Вести построение кинематической схемы на компьютере в соответствующей
программе. Это даст возможность вычисление расстояния с большой точностью.
Список
литературы
1. Кореняко
А.С. и др. Курсовое проектирование по теории механизмов и машин. - Киев: Вища
школа, 1970.
2. Попов
С.А. Курсовое проектирование по теории механизмов и механике машин. - М.: Высш.
шк., 1986.
. Фролов
К.В. и др. Теория механизмов и машин. - М.: Высш. шк., 1987.
. Калабин
С.Ф. Методические указания по оформлению пояснительной записки и графической
части курсового проекта по курсу «Механизмы приборных и вычислительных систем».
- Ижевск, 1986.
. Артоболевский
И.И. ТММ. - М: Наука, 1988.
. Ястребов
В.М. Методическое руководство к курсовому проекту по ТММ - Ижевск, 1974 г.