Исследование рабочей зоны робота типа 'Версатран' с 4-степенями подвижности
Исследование рабочей зоны
робота типа "Версатран" с 4-степенями подвижности
Введение
Для воспроизведения двигательных функций человека в процессе
трудовой деятельности созданы манипуляторы - многозвенные механизмы с
управляемыми приводами на каждом звене. Манипуляторы разделяются на
биотехнические и автоматические. Биотехнические манипуляторы управляются
оператором дистанционного или непосредственно в результате перемещения рабочего
органа манипулятора.
В автоматических манипуляторах рабочие функции выполняются
без участия человека.
Промышленный робот - это автоматический манипулятор
промышленного применения, имеющий систему программного управления,
обеспечивающую быструю переналадку для выполнения задач, различающихся
последовательностью и характером манипуляционных действий.
В роботизированных технологических комплексах ПР выполняют
функции восприятия внешней среды, принятия решений и выполнения манипуляционных
действий.
Манипуляторы ПР характеризуются грузоподъемностью, объемом
рабочей зоны, числом звеньев, погрешностью позиционирования, системой
координат, конструктивной и компоновочной схемой, типом системы управления.
Первые промышленные роботы появились в США сравнительно
недавно, в 1962 г. Это были роботы типов «Версатран», «Юнимейт», «Универсал»,
«Циклон», оснащенные устройствами ЧПУ позиционного типа. Первые ПР были
манипуляционными и использовались для обслуживания прессов, штампов,
нагревательных печей и другого технологического оборудования в цехах с вредными
условиями труда. Наибольшее распространение получили манипуляционные роботы
грузоподъемностью до 20 кг с цикловым двухпозиционным управлением.
Планирование обработки информации действий манипуляционного
робота - один из важнейших путей, который повышает эффективность работы всей
системы управления манипуляционного робота. Оно включает определение
последовательности этапов с преобразованием модели внешней среды робота,
обеспечение мультипроцессорного режима обработки данных, планирование
последовательности опроса систем очувствления как перед началом выполнения
роботом технологических операций, так и в ходе ее выполнения с указанием
приоритета каждой из операций.
робот версатран серводвигатель кинематика
1.
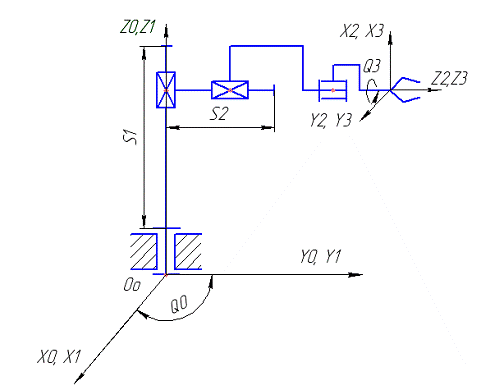
Кинематическое исследование робота
1.1
Определение численных значений параметров q, S, a и a кинематической пары и
составление таблицы кинематических пар
В основу получения математической модели кинематики робота
положим специальные системы координат и преобразования Денавита-Хартенберга
[1].
Введем необходимые обозначения кинематических звеньев и пар
робота (рис. 1) в соответствии с правилами, предложенными Денавитом и
Хартенбергом. Неподвижному звену присвоим нулевой номер, первому подвижному
звену, соединенному со стойкой, номер 1 и далее по порядку до пятого оконечного
подвижного звена, на котором закреплен схват.
Рис. 1. Кинематическая схема робота типа «Версатран»
Кинематические пары обозначим символом Ai, у которого нижний
индекс i
равен меньшему из номеров звеньев, образующих данную кинематическую пару. Таким
образом, индекс i, связанный с кинематическими парами, будет принимать значения от
0 до 3.
Важным в методологии Денавита-Хартенберга является выбор
расположения осей Zi и Xi специальных систем координат и их начала Oi (i = 0,… 4). Ось Yi назначается так, чтобы
система координат была правой.
Оси Zi (i=1,2,4) должны быть направлены по осям вращения
кинематических пар (рис. 3).Ось Z3 направлена по направляющей кинематической пары А2.
Начало координат O0 инерциальной (базовой) системы координат расположим на оси Z0 в основании манипулятора
(рис. 1). Так как ось Z1 пересекается с осью Z0, а ось Z1 - с осями Z2,3,4, то начала координат O0 и O1, O2, O3, O4 необходимо расположить в
точках пересечения названных осей координат (рис. 1). Оси X1 и X2 X3 X4 направляются
перпендикулярно плоскостям, образуемым соответственно осями Z0, Z1 и осями Z2, Z3, Z4. Введенные системы
координат позволяют определять положения четырех подвижных звеньев в
неподвижной инерциальной системе координат O0X0Y0Z0.
Систему координат O4X4Y4Z4, связанную с четвертым подвижным звеном и
определяющую положение схвата в инерциальной системе координат, следует
расположить на этом звене особым образом. Начало координат O5 поместим в центр (в
характерную точку) схвата (рис. 1), ось X4 направим перпендикулярно
оси Z3, так чтобы она лежала в плоскости, образованной осью Z3 и характерной точкой
схвата. Ось Z4 расположим параллельно оси Z3 и сонаправлено с ней.
В основу методики Денавита-Хартенберга положено определение
положения i-й
системы координат в (i-1) - й (i=1,…, 4) с использованием четырех параметров, а именно, с
помощью:
) угла φi поворота (i-1) - ой системы
координат вокруг оси Zi до совпадения направлений осей Xi-1 и Xi;
) перемещения на величину Si (i-1) - ой системы координат
по оси Zi до совпадения осей Xi-1 и Xi;
) перемещения на величину ai (i-1) - ой системы
координат по оси Xi до совпадения начал координат (i-1) - ой и i-ой системы
координат;
) угла αi поворота (i-1) - ой системы
координат вокруг оси Xi до совпадения направлений осей Zi и Zi-1.
Значения этих постоянных параметров зависят, во-первых, от
конкретной конструкции робота, а во-вторых, от принятого расположения систем
координат.
Для описания кинематики робота целесообразно использовать
специальную таблицу кинематических пар, в которой для конкретного робота
проставляются определенные значения параметров Θi, Si, ai, αi, а переменные параметры, являющиеся обобщенными
координатами, отражаются буквой qi.
Табл. 1. Таблица кинематических пар
|
Номер (i-1) - й кинематической пары
|
Тип (i-1) - й кинематической пары
|
Номер i-го подвижного звена
|
Параметры
кинематической пары
|
|
|
|
Θi
|
Si
|
ai
|
αi
|
|
0
|
Вращательное
|
1
|
45°
|
100
|
0
|
90°
|
|
1
|
Поступательное
|
2
|
0°
|
200
|
0
|
90°
|
|
2
|
Поступательное
|
3
|
0°
|
100
|
0
|
0°
|
|
3
|
Вращательное
|
4
|
45°
|
200
|
0
|
0°
|
1.2 Составление математической модели робота
После того как в лабораторно-практической работе №1
определены параметры qi, Si, аi, ai и заполнена табл. 3,
следует записать матрицы перехода для каждой кинематической пары в виде [3]
,
Подставляя действительные значения параметров qi, Si, аi и ai,
а также значения обобщенных координат, соответствующие начальному положению
манипулятора, и заменяя в зависимости от типа кинематической пары символы qi или Si на обозначение обобщенной координаты qi
(символы С и S здесь означают тригонометрические функции cosinus и sinus).
Под математической моделью кинематики робота будем понимать
перечень матричных формул, позволяющих определять координаты центров всех
кинематических пар, начиная с 1-й, в инерциальной системе координат, которые в
свою очередь дают возможность строить кинематическую схему робота при текущих
значениях обобщенных координат.
Так как начала координат кинематических звеньев совпадают с центрами
соответствующих им кинематических пар и с характерной точкой схвата, то
положение центра i-й кинематической пары и ориентацию i-го звена в инерциальной
системе координат будут определять наддиагональные элементы матрицы 4х4.
Для упрощения расчетов будем использовать математическую систему
MathCAD.
Подставляя действительные значения параметров qi, Si, аi и ai,
а также значения обобщенных координат в матрице перехода для каждого звена
получаем:


Для определения положения любого промежуточного
-го звена робота относительно стойки надо
перемножить соответствующее число первых слева матриц перехода.
Перемножая необходимое число матриц перехода для кинематических
пар и, выделяя в конечной матрице наддиагональные элементы, записываем в табл.
2 координаты центров всех кинематических пар робота в его начальном положении,
а также углы, определяющие ориентацию звеньев (схвата) робота.
Табл. 2. Координаты и ориентация звеньев манипулятора в начальном
положении
|
Номер звена
манипулятора
|
X, мм
|
Y, мм
|
Z, мм
|
X0Zi, град
|
Y0Zi, град
|
X0Yi, град
|
|
1
|
0
|
0
|
100
|
90°
|
90°
|
135°
|
|
2
|
0
|
0
|
300
|
45°
|
135°
|
90°
|
|
3
|
70,711
|
-70,711
|
300
|
45°
|
135°
|
90°
|
|
4
|
212,132
|
-212,132
|
300
|
45°
|
135°
|
120°
|
1.3 Построение диаграмм относительных
перемещений, скоростей, ускорений, кинетической мощности, диаграмм максимальных
коэффициентов скоростей и ускорений
Диаграммы относительных перемещений ζ (k), скоростей δ(k), ускорений ξ(k) и кинетической мощности d(k) следует построить для
всех пяти степеней подвижности (здесь k - относительный коэффициент времени,
относительное время).
Вначале строится, по приведенным в исходных данных
аналитическим зависимостям, диаграмма ζ (k). Для построения
диаграмм δ(k) и ξ(k) необходимо продифференцировать соответствующее число раз
зависимость ζ (k).
Выбираем закон движения для каждой степени подвижности манипулятора
[2]: Закон движения - Степенной закон движения (4-5-6-7)
ζ= 35k4 -84k5 +70k6 -20k7
Построение диаграмм по относительным координатам
|
k
|
ζ
|
δ
|
ξ
|
|
0
|
0
|
0
|
0
|
|
0,02
|
5,33565E-06
|
0,001096
|
0,163213
|
|
0,04
|
8,12818E-05
|
0,008593
|
0,63633
|
|
0,06
|
0,000391492
|
0,028486
|
1,400323
|
|
0,08
|
0,001176279
|
0,066466
|
2,443583
|
|
0,1
|
0,002728
|
0,12806
|
3,7616
|
|
0,12
|
0,005369264
|
0,218775
|
5,356634
|
|
0,14
|
0,009433863
|
0,344229
|
7,237399
|
|
0,16
|
0,01525028
|
0,510274
|
9,418736
|
|
0,18
|
0,02312764
|
0,723119
|
11,92129
|
|
0,2
|
0,033344
|
0,98944
|
14,7712
|
|
0,22
|
0,046136813
|
1,31649
|
17,99975
|
|
0,24
|
0,061695472
|
1,712194
|
21,64308
|
|
0,26
|
0,080155784
|
2,185248
|
25,74182
|
|
0,28
|
0,101596244
|
2,745201
|
30,34083
|
|
0,3
|
0,126036
|
3,40254
|
35,4888
|
|
0,32
|
0,153434351
|
4,168761
|
41,238
|
|
0,34
|
0,183691677
|
5,056438
|
47,64392
|
|
0,36
|
0,216651652
|
6,079284
|
54,76494
|
|
0,38
|
0,252104619
|
7,252208
|
62,66202
|
|
0,4
|
0,289792
|
8,59136
|
71,3984
|
|
0,42
|
0,329411607
|
10,11417
|
81,03923
|
|
0,44
|
0,370623726
|
11,8394
|
91,65129
|
|
0,46
|
0,413057853
|
13,78715
|
103,3026
|
|
0,48
|
0,456319933
|
15,9789
|
116,0623
|
|
0,5
|
0,5
|
18,4375
|
130
|
|
0,52
|
0,543680067
|
21,18722
|
145,1857
|
|
0,54
|
0,586942147
|
24,25371
|
161,6894
|
|
0,56
|
0,629376274
|
27,66404
|
179,5807
|
|
0,58
|
0,670588393
|
31,44665
|
198,9288
|
|
0,6
|
0,710208
|
35,63136
|
219,8016
|
|
0,62
|
0,747895381
|
40,24933
|
242,266
|
|
0,64
|
0,783348348
|
45,33304
|
266,3871
|
|
0,66
|
0,816308323
|
50,91628
|
292,2281
|
|
0,68
|
0,846565649
|
57,03404
|
319,85
|
|
0,7
|
0,873964
|
63,72254
|
349,3112
|
|
0,72
|
0,898403756
|
71,01912
|
380,6672
|
|
0,74
|
0,919844216
|
78,96221
|
413,9702
|
|
0,76
|
0,938304528
|
87,59123
|
449,2689
|
|
0,78
|
0,953863187
|
96,94657
|
486,6082
|
|
0,8
|
0,966656
|
107,0694
|
526,0288
|
|
0,82
|
0,97687236
|
118,0018
|
567,5667
|
|
0,84
|
0,98474972
|
129,7864
|
611,2533
|
|
0,86
|
0,990566137
|
142,4665
|
657,1146
|
|
0,88
|
0,994630736
|
156,0857
|
705,1714
|
|
0,9
|
0,997272
|
170,6881
|
755,4384
|
|
0,92
|
0,998823721
|
186,318
|
807,9244
|
|
0,94
|
0,999608508
|
203,0198
|
862,6317
|
|
0,96
|
0,999918718
|
220,838
|
919,5557
|
|
0,98
|
0,999994664
|
239,8168
|
978,6848
|
|
1
|
1
|
260
|
1040
|
1.4 Построение диаграмм обобщенных координат, скоростей и
ускорений
Для построения диаграмм обобщенных координат q(t), скоростей
, ускорений
следует воспользоваться зависимостями [2]:
qi(t)= ζi (k) · qи,i; i =1,2,3
= δi(k) · qи,i/ tu; i=1,2,3
= ξi(k)
· qи,i /t2и; i=1,2,3
qи,i= qк i - qн i; i=1,2,3 t = k · tи,
где qн i и qк i - соответственно
начальное и конечное значения i-й обобщенной координаты.
Табл. 3
|
Время движения
|
Начальные и
конечные значения обобщенных координат
|
|
q1н
|
q1к
|
q2н
|
q3н
|
q3к
|
|
10
|
0
|
45
|
1300
|
1400
|
80
|
160
|
Построение диаграмм по обобщенным координатам.
Первая степень подвижности.
|
g
|
t
|
q(t)
|

|
|
|
45
|
0
|
0
|
0
|
0
|
|
45
|
0,2
|
0,00024
|
0,004931
|
0,073446
|
|
45
|
0,4
|
0,003658
|
0,038668
|
0,286348
|
|
45
|
0,6
|
0,017617
|
0,128189
|
0,630145
|
|
45
|
0,8
|
0,052933
|
0,299097
|
1,099613
|
|
45
|
1
|
0,12276
|
0,57627
|
1,69272
|
|
45
|
1,2
|
0,241617
|
0,984489
|
2,410485
|
|
45
|
1,4
|
0,424524
|
1,54903
|
3,256829
|
|
45
|
1,6
|
0,686263
|
2,296232
|
4,238431
|
|
45
|
1,8
|
1,040744
|
3,254033
|
5,364582
|
|
45
|
2
|
1,50048
|
4,45248
|
6,64704
|
|
45
|
2,2
|
2,076157
|
5,924204
|
8,099888
|
|
45
|
2,4
|
2,776296
|
7,704874
|
9,739384
|
|
45
|
2,6
|
3,60701
|
9,833616
|
11,58382
|
|
45
|
2,8
|
4,571831
|
12,35341
|
13,65337
|
|
45
|
3
|
5,67162
|
15,31143
|
15,96996
|
|
45
|
3,2
|
6,904546
|
18,75942
|
18,5571
|
|
45
|
3,4
|
8,266125
|
22,75397
|
21,43976
|
|
45
|
3,6
|
9,749324
|
27,35678
|
24,64422
|
|
45
|
3,8
|
11,34471
|
32,63494
|
28,19791
|
|
45
|
4
|
13,04064
|
38,66112
|
32,12928
|
|
45
|
4,2
|
14,82352
|
45,51378
|
36,46765
|
|
45
|
4,4
|
16,67807
|
53,27732
|
41,24308
|
|
45
|
4,6
|
18,5876
|
62,04219
|
46,48619
|
|
45
|
4,8
|
20,5344
|
71,90504
|
52,22805
|
|
45
|
5
|
22,5
|
82,96875
|
58,5
|
|
45
|
5,2
|
24,4656
|
95,34248
|
65,33355
|
|
45
|
5,4
|
26,4124
|
109,1417
|
72,76021
|
|
45
|
5,6
|
28,32193
|
124,4882
|
80,81132
|
|
45
|
5,8
|
30,17648
|
141,5099
|
89,51795
|
|
45
|
6
|
31,95936
|
160,3411
|
98,91072
|
|
45
|
6,2
|
33,65529
|
181,122
|
109,0197
|
|
45
|
6,4
|
35,25068
|
203,9987
|
119,8742
|
|
45
|
6,6
|
36,73387
|
229,1232
|
131,5026
|
|
45
|
6,8
|
38,09545
|
256,6532
|
143,9325
|
|
45
|
7
|
39,32838
|
286,7514
|
157,19
|
|
45
|
7,2
|
40,42817
|
319,586
|
171,3002
|
|
45
|
7,4
|
41,39299
|
355,3299
|
186,2866
|
|
45
|
7,6
|
42,2237
|
394,1606
|
202,171
|
|
45
|
7,8
|
42,92384
|
436,2596
|
218,9737
|
|
45
|
8
|
43,49952
|
481,8125
|
236,713
|
|
45
|
8,2
|
43,95926
|
531,0083
|
255,405
|
|
45
|
8,4
|
44,31374
|
584,039
|
275,064
|
|
45
|
8,6
|
44,57548
|
641,0991
|
295,7016
|
|
45
|
8,8
|
44,75838
|
702,3854
|
317,3271
|
|
45
|
9
|
44,87724
|
768,0963
|
339,9473
|
|
45
|
9,2
|
44,94707
|
838,4309
|
363,566
|
|
45
|
9,4
|
44,98238
|
913,5893
|
388,1843
|
|
45
|
9,6
|
44,99634
|
993,7711
|
413,8001
|
|
45
|
9,8
|
44,99976
|
1079,175
|
440,4082
|
|
45
|
10
|
45
|
1170
|
468
|
Вторая степень подвижности
|
g
|
t
|
q(t)
|

|
|
|
100
|
0
|
0
|
0
|
0
|
|
100
|
0,2
|
0,000534
|
0,010957
|
0,163213
|
|
100
|
0,4
|
0,008128
|
0,085928
|
0,63633
|
|
100
|
0,6
|
0,039149
|
0,284865
|
1,400323
|
|
100
|
0,8
|
0,117628
|
0,66466
|
2,443583
|
|
100
|
1
|
0,2728
|
1,2806
|
3,7616
|
|
100
|
1,2
|
0,536926
|
2,187753
|
5,356634
|
|
100
|
1,4
|
0,943386
|
3,442289
|
7,237399
|
|
100
|
1,6
|
1,525028
|
5,102738
|
9,418736
|
|
100
|
1,8
|
2,312764
|
7,231185
|
11,92129
|
|
100
|
2
|
3,3344
|
9,8944
|
14,7712
|
|
100
|
2,2
|
4,613681
|
13,1649
|
17,99975
|
|
100
|
2,4
|
6,169547
|
17,12194
|
21,64308
|
|
100
|
2,6
|
8,015578
|
21,85248
|
25,74182
|
|
100
|
2,8
|
27,45201
|
30,34083
|
|
100
|
3
|
12,6036
|
34,0254
|
35,4888
|
|
100
|
3,2
|
15,34344
|
41,68761
|
41,238
|
|
100
|
3,4
|
18,36917
|
50,56438
|
47,64392
|
|
100
|
3,6
|
21,66517
|
60,79284
|
54,76494
|
|
100
|
3,8
|
25,21046
|
72,52208
|
62,66202
|
|
100
|
4
|
28,9792
|
85,9136
|
71,3984
|
|
100
|
4,2
|
32,94116
|
101,1417
|
81,03923
|
|
100
|
4,4
|
37,06237
|
118,394
|
91,65129
|
|
100
|
4,6
|
41,30579
|
137,8715
|
103,3026
|
|
100
|
4,8
|
45,63199
|
159,789
|
116,0623
|
|
100
|
5
|
50
|
184,375
|
130
|
|
100
|
5,2
|
54,36801
|
211,8722
|
145,1857
|
|
100
|
5,4
|
58,69421
|
242,5371
|
161,6894
|
|
100
|
5,6
|
62,93763
|
276,6404
|
179,5807
|
|
100
|
5,8
|
67,05884
|
314,4665
|
198,9288
|
|
100
|
6
|
71,0208
|
356,3136
|
219,8016
|
|
100
|
6,2
|
74,78954
|
402,4933
|
242,266
|
|
100
|
6,4
|
78,33483
|
453,3304
|
266,3871
|
|
100
|
6,6
|
81,63083
|
509,1628
|
292,2281
|
|
100
|
6,8
|
84,65656
|
570,3404
|
319,85
|
|
100
|
7
|
87,3964
|
637,2254
|
349,3112
|
|
100
|
7,2
|
89,84038
|
710,1912
|
380,6672
|
|
100
|
7,4
|
91,98442
|
789,6221
|
413,9702
|
|
100
|
7,6
|
93,83045
|
875,9123
|
449,2689
|
|
100
|
7,8
|
95,38632
|
969,4657
|
486,6082
|
|
100
|
8
|
96,6656
|
1070,694
|
526,0288
|
|
100
|
8,2
|
97,68724
|
1180,018
|
567,5667
|
|
100
|
8,4
|
98,47497
|
1297,864
|
611,2533
|
|
100
|
8,6
|
99,05661
|
1424,665
|
657,1146
|
|
100
|
8,8
|
99,46307
|
1560,857
|
705,1714
|
|
100
|
9
|
99,7272
|
1706,881
|
755,4384
|
|
100
|
9,2
|
99,88237
|
1863,18
|
807,9244
|
|
100
|
9,4
|
99,96085
|
2030,198
|
862,6317
|
|
100
|
9,6
|
99,99187
|
2208,38
|
919,5557
|
|
100
|
9,8
|
99,99947
|
2398,168
|
978,6848
|
|
100
|
10
|
100
|
2600
|
1040
|
Третья степень подвижности
|
gtq(t)
|
|
|
|
|
|
80
|
0
|
0
|
0
|
0
|
|
80
|
0,2
|
0,000427
|
0,008766
|
0,130571
|
|
80
|
0,4
|
0,006503
|
0,068743
|
0,509064
|
|
80
|
0,6
|
0,031319
|
0,227892
|
1,120258
|
|
80
|
0,8
|
0,094102
|
0,531728
|
1,954867
|
|
80
|
1
|
0,21824
|
1,02448
|
3,00928
|
|
80
|
1,2
|
0,429541
|
1,750202
|
4,285307
|
|
80
|
1,4
|
0,754709
|
2,753831
|
5,789919
|
|
80
|
1,6
|
1,220022
|
4,08219
|
7,534988
|
|
80
|
1,8
|
1,850211
|
5,784948
|
9,537034
|
|
80
|
2
|
2,66752
|
7,91552
|
11,81696
|
|
80
|
2,2
|
3,690945
|
10,53192
|
14,3998
|
|
80
|
2,4
|
4,935638
|
13,69755
|
17,31446
|
|
80
|
2,6
|
6,412463
|
17,48198
|
20,59346
|
|
80
|
2,8
|
8,1277
|
21,96161
|
24,27266
|
|
80
|
3
|
10,08288
|
27,22032
|
28,39104
|
|
80
|
3,2
|
12,27475
|
33,35009
|
32,9904
|
|
80
|
3,4
|
14,69533
|
40,4515
|
38,11514
|
|
80
|
3,6
|
17,33213
|
48,63427
|
43,81195
|
|
80
|
3,8
|
20,16837
|
58,01767
|
50,12962
|
|
80
|
4
|
23,18336
|
68,73088
|
57,11872
|
|
80
|
4,2
|
26,35293
|
80,91339
|
64,83139
|
|
80
|
4,4
|
29,6499
|
94,71523
|
73,32103
|
|
80
|
4,6
|
33,04463
|
110,2972
|
82,64212
|
|
80
|
4,8
|
36,50559
|
127,8312
|
92,84986
|
|
80
|
5
|
40
|
147,5
|
104
|
|
80
|
5,2
|
43,49441
|
169,4977
|
116,1485
|
|
80
|
5,4
|
46,95537
|
194,0297
|
129,3515
|
|
80
|
5,6
|
50,3501
|
221,3124
|
143,6646
|
|
80
|
5,8
|
53,64707
|
251,5732
|
159,143
|
|
80
|
6
|
56,81664
|
285,0509
|
175,8413
|
|
80
|
6,2
|
59,83163
|
321,9946
|
193,8128
|
|
80
|
6,4
|
62,66787
|
213,1097
|
|
80
|
6,6
|
65,30467
|
407,3302
|
233,7825
|
|
80
|
6,8
|
67,72525
|
456,2723
|
255,88
|
|
80
|
7
|
69,91712
|
509,7803
|
279,449
|
|
80
|
7,2
|
71,8723
|
568,153
|
304,5337
|
|
80
|
7,4
|
73,58754
|
631,6977
|
331,1761
|
|
80
|
7,6
|
75,06436
|
700,7299
|
359,4151
|
|
80
|
7,8
|
76,30905
|
775,5726
|
389,2866
|
|
80
|
8
|
77,33248
|
856,5555
|
420,823
|
|
80
|
8,2
|
78,14979
|
944,0147
|
454,0534
|
|
80
|
8,4
|
78,77998
|
1038,291
|
489,0026
|
|
80
|
8,6
|
79,24529
|
1139,732
|
525,6917
|
|
80
|
8,8
|
79,57046
|
1248,685
|
564,1371
|
|
80
|
9
|
79,78176
|
1365,504
|
604,3507
|
|
80
|
9,2
|
79,9059
|
1490,544
|
646,3395
|
|
80
|
9,4
|
79,96868
|
1624,159
|
690,1053
|
|
80
|
9,6
|
79,9935
|
1766,704
|
735,6445
|
|
80
|
9,8
|
79,99957
|
1918,534
|
782,9478
|
|
80
|
10
|
80
|
2080
|
832
|
1.5 Решение прямой и обратной задачи кинематики манипулятора
геометрическим способом
В робототехнике, есть две основные задачи кинематики: прямая и
обратная.
Прямая задача - это вычисление положения (Xp, Yp, Zp) рабочего органа манипулятора по его кинематической схеме
и значениях обобщенных координат (q1, q2… qn), где n - число степеней свободы
манипулятора, q - обобщенные координаты.
Обратная задача - это вычисление величин обобщенных координат (q1, q2… qn) по заданному положению (Xp, Yp, Zp) рабочего органа при известной схеме кинематики робота.
Таким образом, решение прямой задачи говорит о том, где будет
находиться рабочий орган робота, при заданных углах его суставов, а обратная
задача - как нужно «вывернуться» роботу, чтобы его рабочий орган оказался в
заданном положении.
Прямую и обратную задачи кинематики робота будем решать
геометрически, для этого изобразим кинематическую схему робота, обобщенные
координаты его звеньев qn,
их длины ln и привяжем к манипулятору систему
координат X, Y, Z, обозначив координаты рабочего органа Xp, Yp, Zp.
1.6 Построение траектории движения схвата
|
t
|
g1
|
g2
|
g3
|
x
|
y
|
z
|
|
0
|
0
|
0
|
0
|
500
|
0
|
0
|
|
1
|
0,123
|
0,27
|
0,22
|
500,2188
|
1,073849
|
0,27
|
|
2
|
1,5
|
3,33
|
2,67
|
502,4977
|
13,15837
|
3,33
|
|
3
|
5,67
|
12,6
|
10,08
|
507,5844
|
50,39525
|
12,6
|
|
4
|
13,04
|
28,9
|
23,18
|
509,6886
|
118,0458
|
28,9
|
|
5
|
22,5
|
50
|
40
|
498,8949
|
206,6491
|
50
|
|
6
|
31,9
|
71,02
|
56,82
|
472,7244
|
294,245
|
71,02
|
|
7
|
39,32
|
87,39
|
69,92
|
440,901
|
361,1304
|
87,39
|
|
8
|
43,49
|
96,66
|
77,33
|
418,8497
|
397,3347
|
96,66
|
|
9
|
44,88
|
99,73
|
79,78
|
410,8241
|
409,1068
|
99,73
|
|
10
|
45
|
100
|
80
|
410,1219
|
410,1219
|
100
|
2.
Динамическое исследование робота
Манипулятор представляет собой механизм с несколькими
степенями свободы с голономными связями, потому воспользуемся уравнениями
Лагранжа второго рода для составления уравнений движения.
Уравнения Лагранжа второго рода применительно к исследуемой
манипуляционной системе примут вид [9]

(1)
Кинетическая энергия системы при неподвижном основании определится
по формуле[9]:
T= T1+T2+ T3+ T4 (2)
где T1, T2, T3, T4 -
кинетические энергии звеньев 1, 2, 3, 4 соответственно, совершающих движение.
Составим расчетную схему для построения динамической модели, с
изображенными силами действия приводов, силами трения и обобщенными
координатами.
Введем следующие массы конструктивных элементов:





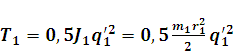
Так как звено 1 совершает вращательное движение по оси Z, то получаем:

(3)
Звено 2 совершает поступательное движение в плоскости ZX, то получаем

(4)
Звено 3 совершает пространственное поступательное движение по осям
X, Y, Z, то получаем:

(5)
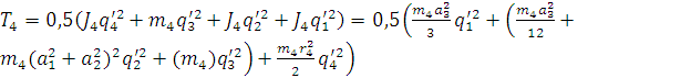
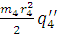
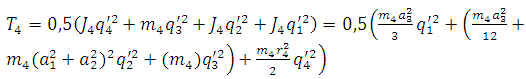
И звено 4 совершает вращательное движение по оси X, то получаем

(6)
Подставляя результаты (3), (4), (5), (6) в (2), получаем
T=0.5 (J1+J2+J3+J4) q1’2+0,5 (J2+J3+J4) q2’2+0.5
(m3+m4) q3’2+0.5J4q4’2 (7)
Поочередно сообщая системе возможные приращения δq1, δq2, δq3, δq4 соответствующие обобщенным координатам q1, q2, q3, q4 определим по формуле (8) соответствующие обобщенные силы

[2] (8)


; (9)










;
Q2=












=












(10)










;
Q3=
















(11)







;
Q4= 









(12)
Где М1, М2, М4-момент силы
привода, действующий на звенья 1,2,4; МТ1, МТ3, МТ4 момент
сил трения, действующего на звенья 1,2,4. F3 - сила привода,
действующего на звено 3; FТ3 - сила трения при движении по осям
звена 3; G2, G3, G4, Gгр - силы тяжести, действующие соответственно на звено 2, 3, 4 и
груз.
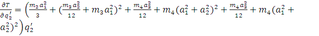
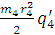
Определим частные производные от кинетической энергии по
обобщенным координатам и обобщенным скоростям:

(13)

(14)

=(m3+m4
(15)

= 
(16)

=0 (17)
Подставляя полученные значения (9), (10), (11), (12), (13), (14),
(15), (16) в уравнения Лагранжа (1), получим

= М1-МT1

=













(m3+m4
= 








= 




Если в задаче требуется найти движение системы, то
интегрируют уравнения Лагранжа и определяют по начальным условиям произвольные
постоянные интегрирования.
Если в задаче требуется определить неизвестные реакции, то
после нахождения из уравнений Лагранжа следует применить принцип
освобождаемости к соответствующим телам системы и воспользоваться основным
уравнением динамики, либо принципом Даламбера, либо общим уравнением динамики.
3.
Построение рабочей зоны мехатронного устройства
.1
Рабочая зона мехатронного устройства
Рабочее пространство промышленного робота
- пространство, в котором может находиться мехатронное устройство.
Рабочая зона мехатронного устройства -
пространство, в котором может находиться рабочий орган (например, рука) при
функционировании мехатронного устройства.
Рабочая зона ограничивается сложной
поверхностью огибающая все возможные положения. Рабочая зона оценивается
объёмом формы, которые определяют функциональные возможности манипулятора.
Знание границ рабочей зоны необходимо для сравнительной оценки двигательных
возможностей различных конечностей манипулятора.
Для выявления рабочей зоны необходимо:
1. Структурная компоновка схемы, то
есть число, взаимно расположенных степеней подвижности.
2. Ограничение на перемещение по
степеням подвижности.
. Геометрические размеры звеньев
кинематической цепи манипулятора.
3.2
Последовательность построения рабочей зоны исследуемого мехатронного устройства
Для построения рабочей зоны придадим перемещения по
обобщенным координатам q1, q2, q3 от крайних минимальных до крайних максимальных
значений.
Если обобщенным координатам q1 и q2 придать фиксированные
границы и минимальное значение (q1=0°, q2=1098 мм) а обобщенную координату q3 изменять в пределах от
минимального до максимального значений (от 18 мм до 780 мм), то мы получим
границу A’B’.
Если обобщенным координатам q1 и q2 придать фиксированные
границы и q1 придать максимальное (240°), а q2 минимальное значения (1098 мм), а обобщенную координату q3 изменять в пределах от
максимального до минимального значений (от 18 мм до 780 мм), то мы получим
границу AB.
Если обобщенным координатам q2 и q3 придать фиксированные границы
и q2 минимальное значение
(1098 мм), а
q3 максимальное значение
(780 мм) и обобщенную
координату q1 изменять в пределах от минимального до максимального значений (от
0° до 270°), то мы получим границу BB’.
Если обобщенным координатам q2 и q3 придать фиксированные
границы и q2 минимальное значение (1098 мм), а q3 минимальное значение (18 мм) и обобщенную координату q1 изменять в пределах от
минимального до максимального значений (от 0° до 240°), то мы получим границу AA’.
Если обобщенным координатам q1 и q3 придать фиксированные
границы и максимальные значения (q1=240°, q3=780 мм), а обобщенную координату q2 изменять в пределах от
минимального до максимального значений (от 1098 мм до 1860 мм), то мы получим
границу BD.
Если обобщенным координатам q1 и q3 придать фиксированные
границы и q1 максимальное значение (240°) q3 минимальное значение (18 мм), а обобщенную координату q2 изменять в пределах от
минимального до максимального значений (от 1098 мм до 1860 мм), то мы получим
границу АС.
Если обобщенным координатам q1 и q3 придать фиксированные
границы и минимальные значения (q1=0°, q3=18 мм), а обобщенную координату q2 изменять в пределах от
минимального до максимального значений (от 1098 мм до 1860 мм), то мы получим
границу А’С.
Если обобщенным координатам q1 и q3 придать фиксированные
границы и q1 минимальное значение (0°), q3 максимальное значение (780 мм), а обобщенную координату q2 изменять в пределах от минимального до
максимального значений, то мы получим границу B’D.
4. Разработка структурной схемы микропроцессорной
системы управления
.1 Состав структурной схемы микропроцессорной
системы управления
Структурная схема системы управления роботом включает:
Персональный компьютер системы управления верхнего уровня;
Технологическое оборудование.
4.2 Описания робота, как объекта управления
Основные характеристики:
- масса, кг: 590;
число степеней подвижности: 4;
габаритные размеры 1800х690х1860
скорости линейных перемещений звеньев системы, м/с: 0,6;
скорости угловых перемещений звеньев системы, ˚/с: 35;
время разгона / торможения линейного перемещения, с: 0,3;
время разгона / торможения углового перемещения, с: 0,3;
полная масса 1 звена m1, кг: 340;
полная масса 2 звена m2, кг: 140;
полная масса 3 звена m3, кг: 80;
- полная масса 4 звена m4, кг: 60;
- грузоподъемность mг, кг: 50;
напряжение питания трехфазное, В: ~380;
рабочий диапазон температур,°С: 0-60;
система управления: на базе рабочей станции;
тип системы управления: контурная;
· Обобщённые координаты:
§ q1 - изменение положения первого звена, которое
совершает вращательное движение вокруг оси Z (0°…135°),
§ q2 - изменение положения второго звена, которое
совершает поступательное движение в цилиндрической системе координат (+1098
мм…+1860 мм),
§ q3 - изменение положения третьего звена, которое
совершает поступательное движение (+50 мм…+780 мм),
§ q4- изменение положения четвертого звена, которое
совершает вращательное движение вокруг совей оси (-120°…120°).
ФЭП: Encoder300 предназначен для контроля за перемещением,
путем преобразования информации, поступающей от фотоэлектрических
преобразователей серводвигателей, в цифровой код ЭВМ;
Конечные выключатели (SQ1 φ1+, SQ2 φ1-, SQ3 φ2+, SQ4 φ2-, SQ5 S+,
SQ6 S-, SQ7 φ3+, SQ8 φ3-): отвечают за предельные значения положения каждого звена
манипулятора;
Датчики начала отсчета (SQ9 φ10, SQ10 φ20, SQ11 S0, SQ12 φ30):данные датчики определяют положение манипулятора в начальной
системе отсчета;
Датчики рабочей зоны (SQ13 φ1р1, SQ14 φ1р2, SQ15 φ2р1, SQ16 φ2р2,
SQ17 Sр1, SQ18 Sр2, SQ19 φ3р1, SQ20 φ3р2): отвечают за значения каждого звена манипулятора;
Датчики схвата (SQ21, SQ22): определяют состояние
схвата (зажим / разжим);
Датчик наличия детали в схвате SQ23;
Датчик давления в пневмосети SP1.
4.3 Назначение элементов системы управления
Используем промышленный компьютер «Корвет» фирмы TC-CKH с процессорной платой PCA-6184E2, предназначенную
для управления производственными и технологическими процессами в масштабах
производственного участка, цеха или завода, способную круглосуточно работать в
условиях запыленности, больших перепадов температуры и влажности, вибрации.
Основные характеристики рабочей станции:
Процессор: Intel Pentium 4 2.8GHz;
Слоты расширения: 10xPCI, 2xISA;
COM порты: 2xRS232;
- Чипсет: Intel 845E 400 MHz FSB;
- Оперативная память: 4 Gb SDRAM;
Жесткий диск: ATA 80Gb;
- Видео: Ati Rage 128, AGP, 8 Mb SGRAM;
LAN: 10/100 Base-T Ethernet;
FDD, CD
- USB: 2xUSB 1.0
- уровень влажности - 5 ~ 85% RH @ 40° C,
рабочая температура - 0 ~ 50° C,
температура хранения -20 ~ 60° C.
4.4 Выбор периферийного оборудования
Выбор сервоприводов
На основе проектировочного расчета мощностей приводов были
выбраны серводвигатели серии HF-Sp фирмы Mitsubishi Electric:
· 7000 Вт, HF-SP702B
· 5000 Вт, HF-SP502B
Для данных серводвигателей были подобраны сервоусилители
серии MR-J3-700A и MR-J3-500A,
MR-J3-A - это универсальный сервоусилитель с аналоговыми входами,
импульсным интерфейсом по умолчанию; предназначен для традиционных систем
регулирования скорости, положения и вращающего момента. Диапазон мощностей
составляет от 100 Вт (MR-J3-10A) до 7 кВт (MR-J3-700A).
Выбор модулей
Подключаемые модули выбираем с интерфейсом PCI и ISA, так как рабочая станция
имеет шину PCI и ISA.
ISA модуль трехкоординатного квадратурного шифратора
используется для подключения Encoder300.
Encoder300 предназначен для контроля за перемещением,
путем преобразования информации, поступающей от фотоэлектрических
преобразователей серводвигателей, в цифровой код ЭВМ.
Таким данный модуль замыкает обратные связи по положению
следящей системы приводов.
Серводвигатели имеют встроенный энкодер с разрешением 2048
имп/об и отдельно выведенными выходными сигналами A, B, Z. Данные выводы
подключаются к модулю, и при подаче питания происходит определения положения
вала двигателя.
Конструкция
· Конструкция: Адаптер ISA
Интерфейс
· Интерфейс: ISA
Количество контролируемых осей
· Координатных осей: 3
Импульсные входы шифратора
· Импульсных входов на координату: 3
· Входные сигналы: Фаза А, Фаза В, Метка (Z)
· Тип входов: Дифференциальный, КМОП
· Разрядность счетчика: 16 бит
· Максимальная входная частота: 1 МГц
· Режимы шифратора: Квадратурный, Больше /
Меньше, Импульс / Направление
PCI-1710 фирмы Advantech
PCI модуль вывода управляющих сигналов
Модуль вывода дискретных управляющих сигналов предназначен
для формирования дискретных сигналов типа «вкл./выкл.» на исполнительные
устройства или управляющих сигналов для приводов.
Манипулятор имеет пневмоцилиндр для зажима\разжима схвата,
который имеет два канала дискретного управления, а так же в стойки силовой
автоматики находится контактор, управляющий напряжением в сети, он имеет один
канал дискетного управления.
Поэтому выбранный модуль вполне подходит для управления
данными устройствами.
Конструкция
· Конструкция: Адаптер PCI
Интерфейс
· Интерфейс: PCI
Дискретные входы
· Кол-во каналов: 8
· Входные характеристики:
§ Низкий: 0.8 В макс.
§ Высокий: 2.0 В мин.
Дискретные выходы
· Кол-во каналов: 16
· Выходные характеристики:
§ Низкий: 0.8 В макс. @ 8.0 мА
§ Высокий: 2.0 В мин. @ -0.4 мА
PCI-720 фирмы Advantech
Модуль вывода дискретных сигналов гальванически развязывает и
согласует сигналы ЭВМ с сигналами, приходящими от различных датчиков
технологического оборудования или приводов.
В нашей системе находится 19 датчиков, а также кнопка
аварийного выключения.
Конструкция
· Конструкция: Адаптер ISA
Интерфейс
· Интерфейс: ISA
Дискретные входы
· Кол-во каналов: 32
· Гальваническая развязка: 2500 В
· Частота сигнала: до 10 кГц
· Работа по прерыванию
PCI-1721 фирмы Advantech
PCI модуль вывода аналоговых сигналов
Основные
характеристики PCI-1721
· 4 канала, 12 разрядов
· Буфер FIFO на 1К отсчётов
для каждого канала
· Диапазоны выходного
сигнала PCI-1721: ±10, ±5, 0…10, 0…5 В
· Скорость выдачи данных
PCI-1721: до 10 МГц
· 16 каналов цифрового
ввода-вывода (TTL)
· Один 16-разрядный счётчик
· Автокалибровка PCI-1721
· Шина PCI-1721: PCI
PCI-1724 фирмы Advantech
PCI модуль вывода дискретных управляющих сигналов
Основные
характеристики PCI-1724
· 32 канала, 14 разрядов
· Напряжение изоляции
PCI-1724U: 1500 В
· Выходные сигналы
PCI-1724U: ±10 В, 0…20 мА, 4…20 мА
· Время установления
сигнала 60 мкс
· Режим синхронизации
выходов PCI-1724U
· Функция сохранения
значения выходного сигнала PCI-1724U при перезагрузке системы
PCI-1784 фирмы Advantech
PCI модуль измерительных преобразователей
Основные
характеристики PCI-1784U
· 4 независимых канала для
подключения энкодеров
· 32-разрядое разрешение
для каждого канала
· Максимальная входная
частота PCI-1784U: 2 МГц
· Цифровой фильтр 4-го
порядка
· Режимы счета PCI-1784U:
квадратурный, реверсивный, с заданием направления счета
· Напряжение изоляции
PCI-1784U: 2500 В пост. тока
· 8-разрядный таймер
· 4 канала дискретного
ввода и 4 канала дискретного вывода
· Шина PCI-1784U: Universal
PCI
5. Расчет мощностей приводов
Приводы манипуляторов содержат силовые двигатели,
передаточные механизмы к исполнительным звеньям, усилительно-преобразовательные
устройства, воспринимающие сигналы системы управления и датчиков внешней и
внутренней информации с целью формирования управляющих силовых воздействий,
развивающих минимально необходимую мощность. Скорости перемещений конечного
звена манипулятора при отработке отдельных степеней подвижности устанавливают в
соответствии с требуемой производительностью.
В первом приближении пренебрежем силами трения и найдем из
уравнений Лагранжа силы приводов F1, F2 и F3 [9]:
F1=(J1+J2+J3+J4)*q1’’
F2=(J2+J3+J4)*q2’’+ G2+G3+G4+Gгр;
F3=(m3+m4)*q3’’
+G3+G4+Gгр4= J4*q4’+ G4+Gгр
Максимальное ускорение будет происходить на участке: 0 - tp,
где tр - время разгона звена,
vp - скорость линейных перемещений звеньев;
wp - скорость угловых перемещений звеньев.
Соответственно прилагаемая сила привода будет максимальна, и
мощность, расходуемая приводом тоже.
Рассчитаем ускорение, придаваемое звеньям 1 и 3 во время
разгона [6]:
;
и ускорение, придаваемое звену 2 во время разгона [6]:
.
Приближенно рассчитаем мощность привода, пренебрегая типом
привода, потерями мощностей в передачах и параметрами режима работы:
- для звена 2, 3, совершающего поступательное движение;
- для звена 1, и 4, совершающего вращательное движение [9],
где
=1,2;
=0,55.
Подставляя исходные данные в уравнение, получим:
P1=(J1+J2+J3+J4) q1’’
=(
) q1’’
=6140.8 Вт
P2=((J2+J3+J4)*q2’’+G2+G3+G4+Gгр)
=













= 4195.7 Вт
P3=((m3+m4
+







)
=3994.22 Вт
P4=(J4*q4’+G4+Gгр)
=((
)*q4




)
=3861.56 Вт
Исполнительные двигатели, с одной стороны, определяют энергетические,
свойства робота, а с другой - его динамические свойства. Дело в том, что
никакие корректирующие устройства не смогут обеспечить требуемые вращающие
моменты, скорости и ускорения нагрузки, если они не обеспечены энергетикой
двигателя.
Для электрических следящих приводов в качестве исполнительных
двигателей наиболее распространены двигатели постоянного тока с независимым
возбуждением, управляемые от малогабаритных и малоинерционных тиристорных и
транзисторных усилителей мощности.
Наиболее перспективны для роботов электродвигатели с печатным
цилиндрическим и дисковым ротором и гладким ротором, которые имеют малый
момент инерции и повышенную перегрузочную способность. Передача движения
от двигателей к звеньям манипулятора обычно осуществляется с помощью различных
редукторов.
По потребной мощности из каталогов выбирают близкий по
мощности двигатель. При прочих равных условиях лучшим из двигателей данной
мощности считается тот, у которого наибольший номинальный вращающий момент,
минимальный момент инерции ротора, меньшие масса и габаритные размеры.
Для выбранного двигателя из каталога нужно выписать следующие
данные: номинальную угловую скорость вращения ротора; номинальный вращающий
момент.
Для роботов с электрическими приводами используют, как
правило, двигатели малой и средней мощности до нескольких киловатт. Для таких
двигателей иногда пренебрегают электромагнитными процессами в цепи якоря по
сравнению с электромеханическими процессами, связанными с разгоном вала
двигателя.
Заключение
В выполненной выпускной квалификационной работе был
исследован робот с четырьмя кинетическими парами с микропроцессорной системой
централизованного контурного управления. Устройство предназначено для
выполнения вспомогательных операций в машиностроении и обладает следующими
показателями назначения:
габаритные размеры, мм 1800х690х1860
масса, кг 590 кг
число степеней подвижности 4
скорости линейных перемещений системы, м/с 0,6
скорости угловых перемещений системы, ˚/с 35
время разгона / торможения линейного перемещения, м/с 0,3
время разгона / торможения углового перемещения, рад/с 0,25
напряжение питания трехфазное ~380 В
рабочий диапазон температур 0-70° С
система управления на базе промышленной станции
тип системы управления: контурная
тип концевых выключателей: контактные
ЖКИ-монитор.
Библиографический список
1. Хомченко В.Г., Соломин В.Ю. Мехатронные и робототехнические
системы. учеб. пособие - Омск: Изд-во ОмГТУ, 2008. - 160 с.
2. Хомченко В.Г., Соломин В.Ю. Исследование движений
манипулятора промышленных роботов. метод. указания к практ. занятиям по
дисциплине «Основы мехатроники» и УНИРС / ОмГТУ, 2007. - 18 с.
3. Хомченко В.Г., Соломин В.Ю. Автоматизированное решение
прямой задачи кинематики манипуляторов роботов на ПЭВМ: метод. указания к
лаб.-практ. работам по учеб. дисциплине «Мехатронные и робототехнические
системы» для специальностей 220301 и 220401 / ОмГТУ, 2007. - 36 с.
4. Компанейц А.Н. Схемотехника систем управления. Методические
указания для выполнения курсового проекта и СРС. - Омск: Изд-во ОмГТУ, 2007. -
52 с.
5.
Компанейц А.Н. Микропроцессорные системы управления. Конспект лекций. - Омск:
Изд-во ОмГТУ, 2007. - 88 с.
.
Компанейц А.Н. Схемотехника средств автоматизации. Конспект лекций. - Омск:
Изд-во ОмГТУ, 2007. - 104 с.
.
Федотов А.В. Составление технического задания: Методические указания.-Омск:
Изд-во ОмГТУ, 1999. - 24 с.
.
Козырев Ю.Г. Промышленные роботы: Справочник. - М.: Машиностроение, 1983.
.
Мальцев В.Г. Динамический анализ манипуляторов промышленных роботов. -
ОмГТУ, 1998. - 20 с.
10. Тарг
С.М. Краткий курс теоретической механики. - М.: Высшая школа, 1986.-416 с.