Электромеханические переходные процессы
Введение
Переходные процессы возникают в электрических
системах как при нормальной эксплуатации (включение и отключение нагрузок,
источников питания, отдельных цепей, производство испытаний и пр.), так и в
аварийных условиях (обрыв нагруженной цепи или отдельной ее фазы, короткое
замыкание, выпадение машины из синхронизма и т.д.).
При любом переходном процессе происходит в той
или иной мере изменение электромагнитного состояния элементов системы и
нарушение баланса между моментом на валу каждой вращающейся машины и
электромагнитным моментом.
В результате этого нарушения соответственно
изменяются скорости вращения машин, т.е. некоторые машины испытывают
торможение, в то время как другие - ускорение. Такое положение существует до
тех пор, пока регулирующие устройства не восстановят нормальное состояние, если
это вообще осуществимо при изменившихся условиях.
В данной курсовой работе рассматриваются методы
расчётов параметров электрической сети при нормальных и аварийных
электромеханических переходных процессах, возникающих при изменениях состояния
системы.
1. Исходные данные
электромеханический
генератор аварийный устойчивость
Тепловая электростанция имеет связь с шинами
бесконечной мощности с помощью двухцепной линии электропередачи и
автотрансформатора. На связи имеется промежуточный отбор мощности для
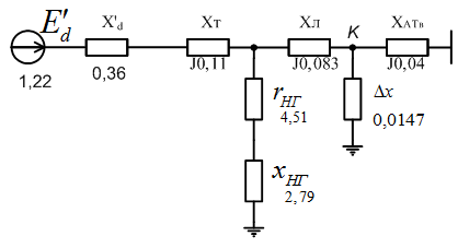
энергоснабжения района. Схема системы представлена на рисунке 1.
Рисунок 1 -Схема энергосистемы
Технические характеристики элементов системы:
Генераторы:
Трансформаторы Т:
Автотрансформатор АТ
(АОДЦТН-3*167000/500/220):
Линия W
(АС-300):
Нагрузка:
2. Расчет параметров исходного
установившегося режима работы системы
2.1 Определение
параметров схемы замещения
Расчёт производится в относительных единицах, с
приведением к одной ступени напряжения с использованием действительных
коэффициентов трансформации. За базисную мощность принята номинальная мощность
станции:
За основную ступень напряжения
принято напряжение на шинах системы:
Базисные напряжения остальных ступеней
напряжения определяются по выражению:
,
где
- произведение коэффициентов
трансформации трансформаторов связывающее ступень напряжения, параметры которой
подлежат приведению с основной ступенью напряжения.
Для ступени напряжения 220 кВ:
кВ.
Для ступени напряжения 18 кВ:
кВ.
Реактивные сопротивления генераторов приведённые
к базисным условиям.
Синхронное сопротивление по оси d:
о.е.
переходное сопротивление:
о.е.
Реактивное сопротивление трансформатора Т:
о.е.
Для определения реактивных сопротивлений
автотрансформатора необходимо определить напряжения короткого замыкания для
каждой обмотки по формулам:
% .
% .
о.е.
Так как значение напряжение
короткого замыкания обмотки среднего напряжения получилось отрицательным, то
реактивное сопротивление этой обмотки принимается равным нулю.
Реактивное сопротивление линии W:

о.е.
Активные сопротивления линий W:

о.е.
Так как
, то
активные сопротивления ЛЭП в схеме замещения можно не учитывать.
Мощность промежуточного отбора в
относительных единицах:
,
о.е.

о.е
Мощность станции относительных
единицах:
,
о.е.
,
о.е.
Составленная по вышеприведенным
данным схема замещения сети представлена на рисунке 2.
Рисунок 2- Схема замещения сети.
2.2 Расчет параметров режима
Схему замещения сети можно преобразовать в
удобный для расчётов вид.
Последовательно соединённые
сопротивления преобразуются по выражению:
Тогда,
Схема замещения примет вид:
Рисунок 3 - Преобразованная схема
замещения
где
о.е.
о.е.
Мощность поступающая к точке
нагрузки:
о.е
Мощность в начале линии:
где
- зарядная мощность ЛЭП, в данной
курсовой работе не учитывается, отсюда:
о.е
Потери реактивной мощности на
участке от места приложения нагрузки до системы:
о.е
Мощность выдаваемая в систему:
о.е
Определяется напряжение в узловых
точках в сторону генератора:
Угол поворота вектора напряжения в точке
подключения к системе:?
При известном напряжении
определяется
сопротивление нагрузки:
о.е
Определяется напряжение на зажимах
генератора:
о.е
Угол поворота вектора напряжения в
трансформаторе:
Синхронная ЭДС генератора:
Внутренний угол генератора:
Угол внешней сети (угол между
напряжениями на шинах генераторов и системы):
Полный угол электропередачи (угол
между синхронной ЭДС генератора и напряжением на шинах системы):
Переходная ЭДС генератора:
Переходный угол генератора:
Суммарный переходной угол:
Поперечная составляющая напряжения
на шинах генераторов:
Продольная составляющая напряжения
на шинах генераторов:
Поперечная составляющая переходной
ЭДС:
Продольная и поперечная составляющие
тока статора генераторов:
Полный ток статора генераторов:
Активная мощность выдаваемая
генераторами (проверка):
По данным, полученным при расчётах
строится векторная диаграмма системы, которая представлена на рисунке 4.
Рисунок 4 - Векторная диаграмма
системы
3. Расчет статической устойчивости
ЭС и определение коэффициентов запаса статической устойчивости генераторов при
различных типах АРВ
3.1 Определение собственных и
взаимных проводимостей и углов потерь для нерегулируемого генератора
При расчёте генераторов с нерегулируемым
возбуждением генераторы вводятся в схему замещения синхронным реактивным
сопротивлением и синхронной ЭДС, включённой за этим сопротивлением.
Рисунок 5 - Схема замещения
Преобразованная схема замещения
примет вид.
Рисунок 6 - Преобразованная схема
замещения
В схеме замещения:
Собственное сопротивление системы:
Взаимное сопротивление системы:

Собственный и взаимный углы потерь:
Активная мощность, выдаваемая
генератором без АРВ:
Подставив в уравнение полный угол
электропередачи, получим мощность, выдаваемую генераторами.
Предельной мощности генераторы
достигнут при угле
, тогда
предельная мощность генераторов:
Изменяя угол
от
до
, можно
получить характеристику мощности
(Рисунок 7)
Рисунок 7 - Зависимость активной
мощности выдаваемой генератором без АРВ от угла
Коэффициент запаса статической
устойчивости системы:
Реактивная мощность, выдаваемая
генератором без АРВ:
Рисунок 8 - Зависимость реактивной
мощности выдаваемой генератором без АРВ от угла
3.2 Определение собственных и
взаимных проводимостей и углов потерь для генератора с АРВ пропорционального
действия
При расчёте генераторы с АРВ пропорционального
действия вводятся в схему замещения переходным реактивным сопротивлением и
переходной ЭДС, включённой за этим сопротивлением.
Рисунок 9 - Схема замещения
Преобразованная схема замещения
примет вид.
Рисунок 10 - Преобразованная схема
замещения
Собственное сопротивление системы:
Взаимное сопротивление системы:
Собственная и взаимная проводимости:
Собственный и взаимный углы потерь:
Активная мощность, выдаваемая
генератором с АРВ пропорционального действия:
Предельной мощности генераторы
достигнут при угле
, тогда
предельная мощность генераторов:
Рисунок 11 - Зависимость активной
мощности выдаваемой генератором с АРВ пропорционального действия от угла
Коэффициент запаса статической
устойчивости системы:
.3 Определение собственных и
взаимных проводимостей и углов потерь для генератора с АРВ сильного действия
При расчётах генераторов с АРВ сильного действия
ЭДС генератора принимается равной напряжению на шинах генератора, а реактивное
сопротивление генератора равно нулю.
Рисунок 12 - Схема замещения
Преобразованная схема замещения примет вид.
Рисунок 13 - Преобразованная схема замещения
Собственное сопротивление системы:
Взаимное сопротивление системы:
Собственная и взаимная проводимости:
Собственный и взаимный углы потерь:
Активная мощность, выдаваемая генератором с АРВ
сильного действия:
Предельной мощности генераторы
достигнут при угле
, тогда
предельная мощность генераторов:
Коэффициент запаса статической
устойчивости системы:
Рисунок 14 - Зависимость активной
мощности выдаваемой генератором с АРВ сильного действия от угла
Как видно из результатов расчетов и
графиков зависимости активной мощности выдаваемой генератором от угла
. генератор
без АРВ обладает наименьшей
4. Расчёт динамической устойчивости
генераторов ТЭС и определение предельного времени отключения при двухфазном
коротком замыкании на землю в конце ЛЭП
4.1 Определение
параметров нормального режима работы системы
Схема замещения системы в нормальном режиме
работы представлена на рисунке 4.1.
Рисунок 15 - Схема замещения
Характеристика мощности генераторов для
нормального режима:

Рисунок 16 - Зависимость активной
мощности выдаваемой генератором с АРВ пропорционального действия от угла
4.2 Определение
параметров аварийного режима работы системы
Аварийный режим характеризуется двухфазным
коротким замыканием на землю в конце одной из цепей линии W
и сбросом генераторами передаваемой мощности.
Рисунок 17 - Схема замещения системы в аварийном
режиме работы
Короткое замыкание можно представить в виде
добавочного сопротивления включенного в точке КЗ. В случае двухфазного КЗ на
землю необходимо составить и рассчитать схемы замещения обратной и нулевой
последовательности.
Сопротивление обратной последовательности
генератора в относительных единицах приведённое к базисным условиям:
Сопротивление обратной
последовательности нагрузки:
Значения остальных элементов схемы замещения
обратной последовательности равны значениям элементов схемы замещения прямой
последовательности.
Схема замещения обратной последовательности
представлена на рисунке 18
Рисунок 18 - Схема замещения обратной
последовательности
После преобразований схема замещения примет вид:
Рисунок 19 - Схема замещения обратной
последовательности свёрнутая относительно точки К.З.
Сопротивление нулевой последовательности линий
принимается равным 5,5 от сопротивления прямой последовательности.
Реактивное сопротивление низшей
обмотки автотрансформатора:
% .
о.е.
Схема замещения нулевой
последовательности изображена на рисунке 20
Рисунок 20 - Схема замещения нулевой
последовательности
После преобразований схема замещения
примет вид:
Рисунок 21 - Схема замещения нулевой
последовательности свёрнутая относительно точки К.З.
При двухфазном коротком замыкании на
землю величина дополнительного сопротивления определяется по формуле:
Активной составляющей
дополнительного сопротивления можно пренебречь, тогда дополнительное
сопротивление:
Рисунок 22 - Схема замещения системы в аварийном
режиме работы
Схему замещения можно упростить:
Преобразование треугольника в звезду:
Схема замещения примет вид:
Рисунок 23 - Преобразованная схема замещения
системы в аварийном режиме работы
Рисунок 24 - Результирующая схема замещения
системы в аварийном режиме работы
Собственное сопротивление системы:
Взаимное сопротивление системы:
Собственная и взаимная проводимости:
Собственный и взаимный углы потерь:
Активная мощность, выдаваемая генератором в
аварийном режиме:
Рисунок 25 - Зависимость активной
мощности выдаваемой генератором в аварийном режиме от угла
4.3 Определение параметров
послеаварийного режима работы системы
После локализации короткого замыкания отключена
одна цепь линии W. Схема
замещения системы в послеаварийном режиме работы представлена на рисунке 26.
Рисунок 26 - Схема замещения системы в
послеаварийном режиме работы
Преобразованная схема замещения системы в
послеаварийном режиме имеет вид:
Рисунок 27 - Преобразованная схема замещения
системы в послеаварийном режиме
Собственное сопротивление системы:
Взаимное сопротивление системы:
Собственная и взаимная проводимости:
Собственный и взаимный углы потерь:
Активная мощность, выдаваемая генератором в
послеаварийном режиме:
Рисунок 28 - Зависимость активной
мощности выдаваемой генератором в послеаварийном режиме от угла
4.4 Определение предельного времени
отключения при двухфазном коротком замыкании на землю в конце ЛЭП
Предельный угол отключения:
где
Суммарный маховый момент генератора
и турбины:

Постоянная инерции в секундах:
,
где n
- номинальная частота вращения ротора.
Постоянная инерции эквивалентного агрегата при
базисных условиях:
,
где
- количество агрегатов.
Для определения предельного времени
отключения необходимо рассчитать зависимость
Расчёт производится методом
последовательных интервалов. Шаг интегрирования
Начальные условия:
1 интервал:
- момент КЗ.
Избыток мощности в момент нарушения
режима:
Приращение угла на первом шаге за
:
где
Угол к концу первого интервала:
2 интервал:
Избыток мощности к началу второго
интервала:
Приращение угла на втором интервале:
Угол к концу второго интервала:
Остальные расчёты сводятся в таблицу
1.
Таблица 1 - Результаты расчётов
зависимости
|
№
интервала
|
t,
сек
|
P,
в конце интервала
|
∆P
|
δ
в
начале интервала
|
∆δ
|
δ
в
конце интервала
|
|
0
|
0,6850
|
0,0000
|
17,3000
|
0,0000
|
17,3000
|
|
0
|
0
|
0,1708
|
0,5142
|
0,0000
|
17,3000
|
|
1
|
0,05
|
0,1708
|
0,4999
|
17,3000
|
1,4972
|
18,7972
|
|
2
|
0,1
|
0,1851
|
0,4587
|
18,7972
|
4,4086
|
23,2059
|
|
3
|
0,15
|
0,2263
|
0,3954
|
23,2059
|
7,0798
|
30,2857
|
|
4
|
0,2
|
0,2896
|
0,3184
|
30,2857
|
9,3821
|
39,6678
|
|
5
|
0,25
|
0,3666
|
0,2392
|
39,6678
|
11,2361
|
50,9040
|
|
6
|
0,3
|
0,4458
|
0,1708
|
50,9040
|
12,6292
|
63,5332
|
|
7
|
0,35
|
0,5142
|
0,1249
|
63,5332
|
13,6237
|
77,1569
|
|
8
|
0,4
|
0,5601
|
0,1106
|
77,1569
|
14,3508
|
91,5077
|
|
9
|
0,45
|
0,5744
|
0,1339
|
91,5077
|
14,9948
|
106,5025
|
|
10
|
0,5
|
0,5511
|
0,1989
|
106,5025
|
122,2772
|
На рисунке 29 представлена
зависимость изменения угла
в функции времени. Вдоль оси Y отложены
значения углов в градусах, вдоль оси X время в
секундах. Из графика видно, что при угле
, предельное время отключения
составит 0,48 сек.
Рисунок 29 - График зависимости
предельного угла отключения от времени
Заключение
После выполнения расчётов можно
сделать выводы:
Параметры генераторов оказывают
существенное влияние, как на статическую, так и на динамическую устойчивость.
Постоянная инерции существенно
влияет на динамическую устойчивость машины. Чем больше постоянная инерции, тем
медленнее изменяется скорость её ротора под действием избыточного момента. Это
увеличивает предельно допустимое время существования аварийного режима, повышая
устойчивость системы.
Автоматические регуляторы
возбуждения оказывают существенное влияние на статическую устойчивость системы.
Если выдаваемая мощность возрастает медленно, то АРВ регулирует ток возбуждения
и поддерживает постоянное напряжение на зажимах генератора. Предел мощности при
этом значительно возрастает.
Уменьшение времени отключения
короткого замыкания увеличивает запас динамической устойчивости.
Библиографический список
1. Овчинников
В.В. Переходные электромеханические процессы в электрических системах: Учебное
пособие. - Киров, 2002.