|
№ вар.
|
Н1
|
Н2
|
|
Р МВт
|
cosf
|
S МВА
|
|
500
|
0,90
|
27
|
Выбираем базисные параметры и
производим расчет параметров схемы замещения в относительных единицах:
Sб = 1000 МВА
Uб = 230 кВ
Iб
= 1000/(
×
230) = 2,51 кА
Рассчитаем
соответствующее сопротивление и ЭДС для генераторов:
Хr =Хd»
Хr»*1=Xr»*2=Xr»*3=Xr»*4 =0,21*
=0,892
Хr»*5 = Xr»*6
= 0,19*
=0,808
Еr = 1+Xd»sinf
Е»*г1=E»*г2=Е»*г3=Е»*г4= 1+ 0,21×
;
Е»*г5=Е»*г
6= 1+ 0,19×
.
Рассчитываем
соответствующее сопротивление для трансформатора:
Хт =
Для трансформаторов Т4,
Т5:
Для трансформатора Т6:
Для трансформаторов Т9,
Т10:
Рассчитаем
соответствующее сопротивление для реактора:
P1=P2=P3=PБ-10-1500-5
Рассчитаем
соответствующее сопротивления для линии:
хл1* = 0,4×80×
=
0,605;
хл2* = 0,4×130×
=
0,983;
хл3* = 0,4×160×
=
1,21;
хл4* = 0,4×90×
=
0,681;
хл5* = 0,4×95×
=
0,718;
хл6* = 0,4×45×
=
13,148;
Рассчитаем соответствующее
сопротивление для нагрузок:
Хнагр1
= 0,35×
=
0,63, хнагр2 = 0,35×
= 12,963.
Рассчитаем соответствующее
сопротивление для системы:
Sкз = 1000 МВА
Ес = 1
1.
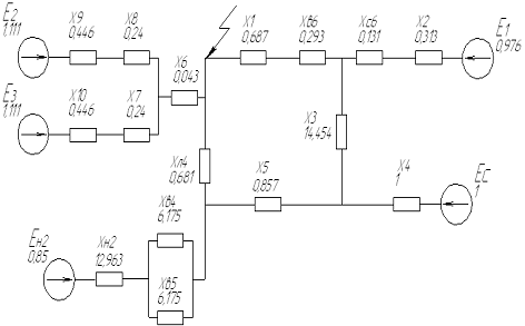
Аналитический метод
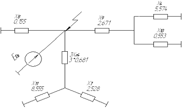
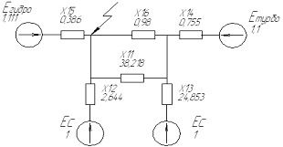
Рисунок 2

Преобразовываем
треугольник в звезду:
Рисунок 4
Х4 = Х8
= Х9 = 0,24+0,446=0,686
Х12 = Х7
= Х10 = 0,24+0,446=0,686
Х14 = Х2
= Хс6 = 0,313+0,131=0,444
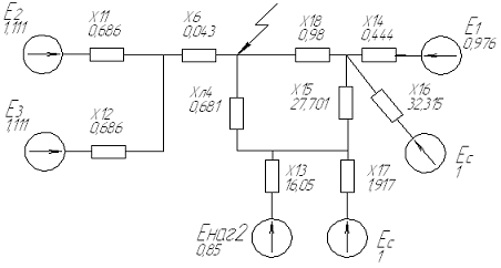
Преобразовываем звезду в
треугольник:
Рисунок 5
Преобразовываем
треугольник в звезду:
Рисунок 6
Рисунок 7
Ток в относительных
единицах:
Ток в именованных
единицах: I*n=I*n*Iб=3,985*2,51=10,003 кА
Ударный ток:
кА
2.
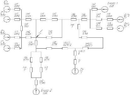
Метод расчета кривых
Рисунок 8
Рисунок 9
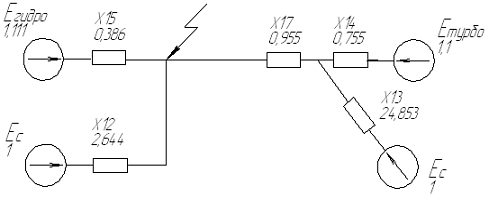
Х4=Хс9/2+Хс=0+1=1
Х5=Хл4+Хл5+Хв9/2=0,681+0,718+0,278/2=1,538
Преобразовываем
треугольник в звезду:
Рисунок 10
Преобразовываем звезду в
треугольник:
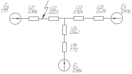
Х14=Хс6+Х2=0,131+0,624=0,755
Х16=Х1+Хв6=0,687+0,293=0,98
Рисунок 11
Преобразовываем звезду в
треугольник:
Рисунок 12
Рисунок 13
Определяем расчетные
реактивности для каждой ветви:
Находим значение периодического
тока:
} определяется по расчетным кривым
In*гидро=3,1
Ток в именованных
единицах:
Где
кА
кА
кА
Ток:
In=1,3*1,181+3,1*2,363+0,396*2,51=9,853
кА
Погрешность:
In=10,003
кА-100%
In=99,853
кА-х%
Разность:
%-98,5%=1,5% - в
допустимых пределах.
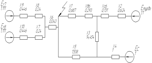
3. Несимметричное
короткое замыкание
Прямая последовательность фаз -
расчет точно такой же, что в пункте 2. Метод расчета кривых.
Обратная последовательность фаз -
расчет аналогичен расчету методом расчетных кривых, только ЭДС не учитывается.
ЭДС не учитываем.
Нулевая
последовательность
Расчет токов
несимметричного однофазного к.з. для резных моментов времени
Для системы расчета
По расчетных кривым
определяем ток для разных моментов времени для турбо и гидрогенераторов
|
t
|
In*гидро
|
In*турбо
|
|
0
|
1,15
|
0,49
|
|
0,3 сек
|
1,13
|
0,45
|
|
1,430,53
|
|
|
Находим ток Int=m(1)
где m(1)=3
Список литературы
ток трехфазный замыкание ударный
1. О.А. Штраухман, В.А, Щуревич, А.Н. Попов - Электромагнитные
переходные процесс в системах электроснабжения - Б.: Типография АлтГТУ, 2005
2. Ульянова С.А. Электромагнитные переходные процесс в
системах - М.: Энергия, 1970
. РД 153-34.0-20.527-98 Руководящие указания по расчету токов
короткого замыкания и выбору оборудования.