Расчёт и оптимизация работы участка электроснабжения региональной энергосистемы при подключении нового присоединения
Курсовая
работа
тема:
Расчёт и оптимизация
работы участка электроснабжения региональной энергосистемы при подключении
нового присоединения
Введение
Энергетическая система является важнейшей составной частью
технико-экономического потенциала региона, от функционирования которой зависят
его экономические показатели. Квалифицированная, грамотная эксплуатация
энергосистемы, умение рассчитать и рационально спроектировать ее режим работы
входит в задачу подготовки инженера-электрика. Исследование и анализ рабочих
режимов сети является важной задачей. Однако предварительно должны быть
определены параметры элементов сети. Определение сетевых параметров в данной
работе выполнено на основании законов Ома и Кирхгофа. Анализ работы сети в
исходном и экономичном режиме даёт возможность сделать выводы о её состоянии и
дать предложения по улучшению технико-экономических показателей сети.
Переходные процессы в сети возникают как в результате нормальной работы
оборудования, так и в результате повреждений. Исследование таких случаев
необходимо для выяснения причин возникновения и физической сущности переходных
процессов с целью выработки методов их оценки и способов избежать негативных
последствий от них.
В данной работе выполнен расчёт переходных процессов в ветви с новым
присоединением, возникающих в результате его подключения. Оценена степень
опасности для целостности оборудования от происходящих переходных процессов.
Использование специальных программ намного упрощает время разработки
сложных проектов, что делает их очень популярными.
Постановка задачи
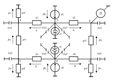
На рис. 1.1 представлен электрическая схема участка энергосистемы на
которой указаны фазные ЭДС источников в кВ, а также комплексы сопротивлений
нагрузок (Н1-Н3), типы трансформаторов и параметры линий электропередачи
(Л1-Л4). К этой системе необходимо подключить новое присоединение (рисунок 2) в
точку П, в виде ЛЭП с нагрузкой на конце. Параметры нового присоединения
определяются первой цифрой варианта задания и приведены в табл.задания: Длина
линии при напряжении 220кВ - 235 км. Активная мощность в конце линии
- 0.25Р (Р - суммарная активная мощность нагрузок Н1-Н3). Реактивная мощность в
конце линии - 0.3Q (Q - суммарная реактивная мощность
нагрузок Н1-Н3).
Необходимо:
1. Составить расчетную схему (на одну фазу) и определить параметры её
установившегося режима (для ЛЭП использовать П-образные схемы замещения; для
трансформаторов учесть только их продольные сопротивления) до подключения
нового присоединения, а именно:
1.1. Комплексы сопротивлений линий и трансформаторов.
.2. Напряжения в узлах схемы и токи линий, нагрузок, трансформаторов
(если они имеются) и источников.
.3. Мощности нагрузок, источников и суммарные потери активной мощности в
линиях электропередачи (ЛЭП); убедиться, что соблюдается баланс активных и
реактивных мощностей.
.4. Коэффициент полезного действия системы (КПД):
.5. Коэффициент мощности системы.
2. Повторить расчет по п.п. 1.2 - 1.5 при рациональном повышении
коэффициента мощности нагрузок путем использования компенсирующих ёмкостей и
результаты сравнить с теми, что определены в п.1. Сделать вывод о
целесообразности реализации такого экономичного распределения мощности.
3. Произвести расчет параметров схемы замещения всей системы,
работающей в экономичном режиме, относительно точки П (определить эквивалентную
ЭДС и комплекс входного сопротивления).
. Используя данные справочной таблицы произвести выбор линии с
распределенными параметрами (ЛРП) и расчет всех её параметров и режима работы
присоединяемой ветви. Предусмотреть повышение коэффициента мощности нагрузки
ЛРП.
. Скорректировать расчетную схему (на одну фазу), составленную
согласно п.2, с учетом нового присоединения и заново рассчитать все величины,
указанные в п.1.
. Произвести анализ данных, полученных после подключения нового
присоединения, и сделать заключение о возможности его реализации. Дать
предложения о возможных корректировках в сети после подключения нового
присоединения.
Считая присоединённую ЛРП линией без потерь, согласно схеме рисунка 3 (Z -сопротивление присоединённой нагрузки,
С - компенсирующая ёмкость, рассчитанная в п.4) произвести расчет напряжения и
тока в конце линии во время переходного процесса, возникающего с момента
прихода в эту точку максимальной падающей волны прямоугольной формы со стороны
сети. Для момента времени, когда отраженная волна прошла половину ЛРП,
построить графики распределения напряжения и тока вдоль ЛРП.
1. Расчет исходного режима работы сети
.1 Определение параметров сети
На основании задания на курсовую работу (рисунок 1.1) составляем расчетную
схему (рисунок. 1.2).
Рисунок 1.1 - Электрическая схема участка электроснабжения
Так как в сети имеется несколько уровней напряжения (330 и 220 кВ) и
точка П находится на стороне высокого напряжения, расчет выполним путём
приведения параметров оборудования низкой стороны к напряжению высокой стороны.
При составлении расчетной схемы учтено, что исследуемая трёхфазная сеть
является симметричной, поэтому схема изображена в однолинейном исполнении, а
расчет выполняется для одной фазы относительно фазных величин. Линии
электропередачи представлены П-образной схемой замещения, а трансформаторы -
одним продольным сопротивлением.
Рисунок 1.2 - Расчетная схема замещения на фазу для участка
электроснабжения
Таблица 1.1 - Данные для линий
|
Линия
|
Л1
|
Л2
|
Л3
|
Л4
|
|
Длина, км
|
110
|
120
|
130
|
140
|
|
Линейное напряжение,кВ
|
220
|
220
|
330
|
330
|
|
Марка провода
|
АС - 500/64
|
АС - 500/64
|
АС - 400/51
|
АС - 400/51
|
|
Количество проводов в фазе
|
1
|
1
|
2
|
2
|
Таблица 1.2 - Сопротивление (Ом) нагрузок
|
Н1
|
Н2
|
Н3
|
|
250+j160
|
400+j300
|
450+j300
|
Тип трансформаторов АТДЦТН - 63000/330/220
1.2 Определяем параметры линий и результаты сводим в таблицу
1.3
Удельные активные и реактивные сопротивления, ёмкостные проводимости в
зависимости от типа линии взяты из справочника. Комплексы сопротивлений линий и
их проводимости на всю длину вычислены по формулам:
zlq =(r0q + j·x0q)·lq, blq = b0q·lq.
Таблица 1.3 Результаты вычисления полных сопротивлений
|
Линия
|
Л1
|
Л2
|
Л3
|
Л4
|
|
Марка провода и напряжение
линии, кВ
|
АС-500/64·1 220
|
АС-500/64·1 220
|
АС-400/51·2 330
|
АС-400/51 330
|
|
Длина линии, км
|
110
|
120
|
130
|
140
|
|
r0, Ом/км
|
0.06
|
0.06
|
0.0375
|
0.0375
|
|
х0, Ом/км
|
0.413
|
0.413
|
0.323
|
0.323
|
|
b0, См/км
|
2.74·10-6
|
2.74·10-6
|
3.46·10-6
|
3.46·10-6
|
|
zl, Ом
|
6.6 + j45.43
|
7.2+ j49.56
|
4.875 + j41.99
|
5.25 + j45.22
|
|
bl, См
|
3.014·10-4
|
3.288·10-4
|
4.498·10-4
|
4.844·10-4
|
1.3. Определяем параметры трансформаторов. Результаты сведены
в табл. 1.4
Таблица 1.4
|
Т1
|
Т2
|
|
Тип трансформатора
|
АТДЦТН-63000/330/220
|
АТДЦТН-63000/330/220
|
|
Номинальные напряжения Uвн/UCн,
кВ
|
330/115
|
330/115
|
|
Комплексы сопротивлений, Ом
|
ztr1= 3.30 + j195
|
ztr2= 3.30 + j195
|
1.4 Заданные значения сопротивлений нагрузок сведены в табл.
1.5
Таблица 1.5
|
Нагрузка
|
Комплексы сопротивлений, Ом
|
|
Н1
|
zn1 = 250 + j160
|
|
Н2
|
zn2 = 400 + j300
|
|
Н3
|
zn3 = 450 + j300
|
1.5 Приводим параметры элементов высокой стороны к низкому
напряжению
коэффициент трансформации: :
n = Uвн/UCн = uvtr/ustr = 330/230 = =1.435;
ток собственных нужд второго источника:
i2 = i2· n=70· 1.435=100.45 А. - линия 3
zl3 =·zl3/ n2 = (4.875+ j41.99)/1.435 2 =2.368+j 20.391 Ом; b l3 = bl3 n2 =4.498·10-4·1.435 2 = 9.26·10-4 См;
4
zl4 =·zl4/ n2 = (5.25+ j45.22)/1.435 2 =2.55+j 21.96 Ом; b l4 = bl4 n2 = 4.844·10-4 ·1.435 2 =9.972·10-4
См;
нагрузка 2
zn2 =·zn2/ n2 =(400+j300)/ 1.435 2 = 194.307 + j145.73 Ом; 3
zn3 =·zn3/ n2 =(450+j300)/ 1.435 2 = 218.529 + j145.73 Ом;
напряжение
второго источника:
Е2 = Е2/ n =196/1.435=
136.606 кВ;
сопротивление транформатора 1
ztr = ztr/ n2 = (3.3+j195)/1.4352
=1.603+j94.725 Ом
1.6 Выполняем расчет цепи рисунок 1.2 методом узловых
потенциалов
Поскольку в схеме 4 узла с неизвестными потенциалами, то система
уравнений имеет вид:
Y11·U1 - Y12·U2 - Y13·U3 - Y14·U4 = J1,
Y21·U1 + Y22·U2 - Y23·U3 - Y24·U4 = J2,
Y31·U1 - Y32·U2 + Y33·U3 - Y34·U4 = J3,
Y41·U1 - Y42·U2 - Y43·U3 +Y44·U4 = J4.
Здесь Y11 = zl1-1 + zn1-1 + ztr-1 +
; Y12 = Y21 = ztr-1; = Y31 = Y14 = Y41 = 0;= ztr-1 +
zl3-1 + zn2-1 +
;= Y32 =0; Y24 = Y42 =0;= zl4-1 + zn3-1 + ztr-1 +
; = Y43 = ztr-1;= zl1-1 + ztr-1 +
;= = zl1-1·Е1; J2 = zl3-1·Е2; J3 = zl4-1·Е2; J4 =
zl2-1·Е1.
Система
уравнений в матричном виде Y·U=JJ решается с помощью программы Mathcad (см.
приложение).
.7
Рассчитываем токи, используя закон Ома и первый закон Кирхгофа
токи
в линиях:
;
;
;
;
токи
нагрузок:
;
;
;
токи
трансформаторов:
А;
А;
токи
источников:
1.8
Рассчитываем мощности
мощности
потерь в линиях: Slp = 3·zlp·Ip2, Sl5 =SSlp; где p=1..4;
ёмкостная мощность линий в расчёте на три фазы:
SC =
3·0.5·[U12·bl1+U22·bl3+U32·bl4+U42·bl2+E12·(bl1+·bl2)+ +E22·(bl3+·bl4)];
мощности нагрузок:
Snp = 3·Up·
= 3·znp·Inp2; Sn5 =SSnp;
-
мощности потерь в трансформаторах:
Strm = 3·ztr·Itrm2;
где m=1...2;
мощности,
пропускаемые трансформаторами:
SStr1 = -3·U1·
; SStr2 = 3· U3·
;
мощность
собственных нужд источников:
SJ1 = 3·E1·
;
SJ2 = 3·E2·
;
мощности
источников:
SЕ1 = 3·Е1·
; SЕ2 = 3·Е2·
.
1.9
Баланс мощностей составлен следующим образом
Мощность
источников:
Sist = SЕ1 + SЕ2 - SJ1 - SJ2.
Мощность потребителей:
= Sn4+Sl5+Str1+ Str2 - j·SC.
Баланс
Sist = Spotr выполняется.
1.10
Поскольку получены значения величин, приведенные к низкому напряжению, вычислим
фактические значения токов и напряжений сети на стороне высокого напряжения
I4¢ = I4 /n, In4¢ = In4/n, IЕ2¢ = IЕ2/n,
U4¢ = U4*n.
присоединение линия региональный энергосистема
Результаты
решения системы уравнений подразд. 1.6, полученные значения всех токов и
мощностей представлены в сводной табл. 5.1
Коэффициент
полезного действия системы: h = Re(Sn5)/Re(Sist)
= 0.987.
Коэффициент
мощности всей системы: cosj = Re(Sist)/Sist = 0.896.
1.11
Анализ режима работы сети
1. Учитывая, что провода линий стале-алюминиевые, можно принять
экономическую плотность тока равной 1 А/мм2. Тогда номинальные токи линий
численно равны их сечению. Мы видим, что первая, вторая и третья линии работают
в режиме, близком к номинальному; четвертая линия загружена слабо.
. Напряжения во всех узлах близки к номинальному. 3. Система работает с
довольно низким коэффициентом мощности (0.897). В связи с этим целесообразно
произвести искусственную компенсацию реактивной мощности нагрузок.
2. Расчет экономического режима работы сети
.1 Производим расчет сети при условии, что нагрузки работают
с коэффициентом мощности 0.85
Сопротивления нагрузок задаём в следующем виде:
Znq = kq·|Znqисх|·e j·arccos0.85,
где q - номер нагрузки; kq - коэффициенты коррекции величины
сопротивления нагрузки, первоначально они взяты равными 1; Znqисх - исходное (заданное) значение
сопротивления нагрузки.
2.2 Далее полностью повторяем расчет системы по разд.1
Благодаря уменьшению потребляемой нагрузками реактивной мощности в связи
с её компенсацией, уменьшились токи в линиях, что привело к уменьшению потерь в
них и повышению напряжений в узлах сети, а это дало увеличение потребляемой
нагрузками мощностей. Для получения прежних значений потребления активной
мощности корректируем величины сопротивлений нагрузок в сторону увеличения.
Значения коэффициентов коррекции оказались равными:
k1 =
1.019309 k2 = 1.080479; k3 = 1.027687
Результаты расчета помещены в сводную табл 5
2.3 На основании результатов расчета приходим к следующим
выводам
коэффициент мощности системы благодаря компенсации реактивной мощности
нагрузок существенно вырос (0.922 против0.896.);
коэффициент мощности у системы в целом оказался даже выше, чем у нагрузок
(0.922 против 0.823). Это объясняется получением значительной зарядной мощности
от распределённых емкостей линий;
за счёт уменьшения токов в линиях уменьшились потери в них (5.86+j46.743 МВА - до и 5.463 +j43. 65 МВА - после компенсации
реактивной мощности нагрузок);
уменьшение потерь в линиях дало увеличение коэффициента полезного
действия системы (0.987 против 0.988).
3. Определение параметров сети относительно точки
присоединения (узла 4)
Для расчёта режима работы сети после подключения нового присоединения
сеть до его подключения представим эквивалентной схемой, состоящей из
эквивалентной ЭДС и входного сопротивления относительно точки П.
Эквивалентную ЭДС (напряжение холостого хода) берём из предыдущего
расчета (разд. 2). В нашем случае:
Еэкв = Uh = U4 = 130.83 - j2.602
= 130.856·e -j1.139° кВ.
Для нахождения входного сопротивления эквивалентного источника вычислим
ток короткого замыкания в узле 4 (точка П). Этот расчет выполним методом
узловых потенциалов:
Yk·Uk =JJk.
Матрица проводимостей может быть получена из ранее составленной матрицы Y вычеркиванием четвертой строки и
четвертого столбца, поскольку узел 4 заземляется:
Yk =
.
Столбцовую
матрицу (вектор) узловых токов также получаем из вектора JJ:
JJk =
.
Вектор
узловых напряжений:
Uk =
=Yk -1·JJk.
Результат
решения системы уравнений:
Uk1=121.518 - j11.914
кВ;
Uk2=129.273 - j8.345
кВ;
Uk3=107.257 - j3.58
кВ.
В
соответствии с законом Ома и первым законом Кирхгофа ток в месте короткого
замыкания (см. схему рис. 1.2):
Ik =
+
=3.718·e -j84.528° кА.
Входное
сопротивление эквивалентного источника:
Zv= Uh/Ik
=35.191·e j83.389° Ом.
4.
Расчет параметров линии присоединения (ЛРП) и режима работы
Исходные
данные для нового присоединения:
·
активная мощность
в конце ЛРП
Р2 = 0.25·Re(Sn4) = 112.807МВт;
·
реактивная
мощность в конце ЛРП
Q2 =
0.3 Im(Sn4) = 93.317Мвар;
·
полная мощность в
конце ЛРП
S2 =
Р2+j Q2=112.807+j93.317;
·
длина ЛРП ln = 255 км
Ориентировочное значение сопротивления нагрузки
Z2 =
=270.366 + j 223.654 Ом.
Подключением
компенсирующей ёмкости параллельно нагрузке Н4 уменьшим
в
n=5 раз: Q2С = Q2/n.=18.663
Тогда
S2С = Р2+ j·Q2С =112.807+ j
18.663 МВA.
Тогда ориентировочное значение тока в конце ЛРП:
I2n ≈ S2С/(3Uh) = 0.291 кА.
Ориентируясь на это значение тока с учетом механической прочности и
условий возникновения короны, а также однообразия с линиями Л1-Л4, в качестве
ЛРП выбираем линию АС-300/39 напряжением 220 кВ, имеющую один провод в фазе.
Первичные параметры этой линии определяем по справочнику:
ro =
0.098 Ом/км; xo = 0.429 Ом/км; bo = 2.64·10-6 См/км; go = 0.
Вторичные параметры линии:
·
характеристическое
сопротивление
Zc =
= 405.701 -45.75j Ом;
·
коэффициент
распространения
= (1.208 +10.71j)·10-4
1/км.
Зададимся
ориентировочным значением фазного напряжения в конце ЛРП
U2n = kk·Uh
и
определим примерное значение модуля и комплекса сопротивления нагрузки Н4:
z2 ≈
;
Z2n = z2·ej·arg(S2С) =319.552+j52.868
Тогда входное сопротивление ЛРП определится так:
Z1n = Zc
=377.77+j84.45
Ток
на входе ЛРП
I1n =
напряжение
на входе ЛРП
U1n = Z1n·I1n
Напряжение, ток и мощность на выходе ЛРП:
U2n = U1n·сh(γln) - I1n·Zc·sh(γln);
I2n = I1n·сh(γln) - (U1n·sh(γln))/Zc;
S2n =
3·[U2n·
].
Изменяя
величину kk, добиваемся того, чтобы мощность S2n
равнялась бы заданному значению S2С. Для нашего примера имеем: kk = 0.84908.
Результаты вычислений:
U1n =
125.944-13.025j кВ; U2n = 102.654-42.509j кВ;
I1n = 0.31-0.104j кA; I2n = 0.291-0.181j кA;2n = 112.807+18.663j MВА.
Величина
компенсирующей ёмкости и сопротивление батареи конденсаторов
Сk =
= 6.416·10-6 Ф.
, Zck =
-j 496.086 Ом.
Уточненное
значение сопротивления нагрузки с учетом получения заданной мощности S2C

, Z2 =
194.917 + j·161.24 Ом.
5. Расчет сети после подключения присоединения
5.1 Подключение присоединения учитываем в схеме рис. 1.1
путем присоединения к узлу 4 (точка П) потенциала равного U1n
В результате, в решаемой в разд. 3 системе уравнений элементы столбцовой
матрицы узловых токов станут равны:
J1p = J1; J2p = J2; J4p = zl4-1·Е2++zl2-1·U1n
Полученные в результате решения системы уравнений Uр =Yk -1·JJр
значения напряжений U1, U2, U3, а также U4= U1n помещены в табл. 5.
5.2 Расчет токов, мощностей, КПД, коэффициента мощности
выполняется по тем же формулам, что и в разд. 1 и 2
Таблица 5.1 Результаты расчета помещены в сводной табл. 5.1.
|
Сравниваемые величины
|
Исходный режим работы сети
|
Экономичный режим работы
сети
|
Режим работы после
подключения присоединения
|
|
Напряжения в узлах, кВ
|
U1
|
121.492 Ð -5.597°
|
122.101 Ð -5.6 °
|
122.101 Ð -5.6°
|
|
U2
|
128.459 Ð-3.672°
|
129.542 Ð -3.694°
|
129.543 Ð -3.694 °
|
|
U3
|
130.783
Ð-3.143°
|
131.174 Ð -3.151°
|
130.147Ð -3.96°
|
|
U4¢
|
130.721 Ð-1.13°
|
130.856 Ð -1.139°
|
126.616 Ð -5.904°
|
|
Токи линий, А
|
I1
|
325Ð -29.22°
|
319 Ð -27.182°
|
319 Ð -27.182°
|
|
I2
|
53 Ð 23.38°
|
55 Ð 25.955°
|
272Ð -9.031°
|
|
I3
|
573 Ð -39.007°
|
541 Ð -34.685°
|
541Ð -34.685°
|
|
I4¢
|
423 Ð -33.388°
|
414 Ð -31.362°
|
509Ð -30.368°
|
|
Токи нагрузок, А
|
In1
|
409 Ð -38.216°
|
404 Ð -37.388°
|
404Ð -37.388°
|
|
In2
|
529 Ð -40.542°
|
494 Ð -35.482°
|
494 Ð -35.482°
|
|
In3
|
498 Ð -36.833°
|
486 Ð -34.939°
|
482 Ð -35.748°
|
|
Токи трансформаторов, А
|
Itr1
|
49 Ð -179.605°
|
49 Ð -177.219°
|
59Ð -42.981°
|
|
Itr2
|
86 Ð -62.596°
|
90 Ð -64.316°
|
90 Ð -64.316°
|
|
Токи источников, А
|
IЕ1
|
443 Ð -12.59°
|
669Ð -12.725°
|
|
IЕ2¢
|
1011 Ð -27.208
|
952 Ð -24.294°
|
1048Ð -24.453°
|
|
Мощности нагрузок, МВ·А
|
Sn1
|
125.656+j80.42
|
125.656+j80.42
|
125.656+j77.874
|
|
Sn2
|
163.059+j122.294
|
163.059+j122.294
|
163.059+j101.055
|
|
Sn3
|
162.512+j108.341
|
162.512+j108.341
|
159.976+j99.144
|
|
SnS
|
451.226+j311.055
|
451.226+j311.055
|
448.691+j278.073
|
|
Мощности потерь в линиях,
МВ·А
|
SlS
|
5.86+j46.43
|
5.463 +j43.465
|
7.673+j59.837
|
|
Мощности потерь в
трансформаторах, МВ·А
|
Str1
|
0.011+j0.669
|
0.011+j0.673
|
0.017+j0.996
|
|
Str2
|
0.035+j2.094
|
0.039+j2.307
|
0.039+j2.307
|
|
Мощности трансформаторов,
МВ·А
|
SStr1
|
17.606-j1.603
|
17.637-j2.598
|
-17.229-j13.164
|
|
SStr2
|
17.119+j29.007
|
17.102+j31.063
|
17.401+j30.577
|
|
Мощности источников, МВ·А
|
SЕ1
|
168.791+j37.699
|
168.651+j31.474
|
254.442+j57.459
|
|
SЕ2
|
368.502+j189.448
|
355.776+j160.577
|
390.917+j177.761
|
|
SES
|
537.293+j227.147
|
524.427+j192.051
|
645.359+j235.220
|
|
Мощность
|
Si1, МВт
|
39
|
39
|
39
|
|
Si2, МВт
|
41.16
|
28.687
|
28.687
|
|
КПД
|
0.9870.9880.972
|
|
|
|
Коэффициент мощности
|
0.896
|
0.922
|
0.926
|
напряжения в первом и втором узлах незначительно увеличилось, в третьем и
четвертом - незначительно снизились, следовательно незначительно снизились и их
мощности;
токи первой и третьей линий не изменились. Токи второй и четвертой линии
увеличились. Увеличение тока во второй линии объясняется снижением напряжения
четвертого узла;
увеличились мощности, потребляемые нагрузками. Это требует дополнительной
регулировки сопротивления нагрузок для получения прежних мощностей, что выходит
за пределы задания;
КПД и коэффициент мощности снизились из-за увеличения токов в линиях;
мощности источников Е1 и Е2 увеличились;
вторая линия стала более нагруженной
6. Расчет
переходных процессов
Пусть следует рассчитать переходные процессы в ЛРП, считая её линией без
потерь, при её включении в точке П.
Сразу после коммутации по ЛРП будет перемещаться падающая волна
(рис.6.1,а).
Рисунок. 6.1 - Исходная схема
Поскольку время пробега волны по всей линии (l/v) составляет доли
миллисекунд и значительно меньше периода синусоидального напряжения (20 мс), то
за время переходного процесса напряжение сети не успевает существенно
измениться. Это позволяет считать падающую волну не зависящей от времени и
имеющей прямоугольный фронт.
Допустим, что в момент коммутации напряжение в точке П имело
положительное амплитудное значение (наиболее тяжелый переходный процесс), тогда
напряжение и ток падающей волны будут
upad(t) = Uh·
=
130.856 кВ; ipad= upad /zc.
Другие исходные данные:
·
длина ЛРП и её
первичные параметры:
l =
255 км; хо = 0.429 Ом/км; bo =
2.64·10-6 Cм/км;
R -
активное сопротивление нагрузки Н4:
R = Re(Z2) =194.917 Ом;
- L - индуктивность нагрузки Н4:
L = w-1·Im(Z2) = 0.513 Гн;
·
С -
компенсирующая ёмкость, подключенная параллельно нагрузке Н4:
С = Сk =6.416·10-6 Ф;
·
zc - характеристическое сопротивление
ЛРП без учета потерь в ней:
zc =
= 403.113 Ом.
Когда падающая волна дойдет до конца ЛРП, где включена нагрузка Н4 и
компенсирующая емкость С, то возникнет отраженная волна, расчет которой
произведем по схеме рис. 6.1,б.
Для определения характера и длительности переходного процесса в схеме
замещения с помощью входного операторного сопротивления цепи составим
характеристическое уравнение и определим его корни:
+
zc
= 0,,2 = -383.30
551.19j 1/c.
Длительность
переходного процесса
п =
=
= 13·10
-3 c.
Расчет волны, отраженной от конца ЛРП, произведем операторным методом.
Изображение отраженной волны:
Uo(р)
= Upad(р)·K(р),
где Upad(р)= upad/р - изображение напряжения падающей волны;
K(р) =
- коэффициент отражения в операторной форме,
-
операторное сопротивление нагрузки ЛРП.
Результаты
для изображения и оригинала отраженной волны (см. приложение 1):
Uo(р) =
;
uo(t) = -64.44-120.7·e-383.3tcos(551.2t)+175.8·e-383.3tsin(551.2t).
Временная
зависимость напряжения в месте присоединения ЛРП:
u(t)= upad(t)+ uо(t).
Временные
зависимости токов в конце ЛРП:
ipad(t) = upad(t)/zc; iо(t) = uо(t)/zc; i(t) = ipad(t)- iо(t).
На основании этих формул построены графики зависимостей напряжений и
токов в конце ЛРП (см. приложение 1).
Общее выражение отраженной волны напряжения:
uо(t,y) = -64.44-120.7·e383.3 (t-y/v)cos(551.2(t-y/v))+175.8·e-383.3(t-y/v)sin(551.2(t-y/v)),
где: y - расстояние от конца ЛРП до
рассматриваемой точки;
v =
3·105 км/c - скорость движения волн в ЛРП.
Для момента времени, когда отраженная волна прошла половину ЛРП,
зависимость uо(y) будет следующей:
uо(y) = -64.44-120.7·exp(-383.3·(0.5·l-y)/v)·cos(551.2·(0.5·l-y)/v)
+175.8·exp(-383.3·(0.5·l-y)/v)·sin(551.2·(0.5·l-y)/v).
Эпюры распределения напряжения и тока вдоль ЛРП построим, используя
последнее выражение, а также формулы:
u(y) = upad(y) + uо(y); ipad(y) = upad(y)/zc;о(y) = uо(y)/zc; i(y) = ipad(y) - iо(y).
Эпюры распределения напряжения и тока вдоль ЛРП приведены в приложении 1.
Анализируя полученные результаты, можно сделать следующие выводы:
1. Если падающую волну считать
независящей от времени и равной амплитуде напряжения Uh в точке присоединения
новой линии, то во время переходного процесса напряжение в конце ЛРП начинает
превышать величину падающей волны через 1.2 мс после её прихода в эту точку.
Поскольку время двух пробегов волны по линии составляет 0.93 мс, и за это время
результирующее напряжение не достигает величины напряжения падающей волны, то
можно утверждать, что дополнительной опасности для изоляторов ЛРП из-за
переходного процесса не возникает.
2. Максимальный ток в конце ЛРП существенно
превышает (примерно в 2.0 раза) ток падающей волны и значительно (примерно в 3
раза) превышает амплитуду тока I2n.
3. Время пробега волны по линии
составляет 0.47 мс, что свидетельствует о возможности считать падающую волну,
не зависящей от времени.
4. Напряжение и ток в точках ЛРП, по
которым прошла отраженная волна, изменяются незначительно. Это объясняется тем,
что время пробега волны по линии существенно меньше времени переходного
процесса в схеме замещения.
Выводы
длительность двух пробегов волны составляет менее 1.5 мс, что значительно
меньше периода напряжения сети (20 мс) и позволяет считать падающую волну,
имеющей прямоугольный фронт и не зависящей от времени;
кратковременное превышение напряжения составляет не более 8%, то есть
отключение источника для линии не представляет опасности;
ток в линии во время переходного процесса не превышает номинального
амплитудного фазного значения.
Если падающую волну считать независящей от времени и равной амплитуде
напряжения Uh в точке присоединения новой линии, то во время переходного
процесса напряжение в конце ЛРП начинает превышать величину падающей волны
через 1.2 мс после её прихода в эту точку. Поскольку время двух пробегов волны
по линии составляет 1.5918 мс, и за это время результирующее напряжение не
достигает величины напряжения падающей волны, то можно утверждать, что
дополнительной опасности для изоляторов ЛРП из-за переходного процесса не
возникает.
Время пробега волны по линии составляет 0.79 мс, что свидетельствует о
возможности считать падающую волну, не зависящей от времени.
Напряжение и ток в точках ЛРП, по которым прошла отраженная волна,
изменяются незначительно. Это объясняется тем, что время пробега волны по линии
существенно меньше времени переходного процесса в схеме замещения.
Литература
1.
Зевеке Г.В. и др.
Основы теории цепей. - М. «Энергия», 1984, 628 с.
2.
Бессонов Л.А.
ТОЭ. - М., ВШ, 1988, 712с.
3.
Рибалко
М.П., Есауленко В.О, Костенко В.І. Лінійні електричні кола: Підручник. -
Донецьк: Новий світ, 2003. - 513 с.: іл.
4.
Неклепаев Б.Н.,
Крючков И.П. Электрическая часть электростанций и подстанций: Справочные
материалы для курсового и дипломного проектирования: Учеб. пособие для вузов.-
М.: Энергоатомиздат, 1989.
5.
Стандарт ДонГТУ
«Структура и правила оформления документов по всем видам учебной работы» /
Сафьянц С.М., Иванов А.И., Кравцов В.В., Кондрацкий В.Л. - ДонГТУ. - 1999.
Приложение
Программа выполнения задания в среде MathCad