|
Точки
процесса
|
Элемент
тепловой схемы
|
Р,
ата
|
t, оС
|
i
|
|
0 1 1’ 2 2’ 3 4 5 6 7
8 9 к
|
-
Д9 - Д8 - Д7 Д6 Д5 Д4 Д3 Д2 Д1 конденсатор
|
300
64,1 81 39 24 18,6 9,2 5 2,64 1,29 0,58 0,205 0,036
|
610
345 610 295 610 450 355 280 218 150 80 60 Х=94,1
|
3474
3046 3663 2941 3708 3358 3169 3020 2903 2774 2650 2609 2550
|
Расчет тепловой схемы энергоблока
Турбина К-2000-300 имеет 9 регенеративных
отборов пара. Конденсат турбины подогревается в 5 ПНД. После деаэратора
питательная вода питательным насосом, приводимым в движение турбоприводом,
прокачивается через 3 линии ПВД по 2 подогревателя в каждой линии.
Все ПВД и ПНД имеют встроенные пароохладители и
охладители дренажа греющего пара.
Питательная установка имеет конденсационный
турбопривод, питаемый паром из линии СПП (после промперегрева). Пар,
отработавший в турбоприводе, конденсационным насосом направляется в
конденсатор, а затем в основной конденсатор.
Дренажи ПВД каскадно сливаются в деаэратор.
Определение доли расхода пара на
турбопривод
П-9
Составим балансы подогревателей, дэаэратора ПН
а) температурный напор в ПВД равен 0
б) дренаж в состоянии насыщения
Рис.
П-8
Рис.
Составим тепловой баланс:
αпв αпв8
iпв8 αпв(iв9-iв8)=α9(iотб9
-iдр9 )
iпв9 Потери пара
от турбины к подогревателю принимаем 6%.
iдр9
ротб=64,1*6%=60,3 ата
ts=276,1оС
Температурный напор принимаем 3оС
tпв9=273,1 оС,
рпв=1,3*р0=1,3*300=390 ата.
Опредеоим при рпв=390 ата и tпв=273,1
оС iпв9=1200,7кДж/кг
α9=
α8 iотб8 ротб8
Составим тепловой баланс:
αпв αпв iпв7 αпв8(iпв8-iпв7)=[α8(iотб8
-iдр8)+ α9(iдр9
-iдр9)]ηохл
пв8 ротб=36*6%=36,7 ата=248,8оС,
tпв=248,8-3=245,8 оСпв8=1065,3 кДж/кг, iпв7=862,3 кДж/кгдр9 iдр8 iдр8=1063,1 кДж/кг
α8=
П-7
α7 iотб7 ротб7
Составим тепловой баланс:
пв6 αпв(iпв7-iпв6)=[α7(iотб7
-iдр7)+ (α9+ α8)(iдр8
-iдр7)]ηохл
пв7 ротб=18,6*6%=18,5
ата=205,3оС, tпв=205,3-3=202,3 оСпв7=862,3 кДж/кг,др8 iдр7 iдр7=878,3 кДж/кг
рд=9,2 ата h’=746,8
кДж/кг ts=176,3 оС ν’=0.0011226
м3/кг
iпв6=50,3+746,8=797,1
кДж/кг
α7=
Дэаэратор
Рис.
α9+ α8+α7 αок iок5
iд’
αпв
iок5
=602кДж/кг, р=4,7 ата, ts=145 оС
температурный напор в системе ПНД
2оС tв5=145-2=143оС
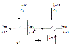
П5-П4
iотб5 iотб4 iдр4=535,4
кДж/кг (р=2,48 ата)
Рис.
α5 α4
iок4=522 кДж/кг (ts=126,6оС)
ijок3=427,4
кДж/кг (ts=104оС)
αок αок4
αок3
iok5 iок4
iок3
iдр4
iдр5
tок4=126,6-2=124,6оС
tок3=104-2=102оС
П3-П2
iдр3=440,2
кДж/кг ротб=1,21 ата
iотб5
iотб4 iдр2=348,3
кДж/кг ротб=0,54 ата
α5 α4 iок3=427,4
кДж/кг
Рис.
iок2=343,92 кДж/кг
tок3=103,96-2=101,96
оС
αок αок4
αок3
tок2=81,53-2=79,53
оС
iok5 iок4
iок3 tок1=57,37-2=55,37
оС
iдр4 iок1=231,53
кДж/кг
iдр5
П-1
Рис.
α1 iотб1
ротб1
При р=0,036 ата i’=111,84
кДж/кг
αок1
iок0 ротб=0,250*6%=0,19 ата
iок1 iдр1=246,83
кДж/кг
iдр1
Турбопривод питательного насоса
Определение расхода пара на турбину
GТ=2000*103/(3474-3046)+[(1-0,075)(3663-2941)+(1-0,075-0,103)(3708-
)+(0,822-0,013)(3358-3169)+(0,809-0,0356-0,0424)(3169-3020)+(0,7314-
,0269)(3020-2903)+(0,7041-0,0287)(2903-2774)+(0,6754-0,03183)(2774-
)+(0,64357-0,0335)(2650-2609)+(0,61007-0,0345)(2609-2550)0,992]=
=1039,86 т/ч
Расходы пара в отборы:
G1=1039,86
*0,075=c кг/с
G2=1039,86
*0,103=107.11 кг/с
G3=1039,86
*0,013=13.52 кг/с
Gд=1039,86
*0,0356=37.02 кг/с
Gтп=1039,86
*0,068=70.71 кг/с
G4=1039,86
*0,0287=29.84 кг/с
G5=1039,86
*0,0269=27.97 кг/с
G6=1039,86
*0,03183=33.09 кг/с
G7=1039,86
*0,0335=34.84 кг/с
G8=1039,86
*0,0345=35.87 кг/с
Gк=Gт-ΣGотб=1039.9-467.97=571.9
кг/с
Мощность, полученная на всех потоках
пара:
N0=[ΣGотб(hо-hотбj-Δhпп)]ηм ηг=[77.99(3474-3046)
+107.1(3663-2941+666)+13.52(3708-3356+666+813)+37.02(3708-3169+1479)+70.71(3708-3169+1479)+29.84(3708-2903+1479)+27.97(3708-2774+1479)+33.09(3708-2650+1479)+34.84(3708-2609+1479)+571.9(3708-2550+1479)]0,99*0,99=2197.09
МВт
Расчет цилиндра среднего давления
Принимаем d2к=1,4м, L2=0,370 м.

Хopt=0,52
Окружная скорость:
Скорость пара на входе в ступень:
Располагаемый теплоперепад:
Коэффициент возврата теплоты:
Уточнённое число ступеней:
ступеней
Расчет турбинных
ступеней. Расчёт первой ступени
Расход пара равен G=854.9
кг/с
Давление пара на входе в сопловой аппарат:
р0=18,6 ата
t0=450 0C
Параметры пара перед ступенью:
i0=3358 кДж/кг=7,3246=0,119
м3/кг
р2=2,64 ата
Располагаемый теплоперепад
Фиктивная скорость
Окружная скорость
Средний диаметр:
Располагаемый теплоперепад:
Энтальпия пара за сопловой решеткой:
Параметры пара за сопловой решеткой:
р1t=15 ата
v1t=0,2095
Теоретическая скорость выхода пара
из сопловой решетки:
Скорость звука:
- дозвуковой режим
Площадь сопловой решетки:
Высота лопатки сопловой решетки:
Принимаем профиль сопловой лопатки
С-90-12А с b1=6,25 см
Количество сопловых лопаток:
Число Рейнольдса для потока пара за сопловой
решеткой:
Поправки на числа Рейнольдса:
Коэффициент расхода для сопловой
решетки:
Потери на трение в пограничном
слое:
Коэффициент кромочных потерь:
Коэффициент концевых потерь:
Поправка к коэффициенту потерь
энергии в сопловой решетке на число Маха:
Поправка к коэффициенту потерь
энергии на верность:
,
Коэффициент потерь для сопловой решетки:

угол выхода потока из сопел в абсолютном
движении:
Относительная скорость выхода потока
из сопел:
Угол входа потока в рабочую решетку
в относительном движении:
Абсолютная величина потерь энергии
поткав сопловой решетке:
Относительная теор. скорость
выходаиз рабочей решетки:
Число Маха
Высота рабочей решетки:
Выходная площадь рабочей решетки:
Эффективный угол выхода потока из рабочей
решетки в относительном движении
Хорда профиля:
Выбираем профиль Р-60-38А
Количество лопаток:
Эффективный угол выхода потока в
отн. Движении:
Потери на трение в пограничном слое:
Кромочные потери:
Концевые потери:
Поправка на веерность:
Поправка к потерям на число
Рейнольдса:
Коэффициент потерь рабочей решетки:
Угол выхода из рабочей решетки в
относительном движении:
Осевая и окружная составляющие
относительной скорости:
Скорость выхода из рабочей решетки в
абсолютном движении:
Угол выхода из раб. решетки в
абсолютном движении:
.
.
.
относительный лопаточный КПД:
Потери на трение:
Потери с утечками:
Потери с утечками в диафрагмах:

Мощность ступени:
Расчёт последней ступени
Расход пара равен G=316,8 кг/с
р0=2,1 ата
i0=2827 кДж/кг=7,50=1,128
м3/кг
р2=1,75 ата
Располагаемый теплоперепад
Фиктивная скорость
Окружная скорость
Средний диаметр:
Располагаемый теплоперепад:
Энтальпия пара за сопловой решеткой:
Параметры пара за сопловой решеткой: р1t=2
ата
v1t=0,984
Теоретическая скорость выхода пара из сопловой
решетки:
Скорость звука:
- дозвуковой режим
Скорость звука:
Принимаем профиль сопловой лопатки
С-90-22А
Количество сопловых лопаток:
Число Рейнольдса для потока пара за сопловой
решеткой:
Поправки на числа Рейнольдса:
Коэффициент расхода для сопловой
решетки:
Потери на трение в пограничном слое:
Коэффициент кромочных потерь:
Коэффициент концевых потерь:
Поправка к коэффициенту потерь
энергии в сопловой решетке на число Маха:
Поправка к коэффициенту потерь
энергии на верность:
Коэффициент потерь для сопловой
решетки:
Коэффициент скорости:
угол выхода потока из сопел в
абсолютном движении:
Относительная скорость выхода потока
из сопел:
Угол входа потока в рабочую решетку
в относительном движении:
Абсолютная величина потерь энергии
поткав сопловой решетке:
Относительная теор. скорость выхода
из рабочей решетки:
Число Маха

Выходная площадь рабочей решетки:
Эффективный угол выхода потока
рабочей решетки в относительном движении
Хорда профиля:
Выбираем профиль
Количество лопаток:
Эффективный угол выхода потока
в отн. Движении:
Потери на трение в пограничном слое:
Кромочные потери:
Концевые потери:
Поправка на веерность:
Поправка к потерям на число
Рейнольдса:
Коэффициент потерь рабочей решетки:
Угол выхода из рабочей решетки в
относительном движении:
Осевая и окружная составляющие
относительной скорости:
Скорость выхода из рабочей решетки в
абсолютном движении:
Угол выхода из раб. решетки в
абсолютном движении:
.
.
.
.
Относительный лопаточный КПД:
И
Потери на трение:
Потери с утечками:
Внутренний относительный КПД
Мощность ступени
Расчёт на прочность. Расчет на
прочность рабочих лопаток
Максимальное напряжение от
центробежных сил:
Максимальное усилие
к -
коэффициент разгрузки
:
Коэффициент запаса прочности:
Расчёт вала на прочность
Касательные напряжения при кручении
изгибе:
Момент сопротивления диска:
Крутящий момент:
Технико-экономические характеристики
Суммарный расход тепла на установку:
КПД по выработке электроэнергии:
Удельный расход тепла на выработку
электроэнергии:
Удельный расход топлива на выработку
электроэнергии:
Заключение
паровой турбина насос
В данном курсовом проекте мной была
спроектирована турбина К-2000-300 на начальные параметры пара р0=300 ата и t0=6300С
с 2-мя промперегревами. В ходе расчета мной был рассчитан ЦСД.
На основе полученных данных определены
технико-экономические показатели турбоустановки. Удельный расход топлива
,
КПД по выработке электроэнергии
.
Литература
.А.
Д. Трухний «Станционные паровые турбины».
.А.
Г. Костюк «Паровые и газовые турбины».
.А.
В. Щегляев «Паровые турбины»..
.С.
Л. Ривкин «Термодинамические свойства воды и водяного пара».
.Конспект
лекций по курсу «Турбины ТЭС и АЭС»