Расчёт выпрямителей и логических схем
Министерство Образования Республики Беларусь
Белорусский Национальный Технический Университет
Кафедра «Электротехника и электроника»
Расчетно-графическая работа №2
Вариант №2
Выполнил: ст. группы
106526
Безусов А.Ю.
Проверил: Розум Т.Т.
Минск 2008
ЗАДАЧА 1
Напряжение и частота
сети переменного тока:
,
.
Тип выпрямителя, мощность и номинальное напряжение нагрузки, тип фильтра и
допустимый коэффициент пульсации напряжения на нагрузке указаны в таблице 1.1:
Таблица 1.1 - Данные к
задаче №1
|
тип выпрямителя
|
номинальное напряжение, В
|
номинальная мощность, Вт
|
тип фильтра
|
допустимый коэффициент пульсации, %
|
|
однофазный с нулевым выводом
|
1500
|
40
|
Простой емкостный
|
5,0
|
1.1 Начертить схему выпрямителя с
фильтром, на которой обозначить напряжения и токи в обмотках трансформатора,
вентилях и нагрузке. Указать полярность выходных клемм.
.2 Рассчитать необходимые
параметры и выбрать тип вентилей при условии работы выпрямителя на заданную
активную нагрузку. Индуктивностью и сопротивлением обмоток трансформатора
пренебречь.
1.3 Определить расчетную
мощность, напряжение вторичной обмотки и коэффициент трансформации
трансформатора. Вентили считать идеальными.
.4 Рассчитать амплитуды тока и
напряжения при работе выпрямителя без фильтра и начертить в масштабе временные
диаграммы тока и напряжения на нагрузке.
.5 Рассчитать параметры
сглаживающего фильтра, который обеспечит допустимый коэффициент пульсаций
напряжения на нагрузке.
.6 Указать на схеме выпрямителя
тип вентилей, параметры элементов фильтра, мощность и коэффициент трансформации
трансформатора.
Решение
Рисунок 1.1 - Расчетная схема
Находим ток нагрузки:
Для однофазного
выпрямителя с нулевым выводом среднее значение прямого тока через вентиль:
Обратное максимальное
напряжение на вентиле:
Выбираем вентили КЦ201Д,
для которых:
Для однофазного
выпрямителя с нулевым выводом действующее значение вторичного напряжения:
Откуда коэффициент
трансформации:
Расчетная мощность:
Диаграммы напряжения на
входе, напряжения и тока на нагрузке представлены на рисунке 1.2:
Рисунок 1.2 - Диаграммы
токов и напряжений на нагрузке
Определим параметры
фильтра.
Коэффициент пульсаций на
выходе однофазного мостового выпрямителя:
Требуемый коэффициент
пульсации:
Коэффициент сглаживания
фильтра:
Принимаем емкость
конденсатора фильтра:
Сопротивление нагрузки:
Тогда:
где m - число пульсаций выпрямленного напряжения за период (m=2).
-
сопротивление нагрузки.
Тогда коэффициент
сглаживания фильтра:
Для простого емкостного
фильтра:
Параметры фильтра C1=0,001мФ,
удовлетворяют условиям эффективной работы.
ЗАДАЧА 2
Рисунок 2.1 - Схема каскада
Таблица 2.1 - Данные к задаче №2
|
Тип транзистора
|
Напряжение источника питания Eк,
В
|
Ток покоя транзистора Iкп,
мА
|
Напряжение покоя Uкэп,
В
|
Сопротивление нагрузки Rн,
кOм
|
|
МП25
|
20
|
10
|
10
|
2
|
2.1 Начертить схему усилительного
каскада с учетом заданного типа транзистора. На схеме указать токи и напряжения
транзистора, а также Uвх и Uвых.
2.2 По заданным в табл. 2.1
параметрам на характеристиках транзистора нанести точку покоя и построить
статическую линию нагрузки. Рассчитать величину сопротивлений резисторов,
обеспечивающих заданный режим покоя. При расчете учесть, что Iк
>> Iб.
.3 В точке покоя по
характеристикам транзистора определить его h-параметры (h11, h21,
h22). Параметр h12 принять равным нулю.
.4 Начертить схему замещения
усилителя в динамическом режиме, заменив транзистор эквивалентной схемой с
h-параметрами.
.5 Рассчитать с учетом
нагрузки входное и выходное сопротивление каскада, коэффициенты усиления тока,
напряжения и мощности.
.6 Построить динамическую
линию нагрузки на выходных характеристиках транзистора и определить
максимальную амплитуду выходного напряжения, усиливаемого без заметных
искажений сигнала, и максимальную выходную мощность.
.7 Построить амплитудную
характеристику каскада.
.8 Определить коэффициент
полезного действия каскада.
Решение
В статическом режиме входное
напряжение отсутствует и токи протекают только под действием источника питания
Eк. Сопротивление конденсаторов постоянному току равно
бесконечности, проведем расчет для определения параметров статического режима:
Для нахождения координат статической
линии нагрузки имеем:
Отсюда:
Т.к.
Строим СЛН по 2 точкам:
)
-
точка М
)
-точка
отсечки.
Статическая линия
нагрузки показана на рис.2.2
Германиевые высоковольтные p-n-p-транзисторы предназначены для
работы в усилителях и генераторах.
Корпус металлический, масса не более
2 г.
Uэк m , В - 40,
Iк m, мА - 300,
Pк m , мВт - 200,
Тm, ОС
- +70.
Построение линии статической
нагрузки представлено на рисунке 2.2:
Рисунок 2.2 - Характеристики
транзистора
Найдем Rк и Rэ:
выпрямитель
фильтр ток транзистор усилитель
Для другого контура:
По рисунку 2.2 точка
покоя П лежит на выходной характеристике Iб=0,52мА,
где Uбэп=0,21В.
Т. к.
,
а
,
следовательно
Для внешнего контура
Отсюда:
По выходным
характеристикам транзистора в точке покоя П определяем:
По входной
характеристике рассчитываем:
В динамическом режиме
источник питания закорочен, а токи протекают только за счет uвх.
Емкость конденсаторов выбирается так, чтобы на минимальной рабочей частоте их
сопротивление было значительно меньше активных сопротивлений схемы и
конденсаторы можно было считать закороченными. Тогда, заменив транзистор
эквивалентной схемой с h-параметрами, получим схему замещения усилителя,
изображенную на рисунке 2.3. В этой схеме:
Рисунок 2.3 - Схема
замещения усилителя
Входное сопротивление
каскада:

Коэффициент усиления
напряжения находим с помощью уравнений для входной и выходной цепей:
Коэффициент усиления
тока определяется по формуле:
Коэффициент усиления
мощности:
Уравнение динамической
линии нагрузки записывается по второму закону Кирхгофа для выходного контура
схемы замещения каскада:
Вторая точка
динамической линии нагрузки будет иметь смещения:
Следовательно,
координаты запишутся:
ДЛН пересекает
в
точке
,
.
Максимальная выходная
мощность:
ЗАДАЧА 4
На основе операционного усилителя
(ОУ) проектируется усилитель низкой частоты с заданным коэффициентом усиления
напряжения. Тип ОУ, требуемый коэффициент усиления и минимальное входное
напряжения приведены в таблице 4.1. Сопротивление нагрузки значительно больше
выходного сопротивления ОУ.
Таблица 4.1 - Данные к задаче №4
|
Тип ОУ
|
Требуемый коэффициент усиления
|
Uвх
min, мВ
|
Тип усилителя
|
|
Группа 1, 4
|
Группа 2, 5
|
Группа 3, 6
|
|
|
|
К140УД1А
|
50
|
60
|
75
|
10
|
Инвертирующий
|
4.1 Начертить заданную схему
усилителя с цепью обратной связи и источниками питания. Указать входное и
выходное напряжения.
4.2 Рассчитать сопротивления
резисторов схемы для получения требуемого коэффициента усиления.
.3 Определить максимальную
амплитуду входного синусоидального сигнала, при которой не будет значительных
искажений выходного сигнала.
.4 Начертить амплитудную
характеристику усилителя.
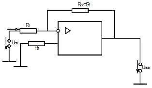
Решение
Схема неинвертирующего усилителя на
ОУ представлена на рисунке 4.1:
Рисунок 4.1 - Схема усилителя на
базе ОУ
Усилитель на ОУ К
140УД1А имеет следующие основные параметры: напряжение источников питания
,
разность входных токов
,
коэффициент усиления
,
максимальное выходное напряжение
, входное сопротивление
,
выходное сопротивление
.
Рассчитаем сопротивления
резисторов схемы, для этого:
Принимаем
,
тогда:
Отсюда:
Выходное сопротивление:
Амплитуда выходного
сигнала не может быть больше максимального выходного напряжения. Поэтому
максимальная амплитуда входного синусоидального сигнала составит:
Амплитудная характеристика
представлена на рисунке 4.2:
Рисунок 4.2 -
Амплитудная характеристика усилителя
Из рисунка 4.2 видно,
что в точке, где линия характеристики переходит в горизонтальную усилитель
переходит на нелинейный режим работы.
ЗАДАЧА 5
На основе операционного усилителя
проектируется сумматор для выполнения заданной операции. Тип ОУ, выполняемая
операция и сопротивление резистора обратной связи приведены в таблице 5.1.
Сопротивление нагрузки значительно больше выходного сопротивления ОУ.
Данные к задаче №5
Таблица 5.1
|
Тип ОУ
|
Выполняемая операция
|
Сопротивление обратной связи, кОм
|
Тип сумматора
|
|
|
К140УД1А
|
4U1+U2+U3
|
20
|
Неинвертирующий
|
5.1 Начертить схему сумматора для
реализации заданной операции с указанием источников питания, входного и
выходного напряжений.
5.2 Рассчитать величину
сопротивлений резисторов входных цепей.
Решение
ОУ К140УД1А имеет следующие основные
параметры: напряжение источников питания Eп = ± 6,3 В, разность входных токов ΔIвх = 1,5 мкА, коэффициент усиления K`u =2500, максимальное выходное напряжение Uвых m = =±3,5 В, входное сопротивление R`вх = 0,6 МОм, выходное
сопротивление R`вых = =0,7 кОм.
Входной ток 5 мкА
Разность входных токов 1,5 мкА
Схема неинвертирующего сумматора
представлена на рисунке 5.1:
Рисунок 5.1 - Схема сумматора на
базе ОУ
Выходное напряжение параллельного
сумматора:
где
- коэффициенты усиления (весовые коэффициенты) и входные напряжения по каждому
из неинвертирующих и инвертирующих входов,
- сопротивление обратной
связи (резистор
),
- сопротивление в цепи
данного входа.
По заданному значению
и
весовым коэффициентам входов определяем:
Для нормальной работы
сумматора надо уравнять сопротивления по обоим входам. В противном случае
входные токи ОУ вызовут на них неодинаковое падение напряжений и на входе ОУ
появится разностный сигнал, который будет им усилен.
На выходе будет Uвых
при отсутствии Uвх. Входное сопротивление по инвертирующему входу:
Отсюда:
По неинвертирующему
входу:
Отсюда:
Выходное напряжение при
выполнении данной операции:
При единичном входном
напряжении 100 мВ
.
Доля выходного
напряжения за счет первого входа
. Для других входов
,
.
Выходное напряжение
сумматора:
.
ЗАДАЧА 6
Работа автоматизированного комплекса
контролируется по N параметрам: положение рабочих органов и заготовок, давление и
температура масла в системе, давление охлаждающей жидкости и т.д. Параметры
контролируются двоичными датчиками. При отклонении хотя бы одного из параметров
от нормы комплекс автоматически отключается. Система управления построена на
элементах положительной логики, то есть наличие сигнала, например, о
достаточном давлении масла соответствует 1, а отсутствие сигнала - 0. Число и
нормальное значение контролируемых параметров заданы десятичным числом, которое
получают сложением числа А (согласно таблице 6.1) с числом, которое задано в
таблице 6.1. Его надо преобразовать в двоичное число, количество разрядов
которого соответствует количеству параметров, а значение каждого разряда -
нормальному значению параметра.
Таблица 6.1 - Данные к задаче №6
|
Число А
|
Число
|
Тип логических элементов
|
|
38
|
12
|
2И-НЕ, 2 ИЛИ-НЕ
|
6.1 Сложить число А с числом
согласно варианту.
6.2 Преобразовать полученное
десятичное число в двоичное.
.3 Пронумеровать датчики от
младшего разряда двоичного числа к старшему.
.4 Составить таблицу истинности
и записать логическую функцию.
.5 Функция равна единице только
для заданного набора.
.6 Преобразовать логическую
функцию в соответствии с заданным типом логических элементов.
.7 Составить схему управления
из заданных логических элементов.
.8 Проверить на схеме
правильность работы, подав на входы заданный код.
Решение
Произведем суммирование заданных
чисел:
+12=50
Число 50 содержит 6 разрядов,
следовательно зададимся шестью переменными x1, x2, x3…
x6. Число 50 в двоичной системе представлено в таблице 6.2:
Таблица 6.2 - Представление числа в
двоичном коде
|
1
|
1
|
0
|
0
|
1
|
0
|
|
x5
|
x4
|
x3
|
x2
|
x0
|
Составим и преобразуем выражение для
более удобного вида:
Составим схему
управления из заданных логических элементов:
Рисунок 6.1 - Схема
управления проверки числа в двоичном коде
Составим таблицу 6.3
называемую таблицей истинности. Ввиду того, что количество вариантов будет
равно 26, то ограничимся для примера несколькими числами:
Таблица 6.3 - Проверка
истинности
|
x5
|
x4
|
x3
|
x2
|
x1
|
x0
|
F
|
|
0
|
0
|
0
|
0
|
0
|
1
|
0
|
|
0
|
0
|
0
|
0
|
1
|
0
|
0
|
|
0
|
0
|
0
|
0
|
1
|
1
|
0
|
|
0
|
0
|
0
|
1
|
0
|
0
|
0
|
|
.
|
.
|
.
|
.
|
.
|
.
|
.
|
|
1
|
1
|
0
|
0
|
1
|
0
|
1
|
|
.
|
.
|
.
|
.
|
.
|
.
|
.
|
|
0
|
0
|
0
|
1
|
0
|
0
|
|
0
|
0
|
0
|
1
|
1
|
0
|
0
|
|
0
|
0
|
0
|
1
|
1
|
1
|
0
|
На рисунке 6.1 произведена проверка
схемы, в результате которой видно, что на выходе получается сигнал «1», что и
необходимо.
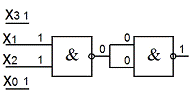
ЗАДАЧА 9
Разработать комбинационное
устройство с четырьмя входами, дающее на выходе F = 1 при подаче на входы заданных в
таблице 9.1 чисел в двоичном коде. При подаче на входы других чисел F = 0. Используемые логические
элементы приведены в таблице 9.1.
Таблица 9.1 - Данные к задаче №9
|
Заданные числа
|
Используемые логические элементы
|
|
0,1,8,9
|
2И-НЕ
|
9.1 Преобразовать заданные
десятичные числа в четырехразрядные двоичные коды. Недостающие разряды добавить
нулями.
9.2 Составить таблицу истинности,
в которой единице должны соответствовать только заданные числа.
.3 Записать и упростить
логическое уравнение. Преобразовать его в соответствии с типом заданных
логических элементов.
.4 Составить схему устройства.
Решение
Всевозможные значения представлены
таблицей 9.2:
Таблица 9.2 - Значения чисел в
двоичном коде
|
Число в десятичном коде
|
x3
|
x2
|
x1
|
x0
|
F
|
|
0
|
0
|
0
|
0
|
0
|
1
|
|
1
|
0
|
0
|
0
|
1
|
1
|
|
8
|
1
|
0
|
0
|
0
|
1
|
|
9
|
1
|
0
|
0
|
1
|
1
|
Используя таблицу, запишем выражение:
Составим соответствующую
схему устройства. Т. к. по результатам расчета получилось значение
,
следовательно, остальные 2контакта будут не задействованы. Получим схему,
представленную на рисунке 9.1:
Рисунок 9.1 - Схема
устройства
На рисунке 9.1
произведена проверка схемы, в результате которой видно, что на выходе
получается сигнал «1», что и требуется.
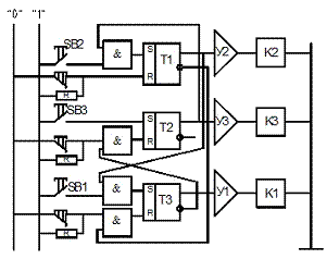
ЗАДАЧА 10
Электропривод производственного
механизма осуществляется тремя электродвигателями. Включение и отключение
электродвигателей производится контакторами, которые управляются кнопочными
постами. Для нормальной работы электродвигатели должны включаться и отключаться
в определенном порядке, который задается схемой управления на логических
элементах. Питание катушек контакторов осуществляется от схемы управления через
усилители.
Таблица 10.1 - Данные к задаче №10
|
Порядок включения двигателей
|
Порядок выключения двигателей
|
1-3-2
|
10.1 Для заданного в таблице 10.1
порядка включения и отключения двигателей составить схему управления на
стандартных логических элементах, триггерах.
10.2 На схеме указать кнопки
включения и выключения, усилители и катушки контакторов.
Решение
Рисунок 10.1 - Схема включения и
отключения двигателей
Включение ведется согласно порядку
2-3-1, а отключение - 1-3-2.