Расчет параметров полосового фильтра
Расчет электрических цепей
Нормирование ФНЧ прототипа для ПФ
f0=
=
Þ fЗ1=
=
= 6,968937 кГц;
f0=
= 18, 64805619 кГц; W=
fP1=0; W1= 0;
fP2 = fГ2 -
fГ1 = 32,5 - 10,7 = 21,8 кГц; W2= 1;
fP3 = f32 -
f31 = 49,9 - 6,96893787 = 42,93106213 кГц;
W3=
=1.969 а =
=
= 1,16902264
Аппроксимация
по Баттерворту
e =
=
=
0,90537332.
Найдем
порядок полинома Баттерворта:
nБ ³
=
= 3,02059 Þ nБ=4
Корни
полинома Гурвица:
Pk=
; k=1…n;
n=4.= -0,392 + j*0.947= -0.947 + j*0.393= -0.947 - j*0.3924= -0.392 - j*0.947
Определим
передаточную функцию T(p):

Подставив
p=jW, получаем:


Выполним проверку, подставив в функцию А(W) частоты: 0; 1; 1.969;
A(0) =
» 0 дБ;
A(1) =
» 2,6 дБ;
A(1,969)=
» 22,6989607 дБ;
Amin<A(1,969),
что отвечает требованиям к ФНЧ при исходных данных.
Аппроксимация
по Чебышеву
e =
=
=
0,90537332.
Найдем
порядок полинома Чебышева:
nч³
=
=2.106; Þ
nч=3; j =
=0,31779394;
Найдем
корни полинома Гурвица:
pk=(
); k=
1..n; n= 3;= -0.16151079 + j*0.91026539= -0.32317007 + j*0= -0.16151079 +
j*0.91026539
Подставив
p=jW, получаем:


;
Выполним проверку, подставив в функцию А(W) частоты: 0; 1; 1.969;
A(0) =
» 0 дБ;
A(1) =
» 2.6 дБ;
A(1.969)=
» 26.97 дБ;
Amin<A(1.969),
что отвечает требованиям к ФНЧ при исходных данных.
Реализация
схемы ФНЧ-прототипа методом Дарлингтона
А) По Баттерворту
Bn (W)=Wn; p=jW Þ
;
V(p)=p4 + 2,678p3 + 3,585842p2 + 2,81316669p + 1,1034935
;
n=4;
V(p)+B4(p)= 2p4 + 2,678p3 + 3,585842p2 + 2,81316669p +
1,1034935(p)-B4(p)= 2,678p3 + 3,585842p2 + 2,81316669p + 1,1034935
Цепная
дробь
будет иметь вид:
.
Полученной
функции
соответствует нормированная схема:
Если
выбрать противоположные знаки «+» и « - » у функции
, то получим дуальную нормированную схему фильтра,
которой соответствует схема ФНЧ-прототипа:
Б) По Чебышеву

; n=3;
;
;
Выберем
верхние знаки:

;
Полученной
функции
соответствует нормированная схема:
Если
выбрать противоположные знаки «+» и « - » у функции
, то получим дуальную нормированную схему фильтра,
которой соответствует схема ФНЧ-прототипа:

По
Баттерворту
А)
r2 = 1; При
последовательном КК:
;
;
l1 =
0,746 ;
c2 =
1,802;
l3 =
1,802;
c4 =
0,746;
a =
1,169;
При параллельном КК:
;
;
Расчет:
l1н=
0,6388456; c1н=
1,56532345;
l2н=
0,64861202; c2н= 1,54175371;
l3н=
1,54194669; c3н= 0,64853085;
l4н=
1,56499288; c4н= 0,63898054;
Найдем преобразующие множители:
Б)
r2 =
1;
При последовательном КК:
;
;
c1 =
0,746 ;
l2 =
1,802;
c3 =
1,802;
l4 =
0,746;
a =
1,169;
При параллельном КК:
;
;
Расчет:
l1н=
1,56702412; c1н= 0,63815226;
l2н=
1,54174508; c2н= 0,64861565;
l3н=
0,64861565; c3н= 1,54175081;
l4н=
0,63815226; c4н= 1,56702412;
Найдем преобразующие множители:
По
Чебышеву
А)
r2 =
1;
При последовательном КК:
;
;
l1 =
3,0929 ;
c2 =
0,756;
l3 =
3,0977;
a =
1,169;
При параллельном КК:
;
;
Расчет:
l1н=
2,64576561; c1н= 0,3779624;
l2н=
1,54629629; c2н= 0,6467065;
l3н=
2,64987468; c3н= 0,377376;
Найдем преобразующие множители:
Б)
r2 =
1;
При последовательном КК:
;
;
c1 =
3,092 ;
l2 =
0,756;
c3 =
3,097;
a =
1,169;
При параллельном КК:
;
;
Расчет:
l1н=
0,37807244; c1н= 2,64499572;
l2н=
0,64670655; c2н= 1,54629629;
l3н=
0,37746206; c3н= 2,64927288;
Найдем преобразующие множители:
Расчет
частотных характеристик полосового фильтра
Найдем зависимость рабочего ослабления от частоты А(f) и фазового ослабления от частоты В(f). Построим графики.
а) По
Баттерворту
;
;
Рассчитаем
частоты:

a =
1,16902264;
f0 =
18,64805619 кГц;
Wp= 0;
0,25; 0,5; 0,75; 1; 1,25; 1,5; 1,75;1,969 - берем сами.
Таблица:
|
Wр.
|
0
|
0,25
|
0,5
|
0,75
|
1
|
1,25
|
1,5
|
1,75
|
1,969
|
|
W
|
1
|
1,1567
|
1,3341
|
1,5302
|
1,7428
|
1,9691
|
2,2067
|
2,4533
|
2,6755
|
|
W’
|
1
|
0,8644
|
0,7495
|
0,6534
|
0,5737
|
0,5078
|
0,4531
|
0,407
|
0,3737
|
|
f, кГц
|
18,64805
|
21,571
|
24,878
|
28,536
|
32,5
|
36,72
|
41,15
|
45,751
|
49,893
|
|
f’, кГц
|
18,64805
|
16,121
|
13,978
|
12,186
|
10,699
|
9,4702
|
8,4505
|
7,6007
|
6,9697
|
|
A, дБ
|
0
|
0
|
0
|
0,3329
|
2,5915
|
7,6936
|
13,423
|
22,968
|
|
B,град
|
0
|
36,82
|
75,88
|
121,33
|
174,78
|
219,81
|
248,49
|
267,01
|
278,67
|
В(0)=0
В(0,25)=
=36,820
В(0,5)=
=75,880
В(0,75)=
=-58,670+1800=121,330
В(1)=
=-5,210+1800=174,7860
В(1,25)=
=39,810+1800=219,810
В(1,5)=
=68,490+1800=248,490
В(1,75)=
=87,010+1800=267,010
В(1,969)=
=-81,520+3600=278,670
График
зависимости рабочего ослабления от частоты А(f)
График
зависимости фазового ослабления от частоты В(f)
а) По
Чебышеву
;
;
Рассчитаем
частоты:
a = 1,169022649;
f0 = 18,64805619 кГц;
n=3;
Количество
точек экстремума равно: (n+1) т.е. 4:
Остальные
частоты не удовлетворяют физическим условиям.
Таблица:
|
Wр
|
0
|
0,5
|
0,866
|
1
|
1,5
|
1,969
|
|
W
|
1
|
1,334
|
1,627
|
1,742
|
2,206
|
2,675
|
|
W’
|
1
|
0,749
|
0,614
|
0,5737
|
0,4531
|
0,3737
|
|
f, кГц
|
18,648
|
24,877
|
30,34
|
32,5
|
41,15
|
49,89
|
|
f’, кГц
|
18,648
|
13,97
|
11,46
|
10,69
|
8,45
|
6,969
|
0
|
2,594
|
0
|
2,611
|
18,289
|
26,975
|
|
B,град
|
0
|
72,77
|
139,15
|
260,72
|
283,15
|
283,73
|

В(0)=0
В(0,5)=
=72,770
В(0,866)=
=-40,850+1800=139,150
В(1)=
=-99,320+3600=260,720
В(1,5)=
=-76,270+3600=283,150
В(1,969)=
=-76,850+3600=283,730
График
зависимости рабочего ослабления от частоты А(f)
График
зависимости фазового ослабления от частоты В(f)
Расчет
частотных характеристик фильтра на ЭВМ с помощью пакета Electronic Work Bench 5.12
По
Баттерворту: А)
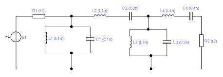
Электрическая
схема:
Показания
осциллографа:
Показания
плоттера:
Баттерворту:
Б)
Электрическая
схема:
Показания
осциллографа:
Показания
плоттера:
По
Чебышеву: А)
Электрическая
схема:
Показания
осциллографа:
Показания
плоттера:
По
Чебышеву: Б)
Электрическая
схема:
Показания
осциллографа:
Показания
плоттера:
по
Чебышеву: (проверка)
электрическая
схема:

Показания осциллографа:
Показания плоттера:
1)
)
по
Баттерворту: (проверка)
Электрическая схема:
Показания осциллографа:
Показания плоттера:
Список
литературы
1) Медведева Л.С. ,Тлявлин А.З. Синтез электрических
фильтров по рабочим параметрам: Методические указания к курсовой работе по
дисциплине «Теория электрических цепей» / уфимск. гос. Авиац. техн. ун-т; сост.
Л.С.Медведева, А.З. Тлявлин. - Уфа, 2001.- 36с.
2) Бессонов Л.А. Теоретические основы электротехники.
Электрические цепи: Учеб. для электротехн., энерг., приборостроит., спец. вузов
- 9-е изд., перераб. и доп. - М.: Высш. Шк., 1996.-638 с.:ил.
) Соколов В.Ф. и др. Расчет фильтров по рабочим
параметрам. Методическая разработка. Самара, 1991.
) Основы теории цепей/Г.В.Звеке, П.А.Ионкин,
А.В.Нетушил, С.В.Страхов.-М.: Энергия, 1972 - 239 с.