Расчет LC- и ARC- фильтров
Санкт-Петербургский
Государственный Университет Телекоммуникаций
им.
проф. М.А.Бонч-Бруевича.
Курсовая
работа по дисциплине
«Основы
теории цепей»
«Расчет
LC- и ARC-
фильтров»
Выполнил:
Бабаян В.Л. Группа: Р-07
Проверил:
Доц. кафедры ТЭС Шушпанов Д.В.
Санкт-Петербург
2012
1.
РАСЧЕТ LC - ФИЛЬТРА
1.1 Содержание задания
Рассчитать LC-фильтр,
полагая, что его элементы имеют пренебрежимо малые потери.
Согласно заданного варианта 2, определяем
исходные данные.
Код задания - 221.
Тип фильтра - ФВЧ.
Вид аппроксимации - по Чебышеву.
Режим работы фильтра - двусторонняя нагрузка
(рис1.1).
Рис 1.1 Работа фильтра в режиме двусторонней
нагрузки.
Исходные данные для расчета ФВЧ:
С = 0,2;
М = 1+С = 1,2;
0 = 45дБ. - гарантированное ослабление в полосе
задержания;
f0 = 4,2M
= 5,04кГц. - граничная частота полосы пропускания ФВЧ;
fk = 2,7M
= 3,24кГц. - граничная частота полосы задерживания ФВЧ;
Δ a
= 1,25дБ. - допустимая неравномерность характеристики ослабления в полосе
пропускания.
Ослабление фильтра определяется выражением:
a(ω)
= -20lg|H(jω)|,
(1.1)
где H(jω)=H(p)|
p= jω
;
передаточная функция для режима
работы с двусторонней нагрузкой;
R1 = 600 Ом, а
величина R2 находится
при расчете фильтра.
1.2
Проектирование схемы фильтра
При расчете фильтра используем метод, основанный
на частотном преобразовании фильтра прототипа нижних частот (ФПНЧ).
Определяем порядок ФПНЧ, который для фильтров с
характеристиками Чебышева находится по формуле:
(1.2)
где
- нормированная граничная частота
полосы задержания ФПНЧ для расчета ФВЧ.
Рассчитанное значение n следует
округлить до ближайшего большего целого числа.
Подставив заданные значения в (1.2),
определим n :
;
Схема ФПНЧ 7-го порядка (n=7), в
режиме двусторонней нагрузки, приведена на рис.1.2.
Рис 1.2 Схема ФПНЧ 7-го порядка в
режиме двусторонней нагрузки.
Значения элементов
и
двусторонне
нагруженного ФПНЧ с характеристиками Чебышева при ∆a=1.25дБ. и n=7:
;
;
;
;
;
;
;
Параметры элементов проектируемого
ФВЧ определяем путем соответствующего пересчета параметров элементов ФПНЧ по
формулам:
;
;
.
где
для фильтра работающего в режиме
двусторонней нагрузки.
Схема ФВЧ, полученная в результате
преобразования ФПНЧ 7-го порядка приведена на рис 1.3. Значения параметров
фильтра приведены в таблице 1.1.
Рис 1.3 Схема LC-фильтра
верхних частот 7-го порядка. Режим работы фильтра - двусторонняя нагрузка.
Таблица 1.1
|
N
|
Элемент
фильтра
|
Значение
параметра элемента
|
|
1
|
L1
|
8,0591 мГн.
|
|
2
|
C2
|
49,9816 нФ.
|
|
3
|
L3
|
5,7467 мГн.
|
|
4
|
C4
|
47,5005 нФ.
|
|
5
|
L5
|
5,7467 мГн.
|
|
6
|
C6
|
49,9816 нФ.
|
|
7
|
L7
|
8,0591 мГн.
|
|
8
|
R1
|
600 Ом.
|
|
9
|
R2
|
600 Ом.
|
1.3
Определение передаточной функции фильтра
Передаточная функция полиномиального ФПНЧ
определяется по формуле:
где
- полином Гурвица n-й степени,
-
коэффициент, определяющий величину ослабления фильтра на частоте
.
Для ФПНЧ с характеристикой Чебышева
при ∆a=1.25дБ. и n=7
(индекс при B означает
порядок ФПНЧ).
Сомножители полинома Гурвица для
ФПНЧ 7-го порядка с характеристикой Чебышева при ∆a=1.25дБ. :
В результате получаем передаточную
функцию полиномиального ФПНЧ:
Передаточную функцию проектируемого
ФВЧ
находим
частотным преобразованием передаточной функции
ФПНЧ по формулам преобразования,
приведенным в таблице 1.2:
Таблица 1.2
Передаточная функция ФПНЧ
Формула
преобразованияПередаточная функция фильтра
Тип

Получаем искомую функцию:
(1.3)
при заданном значении
:
(1.4)
1.4 Расчет
характеристики ослабления проектируемого фильтра
Передаточная характеристика
проектируемого фильтра (1.4):
После преобразования числителя
получаем:
;
Характеристика ослабления
проектируемого фильтра определяется по формуле:
Расчет характеристики ослабления
выполним на ПК по программе MATHCAD.
Выберем частотный диапазон и число
расчетных точек достаточными для сопоставления рассчитанных характеристик с
исходными требованиями к ним.
;
Характеристика ослабления
проектируемого фильтра приведена на рис 1.4.
Рис 1.6 позволяет проанализировать
значение неравномерности характеристики ослабления фильтра в полосе
пропускания.
Рис 1.4 Характеристика ослабления
проектируемого ФВЧ.
Рис 1.5 Полосы пропускания и
задерживания проектируемого ФВЧ 7-го порядка.
Рис 1.6 Неравномерность
характеристики ослабления фильтра в полосе пропускания.
1.5
Моделирование на ПК
Моделирование ФВЧ на ПК выполним с
помощью программы Fastmean 5.0. Для этого изобразим на экране
дисплея схему рассчитанного фильтра (рис 1.7) и снимем характеристику рабочего
ослабления фильтра.
Рис 1.7 Схема рассчитанного ФВЧ 7-го
порядка.
Рис 1.8 Характеристика рабочего
ослабления рассчитанного ФВЧ.
2.
РАСЧЕТ ARC - ФИЛЬТРА
2.1 Содержание задания
Операторную передаточную функцию, полученную в
задании 1, с точностью до постоянного множителя реализовать активной RC
- цепью.
Привести схему ARC-фильтра,
рассчитать параметры элементов звеньев методом уравнивания коэффициентов.
Получить выражения и построить графики АЧХ и ФЧХ
, а также частотных зависимостей чувствительностей АЧХ и ФЧХ к изменению
параметра заданного элемента Wk
для звена фильтра N9 табл. 2.2
(вариант 2).
Рассчитать характеристику ослабления ARC-фильтра
через его передаточную функцию H(p)
моделирования фильтра на ПК.
Сравнить графики характеристик ослабления LC
и ARC- фильтров и
сделать выводы.
2.2 Построение схемы
Передаточная функция проектируемого фильтра,
полученная в задании 1 - (1.3), (1.4):
Схему ARC - фильтра
составим путем каскадно-развязанного соединения звеньев 2-го и 1-го порядков,
каждое из которых реализует один из сомножителей функции H(p).
Произведем расчет добротности
полюсов сомножителей передаточной функции.
;
;
;
Анализируя полученные значения
добротностей, определяем тип ARC - звеньев.
звено.
;
При
выбираем звено с одним операционным
усилителем. Схема N4 табл. 2.1 [1] . Схема приведена на
рис 2.1.
Рис. 2.1 Схема ARC
- звена.
звено.
;
При
выбираем звено с одним операционным
усилителем. Схема N4 табл. 2.1 [1] . Схема приведена на
рис 2.1.
Передаточная функция ARC - звена
приведенного на рис.2.1 определяется выражением:
звено.
;
Для построения 3-го звена следует
применить звено реализованное по методу АВТ, так как
. Для
реализации выбираем схему N9 табл. 2.2 [1]. Схема приведена на
рис 2.2.
Рис 2.2 Схема звена АВТ-структуры.
звено.
В качестве звена реализующего сомножитель 1-го
порядка используем высокочастотное RC-
звено рис 2.3.
Рис.2.3 Высокочастотное RC-звено
1-го порядка.
При каскадном соединении звенья располагаем от
входа к выходу цепи в порядке возрастания добротности полюса передачи.
Высокочастотное
RC-звено
располагается на выходе цепи. Полная схема ARC-
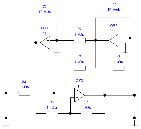
фильтра верхних частот приведена на рис 2.4.
Рис 2.4 Схема ARC-
фильтра верхних частот.
2.3 Расчет параметров ARC -
фильтра
Для нахождения численных значений параметров
элементов выбранных звеньев составим системы уравнений путем уравнивания
численных коэффициентов реализуемого сомножителя передаточной функции фильтра,
полученной в задании 1, с соответствующими коэффициентами передаточной функции
применяемого звена.
Передаточная функция ФВЧ полученная в задании 1
(1.4):
Передаточная функция ФВЧ полученная
в задании 1, должна быть реализована с точностью до постоянного множителя,
поэтому нет необходимости уравнивать коэффициенты в числителях выражений.
Звено 1
Реализуемый сомножитель передаточной
функции:
. (2.1)
(2.2)
Уравниваем коэффициенты знаменателей
(2.1) и (2.2)
;
,
составим систему уравнений.
Задаем равенство C1=C2=C3=C=
Ф. и
рассчитываем остальные параметры.
;
В результате получим:
C1=C2=C3=2 нФ.;
R1=1,795
кОм.;
R2=31,115
кОм.
Звено 2
Реализуемый сомножитель передаточной
функции:
. (2.3)
Передаточная функция используемого ARC-звена:
(2.4)
Уравниваем коэффициенты знаменателей
(2.3) и (2.4)
;
,
составим систему уравнений.
Задаем равенство C1=C2=C3=C=
Ф. и рассчитываем
остальные параметры.
;
В результате получим:
C1=C2=C3=2 нФ.;
R1=1,242
кОм.;
R2=129,859
кОм.
Звено 3
Сомножитель передаточной функции
фильтра для расчета 3-го звена имеет вид:
Схема используемого звена АВТ-
структуры приведена на рис 2.5.
Приведенная схема содержит 3 блока:
блоки 1 и 2 - интеграторы, блок 3 - алгебраический сумматор.
Выражение, описывающее работу
интегратора 1-го блока, имеет вид:
Аналогично, для 2-го блока:
Рис 2.5 Схема используемого звена АВТ- структуры
Схема 3-го блока приведена на рис 2.6.
По схеме найдем зависимость между выходным и
входными напряжениями методом узловых напряжений.
Рис 2.6 Схема блока 3.
Рассмотрим узел а.
n
;
;
;
Для узла б
;
;
;
Составим систему уравнений:
;
Определяем передаточную функцию АВТ-структуры.
;
;
;
;
В результате получаем передаточную
функцию АВТ-структуры.
(2.5)
Расчет элементов 3-го звена.
Примем значение
Ф.; R3=R4=R5=R6=50 кОм..
В результате получаем:
нФ.;
1=184,932 кОм.; (2.6)
R2=1,329 кОм.
Расчет 4-го звена.
;
;
Примем R=600 Ом. и
рассчитаем значение C.
нФ.
Рассчитанные значения элементов ARC-фильтра
верхних частот приведенного на рис 2.4 представлены в таблице 2.1.
Таблица 2.1
|
n
|
Элемент
схемы
|
Значение
|
|
1
|
R1
|
1,795 кОм
|
|
2
|
R2
|
31,115 кОм
|
|
3
|
R3
|
1,242 кОм
|
|
4
|
R4
|
129,859 кОм
|
|
5
|
R5
|
50 кОм
|
|
6
|
R6
|
50 кОм
|
|
7
|
R7
|
1,329 кОм
|
|
8
|
R8
|
50 кОм
|
|
9
|
R9
|
50 кОм
|
|
10
|
R10
|
184,932 кОм
|
|
11
|
R11
|
600 Ом
|
|
12
|
C1…C8
|
2
нФ
|
|
13
|
С9
|
9,96
нФ
|
Определим величину плоского
ослабления рассчитанного ARC- фильтра верхних частот. Для
этого вычислим коэффициент
.
где N - число
сомножителей передаточной функции
, полученной в задании 1;
- значение коэффициента перед p в старшей
степени числителя H(p);
- значения коэффициентов числителей
передаточных функций
реализованных звеньев.
;
Отличие коэффициента
от 1 очень
мало, поэтому характеристика ослабления рассчитанного ARC-фильтра
практически не будет отличаться от требуемой.
2.4 Расчет
частотных зависимостей параметрических чувствительностей АЧХ и ФЧХ звена АВТ-
структуры
Схема заданного звена АВТ-структуры
приведена на рис 2.7.
Передаточная функция
Рис 2.7 Схема звена АВТ-структуры.
Расчет произведен в п2.3. Рассчитанная
передаточная функция (2.5)
Рассчитанные значения элементов
(2.6)
нФ.;
1=184,932 кОм.;
R2=1,329 кОм.
Подставив значения элементов,
получим:
.
Переходим к комплексному виду:
;
.
АЧХ:
.
ФЧХ:
.
Графики АЧХ и ФЧХ приведенные на рис
2.7 и рис 2.8 построены на ПК при помощи программы MATHCAD.
Рис 2.7 График АЧХ звена АВТ.
Рис 2.8 График ФЧХ звена АВТ.
Рассчитаем частотную зависимость
параметрических зависимостей чувствительностей АЧХ и ФЧХ заданного звена
АВТ-структуры.
.
По операторной передаточной функции,
и
соответственно
равны:
;
Получим операторную функцию
чувствительности к изменению заданного параметра
.
;
;
;
Подставляя численные значения
элементов схемы, получаем:
Переходим к комплексной форме.
Получаем чувствительность АЧХ:
Чувствительность ФЧХ:
Графики параметрической
чувствительности АЧХ и ФЧХ построенные в среде MATHCAD приведены
на рис 2.9 и рис 2.10.
Рис 2.9 График параметрической
чувствительности АЧХ.
Рис 2.10 График параметрической
чувствительности ФЧХ.
2.5 Расчет
характеристики ослабления фильтра на ПК
фильтр частота ослабление
Характеристику ослабления рассчитанного ARC-фильтра
верхних частот смоделируем на ПК с использованием программы FASTMEAN.
Для этого изобразим на экране дисплея схему
рассчитанного ARC ФВЧ,
приведенную на рис 2.4. Значения элементов схемы возьмем из таблицы 2.1..
Заземлим балансный узел и определим нумерацию
узлов. Выберем частотный диапазон измерения характеристики ослабления активного
фильтра таким же, как при расчете ослабления LC-фильтра.
Зададим параметры измерения (количество расчетных точек, входную и выходную
величину).
В результате получим график характеристики
ослабления рис 2.11 и график неравномерности характеристики ослабления рис 2.12
рассчитанного ARC- фильтра
верхних частот. Сравним полученную характеристику ослабления ARC-
фильтра с характеристиками LC-
фильтра приведенными на рис 1.4, и рис 1.6.
Вывод
Графики характеристики ослабления рассчитанного ARC-
фильтра верхних частот практически не отличаются от графиков характеристики
рабочего ослабления рассчитанного LC-фильтра
на всех частотах.
Спроектированные ARC-
и LC-фильтры верхних
частот удовлетворяют требуемым параметрам.
Гарантированное ослабление в полосе задержания
больше 45 дБ.;
допустимая неравномерность
характеристики рабочего ослабления LC-фильтра
верхних частот и характеристики ослабления ARC-фильтра
верхних частот не превышает 1,25 дБ.; граничные частоты полосы пропускания и
полосы задерживания соответствуют заданным значениям (
).
Тип фильтра, заданные параметры a0 , f0, fk, Δa, а также вид
аппроксимации характеристики ослабления - реализованы как у LC- так и у ARC- фильтра.
Рис 2.11 Характеристика ослабления
рассчитанного ARC-фильтра
верхних частот.
Рис 2.12 Неравномерность
характеристика ослабления рассчитанного ARC-фильтра
верхних частот.