Методы цифрового моделирования
ЗАДАНИЕ
На выполнение курсовой работы
«Математические методы и модели
конструкторско-технологического проектирования»
. Выполнить моделирование сигнала s(t)
= (1 + a∙cos2πΩt)∙(sinπf0
+ sin2πf0),
построить s(t),
спектр сигнала, где: а = 0.75, Ω
= 20 Гц, f0 = 150 Гц.
. Построить математическую модель системы (см.
рис. 2.1), рассчитать и построить графики амплитудно-частотных характеристик
каждого из блоков и всего устройства в целом. ЧХ блока «Т» задана таблично (см
табл. 1). Выполнить моделирование работы системы при входном сигнале s(t).
Построить графики выходного сигнала и его спектра.
Таблица 1.1 - АЧХ и ФЧХ блока «Т»
|
Параметры
|
Значения
|
|
F,
Гц
|
0
|
50
|
100
|
150
|
200
|
250
|
300
|
350
|
400
|
450
|
500
|
|
АЧХ,
дБ
|
0
|
-6,54
|
-11,5
|
-15,8
|
-18,3
|
-19,9
|
-21,7
|
-24
|
-25,2
|
-28,2
|
-32,1
|
|
ФЧХ,
град
|
0
|
-58
|
-72,7
|
-78,3
|
-81,2
|
-83
|
-84,2
|
-85
|
-85,7
|
-86,2
|
-86,6
|
. Выполнить моделирование шума n(t)
с экспоненциальным законом распределения вероятностей с математическим
ожиданием mn = 0.3.
Оценить среднее значение и дисперсию отсчетов n(t),
построить гистограмму и проверить адекватность модели n(t)
по критерию Пирсона.
. Выполнить моделирование работы системы при
входном сигнале n(t).
Построить графики спектра, автокорреляционной функции и гистограммы выходного
сигнала. Выбрать статистическую модель для выходного сигнала, найти оценки ее
параметров.
. Оформить расчетно-пояснительную записку
согласно ДСТУ3008-95.
математический
цифровой моделирование
ВВЕДЕНИЕ
Цель работы: изучить различные методы цифрового
моделирования, в том числе статистического; получить практические навыки
реализации алгоритмов цифрового моделирования; закрепить знания о методах
обработки статистических данных.
Объекты исследования: детерминированный сигнал;
математическая модель системы; шум, распределенный по экспоненциальному закону;
работа системы при воздействии на нее шума.
Метод исследования - статистическое
моделирование в системе Fortran.
Ожидаемые результаты: моделирование всех
объектов исследования; получение графиков сигналов и процессов; выбор
статистической модели системы.
1 МОДЕЛИРОВАНИЕ СИГНАЛА НА ВХОДЕ
.1 Расчет параметров моделирования
Задан сигнал s(t) = (1 + a ∙ cos2πΩt) ∙ (sinπf0 + sin2πf0). Раскрыв
скобки и применив тригонометрическую формулу: sinA ∙ cosB =
sin(A - B) +
sin(A + B), получаем
s(t) = sin2(πf0/2)t
+ sin2πf0t +
sin2π(
)t +
sin2π(
)t +
+
sin2π(f0 -
Ω)t
+
sin2π(f0 +
Ω)t.
(1.1)
Подставим численные значения параметров а, Ω,
f0 и получим
s(t) = sin2π75t
+ sin2π150t
+ 0,375sin2π55t
+ 0,375sin2π95t
+ 0,375sin2π130t
+
+0,375sin2π170t(1.2)
Было выбрано наибольшее значение частоты - 170
Гц. Теперь используется теорема Котельникова,
которая гласит, что, если аналоговый сигнал x(t) имеет ограниченный спектр, то
он может быть восстановлен однозначно и без потерь по своим дискретным
отсчётам, взятым с частотой более удвоенной максимальной частоты спектра Fmax:
,(1.3)
где Fmax - верхняя частота в
спектре, или (формулируя по-другому) по отсчётам, взятым с периодом чаще
полупериода максимальной частоты спектра;
k - коэффициент
запаса и k = 20.
Время дискретизации ∆t рассчитывается по
формуле:
∆t=1/
Fd.(1.2)
После расчета получаем ∆t = 2,9412 ∙
10-4 с.
Время наблюдения процесса рассчитывается так:
,(1.3)
Количество отсчетов N (объем выборки) связано с
необходимым временем наблюдения T за процессом:
N=T/∆t.(1.4)
Для анализа спектрального состава процессов
используют, как правило, процедуру быстрого преобразования Фурье (БПФ), которая
в Fortran обозначается как FFT(*).
Существует прямое и обратное преобразование Фурье. С помощью прямого получают
спектр, а с помощью обратного сигнал восстанавливают из спектра. Особенностью
процедуры БПФ является требование к объему выборки N=
2м, где М - целое число. Поэтому количество отсчетов N
берем равное 1024. После этого необходимо пересчитать время дискретизации по
времени ∆t, которое равно 1,9531 ∙ 10-4 с.
1.2 Описание алгоритма
Для выделения мнимой составляющей в Фортране
используется функция aimag,
для выделения реальной - функция real.
Амплитудный спектр получают с использованием cabs
- взятие модуля из комплексного числа. Фазовый спектр получают с заданной
точностью 10-3, для его определения используется функция atan2,
которая берется от комплексного массива сигнала. Для построения всех спектров
используется М = N/2 точек, т.
к. спектры обладают свойством зеркальности.
В результате моделирования получены следующие
графики:
а) сигнал на входе системы;
б) амплитудный спектр входного сигнала;
в) фазовый спектр входного сигнала;
г) мнимая составляющая входного сигнала;
д) реальная составляющая входного сигнала.
Рисунок 1.1 - Моделируемый входной сигнал
Рисунок 2.2 - Амплитудно-частотная
характеристика входного сигнала
Рисунок 2.3 - Фазо-частотная характеристика
входного сигнала
Рисунок 2.4 - Мнимая составляющая спектра
входного сигнала
Рисунок 2.5 - Реальная составляющая спектра
входного сигнала
2 ПОСТРОЕНИЕ МАТЕМАТИЧЕСКОЙ МОДЕЛИ СИСТЕМЫ.
МОДЕЛИРОВАНИЕ ЕЕ РАБОТЫ ПРИ ВХОДНОМ СИГНАЛЕ
.1 Описание математической модели системы и ее
составляющих
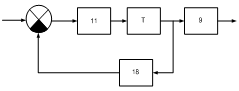
На рисунке 2.1 изображена блок-схема заданной
системы:
Рисунок 2.1 - Блок-схема системы
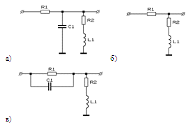
Составляющие систему блоки имеют следующий вид:
а) - схема блока 9
б) - схема блока 11
в) - схема блока 18
Рисунок 2.2 - Блоки 9, 11, 18
Математическое описание блоков - это их
передаточные функции:
а) для блока 9
,(2.1)
б) для блока 11
, (2.2)
в) для блока 18
,(2.3)
где
= j∙ω - оператор
Лапласа;
L - индуктивность;
R -
сопротивление;
С - емкость.
Для блока Т АЧХ и ФЧХ заданы таблично (см. табл.
1.1). Для построения этих характеристик используется полином Лагранжа
,(2.4)
где хi
- значения в узлах интерполяции.
Для получения графиков АЧХ и ФЧХ Т-блока
используется подпрограмма интерполяции.
Общая передаточная функция была рассчитана в
несколько этапов с применением правил для соединений блоков:
а) блок 11 и Т-блок соединены последовательно -
их передаточные характеристики перемножаются;
W1 = W11∙WT,(2.5)
б) новый полученный блок № 1 и блок № 18 - это
цепь с отрицательной обратной связью;
W2 =
(2.6)
в) новый полученный блок № 2 и блок
№ 9 соединены последовательно - их передаточные характеристики перемножаются.
Wобщ = W2∙W9,(2.7)
где Wi
- передаточная функция.
2.2 Алгоритм моделирования
Для того, чтобы получить спектр выходного
сигнала нужно
,(2.4)
где W(p)
- передаточная функция;
X(p)
- спектр воздействия, найден с помощью прямого преобразования Фурье.
Для того, чтобы получить выходной сигнал,
используется обратное преобразование Фурье. Сигнал получается на М точек, а
нужно на N, поэтому
достраивается “зеркальная часть” передаточной характеристики с использованием
функции conjg -
комплексное сопряжение.
В результате моделирования были получены
следующие графики:
а) передаточные характеристики всех блоков (9,
11, 18) (см. рис. 2.6 - 2.8);
б) интерполированные АЧХ и ФЧХ Т-блока (см. рис.
2.9 - 2.10);
в) общая передаточная характеристика (см. рис.
2.11);
г) сигнал на выходе системы (см. рис. 2.12);
д) спектры выходного сигнала - амплитудный, фазовый,
мнимой и реальной составляющей (см. рис. 2.13 - 2.16).
Рисунок 2.6 - Передаточная характеристика блока
9

Рисунок 2.8 - Передаточная характеристика блока
18
Рисунок 2.9 - Интерполированная АЧХ Т-блока
Рисунок 2.9 - Интерполированная ФЧХ Т-блока
Рисунок 2.10 - Общая передаточная характеристика
Рисунок 2.11 - Сигнал на выходе системы
Рисунок 2.12 - Амплитудный спектр выходного
сигнала
Рисунок 2.13 - Фазовый спектр выходного сигнала
Рисунок 2.14 - Мнимая составляющая выходного
сигнала
Рисунок 2.15 - Реальная составляющая выходного
сигнала
3 МОДЕЛИРОВАНИЯ ШУМА С ЗАДАНОЙ ПЛОТНОСТЬЮ
РАСПРЕДЕЛЕНИЯ ВЕРОЯТНОСТЕЙ
Заданный шум распределен по экспоненциальному
закону.
n(t)
= λ∙e-λ∙t,(3.1)
где λ
- параметр.
Для моделирования задано математическое ожидание
МХ = 0,3. Параметр λ
связан с математическим ожиданием
МХ = 1/ λ.(3.2)
Из (3.2) был найден параметр λ
= 3,333.
Для имитации реализаций непрерывных случайных
величин применяют метод обратной функции, позволяющий получить из реализаций ri
- стандартной случайной величины реализации yi
случайной величины с требуемым законом распределения. Для вычисления
стандартной случайной величины был применен мультипликативный алгоритм.
После преобразований получаем генератор
непрерывных случайных величин, распределенных по экспоненциальному закону.
Обратная функция имеет вид
Xi = -
.(3.2)
Шум имеет вид, показанный на рисунке
3.1.
Рисунок 3.1 - Шум, распределенный по
экспоненциальному закону
Для полученных непрерывных случайных
величин рассчитана оценка дисперсии
,(3.3)
оценка среднеквадратического отклонения
,(3.4)
Результаты расчета:
= 9,2 ∙
10-2, σ =
0,3.
Для построения гистограммы
(см. рис. 3.2)
используется подпрограмма Rhist.
Выбрано для построения 15 интервалов.
Рисунок 3.2 - Гистограмма входного шума
Для проверки согласия теоретического и
экспериментального распределений используется критерий Пирсона. По значению χ2
и
количеству степеней свободы τ = 13 определяется
вероятность того, на сколько согласуются вышеуказанные распределения.
,(3.5)
где NPk
- теоретическое количество попаданий в интервал гистограммы;
Gk -
эксперементально полученое количество попаданий в интервал гистограммы.
Для того, чтобы получить теоретическое
количество попаданий в n-й
интервал гистограммы, были посчитаны площади каждого интервала с использованием
формулы Симпсона. Далее площадь каждого интервала была умножена на количество
отсчетов (N = 1024).
После расчета получаем χ2
= 11,68 и
вероятность соответствия теоретического закона распределения и экспериментально
полученного 0,5.
На рисунке 3.3 изображен график экспоненты и
гистограмма. Видно, что они почти согласуются. Это же подтверждается расчетом χ2.
Рисунок 3.3 - Сравнение теоретического закона
распределения и экспериментально полученного
4 ВЫПОЛНЕНИЕ МОДЕЛИРОВАНИЯ РАБОТЫ СИСТЕМЫ ПРИ
ВХОДНОМ СИГНАЛЕ N(t)
Для того чтобы получить выходной спектр нужно
передаточную функцию системы Wобщ(p)
(найденную в пункте 2) умножить на спектр входного сигнала (шума) N(p).
Спектр сигнала n(t),
находится с помощью прямого преобразования Фурье.
,(4.1)
Далее находятся спектры: амплитудный, фазовый,
мнимой и реальной составляющих (см. рис. 4.1 - 4.4).
Рисунок 4.1 - Амплитудный спектр выходного шума
Рисунок 4.2 - Фазовый спектр выходного шума
Рисунок 4.3 - Реальная составляющая выходного
шума
Рисунок 4.4 - Мнимая составляющая выходного шума
С помощью быстрого обратного преобразования
Фурье от спектра выходного сигнала Y(p)
находим сам выходной сигнал (см. рис.4.5).
Рисунок 4.5 - Шум на выходе системы
Для того, чтобы получить автокорреляционную
функцию системы (АКФ), используется теорема Винера-Хинчина. Эта теорема
связывает между собой квадрат спектральной плотности сигнала и его корреляционную
функцию через преобразование Фурье. По спектру выходного шума вычисляется
энергетический спектр (формально это умножение на комплексно сопряженный). А
после применения обратного преобразования Фурье получаем АКФ (см. рис. 4.6).
Для построения ее графика было взято N/4
отсчетов.
Рисунок 4.6 - Автокорреляционная функция
Построение гистограммы выходного шума (см. рис.
4.7) проводится с помощью подпрограммы Rhist.
Взято, как и в предыдущем задании 15 интервалов, для которых рассчитывается
экспериментальное попадание в интервал с использованием подпрограммы для
подсчета их площади по формуле Симпсона.
Рисунок 4.7 - Гистограмма выходного шума
,(4.2)
где ni
- отчеты выходного сигнала;
mn - оценка
математического ожидания;
σ - среднеквадратическое
отклонение
,(4.3)
где DX -
дисперсия.
Эксцесс показывает, на сколько островершинный
полученный закон распределения и рассчитывается как
.(4.4)
Результаты расчета: mn=-2,52·10-5,
σ
= 3,64 · 10-2, ά = 0,32, ε = 2,32.
После нанесения этих точек на плоскость моментов (см. приложение А), видно, что
ближайшими к полученному закону распределения являются распределения Релея и
нормальный закон.
Плотность распределения вероятностей нормального
закона имеет следующий вид
,(4.5)
Закон распределения Релея имеет следующий вид
,(4.6)
где х > 0.
Расчет теоретического количества попаданий
отчетов случайного процесса в интервал гистограммы проводилось с помощью
подпрограммы подсчета площади по формуле Симпсона от плотности распределения
нормального закона распределения и распределения Рэлея.
Однако после проверки этих законов на критерий
Пирсона, получаем:
а) для распределения Рэлея χ2
= 3601;
б) для нормального распределения χ2
=
1385.
Эти значения дают вероятность соответствия
меньше 0,05.
На рис. 4.8 изображено совмещение теоретического
количества попаданий в интервал гистограммы для распределения Рэлея и
гистограммы выходного шума, а на рис. 4.9 совмещено теоретического количества
попаданий в интервал гистограммы для нормального закона распределения и
гистограммы выходного шума
Рисунок 4.8 - Совмещение теоретического
количества попаданий в интервал гистограммы для распределения Рэлея и
гистограммы выходного шума
Рисунок 4.9 - Совмещение теоретического количества
попаданий в интервал гистограммы для нормального распределения и гистограммы
выходного шума
ВЫВОДЫ
Заданный входной сигнал состоит из шести
синусоид. В данном сигнале имеются по шесть мнимых и реальных отрицательных
составляющих на частотах 75 Гц, 150 Гц, 55 Гц, 95 Гц, 130 Гц, 170 Гц. Однако
реальных составляющих быть не должно. Их появление объясняется погрешностью
вычисления. К тому же их значения достаточно малы - наибольшее из них -1,963 ∙10-3.
В амплитудном спектре шесть составляющих, как это и должно быть, а их амплитуды
соответствуют коэффициентам при синусоидах в сигнале. В фазовом спектре все
составляющие компоненты с одинаковой фазой π/2.
В связи с тем, что передаточная функция 18 блока
имеет резонанс, общая передаточная характеристика имеет тоже резонансный тип.
Этот же фактор влияет на вид выходного сигнала - появляются резонансные
периодические выбросы. Амплитудный спектр имеет шесть составляющих. В фазовом и
мнимом спектре также по шесть составляющих и все они имеют отрицательные
значения. В реальном спектре появляются три отрицательные и три положительные
составляющие.
Заданный шум распределен по экспоненциальному
закону. При построении совместного графика теоретического распределения и
гистограммы видно, что они хорошо согласуются. Это же подтверждается расчетами:
χ2
= 11,68 и
вероятность соответствия теоретического закона распределения и экспериментально
полученного 0,5.
При прохождении шума через систему его форма
искажается: форма его распределения уже не похожа на экспоненциальную. Для того,
чтобы определить на какой закон распределения похож полученный на выходе шум,
рассчитываются коэффициенты эксцесса и асимметрии. Далее эти точки наносятся на
плоскость моментов, и определяется, какой из законов распределения ближайший.
Наиболее подходящим оказался закон распределения Релея, но при проверке данного
распределения по критерию Пирсона оказалось, что вероятность соответствия между
экспериментально полученным законом распределения и распределением Релея меньше
0,05. это связано с тем, что Распределение Релея начинается с нуля, в отличии
от экспериментально полученного. Поэтому также выполнилась оценка по критерию
Пирсона на соответствие с нормальным законом распределения. В этом случае χ2
= 1385, что
тоже дает вероятность соответствия меньше 0,05.
ПРИЛОЖЕНИЕ А
ПРИЛОЖЕНИЕ Б
!ПЕРВОЕ ЗАДАНИЕ -
МОДЕЛИРОВАНИЕ СИГНАЛА S(t)=(1+а*соs2*pi*w*t)*(sinpi*f0*t+sin2*pi*f0*t),
!ПОСТРОЕНИЕ ГРАФИКА
S(t) И СПЕКТРОВ СИГНАЛОВ.
INTEGER,PARAMETER::
N=1024, M=512, k=11dt/1.9531e-4/,df/5.0/S(N), t(N)SPECTR_A(M), SPECTR_Ph(M),
SPECTR_Re(M), SPECTR_Im(M),f(M)cS(N)a/0.75/, f0/150.0/,
w/20.0/pi/3.1415/R1/5.1/, R2/0.1/, C1/68.0e-6/, L1/1.0e-2/R_1/10.0/, R_2/2.0/,
L_1/5.0e-2/R__1/1000.0/, R__2/1.0/, C__1/47.0e-6/,L__1/1.0e-2/W9(M),W11(M),W18(M)FT(K)/0.0,260.0,520.0,780.0,
1040.0,1300.0,1560.0,1820.0,2080.0,2340.0,2600.0/AChH(K)/0.0, -6.54, -11.5,
-15.8, -18.3, -19.9, -21.7, -24.0, -25.2, -28.2, -32.1/FChH(K)/0.0, -58.0,
-72.7, -78.3, -81.2, -83.0, -84.2, -85.0, -85.7, -86.2, -86.6/AChHT(M),
FChHT(M), AChHT_EDENICY(M), FChHT_RADIANY(M), WTT(M),
W_USTROJSTVA(M)SpA2(M),SpPh2(M),SpRe2(M),SpIm2(M) ,SY(N),
PARAMETER::Nhist=15,NPOINT=50*NHIST+1,Ng=2*4 R, XSTART/0.37290981/,XKOEF/37.0/,
E/2.7/,X(N),H(NHIST)MX/0.3/, DX, DX0, SIGMAX, XMAX, XMIN,
TT(NHIST),FX(NPOINT),LYAMDA/3.3333/,XX(NPOINT)PLOSHA(NHIST),XF(120),XXX(NHIST),PLOSHA1(NHIST),XXXX(120),INTERVAL,DVA(NHIST,NG),TT1(NHIST,NG),XIXIXMAX2,
XMIN2,TT2(NHIST),SxvyhR(N),RAKF(N),C,RAKF1(N),MXSh,DXSh, ALFAX,
EX,SIGMAXSh,MX0Sh,DX0Sh,ALFAX0,EX0,H1(NHIST)XNORM(NPOINT),
BNORM,ANORM,PLOTN(NPOINT),INTERVAL2,POPADANIE1(NHIST),DVA2(NHIST,NG),POPADANIE(NHIST),XNORMAL(NHIST,NG)XREL(NPOINT),
BREL,AREL,PLOTN2(NPOINT),POPADANIE2(NHIST),DVA3(NHIST,NG),POPADANIE3(NHIST),XRELEJ(NHIST,NG),INTERVAL3CP(N),
CW9(N),CW11(N),CW18(N), CWT(M)CW1(M), CW2(M), CW3(N), CW(N),
CSY(N),CX(N),Sxvyh(N),SPECTRshuma_Re(M),SPECTRshuma_Im(M),SPECTRshuma_A(M),SPECTRshuma_Ph(M)CJ/(0.0,1.0)/,AKF(N)I=1,N(I)=REAL(I-1)*dt
S(I)=(1+a*COS(2*pi*w*t(I)))*(SIN(pi*f0*t(I))+SIN(2*pi*f0*t(I)))DO
!CALL
DRAW(N,1,t,S,0,'LINE','МОДЕЛИРУЕМЫЙ
ВХОДНОЙ
СИГНАЛ')
!ACCEPT*I=1,N(I)=CMPLX(S(I),0.0)DOFFT
(cS,N,0)I=1,M_Re(I)=REAL(cS(I))
SPECTR_Im(I)=AIMAG(cS(I))
f(I)=REAL(I-1)*dfDO
!CALL DRAW
(M,1,f,SPECTR_Re,0,'STICK','РЕАЛЬНАЯ СОСТАВЛЯЮЩАЯ ВХОДНОГО СИГНАЛА')
!ACCEPT*
!CALL DRAW
(M,1,f,SPECTR_Im,0,'STICK','МНИМАЯ СОСТАВЛЯЮЩАЯ ВХОДНОГО СИГНАЛА')
!ACCEPT*I=1,M_A(I)=CABS(cS(I))
IF(ABS(REAL(cS(I)))<1.0e-3.AND.ABS(AIMAG(cS(I)))<1.0e-3)
THEN
SPECTR_Ph(I)=0.0
ELSE_Ph(I)=ATAN2(AIMAG(cS(I)),REAL(CS(I)))DO
!CALL
DRAW (M,1,f,SPECTR_A,0,'STICK','СПЕКТР
ВХОДНОГО
СИГНАЛА')
!ACCEPT*
!CALL
DRAW (M,1,f,SPECTR_Ph,0,'STICK','ФАЗА
ВХОДНОГО
СИГНАЛА')
!ACCEPT*
! ВТОРОЕ ЗАДАНИЕ -
ПОСТРОЕНИЕ МАТ. МОДЕЛИ СИСТЕМЫ.I=1,M(I)=2.0*pi*f(I)*CJ
ENDDO
!СОЗДАНИЕ МАССИВА
ПЕРЕДАТОЧНЫХ ХАРАКТЕРИСТИК БЛОКОВ 9, 11, 18
DO
I=1,M(I)=(CP(I)*L1+R2)/(CP(I)**2*R1*C1*L1+CP(I)*(R1*R2*C1+L1)+R1+R2)(I)=(CP(I)*L_1+R_2)/(CP(I)*L_1+R_1+R_2)(I)=(CP(I)**2*R__1*C__1*L__1+CP(I)*(R__1*R__2*C__1+L__1)+R__2)/(CP(I)**2*R__1*C__1*L__1+CP(I)*(R__1*R__2*C__1+L__1)+R__1+R__2)
END DO
!ПОЛУЧЕНИЕ
АМПЛИТУДНых ХАРАКТЕРИСТИК БЛОКОВ
DO
I=1,M(I)=CABS(CW9(I))(I)= CABS(CW11(I))(I)= CABS(CW18(I))
END DO
! ПОСТРОЕНИЕ
ПЕРЕДАТОЧНЫХ ХАРАКТЕРИСТИК БЛОКОВ И ЧХ Т-БЛОКА
!CALL DRAW
(M,1,f,W9,0,'LINE','ПЕРЕДАТОЧНАЯ ХАРАКТЕРИСТИКА БЛОКА 9')
!ACCEPT*
!CALL DRAW
(M,1,f,W11,0,'LINE','ПЕРЕДАТОЧНАЯ ХАРАКТЕРИСТИКА БЛОКА 11')
!ACCEPT*
!CALL DRAW
(M,1,f,W18,0,'LINE','ПЕРЕДАТОЧНАЯ ХАРАКТЕРИСТИКА БЛОКА 18')
!ACCEPT*
!CALL
DRAW (K,1,FT,AChH,0,'LINE','AЧХ
Т
БЛОКА')
!ACCEPT*
!CALL
DRAW (K,1,FT,FChH,0,'LINE','ФЧХ
Т
БЛОКА')
!ACCEPT*
ENDDO
! ПОСТРОЕНИЕ
АПРОКСИМИРОВАНЫХ ЧХ Т-БЛОКА
!CALL DRAW
(M,1,F,AChHT_EDENICY,0,'LINE','АПРОКСИМИРОВАНАЯ AЧХ Т-БЛОКА')
!ACCEPT*
!CALL DRAW
(M,1,F,FChHT_RADIANY,0,'LINE','АПРОКСИМИРОВАНАЯ ФЧХ Т-БЛОКА')
!ACCEPT*
! СОЗДАНИЕ
КОМПЛЕКСНОГО КОЕФИЦИЕНТА ПЕРЕДАЧИ Т-БЛОКА
DO
I=1,M(I)=AChHT_EDENICY(I)*EXP(CJ*FChHT_RADIANY(I))I=1,M(I)=CABS(CWT(I))
ENDDO
!CОЗДАНИЕ
КОЕФИЦИЕНТА ПЕРЕДАЧИ ВСЕЙ СИСТЕМЫ
! БЛОК 11 И Т-БЛОК
ПОСЛЕДОВАТЕЛЬНОI=1,M
CW1(I)=CW11(I)*CWT(I)
ENDDO
! ПОЛУЧЕНЫЙ БЛОК 1
И БЛОК 18 С ОТРИЦАТЕЛЬНОЙ ОБР. СВ.
DO
I=1,M(I)=CW1(I)/(1+CW1(I)*CW18(I))
ENDDO
! ПОЛУЧЕНЫЙ БЛОК 2
И БЛОК 9 ПОСЛЕДОВАТЕЛЬНО
DO
I=1,M(I)=CW2(I)*CW9(I)
ENDDO
!МОДЕЛИРОВАНИЕ АЧХ
ВСЕГО БЛОКАI=1,M
W_USTROJSTVA(I)=CABS(CW3(I))
!CALL
DRAW(M,1,F,W_USTROJSTVA,0,'LINES','ОБЩАЯ
АМПЛИТУДО-ЧАСТОТНАЯ
ХАРАКТЕРИСТИКА
ВСЕГО
БЛОКА')
!ACCEPT*
! СОЗДАНИЕ СИГНАЛА
НА ВЫХОДЕ СИСТЕМЫ
DO
I=1,M-1(M+I+1)=CONJG(CW3(M-I+1))I=1,N(I)=CS(I)*CW3(I)FFT(CSY,N,1)I=1,N(I)=REAL(CSY(I))FFT(CSY,N,0)I=1,M(I)=REAL(CSY(I))(I)=AIMAG(CSY(I))
!CALL
DRAW(N,1,t,SY,0,'LINES','СИГНАЛ НА
ВЫХОДЕ')
!ACCEPT*
!CALL
DRAW(M,1,F,SpRe2,0,'STIKC','РЕАЛЬНАЯ СОСТАВЛЯЮЩАЯ СИГНАЛА НА ВЫХОДЕ')
!ACCEPT*
!CALL
DRAW(M,1,F,SpIm2,0,'STIKC','МНИМАЯ СОСТАВЛЯЮЩАЯ СИГНАЛА НА ВЫХОДЕ')
!ACCEPT*
!СОЗДАНИЕ МАССИВОВ
АМПЛИТУДНОЙ И ФАЗОВОЙ ХАРАКТЕРИСТИК
DO
I=1,M(I)=CABS(CSY(I))((ABS(REAL(CSY(I)))<1E-3).and.ABS(IMAG(CSY(I)))<1E-3)
THEN(I)=0.0(I)=ATAN2(AIMAG(CSY(I)),REAL(CSY(I)))
ENDIF
!ПОСТРОЕНИЕ ЧХ
ВЫХОДНОГО СИГНАЛА
!CALL
DRAW(M,1,F,SpA2,0,'STIKC','АМПЛИТУДНО-ЧАСТОТНАЯ ХАРАКТЕРИСТИКА ВЫХОДНОГО
СИГНАЛА')
!ACCEPT*
!CALL
DRAW(M,1,F,SpPh2,0,'STIKC','ФАЗО-ЧАСТОТНАЯ ХАРАКТЕРИСТИКА ВЫХОДНОГО СИГНАЛА')
!ACCEPT*
! ТРЕТЬЕ ЗАДАНИЕ
!применение
мультипликативного метода
DO
I=1,N=XSTART*XKOEF=XSTART-AINT(XSTART)=XSTART(I)=-(LOG(1-R))/LYAMDA
!
X(I)
ПОЛУЧЕНО МЕТОДОМ ОБРАТНОЙ ФУНКЦИИ
ENDDO
!CALL
DRAW(N,1,T,X,0,'LINE','ШУМ')
!ACCEPT*
! НАХОЖДЕНИЕ
ДИСПЕРСИИ И СР. КВ. ОТКЛОНЕНИЯ=0.0I=1,N=DX0+(X(I)-MX)**2=DX0/REAL(N-1)=SQRT(DX)
!PRINT
*,'DX=',DX,'SKO=',SIGMAX
ACCEPT*
! НАХОЖДЕНИЕ МИН. И
МАКС. ЭЛЕМЕНТОВ МАССИВА=0.0=X(1)
DO
I=1,N(X(I)>XMAX) XMAX=X(I)
!PRINT
*,'XMIN=',XMIN, 'XMAX=',XMAX
!
ПОСТРОЕНИЕ
ГИСТОГРАМЫRHIST(H,NHIST,X,N,XMIN,XMAX)I=1,NHIST(I)=XMIN+REAL(I-1)*(XMAX-XMIN)/(NHIST-1)
!ACCEPT*
!PRINT
*,'TT=',TT
!ACCEPT*
!CALL
DRAW(NHIST,1,TT,H,0,'BOX','ГИСТОГРАММА')
!ACCEPT*
!ПОСТРОЕНИЕ ФУНКЦИИ
ЭКСПОНЕНТЫI=1,NPOINT
XX(I)=XMIN+((XMAX-XMIN)/(NPOINT-1))*REAL(I-1)I=1,NPOINT(I)=LYAMDA*EXP(-LYAMDA*XX(I))
!CALL
DRAW(NPOINT,1,XX,FX,0,'LINES','ЭКСПОНЕНТА')
!ACCEPT*=(XMAX-XMIN)/REAL(NPOINT)PL(PLOSHA,NHIST,INTERVAL,FX,NPOINT)I=1,NHIST(I)=PLOSHA(I)*REAL(N)=0.0I=1,NHIST=SP+PLOSHA(I)*,PLOSHA,'SP',SP*
!CALL
DRAW (NHIST,1,TT,PLOSHA1,0,'LINES','ПЛОЩАДЬ')
!ACCEPT*I=1,NHIST(I,2)=H(I)(I,1)=PLOSHA1(I)(I,1)=TT(I)(I,2)=TT(I)
!CALL
DRAW(NHIST, NG, TT1, DVA, (/0,0/),(/'LINES','BOX'/),'СРАВНЕНИЕ')
!ACCEPT*=0.0I=1,NHIST=XIXI+(PLOSHA1(I)-H(I))**2/PLOSHA1(I)
!PRINT
*,'XIXI=', XIXI
!!
4 ЗАДАНИЕI=1,M(I)=CMPLX(X(I)-MX,0.0)FFT
(CX,N,0)I=1,N(I)=CX(I)*CW3(I)
!CALL
DRAW (M,1,F,Sxvyh,0,'LINES','CПЕКТР
ШУМА
НА
ВЫХОДЕ')
!ACCEPT*I=1,M_Re(I)=REAL(Sxvyh(I))
END
DO
!CALL
DRAW (M,1,f,SPECTRshuma_Re,0,'STICK','РЕАЛЬНАЯ
СОСТАВЛЯЮЩАЯ
ВЫХОДНОГО
ШУМА')
!ACCEPT*
!CALL
DRAW (M,1,f,SPECTRshuma_Im,0,'STICK','МНИМАЯ
СОСТАВЛЯЮЩАЯ
ВЫХОДНОГО
ШУМА')
!ACCEPT*I=1,M_A(I)=CABS(Sxvyh(I))
IF(ABS(REAL(Sxvyh(I)))<1.0e-3.AND.ABS(AIMAG(Sxvyh(I)))<1.0e-3)
THEN
SPECTRshuma_Ph(I)=0.0
ELSE_Ph(I)=ATAN2(AIMAG(Sxvyh(I)),REAL(Sxvyh(I)))DO
!CALL
DRAW (M,1,f,SPECTRshuma_A,0,'STICK','АМПЛИТУДНЫЙ
СПЕКТР
ВЫХОДНОГО
ШУМА')
!ACCEPT*
!CALL
DRAW (M,1,f,SPECTRshuma_Ph,0,'STICK','ФАЗА
ВЫХОДНОГО
ШУМА')
!ACCEPT*I=1,N(I)=Sxvyh(I)*CONJG(Sxvyh(I))FFT(AKF,N,1)I=1,N(I)=REAL(AKF(I))=AKF(1)I=1,N(I)=RAKF(I)/C
!CALL
DRAW (N/4,1,T,RAKF1,0,'LINE','AKF')
!ACCEPT*FFT(Sxvyh,N,1)I=1,N(I)=REAL(Sxvyh(I))=SxvyhR(1)=SxvyhR(1)I=1,N(SxvyhR(I)>XMAX2)
XMAX2=SxvyhR(I)(SxvyhR(I)<XMIN2) XMIN2=SxvyhR(I)*,'XMIN2=',XMIN2, 'XMAX2=',XMAX2RHIST(H1,NHIST,SxvyhR,N,XMIN2,XMAX2)I=1,NHIST(I)=XMIN2+REAL(I-1)*(XMAX2-XMIN2)/(NHIST-1)
!CALL
DRAW (M,1,T,SxvyhR,0,'LINE','ШУМ
НА
ВЫХОДЕ
СИСТЕМЫ')
!ACCEPT*
!CALL
DRAW(NHIST,1,TT2,H1,0,'BOX','ГИСТОГРАММА
ВЫХОДНОГО
ШУМА')
!ACCEPT*
!MX0Sh=0.0I=1,NSh=MX0Sh+SxvyhR(I)=MX0Sh/REAL(N)Sh=0.0I=1,NSh=DX0Sh+(SxvyhR(I)-MXSh)**2=DX0Sh/REAL(N-1)=SQRT(DXSh)=0.0I=1,N=ALFAX0+((SxvyhR(I)-MXSh)**3)=ALFAX0/REAL(N*SIGMAXSh**3)=0.0I=1,N=EX0+((SxvyhR(I)-MXSh)**4)=EX0/(REAL(N)*(SIGMAXSh**4))-3*,
'MXSh=',MXSh, ' DXSh=',DXSh, 'ALFAX=', ALFAX, 'EX=', EX, 'SIGMAXSh=', SIGMAXSh
DO I=1,NPOINT
! ПОСТРОЕНИЕ
ПЛОТНОСТИ НОРМАЛЬНОГО РАССПРЕДЕЛЕНИЯ
XNORM(I)=XMIN2+REAL(I-1)*(XMAX2-XMIN2)/REAL(NPOINT-1)=MXSh+3.0*SIGMAXSh=MXsH-3.0*SIGMAXShI=1,NPOINT(I)=(1.0/(SQRT(2.0*PI)*SIGMAXSh))*EXP(-(1.0/(2.0*SIGMAXSh**2))*(XNORM(I)-MXSh)**2)
!CALL
DRAW(NPOINT,1,XNORM,PLOTN,0,'LINE','НОРМАЛЬНОЕ
РАСПРЕДЕЛЕНИЕ')
!ACCEPT*
! ФОРМИРОВАНИЕ
МАССИВА КОЛИЧЕСТВА ПОПАДАНИЙ В ИНТЕРВАЛ ГИСТОГРАММЫ
INTERVAL2=(XMAX2-XMIN2)/REAL(NPOINT)PL(POPADANIE,NHIST,INTERVAL2,PLOTN,NPOINT)I=1,NHIST(I)=POPADANIE(I)*REAL(N)I=1,NHIST(I,2)=H1(I)(I,1)=POPADANIE1(I)(I,1)=TT2(I)(I,2)=TT2(I)
!CALL
DRAW(NHIST, NG, XNORMAL, DVA2, (/0,0/),(/'LINES','BOX'/),'СРАВНЕНИЕ')
!ACCEPT*=0.0I=1,NHIST=XIXINORM+(POPADANIE1(I)-H1(I))**2/POPADANIE1(I)*,'XIXINORM=',
XIXINORM
!
ПОСТРОЕНИЕ
ПЛОТНОСТИ РАССПРЕДЕЛЕНИЯ РЕЛЛЕЯ
BREL=XMAX2
AREL=0.0I=1,NPOINT(I)=AREL+REAL(I-1)*(BREL-AREL)/REAL(NPOINT-1)I=1,NPOINT(I)=(XREL(I)/SIGMAXSh**2)*EXP(-XREL(I)**2/(2.0*SIGMAXSh**2))
!CALL
DRAW(NPOINT,1,XREL,PLOTN2,0,'LINE','РАСПРЕДЕЛЕНИЕ
РЕЛЕЯ')
!ACCEPT*
!ФОРМИРОВАНИЕ
МАССИВА КОЛИЧЕСТВА ПОПАДАНИЙ В ИНТЕРВАЛ ГИСТОГРАММЫ
INTERVAL3=(BREL-AREL)/REAL(NPOINT)PL(POPADANIE2,NHIST,INTERVAL3,PLOTN2,NPOINT)I=1,NHIST(I)=POPADANIE2(I)*REAL(N)
!CALL
DRAW(NHIST,1,TT2,POPADANIE2,0,'LINE','ПЛОЩАДЬ')
!ACCEPT*I=1,NHIST(I,2)=H1(I)(I,1)=POPADANIE3(I)(I,1)=TT2(I)(I,2)=TT2(I)
!CALL
DRAW(NHIST, NG, XREL, DVA3, (/0,0/),(/'LINES','BOX'/),'СРАВНЕНИЕ')
!ACCEPT*=0.0I=1,NHIST=XIXIREL+(POPADANIE3(I)-H1(I))**2/POPADANIE3(I)*,'XIXIREL=',
XIXIREL
ПОДПРОГРАММА
ИНТЕРПОЛЯЦИИFUNCTION
RINTERPOL(L, X_ZAD, f_ZAD, X)LX_ZAD(L), f_ZAD(L),
XCH(L),ZN(L),WTI=1,L(I)=1.0(I)=1.0J=1,L(I/=J) CH(I)=CH(I)*(X-X_ZAD(J))(I/=J)
THEN(I)=ZN(I)*(X_ZAD(I)-X_ZAD(J))=0.0I=1,L=WT+f_ZAD(I)*CH(I)/ZN(I)=WTFUNCTION
RINTERPOL
ПОДПРОГРАММА
ПОДСЧЕТА ПЛОЩАДИ
SUBROUTINE
PL(S,N1,H,Y,N)
INTEGER
N,N1Y(N)SUMMA,H,S(N1)J=2,N-1,2(J)=4.0*Y(J)I=1,N,2(I)=2.0*Y(I)J=1,N1=0.0I=(J-1)*INT(N/N1)+1,J*INT(N/N1)+1((J-1)*INT(N/N1)+1)=Y((J-1)*INT(N/N1)+1)/2.0(J*INT(N/N1)+1)=Y(J*INT(N/N1)+1)/2.0=SUMMA+Y(I)(J)=SUMMA*H/3.0
ENDDO