Адаптивно-векторная система управления бездатчикового асинхронного электропривода

  • Вид работы:
    Курсовая работа (т)
  • Предмет:
    Другое
  • Язык:
    Русский
    ,
    Формат файла:
    MS Word
    464,76 Кб
  • Опубликовано:
    2012-04-08
Вы можете узнать стоимость помощи в написании студенческой работы.
Помощь в написании работы, которую точно примут!

Адаптивно-векторная система управления бездатчикового асинхронного электропривода

МИНИСТЕРСТВО ОБРАЗОВАНИЯ РЕСПУБЛИКИ БЕЛАРУСЬ

БЕЛОРУССКИЙ НАЦИОНАЛЬНЫЙ ТЕХНИЧЕСКИЙ УНИВЕРСИТЕТ

КАФЕДРА ЭАПУ и ТК

 







КУРСОВАЯ РАБОТА

ПО ДИСЦИПЛИНЕ “ТЕОРИЯ АВТОМАТИЧЕСКОГО УПРАВЛЕНИЯ”

НА ТЕМУ: «Адаптивно-векторная система управления бездатчикового асинхронного электропривода»

Исполнитель: гр. 107626

Руководитель: Примшиц П.П.

МИНСК 2009

СОДЕРЖАНИЕ

ВВЕДЕНИЕ

. ТЕХНИЧЕСКИЕ ДАННЫЕ АСИНХРОННОГО ДВИГАТЕЛЯ

. РАСЧЕТ ПАРАМЕТРОВ ЭКВИВАЛЕНТНОЙ СХЕМЫ АД ПО ТЕХНИЧЕСКИМ ДАННЫМ

. ФУНКЦИОНАЛЬНАЯ СХЕМА ВЫЧИСЛЕНИЯ СКОРОСТИ АД

. СТРУКТУРНАЯ СХЕМА АД

. ГРАФИКИ

. ПАРАМЕТРЫ ОСНОВНЫХ БЛОКОВ

ЗАКЛЮЧЕНИЕ

ЛИТЕРАТУРА

ВВЕДЕНИЕ

Задача построения высококачественного асинхронного электропривода с векторным управлением без использования каких-либо датчиков, пристроенных к валу или встроенных в двигатель, постоянно привлекает внимание разработчиков с момента появления самого термина «векторное управление» применительно к асинхронному двигателю в начале 1970-х годов. Область применения таких электроприводов определяется следующими условиями:

) Механизм предъявляет повышенные требования к быстродействию привода.

) В приводе требуется регулирование электромагнитного момента на валу двигателя.

) Не требуется высокая статическая точность и широкий диапазон регулирования скорости (диапазон не более 100).

) Установка датчика скорости на вал двигателя невозможна по условиям эксплуатации, технологическим, стоимостным или прочим ограничениям.

Типичными объектами являются электроприводы подъемно-транспортных средств, механизмов намотки, экструдеров, дробилок, работающих в пожароопасных, взрывоопасных, химически и радиоактивных средах, в условиях повышенных вибраций и ударных механических нагрузок.

В настоящее время бездатчиковые асинхронные приводы с векторным управлением представлены практически всеми ведущими фирмами производителями преобразователей частоты. При этом характеристики большинства этих приводов оказываются весьма скромными. В частности, полоса пропускания контура скорости, как правило, не превышает (5-7) Гц, а общий диапазон регулирования скорости (вверх и вниз от номинальной) не более (20-100), что вполне достижимо и в системе частотного управления с векторной ориентацией переменных в установившихся режимах работы. Большинство же производителей преобразователей частоты вообще не заявляют в технической документации полосу пропускания и диапазон регулирования скорости. В этом случае получить подобную информацию удается только в результате проведения стендовых испытаний. Таким образом, если рассматривать указанные характеристики регулирования скорости, то практически «стирается грань» между бездатчиковыми электроприводами с частотным и векторным управлением. Исследования, выполненные авторами, показали, то характеристики асинхронных векторных электроприводов без датчика скорости могут существенно превышать аналогичные характеристики систем частотного управления. В частности, полоса пропускания контура скорости может составлять более 30 Гц, а в диапазоне регулирования скорости не менее 100 обеспечиваются значительно меньшие статические и динамические ошибки. Однако для достижения таких результатов приходится решить ряд проблем.

Основные проблемы, связанные с построением бездатчикового векторного электропривода, заключаются в следующем:

) Наблюдатель состояния асинхронного двигателя (АД), построенный на основе решения полной системы уравнений электрического равновесия для статора и ротора по доступной информации о напряжениях и токах статора, способен обеспечить приемлемую точность вычисления потокосцепления и скорости только в ограниченном диапазоне частот. Это связано с известной проблемой введения начальных условий при частотах, близких к нулевой. Практически все способы решения данной проблемы связаны с введением определенного отклонения математического описания наблюдателя состояния относительно реального объекта при работе в области малых частот. Эти отклонения проявляются в виде ошибки в вычислении потокосцепления, скорости, активной и реактивной составляющих тока.

) Следующей проблемой является чувствительность электропривода к изменению его параметров в процессе работы. Прежде всего это относится к температурным изменениям активных сопротивлений статора и ротора, а также к изменению взаимной индуктивности в зависимости от тока цепи намагничивания. Одним из подходов к решению данной проблемы в построении векторного регулятора и наблюдателя состояния АД является применение регуляторов, грубых в отношении параметрических возмущений, в частности, релейных регуляторов, функционирующих в скользящих режимах. Другим подходом является параметрическая адаптация, осуществляемая реальном времени при работе привода.

) Третьей проблемой является получение необходимой точности оценки эквивалентных (усредненных на интервале расчета процессов в наблюдателе состояния) значений токов и напряжений статора. На точность оценки эквивалентных напряжений в области малых частот основной гармоники и высоких частот модуляции существенно влияет «мертвое время» и задержки переключения ключей инвертора. Заметим, что проблема точности измерения напряжения на малых частотах в гораздо меньшей степени проявляется в векторных электроприводах с датчиком скорости/положения, так как быстродействующий контур скорости, замкнутый по реально измеряемому сигналу, способен в значительной степени компенсировать ошибки, связанные с динамическими «не идеальностями» ключей инвертора.

1. 
ТЕХНИЧЕСКИЕ ДАННЫЕ АСИНХРОННОГО ДВИГАТЕЛЯ

Асинхронный трехфазный двигатель с короткозамкнутым ротором со следующими техническими данными:

1.      тип двигателя: 4А90L4У3;

2.      номинальная мощность: ;

.        номинальный КПД: ;

.        ;

.        кратность пускового момента:

;

6.      кратность максимального момента:

;

7.      кратность пускового тока статора:

;

.        число пар полюсов: ;

.        номинальная частота: ;

.        номинальное напряжение (фазное): ;

.        ;

.        номинальная частота вращения: .

4А90L4У3 - асинхронный двигатель серии исполнения по степени защиты IP44, с короткозамкнутым ротором, с чугунными станиной и подшипниковыми щитами, с высотой оси вращения 90 мм, большим установочным размером по длине станины (L), четырехполюсный, климатического исполнения У, категории размещения 3.

У - умеренный климат.

3 - машина рассчитана на работу в закрытом помещении, в котором колебания температуры и влажности, а также воздействие песка и пыли существенно меньше, чем на открытом воздухе.

Конструктивное исполнение - IM1001.

Способ охлаждения - ICА0141.

2.  РАСЧЕТ ПАРАМЕТРОВ ЭКВИВАЛЕНТНОЙ СХЕМЫ АД ПО ТЕХНИЧЕСКИМ ДАННЫМ

На основании технических данных рассчитываем:

1.      номинальный ток статора

;

2.      номинальное скольжение

,

величина номинального скольжения асинхронных двигателей нормального исполнения находится в пределах ;

3.      синхронную угловую скорость

;

4.      номинальную угловую скорость:

;

5.      номинальный момент

;

6.      номинальные потери мощности

.

Принимаем значения механических номинальных  и добавочных  потерь, определяющих момент холостого хода двигателя, в пределах:

,

.


;

.

Определяем:

7.      момент холостого хода АД

;

8.      номинальный электромагнитный момент

;

9.      номинальные переменные потери мощности в роторе

.

Задаемся коэффициентом загрузки , соответствующем максимуму КПД двигателя:

.

Выбираем .

Рассчитываем:

10.    переменные номинальные потери мощности

;

11.    постоянные потери мощности

;

12.    номинальные переменные потери мощности в статоре

;

13.    активное сопротивление фазы обмотки статора

;

14.    максимальный электромагнитный момент

;

.        коэффициент , имеющий размерность сопротивления

;

16.    сопротивление

;

17.    приведенное активное сопротивление фазы ротора

;

18.    индуктивное сопротивление короткого замыкания

;

19.   
критическое скольжение

,

величина критического скольжения асинхронных двигателей нормального исполнения находится в пределах ;

20.    отношение активных сопротивлений

;

21.    электромагнитный момент при номинальном скольжении

;

22.    погрешность в определении номинального электромагнитного момента

.

Если погрешность  превышает допустимую величину (обычно принимают 0,01 - 0,05), то корректируем величину коэффициента загрузки  и момент холостого  до получения требуемой погрешности. Когда достигаем требуемой величины погрешности расчета, находим:

23.    индуктивное сопротивление фаз статора и ротора

;

24.    потери в стали

;

25.    эквивалентное активное сопротивление намагничивающей ветви

;

 - ток холостого хода АД;

.        величину

;

27.    индуктивное сопротивление взаимоиндукции

.

Для более точного моделирования процессов в АД при управлении, где используется обычно несинусоидальное напряжение (фазовое и частотное управление), следует применять математическую модель трехфазного АД, а также произвести расчет дополнительных значений.

Рассчитываем:

1.      наибольшее значение взаимной индуктивности для трехфазной обмотки

;

2.      индуктивность рассеяния фаз статора

;

;

3.      полную индуктивность статора трехфазной обмотки

;

4.      индуктивность рассеяния контура короткого замыкания АД

;

; ;

;

5.      индуктивность рассеяния фазы ротора

;

6.      полная индуктивность ротора трехфазной обмотки

;

7.     
полная индуктивность трехфазной цепи

где  - коэффициент рассеяния;

.

В обеих случаях расчета полной индуктивности трехфазной цепи  расчеты подтверждаются, ;

. относительную частоту

;

9.      кратность максимального момента

;

10.    дополнительный электромагнитный момент

;

11.    критический момент

;

12.   
коэффициент обратной связи

;

13.    модуль жесткости при питании от источника тока

;

14.    электромагнитная постоянная времени АД, при питании от источника тока

;

.        электромеханическая постоянная времени электропривода с линейной механической характеристикой, имеющей модуль жесткости

.

3. 
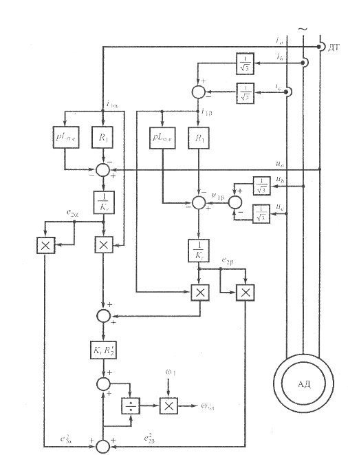
ФУНКЦИОНАЛЬНАЯ СХЕМА ВЫЧИСЛЕНИЯ СКОРОСТИ АД

электропривод асинхронный двигатель ротор

Рисунок 1. - Функциональная схема вычисления скорости АД при векторном управлении

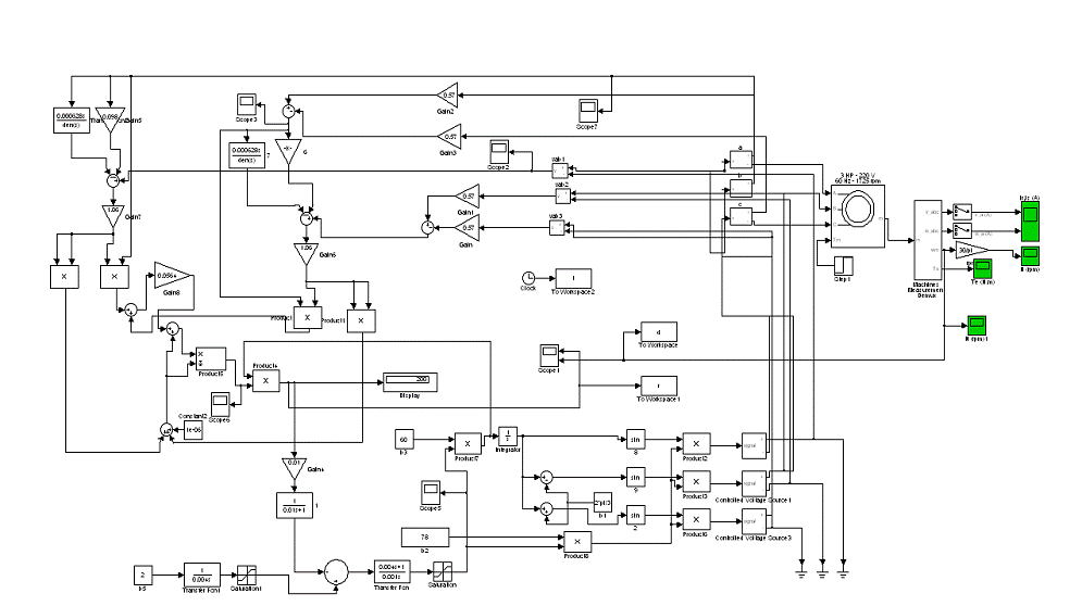
1.  4. СТРУКТУРНАЯ СХЕМА АД

Рисунок 2. - Структурная схема АД

5. 
ГРАФИКИ

Рисунок 3. - Графики скорости при частоте f=10 Гц

Рисунок 4. - Графики скорости при частоте f=50 Гц

Рисунок 5. - Графики изменения токов статора и ротора

Рисунок 6. - График изменения электромагнитного момента

1.  6. ПАРАМЕТРЫ ОСНОВНЫХ БЛОКОВ

I. Блок Асинхронная машина:


1)  Rotor type [тип ротора] выбирается из списка:

(a) Squirrel-Cage - короткозамкнутый ротор типа «беличья клетка»;

(b)     Wound - фазный ротор.

2)  Reference frame [система координат] выбирается из списка:

(a) Rotor- неподвижная относительно ротора;

(b)     Stationary- неподвижная относительно статора;

(c)     Synchronous- вращающаяся вместе с полем.

3)  Nom. power, L-L volt and frequency [Pn (VA), Un (V), fn (Hz)]- номинальная мощность Pn (ВА), действующее линейное напряжение Un (В) и номинальная частота fn (Гц).

4)  Stator [Rs (Ohm) Lls (H)]- сопротивление Rs (Ом) и индуктивность Ls (Гн) статора.

5)      Rotor [Rr (Ohm) Llr'(H)]- сопротивление Rs (Ом) и индуктивность Ls (Гн) ротора.

)        Mutual inductance Lm (H)- взаимная индуктивность (Гн).

)        Inertia, friction factor and pairs ofpoles [J (kg•m<sup>2</sup>) F (N•m•s) p]- момент инерции J(кг•м2), коэффициент трения F(Н•м•с) и число пар полюсов p.

8)      Initial conditions [s th(deg)isa, isb, isc(A) phA, phB, phC (deg)]- начальные условия.

Параметр задается в виде вектора, каждый элемент которого имеет следующие значения:

(a) s - скольжение;

(b)     th - фаза (град.);

(c)     isa, isb, isc- начальные значения токов статора (А);

(d)     phA, phB, phC- начальные фазы токов статора (град.).

II.      Блок параметров симуляции:


1)  Параметры моделирования:

a)  Simulation time - Поля выбора интервала расчета;

b)      Solver options - Поля выбора метода расчета моделей;

c)       Output options - Установка параметров вывода данных;

ЗАКЛЮЧЕНИЕ

Недостатком косвенно-векторного управления, особенно бездатчикового, является зависимость точности его реализации от точности определения параметров, которые изменяются с изменением температуры, частоты, величины тока и магнитного насыщения. Из-за неточности определения параметров и их зависимости от условий работы, характеристики асинхронных двигателей при косвенно-векторном управлении могут существенно отличаться от заданных. Поэтому в современных системах косвенного векторного управления вводятся устройства идентификации параметров на основе паспортных данных двигателя и автоматической их подстройки в процессе работы асинхронного двигателя. Это усложнение немного снижает преимущество простой в принципе системы косвенного векторного управления, тем не менее развитие идет именно в этом направлении.

Литература

1.  Фираго Б.И., Павлячик Л.Б. Теория электропривода. - Мн.: Техноперспектива, 2004. - 527 с.

2.      Фираго Б.И., Павлячик Л.Б., Регулируемые электроприводы переменного тока. - Мн.: Техноперспектива, 2006. - 363 с.

.        Анхимюк В.Л., Опейко О.Ф., Михеев Н.Н. Теория автоматического управления. - Мн.: Дизайн ПРО, 2000. - 351 с.

.        Вольдек А.И., Попов В.В. Электрические машины переменного тока. - М.: Питер, 2007 - 349 с.

.        Чиликин М.Г., Сандлер А.С. Общий курс электропривода - М.: Энергоиздат, 1981 - 575 с.

Похожие работы на - Адаптивно-векторная система управления бездатчикового асинхронного электропривода

 

Не нашли материал для своей работы?
Поможем написать уникальную работу
Без плагиата!
Без нейросетей!