Автоматизированный электропривод механизма манипулятора установки напыления микросхем

  • Вид работы:
    Курсовая работа (т)
  • Предмет:
    Другое
  • Язык:
    Русский
    ,
    Формат файла:
    MS Word
    538,98 Кб
  • Опубликовано:
    2012-04-24
Вы можете узнать стоимость помощи в написании студенческой работы.
Помощь в написании работы, которую точно примут!

Автоматизированный электропривод механизма манипулятора установки напыления микросхем

ВВЕДЕНИЕ

Количество промышленных роботов, участвующих в различных производственных процессах постоянно увеличивается. Растут требования к качеству технологических операций, выполняемых промышленными роботами. Качество выполняемых операций, особенно требующих высоких скоростей и ускорений рабочего органа при движении по заданной траектории, существенно зависит от точностных и динамических характеристик приводов промышленного робота. Увеличение скоростей перемещения рабочего органа манипулятора, при сохранении заданных динамических свойств, позволяет сократить время выполняемой технологической операции.

Роботы и робототехнические системы, предназначенные для выполнения различных технологических задач, отличаются рядом характерных особенностей.

1. Технологическая часть

.1 Описание промышленной установки

Установка вакуумного напыления ЛАДА 35 состоит из:

реактора, в котором происходит процесс напыления;

программируемого контроллера, который управляет технологическим процессом, и периферии к нему для визуального наблюдения и управления оператором;

лапы манипулятора с кассетами для заготовок и напыленных пластин;

вакуумного насоса;

Рисунок 1.1 - Общий вид промышленной установки: 1 - ЭД привода насоса; 2 - реактор; 3 - подача реагентов; 4 - датчик давления; 5 - лапа манипулятора; 6 - редуктор; 7 - ЭД привода манипулятора; 8 - монитор; 9 - устройство ввода; 10 - контроллер

1.2 Анализ технологического процесса

Напыление вакуумное - нанесение пленок или слоев на поверхность деталей или изделий в условиях вакуума (1,0-1 • 10-7 Па). Напыление вакуумное используют в планарной технологии полупроводниковых микросхем, в производстве тонкопленочных гибридных схем, изделий пъезотехники, акустоэлектроники и др. (нанесение проводящих, диэлектрических, защитных слоев, масок и др.), в оптике (нанесение просветляющих, отражающих и др. покрытий), ограниченно - при металлизации поверхности пластмассовых и стеклянных изделий, тонировании стекол автомобилей. Методом напыления вакуумного наносят металлы (Al, Au, Cu, Cr, Ni, V, Ti и др.), сплавы (например, NiCr, CrNiSi), химические соединения (силициды, оксиды, бориды, карбиды и др.), стекла сложного состава (например, I2О3 • В2О3 • SiO2 • Аl2О3 • СаО, Та2О • В2О3 • I2О3 • GeO2), керметы.

Напыление вакуумное основано на создании направленного потока частиц (атомов, молекул или кластеров) наносимого материала на поверхность изделий и их конденсации. Процесс включает несколько стадий: переход напыляемого вещества или материала из конденсирированной фазы в газовую, перенос молекул газовой фазы к поверхности изделия, конденсацию их на поверхность, образование и рост зародышей, формирование пленки.

Обычно установка для вакуумного напыления включает следующие узлы:

рабочую камеру, в которой осуществляется напыление пленок;

источники испаряемых или распыляемых материалов с системами их энергопитания и устройствами управления;

откачную и газораспределительную системы, обеспечивающие получение необходимого вакуума и организацию газовых потоков (состоят из насосов, натекателей, клапанов, ловушек, фланцев и крышек, ср-в измерения вакуума и скоростей газовых потоков); систему электропитания и блокировки всех устройств и рабочих узлов установки; систему контроля и управления установкой вакуумного напыления, обеспечивающую заданные скорость напыления, толщину пленок, температуру поверхности деталей, температуру отжига, физические свойства пленок (содержит набор датчиков, связанных через управляющую микропроцессорную ЭВМ с исполнительными механизмами и устройствами вывода информации); транспортирующие устройства, обеспечивающие ввод и вывод деталей в рабочую камеру, точное размещение их на постах напыления и перевод из одной позиции напыления на другую при создании многослойной системы пленок; систему вспомогательных устройств и технологическую оснастку (состоят из внутрикамерных экранов, заслонок, манипуляторов, гидро- и пневмоприводов, устройств очистки газов).

Технологии вакуумного напыления являются чрезвычайно энергозатратными, и во многих странах превращаются в нишевой продукт. Многие компании заменяют вакуумное напыление на более производительное и менее затратное атмосферное плазменное напыление.

В качестве модернизации системы ЭП можно заменить вентильным двигателем, что приведет к увеличению точности позиционирования «лапы» манипулятора, увеличение КПД и высокая надежность работы.

1.3 Формулирование требований к автоматизированному электроприводу

Автоматизированный электропривод, рассматриваемый в данной курсовой работе, должен удовлетворять следующим условиям:

требуемая точность позиционирования 1 мм.

максимальные ускорения и замедления при пуске, торможении, и изменении скорости.

простота и надежность управления.

удобство наладки и диагностики.

удобство обслуживания.

обеспечение многократных режимов пуска, реверса, торможения.

1.4 Анализ кинематической схемы, определение параметров и проектирование расчетной схемы механической части электропривода

Механизм главного движения приводится в движение двигателем постоянного тока, питающимся от трехфазного мостового выпрямителя. Вращающий момент от электродвигателя в «лапе» манипулятора передается посредством редуктора.

Рисунок 1.2 - Кинематическая схема ЭП манипулятора

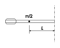
Рисунок 1.3 - Размеры лапы манипулятора и кремниевой пластины

Таблица 1.1 - Параметры механической части электропривода

Масса руки манипулятора, г

140

Масса заготовки, г

10

Радиус поворота, мм

350

Максимальный угол поворота, рад

Скорость поворота, рад/с

Точность позиционирования, мм

1


1.5 Расчет нагрузок механизма в диапазоне угловой скорости от нуля до максимальной. Построение механической характеристики механизма

Угловая скорость лапы манипулятора

Зная размер пластины и плотность кремния (), определим ее массу (V=4 см3):


Рис. 1.4

Масса «лапы» mл=140 г. Таким образом центр тяжести «лапы» вместе с пластиной будет находится на расстоянии 200 мм от оси вращения.

При этом массу в этой точке принимаем равной половине суммарной массы «лапы» и пластины:

Тогда момент инерции механизма будет равен:

Принимаем, что разгон до номинально скорости происходит за 0,04 с.

Следовательно, угловое ускорение будет равно

Момент механизма:

Таким образом максимальный (пусковой) момент, развиваемый данным приводом

Предварительно выбираем двигатель ДБМ120-1,6-0,5-3-Д25 со следующими данными:

 Номинальное напряжение на выводах обмотки статора, В

27

Номинальный вращающий момент, Н× м

1,6

Частота вращения при шеститактной разнополярной 180-градусной коммутации*, мин-1 :

При холостом ходе

При номинальном вращающем моменте, не менее

100

Потребляемый ток (эффективное значение), А, не более:

При холостом ходе

1,2

При номинальном вращающем моменте

4,5

Сопротивление обмотки статора постоянному току, Ом

8¸ 10

Электромагнитная постоянная времени двигателя (усредненная), мс

16

Момент инерции ротора, 1,5× 10-3


Число пар полюсов

8

Предельно допустимое напряжение питания, В

60

Параметры преобразователя (ДПР):

Номинальное напряжение питания, В

15

Частота питающего напряжения, кГц

22

Максимальная рассеиваемая мощность в каждой фазе, Вт, не более

3,5

Сопротивление фазы обмотки постоянному току, Ом

22¸ 30

Проанализировав технологический процесс данного механизма, можно сделать вывод: при разгоне момент нагрузки должен оставаться постоянный, следовательно, при изменении частоты вращения двигателя момент остается постоянным.

Рисунок 1.5 - Механическая характеристика механизма

2. ВЫБОР СИСТЕМЫ ЭЛЕКТРОПРИВОДА

.1 Литературный обзор и анализ систем электропривода, применяемых в промышленной установке

В данной промышленной установке рассматривается электропривод механизма манипулятора. Данный тип механизмов в силу особенностей конструкции и технологического процесса, как правило, требует реверсирования, обеспечение многократных режимов пуска, торможения. Скорость манипулятора согласуется со скоростью электродвигателя, поэтому электропривод таких установок выполняется безредукторным и поставляется обычно комплектно с механизмом.

Основной отличительной особенностью рассматриваемых механизмов являются высокая точность позиционирования, что позволяет в большинстве случаев использовать для механизмов вентильные электродвигатели постоянного тока или шаговые двигатели.

На данный момент существует 3 базовых типа двигателей, которые отличаются по структуре и функциональным возможностям:

Двигатель постоянного тока (сокращение ДПТ, DCM);

Синхронный двигатель (сокращение СД, SM);

Асинхронный двигатель (сокращение АД, ADM).

Рисунок 2.1 - Сравнительные характеристики двигателей различных типов

На Рисунке 2.1 введены следующие обозначения:

ДПТ - Двигатель постоянного тока;

СД - Синхронный двигатель;

АД - Асинхронный двигатель;

Пр - Прочность;

Сл - Сложность управляющей электроники;

Дин - Динамика;

Ум - Удельная мощность (отношение мощность/размер);

Об - Эксплуатационные требования.

На основании данного графика можно сделать выводы о том, что СДПМ в сравнении с ДПТ проигрывает последнему лишь в сложности управляющей электроники, что при сегодняшнем уровне надёжности электроники, не может являться более или менее значимым преимуществом ДПТ над СДПМ.

СДПМ бесспорно проигрывает АД в прочности конструкции, но в значительной мере превосходит по ряду других показателей, самым главным из которых является динамика, что при данных условиях является значительным перевесом при выборе двигателя в пользу СДПМ.

Не столь давно ДПТ были основным вариантом для управляемых приводов из-за простой технологии управления. Двигатели постоянного тока позволяют создавать высокоэффективные системы электроприводов разнообразного применения для различных областей техники. Однако данная система имеет следующие недостатки:

наличие в ДПТ щеточно-коллекторного контакта, которому присущ ряд серьёзных недостатков и связанных с ними ограничений, накладываемых на ДПТ, обуславливающих необходимость тщательного слежения за данным узлом, что в производственных условиях не всегда возможно;

увеличенная стоимость ДПТ;

недоиспользование ДПТ по мощности, при питании от тиристорного выпрямителя, вследствие наличия высших гармоник тока, дополнительно греющих обмотки двигателя;

значительное количество гармоник выдаваемых тиристорным выпрямителем в сеть.

Очевидно, что решить проблему существенного повышения ресурса ДПТ возможно только заменой щеточно-коллекторного узла бесконтактным устройством, выполняющим его функции. Развитие силовой полупроводниковой техники позволило решить эту задачу и привело к созданию бесконтактных (вентильных) двигателей (ВД) постоянного тока.

Основными требованиями к ВД, который применяется для привода робота, являются: высокое быстродействие; повышенная перегрузочная способность по моменту нагрузки; широкий диапазон регулирования частоты вращения; обеспечение многократных режимов пуска, реверса, торможения; эксплуатация в условиях стопорного режима на протяжении определенного времени; высокая надежность и срок службы; высокие энергетические характеристики; при малых частотах вращения отсутствие пульсаций развиваемого момента.

Наиболее распространенным видом привода вследствие своей простоты и наименьших капитальных вложений является короткозамкнутый асинхронный электродвигатель. Этот вид привода применяется от самых малых мощностей до нескольких тысяч киловатт.

Регулируемый электропривод с плавным изменением частоты вращения в широком диапазоне наилучшим образом удовлетворяет условиям автоматического регулирования.

Также высокоэффективные процессоры, которые могут обрабатывать сложные алгоритмы управления, позволяют все чаще использовать СД и АД.

Самое большое преимущество СД и АД - они не требуют обслуживания, что связано с отсутствием механической коммутации, а также улучшенным охлаждением и прочной конструкцией.

Управление АД осложнено рядом обстоятельств:

момент АД определяется произведением двух результирующих электромагнитных векторов статора и ротора и является функцией четырех переменных;

имеется сильное взаимодействие намагничивающих сил статора и ротора, взаимное состояние которых непрерывно меняется при вращении ротора;

с целью лучшего использования двигателя в различных режимах его работы возникает задача регулирования магнитного потока двигателя.

Существует два способа частотного управления ЭП переменного тока: скалярное и векторное управление.

Синхронные двигатели:

В отличие от асинхронного двигателя частота вращения синхронного двигателя постоянная при различных нагрузках. Синхронные двигатели находят применение для привода машин постоянной скорости (насосы, компрессоры, вентиляторы, а также с использованием ПЧ в металлорежущих станках).

Рисунке 2.2 - Функциональная схема системы векторного управления СДПМ

Система с векторным управлением СДПМ по сложности сопоставима с системой векторного управления АД, но при синтезе система с СДПМ сводиться к системе с ДПТ, что, несомненно, упрощает расчёты данной системы. Для качественного управления СДПМ СУ должна обеспечивать ортогональность векторов МДС статора и ротора, что при наличии информации о положении вектора МДС ротора (датчик положения ротора) не составляет труда. Так как поток СДПМ изменяться невозможно, то данное обстоятельство освобождает разработчиков от необходимости учитывать данный режим, что сказывается на простоте системы. Кроме того системы с СДПМ ввиду наличия в своём составе бесконтактного двигателя обладают преимуществами, которые объясняются целым рядом конструктивных и технико-эксплуатационных преимуществ СДПМ по сравнению с другими существующими типами электрических машин, к числу которых можно отнести следующие: - бесконтактность и отсутствие узлов, требующих обслуживания; - большая перегрузочная способность по моменту (кратковременно допустимый момент и ток СДПМ могут превышать номинальные значения в 5 и более раз); - высокое быстродействие в переходных процессах по моменту; - абсолютно жесткая механическая характеристика и практически неограниченный диапазон регулирования частоты вращения (1:10000 и более).


2.2 Выбор рациональной системы электропривода

Для выбора рациональной системы электропривода, нужно определить основные требования к автоматизированному электроприводу:

глубокое регулирование скорости при постоянном моменте нагрузки;

при регулировании не должно происходить резких бросков тока и скачков скорости, то есть регулирование должно осуществляться плавно;

точность регулирования;

обеспечение многократных режимов пуска, реверса, торможения;

эксплуатация в условиях стопорного режима на протяжении определенного времени;

высокая надежность и срок службы;

высокие энергетические характеристики;

при малых частотах вращения отсутствие пульсаций развиваемого момента;

В последние годы БДПТ находят самое широкое применение в технике. Интерес к этому классу электрических машин обусловлен их высокой надежностью, способностью работать бесшумно при высоких частотах вращения, во взрывоопасных средах, на больших высотах и т.п. Эти двигатели имеют также хорошие статические и динамические характеристики, приближающиеся к характеристикам коллекторных двигателей постоянного тока.

БДПТ малой и средней мощности выполняются чаще всего на базе синхронной машины с постоянными магнитами на роторе. Обмотки якоря располагаются неподвижно на статоре и подключаются к источнику постоянного тока по средствам полупроводникового инвертора - коммутатора. Силовые ключи коммутатора, коммутирующие обмотку, управляются по сигналу, поступающего с датчика положения ротора (ДПР). ДПР выполняется в одном корпусе с двигателем.

Введение позиционной обратной связи превращает синхронную машину с инверторами в бесконтактный аналог машины постоянного тока, имеющий падающие механические характеристики. В настоящее время находят применения две разновидности БДПТ, отличающие типом обратной связи по положению. В первой разновидности обратная связь осуществляется с помощью параметрических датчиков положения, находящихся в чувствительных элементах (ЧЭ), которые меняют некоторые свои параметры под воздействием какого-либо физического фактора: магнитного поля, излучения и т. д. Такие датчики фиксируют лишь положения ротора, равные числу силовых ключей коммутатора и чаще всего называются дискретными.

Двигатели, выполняемые по другой схеме, в отличие от обычных дискретных БДПТ, имеют аналоговые датчики положения ротора (вращающиеся трансформаторы, сельсины и т. д.). С помощью аналоговых датчиков положения ротора силовые ключи коммутатора коммутируются по закону близкому к синусоидальному. В идеальном случае это позволяет исключить пульсацию момента и расширить диапазон регулирования двигателя. Эти двигатели можно рекомендовать для применения в системах с особо строгими требованиями к постоянству частоты вращения ротора, например: в системах стабилизации и т.п.

БДПТ по сравнению с коллекторным двигателем имеют обращенную конструкцию, то есть обмотка якоря расположена на статоре, а индуктор - на роторе.

Индуктор представляет собой постоянный магнит. Двигатели большой мощности в отличие от двигателей малой и средней мощности называются «вентильными» и выполняются с электромагнитным возбуждением.

Для получения наиболее высоких характеристик двигателей в них используют постоянный магниты из редкоземельных материалов.

Эти магниты исключительно стойкие к размагничиванию и способны запасать магнитную энергию больше той, которая могла быть создана обмоткой, выполненная в том же объеме, что и постоянный магнит.

В БДПТ с редкоземельным индуктором практически можно не учитывать реакцию якоря и можно получить значительную индукцию при больших магнитных зазорах, что позволяет в ряде случаев использовать бес пазовую конструкцию якорной обмотки, выполненную в виде втулки, и применить провод большего сечения, не увеличивая объем машины. Но для полного использования магнитных свойств редкоземельного материала конструкция ротора должна выполняться в виде коллекторной конструкции, представленной на рис. 2.3.

Рисунок 2.3 - Коллекторная конструкция ротора БДПТ

Ротор набирается из призматических постоянных магнитов 1, намагниченных по короткой оси. Магниты устанавливаются на немагнитную втулку 2, таким образом, чтобы оси намагничивания магниты были направлены тангенциально. Между магнитами устанавливаются концентраторы немагнитного потока 3.Для обеспечения механической прочности на магниты сверху накладываются вставки из немагнитного материала 4, которые привариваются в местах стыка 5. Магнитный поток, созданный постоянными магнитами, концентрируются в полюсах 3, что обеспечивает высокое значение магнитной индукции в рабочем зазоре, причем концентрация магнитного потока может быть большой и определяться отношением , где:  - ширина магнита,  - полюсное деление, - коэффициент полюсного перекрытия.

Наибольший эффект дает коллекторная конструкция при большом числе полюсов, при котором удается обеспечить большую величину отношения .

К недостаткам вентильных машин следует отнести сложность изготовления как самого двигателя, а это, как правило, сложный ротор из постоянных магнитов с большим трудом подвергающихся обработке, так и вопросы намагничивания ротора; низкую механическую прочность ротора, ограничивающую верхний предел частоты вращения. Кроме этого, им присуще относительно низкая индукция в воздушном зазоре при использовании дешевых магнитотвердых материалов и большая стоимость высокоэнергетических постоянных магнитов типа "Самарий - Кобальт". Еще одна, неприятная особенность вентильных приводов - это наличие встроенного датчика положения ротора и обеспечение его надежной работы.

Несмотря на все перечисленные выше недостатки, ветвь синхронных электрических машин наиболее перспективна и ближайшее время сулит существенный технологический скачок. Уже сегодня имеются разработки синхронных машин, обладающие улучшенными на порядок массогабаритными показателями. Эти машины имеют совершенно новую нетрадиционную конструкцию и очень широкие возможности.

Следовательно, вентильная машина, обладая многими достоинствами коллекторного двигателя, избавлена от его главного недостатка - щёточно-коллекторного узла и связанных с ним проблем. Из всех типов синхронных машин, в управляемых системах наиболее перспективными считаются именно вентильные машины. В соответствии с изложенными требованиями, в данной промышленной установке, рациональным будет использование бесконтактного двигателя постоянного тока, питающегося от 3-секционной реверсивной схемы питания обмоток двигателя.

2.3 Проектирование функциональной схемы автоматизированного электропривода

Вентильный двигатель состоит из трех основных элементов:

двигатель с m-фазной обмоткой и индуктором;

датчик положения ротора (ДПР), выполненный в одном корпусе с двигателем и вырабатывающий сигналы управления, которые определяют последовательность подключения обмоток фаз к источнику питания;

бесконтактный (полупроводниковый) коммутатор, который по сигналам датчика положения осуществляет подключение (коммутацию) обмоток двигателя;

Рисунок 2.4 - Функциональная схема вентильного двигателя

Представим более подробную функциональную схему ВД:

Рисунок 2.5 - Подробная функциональная схема вентильного двигателя

Электрическая энергия источника питания по пути преобразования в механическую, потребляемую нагрузкой ВД. проходит последовательно через два устройства: полупроводниковые ключи (ПК) коммутатора и электрическую машину (ЭМ). ПК, как правило, выполняются на транзисторных структурах, число, тип и способ включения которых определяются мощностью и условиями эксплуатации ВД. Для обеспечения режима отсечки отключаемых транзисторов в широком температурном диапазоне на их входы подаются запирающие напряжения от устройства запирания (УЗ), которое питается от магнитотранзнсторного мультивибратора (МТМ) или от источника постоянного напряжения. Управление запиранием ПК может осуществляться сигналами ДПР, как это показано на схеме штриховыми линиями. Для уменьшения динамических потерь в коммутаторе включение и выключение ПК должны производиться импульсами прямоугольной формы.

Выходные сигналы применяемых в ДПР чувствительных элементов (датчики ЭДС Холла, индуктивные ЧЭ) имеют синусоидальную или трапецеидальную форму и низкую крутизну фронтов. Кроме того, амплитудно-модулированные сигналы переменного тока индуктивных ЧЭ могут эффективно управлять транзисторами полупроводниковых ключей только после преобразования выпрямительными устройствами. По отмеченным причинам сигналы чувствительных элементов ДПР поступают в преобразующие устройства (выпрямители, усилители-выпрямители, усилители-ограничители), которые формируют однополярные или двухполярные импульсы практически прямоугольной формы для управления полупроводниковыми ключами. Так как элементы преобразующих устройств (диоды, транзисторы, полупроводниковые реле) обладают существенно нелинейными вольтамперными характеристиками, то импульсы на их выходах могут появляться после достижения амплитудой сигналов ЧЭ порогового значения, при котором ток (напряжение) на выходе преобразующего устройства начинает изменяться. С учетом этого обстоятельства угол сигнального сектора  ДПР и соответствующая ему длительность включенного и выключенного состояния ПК будут определяться как угловым размером сигнального элемента СЭ, укрепленного на роторе ЭМ, так и значением порогового напряжения преобразующего устройства (ПУ). Питание ЧЭ и ПУ датчика положения может осуществляться от МТМ или от основного источника постоянного напряжения (на рис. 2.5 показано штриховыми линиями).

Все вышеизложенное позволяет сделать ряд выводов:

все схемы ВД независимо от типа чувствительных элементов ДПР и якорной обмотки имеют ряд общих элементов: бесконтактную электрическую машину, полупроводниковые ключи и элементы позиционной обратной связи, но положению ротора;

все схемы известных ВД характеризуются наличием преобразователей сигналов чувствительных элементов ДПР. предназначенных для придания этим сигналам свойств, необходимых для осуществления режима переключения транзисторных ключей, коммутирующих токи в секциях якорной обмотки двигателя;

структура силовой части коммутатора и возможности ВД как элемента электропривода определяются выбранным методом организации процессов преобразования энергии, т.е. способом управления коммутацией рабочих токов в секциях якорной обмотки.

3. выбор комплектного преобразователя и датчика координат электропривода

Рассмотрим конструкцию бесконтактного двигателя (рисунок 3.1).

Рисунок 3.1 - Упрощенная принципиальная схема БДПТ

В состав БДПТ входит двигатель с тремя обмотками на статоре, сдвинутыми в пространстве на 120 градусов и соединенными в звезду, ДПР с одним сигнальным элементом (СЭ) и тремя чувствительными элементами (ЧЭ) (их число равно числу обмоток статора), коммутатор, выполненный на трех транзисторах, работающих в ключевом режиме, т.е. в режиме "закрыт" или "открыт".

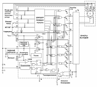
В качестве контроллера бесконтактного двигателя постоянного тока выбираем микросхему фирмы Motorola MC33035.

Микросхема MC33035 является вторым поколением высокопроизводительного контроллера БДПТ и содержит все необходимые функции для реализации разомкнутой системы управления трех- и четырехфазными двигателями.

В состав контролера МС33035 входят:

Декодер положения ротора для осуществления требуемой последовательности коммутации фаз двигателя в соответствии с управляющими сигналами: вперед-назад «Вп/Нз» и выбора сдвига фаз между сигналами с выхода датчика положения ротора «60о/120о»;

логические элементы для управления ключами транзисторного коммутатора в соответствии с сигналами дешифратора, сигналов управления остановки «Стоп» и динамического торможения «Тормоз», а также в соответствии с сигналами широтно-импулсьного модулятора и сигналами защиты;

термо-стабилизированный источник опорного напряжения, способный осуществлять питание датчика положения ротора;

осциллятор с программируемой частотой колебаний, операционные усилители и RS-триггеры для широтно-импульсной модуляции;

компаратор и датчик температуры для температурной защиты;

компаратор, датчик тока и фильтр для токоограничение на каждом периоде ШИМ с устанавливаемой временной задержкой.

Рисунок 3.2 - Функциональная схема МС33035

Переключатель Вперед/Назад задает направление вращения, разомкнутый переключатель устанавливает соответственно на входе контроллера логическую единицу и задает направление «вперед». При обратном направлении вращения, переключатель Вперед/Назад замкнут, сигналы на выходе дешифратора инвертируются, что приводит к изменению чередования фаз и реверсу двигателя.

Переключатель «Разрешено» разрешает или запрещает прохождение импульсов управления ключами на выход контроллера, если переключатель замкнут, то прохождение импульсов блокируется логикой и на выходах 1, 2, 24 устанавливаются сигналы логической единицы, а на выходах 19, 20, 21 - сигналы логического нуля, что вызывает отключение обмоток двигателя от цепи питания и торможение свободным выбегом.

Широтно-импульсный модулятор предназначен для регулирования скорости вращения ротора путем изменения подводимого к двигателю напряжения. Модулятор содержит внешнюю времязадающую цепь RтСт, компаратор, два RS-триггера и генератор импульсов, синхронизирующий их работу.

Основные характеристики МС33035:

Напряжение питания от 10 до 30 В

Частота осциллятора 22... 28 кГц

Ток верхних драйверов до 50 мА

Ток нижних драйверов до 100 мА

Рабочий диапазон температур от -40° до +85°C

Произведем выбор силовых ключей 3-секционной реверсивной схемы коммутатора. Выбор осуществим по максимальному напряжению и току:

,

где - максимальное значение напряжения сток-исток IGBT ключа, В;

Таким образом

;

Максимальный ток двигателя 4,5 А.

Выбираем IGBT модуль типа irg4bc30w фирмы International Rectifier со следующими параметрами:

Напряжение коллектор-эмиттер250 В;

Непрерывный ток коллектора98 А;

Максимальное силовое рассеяние100 Вт;

В качестве оптической развязки выбираем драйвер фирмы Motorola MOCD217 с параметрами:

Непрерывны ток60 мА;

Максимальный ток1 А;

Обратное напряжение6 В;

Силовое рассеяние90 мВт;

4. разработка математической модели автоматизированного электропривода

В случае БДПТ на обмотках машины формируется импульсное напряжение (ток), а в случае вентильной машины на выходе СПП формируется синусоидальное или квазисинусоидальное напряжение (ток).

Принцип управления вентильной машиной поясняет рис. 3. Датчик положения ротора (ДПР), преобразователь координат (ПК) и силовой полупроводниковый преобразователь (СПП) совместно формируют на обмотках статора машины напряжения , ,  таким образом, чтобы результирующий вектор напряжений  всегда был сдвинут на угол  и неподвижен относительно оси магнитного поля ротора.

Рисунок 4.1 - Физическая модель вентильной машины.

В этом случае и результирующий вектор тока будет сдвинут и неподвижен относительно потока ротора , что и создаёт момент на валу машины.

Ось магнитного поля в синхронной машине принято обозначать , а перпендикулярную ось - буквой  (рис. 4.1). При анализе машины ось  считается вещественной осью, а ось  - мнимой.

Уравнения равновесия ЭДС на обмотках статора в неподвижной системе координат базируются на втором законе Кирхгофа (ротор не имеет обмоток).

 (1)

где

,

,

;

Преобразовав уравнения в мгновенных значениях к уравнениям в пространственных векторах, получим:

(2)

где  - индуктивность статора,  - потокосцепление статора в неподвижной системе координат.

Электромагнитный момент, развиваемый машиной, равен:

; (3)

Уравнение равновесия моментов на валу машины:

, (4)

где , - число пар полюсов.

Модель вентильной машины в неподвижной системе координат.

Уравнения машины в неподвижной системе координат находятся на основании уравнений (1 - 4) с учётом того, что :

 (5)

Разложим уравнения (5) по неподвижным осям.

 (6)

В уравнениях (6) значения проекций потока и напряжения на неподвижные оси координат  связаны между собой за счёт датчика положения ротора. В реверсивных электроприводах ДПР устанавливается таким образом, чтобы пространственный вектор напряжения был сдвинут на 90 электрических градусов относительно пространственного вектора потока. В этом случае проекции пространственных векторов  на оси  запишутся в виде:

 (7)

При анализе обычно вводятся относительные переменные. В качестве базовых величин принимаются:

, , , ,

где  - напряжение на фазе двигателя;  - сопротивление фазы двигателя;  - число пар полюсов двигателя;  - магнитный поток ротора;  - скорость вращения холостого хода.

В относительных величинах уравнения (6) с учётом (7) запишутся в виде:

 (8)

где относительные переменные и параметры определены выражениями:

, , , , , , ;

Модель вентильной машины во вращающейся системе координат

При анализе вентильной машины обычно используется вращающаяся со скоростью ротора система координат.

Связь между вращающейся и неподвижной системами координат рассмотрена ниже.

, ,  (9)

, ,

При переходе к вращающимся координатам уравнение электрического равновесия (первое уравнение системы 5) преобразуется к виду:

 (10)

Разложив результирующие вектора электромагнитных переменных состояния по осям  и , получим скалярное описание машины. При этом ось  совмещается с осью потока ротора (см. рис. 4.1).

 (11)

где принято

, , .

При анализе снова вводятся относительные переменные. В качестве базовых величин принимаются:

, , ,

В относительных величинах уравнения (10) запишутся в виде:

 (12)

где относительные переменные и параметры определены выражениями:

, , , , , , ;

5. РАЗРАБОТКА ПРОГРАММНОГО ОБЕСПЕЧЕНИЯ ДЛЯ КОМПЬЮТЕРНОГО МОДЕЛИРОВАНИЯ АВТОМАТИЗИРОВАННОГО ЭЛЕКТРОПРИВОДА

Модель электропривода с вентильной машиной, выполненная с использованием виртуальных блоков из библиотеки Power System Blockset представлена на рис. 5.1.

Рисунок 5.1 - Модель электропривода с вентильной машиной в среде MatLab

Модель состоит из следующих частей:

блоки, относящиеся к системе управления: преобразователь вращающихся координат ,  в неподвижные А, В, С (блок 1); трехфазный автономный инвертор здесь реализован с помощью элементов, входящих в блок 2;

блок задания скорости (Speed Ref);

ПИ-регулятор.

Датчик положения ротора реализован в преобразователе координат, на вход 4 блока Mux которого подаётся угол поворота ротора, умноженный на число пар полюсов плюс начальный угол установки, равный 90 электрических градусов. Таким образом, смонтирована установка ДПР, в которой.

Ниже, на рисунке 5.2 представлены формы тока двигателя, момента, скорости, а также график углового перемещения.

электропривод моделирование преобразователь

Рисунок 5.2 - Переходные процессы в электроприводе

Как видно на графиках переходного процесса, при пуске происходит скачек тока и момента и в течение некоторого времени пульсации момента не прекращаются, но уменьшается их амплитуда. Это является характерной особенностью приводов с вентильными двигателями. На рисунке 5.3 представлен график момента с усредненным значением.

Рисунок 5.3 - График момента с усредненным значением

Если сравнивать вентильную машину с машиной постоянного тока, то её особенности проявляются главным образом в установившемся режиме в виде ухудшения механических, регулировочных и энергетических характеристик. Что касается динамических характеристик, то результаты моделирования показывают, что вентильная машина практически аналогична машине постоянного тока.

ЗАКЛЮЧЕНИЕ

В данном курсовом проекте проведен расчет и проектирование автоматизированного электропривода механизма манипулятора установки напыления микросхем.

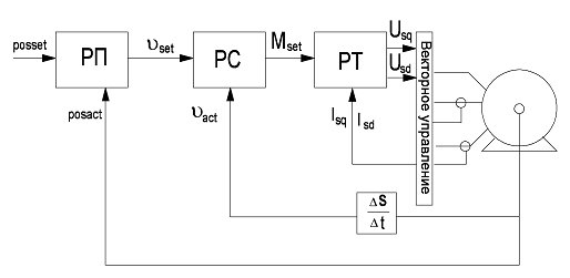
В ходе работы был проведен анализ технологического процесса, а также анализ работы механизма манипулятора, сформулированы требования к электроприводу. Были рассмотрены основные типы приводов, которые в настоящее время находят применение в промышленных установках. Исходя из этого была выбрана система электропривода БДПТ с векторным управлением: взамен применяемого на станке двигателя постоянного тока.

Была разработана математическая модель автоматизированного электропривода. По математической модели составили в среде MATLAB/Simulink имитационную модель. Используя модель, были получены и проанализированы динамические характеристики электропривода. Таким образом, тема данного курсового проекта проработана полностью.

СПИСОК ИСПОЛЬЗУЕМОЙ ЛИТЕРАТУРЫ

1.    Система автоматизированного управления электроприводами под общей редакцией Ю.Н. Петренко - Мн.: “Новое знание”, 2004.

2.      В.Д. Косулин, Г.Б. Михайлов, В.В. Омельченко, В.В. Путников: Вентильные электродвигатели малой мощности для промышленных роботов-М.: Энергоатомиздат, 1988.

.        А.В. Башарин, В.А. Новиков, Г.Г. Соколовский: Управление электроприводами - Ленинград: Энергоатомиздат, 1982.

Похожие работы на - Автоматизированный электропривод механизма манипулятора установки напыления микросхем

 

Не нашли материал для своей работы?
Поможем написать уникальную работу
Без плагиата!
Без нейросетей!