Разработка автоматической системы управления на базе ЭВМ покрасочного манипулятора

  • Вид работы:
    Курсовая работа (т)
  • Предмет:
    Другое
  • Язык:
    Русский
    ,
    Формат файла:
    MS Word
    1,43 Мб
  • Опубликовано:
    2012-12-03
Вы можете узнать стоимость помощи в написании студенческой работы.
Помощь в написании работы, которую точно примут!

Разработка автоматической системы управления на базе ЭВМ покрасочного манипулятора

Федеральное государственное бюджетное образовательное учреждение высшего профессионального образования







Курсовая работа

по дисциплине: Контроль и автоматизация процессов обработки концентрированными потоками энергии

на тему: Разработка автоматической системы управления на базе ЭВМ покрасочного манипулятора









Саратов 2011

Введение

Микроэлектроника как новое научно-техническое направление электроники решает проблему создания высоконадежной, экономичной и миниатюрной радиоэлектронной аппаратуры, вычислительной техники и систем автоматизации при широком наборе выполняемых функций и большом объеме перерабатываемой информации.

Активное внедрение электроники для управления машинами и оборудованием требует ежегодного выпуска огромного количества интегральных микросхем (ИМС). Для обеспечения выпуска сотен миллионов ИМС на одном заводе нужно, чтобы используемое технологическое оборудование было автоматизировано и работало, как правило, в составе робототехнических комплексов и гибких автоматизированных систем.

Широкая номенклатура выпускаемых микропроцессоров, их многофункциональность и быстродействие позволяют успешно решать задачи автоматизации управления сложным технологическим оборудованием микроэлектроники с многоуровневым управлением в рамках гибких автоматизированных систем. Одновременно с развитием микропроцессоров разрабатываются алгоритмы управления оборудованием и программное обеспечение микропроцессорных систем управления, что обеспечивает непрерывное внедрение микропроцессорной техники в автоматизацию управлением технологическим оборудованием микроэлектроники.

Таким образом, внедрение современных достижений микроэлектроники в различные области производства позволяет максимально облегчить деятельность человека, связанную с выполнением простых и сложных технологических операций. Автоматизация процессов обработки обеспечивает большую безопасность человека при работе с оборудованием.

1. Описание манипулятора

Данный манипулятор разрабатывается для замены ручного труда машинным и автоматизации операции нанесения порошковой полимерной краски на изделие. Также немаловажной причиной замены ручного труда является вред здоровью, который полимерные краски могут нанести персоналу непосредственно контактирующему с ними. Например, чаще всего полимерные краски нанести в виде порошка, который очень мелкодисперсный и его очень легко вспылить. Эта пыль очень вредна для лёгких.

Работа манипулятора осуществляется за счет перемещения в пространстве по 3-м координатам оснастки (краскопульта) посредством поворотов и линейных перемещений элементов конструкции манипулятора приводимых в движение с помощью электроприводов (электродвигателей).

1.1 Технические характеристики манипулятора

Потребляемая мощность 3 кВт

Напряжение сети 380 В

Грузоподъемность 50 кг

Погрешность позиционирования 0.5 - 1 мм

2. Структура технологического оборудования

Микропроцессорная система управления (МПСУ) является обязательной частью всех видов технологического оборудования и обеспечивает согласованное функционирование устройств, входящих в подсистемы. Технические средства ее должны реализовывать функции управления, измерять параметры подсистем (технологических процессов, изделий, создаваемых структур и т. п.), преобразовывать и обрабатывать полученную информацию и формировать управляющие воздействия на объект управления. Центральное место в ней занимают микропроцессорные устройства управления - программируемые логические и регулирующие контроллеры, контроллеры смешанного типа, микроконтроллеры.

Вместе с тем, в системах управления даже с микропроцессорными средствами управления нередко используют аналоговые регуляторы и «жесткие» логические контроллеры. Применение указанных типов устройств обусловлено в ряде случаев необходимостью создания двухконтурных систем регулирования, что значительно улучшает динамические характеристики систем стабилизации и подсистем безопасности и зашиты оборудования.

Важным элементом системы управления являются датчики параметров функциональных подсистем и параметров обрабатываемых изделий. Разнообразие физико-термических процессов, реализуемых в оборудовании, трудности измерения параметров создаваемых структур делают задачу контроля весьма сложной.

В качестве измерительных преобразователей используются как серийно выпускаемые средства, так и специальные преобразователи, разработанные для конкретных технологических процессов. Для сопряжения измерительных преобразователей с устройствами микропроцессорного управления используются нормирующие преобразователи, которые с высокой точностью усиливают напряжение низкою уровня измерительных преобразователей до стандартного уровня 0...10 В.

Управляющие воздействия с устройства управления поступают на исполнительные механизмы оборудования через усилители мощности и специальные преобразователи.

Задание программы управления, параметров технологического процесса и контроль за протеканием процесса производятся с помощью устройств ввода и отображения информации. В микропроцессорных системах управления такими устройствами являются дисплей и клавиатура. В последние годы в системах управления находят все более широкое применение акустические устройства общения человека с ЭВМ: синтезаторы в анализаторы речи. Вместе с тем, наряду с современными средствами отображения информации в оборудовании применяются и такие средства, как мнемосхемы, на которых выводится информация о состоянии отдельных устройств и подсистем.

3. Функциональная схема манипулятора

управление манипулятор датчик алгоритм

Рис. 1. Общий вид и функциональная схема манипулятора

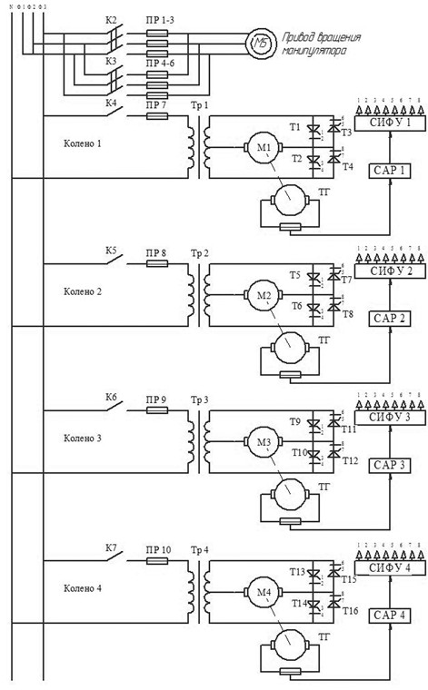
4. Электрическая схема манипулятора

Рис. 2. Электрическая принципиальная схема манипулятора.

4.1 Перечень элементов к схеме

Таблица 1

Позиция

Наименование

Количество

К1...К7

Электромеханические контакторы

7

Пр1...Пр11

Предохранители

11

Ml ...M4

Электродвигатель постоянного тока

4

М5

Асинхронный электродвигатель

1

Тр1...Тр4

Трансформатор однофазный

4

Т1...Т16

Тиристоры

16

Р1...Р5

Электромеханическое реле

5

Кн1

Кнопка «Пуск»

1

Кн2

Кнопка «Стоп»

1

Км1...Км 6

Электромагнитный клапан

6

СИФУ

Система импульсно-фазового управления тиристорами

4

Сар

Система автоматического регулирования

4

Д1...Д5

Датчики

5


Рис. 3. Релейно-контактная схема управления установкой

Таблица 2. Исполнительные механизмы

Позиция

Наименование параметра

Физический принцип преобразования

ИМ 1

Поворот колена 3 манипулятора вверх

Электромеханический

ИМ 2

Поворот колена 2 манипулятора вверх

Электромеханический

ИМ 3

Горизонтальное перемещение плеча манипулятора вперёд

Электромеханический

ИМ 4

Поворот колена 1 манипулятора вверх

Электромеханический

ИМ 5

Угловое перемещение вправо

Электромеханический

ИМ 6

Поворот колена 3 манипулятора вниз

Электромеханический

ИМ 7

Поворот колена 2 манипулятора вниз

Электромеханический

ИМ 8

Горизонтальное перемещение плеча манипулятора назад

Электромеханический

ИМ 9

Поворот колена 1 манипулятора вниз

Электромеханический

ИМ 10

Угловое перемещение влево

Электромеханический


Таблица 3. Используемые датчики.

Позиция

Наименование параметра

Тип

Д1

Контроль положения колена 3

Контактный переключающий датчик

Д2

Контроль положения колена 2

Контактный переключающий датчик

Д3

Контроль положения плеча

Контактный переключающий датчик

Д4

Контроль положения колена 1

Контактный переключающий датчик

Д5

Контроль горизонтального положения манипулятора

Тахогенераторный датчик

5. Характеристика применяемых датчиков

5.1 Тахогенераторный датчик

Индукционные датчики, у которых ЭДС пропорциональна угловой скорости во вращения подвижной части, называются тахогенераторами (ТГ). По существу такие датчики представляют собой небольшие электрические машины, конструкция которых предусматривает создание максимально линейной зависимости между выходным напряжением U и щ. К тахогенераторным датчикам предъявляются следующие основные требования: линейность и большая крутизна выходной характеристики; малый момент инерции ротора и малая электромагнитная постоянная времени; малое влияние на выходную характеристику изменения температуры окружающей среды и нагрузки; стабильность выходной характеристики; малые погрешности; небольшие габариты и масса. Тахогенераторы постоянного тока представляют собой генераторы постоянного тока небольшой мощности с электромагнитным или магнитоэлектрическим возбуждением (рис. 4).

Рис. 4. Тахогенератор постоянного тока с электромагнитным возбуждением.

5.2 Д1, Д2, ДЗ, Д4, Д5 - контактный переключающий датчик

Основным элементом контактных датчиков являются электрические контактные соединения (контакты), которые под действием измеряемой величины (линейного или углового перемещения) резко изменяют свое сопротивление от минимального, практически равного нулю, до максимального, практически равного бесконечности. Контактные соединения могут быть в виде контактных групп, которые в исходном состоянии бывают разомкнутые, замкнутые и переключающие (рис. 5).

Рис. 5. Конструктивная схема и условное электрическое обозначение контактов переключающего датчика

6. Основные понятия

Большая интегральная схема (БИС) - полупроводниковая интегральная микросхема, содержащая 500 и более элементов.

Интерфейс - устройство сопряжения, обеспечивающее информационную, электрическую и конструктивную совместимости, а также взаимодействие технических средств в составе системы.

Микропроцессор (МП) - программно-управляемое устройство, осуществляющее процесс обработки цифровой информации и управление им, построенное на одной или нескольких интегральных микросхемах. В состав микропроцессора входят: арифметическологическое устройство (АЛУ), выполняющее арифметические, логические и другие операции; блок регистров, реализующий внутреннюю память МП; устройство управления (УУ), вырабатывающее управляющие и синхронизирующие сигналы и определяющее алгоритм функционирования МП в соответствии с кодом поступившей команды, и интерфейс для связи с внешними устройствами.

Разрядность микропроцессора - максимальное число двоичных разрядов в слове, которое обрабатывается в МП параллельно. Например, 8-разрядный МП может обработать параллельно слово с максимальной длиной в один байт (8 бит). Обработка 16-разрядного слова осуществляется в этом МП последовательно, с разделением слова на два байта, каждый из которых обрабатывается параллельно. Таким образом, разрядность МП существенно влияет на его производительность - число производимых операций в единицу времени. Так, при обработке 16-разрядных слов производительность 16-разрядного МП в два раза выше, чем 8-разрядного МП при условии, что оба процессора имеют одинаковую архитектуру, построены на одной и той же элементной базе и работают с одной и той же тактовой частотой.

Микропроцессорная интегральная микросхема - интегральная микросхема, выполняющая функцию микропроцессора или его части.

Запоминающее устройство (ЗУ) - устройство, предназначенное для записи, хранения и выдачи информации. В зависимости от используемого физического принципа может быть построено на ферритах, полупроводниках, цилиндрических магнитных доменах и т. д.

Оперативное запоминающее устройство (ОЗУ) - запоминающее устройство, обеспечивающее возможность оперативного изменения информации, в том числе во время выполнения программы, и имеющее длительность цикла обращения, соизмеримую с длительностью цикла выполнения МП основных операций. При отключении электропитания информация в ОЗУ, как правило, не сохраняется. При использовании аварийного электропитания получают энергонезависимое ОЗУ. (Рис. 5)

Постоянное запоминающее устройство (ПЗУ) - запоминающее устройство с неизменяемым содержимым памяти. В полупроводниковые ПЗУ информация записывается в процессе изготовления микросхемы путем соответствующего соединения запоминающих элементов на поверхности кристалла. В процессе работы информация из ПЗУ может только считываться. Постоянное ЗУ является энергонезависимым, т. е. при отключении электропитания информация, записанная в ПЗУ, не разрушается.

Микропроцессорная электронная вычислительная машина - цифровая электронная вычислительная машина, включающая микропроцессор (МП), интерфейсы ввода и вывода, запоминающее устройство (ЗУ) и при необходимости пульт управления и источники электропитания, объединенные общей несущей конструкцией. (Рис. 6)

Шина (магистраль, канал) - набор определенного числа линий (соединительных проводников), связывающих между собой одноименные выводы различных устройств. По каждой линии связи шины может быть передано значение одного разряда двоичного кода в виде уровней напряжения (тока), соответствующих логическому «О» или логической «1», а по всей шине в целом, параллельно - значение кода, число разрядов в котором равно числу проводников в шине. Особенностью шин является то, что каждая линия связи шины может объединять несколько (более двух) одноименных выводов и, например, соединять выходы нескольких передатчиков и входы нескольких приемников информации. Выбор приемника или передатчика информации в этом случае осуществляется с помощью специальных сигналов ВК (выбор кристалла) или ВМ (выбор модуля). Из нескольких передатчиков информации, связанных с одним приемником, в каждый момент времени может быть подключен только один. Это реализуется с помощью схем с открытым коллектором или с тремя устойчивыми состояниями. Третье (пассивное) состояние передатчика, характеризуемое его высоким выходным сопротивлением, эквивалентно отключению передатчика от линии связи.

Внешнее запоминающее устройство (ВЗУ) - запоминающее устройство большого объема (сотни, тысячи и более килобайт), предназначенное для длительного хранения данных, создания архива данных и обмена файлами этих данных с ОЗУ микропроцессорной системы. Внешнее ЗУ в общем случае состоит из накопителя (на магнитной ленте, магнитных дисках, магнитных картах и т. д.) и контроллера.

Рис. 6. Обобщенная структурная схема микро ЭВМ

Устройства ввода-вывода (УВВ) - устройства, служащие для ввода или вывода информации, например клавиатура, алфавитно-цифровой или графический дисплей, печатающие устройства различных типов, перфоленточные устройства и т. д. В последнее время в качестве УВВ активно применяются накопители на гибких магнитных дисках (НГМД) и кассетные накопители на магнитной ленте (КНМЛ), которые заменяют устройства ввода с перфоленты и перфокарты.

Микроконтроллер (МК) - устройство локального управления, выполненное на одной или нескольких ИМС. Микроконтроллер предназначен для автономного встраивания в аппаратуру и содержит микропроцессор, ОЗУ и ПЗУ ограниченного объема, средства связи с источниками и приемниками информации, а также средства объединения в микропроцессорные локальные сети.

Устройство связи с объектом (УСО) - устройство, осуществляющее связь микроЭВМ с объектом управления (датчиками и исполнительными устройствами объекта управления) и позволяющее производить прием аналоговых и дискретных сигналов, выдачу команд на аналоговые и дискретные устройства, усиление и нормирование сигналов, аналого-цифровое и цифроаналоговое преобразования, логические преобразования, преобразования форматов данных, развязку внешних цепей и защиту их от короткого замыкания, контроль и диагностику, а также внутренние преобразования, связанные с хранением адресов и данных. (Рис.7)

В состав УСО входят интерфейсы для связи с микроЭВМ и объектом управления, регистры для хранения адресов и данных, аналого-цифровой (АЦП) и цифроаналоговый (ЦАП) преобразователи, логические устройства, формирователи сигналов, устройства оптронной развязки, устройства индикации и защиты и т. д.

Микропроцессорная система управления (МПСУ) - система, содержащая микроЭВМ, объект управления (ОУ) с датчиками (Д) и исполнительными устройствами (ИУ), устройства связи с объектом (УСО) и при необходимости периферийные устройства (дисплей, алфавитно-цифровое печатающее устройство, накопитель на гибких магнитных дисках).

Рис. 7. Обобщенная структурная схема микропроцессорной системы управления

Команда - двоичный код, длина (формат) которого составляет от одного до нескольких байт. Первый байт любой команды содержит код операции. Он определяет формат команды и те действия, которые должны быть произведены МП над операндом (операндами), чтобы получить результат. В последующих байтах команды содержится прямой или косвенный адрес операнда, либо непосредственно сам операнд. Под прямым адресом операнда понимается адрес ячейки ОЗУ или номер внутреннего регистра МП, в которой хранится операнд. Косвенный адрес операнда - номер внутреннего регистра МП, в котором хранится прямой адрес операнда.

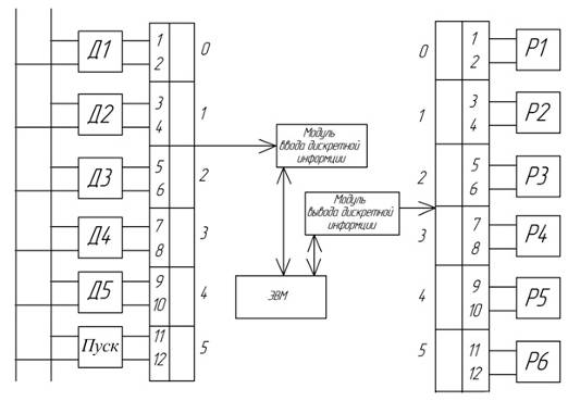
7. Схема подключения датчиков и исполнительных механизмов к микропроцессорному блоку управления

Рис. 8. Схема подключения датчиков и исполнительных механизмов к микропроцессорному блоку управления.

8. Словесный алгоритм технологического цикла

Шаг 1. Нажать кнопку «Пуск» (Кн1)

Шаг 2. Включить перемещение руки манипулятора в вертикальной плоскости с помощью электропривода для подачи на рабочую высоту, включив электромагнитный клапан Км5 (Р4)

Шаг 3. Выдержать время пока рука не примет нужного положения в рабочей плоскости (t1)

Шаг 4. Проверить датчик положения Д4, если рука находится в заданном положении перейти к шагу 5, в противном случае отключить манипулятор.

Шаг 5. Включить выравнивание кисти манипулятора с помощью электропривода для более точного позиционирования, включив электромагнитный клапан Км2 (Р1)

Шаг 6. Выдержать время пока кисть не примет заданного положения (t2)

Шаг 7. Проверить датчик положения Д1, если кисть находится в заданном положении перейти к шагу 8, в противном случае к шагу 6

Шаг 8. Включи 11, попорот «локтя» манипулятора в вертикальной плоскости с помощью электропривода для подстройки и уменьшения погрешности, включив электромагнитный клапан Км (Р2)

Шаг 9. Выдержать время пока локоть не примет заданного положения (t3)

Шаг 10. Проверить датчик положения Д2, если локоть находится в заданном положении перейти к шагу 11, в противном случае к шагу 9

Шаг 11. Включить линейное перемещение руки манипулятора в горизонтальной плоскости с помощью электропривода для подстройки расстояния на котором будет вестись напыление (в зависимости от режима), включив электромагнитный клапан Км4 (РЗ)

Шаг 12. Выдержать время пока рука не примет заданного положения (t4)

Шаг 13. Проверить датчик положения ДЗ, если рука находится в заданном положении перейти к шагу 14, к противном случае к шагу 12

Шаг 14. Включить привод поворота конструкции манипулятора в горизонтальной плоскости для обработки, для этого включив Км6 (Р5)

Шаг 15. Выдержать время пока рука не примет заданного положения (t5)

Шаг 16. Проверить датчик положения Д5, если манипулятор находится в заданном положении перейти к шагу 17, в противном случае к шагу 15

Шаг 17. Окончание цикла происходит нажатием кнопки «Стоп» (Кн2)

9. Программирование

Для программирования составляются таблицы состояний, в которых входные и выходные сигналы представляются в виде двоичных кодов. Двоичные коды для программирования состояния исполнительных механизмов и датчиков представлены на табл. 4. и табл. 5.

Таблица. 4. Состояние датчиков

Номер такта

Время

Д1

Д2

Д3

Д4

Д5

Код

1

0

0

0

0

0

0

00

2

0

0

0

0

0

0

00

3

1

0

0

0

1

0

42

4

0

0

0

0

1

0

02

5

0

0

0

0

0

0

00

6

1

1

0

0

0

0

60

7

0

1

0

0

0

0

20

8

0

0

0

0

0

0

00

9

1

0

1

0

0

0

50

10

0

0

1

0

0

0

10

11

0

0

0

0

0

0

00

12

1

0

0

1

0

0

44

13

0

0

0

1

0

0

04

14

0

0

0

0

0

0

00

15

1

0

0

0

0

1

41

16

0

0

0

0

0

1

01

17

0

0

0

0

0

0

00


Таблица 5. Состояние исполнительных механизмов

Номер такта

Код В

Р1

Р2

Р3

Р4

Р5

Р6

Код

Пуск

1

1

0

0

0

0

0

0

100

1

0

0

0

1

0

0

104

3

1

0

0

0

1

0

0

104

4

1

0

0

0

1

0

0

104

5

1

1

0

0

0

0

0

140

6

1

1

0

0

0

0

0

140

7

1

1

0

0

0

0

0

140

8

1

0

1

0

0

0

0

120

9

1

0

1

0

0

0

0

120

10

1

0

1

0

0

0

0

120

11

1

0

0

1

0

0

0

110

12

1

0

0

1

0

0

0

110

13

1

0

0

1

0

0

0

110

14

1

0

0

0

0

1

0

102

15

1

0

0

0

0

1

0

102

16

1

0

0

0

0

1

0

102

17

1

0

0

0

0

0

0

100

Авария

0

0

0

0

0

0

1

001в


10. Циклограмма последовательностью управления технологического цикла

Рис.9 Циклограмма последовательность управления технологического цикла.

11. Блок-схема алгоритма составления программы управления манипулятором

Список используемой литературы

1. Таран В.М., Протасова Н.В. Методические указания к выполнению курсовой работы по дисциплине «Контроль и автоматизация обработки КПЭ». - Саратов.: СГТУ.

. Лившиц А.Л., Рогачев И.С., Отто М.Ш. Генераторы импульсов. М.: Энергия.

. Сазонов А.А., Корнилов Р.В., Кохан Н.П., Кузнецов М.Н., Поддубный Е.В. Микропроцессорное управление технологическим оборудованием микроэлектроники. М.: 1988.

. А.И. Фомин. Датчики систем управления. Саратов.: СГТУ, 1997.

. Под ред. А.В. Глазкова. Размерная электрическая обработка металлов: учеб. Пособие для студентов вузов. М.: Высшая школа, 1978

Похожие работы на - Разработка автоматической системы управления на базе ЭВМ покрасочного манипулятора

 

Не нашли материал для своей работы?
Поможем написать уникальную работу
Без плагиата!
Без нейросетей!