Привод звена промышленного робота (колона)
Содержание
Введение
1. Типовой технологический процесс и выбор манипулятора
2. Приближённая нагрузочная диаграмма
2.1 Определение сил и моментов, действующих в электроприводе
2.2 Определение составляющих времени нагрузочной диаграммы
2.3 Построение нагрузочной диаграммы и ее анализ
3. Выбор и проверка электродвигателя
3.1 Предварительный выбор двигателя
3.2 Расчет динамических параметров привода и уточненная нагрузочная
диаграмма
3.3 Проверка выбранного двигателя
4. Определение основных характеристик привода
4.1 Построение и анализ механических характеристик
4.2 Расчет пониженной скорости для точной остановки и анализ
результатов
4.3 Расчет и анализ переходных процессов
5. Выбор комплектного ЭП
5.1 Обзор современных электроприводов и их анализ
5.2 Функциональная структурная схема ЭП. Передаточные функции
звеньев ЭП
5.3 Выбор комплектного ЭП. Работа ЭП
5.4 Настройка уставок привода. Принципиальная схема ЭП
6. Расчет расхода энергии и КПД за цикл
Заключение
Список использованной литературы
Введение
Проектирование промышленных роботов (ПР) является комплексной
задачей, для решения которой необходимо, чтобы принципы и подходы к
проектированию соответствовали требованиям, предъявляемым к роботу и составным
его частям, а именно в данном курсовом проекте к электроприводу.
В настоящее время ЭП получил широкое применение во всех
сферах жизни и деятельности общества - от сферы промышленного производства до
сферы быта. На современный ЭП кроме функции преобразования энергии возлагается
важная функция управления технологическим процессом приводимого в движение
механизма.
ЭП органически сливается с приводимым в движение
исполнительным механизмом в единую электромеханическую систему, от физических
свойств которой зависят производительность, динамические нагрузки, точность выполнения
технологических операций и ряд других факторов. Открываются широкие возможности
для формирования заданных законов движения рабочих органов машины путем
воздействия на систему управления электроприводом, осуществления связанного
автоматического управления взаимодействующими в технологическом процессе
механизмами, оптимизации их работы по тем или иным критериям.
ЭП называется электромеханическое устройство, предназначенное
для приведения в движение рабочих органов машин и управления их технологическими
процессами, состоящее из передаточного устройства, электродвигательного
устройства, преобразовательного устройства, управляющего устройства.
Передаточное устройство содержит механические передачи и
соединительные муфты, необходимые для передачи вырабатываемой двигателем
механической энергии исполнительному механизму.
привод промышленный робот
Преобразовательное устройство предназначено для управления
потоком электрической энергии, поступающим из сети с целью регулирования
режимов работы двигателя и механизма. Оно представляет собой энергетическую
исполнительную часть системы управления электроприводом.
Управляющее устройство представляет собой информационную
часть системы управления, предназначенную для фиксации и обработки поступающей
информации о задающих воздействиях и состоянии системы и выработки на ее основе
сигналов управления преобразовательным, электродвигателем и передаточным
устройствами. [1]
Исходя из вышесказанного можно сделать вывод о том, что ЭП -
основной конструктивный элемент робота, поэтому для корректного выбора вида,
типа и мощности ЭП, необходимо ознакомится с устройством робота и изучить
технологический процесс.
Тема курсового проекта - электропривод звена промышленного
робота, следовательно данный курсовой проект ориентирован на:
выбор подходящего манипулятора, соответствующего
рассматриваемому технологическому процессу;
выбор электродвигателя для привода, расчет его параметров и
проверку правильности выбора;
расчет основных характеристик электропривода;
выбор комплектного электропривода, разработку схемы
управления;
определения расхода энергии и КПД за цикл работы. [2]
1.
Типовой технологический процесс и выбор манипулятора
Под технологическим процессом подразумевается
последовательность, характер движения (перемещения) механизма, осуществляющего
тот или иной вид деятельности.
Рассмотрим типовой технологический процесс установки и снятия
со станка заготовок типа тел вращения, который состоит из следующих этапов:
захват заготовки рукой манипулятора;
перемещение заготовки к станку и ее установка;
отвод руки манипулятора от станка на время обработки детали;
захват обработанной детали рукой манипулятора;
перемещение обработанной детали и установка ее в латок;
возврат руки манипулятора к лотку с заготовками.
При проектировании технологического процесса с применением
робота исходят из того, что производительность робота всегда выше
производительности человека, но в тоже время необходимо учитывать
“неадекватность" робота, его преимущества и недостатки. Необходимо также
учитывать производственные условия, в которых будет работать робот, а также
температурный режим, загазованность и запыленность воздуха, вибрации и другие
факторы окружающей среды, влияющие на работу как манипулятора, так и системы
управления робота.
При выборе ПР для данного технологического процесса следят за
соблюдением требований, предъявляемых к нему:
робот должен быть предназначен для выполнения функций
соответствующих технологическому процессу;
должен обладать высокой перегрузочной способностью, т.е. отношение
должно быть в пределах 3-4;
жесткие требования к массогабаритным и энергетическим
характеристикам электродвигателя, это диктуется необходимостью перемещения
рабочего органа ПР вместе с двигателем;
высокая точность позиционирования;
номинальная грузоподъемность;
соблюдение скоростных режимов перемещения заготовки.
Компоновка промышленного робота существенно зависит от схемы
расположения двигателей привода звеньев манипулятора. Возможны две принципиально
отличающиеся схемы промышленных роботов - с двигателями приводов на подвижных
звеньях и с двигателями на основании робота, иногда применяется комбинированная
схема. Наиболее часто применяется схема с силовыми двигателями, расположенными
на подвижных звеньях руки и кисти робота. Эта схема достаточно удобна для
программирования движений и управления ими. Если приводные двигатели
расположены на основании робота, то программирование движений звеньев
затрудняется из-за наличия планетарного механизма со сложной кинематической
связью между углами поворота валов двигателей и относительными углами поворота
звеньев руки, тем более, что при данной схеме конструкция самого манипулятора
усложняется. В виду того, что наш технологический процесс ориентирован на то,
чтобы манипулятор имел высокую степень маневренности, высокую точность
позиционирования, легкость программирования движений звеньев, то остановимся на
схеме манипулятора, у которого приводные двигатели расположены на подвижных
звеньях руки робота.
Проанализировав технологический процесс, определив при этом
наиболее подходящую схему манипулятора и соблюдая все требования, предъявляемые
к ПР, остановимся на электромеханическом роботе Виктора Шеймана модели “
Стенфорд Арм”. Этот робот управляется от ЭВМ и может использоваться как для
производственных, так и для научных целей. Каждое из исполнительных звеньев
манипулятора робота приводится в движение системой электродвигатель-редуктор
(волновой или червячный).
Манипулятор "Стэнфорд Арм" (рис.1.1):
имеет шесть степеней свободы рабочего органа, не считая движения
схвата;
пять движений исполнительного устройства вращательные, а шестое -
линейное (продольное перемещение руки прямоугольного сечения, которое
осуществляется в направляющих качения);
продольный ход руки 800 мм;
рабочей зоной является почти полная сфера диаметром 2000 мм;
грузоподъемность 5 кг;
предмет манипулирования может перемещаться рукой манипулятора из
любой точки рабочего пространства в другую, наиболее удаленную, за 2 с;
максимальная линейная скорость рабочего органа манипулятора 5 м/с
(обычно линейные скорости движения рабочего органа не превышают 1,1 м/с);
точность позиционирования 1 мм;
в цепях обратных связей управления всеми движениями рабочего
органа манипулятора установлены потенциометры, оптические кодовые датчики или
позиционные резольверы, а также аналоговые или числовые датчики скорости (в
зависимости от назначения манипулятора).
По командам ЭВМ включаются приводные электродвигатели, изменяется
скорость движения рабочего органа манипулятора, а также осуществляется его
позиционирование (после торможения) в нужной точке рабочего пространства.
Рисунок 1.1 Внешний вид манипулятора "Стэнфорд Арм
Конструкция манипулятора "Стэнфорд Арм" показана на
рис.1.2 Манипулятор имеет шесть степеней свободы: плечо руки вращается в двух
шарнирах, сама телескопическая рука 7 имеет одну степень свободы (линейное
перемещение вдоль своей продольной оси), кисть руки - три вращающихся шарнира.
На конце кисти установлен схват 19. Плечо поворачивается двумя малоинерционными
электродвигателями 2 и 13. Выходные валы приводных электродвигателей 2 и 13
вращают трубчатые шарнирные валы 4 увеличенного диаметра через диски с
фрикционными муфтами 5 и 11, которые отрегулированы на проскальзывание дисков
при давлении на них, равном 120 МПа (12 кгс/мм2). Электромагнитные
тормоза 1, установленные на валах приводных электродвигателей 2 и 13,
удерживают шарниры плеча в любом положении без вращения роторов
электродвигателей. Эти шарниры смонтированы на стойке 14, приваренной к
основанию 15. Валы 4 сделаны из алюминиевых труб и установлены в
шарикоподшипниках, запрессованных в массивных втулках (аксиальный зазор в
подшипниках выбирается пружинами).
Рука 7 смещена относительно первого шарнира плеча, поэтому стойка
14 не ограничивает поворота руки. Телескопический ход руки 600 мм, что
позволяет изменять радиус действия руки от 150 до 750 мм. Рука 7 представляет
собой трубу квадратного сечения 75x75 мм из алюминиевого сплава, двигающуюся в
обойме 6 с шестнадцатью направляющими роликами 10, поверхность которых покрыта
пластиком для уменьшения трения и износа. Рука 7 приводится в прямолинейное
движение с помощью электродвигателя и двойной реечной зубчатой передачи,
установленной вне квадратной трубы руки. В цепи обратной связи включены
линейные потенциометры 18. На валах приводных электродвигателей установлены
счетчики оборотов валов их роторов.
Конструкция трех поворотных шарниров кисти аналогична конструкции
двух поворотных шарниров плеча руки 7 манипулятора, однако по размеру они
меньше последних. Телескопическое движение руки 7 осуществляется от
высокоскоростного электродвигателя и червячной передачей 8 (общее передаточное
отношение 100:
). Этот двигатель рассчитан на работу в прерывистом режиме (тормоз
установлен на оси ротора). Линейный потенциометр работает с меньшей точностью,
чем круговые потенциометры, установленные во вращающихся шарнирах плеча и
кисти. Электродвигатель 2 имеет встроенный планетарный редуктор с зубчатыми
колесами (диаметр кругового потенциометра в этом шарнире 38 мм).
Электродвигатель 13 через трубу вала 4 поворачивает верхний шарнир плеча
относительно вертикальной оси, а электродвигатель 2 поворачивает через другой
вал 4 обойму 6 с рукой 7 относительно горизонтальной оси. Обойма 6 представляет
собой квадратную трубу с размером стороны 51 мм. Для улучшения динамических
характеристик руки 7 схват 19 и кисть имеют противовес, не показанный на
рис.1.2 Пальцы схвата (рис.1.2) оснащены тактильными датчиками и передвигаются
параллельно друг другу для зажима или разжима детали (заготовки), которой
манипулирует рука; при этом каждый палец скользит в двух направляющих. Пальцы
приводятся в движение зубчатой передачей (колесо-рейка для каждого пальца) от
электродвигателя. Кисть приводится в движение электродвигателем диаметром 22 мм
с постоянными магнитами и редуктором (имеется небольшой тормоз на валу ротора).
В цепи обратной связи по положению кисти установлен многооборотный
потенциометр. [4]
Рисунок 1.2 Конструкция манипулятора "Стэнфорд Арм"
а - конструктивная схема манипулятора;
б - поперечный разрез стойки и поворотных шарниров плеча (трех
узлов) руки манипулятора;
в - продольный разрез телескопической руки и схвата;
г - кисть руки со схватом, оснащенным тактильными датчиками
пальцев для определения силы сжатия детали пальцами схвата;
- тормоз FSOB; 2, 13, 17,
21, 22 - электродвигатели USM4; 3, 12, 16,
24 - механизмы приводов (волновые редукторы); 4 - вал; 5, 11 -
предохранительные фрикционные муфты; 6 - обойма руки; 7 - рука манипулятора; 8
- электродвигатель и червячная передача; 9 - приводные рейки; 10 - направляющие
ролики; 14 - стойка; 15 - основание; 18 - потенциометр; 19 - схват; 20 -
балансирное устройство; 23 - шарнирный узел кисти.
2.
Приближённая нагрузочная диаграмма
2.1 Определение сил и моментов, действующих в электроприводе
Основные допущения, принятые при расчете [2]:
уравновешивающие силы не учитываем;
рассчитываем силы и моменты для худшего случая, когда звенья
расположены по одной прямой;
трение в элементах передач учитываем через КПД передачи;
сечение элементов принимаем постоянными с расположением
максимума посередине.
Расчет статических нагрузок для поворота колонны манипулятора
(рис 2.1) производится следующим образом:
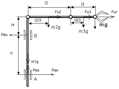
Рисунок 2.1 Механизм поворота колонны
Основной статический момент будет создаваться на опорах А и В:
Мст=µ (R
+R
+R
) R
, (2.1)
где R
- средний радиус подшипников;
R
,R
,R
-сила реакции на опорах А и В;
µ - коэффициент
трения, µ=0.05…0.08, принимаем µ=0.07.
Тогда R
l
-m
g (l
/2) - m
g (l
+l
/2)
- m
g (l
+l
) - F
(l
+l
) =0 (2.2)
где l
-расстояние между опорами А и В;
l
, l
-длины передней и верхней рук соответственно;
l
-расстояние
от опоры В до передней руки, м;
m
, m
, m
-массы передней и верхней рук, груза соответственно;
F
-сила инерции, которая определяется по формуле:
F
=ω2 ( (m2l
/2+m3 (l
+l
/2) +mг (l
+l
)) =37.58Н (2.3)
где ω-угловая
скорость, рад/с;
тогда R
=398.644 Н,
R
-m
g-m
g-m
g-m
g=0, (2.4)
R
=1450.4 Н,
RAX=R
-F
=361.06Н (2.5)
Наружный, внутренний и средний диаметры колонны найдем из системы
уравнений:
(2.6)
где ρст=7900 (кг/м 3) плотность стали;
l1-длина
колонны, м;
D=0.0334 м, d=0.02672 м.
На основании полученных данных выбираем шариковый упорный
радиальный подшипник 8207 ГОСТ 7872-89 и находим его средний радиус:
Rп=31
мм=0.031 м. [9]
Расчет момента инерции поворота колонны:
кг/м2 (2.7)
Подставим полученные данные в формулу (2.1) и получим:
Динамический момент механизма рассчитываем по формуле:
(2.8)
Суммарный момент:
(2.9)
2.2 Определение составляющих времени нагрузочной диаграммы
Нагрузочная диаграмма характеризует зависимость вращательного
момента, тока или мощности от времени, принятым за цикл работы.
Для того, чтобы построить нагрузочную диаграмму, рассмотрим,
какие движения выполняет колонна в ходе технологического процесса:
поворот на 1500 от лотка с заготовками к станку;
поворот на 1500 от станка к лотку с обработанными
деталями;
поворот на 3000 от лотка с деталями к лотку с
заготовками;
Зная перемещения колонны за цикл работы, рассчитаем составляющие
времени нагрузочной диаграммы.
Примем линейный закон изменения угловой скорости при разгоне
и торможении механизма, тогда время разгона и торможения находим [2]:
(2.10)
где
- максимальная скорость манипулятора
робота
Угол поворота звена за время пуска и торможения определяется
выражением:
рад (2.11)
Для удобства дальнейших расчетов переведем заданный угол поворота
из градусов в радианы:
Рабочее время полного поворота колонны вычисляем по формуле:
(2.12)
Время цикла с учетом ПВ (продолжительность включения) будет
определятся по формуле:
(2.13)
Суммарное время паузы определятся по формуле:
(2.14)
2.3 Построение нагрузочной диаграммы и ее анализ
Исходя из рассчитанных значений в пункте 2.2, построим
нагрузочную диаграмму механизма, которая представлена на рисунке 2.2.
Глядя на приближённую нагрузочную диаграмму (рис 2.2) видно,
что технологический процесс прост и около половины времени двигатель будет
простаивать. Это даёт нам возможность выбрать двигатель, насчитанный на более
низкую мощность, т.к. во время пауз двигатель будет охлаждаться. Но с другой
стороны при повторно-кратковременном режиме с частыми пусками через двигатель
будет течь высокий ток, что способствует его нагреву. Однако, при применении
для управления двигателями частотных преобразователей, последние могут
поддерживать в двигателе низкий пусковой ток. А также момент сопротивления при
пуске почти не отличается от момента в установившемся режиме, что дает нам
возможность использовать асинхронный двигатель с короткозамкнутым ротором.
Рис 2.2 Приближенная нагрузочная диаграмма колонны за цикл
работы
Mст, Mдин, Mсум - статический, динамический, суммарный моменты.
Нагрузочная диаграмма служит основой для предварительного
выбора ЭД. [2]
По нагрузочной диаграмме механизма находим
среднеквадратический суммарный момент:
Мср. сум. =
= 26.8664 Н*м (2.15)
где ti-продолжительность интервалов диаграммы;
Mi-значение суммарного момента на i-ом интервале диаграммы.
Мощность рассчитывается с учётом требований технологического
процесса. Электропривод должен обеспечивать нормальную работу при воздействии
на него статических и динамических нагрузок.
Определяем номинальную мощность:
Рном=
=26.8664 ВТ
При выборе двигателя руководствуемся тем, что привод работает в
режиме S3 (повторно-кратковременный), и условием
Рдв> Рном =26.8664 Вт.
3.
Выбор и проверка электродвигателя
3.1 Предварительный выбор двигателя
Нагрузочная диаграмма служит основой для предварительного
выбора двигателя. При выборе двигателя руководствуемся тем, что привод работает
в режиме S3
(повторно-кратковременный, т. к tц<10 мин), и условием
Рдв> Рном =26.8664 Вт
Правильно выбранный ЭД должен обеспечить выполнение технологического
процесса при наименьших затратах энергии, установленной мощности и
эксплутационных затратах. опустим, при установке ЭД завышенной мощности
увеличиваются первоначальные затраты, усложняется конструкция, с другой стороны
выбор ЭД недо - статочной мощности приводит к потерям мощности, нагреву ЭД.
Основным критерием выбора мощности ЭД является его нагрев и
ограничения по перегрузочной способности. Допустимая перегрузка определяется
максимальным или критическим моментом. Второй вид ограничений, характерный для
асинхронных короткозамкнутых ЭД являются ограничения по пусковому моменту, т.е.
при включении ЭД пусковой момент должен превышать момент нагрузки, иначе пуск
осуществить невозможно.
Выбор ЭД по мощности необходимо осуществлять в несколько
этапов:
предварительный выбор ЭД;
выбранный ЭД необходимо проверить по нагреву, перегрузочной
способности и условиям пуска;
в случае неудовлетворительного результата по какому-либо из
параметров выбирают новый ЭД и повторяют расчет. [6]
Выбираем трёхфазный асинхронный двигатель серии 4А на 1500
об/мин A50A4У3 с короткозамкнутым
ротором со следующими техническими данными, приведенными в таблице 3.1: [5]
Таблица 3.1 Основные характеристики двигателя
|
Номинальная
мощность Pном, кВт
|
0.06
|
|
Номинальное
скольжение sном, %
|
8.1
|
|
Синхронная
частота вращения n0, об/мин
|
1500
|
|
Номинальный ток
Iном, А
|
0.31
|
|
КПД, %
|
50
|
|
Cosφном 0.6
|
|
|
Момент инерции
двигателя Jдв, кг*м2
|
0.000029
|
|
λmax=Mmax/Mном
|
2.2
|
|
λmin=Mmin/Mном
|
1.2
|
|
λп=Мп/Mном
|
2
|
|
λi=Iп/Iном
|
5
|
|
Номинальное
напряжение (фазное) uф ном, В
|
220
|
|
Масса m, кг
|
3.3
|
|
Габ разм
|
Длина, мм
|
176
|
|
Диаметр, мм
|
112
|
Некоторые, необходимые для дальнейших расчетов,
характеристики не даны в справочнике, поэтому рассчитаем их:
об/мин, (3.1)
Н*м. (3.2)
Выбор ЭД произведен - 3-хфазный асинхронный ЭД с короткозамкнутым
ротором 4АА50А4У3 с исполнением по степени защиты IP44 и способом охлаждения ICF0141,
климатическим исполнением У3,регламентированным ГОСТом 15150-69, т.е. данный ЭД
предназначен для эксплуатации в районах с умеренным климатом.
Степень защиты определяет защиту обслуживающего персонала от
соприкосновения с токоведущими и вращающимися частями ЭД и защиту от попадания
внутрь машины воды или другой жидкости или твердых тел. Чаще всего в
промышленных роботах применяются закрытые ЭД, которые изолированы от внешних
посторонних предметов, так и от капель воды или другой жидкости.
Конструктивными решениями для данного ЭД являются станина с
продольными радиальными ребрами и наружный обдув, установленный на валу
реверсивным центробежным вентилятором, защищенным кожухом, который служит
одновременно для направления воздушного потока.
Рисунок 3.1 Асинхронный двигатель серии 4А с короткозамкнутым
ротором
3.2 Расчет динамических параметров привода и уточненная нагрузочная
диаграмма
Для того чтобы произвести проверку выбранного двигателя
необходимо построить нагрузочную диаграмму привода, т.е. зависимость
электромагнитного момента от времени
(
). [2]
Это построение сводится к решению уравнения суммарного момент
, (3.3)
где
статический момент механизма, приложенный
к валу двигателя,
- динамический момент на валу двигателя,
J - суммарный момент инерции.
(3.4)
где
- передаточное число редуктора,
ηм=0.9 КПД редуктора дано в исходных данных к курсовому проекту;
(3.5)
где
-номинальная угловая скорости
электродвигателя
об/мин (3.6)
где
- номинальная частота вращения
электродвигателя;
Тогда получаем передаточное число:
В результате:
H*м
(3.7)
где
коэффициент, учитывающий момент инерции
движущихся частей передаточного механизма (
), принимаем δ=1.2.
,
где
допустимое угловое ускорения:
рад/c2 (3.8)
Тогда:
H*м
Момент, развиваемый при пуске ЭД:
Н*м (3.9)
Момент, развиваемый при торможении ЭД:
Н*м (3.10)
Рассчитаем время, необходимое для разгона или остановки двигателя:
(3.11)
Исходя из рассчитанных моментов построим нагрузочную диаграмму
электропривода, которая представлена на рисунке 3.2.
Рисунок 3.2 Нагрузочная диаграмма двигателя за цикл работы
3.3 Проверка выбранного двигателя
Упрощенная нагрузочная диаграмма ЭП используется для
предварительной проверки ЭД по нагреву и перегрузочной способности. Для этого
сначала определим режим работы ЭП - S3, т.к. tц≤ 10 мин, т.е. данный ЭП работает в
повторно-кратковременном режиме.
) Для проверки двигателя по нагреву используется несколько
методов:
метод средних потерь
методы эквивалентных величин (потерь мощности, тока, момента
и мощности на валу ЭД)
Наиболее универсальным является метод средних потерь, т.к. в
методах эквивалентных величин вводятся дополнительные ограничения, например
метод эквивалентного момента применяется только для двигателей, работающих с
постоянным магнитным потоком. Поэтому воспользуемся методом средних потерь, его
сущность: ЭД выбран правильно, если средние потери двигателя
, при этом средняя температура перегрева
не должна превышать допустимую
. [2]
Номинальные потери вычисляются по формуле:
кВт (3.12)
Средние потери за цикл:
, (3.13)
где
=0.7 и
- коэффициенты ухудшения охлаждения при отключении двигателя и
при пуске и при торможении соответственно;
и
- потери энергии при пуске и торможении
соответственно;
, (3.14)
где
- синхронная угловая скорость;
рад/с (3.15)
Подставляя полученные значения в формулу (3.14), получим:
(Дж)
Найдем потери мощности при установившемся движении:
, (3.16)
где
-КПД при частичных нагрузках. Определяется
по графику зависимости
, представленный на рис 7.8 [6, стр.278]
Значение
определяется по формуле:
(3.17)
По полученному значению по графику определяем, что
=0.45
Тогда по формуле (3.16) находим:
Вт
Полученные значения подставляем в формулу (3.13), в результате:
,
где
с
Вт
.9244Вт < 60 Вт
Из этого неравенства следует, что двигатель прошел проверку по
нагреву, т.к. его средние потери за цикл гораздо меньше номинальных потерь. Это
можно объяснить тем, что мощность выбранного двигателя превышает расчетную.
Данный метод является приближенным, поскольку проверка ЭД по
среднему значению превышения температуры не означает, что максимальное
превышение температуры будет меньше допустимого.
) Проверка на перегрузочную способность.
Должно выполняться условие [2]:
,
где
-допустимый коэффициент механической
перегрузки,
=2.2 [5];
-максимальный момент, который определяет перегрузочную способность
асинхронного двигателя,
=
=0.6393 Н*м;
Неравенство верное, это означает, что двигатель прошел проверку по
перегрузочной способности.
4.
Определение основных характеристик привода
4.1 Построение и анализ механических характеристик
При рассмотрении работы ЭД, приводящего в действие
производственный механизм, необходимо прежде всего выявить соответствие
механических характеристик ЭД характеристике производственного механизма.
Поэтому для правильного проектирования и экономической эксплуатации ЭП
необходимо изучить эти характеристики.
Зависимость между приведенным к валу двигателя скоростью и
моментом сопротивления механизма
называют механической характеристикой производственного
механизма, где Mc-момент сопротивления при угловой скорости
ω.
Механические характеристики дают основные сведения об
электромеханических свойствах приводов при изменении нагрузки в статических
режимах работы. Чем больше значение имеет модуль жесткости, тем точнее
поддерживается скорость ЭП при изменениях нагрузки и регулировании скорости.
Жесткость механической характеристики ЭП - отношение разности
электромагнитных моментов, развиваемых электродвигательным устройством, к
соответствующей разности угловых скоростей ЭП [7]:
(4.1)
Статизм привода или статическая ошибка - отноcительное снижение скорости ЭП под нагрузкой. Чем выше
жесткость механической характеристики, тем меньше статизм привода. Если в
процессе регулирования происходит уменьшение скорости холостого хода, то
статизм ЭП увеличивается. Это обстоятельство является органическим недостатком
регулируемого ЭП, ограничивающим диапазон регулирования.
Увеличение статической ошибки приводит к тому, что небольшие
колебания момента сил сопротивления приводит к существенным колебаниям
скорости, недопустимым с технологической точки зрения. Таким образом статизм
механической характеристики обратно пропорционален модулю ее жесткости [8]:
(4.2)
Для вывода уравнения механической характеристики АД можно
воспользоваться упрощенной схемой замещения (Г-образной), приведенной на
рис.4.1, где приняты следующие обозначения:
-первичное фазное напряжение;
- приведенный ток ротора;
- фазный ток статора;
- первичное и вторичное приведенные реактивные сопротивления
рассеяния;
- активное и реактивное сопротивление контура намагничивания;
- первичное и вторичное приведенные активные сопротивления;
Рисунок 4.1 Упрощенная схема замещения асинхронного двигателя [7]
Т.к. данная схема замещения (рис 4.1) верна только для двигателей
с достаточно большой мощностью, то построим приближенную механическую
характеристику по нескольким основным точкам: [6]
) Точка идеального холостого хода
М=0, s=0, n=n0=1500 об/мин, где n0-синхронная частота вращения
) Точка номинальной нагрузки
М=Мн=0.4158 Н*м, s=sн=8.1%, n=nном=1378.5 об/мин
3) Критическая точка
М=Мкр, s=sкр,n=nкр, где
Н*м
(4.3)
, (4.4)
где
,
таким образом по формуле (4.4) получим:
или 54%
Подставив полученное значение в формулу (4.3), получим:
об\мин
4) Пусковая точка
Н*м, s=1, n=0 об\мин
В расчетах использованы коэффициенты
,
,
, которые взяты из [5] для данного
асинхронного двигателя.
Для построения графика воспользуемся программой Excel. Для получения достоверной механической характеристики в
диапазоне
воспользуемся формулой Клосса, а в
диапазоне 1>
формулой Чекунова. [2]
Формула Клосса:
(4.5)
Формула Чекунова:
(4.6)
полное
сопротивление короткого замыкания и номинальный ток
Ом (4.7)
приведенное
активное сопротивление фазы ротора
(4.8)
где
(4.9)
(4.10)
активное
сопротивление фазы статора
(4.11)
где
(коэффициент мощности при пуске),
- отношение потерь в обмотке статора при номинальной нагрузке к
полным номинальным потерям
=0.3
(4.12)
Н*м (4.13)
(4.14)
Таким образом, подставляя все полученные данные в формулы (4.5) и
(4.6) получим:
1)
)
Таблица 4.1 Полученные значения исследуемых величин
|
s
|
M
|
n
|
w
|
|
0,000
|
0,000
|
1500
|
157
|
|
0,030
|
0,135
|
1455
|
152,29
|
|
0,060
|
0,258
|
1410
|
147,58
|
|
0,090
|
0,367
|
1365
|
142,87
|
|
0,120
|
1320
|
138,16
|
|
0,150
|
0,547
|
1275
|
133,45
|
|
0,180
|
0,619
|
1230
|
128,74
|
|
0,210
|
0,680
|
1185
|
124,03
|
|
0,240
|
0,732
|
1140
|
119,32
|
|
0,270
|
0,776
|
1095
|
114,61
|
|
0,300
|
0,811
|
1050
|
109,9
|
|
0,330
|
0,840
|
1005
|
105, 19
|
|
0,360
|
0,863
|
960
|
100,48
|
|
0,390
|
0,881
|
915
|
95,77
|
|
0,420
|
0,895
|
870
|
91,06
|
|
0,450
|
0,904
|
825
|
86,35
|
|
0,480
|
0,910
|
780
|
81,64
|
|
0,510
|
0,914
|
735
|
76,93
|
|
0,540
|
0,915
|
690
|
72,22
|
|
0,570
|
0,917
|
645
|
67,51
|
|
0,600
|
0,917
|
600
|
62,8
|
|
0,630
|
0,916
|
555
|
58,09
|
|
0,660
|
0,913
|
510
|
53,38
|
|
0,690
|
0,908
|
465
|
48,67
|
|
0,720
|
0,903
|
420
|
43,96
|
|
0,750
|
0,896
|
375
|
39,25
|
|
0,780
|
0,890
|
330
|
34,54
|
|
0,810
|
0,882
|
285
|
29,83
|
|
0,840
|
0,875
|
240
|
25,12
|
|
0,870
|
0,867
|
195
|
20,41
|
|
0,900
|
0,859
|
150
|
15,7
|
|
0,930
|
0,851
|
105
|
10,99
|
|
0,960
|
0,842
|
60
|
6,28
|
|
0,990
|
0,834
|
15
|
1,57
|
Рисунок 4.2 Естественная механическая характеристика
Учитывая, что
(4.15)
(4.16)
Рисунок 4.3 Зависимость w=f (M)
Полученные характеристики, состоят из двух частей:
нерабочая часть характеристики при S< SK, соответствующей пусковому режиму.
рабочей части характеристики при SK<S<1, на которой двигатель работает в установившемся режиме.
Определим жесткость механической характеристики и статизм привода
по формулам (4.1) и (4.2), а также с учетом полученных графиков (рис.4.2 и
рис.4.3):
- жесткость механической характеристики на линейном участке
Для привода допустимым является статизм порядка 2%. Таким образом,
приходим к выводу, что при данном выбранном двигателе статизм на линейном
участке превышает норму. Следовательно, необходимо использовать систему
регулирования, содержащую ряд обратных связей, позволяющих достичь нужной
точности позиционирования и поддержания нужной скорости при различной нагрузке
на валу двигателя.
4.2 Расчет пониженной скорости для точной остановки и анализ
результатов
Задача расчета состоит в ограничении отклонений пути
торможения от его среднего значения допустимыми пределами. [2]
Под точностью остановки электропривода понимают точность останова
рабочего органа механизма, приводимого электроприводом. Точность остановки
оценивают величиной максимально возможного смещения (линейного или углового)
остановленного рабочего органа от заданной (расчетной) точки (или положения)
остановки.
Команда на торможение ЭП обычно подается в схему автоматически, за
время от момента подачи команды на торможение до полной остановки ЭП рабочий
отган проходит расстояние sт. Угловое перемещение двигателя φт, соответствующее расстоянию sт, в общем
случае складывается из составляющих
.
-путь, проходимый приводом за абсолютное время срабатывания
аппаратуры;
,
где
-угловая скорость ЭП;
-время срабатывания электрических аппаратов
-путь, проходимый за время работы ЭД на тормозной характеристике;
- путь, проходимый за время действия механического тормоза, эта
составляющая обычно мала по сравнению с
и
, поэтому в большинстве случаев ее можно
не рассчитывать.
Т.к. во время торможения скорость ЭП снижается линейно от ωном до 0, то среднее значение скорости при торможении
.
Мдин=const,
-время торможения находится из уравнения
движения:
, (4.17)
, (4.18)
(4.19)
В связи с возможным разбросом действительных значений
,
,
и Мдин от их средне-расчетных
значений путь
может колебаться от
до
. Точность остановки ЭП оценивают величиной:
, т.е. расчетную точку остановки
располагают в середине зоны точности. В задании на проектирование эта величина
указана как допустимая неточность позиционирования
,
Действительные значения составляющих
представляются через их средние значения и
отклонения от этих средних значений:
,
,
,
.
С учетом выше-записанных выражений запишем уравнение:
(4.20)
Из уравнения (4.20) найдем среднюю угловую скорость остановки ЭП,
т.е. такую скорость, что от нее до полной остановки ЭП вал ЭД повернется на
определенный заданный угол с допустимой ошибкой, которая оказывает наибольшее
влияние на неточность остановки. Для расчета примем:
tср=0,2.0.3с,
принимаем
tср =0,2 с,
=0,2.0,5с, принимаем
=0,35,
=0,1.1,15, принимаем
=0,1.
При этом надо иметь ввиду, что чем меньше
, тем жестче характеристика, которую
трудно бывает получить; в тоже время выбор
>0.5 нежелателен из-за слишком мягкой характеристики.
Средние значения величин находим по формулам:
(4.21)
где
-коэффициент, учитывающий момент инерции
движущихся частей передаточного механизма
=1.1…1.3,
=1.24
-момент инерции вращающихся частей.
(4.22)
Перепад моментов инерции:
(4.23)
Среднее значение момента инерции:
(4.24)
Аналогично для динамического момента:
; (4.25)
; (4.26)
; (4.27)
. (4.28)
Подставляя расчетные данные в уравнение (4.20) и решая квадратное
уравнение относительно ωср, находим:
=0.00785 рад\с
Определим среднюю угловую скорость для точной остановки вала ЭД:
(4.29)
Рассчитав
, находим отклонение угловой скорости:
Диапазон регулирования скорости в схеме привода определится по
формуле:
(4.30)
В заключении можно сделать вывод о том, что можно обеспечить
требуемую точность остановки рабочего органа механизма в заданной позиции при
правильном выборе средней остановочной скорости
и обеспечения высокой точности стабилизации этой скорости.
Требование автоматического точного останова ЭП определяет необходимый диапазон
регулирования скорости ЭП при заданных пределах изменения нагрузки и других
возмущающих факторах.
4.3 Расчет и анализ переходных процессов
Переходным или динамическим режимом электропривода называется
режим работы при переходе из одного установившегося состояния привода к
другому, происходящему во время пуска, торможения, реверсирования и резкого
приложения нагрузки на валу. Эти режимы характеризуются изменениями ЭДС, угловой
скорости, момента и тока.
Изучение переходных режимов электропривода имеет большое
практическое значение. Результаты их расчетов позволяют правильно определить
мощность электродвигателей и аппаратуры, рассчитать систему управления, оценить влияние работы электропривода
на производительность и качество работы производственных механизмов.
В переходном режиме электропривода одновременно и
взаимосвязано между собой действуют переходные механические, электромагнитные и
тепловые процессы. При быстро протекающих процессах изменение теплового
состояния электропривода в большинстве случаев не оказывает существенного
влияния на другие процессы, поэтому в дальнейшем при изучении переходных
режимов в электроприводах изменение теплового состояния двигателя не учитывается.
В этом случае имеют в виду протекание только механических и электромагнитных
переходных процессов, в совокупности называемых электромеханическим переходным
процессом. [7]
Такие оценки помогают в условиях наладки и эксплуатации
оперативно анализировать работу ЭП, а при проектировании и исследовании ЭП
контролировать и правильно понимать физическую суть математических результатов,
выдаваемых ЭВМ. [1]
В проекте переходные процессы рассчитывают за цикл
нагрузочной диаграммы. Методика расчета зависит от систем ЭП, вида механической
характеристики ЭД, характера статического момента, учета постоянных времени.
Результатом расчета переходных процессов является зависимости
угловой скорости и момента от времени, т.е.
Характер переходного процесса в общем случае зависит от характера
управляющего воздействия и от инерционности ЭП (электромеханическая Тм
и электромагнитных Тэ
постоянных времени).
Примем, что механическая характеристика линейна при плавном
изменении управляющего воздействия и
на отдельных интервалах технологического процесса. При плавном
изменении управляющего воздействия можно принять Тэ=0 и рассчитывать
только механический переходной процесс. Данный подход к расчету переходных
процессов применима для ЭП переменного тока ПЧ-АД (преобразователь
частоты-ассинхронный двигатель).
Рассмотрим случай, когда управляющее воздействие изменяется по
линейному закону, а пуск и торможение осуществляется при активном статическом
моменте.
Моменты приложенные к механической системе со стороны двигателя,
называется движущими, со стороны нагрузки - момента сопротивления Моменты
сопротивления разделяются на активное и реактивное. Активные - обусловлены
воздействием на электромеханическую систему привода внешних сил. Эти моменты не
зависят т направления движения и, как правило, не зависят от скорости.
Реактивные моменты возникают как реакция на движение исполнительного органа
привода. Они обусловлены силами трения и резания. Реактивные моменты всегда
действуют противоположно движению. При изменении направления движения
реактивные моменты изменяют знак [2].
) Пуск при активном статическом моменте.
w0нач = 0
заданная скорость при t=0,wнач = 0
начальная скорость двигателя;
а) Уравнения для скорости и момента двигателя на интервале t0>t>0 имеют вид:
(4.30)
(4.31)
б) На интервале t0+3TM>t>t0 имеем:
, (4.32),
(4.33)
Найдем начальные условия для расчета переходных процессов:
электромеханическая постоянная времени:
, (4.34)
где
-суммарный, приведенный к валу двигателя,
момент инерции ЭП;
- жесткость механической характеристики, которая была определена
в пункте 4.1;
с
время пуска:
с (4.35)
значение углового ускорения:
(4.36)
статическое падение скорости двигателя:
рад/c (4.37)
2) Торможение при активном статическом моменте.
а) на интервале времени t0>t>0:
(4.38)
(4.39)
б) на интервале t0+3TM>t>t0
После окончания линейного изменения скорости, то есть
(4.40)
(4.41)
Задаем шаг времени и строим графики переходных процессов с помощью
программы Excel, пользуясь формулами (4.30) - (4.41) для
расчетов.
По значениям, взятым из таблицы 4.2, строим графики зависимостей
и
при пуске, представленные на рисунках (4.4) - (4.5).
Рисунок 4.4 Переходной процесс угловой скорости при пуске
Рисунок 4.5 Переходной процесс момента при пуске
Таблица 4.2 Результаты расчетов переходных процессов при пуске
|
t
|
w
|
M
|
|
0
|
0
|
0,03192
|
|
0,015
|
0,915613
|
0, 204792
|
|
0,03
|
3,892294
|
0,31452
|
|
0,045
|
8,177211
|
0,384169
|
|
0,06
|
13,29251
|
0,428377
|
|
0,075
|
18,93489
|
0,456438
|
|
0,09
|
24,91182
|
0,474249
|
|
0,105
|
31,1011
|
0,485554
|
|
0,12
|
37,42517
|
0,49273
|
|
0,135
|
43,8348
|
0,497285
|
|
0,15
|
50,29873
|
0,500176
|
|
0,165
|
56,79713
|
0,502011
|
|
0,18
|
63,31741
|
0,503176
|
|
0, 195
|
69,85158
|
0,503915
|
|
0,21
|
76,39456
|
0,504384
|
|
0,225
|
82,94314
|
0,504682
|
|
0,24
|
89,49526
|
0,504871
|
|
0,255
|
96,04965
|
0,504991
|
|
0,27
|
102,6055
|
0,505068
|
|
0,285
|
109,1622
|
0,505116
|
|
0,3
|
115,7195
|
0,505147
|
|
0,315
|
122,2771
|
0,505166
|
|
0,33
|
128,835
|
0,505179
|
|
0,345
|
128,835
|
0,033014
|
|
0,36
|
128,835
|
0,033009
|
|
0,375
|
128,835
|
0,033005
|
|
0,39
|
128,835
|
0,033003
|
|
0,405
|
128,835
|
0,033002
|
|
0,42
|
128,835
|
0,033001
|
Таблица 4.3 Результаты расчетов переходных процессов при
торможении
|
t
|
w
|
M
|
|
0
|
127,815
|
0,033
|
|
0,015
|
126,5267
|
-0,13948
|
|
0,03
|
123,3135
|
-0,24896
|
|
0,045
|
118,8784
|
-0,31844
|
|
0,06
|
113,6678
|
-0,36255
|
|
0,075
|
107,965
|
-0,39055
|
|
0,09
|
101,9496
|
-0,40832
|
|
0,105
|
95,73599
|
-0,4196
|
|
0,12
|
89,39645
|
-0,42676
|
|
0,135
|
82,97701
|
|
0,15
|
76,50684
|
-0,43419
|
|
0,165
|
70,00448
|
-0,43602
|
|
0,18
|
63,48169
|
-0,43718
|
|
0, 195
|
56,94593
|
-0,43792
|
|
0,21
|
50,40194
|
-0,43839
|
|
0,225
|
43,85272
|
-0,43868
|
|
0,24
|
37,30018
|
-0,43887
|
|
0,255
|
30,74554
|
-0,43899
|
|
0,27
|
24,18956
|
-0,43907
|
|
0,285
|
17,63274
|
-0,43912
|
|
0,3
|
11,07537
|
-0,43915
|
|
0,315
|
4,517668
|
-0,43917
|
|
0,33
|
-2,04026
|
-0,43918
|
|
0,345
|
-1,01958
|
0,505186
|
|
0,36
|
-1,01974
|
0,505191
|
|
0,375
|
-1,01983
|
0,505195
|
|
0,39
|
-1,01989
|
0,505197
|
|
0,405
|
-1,01993
|
0,505198
|
|
0,42
|
-1,01996
|
0,505199
|
По значениям, взятым из таблицы 4.3, строим графики зависимостей
и
при торможении, представленные на рисунках (4.6) - (4.7).
Рисунок 4.6 Переходной процесс угловой скорости при торможении
Рисунок 4.7 Переходной процесс момента при торможении
Анализируя электромеханические переходные процессы ЭП при плавном
управляющем воздействии, можно прийти к выводу, что электромагнитные процессы
оказывают заметное влияние на общий характер переходного процесса ЭП, причем
степень этого влияния зависит от вида управляющего воздействия и, естественно,
от параметров ЭП. [13]
5.
Выбор комплектного ЭП
5.1 Обзор современных электроприводов и их анализ
Современный электропривод представляет собой конструктивное
единство электромеханического преобразователя энергии (двигателя), силового
преобразователя и устройства управления. Он обеспечивает преобразование
электрической энергии в механическую в соответствии с алгоритмом работы
технологической установки. Сфера применения электрического привода в
промышленности, на транспорте и в быту постоянно расширяется. Следовательно,
эффективность энергосберегающих технологий в значительной мере определяется
эффективностью электропривода. Разработка высокопроизводительных, компактных и
экономичных систем привода является приоритетным направлением развития
современной техники.
Последнее десятилетие ознаменовалось значительными успехами силовой электроники было
освоено промышленное производство биполярных транзисторов с изолированным
затвором (IGBT), силовых модулей на их основе (стойки и целые инверторы), а
также силовых интеллектуальных модулей (IPM) с встроенными средствами защиты
ключей и интерфейсами для непосредственного подключения к микропроцессорным
системам управления. Рост степени интеграции в микропроцессорной технике и
переход от микропроцессоров к микроконтроллерам с встроенным набором
специализированных периферийных устройств, сделали необратимой тенденцию
массовой замены аналоговых систем управления приводами на системы прямого
цифрового управления.
Под прямым цифровым управлением понимается не только
непосредственное управление от микроконтроллера каждым ключем силового
преобразователя (инвертора и управляемого выпрямителя, если он есть), но и
обеспечение возможности прямого ввода в микроконтроллер сигналов различных
обратных связей (независимо от типа сигнала: дискретный, аналоговый или
импульсный) с последующей программно-аппаратной обработкой внутри
микроконтроллера. Таким образом, система прямого цифрового управления
ориентирована на отказ от значительного числа дополнительных интерфейсных плат
и создание одноплатных контроллеров управления приводами. В пределе встроенная
система управления проектируется как однокристальная и вместе с силовым
преобразователем и исполнительным двигателем конструктивно интегрируется в один
целый модуль движения.
Тенденции развития электропривода:
) неуклонно снижается доля систем привода с двигателями
постоянного тока и увеличивается доля систем привода с двигателями переменного
тока. Это связано с низкой надежностью механического коллектора и более высокой
стоимостью коллекторных двигателей постоянного тока по сравнению с двигателями
переменного тока.
) преимущественное применение в настоящее время имеют привода
с короткозамкнутыми асинхронными двигателями. Большинство таких приводов (около
80%) нерегулируемые. В связи с резким удешевлением статических преобразователей
частоты доля частотно-регулируемых асинхронных электроприводов быстро увеличивается.
) естественной альтернативой коллекторным приводам
постоянного тока являются привода с вентильными, т.е. электронно-коммутируемыми
двигателями. В качестве исполнительных бесколлекторных двигателей постоянного
тока (БДПТ) преимущественное применение получили синхронные двигатели с
возбуждением от постоянных магнитов или с электромагнитным возбуждением (для
больших мощностей). Этот тип привода наиболее перспективен для станкостроения и
робототехники, однако, является самым дорогостоящим. Некоторого снижения
стоимости можно добиться при использовании синхронного реактивного двигателя в
качестве исполнительного.
) привод на основе вентильно-индукторного двигателя (ВИД).
Двигатели этого типа просты в изготовлении, технологичны и дешевы. Они имеют
пассивный ферромагнитный ротор без каких-либо обмоток или магнитов. Вместе с
тем, высокие потребительские свойства привода могут быть обеспечены только при
применении мощной микропроцессорной системы управления в сочетании с
современной силовой электроникой. Усилия многих разработчиков в мире
сконцентрированы в этой области. Для типовых применений перспективны
индукторные двигатели с самовозбуждением, а для тяговых приводов индукторные
двигатели с независимым возбуждением со стороны статора. В последнем случае появляется
возможность двухзонного регулирования скорости по аналогии с обычными приводами
постоянного тока.
Рассмотрим на какие классы можно разбить приводы по видам
регулирования:
нерегулируемыми называются приводы, которые приводят в
движение рабочие механизмы с одной и той же скоростью (т.е. обеспечивают
простейшие операции: пуск, остановка, иногда реверсирование). При этом в
установившемся режиме частота вращения определяется естественной механической
характеристикой и моментом статической нагрузки.
регулируемыми называются электроприводы, в которых
частота вращения двигателя способна изменяться под воздействием сигнала
управления.
следящими называются приводы, способные обеспечить
автоматическое преобразование любого не заданного заранее входного сигнала в движение
производственного механизма. При этом входным сигналом может быть угол поворота
какого-либо вала, в результате чего выходной вал производственного механизма
должен повторить его движение.
программно-управляемыми приводами называют
приводы, у которых линейное или вращательное перемещение осуществляется по
заданной программе.
Программа представляет собой последовательность траекторий
(или законов) движения производственного механизма, воспроизводимых приводом.
адаптивными называют приводы, способные осуществлять
автоматический выбор режима работы двигателя посредством изменения структуры и
параметров системы управления. Адаптация позволяет повысить производительность
и точность механообработки.
Существует также классификация электропривода по характеру
взаимодействия между электродвигателями и механической системой станка и ПР.
групповой электропривод имеет один ЭД, который с помощью
механических передач обеспечивает движение рабочих элементов станка или робота.
Станки с групповым электроприводом обладают сложной кинематической схемой.
при индивидуальном электроприводе каждое автономное
рабочее или вспомогательное движение станка осуществляется отдельным ЭД.
взаимосвязанный электропривод исполнительных элементов
станка или ПР осуществляется несколькими ЭД, движение которых должно быть
связано между собой (движение схвата по заданной траектории и т.д.).
Требования к электроприводам ПР.
Основные технические и эксплуатационные требования к
электроприводам ПР в значительной степени соответствуют, принятым за основу для
следящих приводов металлорежущих станков с ЧПУ.
Однако существует ряд дополнительных специфических
особенностей, характерных только для приводов ПР.
Важнейшим из них является требование к минимизации
массогабаритных показателей, т.е. повышение удельной мощности, которая должна
достигать 150 Вт/кг во всём диапазоне мощностей (0-7500Вт). Кроме того,
приведённые моменты инерции подвижных элементов изменяются в более широком
диапазоне, чем аналогичные параметры в металлорежущих станках. Требование по
надёжной фиксации в случае аварийного отключения питающего напряжения (введение
в состав привода электромагнитного тормоза).
Для лучшего понимания принципов, лежащих в основе электронных
систем регулирования скорости вращения, напомним устройство асинхронного
электродвигателя с короткозамкнутым ротором - наиболее массового, повсеместно
применяемого типа электродвигателя. Достаточно сказать, что суммарный объем
электроэнергии, используемой для приведения в движение всех приводов с
асинхронными двигателями, составляет более 50% всей потребляемой
электроэнергии. Такой двигатель имеет неподвижный статор с обмотками,
образующими полюса, и подвижный короткозамкнутый ротор. При приложении к
статорным обмоткам электродвигателя трехфазного напряжения статорными токами,
сдвинутыми относительно друг друга на 120 градусов, формируется вращающееся
магнитное поле статора. Это поле индуцирует в роторе токи, порождающие
собственное поле ротора, которое вращается синхронно с полем статора и образует
общий вращающий поток двигателя. В результате взаимодействия токов ротора с
магнитным потоком возникают действующие на проводники ротора механические силы
и вращающий электромагнитный момент. При этом для создания момента необходимо,
чтобы статорное поле вращалось со скоростью выше частоты вращения ротора. Эта
разница в скорости вращения называется скольжением. Скорость ротора
асинхронного электродвигателя можно регулировать изменением частоты питающего
напряжения, амплитуды питающего напряжения, числа пар полюсов статора. Для изменения
скорости вращения асинхронного электродвигателя наиболее широко используются
устройства, позволяющие менять частоту подводимого напряжения -
полупроводниковые преобразователи частоты. В простейшем случае частотного
регулирования управление скоростью вращения осуществляется путем изменения
частоты и амплитуды напряжения трехфазного источника питания.
Как известно, регулирование скорости асинхронного двигателя
изменением частоты подводимого к статору напряжения возможно как в сторону
снижения скорости, так и в сторону увеличения скорости выше номинальной.
При регулировании частоты вниз от номинальной можно выбрать
такой закон частотного управления (соотношение между частотой и амплитудой
питающего напряжения, подводимого к статору асинхронного двигателя), что
магнитный поток машины будет поддерживаться неизменным.
В этом случае максимальный момент двигателя сохраняется
неизменным, и таким образом обеспечивается постоянство перегрузочной
способности во всем диапазоне регулирования при неизменном моменте нагрузки.
При регулировании частоты вверх от номинальной, что возможно у преобразователей
частоты с промежуточным контуром постоянного тока, имеет место режим снижения
магнитного потока двигателя, поскольку амплитуда напряжения остается неизменной
на уровне ее номинального значения.
Существует два основных типа преобразователей частоты: с
непосредственной связью и с промежуточным контуром постоянного тока. Но
наибольшее распространение получили преобразователи частоты с промежуточным
контуром постоянного тока, выполненные на базе инверторов напряжения.
Структурная схема такого преобразователя приведена на рис.5.1.
Рисунок 5.1 - Структурная схема преобразователя частоты с
промежуточным контуром постоянного тока
Переменное напряжение сети преобразуется с помощью диодного
выпрямителя, а затем сглаживается в промежуточной цепи индуктивно-емкостным
фильтром. И, наконец, инвертор, выходной каскад которого обычно выполняется на
основе IGBT-модулей, осуществляет обратное преобразование из постоянного тока в
переменный, обеспечивая формирование выходного сигнала с необходимыми
значениями напряжения и частоты. Наиболее часто в инверторах применяется метод
высокочастотной широтно-импульсной модуляции (ШИМ). В этом случае выходной сигнал
преобразователя представляет собой последовательность импульсов напряжения
постоянной амплитуды и изменяющейся длительности, которая на индуктивной
нагрузке, каковой является обмотка статора, формирует токи синусоидальной формы
(рисунок 5.2). Возможный диапазон регулирования частоты - от 0 до нескольких
тысяч герц.
Рисунок 5.2 - Выходной сигнал преобразователя частоты
Режимы управления электродвигателем
В зависимости от характера нагрузки преобразователь частоты
обеспечивает различные режимы управления электродвигателем, реализуя ту или
иную зависимость между скоростью вращения электродвигателя и выходным
напряжением
Режим с линейной зависимостью между напряжением и частотой
(U/f=const) реализуется простейшими преобразователями частоты для обеспечения
постоянного момента нагрузки и используется для управления синхронными
двигателями или двигателями, подключенными параллельно. Вместе с тем при
уменьшении частоты, начиная с некоторого значения, максимальный момент двигателя
начинает падать. Для повышения момента на низких частотах в преобразователях
предусматривается функция повышения начального значения выходного напряжения,
которая используется для компенсации падения момента для нагрузок с постоянным
моментом или увеличения начального момента для нагрузок с высоким пусковым
моментом, таких, например, как промышленный миксер. Для регулирования
электроприводов насосов и вентиляторов используется квадратичная зависимость
напряжение/частота (U/f 2 = const). Этот режим, так же как и
предыдущий, можно использовать для управления параллельно подключенными
двигателями.
Перечисленные режимы управления достаточны для большинства
применений. Вместе с тем для повышения качества управления приводом требуется
использование других, более совершенных методов управления. К ним относятся
метод управления потокосцеплением (Flux Current Control - FCC) и метод
бессенсорного векторного управления (Sensorless Vector Control - SVC). Оба
метода базируются на использовании адаптивной модели электродвигателя, которая
строится с помощью специализированного вычислительного устройства, входящего в
состав системы управления преобразователя.
Наиболее точное и эффективное управление обеспечивает режим
векторного управления без датчика обратной связи по скорости (SVC). Для этого
необходимо управлять амплитудой и фазой статорного тока, то есть его вектором.
Однако для управления фазой тока, а значит, и фазой магнитного поля статора
относительно вращающегося ротора необходимо знать точное положение ротора в
любой момент времени. Эта задача может быть решена с использованием датчика
положения, например, шифратора приращений. В такой конфигурации привод
переменного тока по качеству регулирования становится сопоставимым с приводом
постоянного тока. Но в составе большинства стандартных электродвигателей
переменного тока встроенные датчики положения отсутствуют, поскольку их
введение неизбежно ведет к усложнению конструкции двигателя и существенному
повышению его стоимости.
Применение же современной технологии векторного управления
позволяет обойти это ограничение путем использования математической адаптивной
модели двигателя для предсказания положения ротора. При этом система управления
должна с высокой точностью измерять значение выходных токов и напряжений, обеспечивать
расчет параметров двигателя (сопротивление статора, значение индуктивности
рассеяния и т.д.), точно моделировать тепловые характеристики двигателя,
сообразовывать параметры двигателя с различными режимами его работы,
осуществлять большой объем вычислений с очень высокой скоростью. Последнее
обеспечивается применением в составе системы управления преобразователя
специализированных интегральных схем AS1C (Applications Specific Integrated
Circuit).
Векторное управление без датчиков обратной связи по скорости
позволяет обеспечить динамические погрешности, характерные для регулируемого
привода с замкнутой обратной связью. Однако полное управление моментом при
скорости, близкой к нулевой, невозможно без обратной связи по скорости. Такая
обратная связь становится необходимой и для достижения погрешности
регулирования менее 1%. Контур обратной связи при этом легко реализуется с
помощью самого преобразователя частоты.
5.2 Функциональная структурная схема ЭП. Передаточные функции
звеньев ЭП
Рассмотрим обобщенную структурную схему САУ движением,
представленную на риунке 5.3.
Рисунок 5.3 Обобщенная структурная схема САУ движением
где БЗП-блок задания программы,
БФВ - блок формирования управляющих воздействий,
УМ - усилитель мощности,
ПМ - передаточный механизм,
ОУ - объект управления,
ИС - информационно-измерительная система;
Рассмотрим типовую структурную схему контура управления
положением, представленную на рисунке 5.4 Контур управления положением,
охваченный главной обратной связью, включает (в качестве объекта управления)
контур управления скоростью, который в свою очередь, может включать другие
подчиненные контуры, например контур управления по току. Такой принцип
построения САУ позволяет настраивать контуры независимо и более точно,
добиваясь необходимого качества работы системы. [11]
Рис 5.4 Типовая структурная схема контура управления
положением
где П - привод,
ОУ - объект управления,
КУ - корректирующее устройство,
ПУ - преобразующее устройство,
ДП - датчик положения (механически связан со звеном
манипулятора),
ДС - датчик скорости.
Рассмотрим привод, построенный по принципу подчиненного
регулирования и содержит три контура: положения, скорости, ускорения. Основной
или внешний контур (контур положения) включает УЧПУ (устройство числового
программного управления), регуляторы положения - РП, датчики перемещения - ДП,
двигатель - ДВ, редуктор - Р, объект - О, источник энергии - ИЭ.
Рисунок 5.5 Структурная схема САУ комплектного ЭП
Функциональное назначение элементов контура положения
(рисунок 5.5): ДВ передает, под действием системы управления, движение
редуктору Р и объекту О таким образом, чтобы изменение угла поворота валов (или
линейное перемещение объекта) было пропорционально изменению сигнала задания по
перемещению, вырабатываемого в УЧПУ.
Принципы действия датчиков перемещения, применяемых в ПР
довольно многообразны.
В зависимости от места установки датчики перемещения могут
быть линейными или круговыми. Датчики перемещения формируют сигнал, содержащий
информацию о перемещении. С выхода датчика сигнал поступает на вход УЧПУ.
Выходные сигналы могут быть импульсной или синусоидальной формы. В соответствии
с заданной программой УЧПУ формирует сигнал задания, определяющий закон
перемещения объекта от времени. УЧПУ, получив сигнал от датчика положения,
сравнивает его с сигналом задания. Разность этих сигналов после
соответствующего преобразователя подается на вход второго контура, именуемого контуром
скорости или регулируемым приводом.
Одним из наиболее важных элементов ЭП ПР (промышленного
робота) является датчик перемещения или преобразователь измерительный круговых
или линейных перемещений; т.к. преобразователь механических перемещений вырабатывает
периодические сигналы (изменение амплитуды фазы синусоидального сигнала или
числа импульсов), пропорциональные пройденному пути, далее эти сигналы
обрабатываются, поступая в соответствующие блоки (предварительного усиления,
формирования и т.д.), которые образуют отсчетно-измерительную систему. [9]
ЭД состоит из электрической и механической частей.
Электрическая часть - обмотка статора ЭД, ее передаточная
функция:
, (5.1)
где
- коэффициент усиления,
- электромагнитная постоянная;
Механическая часть - ротор ЭД, вращающийся с определенной
скоростью, ее передаточная функция:
, (5.2)
где
-механическая постоянная времени;
В ЭД присутствует внутренняя обратная связь (рис.5.6), физически
обусловленная механической характеристикой ЭД. Положение вала ЭД снимается
датчиком положения. Чтобы отследить положение рабочего органа управления
(колонна) с заданной точностью, достаточно отслеживать количество оборотов и
направление вращения ЭД с точностью до одного оборота.
Рисунок 5.6 Общая функциональная схема ЭП
-передаточная функция регулятора положения (5.3)
- передаточная функция регулятора скорости, (5.4)
- передаточные функции датчика тока и скорости соответственно,
- передаточная функция датчика положения, (5.5)
- передаточная функция редуктора; (5.6)
Заключение: техническая реализация такой структурной схемы
организации ЭП представлена в пунктах 5.3 и 5.4, где произведен выбор основных
элементов ЭП.
5.3 Выбор комплектного ЭП. Работа ЭП
ЭП выбирают, исходя из следующих факторов [11]:
требуемых динамических свойств при пуске, торможении и
изменении нагрузки (в данном случае - частые пуски при повторно-кратковременном
режиме работы);
диапазона регулирования скорости (D= 114);
вида требуемой механической характеристики;
режима работы во времени и требуемой точности поддержания
заданного режима;
для асинхронного короткозамкнутого ЭД;
Так как ЭП в данном случае не требуется большого диапазона
регулирования скорости (D не превышает 150) и не требуется поддерживать высокие
моменты при низких скоростях, то целесообразно выбрать частотный
преобразователь со скалярным управлением, что является наиболее подходящим по
всем вышеперечисленным параметрам и экономически выгодным решением.
Учитывая характеристики ЭД, в частности, его мощность, число
фаз и др. (См. раздел 3), выберем для управления ЭД колонны, комплектный ЭП в
составе которого:
частотный преобразователь Hitachi L100 - 002NFE;
абсолютный датчик углового положения ЛИР-ДА158 ТУ с
интерфейсом RS-485;
датчик контроля скорости ДКС-М30-81У-1252-ЛА.02 [14];
Частотный преобразователь Hitachi L100 - 002NFE [15]
Таблица 5.1Основные характеристики и параметры Hitachi L100 - 002NFE
|
Применяемый
двигатель АС, кВт
|
0,2
|
|
Номинальный
входной ток, А
|
3,1
|
|
Номинальный
выходной ток, А
|
1,4
|
|
Масса, кг
|
0,85
|
Напряжение питания, В 1 или 3
200 В-10% до 240 В +5%
|
50/60 Гц +/ - 5 %
|
|
|
Выходное
напряжение, В
|
3 0-200…240 В (в зависимости от входного
напряжения)
|
|
Степень защиты
|
IP20
|
|
Частота ШИМ,
кГц
|
0,5-16
(программируется)
|
|
Вольт-частотные
характеристики
|
разнообразные,
с повышенным пусковым моментом, со стандартным пусковым моментом (постоянный
момент, пониженный момент)
|
|
Выходная
частота, Гц
|
50-360
|
|
Точность
обработки частоты
|
при цифровой
установке: +/-0,01 % от максимального значения, при аналоговой установке: +/
- 0,2 % от максимального значения
|
|
Допустимая
перегрузка по току
|
150% в течении
60 сек., макс.220%
|
|
Функции защиты
|
Защита от
перегрузки по току, от повышенного и пониженного напряжения, от перегрева, от
короткого замыкания, ограничение перегрузки и др.
|
|
Дополнительные
функции
|
15
фиксированных частот, ПИД-регулятор, защита параметров от перезаписи,
автоматический перезапуск, толчковый режим
|
|
Температура
окружающей среды, -10-+40 (либо до +50, но при этом
частота ШИМ должна быть снижена до 2 кГц; а потребляемый двигателем ток не
более 80 % от номинального тока преобразователя частоты
|
|
|
Влажность
воздуха, %
|
20-90, без
конденсатора
|
|
Допустимый
уровень вибраций, Гц
|
10-55
|
|
Место
эксплуатации
|
высота не более
1000 м, в помещении свободном от коррозийных газов и пыли
|
Абсолютный датчик углового положения ЛИР-ДА158 ТУ
Применяется в системах программного управления станков и
механизмов, в измерительных и робототехнических системах.
Таблица 5.2 Основные параметры ЛИР-ДА158 ТУ
|
Кол-во разрядов
вых. кода
|
6…16
|
|
Максимальная
скорость вращения вала, об/мин
|
100000
|
|
Момент трогания
вала, кг*м2
|
1,7*10-6
|
|
Момент инерции
ротора, кг*м2
|
1,7*10-6
|
|
Масса изделия,
кг
|
0,27
|
|
Напряжение
питания, В
|
24 5%
|
|
Максимальная
частота опроса, МГц
|
1
|
|
Способ выдачи
данных
|
Последовательный
SSI (разрешающая способность до 14 разрядов
включительно)
|
|
Тип выходного
сигнала
|
Код Грея,
двоичный
|
|
Максимальная
скорость вращения без сбоя кода, об/c
|
30
|
|
Вид выходного
сигнала
|
RS
|
|
Ток
потребления, мА
|
<250
|
Принцип действия абсолютного датчика углового положения,
основан на явлениях, возникающих при освещении или затемнении фотоэлементов,
которые преобразуют энергию падающих на них лучистых потоков в электрические
сигналы. Входной величиной датчика является угловое положение вала, на выходе -
усиленные сформированные напряжения высоких и низких уровней, соответствующих
единицам и нулям цифрового кода.
Рисунок 5.7 Рекомендуемая схема связи с приемным устройством
Датчик контроля скорости ДКС-М30-81У-1252-ЛА.02
Таблица 5.3 Основные параметры датчика контроля скорости
|
Диапазон
номинальных напряжений питания, В
|
110-220
|
|
Диапазон
рабочих напряжений питания, В
|
90-220
|
|
Номинальный
ток, мА
|
250
|
|
Минимальный ток
нагрузки, мА
|
5
|
|
Индикация
срабатывания
|
есть
|
|
Регулировка
частоты
|
есть
|
|
Масса изделия,
кг
|
0,24
|
|
Схема
подключения
|
АС
|
|
Диапазон
контролируемых частот, Гц
|
2-50
|
Датчик контроля скорости серии ДКС предназначен в первую
очередь для контроля остановки или снижения скорости вращения (движения)
различных устройств. Датчик контроля скорости представляет собой индуктивный
датчик со схемой контроля частоты импульсов воздействия и бинарным выходом.
Контролируемый вращающийся объект непосредственно или с помощью соединенного с
ним металлического объекта воздействует на чувствительный элемент датчика с
частотой, пропорциональной частоте вращения. При нормальной частоте вращения на
выходе датчика скорости и на нагрузке есть напряжение. На диаграмме пассивный
выходной сигнал соответствует снижению частоты ниже допустимой. Необходимое
значение контролируемой минимальной частоты устанавливается с помощью
потенциометра. [14]
5.4 Настройка уставок привода. Принципиальная схема ЭП
В таблице 5.4 приведены нестандартные настройки функций ЭП.
Таблица 5.4 Настройки функций Hitachi L100 - 002NFE
|
Функция
|
значение
|
назначение
|
|
A01
|
01
|
установка
способа задания частоты с клеммной панели;
|
|
A02
|
01
|
установка
способа управления с клеммной панели;
|
|
A04
|
50
|
установка
максимальной частоты;
|
|
A41
|
01
|
установка
автоматического способа поддержания момента;
|
|
A44
|
00
|
установка
вольт-частотной характеристики: поддержание постоянного момента в
регулируемом диапазоне частот;
|
|
A51
|
01
|
установка
действия динамического торможения
|
|
А97
|
00
|
установка формы
кривой разгона: линейная;
|
|
B21
|
01
|
установка
действия режима ограничения перегрузки: при разгоне и постоянной скорости;
|
|
С05
|
13
|
установка
функции входной клеммы 3: USP-предотвращение
рестарта при провале электропитания;
|
|
В87
|
00
|
установка
действия клавиши STOP: клавиша действует при управлении с
клеммной панели;
|
так как управление ПЧ и ЭД производится контроллером с
помощью клемм управления, то в А02 устанавливается способ управления с клеммной
панели, а в А01 - способ задания частоты с клеммной панели;
данный инвертор оснащен регулируемым динамическим
торможением, регулируемые параметры - тормозной момент и время торможения. Это
необходимо, так как данный механизм поворота колонны требует точного позиционирования,
поэтому А51 действует.
в функциях С05 устанавливается функция для входной клеммы
управления 3: устанавливается функция USP. Это сделано по соображениям безопасности, чтобы
в случае, когда питание от сети по каким-либо причинам прерывается, а затем
восстанавливается, не произошел рестарт и робот не начал движение;
Рассмотрим назначение клемм инвертора (описание которых
представлено в таблице 5.5) на принципиальной схеме управления комплектным ЭП,
представленной на рисунке 5.8 (лист А1).
Рисунок 5.8 Принципиальная схема управления комплектным ЭП
Таблица 5.5 Назначение клемм инвертора
|
Клемма
|
назначение
|
Дополнительно
|
|
U,W,V
|
Выходные клеммы
инвертора
|
Подключение ЭД,
обмотки которого соединяют в звезду или треугольник
|
|
R,S,T
|
Входные клеммы
инвертора
|
подключение
питающей сети (трехфазной)
|
|
1,2,3
|
Программируемые
входные клеммы
|
Клемма 3:
предотвращение рестарта при появлении питания;
|
|
RS/FRS
|
Клемма “сброс аварии”
|
Не может быть
установлен нормально открытый контакт;
|
|
RV
|
Клемма “реверс”
|
Пуск в обратном
направлении;
|
|
FW
|
Клемма “ пуск вперед”
|
|
|
H,O,OI,L
|
Клемы
потенциометра
|
H - +10 В для задания частоты
потенциометром; О - для задания частоты сигналом 0-10 В; OI - для задания частоты сигналом 4-20mA; L-клемма “общий” для задания частоты потенциометром;
|
|
ALO
|
Клемма выхода на Regenerative Resistor
|
|
|
AR/RW
|
Выходные клеммы
|
подключения
внешней индикации;
|
|
P/RB
|
Выходные клеммы
|
Подключение
защиты;
|
6. Расчет расхода энергии и КПД за цикл
Цикл работы электропривода обычно состоит из нескольких участков,
каждый из которых содержит интервал установившейся скорости и нескольких
интервалов переменной скорости (пуск и торможение). Характер расчета потерь
энергии и мощности зависит от системы электропривода и способа управления. Основными
энергетическими показателями работы являются: механическая мощность на валу
и потребляемая от сети мощность
. Первая характеризует полезную работу
электропривода, а вторая расход электроэнергии [2].
Так как расход энергии ПЧ незначителен, то рассчитаем расход
энергии и КПД двигателя за цикл работы.
Потери энергии при пуске двигателя:
Вт (6.1)
где
- КПД, определяемый по графику
зависимости 7.8 [6], для чего рассчитывается:


=0,8 (6.2)
Расход энергии при пуске двигателя:
=
Дж (6.3)
Потери энергии при установившемся движении:
Вт (6.4)
где
=0,0333 H*м;
- КПД, определяемый по графику зависимости 7.8 [6], для чего
рассчитывается:

=0,6 (6.5)
Расход энергии при установившемся движении:
Дж (6.6)
Потери энергии при торможении:
Вт (6.7)
где Mт = - 0,5727 Н*м;
- КПД, определяемый по графику зависимости 7.8 [6], для чего
рассчитывается:


=0,81 (6.8)
Расход энергии при торможении:
Дж (6.9)
Расход энергии за цикл:
Дж (6.10)
Суммарные потери энергии за цикл:
Дж (6.11)
КПД за цикл:
или67,4 % (6.12)
Анализируя расчеты КПД за цикл работы можно прийти к выводу, что
достаточно невысокий и потери энергии значительны. Это объясняется
тем, что мощность выбранного двигателя высока.
Заключение
В ходе курсового проекта были рассмотрены вопросы расчета
требуемой мощности ЭД, выбора на основаниях полученных данных и условий
технологического процесса ЭП звена промышленного робота.
Были определены основные характеристики ЭП, а именно:
построили механические характеристики, рассчитали скорость необходимую для
точного останова ЭД и нашли диапазон регулирования ЭП, произвели расчет
переходных процессов. В заключении был произведен расчет расхода энергии и
коэффициента полезного действия привода за цикл работы, получив в результате
надежную и безопасную систему, полностью удовлетворяющую требованиям
технологического процесса.
Список
использованной литературы
1. Ключев
В.И. “Теория электропривода” - М., Энергоатомиздат, 1985
. Конспект
лекций по дисциплине “ Проектирование, производство и эксплуатация ПР”
. Белянин
П.Н. “Промышленные роботы и их применение: Робототехника для машиностроения”2-е
изд., перераб. и доп. - М.: Машиностроение, 1983
. Справочник
по электрическим машинам под редакцией И.В. Копылова и Б.К. Клокова-М.
Энергоатомиздат, 1988
. Михайлов
О. П." Автоматизированный ЭП станков и промышленных роботов" - М.:
Машиностроение, 1990
. Чиликин
М.Г., Сандлер А. С." Общий курс ЭП” - М.: Энергоатомиздат, 1981
. Бейзельман
Р.Д. “Подшипники качения. Справочник” - М., Машиностроение, 1975
. Современный
ЭП станков с ЧПУ и промышленных роботов под редакцией Б.И. Черпакова. - М.:
Высш. шк.; - 1989
. Управляющие
системы промышленных роботов под общей редакцией И.М. Макарова, В.А. Чиганова.
- М.: Машиностроение, 1984
. Козырев
Ю.Г. “Промышленные роботы “ - М.: Машиностроение, 1988
. Фираго
Б.И. ”Регулируемые ЭП переменного тока “-Мн.: Техноперспектива, 2006
13. www.laborant.ru
<http://www.laborant.ru>
14. www.electrik.
povny. info <http://www.electrik.povny.info>
. Инструкция по
эксплуатации частотных преобразователей Hitachi