Прибор для измерения толщины слоя коррозии

  • Вид работы:
    Дипломная (ВКР)
  • Предмет:
    Физика
  • Язык:
    Русский
    ,
    Формат файла:
    MS Word
    1,07 Мб
  • Опубликовано:
    2012-03-28
Вы можете узнать стоимость помощи в написании студенческой работы.
Помощь в написании работы, которую точно примут!

Прибор для измерения толщины слоя коррозии

Введение

Все ферромагнитные материалы в той или иной степени подвержены коррозии. Особенно сильно метал подвергается коррозии в условиях агрессивных сред, в том числе и на открытом воздухе. Поэтому, для обеспечения длительной и безопасной работы металлоконструкций необходимо иметь информацию о том насколько сильно эти металлоконструкции повреждены коррозией, т.е. необходимо знать толщину слоя ржавчины на поверхности.

Металлоконструкции, особенно работающие на открытом воздухе и соприкасающиеся с влагой покрываются слоем коррозии неравномерно. Это обусловлено неравномерным покрытием защитного слоя, его повреждением, неравномерным воздействием агрессивной среды, наличием местных микротрещин в металле и другими причинами. Поэтому для получения достоверной информации о состоянии металлоконструкции требуется обследование больших площадей метала.

Наиболее часто требуется контроль слоя коррозии на достаточно громоздких сооружениях. Это опоры ЛЭП, металлические поверхности воздуха и дымоотводных труб и т.п.. Части конструкции этих сооружений находятся на труднодоступных местах: подводные части корпуса судна, стрела подъемного крана, вышки ЛЭП. Поэтому для контроля толщин слоя коррозии на этих сооружениях необходимы приборы удобные для обслуживания минимальным числом операторов и позволяющие проводить быстрые и безопасные замеры в условиях повышенного риска.

Глава I

.1       Способы решения задачи контроля толщин слоя коррозии

Электромагнитные преобразователи и их применение.

Развитие измерительной техники доказало, что наиболее удобным методом со многих точек зрения является преобразование различных контролируемых величин в электрические.

Основными преимуществами электрических методов измерения являются следующее:

• Высокая чувствительность при возможности простого изменения чувствительности прибора в широком диапазоне значений измеряемой величины.

·   Малая инерционность электрической аппаратуры, то есть возможность измерений в широком частотном диапазоне.

·   Возможность измерения на расстоянии и одновременного измерения нескольких и различных по своей природе величин.

·   Возможность комплектования измерительных приборов блоками однотипной электрической аппаратуры.

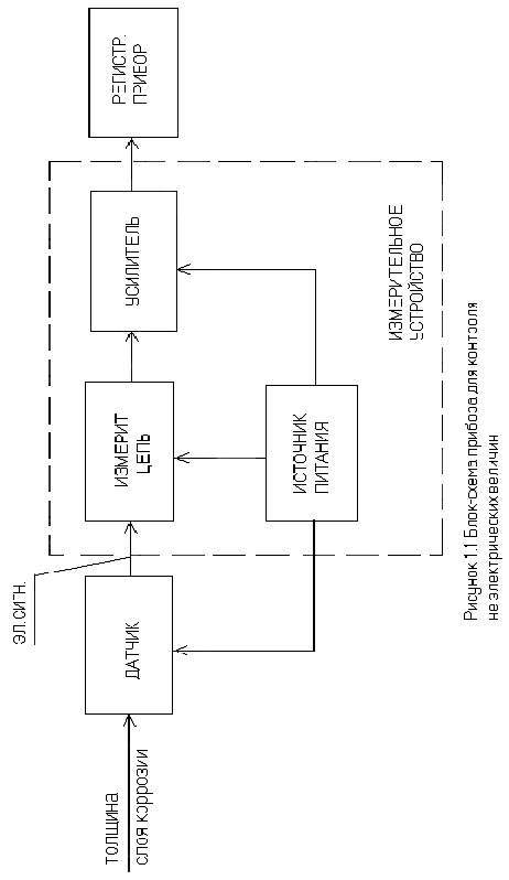
Структура большинства электрических приборов для измерения не электрических величин состоит из трех основных узлов: датчика, измерительного устройства и указателя (см. рисунок 1.1). Каждый из этих узлов в конкретном приборе может включать в себя различные блоки. Назначение каждого из узлов строго определенно.

На основании вышеизложенного видны недостатки используемых в настоящее время механических методов измерения.

Замер производится в точке путем высверливания пробного шурфа с его последующими замерами. Данный способ неточен, неудобен, требует больших затрат времени, не позволяет достаточно полно судить о картине распределения слоя коррозии по контролируемой поверхности.

Приборы контроля толщин пленок и лакокрасочных покрытий также мало отвечают предъявленным требованиям, так как громоздки, не могут работать в условиях высокой вибрации, производят контроль на малой поверхности.

Для построения автономного измерительного прибора в его основу наиболее целесообразно положить применение датчиков емкостного или индуктивного типа. Это связано с тем, что такие преобразователи наиболее доступны, безопасны в работе, не требуют сложной перестройки и наладки.

Однако, применение емкостных преобразователей нежелательно потому, что на величину емкости оказывает влияние не только толщина слоя диэлектрика, но и относительная диэлектрическая проницаемость вещества. Слой коррозии, особенно образующейся в условиях агрессивной среды (морская вода), имеет значительную неоднородность как по плотности (наличие воздушных раковин), так и по химическому составу. Поэтому при использовании емкостных преобразователей будет наблюдаться значительная погрешность, носящая случайный характер. Электромагнитные преобразователи, которые могут быть более или менее успешно применены для решения этой проблемы могут быть индуктивного и вихревого действия. Вихревой преобразователь собран и опробован в работе в реальных условиях, но по сравнению с индуктивным преобразователем он показал худшие результаты. Это связано с тем, что вихревой преобразователь имеет значительную погрешность при измерениях слоев коррозии толщиной 10-20 мм. Наиболее целесообразно применение в приборе датчика индуктивного типа. Конструктивно прибор можно выполнить в виде датчика, связанного гибким кабелем с автономным прибором с информационной головкой дающей информацию в аналоговой форме для непосредственного визуального считывания, (см. рисунок 1.2).Датчик должен представлять собой броневой сердечник без якоря. Якорем датчика является слой метала под коррозией. В зависимости от толщины слоя коррозии изменяется расстояние между датчиком и якорем. Датчик включен в измерительную цепь питаемую переменным током. При измерении величины зазора между сердечником датчика и якорем изменяется полное сопротивление индуктивного датчика, что может быть зарегистрировано измерительным прибором.

1.2 Эксплуатационные требования, учитываемые при разработке

При проектировании изделия, которым будет управлять оператор, необходимо учитывать комплекс требований, отражающих особенности человека - оператора. Этот комплекс включает в себя:

·   Антропометрические показатели (определяют соответствие изделия форме и размерам тела человека).

·   Физиологические показатели (определяют соответствие изделия силовым, скоростным, зрительным и другим возможностям человека).

·   Психологические показатели (определяют возможности человека по восприятию и переработке информации).

·   Гигиенические показатели (определяют внешние условия, в которых работает оператор - освещенность рабочего места, температура, шумы, вибрация и др.).

Аппарат должен быть сконструирован так, чтобы мог управляться малоквалифицированным персоналом. Случайное неправильное обращение с органами управления не должно выводить аппарат из строя. Субъективные особенности обслуживающего персонала не должны сказываться на результатах операций, которые выполняет изделие.

Обслуживание аппарата (периодические профилактические и ремонтные работы) должны быть простыми. Каждый аппарат должен иметь комплект запасных частей для быстрого восстановления работоспособности после выхода из строя.

В конструкции аппарата должны быть предусмотрены специальные меры по ТБ, исключающие возможность несчастных случаев.

Аппарат должен быть сконструирован так, чтобы затраты на его эксплуатацию были минимальными.


1.3 Блок схема прибора

Для того чтобы наиболее полно реализовать возможности электромагнитного датчика, необходимо как можно более точно исключить влияние помех и неточности настройки прибора. Для повышения точности, измерительная цепь прибора представляет собой мост, одним плечом которого является датчик, а другим компенсатор. Компенсатор представляет собой аналог датчика. Между якорем датчика и сердечником с помощью макрометрического винта выставляется требуемый зазор, что позволяет произвести полную балансировку моста. Два других плеча состоят из резисторов с сопротивлением согласованным с сопротивлением датчика и компенсатора (активное).

В диагонали моста включен измерительный блок из выпрямителя, измерительной головки и ограничивающих резисторов, с помощью которых устанавливаются предельные значения шкалы прибора.

Питание прибора может осуществляться двумя способами:

1.от судовой сети 220В, переменного тока.

2 . от автономного источника питания постоянного тока.

В первом случае в схеме должен быть предусмотрен преобразователь напряжения (понижающий трансформатор) и цепь выпрямления и стабилизации трансформируемого напряжения.

Далее в обоих случаях, питание моста осуществляется через преобразователь (генератор высокой частоты), преобразующего постоянное напряжение источника в напряжение частотой 400 Гц.

Конструктивно прибор представляет собой основной блок «корпус» и выносной датчик, соединенный с корпусом мягким кабелем. На лицевой панели прибора расположены шкала, индикатор и кнопка подачи питания, переключатель пределов измерения и ручка-регулятор установки нуля.



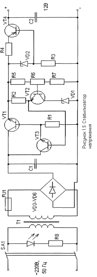
1.4 Описание принципа работы стабилизатора напряжения

Для повышения стабильности частоты генератор питают через стабилизатор напряжения. Усилитель постоянного тока выполнен на одном транзисторе VT2 . Регулирующий элемент собран по схеме составного транзистора и состоит из двух транзисторов VT1 и VT2. Контролирующий элемент из транзистора VT4.

Напряжение снимаемое с делителей R5, R6, R7 сравнивается с опорным напряжением стабилитрона VD1 .

Напряжение рассогласования, усиленное транзистором VT2, подается на базу транзистора VT3, первого в цепи составного транзистора. В зависимости от этого регулирующий элемент меняет свое сопротивление, тем самым регулирую напряжение.

Допустим напряжение на выходе стабилизатора увеличилось, тогда падение напряжения на R6, приложенное минусом к базе транзистора VT2, изменит его коллекторный ток, а это вызовет падение напряжения на R4. В результате (падение) сопротивления регулирующего элемента увеличится, а падение на выходе стабилизатора уменьшится до номинального.

Конденсатор С2 служит для уменьшения пульсации выходного напряжения. Конденсатор С1 предохраняет усилитель постоянного тока от возбуждения.

Напряжение с выхода трансформатора Т1 подается на выпрямитель VD3-VD6, собранный по мостовой схеме на 4 диодах. Для питания стабилизатора от сети 220В через трансформатор Т1.


Глава II

2.1 Разработка конструкции электромагнитного датчика и принципиальной схемы измерительного блока

При использовании индуктивного датчика величиной пропорциональной толщине слоя коррозии является зазор между незамкнутым сердечником и якорем датчика.

При изменении слоя коррозии происходит изменение величины этого зазора, что приводит к изменению индуктивности датчика. Датчик включается в схему измерительного моста переменного тока. Поэтому всякое изменение индуктивности приводит к изменению электрического сигнала на выходе измерительного моста индуктивного датчика.

При разработке необходимо учитывать следующее: для обеспечения требуемой точности на выходе измерительного устройства необходимо, чтобы датчик воспринимал изменение толщин коррозии в несколько микрометров. Кроме того, при изменении толщины коррозии на 1-2 микрометра электрический сигнал должен изменяться в пределах достаточных для регистрации измерительным прибором и его величина должна превышать на один-два порядка величину внутренних шумов самого прибора.

На основании вышеизложенного был разработан следующий датчик индуктивного типа.

Датчик представляет собой броневой сердечник из ферромагнитного материала с вложенной катушкой (рисунок 1.6) .

Якорем является корпус судна под слоем коррозии, условно представим его в виде плиты 3.

Между датчиком 1 и якорем 3 расположен слой коррозии 4. Всякое изменение толщины слоя коррозии вызывает изменение расстояния между датчиком и якорем, что приводит к изменению индуктивности датчика.

Броневой сердечник датчика выполняется из электротехнической стали. Торцевая поверхность обработана по высокому классу точности.

2.2     Расчет электромагнитного датчика

Зададимся основными размерами корпуса датчика (рисунок 1.6)

Пусть: d = 38 мм, do = 10 мм, Д = 42 мм, Дс = 24 мм, ho = 24 мм, h = 27 мм.

При выбранных размерах корпуса датчика площадь опорной поверхности составит


Сечение окна датчика для обмотки в преобразователе определяется по формуле

Q = вк1к

Где 1К - длина катушки между щечками, Вк высота щечки катушки.

1К = 2 см

вк = d - do / 2 = 1.4 см.

Выбрав диаметр провода для обмотки равным dпр = 0,15 мм, можно найти число витков до полного заполнения окна сердечника.

Wmax = вк1к / dno = 2*1.4 / 0.015 =12413

Число витков катушки выбираем с учетом величины необходимой минимальной индуктивности датчика.

Принимает число витков равным W = 7500. Индуктивность катушки:


Активное сопротивление катушки:


где р - удельная проводимость катушки, g - площадь сечения провода.


Длина провода 1 при среднем диаметре катушки Дср = 24 мм определяется из уравнения

1 =  До W (5)

= 3.14 * 0.0024 * 7500 = 565 м

следует:

r = 0.017 * 565 / 0.0177 = 542.6 Ом

Индуктивное сопротивление катушки определяется из уравнения:

X1 = 2fI (6)

X1 = 2 * 3.14 * 400 * 0.69 = 1733 Oм

Полное сопротивление катушки будет равно:

Параметры индуктивного преобразователя . измерены после его сборки и установки его на металлическую пластину.

Измерение полного сопротивления индуктивного преобразователя производилось при различных значениях величин зазора между сердечником и пластиной.

Сопротивление индуктивного преобразователя без якоря (преобразователь снят с пластины).

r = 540 Ом, X1 - 842 Ом, z = 100 Ом.

Таблица 1.1 Результаты измерения сопротивлений преобразователя при различных величинах зазора (входные характеристики датчика)

δ,мкм

0

30

60

80

90

120

170

Z, Ом

4773

4393

4101

3903

3846

3684

3387

X, Ом

4742

4356

4065

3865

3808

3444

3185

δ,мкм

200

255

285

315

340

370

400

Z, Ом

3231

3043

2958

2876

2800

2658

2561

X, Ом

3185

2993

2908

2825

2747

2603

2503


На основании результатов измерения сопротивления построена выходная характеристика (рисунок 1.7)

Величина зазора измерялась с помощью оптиметра с точностью ±1 мкм

Индуктивный датчик включается в измерительную цепь. Для балансировки измерительной цепи мостовой схемы включается компенсатор, являющийся аналогом индуктивного преобразователя.

Конструкция компенсатора, работающего совместно с индуктивным преобразователем, отличается от последнего наличием якоря с регулируемым воздушным зазором (рисунок 1.8)

Катушка компенсатора имеет число витков W = 8000, поэтому ее индуктивность равна


Несколько большая величина индуктивности компенсатора по сравнению с катушкой преобразователя

позволяет подгонять индуктивности компенсатора под индуктивность преобразователя регулированием зазора между сердечником и якорем преобразователя компенсатора.

2.3 Измерительный мост и измерительная головка

Как отмечалось выше, измерительный мост состоит из: датчика, компенсатора, потенциометра и резистора. Типономиналы резисторов приведены в спецификации.

Для регистрации электрического сигнала который поступает с диагонали измерительного моста в нее включается миллиамперметр, который включается через выпрямительный мост. Типономиналы приведены в спецификации.




Глава III

3.1 Разработка преобразователя постоянного тока

Применение преобразователя постоянного напряжения в переменное обусловлено следующими причинами:

· Датчик используемый в приборе является индуктивным, поэтому и питаться он.:. должен только переменным током. Что актуально и при
питании от источников постоянного тока.

· Даже при питании прибора от судовой сети напряжением 220 В промышленной частоты 50 Гц, для повышения КПД и чувствительности прибора, рекомендуется использовать преобразователь (генератор) частоты на 400 Гц.

До недавнего времени преобразование напряжения осуществлялось в основном с помощью электромагнитных и вибрационных преобразователей. Однако ведущее место в области преобразования постоянного напряжения принадлежит статическим полупроводниковым преобразователям на транзисторах и тиристорах.

Статические преобразователи по сравнению с электромагнитными и вибрационными имеют следующие достоинства: из-за отсутствия движущихся контактов они обладают высокой устойчивостью к механическим перегрузкам и вибрациям, благодаря возможности получения высоких частот колебаний напряжения от нескольких сотен герц до 20-40 кГц существенно уменьшаются габариты, масса трансформатора и фильтрующих цепей выпрямителя, они имеют .высокий КПД 70-80%, не создают акустических помех, могут быть выполнены в виде монолитных герметичных блоков, не чувствительными к действию влаги.

В основе работы статического преобразователя напряжения лежит принцип прерывания напряжения постоянного тока в первичной обмотке трансформатора. Наибольшее применение в устройствах радиоэлектронной аппаратуры в качестве силовых переключающих элементов получили транзисторы.

Для увеличения КПД преобразователя необходимо, чтобы время перехода транзисторов из состояния «Включено» в состояние «Выключено» было . возможно меньшим.

Наиболее целесообразно, в нашем случае, использовать однотактный или двухтактный преобразователь.

Но в однотактной схеме генератора существует постоянное подмагничивание сердечника трансформатора вызванное тем, что через транзистор, а значит и через коллекторную обмотку ток может протекать только в одном направлении. Подмагничивание ухудшает условия передачи мощности из коллекторной обмотки во вторичную обмотку трансформатора, снижает КПД.

Преобразователи собранные по однотактной схеме целесообразно использовать лишь при .малых преобразующих мощностях (1-2 Вт), а так же в цепях где требуются высокие постоянные напряжения и малые токи, например для питания электронно-лучевых трубок.

От вышеперечисленных недостатков свободна двухтактная схема генератора. В отличии от однотактного в двухтактном генераторе можно получать более прямоугольные импульсы тока и следовательно, обеспечить более высокий КПД, большее постоянство выходного напряжения.

Наибольшее распространение на практике получила схема преобразователя с общим эмиттером, позволяющая при малых напряжения источника питания получить высокий КПД. Таким образом выбираем двухтактный преобразователь собранный по схеме с общим эмиттером.

3.2 Описание работы преобразователя

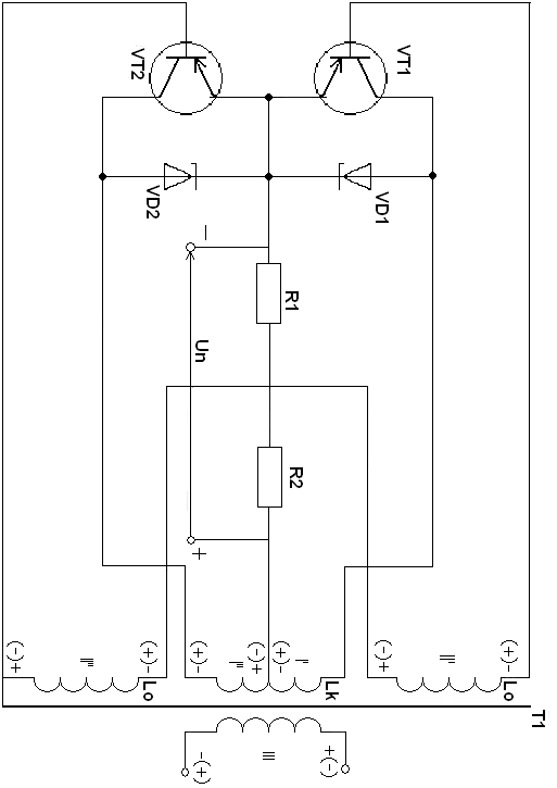
В состав двухтактного преобразователя (рисунок 2.0) входят два транзистора типа p-n-р или n-р-n, трансформатор и два стабилитрона.

Для обеспечения запуска преобразователя служит резистор R1. На резисторе R1 создается падение напряжения около 0,5-1,0В, которое минусом прикладывается к базе, способствуя тем самым отпиранию транзисторов. Как только будет подано напряжение первичного источника питания Un, через транзисторы пойдет ток Iк. Из-за разброса параметров транзисторов величина тока через них может быть неодинакова. Это приведет к тому, что магнитный поток, возникающий в первичной обмотке I' увеличится. Благодаря этому наводимая э.д.с. в других обмотках I'', II' и II'' будет иметь полярность указанную на схеме.

Как видно из схемы, на базе первого транзистора появляется отрицательное напряжение относительно эмиттера, а на базе транзистора -два положительное. Следовательно, VT1 будет открыт, а VT2 закрыт. Транзистор VT1 будет открыт .до тех пор, пока в обмотке I' наводится э.д.с-., т.е. изменяется магнитный поток. Это изменение будет проходить до тех пор, пока коллекторный ток VT1 изменяется до тока насыщения или магнитный поток в сердечнике не достигнет насыщения. Как только коллекторный ток VT1 или магнитный поток в сердечнике достигнет насыщения, скорость изменения магнитного потока станет равной нулю, что приведет к уменьшению до нуля наводимой в обмотке э.д.с., что в свою очередь приведет к уменьшения тока IK1.

Уменьшение тока IK1 приводит к появлению в обмотках трансформатора э.д.с., противоположной по знаку предыдущему состоянию (указанному на схеме в скобках) . В результате VT2 откроется, a VT1 закроется. В дальнейшем процесс периодически повторяется.

В целях защиты транзисторов от пробоя их шунтируют стабилитронами с напряжением стабилизации, равным 2Un.

При нарастании напряжения из-за индуктивности рассеяния в момент запирания транзистора пробивается один из шунтирующих стабилитронов VD1 или VD2, предохраняя тем самым транзистор от пробоя.

3.3 Расчет преобразователя

3.3.1 Исходные данные

f = 400 Гц, Un = 12 В, R1 = 12 кОм, R2 = 1 кОм, U2 = 10 В, I, = 0.7 А, г| = 0.7.

3.3.2 Определяем входной ток преобразователя


U2 - напряжение на выходе

Ή - КПД преобразователя

3.3.3 По току I1 выбираем тип транзисторов максимальный ток коллектора должен быть больше чем ток I1

Выбираем транзистор 2Т629А-2 с p-n-р проводимостью.

3.3.4 Выбираем рабочую частоту преобразователя

Наиболее целесообразно использовать частоту 400 Гц, исходя из потерь.

3.3.5 Определяем индуктивность

Lk = Еб / fl = 0.9 / 400*0.83 = 0.0027 Гн Еб = 0.9 - э.д.с. смещения.

3.3.6 Выбираем тип трансформаторного железа и определяем сечение сердечника

Для частот ниже 500 Гц сердечник целесообразно изготавливать из электротехнической стали.

Sc = 500*EбI1 / lcf = 500*0.9*0.83 / 6.8*400 = 0.137 см

f - рабочая частота Гц

1с = 6.8 см - средняя длина силовой линии в седечнике

Выбираем тип магнитопровода ШЛ 8x8:

Для него:

а - 4 (мм), с = 8 (мм), h - 2 0 (мм) , в = 8 (мм) ,

Sc = 0,54 (см2) - поперечное сечение магнитопровода,

Ic=6,8 (см) - длина магнитосиловой линии,

Gc= 29 (г) - вес магнитопровода,

I= 17 (мм) - ширина слоя обмотки,

г=0,7 (мм) - толщина гильзы,

М= 37,6 (мм) - внешний периметр сечения гильзы,

Р2= 12 (Вт) - мощность вторичной обмотки,

Rтмв= 30 (град/Вт) - тепловое сопротивление границы магнитопровод воздух,

RT = 67 (град/Вт) - тепловое сопротивление трансформатора.

RTK = 72 (град/Вт) - тепловое сопротивление катушки.

3.3.7 Находим число витков половины первичной обмотки


Число витков обмотки обратной связи

Число витков вторичной обмотки:


.3.8 Определяем диаметры проводов обмоток

Р2 = I2U2 = 0.7*10 = 7 Вт

j1 = 9

А/мм2, J2 = 8 А/мм2


Выбираем провод для всех обмоток: ПЭТВ диаметр 0.355 мм, диаметр с учетом изоляции 0.415 мм.

.3.9 Выбор стабилитронов

Необходимо выбрать стабилитрон с напряжением стабилизации 2Uп, т.е. 24В по справочной литературе выбираем: Д816Б.


Глава IV

4.1 Эксплуатация прибора

Надежность элементов является одним из факторов, существенно влияющих на интенсивность отказов аппаратуры в целом. Интенсивность отказов элементов зависит от конструкции, качества изготовления, от условий эксплуатации и от электрических нагрузок в схеме.

Влияние внешних факторов на надежность можно оценить с помощью коэффициента нагрузки. Коэффициентом нагрузки называют отношение фактического значения воздействующего фактора к его номинальному или максимально доступному значению.

При увеличении коэффициента нагрузки интенсивность отказов увеличивается также, если компонент эксплуатируется при более жестких условиях: повышенной температуре окружающего воздуха и влажности, увеличенных вибрациях и ударах и т.п.

В настоящее время наиболее изучено влияние на надежность коэффициентов нагрузки и температуры.

4.2 Расчет средней наработки на отказ

Исходные данные для расчета: перечень используемых компонентов, их количество, температура окружающей среды и фактическое значение параметра, определяющего надежность, приведены в (таблица 1.2) Для удобства последующих расчетов однотипные элементы, находящиеся при одинаковых (близких) температурах и работающие при одинаковых (близких) электрических нагрузках, объединены в одну группу.

к - коэффициент нагрузки называют отношение фактического значения воздействующего фактора к его номинальному или максимальному допустимому значению.

α - коэффициент влияния, учитывает влияние на надежность фактического значения коэффициента нагрузки и температуры

- интенсивность отказов радиокомпонентов

 - интенсивность отказов при заданном

значении температуры ОС и нагрузке.

 компонентов

- интенсивность отказов для каждой группы работающих в одинаковых условиях.

Интенсивность отказов аппарата, состоящего из n различных элементов, определяем по формуле


Интенсивность отказов разрабатываемого узла


Средняя наработка на отказ


Λc= Λin

0.8*10-6

0.36*10-6

0.1*10-6

0.16*10-6

0.05*10-6

0.2*10-6

0.1*10-6

0.025*10-6

0.5*10-6

0.025*10-6

0.025*10-6

0.13*10-6

0.17*10-6

0.156*10-6

0.2*10-6

0.375*10-6

0.45*10-6

7*10-6

Λi= α Λ0

0.8*10-6

0.36*10-6

0.1*10-6

0.004*10-6

0.05*10-6

0.1*10-6

0.1*10-6

0.025*10-6

0.5*10-6

0.025*10-6

0.025*10-6

0.065*10-6

0.034*10-6

0.026*10-6

0.2*10-6

0.375*10-6

0.45*10-6

1*10-6

Λ01/ч

0.8*10-6

0.8*10-6

0.2*10-6

0.2*10-6

0.1*10-6

0.1*10-6

0.1*10-6

0.5*10-6

0.5*10-6

0.5*10-6

0.5*10-6

1.3*10-6

0.04*10-6

0.04*10-6

0.2*10-6

0.5*10-6

0.5*10-6

1*10-6

α

1

0.45

0.5

0.02

0.5

1

1

0.05

1

0.05

0.05

0.05

0.85

0.65

1

0.75

0.9

1

k

0.9

0.6

0.7

0.1

0.15

1

1

0.3

1

0.3

0.35

0.17

0.7

0.52

1

0.48

0.8

1

Номинальное (предельное) значение параметра, определяющего надежность

Рн=22Вт

Рн12 Вт

Iн=1.5А

Iн=0.09A

Iст.ном=10mA

Iст.ном=150mA

Iст.ном=10mA

Pн=40вТ

Pн=1.5вТ

Pн=30 мВт

Pн=50вТ

Pн=0.25вТ

Pн=0.5вТ

Pн=28мВт

Uн=25В

Uн=15В

-

Фактическое Значение параметра определ

Р=20Вт

Р=7 Вт

I=1A

I=0.009A

I=1.5mA

I=150mA

I=10mA

P=12.8вТ

P=15мВт

P=0.5вТ

P=10.5мВт

P=8.3вТ

Pmax=0.17

Pmax=0.26

P=28мВт

U=12В

U=12В

-

 Макс. Темп. ОС,0С

+60

-

-

-

-

-

-

-

-

-

-

-

-

-

-

-

-

-

Кол- Во

1

1

1

4

1

2

1

1

1

1

1

2

5

6

1

1

1

7

Тип



КЦ403Е

Д9Б

Д818Б

Д816Б

КС133А

П702

КТ301В

КТ610Б

КТ202В

2Т629А-2

МЛТ-0.25

МЛТ-0.5

АЛ102Б

200мкФ25В

100мкФ15В

-

Наименование

трансформатор

-/-/-

диодная сборка

Диод

Стабилитрон

-

-

Транзистор

-

-

-

-

Резистор

-

Светодиод

Конденсатор


Др. устройства (кнпка,датчик и др.)


Глава V

5.1 Экономика

При проектировании нового оборудования, какого бы назначения оно не было, параллельно ставится задача, сделать его выгодным с экономической точки зрения! То есть, затраты на его разработку, изготовление и внедрение в производство, должны быть приемлемыми в существующих условиях.

Конкретно касаясь разрабатываемого прибора, с экономической части вопроса, данной разработкой решается ряд проблем.

Во-первых: использования данного прибора для измерения толщины слоя коррозии, является безвредным для исследуемого материала.

Во-вторых: время производства замеров толщины слоя коррозии, является минимальным.

В-третьих: для проектирования прибора применены материалы изготавливаемые современной промышленностью.

Теперь постараемся раскрыть суть перечисленных проблем.

Существующие механические методы измерения толщины слоя коррозии сложно назвать щадящими для исследуемого материала, как правило все они связаны с механическим воздействием на материал и его некоторым местным разрушением. Т.е. по завершении работ будет необходимо производить работы по восстановлению свойств материала, что подразумевает за собой затраты материальных средств. Разработанный же прибор не оказывает на материал никакого механического воздействия, поэтому и никакого разрушающего действия на исследуемый материал он оказать не может, следовательно исключаются возможные затраты на восстановление исследуемого объекта автоматически.

Время одного замера, разработанным прибором, варьируется в пределах нескольких секунд, что является недостижимым при механических способах производства измерений. Следовательно прибор обеспечивает сокращение времени на выполнение поставленных задач, что соответственно является существенным плюсом экономической эффективности прибора.

Применение современных материалов и составляющих элементов, делает прибор ремонта пригодным. Т.е. в случае каких либо неисправностей, любой составной элемент прибора можно найти в свободной продаже. Что же касается уже существующих, аналогов то материалы примененные для их изготовления уже давно вышли из производства по причинам устаревания и несоответствия современным требованиям. Так же предшествующие разработки являются в значительной степени более массивными, что делает их использование крайне неудобным.

Выше указанных причин, достаточно для того чтобы считать разрабатываемый прибор «требующимся»!

Согласно существующей ситуации, ориентировочная потребность рынка в подобном приборе оценивается в 1000 экземпляров. Стоимость прибора должна быть не более 1500 рублей, ибо в противном случае, согласно произведенным маркетинговым исследованиям, изделие окажется не конкурентным.

5.2 Теперь произведем расчет капитальных затрат на внедрение прибора

В определении капитальных затрат, необходимо учитывать следующие:

·   Затраты на разработку прибора

·   Стоимость составных элементов прибора

·   Стоимость монтажных работ при изготовлении с начислениями на заработную плату

электромагнитный датчик стабилизатор напряжение

5.3 Проектные затраты

Таблица 1.3 Заработная плата разработчиков

Исполнитель

Затраты времени, дн.

Тарифная ставка. руб/дн.

Сумма затрат, руб.

Руководитель проекта

50

800

40000

Конструктор 1

50

600

30000

Конструктор 2

50

600

30000

Ассистент

50

450

22500



Итого:

122500


5.4 Стоимость элементов, используемых на изготовление одного прибора

Таблица 1.4 Стоимость элементов, используемых на изготовление одного прибора Приведены с учетом запаса 15%

Наименование

Ед. измерения

Цена за ед. (рублей)

Кол-во

Сумма (рублей)

1

Припой ПОС-61

-

28

1

28

2

Канифоль

-

5

1

5

3

Флюс

-

37

1

37

4

Стеклотекстолит

шт

57

1

57

5

Винт

шт

1

6

6

6

шайба

шт

0,50

6

3

7

гайка

шт

1

6

6

8

Провод ПЭМ-1

м

-

200

38

9

Провод ПЭТВ

м

-

200

46

10

Провод 0,15

м

-

1200

84

11

МЛТ-0,25

шт

1

5

5

12

МЛТ-0,5

шт

1,50

6

9

13

Конденсатор

шт

7

2

14

14

П702В

шт

8

1

8

15

КТ301В

шт

4,80

1

4,80

16

КТ610Б

шт

80

1

80

17

КТ202В

шт

5,70

1

5,70

18

Пр1А

шт

1,60

1

1,60

19

КЦ403Е

шт

12,80

1

12,80

20

АЛ102Б

шт

2

1

2

21

Д818Б

шт

2,50

1

2

22

КС133А

шт

0,60

1

0,60

23

2Т629А-2

шт

35

2

70

24

Д816Б

шт

3

2

6

25

Потенциометр

шт

16

1

16

26

Д9Б

шт

1,5

4

6

27

Микроамперметр

шт

130

1

130

28

Сердечник

шт

24

2

48

29

Дополнительный материал

-

18

-

18





Итого:

749,50


Итак стоимость материалов необходимых для изготовления одного прибора составляет 749 рублей 50 копеек.

Стоимость комплектующих, для изготовления серии приборов количеством 1000 штук составит: 749500 рублей.

5.5 Расчет затрат, связанных с изготовлением устройства

Здесь учтем все затраты связанные с производством прибора в производственных условиях, включая начисления на заработную плату.

Расчет ЗП производственного персонала.

На предприятии применена повременная система оплаты труда. Усредненный ежемесячный оклад одного работника составляет 8000 рублей, при продолжительности рабочего дня 8 часов, количество рабочих дней в месяце 24. Всего в процессе производства задействовано 8 человек. Усредненное время изготовления одной единицы прибора, затрачиваемое всем производственным процессом соответствует 20 минутам.

Согласно плану заказа, необходимо изготовить серию приборов количеством 1000 штук.

Время выполнения заказа: Тв = 1000 * 20 = 20000 минут = 333 часа = 42 дня

Тарифный фонд заработной платы составит: ТФст = 8* (8000/24)*42 = 112000 р.

На расчитаную, таким образом, ЗП начисляется районный коэффициент и ДВ - надбавки, получаем основной фонда оплаты труда:

Величина РК - 1,3

Дальневосточные надбавки (ДВ) - 30%

Оснф = ТФст * РК + ДВ = ТФст * 1,6 = 112000 * 1,6 = 179200 р.

Дополнительный фонд ЗП - это оплата отпусков (устанавливается к основному фонду - 20%).

ДопФ = 0.2 * ОснФ = 0.2 * 179200 = 35840 р.

Сумма основного и дополнительного фонда ЗП составляет общий фонд:

ОбщФ = ОснФ + ДопФ = 179200 + 35840 - 215040 р.

Сумма отчисления в социальные фонды (пенсионный, фонд мед. страх., занятости, фонд соц. страх.) составляет 26 от общего фонда ЗП:

Осф = 0,26 * ОбщФ = 0,26 * 215040 = 55910,4 р.

Норматив затрат на износ и ремонт оборудования участвующего в производстве прибора составляет 270000 рублей в год. Следовательно, из расчета 365 дней в году, затраты на износ и ремонт оборудования в период производства серии прибора составят:

Зи.р. = (270000/365)*42 = 32000 р.

5.6 Смета затрат, связанная с выпуском продукции

Статьи затрат

Сумма, р.

Проектные затраты

122500

Стоимость комплектующих

749500

Износ, ремонт, амортизация

32000

ЗП (общий фонд)

215040

Отчисления в социальные фонды

55910,4

Полня себестоимость:

1174950,4


Себестоимость одного изделия:

С = 1174950,4 / 1000 = 1175 рублей.

Согласно произведенным расчетом, получено, что стоимость одной единицы разработанного прибора получилась приемлемой для утверждения его в производство.

Глава VI

6. Охрана труда

Перед выполнением дипломного проекта стояла задача разработать устройство которое бы обеспечивало удобное, быстрое и максимально качественное измерение слоя коррозии метала.

В мире уже существуют наработки в решении этой проблемы, разработаны механические способы замеров, а также есть приборные решения. Главным образом задача проекта сводится к оптимизации существующих наработок посредством применения технологически новых материалов, применением современных конструктивных решений, т.е. использование для проектирования прибора элементов соответствующих современны международным стандартам и требованиям, обеспечивающим высокую безопасность использования спроектированного прибора.

Конструктивно прибор выполнен меньше, легче, удобнее и гораздо дешевле тех аналогов которые уже существуют. Решение этих задач находится в использовании самых современных элементов электроники, которые за последние годы приобрели широчайшее распространение, и стоимость которых в настоящее время стала приемлемой для решения поставленных задач в массовом производстве.

Спроектированный прибор имеет возможность использоваться как при питании от централизованных источников питания переменного тока напряжением 220 вольт, так и возможность работать автономно от аккумуляторных батарей 12 вольт, также соответствующих современным международным стандартам. Это особенно актуально в условиях, когда нет возможности использовать в качестве питания централизованные источники питания, а так же в трудных условиях, когда дополнительные кабеля могут приводить дополнительные неудобства и как следствие быть косвенными причинами несчастных случаев.

Большое внимание требуется уделить корпусу прибора, материалу из которого он изготовлен, он выполнен соответственно не только электротехническим требованиям безопасности, но и согласно современным требования рынка по эстетическим показателям. Поэтому сам корпус выполняется из материала «пластик», имеющим высокую диэлектрическую прочность, механическую прочность, а также высокую температуру плавления.

Поскольку прибор может эксплуатироваться в самых разных и непредвиденных окружающих условиях, его корпус соответствует степени защиты IP55, что позволяет его использовать в особо сырых условиях, помещениях. Как дополнение, прибор предусматривает комплектацию корпусом, обеспечивающим защиту IP68 - самый высокий уровень защищенности, обеспечивающим безопасную эксплуатацию в опасных помещениях (помещения, в которых имеется горючая пыль взрывоопасной концентрации).

Особое внимание при эксплуатации прибора, при питании от сети 220 вольт, следует уделять защитному заземлению. Поскольку питание прибора от сети осуществляется через трансформатор. Применение автотрансформатора в этих целях недопустимо, т.к. в этом случае электрическая цепь прибора будет иметь общий контакт с питающей сетью 220 вольт.

Опасность поражения электрическим током при использовании понижающего трансформатора заключается в том, что в случае повреждения изоляции обмоток возможен переход во вторичную цепь первичного напряжения или появления на металлическом корпусе трансформатора напряжения относительно земли, имеющегося в первичной питающей цепи.

Поэтому защитное заземление имеют все металлические части прибора, которые не находятся под напряжением, но могущие оказаться под напряжением вследствие повреждения изоляции или короткого замыкания, особенно доступные к прикосновению в эксплуатационных условиях.

Конструктивно «защитное заземление» осуществлено при помощи жилы заземления в питающем кабеле, через заземлительное гнездо розетки.


Если корпус будет изолирован от земли, то прикосновение к нему, в случае короткого замыкания или нарушения изоляции, будет так же опасно, как и прикосновение непосредственно к фазе, (рисунок 2.1а) При заземлении корпуса, тело человека, прикоснувшегося к корпусу, и защитное заземления будут включены параллельно (рисунок 2.1б) но сопротивление последнего значительно меньше. В соответствии с ГОСТ 12.1.030-81 в электроустановках напряжением до 1000 вольт, сопротивление заземляющего устройства не должно быть выше 4 Ом. Сопротивление человека принято считать около 1000 Ом.

Iчел / Iз = Rз / Rчел

Таким образом, в случае каких-либо неполадок в цепи прибора высокого напряжения, при наличии защитного заземления, ток под которым может оказаться человек будет значительно меньше тока при отсутствии защитного заземления, примерно в 1000 / 4 = 250 раз.

Для заземления принят проводник из меди. Возможно применение проводников из других коррозионно-стойких материалов, однако их сопротивление не должно превышать сопротивление требуемого медного проводника.

Площадь его сечения, равна номинальной площади сечения питающего кабеля.

В качестве собственной защиты прибора от перегрузок, возможных вследствие неправильных включений, неправильного заземления или короткого замыкания, в цепи низкого напряжения предусматриваются предохранитель.

Поскольку проектируемое устройство все таки является «переносным электрическим прибором», то к его проектированию и эксплуатации предъявляются требования согласно всех норм и правил.

Все работы, выполняемые в процессе эксплуатации прибора, относятся к разряду наиболее опасных работ. Поэтому обслуживающий персонал, допущенный к обслуживанию прибора, должен знать и строго выполнять Правила техники безопасности, правила эксплуатации, технического обслуживания и ремонта, изложенные в инструкциях по эксплуатации и техническому обслуживанию, а также хорошо знать устройство прибора.

При эксплуатации должны быть созданы условия, обеспечивающие безопасность труда обслуживающего персонала.

К ремонту прибора допускаются лица, изучившие его устройство, безопасные способы выполнения работы, прошедшие инструктаж по технике безопасности и сдавшие экзамен квалификационной комиссии на право самостоятельного производства ремонтных работ. Запрещается выполнение любых ремонтных работ лицам, не прошедшими инструктаж по технике безопасности и оказанию первой помощи при поражении электрическим током.

К работе с переносным оборудованием допускаются только лица, прошедшие инструктаж по безопасным методам работы и обслуживанию электроинструмента.

Для присоединения к сети применяться кабель в шланговой оболочке.

Все кабеля к проектируемому оборудованию, подключаться только посредством штепсельных соединений с недоступными токоведущими частями и заземляющим контактом.

Перед использованием, переносного электрооборудования, так же как и перед использованием любого другого оборудования, оно должно быть проверенно на исправность состояния и безопасность его использования. Большое внимание следует уделять состоянию кабелей электроинструмента, целостности изоляции и отсутствию изломов жил, а также исправности заземления и сопротивлению изоляции.

Проверку отсутствия замыканий на корпус, состояние изоляции кабелей, отсутствие обрыва заземляющего провода электроинструмента надлежит производить омметром не реже одного раза в месяц, а также перед каждой выдачей для использования.

Лицам, пользующимся электроинструментом, категорически запрещается:

·   Исправлять и регулировать электроинструмент во время работы.

·   Оставлять электроинструмент на обрабатываемой детали во время перерывов в работе.

·   Работать на высоте более 1.5 метра с приставных незакрепленных трапов.

·   Работать электроинструментом вне помещения во время дождя и снегопада.

Что касается переносного осветительного электроинструмента, возможно используемого во время работ, к ним предъявляются также требования по безопасному использованию. Они должны быть:

·   Водозащищенными со стеклянными колпаками и сетками.

·   Снабжены кабелями в шланговой оболочке.

· Снабжены вилками, исключающими возможность их включения в розетку, присоединенную к сети другого напряжения.

· Снабжены устройствами, защищающими кабели от истирания и излома в местах их ввода электросветильники и штепсельные вилки.

Запрещается использовать стационарные светильники в качестве ручных переносных.

При работах в помещениях с взрывоопасной средой, разрешается использовать оборудование только выполненное во взрыва безопасном исполнении, напряжением не выше 12 вольт.

В процессе эксплуатации электрооборудования нередко возникают условия, при которых даже самое совершенное конструктивное исполнение установок не обеспечивает безопасности работающего, и поэтому требуется применение специальных защитных средств, служащих для защиты персонала от поражения электрическим током, воздействия электрической дуги, электрического поля, продуктов горения, падения с высоты и т.п. Эти средства не являются конструктивными частями оборудования, они дополняют его.

Защитные средства могут быть условно разделены на три группы: изолирующие, ограждающие и предохранительные.

В зависимости от конкретных условий и места работы с прибором, для обеспечения должного уровня безопасности необходимо выбирать соответствующую группу защитных средств.

Запасные части, инструмент и приспособления, необходимые для содержания прибора в исправном состоянии, должны храниться в электротехнической кладовой.

В месте хранения прибора должны быть созданы условия для предохранения его от коррозии, загрязнений и повреждений.

Не реже одного раза в шесть месяцев рекомендуется проверять состояние прибора, осматривая его и сверяя с контрольным прибором. Это в равной степени относится и к добавочным устройствам. Прибор, находящийся в эксплуатации более двух лет, подлежит поверке и клеймению представителями специального органа наблюдения за мерами и измерительными приборами. Эксплуатация прибора, не имеющего клейма, с поврежденным или просроченным клеймом воспрещается.

Испытания прибора и вспомогательных частей подразделяются на приемочные, которым подвергается каждый выпускаемый заводом прибор; контрольные, производимые в сроки, установленные техническими условиями (но не реже одного раза в год) , и тогда, когда в конструкцию прибора, технологию его производства или номенклатуру основных материалов вносятся изменения; в результате которых могут снизиться характеристики прибора, оговоренные техническими условиями, а также типовые, проводимые при выпуске вновь осваиваемых приборов.

При приемочных испытаниях прибор и вспомогательные части проверяются на соответствие требованиям по основной погрешности, вариации, невозвращении указателя к нулевой отметке, влиянию наклона, прочности изоляции при нормальной температуре и влажности, а также на соответствие другим требованиям, если это оговорено техническими условиями. Для контрольных испытаний серийно изготовляемых приборов отбирается не менее трёх образцов каждого типа. Приборы и вспомогательные части проверяются на соответствие всем требованиям технических условий, в том числе их подвергают циклическим испытаниям на износоустойчивость и усталостную прочность опор подвижной части. Контрольные испытания приборов проводятся лабораторией завода-изготовителя при участии представителя заказчика, либо результаты испытаний завод-изготовитель сообщает заказчику по его требованию.

Типовые испытания проводятся по специальной программе и методике, которые предусматривают полную и всестороннюю проверку приборов. Проверке подлежат:

  соответствие образцов приборов техническим условиям на них,

  все технические характеристики,

  оптимальность выбранной схемы и конструкции,

  соответствие современному уровню данных серий приборов, влияние различных факторов на точность измерений,

  комплектность приборов и запасных частей,

  комплектность конструкторской и технической документации, масса,

     вписываемость приборов в габариты указанные в техническом задании,

     соответствие технических характеристик и условии применения комплектовочных изделий и материалов требованиям к приборам,

     наличие необходимых маркировочных данных,

     возможность и удобство подключения приборов,

   качество электрического соединения (заземление),

   качество светящихся составов временного действия, устойчивость к действию магнитных полей, степень унификации и т. д.

В программе типовых испытаний рекомендуется такая последовательность электрических, механических и климатических испытаний:

1)   наружный осмотр приборов;

2)   электрические испытания изоляции (проверка электрической прочности и сопротивления), определение основных и дополнительных погрешностей, проверка влияния различных факторов (внешняя среда, колебания напряжения, частоты, симметрия нагрузки и т. д.) на
точность измерения, времени успокоения, перегрузки и т.д. ;

3)    испытания на обнаружение резонанса конструктивных элементов;

4)   испытания на устойчивость к механическим воздействиям (виброустойчивость, тряскоустойчивость и удароустойчивость, устойчивость к качке и длительным наклонам);

5)   испытания на устойчивость к климатическим воздействиям (циклическое изменение температур, влагоустойчивость теплоустойчивость и холодоустойчивость, устойчивость к воздействию росы и морского тумана);

6) испытания по проверке защитных свойств корпусов и уплотнений (герметичность, качество уплотнения).

Заключение

Разработанный прибор обладает малым весом, прост в обслуживании и проведении замеров. Прибор обслуживается одним человеком. На проведение одного замера уходит от 3 до 5 секунд. Может эксплуатироваться с комплектом батарей 6 штук, тип ААА. Одного заряда аккумуляторов достаточно для проведения 1000 замеров. Имеет приемлемую стоимость. Точность замеров составляет 0,01 мм.

Разработанный прибор может эксплуатироваться в опасных условиях, а так же в водной среде.

Список использованных источников

1. Быстров Ю.А., Гамкрелидзе С.А., Иссерлин Е.Б., Черепанов В. П. Электронные приборы и устройства на их основе: Справочная книга. - М.: ИП РадиоСофт, 2008

. Иванов Е.А., Жердецкий В.В. Электробезопасность в судовом электромонтажном производстве. - Л.: Судостроение, 1986.

. Алиев И.И., Справочник по электротехнике и электрооборудованию.-М.: 2004

. Касаткин А.С., Немцов М.В. Электро-Техника.-Л.:2008

. Виноградов Ю.В. Основы электронной и полупроводниковой техники, М., «Энергия», 1968

. Зубко Н.М., Зубко А.Н. Экономическая теория. Д.: Феникс, 2006г.

. Кливко К.М. Охрана труда. Д.: Феникс, 2008г.

. Полупроводниковые приборы: Диоды, тиристоры, оптоэлектронные приборы. Справочник/ А.В. Баюков, А.Б. Гитцевич, А.А. Зайцев и др. М: Энергоатомиздат, 1982. 744с.


Не нашли материал для своей работы?
Поможем написать уникальную работу
Без плагиата!
Без нейросетей!