|
№
ступени
|
Часы
|
t
|
Р
|
Q
|
S
|
W
|
|
ч
|
ч
|
%
|
МВт
|
%
|
Мвар
|
МВ·А
|
МВт·ч
|
|
1
|
0
- 5
|
5
|
70
|
21
|
75
|
8.895
|
22.81
|
114.05
|
|
2
|
5 - 14
|
9
|
100
|
30
|
100
|
11.86
|
32.26
|
290.34
|
|
3
|
14-24
|
10
|
90
|
27
|
90
|
10.674
|
29.03
|
290.3
|
|
4
|
|
694.69
|
Средняя нагрузка в течение года:
Время использования максимальной активной
нагрузки в году:
Коэффициент заполнения годового
графика нагрузки:
.
Рис. 1.3. Суточный график полной
мощности потребителей подстанции.
Рис. 1.4. Годовой график полной
мощности по продолжительности.
Выбор силовых
трансформаторов
По условию обеспечения надёжности
электроснабжения потребителей на подстанции необходимо устанавливать два
трансформатора, мощность которых выбирается в таком случае по условию:
.
Согласно [3] стр. 156, табл. 3.8.
выбираются трансформаторы типа ТРДН - 32000/220.
В маркировке трансформаторов:
Т - трёхфазный;
Р - с расщеплением обмотки низшего напряжения
на две ветви;
Д - применяемая система охлаждения с
принудительной циркуляцией воздуха и естественной циркуляцией масла;
Н - наличие устройства регулирования
напряжения РПН;
- номинальная полная мощность, МВ·А;
- класс номинального напряжения обмотки
высшего напряжения.
Таблица. Параметры трансформатора.
Таблица 2.1.
|
Тип
трансформатора
|
Sном, МВ·А
|
Uном, кВ
|
ΔРхх,
кВт
|
ΔРк,кВт
|
Uк,%
|
Iхх, %
|
|
|
ВН
|
НН
|
|
ВН-НН
|
ВН-НН
|
|
|
ТРДН-32000/220
|
32
|
230
|
6.3-6.3
|
45
|
150
|
11,5
|
0,65
|
Рис. 2.1. Преобразование графика нагрузки.
Рассчитаем перегрузку трансформатора.
Начальная нагрузка:
Таблица
|
Тип
трансформатора
|
Sном, МВ·А
|
Uном, кВ
|
ΔРхх,
кВт
|
ΔРк,кВт
|
Uк,%
|
Iхх, %
|
|
|
ВН
|
НН
|
|
ВН-НН
|
ВН-НН
|
|
|
ТРДН-32000/220
|
32
|
230
|
6.3-6.3
|
45
|
150
|
11,5
|
0,65
|
Предварительное значение коэффициента
перегрузки:
.
Коэффициент максимальной перегрузки
трансформатора:
В соответствии с [4] стр. 11, табл.
2.3. допустимый коэффициент перегрузки составляет 1,3, что превышает полученное
при расчёте значение, следовательно, выбранный трансформатор по перегрузочной
способности проходит.
Расчёт токов
короткого замыкания
Расчёт токов короткого замыкания на
проектируемой подстанции проводится для последующего выбора оборудования и
токоведущих частей подстанции. При этом на шинах высшего напряжения подстанции
необходимо рассчитать токи трёхфазного и однофазного короткого замыкания (К1(3)
и К1(1)), а на шинах низшего напряжения - только ток
трёхфазного короткого замыкания (К2(3)). Следует учесть,
что один установленный на подстанции трансформатор работает (согласно с
требованиями [ПУЭ]) в режиме глухого заземления нейтрали, а шины низшего
напряжения секционированы, и секционные выключатели в нормальном режиме работы
отключены. Данные для расчёта сопротивлений генераторов и трансформаторов в
заданной системе берутся из [3].
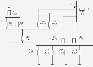
Расчет токов короткого замыкания
Cоставление
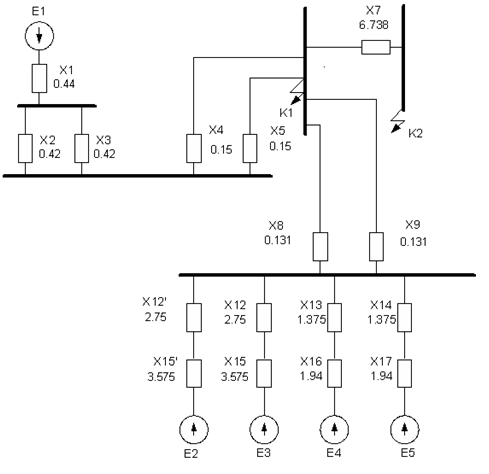
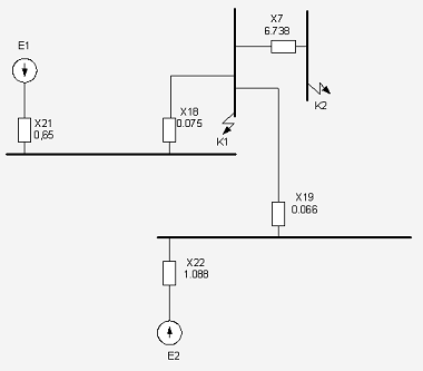
расчетной схемы. (Рис 3.1)
Рис 3.1
Расчёт токов короткого замыкания
аналитическим методом
Данные для расчёта сопротивлений генераторов и
трансформаторов в заданной системе берутся из [3].
Составление схемы
замещения
При определении параметров схемы замещения
используется система относительных единиц. Величина базовой мощности Sб=1000
МВА, базовые напряжения: 6.3, 230. Результаты расчета токов короткого замыкания
сведены в табл.3.1.
.
.
.
Определение параметров схемы
замещения:
,
,
,
,
,
.
Имеем турбогенераторы типа Т3В-63: X»d=15.3%, cosjН=0.8.
.
и ТВС-32У3 : X»d=14.3%, cosjН=0.8.
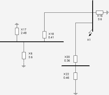
Рис. 3.8. Схема замещения сети.
Расчёт токов
короткого замыкания на шинах высшего напряжения
Преобразование схемы замещения прямой
последовательности.
,
,
,
.
Рис 3.3
,
,
Рис.
XрезК1=X25=0.45, XрезК2=X25+X7=0.45+6.738=7.188.
кА,
кА
Рис 3.5
Преобразование схемы замещения
нулевой последовательности.
Рис. 3.23. Схема замещения нулевой
последовательности
Определение параметров схемы замещения.
Рис. 3.24
,
,
,
,
Рис. 3.25
Рис. 3.26
Расчёт токов
короткого замыкания на стороне высшего напряжения
Ток однофазного КЗ:
Для всех видов КЗ рассчитываем
ударные токи КЗ:
,
Где Ky=1.8 -ударный
коэффициент по [4].
ВН:
НН:
Таблица 3.2
|
Место
кз
|
, кА , кА , кА , кА
|
|
|
|
|
Шины
ВН
|
5.58
|
5.21
|
14.2
|
13.42
|
|
Шины
НН
|
12.75
|
-
|
33.35
|
-
|
Выбор схемы соединения подстанции
Электрическую схему распределительного
устройства выбираем в зависимости от назначения, роли, местоположения
подстанции в системе электроснабжения и с учётом типа установленных силовых
трансформаторов.
Для проектируемой подстанции на напряжение 220
кВ рассмотрим следующие схемы распределительных устройств:
·
одна
рабочая, секционированная выключателем и обходная системы шин с выключателями в
цепях трансформаторов;
·
две
рабочие и обходная системы шин.
Рис. 4.1. Схема РУ ВН «Одна рабочая
секционированная выключателем и обходная система шин».
Таблица надежности для схемы 1 Таблица 4.1.
|
Отказ
эл-та
|
Норм.
режим
|
Ремонтируемый
элемент
|
|
|
Q1
|
Q2
|
Q3
|
Q4
|
Q5
|
Q6
|
Q7
|
A1
|
A2
|
|
Q1
|
W1, W4,
T1;
0.5
|
|
W1; ТП
|
W1; ТП
|
W1; ТП
|
W1; ТП
|
W1; ТП
|
---
|
|
ППС;
0.5
|
|
Q2
|
W1, W4,
T1;
0.5
|
W2; ТП
|
|
W2; ТП
|
W2; ТП
|
W2; ТП
|
W2; ТП
|
---
|
ППС;
0.5
|
|
|
Q3
|
W2, W3,
T2;
0.5
|
Т1;
ТП
|
Т1;
ТП
|
|
Т1;
ТП
|
Т1;
ТП
|
Т1;
ТП
|
---
|
|
ППС;
0.5
|
|
Q4
|
W2, W3,
T2;
0.5
|
W3; ТП
|
W3; ТП
|
W3; ТП
|
|
W3; ТП
|
W3; ТП
|
---
|
ППС;
0.5
|
|
|
Отказ
эл-та
|
Норм.
режим
|
Ремонтируемый
элемент
|
|
|
Q1
|
Q2
|
Q3
|
Q4
|
Q5
|
Q6
|
Q7
|
A1
|
A2
|
|
Q5
|
W1, W4,
T1;
0.5
|
W4; ТП
|
W4; ТП
|
W4; ТП
|
W4; ТП
|
|
W4; ТП
|
---
|
|
ППС;
0.5
|
|
Q6
|
W2, W3,
T2;
0.5
|
Т2;
ТП
|
Т2;
ТП
|
Т2;
ТП
|
Т2;
ТП
|
Т2;
ТП
|
|
---
|
ППС;
0.5
|
|
|
Q7
|
ППС;
0.5
|
---
|
---
|
---
|
---
|
---
|
---
|
|
---
|
---
|
|
A1
|
W1, W4,
T1;
ТП
|
---
|
---
|
---
|
---
|
---
|
---
|
---
|
|
ППС;
ТП
|
|
A2
|
W2, W3,
T2;
ТП
|
---
|
---
|
---
|
---
|
---
|
---
|
ППС;
ТП
|
|
Рис. 4.2. РУ ВН «Две рабочие и обходная системы
шин».
Таблица надежности для схемы 2 Таблица 4.2.
|
Отказ
эл-та
|
Норм.
режим
|
Ремонтируемый
элемент
|
|
|
Q1
|
Q2
|
Q3
|
Q4
|
Q5
|
Q6
|
Q7
|
A1
|
A2
|
|
Q1
|
W1, W3,
T1;
0.5
|
|
W1; ТП
|
W1; ТП
|
W1; ТП
|
W1; ТП
|
W1; ТП
|
---
|
ППС;
0.5
|
ППС;
0.5
|
|
Q2
|
W2, W3,
T2;
0.5
|
W2; ТП
|
|
W2; ТП
|
W2; ТП
|
W2; ТП
|
W2; ТП
|
---
|
ППС;
0.5
|
ППС;
0.5
|
|
Q3
|
W1, W4,
T1;
0.5
|
Т1;
ТП
|
Т1;
ТП
|
|
Т1;
ТП
|
Т1;
ТП
|
Т1;
ТП
|
---
|
ППС;
0.5
|
ППС;
0.5
|
|
Q4
|
W2, W3,
T2;
0.5
|
W3; ТП
|
W3; ТП
|
W3; ТП
|
|
W3; ТП
|
W3; ТП
|
---
|
ППС;
0.5
|
ППС;
0.5
|
|
Q5
|
W1, W4,
T1;
0.5
|
W4; ТП
|
W4; ТП
|
W4; ТП
|
W4; ТП
|
|
W4; ТП
|
---
|
ППС;
0.5
|
ППС;
0.5
|
|
Q6
|
W2, W3,
T2;
0.5
|
Т2;
ТП
|
Т2;
ТП
|
Т2;
ТП
|
Т2;
ТП
|
Т2;
ТП
|
|
---
|
ППС;
0.5
|
ППС;
0.5
|
|
Q7
|
ППС;
0.5
|
---
|
---
|
---
|
---
|
---
|
---
|
|
---
|
---
|
|
A1
|
W2, W3,
T2;
ТП
|
---
|
---
|
---
|
---
|
---
|
---
|
---
|
|
ППС;
ТП
|
|
A2
|
W1, W4,
T1;
ТП
|
---
|
---
|
---
|
---
|
---
|
---
|
---
|
ППС;
ТП
|
|
Выбор схемы распределительных устройств
производится таблично-логическим методом. Целью сравнения является определение
более надежной схемы.
Таблица 4.3.
|
Режим
отключения
|
Количество
|
|
1
схема
|
2
схема
|
|
Погашение
п/ст на 0.5 часа
|
7
|
13
|
|
Погашение
п/ст на время Тп
|
2
|
2
|
|
Отключение
одной линии на 0.5 часа
|
-
|
-
|
|
Отключение
одной линии на время Тп
|
20
|
20
|
|
Отключение
двух линий на 0.5 часа
|
6
|
6
|
|
Отключение
двух линий на время Тп
|
2
|
2
|
|
Отключение
трансформатора Т1 на 0.5 часа
|
3
|
3
|
|
Отключение
трансформатора Т1 на время Тп
|
6
|
6
|
|
Отключение
трансформатора Т2 на 0.5 часа
|
3
|
3
|
|
Отключение
трансформатора Т2 на время Тп
|
6
|
6
|
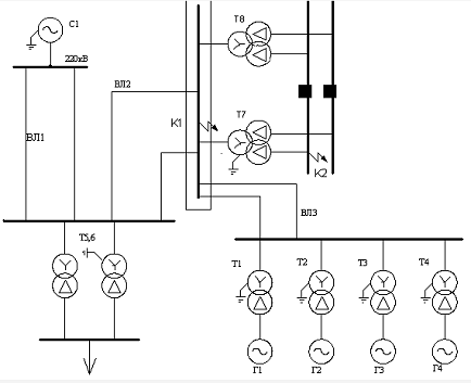
Выбираем схему «Две рабочие и обходная системы
шин»,с учетом дальнейшего развития нагрузки на шины ПС. На низшее напряжение
выбираем схему «Две одиночные секционированные выключателями системы шин».
Рис.4.2. Две одиночные секционированные
выключателями системы шин
Выбор типов релейной защиты, автоматики,
измерений
Выбор защит осуществляется только для силового
трансформатора и элементов подстанции на низшем напряжении.
На стороне высшего напряжения устанавливаются
быстродействующие защиты (tр.з
= 0,1 с).
Защиты, устанавливаемые на силовом трансформаторе:
. Продольная дифференциальная защита от коротких
замыканий трансформатора и его выводов (tр.з
= 0,1 с).
. Газовая защита от внутренних повреждений и от
понижения уровня масла в трансформаторе (tр.з
= 0,1 с).
. Максимальная токовая защита от сверхтоков
короткого замыкания (tр.з
= 2,6 ÷
3,1 с. со стороны питания и tр.з
= 2,0 с. со стороны обмоток низшего напряжения).
. Максимальная токовая защита от сверхтоков
перегрузки с действием на сигнал.
На секционном выключателе распределительного
устройства низшего напряжения устанавливается комплект максимальной токовой
защиты (tр.з
= 1,5 с).
На кабелях, отходящих к потребителям:
. Максимальная токовая защита от сверхтоков
короткого замыкания (tр.з
= 1,0 с).
. Токовая отсечка (tр.з
= 0,1 с).
. Токовая защита, сигнализирующая о замыкании на
землю в кабеле.
На шинах 6 кВ предусматривается контроль
изоляции с использованием трансформатора напряжения НТМИ, реле напряжения и
реле времени с действием на сигнал.
На подстанции предусмотрены следующие виды
автоматики:
. Автоматическое включение резерва на секционном
выключателе 6 кВ и на автомате 0,4 кВ трансформатора собственных нужд.
. Автоматическое повторное включение линий
высшего напряжения.
. Автоматическое включение охлаждающих устройств
трансформатора.
Согласно рекомендациям ([4] стр.51-55) на
подстанции для питания цепей защиты, автоматики, управления и сигнализации
применяется выпрямленный оперативный ток. Для этого к трансформаторам тока и
напряжения и трансформаторам собственных нужд подключаются блоки питания типов:
БПТ-1000, БПНС-1000 и выпрямительные устройства УКПЗ-К-380.
Выбор аппаратов и токоведущих частей
На проектируемой подстанции выбираются:
выключатели и их приводы, разъединители и их приводы, аппараты в цепи
собственных нужд, измерительные трансформаторы тока и напряжения, ошиновка цепи
силового трансформатора, силовых кабелей 10 кВ.
Таблица 5.1.Токи, протекающие по элементам
подстанции
|
Обозначение
|
Выключатель
или токоведущая часть
|
Вариант
подстанции
|
|
|
|
|
Q1 и I
|
Выключатель
и ошиновка трансформатора на стороне низшего напряжения
|
|
|
Q2
|
Секционный
выключатель шин 10 кВ
|
|
|
Q3
|
Выключатель
на линиях потребителей 10 кВ
|
|
|
Q4,III
|
Выключатель
и сборные шины высшего напряжения
|
|
|
II
|
Сборные
шины низшего напряжения
|
|
Выбор выключателей
На подстанциях предпочтительна установка
элегазовых выключателей на напряжения 110 кВ и выше, и вакуумных выключателей
на напряжении 6 - 10 кВ, устанавливаемых в КРУ.
Выбор выключателей в цепях 220 кВ по [2] стр.
227, табл. 5.29.
Таблица 6.2.Выключатель 3AP1
c пружинным приводом
|
Расчётные
данные
|
Каталожные
данные
|
Условия
выбора или проверки
|
|
Uсети = 220 кВ;
Iпрод.расч. = 177.3 А.
|
Uном = 245 кВ;
Iном = 4000 А.
|
По
условиям длительного режима: Uном ≥ Uсети; Iном ≥ Iпрод.расч.
|
|
iу = 11,59
кА
|
id = 135 кА
|
По
электродинамической стойкости: id
≥
iу
|
tРЗ.рез = 1,2 с
По
термической стойкости:

;
.По
коммутационной способности, амплитуде полного тока отключения:
|
|
|
|
|
iу =
11,59кА; Iпо = 5,58
кА.
|
iВ.ном = 135 кА;
IВ.ном = 40 кА.
|
По
току включения: iВ.ном ≥ iу; IВ.ном ≥ Iпо
|
Здесь: id
- предельный сквозной ток выключателя, кА;
tРЗ.рез
- время действия резервных релейных защит, с;
iаτ
- апериодическая составляющая тока короткого замыкания, кА;
βном
- номинальное содержание апериодической составляющей в токе КЗ;
τ - время от
возникновения КЗ до погашения дуги, с;
Та - постоянная времени затухания
апериодической составляющей, с.
Выбор выключателей в цепях 6,3 кВ
трансформаторов.
Выбран выключатель ВВЭ-10-31,5/3150У3 с
электромагнитным приводом
Таблица 6.3.
|
Расчётные
данные
|
Каталожные
данные
|
Условия
выбора или проверки
|
|
Uсети = 6кВ; Iпрод.расч. = 3079,2
А.
|
Uном = 10В; Iном = 3150
|
По
условиям длительного режима: Uном ≥ Uсети; Iном ≥ Iпрод.расч.
|
|
iу = 33,5 кА
|
id = 80кА
|
По
электродинамической стойкости: id
≥
iу
|
tРЗ.рез = 2,6 с
По
термической стойкости:
;

;
.По
коммутационной способности, амплитуде полного тока отключения:
|
|
|
|
|
iу = 33,5
кА; Iпо = 12,75
кА.
|
IВ.ном = 80кА; IВ.ном = 40 кА.
|
По
току включения: iВ.ном ≥ iу;IВ.ном ≥ Iпо
|
Выбор секционного выключателя в цепи 6,3 кВ по
[2] стр. 233табл. 5.1
Выбран выключатель ВВЭ-10-31,5/3150У3 с
электромагнитным приводом
Таблица 6.4.
|
Расчётные
данные
|
Каталожные
данные
|
Условия
выбора или проверки
|
|
Uсети = 6 кВ; Iпрод.расч. = 1847,52
А.
|
Uном = 10 кВ; Iном = 2500
|
По
условиям длительного режима: Uном ≥ Uсети; Iном ≥ Iпрод.расч.
|
|
iу = 33,5 кА
|
id = 80кА
|
По
электродинамической стойкости: id
≥
iу
|
tРЗ.рез = 2,1 с
По
термической стойкости:
;

;
.По
коммутационной способности, амплитуде полного тока отключения:
|
|
|
|
|
iу = 33,5
кА; Iпо = 12,75
кА.
|
IВ.ном = 80кА; IВ.ном = 31,5
кА.
|
По
току включения: iВ.ном ≥ iу;IВ.ном ≥ Iпо
|
Выбор выключателей в цепях линий 6,3 кВ.
Выключатель LF
1 c пружинным
приводом.
Таблица 6.5.
|
Расчётные
данные
|
Каталожные
данные
|
Uсети = 6кВ; Iпрод.расч. = 255 А.
|
|
iу = 33,35
|
id = 81 кА
|
По
электродинамической стойкости: id
≥
iу
|
tРЗ.рез = 1,6 с
По
термической стойкости:
;

;
.По
коммутационной способности, амплитуде полного тока отключения:
|
|
|
|
|
iу = 33,5
кА; Iпо = 12,75
кА.
|
IВ.ном = 81 кА; IВ.ном = 31,5
кА.
|
По
току включения: iВ.ном ≥ iу; IВ.ном ≥ Iпо
|
Выключатели в цепях 6,3 кв устанавливаются на
выкатных тележках КРУЭ типа 8DJ10.
Выбор разъединителей
Разъединители выбираются только для высшего
напряжения подстанции, так как на стороне низшего напряжения их роль выполняют
контакты КРУ .
Выбор разъединителей DBF
4 производства фирмы SIMENS
представлены в таблице 6.6.
Таблица 6.6.
|
Расчётные
данные
|
Каталожные
данные
|
Условия
выбора или проверки
|
|
Uсети = 220 кВ;
Iпрод.расч. = 84,34
А.
|
Uном = 245 кВ; Iном = 2500 А.
|
По
условиям длительного режима: Uном ≥ Uсети; Iном ≥ Iпрод.расч.
|
|
iу = 14,2кА
|
id = 125 кА
|
По
электродинамической стойкости: id
≥
iу
|
tРЗ.рез = 1,2 с
По
термической стойкости:
Выбор аппаратов в цепи собственных
нужд подстанции
Для питания собственных нужд на подстанции
устанавливаются два трансформатора с вторичным напряжением 0,4/0,23 кВ.
Мощность трансформатора:
.
Выбирается трансформатор для
преобразователей и распределительных сетей с компаундной изоляцией марки GEAFOL.
- номинальная полная мощность, кВ·А;
- класс номинального напряжения
обмотки высшего напряжения, кВ.
На стороне 6,3 кВ устанавливаются
предохранители типа: ПКТ101-6-31,5У3 [3] стр. 254, табл. 5.4.
Таблица 6.7.
|
Расчётные
данные
|
Каталожные
данные
|
Условия
выбора или проверки
|
|
Uсети = 6 кВ; Iпрод.расч. = 5,5 А.
|
Uном = 6 кВ; Iном = 31,5 А.
|
По
условиям длительного режима: Uном ≥ Uсети; Iном ≥ Iпрод.расч.
|
|
IПО = 12,75
кА.
|
Iо.ном = 20 кА.
|
По
коммутационной способности: Iо.ном ≥ IПО.
|
В типе предохранителя:
П - предохранитель;
К - кварцевый;
Т - для защиты трансформаторов;
- наличие ударного устройства;
- особенности конструкции контактов;
- номинальное напряжение, кВ;
- номинальный ток, А;
,5 - номинальный ток отключения, кА;
У3 - категория установки в районах с умеренным
климатом в закрытых помещениях с естественной вентиляцией.
На стороне 0,4/0,23 кВ выбираются
автомат типа: АВМ4С ([3] стр. 374, табл. 6.9.) по условию
, и
рубильник типа РЗ4 ([3] стр. 369, табл. 6.1.), выбранный аналогично.
Выбор измерительных трансформаторов тока
и напряжения
Для выбора измерительных
трансформаторов тока и напряжения должен быть известен состав измерительных
приборов и схемы их соединения.
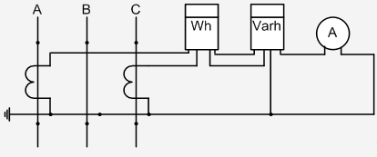
Измерительные приборы и места их
установки представлены в таблице 6.8.
Таблица 6.8
|
№
|
Место
установки приборов
|
Перечень
приборов
|
Примечания
|
|
1
|
Трансформатор
силовой
|
Амперметр,
ваттметр, варметр, счётчики активной и реактивной энергии
|
Устанавливаются
на стороне низшего напряжения.
|
|
2
|
Секционный
выключатель 6 кВ
|
Амперметр
в одной фазе
|
|
|
3
|
Секция
шин 6 кВ
|
Вольтметр
|
Вольтметр
имеет переключатель для измерения линейных и фазных напряжений
|
|
4
|
Кабельная
линия 6 кВ
|
Амперметр,
счётчики активной и реактивной энергии
|
Счётчики
расчётные
|
|
5
|
Трансформатор
собственных нужд
|
Амперметр,
счётчики активной энергии
|
Устанавливаются
со стороны низшего напряжения. Счётчик расчётный.
|
|
6
|
Выключатель
в перемычке 220 кВ
|
Амперметр
в одной фазе
|
Линия
220 кВ
|
Амперметр
в одной фазе, ваттметр и варметр с двухсторонней шкалой, два счётчика
активной энергии, ФИП
|
Счётчики
технического учёта
|
Применяемые на стороне высшего напряжения
подстанции элегазовые выключатели имеют встроенные трансформаторы тока. Кроме
того, встроенные трансформаторы тока имеются во вводах силовых трансформаторов.
Проверка их не производится, поскольку, поставляемые совместно с выключателями,
они подобраны соответственно параметрам выключателя. Для измерений на стороне
ВН устанавливаются трансформаторы тока типа ТФЗМ-220Б-IIIУ1
с классом точности 0,5.
Выбор трансформаторов тока на вводах силового
трансформатора 220 кВ.
Выбор трансформатора тока типа ТВТ220-I-200/5
представлен в таблице 6.9.
Таблица 6.9
|
Расчётные
данные
|
Каталожные
данные
|
Условия
выбора или проверки
|
|
Uсети = 220 кВ;
Iпрод.расч. = 84,4 А.
|
Uном = 220 кВ;
Iном = 200 А;
Класс точности - 3.
|
По
условиям длительного режима: Uном ≥ Uсети; Iном ≥ Iпрод.расч.
|
tРЗ.рез = 1,2 с
По
термической стойкости:
Выбор трансформаторов тока в ячейках КРУ 6 кВ в
цепи трансформатора.
Таблица 6.10. Трансформатор тока типа ТШЛК-10-4000/5.
|
Расчётные
данные
|
Каталожные
данные
|
Условия
выбора или проверки
|
|
Uсети = 6 кВ; Iпрод.расч. = 3079,2
А.
|
Uном = 10 кВ; Iном = 4000 А;
Класс точности - 0,5; Z2 = 0,8 Ом.
|
По
условиям длительного режима: Uном ≥ Uсети; Iном ≥ Iпрод.расч.
|
tРЗ.рез = 2,6 с
По
термической стойкости:
Рис. 6.1. Схема соединений приборов для цепи 10
кВ трансформатора.
Параметры токовых обмоток приборов представлены
в таблице 6.11.
Таблица 6.11
|
Наименование
прибора
|
Тип
прибора
|
Мощность
обмоток в фазах, Ом
|
|
|
А
|
В
|
С
|
|
Амперметр
|
Э377
Класс точности 1,5
|
-
|
0,1
|
-
|
|
Ваттметр
|
Д365
Класс точности 1,5
|
0,1
|
-
|
0,1
|
|
Варметр
|
Д365
Класс точности 2,5
|
0,1
|
0,1
|
0,1
|
|
Счётчик
активной энергии
|
СА4У-И675М
Класс точности 2,0
|
2,5
|
-
|
2,5
|
|
Счётчик
реактивной энергии
|
СР4У-И673М
Класс точности 2,0
|
2,5
|
2,5
|
2,5
|
Наиболее загружены фазы А и С. Для них считается
сопротивление:
;
;
.
Выбирается провод с сечением q = 4 мм2
по условию механической прочности.
Выбор трансформаторов тока в ячейках
КРУ 6 кВ в цепи кабельной линии.
Таблица 6.12. Трансформатор тока
типа ТЛК-10-300/5.
|
Расчётные
данные
|
Каталожные
данные
|
Условия
выбора или проверки
|
|
Uсети = 6 кВ; Iпрод.расч. = 255 А.
|
Uном = 10 кВ; Iном = 300 А;
Класс точности - 0,5; Z2 = 0,4 Ом.
|
По
условиям длительного режима: Uном ≥ Uсети; Iном ≥ Iпрод.расч.
|
tРЗ.рез = 1,6 с
По
термической стойкости:
Рис. 6.2. Схема соединений приборов для цепи 10
кВ трансформатора.
Параметры токовых обмоток приборов представлены
в таблице 6.13.
Таблица 6.13
|
Наименование
прибора
|
Тип
прибора
|
Мощность
обмоток в фазах, Ом
|
|
|
А
|
В
|
С
|
|
Амперметр
|
Э377
Класс точности 1,5
|
-
|
-
|
0,1
|
|
Счётчик
активной энергии
|
СА4У-И675М
Класс точности 2,0
|
2,5
|
-
|
2,5
|
|
Счётчик
реактивной энергии
|
СР4У-И673М
Класс точности 2,0
|
2,5
|
-
|
2,5
|
Наиболее загружены фазы А и С. Для них считается
сопротивление:
;
;
;
.
Выбирается провод с сечением q = 4 мм2
по условию механической прочности.
Выбор трансформаторов тока в ячейках
КРУ 6 кВ в цепи секционного выключателя.
Выбор трансформатора тока типа
ТШЛК-10-2000/5 представлен в таблице 6.14.
Таблица 6.14
|
Расчётные
данные
|
Каталожные
данные
|
Условия
выбора или проверки
|
|
Uсети = 6 кВ; Iпрод.расч. = 1847,52
А.
|
Uном = 10 кВ; Iном = 2000 А;
Класс точности - 0,5; Z2 = 0,8 Ом.
|
По
условиям длительного режима: Uном ≥ Uсети; Iном ≥ Iпрод.расч.
|
tРЗ.рез = 2,1 с
По
термической стойкости:
Параметры токовых обмоток приборов представлены
в таблице 6.15.
Таблица 6.15
|
Наименование
прибора
|
Тип
прибора
|
Мощность
обмоток в фазах, Ом
|
|
|
А
|
В
|
С
|
|
Амперметр
|
Э377
Класс точности 1,5
|
-
|
0,1
|
-
|
Наиболее загружены фазы А и С. Для них считается
сопротивление:
;
;
.
Выбирается провод с сечением q = 4 мм2
по условию механической прочности.
Выбор трансформаторов напряжения,
устанавливаемых на секциях шин 6 кВ.
Выбор трансформатора напряжения
типа: 3НОЛ.06-6У3 представлен в таблице 6.16.
Таблица
|
Расчётные
данные
|
Каталожные
данные
|
|
Uном.сети = 6 кВ; S2 = 531/8
В·А.
|
U1 = 10000/√3
В; U2 = 100/√3
В; Uд = 100/3
В; Группа соединения: Y/Y/Δ - 0;
Класс точности - 0,5; S2ном = 75 В·А.
|
В типе трансформатора:
Н - трансформатор напряжения;
О - однофазный;
Л - с литой изоляцией;
- шифр разработки;
- класс номинального напряжения, кВ.
Параметры обмоток напряжения приборов
представлены в таблице 6.17.
Таблица 6.17
|
Наименование
прибора
|
Тип
|
Число
катушек
|
Потребляемая
мощность одной катушки, В·А
|
Число
приборов
|
P,
Вт
|
Q,
В·А
|
|
Вольтметр
|
Э-377
|
1
|
2
|
1
|
2
|
0
|
|
Счетчик
активной энергии
|
СА4У-И675М
|
2
|
12(3)
|
11
|
66
|
256
|
|
Счетчик
реактивной энергии
|
СР4У-И676М
|
3
|
8(2)
|
11
|
66
|
256
|
|
Ваттметр
|
Д-365
|
2
|
1,5
|
1
|
3
|
0
|
|
Варметр
|
Д-365
|
3
|
1,5
|
1
|
4,5
|
0
|
|
139,5
|
512
|
.
Так как
необходимо
установить дополнительные трансформаторы напряжения типа НОЛ.08-10У2 (по [3]
стр. 328, табл. 5.13), число которых:
.
Параметры дополнительных
трансформаторов напряжения представлены в таблице 6.17.
Таблица 6.17
|
Расчётные
данные
|
Каталожные
данные
|
|
Uном.сети = 6 кВ; S2 = 531/8
В·А.
|
U1 = 10000
В; U2 = 100 В;
Группа соединения: Y/Y - 0;
Класс точности - 0,5; S2ном = 50 В·А.
|
На высшем напряжении устанавливается
трансформатор напряжения типа: НКФ-220-58У1 ([3] стр. 336, табл. 5.13.) с
параметрами: U1
= 220000/√3 В; U2
= 100/√3 В; Uд
= 100 В; группа соединения: Y/Y/Δ
- 0; класс точности - 0,5; S2ном
= 400 В·А.
Выбор ошиновки цепи силового
трансформатора
Ошиновка на высшем напряжении
выполняется проводом АС-240/32 ([3] стр. 428, табл. 7.35) с
, выбранным
согласно ПУЭ по условию отсутствия короны.
Ошиновка трансформатора от выводов
до КРУ выполняется гибкой связью из пучка алюминиевых и сталеалюминевых
проводов. При этом в качестве несущих будут два сталеалюминевых провода
АС-185/29, а токоведущих - провода А-185; число последних выбирается исходя из
условия:
.
Проверка по термической стойкости
выбранного сечения:
Шинный мост выполняется с помощью
прямоугольных алюминиевых шин с размерами: h = 10 мм, b = 120 мм и
поперечным сечением s = 9,57 см2. При этом:
.
Проверка по термической стойкости выбранного
сечения:
Проверка по динамической
устойчивости к действию токов короткого замыкания.
Критическая длина пролёта:
,
где:
- момент инерции относительно оси
прямоугольного проводника, перпендикулярной действию силы, при установке шин
«на ребро».
Сила, действующая на пролёт при
трёхфазном коротком замыкании:
.
Изгибающий момент от междуфазных
усилий:
.
Механические напряжения в материале
шин от междуфазных усилий:
,
где:
- момент сопротивления шины
относительно оси, перпендикулярной действию силы.
Алюминиевые шины выполняются из
алюминия марки АДО:
.
Для шинного моста выбираются
изоляторы ([3] стр. 284, табл. 5.7) типа: С4-80-УХЛ1 высотой H = 190 мм, с
Uном =6 кВ по
условиям:
;
.
Выбор силовых
кабелей 10 кВ
Сечение силовых кабелей:
,
где:
;
- экономическая плотность тока по
[2] стр. 98, табл. 3.35 для кабеля с бумажной пропитанной изоляцией и
алюминиевыми жилами при
.
Выбирается кабель типа: ААШвУ-6-3×150 с
алюминиевыми жилами в бумажной изоляции с вязкой пропиткой в алюминиевой
оболочке усовершенствованный [2] стр.90 табл. 3.25.
Проверка по допустимому току по
условиям прокладки кабеля:
.
Кабель по допустимому току проходит.
Коэффициент фактической загрузки в
режиме перегрузки:
.
Коэффициент предварительной
загрузки:
.
Поскольку коэффициент перегрузки не
превышает единицы, кабель в проверке по перегрузке не нуждается.
Проверка по условию термической
стойкости:
Кабель ААШвУ-6-3×185 по
термической стойкости проходит.
Меры техники безопасности и
противопожарной техники. Требования производственной санитарии
Рабочее освещение является основным видом
освещения и предусматривается во всех помещениях подстанций, а также на
открытых участках территории, где в темное время суток может производиться
работа или происходить движение транспорта и людей. Рабочее освещение включает
в себя общее стационарное освещение напряжением 220 В, переносные светильники
12 В, местное освещение с напряжением 36 В. Питание шин рабочего освещения
осуществляется от трансформаторов собственных нужд.
Аварийное освещение выполняется в помещениях
щита управления релейных панелей и силовых панелей собственных нужд, аппаратной
связи. Питание сети аварийного освещения нормально осуществляется c
шин собственных нужд 0,4/0,23 кВ переменного тока, а при его исчезновении
автоматически переводиться на шины оперативного постоянного тока.
Для освещения помещений подстанций используются
обычные лампы накаливания. Для освещения открытых распределительных устройств
используются прожекторы, которые устанавливаются группами на опорах
молниеотводов открытого распределительного устройства.
Трансформаторы и линии высокого напряжения
подстанции могут являться источником шума и радиопомех. Последнее - в случае
возникновения коронного разряда на ошиновке. При выборе места строительства
подстанции учитываются допустимые уровни шума за пределами защитной зоны. Для
предотвращения возникновения короны выбирается провод завышенного сечения, а
также предпринимаются меры для выравнивания электрического поля вблизи проводов
и, особенно, в местах соединений с оборудованием.
Обслуживание открытого распределительного
устройства осложняется неблагоприятными погодными условиями, когда невозможно
создать комфортную рабочую обстановку. В помещении, где находятся КРУ,
предусмотрена система вентилирования воздуха и отопления.
Техника
безопасности
Для безопасности обслуживающего персонала и
посторонних людей на подстанции предусматривается выполнение ограждений
электроустановок, находящихся под высоким напряжением и территории подстанции в
целом. ОРУ-220 кВ имеет ограждение высотой 1,8 метров. Подстанция имеет
ограждение по всему периметру высотой 2,0 метра. Ограждения выполнены из
сетчатых панелей, укреплённых на бетонных блоках. При этом при монтаже и
обслуживании электроустановки необходимо соблюдать требуемые изоляционные
расстояния.
Наименьшие изоляционные расстояния представлены
в таблице 7.1.
Таблица 7.1
|
Расстояния
|
Расстояния
в распределительном устройстве, мм
|
|
РУ-220
кВ
|
РУ-6 кВ
|
|
1.
От токоведущих частей и элементов изоляции до заземлённых конструкций и
ограждений высотой не менее 2 метров.
|
1800
|
200
|
|
Между
токоведущими частями разноимённых фаз
|
2000
|
220
|
|
2.
От токоведущих частей и элементов изоляции до транспортируемого оборудования
и ограждений высотой до 1,6 метра.
|
|
|
|
3.
Между неограждёнными проводниками разных цепей, расположенных на разной
высоте, при обслуживании нижней цепи и неотключенной верхней, по вертикали
|
3000
|
950
|
|
4.
От неограждённых токоведущих частей до поверхности земли при наибольшем
провесе проводов
|
4500
|
2900
|
|
5.
Между токоведущими частями разных цепей, расположенных на одной высоте, при
обслуживании одной и неотключенной другой частями
|
3800
|
2200
|
|
6.
От ножа разъединителя в отключенном положении до проводника, присоединённого
к противоположному контакту той же фазы
|
2200
|
240
|
При обслуживании РУ персоналом необходимо также
обеспечивать требуемые безопасные расстояния до элементов, находящихся под
напряжением. При чистке и обмывке изоляторов ОРУ струёй воды необходимо, чтобы
расстояние до ствола брандспойта было не менее 6 метров. Минимальное расстояние
до токоведущих частей при работе на ОРУ-220 кВ для человека и применяемых им приспособлений
2 метра.
Кроме того, применяется специальная окраска
элементов электроустановок. Шины разных фаз трёхфазной системы окрашиваются:
фаза А - в жёлтый цвет, фаза В - зелёный и фаза С - в красный по всей длине
либо в местах присоединения. Нулевой провод окрашивается в голубой цвет или
полосами жёлтого и зелёного, в случае если он является защитным. Шинки
однофазной системы обозначаются соответственно жёлтым (А) и красным (В). Шинки
постоянного тока - красным (+) и синим (-). Резервные шины - поперечными
полосами цветов резервируемых шин.
Рукоятки приводов заземляющих ножей окрашиваются
в красный цвет.
В распределительных устройствах
предусматривается блокировка, исключающая выполнение заведомо неправильных
команд оперативного персонала и доступ к управлению лиц, не имеющих допуска. В
приводах разъединителей имеются механические блокировки, не допускающие
одновременное включение рабочих и заземляющих ножей. Существуют
электромеханические блокировки, не допускающие отключения разъединителей до тех
пор, пока не будет отключен выключатель.
По территории ОРУ подстанции должен быть
обеспечен проезд для автомобильного транспорта с улучшенной грунтовой
поверхностью, с засевом травы. В ОРУ 220 кВ предусмотрен проезд вдоль
выключателей передвижных монтажно-ремонтных механизмов, а также передвижных
лабораторий, габарит проезда должен быть не менее 4м по ширине и высоте. КРУ
должно быть расположено на спланированной площадке, на высоте не менее 0,2
метра от уровня планировки с устройством площадки для обслуживания.
Корпуса трансформаторов, выключателей и других
аппаратов, а также нетоковедущие части электроустановок, могущие оказаться под
напряжением, заземляются в целях защиты персонала от возможного поражения
электрическим током. На территории ОРУ-220 кВ выполняется заземляющее
устройство, состоящее из проложенных горизонтально в земле, на глубине не менее
0,6 метра, стальных полос и, приваренных к ним, вертикально проложенных
стальных труб (или уголков). Число заземлителей, образующих контур,
определяется величиной максимального допустимого сопротивления защитного
заземления, которое в установках выше 1 кВ с глухозаземлённой нейтралью не
должно превышать 0,5 Ом.
Всё оборудование выбрано в данной работе с
учётом возможных эксплуатационных и аварийных перегрузок так, чтобы исключить
возможность их повреждения, угрожающего безопасности людей.
Для защиты от прямых ударов молнии в
электрооборудование подстанции на шинных порталах в ОРУ-220 кВ и отдельно
устанавливаются молниеотводы, соединённые с заземляющим устройством так, чтобы
сопротивление не превышало 80 Ом. Подходы воздушных линий электропередачи
защищены тросами. В нейтралях трансформаторов и на отходящих линиях установлены
нелинейные ограничители перенапряжений типа ОПН-220 для защиты от набегающих
волн перенапряжений грозовых или коммутационных импульсов.
Пожарная
безопасность
Основную опасность для возникновения и развития
пожара на подстанции представляет маслонаполненное оборудование, кабельные
туннели и помещения с кислотными аккумуляторными батареями и устройствами
подзаряда. В последних, кроме того, возможен взрыв. Элегаз выключателей,
применяемых на подстанции, не поддерживает горение.
Здания мастерских и общеподстанционного пункта
управления относятся к категории Д по пожарной и взрывной опасности и должны
быть выполнены из материалов III
или IV степени
огнестойкости.
Силовые трансформаторы установлены на расстоянии
более 15 метров, поэтому возводить между ними противопожарную перегородку нет
необходимости. Фундамент выполняется из несгораемых материалов. Под
трансформатором сооружается маслоприёмник, выступающий за габариты
трансформатора на 1,5 метра заполненный гравием и рассчитанный на приём 100%
масла. Для тушения пожара предусматривается водопровод с питанием от
самостоятельного источника водоснабжения.
Технико-экономические показатели
подстанции
1) Установленная
мощность подстанции:
МВА,
где
- номинальная мощность одного
трансформатора,
- количество трансформаторов на
подстанции.
2) КПД
подстанции средневзвешенный:
,
где
- годовой отпуск энергии
потребителям,
- годовые потери энергии в
трансформаторах.
МВт*ч.
,
где
и
- потери в трансформаторе;
- мощность на i-ой ступени
графика;
- продолжительность i-ой ступени
графика.
Для ТРДН-32000/220
=45 кВт,
=150 кВт.
.
3) Время
использования установленной мощности:
Итоговые данные по подстанции
сведены в табл. 9.1.
Таблица 9.1
|
Установлена
мощность ПС, МВА
|
, % ,
МВт*ч/год , ч
|
|
|
|
64
|
99,5
|
253561
|
3960.36
|
Список литературы
.Правила
устройства электроустановок/ Минэнерго СССР. - 6-е изд., перераб. и доп. - М.:
Энергоатомиздат, 1986.
.Справочник
по проектированию электрических сетей. Под ред. Д.Л.Файбисовича. - М.: Изд-во
НЦ ЭНАС, 2005.
.Электрическая
часть электростанций и подстанций: Справочные материалы для курсового и
дипломного проектирования: Учеб. пособие для вузов. - 4-е изд., перераб. и доп.
- М.: Энергоатомиздат, 1989.
.Козулин
В.С., Рассказчиков А.В. Понизительная подстанция. Методические указания по
выполнению курсового проекта. - Иваново., 1998.
.Электрическая
часть станций и подстанций: Ученик для вузов. Под ред. А.А.Васильева. - М.:
Энергия, 1980.
.Охрана
труда: Учебник для студентов вузов. Под ред. Б.А.Князевского. - 2-е изд.,
перераб. и доп. - М.: Высшая школа, 1982.