Описание объекта энергоснабжения и расчет тепловых нагрузок
Содержание
Введение
. Описание объекта
энергоснабжения и расчет тепловых нагрузок
.1 Общая характеристика
предприятия
.2 Анализ производственного
потребления ТЭР ОАО «Борисовдрев»
.2.1 Производство
древесноволокнистых плит
.2.2 Производство спичек
.2.3 Производство фанеры
.3 Определение
теплопотребления района теплофикации
.3.1 Климатологические данные
района теплофикации
.3.2 Определение расчетных
расходов тепла на отопление по укрупненным показателям
.3.3 Расчетный расход тепла
на вентиляцию промышленных зданий
.3.4 Расход тепла на горячее
водоснабжение промышленных зданий
.3.5 Расчетный расход тепла
на отопление жилых и общественных зданий
.3.6 Расчетный расход тепла
на горячее водоснабжение жилого района
.4 Построение годового
графика тепловой нагрузки
. Назначение и общая
характеристика котельной
.1 Тепловая схема котельной
. Расчет и анализ балансов
энергии и эксергии
.1 Энергетический баланс
производства тепловой энергии
.1.1 Энергетический баланс
блока «Котлоагрегаты»
.1.2 Энергетический баланс
блока «РОУ»
.1.3 Энергетический баланс
блока «ПСВ»
.1.4 Энергетический баланс
блока «Деаэратор»
.1.6 Общий энергетический
баланс производства тепловой энергии
.2 Эксергетический баланс
производства тепловой энергии
.2.1 Эксергетический баланс
блока «Котлоагрегаты»
.2.2 Эксергетический баланс
блока «РОУ»
.2.3 Эксергетический баланс
блока «ПСВ»
.2.4 Эксергетический баланс
блока «Деаэратор»
.2.7 Общий эксергетический
баланс производства тепловой энергии
.3 Анализ полученных балансов
энергии и эксергии
. Работка мероприятий по
модернизации и повышению эффективности энергопотребления
.1 Характеристика
турбогенераторной установки Р-2,5-2,1/0,6
.2 Система охлаждения
турбогенераторной установки
.3 Компоновочные и
технологические решения
.4 Режимы использования
турбогенераторной установки
.5 Расчет и анализ балансов
энергии и эксергии после установки паровой турбины
.5.1 Энергетический и
эксергетический балансы блока «Котлоагрегаты»
.5.2 Энергетический и
эксергетический балансы блока «РОУ»
.5.3 Энергетический и
эксергетический балансы блока «ПСУ»
.5.4 Энергетический и
эксергетический балансы блока «ПСВ»
.5.5 Энергетический и
эксергетический балансы блока «Деаэратор»
.5.6 Общий энергетический и
эксергетический балансы производства тепловой энергии
.6 Анализ полученных балансов
энергии и эксергии
. Расчёт сетевого
подогревателя
.1 Выбор сетевого
подогревателя
.2 Конструктивный расчёт
сетевого подогревателя
.3 Гидравлический расчёт
сетевого подогревателя
. Контрольно-измерительные
приборы и автоматика
.1 Автоматика регулирования
.2 Автоматическая защита85
.3 Описание компоновки и
коммутации щита КИПиА
. Охрана труда
.1 Производственная санитария
и техника безопасности
.2 Пожарная безопасность
.3 Изменение условий труда в
результате мероприятий по повышению эффективности энергопотребления
.4 Характеристика
электростанции паротурбинной Р-2,5-2,1/0,6 по условиям воздействия на
окружающую среду и обслуживающий персонал
. Электротехническая часть
проекта
.1 Расчёт токов короткого
замыкания
.2 Присоединение
турбогенератора
.3 Расчёт электропотребителей
второй секции шин
. Экономика
.1 Расчёт
технико-экономических показателей котельной
.2 Организация ремонтных
работ
Библиография
ВВЕДЕНИЕ
Республика Беларусь не располагает достаточными запасами
топливно-энергетических ресурсов. За счет собственной энергетической сырьевой
базы покрывается около 15% потребности в энергии. На закупку топлива и
электрической энергии затрачиваются значительные валютные средства, поэтому
энергосбережение является приоритетом государственной политики в решении
энергетической проблемы в стране.
Энергетическое обследование предприятий, учреждений, организаций,
расположенных на территории Республики Беларусь проводится в соответствии с
Законом Республики Беларусь об энергосбережении в целях оценки эффективности использования
топливно-энергетических ресурсов и обеспечения их экономии.
По материалам энергетического обследования на предприятиях
разрабатываются энергосберегающие мероприятия, программы энергосбережения на
последующие годы.
Одним из эффективных направлений энергосбережения и снижения стоимости
энергоносителей является увеличение выработки электроэнергии на тепловом
потреблении, поэтому в последнее время расширяются масштабы сооружения малых
ТЭЦ (мощностью до 50 МВт), а также мини-ТЭЦ (мощностью до 10 МВт). Как правило,
такие ТЭЦ создаются по инициативе самих потребителей электрической и тепловой
энергии. При сооружении собственного источника энергии одновременно решаются
две задачи: во-первых, потребитель становится менее зависим от энергосистемы, а
во-вторых, электроэнергия, вырабатываемая собственной ТЭЦ обходится потребителю
в зависимости от конкретных условий в 1,5-2 раза дешевле, чем энергия,
покупаемая в энергосистеме. Указанное экономическое преимущество достигается
при оборудовании мини-ТЭЦ простейшими противодавленческими турбинами. Основным
условием их эффективного применения является наличие стабильной в течение года
тепловой нагрузки. Дополнительное экономическое преимущество мини-ТЭЦ -
небольшая протяженность тепловых сетей, а следовательно, и малая величина
теплопотерь в них.
В настоящее время в большинстве промышленных и отопительных котельных,
оборудованных паровыми котлами, осуществляется дросселирование свежего пара с
целью получения пара нужных параметров, либо на котлах поддерживается пониженное
необходимое давление. В обоих случаях недоиспользуется потенциальная энергия
пара, полученная от сжигаемого топлива.
При установке в таких котельных паровых противодавленческих турбин малой
мощности (400-3500 кВт) бесполезно теряемый теплоперепад пара можно
использовать для выработки дешевой электрической энергии. При этом увеличение
абсолютного расхода топлива по котельной, связанное с производством
электроэнергии, составляет не более 5-7% по отношению к расходу топлива,
затрачиваемому на производство тепловой энергии. Вырабатываемая электроэнергия
идет на покрытие собственных нужд котельной и предприятия, где сна находится, а
ее избыток может подаваться в энергосистему.
При заданных тарифах на электроэнергию для промышленных предприятий и
стоимости топлива срок окупаемости затрат, связанных с установкой в котельной
турбогенераторов, зависит от их эффективности эксплуатации турбогенераторов и
числа часов их использования в течение года.
1. Описание
объекта энергоснабжения и расчет тепловых нагрузок
.1 Общая
характеристика предприятия
Открытое акционерное общество «Борисовдрев» структурно входит в концерн
«Беллесбумпром», расположено в г.Борисове на одной производственной площадке и
имеет следующие производства:
– цех древесноволокнистых плит (ДВП);
– спичечную фабрику;
– фанерный цех с участком гнутоклеенных деталей;
– цех деревообработки;
– цех пенополиуретана.
Имеется также: водонасосная станция, компрессорная, ремонтно-механический
цех, ремонтно-строительный участок, электроцех, автотранспортный цех, склады,
клуб, административный корпус.
На предприятии имеется собственная котельная, снабжающая тепловой
энергией в виде пара и горячей воды собственное производство, а также другие
предприятия города, объекты социальной сферы и жилищно-коммунальное хозяйство.
Тепловая энергия в цехах расходуется на технологические нужды, на
отопление и вентиляцию. В качестве теплоносителя на технологические нужды
используется насыщенный пар двух давлений. На отопительно-вентиляционные нужды
используется горячая вода и, частично, пар.
Электроснабжение площадки предприятия осуществляется от двух подстанций
110 кВ: «Борисов-северная» и «Борисов-южная» по четырем линиям, питающим ТП-354
предприятия.
Объемы выпускаемой продукции, фактический расход ТЭР за период 1999-2001гг.,
удельные расходы энергоресурсов на единицу выпускаемой продукции за указанный
период приведены в табл.1.1. Планируемые объемы выпуска продукции на 2002г.
приведены в табл.1.2. Доля энергозатрат в себестоимости продукции по видам
продукции в 2001г. представлена в табл.1.3. Организационная структура службы
главного энергетика представлена на рис.1.1.
Таблица 1.1
Объемы выпускаемой продукции и расход ТЭР
|
№ п/п
|
Вид продук-ции
|
Объем произведенной продукции
|
Удельный расход на ед. продукции
|
Фактический расход ТЭР
|
|
|
Годы
|
Годы
|
Годы
|
|
|
Ед. изм.
|
1999
|
2000
|
2001
|
Ед. изм.
|
1999
|
2000
|
2001
|
Ед. изм.
|
1999
|
2000
|
2001
|
|
1
|
2
|
3
|
4
|
5
|
6
|
7
|
8
|
9
|
10
|
11
|
12
|
13
|
14
|
|
Электроэнергия
|
|
1
|
Древесно-волокн. плиты
|
тыс. м2
|
7670
|
7717
|
7296
|
1,911,841,8тыс. кВт×ч156321473913140
|
|
|
|
|
|
|
|
|
2
|
Подъем и перекачка воды
|
тыс. м3
|
860
|
1510
|
2100
|
1,091,070,971тыс. кВт×ч90316412040
|
|
|
|
|
|
|
|
|
3
|
Пенополи-уретан
|
т
|
140
|
127
|
17
|
505,5505,5505,5тыс. кВт×ч71648
|
|
|
|
|
|
|
|
|
4
|
Фанера ГКД
|
м3
|
9803
|
11289
|
14989
|
74,9474,874,12тыс. кВт×ч7438461111
|
|
|
|
|
|
|
|
|
5
|
Дерево-обработка
|
м3
|
2133
|
1872
|
2085
|
252525тыс. кВт×ч534752
|
|
|
|
|
|
|
|
|
6
|
Спички
|
тыс.усл. ящ.
|
1194
|
1227
|
1154
|
кВт×ч/ тыс. усл. ящ.
|
1580
|
1498,3
|
1511,3
|
тыс. кВт×ч
|
1902
|
1939
|
1744
|
|
Тепловая энергия
|
|
1
|
Древесно-волокн. плиты
|
тыс. м2
|
7670
|
7717
|
7296
|
38,137,536,9ГДж293848293743269224
|
|
|
|
|
|
|
|
|
2
|
Пенополиуретан
|
т
|
140
|
127
|
17
|
158691586915869ГДж22232014272
|
|
|
|
|
|
|
|
|
3
|
Фанера ГКД
|
м3
|
9803
|
11289
|
14989
|
804280308035ГДж7888390783120426
|
|
|
|
|
|
|
|
|
4
|
Дерево-обработка
|
м3
|
2133
|
1872
|
2085
|
816581658093ГДж198251528316874
|
|
|
|
|
|
|
|
|
5
|
Спички
|
тыс. усл. ящ.
|
1194
|
1227
|
1154
|
МДж/ тыс. усл. ящ
|
118848
|
104604
|
104742
|
ГДж
|
126477
|
129835
|
120875
|
|
6
|
Обогрев и вентиля-ция
|
Тыс .м3× сут. оС
|
1395
|
1395
|
1395
|
МДж/ тыс. м3Ч Чсут.Ч ЧоС
|
78
|
78
|
78
|
ГДж
|
116047
|
111324
|
108640
|
|
7
|
Горячее водо-снабжение
|
чел.
|
1749
|
1821
|
1723
|
МДж/чел.
|
2868
|
2868
|
2868
|
ГДж
|
5016
|
5221
|
4940
|
|
|
|
|
|
|
|
|
|
|
|
|
|
|
|
|
|
|
|
|
|
|
|
|
|
|
Таблица 1.2
Планируемые объемы выпуска продукции на 2002 г.
|
№ п/п
|
Наименование
|
Ед. изм.
|
Кол-во
|
|
1
|
Древесноволокнистые плиты
|
Тыс. м2
|
7600
|
|
2
|
Пенополиуретан
|
т
|
300
|
|
3
|
Фанера и гнутоклееные детали
|
м3
|
10900
|
|
4
|
Деревообработка
|
м3
|
2100
|
|
5
|
Спички
|
Тыс. усл. ящ.
|
1250
|
|
6
|
Подъем и перекачка воды
|
м3
|
2300
|
Таблица 1.3.
Доля энергозатрат в себестоимости продукции по видам продукции в 2001 г.
|
№ п/п
|
Вид продукции
|
Вид энергии, топлива
|
|
|
Теплоэнергия, %
|
Электроэнергия, %
|
Газ, %
|
|
1
|
Древесноволокнистые плиты
|
29
|
18,9
|
-
|
|
2
|
Фанера и гнутоклееные детали
|
13
|
1,5
|
-
|
|
3
|
Спички
|
5,7
|
1,1
|
-
|
|
4
|
Производство теплоэнергии
|
-
|
6
|
66
|
Система учета энергоресурсов предусматривает два вида учета: коммерческий
(расчетный) и внутрипроизводственный. Коммерческий учет осуществляется в
соответствии с Правилами пользования электрической и тепловой энергией,
Правилами устройства электроустановок и другими нормативными материалами. На
предприятии осуществляется общецеховой учет тепловой и электрической энергии с
составлением ежесуточных отчетов (балансов). По отдельным группам энергоемких
потребителей также организован учет потребляемой энергии. Сведения об
установленных приборах учета расхода электроэнергии, газа, пара, горячей,
холодной и технической воды приведены в табл.6.
Однако учет тепловой и электрической энергии по отдельным процессам,
видам продукции, наиболее энергоемким агрегатам дифференцирован недостаточно и
требует дальнейшего развития.
На предприятии имеются утвержденные в установленном порядке нормы расхода
тепловой и электрической энергии.
Основные технологические процессы предприятия предусматривают непрерывный
(3-х сменный) режим работы. Однако в условиях недостаточной загруженности
предприятия заказами на продукцию возможна работа отдельных цехов в 1-2-х
сменном режиме. При этом руководство предприятия выбирает наиболее оптимальные
графики работы с учетом максимальной экономии энергоресурсов и финансовых
средств.
Рис.
1.1 Организационная структура службы главного энергетика.
1.2 Анализ
производственного потребления ТЭР ОАО «Борисовдрев»
Анализ производственного потребления ТЭР показывает, что тепловая энергия
является основным видом потребляемой энергии. На ее долю приходится 88,5% от
производственного потребления. Доля электроэнергии в структуре
энергопотребления соответственно составляет 11,5%. Структура производственного
потребления ТЭР за 2001г. представлена на круговой диаграмме рис.1.2.
Из общего потребления теплоэнергии в 2001г. в количестве 658984 ГДж на
технологические нужды затрачено 79,7%, остальное па отопление цехов,
административных зданий и горячее водоснабжение. Круговая диаграмма
производственного потребления тепловой энергии представлена на рис.1.3.
Анализ структуры потребления тепловой энергии по отдельным производствам
показывает, что наиболее энергоемким потребителем является производство
древесноволокнистых плит - 44,0% от общепроизводственного потребления.
Структура потребления теплоэнергии по отдельным производствам
представлена на рис.1.4. Структура производственного потребления
электроэнергии, в том числе отдельными производствами, представлена на круговых
диаграммах рис.1.5 и рис.1.6. Так как тепловая энергия является основным видом
потребляемой энергии, проведем далее углубленный анализ использования тепловой
энергии.
Рис.1.2 Структура производственного потребления ТЭР за 2001г.
Рис.1.3 Структура производственного потребления тепловой энергии
Рис.1.4 Структура потребления теплоэнергии отдельными производствами.
Таблица. 1.4
Потребление теплоэнергии отдельными производствами
|
№ п/п
|
Потребитель
|
ГДж
|
%
|
|
1
|
ДВП
|
269224
|
51,05
|
|
2
|
Спички
|
120875
|
22,9
|
|
3
|
Фанера и ГКД
|
120426
|
22,8
|
|
4
|
Пенополиуретан
|
272
|
0,05
|
|
5
|
Деревообработка
|
16874
|
3,2
|
|
Итого
|
527671
|
100
|
Общее потребление электрической энергии составляет 24140 тыс.кВт×ч, включая отопление и вентиляцию (см. табл. 1.5).
Рис. 1.5 Структура потребления электроэнергии отдельными производствами.
Таблица 1.5
Потребления электроэнергии отдельными производствами
|
№ п/п
|
кВт×ч
|
%
|
|
1
|
2
|
3
|
4
|
|
1
|
Котельная
|
4666
|
19,32
|
|
2
|
Спички
|
1939
|
8,03
|
|
3
|
Фанера и ГКД
|
866
|
3,59
|
|
4
|
ДВП
|
14768
|
61,18
|
|
5
|
Деревообработка и пенополиуретан
|
111
|
0,46
|
|
6
|
Подъем и перекачка воды
|
1641
|
6,80
|
|
7
|
Прочие
|
149
|
0,62
|
|
Итого
|
24140
|
100
|
Рис. 1.5 Структура производственного потребления электроэнергии
1.2.1
Производство древесноволокнистых плит
В технологии производства ДВП тепловая энергия на технологических
установках используется в виде пара 2-х параметров:
– давлением P1 = 2 МПа с температурой t = 370°С
– давлением Р2 = 1,3 МПа с температурой t = 250°С
В цехе ДВП пар давлением 2 МПа поступает на аккумулятор тепла, где идет
приготовление перегретой воды, которая в качестве теплоносителя подается на пресс
ДВП типа ПР-10М и в закалочные камеры. Расход тепловой энергии на
технологические нужды в производстве ДВП складывается из расходов по отдельным
технологическим процессам и состоит из расходов тепловой энергии на прессовую
установку, дефибраторы, закалочные камеры, установки приготовления эмульсии,
маслопропитки, мойки листов и сеток.
.2.2
Производство спичек
В технологии производства спичек тепловая энергия используется в виде
пара давлением Р = 0,6-0,7 МПа и температурой t = 250°С, поступающего по паропроводу из котельной и
используется в пропарочных камерах (только в отопительный период), сушильных
камерах, автоматах сушки соломки, сушильных аппаратах, красильных машинах.
.2.3
Производство фанеры
В технологии производства фанеры и гнутоклеенных деталей тепловая энергия
используется в виде пара 2-х параметров:
– давлением Р1 = 0,7 МПа с температурой t = 250-210°С
– давлением Р2 = 0,7 - 1,1 МПа с температурой t = 350-380°С
Пар давлением 1,1 МПа из КВД1, (рис.1.1), поступает на роликовые сушилки.
После сушилок отработанный пар поступает па цеховой коллектор смешения, где
смешивается с паром давлением 0,6 - 0,7 МПа, поступающим по компенсационному
паропроводу из РОУ-80 котельной и направляется следующим потребителям: на
клеевые пресса, отделения товаров народного потребления, варочные бассейны.
.3
Определение теплопотребления района теплофикации
Теплоснабжение промышленного района осуществляется от котельной. В
системе теплоснабжения абонентов, обеспечивающей тепловую нагрузку на
отопление, вентиляцию и горячее водоснабжение, в качестве теплоносителя
применяется вода. Система теплоснабжения закрытая, двухтрубная. Регулирование
отпуска тепла принято центральное, качественное по отопительной нагрузке.
.3.1
Климатологические данные района теплофикации
Для города Борисов имеем следующие данные:
1. Расчетная температура наружного воздуха для проектирования отопления
tно = -25оС.
2. Расчетная температура наружного воздуха для проектирования
вентиляции tнв = -10оС.
. Продолжительность отопительного периода nо= 203 суток.
4. Средняя
температура наружного воздуха за отопительный период
=-1 оС.
. Продолжение
стояния наружных температур за отопительный период указано в табл. 1.6.
Таблица 1.6
Продолжение стояния наружных температур за отопительный период
|
Температура, оС
|
-30
|
-25
|
-20
|
-15
|
-10
|
-5
|
0
|
8
|
|
Время стояния, ч.
|
4
|
19
|
71
|
132
|
235
|
644
|
1745
|
2022
|
.3.2
Определение расчетных расходов тепла на отопление по укрупненным показателям
Расчетный расход тепла на отопление определяется по формуле:
,
кВт,(1.1)
где m -
коэффициент инфильтрации;
V -
строительный объем здания по наружному обмеру, м3;
tв - внутренняя температура воздуха в
здании,°С;
tно - расчетная температура наружного
воздуха для отопления,°С;
q0 - отопительная характеристика здания, Вт/м3 К.
,(1.2)
где b- постоянная инфильтрации, с/м,
b = 37×10-3 дли промышленных
зданий;
b = 9×10-3 для общественных;
g-
ускорение свободного падения, м/с2;
L-
высота здания или этажа административного здания, м (14 м);
wв-
скорость ветра, м/с(4 м/с);
Tно,Tв- температура наружного и внутреннего воздуха, К.
Для промышленных зданий:
.
Для
общественных зданий:
Для
склада:
В
горячих цехах часть теплопотерь здания компенсируется внутренними
тепловыделениями. В этом случае расход тепла на отопление должен быть уменьшен
на величину тепловыделения, а расход остального подводимого тепла определится
из выражения:
,
кВт(1.3)
где
- внутренне тепловыделения здания, кВт.
Проведём расчёт расхода тепла на отопление заводских помещений, складов,
жилых и общественных помещений.
Административный корпус
кВт.
Цех
ДВП
кВт.
Склад
готовой продукции
кВт.
Для
остальных зданий и помещений результаты расчёта приведены в табл. 1.7.
.3.3
Расчетный расход тепла на вентиляцию промышленных зданий
Для промышленных помещений расход тепла на вентиляцию определяется по
следующей формуле:
,
кВт.(1.4)
где qв - вентиляционная характеристика здания, Вт/(м3×К)
tнв - расчетная температура наружного
воздуха для проектирования вентиляции, 0С.
Административный корпус
кВт.
Цех
ДВП
кВт.
Склад
готовой продукции
кВт.
Для
остальных зданий и помещений результаты расчёта приведены в табл. 1.7.
1.3.4 Расход
тепла на горячее водоснабжение промышленных зданий
Для промышленных помещений расход тепла на вентиляцию определяется по
следующей формуле:
,
кВт,(1.5)
где
m - число работающих в цехе (приближенно принимается
для производственных цехов m = 4×V×10-3 чел., для административных зданий m =
30×V×10-3
чел.);
a -
норма расхода воды на 1 работающего в смену, кг;
с = 4,19 кДж/(кг∙°С) - теплоемкость воды;
tгв = 65оС; tхв = 5оС - температура
горячей и холодной воды;
n -
продолжительность работы предприятия в 1 или 2 смены (8ч; 16ч).
Административный корпус
чел.
кВт.
Цех
ДВП
чел.
кВт.
Склад
готовой продукции
чел.
кВт.
Для
остальных производственных помещений данные расчёта потребления горячей воды
приведены в таблице 1.7.
.3.5
Расчетный расход тепла на отопление жилых и общественных зданий
Из общего расхода тепла на 1 жителя на отопление принимается 100%, т.е.
,
кВт.(1.6)
где qmax - укрупненная норма расхода тепла на
1 жителя, кВт;
m -
число жителей объекта.
Жилые здания
кВт.
Расчеты
остальных объектов аналогичны, поэтому сведем их в общую таблицу 1.8.
.3.6
Расчетный расход тепла на горячее водоснабжение жилого района
Расход тепла на горячее водоснабжение жилых районов определяется по
формуле:
,
кВт,(1.7)
где k- коэффициент часовой неравномерности
потребления горячей воды;
а- среднесуточный расход воды на 1 жителя ;
m-
число жителей района.
Жилые здания
кВт.
Школа
№22
кВт.
Расчеты
остальных объектов аналогичны, поэтому сведем их в общую таблицу 1.8.
Таблица.1.7
Расход тепла на отопление, вентиляцию и горячее водоснабжение промышленных
зданий
Помещение q0, Вт/(м3∙К) qв,
Вт/(м3∙К) Объём здания, 10-3 м3
,
кВт
,
кВт
,
|
кВт
|
|
|
|
|
Административный корпус
|
0,33
|
0,13
|
5
|
75,3
|
18,2
|
6,5
|
|
Цех ДВП
|
0,44
|
0,14
|
61
|
1,4∙103
|
239
|
17
|
|
Фанерный цех
|
0,44
|
0,14
|
64
|
1,47∙103
|
251
|
17,9
|
|
Спичечная фабрика
|
0,44
|
0,14
|
58
|
1,33∙103
|
227
|
16,2
|
|
Цех ППУ
|
0,44
|
0,14
|
23
|
0,53∙103
|
90,2
|
19,3
|
|
Ремонтно-механический цех
|
0,44
|
0,14
|
17
|
0,39∙103
|
66,6
|
14,2
|
|
Склад готовой продукции
|
0,22
|
0,14
|
50
|
0,46∙103
|
140
|
41,9
|
|
Гаражи
|
0,44
|
0,14
|
17
|
0,39∙103
|
66,6
|
14,2
|
|
Клуб
|
0,33
|
0,13
|
3,7
|
55,8
|
13,5
|
4,84
|
|
Всего
|
-
|
-
|
298,7
|
6,1∙103
|
1,1∙103
|
152,2
|
Таблица.1.8
Расход тепла на отопление и горячее водоснабжение жилого района
|
Помещение
|
qmax, кВт/чел.
|
m, чел.
|
а, кг/чел.
|
, кВт
|
, кВт
|
|
1
|
2
|
3
|
4
|
5
|
7
|
|
Жилые здания
|
1,24
|
3500
|
105
|
4,34∙103
|
510
|
|
Больница
|
1,24
|
130
|
80
|
161
|
14,4
|
|
Школа №22
|
1,24
|
850
|
80
|
1,05∙103
|
94,4
|
|
Детский сад №29
|
1,24
|
200
|
80
|
248
|
22,2
|
|
Всего
|
-
|
-
|
-
|
5,8∙103
|
642
|
1.4
Построение годового графика тепловой нагрузки
Минимальные расходы тепла на отопление определяются пересчетом по
формуле:
,
кВт.(1.8)
Минимальные
расходы тепла на вентиляцию определяются пересчетом по формуле:
,
кВт,(1.9)
где tо - температура наружного воздуха в конце отопительного
периода.
При tо = -250С
кВт.
При tо = -150С
кВт.
При
tо = -100С
кВт,
кВт.
При
tо = -50С
кВт,
кВт.
При
tо = 00С
кВт,
кВт.
При
tо = 50С
кВт,
кВт.
При
tо = 80С
кВт,
кВт.
Полученные
данные сводим в табл. 1.9 и строим годовой график тепловой нагрузки (рис. 1.6).
Рис. 1.6 Годовой график тепловой нагрузки
Таблица 1.9
Распределение тепловой энергии на отопление, вентиляцию и горячее
водоснабжение в течение года
|
Кол. часов
|
19
|
71
|
132
|
235
|
644
|
1745
|
2022
|
|
Qв, МВт
|
1,11
|
1,11
|
1,11
|
0,91
|
0,71
|
0,52
|
0,4
|
|
Qгв, МВт
|
0,8
|
0,8
|
0,8
|
0,8
|
0,8
|
0,8
|
0,8
|
|
Qот, МВт
|
11,9
|
10,5
|
9,1
|
7,8
|
6,4
|
5
|
2,8
|
|
QS, МВт
|
12,9
|
11,5
|
10,1
|
8,7
|
7,3
|
5,9
|
3,36
|
2. Назначение
и общая характеристика котельной
Котельная ОАО «Борисовдрев» является производственно-отопительной -
снабжает теплом собственное предприятие, промышленные предприятия города
(хрустальный завод, макаронная фабрика, банно-прачечный комплекс) и
жилищно-коммунальный сектор. Номинальная тепловая мощность котельной 410 ГДж/ч,
общая производительность пара 145 т/ч.
В котельной установлено 5 паровых котлов:
– 1 котел ДКВР-20/23 - производительность 20 т/ч, рабочее давление 2,4
МПа, температура пара 180°С, эксплуатируется с 1974 г.;
– 1 котел ДКВР-10/23 - производительность 10 т/ч, рабочее давление
2,4 МПа, температура пара 180°С, эксплуатируется с 1976 г.;
– 1 котел БМ-45 “Р” - производительность 45 т/ч, рабочее давление
2,4 МПа, температура пара 370°С, эксплуатируется с 1966 г.;
– 1 котел ДЕ-25´14 ГМ - производительность 25 т/ч, рабочее давление 1,4 МПа,
температура пара 180°С, эксплуатируется с 1987 г.;
– 1 котел ТП-45 “У” - производительность 45 т/ч, рабочее давление
2,4 МПа, температура пара 400°С, эксплуатируется с 1960 г.
Топливом для котла ДКВР-10/23 служат древесные отходы, для остальных
котлов - природный газ, резервное - мазут М100.
Для восполнения потерь рабочего тела используется техническая вода,
которая походит предварительную химическую и термическую обработку по схеме:
осветление - 2-х ступенчатое умягчение - деаэрация.
В котельной имеются две бойлерные установки:
– вторая - для отопительных нужд цехов и жилого района.
Подогрев воды на хозяйственно-бытовые нужды осуществляется до температуры
70°С, на отопление - по графику 95/70°С.
В мазутном хозяйстве котельной имеется две подземные железобетонные
емкости объемом по 1000 м3 каждая, два подогревателя мазута типа
ПВН-60, три мазутных насоса типа МВН-6. Давление мазута 1,9¸2,6 МПа.
Возврат конденсата от потребителя пара - 36% (сторонние потребители пара
полностью освобождены от возврата конденсата и некоторые производства ОАО по
технологии работают без возврата конденсата).
Котлы вырабатывают пар давлением 1,9¸2,1 МПа, температурой 350¸375°С, который используется на технологические нужды
предприятия, собственные нужды котельной и для нагрева воды в системе горячего
водоснабжения (см. рис.2.1)
В технологии используется пар высокого давления - 1,9 МПа и среднего
давления- 0,6 МПа. Баланс пара по котельной представлен в табл. 2.1.
Таблица 2.1
Баланс пара по котельной ОАО «Борисовдрев»
|
Приход, т/ч
|
Расход, т/ч (давление)
|
|
Отопительный период - будние дни
|
Котлы - 60¸80
|
Отопление и горячее водоснабжение - 15¸25 (0,7 МПа). Технологический пар -
5¸7 (1,9
МПа) - 37¸44 (0,7 МПа). Собственные нужды котельной - 3¸4 (0,7 МПа). Итого: 60¸80.
|
|
Неотопительный период - будние дни
|
Котлы - 45¸55
|
Горячее водоснабжение - 1¸2 (0,7 МПа). Технологический пар -
5¸7 (1,9
МПа) - 37¸43 (0,7 МПа). Собственные нужды котельной - 2¸3 (0,7 МПа). Итого: 45¸55
|
|
Отопительный период - выходные и праздничные дни
|
Котлы - 23¸39
|
Отопление и горячее водоснабжение - 20¸35 (0,7 МПа). Собственные нужды
котельной - 3¸4 (0,7 МПа). Итого: 23¸39
|
|
Неотопительный период - выходные и праздничные дни
|
Котлы - 4¸13
|
Горячее водоснабжение - 2¸10 (0,7 МПа). Собственные нужды
котельной -
2¸3 (0,7 МПа). Итого: 4¸13
|
|
Ремонтный месяц - будние дни
|
Котлы - 12¸23
|
Технологический пар - 10¸20 (0,7 МПа). Собственные нужды
котельной -
2¸3 (0,7 МПа). Итого: 12¸23
|
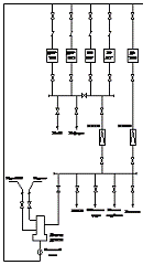
2.1 Тепловая
схема котельной
Тепловая схема - чертеж, на котором изображено основное и вспомогательное
оборудование котельнй и показана связь между этим оборудованием.
Пар от котлов ДКВР-20/23, ДКВР-10/23, БМ-35 и ТП-35 поступает на общий
коллектор высокого давления, а от котла ДЕ-25/14 - на коллектор никого
давления.
Далее с коллектора высокого давления часть пара идет на технологические
нужды, а часть поступает на редукционно-охладительные установки РОУ-23/6,
РОУ-14/6 (все производительностью 30 т/ч).
Редуцированный пар давлением 0,6ч0,7 МПа отпускается сторонним
потребителям, поступает на производство ОАО «Борисовдрев» и на нужды котельной:
на мазутное хозяйство, водоподогреватели и деаэратор атмосферного типа ДСА-150
(производительность 100 т/ч, емкость бака 75 м3).
Горячая вода для теплофикационных нужд приготавливается в трех бойлерных
установках ПСВ-63-7-15 и четырех пароводяных подогревателях 01ОСТ 34-531.68.
В котельной установлено следующее насосное оборудование:
1) сетевые насосы:
– 2 насоса Д-320/50, производительностью 320 м3/ч с
электродвигателями 55 кВт;
– 1 насос Д-320/70, производительностью 320 м3/ч с
электродвигателями 75 кВт;
2) питательные насосы:
– 3 насоса ПЭ-100 с электродвигателем 320 кВт;
– насос питательный с электродвигателем 315 кВт;
– насос питательный с электродвигателем 125 кВт;
3) насосы сырой воды - 2 шт.;
) 2 насоса горячего водоснабжения К-50/30 с электродвигателем 7,5 кВт.
Принципиальная тепловая схема котельной ОАО «Борисовдрев» изображена на
рис. 2.1.
Рис. 2.1
Принципиальная тепловая схема котельной ОАО «Борисовдрев»
3. Расчет и
анализ балансов энергии и эксергии
Для расчета энергетического, а в последствии и эксергетического баланса
примем следующую структурную схему (рис. 3.1), построенную на базе тепловой
схемы котельной, которая и будет являться исходными данными. На схеме отметим
все входящие и выходящие потоки и нанесём основные параметры этих потоков.
Рис. 3.1 Структурная схема
Полный баланс энергии записывается на основе закона сохранения энергии и
в общем виде представляет собой равенство входных и выходных энергетических
потоков:
,(3.1)
где
,
,
- входные потоки энергии, вносимые в систему с
материей, теплотой и работой соответственно;
,
,
- выходящие из системы потоки энергии с материей,
теплотой и работой соответственно;
- поток
теплоты между системой и окружающей средой;
-
изменение энергии в нестационарной системе.
В
балансе энергии, записанном в форме (3.1), не учитывается кинетическая и
потенциальная энергия потоков. В нашей системе изменение потенциальной и
кинетической энергии потоков пренебрежительно мало за исключением расширения
потока пара на лопатках турбины. Для котельной как стационарной системы (
= 0) уравнение баланса энергии (3.1) можно переписать
в виде:
(3.2)
Член
отсутствует, так как нигде в системе работа не
вырабатывается.
Энергетическая
эффективность системы на основе энергетического баланса количественно
выражается энергетическим коэффициентом полезного действия, который
определяется, как отношение значения полезных выходных потоков энергии к
значению затраченной энергии (все входные потоки):
(3.3)
При составлении энергетического баланса проще сначала составить
энергетические балансы элементов системы, рассмотренных на структурной схеме
(рис. 3.1). В данной системе уравнение теплового баланса (3.2) и выражение для
энергетического КПД (3.3) будут справедливы для каждого блока системы.
.1
Энергетический баланс производства тепловой энергии
.1.1
Энергетический баланс блока «Котлоагрегаты»
Рис. 3.2 Распределение потоков энергии в блоке «Котлоагрегаты»
Здесь рассматриваются энергетические потоки котлоагрегатов.
Входные потоки (потоки материи):
- топливо -
природный газ;
- воздух первичный на окисление и подсасываемый за счет
разряжения в газовом тракте;
- питательная вода;
- работа в виде электроэнергии расходуемая на привод
тягодутьевой системы котлов.
Выходные потоки (потоки материи):
- пар;
- уходящие дымовые газы.
Энергия топлива делится на химическую и термическую составляющую, причем
последняя в технических расчетах не учитывается:
,(3.4)
Где В - расход топлива, т/ч;
- низшая
теплота сгорания рабочей массы топлива, кДж/кг.
Таким образом для природного газа имеем:
Энергия
нетопливных материальных потоков рассчитывается через удельную энтальпию. Таким
образом, для j-го входного или выходного потока нетопливного
материала можем записать:
,(3.5)
где Ij- энтальпия потока;
Gj- массовый расход теплоносителя, кг/с;
ij- удельная энтальпия потока, кДж/кг.
Для воздуха, поступающего на окисление топлива, имеем:
,(3.6)
где
= 293,3 кДж/кг - энтальпия воздуха [2];
Расход воздуха на окисление топлива:
,(3.7)
кг/с;
Энергия
питательной воды на входе в котлы определится по формуле (3.5). На входе,
имеем:
кВт,
где
= 18 кг/с - расход питательной воды, берём из исходных
данных;
= 544,3
кДж/кг- энтальпия питательной воды [1].
На выходе имеем пар с параметрами Р= 2,1 МПа, t= 370 °C:
, кВт,
где
= 18 кг/с- общий расход пара;
= 3177
кДж/кг- энтальпия пара на выходе из котлов [1].
Энтальпия уходящих дымовых газов находится по формуле:
.(3.8)
Дымовые газы из котельной выходят с температурой 130°C. Энтальпя продуктов сгорания на 1 кг
топлива определяется по формуле:
.(3.9)
где:
- энтальпия газов при α=1 [3].
-
энтальпия теоретически необходимого количества воздуха [3].
кДж/кг;
кВт.
Электрическая
работа на входе в котлоагрегаты - это энергия дутьевых вентиляторов и
дымососов. Для данного блока она составляет 158 кВт.
Энергия
потоков тепла от ограждающих поверхностей определяется по формуле:
.(3.10)
где = 15 Вт/(м2°С) - коэффициент теплоотдачи со стороны стенки
котла в окружающую среду [4],
t = tпов - tос = 65-20 = 45оС - средний температурный напор
теплового потока Qoc;
F -
поверхность ограждающих конструкций, м2.
О
правильности составленного баланса нам скажет невязка баланса энергии -
разность входных и выходных потоков энергии, которая в соответствии с законом
сохранения энергии должна стремиться к нулю. Получаем Q = 0,94%, что
удовлетворяет точности технических расчетов.
Теперь
определим общий энергетический КПД котлоагрегатов по формуле (3.3), принимая за
полезный выход энтальпию потока пара:
.(3.11)
Расчет энергетических балансов для блока «Котлоагрегаты» и для остальных
блоков по схеме, а также общий энергобаланс производства записаны в сводных
таблицах энергетических балансов (табл. 3.1-3.6).
Таблица 3.1
Расчет блока «Котлоагрегаты»
|
№
|
Наименование потока
|
Исходные данные
|
Расчетная зависимость
|
Результаты расчета
|
|
|
Расход, кг/с
|
Энтальпия, кДж/кг
|
|
кВт
|
%
|
|
Входящие потоки
|
|
1
|
Топливо
|
0,96
|
4,8104
|
|
4,6∙104
|
76
|
|
2
|
Воздух на окисление
|
15,2
|
293,3
|
4,5∙1037,4
|
|
|
|
3
|
Питательная вода
|
18
|
544,3
|
9,8∙10316
|
|
|
|
4
|
Электроэнергия
|
--
|
--
|
--
|
158
|
0,3
|
|
Итого:
|
|
|
|
6,05∙104
|
100
|
|
Выходящие потоки
|
|
1
|
Пар (Р=2,1МПа)
|
18
|
3,18∙103
|
5,72∙10495
|
|
|
|
2
|
Уходящие газы
|
16,2
|
2∙103
|
|
1,91∙103
|
3,2
|
|
3
|
Потери тепла в ОС
|
-
|
-
|
|
800
|
1,3
|
|
Итого:
|
--
|
--
|
--
|
6∙104
|
100
|
|
Невязка баланса
|
--
|
--
|
--0,94
|
|
|
|
Полезный выход /к.п.д.
|
-
|
--
|
--95
|
|
|
.1.2
Энергетический баланс блока «РОУ»
Рис. 3.3 Распределение потоков в блоке «РОУ»
Таблица 3.2
Расчет блока «РОУ»
|
№
|
Наименование потока
|
Исходные данные
|
Расчетная зависимость
|
Результаты расчета
|
|
|
Расход, кг/с
|
Энтальпия, кДж/кг
|
|
кВт
|
%
|
|
Входящие потоки
|
|
1
|
Пар (Р=2,1МПа)
|
16,3
|
3,18∙103
|
5,18∙10499,7
|
|
|
|
3
|
Вода
|
1,2
|
125,6
|
|
151
|
0,3
|
|
Итого:
|
-
|
-
|
-
|
5,19∙104
|
100
|
|
Выходящие потоки
|
|
1
|
Пар (Р=0,6МПа)
|
17,5
|
2,95∙103
|
|
5,17∙104
|
98,6
|
|
3
|
Потери тепла в ОС
|
-
|
-
|
|
0
|
0
|
|
Итого:
|
--
|
--
|
--
|
5,17∙104
|
100
|
|
Невязка баланса
|
--
|
--
|
--0,46
|
|
|
|
Полезный выход /к.п.д.
|
-
|
--
|
--99,54
|
|
|
.1.3
Энергетический баланс блока «ПСВ»
Рис. 3.4 Распределение потоков в блоке «ПСВ»
Таблица 3.3
Расчет блока «ПСВ»
|
№
|
Наименование потока
|
Исходные данные
|
Расчетная зависимость
|
Результаты расчета
|
|
|
Расход, кг/с
|
Энтальпия, кДж/кг
|
|
кВт
|
%
|
|
Входящие потоки
|
|
1
|
Пар (Р=0,6МПа)
|
5,3
|
2,95∙103
|
|
1,57∙104
|
60
|
|
2
|
Обратная сетевая вода
|
36
|
293
|
1,06∙10440
|
|
|
|
Итого:
|
-
|
-
|
-
|
2,6∙104
|
100
|
|
Выходящие потоки
|
|
1
|
Прямая сетевая вода
|
36
|
628
|
2,26∙10486,7
|
|
|
|
2
|
Конденсат
|
5,3
|
632
|
3,35∙10312,8
|
|
|
|
3
|
Потери тепла в ОС
|
-
|
-
|
|
130
|
0,5
|
|
Итого:
|
--
|
--
|
--
|
2,61∙104
|
100
|
|
Невязка баланса
|
--
|
--
|
|
--
|
0,5
|
|
Полезный выход /к.п.д.
|
-
|
--
|
|
--
|
86
|
.1.4
Энергетический баланс блока «Деаэратор»
Рис. 3.5 Распределение потоков в блоке «Деаэратор»
Таблица 3.4
Энергетический баланс блока «Деаэратор»
|
№
|
Наименование потока
|
Исходные данные
|
Расчетная зависимость
|
Результаты расчета
|
|
|
Расход, кг/с
|
Энтальпия, кДж/кг
|
|
кВт
|
%
|
|
Входящие потоки
|
|
1
|
Пар (Р=0,6МПа)
|
1,2
|
2,9∙103
|
|
3,54∙103
|
42
|
|
2
|
Конденсат
|
5,3
|
632
|
3,35∙10340
|
|
|
|
3
|
Вода с ХВО
|
11,5
|
134
|
1,54∙10318
|
|
|
|
Итого:
|
-
|
-
|
-
|
8,44∙103
|
|
Выходящие потоки
|
|
1
|
Вода в котлы
|
18
|
461
|
8,3∙10398,6
|
|
|
|
2
|
Выпар
|
0,02
|
2,81
|
67,50,8
|
|
|
|
3
|
Потери тепла в ОС
|
-
|
-
|
|
50
|
0,6
|
|
Итого:
|
--
|
--
|
--
|
8,4∙103
|
100
|
|
Невязка баланса
|
--
|
--
|
|
-
|
0,37
|
|
Полезный выход /к.п.д.
|
-
|
--
|
|
--
|
98
|
.1.6 Общий
энергетический баланс производства тепловой энергии
Таблица 3.5
Общий энергобаланс котельной
|
№
|
Наименование входящего блока
|
Энергия, кВт
|
Итого
|
|
|
Qт
|
Iв-х
|
Iд.г
|
Iв
|
Iпар
|
Lэл
|
Iк
|
Q
|
кВт
|
%
|
|
Входящие потоки
|
|
1
|
Котлоагрегаты
|
4,6∙104
|
4,5∙103
|
-
|
9,8∙103
|
-
|
158
|
-
|
-
|
6∙104
|
41
|
|
2
|
РОУ
|
-
|
-
|
-
|
151
|
5,18∙104
|
-
|
-
|
-
|
5,2∙104
|
35
|
|
3
|
ПСВ
|
-
|
-
|
-
|
1,06∙104
|
1,57∙104
|
-
|
-
|
-
|
2,62∙104
|
18
|
|
4
|
Деаэратор
|
-
|
-
|
-
|
1,54∙103
|
3,54∙103
|
-
|
3,35∙103
|
-
|
8,44∙103
|
6
|
|
Итого
|
14,7∙104
|
100
|
|
Выходящие потоки
|
|
1
|
Котлоагрегаты
|
-
|
-
|
1,91∙103
|
-
|
5,72∙104
|
-
|
-
|
800
|
6∙104
|
41
|
|
2
|
РОУ
|
-
|
-
|
-
|
-
|
5,17∙104
|
-
|
-
|
-
|
5,17∙104
|
35
|
|
3
|
ПСВ
|
-
|
-
|
-
|
2,26∙104
|
-
|
-
|
3,35∙103
|
130
|
2,61∙104
|
18
|
|
4
|
Деаэратор
|
-
|
-
|
-
|
8,3∙103
|
67,5
|
-
|
-
|
50
|
8,5∙103
|
6
|
|
Итого
|
14,6∙104
|
100
|
|
Невязка баланса
|
0,6
|
|
|
Полезный выход /к.п.д.
|
98
|
|
|
|
|
|
|
|
|
|
|
|
|
|
|
3.2
Эксергетический баланс производства тепловой энергии
Эксергетический баланс системы имеет вид:
(3.12)
Где
,
,
-входные значения эксергии вещества, эксергии потока и
работы соответственно;
,
,
-выходные значения эксергии вещества, эксергии потока
и работы соответственно;
-приращение
эксергии в нестационарных системах.
Неравенство (4.1) представляет собой интерпретацию 2-го закона
термодинамики, и оно может быть превращено в равенство, если в его правую часть
ввести значение потерь эксергии внешних и внутренних:
(3.13)
Энергетическая эффективность системы на основе эксергетического баланса
количественно выражается эксергетическим коэффициентом полезного действия,
который определяется, как отношение значения полезных выходных потоков эксергии
к значению затраченной эксергии (все входные потоки):
(3.14)
3.2.1
Эксергетический баланс блока «Котлоагрегаты»
Эксергия топлива делится на химическую и термомеханическую составляющую,
причем последняя в технических расчетах не учитывается, а химическая эксергия
природного газа определяется по той же самой формуле, что и его химическая
энергия:
.(3.15)
где
- высшая теплота сгорания органического топлива,
определяемая по формуле:
.(3.16)
где
- доля водяных паров в топливе.
Таким
образом, для природного газа получаем:
, кДж/кг;
, кВт.
Эксергия нетопливных материальных потоков рассчитывается через
термомеханическую составляющую, если в процессах, протекающих в рассматриваемой
системе, внутренняя структура материи не изменяется. Таким образом, для j-го входного или выходного потока
нетопливного материала можем записать:
.(3.17)
Где ср-удельная массовая изобарная теплоемкость материала,
кДж/(кг×К);
G-массовый
расход материала, кг/ч;
T-температура
потока, К;
T0-температура окружающей среды (T0=293 К).
Входная эксергия воздуха, равна нулю, так как воздух находится при
температуре окружающей среды.
Если параметры материального потока отличаются от его параметров в
окружающей среде, то эксергию рассчитываем по формуле:
.(3.18)
Где
- энтальпия потока при заданных параметрах, кДж/(кг×К);
-
энтальпия потока при нормальных условиях, кДж/(кг×К);
-
энтропия потока при заданных параметрах, кДж/(кг×К);
-
энтропия потока при нормальных условиях, кДж/(кг×К);
- газовая
постоянная 1 кг газа, кДж/(кг×К).
-
давление потока при заданных параметрах, кДж/(кг×К);
-
давление потока при нормальных условиях, кДж/(кг×К);
Исходя из этого, эксергия питательной воды, поступающей в котлоагрегаты,
определяется по формуле (3.17).
Так
как параметры водяного пара на выходе из котлоагрегатов отличны от его
параметров при нормальных условиях, то его эксергию определяем по формуле
(3.18)
кВт.
Эксергия дымовых газов также определяется по формуле (3.18)
, кВт.
Эксергия электрической работы на входе в котельную равна её энергии.
Эксергия тепловых потоков определяется по формуле
,(3.19)
где Qо.с - тепловой поток в окружающую среду;
Т0 = 293 К- абсолютная температура окружающей среды;
Т- абсолютная температура поверхности оборудования;
Итак:
кВт.
Составив
уравнение эксергетического баланса определяем внутренние потери обратным
балансом:
,(3.20)
Внешние
потери De входят в выходные потоки эксергии
в виде суммы потоков, не используемых в дальнейшем.
Так, для котла внешние потери эксергии - это потери с уходящими газами и потери
с поверхности футеровки. Полезным выходным потоком эксергии является эксергия
сетевой воды. Эксергетический КПД определится по формуле (3.14) и составит:
Остальной
расчёт эксергетического баланса для остальных элементов схемы и общего баланса
внесём в табл. 3.6-3.11.
Таблица 3.6
Расчет блока «Котлоагрегаты»
|
№
|
Наименование потока
|
Исходные данные
|
Расчетная зависимость
|
Результаты расчета
|
|
|
Расход, кг/с
|
Энтальпия, кДж/кг
|
|
кВт
|
%
|
|
Входящие потоки
|
|
1
|
Топливо
|
0,96
|
4,8∙104
|
|
4,6∙104
|
98
|
|
2
|
Воздух на окисление
|
15,2
|
293,3
|
-
|
0
|
0
|
|
3
|
Питательная вода
|
18
|
461
|
8681,7
|
|
|
|
7
|
Электроэнергия
|
--
|
--
|
--
|
158
|
0,3
|
|
Итого:
|
|
|
|
4,71∙104
|
100
|
|
Выходящие потоки
|
|
1
|
Пар (Р=2,1МПа)
|
18
|
3,18∙103
|
3,78∙10497,7
|
|
|
|
2
|
Уходящие газы
|
16,2
|
2,3∙103
|
8242,1
|
|
|
|
3
|
Потери тепла в ОС
|
-
|
-
|
|
63
|
0,2
|
|
Итого:
|
--
|
--
|
--
|
3,86∙104
|
100
|
|
Внутренние потери
|
--
|
--
|
|
7,61∙103
|
16,5
|
|
Полезный выход /к.п.д.
|
-
|
--
|
--83
|
|
|
3.2.2
Эксергетический баланс блока «РОУ»
Таблица 3.7
Расчет блока «РОУ»
|
№
|
Наименование потока
|
Исходные данные
|
Расчетная зависимость
|
Результаты расчета
|
|
|
Расход, кг/с
|
Энтальпия, кДж/кг
|
|
кВт
|
%
|
|
Входящие потоки
|
|
1
|
Пар (Р=2,1МПа)
|
16,3
|
3,18∙103
|
3,42∙104100
|
|
|
|
3
|
Вода
|
1,2
|
126
|
|
0,84
|
0
|
|
Итого:
|
-
|
-
|
-
|
3,42∙104
|
100
|
|
Выходящие потоки
|
|
1
|
Пар (Р=0,6МПа)
|
17,5
|
2,95∙103
|
3∙104100
|
|
|
|
3
|
Потери тепла в ОС
|
-
|
-
|
|
0
|
0
|
|
Итого:
|
--
|
--
|
--
|
3∙104
|
100
|
|
Внутренние потери
|
--
|
--
|
|
0,42∙104
|
12
|
|
Полезный выход /к.п.д.
|
-
|
--
|
--88
|
|
|
3.2.3
Эксергетический баланс блока «ПСВ»
Таблица 3.8
Расчет блока «ПСВ»
|
№
|
Наименование потока
|
Расчетная зависимость
|
Результаты расчета
|
|
|
Расход, кг/с
|
Энтальпия, кДж/кг
|
|
кВт
|
%
|
|
Входящие потоки
|
|
1
|
Пар (Р=0,6МПа)
|
5,3
|
2,95∙103
|
|
9,1∙103
|
94
|
|
2
|
Обратная сетевая вода
|
36
|
293
|
5786
|
|
|
|
Итого:
|
-
|
-
|
-
|
9,7∙103
|
100
|
|
Выходящие потоки
|
|
1
|
Прямая сетевая вода
|
36
|
628
|
3,38∙10387
|
|
|
|
2
|
Конденсат
|
5,3
|
632
|
49712,8
|
|
|
|
3
|
Потери тепла в ОС
|
-
|
-
|

|
10,2
|
0,2
|
|
Итого:
|
--
|
--
|
--
|
3,87∙103
|
100
|
|
Внутренние потери
|
--
|
--
|
|
5,8∙103
|
60
|
|
Полезный выход /к.п.д.
|
-
|
--
|
|
--
|
40
|
3.2.4
Эксергетический баланс блока «Деаэратор»
Таблица 3.9
Эксергетический баланс блока «Деаэратор»
|
№
|
Наименование потока
|
Исходные данные
|
Расчетная зависимость
|
Результаты расчета
|
|
|
Расход, кг/с
|
Энтальпия, кДж/кг
|
|
кВт
|
%
|
|
Входящие потоки
|
|
1
|
Пар (Р=0,6МПа)
|
1,2
|
2,95∙103
|
|
2,07∙103
|
80
|
|
2
|
Конденсат
|
5,3
|
632
|
49719,6
|
|
|
|
3
|
Вода с ХВО
|
11,5
|
134
|
11,50,4
|
|
|
|
Итого:
|
-
|
-
|
-
|
2,6∙103
|
100
|
|
Выходящие потоки
|
|
1
|
Вода в котлы
|
18
|
461
|
86895
|
|
|
|
2
|
Выпар
|
0,024
|
2,95∙103
|
41,34,5
|
|
|
|
3
|
Потери тепла в ОС
|
-
|
-
|

|
4
|
0,5
|
|
Итого:
|
--
|
--
|
--
|
913
|
100
|
|
Внутренние потери
|
--
|
--
|
|
1,7∙103
|
56
|
|
Полезный выход /к.п.д.
|
-
|
--
|
|
--
|
44
|
3.2.7 Общий
эксергетический баланс производства тепловой энергии
Таблица 3.10
Общий эксергетический баланс котельной
|
№
|
Наименование входящего блока
|
Энергия, кВт
|
Итого
|
|
|
Eт
|
Eв-х
|
Eд.г
|
Eв
|
Eпар
|
Eэл
|
Eк
|
Eq
|
кВт
|
%
|
|
Входящие потоки
|
|
1
|
Котлоагрегаты
|
4,6∙104
|
0
|
-
|
12,6
|
-
|
158
|
-
|
-
|
4,63∙104
|
50
|
|
2
|
РОУ
|
-
|
-
|
-
|
0,8
|
3,42∙104
|
-
|
-
|
-
|
3,42∙104
|
37
|
|
3
|
ПСВ
|
-
|
-
|
-
|
578
|
9,13∙103
|
-
|
-
|
-
|
9,7∙103
|
10
|
|
4
|
Деаэратор
|
-
|
-
|
-
|
11,5
|
2,07∙103
|
-
|
497
|
-
|
2,6∙103
|
3
|
|
Итого
|
9,28∙104
|
100
|
|
Выходящие потоки
|
|
1
|
Котлоагрегаты
|
-
|
-
|
824
|
-
|
3,7∙104
|
-
|
-
|
63
|
3,86∙104
|
53
|
|
2
|
РОУ
|
-
|
-
|
-
|
-
|
3,01∙104
|
-
|
-
|
-
|
3,01∙104
|
41
|
|
3
|
ПСВ
|
-
|
-
|
-
|
3,38∙103
|
-
|
-
|
497
|
10,2
|
3,87∙103
|
5
|
|
4
|
Деаэратор
|
-
|
-
|
-
|
868
|
41,3
|
-
|
-
|
4
|
913
|
1
|
|
Итого
|
7,35∙104
|
100
|
|
Внешние потери
|
De
|
942,5
|
16,3
|
|
Внутренние потери
|
|
1,92104
|
21
|
|
Полезный выход /к.п.д.
|
-79
|
|
|
|
|
|
|
|
|
|
|
|
|
|
|
|
|
|
3.3 Анализ
полученных балансов энергии и эксергии
Анализируя полученные выше результаты, следует отметить, что тепловые
потоки от поверхностей оборудования идут на обогрев помещения котельной. При
рассмотрении путей модернизации, наибольший интерес представляет процесс
дросселирования пара в РОУ от давления 1,9ч2,1 МПа до 0,6 МПа. Для уменьшения
потерь нужно получать какую-либо высокопотенциальную энергию, значение эксергии
которой приближалось по значению к эксергии дросселируемого пара. Такой
энергией может быть электрическая энергия. Следовательно, необходимо установка
вместо РОУ какого-либо агрегата, с помощью которого мы, расширяя пар, можем
получать электроэнергию. Таким агрегатом является паровая турбина, на одном
валу с которой будет находиться вырабатывающий электроэнергию генератор.
4. Работка
мероприятий по модернизации и повышению эффективности энергопотребления
В настоящее время основная доля пара котлов с давлением 1,9ч2,1 МПа и 1,4
МПа дросселируется в РОУ до давления 0,6 МПа, после чего используется
потребителями.
При дросселировании пара в редукционной установке происходит
бессмысленная потеря энергии. Эту потерю можно исключить, включив между
коллектором высокого давления (1,9ч2,1 МПа) и коллектором низкого давления (0,6
МП) паровую противодавленческую турбину типа Р, работающую на перепаде давления
пара от 2,1 до 0,6 МПа. Процесс расширения пара в турбине изображен в is-диаграмме на рис.4.1.
Рис. 4.1 Процесс расширения пара в турбине
Для этих целей в условиях предприятия может быть применена паровая
блочная турбогенераторная установка типа Р-2,5-2,1/0,6 производства АО
«Калужский турбинный завод» (Россия).
Отработавший пар после турбины поступает в коллектор низкого давления,
питающий подогреватели сетевой воды, внешние потребители, технологические
потребители и потребители собственных нужд котельной.
Для подвода свежего пара давлением 1,9ч2,1 МПа к турбине от коллектора
высокого давления прокладывается паропровод диаметром 200 мм. Для отвода
отработавшего пара давлением 0,5ч0,6 МПа от турбины к коллектору низкого
давления прокладывается паропровод диаметром 500 мм.
Принципиальная схема котельной с применением турбогенераторной установки
приведена на рис. 4.1.
Покрытие тепловой нагрузки котельной в отопительный период при установке
в ней паровой турбины представлено в табл. 4.1.
Рис. 4.1 Принципиальная тепловая схема котельной ОАО «Борисовдрев» при
установке паровой турбины Р-2,5-2,1/0,6.
Таблица 4.1
Покрытие тепловой нагрузки котельной в отопительный период при установке
паровой турбины Р-2,5-2,1/0,6
|
Потребитель
|
Расход, т/ч
|
|
Параметры пара
|
|
1,9-2,1 МПа от котлов
|
0,6 МПа от турбины и РОУ
|
|
Технология Собственные нужды Технология Отопление и г.в.
|
5ч7
|
3ч4 37ч44 15ч25
|
|
Всего:
|
5ч7
|
55ч73
|
4.1
Характеристика турбогенераторной установки Р-2,5-2,1/0,6
Электрическая мощность - 2,5 МВт.
Частота вращения ротора - 3000 об/мин.
Параметры свежего пара (номинал/допустимый диапазон):
– абсолютное давление - 2,05/1,85ч2,35 МПа;
– температура - 370/360ч380°С.
Давление за турбиной (номинал/рабочий диапазон) - 0,6/0,5ч0,7 МПа.
Номинальный расход пара на турбину - 41 т/ч.
Масса турбины (с рамой фундаментной) - 19,9 т.
Масса поставляемого оборудования - 25,5 т.
Корпус турбины - сварно-литой конструкции.
В объем поставки турбоустановки входят:
– турбина паровая;
– бак масляный;
– маслоохладитель;
– маслопроводы с арматурой;
– фильтр водяной;
– щит контроля и управления;
– щит манометровый;
– подогреватель струйный;
– трубопроводы с арматурой;
– инструмент и приспособления, запчасти;
– электроаппаратура и КИП.
Паровая турбина - противодавленческая одноцилиндровая однопоточная,
безредукторная. Парораспределение - сопловое.
Тепловая схема турбоустановки включает в себя, кроме паровой турбины,
систему отсоса пара из уплотнений (струйный подогреватель с трубопроводами) и
предохранительное устройство паропровода противодавления (предохранительный и
импульсный клапаны).
Система регулирования и защиты турбины обеспечивает:
– плавное изменение величины электрической нагрузки от нуля до
максимума и обратно и автоматическое ее удержание при работе турбины под
управлением регулятора скорости;
– автоматическое поддержание заданного давления пара в противодавлении
при изменении расхода после турбины при ее работе под управлением регулятора
противодавления;
– удержание агрегата на холостом ходу при 100% сбросе нагрузки;
– автоматическое принудительное закрытие стопорного клапана и
нормальный останов агрегата.
Система маслоснабжения обеспечивает маслом подшипники турбины и
генератора и объединенную с ней систему регулирования.
.2 Система
охлаждения турбогенераторной установки
Для отвода тепла от зоны, циркулирующей в системе охлаждения
электрического генератора, маслоохладителя и эжектора отсоса пара уплотнений
турбины, принята оборотная система технического водоснабжения с вентиляторной
градирней.
Градирня выбирается по наиболее тяжелому летнему режиму, когда
температура охлаждаемой воды перед ней может быть 32°С, после нее 28°С, а
расход воды максимален.
По расчетам АО КТЗ, при расчетной температуре исходной воды 32°С
требуется на охлаждение генератора - 15 м3/ч, маслоохладителя - 20 м3/ч,
эжектора - 10 м3/ч.
К установке принята градирня типа ГМВ-60 производительностью по воде 60 м3/ч.
Размеры в плане 2,26Ч2,26 м, высота 3,185 м. Вес без воды - 1020 кг. Вода на
охлаждение элементов турбогенераторной установки подается под статическим
напором бака-накопителя градирни. Слив воды из охлаждаемых элементов
осуществляется самотеком в открытый приемный бак, откуда вода насосом вновь
подается на оросительную систему градирни. Градирня является теплообменником,
работающим с принудительной вентиляцией по принципу противотока воды и воздуха.
Охлаждаемая вода поступает сверху и распределяется в виде капель или пленки на
большую поверхность оросителя, затем стекает вниз и собирается в поддоне.
Воздух для охлаждения засасывается снаружи и вентилятором прокачивается через
ороситель. Вентилятор серии В-06-300-5.
Потери вода в малогабаритной градирне незначительны и составляют не более
2% от объема циркулирующей воды. Подпитка осуществляется сырой водой.
.3
Компоновочные и технологические решения
Турбогенератор Р-2,5-2,1/0,6 устанавливается в помещении, пристраиваемом
к существующему зданию паровой котельной. Основная отметка обслуживания
турбогенератора (верхней плиты фундамента) + 5,0 м.
Турбогенератор присоединяется к существующим паровым коллекторам пара
высокого и низкого давления. Вспомогательное оборудование размещается на отметках
0,0 и 5,0 м.
На отметке +5,0 м размещается местный технологический щит КИП и А,
поставляемый комплектно с турбоустановкой. Контроль и управление
турбогенераторной установкой предусматривается также с существующего щита
управления котельной.
Турбинные установки оснащаются в необходимом объеме системами
технологического контроля, автоматического регулирования, технологической
сигнализации, защиты, дистанционного управления запорной и регулирующей
арматурой, оперативной связью.
Приборы технологического контроля, регулятора и первичные датчики
предусматриваются серийно выпускаемыми отечественными заводами.
Для монтажа и ремонтного обслуживания турбогенератора применяется
электрический кран грузоподъемностью 12,5 т.
Для аварийного слива масла из маслобака турбины снаружи помещения
турбоустановки предусматривается подземный железобетонный бак емкостью 3 м3.
Откачка масла из бака аварийного слива производится передвижными насосами в
автоцистерну с последующей доставкой его на маслохозяйство для очистки и повторного
применения в системе маслоохлаждения турбины.
Градирня системы охлаждения элементов турбогенераторной установки
размещается на кровле пристройки на специальной раме. Насосы циркуляции системы
охлаждения устанавливаются на нулевой отметке рядом с баком сбора воды.
Специальные мастерские и электролаборатория не предусматриваются в связи
с возможностью использования существующих мастерских и лабораторий котельной и
предприятия.
.4 Режимы
использования турбогенераторной установки
Сооружение собственного электрогенерирующего источника на предприятии
имеет смысл лишь при условии, что вырабатываемая им электроэнергия будет
обходится предприятию значительно дешевле, чем покупаемая в энергосистеме. При
этом турбогенераторная установка должна работать параллельно с энергосистемой,
то есть должна иметь возможность при необходимости выдавать в сеть всю
электрическую мощность, выработанную на тепловом потреблении, независимо от
собственной электрической нагрузки. Экономичность мини блок-ТЭЦ тем выше, чем
равномернее график тепловой нагрузки а течение года.
Исходя из баланса покрытия тепловых нагрузок предприятия (табл. 1) в
отопительный период располагаемый расход свежего пара на турбину составляет
55-70 т/ч, а в летний - 40-45 т/ч. Это значит, что в отопительный период при
расходе пара через турбину 43 т/ч и срабатывании перепада давлений в ней
2,1-1,9/0,6 МПа, вырабатываемая турбиной электрическая мощность составит 2,5
МВт.
В летний период при расходе пара через турбину 40 и 42 т/ч и срабатывании
перепада давлений в ней 1,9/0,5 МПа, вырабатываемая турбиной электрическая
мощность составит 2,45-2,5 МВт.
Из приведенного следует, что турбоустановка имеет полную загрузку по пару
как в зимний, так и в летний периоды. Это позволяет использовать ее номинальную
электрическую мощность в течение 7000-7500 часов в году, что весьма существенно
для окупаемости мероприятия по турбинизации котельной.
.5 Расчет и
анализ балансов энергии и эксергии после установки паровой турбины
После установки паровой турбины структурная схема примет вид (см. рис.
4.2).
.5.1
Энергетический и эксергетический балансы блока «Котлоагрегаты»
Порядок расчета энергетического и эксергетического балансов рассмотрен в
пунктах 3.1 и 3.2. Как видно из рис.4.2, схема блока «Котлоагрегаты» не
претерпела существенных изменений. Результаты расчета сведем в табл. 4.2.
Рис.
4.2 Структурная схема производства тепловой энергии
Таблица 4.2
Энергетический баланс блока «Котлоагрегаты»
|
№
|
Наименование потока
|
Исходные данные
|
Расчетная зависимость
|
Результаты расчета
|
|
|
Расход, кг/с
|
Энтальпия, кДж/кг
|
|
кВт
|
%
|
|
1
|
Топливо
|
0,96
|
4,8104
|
|
4,6∙104
|
76
|
|
2
|
Воздух на окисление
|
15,2
|
293,3
|
|
4,5∙103
|
7,4
|
|
3
|
Питательная вода
|
18
|
544,3
|
|
9,8∙103
|
16
|
|
7
|
Электроэнергия
|
--
|
--
|
--
|
158
|
0,3
|
|
Итого:
|
|
|
|
6,05∙104
|
100
|
|
Выходящие потоки
|
|
1
|
Пар (Р=2,1МПа)
|
18
|
3,18∙103
|
|
5,72∙104
|
95
|
|
2
|
Уходящие газы
|
16,2
|
2∙103
|
|
1,91∙103
|
3,2
|
|
3
|
Потери тепла в ОС
|
-
|
-
|
|
800
|
1,3
|
|
Итого:
|
--
|
--
|
--
|
6∙104
|
100
|
|
Невязка баланса
|
--
|
--
|
|
--
|
0,94
|
|
Полезный выход /к.п.д.
|
-
|
--
|
|
--
|
95
|
Таблица 4.3
Эксергетический баланс блока «Котлоагрегаты»
|
№
|
Наименование потока
|
Исходные данные
|
Расчетная зависимость
|
Результаты расчета
|
|
|
Расход, кг/с
|
Энтальпия, кДж/кг
|
|
кВт
|
%
|
|
Входящие потоки
|
|
1
|
Топливо
|
0,96
|
4,8∙104
|
|
4,6∙104
|
99,6
|
|
2
|
Воздух на окисление
|
15,2
|
293,3
|
-
|
0
|
0
|
|
3
|
Питательная вода
|
18
|
544,3
|
|
12,6
|
0,03
|
|
7
|
Электроэнергия
|
--
|
--
|
--
|
158
|
0,33
|
|
Итого:
|
|
|
|
4,63∙103
|
100
|
|
Выходящие потоки
|
|
1
|
Пар (Р=2,1МПа)
|
18
|
3,18∙103
|
|
3,78
|
97,7
|
|
2
|
Уходящие газы
|
16,2
|
2,3∙103
|
|
824
|
2,1
|
|
3
|
Потери тепла в ОС
|
-
|
-
|
|
63
|
0,2
|
|
Итого:
|
--
|
--
|
--
|
3,86∙104
|
100
|
|
Внутренние потери
|
--
|
--
|
|
7,6∙104
|
16,5
|
|
Полезный выход /к.п.д.
|
-
|
--
|
|
--
|
83
|
.5.2
Энергетический и эксергетический балансы блока «РОУ»
В результате установки паровой турбины отпуск пара на РОУ снизился до 4,6
кг/с. Распределение материальных потоков в блоке «РОУ» изображено на рис. 4.3.
Результаты расчетов сводим в табл. 4.4-4.5.
Рис. 4.3 Распределение потоков в блоке «РОУ»
Таблица 4.4
Энергетический баланс блока «РОУ»
|
№
|
Наименование потока
|
Исходные данные
|
Расчетная зависимость
|
Результаты расчета
|
|
|
Расход, кг/с
|
Энтальпия, кДж/кг
|
|
кВт
|
%
|
|
Входящие потоки
|
|
1
|
Пар (Р=2,1МПа)
|
4,6
|
3,18∙103
|
|
1,46∙104
|
99,7
|
|
3
|
Вода
|
0,35
|
125,6
|
|
44
|
0,3
|
|
Итого:
|
-
|
-
|
-
|
1,47∙104
|
100
|
|
Выходящие потоки
|
|
1
|
Пар (Р=0,6МПа)
|
4,95
|
2,95∙103
|
|
1,46∙104
|
100
|
|
3
|
Потери тепла в ОС
|
-
|
-
|
|
0
|
0
|
|
Итого:
|
--
|
--
|
--
|
1,46∙104
|
100
|
|
Невязка баланса
|
--
|
--
|
|
--
|
0,24
|
|
Полезный выход /к.п.д.
|
-
|
--
|
|
--
|
99,8
|
Таблица 4.5
Эксергетический баланс блока «РОУ»
|
№
|
Наименование потока
|
Исходные данные
|
Расчетная зависимость
|
Результаты расчета
|
|
|
Расход, кг/с
|
Энтальпия, кДж/кг
|
|
кВт
|
%
|
|
Входящие потоки
|
|
1
|
Пар (Р=2,1МПа)
|
4,6
|
3,18∙103
|
|
9,65∙103
|
100
|
|
3
|
Вода
|
0,35
|
126
|
|
0,24
|
0
|
|
Итого:
|
-
|
-
|
-
|
9,65∙103
|
100
|
|
Выходящие потоки
|
|
1
|
Пар (Р=0,6МПа)
|
4,95
|
2,95∙103
|
|
8,53∙103
|
100
|
|
3
|
Потери тепла в ОС
|
-
|
-
|
|
0
|
0
|
|
Итого:
|
--
|
--
|
--
|
8,53∙103
|
100
|
|
Внутренние потери
|
--
|
--
|
|
1,12∙103
|
12
|
|
Полезный выход /к.п.д.
|
-
|
--
|
|
--
|
88
|
4.5.3
Энергетический и эксергетический балансы блока «ПСУ»
Распределение материальных потоков в блоке «ПСУ» изображено на рис. 4.4.
Результаты расчетов сводим в табл. 4.6-4.7.
Рис. 4.4 Распределение потоков в блоке «ПСУ»
Таблица 4.6
Энергетический баланс блока «ПСУ»
|
№
|
Наименование потока
|
Исходные данные
|
Расчетная зависимость
|
Результаты расчета
|
|
|
Расход, кг/с
|
Энтальпия, кДж/кг
|
|
кВт
|
%
|
|
Входящие потоки
|
|
1
|
Пар (Р=2,1МПа)
|
11,7
|
3,18∙103
|
|
3,72∙104
|
100
|
|
Итого:
|
-
|
-
|
-
|
3,72∙104
|
100
|
|
Выходящие потоки
|
|
1
|
Пар (Р=0,6МПа)
|
11,7
|
2,95∙103
|
|
3,46∙104
|
93
|
|
3
|
Электроэнергия
|
-
|
-
|
25007
|
|
|
|
Итого:
|
--
|
--
|
--
|
3,71∙104
|
100
|
|
Невязка баланса
|
--
|
--
|
|
--
|
0,29
|
|
Полезный выход /к.п.д.
|
-
|
--
|
|
--
|
99,7
|
Таблица 4.7
Эксергетический баланс блока «ПСУ»
|
№
|
Наименование потока
|
Расчетная зависимость
|
Результаты расчета
|
|
|
Расход, кг/с
|
Энтальпия, кДж/кг
|
|
кВт
|
%
|
|
Входящие потоки
|
|
1
|
Пар (Р=2,1МПа)
|
11,7
|
3,18∙103
|
|
2,45∙104
|
100
|
|
Итого:
|
-
|
-
|
-
|
2,45∙104
|
100
|
|
Выходящие потоки
|
|
1
|
Пар (Р=0,6МПа)
|
11,7
|
2,95∙103
|
|
2,02∙104
|
89
|
|
3
|
Электроэнергия
|
-
|
-
|
Wэл
|
2500
|
11
|
|
Итого:
|
--
|
--
|
--
|
2,27∙104
|
100
|
|
Внутренние потери
|
--
|
--
|
|
1,88∙103
|
8
|
|
Полезный выход /к.п.д.
|
-
|
--
|
|
--
|
92
|
4.5.4
Энергетический и эксергетический балансы блока «ПСВ»
Схема распределения потоков в блоке «ПСВ» не измененилась. Результаты
расчета сведем в табл. 4.8-4.9.
Таблица 4.8
Энергетический баланс блока «ПСВ»
|
№
|
Наименование потока
|
Исходные данные
|
Расчетная зависимость
|
Результаты расчета
|
|
|
Расход, кг/с
|
Энтальпия, кДж/кг
|
|
кВт
|
%
|
|
Входящие потоки
|
|
1
|
Пар (Р=0,6МПа)
|
5,3
|
2,95∙103
|
|
1,57∙104
|
60
|
|
2
|
Обратная сетевая вода
|
36
|
293
|
|
1,06∙104
|
40
|
|
Итого:
|
-
|
-
|
-
|
2,6∙104
|
100
|
|
Выходящие потоки
|
|
1
|
Прямая сетевая вода
|
36
|
628
|
|
2,26∙104
|
86,7
|
|
2
|
Конденсат
|
5,3
|
632
|
|
3,35∙103
|
12,8
|
|
3
|
Потери тепла в ОС
|
-
|
-
|
|
130
|
0,5
|
|
Итого:
|
--
|
--
|
--
|
2,61∙104
|
100
|
|
Невязка баланса
|
--
|
--
|
|
--
|
0,5
|
|
Полезный выход /к.п.д.
|
-
|
--
|
|
--
|
86
|
Таблица 4.9
Эксергетический баланс блока «ПСВ»
|
№
|
Наименование потока
|
Исходные данные
|
Расчетная зависимость
|
Результаты расчета
|
|
|
Расход, кг/с
|
Энтальпия, кДж/кг
|
|
кВт
|
%
|
|
Входящие потоки
|
|
1
|
Пар (Р=0,6МПа)
|
5,3
|
2,95∙103
|
|
9,1∙103
|
94
|
|
2
|
Обратная сетевая вода
|
36
|
293
|
|
578
|
6
|
|
Итого:
|
-
|
-
|
-
|
9,7∙104
|
100
|
|
Выходящие потоки
|
|
1
|
Прямая сетевая вода
|
36
|
628
|
|
3,38∙104
|
87
|
|
2
|
Конденсат
|
5,3
|
632
|
|
497
|
12,8
|
|
3
|
Потери тепла в ОС
|
-
|
-
|

|
10,2
|
0,2
|
|
Итого:
|
--
|
--
|
--
|
3,87∙104
|
100
|
|
Внутренние потери
|
--
|
--
|
|
5,8∙104
|
60
|
|
Полезный выход /к.п.д.
|
-
|
--
|
|
--
|
40
|
.5.5
Энергетический и эксергетический балансы блока «Деаэратор»
Как и в случае с блоком «ПСВ» схема распределения потоков в блоке «Деаэратор»
осталась прежней. Результаты расчетов сведем в табл.
Таблица 4.10
Энергетический баланс блока «Деаэратор»
|
№
|
Наименование потока
|
Исходные данные
|
Расчетная зависимость
|
Результаты расчета
|
|
|
Расход, кг/с
|
Энтальпия, кДж/кг
|
|
кВт
|
%
|
|
Входящие потоки
|
|
1
|
Пар (Р=0,6МПа)
|
1,2
|
2,9∙103
|
|
3,54∙103
|
42
|
|
2
|
Конденсат
|
5,3
|
632
|
|
3,35∙103
|
40
|
|
3
|
Вода с ХВО
|
11,5
|
134
|
|
1,54∙103
|
18
|
|
Итого:
|
-
|
-
|
-
|
8,44∙103
|
100
|
|
Выходящие потоки
|
|
1
|
Вода в котлы
|
18
|
461
|
|
8,3∙103
|
98,6
|
|
2
|
Выпар
|
0,02
|
2,81
|
|
67,5
|
0,8
|
|
3
|
Потери тепла в ОС
|
-
|
-
|
|
50
|
0,6
|
|
Итого:
|
--
|
--
|
--
|
8,4∙103
|
100
|
|
Невязка баланса
|
--
|
--
|
|
-
|
0,37
|
|
Полезный выход /к.п.д.
|
-
|
--
|
|
--
|
98
|
Таблица 4.11
Эксергетический баланс блока «Деаэратор»
|
№
|
Наименование потока
|
Исходные данные
|
Расчетная зависимость
|
Результаты расчета
|
|
|
Расход, кг/с
|
Энтальпия, кДж/кг
|
|
кВт
|
%
|
|
Входящие потоки
|
|
1
|
Пар (Р=0,6МПа)
|
1,2
|
2,95∙103
|
|
2,07∙103
|
80
|
|
2
|
Конденсат
|
5,3
|
632
|
|
497
|
19,6
|
|
3
|
Вода с ХВО
|
11,5
|
134
|
|
11,5
|
0,4
|
|
Итого:
|
-
|
-
|
-
|
2,6∙103
|
100
|
|
Выходящие потоки
|
|
1
|
Вода в котлы
|
18
|
461
|
|
868
|
95
|
|
2
|
Выпар
|
0,024
|
2,95∙103
|
|
41,3
|
4,5
|
|
3
|
Потери тепла в ОС
|
-
|
-
|

|
4
|
0,5
|
|
Итого:
|
--
|
--
|
--
|
913
|
100
|
|
Внутренние потери
|
--
|
--
|
|
1,7∙103
|
|
Полезный выход /к.п.д.
|
-
|
--
|
|
--
|
44
|
.5.6 Общий
энергетический и эксергетический балансы производства тепловой энергии
Таблица 4.12
Общий энергетический баланс котельной
|
№
|
Наименование входящего блока
|
Энергия, кВт
|
Итого
|
|
|
Qт
|
Iв-х
|
Iд.г
|
Iв
|
Iпар
|
Wэл
|
Iк
|
Q
|
кВт
|
%
|
|
Входящие потоки
|
|
1
|
Котлоагрегаты
|
4,6∙104
|
4,5∙103
|
-
|
9,8∙103
|
-
|
158
|
-
|
-
|
6∙104
|
41
|
|
2
|
РОУ
|
-
|
-
|
-
|
44
|
1,46∙104
|
-
|
-
|
-
|
1,47∙104
|
10
|
|
3
|
ПСУ
|
-
|
-
|
-
|
-
|
3,7∙104
|
-
|
-
|
-
|
3,7∙104
|
25
|
|
4
|
ПСВ
|
-
|
-
|
-
|
1,06∙104
|
1,57∙104
|
-
|
-
|
-
|
2,62∙104
|
18
|
|
5
|
Деаэратор
|
-
|
-
|
-
|
1,54∙103
|
3,54∙103
|
-
|
3,35∙103
|
-
|
8,44∙103
|
6
|
|
Итого
|
1,46∙105
|
100
|
|
Выходящие потоки
|
|
1
|
Котлоагрегаты
|
-
|
-
|
1,91∙103
|
-
|
5,72∙104
|
-
|
-
|
800
|
6∙104
|
41
|
|
2
|
РОУ
|
-
|
-
|
-
|
-
|
1,46∙104
|
-
|
-
|
-
|
1,46∙104
|
10
|
|
3
|
ПСУ
|
-
|
-
|
-
|
-
|
3,46∙104
|
2500
|
-
|
-
|
3,7∙104
|
25
|
|
4
|
ПСВ
|
-
|
-
|
-
|
2,26∙104
|
-
|
-
|
3,35∙103
|
130
|
2,61∙104
|
18
|
|
5
|
Деаэратор
|
-
|
-
|
-
|
8,3∙103
|
67,5
|
-
|
-
|
50
|
8,5∙103
|
6
|
|
Итого
|
1,46∙105
|
100
|
|
Невязка баланса
|
0,6
|
|
|
Полезный выход /к.п.д.
|
|
98
|
|
|
|
|
|
|
|
|
|
|
|
|
|
Таблица 4.13
Общий эксергетический баланс котельной
|
№
|
Наименование входящего блока
|
Энергия, кВт
|
Итого
|
|
|
|
Eт
|
Eв-х
|
Eд.г
|
Eв
|
Eпар
|
Eэл
|
Eк
|
Eq
|
кВт
|
%
|
|
|
Входящие потоки
|
|
|
1
|
Котлоагрегаты
|
4,6∙104
|
0
|
-
|
12,6
|
-
|
158
|
-
|
-
|
4,63∙104
|
50
|
|
|
2
|
РОУ
|
-
|
-
|
-
|
0,35
|
0,96∙104
|
-
|
-
|
-
|
9,6∙103
|
10
|
|
|
3
|
ПСУ
|
-
|
-
|
-
|
-
|
2,45∙104
|
-
|
-
|
-
|
2,45∙104
|
26
|
|
|
4
|
ПСВ
|
-
|
-
|
-
|
578
|
9,13∙103
|
-
|
-
|
-
|
9,7∙103
|
11
|
|
|
5
|
Деаэратор
|
-
|
-
|
-
|
11,5
|
2,07∙103
|
-
|
497
|
-
|
2,6∙103
|
3
|
|
|
Итого
|
9,27∙104
|
100
|
|
|
Выходящие потоки
|
|
|
1
|
Котлоагрегаты
|
-
|
-
|
824
|
-
|
3,7∙104
|
-
|
-
|
63
|
3,86∙104
|
52
|
|
|
2
|
РОУ
|
-
|
-
|
-
|
-
|
8,53∙103
|
-
|
-
|
-
|
8,53∙103
|
11
|
|
|
3
|
ПСУ
|
-
|
-
|
-
|
-
|
2,02∙104
|
2500
|
-
|
-
|
2,27∙104
|
30
|
|
|
4
|
ПСВ
|
-
|
-
|
-
|
3,38∙103
|
-
|
-
|
497
|
10,2
|
3,87∙103
|
5
|
|
|
5
|
Деаэратор
|
-
|
-
|
-
|
868
|
41,3
|
-
|
-
|
4
|
913
|
2
|
|
|
Итого
|
7,46∙104
|
100
|
|
|
Внешние потери
|
De
|
942,5
|
1
|
|
|
Внутренние потери
|
|
1,8∙104
|
19
|
|
|
Полезный выход /к.п.д.
|
|
-
|
81
|
|
|
|
|
|
|
|
|
|
|
|
|
|
|
|
|
|
4.6 Анализ
полученных балансов энергии и эксергии
Из приведенных выше балансов ясно следует, что эффективность котельной с
паротурбинной установкой выше, чем котельной с дросселированием пара в РОУ.
Кроме того, вырабатываемой паротурбинной установкой электрической энергии
хватает как на покрытие собственных нужд котельной, так и для отпуска на
сторону.
энергопотребление
теплофикация котельный автоматика
5. Расчёт
сетевого подогревателя
.1 Выбор
сетевого подогревателя
В связи с ростом жилого района и введением в эксплуатацию новых жилых
домов и сооружений, возрастает потребность в тепловой энергии на отопление и
горячее водоснабжение. Для увеличения отопительной нагрузки котельной,
необходима установка дополнительного сетевого подогревателя. Проектируемое
увеличение тепловой нагрузки составляет 30 ГДж/ч. Произведем конструкторский
тепловой расчёт вертикального пароводяного подогревателя сетевой воды со
свободной задней решёткой.
Исходные данные.
Производительность аппарата - Q = 30 ГДж/час.
Параметры греющего пара:
давление Р = 0,6 МПа;
температура t = 250єС (T = 523 K);
энтальпия i = 2954 кДж/кг.
При давлении Р =0,6 МПа температура насыщенного пара (при c = 1,0 ) tн = 150єC (T = 423 K), а энтальпия насыщенной жидкости (при c = 0) i = 632 кДж/кг.
Температура нагреваемой воды на входе в теплообменник t2/ = 70єС, на выходе из теплообменник t2// = 130єС.
Поверхность нагрева состоит из латунных трубок диаметром d = 18/20мм. Толщина стенки d = 0,001м. Вода проходит через
трубки, пар поступает в межтрубное пространство.
Коэффициент, учитывающий потери тепла в окружающую среду hп = 0,99.
Тепловой расчёт.
Определяем расход пара по формуле (1-2[7]):
,
т/ч,(5.1)
где hп = 0,99 - коэффициент, учитывающий
потери в окружающую среду.
Определим
расход воды по формуле (1-2[7]):
, м3/ч,(5.2)
где Ср = 4,19 кДж/(кг К) - теплоёмкость воды,
gf =
965 кг/м3 - удельный вес воды при средней температуре tf = (130 + 70)/2 = =100єС.
Построим схематично температурный график противоточного движения
теплоносителей в подогревателе (см.рис.5.1).
Рис.5.1 Схема движения теплоносителей
Определим среднелогарифмическую разность температур теплоносителей в
сетевом подогревателе воды по формуле (1-6[7]):
(5.3)
где Dtб = 250 - 130 = 120 єС - больший напор,
Dtм = 150 - 70 = 80 єС - меньший напор.
Тогда
Коэффициент
теплопередачи k определяем графо-аналитическим методом. Он основан на
том, что при установившемся тепловом режиме удельное количество тепла,
передаваемого в единицу времени через все слои стенки, есть величина постоянная
и равна количеству тепла, передаваемого от одного теплоносителя к другому, т.е.
q1 = q2
= q3 = q4 = q,
Вт/м2. Предварительно находим для различных участков перехода тепла
зависимость между тепловым напряжением q и
среднелогарифмическим перепадом температур Dt.
1) передача тепла от пара к стенке. Коэффициент теплоотдачи определяем
для случая конденсации пара на вертикальной стенке по формуле (1-27[7]):
, Вт/(м2
∙єС);(5.4)
где Н = 4м - длина трубки,
В/ приближённо можно считать
,
где
tн- -
температура насыщения конденсирующегося пара.
,
тогда
Задаёмся
рядом значений Dt1 и вычисляем соответствующие значения q,
результаты заносим в табл. 5.1.
Таблица 5.1
Результаты расчета тепловых напряжений
|
Dt1
|
Dt10,75
|
q , кДж/м2
|
|
1
|
2
|
3
|
|
20
|
9,5
|
121∙103
|
|
40
|
15,9
|
203∙103
|
|
1
|
2
|
3
|
|
60
|
21,5
|
275∙103
|
|
80
|
26,7
|
341∙103
|
|
100
|
31,6
|
403∙103
|
|
120
|
36,
|
462∙103
|
Строим в масштабе кривую Dt1= f(q1) (рис.5.2).
) передача тепла через стенку. Для латунной стенки lст= 377 кДж/(м,єС). Тогда
Задаёмся
рядом значений Dt2 и вычисляем соответствующие значения q,
результаты заносим в табл. 5.2.
Таблица 5.2
Результаты расчета тепловых напряжений
|
Dt2
|
q, кДж/м2
|
|
20
|
7,5∙106
|
|
40
|
15∙106
|
|
60
|
22,6∙106
|
|
80
|
30,2∙106
|
Аналогично строим прямую Dt2= f(q2) (рис.5.2).
) передача тепла через накипь. Приняв для накипи lн= 12,6 кДж/(м.єС) находим
Задаёмся
рядом значений Dt3 и вычисляем соответствующие значения q,
результаты заносим в табл. 5.3.
Строим
прямую Dt3= f(q3)
(рис.5.2).
)
передача тепла от стенки к воде.
Скорость
воды в пароводяных подогревателях обычно составляет 3м/сек. Выбор расчётных
формул для определения коэффициентов теплоотдачи внутри трубок начинается с
вычисления критерия Рейнольдса, который определяет режим движения
теплоносителя. При
устанавливается ламинарный режим движения;
соответствует переходному режиму; а
- турбулентному.
Таблица 5.3
Результаты расчета тепловых напряжений
|
Dt3q, кДж/м2
|
|
|
20
|
1,26∙106
|
|
40
|
2,52∙106
|
|
30
|
3,77∙106
|
|
80
|
5,03∙106
|
Критерий Re определяется из
выражения:
,(5.5)
где w -
средняя скорость теплоносителя (принимаем 3м/с), м/с;
nж
- коэффициент кинематической вязкости теплоносителя, м2/с;
dэ - эквивалентный (гидравлический)
диаметр поперечного сечения потока, м, определяемый по формуле (1 - 12 [ 7 ]):
,(5.6)
где f - площадь поперечного сечения
потока, м2;
U -
смачиваемый периметр сечения, м.
, м,
.
Движение
воды в трубках турбулентное, поэтому пользуемся формулой (1-14[7]):
(5.7)
По таблице 1-4[7] для средней температуры воды tf = 100єC находим величину А = 45,25 . Удельный вес воды при 100єС gt = 965,5 кг/м3. Скорость
воды в трубках w
принимаем равной 1,4 м/сек. Подставляя соответствующие величины, имеем, что
Задаёмся
рядом значений Dt3 и вычисляем соответствующие значения q,
результаты заносим в табл. 5.4.
Таблица 5.4
Результаты расчета тепловых напряжений
|
Dt4
|
q, кДж/м2
|
|
20
|
240∙103
|
|
40
|
480∙103
|
|
60
|
720∙103
|
|
80
|
960∙103
|
Аналогично предыдущему строим прямую линию зависимости Dt4= f(q4) (рис.5.2), проходящую через начало координат.
Рис. 5.2 Тепловое напряжение поверхности нагрева.
Из точки пересечения n
опускаем перпендикуляр на ось абсцисс и находим, что
q =
200.103 кДж/м2.
Тогда коэффициент теплопередачи равен:
Поверхность
нагрева теплообменника определим по формуле (1-4[7]):
(5.8)
.2
Конструктивный расчёт сетевого подогревателя
Определяем основные конструктивные данные и размеры аппарата. Количество
трубок в одном ходе найдём по формуле (1-11[7]):
,(5.9)
Общая
длина трубок равна
(5.10)
Число ходов z равно
(5.11)
Принимаем z = 4.
Шаг между трубами принимаем равным
(5.12)
Принимаем к установке аппарат ПСВ-45-7-15.
Для определения диаметра корпуса аппарата необходимо найти размеры
трубной решётки; поскольку аппарат 4-х ходовой, необходимо предусмотреть место
для перегородок и анкерных болтов и в каждом ходе разместить 114/2=57 трубок.
Всего трубок 57∙4 = 228 шт.
Нормальным расположением трубок считаем размещение центров трубок на
трубной доске по углам равносторонних треугольников. По количеству трубок z = 228 шт, определяем диаметр D/, на котором располагаются крайние трубки, выраженный
через шаг S между трубками.
(5.13)
Находим внутренний диаметр корпуса по формуле:
(5.14)
где dнар - наружный диаметр трубки,
k -
кольцевой зазор между крайними трубками и корпусом, который принимаем равным 10
мм.
D0=660 + 20 + 20 = 700 мм = 0,7 м.
Определим размеры водяных и парового штуцеров. Эти размеры определяют
обычно по скорости для воды и конденсата, равной 1 - 2 м/с, и для пара 20 - 40
м/с. Диаметр штуцера подсчитывается по формуле
,
м,(5.15)
где G - расход пара или воды, кг/с;
r - плотность пара или воды, кг/м3;
w - скорость пара или воды в штуцере, м/с.
Для пара:
м,
где
G = 3,6 кг/с;
r = 2,22 кг/м3 (см.i - d диаграмму);
w = 35 м/с.
Для
воды:
м,
где
G = 34 кг/с;
r = 985 кг/м3;
w = 2 м/с.
.3
Гидравлический расчёт сетевого подогревателя
Гидравлический расчёт устанавливает затрату энергии на движение
теплоносителей через аппарат. Полный напор Dр, необходимый движения жидкости или газа (при скорости газа,
не превышающей 0,2 скорости звука) через теплообменник, определяется по формуле
(7-1[7]):
,
Па,(5.16)
где SDртр
- сумма гидравлических потерь на трение;
SDрм - сумма потерь напора в местных сопротивлениях;
SDру- - сумма потерь напора, обусловленных ускорением потока;
Dрг - перепад давления для преодоления гидростатического
давления столба жидкости.
Гидравлические потери на трение в трубах, каналах и при продольном
омывании пучка труб теплообменного аппарата определяются по формуле (7-2[7]):
,
Па,(5.17)
где l - длина трубы, м;
dэ - эквивалентный (гидравлический)
диаметр, м;
w - средняя скорость теплоносителя на данном участке, м/с;
r - плотность теплоносителя, кг/м3;
l - коэффициент сопротивления трения (величина безразмерная).
Коэффициент сопротивления трения l шероховатых труб можно определить по формуле (13-60[6]):
, (5.18)
где k - абсолютная шероховатость и принимается
в пределах 0,1 - 0,15 мм.
,
тогда
кПа.
Гидравлические
потери давления в местных сопротивлениях: в патрубках, крышках, трубных
решётках, перегородках, диффузорах, задвижках вентилях и других элементах
теплообменниках определяются по формуле (7-3[7]):
,
Па,(5.19)
где x - коэффициент
местного сопротивления; его находят отдельно для каждого элемента
теплообменника, затем подсчитывают все Dрм, значения которых суммируют.
) вход воды в теплообменник
x = 0,5,
Па,
)
выход воды из теплообменника
x = 1,0,
Па.
Для
остальных элементов расчёт производим аналогично по формуле (5.19). Результаты
расчёта приведены в табл. 5.5.
Таблица 5.5
Результаты расчёта местных сопротивлений
|
№
|
Вид сопротивления
|
Кол.
|
x
|
Sx
|
w, м/с
|
r, кг/м3
|
Dрм, Па
|
|
1
|
Вход в ТО
|
1
|
0,5
|
0,5
|
2
|
985
|
985
|
|
2
|
Поворот 900
|
8
|
0,5
|
4,0
|
1,4
|
985
|
3861
|
|
3
|
Вход в трубу
|
4
|
0,5
|
2,0
|
1,4
|
985
|
1930
|
|
4
|
Выход из трубы
|
4
|
1,0
|
4,0
|
1,4
|
985
|
3861
|
|
5
|
Выход из ТО
|
1
|
1,0
|
1,0
|
2
|
985
|
1970
|
|
Итого
|
|
|
|
|
|
12607
|
Так как вода практически не сжимаемая жидкость, то Dру ничтожно мало и мы не
будем принимать его в расчёт. Так как теплообменник включён в замкнутую схему
(не сообщается с окружающим воздухом), то Dрг = 0.
Теперь определим полное падение давления в теплообменнике
Па,
или
м в.ст.
6.
Контрольно-измерительные приборы и автоматика
В работе технологического оборудования непрерывно наблюдается
нестабильность, которая является результатом нанесения возмущающих воздействий,
приходящих извне или возникающих внутри объекта под косвенным действием внешних
возмущений. Возмущения приводят к изменению состояния объекта и снижают
эффективность его работы.
Управление объектом можно осуществлять вручную и автоматически. Ручное
управление в нынешних условиях малоэффективно, и его успешно заменяет
автоматическое. Следует отметить, что относительно высокая стоимость систем
автоматического регулирования с избытком компенсируется технико-экономическими
и экологическими преимуществами перед системой ручного управления.
АСУ - система “человек-машина”, в которой управление основными
технологическими процессами осуществляется техническими средствами автоматики,
их резервирование, а также управление неавтоматизированными операциями и в
незапрограммированных ситуациях выполняется персоналом.
АСУ решает две основные функции:
информационную, включающую в себя:
1. контроль за основными
технологическими параметрами, то есть непрерывную проверку соответствия
параметров процесса допустимым значениям и информирование персонала при
возникновении несоответствия;
2. Изменение или регистрацию
технологических параметров процесса за допустимые пределы;
3. Вычисление по запросу оператора
некоторых комплексных показателей;
4. Периодическую регистрацию измеренных
и вычисленных параметров;
5. Обнаружение и сигнализацию о
наступлении предаварийных и аварийных ситуаций;
- управляющую, включающую в себя:
1. Функцию стабилизации технологических параметров в виде поддержания
отношения между двумя параметрами, или стабилизацию параметров на заданном
уровне;
2. Программное изменение режима протекания процесса по заранее
заданным алгоритмам;
. Защиту оборудования от аварий;
. Оптимальное распределение нагрузок между агрегатами;
. Управление пусками и остановами агрегатов.
Применяемые ныне АСУ представляют собой комплекс, включающий элементы
технологического контроля, сигнализации, технологических защит, автоматического
регулирования, автоматического и дистанционного управления. Реальные АСУ на энергетических
котлах включают как правило, все перечисленные элементы, либо содержат
большинство из них.
Задачами контроля и управления работой котельного агрегата является:
1. обеспечение выработки в каждый данный
момент необходимого количества пара при определенных параметрах-давлении;
2. обеспечение экономичности сжигания
топлива, рационального использования электроэнергии для собственных нужд
установки и сведения потерь теплоты к минимуму;
3. обеспечения надежности, т.е.
установления и сохранения нормальных условий работы котельного агрегата,
исключающих возможность неполадок и аварий, как собственно агрегата, так и
вспомогательного оборудования.
Котельный агрегат (КА) оснащен контрольно-измерительными приборами. Эти
приборы для измерения можно разделить на следующие группы:
4. расход топлива, воздуха, дымовых
газов;
5. качественного состава дымовых газов.
Агрегат ДКВР-20/23
ГМ имеет:
6. одну точку для анализа дымовых газов
в газовом тракте перед дымососом;
7. три точки измерения температур -
питательной воды на входе и выходе из экономайзера и дымовых газов на выходе из
котла;
8. четыре точки измерения давления -
газа перед задвижкой, за контрольной задвижкой перед рабочей, воздуха перед
топкой, газов в топке котла, пара в барабане котла, питательной воды,
поступающей в котел.
Приборами авторегулирования и управления осуществляется регулирование
давления воздуха за вентилятором, при понижении давления отключается двигатель
вентилятора; регулируется
соотношение ‘’газ-воздух’’.
Приборами регулируется давление дымовых газов в газовом тракте. При его
отклонении от заданного исполнительный механизм воздействует на двигатель
дымососа.
Комплект средств управления совместно с оборудованием котлоагрегета
обеспечивает выполнение следующих функций:
9. осуществление заданной
последовательности операций при пуске, остановке КА;
10.автоматическое
регулирование основных технологических параметров КА;
11.рабочая,
предупредительная и аварийная сигнализация;
12.автоматическая
защита КА в аварийных ситуациях;
13.контроль
основных технологических параметров КА
Комплект обеспечивает следующую световую сигнализацию:
14.о наличии
напряжения питания;
15.о включении
дымососа, вентиляторов;
16.о наличии
пламени запальника горелки;
17.по работе котла
в допустимом диапазоне нагрузки.
Комплект обеспечивает предупредительную свето-звуковую сигнализацию об
отключении устройств защиты во время их проверки или в режиме дистанционного
управления.
.1 Автоматика
регулирования
Предназначена для автоматического поддержания давления пара постоянным,
обеспечивая пропорциональное регулирование. В состав входит автоматики
регулирования входит:
18.Регулятор
топлива - предназначен для автоматического
регулирования подачи топлива в зависимости от давления пара. В качестве И.П.
(измерительного преобразователя) в этом регуляторе используется МЭД (манометр
электрический дистанционный) для измерения давления пара и преобразования
измеренной величины в электрический сигнал. МЭД измеряет давление пара,
преобразовывает сигнал, сигнал поступает на Р-25 (общепромышленный регулятор) где он сравнивается с
электрическим сигналом задатчика. Если давление пара отклонилось от заданного,
в этом случае сигнал задатчика не совпадает с сигналом от МЭД и Р-25 подает команду на включение
исполнительного механизма типа МЭО (механизм электрический однооборотный),
который через систему рычагов начинает передвигать паровую заслонку.
Передвижение заслонки будет пропорционально отклонению давления пара. Затем Р-25 подаст команду на остановку
исполнительного механизма.
19.Регулятор
воздуха - предназначен для автоматического
регулирования подачи воздуха на горелку в соответствии с изменением давления
газа. В качестве И.П. в этом регуляторе применяется два дифференциальных
тягомера типа ДТ:
диффтягомер по воздуху и дифтягомер по газу. Принцип действия: в результате работы регулятора
топлива изменилось давление газа. Это изменение чувствует ДТ по газу.
Следовательно, изменилась величина электрического сигнала от ДТ по газу на Р-25. Р-25 сравнивает полученный сигнал с сигналом задатчика,
а так как они не совпадают, подается команда на включение МЭО, который через
систему рычагов передвигает МА дутьевого вентилятора. Изменяется давление
воздуха. Это изменение фиксирует ДТ по воздуху. На Р-25 сигналы суммируются и сравниваются
с электрическим сигналом задатчика. Когда они уравниваются Р-25 подает команду на остановку МЭО.
Соотношение газ-воздух
отрегулировано.
20.Регулятор
разряжения - предназначен
для поддержания заданного разряжения в топке. В качестве И.П. применяется
дифтягомер по разряжению. Принцип работы аналогичен.
21.Регулятор
питания котла водой - в
качестве измерителя-преобразователя
применяется дифференциальный манометр, который предназначен для измерения
уровня воды в барабане котла и преобразования в
электрический сигнал. Сигнал поступая на Р-25, сравнивается с сигналом задатчика. И Р-25 периодически подает команды на
включение МЭО, который открывает или закрывает питательный клапан.
.2
Автоматическая защита
Предназначена для подачи команды электромагнитной приставки ПЗК на
отключение газа при возникновении предаварийных ситуаций.
К приборам защиты относятся:
22.датчик напора
по газу типа ДН -
предназначенный для подачи сигнала на щит котла в случаях снижения давления
газа ниже допустимого;
23.датчик напора
по воздуху ДН, предназначенный для подачи сигнала на щит котла при снижении
давления воздуха ниже допустимого;
24.датчик
разряжения в топке типа ДНТ, предназначенный для подачи сигнала на щит котла
при снижении разряжения ниже допустимого;
25.уровнемерная колонка
с электродами, предназначенная для подачи сигнала при снижении уровня воды ниже
НДУ или повышения выше ВДУ;
26.электро-контактный манометр ЭКМ,
предназначенный для подачи сигнала при повышении давления пара выше допустимого;
27.фотодатчик,
сигнализирующий при погасании пламени в топке К.А.
Принцип работы:
Если какой-либо из параметров достигает допустимого значения, это
чувствует один из приборов безопасности, приведенных выше, и подает сигнал на
щит котла. Включается световая и звуковая сигнализация. Затем сигнал
задерживается на реле времени на 15-20 сек. Если в течении этого времени параметр не
восстановился или его не восстановил оператор, подается команда электрической
приставке ПЗК на отключение газа. При погасании факела команда на отключение поступает
без выдержки времени. ПЗК перекрывает подачу газа если произошло отключение
электроэнергии.
.3 Описание
компоновки и коммутации щита КИПиА
Компоновкой называется общий вид щита и размещенные на нем приборы и
средства автоматизации. Компоновка аппаратуры должна обеспечить удобство
пользования ими.
Щиты выполнены в соответствии с типовыми проектами котельных и
предназначены для автоматизации котлов, сжигающих природный газ. Щиты
устанавливаются в производственных и специальных щитовых помещениях с
температурой окружающего воздуха от -35°С до +50С°. При компоновке необходимо обращать внимание на эстетику внешнего вида
проектируемого щита. Средства автоматизации и аппаратуры управления компонуются
функциональными группами в порядке хода технологического процесса.
Аппаратуру на панелях располагают так, чтобы дежурному оператору было
удобно наблюдать по показаниям приборов за технологическим процессом.
Показывающие приборы и сигнальные средства устанавливают на высоте 800¸2100мм, самопишущие приборы на высоте
1000¸1600мм, ключи и кнопки на высоте 700¸1600мм. Под каждым прибором помещены
рамки с надписями о назначении прибора или измеряемом параметре.
Схема коммутации щита представляет собой обратную сторону передней стенки
щита с точным расположением на ней аппаратуры с упрощенным изображением
проводки. В щиты и пульты разрешается ввод электрического тока напряжением, не
превышающим 400 В. При вводе в щиты со средствами автоматизации направленными
свыше 250 В постоянного и переменного тока рекомендуется ведущие части
закрывать контуром.
Питающие провода, кабели рекомендуются подводить непосредственно к
вводному выключателю щита. Индивидуальные цепи питания средств автоматизации
схем управления, сигнализации и т.д. рекомендуется подводить от вводного выключателя
к соответствующим выключателям и предохранителям.
Развязка индивидуальных цепей питания должна выполняться согласно
принятым решениям в принципиальной схеме.
Компенсационные провода или кабели, поставленные комплексно с отдельными
видами приборов и средств автоматизации, присоединяются непосредственно к их
зажимам.
Концы проводов, подключенные к проборам, аппаратам и сборкам зажимов,
должны иметь маркировку, соответствующую монтажным схемам щита.
Схема практической реализации КИПиА реализована в графической части
проекта (лист 6).
7. Охрана
труда
.1
Производственная санитария и техника безопасности
В данном проекте рассматривается теплоснабжение промышленного узла
крупного административного центра, а именно Борисовского деревообрабатывающего
объединения «Борисовдрев».
На территории завода расположены следующие энергетические объекты:
котельная, снабжающая тепловой энергией в виде пара и горячей воды
собственное производство, а также другие предприятия города, объекты социальной
сферы и жилищно-коммунальное хозяйство.
газовое хозяйство представлено заводским ГРП, питающим как котельную
предприятия, так и жилой посёлок;
мазутное хозяйство, которое включает в себя: 1) разгрузочную эстакаду на
8 вагонов-цистерн; 2) приёмный резервуар ёмкостью 100 м34 3) два
стальных наземных резервуара ёмкостью 1000 м3 каждый; 4)
мазутонасосную 4 5) установку по вводу жидкой насадки; 6) две установки по
очистке замазученных вод. Принятые решения обеспечивают запас топлива на 35
суток.
Источником теплоснабжения является котельная, расположенная на территории
ОАО «Борисовдрев». В котельной установлены:
1 котел ДКВР-20/23 - производительность 20 т/ч, рабочее давление 2,4 МПа,
температура пара 180С, эксплуатируется с 1974 г.;
1 котел ДКВР-10/23 - производительность 10 т/ч, рабочее давление 2,4 МПа,
температура пара 180С, эксплуатируется с 1976 г.;
1 котел БМ-45 “Р” - производительность 45 т/ч, рабочее давление 2,4 МПа,
температура пара 370С, эксплуатируется с 1966 г.;
1 котел ДЕ-25´14 ГМ - производительность 25 т/ч, рабочее давление 1,4 МПа,
температура пара 180С, эксплуатируется с 1987 г.;
котел ТП-45 “У” - производительность 45 т/ч, рабочее давление 2,4 МПа,
температура пара 400оС, эксплуатируется с 1960 г.
Топливом для котла ДКВР-10/23 служат древесные отходы, для остальных котлов
- природный газ, резервное топливо - мазут М100.
Генеральный план площадки рассматриваемой котельной разработан с учётом
особенности прилегающей территории и застройки, условий обеспечения и
использования санитарных разрывов регламентирующих СНиП II-89-80, СНиП
2.07.01-89.
Участки территории, свободные от покрытий и застройки, озеленяются
посредством устройства газонов и посадки кустарников.
Объединяющим элементом объёмно-пространственной композиции комплекса
является котельный зал, вокруг которого группируются равновеликие объёмы
вспомогательных производств.
Трубопроводы тепловых сетей выполняются из стальных электросварных труб
по ГОСТ 10704-91. Трубопроводы прокладываются подземно в непроходных каналах.
Компенсация тепловых удлинений осуществляется за счет углов поворота трассы и
П-образных компенсаторов. Трубопроводы тепловых сетей покрываются
антикоррозионным метализационным покрытием по ГОСТ 7871-75* и изолируются
пенополиуретаном цельновспенненым.
Объёмно-планировочные решения котельной обеспечивают необходимый состав
оборудования основных и вспомогательных помещений, их вместимость и
рациональное размещение.
Фундаменты помещения дымососов и бытовых помещений сборномонолитные.
Сборные кольца фундаментов погружаются методом опускных колодцев с водоотливом.
Под стены укладываются сборные железобетонные перемычки.
Стены надземной части бытовых помещений - многослойной кладки с
утеплением из полистиролбетонных плит, стены помещения дымососов - из
обыкновенного керамического кирпича на цементно-песчаном растворе.
Перегородки - сетчатые консольные и кирпичные.
Перемычки - сборные железобетонные и металлические.
Лестница наружная - металлическая.
Кровля - плоская совмещенная, рубероидная по утеплителю из газосиликатных
плит.
Окна - деревянные, двойные раздельного типа.
Полы - бетонные, из линолеума, керамической плитки.
Оборудование котельной размещено с учётом необходимых разрывов и проходов
в соответствии с «Правилами устройств и эксплуатации паровых и водогрейных
котлов» Госгортехнадзора и СНиП II-35-76.
Котлоагрегаты и вспомогательное оборудование оснащены в соответствии с
действующими нормами и правилами необходимыми технологическими устройствами и
автоматикой.
Оборудование и трубопроводы с температурой стенки более 40°С изолированы,
арматура размещена в местах, удобных для обслуживания. Состав бытовых помещений
определен исходя из численности обслуживающего персонала СНиП-35-76.
Система отопления котельной запроектирована горизонтальной. В качестве
нагревательных приборов приняты радиаторы МС-140-108. Температура теплоносителя
для отопления - 150-70°С. Система отопления кладовых, примыкающих к котельной,
запроектирована совместно с системой отопления котельной.
Вентиляция помещения котельной - естественная через дефлекторы и
кирпичные кладки.
Вентиляция примыкающих кладовых - естественная.
Проектом предусмотрено рабочее общее и локализованное освещение
котельного зала и других помещений. Аварийное освещение предназначено для
продолжения работы оборудования, сеть аварийного и рабочего освещения запитана
от разных вводов 0,4 кВ.
Проводки в котельной выполняются преимущественно открытой прокладки
кабелей по электроконструкциям и лоткам.
Проводка по площадкам котлов выполняется кабелем АПВ в электросварных
трубах. Нормируемая освещенность рабочих зон обеспечивается светильниками с
люминесцентными лампами, для вспомогательного освещения используются лампы
накаливания.
В целях электробезопасности работы проектом предусматривается обеспечение
недоступности токоведущих частей путем их изоляции, применением различного рода
защитных ограждений, кожухов и т.п. или расположение токоведущих частей в
недоступных для прикосновения местах.
В соответствии с инструкцией по устройству и молниезащиты зданий и
сооружений РД 34.21.122-87-молниезащитой III категории оборудуется кирпичная
дымовая труба Н = 44 м котельной. В качестве естественного заземлителя
молниезащитой используется железобетонный фундамент трубы.
Все металлоконструкции котельной, трубопроводы и т.д. присоединяются к
сети заземления и зануления котельной.
Для защиты персонала котельной от поражения током кроме указанных выше
мероприятий предусмотрены:
применение пониженного напряжения 12В, 42В в осветительных сетях;
комплектация электроустановок основными и дополнительными средствами по
ТБ.
.2 Пожарная
безопасность
В соответствии с НПБ 5 - 2000 «Категорирование помещений, зданий и
наружных установок по взрывопожарной и пожарной опасности» помещения котельной
относятся к различным категориям по пожарной безопасности (табл.7.1).
Таблица 7.1
|
№
|
Тип помещения, здания
|
Категория помещения по взрывопожарной и пожарной опасности
|
Степень огнестойкости
|
|
1
|
Котельный зал, помещение дымососов и вентиляторов
|
Г
|
II
|
|
2
|
Помещение водоподготовки
|
Д
|
III
|
|
3
|
Помещение щитов управления
|
Д
|
II
|
|
4
|
Трансформаторная подстанция
|
В
|
II
|
|
5
|
В
|
II
|
Здание котельной размещено так, чтобы исключить возможность переброса
пожара и передачи взрыва на расстоянии 12 м. Эстакады паромазутопроводов от
мазутного хозяйства до котельной выполняем длиной 600м. Сообщение с заводом
осуществляется по переходной галерее, по ней же проходят и трубопроводы пара.
Для защиты здания котельной от повреждения при взрыве пара внутри помещения
предусмотрено устройство в наружных стенах легкосбрасываемых при взрыве ограждающих
конструкций (лёгкие панели, щиты, остекление окон).
Согласно СНБ 2.02.01-98 «Пожарно-техническая классификация зданий,
строительных конструкций и материалов» степень огнестойкости зданий
определяется минимальными пределами огнестойкости строительных конструкций и
максимальными пределами распространения огня по этим конструкциям. С
возрастанием степени предел огнестойкости уменьшается (табл.3). Несущие стены,
колонны и стены лестничных клеток должны иметь пределы огнестойкости 2-3 часа,
межэтажные перекрытия 1-1,5 часа, противопожарные преграды не менее 2,5 часов.
Здание котельной выполнено из несгораемых материалов (железобетон). Для
повышения огнестойкости здания оштукатурены и пропитаны огнезащитными
составами.
В помещении должна поддерживаться чистота. Использованный и чистый
обтирочный материал хранятся в специальных ящиках.
В летний грозовой период здания котельной могут оказаться под
воздействием грозовых атмосферных электрических зарядов. Для этого в
соответствии с СН - 305-77 «Инструкция по проектированию и устройству
молниезащиты зданий и сооружений» установлена молниезащита. Установлены
молниеприёмники стержневого типа. Они выполнены из полосовой, круглой или
угловой стали, покрыты антикоррозийной краской, поперечным сечением не менее
100 мм2, и длиной не менее 200 мм. Так как здания котельной имеют
железобетонные конструкции кровли, то с целью молниезащиты они заземлены.
Токоотводы выполнены из стали и рассчитны на пропускание полного тока молнии
без нарушений и существенного перегрева и покрыты антикоррозийным покрытием.
Так же в качестве токоотводов используются металлические элементы конструкций:
пожарные лестницы, водосточные трубы. Токоотводы с заземлителями соединены
сваркой.
Для тушения пожаров на ОАО «Борисовдрев» сооружена сеть наружного и
внутреннего противопожарного водопровода, состоящая из запасных резервуаров,
насосной станции, водозаборных сооружений, трасс трубопроводов. На
трубопроводах котельной через каждые 30 м размещены пожарные гидранты. В каждом
производственном помещении сооружен пожарный водопровод. Он состоит из ввода,
водомерного узла, разводящей сети и стояков, водоразборной, запорной и
регулирующей арматуры. Для тушения нефтепродуктов и электрических установок
имеется в наличии подвижной углекислотный огнетушитель УП - 2М. Кроме этого для
предотвращения возникновения пожара в котельной предусмотрены:
щиты с шансовым инструментом (лопата, лом, багор, топор);
ящики с песком;
противопожарные маты;
огнетушители (пенные и кислотные).
Пожарная сигнализация предназначена для быстрого обнаружения и сообщения
о пожаре. На котельной ОАО «Борисовдрев» установлена автоматическая система
пожарной сигнализации в соответствии с ГОСТ 12.4.009 - 83. Она состоит из:
извещателей, автоматически подающих сигнал о пожаре; приёмной станции, принимающей
поданные от извещателя сигналы о пожаре и автоматически подающей сигнал
тревоги; системы проводов (сети), соединяющих извещатели с приёмной станцией.
.3 Изменение
условий труда в результате мероприятий по повышению эффективности
энергопотребления
В данном проекте анализа энергопотреблнния и разработки мероприятий по
повышению эффективности энергоиспользования производственного предприятия ОАО
«Борисовдрев» предусматривается оснащение котельной паротурбинной установкой.
Данная турбогенераторная установка типа Р-2,5-2,1/0,6 производства АО
«Калужский турбинный завод» (Россия) изготовлена в соответствиями с ГОСТ
29328-92, в климатическом исполнении и категории размещения УЗ по ГОСТ 15150 и
поставляется в блочно-транспортабельном виде.
Транспортировка электростанции производится автомобильным,
железнодорожным и воздушным транспортом.
В объем поставки турбоустановки входят:
турбина паровая;
бак масляный;
маслоохладитель;
маслопроводы с арматурой;
фильтр водяной;
щит контроля и управления;
щит манометровый;
подогреватель струйный;
трубопроводы с арматурой;
инструмент и приспособления, запчасти;
электроаппаратура и КИП.
Турбогенератор Р-2,5-2,1/0,6 устанавливается в помещении, пристраиваемом
к существующему зданию паровой котельной. Помещение для турбоустановки имеет
размеры 9Ч18Ч14(Н) м. Фундаменты монолитные на естественном основании. Колонны
сборные железобетонные. Стеновое ограждение из керамзитобетонных панелей.
Покрытие из сборных ребристых железобетонных плит по металлическим фермам.
Кровля рулонная. Ферма и плиты в месте расположения градирни усиливаются.
Фасады пристраиваемого здания для турбины решаются функционально, с
учетом архитектуры существующего здания.
Освещенность достаточная. Внутренняя отделка - силикатная, масляная
покраска. Полы - бетон, линолеум.
Для монтажа, ремонта и обслуживания турбогенераторной установки на
отметке 0.0 предусматриваются автовъезд и ремонтная площадка размером 5Ч9 м (в
осях 12-14), а также мостовой электрический кран грузоподъемностью 12,5 т.
Отметка крюка +10,0 м.
В районе пристраиваемого для турбоустановки помещения существующие
подземные коммуникации переносятся. Категория взрывопожаробезопасности согласно
ОНТП 24-86 пристройки главного корпуса «Г» (предусмотрена гидроуборка). Для
помещений категории "Г" предусмотрены нагревательные приборы с
гладкой поверхностью, допускающей легкую очистку. Отопительные приборы в
помещениях категории «Г» размещены на расстоянии не менее 100 мм от поверхности
стен. При прокладке трубопроводов систем отопления и теплоснабжения через
противопожарные перегородки предусмотрена прочная и плотная заделка
строительным раствором мест прохода трубопроводов.
Системы общеобменной вытяжной вентиляции помещений категории «Г»
запроектированы самостоятельными.
Системы приточно-вытяжной вентиляции, обслуживающие помещения категории
«Г», сблокированы с установками автоматического извещения о возникновении
пожара, а также централизованно отключаются во время пожара.
Настоящим проектом предусматривается оборудование автоматической пожарной
сигнализацией служебных помещений, помещений ПЭВМ, комнат отдыха, гардеробов
административно-бытовой части, аппаратной связи, а также помещений
маслохозяйства.
В качестве извещателей о пожаре устанавливаются датчики типов ИП-105-2/1,
ДИП-3.
Для приема сигналов о возникновении пожара предусматривается пульт
пожарной сигнализации типа ППС-3 на 20 лучей, устанавливаемый на щите
управления турбоагрегатом. Общий сигнал о пожаре выдается на станцию пожарной
сигнализации котельной. Для оповещения персонала о возникновении пожара
используется командно-поисковая связь котельной. Сети пожарной сигнализации
выполняются автономно от сетей связи.
Электрическое подключение синхронного турбогенератора производится
силовыми кабелями на вторую секцию шин напряжением U=6 кВ через вводную ячейку КСО с вакуумными выключателями
марки ВБЧ-С-10-20 кВ.
В системе охлаждения подшипников турбины и генератора теплоносителем
является турбинное масло. Тепловая регенерация нагретого масла происходит в
теплообменнике У1 по ГОСТ 15150. Хладоноситель - окружающий воздух.
Паротурбинная электростанция полностью автоматизирована и постоянного
присутствия обслуживающего персонала в зоне работающей установки не требуется.
Проемы и движущие части ограждаются;
Кабина оператора выполнена отдельным блоком, обеспечивающим дистанционное
управление электростанцией.
7.4
Характеристика электростанции паротурбинной Р-2,5-2,1/0,6 по условиям
воздействия на окружающую среду и обслуживающий персонал
Вредными факторами, которые действуют со стороны турбинной установки на
окружающую среду и обслуживающий персонал являются:
- Шум.
- Вибрация.
- Тепловые выбросы.
- Высокая температура поверхности.
Рассмотрим конкретнее источники их образования, предельно-допустимые
нормы и характеристики установки Р-2,5-2,1/0,6 по этим показателям.
У Р-2,5-2,1/0,6 основным источником шума является всасывающий патрубок.
Природа шума - аэродинамическая. Для снижения шума всасывающий патрубок турбины
изолируется звукопоглотителем. Для технологического оборудования эквивалентный
уровень шума в 1м от оборудования по ГОСТ 12.1.003-89 не должен превышать 85
дБА, для кабины оператора управления - 65 дБА. У Р-2,5-2,1/0,6 предельный
уровень шума 85 дБА, что соответствует стандарту. Допустимый уровень шума в
жилой зоне по СН 3077-84 составляет: в дневное время - 70 дБА; в ночное - 60
дБА. Котельная находится в центре промышленной зоны (см. графическую часть) и
расстояние до ближайшего жилого массива составляет не менее 250м. На данном
расстоянии условия СН 3077-84 будут выполнены. Исходя из вышеописанного
дополнительных мероприятий по шумоглушению не требуется.
Источником вибрации у паровой турбины и турбогенератора являются
подшипниковые опоры. Вибрация общая технологическая. По СН-9-89 РБ 98 допустимые значения размаха относительных
виброперемещений валопровода турбоагрегата: при вводе в эксплуатацию (частота
вращения вала 3000 об/мин) - до 80мкм; без ограничений - от 80 до 165мкм; не
более 30 суток - от 165 до 260мкм; не допускается к эксплуатации - свыше
260мкм. Электростанция паротурбинная Р-2,5-2,1/0,6 полностью соответствует
требованиям данного ГОСТа. Фундамент установки выполнен с применением
виброизолирующих материалов для снижения воздействия вибрации на окружающую
среду и обслуживающий персонал.
Температура поверхности изоляции турбоагрегата по СН 245-71 при
температуре теплоносителя 370°С должна быть не более 50°С. У Р-2,5-2,1/0,6
изоляция рассчитана на поверхностную температуру 45°С при температуре воздуха в
рабочей зоне.
Из вышеописанного следует, что электростанция паротурбинная Р-2,5-2,1/0,6
по своим характеристикам может эксплуатироваться на котельной ОАО «Борисовдрев»
не нарушая стандартов Республики Беларусь.
8.
Электротехническая часть проекта
Элекроснабжение площадки предприятия осуществляется от двух подстанций
110 кВ: «Борисов-северная» и «Борисов-южная» по четырем линиям, питающим ТП-354
предприятия.
Распределительные устройства напряжением 10 кВ (РУ-10) ТП-354 состоит из
2-х секций, связанных секционным выключателем.
От РУ-10 кВ ТП-354 двумя кабельными линиями питается РУ-10кВ ТП-164 цеха
ДВП, от которого через два трансформатора мощностью 1600 кВА запитано РУ-6 кВ
ТП-164.
Питание РУ-6 кВ ТП-100 котельной и РУ-6 кВ ТП-102 водонасосной
осуществляется от ТП-354 через два трансформатора мощностью по 1000 кВА.
Потребители с напряжением 0,4 кВ питаются от встроенных ТП отдельных
производств через трансформаторы 10/0,4 или 6/0,4 кВ, подключенные к РУ-6 кВ
ТП-354 или РУ-6 кВ соответствующих производств.
В
данном проекте модернизации системы энергопотребления производственного
предприятия ОАО «Борисовдрев» предусматривается установка электростанции
паротурбинной с синхронным турбогенератором типа ТК-2,5-2УЗ с номинальной
мощностью 2500 кВт. Полная мощность равна Sном=3000 кВ·А (по каталогу). Напряжение на выводах
генератора Uном=6,3
кВ. Cверхпереходное относительное индуктивное сопротивление
обмотки турбогенератора
=0,12.
.1 Расчёт
токов короткого замыкания
Расчёт будем производить в относительных единицах принимая базисную
мощность Sб=100 МВ∙А.
Сопротивление генератора в относительных единицах (10.1[5]):
(8.1)
где Uср =Uб = Uном = 6,3 кВ - базисное напряжение
соответствующее напряжению в предполагаемом месте короткого замыкания, и равное
среднему напряжению на шинах КРУ.
Тогда:
.
Выбираем
удельные сопротивления для кабеля, соединяющего турбогенератор с КРУ:
xуд.= 0,08 мОм/м;
rуд.=0,16 мОм/м.
Тогда
сопротивления в относительных единицах для кабельных линий будут
(10.3,10.4[5]):
;(8.2)
, (8.3)
где l = 140 м - расстояние от
турбогенератора до ячейки КРУ.
Подставив числовые значения в эти уравнения, получим:
Относительное
сопротивление системы принимаем:
x*= 0,55.
Схема
замещения подключения генератора к электросети котельной изображена на рис.
9.1:
Рис. 8.1 Схема замещения подключения генератора к электросети котельной.
Ток короткого замыкания находится по формуле (10.6[5]):
, (8.4)
Где
А
- значение базисного тока.
-
суммарное сопротивление схемы, которое определяется по формуле:
.
Тогда
ток короткого замыкания будет равен:
А,
который
соответственно складывается из тока короткого замыкания со стороны системы и со
стороны генератора.
Со
стороны системы:
А.
Со
стороны генератора:
А.
Ударный
ток короткого замыкания с ударным коэффициентом kу = 1,8 будет равен (10.20[5]):
кА.(8.5)
.2
Присоединение турбогенератора
Выберем кабель для подключения турбогенератора в электросеть котельной.
Расчётный ток генератора (9.2[5]):
.(8.6)
кА.
Определим сечение кабеля по экономической плотности тока (9.1[5]), jэ= 1,2 выбираем по таблице П4.9[5]:
мм2.(8.7)
Предварительно выбираем два трёхжильных кабеля 2ЧААШву-10 (3Ч35) (на одну
фазу приходится шесть жил) Iдл.
= 115 А.
Проверим выбранный кабель по нагреву длительным током после аварийного
режима (4.8)[6]:
, (8.8)
где
- максимальный расчётный ток генератора (9.5[5]);
.(8.9)
А.
Iдл. = 115∙6 = 690 А - максимально-допустимый ток
всех шести кабелей.
Следовательно, по данному условию кабель выбран правильно.
Проверим выбранный кабель по второму условию - по термической стойкости.
Тепловой импульс (9.8[5]):
,(8.10)
где Та = 0,01 - постоянная времени затухания апериодической
составляющей тока, определяем из стр.65[5];
tотк= 0,6 c - время отключения тока короткого замыкания, определяем по
таблице П4.8[5].
Тогда:
А2∙с.
Сечение
кабеля по термической стойкости (9.7[5]):
,(8.11)
где
к - расчётный коэффициент выбираем по таблице П4.7[5].
Тогда:
мм2.
Так
как qт = 140 мм2
< 35·6=210 мм2, то выбранный ранее кабель
проходит по условию термической стойкости.
Итак,
окончательно к установке принимаем шесть кабелей ААШву-10 (3Ч35).
Выбираем
выключатель по следующим критериям:
- по напряжению:
Uн ³ Uуст;(8.12)
по длительному току (11.1[5])
Iном ³ Iраб.max;(8.13)
по отключающей способности (11.2[5]):
Iоткл. ³ I//,(8.14)
где Iоткл - номинальный ток отключения
выключателя (выбирается по каталогу);
I// - действительное значение
периодической составляющей начального тока трёхфазного короткого замыкания;
- по динамической устойчивости (11.9[5]):
iу. ³ iпр.с,(8.15)
где iу - ударный ток трёхфазного короткого замыкания (см.
пункт 8.1);
iпр.с - предельный сквозной ток
выключателя, выбираем по каталогу;
- по термической устойчивости (11.12[5]):
Вк = Iт2 ·tт ,(8.16)
где Iт - предельный ток термической устойчивости
выключателя, выбираем по каталогу;
tт - длительность протекания тока
термической устойчивости выключателя, также выбираем по каталогу.
Предварительно выбираем выключатель МГГ-10-3150-45УЗ.
Проверим данный выключатель по вышеописанным критериям.
Uуст= 6300 В < Uном= 10000 В;
А < Iном=3150
А;
Iотк = 45 кА ³ I//
= 18 кА;
Iу = 45,8 кА < Iпр.с
= 120 кА;
Вк
= 1,97·108 (см. предыдущий расчёт);
Iт = 45 кА, tт = 4 сек;
;
.
Выбранный
выше выключатель МГГ-10-3150-45УЗ удовлетворяет всем условиям.
.3 Расчёт
электропотребителей второй секции шин
Произведём расчёт потребителей электроэнергии, присоединённых ко второй
секции шин КРУ. Для этого из всех присоединений на шине выберем наиболее
мощное, и относительно него произведём выбор кабеля и выключателя.
Наиболее мощным является присоединение - трансформатор ТМ-1000/10.
Расчётный ток определяем по формуле (8.6):
Выбираем
кабель по экономической плотности тока которую находим по формуле (8.7):
,
где
jэ=1,2 -
выбираем по таблице П4.9[5].
Принимаем
кабель ААШву-10 (3Ч50), Iдоп = 140
А.
Проверим
кабель на аварийную перегрузку (9.6[5]):
, (8.17)
где Кп - допустимая кратность перегрузки (регламентирована в
ПУЭ) Кп=1,3, тогда:
Iра - расчётный ток трансформатора,
который равен:
(8.18)
где Sнт = 1000 кВ∙А - номинальная
мощность трансформатора.
Тогда: 182 А >
80,8 А.
Проверим по термической стойкости:
Так
как qт = 140 мм2
> 50 мм2, следовательно принимаем кабель
следующий ближайший больший - ААШву-10 (3Ч150).
Остальные
подключения второй секции шин КРУ комплектуем тем же кабелем ААШву-10 (3Ч150),
так как условие термической стойкости одинаково для всех потребителей.
Выключатель
выбираем так же для наибольшего присоединения исходя из условий описанных в
пункте 8.2.
Предварительно
выбираем выключатель ВМПЭ-10-630-31,5УЗ.
Проверяем
этот выключатель:
Uуст = 6300 В < Uном
= 10000 В;
< Iном = 630 А;
Iотк = 31,5 кА > I// = 18 кА;
Iу = 45,8 кА < Iпр.с
= 80 кА;
Вк=1,97·108
(см. пункт 8.2)
Iт=31,5 кА, tт=4 сек;
Выбранный
выше выключатель ВМПЭ-10-630-31,5УЗ удовлетворяет всем условиям.
Остальные
ячейки КРУ комплектуем такими же выключателями.
9. Экономика
.1 Расчёт
технико-экономических показателей котельной
Установленная мощность котельной определяется по формулам (13.2)[4] для паровых
котлов, так как на котельной установлены только паровые котлы:
,(9.1)
где
- установленная мощность паровых котлов (см. пункт
2.1) (МВт);
D =
145 т/ч-паропроизводительность котельной;
МВт;
МВт.
Годовой отпуск тепловой энергии на отопление рассчитывается по формуле
(13.4)[4]:
,(9.2)
где:
-средний
расход теплоты за отопительный период на нужды отопления, определяется по
формуле (9.17)[4]:
,(9.3)
где:
= 11,9∙103 кВт - максимальный часовой
расход воды на отопление (см. пункт 1.1);
°С -
средняя температура наружного воздуха за отопительный период (см. пункт 1.1);
°С -
расчётная температура наружного воздуха для проектирования отопления принимаем
по таблице 9.1[4];
°С -
расчётная температура внутри зданий.
кВт;
nо = 203 сут.- продолжительность отопительного периода
(см. пункт 1.1)
ГДж/год.
Годовой отпуск тепловой энергии на вентиляцию рассчитывается по формуле
(13.5[8]):
,(9.4)
где
- средний расход теплоты на вентиляцию, определяется
по формуле (9.18[8]):
,(9.5)
где Qв = 1,1∙103 (кВт) - максимальный
часовой расход воды на вентиляцию (см. пункт 1.1),
tр.в = -10°С- расчётная температура
наружного воздуха для проектирования вентиляции принимаем по таблице 9.1[8];
кВт;
z
= 16 ч - усреднённое за
отопительный период число часов работы системы вентиляции в течении суток.
ГДж/год.
Годовой
отпуск тепловой энергии на горячее водоснабжение рассчитывается по формуле
(13.6)[4]:
,(9.6)
где
- средний расход теплоты за отопительный период на
горячее водоснабжение, определяется по формуле (9.16)[4]:
,(9.7)
где qг.в = 363 Вт/чел - укрупнённый
показатель среднечасового расхода теплоты на горячее водоснабжение на одного
человека, принимаем по таблице 9.5[4];
m =
7800 чел - население района;
Вт;
,(9.8)
где tхл = 12°С - температура холодной воды в
летний период;
tхз = 5°С- температура холодной воды в
отопительный период;
b = 0,8- коэффициент, учитывающий снижение среднего расхода
пара на горячее водоснабжение в летний период по отношению к отопительному;
;
.
Годовой отпуск тепловой энергии на технологические нужды рассчитывается
по формуле (13.7)[4]:
,(9.9)
где
- средний расход теплоты на технологические нужды, по
данным котельной
= 26·103, кВт;
nт = 7320 ч/год - годовое число часов
использования потребителями технологической нагрузки, принимаем в соответствии
с заданным режимом обеспечения паром технологической нагрузки потребителей;
Кн- коэффициент неравномерности суточного графика по пару,
принимаем 0,7-0,9;
ГДж/год.(9.10)
Годовой отпуск теплоты от котельной рассчитывается по формуле (13.8[4]):
(9.11)
ГДж/год.
Годовая
выработка теплоты котельной определяется по формуле (13.9[4]):
,(9.12)
где hт.п. - коэффициент теплового потока (%),
при работе на газообразном топливе приближённо выбирается 98-97%:
ГДж/год.
Число часов использования установленной мощности котельной в году (ч/год)
при условии работы котельной на собственном контуре (13.10[4]):
(ч/год).(9.13)
Удельный расход топлива на 1 (ГДж) отпущенной теплоты:
· Условного определяется по формуле (13.11[4]):
(9.14)
· Натурального (113.12[4]):
,(9.15)
где hбр = 94 % -
КПД котельного агрегата;
= 35,5
МДж/м3 - низшая теплота сгорания рабочей массы топлива:
, т/ГДж;
, т/ГДж.
Годовой расход топлива котельной:
· Условного определяется по формуле (13.13[4]):
(9.16)
· Натурального (113.12[4]):
,(9.17)
(т/год);
(т/год);
Годовой расход электроэнергии на собственные нужды котельной (кВтч/год)
рассчитывается по формуле (13.15[4]):
,(9.18)
где Nуст - установленная мощность
токоприёмников (кВт) определяется по формуле 13.16[4]:
,(9.19)
= 15,
кВт/МВт - удельный расход электрической мощности на собственные нужды
котельной, принимаем по таблице 13.1[4]:
кВт;
кВт∙ч/год.
Годовой расход воды в котельной (т/год) определяется по формуле
(13.17[4]):
,(9.20)
где
,
- расход
воды, поступающей на химводоочистку для приготовления питательной воды при
максимально-зимнем и летнем режиме (т/ч), по данным котельной
= 40,
= 60
(т/ч):
т/год.
Удельный расход воды определяем из формулы (13.19[4]):
т/ГДж.(9.21)
Годовые затраты на топливо определяются по формуле (для газообразного
топлива) (13.20[4]):
,(9.22)
где
= 48,85 (у.е.) - оптовая стоимость по прейскуранту
1000 кубических метров газа:
(у.е./год).
Годовые
затраты на электроэнергию определяются по формуле 13.25[4]:
,(9.23)
где Цэ = 0,04 (у.е.) - цена одного киловатт-часа принимается
по прейскуранту:
(у.е./год).
Годовые затраты на использованную воду от водоканала определяется по
формуле 13.28[4]:
,(9.24)
где Цв = 0,18 (у.е.) - цена одной тонны сырой воды:
(у.е./год).
Годовые затраты на амортизационные отчисления определяются по формуле
(13.30[4]):
,(9.25)
где
- средняя норма амортизации общестроительных работ и
зданий, принимается равной 3%;
- норма
амортизации оборудования с монтажом;
Кстр-
стоимость общестроительных работ, по формуле (13.31[4]):
Коб-
стоимость оборудования с монтажом, по формуле (13.31[4]):
(9.26)
(9.27)
Где Ккот - капитальные затраты на сооружение котельной,
(у.е.);
(9.28)
Где КI, Кп
- удельные капиталовложения для ввода первого и последующих котлоагрегатов
(у.е./МВт), принимаем по таблице 13.6[4];
,
- номинальная мощность первого и последующего
котлоагрегатов (МВт);
т - число котлоагрегатов в котельной:
aстр = 30%- доля стоимости общестроительных работ в общей стоимости котельной,
выбираем из таблицы 13.7[2];
aоб = 52% - доля стоимости оборудования с монтажом в общей стоимости
котельной, выбираем из таблицы 13.7[2];
у.е.
После установки паровой турбины:
у.е.
,
у.е./год.
Годовые затраты на текущий ремонт определяются по формуле 13.34[4]:
у.е./год(9.29)
Годовые затраты на заработную плату эксплуатационного персонала котельной
определяется по формуле 13.34[4]:
,(9.30)
где
= 1320, у.е.чел/год - среднегодовая заработная плата
с отчислениями в фонд социального страхования.
Численность персонала котельной Ч определяется по формуле 13.35[4]:
(9.31)
где
= 0,25 - ориентировочный штатный коэффициент (чел/МВт)
определяется по таблице 13.8[4].
, чел.;
,
у.е./год.
Прочие суммарные расходы определяются по формуле 13.36[4]:
(9.32)
.
Годовые эксплуатационные расходы котельной определяются по формуле (13.37
[4]):
(9.33)
у.е./ГДж.
(9.34)
Топливная составляющая себестоимости определяется по формуле 13.39 [4]:
у.е./ГДж.(9.35)
Цq = 15,5 у.е./ГДж - средний тариф на
теплоэнергию по энергосистеме.
Приведенные затраты на 1ГДж отпущенной теплоты определяется по формуле
13.41[4]:
,(9.36)
где Ен - нормативный коэффициент эффективности, принимается
равным 0,12:
,
у.е./ГДж.
Чистая дисконтированная стоимость определяется по формуле:
,(9.37)
, (9.38)
,(9.39)
где П = 0,15 - норма прибыли:
;
.
Расчёт NPV сводим в таблицу.
Таблица 9.1
Расчёт NPV
|
Годы
|
CF
|
|
Ставка дисконто
|
|
1
|
3,84∙105
|
3,5∙105
|
0,1
|
|
2
|
3,84∙105
|
3,17∙105
|
Капиталовложения
|
|
3
|
3,84∙105
|
6,8∙105
|
|
4
|
3,84∙105
|
2,6∙105
|
NPV
|
|
Сумма
|
1,2∙106
|
5,2∙105
|
Срок окупаемости проекта:
(9.40)
Откуда : t = 2,2 года.
Следует отметить, что вследствие высоких тарифов на энергоносители из-за
перекрестного субсидирования (один из самых высоких тарифов в республике) для
промышленных предприятий и объектов хозяйствования, начиная с 90-х годов
происходит постепенный распад системы централизованного теплоснабжения города.
Промышленные предприятия строят и восстанавливают собственные котельные,
переносится выполнение ряда технологических процессов на другие территории и
т.д. По сравнению с уровнем 1989-1990 г.г. теплопотребление промышленности от
источников централизованного теплоснабжения снизилось почти в 3 раза.
Высокие тарифы на теплоэнергию для промышленных предприятий или затрат на
энергоносители приводят к снижению балансовой и чистой прибыли предприятия,
налоговых выплат в бюджет.
В этой связи наряду с необходимостью ускорения повышения эффективности
работы и реконструкции теплоисточников ОАО “Борисовдрев” повышения качества и
стабильности параметров теплоносителя в системе централизованного
теплоснабжения для увеличения тепловой загрузки котельной за счет промышленных
потребителей необходимо упорядочить тарифы на теплоэнергию, в частности
узаконить отнесение топливного эффекта от комбинированной выработки
электрической и тепловой энергии на котельной на оба вида отпускаемой продукции
и др.
9.2
Организация ремонтных работ
Эксплуатация и ремонт котлов и вспомогательного оборудования должны
отвечать “Правилам устройства и безопасной эксплуатации паровых и водогрейных
котлов, трубопроводов пара и горячей воды”.
Основной целью организации ремонтного хозяйства является своевременное и
качественное проведение ремонта.
Организация ремонтных работ предусматривает:
I. Доведение до всех бригад календарного графика ремонта каждой
включённой в месячный график единицы оборудования и участка сет;
II. Ознакомление с, предшествующим ремонту, состоянием оборудования
по карте ремонта, по картам ремонта и по ведомостям;. Согласование
конкретной даты и времени остановки в ремонт каждой подлежащей ремонту единицы
оборудования или участка сети. При этом комплектующее электрооборудование
ремонтируется одновременно с технологическим оборудованием, и сроки отдельных
этапов ремонта согласовываются с мастером ремонтного участка, производящего
ремонт технологического оборудования. Все электрические сети, питающие
энергетическое оборудование, ремонтируются одновременно с ремонтом участка
сети, к которому они относятся;. Комплектование резервного оборудования для
производства обменного ремонта. В достаточно развитом и хорошо поставленном
энергетическом хозяйстве капитальный ремонт оборудования не должен вызывать
длительных простоев, связанных с ним технологических агрегатов и установок. Это
достигается применением системы обменного ремонта, то есть путём замены
выводимой в ремонт машины другой, той же или взаимозаменяемой модели и
мощности, из состава складского резерва. Такая замена по календарному графику
планово-предупредительных ремонтов готовится заблаговременно, проверяется,
доставляется на рабочее место в подготовленном виде. Для материального
стимулирования рабочей бригады за подготовку и осуществление беспростойного
ремонта полагается до 10% нормы простойного времени на капитальный ремонт,
приведённой для каждого вида оборудования. Плановый ремонт снятого при обменном
ремонте оборудования производится в счёт того же плана ремонта, после чего
оборудование передаётся на резервный склад. В картах ремонта той или иной
единицы оборудования делается отметка о произведённом передвижении;. Разработку
этапов и графика последовательно-узлового ремонта;. Комплектование
узлов для узлового или последовательно-узлового ремонта;. Разработку
сетевого графика капитального ремонта оборудования с особо большой
трудоёмкостью ремонта, и для оборудования лимитирующего производство;. Проверку
соответствия состава ремонтных бригад (качественного и профессионального)
заданным объёмам и характеру предстоящих ремонтных работ;. Разработку и
согласование календарного плана привлечения недостающих в составе бригады
специалистов-ремонтников;. Согласование обеспечения ремонтных бригад
необходимыми подъёмно-транспортными средствами.
Помимо указанного к организационной подготовке относится также
диспетчеризация проводимых работ и контроль за ходом их выполнения.
Продолжительность ремонтного цикла для котлов определяется в зависимости
от сезонности работы котлоагрегата и от вида используемого топлива, а для
вспомогательного оборудования - в зависимости от его функций в системе
котлоагрегата.
Численность персонала для проведения капитального ремонта оборудования
производится по формуле:
(9.41)
где: Ткр - трудоёмкость капитального ремонта;
tпр - время простоя оборудования,
находящегося в капитальном ремонте;
tф - дневной фонд рабочего времени.
Одним из современных методов планирования и управления, основанных на
использовании математических моделей и электронно-вычислительных машин,
является система сетевого планирования и управления.
Каждая система имеет одно начальное и одно конечное событие, вследствие
чего оно определяется однозначно, при помощи кода, образуемого из номеров
событий. Код работы состоит из номера начального события работы и её конечного
события. Обозначим рассматриваемое событие через i, последующее через j, а последующее через h.
В соответствии с этим работы обозначаются h-i; i-h; j-k, а их продолжительности - t(h-I);t(I-j);t(j-k).
Ранний срок совершения события определяется самым продолжительным из них,
то есть
(9.42)
Поздний
срок совершения события определяется :
, (9.43)
где
- поздний срок свершения последующего события j;
ti-j
- продолжительность работы.
Поскольку каждое событие является моментом окончания всех предшествующих
работ и открывает возможность начать последующие работы, то очевидно, что
ранний срок свершения данного события является одновременно и наиболее ранним
возможным сроком начала (так называемым ранним началом) tрнi-j всех работ, выходящих из этого события, то есть tрнi-j = tрi.
(9.44)
Аналогично поздний срок свершения события tni является наиболее поздним допустимым
сроком окончания (так называемым поздним окончанием) tnoh-I всех работ, входящих в него, то есть tnoh-I=tni, и для данной работы (I-j) поздний срок
окончания tпоi-j=tnj.
Наиболее позднее начало любой работы:
(9.45)
Таким образом, на сетевом графике при четырёхсекторном методе расчёта
всегда указаны раннее начало и позднее окончание всех работ.
Величина полного резерва определяется так:
(9.46)
На рисунке 9.1 приведён исходный сетевой график капитального ремонта
котла, построенный по данным карты-определителя работ (таблица 9.2). На графике
численность рабочих, занятых на данной работе, указана числом в кружке над
стрелкой, а трудоёмкость работы определяется умножением её продолжительности на
количество рабочих.
По расчёту исходного сетевого графика критический путь составил 6,5 дней.
По сетевому графику строим линейный график (рисунок 9.2) и график
движения рабочей силы (рисунок 9.3). Эти графики позволяют анализировать
сетевую модель с точки зрения равномерности использования рабочей силы.
Таблица 9.2
Карта-определитель работ
|
№ п/п
|
Наименование работы
|
Продолжительность работы
|
Количество занятых работников
|
|
1
|
Предварительная промывка и расшлаковка котла
|
0,6
|
2
|
|
2
|
Отглушка котла по газу
|
0,4
|
1
|
|
3
|
Опрессовка котла по воде и по воздуху
|
0,5
|
1
|
|
4
|
Отглушка котла по воде и дренажам
|
0,4
|
1
|
|
5
|
Промывка поверхностей нагрева
|
3
|
2
|
|
6
|
Дефектоскопия топки и конвективных пучков и их ремонт
|
5
|
3
|
|
7
|
Ремонт запорной и регулирующей арматуры
|
4
|
2
|
|
8
|
Ремонт горелок и газовой аппаратуры
|
3
|
2
|
|
9
|
Ремонт котла и вспомогательных механизмов
|
1,5
|
2
|
|
10
|
Ремонт газоходов котла
|
0,5
|
1
|
|
11
|
Ремонт обмуровки и гарнитуры котла
|
2
|
2
|
|
12
|
Гидравлическое испытание котла
|
0,5
|
2
|
|
13
|
Устранение дефектов и подготовка котла к растопке
|
0,5
|
2
|
|
14
|
Растопка котла
|
0,2
|
1
|
Рис. 9.1 Исходный сетевой график ремонта котла ТП-45«У»
Рис. 9.2 Линейный график
Рис.
9.3 График движения рабочей силы
Библиография
1. Вукалович М.П. Таблицы
термодинамических свойств воды и водяного пара, М-Л., «Энергия», 1965, 400 с.
2.
3. Водяные тепловые сети: Справочное
пособие по проектированию /Под ред. Громова Н.К., Шубина Е.П. , - М.:
Энергоиздат, 1988.- 376 с.
4. Соколов Е.Я. Теплофикация и тепловые
сети: Учебник для вузов. -М.: Энергоиздат, 1982. -360 с.
5. Наладка и эксплуатация водяных
тепловых сетей: Справочник /Манюк В.И., Каплинский Я.И., Хиж Э.Б. и др. -М.:
Стойиздат, 1988. -432 с.
6. Соловьёв Ю. П., Михельсон А. И.
Вспомогательное оборудование ТЭЦ, центральных котельных и его автоматизация. -
М., «Энергия»,1972. - 256 с. с ил.
7. Леонков А. М., Яковлев Б. В. Тепловые
электрические станции. Дипломное проектирование. Под общ. ред. Леонкова. - Мн.,
«Вышейшая школа», 1978. - 232 с. с ил.
8. Старыкович М. А. Котельные агрегаты.
- М., Госэнергоиздат, 1959. - 487 с. с ил.
9. Лебедев П. Д. Теплообменные,
сушильные и холодильные установки. Учебник для студентов технических вузов.
Изд.2-е, перераб. - М., «Энергия», 1972. - 320 с. с ил.
10.Р.И.Эстеркин
«Котельные установки. Курсовое и дипломное проектирование». Ленинград
«Энергоатомиздат».
11.А.М. Леонков,
А.Д. Качан Дипломное проектирование. Тепловые и атомные электрические станции.
Мн.: Вышэйшая школа, 1991.
12.А.Д. Качан,
И.В. Муковозчик Технико - экономические основы проектирования ТЭС. Мн.:
Вышэйшая школа, 1983.
13.В.Я. Рыжкин
Тепловые электрические станции. М.: Энергоатомиздат, 1989.
14.Под общей ред.
В.А. Григорьева, В.М. Зорина Тепловые и атомные электростанции: Справочник. М.:
«Энергия», 1989.
15.Тепловой расчёт
котельных агрегатов. М.: «Энергия», 1973.
16.А.А. Васильев,
И.П. Крючков, Е.Ф. Наяшкова Электрическая часть станций и подстанций. М.:
Энергоатомиздат, 1990.
17.Рожкова Л.Д.,
Козулин И.П. Электрическая часть станций и подстанций. М.: «Энергия», 1980.
18.Неклепаев Б.Н.,
Крючков И.П. Электрическая часть станций и подстанций. Справочные материалы для
курсового и дипломного проектирования. М.: Энергоатомиздат, 1989.
19.Правила
устройства и безопасной эксплуатации паровых и водогрейных котлов (ПУБЭ М
0.00.1.08-96). Мн.: Проматомэнергонадзор МУС РБ БОИМ, 1997.
20.Правила техники
безопасности при эксплуатации тепломеханического оборудования электростанций и
тепловых сетей. М.: Энергоатомиздат, 1984.
21.Правила
устройства электроустановок. М.: «Энергия»,1984.
22.Правила
пожаробезопасности для энергетических предприятий. РД 34.03.30 - М.:
Энергоатомиздат, 1988.
23.Щицман М.Е.
Нейтрально-кислородный режим на энергоблоках СКД - М.: Энергоатомиздат, 1983.
24.А.П. Вукалович «Таблицы
термодинамических свойств воды и водяного пара». Москва «Энергия».
25.М.А. Михеев,
И.М. Михеева «Основы теплопередачи». Москва «Энергия».
26.Н.Б. Либерман,
М.Т. Нянковская «Справочник по проектированию котельных установок систем
централизованного теплоснабжения». Москва «Энергия».
27.Р.И. Эстеркин
«Котельные установки. Курсовое и дипломное проектирование». Ленинград
«Энергоатомиздат».
28.О.П. Королёв,
В.Н. Радкевич, В.Н. Сацукевич «Электроснабжение промышленных предприятий».
Минск БГПА.
29.«Электрическая
часть станций и подстанций» под. ред. Н.А. Васильева Москва «Энергоатомиздат».
30.Е.Ф. Бузников,
К.Ф. Роддатис, Э.Я. Берзиныш «Производственные и отопительные котельные».
Москва «Энергоатомиздат».
31.А.П. Воинов,
В.А. Зайцев, Л.Н. Сидельковский «Котлы утилизаторы и энерготехнологические
агрегаты». Москва «Энергоатомиздат».
32.«Теплотехническое
оборудование и теплоснабжение промышленных предприятий» под. ред.
Б.Н.Голубкова. Москва «Энергия».
33.В.С. Степанов
«Химическая энергия и эксергия веществ». Новосибирск: «Наука».
34.Л.С. Скворцов,
В.А. Рачицкий, В.Б. Ровенский «Компрессорные и насосные установки». Москва
«Машиностроение».
35.Ю.М. Липов,
Ю.Ф. Самойлов, Т.В. Виленский «Компоновка и тепловой расчёт парового котла».
Москва «Энергоатомиздат