|
Прибор и место его установки
|
Тип
|
Мощ-ть одной обм-ки, ВА
|
Число обм-к
|
 Число
приборовОбщая мощность
|
|
|
|
|
|
|
|
|
|
|
, Вт ,Вар
|
|
|
ВН 35 кВ
|
|
Wh/
varh
|
Цепь отходящих линий
|
CE302
|
3,0 Вт
|
2
|
0,38
|
0,925
|
1
|
6
|
14,5
|
|
ИМФ
|
|
-
|
15
|
1
|
1
|
0
|
1
|
15
|
-
|
|
Итого
|
21
|
14,5
|
|
ЗНОМ-35-65 У1
|
Однофазный трансформатор
напряжения
|
|
|
Устанавливаем по одному трансформатору в каждую фазу
|
|
|

|
|
|
|
|
НН 10,5 кВ
|
|
V
|
Секция СШ
|
Э-335
|
2
|
1
|
1
|
0
|
2
|
4
|
-
|
|
Wh/
varh
|
Цепь силового
трансформатора и отходящих линий
|
САЗ-И674
|
3,0 Вт
|
2
|
0,38
|
0,925
|
3
|
18
|
43,5
|
|
Итого
|
22
|
43,5
|
|
ЗНОЛ.06-10
|
Однофазный трансформатор
напряжения
|
|
|
Устанавливаем по одному трансформатору в каждую фазу
|
|
|

|
|
|
6
Выбор токоведущих частей и изоляторов
Токоведущие части в распределительном устройстве ВН выполняются гибкими
сталеалюминевыми проводами марки АС. Сечение проводников и ошиновка в пределах
ОРУ выбираем по экономической плотности
где
- экономическая плотность тока,
Таким
образом,
, что соответствует АС-450/56.
Проверка
токопровода АС-450/56 на схлёстывание не проводится, так как
кА.
В
цепях транзитных линий расчетный ток составляет 165 А, следовательно, ошиновку
этих присоединений выполняем проводом АС-240/39 .
Гибкие
провода крепятся на гирляндах подвесных изоляторов типа ПФ6-В с числом
изоляторов в гирлянде 4 при напряжении 35 кВ.
Все соединения внутри ЗРУ 10,5 кВ, включая сборные шины, выполняются
жесткими голыми алюминиевыми шинами прямоугольного сечения, выбор которых
производится по допустимому току
- ток за
вторичной обмоткой трансформатора.
Принимаем
однополосные алюминиевые шины 60×6
,
. Прокладка шин строго горизонтальная при расположении
большой грани полосы в вертикальной плоскости.
Выбранное
сечение проверяется
§ на термическую стойкость
Где
- минимальное
сечение проводника, отвечающее требованию термической стойкости при КЗ,
определяется
Где
- тепловой импульс, выделяемый токам КЗ;
для
алюминиевых шин;
получаем:
§ на механическую прочность
Жесткие шины, укрепленные на изоляторах, представляют собой колебательную
систему. Механический резонанс в системе не возникает, если собственные частоты
колебаний более 200 Гц
откуда следует
Исходя
из экономических соображений, необходимо увеличить пролет, величина которого
пропорциональна
- моменту инерции поперечного сечения шины
относительно оси, перпендикулярной направлению изгибающей силы; наиболее
выгодно в этом отношении горизонтальное положение шин, при этом
; получаем
Применяем
расположение шин плашмя; пролет, т.е. расстояние между соседними изоляторами
фазы
; расстояние между фазами
.
Наибольшее
усилие, возникающее при трехфазном КЗ
Максимальный изгибающий момент на шину
Напряжение в материале шины, возникающее при воздействии изгибающего
момента
Где
- момент
сопротивления шины относительно оси, перпендикулярной действию усилия; при
выбранном расположении шин
Получаем
Шины динамически устойчивы при
Принимаем
к установке шины прессованные из алюминиевого сплава марки АДЗ1Т с допустимым
механическим напряжением в материале шин
.
Гибкие
шины крепятся на гирляндах подвесных изоляторов ПФ 70А (подвесной фарфоровый) с
достаточно большим расстоянием между фазами.
Сборные
шины крепятся на опорных фарфоровых изоляторах.
Выбор
шинных изоляторов осуществляется
- по номинальному напряжению
по допустимой нагрузке
Где
- сила,
действующая на изолятор;
- допустимая нагрузка на головку изолятора;
Примем к установке опорные штыревые изоляторы
СНШ - 10 - 10 - 5 - 1УХЛ1, в итоге получим:
Изоляторы проходят по механической прочности.
7
Собственные нужды подстанции
Собственные нужды подстанции зависят от типа подстанции, мощности
трансформаторов, типа электрооборудования, вида обслуживания подстанции, вида
оперативного тока и включают в себя:
§ наиболее ответственные - оперативные цепи, системы связи и телемеханики,
системы охлаждения трансформаторов, аварийное освещение, система пожаротушения;
§ освещение, отопление, вентиляция;
Потребители СН присоединяются к сети 0,4 кВ, которая получает питание с
понижающих трансформаторов. Мощность ТСН должна выбираться по нагрузкам с
учетом коэффициентов загрузки и одновременности, а также с учетом перегрузочной
способности трансформаторов в послеаварийном режиме.
Таблица 15 - Нагрузка собственных нужд подстанции
|
Вид потребителя
|
Установленная мощность
|
 Нагрузка
|
|
|
|
единицы, кВт x количество
|
всего, кВТ
|
|
|
Р, кВт
|
Q,кВАр
|
|
Охлаждение ТДН-10000/35
|
1,5х2
|
3
|
0,85
|
0,62
|
3
|
1,9
|
|
Подогрев ВБЭТ-35
|
4,4х3
|
13,2
|
1
|
0
|
13,2
|
0
|
|
Подогрев приводов
разъединителей
|
0,6х8
|
4,8
|
1
|
0
|
4,8
|
0
|
|
Освещение ОРУ ВН
|
-
|
2
|
1
|
0
|
2
|
0
|
|
Подогрев КРУ
|
1х10
|
10
|
1
|
0
|
10
|
0
|
|
Подогрев, освещение ОПУ
|
-
|
60
|
1
|
0
|
60
|
0
|
|
Маслохозяйство
|
1х75
|
75
|
1
|
75
|
0
|
|
Освещение, вентиляция ЗРУ
|
-
|
5
|
1
|
0
|
5
|
0
|
|
Итого:
|
|
173
|
1,9
|
|
|
|
|
|
|
|
|
Расчетная нагрузка
где
- коэффициент спроса, учитывающий коэффициенты
одновременности и загрузки, принимаем
;
Принимаем
два трансформатора ТСЗ-125/10, которые подключаются через предохранители. При
отключении одного трансформатора второй будет загружен на
, что допустимо.
Схема подключения трансформаторов собственных нужд зависит от вида
оперативного тока подстанции. На проектируемой подстанции принимаем
выпрямленный оперативный ток.
Поскольку
подстанция с выпрямленным переменным оперативным током, то трансформаторы
собственных нужд подключаются к отпайкам со стороны обмотки низкого напряжения
силовых трансформаторов.
8. Управление
и сигнализация на подстанции
Сигнализация положения коммутационных аппаратов (выключателей,
разъединителей и их заземляющих ножей) служит для информирования оперативного
персонала о состоянии схемы электрических соединений в нормальном и аварийных
условиях, и может осуществляться разными способами. Для ВН соединяется схема
световой сигнализации с пофазным управлением. Каждая фаза разъединителя
приводится в действие приводом типа ПДМ. Сигнальные лампы: красная = вкл,
зеленая = откл. Они устанавливаются на пульте дистанционного управления. Лампы
располагают непосредственно у ключа управления или встраивают в мнемоническую
схему щита. Питание сигнальных ламп производится от тех же шинок, что и питание
цепей управления.
Для привлечения внимания оперативного персонала при автоматическом
включении или отключении выключателей выполняется мигающее свечение сигнальных
ламп.
Аварийное отключение. Сигнализация аварийного отключения выключателей
применяется для извещения персонала об отключении выключателя релейной защитой
и выполняется сочетанием светового и звукового сигналов.
Предупреждающая сигнализация. Этот вид сигнализации извещает персонал о
ненормальном режиме работы контролируемых объектов и частей электроустановки.
Действует так же, как и аварийная, но звук отличается по тону.
Блокировки. Используется для предупреждения входа лиц персонала в камеры
РУ.
Оперативные блокировки. Препятствуют неправильным действиям персонала при
осуществлении переключений в схемах электрических соединений (чаще всего - от
операций с разъединителями).
Управление. Предназначено для ведения оперативных переключений в
нормальном режиме и при ликвидации аварийных состояний. Подача управляющей команды
осуществляется вручную оператором или от автоматических устройств. Действие
системы управления сопровождается работой устройств сигнализации.
Устройства управления, сигнализации и блокировки с их источниками питания
образуют на подстанции систему вторичных цепей. К ней же относятся схемы
автоматики, релейной защиты и технологического контроля.
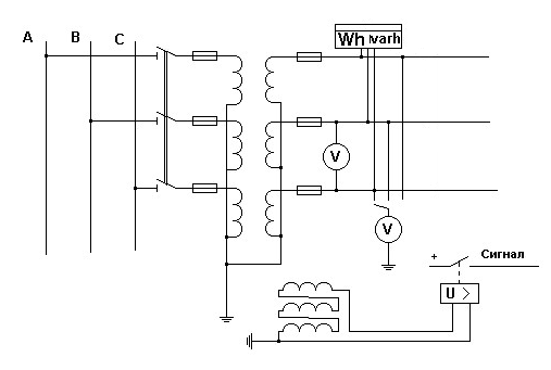
Реле и катушки сигнализации устанавливаем во вторичные обмотки
трансформаторов напряжения. Так как низшее напряжение подстанции составляет 10
кВ (изолированная нейтраль), то однофазное короткое замыкание на землю не
расценивается как аварийный режим работы, но это обстоятельство может повлечь
за собой ряд негативных последствий: скоротечный износ изоляции; увеличение
потерь электрической энергии; опасность поражения обслуживающего персонала
электрическим током; возникновение потенциалов на приборах различных аппаратов
и т.д. Чтобы избежать вышеперечисленных ситуаций, реле сигнализации
устанавливают во вторичную обмотку трансформатора напряжения, которая соединена
в неполную звезду. При возникновении однофазного короткого замыкания на землю,
в этой обмотке индуцируются напряжения нулевой последовательности, которые
суммируются и оказывают влияние на реле сигнализации. Необходимо отметить, что
в сетях с изолированной нейтралью допускается такой режим на время до полного
устранения замыкания.
На подстанции устанавливаем следующие виды сигнализации:
1) сигнализация положения коммутационных аппаратов;
2) сигнализация аварийного отключения выключателей;
) сигнализация предупреждающая (извещает персонал о ненормальных
режимах работы контролируемых объектов и частей электроустановки).
Дистанционное управление и блокировки на подстанции:
1) дистанционное управление элегазовыми выключателями;
2) дистанционное управление вакуумными выключателями;
) блокировка от многократных включений (защита от частых
коммутаций).
Конструктивное выполнение распределительных устройств высшего и низшего
напряжений подстанции
Конструкция
распределительного устройства на стороне ВН подстанции
Распределительное устройство 35 кВ выполняется открытым (ОРУ) с
расположением основного оборудования на открытом воздухе.
К конструкции ОРУ предъявляются следующие требования:
) Надежность работы, которая обеспечивается правильным выбором
электрической аппаратуры, токоведущих частей в нормальном и аварийном режимах.
) Безопасность и удобство обслуживания, для чего все аппараты ОРУ
располагаются на невысоких основаниях (металлических или железобетонных). По
территории ОРУ вдоль выключателей предусматривается проезд с габаритом 4´4 м для возможности механизации
монтажа и ремонта оборудования. Расстояния в свету от гибких токоведущих частей
до различных элементов ОРУ должны соответствовать ПУЭ /4/. Оголенные
токоведущие части должны иметь ограждения.
) Пожарная безопасность, для чего под силовыми трансформаторами
предусматривается маслоприемник, укладывается слой гравия толщиной не менее 25
см, и масло стекает в аварийных случаях в маслосборники. Кабели оперативных
цепей, цепей управления, релейной защиты, автоматики прокладываются в лотках из
железобетонных конструкций без заглубления их в почву.
) Экономичность и возможность расширения.
Все сооружения на площадке подстанции должны размещаться так, чтобы при
строительстве и монтаже, а также при ремонтах оборудования можно было
использовать различные передвижные и стационарные грузоподъемные устройства. В
общеподстанционном пункте управления (ОПУ) расположены панели управления
собственных нужд и релейной защиты, устройство связи, мастерская для дежурного
персонала, служебная комната и др. Ревизия трансформаторов производится при
помощи совмещенного портала, к которому прикреплена ошиновка трансформатора, а
усиленная траверса портала рассчитана на подъем кожуха или магнитопровода с
обмотками.
Ошиновка ОРУ выполняется гибким сталеалюминиевым проводом. Линейные и
шинные порталы и все опоры под аппаратами - стандартные, железобетонные. Кабели
и воздухопроводы проложены в лотках из железобетонных плит, которые служат
одновременно пешеходными дорожками. В местах пересечений с дорогой лотки
прокладываются под проезжей частью дороги.
Территория подстанции должна иметь внешнее ограждение, которое служит
препятствием для проникновения на территорию посторонних лиц и должно иметь
высоту 1,8 - 2 м.
Конструкция
распределительного устройства на стороне НН подстанции
На напряжении 10,5 кВ подстанции применяется комплектное
распределительное устройство (КРУ), которое располагается в помещении, то есть
распределительное устройство закрытое (ЗРУ). Устройство называется комплектным,
так как полностью изготавливается на заводе и в виде шкафов поставляется на
подстанцию.
Требования, предъявляемые к конструкции ЗРУ такие же, как и для ОРУ:
надежность работы электроустановки, экономичность, пожарная безопасность,
обслуживание распределительного устройства должно быть удобным и безопасным.
Ширина прохода для управления и ремонта КРУ выкатного типа должна обеспечивать
удобство перемещения и разворота выкатных тележек, поэтому при двухрядном
расположении ширина определяется длиной тележки плюс 0,8 м. При наличии прохода
с задней стороны КРУ его ширина должна быть не менее 0,8 м.
Двери из ЗРУ должны открываться наружу и иметь самозапирающиеся замки,
открываемые без ключа со стороны ЗРУ. Здание ЗРУ сооружается из огнестойких
материалов.
Распределительное устройство 10,5 кВ выполнено одноэтажным с двухрядной
установкой ячеек КРУ, с одним коридором. Выводы отходящих кабельных линий
осуществляются в трубах, выходящих из ячеек наружу в соответствующую сторону от
здания ЗРУ. Ввод от трансформаторов осуществляется через проходные изоляторы в
наружной стене здания.
Шкафы КРУ имеют выкатное исполнение, то есть выключатель или другие
аппараты размещены на выкатной тележке. Ячейка состоит из трех блоков: корпуса
шкафа, выдвижного элемента и релейного шкафа.
Корпус шкафа - жесткий каркас, обшитый металлическими листами и
разделенный перегородками на ряд отсеков: сборных шин, линейный, выдвижного
элемента. Такая конструкция при возникновении в каком-либо отсеке электрической
дуги обеспечивает ее локализацию.
Сборные шины крепятся в соответствующем отсеке на изоляторах. От сборных
шин выведены отпайки к неподвижным контактам главной цепи. В линейном отсеке
располагаются кабельные присоединения, трансформаторы тока, заземляющий
разъединитель. В отсеке выдвижного элемента предусматриваются направляющие,
рельсы и фиксатор, обеспечивающие требуемое положение выдвижного элемента при
его перемещении и в статическом состоянии, шина заземления, конечные
выключатели для выполнения различного рода блокировок, канал для прокладки контрольных
кабелей и проводов. При выкатывании из отсека выдвижного элемента проемы к
неподвижным контактам главной цепи автоматически закрываются изоляционными
шторками. Тем самым исключается возможность непроизвольного прикосновения
персонала к токоведущим частям, находящимся под напряжением.
Роль шинных и линейных разъединителей в КРУ выполняют разъемные контакты
втычного типа. Их неподвижная часть находится в корпусе шкафа, подвижная - на
выдвижном элементе. Выдвижной элемент состоит из тележки, на которой размещена
соответствующая аппаратура - выключатель со встроенным приводом, трансформатор
напряжения или тока, разрядник и т.д. В отсеке он может занимать помимо
рабочего еще и контрольное положение, когда главные цепи разомкнуты, а
вторичные - замкнуты (для опробования цепей управления, измерения и
сигнализации). Вкатывание выдвижного элемента в отсек до контрольного положения
осуществляется вручную, а от контрольного до рабочего - с помощью рычага.
Для обеспечения безопасной эксплуатации шкафы КРУ оснащаются
блокировками. Они не допускают перемещений выдвижного элемента при включенном
выключателе, включения выключателя в промежуточном (между рабочим и
контрольным) положении, коммутации разъединителями при включенном выключателе и
т.д.
Релейный шкаф имеет дверь, на которой расположены измерительные приборы,
указательные реле, сигнальные лампы, ключи и кнопки управления. Реле защит
устанавливаются на поворотной панели внутри релейного шкафа. На его внутренних
стенках имеются зажимы вторичных цепей.
трансформатор
сигнализация подстанция схема
Заключение
В результате проделанной работы была спроектирована и рассчитана
городская подстация.
Исходя из задания на курсовой проект, выбраны схемы электрических
соединений на высоком и на низком напряжении. После этого проведён выбор
электрической аппаратуры, а именно:
- выключателей;
- разъединителей;
- комплектного распределительного устройства;
- трансформаторов тока;
- трансформаторов напряжения;
- шин;
- изоляторов.
При выборе аппаратов, ввиду их огромного многообразия, предпочтение было
отдано более современным, которые наилучшим образом соответствовали необходимым
параметрам и нормам.
Список литературы
1. Правила
устройства электроустановок. - СПб.: Издательство ДЕАН, 2007 928 с.
2. Рожков,
Л.Д. Электрооборудование станций и подстанций: Учебник для техникумов / Л.Д.
Рожков, В.С. Козулин - М.: Энергоатомиздат, 2009 - 648 с.
. Вишняков,
Г.К. Справочник по проектированию подстанций 35 - 500 кВ Г.К. Вишняков, С.С.
Рокотян, Я.С. Самойлова - М.: Энергоиздат, 1982 - 352