Автоматизация технологического процесса сушки мясопродуктов с применением современных приборов и средств контроля
Содержание
Введение
Часть I. Расчет устойчивости одноконтурной системы регулирования
.1 Преобразования структурных схем
.2 Алгебраический критерий устойчивости Гурвица
.3 Частотный критерий устойчивости Михайлова
Часть II. Проектирование одноконтурной системы регулирования
.1 Описание технологического процесса
.2 Техническое задание на проектирование
.3 Описание схемы автоматизации
.4 Выбор и обоснование средств измерения
Заключение
Список используемой литературы
Введение
В настоящее время возникает острая
необходимость повышения производительности труда, эффективности производства и
ускорения научно-технического процесса. Это возможно, путем автоматизации
производственных процессов.
Автоматика - отрасль науки и
техники, разрабатывающая теорию и методы автоматизации производственных
процессов. Сегодня и в перспективе компьютерные технологии управления будут
лежать в основе систем управления производственным процессом и обработку баз
данных в мясном производстве.
Внедрение компьютерных технологий и
автоматизированных систем управления дает возможность повысить
технико-экономические показатели производства, увеличить выпуск продукции,
эффективнее использовать трудовые и материальные ресурсы, а также улучшить
качество и своевременность обработки технологической и оперативной информации.
Целью данной работы является
автоматизация технологического процесса сушки мясопродуктов с применением
современных приборов и средств контроля.
Задачами курсовой работы являются:
выбор объектов управления; определение пераметров для контроля, управления,
сигнализации; разработка функциональной схемы автоматизации и другой
документации.
1. Расчет устойчивости одноконтурной
системы регулирования
В настоящее время всё большее
внимание уделяется вопросам автоматизации и созданию автоматизированных систем
управления (АСУ).
Технологический процесс как объект
управления - совокупность действий по обработке сырья с применением
оборудования, использованием энергии для получения готового продукта с заданным
качеством. С организационной точки зрения для его осуществления необходимы
технологическая линия, включающая основное и вспомогательное оборудование,
сырьевые, материальные, трудовые и энергетические ресурсы.
Рисунок 1.1 - Схема автоматической
системы регулирования
одноконтурный регулирование
частотный структурный
1.1 Преобразование структурных схем
Система будет называться устойчивой,
если выведенная из состояния равновесия и представленная самой себе, она
возвращается в исходное состояние, т.е. при снятии внешнего воздействия САУ
возвращается в то состояние, в котором она находилась до возмущения.
Последовательное соединение звеньев:
звенья системы автоматичес-
кого управления, описывающие
динамику отдельныхэлементов, могут
соединяться последовательно, когда
выход предыдущего звена является входом последующего. При этом результирующая
передаточная функция будет равна произведению передаточных функций отдельных
звеньев (рис. 1.2).
…
Рисунок 1.2 -
Последовательное соединение звеньев АСР
Для этих звеньев можно записать
соотношение:
Результирующая
передаточная функция есть отношение операторных изображений выходной величины к
входной при нулевых начальных условиях.
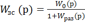
Встречно - параллельное
включение звеньев: при встречно-параллельном включении звеньев
результирующая передаточная функция равна частному от деления передаточной
функции прямой связи на единицу плюс/минус передаточная функция разомкнутого
контура, в котором звенья включены встречно - параллельно (Рис. 1.3). При этом
знак плюс соответствует отрицательной, а минус - положительной обратной связи.
Рисунок 1.3 - Встречно -
параллельное включение звеньев
Под прямой связью
понимается передаточная функция между искомыми переменными по направлению
прохождения сигнала без учета главной обратной связи. Для системы, изображенной
на рисунке 1, передаточная функция прямой связи
и
есть
,
а между
и
есть
.
Передаточная функция прямой связи между
и
равна
единице, поскольку между переменными в прямой связи нет динамических звеньев, а
есть динамическая непосредственная связь
и
.
на этом основании можно записать:

Где
-
передаточная функция разомкнутой САУ.
Пусть мы имеем:
Тогда в общем виде:

*
*
*
=

Т. к.

То, подставляя Wраз, получаем:

Для того чтобы
приступить к анализу устойчивости САУ определим вид характеристического
уравнения замкнутой системы, для чего приравняем знаменатель передаточной
системы к нулю:
Тогда:
Пусть:
Тогда
Заметим, что данное выражение
тождественно со знаменателем передаточной функции замкнутой системы. Подставив
в это выражение численные значения, получим характеристическое уравнение вида:
,где

1.2 Алгебраический критерий
устойчивости Гурвица
Если характеристическое уравнение
САУ имеет вид
то система
автоматического управления будет устойчива, если а0>0 будут
положительны все главные диагональные миноры определителя Гурвица до n-1 порядка.
Определитель Гурвица
составляется следующим образом: по диагонали записывают коэффициенты от а1
до аn, над диагональю записываются коэффициенты с возрастающим
индексом, под диагональю - с убывающим, недостающие коэффициенты заменяются
нулями.
Критерий Гурвица удобен
для исследования систем с характеристическим уравнением невысокой степени (до
пятой). При высокой степени характеристического уравнения или при наличии звена
чистого запаздывания, когда характеристическое уравнение становится
трансцендентным из-за члена вида e-pτ
,удобнее, а при трансцендентном характеристическом уравнении единственно
возможным, являются частотные критерии, обладающие простой геометрической
интерпретацией.
Далее рассчитаем
алгебраический критерий Гурвица:
Составим матрицы:
Вывод: АСР является не
устойчивой, так как
,
что является необходимым условием.
1.3 Частотный критерий устойчивости Михайлова
Если в характеристическом уравнении
положить, что
,
то получим годограф Михайлова:
CАУ
будет устойчива если годограф Михайлова, начинаясь на положительной
вещественной полуоси, последовательно проходит в положительном направлении
(против часовой стрелки) n
квадратов при изменении w
от 0 до +∞, где n
- степень характеристического уравнения.
Если годограф Михайлова
проходит через начало координат, то САУ находится на границе устойчивости. При
этом если он начинается с нуля, то это указывает на наличие нулевого корня,
если годограф начинается на положительной вещественной полуоси, но затем
проходит через начало координат, то это означает наличие мнимых корней в
характеристическом уравнении.
Если годограф Михайлова
не последовательно проходит квадраты комплексной плоскости или проходит не n квадратов, то САУ неустойчива.
Таким образом, критерий
устойчивости Михайлова позволяет не только анализировать устойчивость замкнутых
и разомкнутых САУ, но и находить число неустойчивых корней.
Расчет частотного
критерия Михайлова:
Запишем выражение
годографа Михайлова:
Далее для облегчения
построения найдем точки пересечения с вещественной и мнимой осью комплексной
плоскости. Представим
в
виде вещественной и мнимой части:
Т. к.
и
Теперь для определения
точек пересечения годографа с вещественной осью, приравняем к нулю мнимую
часть.
Берем только
положительные значения, т. е.
и
.
Подставив их в вещественную часть, получим:
Приравняем вещественную
часть к нулю:
С-1
Подставляем в мнимую
часть:
Т.к. чередуемость корней
не соблюдается, то система не устойчива, что также подтверждается графиком,
приведенным на следующей странице.
Рисунок 1.4 Годограф
Михайлова
Вывод: Из графика следует что, так
как годограф Михайлова, проходит только два квадранта, то САУ является не
устойчивой.
Часть II. Проектирование
одноконтурной системы регулирования
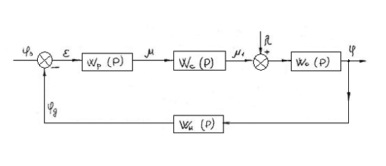
Функциональная схема автоматизации
даёт представление о функционально - блочной структуре системы автоматического
управления, регулирования, контроля, сигнализации, защиты технологического
процесса или установок и определяет объем оснащения автоматического объекта
аппаратурой автоматики.
.1 Описание технологического процесса
Сушка является завершающим этапом
технологического цикла производства сырокопченых, варено - копченых и других
изделий. Цель сушки - путем понижения влажности, увеличение относительного
содержания соли и коптильных веществ в единице массы готовой продукции,
улучшающие условия его хранения и транспортировки. Поэтому в качестве
регулируемого параметра выбираем влажность, контролируемого - температура.
Колбасы и копчености сушат в
сушильных камерах, снабженных кондиционерами для поддержания требуемых параметров
воздуха: относительная влажность - 75 - 82%, температура 12 - 15 оС.
В качестве хладагента используется кондиционированный воздух.
Колбасы развешивают на вешалках,
которые размещают в несколько ярусов, в зависимости от высоты помещения, или на
рамах. Между батонами оставляют промежутки, достаточные для свободной
циркуляции воздуха.
Средняя продолжительность сушки
зависит от вида изделия: сырокопченые колбасы - 20 - 30 суток, варено -
копченые - 5-10 суток, полукопечные - 0,5 - 2 суток.
2.2 Техническое задание на
проектирование
Необходимо выполнить проектные
работы по созданию системы автоматического регулирования процесса сушки
мясопродуктов.
. Система должна сохранять в
камере следующие параметры:
Относительную влажность воздуха 75 -
82%;
Контролировать температуру и
поддерживать её в пределах 12- 15 оС.
. Для решения задач управления
процессом сушки желательно максимально - возможное использование существующей
линии воздуховода.
. Предусмотреть на щите оператора
индикацию температуры и влажности в камере сушки.
Все решения должны выполняться с
применением сертифицированных средств измерения и автоматики Российских
производителей. Применение комплектующих и приборов снятых с производства или
подготовленных к снятию с производства не допускается.
.3 Описание схемы автоматизации
В разработанной схеме автоматизации
сушильной камеры, контролируемым параметром является температура, а
регулируемым - влажность.
В сушильную камеру помещают
высушиваемый продукт. Он отдает влагу в камеру. Влажность повышается, что
фиксируется влагомером (позиция 1-1).
При повышении влажности в сушильной
камере выше 82%, двухпозиционный регулятор (позиция 1-2) формирует управляющее
воздействие и соленоидный клапан (позиция 1-3) открывается. В камеру поступает
кондиционированный воздух, который выводит избыточную влагу и поддерживает
температуру в камере 12 - 15 оС.
Температура в камере измеряется при
помощи термопреобразователя сопротивления (позиция 2-1) и выводится на щит
управления, через вторичный преобразователь температуры (позиция 2-2).
.3 Выбор средств автоматизации
.1 - Датчик влажности и температуры
серии КС.
Технические характеристики
· Диапазон
измерений влажности от 0 до 100% +/- 1,5%
· Время
отклика < 20 сек.
· Температура
окружающего воздуха от минус 40 до плюс 125 оС
· Потребляемая
мощность от 0 до 10 В
Функциональные возможности.
· ДВА УНИВЕРСАЛЬНЫХ
ВХОДА для подключения широкого спектра датчиков температуры, давления,
влажности и др. Можно подключать два датчика разного типа
· ДВА НЕЗАВИСИМЫХ
КАНАЛА РЕГУЛИРОВАНИЯ измеряемых величин по двухпозиционному закону
· РЕГУЛИРОВАНИЕ И
ОДНОВРЕМЕННАЯ РЕГИСТРАЦИЯ измеряемой величины при выходном значении 4…20 мА в
качестве второго выходного устройства
· ВЫЧИСЛЕНИЕ И
РЕГУЛИРОВАНИЕ РАЗНОСТИ измеряемых величин
· КОНФИГУРИРОВАНИЕ НА
ПК или с лицевой панели прибора
.3 - Клапан соленоидный СЕМЕ.
Технические характеристики
o Рабочее
давление - до 1,0 МПа (10 кгс/см2).
o Диаметр
условного проходу Ду - 50 мм.
o Температура
рабочей среды - не более 80 °С.
o Питание
- 220 В, 50 Гц
.1 - Термопреобразователь
сопротивления ТС типа ДТС
Функциональные возможности.
· Номинальная
статическая характеристика 50П
· Рабочий
диапазон измеряемых температур от минус 50 до плюс 250 °С
· Длина
монтажной части 60 мм
· Допускаемое
отклонение сопротивления от номинального при 0°С - +/-0,2%
2.2 - Измеритель
температуры двухканальный с интерфейсом RS - 485 ОВЕН ТРМ 200.
Технические
характеристики
· Напряжение питания
от 90 до 245 В
· Вход - 4…20 мА
Заключение
Автоматизация производства -
процесс, при котором функции управления и контроля, передаются приборам и
автоматическим устройствам.
В данной курсовой работе была
разработана схема автоматизации управления технологическим процессом сушки
мясопродуктов, которая включает в себя контур управления влажностью в сушильной
камере и контроля температуры готового продукта. Была произведена проверка
устойчивости системы по алгебраическому критерию устойчивости Гурвица и
частотному критерию устойчивости Михайлова. Так как оба метода показали
одинаковые результаты, то можно сделать вывод о том, что система является
неустойчивой.
Главная цель автоматизации
производства заключается в повышении производительности труда, улучшения
качества выпускаемой продукции, создании условий для оптимального использования
всех ресурсов производства.
Широкое применение
автоматизированных систем управления обуславливается значительным экономическим
эффектом, который достигается благодаря: уменьшение потерь ценных продуктов,
снижение трудоемкости процессов производства, повышению культуры производства.
Таким образом, автоматизация
производства мясных продуктов направлена на повышение эффективности
производства и обеспечение высокого качества выпускаемой продукции.
Список используемой литературы
1. Задание и методическое пособие на курсовую работу по
курсу «Автоматика и автоматизация производственных процессов», под ред. В.И.
Пугачёва, Краснодар, издат. КПП, 1989г.
. Учебное пособие для студентов ВУЗов «Автоматика и
автоматизация пищевых производств», М.М. Благовещенская, Москва, ВО
«АГРОПРОМИЗДАТ», 1991г.
. «Общая технология мяса и мясопродуктов», И.А.Рогов,
А.Г.Забашта, Г.П.Казюлин, Москва, «Колос», 2000г.