Автоматизация системы водоснабжения
Содержание
ВВЕДЕНИЕ
1. Обзор технической
литературы
1.1 Система водоснабжения
как объект автоматизации
1.2 Виды водоснабжения
1.3 Основные элементы
системы водоснабжения
1.4 Описание
технологического процесса прямоточного водоснабжения
2. Разработка функциональной
схемы автоматизации процесса
2.1 Структурная схема АСУ
ТП водоснабжения
2.2 Подбор необходимых
датчиков, исполнительных механизмов и мест их расположения
5) Резервуары для воды
выбраны: РВС-100 и РВС-200 (100 и 200 м3 - резервуар 1 и 2
соответственно)
2.3 Схема информационных
потоков АСУ технологическим объектом
2.4 Выбор контроллера для
автоматизированной системы
2.5 Функциональная схема
технологического объекта
3. Разработка алгоритмов
функционирования
3.1 Алгоритм
функционирования СУ технологического объекта
3.2 Алгоритм запуска
технологического объекта
3.3 Алгоритм
функционирования системы
3.4 Алгоритм остановки
системы
3.5 Алгоритм работы
системы при аварии
ЗАКЛЮЧЕНИЕ
Приложение А
Приложение Б
Введение
Ускорение научно-технического прогресса и интенсификация производства
невозможны без применения средств автоматизации. Характерной особенностью
современного этапа автоматизации состоит в том, что она опирается на революцию
в вычислительной технике, на самое широкое использование микропроцессорных
контроллеров, а также на быстрое развитие робототехники, гибких
производственных систем, интегрированных систем проектирования и управления,
SCADA-систем.
Применение современных средств и систем автоматизации позволяет решать
следующие задачи:
• вести процесс с производительностью, максимально достижимой для
данных производительных сил, автоматически учитывая непрерывные изменения
технологических параметров, свойств исходных материалов, изменений в окружающей
среде, ошибки операторов;
• управлять процессом, постоянно учитывая динамику
производственного плана для номенклатуры выпускаемой продукции путем
оперативной перестройки режимов технологического оборудования,
перераспределения работ на однотипном оборудовании и т. п.;
• автоматически управлять процессами в условиях вредных или
опасных для человека.
Решение поставленных задач предусматривает целый комплекс вопросов по
проектированию и модернизации существующих и вновь разрабатываемых систем
автоматизации технологических процессов и производств.
В данном курсовом проекте рассматривается автоматизация системы
водоснабжения.
1. Обзор технической литературы
.1 Система водоснабжения как объект автоматизации
Многочисленные потребители требуют воду: как различного качества, так и
разное его количество. Количество и качество воды, необходимое каждому
предприятию, определяется характером и масштабом его основного производства. В
свою очередь, эффективность работы предприятия часто сильно зависит от
организации снабжения его водой требуемых параметров.
Прекращение подачи воды даже на несколько минут для многих предприятий
означает массовый брак продукции, а часто и аварийный выход из строя отдельных
технологических аппаратов и установок.
Подача некачественной воды (грязной, жесткой и т.п.) так же приводит к появлению
брака, снижению производительности и экономичности технологических аппаратов, а
часто и к аварийному выходу из строя отдельных их элементов.
С внедрением в производство автоматической системы управления
технологическими процессами значительно повышается надежность системы
водоснабжения и обеспечивается высокая производительность предприятия.
1.2 Виды водоснабжения
Вода расходуется различными потребителями на самые разнообразные нужды.
Тем не менее все виды водопотребления можно свести к трем основным категориям.
А. Хозяйственно-питьевое водопотребление.
В этой категории вода расходуется:
) на утоление жажды рабочих и служащих предприятия, приготовления пищи и
мытья посуды в столовых и буфетах;
) для помывки рабочих и служащих предприятия в душевых и умывальниках;
) на стирку в заводских прачечных, уборку помещений, цехов и т.п.;
) на полив зеленых насаждений, тротуаров и т.п.
Б. Производственно-техническое водопотребление.
Потребители этой воды сведены в группы. При этом вода расходуется:
) в качестве теплоносителя для охлаждения продуктов производства и
технологических аппаратов, с целью обеспечения необходимого температурного
уровня либо процессов, либо оборудования.
Например, защита оборудования от прогара, для конденсации паров
хладагента в холодильных установках, водяного пара в паротурбинных установках,
охлаждения компрессоров и т.п. В этом случае вода обычно не загрязняется,
только нагревается.
Эта группа водопотребителей самая значительная, на ряде производств она
расходует 70-90% всего количества производственной воды;
) для выработки пара в паровых котлах, системах испарительного охлаждения
и других утилизационных установках.
На эту группу потребителей расходуется от 2 до 20% всей производственной
воды;
) на промывку различных материалов, машин, деталей, мокрую очистку газов,
вентвыбросов и т.п. Вода при этом сильно загрязняется;
) на гидротранспорт, гравитационное обогащение материалов,
гидрозолоудаление. Загрязнение тоже сильное, главным образом механическими
примесями;
) на приготовление растворов, электролитов и т.п. Это характерно для
химической и рудообогатительной (при флотации руд) промышленности,
электрохимического производства и т.п.;
) для комплексного использования. В этом случае вода служит средой
охлаждающей, поглощающей, транспортирующей и т.п.
Например, очистка дымовых газов, мокрое тушение кокса, грануляция шлаков
и т.д.
На потребителей групп 3) - 6) может расходоваться от 5 до 15% всего
количества производственной воды.
В. Пожарное водопотребление.
Вода расходуется на тушение пожаров и внутренних возгораний.
1.3 Основные элементы системы водоснабжения
Система водоснабжения - это комплекс сооружений для обеспечения
потребителей водой в требуемых количествах и требуемого качества.
В состав системы водоснабжения входят следующие сооружения:
а) водоприемные сооружения (водозабор);
б) водоподъемные сооружения (насосные станции);
в) сооружения для очистки, обработки и охлаждения воды;
г) водоводы и водопроводные сети;
д) башни и резервуары. Это регулирующие и запасные емкости для сохранения
и аккумулирования воды.
На состав и схему системы водоснабжения большое влияние оказывают местные
природные условия, источник водоснабжения и характер потребления воды. Поэтому
в некоторых случаях могут отсутствовать те или иные сооружения. Например, в
самотечных системах отсутствуют насосные станции, в системах водоснабжения от
артезианских скважин нет очистных сооружений, при равномерном графике
потребления не устанавливают водонапорные башни или резервуары и т.п.
На предприятиях может быть несколько систем водоснабжения одновременно.
Например, отдельно системы производственно-технического, хозяйственно-питьевого
назначения.
Систему противопожарного водоснабжения обычно объединяют с какой-либо
другой. Чаще всего с хозяйственно-питьевой в силу ее разветвленности. Но может
быть создана и отдельная противопожарная система.
1.4 Описание технологического процесса прямоточного
водоснабжения
Прямоточная система применяется для хозяйственно-питьевого и
противопожарного водоснабжения. В некоторых случаях применяется и для
производственно-технического водоснабжения.
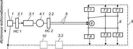
На рис.1 приведена схема взаимосвязи основных элементов в прямоточной
системе водоснабжения. Именно по такой схеме осуществляется водоснабжение
городов, поселков и других населенных пунктов.

При работе этой системы вода забирается из источника с помощью
водозаборного устройства 1 и подается насосами насосной станции 1-го подъема
(НС 1) на очистные сооружения 3.1. Здесь обычно вода идет самотеком. Очищенная
до необходимого качества она собирается в резервуаре очищенной воды 4.1. Отсюда
насосами насосной станции 2-го подъема (НС 2) вода по водоводам 5 подается на
территорию предприятия. Из водоводов вода попадает в водопроводную сеть 8 и
подается потребителям 7.1-7.6.
Присоединенная к сети регулирующая емкость 6 позволяет сглаживать влияние
пиков водопотребления на работу насосов НС 2. Она может быть установлена в
любой точке водопроводной сети.
Вся отработавшая вода сбрасывается в источник ниже (по течению) места
забора воды. При необходимости эта вода очищается и охлаждается перед сбросом.
В этом случае в системе предусматриваются устройства 3.2 и 10.
Недостатки прямоточной системы водоснабжения:
а) производительность всех элементов приходится выбирать из условия
покрытия максимума суточного расхода. Это увеличивает размеры сооружений и
мощности всех элементов системы, что удорожает ее. Возрастает и удельный расход
энергии из-за работы насосных агрегатов бóльшую часть времени в нерасчетном
режиме;
б) необходим источник с достаточным дебитом воды. Часто он удален от
предприятия и приходится сооружать длинные водоводы. Это тоже ведет к
удорожанию и снижению надежности системы;
в) в прямоточной системе вся отработавшая вода сбрасывается в природные
водоемы. Эти водоемы должны обладать способностью поглощать эти сбросы без
нарушения экологического равновесия.
Прямоточная система обеспечивает подачу наиболее качественной воды. Она
единственно возможна там, где исключается повторное использование воды. Это в
хозяйственно-питьевом и противопожарном водоснабжении.
В техническом водоснабжении часто можно обходиться без очистных
сооружений, что удешевляет систему и увеличивает ее надежность.
2. Разработка функциональной схемы автоматизации процесса
.1 Структурная схема АСУ ТП водоснабжения
При разработке системы автоматизированного управления технологическим
процессом водоснабжения необходимо реализовать автоматизированное рабочее место
оператора с программным обеспечением, взаимодействующим с контроллером. Также
необходимо определить необходимые датчики, которые будут предоставлять
информацию о состоянии процесса и исполнительные механизмы, воздействующие на
объект.
Структурная схема АСУ ТП производства сухого молока приведена на рисунке
2.
Рисунок
2 - Структурная схема
2.2 Подбор необходимых датчиков, исполнительных механизмов и
мест их расположения.
Для того чтобы разработать функциональную схему, необходимо сначала
определить какого рода информация будет отображаться на ОС, т.е. нужно
определить места установки датчиков и их характеристики. Также нам необходима
обратная связь с объектом управления, чтобы мы могли оказывать управляющее
воздействие. Для этого необходимо подобрать соответствующие исполнительные
механизмы. Т.к. разрабатываемая схема функциональная, то достаточно будет
определить задачи, решение которых возлагается на тот или иной исполнительный
механизм и место его установки.
Описание технологического объекта, приведенное ранее, позволяет
определить необходимые датчики:
§ уровня воды в резервуаре (датчики устанавливаются в резервуары 1, 2);
§ показателя pH в воде
(устанавливаются в резервуар 1);
Выбор датчиков и исполнительных механизмов:
1) Контролировать необходимое количество воды в емкостях необходимо
датчиками уровня. Для этих целей нам подойдут бесконтактные сигнализаторы
уровня БСУ, которые имеют один входной параметр (уровень), а также малую
погрешность ±1,5 мм.
Выходной сигнал с датчика - дискретный. На функциональной схеме датчики уровня,
согласно ГОСТ 21.404-85 буквенные условные обозначения, будем обозначать
буквами LE.
) Контроль показателя pH
будет производить PH-018 (ЭкоЮнит).
водоснабжение автоматизация контроллер
Рисунок 3 - PH-018
Область применения: мониторинг и контроль pH в промышленных аквариумах,
бассейнах, котлах, в промышленных системах подготовки воды и т.д.
Характеристики:
· Диапазон измерения pH: 0.00 - 14.00
· Встроенный сенсор для автоматической компенсации температуры
(от 0 до 100°C)
· Рабочая среда 0-50°C, влажность не более 95%
· Цена деления 0.01pH
· Погрешность +/- 0.02pH
· Токовый выход (для подключения к компьютеру): 4-20 мА
· Входное сопротивление 10*12 Ом
· Калибровка с помощью калибровочной отвертки (в комплекте)
· Питание: переменный ток 220В, 50Hz
· Размеры 96 x 96 x 160 мм
· Вес 950 г
) В качестве системы очистки воды выбран Nimbus MN800.
Рисунок 4 -Nimbus MN800
Это высокопроизводительная система очистки воды методом обратного осмоса
с возможностью использования накопительного бака различного объема.
Система предназначена для работы в тяжелых условиях с плохим качеством
исходной воды, а также может использоваться для очистки воды с низким давлением
подачи.
Характеристики:
· Производительность: 1900л/сут, 2л/мин;
· Давление, мин - 1атм, макс 12 атм;
· Степень очистки: 96% всех растворенных веществ (вкл. органику
и неорганику);
· Размер мембраны: 2.5"х25", макс восстановление 33%;
· Колво мембран - 2;
· 10" Кальцитовый постфильтр для понижения уровня pH
(опция);
· Материал корпуса мембранных отсеков - нерж сталь;
· Насос повышающий давление, 250Вт;
· Размеры: 1050х480х405мм, вес 42кг.
4) На насосы необходимо поставить пусковые устройства, позволяющие
включать и выключать двигатели. Данные устройства работают с аналоговыми
сигналами. Обозначение на функциональной схеме NS.
5) Резервуары для воды выбраны: РВС-100 и РВС-200 (100 и 200
м3 - резервуар 1 и 2 соответственно).
2.3 Схема информационных потоков АСУ технологическим объектом
Выбранные датчики, исполнительные механизмы и их месторасположение, а
также структурная схема АСУ ТП производства сухого молока позволяют составить
схему информационных потоков в АСУ технологическим объектом.
На схеме обозначены направления потоков, а также вид сигнала (аналоговый,
цифровой, разрядность).
Схема информационных потоков приведена на рисунке 5.
Рисунок 5 - Схема информационных потоков
Входные потоки:
1. Уровень воды в резервуаре 1 (1)
2. Уровень воды в резервуаре 1 (2)
. Показатель pH
воды в резервуаре 1
. Уровень воды в резервуаре 2
Выходные потоки:
1. К насосу 1
2. К насосу 2
. К насосу 3
2.4 Выбор контроллера для автоматизированной системы
Для контроля данной системы был выбран контроллер ОВЕН ПЛК 110-30

Программируемые логические контроллеры ОВЕН ПЛК110-30 выполнены в полном
соответствии со стандартом ГОСТ Р 51840-2001 (IEC 61131-2), что обеспечивает
высокую аппаратную надежность.
По электромагнитной совместимости контроллеры соответствуют классу А по
ГОСТ Р 51522-99 (МЭК 61326-1-97) и ГОСТ Р 51841-2001, что подтверждено
неоднократными испытаниями изделия.
Рекомендуется к использованию
· В системах HVAC
· В сфере ЖКХ (ИТП, ЦТП)
· В АСУ водоканалов
· Для управления малыми станками и механизмами
· Для управления пищеперерабатывающими и упаковочными
аппаратами
· Для управления климатическим оборудованием
· Для автоматизации торгового оборудования
· В сфере производства строительных материалов
Оптимально для построения распределенных систем управления и
диспетчеризации с использованием как проводных, так и беспроводных технологий.
Вычислительные ресурсы
В контроллере изначально заложены мощные вычислительные ресурсы при
отсутствии операционной системы:
· высокопроизводительный процессор RISC архитектуры ARM9, с
частотой 180МГц компании Atmel;
· большой объем оперативной памяти - 8МБ;
· большой объем постоянной памяти - Flash память, 4МБ;
· объем энергонезависимой памяти, для хранения значений переменных
- до 16КБ;
· время цикла по умолчанию составляет 1мс при 50 логических
операциях, при отсутствии сетевого обмена.
Условия эксплуатации
· Расширенный температурный рабочий диапазон окружающего
воздуха: от минус 10 °С до +50 °С
· Закрытые взрывобезопасные помещения или шкафы
электрооборудования без агрессивных паров и газов
· Верхний предел относительной влажности воздуха - 80 % при 25
°С и более низких температурах без конденсации влаги;
· Атмосферное давление от 84 до 106,7 кПа
Конструктивные особенности
Контроллеры выполнены в компактном DIN-реечном корпусе. Габаритные и
установочные размеры отличаются в зависимости от модификации, и приведены в
конце раздела.
Расширение количества точек ввода\вывода осуществляется путем подключения
внешних модулей ввода\вывода по любому из встроенных интерфейсов.
Электрические параметры
Два варианта питания для каждого контроллера:
· переменный ток: (90-265)В, (47...63)Гц;
· постоянный ток: (18-29)В.
Небольшая потребляемая мощность до 10Вт.
Интерфейсы и протоколы
Все контроллеры данной линейки имеют большое количество интерфейсов на
борту, работающих независимо друг от друга:
· Ethernet;
· До трех последовательных портов;
· USB Device для программирования контроллера.
В целом, данный контроллер удовлетворяет разработанной АСУ ТП.
.5 Функциональная схема технологического объекта
Результатом главы 2 является функциональная схема технологического
объекта, отображающая вид датчиков, места расположения датчиков, а также места
расположения исполнительных механизмов и пусковых устройств. Функциональная
схема приведена на рисунке 7.
Рисунок 7 - Функциональная схема системы
Обоснование мест установки датчиков:
· Датчик NS 2-1
предназначен для управления насосом 1;
· Датчик pH 4-1
предназначен для измерения показателя pH воды в резервуаре 1;
· Датчики LE 4-2
и 4-3 предназначены для индикации уровня воды в резервуаре 1;
· Датчик NS 5-1
предназначен для управления насосом 2;
· Датчик NS 6-1
предназначен для управления насосом 3;
· Датчик LE 7-1
предназначен для индикации уровня воды в резервуаре 2.
3. Разработка алгоритмов функционирования
.1 Алгоритм функционирования СУ технологического объекта
Рисунок
8 - Общий алгоритм функционирования
3.2 Алгоритм запуска технологического объекта
Рисунок
9 - Алгоритм запуска ТП
3.3 Алгоритм функционирования системы
Рисунок
10 - Алгоритм функционирования системы
.4 Алгоритм остановки системы
Рисунок
11 - Алгоритм остановки системы
3.5 Алгоритм работы системы при аварии
Рисунок
12 - Алгоритм работы системы при аварии
Заключение
Результатом выполнения данного курсового проекта стала разработка АСУ ТП
водоснабжения дома. Была разработана модель процесса, которая наглядно
позволяет представить реальный технологический процесс. Также были разработаны
функциональные схемы, подобраны измерительные устройства (датчики) и
контроллер, который осуществляет управление технологическим процессом.
Разработаны алгоритмы контроля и управления функционированием ТП.
Приложение А
Список используемых сокращений
АСУ ТП - автоматизированная система управления технологическим процессом;
ИМ - исполнительный механизм;
ОС - операторская станция;
ТО - технологический объект;
ТОУ - технологический объект управления;
ТП - технологический процесс.
Приложение Б
1 Методические указания по выполнению
курсового проекта по дисциплине «Технические средства автоматизации и
управления». Составитель Куклин В.В. 2011г.
2 Лекции по предмету «Технические
средства автоматизации и управления» Куклина В.В.
<http://www.ecounit.ru/goods_111.html>
<http://www.ecounit.ru/goods_464.html>
<http://nfgr.ru/vertical.html>