Системы автоматического регулирования водоснабжения

  • Вид работы:
    Курсовая работа (т)
  • Предмет:
    Технология машиностроения
  • Язык:
    Русский
    ,
    Формат файла:
    MS Word
    4,28 Mb
  • Опубликовано:
    2010-11-24
Вы можете узнать стоимость помощи в написании студенческой работы.
Помощь в написании работы, которую точно примут!

Системы автоматического регулирования водоснабжения

ВВЕДЕНИЕ

Характерным свойством систем управления, определяющим их как особый класс динамических систем, является использование текущей информации об управляемых и управляющих воздействиях при реализации обратных и компенсирующих связей, предназначенных для обеспечения оптимального качества управления по выбранному критерию.

Основы научного подхода к проектированию автоматических устройств были заложены еще в ХГХ в. русским ученым И. А. Вышнеградским, определившим, что машина и регулятор образуют единую динамическую систему. Им сформулированы также основные положения теории устойчивости и важнейшие закономерности регулирования по принципу обратной связи.

Повышение мощности, сложности и стоимости технологических комплексов и систем как объектов управления, ужесточение требований к качеству продукции, охране окружающей среды и безопасности персонала, а также обеспечение длительной работоспособности оборудования являются экономическими и социальными предпосылками к непрерывному совершенствованию систем управления.

В настоящее время достигнуты определенные успехи в создании автоматизированных (с участием человека) и полностью автоматических управляющих систем. Это способствовало бурному развитию микропроцессорных средств, способных выполнять весь комплекс функций по преобразованию, передаче, обработке, хранению и использованию информации для воздействия на технологический процесс и для связи с оператором. В первую очередь осуществляются измерение, контроль и регулирование состояния технологических объектов.

1. АВТОМАТИЗАЦИЯ ВОДОСНАБЖЕНИЯ

Водоснабжение городских потребителей хорошо механизировано и автоматизировано. Благодаря автоматизации человек практически освобожден от ручного труда при добыче, доставке и распределении воды на предприятия и в быту. Автоматизация позволила увеличить производительность труда по водоснабжению в 20 раз, снизить эксплуатационные затраты в 10 раз.

Для подъема и раздачи воды применяют водонасосные установки, состоящие из водоприемников, очистительных сооружений, резервуаров чистой воды или водонапорных башен, соединительной водопроводной сети и электронасосов со станциями управления. Наиболее широко в сельском хозяйстве распространены центробежные и осевые насосы. Насосы выполняют в моноблоке с электродвигателями и погружают в воду или располагают на поверхности земли.

Для подъема воды из открытых водоемов и шахтных колодцев используют также плавающие центробежные насосы. Широко распространены так называемые объемно-инерционные насосы с электромагнитным вибрационным приводом, рассчитанные на малую подачу воды (до 1 м3/ч при напоре 20 м).

В водоснабжении используют водонасосные установки трех типов: башенные с водонапорным баком, безбашенные с водонапорным котлом и непосредственной подачей воды в водопроводную сеть. Почти в 90 % случаев используют башенные водонасосные установки с расходом воды до 30 м3/ч. Если расход воды составляет 30...б5м3/ч, то рекомендуют двухагрегатные насосные станции с водонапорным котлом. При расходе воды более 65 м3/ч экономически целесообразно использовать насосные установки с непосредственной подачей воды в распределительную сеть.

Безбашенная автоматическая водоподъемная установка типа ВУ (рис. 1.1) предназначена для подъема воды из открытых водоемов и шахтных колодцев глубиной до 5 м при напоре 25...80 м. Установка состоит из всасывающей трубы 1 с приемным фильтром насосного агрегата 2, нагнетательной 3 и водоразборной 12 труб с запирающими вентилями 5, воздушно-водяного бака 4 с датчиком давления 8 и струйным регулятором запаса воздуха, имеющего камеру смешивания 6, воздушный клапан 7, жиклер 10 и диффузор 11.

Рис.1.1. Технологическая схема водоподъемной установки типа ВУ (а) и принципиальная электрическая схема управления ею (б):

1 – всасывающая труба; 2 – насосный агрегат; 3 – нагнетательная труба; 4 – воздушно-водяной бак; 5 – запирающий вентиль; 6 – камера смешивания; 7 – воздушный клапан; 8 – датчик давления; 9 – предохранительный клапан; 10 – жиклер; 11 – диффузор; 12 – водозаборная труба

Схема управления в автоматическом режиме работает следующим образом. Вода к потребителю поступает под давлением воздушной подушки, расположенной над водой в котле. При разборе воды из котла давление в котле снижается и контакты манометрического датчика давления ВР замыкаются, катушка магнитного пускателя КМ получает питание и включает электронасос.

Давление включения, МПа, рассчитывают по формуле

P1 = (Hсв + Hр + Hпот )10-2

где Hсв — свободный напор у потребителя, м (для одноэтажных зданий 8 м, для двухэтажных — 12 м); Hр — разность отметок расчетных точек водопроводной сети и минимального уровня воды в баке, м; Hпот — потери напора в водопроводной сети, м.

При увеличении уровня воды давление в котле повышается до заданного значения, при котором контакты ВР размыкаются и насос отключается.

Давление выключения, МПа, определяют по формуле

P2 = 1,7 P1+ 0,7

Ручное управление электронасосом осуществляется кнопками SB2 «Пуск» и SB1 «Стоп».

Объем воздушной подушки в баке постоянно уменьшается, так как часть воздуха растворяется и выносится с водой. Вследствие этого уменьшается давление воздушной подушки и регулирующий объем в котле снижается.

Для автоматического поддержания объема воздушной подушки служит регулятор, обеспечивающий подкачку воздуха до давления в баке 250 кПа. При максимальных аварийных давлениях срабатывает предохранительный клапан 9. Пополнение воздуха происходит, когда жиклер 10 перекрыт водой. Струя воды под действием насоса создает разрежение в камере 6 (эффект пульверизации), воздушный клапан 7 открывается, и воздух, смешиваясь с водой, поступает в котел.

Безбашенные водоподъемные установки имеют низкий коэффициент использования объема бака (0,15...0,2)V, большой перепад давлений (20...30 м) при малом регулирующем объеме Vp и взрывоопасны. Поэтому их применяют ограничено.

Башенная система водоснабжения обычно работает по следующей схеме: водоисточник — насосный агрегат — напорный агрегат — напорный трубопровод — водонапорная башня — водопроводная сеть — потребители воды.

При включении насоса вода поступает одновременно к потребителям и в напорный бак башни. Количество поступающей в бак воды равно разности между подачей насоса и расходом потребителей. После наполнения 6av х насосный агрегат отключается и водоснабжение потребителей обеспечивается водой, запасенной в баке. Вместимость бака стандартных водонапорных башен-колонн 15...50 м3 и более. При этом общая вместимость бака определяется как сумма трех объемов: регулирующего, запасного и «мертвого». «Мертвый» объем, как правило, невелик. В него входят отстойная часть бака и часть объема бака от его верхней кромки до максимального уровня воды (высотой примерно 0,3 м).

Запасной объем должен хранить хозяйственно-производственный запас на случай перерыва в электроснабжении и, главное, пожарный запас воды, размеры которого определяются строительными нормами и правилами.

Регулирующий объем Vр 3), подача насоса GH3/ч) и текущее потребление воды Gp3/ч) определяют продолжительность работы насосного агрегата

Tп=Vp/(Gн - Gp)

Продолжительность паузы

Tп=Vp/Gp.

Соответственно время цикла Тц = Тр+ Тп

Максимальное число включений будет при :

n = 0,25(Gн /Vp).

Наибольшее число включений в течение суток

nmax = 24n = 6(Gн /Vp).

По этой формуле определяют рабочий объем Vp, ограничивающий максимальное число включений насосного агрегата nmax:

n = 6 Gн / nmax

Рабочий объем бака при автоматическом управлении насосным агрегатом определяется расстоянием h между датчиками верхнего и нижнего уровней.

Таким образом, для того чтобы обеспечить число включений погружного насоса не более допустимого по техническим условиям, расстояние между датчиками верхнего и нижнего уровней (зона неоднозначности двухпозиционного регулятора) должно быть

n = 6 Gн / (nmax F)

где F— площадь зеркала воды в баке, м3.

Опыт эксплуатации погружных насосов свидетельствует о том, что nmax не должно превышать 50...70 (в зависимости от конструкции) с интервалом между включениями не менее 5 мин.

Схема башенной водонасосной станции с датчиком уровня воды изображена на рисунке 1.2, а, 6. Погружной электродвигатель 1 в монолите с многоступенчатым насосом 2 закреплен на водоподъемных трубах 3 и опущен в скважину 5. Трубы закреплены в плите 7, установленной в санитарно-техническом помещении 11. Скважины укреплены обсадными трубами диаметром 100...450 мм. Электродвигатели выполнены сухими, полусухими или заполненными водой. Наиболее распространены электродвигатели, заполненные водой. Резинометаллические или пластиковые подшипники также смазываются водой. К электродвигателю подведен кабель 6, закрепленный на водоподъемных трубах хомутами 4. Всасывающая часть трубы снабжена сеткой, задерживающей крупные примеси, которые могут содержаться в воде.

Бак 12 башни выполнен сварным из листовой стали и установлен на кирпичной, железобетонной или металлической опоре. К баку подведен напорно-разводящий трубопровод 10. Конец напорной трубы доведен до верхнего уровня, а отвод воды из бака происходит через обратный клапан у нижнего уровня. Бак оборудован внешней /7 и внутренней 18 лестницами, люком 16, вентиляционным клапаном 15, датчиком уровня 14 и водосливной трубой 13, исключающей переполнение бака водой в случае неотключения насоса. На водопроводе установлен манометр 8 и задвижки 9.

Рис. 1.2. Башенная водонасосная установка с погружным электродвигателем (а), схема датчика уровня воды (б) и принципиальная электрическая схема управления (в):

1— погружной электродвигатель; 2 — многоступенчатый насос; 3 — водоподъемные трубы; 4— хомуты; 5— скважина; 6— кабель; 7— плита; 8— манометр; 9— задвижки; 10— напорно-разводящий трубопровод; 11 — санитарно-техническое помещение; 12 — бак; 13 — водосливная труба; 14 — датчик уровня; 15—вентиляционный клапан; 16 — люк; 17 и 18— внешняя и внутренняя лестницы; 19— скоба; 20 — защитный корпус; 21, 22 и 23-электроды соответственно верхнего, нижнего и общего уровней

Электродный датчик уровня состоит из защитного корпуса 20, скобы 19 для крепления датчика в баке и трубчатых электродов: верхнего 21, нижнего 23 и общего 22 уровней. Внутри центрального электрода расположен нагревательный элемент, который включен в холодное время для исключения обмерзания электродов.

На рисунке 1.2, в показана принципиальная электрическая схема управления типа ПЭТ башенной водонасосной установкой. Она позволяет в ручном и автоматическом режимах пускать и останавливать электронасос, защищает электродвигатель от перегрузок и коротких замыканий, сигнализирует при помощи сигнальных ламп о включенном и отключенном состояниях насоса.

Ручное включение электронасоса осуществляют переводом переключателя SA в положение Р, а отключение — в положение 0. Автоматический режим работы задают переводом переключателя в положение Л. Если в баке воды нет, то контакты (электроды) датчика верхнего SL1 и нижнего SL2 уровней разомкнуты, следовательно, контакты реле КV в цепи катушки магнитного пускателя КМ замкнуты. Магнитный пускатель срабатывает и включает электронасос М. По мере накопления воды в баке перекрываются водой сначала контакты SL2 нижнего уровня, а затем SL1 верхнего уровня. При этом реле КV получает питание через воду. Контактами KV: 1 оно разрывает цепь питания магнитного пускателя КМ, и электронасос отключается. Реле KV остается включенным через контакты KV: 2, SL1 и SL2. Оно отключается только тогда, когда вода разомкнет не только верхние контакты, но и нижние. В этом случае контакты KV: 1 в цепи магнитного пускателя КМ вызовут повторное включение электронасоса М. Отключенное состояние насоса определяется по зеленой лампе HL1, а включенное — по красной HL2.

Защита двигателя осуществляется при помощи типовых расцепителей магнитного пускателя КМ а автомата QF.

На холодный период года выключателем S включается электрообогреватель ЕК датчика, предотвращающий обледенение и промерзание электродов датчика уровня.

2. АВТОМАТИЗАЦИЯ БЕСКОНТАКТНЫХ СТАНЦИЙ УПРАВЛЕНИЯ НАСОСНЫМИ АГРЕГАТАМИ

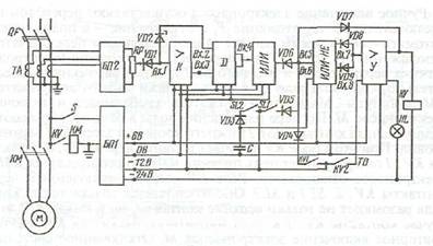
Бесконтактная станция управления типа ШЭТ выполнена на полупроводниковых логических элементах. По сравнению с контактными схемами бесконтактные станции дороже, но дорожание окупается увеличением срока службы и надежности работы как самой системы управления, так и электродвигателя насоса.

Принципиальная электрическая схема станции (рис.2.1) работает следующим образом. Когда в водонапорном баке нет воды, то контакты верхнего SL1 и нижнего SL2 уровней разомкнуты. Вследствие этого на входах Вх.5 и Вх.6 сдвоенного логического элемента ИЛИ — НЕ сигналы отсутствуют, а на его выходе сигналы появляются и через диоды VD8 и VD9 поступают на усилитель У, который усиливает входной сигнал, вызывающий срабатывание промежуточного реле КV и загорание сигнальной лампы HL. Реле KVсвоими контактами включает магнитный пускатель КМ, а последний — электронасос М. По мере заполнения бака водой вначале замыкаются контакты SL2 датчика нижнего уровня, а затем контакты SL1 верхнего уровня. При замыкании контактов SL2 на Вх. 6 подается отрицательный потенциал, вследствие чего на диоде VD9 выходной сигнал исчезает, а на диоде VD8 остается. Благодаря этому насос не отключается. Когда вода замыкает контакты SL1 датчика верхнего уровня, на #х.5поступает сигнал и на диоде VD8 выходной сигнал исчезает. Вследствие этого лампа HL и реле KV отключаются, что вызывает выключение электронасоса.

Рис.2.1. Принципиальная электрическая схема управления водонасосной станции типа ШЕТ

При расходе воды вначале размыкаются контакты SL1 верхнего уровня, но это не приводит к выключению электродвигателя, так как вместо выходного сигнала от датчика на вход Вх.5 через диод VD7 и реле KV подается отрицательный потенциал от источника: - 24 В. При размыкании контактов SL2 нижнего уровня на Вх.6 сигнал исчезает, что вызывает автоматическое повторное включение электронасоса.

Бесконтактное реле Т-202, логические элементы D, ИЛИ и блок питания БП2 защищают двигатель от перегрузок и от работы в аварийных режимах. Датчиком тока является трансформатор тока ТА, выпрямленный ток от которого поступает на потенциометр RP. Движком потенциометра RP устанавливают значение токов срабатывания защиты при перегрузках и коротких замыканиях электродвигателя. При токах перегрузки срабатывает бесконтактное реле Т-202, с которого поступает на вход Вх.3 сигнал, вызывающий срабатывание элемента выдержки времени D. С элемента D сигнал с выдержкой времени через элемент ИЛИ поступает на вход Вх.5 элемента ИЛИ— НЕ, что вызывает отключение реле KV и электронасоса М. При токах короткого замыкания напряжение на потенциометре RP возрастает в несколько раз. Вследствие этого открывается стабилитрон VD2 и через вход Вх.2 на элемент D поступает сигнал, минуя цепочку выдержки времени в элементе D. С элемента D сигнал последовательно поступает на входы Вх.4 и Вх.5 и исчезает на выходе Вх.7, что вызывает отключение электронасоса без выдержки времени.

Станция ШЭТ позволяет управлять электронасосом при помощи телемеханики. Для этого устанавливают реле приема телесигналов управления, контакты KV2 и KV1 которых соответственно включают и отключают электронасос. Параллельно контактам можно установить конечные станции для дистанционного включения или отключения насоса.

Логические элементы питаются от блока питания БП1, который подключается выключателем S.

Комплектное устройство «Каскад» предназначено для автоматического и дистанционного управления погружными электродвигателями мощностью 1...65 кВт водонасосных и дренажных станций. В устройстве предусмотрена защита электродвигателя от перегрузок, коротких замыканий и сухого хода, т. е. от работы двигателя без воды (для двигателей мощностью 4,5 кВт и выше). Оно может работать в автоматическом режиме от датчиков нижнего SL2 я верхнего SL1 (рис.2.3) уровней воды в баке. Датчиком давления ВР служит электроконтактный манометр, устанавливаемый в оголовке скважины на напорном трубопроводе. Цепи управления и защиты от сухого хода подключают к блоку питания БП1, а цепи защиты от перегрузок и коротких замыканий — к блоку БП2.

В зависимости от положения переключателя SA1 схема работает от датчиков уровня или от датчика давления (положение 1), или от реле телемеханического включения ТВ и отключения ТО (положение 4), или от местного дистанционного управления: включается переводом переключателя SA1 в положение 3, а отключается переводом в положение 2.

Рис.2.3. Принципиальная электрическая схема управления водонасосной станцией “Каскад”

При автоматическом управлении по уровню в блоке управления устанавливают ячейку уровня (ЯУУ). Переключатель SA2 ставят в положение В (водоподъем) или положение Д (откачка дренажных вод).

Рассмотрим работу схемы в режиме водоподъема. Если вода в баке находится ниже датчика минимального уровня, то контакты SL1 и SL2 разомкнуты, транзистор VT8 закрыт, а сигнал выключения насоса с резистора R22 через диод VD13 и резистор R6 поступает на затвор транзистора VT3. Этот транзистор открывается с выдержкой времени (2...30 с), устанавливаемой цепочкой, и открывает триод VT4. В результате этого срабатывает реле KV, которое включает пускатель КМ и электронасос М. Включение насоса запоминается и поддерживается при помощи ячейки памяти, образованной диодом VD7, так как через диод поступает на затвор транзистора VT3 отрицательный потенциал.

При замыкании водой контактов SL1 датчика верхнего уровня сигнал поступает на затвор транзистора VT6, который открывается, закрывая транзистор VT7, и открывает транзисторы VT11 и VT12. На коллекторе транзистора VT12 увеличивается отрицательный потенциал, который через диоды VD14 и VD8 закрывает триод VT4. Реле KV отключается и выключает электронасос М, который остается отключенным до тех пор, пока вода в баке не опустится ниже контактов SL2. Далее цикл повторяется.

При автоматическом управлении по давлению вместо ячейки ЯУУ устанавливают ячейку ЯУД с датчиком давления ВР. Ячейка управления по давлению состоит из формирователя времязадающих импульсов, счетчика импульсов и схемы совпадения. Все указанные узлы собраны на логических элементах (триггерах и элементах И - НЕ).

При снижении уровня, а следовательно, и статического напора воды, контакты датчика давления ВР замыкаются и подают отрицательный потенциал питания. Начинает работать генератор и счетчик импульсов ячейки ЯУД. Через определенное число импульсов, обеспечивающих задержку времени включения электронасоса не более 15 мин, с выхода Вых ячейки ЯУД поступает сигнал положительной полярности, который через диод VD8 открывает триод VT4. Благодаря этому включается реле KV, пускатель КМ и электронасос М.

При работе насоса давление повышается и контакты датчика ВР размыкаются, но отрицательный потенциал питания ЯУД теперь подается через открытый триод VT4 и диод VD15.

Через определенное время, устанавливаемое до 90 мин специальным задающим устройством в ячейке ЯУД, сигнал на выходе Вых. исчезает, триод VT4 закрывается, и реле KV отключает пускатель КМ и электронасос М. При снижении давления воды процесс повторяется.

Следует отметить, что схема ячейки ЯУД сложная, многоэлементная, имеет низкую надежность. Контактный манометр работает только на включение насоса, и отключение осуществляется от элемента выдержки времени. Кроме того, давление срабатывания реле ВР зависит от расхода и динамического напора воды. Поэтому сегодня в научных и проектных организациях разрабатываются более совершенные схемы управления электронасосом.

При местном дистанционном включении SA1 переводят в положение 3, а при телемеханическом — в положение 4. В этих случаях отрицательный потенциал подается непосредственно или через контакты KV2 на затвор транзистора VT3 и открывает его и триод VT4. Далее схема работает аналогично работе от датчиков уровня.

При местном дистанционном отключении SA1 переводят в положение 2. В этом случае, как и при телемеханическом отключении, контактами KV1 отрицательный потенциал подается на триод VТ4 и закрывает его, а реле KV и электронасос М отключаются.

Защита электродвигателя от перегрузки выполнена аналогично защите станции управления типа ШЭТ. При аварийных режимах (перегрузках, коротких замыканиях, неполнофазных режимах электронасоса) повышается напряжение на переменном резисторе R. Это напряжение через цепочку выдержки времени R1 — С1, обратно пропорциональную значению напряжения на резисторе R, поступает на затвор транзистора VT1, открывая его и триод VT2. В результате через диоды VD3 и VD8 отрицательный сигнал закрывает триод VT4 и отключает электронасос М. Одновременно загорается сигнальная лампа НЫ «Перегрузка». Цепь обратной связи, состоящая из резистора R4 и диода VD2, исключает автоматическое повторное включение электронасоса.

Защита электронасоса от сухого хода выполнена в виде датчика SL3 в скважине и полупроводникового преобразователя сигнала. При нормальной работе насоса датчик SL3 омывается водой, и его контакты замкнуты. При отсутствии воды в скважине контакты SL3 размыкаются, транзистор VT5 закрывается, а транзисторы VТ9 и VT10 открываются. Отрицательный потенциал через триод VT10, диоды VD4 и VD8 закрывает триод VT4 и отключает электронасос М. Одновременно загорается лампа «Сухой ход». При появлении воды транзистор VT5 открывается, а транзисторы VT9 и VT10 остаются открытыми за счет обратной связи через диод VD12. Вследствие этого повторно включить насос можно только после выяснения и устранения причин его отключения.

3. АВТОМАТИЧЕСКОЕ УПРАВЛЕНИЕ НАСОСАМИ

В зависимости от назначения насосной установки система автоматического регулирования должна обеспечить поддержание в требуемых пределах давления, расхода и температуры воды. Кроме того, при аварийной остановке рабочего насоса должен автоматически включаться резервный. Для дистанционного контроля работы насосной установки предусматривается сигнализация и при необходимости — автоматическая запись температуры, расхода и давления воды.

Предположим, что при внезапной остановке рабочего насоса давление теплоносителя на линии нагнетания резко падает. Эта зависимость и положена в основу работы схемы автоматизации, обеспечивающей включение резервного насоса при аварийной остановке рабочего.

На нагнетательной линии после насосов обычно устанавливают позиционный регулятор давления, настроенный на рабочее давление системы отопления. При остановке рабочего насоса давление теплоносителя снижается, срабатывает регулятор давления, выключаются магнитный пускатель электродвигателя насоса и сигнальная лампа. Одновременно включается в работу резервный насос и загорается соответствующая сигнальная лампа. С помощью ключа осуществляется выбор режима управления работой установки.

При автоматизации насосов бывают случаи, когда разность давления теплоносителя при включенном и выключенном насосе меньше чувствительности регулятора давления. В этом случае искусственно увеличивают гидравлическое сопротивление сети путем установки диафрагмы.

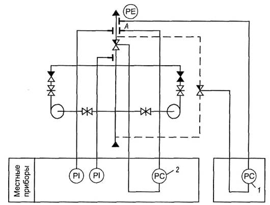
Для автоматического поддержания постоянного давления на нагнетательной линии насосов установлен регулятор давления прямого действия 2 (рис. 2.1). В зависимости от изменения давления в системе регулирующий клапан открывается или закрывается, поддерживая постоянное давление в точке А. Постоянное давление в системе может поддерживаться и передачей части теплоносителя в обратную линию. Для этого между прямой и обратной линиями теплоносителя монтируют перемычку, на которой устанавливают регулятор давления прямого действия / (пунктирная линия). При повышении давления в точке А клапан открывается, часть теплоносителя из прямой линии поступает в обратную и тем самым поддерживается постоянное давление в системе. Рассмотренный способ регулирования может быть применен только в том случае, если перепуск горячей воды в обратную линию не вызывает нарушения установленного температурного графика теплоносителя в обратной линии.

Рис.2.1. Функциональная схема автоматического поддержания постоянного давления теплоносителя

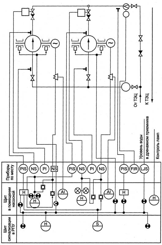
Более сложны схемы автоматизации насосных подстанций, основное назначение которых состоит в изменении давления в подающем или обратном трубопроводе за подстанцией, а также в увеличении пропускной способности тепловой сети. Автоматизация насосных подстанций на подающей магистрали (рис. 2.2) включает решение задач: блокировки насосных агрегатов, электродвигателей насоса и задвижки на напорном патрубке насоса; автоматического включения резервного насоса при падении давления в напорном патрубке работающего и автоматического переключателя на резервный источник электропитания; сигнализации о неисправностях работы насосной подстанции (превышении допустимой температуры в подшипниках насосов, автоматическом включении резервного насоса, понижении давления воды за насосами и др.).

При автоматизации насосной подстанции на обратной магистрали (рис. 2.3) дополнительно предусматривается поддержание постоянного давления во всасывающем коллекторе, поскольку колебания давления существенно влияют на надежность работы отопительных систем. Автоматическая защита от понижения давления во всасывающем коллекторе перекачивающей подстанции действует при аварийных ситуациях. В этом случае автомат рассечки разделяет тепловую сеть на две гидравлически независимые зоны: верхнюю (с высокой отметкой пьезометра после срабатывания защиты) и нижнюю (с низкой отметкой пьезометра).

Рис, 2.2. Схема автоматизации насосной подстанции на подающей

 

Рис. 2.3. Схема регулирования давления воды во всасывающем коллекторе насосной подстанции на обратной магистрали:

1 — насосы подстанции; 2 — обратный клапан

Основной причиной резких и значительных по величине понижений давления воды во всасывающем коллекторе насосных подстанций на обратных трубопроводах является остановка насосов подстанции или сетевых насосов на станции, что может быть вызвано различными неисправностями, в том числе прекращением подачи электроэнергии. В связи с этим в схеме защиты используются не электрические, а гидравлические регуляторы давления, например РД-ЗА с регулирующим клапаном РК, которые получают импульс от давления на всасывающем коллекторе насосной подстанции. Регулирующие клапаны РК с мембранным приводом устанавливают на подающей магистрали подстанции.

Полного разделения тепловой сети на две гидравлические независимые зоны не требуется и том случае, когда давление в обратной магистрали во время остановки насосной подстанции не превышает допустимого предела при некотором сокращенном расходе воды, который можно обеспечить частичным прикрытием регулирующего клапана. В таких случаях целесообразно применять двухседельные регулирующие клапаны. При частичном закрытии регулирующего клапана снижается вероятность возникновения гидравлического удара.

3.1 АВТОМАТИЗАЦИЯ ХОЗЯЙСТВЕННО-ПИТЬЕВОГО ВОДОСНАБЖЕНИЯ

В зависимости от напора в точке присоединения к наружной сети внутренняя водопроводная система выполняется либо путем непосредственного присоединения без насосов и резервуаров, если напор в наружной сети достаточен для подачи воды ко всем водоразборным точкам внутри здания, либо с насосами постоянного или периодического действия, если напора в наружной сети постоянно или периодически не хватает для подачи воды ко всем водоразборным точкам. Система непосредственного присоединения оборудуется лишь измерителем расхода — счетчиком-расходомером (водомером). В системе водоснабжения с насосами периодического действия (рис. 2.4) рабочий насос включается с помощью позиционного регулятора давления / при понижении расчетного давления воды, поступающей из городской сети. При повышении давления воды Щ городской сети насос выключается с помощью того же регулятора. Автоматическое включение резервного насоса при аварийном состоянии рабочего осуществляется позиционным регулятором давления 2.

Рис. 2.4. Функциональная схема автоматизации системы водоснабжения с насосами периодического действия:

1,2— регуляторы давления; 3 — рабочий насос; 4 — резервный насос

В схеме автоматизации системы водоснабжения с напорным резервуаром и периодически действующими насосами (рис. 2.5) включение и выключение насоса осуществляются регулятором уровня, датчики которого установлены в напорном резервуаре. При опускании воды в баке до нижнего уровня (линия б) включается насос и вода начинает поступать в бак. Когда вода в баке достигнет верхнего уровня (линия а), насос отключится. При выходе из строя рабочего насоса включается резервный с помощью регулятора давления. Ручное или автоматическое управление насосами выбирается с помощью ключа.

Рис. 2.5. Функциональная схема автоматизации системы водоснабжения с напорным резервуаром:

1 — ключ; 2 — регулятор давления; 3 — регулятор уровня; 4 — напорный резервуар

ЗАКЛЮЧЕНИЕ

Эффективность и экономичность работы предприятий холодного и горячего водоснабжения, отопления, водоотведения и водоочистки городов, городских и сельских районов (водоканалы, Коммунпромводы, Теплоэнерго, Тепловые сети и т. п.) может быть существенно повышена за счет автоматизации и внедрения регулируемых электроприводов и автоматизированных систем управления на их основе.

В зависимости от назначения насосной установки система автоматического регулирования должна обеспечить поддержание в требуемых пределах давления, расхода и температуры воды. Кроме того, при аварийной остановке рабочего насоса должен автоматически включаться резервный. Для дистанционного контроля работы насосной установки предусматривается сигнализация и при необходимости — автоматическая запись температуры, расхода и давления воды.

Применение частотно-регулируемых электроприводов в системах водоснабжения, прежде всего, позволяет существенно снизить потребление электроэнергии электроприводами насосов, так как избыточный напор в этом случае не создается. Давление поддерживается постоянным за счет регулирования частоты вращения электродвигателя насоса. Давление, которое необходимо поддерживать в системе, с помощью встроенной клавиатуры пульта привода записывается в его энергонезависимую память.


Не нашли материал для своей работы?
Поможем написать уникальную работу
Без плагиата!
Без нейросетей!