Тракторный транспорт и многоканальные системы
Содержание
Введение
.
Общие сведения о бульдозерах
.1
Внешний вид
.2
Назначение и классификация
.3
Приемы управления тракторами в различных условиях движения
.3.1
Пуск и остановка двигателя
.3.2
Начало движения
.3.3
Изменение скорости движения
.3.4.
Изменение направления движения
.3.5
Преодоление препятствий типа канавы и бревна
.3.6
Движение задним ходом
.3.7
Особенности управления тракторными транспортными агрегатами
.
Принципы построения многоканальных систем
.1
Принципы построения систем с временным разделением каналов
.2
Принципы построения систем с частотным разделением каналов
.3
Принципы построения систем с кодовым разделением каналов
.
Проектная часть
.1
Выбор и обоснование структурной схемы
.2
Выбор и обоснование функциональной схемы
.3
Выбор и обоснование принципиальной схемы
.
Экономическая часть
.1
Метод структурных коэффициентов
.2
Цена изготовления изделия
.
Безопасность жизнедеятельности
.1
выявление и анализ опасных факторов, действующих в районе зоны изготовления
печатных плат
.2
Расчёт искусственного освещения рабочего места по изготовлению печатных плат
Заключение
Список
использованной литературы
Введение
Целью данной работы является установка систему дистанционного
управления на транспортное средство (бульдозер) с целью наблюдения за его
местом положения, техническим состоянием, и управлением в реальном масштабе
времени или режиме постоянной обработки. В настоящее время множество
чрезвычайных ситуаций: катастрофы на химических заводах, на атомных
электростанциях. Система дистанционного управления бульдозером предназначена
для того, чтобы не подвергать напрасному риску людей, которые занимаются
ликвидацией последствий катастроф.
Для ращения поставленной задачи наиболее целесообразно
является использование глобальной спутниковой системы навигации. В следующем
разделе приведем сравнение основных систем глобальной спутниковой связи.
Географические информационные системы (ГИС) - это успешно
развивающаяся информационная технология, эффективно применяющаяся во многих
отраслях, в том числе и на транспорте. При этом у транспортных ГИС есть одна
важная особенность - самый широкий круг пользователей, которым нужна
транспортная информация.
Этой системой можно управлять с любого подвижного пункта,
например её можно установить на вертолёте и с него управлять бульдозером.
Наблюдать за бульдозером можно при помощи видео наблюдения.
На бульдозере устанавливается видео камера, от неё сигнал передаётся а
передвижной наблюдательный пункт.
Объект исследования - система удаленного управления
транспортными средствам (бульдозером) с использованием спутниковой навигации и
технологий наземной радиосвязи.
Цель исследования - разработка такой системы.
В записке, на основе анализа технических решений разработана
схема мобильного терминала и архитектура системы в целом.
Результаты проекта рекомендуются к внедрению организациями,
работающими с навигационным оборудованием.
МОБИЛЬНЫЙ ТЕРМИНАЛ, GPS/ГЛОНАСС, DGPS, НАВСТАР, GSM, GPRS, СОТОВАЯ СВЯЗЬ,
КОНТРОЛЕР, ГИС, AVL, HARD DRIVE.
The abstractexplanatory note contains: ____
pages, ___ drawings, ___ tables, ___ sources.of research - system of remote
management transport to means (bulldozer) with use of satellite navigation and
technologies of a land radio communication.objective - working out of such
system.a note, on the basis of the analysis of technical decisions the scheme
of the mobile terminal and architecture of system as a whole is developed.of
the project are recommended to introduction by the organisations working with
the navigating equipment.MOBILE TERMINAL, GPS/ГЛОНАСС, DGPS, НАВСТАР, GSM, GPRS,
CELLULAR COMMUNICATION, THE CONTROLLER, ГИС, AVL, HARD DRIVE.
1.Общие сведения о бульдозерах
1.1 Внешний вид
Рис1.1 изображение внешнего вида бульдозера
Рис.1.2 Схематическое изображение внешнего вида
.2 Назначение и классификация
Бульдозером называется землеройная машина, состоящая из
базового тягача и бульдозерного (навесного) оборудования, предназначенная для
резания и перемещения грунта, а также для планировки разрабатываемой
поверхности.
Бульдозеры выполняют следующие работы: разработку и
перемещение грунтов, планировку участков, разравнивание грунта, отсыпаемого
другими машинами; возведение насыпей и разработку грунта, отсыпаемого другими
машинами; возведение насыпей и разработку выемок при сооружении автомобильных и
железных дорог, при устройстве каналов и пр.; засыпку рвов, каналов,
водопроводных, канализационных и других траншей; обслуживание складов песка, щебня,
камня и т. п.; расчистку территорий от снега, камней, пней, деревьев,
строительного мусора; толкание скреперов в процессе их загрузки.
Для большинства современных гусеничных бульдозеров
экономически выгодная дальность перемещений грунта в настоящее время не
превышает 60-80 м, для колесных она 100-150 м.
Бульдозеры классифицируют: - по назначению - на бульдозеры
общего назначения, приспособленные для работ в различных грунтовых условиях и
при умеренной температуре (от -40°С до +40°С), и на бульдозеры специального
назначения, предназначенные для выполнения специальных работ в карьерах и т. п.
при температурах от-60° С до+60° С; - по типу движетеля базовой машины - на
гусеничные и колесные; - по продольной оси базовой машины, поворотные отвалы
под углом до 60° в плане (в обе стороны) продольной оси машины и до 10-12° к
вертикальной оси.
Поворотный отвал присоединяется к раме шаровой пятой и двумя
штангами, с помощью которых можно изменять угол установки отвала в двух
плоскостях относительно толкающей рамы.
Бульдозеры, имеющие неповоротный отвал, перемещают грунт
только вперед перед отвалом, в то время как универсальные (с поворотным
отвалом) могут перемещать грунт как перед собой, так и в обе стороны, что
позволяет засыпать траншеи и разрабатывать уступы.
За последние годы в практику внедряются бульдозеры с активным
рабочим органом, имеющим повторно-взрывное устройство.
Разрабатываемый грунт разрыхляется и отбрасывается с отвала
потоком газов, образующихся при сгорании в специальной камере рабочей смеси -
бензина (или дизельного топлива) и воздуха. Бульдозер со взрывной камерой в
грунтах средней крепости развивает производительность в 20 раз большую по
сравнению с обычными бульдозерами.
На энергоемкость процесса формирования призмы волочения и
перемещения грунта влияет геометрия отвала. На рис. 62 представлена схема
построения профиля отвала и приведены значения основных его параметров.
Чем меньше угол резания у, тем меньше энергоемкость процесса
резания грунта. Однако угол резания у нельзя устанавливать меньше 50°, так как
для нормальной работы отвала обязательно, чтобы задний угол был не меньше 30°.
Такая величина заднего угла необходима потому, что при работе бульдозера на
поверхности с резко меняющимися уклонами, отвал может опереться на тыльную
часть. При заднем угле меньше 50° получается незначительный угол заострения,
что влияет на прочность режущей части ножа. Угол р0 между горизонталью и
касательной верхней кромки отвала определяет условия обрушения грунта,
перемещающегося вверх по отвалу. При уменьшении этого угла радиус кривизны
верхнего участка отвала становится меньше, что повышает сопротивление движению
грунта по отвалу и увеличивает нормальную составляющую, под действием которой
грунт прижимается к отвалу.
Угол наклона отвала е0 определяет форму призмы волочения. При
малом угле наклона отвала грунт может пересыпаться через отвал, так как во
многих случаях призма волочения будет выше отвала. С увеличением этого угла
ухудшаются условия движения грунта вверх по отвалу, увеличивается прилипание и
повышается общая энергоемкость. Угол установки козырька влияет на формирование
стружки грунта в верхней части, а также на объем призмы волочения: он
принимается равным 90-100°.
Высота отвала Як с козырьком определяет объем призмы
набираемого на отвал грунта. Длину неповоротного отвала (не менее 50 мм с
каждой стороны) назначают с учетом перекрытия габарита базовой машины по ширине
или наиболее выступающих в стороны элементов толкающей рамы. Длину поворотного
отвала (не менее 50 мм с каждой стороны) выбирают из расчета перекрытия
габарита по ширине базовой машины или толкающей рамы при максимально повернутом
в плане отвале. Высота прямого участка отвала а обычно равна высоте ножа, и
этот участок оказывает значительное влияние на формирование стружки.
На увеличении производительности бульдозеров существенно
сказывается применение открылков, которые крепятся тягами или управляются
гидроцилиндрами из кабины машиниста. С целью сокращения потерь грунта следует
транспортировать его по одному и тому же следу, что способствует образованию по
бокам валиков, предохраняющих от потери грунта при последующих проходах
бульдозера.
Перемещение грунта в траншее также увеличивает
производительность бульдозера, так как потери грунта с призмы волочения при
этом незначительны. При спаренной работе бульдозеров за счет увеличения призмы
волочения производительность бульдозеров увеличивается на 20%. Расстояние между
краями двух отвалов составляет 20-25 мм.
Способ производства работы в значительной степени влияет на
производительность бульдозеров. Так, резание тонкой стружкой применяется при
разработке всех видов грунтов, при резании на подъеме и для грунтов со
значительным сопротивлением резанию. Гребенчатый способ с поперечным
заглублением и выглублением отвала ножа используется при разработке твердых и
пересохших грунтов со средним значением сопротивления резанию. Клиновой способ
с переходом от наибольшего среза к наименьшему применяется при разработке
нескольких грунтов. При подъеме 10% производительность бульдозеров уменьшается
на 40-50% по сравнению с производительностью на горизонтальном участке, а при
работе под уклон производительность повышается.
Технологическая схема работы. Схема работы бульдозеров
определяется характером возводимого сооружения, взаимным расположением мест
разработки и отсыпки грунта, а также местными условиями. Наиболее
употребительной и распространенной схемой разработки грунта является челночная.
Основные виды работ, выполняемые бульдозером: валка деревьев;
снятие растительного слоя и укладка его в валик; перемещение грунта в насыпь из
боковых резервов; перемещение грунта в насыпь из выемки; срезание откосов
глубоких выемок; устройство каналов; засыпка траншей (труб); разравнивание
грунта в насыпи; устройство съездов на крупных спусках, засыпка ям и оврагов;
устройство полувыемки-полунасыпи на косогорах; планировка дна резерва;
планировка площадки; планировка откоса насыпи планировщиком.
Автоматическое управление бульдозером. Рабочий процесс
бульдозеров характеризуется периодическим повторением последовательных технологических
операций копания. Величина сопротивлений, преодолеваемых машиной, изменяется в
широком диапазоне. Копание грунта является самым напряженным циклом, где
наблюдаются резкие колебания нагрузки. Ручное управление бульдозерами связано с
большим напряжением машиниста, так как число переключений рукояток в час может
достигать 1.500-1800, а усилие на каждое переключение составляет в среднем
147,15 Н.
Повышение производительности бульдозеров и облегчение условий
труда машиниста могут быть достигнуты благодаря автоматизации управления
машинами. Основными видами автоматического управления бульдозерами являются:
кнопочное управление рычагами переключения; автоматическое регулирование режима
резания грунта.
За последние годы широкое применение при автоматическом
регулировании работы бульдозера находит комплекс аппаратуры
«Автоплан-П».
Рис.1.2 Схема системы автоматического управления отвалом
бульдозера ДЗ-54 «Автоплан»:
- трубопровод слива в бак;
- трубопроводы подвода жидкости под давление;
- обратный клапан с дросселем;
- трубопровод подачи жидкости под давлением;
- датчик числа оборотов двигателя тахогенератор;
- маятниковый датчик углового положения;
- пульт управления;
- блок перегрузки;
- блок управления;
- аккумулятор;
- реверсивный электрозолотник;
- дренажный трубопровод
Тахогенератор устанавливают на двигателе, и при снижении
числа оборотов двигателя до номинального в блок управления поступает сигнал о
перегрузке, после чего отвал бульдозера автоматически выглубляется на некоторую
высоту. Датчик ДУП-Р является датчиком углового положения и устанавливается или
на толкающем брусе или на отвале. Основным узлом в датчике углового перемещения
является маятник, который при изменении положения отвала дает сигнал в обмотку потенциометра.
Блок управления типа БУП-1, как правило, устанавливают в кабине машиниста и с
помощью одной рукоятки задают уклон, а с помощью другой заглубляют рабочий
орган. Команду на рабочие гидроцилиндры выдает золотник. Электрозолотник типа
ЗСУ-5 управляется электромагнитами, которые переключают плунжер
золотника-пилота, открывая тем самым магистраль маслопровода к рабочим
гидроцилиндрам. На рис. 2.1 представлена система автоматического управления
«Автоплан», который обеспечивает высокое качество работ, а также обеспечивает
автоматический контроль режима двигателя по числу оборотов.
Автоматическая система управления включает: маятниковый
датчик углового положения, установленный на толкающих брусьях вблизи опорного
шарнира, датчик числа оборотов двигателя; пульт управления, блок перегрузки,
блок управления, аккамуляторы, реверсивные золотники, обратный клапан с
дросселем.
На пульте управления угол наклона толкающего бруса определяет
положение режущей кромки ножей на уровне опорной поверхности гусениц. Маятниковый
датчик подает электрический сигнал в блок управления, после чего ток поступает
в соответствующий электрозолотник, соленоид которого перемещает его в нужное
положение и обеспечивает подачу рабочей жидкости в соответствующую полость
гидроцилиндра.
Обратный клапан с дросселем регулирует скорость опускания
отвала при работе автомата.
Применение автоматической системы регулирования рабочим
процессом бульдозера снижает утомляемость машиниста и увеличивает
производительность на 20-25%.
.3 Приемы управления тракторами в различных условиях движения
.3.1 Пуск и остановка двигателя
Пуск дизелей рассматриваемых тракторов осуществляется либо
непосредственно электрическим стартером, либо с использованием дополнительного
бензинового двигателя. Последовательность действий оператора при
непосредственном пуске электростартером следующая: убедившись, что рычаги
переключения передач, гидронавесной системы и вала отбора мощности находятся в
нейтральном положении, включают “массу” аккумуляторной батареи и декомпрессор; переводят
рычаг управления подачей топлива в положение “выключено”; выключают сцепление и
удерживают его в таком положении до пуска дизеля; включают стартер.
Через 3-5 сек. после начала устойчивого вращения коленчатого
вала дизеля, выключают декомпрессор и включают подачу топлива. Как только
дизель начнет работать выключают стартер и включают (медленно) сцепление.
Если дизель в течение 10 сек. после выключения декомпрессора
не запустился, выключают стартер и, после примерно 30 секундного перерыва,
повторяют пуск. Если после 2-3 попыток дизель не запускается необходимо найти и
устранить причину неисправности.
В холодное время перед включением стартера включают свечи
накаливания на 40 - 60 сек. (поворот ключа стартера до первой фиксации).
Для сохранения емкости аккумуляторных батарей рекомендуется
на летний период свечу накаливания отключать, сняв с нее провод и изолировав
наконечник.
Сцепление выключается для облегчения проворачивания
коленчатого вала. При прогретом двигателе и трансмиссии или пуске двигателя в
теплое время сцепление можно не выключать, а декомпрессор не включать.
После запуска дизель прогревают со средней частотой вращения
коленчатого вала.
Пуск дизеля каскадным способом осуществляется в такой
последовательности: открывают краник топливного бака пускового двигателя и
включают “массу”; прикрывают воздушную заслонку карбюратора и включают стартер
на 2 - 3 с выключенным зажиганием (удерживая кнопку в нажатом положении) - для
смазывания кривошипно-шатунного механизма пускового двигателя; включают
зажигание (убрав руку с кнопки выключения) и открывают воздушную заслонку
карбюратора (перемещая рычаг управления от себя), после чего пусковой двигатель
должен запуститься (кнопку включения стартера отпускают). Продолжительность
непрерывной работы электрического стартера при пуске не должна превышать 15 с.
Если двигатель не запустился, следующую попытку делают приблизительно через
минуту. После 3ёх - 4ёх неудачных попыток запустить пусковой двигатель нужно
заняться поиском и устранением неисправности. Прогревают двигатель в течение 2
- 3 мин. с минимальной и номинальной частотами вращения коленчатого вала
(регулируя положение воздушной заслонки с помощью тяги). После прогрева
пусковой двигатель останавливают, вводят в зацепление ведущую шестерню редуктора
с венцом маховика дизеля (нажав ногой на педаль включения); выключают сцепление
редуктора; включают декомпрессор дизеля и переводят рычаг управления подачей
топлива в положение “выключено”; запускают пусковой двигатель и, установив
полную частоту вращения коленчатого вала, плавно включают сцепление; прокрутив
коленчатый вал дизеля в течение 3 - 4 с. выключают декомпрессор и включают
подачу топлива в цилиндры. После пуска дизеля снимают ногу с педали включения
стартерной шестерни (двигатели - пусковой и дизель - разъединяются) и
останавливают пусковой двигатель нажатием кнопки выключения зажигания.
Закрывают краник топливного бака пускового двигателя.
Непрерывная работа пускового двигателя на полной мощности не
должна быть длительной (до 15 мин.), во избежание его перегрева.
При необходимости пусковой двигатель может быть запущен
вручную специальным приспособлением (имеется в комплекте запасных частей).
Прогретый дизель запускается без включения декомпрессора. В
процессе прогрева дизеля включают гидронасос. Нагружают дизель после его
прогрева не менее чем до 40°С.
Для облегчения пуска дизеля в зимнее время года посредством
впрыска легковоспламеняющейся жидкости во впускной коллектор предназначено
пусковое приспособление 5-ПП-40А, которое используется следующим образом:
обесточивают пусковую подогревательную свечу накалывания, для чего снимают
провод, идущий к ней от клеммы дополнительного сопротивления и изолируют его
изоляционной лентой; выполняют штатные операции подготовки дизеля трактора к
пуску, при этом сцепление выключается, а рычаг управления подачей топлива
устанавливается в положение максимальной подачи. открывают крышку смесителя,
устанавливают капсулу с пусковой жидкостью и плотно завинчивают крышку на
смесителе; нажатием на ручку иглы (до упора) прокалывают капсулу и выполняют
2-3 двойных хода ручкой насоса для заполнения системы пусковой жидкостью.
одновременно с включение стартера делают 30-60 двойных качков в минуту (в
зависимости от температуры окружающего воздуха) для подачи пусковой жидкости.
как только дизель запустится выключают стартер, продолжая подачу жидкости до
устойчивой работы дизеля.
При правильном выполнении всех требований надежный пуск
дизеля обеспечивается, с приспособлением, при температурах до минус 25°С.
Остановка двигателя. Для остановки двигателя плавно уменьшают
частоту вращения коленчатого вала до средней, а через несколько минут до
минимальной; выключают подачу топлива в цилиндры (движением рычага управления
топливным насосом и регулятором); выключают “массу”. Нельзя останавливать
двигатель: путем закрывания расходного крана топливного бака; включением
декомпрессионного механизма.
Для экстренной (аварийной) остановки двигателя прекращают
подачу топлива в цилиндры и включают декомпрессионный механизм.
.3.2 Начало движения
Для трогания трактора с места необходимо: уменьшить частоту
вращения коленчатого вала дизеля; выключить сцепление (быстро и до упора нажав
педаль серединой подошвы); удерживая несколько секунд сцепление в выключенном
состоянии включить нужную передачу (если введение в зацепление шестерен не
состоялось вследствие упирания зуба в зуб повторить действия, начиная с
выключения сцепления); рычагом или педалью управления топливным насосом и
регулятором увеличить частоту вращения коленчатого вала дизеля; плавно, без
задержек в промежуточных положениях, уменьшить усилие ноги на педаль сцепления,
включая его (продолжая, при необходимости, увеличивать частоту вращения
коленчатого вала дизеля, чтобы он не остановился при подключении тяговой
нагрузки).
Слишком быстрое включение сцепления может обусловить
остановку двигателя.
При трогании с места трактора на подъеме необходимо: нажать
на педаль или кнопку рычага стояночного тормоза (освобождая его фиксатор).
Выключить сцепление; включить, через несколько секунд, одну из низших передач
(номер передачи зависит от крутизны поверхности); увеличить частоту вращения
коленчатого вала двигателя; одновременно с растормаживанием трактора включать
сцепление (не позволяя трактору скатываться назад).
Трогание трактора на спуске возможно на всех передачах, при
условии, что выбранная передача, в случае необходимости, обеспечивает
торможение двигателем.
.3.3 Изменение скорости движения
В зависимости от технологии выполняемой работы, рельефа
местности, состояния опорной поверхности и т.д. возникает необходимость
изменять скорость движения агрегата (при этом изменяется также тяговое усилие
трактора). Этого достигают: увеличением или уменьшением подачи топлива в
цилиндры двигателя (изменяя частоту вращения коленчатого вала двигателя), переключением
передач (изменяя передаточное число трансмиссии).
В случаях, когда изменить скорость движения (тяговое усилие)
нужно в больших пределах, чем позволяет изменение частоты вращения коленчатого
вала, пользуются переключением передач. Последовательность действий оператора:
выключается сцепление, переключается передача (переводом рычага коробки передач
в иное положение), включается сцепление (плавно). Загруженность двигателя и
необходимость переключения передач определяют таким образом: если после перехода
на высшую передачу из выпускной трубы двигателя исходит черный дым (не сразу),
это свидетельствует о его перегруженности (нужно перейти на более низкую
передачу).
Пользоваться замедленными передачами для увеличения тяговых
усилий запрещается, та как они не рассчитаны на работу под большой нагрузкой
(только для уменьшения скорости движения, то есть технологические).
.3.4. Изменение направления движения
Плавный поворот трактора происходит вследствие плавного
вращения рулевого колеса (обеими руками) в нужном направлении. Нельзя вращать
рулевое колесо: перебиранием рук с одной стороны; одной рукой; за спицы; с
перекрещиванием рук; обеими руками, находящимися в верхней точке рулевого
колеса. Крутой поворот рассматриваемых тракторов осуществляется с использованием
(дополнительно) притормаживания ведущего колеса той стороны, в которую
выполняется поворот (это особенно эффективно на скользкой дороге).
.3.5 Преодоление препятствий типа канавы и бревна
Приближаясь к препятствию, оценивают условия его преодоления
(для этого может быть необходима остановка трактора). Большинство препятствий
преодолевают под прямым углом, что улучшает сцепление колес с грунтом,
уменьшает вероятность заноса и опрокидывания трактора. Движение осуществляется
на низших передачах, в случае пробуксовывания колес используют блокировку
дифференциала.
Для преодоления трактором канавы рекомендуется следующая
последовательность действий оператора: приближаясь к препятствию, включить одну
из низших передач. В момент, когда передняя часть трактора станет опускаться,
уменьшить частоту вращения коленчатого вала двигателя; с момента достижения
колесами дна канавы увеличить подачу топлива (готовя двигатель к преодолению
увеличивающегося сопротивления). Выезд на противоположную стенку канавы нужно
сопровождать увеличением подачи топлива в цилиндры двигателя; с момента
приближения задних колес трактора к канаве указанные действия повторить.
В тех случаях, когда канава имеет крутые стенки, а глубина
достигает (или больше) радиуса меньших колес трактора, для преодоления
препятствия необходим настил.
При преодоления препятствия типа бревна необходимо выполнить
следующие действия: приближаться к препятствию на одной из низших передач до
упора передних колес в бревно. Увеличить подачу топлива и наехать на бревно;
когда колеса окажутся на вершине немедленно уменьшить подачу топлива и, при
необхого спуска; при подходе к препятствию задних колес действия повторить.
.3.6 Движение задним ходом
Движение задним ходом (кратковременное) используется для подъезда
к орудиям и машинам, разворачивания, подачи тракторных средств под погрузку
(разгрузку) или к месту стоянки (хранения).
При наличии у трактора нескольких передач заднего хода
оператор пользуется той, которая обеспечит нужную для данной операции точность
и безопасность движения.
Передачу заднего хода включают только после полной остановки
трактора, последовательность действий аналогична включению передач переднего
хода.
Наблюдать за движением и остановкой рекомендуется через левое
плечо (потребуется меньше физического напряжения). Слухом нужно контролировать
работу двигателя, потому что несвоевременные (ошибочные) действия педалями
сцепления или тормозов могут обусловить его остановку.
Для длительной работы на передачах заднего хода у тракторов
предусмотрено перестановку рулевого управления и сиденья. При этом колеса
меняют местами так, чтобы стрелки на шинах соответствовали основному
направлению движения.
Для улучшения тягово-сцепных свойств тракторов предусмотрено:
регулирование давления воздуха. В шинах имея ввиду, что увеличение давления
снижает тягово-сцепные свойства двигателя, а низшее от допустимого
обуславливает ускоренный его износ; использование всех колес в режиме ведущих
(Т-40АМ, Т-40АНМ); блокирование дифференциала ведущего моста (включают после
выключения сцепления, движение возможно лишь прямолинейно, кратковременно).
Увеличение сцепной силы тяжести (специальными грузами на дисках ведущих колес и
балке переднего моста, механическим догружателем, совмещенным с навесным
механизмом трактора); заполнение камер ведущих колес жидкостью. Могут также
использоваться цепи, которыми обхватываются шины и скрепляются зажимами. Чтобы
цепи не провисали и не повреждали шины перед одеванием снижают давление
воздуха, а после закрепления доводят до нормы.
.3.7 Особенности управления тракторными транспортными
агрегатами
При подготовке трактора к работе в составе транспортного
средства основного внимания требуют: тормозная система, рулевое управление,
сцепное устройство. Присоединение к трактору полуприцепов осуществляется только
посредством гидрофицированного крюка.
При повороте транспортного агрегата прицеп смещается к центру
поворота, то есть движется по кривой меньшего радиуса, чем трактор. Поэтому,
для проезда узкого участка с поворотом, например влево, трактор нужно вести к
правому краю.
Рабочее торможение движения трактора может производиться:
- тормозами с отключенным двигателем;
- двигателем, уменьшая частоту вращения коленчатого вала не
выключая сцепление;
- комбинированно.
По первому способу действия оператора следующие: уменьшить
подачу топлива в цилиндры двигателя и одновременно выключить сцепление; плавно
нажать на сблокированные педали тормозов, уменьшая скорость движения до
требуемой или до полной остановки трактора (агрегата).
Второй способ наиболее эффективен во время движения по
скользкой дороге, на спусках. В связи с тем, что торможение двигателем не
бывает резким и тормозное усилие передается на левое и правое колеса
равномерно, таким способом предупреждается занос.
Третьим способом пользуются в тех случаях, когда нужного
тормозного усилия для быстрого снижения скорости трактора (или его остановки) с
помощью торможения двигателем получить невозможно (особенно на крутых спусках).
Действия оператора в этом случае следующие: снизить подачу топлива в цилиндры
двигателя; не выключая сцепление, плавно нажать на сблокированные педали
тормозов. При этом внимательно нужно следить за частотой вращения коленчатого
вала двигателя: когда она снизится до минимальной выключить сцепление (чтобы не
остановился двигатель); удерживая педали сцепления и тормозов выключить
передачу; отпустить педали сцепления и тормозов. Этим способом пользуются также
для экстренной остановки агрегата.
Движение горными дорогами. Приближаясь к подъему, оценивают
его крутизну и длину, мощность двигателя трактора, сцепление колес с
поверхностью дороги с той целью, чтобы выбрать такую передачу, на которой
удастся преодолеть весь подъем без остановок.
При спуске выбирают такую передачу, на которой можно было бы
двигаться в обратном направлении (на подъем) Движение на спуске с выключенной
передачей запрещается (вследствие невозможности удержания агрегата от разгона и
потери управляемости). Для надежного удержания агрегата на подъеме или спуске
дополнительно к стояночному тормозу включают одну из низших передач (на подъеме
переднего хода, на спуске заднего).
Особые условия движения. Преодолевая реку по дну, необходимо
двигаться равномерно, прямолинейно, без остановок, на одной из низших передач.
При переправе по льду (если его толщина превышает 0,1 м) обе двери кабины
должны быть открытыми, в кабине один человек (оператор), скорость постоянная. В
условиях бездорожья движение должно быть со скоростью меньшей, чем в обычных
условиях, без резких изменений скорости и направления движения, торможение
производится двигателем или комбинированным способом, нельзя использовать
движение накатом. Запрещается движение транспортного агрегата ночью при
неисправном освещении (сигнализации).
Буксировка. Буксировка тракторов (как исключение) производится
с помощью гибкой (трос длиной 4-6 м) или жесткой (штанга металлическая
диаметром 75-100 мм, длиной 1,5-4 м) сцепки.
Мощность и масса буксировщика должны быть больше или
одинаковы с буксируемым.
На гибкой сцепке можно буксировать трактор с действующими
тормозами, рулевым управлением, освещением. В горной местности буксирование на
гибкой сцепке запрещается.
При неисправной тормозной системе трактора его буксируют на
жесткой сцепке (должно быть исправным рулевое управление и сигнализация).
2. Принципы построения многоканальных систем
Многоканальные системы по принципу построения делятся на
системы:
1) Системы с временным разделением каналов.
2) Системы с частотным разделением каналов
) Системы с кодовым разделением каналов.
.1 Принципы построения систем с временным разделением каналов
Временное разделение каналов в телеметрической системе
осуществляется путём последовательного подключения канальных датчиков к
передающему устройству. Каждому каналу отведён свой временной интервал, в
течении которого передаётся информация только от одного датчика. Следующий
канал будет подключён лишь после того, как отключится предыдущий. Поскольку
каждый канал «опрашивается» короткое время, напряжения датчиков преобразуются в
последовательность импульсов, в которых тем или иным образом заложена исходная
информация.
Существуют два способа подключения каналов к передатчику.
Первый заключается в том, что каждый датчик «опрашивается» периодически, а
переход от одного датчика к другому происходит в строго заданной очерёдности.
Системы с таким способом опроса занимают в настоящее время доминирующее
положение и называются синхронными или циклическими.
Рис 2.1 Блок схема синхронной системы с временным разделением
сигналов
Датчики различных каналов подключены к ламелям коммутирующего
устройства, которое производит их поочерёдный опрос. На выходе коммутатора
появляется последовательность импульсов, амплитуды которых равны напряжениям
соответствующих датчиков в момент их опроса, т.е коммутатор совершает операцию
АИМ (амплитудно-импульсная модуляция). Длительность импульсов равна времени
пребывания ротора является длительностью кадра и периодом опроса датчиков.
Импульсы с коммутатора поступают в передатчик, где они
модулируют несущее колебание. Высокочастотный сигнал излучается передающей
антенной и принимается приёмным устройством, которое осуществляет
детектирование несущей. Последовательность импульсов с выхода приёмника
поступает в разделитель каналов. Здесь происходит определение номера канала, к
которому относится каждый начальный импульс ,и распределение импульсов по
соответствующим регистрирующим устройствам. Для безошибочного разделения
каналов в последовательности канальных импульсов, имеются специальные
синхронизирующие кадровые импульсы, отмечающие начало или конец каждого кадра.
Они выделяются селектором кадровых импульсов, и по временному положению
информационного импульса относительно начала кадра определяется номер канала.
На регистрирующее устройство канала поступает по одному импульсу в течении
каждого кадра. Возможна регистрация сообщений без предварительного разделения.
В этом случае номер канала определяется по тому или иному признаку.
В приведённом примере операция опроса каналов и модуляция
амплитуд канальных импульсов в соответствии с предварительным сообщением
осуществляется коммутирующим устройством. А вообще коммутация датчиков и
импульсная модуляция происходит в различных устройствах. При этом модулятор
импульсной поднесущей управляет каким-либо параметром одной из импульсных
последовательностей, отличающихся друг от друга сдвигом по времени.
.2 Принципы построения систем с частотным разделением каналов
РТС с частотным разделением каналов - это много канальная
система, в которой каждое передаваемое сообщение модулирует собственное
поднесущее колебание, отличающееся то других частотой. Таким образом, признаком
канала в такой системе является величина поднесущей частоты.
Блок схема системы с частотным разделением каналов
представлена на рисунке 2.2. На выходы каналов поступают измеряемые величины,
которые преобразуются датчиками в форму, удобную для дальнейшей передачи. С
выходов датчиков сообщения подаются на начальные модуляторы, в которых
колебания поднесущих частот модулируются тем или иным образом. Для устранения
кратных гармоник и комбинационных частот полученные сигналы пропускаются через
канальные фильтры настроенные на соответствующие поднесущие частоты. Затем
напряжения всех каналов складываются в сумматоре и модулируют несущую частоты
передатчика.
В приёмном устройстве производится демодуляция принятых
сигналов и разделение сообщений по каналам. Разделительный фильтр каждого
канала селектирует колебание только своей поднесущей частоты, которое затем
демонтируется детектором поднесущей. На выход каждого канала обычно ставится НЧ
фильтр, который отфильтровывает колебания поднесущей частоты и её гармоник, а
также уменьшает уровень помех от остальных каналов или шумов. Выходные сигналы
регистрируются.
Рис 2.2 Блок-схема РТС с частотным разделением каналов
РТС с частотным разделением каналов применяются в качестве
систем средней эффективности, т.е. передающих быстро изменяющуюся информацию
(до 500 Гц) по небольшому числу каналов ( до 20 ). Система с ИРК - система с
непрерывными поднесущими.
Важные преимущества систем с ИРК - их большая надёжность и
удобство в эксплуатации, обусловленные следующими причинами.
Во-первых, за исключением небольшого числа надежных общих
узлов (источников питания передатчика и др.), каналы системы являются
независимыми и выход из строя одного из них, не влечёт за собой неисправность
других.
Во-вторых, очень удобно записывать выходные сигналы с ЧМ
поднесущих магнитофонами (до их демодуляции). Это даёт возможность стандартизировать
телеметрическую аппаратуру.
Однако системам с ИРК присущ и ряд недостатков. Например
система с ИМ - ЧМ имеет большую по сравнению с лучшими типами систем с
временным разделением каналов функциональную ошибку. В этих системах могут
оказаться вредными микрофонные помехи, возникающие при тряске и вибрациях
бортовой аппаратуры. Серьёзный недостаток систем с ИРК обязательная
стабилизация частот генераторов поднесущих.
.3 Принципы построения систем с кодовым разделением каналов
При кодовом разделении каналов так же, как и при временном,
производится передача информации в различных каналах в дискретные моменты
времени ( моменты опроса ). Сигнал каждого канала состоит из 2-х частей (рис
2.3) адреса и результаты измерения.
Рис 2.3.1 Общая структура сигнала а РТС с кодовым разделением
каналов.
Адрес содержит информацию о номере канала, которому
принадлежит данный сигнал, а результат измерения величине сигнала в канале в
момент опроса. Адрес обычно передаётся в цифровой форме - кодом, а результат
измерения - и в цифровой, и в аналоговой форме. Сигналы различных каналов
передаются в различные моменты времени в любом прядке, который может изменятся
в процессе передачи.
Рис.2.3.2 Блок - схема РТС с КРК для цифрового метода
На рис.2.3.2 приведена блок - схема РТС с КРК для передачи
результатов измерений цифровым методом. На схеме показаны устройства
кодирования адресной части сигнала (код адреса) и результатов измерения (код
измерения), ключевые элементы К и источники информации (датчики) ИИ.
Распределитель на передающей стороне определяет очерёдность
передачи сигналов различных каналов. Импульсы, формируемые поочерёдно в его
цепях 1,2,…,n
подаются на схему формирования кода адреса, а импульсы цепей подаются на схемы
К, последовательно замыкая их. Сигналы соответствующих источников информации
поступают на кодирующее устройство результатов измерения. С выхода кодирующих
устройств пары состыкованных кодов под адреса и кодов результата измерения -
поступают на передатчик. На приёмной стороне видеосигналы подаются на
декодирующее устройство (декод. адрес), которое опознает, какому каналу
принадлежит переданный адрес, и подаёт импульс, коммутирующий соответствующий
ключ К. Код результата измерения проходит на преобразователь Пр, преобразующий
потушенный код в удобную для регистрации форму.
Схема такого типа может использоваться и в том случае, если
результат измерения передаётся аналоговым методом. В этом случае в передающей
части схемы вместо устройства нужно поставить модулятор импульсной поднесущей,
а в приемной части задачу преобразователей Пр, будут выполнять соответствующие
демодуляторы.
Произвольный порядок выборки информации делает РТС с кодовым
разделением каналов более гибкой, и на этой основе становится возможным
построение адаптивных РТС. Кроме того, если в РТС с временным разделением
каналов в результате сбоя синхронизации будет не правильно принят (или вообще
не принят) весь кадр (т.е. информация от всех каналов). То при кодовом разделении
в результате подавления или искажения кода будет опушена ошибка при приёме
информации только от одного или нескольких каналов.
В рассматриваемой РТС для передачи информации от каждого
канала необходимо передавать его адрес. Поскольку в каждый момент передаётся
сигнал только от одного канала, то во избежание потерь информации длительность
импульсов кода должна быть малой.
Для устранения этих затруднений передавать сигналы надо от
различных каналов одновременно: при этом предварительные комбинации импульсов
адресов различных каналов в некоторых случаях могут образовать ложный адрес.
3. Общие характеристики спутниковых
радионавигационных систем.
В системах диспетчеризации, в зависимости
от их роли и масштабов применения, важную роль может сыграть использование
глобальных систем спутниковой связи. Небольшой обзор наиболее развитых,
функционирующих и доступных на сегодняшний день решений покажет
целесообразность выбора каждой системы в определенных случаях.
Следует учесть, что сегодня сотовой связью
охвачено лишь 20% суши, на остальных 80% действует только мобильная спутниковая
связь. Ее представляют на рынке несколько мобильных глобальных спутниковых
систем, а также системы, которые пока еще не стали глобальными, но в скором
времени таковыми станут в силу расширения парка работающих в них спутников.
Основные представители этого рынка -
"Инмарсат", "Иридиум", "Глобалстар",
"Турайя". Рассмотрим каждую из этих систем в отдельности.
.1 Орбитальная система Irndium.
"Иридиум" (Iridium) - низкоорбитальная
система, обеспечивающая действительно глобальное (100%) покрытие земной
поверхности. Ее коммерческая эксплуатация началась в ноябре 1998 года, но в
марте 2000 года система прекратила обслуживание абонентов ввиду банкротства.
Через год, в марте 2001 года, коммерческая эксплуатация была возобновлена.
Основным фактором, повлиявшим на возобновление эксплуатации системы, стал
контракт на обслуживание 20 тыс. спутниковых телефонов и 5 тыс. пейджеров
Пентагона и Правительства США, заключенный с американским военным ведомством
сроком на 3 года. Стоимость контракта 3 млн. долл. в месяц дает все шансы
системе на выживание и развитие.
Основные характеристики системы "Иридиум" даны в
таблице 3.1.1
Таблица 3.1.1 - Характеристики системы "Иридиум"
|
Количество основных спутников
|
66
|
|
Количество запасных спутников
|
6
|
|
Срок службы спутников на орбите, лет
|
5-8
|
|
Высота орбиты, км
|
780
|
|
Орбитальный период
|
120 мин, 28 сек.
|
|
Вес спутника, кг
|
700
|
|
Количество зональных лучей
|
48/спутник
|
|
Частоты связи:
|
|
|
телефон "Иридиум" - спутник, МГц
|
1616-1626,5
|
|
спутник- телефон "Иридиум'Упейджер, МГц
|
1616-1626,5
|
|
спутник - спутник, ГГц
|
23,18-23,38
|
|
спутник - наземная станция сопряжения, ГГц
|
19,4-19,6
|
|
наземная станция сопряжения - спутник, ГГц
|
29,1-29,3
|
Терминалы системы подразделяются на
портативные, судовые и авиационные.
Портативные терминалы представлены
телефонами-трубками производства компании "Моторола", они
обеспечивают голосовую связь и передачу данных на скоростях 2,4 или 10 Кбит/с.
Внешне терминалы напоминают сотовые телефоны первого поколения и весят около
400 г.
Судовой терминал имеет небольшие размеры и
вес, устанавливается практически на все виды судов.
Авиационные терминалы производятся
компаниями Honeywell и Icarus Instruments. Успешно прошел испытания на самолете F-16 при скорости 2М
терминал первого производителя - AirSat 1. Он состоит из антенны и приемопередающего
блока, имеет небольшие размеры и вес около 7,5 кг.
Пейджеры системы "Иридиум"
обеспечивают прием сигнала в любой точке земной поверхности и, в отличие от
трубок, работают внутри не экранированных зданий. Пейджеры пользуются
популярностью, несмотря на ограничения для сообщений по количеству знаков (до
120) и по частоте их передачи (не более 5-ти в течение 10 минут).
Достоинства системы "Иридиум":
1
100%
покрытия земной поверхности;
2
низкая
зависимость от наземных сетей благодаря межспутниковым связям;
3
предоставление
услуг глобального спутникового пейджинга - единственная система в мире;
4
малогабаритное
и легкое оборудование;
5
работа
терминалов в режимах GSM, CDMA, AMPS, N-AMPS.
Недостатки:
6
невозможность
работы телефонов-трубок в помещении;
• низкая скорость передачи данных и
доступа в Интернет и к электронной почте;
• отсутствие услуг факсимильной
связи.
Перспективы развития:
7
выход
на авиационный рынок передачи голоса и данных для обеспечения безопасности
полетов;
8
внедрение
услуги твейджинга (двухстороннего пейджинга).
3.2 Система Globalstar
Глобалстар" (Globalstar) - относительно молодая система
глобальной мобильной спутниковой связи. Она успела наделать шума на рынке
своими ошибочными прогнозами в количестве абонентов. За «псевдоглобальность»
получила на Западе второе название - "Локалстар" (Localstar). Несмотря на то, что 48
спутников обеспечивают покрытие около 80% поверхности земли, связь в системе в
основном региональная, что обусловлено самостоятельностью станций сопряжения и
отсутствием у большинства из них каких-либо роуминговых соглашений. Это
означает, что телефон, приобретенный в России, не будет работать в Америке, а
телефон, купленный там, не будет работать в нашей стране, хотя в обоих случаях
телефоны будут находиться в зоне действия спутников.
Телефоны-трубки имеют размеры и вес,
близкие к трубкам, работающим в системе "Иридиум", и помимо
спутникового режима действуют в стандартах GSM, CDMA, AMPS.
Достоинства системы Глобалстар":
9
технология
CDMA;
10
малогабаритное
и легкое оборудование;
11
простота
замены/добавления оборудования на наземных станциях сопряжения при внедрении
новой услуги;
12
работа
терминалов в режимах GSM, CDMA, AMPS.
Недостатки:
13
система
находится на грани банкротства;
14
невозможность
работы телефонов-трубок в помещении;
15
низкая
скорость передачи данных и доступа в Интернет и к электроннойпочте.
Таблица 3.2.1 - Основные характеристики
системы "Глобалстар"
|
Количество основных спутников
|
48
|
|
Количество запасных спутников
|
4
|
|
Срок службы спутников на орбите, лет
|
7,5
|
|
Высота орбиты, км
|
1414
|
|
Орбитальный период
|
100 мин. 28 с
|
|
Вес спутника, кг
|
450
|
|
Количество зональных лучей
|
48/спутник
|
|
Частоты связи:
|
|
|
телефон "Глобастар" - спутник, МГц
|
1610-1625,5
|
|
спутник- телефон "Глобастар", МГц
|
2483,5-2500
|
|
спутник - спутник, МГц
|
23,18-23,38
|
|
спутник - наземная станция сопряжения, МГц
|
6875-7055
|
|
наземная станция сопряжения - спутник, ГГц
|
5091-5250
|
3.3 Сателитная система Thuraya.
"Турайя" (Thuraya) - арабская зональная
региональная система мобильной спутниковой связи. Первый спутник был запущен 21
октября 2001 года. Как и "Инмарсат", система "Турайя"
использует для своих спутников геостационарную орбиту, однако применяемый
современный спутник позволил существенно уменьшить размер и вес терминалов до
практически сотовых размеров.
Карта текущего глобального покрытия
системы "Thuraya" после запуска второго спутника зона охвата покроет
практически всю Россию. Дальнейшее развитие системы зависит от успеха ее
работы. Перечень услуг системы включает: голосовую и факсимильную связь,
передачу данных на скорости 9,6 Кбит/с.
Основные характеристики системы даны в таблице 1.3.1.
Таблица 3.3.1 - Основные характеристики
системы "Турайя"
|
Количество основных спутников
|
1
|
|
Количество запасных спутников ^
|
0
|
|
Срок службы спутников на орбите, лет
|
12-15
|
|
Высота орбиты, км
|
36000
|
|
Вес спутника, кг
|
3200
|
|
Количество зональных лучей
|
250-300/спутник
|
|
Частоты связи:
|
|
|
телефон "Турайа" - спутник, МГц
|
1626,5-1660,5
|
|
спутник- телефон "Турайа", МГц
|
1525-1559
|
|
спутник - спутник, МГц
|
23,18-23,38
|
|
спутник - наземная станция сопряжения, МГц
|
6425-6725
|
|
наземная станция сопряжения - спутник, ГГц
|
3400-3625
|
Телефоны-трубки, используемые в этой системе, производятся
компаниями Ascom и Hughes. Сегодня это самые малогабаритные терминалы, работающие с
геостационарным спутником.
Достоинства системы "Турайя":
1
небольшой
размер и вес телефонов;
2
встроенный
приемник GPS;
3
работа
в режиме GSM.
Недостатки:
4
невозможность
работы в помещении;
5
отсутствие
глобального покрытия;
6
необходимость
позиционирования оборудования в северных широтах.
Перспективы развития:
• увеличение
зоны охвата за счет запуска дополнительных спутников.
.4 Система позиционирования и передачи
данных Inmarsat.
Система "Инмарсат" (Inmarsat -International Mobile Satellite Organization), основанная в 1979
году, на сегодняшний день остается несомненным лидером в данной области.
Спутники "Инмарсат" работают на геостационарной орбите, а около 30
береговых станций связи используются для сопряжения с существующими наземными
сетями. Система обеспечивает покрытие 98% земной поверхности, а 8 основных и 1
запасной спутник имеют огромный запас емкости, что гарантирует круглосуточную и
устойчивую связь независимо от внешних условий.
Благодаря вышеперечисленным причинам по международным
требованиям ГМССБ система "Инмарсат" принята в качестве обязательной
для установки на морские суда.
Основные характеристики системы даны в таблице 3.4.1.
Таблица 3.4.1 - Основные характеристики
системы "Инмарсат".
|
Количество основных спутников
|
4+4
|
|
Количество запасных спутников
|
1
|
|
Срок службы спутников на орбите
|
10 лет
|
|
Высота орбиты, км
|
35600
|
|
Количество зональных лучей
|
1+7/спутник
|
|
Частоты связи:
|
|
|
терминал - спутник, МГц
|
1626,5-1660,5
|
|
спутник-терминал, МГц
|
1525,0-1559,0
|
|
спутник - береговая станция, ГГц
|
3,6
|
|
береговая станция - спутник, ГГц
|
6,4
|
Количество услуг, предоставляемых
системой, настолько велико, что она подразделяется на стандарты. Самые массовые
на сегодняшний день - "Inmarsat-C", "Inmarsat-phone mini-M" и "Inmarsat-GAN" (бывший "Inmarsat-M4"), а также одна из
последних разработок - Inmarsat D (D+).
"Inmarsat-C" обеспечивает
прием-передачу низкоскоростных данных, работу в приложениях SCADA, а также определение
местоположения движущихся объектов.
"Inmarsat-phone mini-M" обеспечивает
голосовую связь, факс и передачу данных (2,4 Кбит/с), доступ в Интернет и к
электронной почте. Терминал имеет размеры и вес менее стандартного
"ноутбука".
"Inmarsat-GAN" уникален,
поскольку предоставляет полный набор услуг: "Inmarsat-phone mini-M", а также услуги ISDN, доступ в Интернет и к
электронной почте на скорости 64 Кбит/сек. Введенная услуга пакетной передачи
данных (MPDS-Mobile Packet Data Service) позволяет постоянно находиться в режиме "on-line", но платить не за
время нахождения в сети, а за переданный/принятый объем информации. Несмотря на
то, что услуга появилась сравнительно недавно, уже разработаны терминалы не
только для портативного применения, но и для установки на транспортные средства
и речные морские суда.
Односторонняя (Inmarsat-D) и двухсторонняя a(Inmarsat-D+) связь для передачи
коротких сообщений объемом до 138 знаков, используя терминал размером с
кассетный плейер. При цене $700, терминалы стандарта Inmarsat-D являются самыми дешевыми
и компактными терминалами спутниковой связи. Идеальное средство для передачи
короткой информации нескольким абонентам одновременно.
Достоинства "Inmarsat":
1
полный
спектр телекоммуникационных услуг для всех рынков, включая авиационный и
морской;
2
уникальные
услуги ISDN и MPDS;
3
гарантированное
качество и надежность связи;
4
невозможность
банкротства системы, т. к. акционерами системы являются 86 стран-участниц.
Недостатки:
5
относительно
габаритное оборудование;
6
отсутствие
покрытия в приполярных районах;
7
необходимость
позиционирования оборудования, не оснащенного самонаводящимися антеннами.
Перспективы развития: внедрение стандарта "Inmarsat B-GAN", обеспечивающего
передачу данных на скоростях до 432 Кбит/с.
Наиболее известными системами спутниковой
радионавигации являются американская система GPS (известная также как
"NAVSTAR" - NAVigation System using Timing And Ranging) и российская
ГЛОНАСС" (ГЛОбальная НАвигационная Спутниковая Система). Системы состоят
из космического сегмента - 24-х орбитальных спутников, наземного сегмента
управления - станции слежения и пользовательского сегмента - приемников GPS. Эти системы
первоначально были запущены в военных целях, но впоследствии открыты для
коммерческого использования. Принципы pаботы двух систем аналогичны, за исключением
рабочих частот и метода разделения каналов.
Среди широкого круга пользователей
приемники "ГЛОНАСС" распространения не получили ввиду свойственной
нам консервативности по вопросам конверсии и наследственной
"шпиономании" от железного занавеса, что повлекло за собой потерю
многомиллионных прибылей нашим ВПК и потерю финансирования содержания системы.
Но в настоящее время рядом изготовителей GPS-приемников
разрабатываются и выпускаются комбинированные приборы GPS/ГЛОНАСС, что существенно
повышает их надежность и точность измерений координат.
Определение местоположения с помощью
других спутниковых навигационных систем, Наряду с GPS и ГЛОНАСС системы Omnitracs и Euteltrocs. В них используется
метод ASPR (Automatic Satellite Position Reporting) предложенный компанией Qualcomm. С помощью специального
навигационного спутника осуществляется определение координат пользователя.
Центральная станция передает информационные сигналы через связной спутник, а
контрольные (навигационные) сигналы - через второй спутник.
Таблица 3.5.1 - Сравнительная
характеристика Глонасс и GPS
|
Характеристика
|
Glonass
|
GPS
|
|
Количество спутников
|
24
|
24
|
|
Высота орбиты, км
|
20000
|
19110
|
|
Срок активного существования, лет
|
7,5
|
3
|
|
Диапазоны частот, МГц
|
1227,6-1575,42
|
1602,56-1615,50
|
|
Способ разделения каналов
|
Кодовый
|
Частотный
|
|
Точность, м
|
100
|
60
|
Избирательный Доступ (Selective
Availability или S/A) - отключен 1 мая 2000 года.
3.5.1 Глобальная навигационная спутниковая
система ГЛОНАСС
Среднеорбитальная, спутниковая
навигационная система "Глонасс" предназначена для определения
координат места и составляющих вектора скорости потребителей в любой точке
Земли, околоземного и космического пространства в любое время года и суток.
Состав системы - 24 КА, находящихся в трех
орбитальных плоскостях с углом наклонения 64,8, на высоте 19100 км.
Способ разделения сигналов, излучаемых
различными спутниками системы ГЛОНАСС, - частотный. Сигналы спутников
идентифицируются по значению номинала их несущей частоты, лежащей в отведенной
полосе частот. Предусмотрены две частотные полосы в диапазонах L1 и L2. Частотная полоса в
диапазоне L1
составляет 1602,5625... 1615,5000 Мгц, а частотная полоса в диапазоне L2 составляет 1246,4375...
1,9375. Каждый спутник излучает радиосигналы в обоих диапазонах для реализации
двухчастотного способа исключения ионосферной погрешности измерения
навигационных параметров. Для массовых потребителей система ГЛОНАСС все
спутники излучают радиосигналы, модулированные дальномерным кодом и служебной
информацией, только в диапазоне L1 (общедоступный сигнал). Наряду с этим в диапазонах L1 и L2 передаются
радиосигналы, модулированные специальным кодом (аналогичным коду Р системы GPS), не предназначенные для
международного использования.
Система обеспечивает определение
параметров со среднеквадратической погрешностью (СКП):
1
плановых
координат - 20 м;
2
высоты
- 25 м;
3
составляющих
вектора скорости -0,05 м/с;
4
времени
- 0,33 мкс.
В порядке развития разрабатывается система
ГЛОНАСС-М следующего поколения с более высокими тактико-техническими
характеристиками.
Системой, аналогичной ГЛОНАСС, является американская система GPS.
3.5.2 Глобальная система местоопределения GPS (США)
Первый спутник был помещен на орбиту 22
февраля 1978 г., а в настоящее время имеется 28 рабочих спутников на высоте 20
180 км на 6 различных орбитах. Их орбиты отклоняются на 55 ° к экватору, при
этом последние 4 спутника обеспечивают радиосвязь с любой точкой планеты.
Орбита каждого спутника Земли составляет примерно 12 часов, и он имеет 4
атомных синхронизатора на плате.
Имеет построение, аналогичное построению
системы ГЛОНАСС. Система включает 24 КА, расположенных в шести плоскостях и
разнесенных по экватору через 60 градусов. Наклон круговых орбит к плоскости
экватора составляет 55 градусов, а высота орбиты примерно 20000 км. Излучает
псевдошумовые сигналы на двух частотах: (L1) 1575,42 МГц и (L2) 1227,60 МГц.
Используется кодовое разделение сигналов КА.
Точный (Р) сигнал на частотах (L1) и (L2), предоставляемый
военным и некоторым гражданским потребителям США и их союзникам, имеет точность
11 м. по координатам, 14 м. по высоте и 36-50 нс. по времени. Этот сигнал может
дополнительно кодироваться (закрываться) и тогда он имеет обозначение P(Y). Общедоступный сигнал (C/А) на частоте L1 стандартной точности
специально заглублен и обеспечивает определение координат со значительно худшей
точностью, составляющей по координатам 35-50 м., по высоте 70-80 м. и по
времени 140-170 нс.
Для работы по этим системам разработана
аппаратура потребителей: АСН-21М, Бриз-К, Бриз-Н,"Геодезист",
"Интер-А", МРК-17ПВ, СНС-2, СНС-3, СНС-3301, ,СН-3700, НСИ-2000 и
станция мониторинга "Мониторинг-01".
Системы ГЛОНАСС и GPS планируются быть
основными средствами радионавигационного обеспечения всех групп потребителей
для государств - участников Содружества.
В Европе принято решение о создании гражданской спутниковой
навигационной системы ГАЛИЛЕО. Российская Федерация является участником работ
по проекту.
Выводы.
Таким образом, для данного проекта лучше всего подходит
система GPS:
· Простота реализации приемников и радиоэлектронных
компонент в частности;
· Широкое распространение данной системы и
ее сервисов;
· Покрытие всего Земного шара за исключением
полюсов;
· Возможность совместимости с другими
системами, в частности системой ГЛОНАСС;
· Малые размеры приемных антенн и
обрабатывающих блоков.
· Общедоступность информации о системе
· Простота и дешевизна в использовании;
· Большие инвестиции в системе, что
гарантирует ее стабильную работу на протяжении ближайших десяти лет;
· Отмена селективного доступа в 2000 году,
что значительно повысило точность определения местоположения объектов.
В следующем разделе приводится описание основных принципов и
методов, положенных в основу построения данной системы глобального
позиционирования.
4. Методы постановки системы GPS
.1 Принципы GPS.
В основе работы системы GPS лежит:
спутниковая
трилатерация (на ней базируется работа системы);
· спутниковая дальнометрия
(измерение расстояний до спутников);
· точная временная привязка
(высокоточная синхронизация отсчета времени в системе спутники-приемники);
· точное положение
спутников в космосе;
· коррекция ошибок,
вносимых задержкой радиосигнала спутника в ионосфере и тропосфере.
Спутниковая трилатерация предполагает, что
точные координаты любой точки на поверхности Земли могут быть вычислены путем
измерений расстояний от группы спутников, если их положение в космосе известно.
Используя Систему Глобального
Позиционирования ( GPS процесс используется для определения координат в любой точке
мира), следующие два значения определяют точку на Земле:
.Первое - точное расположение( координаты
долготы, широты и высоты) обеспечивается в диапазоне от 20 м до приблизительно
1 мм.
.Прецизионное время (UTC), его точность лежит в
диапазоне от 60 нс до примерно 5 нс.
Скорость и направление движения можно получить из этих
координат. Значения координат и времени определяются посредством 28 спутников
Земли.
GPS приемники используются
для позиционирования, навигации, наблюдения и определения времени как частными
лицами ( любителями горных лыж, воздушных шаров и т.д.), так и компаниями (для
наблюдения, определения времени, контроля передвижения и т.д.).
Расстояние до спутников определяется по измерениям времени
прохождения радиосигнала от космического аппарата до приемника, умноженным на
скорость света.
Рис. 4.1.1 Основная функция GPS.
Для того чтобы определить время распространения сигнала, нам
необходимо знать, когда он был передан со спутника. Для этого на спутнике и в
приемнике одновременно генерируется одинаковый псевдослучайный код. Каждый
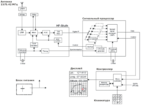
спутник системы GPS передает два радиосигнала: на частоте L1=1575,42 МГц и L2=1227,60 МГц.
Рис.4.1.2 Схема модуляции сигналов системы GPS
Сигнал L1 имеет два дальномерных кода с псевдослучайным шумом (PRN), Р-код и С/А-код.
«Точный», или Р-код, может быть зашифрован для военных целей. «Грубый», или
С/А-код, не зашифрован. Сигнал частоты L2 модулируется только с
Р-кодом. Как видно из вышесказанного, вычисления напрямую зависят от точности
хода часов на спутниках и в приемниках. Код должен генерироваться на спутнике и
в приемнике строго в одно и то же время. На спутниках установлены атомные часы,
имеющие точность около одной наносекунды. Однако это решение является слишком
дорогим, чтобы использовать его в приемниках GPS. Поэтому для устранения
ошибок хода часов приемника используются результаты измерения сигналов от
четвертого спутника. Их можно использовать для устранения ошибок, которые
возникают, если часы на спутнике и в приемнике не синхронизированы. На
основании информации, получаемой со спутников, процессор GPS-приемника производит
расчет собственных координат. В качестве исходных данных используются заранее
известные координаты спутников GPS.
Некоторые источники ошибок, возникающих
при работе GPS, являются трудноустранимыми. Вычисления предполагают, что сигнал
распространяется с непрерывной скоростью, которая равна скорости света. Однако
на практике все обстоит гораздо сложнее. Скорость света является константой
только в вакууме. Когда сигнал проходит через ионосферу и тропосферу, скорость
его распространения уменьшается, что приводит к ошибкам в измерении дальности.
В современных GPS-приемниках используют всевозможные алгоритмы устранения этих
задержек. Иногда возникают ошибки хода атомных часов и отклонения орбит
спутников, но они обычно незначительны и тщательно отслеживаются станциями
слежения. Многолучевая интерференция также вносит ошибки в определение
местоположения с помощью GPS. Это происходит, когда сигнал отражается от
объектов, расположенных на земной поверхности, что создает заметную
интерференцию с сигналами, приходящими непосредственно со спутников.
Специальная техника обработки сигнала и продуманная конструкция антенн
позволяет свести к минимуму этот источник ошибок.
агрегат трактор безопасность
4.2 Основные характеристики приемников GPS
К основным характеристикам приемников
обычно относят следующие параметры:
1
количество
каналов приема;
2
время
навигационных вычислений;
3
скорость
обновления навигационных данных;
4
точность
определения координат и надежность навигационных измерений.
В современных приемниках количество
каналов приема составляет 6-8, что позволяет иметь данные с максимального числа
спутников, наблюдаемых в точке приема. Скорость обновления навигационных данных
обычно ровна 1 с. Различают два режима работы приемника - 2D (двумерное измерение) и
3D (трехмерное измерение), при которых требуется получение полной информации с
3-х или 4-х спутников соответственно. Для определения своих координат требуется
от 2 до 3 мин. Точностные характеристики и надежность вычисления зависят от
вида доступа приемника к кодам. Различают следующие коды:
С/А - общий гражданский код с внесенной
искусственной псевдослучайной ошибкой;
Р - код, точный код (доступен лишь
федеральным службам США и военным ведомствам);
Y - код - шифрованная
версия Р - кода (очень ограниченный доступ).
Таблица 4.2.1 - Характеристики приёмников
при использовании разных кодов
|
Частота приема
|
(L1)1575,4
|
(L2)1227,6
|
|
Длина псевдослучайной последовательности
|
1023
|
Сверхдлинная
|
|
Тактовая частота, МГц
|
1,023
|
10,23
|
|
Точность определения координат
|
100
|
16
|
|
Точность определения скорости, м/с
|
10
|
од
|
|
Точность определения времени, нс
|
340
|
90
|
Основным методом повышения точности
измерения координат является широко известный в радионавигации принцип
дифференциальных измерений. Суть метода заключается в использовании
дополнительного опорного приемника GPS, установленного в пункте с известными
географическими координатами. При сравнении координат, измеренных опорным GPS приемником, с
фактическими происходит вычисление поправок. Полученная от опорной станции
поправка суммируется пользователем с принимаемыми им значениями координат.
Следует отметить, что компенсация погрешностей происходит но дальности не более
чем 500 км от опорной станции, передающей дифференциальные поправки, ввиду
изменения состава одновременно наблюдаемых спутников GPS-приемником пользователя
и опорным приемником GPS. При использовании данного режима можно
скомпенсировать полностью искусственно вносимые погрешности и снизить ошибки
объективного характера. Ошибка определения при этом будет составлять не более 5
м (СКО) для С/А вида доступа.
Таким образом, обе наиболее развитые
сегодня ГНСС могут быть успешно применены. Их можно использовать на равных, в
том числе и объединяя друг с другом. Но, по текущим данным, на сегодняшний день
в системе ГЛОНАСС являются активными 11 спутников, из которых только 8
полноценно функционируют, в то время как система в системе GPS полноценно функционирует
все созвездие спутников, а это позволяет практически всегда и в любой точке
Земного шара определить параметры движения и координаты.
Так, согласно принятым нормативным актам,
система ГЛОНАСС в ближайшее время будет обеспечена средствами для развития и
восстановления, что позволит использовать ее в полную силу через несколько лет,
сейчас же имеет смысл пользоваться системой GPS. Даже учитывая тот факт,
что она принадлежит США, можно не опасаться проблем, связанных с возможными
политическими разногласиями, т.к., согласно конвенциям, США обязуется
предупредить пользователей системы за 5 лет до её отключения или введения
каких-либо ограничений на использование.
5. Основные положения спутникового
позиционирования.
.1 Принцип измерения транзитного времени
сигнала
Какое-то время в течение грозовой ночи мы, несомненно,
пытались понять, как далеко Вы находитесь - по вспышке молнии. Расстояние можно
установить довольно легко: расстояние = момент вспышки молнии (стартовое время)
до появления грома (конечное время), умноженный на скорость звука
(приблизительно 330 м/с.). Разница между стартовым и конечным временем и есть
транзитное время.
Система GPS функционирует согласно такому же принципу. Для
того чтобы вычислить точную позицию, нужно всего лишь измерить транзитное время
сигнала между точкой наблюдения и четырьмя другими спутниками, чьи позиции
известны.
Рис. 5.1.1 Определение расстояния по
вспышке молнии
Расстояние = транзитное время * скорость звука
Система GPS функционирует согласно такому же принципу. Для
того чтобы вычислить точную позицию, нужно всего лишь измерить транзитное время
сигнала между точкой наблюдения и четырьмя другими спутниками, чьи позиции
известны.
.2 Генерация транзитного времени сигнала GPS
спутников, наклоненных к экватору на 55° каждые 11 часов и 58
минут проходят свою орбиту на высоте 20 180 км на 6 различных плоскостях (Рис.
3). Каждый этих спутников имеет до четырех атомных часов на борту. Атомные часы
являются в настоящее время наиболее точным инструментом, теряя максимум одну
секунду каждые 30,000 из 1,000,000 лет. Для того чтобы делать их еще более
точными, делают коррекцию или синхронизацию из различных управляющих точек на
Земле. Каждый спутник передает свою точную позицию и точное время на Землю с
частотой 1575.42 МГц. Эти сигналы передаются со скоростью света (300,000 км/с)
и, следовательно, потребуется приблизительно 67,3 мс для достижения земной
поверхности прямо под спутником. Сигналу необходимо 3,33 на каждый
дополнительный километр. Если Вы хотите установить вашу позицию на земле (или в
море или где-то еще), все, что Вам нужно - точные часы. При сравнении времени
получения спутникового сигнала со временем отправки возможно определить
транзитное время этого сигнала.
Рис 5.2.1 Орбиты GPS спутников на 6 различных плоскостях.
Представьте себе, что Вы идете через обширное плато и хотите
знать, где Вы. Два спутника, расположенные выше Вас передают свои времена на
борту и позиции. Используя сигнальное транзитное время обоих спутников, Вы
можете нарисовать два круга с радиусами S1 и S2 вокруг спутников.
Каждый радиус соотносится с расстоянием, вычисленным спутником. Все возможные
расстояния до спутника расположены на окружности круга. Если позиция выше
спутников исключена, позиция приемника - в точке пересечения кругов под
спутниками. Двух спутников достаточно, чтобы определить позицию на плоскости X/Y.
Рис.5.2.2 Схематическое место определения объекта.
В действительности, позиция должна быть определена в
трехмерном пространстве, а не на плоскости. Различие между плоскостью и
трехмерным пространством состоит в дополнительном измерении (высота Z), дополнительный третий
спутник должен быть доступен для определения действительной позиции. Если
расстояния до трех спутников известны, то все возможные позиции расположены на
поверхности трех сфер, чьи радиусы соответствуют рассчитанным расстояниям.
Искомая позиция - место пересечения всех трех сфер.
5.3 Перемещение спутника в системе GPS
Пространственный сегмент к настоящему времени состоит из 28
действующих спутников с орбитами в 6 различных плоскостях ( от четырех до пяти
спутников в зависимости от пространственной ориентации спутников).

Рис.5.3.1 Схема движения спутников
Они находятся на высоте 20,180 км над Земной поверхностью и
наклонены на 55° к экватору. Каждый спутник совершает круг по орбите за 12
часов. Из-за вращения Земли, спутник будет в своем начальном положении (Рис. 9)
после приблизительно 24 часов (23 часа 56 минут, чтобы быть точным).
Спутниковые сигналы могут быть приняты в
пределах эффективного диапазона спутника. Рис. 9 показывает эффективный диапазон
(затененная область) спутника, расположенного прямо над нулевым меридианом.
Распределение 28 спутников в любой момент времени может быть
видно на Рис. 10. Оно является следствием удачного распределения орбит на
большой высоте для обеспечения связи с, по крайней мере, 4 спутниками в любое
время в мире.
5.4 Управляющий сегмент
Управляющий сегмент (OCS), состоит из основной
управляющей станции, расположенной в штате Колорадо, пяти контрольных станций,
оснащенных атомными часами, расположенных вокруг земного шара около экватора, и
трех управляющих наземных станций, которые передают информацию спутникам.
Наиболее важные задачи управляющего сегмента:
· Наблюдение за
перемещением спутников и обработка орбитальных данных (эфемерид)
· Контроль часов спутника и
их работы
· Синхронизация времени
спутника
· Ретрансляция точных
орбитальных данных, полученных от спутников на связи
· Ретрансляция
приблизительных орбитальных данных, полученных от всех спутников (альманах)
· Ретрансляция дальнейшей
информации, включая состояние спутника, ошибки времени и т.д.
6. Тактовая частота:1PPS. Системы времени.
Большинство модулей GPS генерируют импульс
времени каждую секунду - 1 PPS (1 импульс в секунду), который синхронизируется
с UTC. Этот сигнал обычно
имеет TTL уровень (Рис. 48).
Рис. 6.1 1PPS сигнал
Тактовый импульс можно использовать для
синхронизации сетей связи (Прецизионная синхронизация).
Хотя время играет фундаментальную роль при
использовании GPS для определения позиции, есть различие между пятью важными
системами времени GPS:
• Атомное время (TAI)
Международная шкала Атомного времени была
введена для обеспечения универсальной абсолютной шкалы времени, которая должна
удовлетворять различным практическим требованиям и в то же самое время
использоваться для позиционирования GPS. С 1967 секунда была определена второй атомной
константой в физике, в качестве эталона был выбран нерадиоактивный элемент
Цезий Cs . Резонансная частота между энергетическими уровнями этого атома
соответствует 9 192 631 770 Гц. Время, найденное таким образом, является
единицей системы СИ. Начало атомного времени 01 .01.1958 в 00.00 часов.
• Универсальное координатное время (UTC)
UTC введено для того, чтобы
иметь практическую шкалу времени, которая соответствовала бы универсальному
атомному времени и, в то же время, универсальному координатному времени. В
отличие от TAI, здесь считаются секунды, то есть UTC = TAI - n, где n = число
полных секунд с 1 Января или 1 Июня данного года.
• GPS время
Время основной GPS системы определяется
числом недель и числом секунд в неделе. Начальная дата - это Воскресенье, 6-е
Января 1980 в 0.00 часов (UTC). Каждая неделя GPS начинается в ночь с
Субботы на Воскресенье, непрерывная шкала времени выставляется основными часами
на главной управляющей станции. Различие во времени, которое возникает между GPS и UTC постоянно вычисляется и
добавляется в сообщение навигации.
• Время спутника
Из-за константы и нерегулярных частотных
ошибок на атомных часах на борту спутника GPS, собственное время
спутника отличается от системного времени GPS. Спутниковые часы
контролируются управляющей станцией, и любое явное различие времени передается
на Землю. Эти различия должны быть приняты во внимание при поведении локальных
измерений GPS.
• Локальное
время
Локальное время является временем в
пределах определенной области. Соотношение между локальным временем и временем UTC определяется временной
зоной и переходом на летнее время.
Пример временных ограничений на 21 Июня
2001 (Цюрих)
|
Базис времени
|
Время (чч:мм:сс)
|
Разница n с UTC (сек)
|
|
Локальное время
|
08:31:26
|
7200 (=2 ч)
|
|
UTC
|
06:31:26
|
0
|
|
GPS
|
06:31:39
|
+ 13
|
|
TAI
|
06:31:58
|
+32
|
Таблица 6.1 Системы времени
7.Основы портативных GPS приемников
Рис.7.1 Упрощенная диаграмма GPS приемника.
GPS приемник подразделяется
на следующие основные части :
1
Антенна:
антенна получает чрезвычайно слабые сигналы от спутника на частоте 1572.42МГц.
Сигнальный выход около 163 dBW. Некоторые антенны (пассивные) имеют усиление
3Дб.
2
LNA 1: Этот усилитель (LNA) усиливает сигнал примерно 15 ... 20Дб.
3
HF фильтр: ширина сигнала GPS примерно 2 МГц. HF фильтр уменьшает влияние
интерференции сигнала. HF фильтр и сигнальный процессор представляют собой
специальные схемы на приемнике GPS и подстроены друг под друга.
4
HF стадия: усиленный сигнал GPS смешивается с частотой
локального генератора. Отфильтрованный IF сигнал поддерживается на
постоянном амплитудном уровне и оцифровывается через (AGC)
5
IF фильтр: промежуточная частота фильтруется, используя частоту 2
МГц. Частоты, возникающие на смешивающем этапе, уменьшаются до допустимого
уровня.
6
Сигнальный
процессор: Вплоть до 16 различных спутниковых сигналов можно согласовывать и
декодировать в единицу времени. Корреляция происходит с помощью постоянного
сравнения с кодом C/A. HF стадия и сигнальный процессор одновременно
подключаются для синхронизации с сигналом. Сигнальный процессор имеет
собственную базу времени (RTC). Все установленные данные являются общими
(транзитное время закрытых сигналов спутника определяется коррелятором) и
называются исходными данными. Сигнальный процессор может получить смещение от
диспетчера посредством управляющей строки для функционирования в различных операционных
режимах.
7
Контроллер:
Используя исходные данные, контроллер вычисляет позицию, время, скорость и курс
и т.п. Он регулирует сигнальный процессор и передает вычисленные величины на
дисплей. Важная информация (как например, эфимерис, последняя позиция и т.п.),
декодируется и сохраняется в RАМ. Программа и вычисляющие алгоритмы записаны в ROM.
8
Клавиатура:
Используя клавиатуру, пользователь может выбирать желаемую координатную систему
и какие параметры (напр. количество видимых спутников) нужно отображать.
9
Дисплей:
вычисленная позиция (долгота, широта и высота) должна быть доступна
пользователю. Для этого можно использовать 7- сегментный дисплей или экран с
использованием спроецированной карты. Вычисленные данные можно сохранить, так
же как и целые маршруты.
10
Блок
питания: блок питания поставляет необходимое рабочее напряжение на все уровни
электронных компонентов
7.2 Модули GPS приемника
Модули GPS должны оценить слабые
сигналы антенны от четырех спутников для определения правильной трехмерной
позиции. Сигнал времени дополнительно передается к долготе, широте и высоте. На
этот раз сигнал синхронизируется с UTC. С помощью определенной позиции и точного
времени можно определить дополнительные величины, например, скорость и
ускорение. Модуль GPS передает информацию о комбинации, состоянии спутников,
количестве видимых спутников и т.п.
Полученные сигналы (1575.42 МГц)
усиливаются и преобразовываются в более низкую промежуточную частоту. Генератор
обеспечивает необходимую несущую волну для частотного преобразования вместе с
тактовой частотой для процессора и коррелятора. Аналоговая промежуточная
частота преобразуется в цифровой сигнал посредством 2- битового ADC.
Транзитное время сигналов от спутников до
приемника GPS устанавливается с помощью тактовой последовательностью PRN. Спутниковую
последовательность PRN необходимо использовать для получения максимума корреляции.
Данные можно восстановить, смешивая ее с правильной последовательностью PRN. В то же самое время
полезный сигнал усилен выше уровня интерференции. До 16 спутниковых сигналов
обрабатываются одновременно. Управление и генерация последовательностей PRN и восстановление данных
выполняются сигнальным процессором. Вычисления и сохранение позиции вместе с
промежуточными переменными выполняются процессором с памятью.
Рис.7.2 Обобщенная схема GPS модуля
8. Интерфейсы данных GPS
8.1 Протокол Trimble
Приемники GPS и модули от Trimble передают информацию GPS в двух различных
протоколах:
1. стандартный NMEA протокол
2. двоичный протокол TSIP (Trimble поддерживает около 30
различных данных)
Выбор важных данных Trimble указан в нижеприведенной
таблице. 41 байт информации подразделяется следующим образом:
Таблица 8.1.1 Выбор данных Trimble
|
Trimble № данных
|
Название
|
Описание
|
|
0x41
|
GPS время
|
GPS время
|
|
0x42
|
Одинарная точность XYZ позиции
|
Одинарная точность XYZ позиции
|
|
0x45
|
Версия ПО
|
Версия ПО
|
|
0x46
|
Состояние приемника
|
Техническое состояние приемника
|
|
0x47
|
Уровень сигнала всех приемников
|
Интенсивность сигнала для всех спутников
|
|
0x48
|
GPS сообщение системы
|
GPS сообщение системы
|
|
Ox4A
|
Одинарная точность LLA позиции
|
Одинарная точность LLA позиции
|
|
Ox4D
|
Смещение генератора
|
Смещение частоты генератора
|
|
0x55
|
I/O опции
|
I/O опции
|
|
0x83
|
Двойная точность XYZ
|
Двойная точность XYZ позиции
|
|
0x84
|
Двойная точность LLA
|
Двойная точность LLA позиции
|
|
0x85
|
Состояние дифференциальной коррекции status
|
Состояние дифференциальной коррекции
|
|
Ox8F-25
|
Режим малого потребления мощности
|
Режим малого потребления мощности
|
|
Ox8F-27
|
Конфигурация малого потребления мощности
|
Конфигурация малого потребления мощности
|
.2 Данные NMEA
Модули GPS и приложения генерируют
стандартный формат данных NMEA и свой собственный формат данных. Разработчики и
пользователи новых изделий непрерывно спорят о том, какой формат данных лучше и
какой формат будет использован в новых приложениях? NMEA - стандартный формат
данных, который принят во всем мире. Наиболее важная информация, которая
передается в данном формате:
1
географическая
позиция(широта/долгота/высота)
2
значения
DOP
3
элевация
и азимут видимых спутников
4
курс
и скорость
5
время
и дата
6
соотношение
сигнал-шум антенного сигнала
Если, например, приложение GPS или модуль используется
с данными NMEA, установленными в системе, и, если приложение или модуль нужно
заменить, то это можно с уверенностью сделать. Во все приложения или модули
данные RMC NMEA уже установлены.
Специальные форматы данных очень гибкие.
Они используют ширину строки данных чрезвычайно эффективно и, в результате,
передают больше информации, чем в формате NMEA. Специальные интерфейсы,
например, передают следующую дополнительную информацию:
7
XYZ позиция и псевдо диапазоны
8
Необработанные
данные
9
Данные
эфимериса и альманаха
10
Строки
информации (информация ПО и ID приемника)
11
Сообщение
состояния смещения UTC
12
Смещение
генератора
13
Состояние
дифференциальной коррекции
Специальные интерфейсы данных являются
строками изготовителя, которые передаются от одного изделия к другому.
Различные уровни следует принимать во внимание, в зависимости
от используемых приемником GPS - TTL или RS-232 (Рис. 43):
· В случае интерфейса уровня TTL, логический
ноль соответствует приблизительно 0 В и логическая единица соответствует
рабочему напряжению системы (+3.3 В... +5 В);
· В случае RS-232 интерфейса, логический
ноль соответствует положительному напряжению (+3 В... +15 В) и логическая
единица - отрицательному напряжению (-3В... -15 В).
Если модуль GPS с интерфейсом уровня TTL подключен к
устройству с интерфейсом RS-232, то необходимо произвести преобразование
уровня.
Некоторые модули GPS позволяют передавать на скорости вплоть
до 38400 бит в секунду. GPS данные имеют следующую структуру:
$GPDTS,inf_1 ,inf_2, inf_3,inf_4,inf_5,inf_6,inf_n*CS<CR><LF>
Функции отдельных символов или значения символов приведены в
таблице 8.2.1.
Таблица 8.2.1 Описание отдельных блоков NMEA DATA SET
|
Поле
|
Описание
|
|
$
|
Начальная установка
|
|
GP
|
Информация изGPS приложения
|
|
DTS
|
Идентификатор данных(т.е. RMC)
|
|
lnf_1 bis lnf_n
|
Информация с номером1… n (т.е. 175.4 для данных
курса)
|
|
,
|
Разделитель строк информации
|
|
*
|
Звездочка используется как разделитель
контрольной суммы
|
|
CS
|
Контрольная сумма для проверки верности данных
|
|
<CR><LF>
|
Конец данных: возвращает(<CR>) и
переводит линию, (<LF>)
|
Содержание некоторых сообщений протокола
NMEA 0183 версии 2.1 приведено в приложении А
9.
Принципы построения и работы GPS\AVL
Принципы, лежащие в основе диспетчерских информационных
технологий, достаточно просты. Каждая единица транспортного парка оборудуется
миниатюрным многоканальным приемником навигационных сигналов, излучаемых
спутниками непрерывно, в любую погоду и причем абсолютно бесплатно. После
соответствующей обработки с помощью бортового спецпроцессора информация
переводится в значения долготы, широты, высоты, скорости и направления движения
автомобиля, которые через УКВ-радиоканал, сотовую сеть или глобальную систему
спутниковой связи передаются на диспетчерский пункт соответствующей службы.
Благодаря быстрому регулярному автоматическому опросу транспорта и высокой
скорости передачи информации диспетчеры потенциально могут получать данные о
состоянии тысяч машин. С использованием средств телекоммуникации системы AVL
интегрируются в комплексы, позволяющие контролировать и управлять практически
всем транспортным парком оперативных и коммунальных служб таких городов, как
Москва, Санкт-Петербург. Сегодня имеются технические решения для одновременного
управления 20 тыс. и более машин.технология на диспетчерском пункте переводит
информацию о координатах, скорости в "картинку" на электронной карте
города, а также в динамически изменяющиеся текстовые сообщения с указанием
названий улиц, расстояния до ближайшего перекрестка, километрового столба или
конечной точки маршрута; предоставляет другие данные, важные для каждой
конкретной службы (состав экипажа, его вооружение и др.). Дежурной службе
передается объективная информация с бортовых датчиков о текущем состоянии
автомобиля (включение зажигания, открытие дверей, люков, удар, опрокидывание,
включение "мигалки" и сирены и др.). В AVL применяется тот же подход,
что и в управлении космическими аппаратами, когда дежурные службы ВВС для
решения своих задач по результатам обработки данных о траектории и
телеметрической информации выдают сигналы управления на борт спутников.
Телесигнализация со спецавтомобиля идет в радиоэфир без
вмешательства водителя. Это позволяет оперативным группам сосредоточить
внимание на своих прямых обязанностях, а диспетчеру принимать решения на основе
объективной информации, а не со слов экипажа, что особенно важно в критических
ситуациях. Нажатием кнопки на бортовом экране-индикаторе водитель может
отправить стандартные или экстренные сообщения типа "на маршруте, жду
указаний", "авария, есть жертвы", "нападение",
"остановлен ГАИ", "застрял на таможне" и т.п. Вместе со
всеми этими сообщениями, независимо от желания экипажа, диспетчер получает
координаты автомобиля с точностью 2-5 метров. На экран бортового индикатора
состояния диспетчер может также отправлять распоряжения, прочитав которые,
водитель передает подтверждение об их получении. Серийно выпускаются системы,
позволяющие водителю направлять на любой факс практически в любую точку на
Земле свободный текст с бортового компьютера и принимать документы на принтер
или факс прямо в автомобиле.
Существенно сокращается время реакции: диспетчер по одному
взгляду на экран рабочей станции может определить, где находится каждый
спецавтомобиль и нужна ли ему помощь. В службах общественной безопасности
системы AVL особо эффективны для обеспечения поддержки операций в составе нескольких
машин при преследованиях, перехватах и блокировании места происшествия или
чрезвычайной ситуации. Немаловажно, что AVL существенно сокращает голосовой
радиообмен, так как все действия практически любой оперативной службы и
возможные ситуации, отраженные в должностных инструкциях, заранее
программируются в бортовом комплексе, а передача идет по цифровому каналу,
который, в свою очередь, достаточно просто кодируется.
10.Основные технические характеристики GPS - терминала
1.1. Питание изделия - постоянное напряжение от 12±4В до
24В±8В (8-32в);
1.2. Потребляемый ток - не более 200мА, при передаче
данных по GPRS;
.3. К терминалу подключается активная GPS и пассивная GSM внешние антенны;
.4. Количество SIM-карт - 2 шт.
.5. Терминал имеет встроенный Li-Ion аккумулятор Nokia BLB-2 3,6v (750 мА/ч) (Made in Czech republic). Производитель может менять тип акумулятора
по своему усмотрению, не ухудшая технических характеристик изделия.;
1.6. Зарядка аккумулятора производится встроенным
контроллером в GSM модуле SIM300DZ;
.7. Диапазоны работы GSM - 900, 1800, 1900 МГц (в
устройстве применен GSM модуль SIM300DZ производителя SimCom. Все технические
характеристики GSM канала соответствуют техническим характеристикам этого модуля);
1.8. GPRS multi-slot class 10;
.9. Чувствительность встроенного GPS приемника −150 dBm (в устройстве применен GPS модуль Copernicus (58048-00) производителя
Trimble. Все технические
характеристики GPS канала соответствуют техническим характеристикам этого модуля);
.10. Максимальное количество одновременно наблюдаемых
спутников GPS 12;
.11. Точность определения координат:
1.11.1. по горизонтали (без коррекции SBAS): <5 м;
1.11.2. по вертикали (без коррекции SBAS): <8 м;
1.12. Диапазон определения скорости от 1 км/час до 1854
км/час;
1.13. Порт конфигурации терминала: USB 2.0 Full Speed (12 Мбит в сек.);
.14. Максимальный объём сменной Flash памяти 2 ГБайт
(соответствует хранению более 16000000 точек местоположения);
.15. Объем встроенной памяти 4 Мбит (соответствует
хранению 4096 точек местоположения);
.16. Объём передаваемой одной точки трекинга - данные о местоположении терминала, изменяется от 72 до 128
Байт, в зависимости от количества данных в пакете GPRS. Количество данных
зависит в том числе, и от цифровых значений передаваемых параметров (незначащий
первый «0» цифрового параметра не передается), но всегда не больше 128 байт;
.17. Тип сменной Flash памяти: Secure Digital Memory Card (SD) (для использования MMC Flash карты модифицируется ПО
терминала по специальному требованию заказчика);
.18. Устройство имеет 5 типов программно управляемых
портов для подключения внешних устройств. Конфигурация портов задается при
заказе терминала (назначение выводов смотри в Таблицах №7.1, №7.2, №7.3).
Текущая конфигурация портов указана в таблице №7.3, в колонке «Реализовано в
версии 1.ххх программного обеспечения».
.19. Список имеющихся портов в устройстве:
1.19.1. Универсальные: RS232 (TTL)/K-Line (TTL), CAN 2.0: 3 порта;
1.19.2. Программируемые аналоговые: Аналоговый вход
(0-5в)/Цифровой вход TTL (0-5в)/Логический выход (0-3в): 6 выводов;
.19.3. Программируемые цифровые: Порт/Цифровой вход TTL
(0-5в)/Логический выход (0-3в): 4 вывода;
.19.4. Цифровой вход (0-30в): 3 вывода;
.19.5. Аналоговый вход (0-30в)/ Цифровой вход (0-30в): 2
вывода;
По всем аналоговым и цифровым входам установлена встроенная защита от импульсных перенапряжений;
1.20. Размеры устройства не более: 135*51*155 мм;
1.21. Температурный диапазон:
1.21.1. Рабочий от -20°C до +55°C;
1.21.2. Предельный для работы: от -30°C до +80°C;
.21.3. Предельный для хранения от -40°C до +80°C.
10.4 Использование SMS-сообщения для передачи
команд.
Короткие текстовые сообщения очень удобны
для управления и контроля состояния объекта. В памяти мобильного телефона
пользователя можно заранее сохранить несколько часто употребляемых управляющих
сообщений, например для постановки на охрану, снятия с охраны или управления
реле. В нужный момент остается только послать соответствующее сообщение.
Тревожные сообщения от контроллера
максимально информативны и удобочитаемы, благодаря возможности присвоить
имена-псевдонимы входам и их активным и пассивным состояниям. Например, при
срабатывании датчика контроля двери, пользователь получит сообщение: 22:30 ALARM DOOR OPEN. Имя входа DOOR. Название активного
состояния OPEN.
.5 Описание функциональной схемы.
Ниже приведено краткое описание
функциональной схемы разработанного контроллера. Данный контроллер объединяет
на одной PC/104 плате высокоскоростную высокоскоростной трехдиапазонный
900/1800/1900MHz GSM/GPRS модем и 12-канальный параллельный GSM приемник малой мощности.
Дополнительно на плату установлено два RS-232 последовательных
порта, программируемый цифровой порт ввода - вывода и I2C-шины для системного
расширения. Плата контроллера спроектирована для работы в широком температурном
диапазоне, с которым обычно сталкиваются в мобильных автомобильных приложениях.
Обширное использование технологии SMD увеличивает системную надежность. Использование
современной технологии FPGA учитывает высокую интеграцию функциональных
возможностей так же как гибкую настройку, чтобы ответить требованиям клиента
определенные приложения. Конфигурация и параметры настройки сохранены в
подключаемом накопителе EEPROM и могут быть свободно конфигурированы
программным обеспечением.
Приведем ниже функциональные блоки
устройства. Для ясности опущены источники питания.
Рис.10.5.1 Функциональная схема
Контроллера с блоком приемника GPS сигналов.
Конфигурация устройства AMUR-GPS терминал.
Конфигурация устройства осуществляется с помощью программы PS/GSM_USB_WIZARD.
Рис. 4.1. Программа конфигурации AMUR-GPS-терминал
Для начала выполнения конфигурации устройства нужно выполнить
следующие этапы:
4.1. Вынуть с упаковки кабель с разъемом mini-USB и подключить его к
устройству. Другой конец кабеля подключить к персональному компьютеру (ПК) в
разъем USB.
4.2. Скопировать и на ПК с компакт диска программу PS/GSM_USB_WIZARD и запустить ее. После
чего должно появиться на экране окно, как показано на Рис. 4.1.
4.3. Вынуть с упаковки кабель для подключения питания. С
одной стороны кабеля установлен разъем. При помощи этого разъема подключается
кабель к устройству. Использовать разъем POWER, смотрите Рис.2. Задняя панель
AMUR-GPS терминал. Другой конец кабеля подключить к источнику питания
напряжением 12-24 вольта так чтобы красный провод был подключен к положительной
клемме, а черный провод к отрицательной.
.4. После того как питание подано на устройство, на
передней панели должны засветиться индикаторные светодиоды с надписями PWR, 2, 3 через 5-15 секунд
светодиод под номером «2» начнет мерцать, индицируя передачу данных на ПК.
После чего поля для ввода данный станут активными, а внизу окна на черном фоне
появятся надписи, информирующие о благополучном подключении устройства см. Рис.
4.2.
Рис. 4.2. Программа конфигурации AMUR-GPS-терминал активна
4.5. Следующим этапом необходимо заполнить следующие поля
утилиты:
4.5.1. В поле Unit ID устанавливается пользователем идентификационный
номер устройства. Этот номер должен быть выбран по следующему алгоритму:
первая цифра всегда должна быть «1», а вторая цифра «0».
Следующие восемь цифре могут бить любыми.
Номер устройства должен быть уникальным для каждого
устройства.
4.5.2. Поле Host port 1 содержит номер порта основного сервера.
4.5.3. В поле Access point name указывается точка
доступа в Интернет (подробную информацию можно получить на сайте оператора
мобильной связи который предоставляет услугу GPRS).
.5.4. Поле User name и Password заполняются исходя из требований оператора
мобильной связи, которая предоставляет услугу GPRS (подробную информацию
можно получить на сайте оператора, который предоставляет данную услугу).
.5.5. В поле Sync interval устанавливается период отправки
синхропакетов. Рекомендовано установить 600 (равно периоду одной минуте).
.5.6. В поле Unit password заносится пароль. Пароль может состоять
из любых десяти цифр.
.5.7. В поле, Power Down Delay устанавливается через
какое время устройство войдет в спящий режим после отключения внешнего питания
(в данном режиме питание осуществляется от внутреннего источника питания).
Время исчисляется в секундах, и может иметь значения от 0 до 600 с. Это функция
работает при дистанционном включении аккумулятора.
.5.8. Поле Power Up Duration содержит время, на
которое пробуждается термина, в случае если он находится в спящем режиме. Время
исчисляется в секундах, и может иметь значения от 0 до 600 с. Это функция работает
при дистанционном включении аккумулятора.
.5.9. Поле Power Down Duration содержит время, на
которое устройство входит в режим сна (энергосберегающий режим). Может
изменяться от 0 до 65535 с. Это функция работает при дистанционном включении
аккумулятора.
.5.10. Поля Access point name 2, User name 2, Password 2 предназначены для
настроек второй SIM карты. Настройки устанавливаются аналогично пунктам 4.5.3 и
4.5.4.
.5.11. Следующий шаг после заполнения полей, это сохранение
настроек устройства. Для этого нужно нажать кнопку Load (расположенную вверху
окна). После того как устройство сконфигурировано следует извлечь USB кабель и
кабель питания в обратной последовательности соответственно пункту «4.1» и
«4.3».
Дополнительные встроенные функции GPS терминала:
1. Если питание аккумулятора программно не включено и
внешнее питание устройства отключается после его нормальной работы, устройство
пытается в течение 10 секунд передать информацию о выключении и записать эти
данные в Flash память.
2. При необходимости отключения питания от встроенной
батареи, необходимо вынуть из первого картоприемника SIM1. Питание от встроенной
батареи принудительно отключится.
Установка картодержателя в картоприемник не включает встроенную батарею.
Подготовка к работе
Перед началом работы необходимо выполнить следующие условия:
5.1. Закрепить антенну GPS под открытым небом на
горизонтальной металлической поверхности (основанием антенны вниз) при помощи
магнита. Антенна не должна закрываться или затеняться посторонними предметами.
После чего подсоединить к разъему GPS устройства см. Рис. 5.2.
При прокладке антенного кабеля и подключении его к блоку
следует не допускать:
― передавливания кабеля,
― прокладки кабеля между
подвижными частями кузова транспортного средства,
― изгибов кабеля с
радиусами закругления менее 5см.
5.2. Для установки SIM-карты необходимо выполнить
следующие действия:
5.2.1. Убрать запрос PIN-кода в SIM-карте.
5.2.2. Проверить работоспособность GPRS для этой карточки. Если GPRS не работает, связаться с
оператором связи и выполнить действия по обеспечению работы GPRS для этой SIM карточки.
.2.3. Установка SIM-карты в разъем SIM1:
― Через отверстие в
передней панели корпуса тонким стержнем нажать кнопку-толкатель, находящуюся
возле держателя SIM-карты (см. Рис. 5.1.). Держатель должен разблокировать
кассету для установки SIM-карты и частично вытолкнуть ее наружу корпуса
устройства.
― Извлечь кассету, и
установить на нее SIM-карту контактами вверх.
― Вставить кассету с
установленной SIM-картой обратно в держатель до упора, после чего кассета
должна заблокироваться в держателе.
Внимание!!! Если используется одна SIM карточка, она
обязательно должна стоять в разъеме SIM1.
5.2.4. Для установки второй SIM-карты в разъем SIM2,
повторить пункт 5.2.1. и 5.2.2.
5.3. Перед использованием Flash карты памяти необходимо
её подготовить (смотри пункт «Работа с Flash карточкой»). После этого
вставить SD карту памяти в разъем SD/MMC (см. Рис. 5.1.).
5.4. Установка GSM антенны.
Оптимальным местом для размещения GSM антенны является крыша
транспортного средства. Однако при эксплуатации устройства в зоне
надежного покрытия GSM сети требования к выбору места для
установки GSM антенны значительно менее жесткие, чем для GPS антенны.