Система маслоснабжения ГТУ

  • Вид работы:
    Реферат
  • Предмет:
    Физика
  • Язык:
    Русский
    ,
    Формат файла:
    MS Word
    529,51 kb
  • Опубликовано:
    2011-08-16
Вы можете узнать стоимость помощи в написании студенческой работы.
Помощь в написании работы, которую точно примут!

Система маслоснабжения ГТУ

СОДЕРЖАНИЕ

ВВЕДЕНИЕ

. НАЗНАЧЕНИЕ СИСТЕМЫ МАСЛОСНАБЖЕНИЯ ГТУ

. ТИПЫ КОМПЛЕКТУЮЩЕГО ОБОРУДОВАНИЯ

. МАСЛЯНЫЕ НАСОСЫ, КЛАПАНЫ, РЕГУЛЯТОРЫ ДАВЛЕНИЯ ПОСЛЕ СЕБЯ

ЗАКЛЮЧЕНИЕ

СПИСОК ЛИТЕРАТУРЫ

ВВЕДЕНИЕ

Газотурбинная установка (ГТУ) - машина, преобразующая тепловую энергию, получаемую в результате сжигания топлива в потоке сжатого воздуха в механическую.

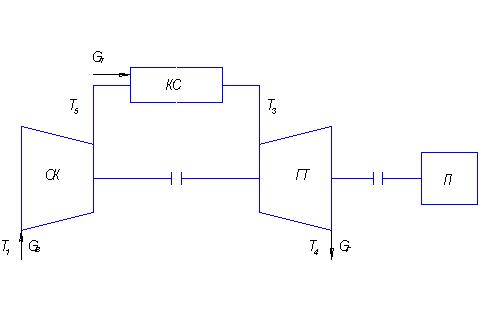
Основными элементами ГТУ являются: осевой компрессор (ОК),камера сгорания (КС) и газовая турбина (ГТ). Принципиальная схема ГТУ представлена на рис.1.

Рис 1. Принципиальная схема простейшей ГТУ:

ОК - осевой компрессор; КС - камера сгорания; ГТ - газовая турбина; П привод

В идеальном виде рабочие процессы ГТУ происходят следующим образом. Воздух из окружающей среды засасывается компрессором, сжимается адиабатно до требуемого давления и подается в камеру сгорания, в нее же подается газообразное топливо, которое там и сгорает.

Продукты сгорания при требуемой температуре, регулируемой количеством воздуха (который подается с большим избытком в камеру сгорания, чтобы обеспечить приемлемые температуры продуктов сгорания), поступают в сопла ГТ, где их энергия в процессе адиабатного истечения преобразуется в кинетическую. Истекающие из сопел струи попадают на лопатки турбины, где кинетическая энергия газа расходуется на вращение вала установки и передается на привод нагнетателя природного газа. Цикл ГТУ, изображенный на Т,s-диаграмме (рис.2), состоит из следующих процессов:

адиабатное сжатие воздуха в компрессоре (линия 1-2);

изобарный подвод тепла qt в камеру сгорания (линия 2-3);

адиабатное расширение продуктов сгорания в ГТ (линия 3-4);

-замыкающего изобарного процесса, в котором от рабочего тела отводится тепло q2 (линия 4-1).

1. НАЗНАЧЕНИЕ СИСТЕМЫ МАСЛОСНАБЖЕНИЯ ГТУ

Каждый двигатель имеет самостоятельную масляную систему. Масло, циркулируя по каналам двигателя и его агрегатам, смазывает трущиеся поверхности, отбирает и уносит тепло от нагревающихся при работе двигателя деталей и выносит продукты изнашивания трущихся деталей. Маслосистема двигателя выполнена по прямой одноконтурной замкнутой схеме с принудительной циркуляцией масла [7].

Условно маслосистема двигателей делится на внутреннюю и внешнюю. Внутренняя - та часть системы, агрегаты которой входят в состав двигателя; внешняя - часть системы, состоящая из агрегатов, не являющихся составной частью двигателя.

При простейшей схеме маслоснабжёния (рис. 3) масло из масляного бака 3 через магнитный фильтр 4 подается насосом 5в системы смазки и регулирования 8. В случае выхода из строя насоса 5 используется резервный насос 6. Затем масло фильтруется еще раз фильтром 7 и, пройдя маслоохладитель 9 и дроссельные шайбы //, дозирующие его подачу, подается к каждому подшипнику. После подшипников масло по сливным трубопроводам 12 поступает в общий коллектор, а из него - в масляный бак, где освобождается от воздуха и шлака. Емкости бака должно хватать на{ 4-8 мин работы основного масляного насоса. Давление масла перед подшипниками обычно равно 0,15- 0,17 МПа.

Рис. 3. Схема системы маслоснабжёния турбины:

, 2 - пусковой н аварийный маслонасосы, 3 - маслобак, 4, 7 - фильтры, 5, 6 - насосы, S - отвод в систему регулирования, 9 - маслоохладитель, 10 - аварийная емкость, // - дроссельные шайбы, 12 - слив масла из подшипников турбины

Если необходимо масло более высокого давления, оно подается дополнительным насосом, устанавливаемым перед входом в систему регулирования. При снижении давления ниже допустимого автоматически включается аварийный масляный электронасос 2.Магнитные фильтры 4 предназначены для отделения мелких металлических частиц, а фильтры 7 задерживают немагнитные включения.

Маслоохладители представляют собой трубчатые теплообменник.

Внутри трубок течет вода, а снаружи они омываются маслом. Давление воды должно быть меньше давления масла, чтобы случае образования не плотности она не могла попасть в слив.

Система маслоснабжёния подает масло не только к подшипникам турбины, но и к подшипникам потребителя энергии - электрического генератора, нагнетателя природного газа или др. В нагнетателях природного газа масло также подается на его торцовое, уплотнение. Перед сливом в бак это масло очищают от газа.

Пример схемы маслосистемы ГТД для газотурбинной установки показан на рис. 4, где представлена маслосистема газотурбинной установки ГТУ- 2,5 П [1].

При работе ГТУ масло из маслобака 1 поступает в нагнетающую ступень основного маслонасоса 2, имеющего редукционный клапан (не показан) и, через фильтр 3 и петлевой трубопровод 4 поступает на смазку и охлаждение узлов двигателя.

Петлевой трубопровод 4 с дросселем (не показан) предназначен для исключения перетекания масла из маслобака в опоры и в коробку приводов двигателя во время его остановки и стоянки.

Из нагнетающей магистрали масло проводится так же и командному агрегату 5, в котором оно используется в качестве рабочей жидкости. Из командного агрегата масло сливается в нижнюю коробку приводов двигателя. Из подшипниковых узлов двигателя и нижней коробки приводов через магнитные сигнализаторы стружки 6, защитные фильтры 7, масло откачивается ступенями маслонасоса откачки 8 и откачивающей ступенью основного маслонасоса 2. Далее, масло по трубопроводам поступает в воздухоотделитель 9 с фильтром-сигнализатором, после которого, через фильтр 10 по трубопроводам направляется в аппарат воздушного охлаждения масла (АВОМ) 11, где охлаждается воздухом, принудительно подаваемым вентилятором (не показан).

Фильтрованное и охлажденное масло возвращается в бак 1 двигателя. В начальный период работы, когда откачиваемое масло недостаточно прогрето и очень вязкое, перепускной клапан 12 возвращает его в бак, минуя АВОМ.

Внутренние полости подшипниковых опор компрессора, турбины компрессора и свободной турбины, выходного корпуса и верхней коробки приводов суфлируются с атмосферой через центробежный суфлер 13, на входе в который установлен датчик 14 давления сульфирования.

Доля контроля работы маслосистемы ГТУ предусмотрены датчики 15, 16 и сигнализатор 17.

Рис.3. Маслосистема газотурбинной установки ГТУ- 2,5 П:

- маслобак; 2 - маслонасос основной; 3 -фильтр; 4 - трубопровод петлевой; 5- агрегат командный; 6 - сигнализатор магнитной стружки; 7- фильтр защитный; 8 -маслонасос откачки; 9 -воздухоотделитель с центробежным фильтром-сигнализатором; 10 - фильтр; 11 - АВОМ; 12 - клапан перепускной; 13 - суфлер центробежный; 14 - датчик давления суфлирования; 15 - датчик давления масла; 16 - датчики температуры; 17 - сигнализатор минимального давления


Система маслоснабжёния ГТУ предназначена для подачи масла к подшипникам, в гидравлическую или электрогидравлическую систему регулирования и к трущимся поверхностям (зубчатым передачам, шарнирам и др.). Обычно применяют турбинное масло, имеющее температуру застывания - 15° С. В северных районах используют специальные масла, температура застывания которых -45° С.

Масла должным иметь определенную вязкость, кислотное число и зольность; водорастворимые кислоты и щелочи, механические примеси, вода и сера должны в них полностью отсутствовать. Чтобы не допустить излишне быстрого окисления масла, его температура после подшипников должна быть не более 70-75° С. Теплота, уносимая маслом, отводится из системы маслоснабжёния маслоохладителями, через которые прокачивается охлаждающая вода. Расход масла зависит от количества выделяющейся теплоты в подшипниках и допустимой температуры нагрева.

Система маслоснабжения общая для газотурбинного двигателя и нагнетателя. Служит для подачи масла на смазку подшипников, на уплотнение вала нагнетателя, обеспечения маслом гидравлической системы регулирования ГТУ [4].

В систему маслоснабжения входят:

маслобак (МБ),

главный маслонасос (ГМН),

насос маслоохладителя (НМО),

насос пусковой (ПМН),

насос аварийный (АМН),

маслоохладитель (МО),

инжекторы ГМН и НМО,

инжектор смазки,

регулятор разгрузки осевых усилий (РР),

золотник перепуска масла (ЗПМ),

обратные клапаны (КО1,КО2,КО3),

Фильтры масла (Ф),

маслопроводы,

аккумулятор масла (АМ),

регулятор перепада давлений (РПД),

поплавковая камера (ПК).

Похожие работы на - Система маслоснабжения ГТУ

 

Не нашли материал для своей работы?
Поможем написать уникальную работу
Без плагиата!
Без нейросетей!