Инженерные расчеты по критериям работоспособности привода электродвигателя
Реферат
В данной курсовой работе использовано:
1схема;
10 рисунков;
4 таблицы;
10 источников информации.
Пояснительная записка содержит 52 страницы.
Целью курсовой работы является:
обучение методом проектирования; закрепление, расширение и углубление
теоретических знаний;
развитие навыков по проведению инженерных расчетов по критериям
работоспособности конкуренции, технико-экономическому обеспечению
конструкторских решений, оформлению текстовой и графической частей курсовой
работы.
Механический привод, двигатель, передаточный механизм, рабочая машина,
зубчатая цилиндрическая передача, цепная передача, быстроходный вал, тихоходный
вал, подшипник, шпонка.
Введение
Механический привод - важная часть современных машин и технологического
оборудования. От рациональности выбора кинематической схемы привода и
правильности его кинематического и силового расчета во многом зависят
требования к увеличению мощности при тех же габаритах, повышение скорости и
производительности, повышение коэффициента полезного действия (КПД),
минимальная масса, низкая себестоимость изготовления. Все конструкции
многовариантны. Конструктор всегда стремится найти лучший или оптимальный
вариант, в наибольшей степени удовлетворяющий поставленной задачи.
Выполнение данной курсовой работы наглядно иллюстрирует методологические
основы выполнения поставленных задач.
Целью работы является изучение методов проектирования,
закрепление и углубление теоретических знаний; развить навыки по проведению
инженерных расчетов по критериям работоспособности конструкции,
технико-экономическому обеспечению конструкторских решений.
В задании на курсовую работу в качестве исходных данных выступают
мощность Р4, кВт, и частота вращения n4, мин-1, на приводном валу рабочей машины, а также коэффициент
перегрузки Кп.
частота вращения на приводном валу рабочей машины n4= 95 мин -1;
мощность на приводном валу рабочей машины Р4 = 12 кВт;
коэффициент перегрузки Кп= 2,1
нагрузка постоянная,
работа в две смены;
срок службы - длительный.
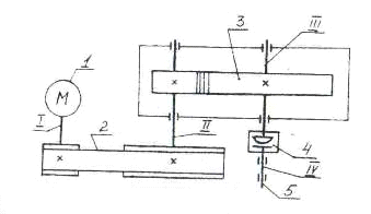
Рисунок 1- Кинематическая схема привода
- машина-двигатель
- цепная передача
- редуктор цилиндрический
- муфта компенсирующая
- вал рабочей машины
1. Расчет
общего коэффициента полезного действия (КПД) привода и требуемой мощности
электродвигателя
.1 Определение общего КПД рассматриваемого механического
привода
Определим общий КПД рассматриваемого механического привода
общ=
м∙
зп∙
цп∙ (
пп)3
(1)
где
м - КПД муфты,
м = 1
(таблица 1);
зп - КПД
зубчатой цилиндрической передачи,
зп=0,97
(таблица 1);
цп - КПД
цепной передачи, принимаем
цп= 0,97
(таблица 1);
пп - КПД
пары подшипников,
пп = 0,99 (таблица 1).
общ = 1 ∙
0,97 ∙ 0,95∙ (0,99)3 = 0,894.
1.2 Определение требуемой мощности электродвигателя
Требуемая мощность электродвигателя рассчитывается по формуле
(2)
Рдв.тр. = 12/ 0,894 =13,42 кВт.
2. Выбор
электродвигателя
Из таблицы 2 выбираем электродвигатели, имеющие ближайшую большую
номинальную мощность Рном=15,0 кВт по отношению к требуемой мощности
Рдв.тр=13,42 кВт, рассчитанной по формуле (2).
Общее передаточное число привода определяется по формуле
Uобщ=uзп∙ uцп (3)
где uзп - передаточное число зубчатой
передачи;
uрп -
передаточное число цепной передачи .
Таблица 1 - Выбор электродвигателя (к примеру)
|
Тип двигателя
|
Номинальная мощность Рном,
кВт
|
Номинальная частота
вращения, Nном, мин-1
|
Общее передаточное число
привода Uобщ= nном/ n4
|
|
4A160S2Y3
4A160M6Y3 4A160M6Y3 4A180М8Y3
|
15,0
|
2940 1465 975 730
|
30,95 15,42 10,26
7,68
|
Из таблицы 3[1] выбираем рекомендуемый интервал передаточных чисел
механических передач, входящих в рассматриваемую кинематическую схему привода,
и рассчитываем рекомендуемый интервал Uобщ
Uобщ
=(2,0,..6,3) ∙ (2,0...4,0) = 4,0... 25,2
Из таблицы 1
видим, что для 2-го, 3-го и 4-го двигателей общее передаточное число привода
попадает в рекомендуемый интервал. Поэтому можно взять любой из этих двигателей
для дальнейших расчетов. Однако четвертый двигатель (низкоскоростной) имеет
повышенные массу и габариты. Остановимся на втором двигателе 4А160M6У3 с номинальной мощностью Рном=11,0
кВт, частотой вращения вала двигателя nном =1465 мин-1. В этом случае Uобщ =
15,42
3. Определение кинематических и силовых параметров валов
привода
Произведем разбивку Uобщ =
15,42 (полученное в предыдущем пункте) между ступенями привода: зубчатой и
цепной передачами. Зададимся стандартным значением uзп= 5,0 из рекомендуемого интервала. Тогда передаточное число
цепной передачи будет равно:
Uцп=Uобщ/uзп (4)
Uцп=15,42
/5,0 = 3,084.
Полученное значение uцп,
попадает в рекомендуемый интервал (таблица 3[1]). Окончательно имеем uзп = 5,0, uцп= 3,084
Рассчитаем номинальные частоты вращения валов привода:
- вал электродвигателя
n1 = nном = 1465 мин-1;
входной вал редуктора
n2= n1 =1465 мин-1; (5)
- выходной вал редуктора (ведомый вал зубчатой передачи) n3= n2 / uзп ,
(6)
n3=
1465/5 = 293 мин-1;
приводной вал цепной передачи
n4= n3 / uрп = 293/3,084 = 95 мин-1.
Рассчитаем номинальные вращающие моменты на валах привода:
- вал электродвигателя
Т1
=
, (7)
Т1=
;
-
входной вал редуктора
Т2
= Т1 ∙
м ∙
пп , (8)
Т2 =87,48∙1∙0,99 = 86,61 Нм;
выходной вал редуктора
Т3
=Т2∙uзп∙
зп∙
пп , (9)
Т3 =86,61∙5∙0,97∙0,99=415,86 Нм
приводной вал
цепной передачи
Т4
=Т3 ∙ uрп∙
рп·
пп , (10)
Т4=415,86∙3,084∙0,95∙0,99 = 1206 Н·м
4. Расчет зубчатой цилиндрической передачи
.1 Расчет межосевого расстояния
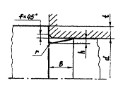
Главный геометрический параметр цилиндрической зубчатой передачи -
межосевое расстояние а (рисунок 2).

Рисунок 2 - Геометрические параметры цилиндрической зубчатой передачи
Предварительное его значение рассчитывается из условия контактной
выносливости рабочих поверхностей зубьев по формуле
, (11)
где Т2 - вращающий момент на валу колеса (3-й вал привода), Н∙мм;
-
коэффициент концентрации нагрузки. Для прирабатывающихся колес
= 1;
-
коэффициент ширины колеса. Для одноступенчатого цилиндрического редуктора при
симметричном расположении колес относительно опор
= 0,4;
u -
передаточное число зубчатой передачи, u = uзп ;
-
допускаемое контактное напряжение для материала колеса, так как колесо имеет
более низкую прочность по сравнению с шестерней.
Рассчитаем
предварительное значение межосевого расстояния
Значение
округляют до ближайшего большего значения по единому
ряду главных параметров редуктора : 25, 28, 30, 32, 36, 40, 45, 50, 56, 63, 71,
80, 90, 100, 112, 125, 140, 160, 180, 200, 224, 250, 280, 315, 355, 400.
Принимаем
а = 160 мм.
4.2
Расчет предварительной ширины колеса и шестерни
Предварительная
ширина колеса и шестерни равна
0,4∙160
= 64 мм, (12)
1,12∙64
= 71,7 мм. (13)
Значения
и
округляют
до ближайших стандартных значений из ряда главных параметров (см. выше): b1
=63 мм; b2 = 71 мм.
4.3
Расчет модуля зубчатых колес
Модуль
зубчатых колес выбирают в следующем интервале:
m'=
(0,01...0,02)∙а = (0,01.,.0,02) ∙160 = 1,6…3,2 мм. (14)
Для силовых передач значение модуля m должно быть больше или равно 1,0 мм и соответствовать по
ГОСТ 9565-80 ряду (мм): 1,0; 1,25; 1,5; 1,75; 2,0; 2,25; 2,5; 2,75; 3,0; 3,5;
4,0; 4,5; 5,0; 5,5; 6,0. Жирным шрифтом выделены предпочтительные модуля.
Выбираем модуль m = 2 мм.
4.4 Определение числа зубьев колес
Определим числа зубьев колес. Предварительное суммарное число зубьев
колес вычисляют из соотношения
(15)
Предварительное значение суммарного числа зубьев желательно получить
сразу целым числом, чтобы не вводить коррекцию (смещение исходного контура)
зубчатых колес. Это можно обеспечить подбором модуля m в интервале по формуле (14).
Предварительное значение числа зубьев шестерни находят из соотношения
(16)
Полученные
значения
и
округляют
до ближайшего целого значения
=160 и
=27. Причем для обеспечения неподрезания ножки зуба
прямозубой шестерни необходимо, чтобы значение
было
больше или равно 17. После этого вычисляют число зубьев колеса
=
-
=160-27 = 133. (17)
Таким образом, Z2 =
133 и Z1 = 27.
4.5 Нахождение фактического передаточного числа передачи
Уточним фактическое передаточное число передачи
Uф =
/
=133/27 = 4,93. (18)
Для передач общемашиностроительного применения допускается отклонение
фактического передаточного числа от номинального значения в пределах 4%.
4.6 Проверка прочности зубьев колес по контактным напряжениям
Проверка прочности зубьев колес по контактным напряжениям проводится по
следующему условию прочности
(20)
где
- коэффициент динамичности нагрузки зубьев колеса при
контактных напряжениях. Он зависит от окружной скорости вращения колес V1 = V2,
рассчитываемой по зависимости
(21)
4.7
Определение степени точности и значения коэффициента
Окружная скорость вращения колес определяет их степень точности по ГОСТ
1643-81 . Так при окружной скорости V2 до 2 м/с назначается 9-я степень точности, до V2 = 6 м/с -8-я степень точности, до V2 = 10 м/с- 7-я степень точности.
Значения
коэффициента
приведены в таблице 5.
По
данным рассматриваемого примера V2 = 4,08 м/с. Этой скорости соответствует 8-я степень
точности. Определим значение коэффициента
по
таблице 6 с помощью линейной интерполяции. Видим, что коэффициент
=1,163. Действительное контактное напряжение по
условию (20) равно
4.8 Определение допускаемой недогрузки передачи
Допускаемая
недогрузка передачи (
<[
] )
возможна до 15%,
а
допускаемая перегрузка (
>[
] ) - до
5%. Если эти условия не выполняются, то необходимо изменить ширину колеса b2
или межосевое расстояние а, и повторить расчет передачи.
Фактическая
недогрузка для рассматриваемого примера составит
(22)
что
меньше 15%, а значит допустимо.
Расчетное
максимальное напряжение при кратковременных перегрузках не должно превышать
допускаемого значения
(23)
Для
рассматриваемого примера расчета передачи
4.9
Определение других геометрических размеров колес
Определим другие геометрические размеры колес, показанные на рисунке 1.
Делительные
диаметры равны
d1=m∙z1=2∙27=54 мм, d2=m∙z2=2∙133=266 мм (24)
Диаметры вершин зубьев равны
da1=d1+2∙m=54+2∙2=58 мм,
da2=d2 +2∙m=266+2∙2=270 мм (25)
Диаметры впадин зубьев равны
df1 =d1 -2,5∙m =54-2,5∙2 = 49 мм, (26) df2=d2-2,5∙m=266-2,5∙2 = 261 мм
Проверим межосевое расстояние зубчатых колес
(27)
В прямозубой цилиндрической передаче при работе появляются силы в
зацеплении зубьев, показанные на рисунке 3.
Рисунок 3 - Схема сил в зацеплении цилиндрических прямозубых зубчатых
колес.
Окружные силы определяют по зависимости
(28)
Радиальные силы определяют по зависимости
(29)
где a = 20° - угол зацепления.
Нормальная сила является равнодействующей окружной и радиальной сил в
зацеплении и определяется по формуле
(30)
Конструктивные
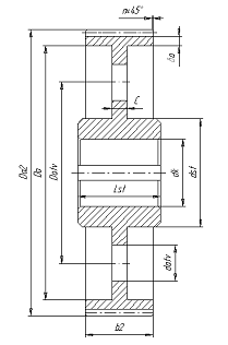
размеры зубчатого колеса показаны на рисунке 4 и приведены в таблице 2. В
качестве исходного размера используется диаметр посадочной поверхности вала dк
под колесо, который будет получен в пункте 4 учебного пособия. dK=60,8мм
Рисунок 4 - Цилиндрическое зубчатое колесо
Таблица 2 - Размеры зубчатого колеса, мм
|
Параметр (рисунок 4)
|
Формула
|
Расчет
|
|
Диаметр ступицы
|
dСТ=l,6∙ dK
|
dСТ=l,6∙61 = 97,6
|
|
Длина ступицы
|
LCT = b2…1,5 ∙dK
|
LCT = 64... 1,5∙61 = 64...91,5. Примем LCT=
70 мм
|
|
Толщина обода
|
= (2,5... 4,0) ∙m =
(2,5... 4,0) ∙2=5…8 Примем =6
|
|
|
Диаметр обода
|
D0=da2-2∙ -4,5∙mD0=270-2∙6
- 4,5 ∙2=249
|
|
|
Толщина диска
|
с=(0,2…0,3) ∙b2
|
с=(0,2…0,3) ∙64=12,6…18,9
Примем с=15
|
|
Диаметр центров отверстий в
диске
|
Dотв=0,5∙ (D0+dCT)
|
Dотв=0,5∙ (249+97,6)=173,3
|
5. Расчет цепной передачи
Важнейшим параметром цепной передачи является предварительное значение
шага цепи tґ, которое рассчитывается по
допускаемому давлению в шарнире цепи по зависимости:
,
где
- коэффициент эксплуатации, который представляет
собой произведение пяти поправочных коэффициентов, учитывающих различные
условия работы реальной передачи [1,табл 8]:
где
=1 - динамичность нагрузки (равномерная),
1 -
регулировка натяжения цепи (опорами),
-
положение передачи (наклон линии центров звездочек к горизонту: угол
),
- способ
смазывания (периодический),
- режим
работы (двухсменная).
Определяем
предварительное число зубьев ведущей звездочки.
принимается
Z1 = 23
Тогда
принимаем Z2 = 71 (нечетное число)
Уточним
передаточное число цепной передачи
Допускаемое
отклонение от расчетного значения uф не более 
4%
Допускаемое
давление в шарнире цепи 
, Н/мм2
определяем по стандартному ряду в зависимости от скорости цепи V. Если
не известны дополнительные данные, то задаются дополнительным значением V=2…3
м/с. Примем V=2,5 м/с, тогда интерполированием получаем
Н/мм2.
Рассчитываем
по зависимости шаг цепи
Полученное
значение округляем до ближайшего большего стандартного значения [1,табл Б.1] - t
=38,1 мм. По шагу выбираем цепь приводную однорядную нормальной серии ПР- 38,1
- 12700 ГОСТ 13568 - 75, [1,табл Б.1]
Определяем
фактическую скорость цепи
Этой
скорости в цепи соответствует допускаемое давление 
= 20,
Н/мм2
Определим
значение коэффициента
по таблице 6 с помощью линейной интерполяции.
=16,58
Рассчитаем
действительное давление в шарнире цепи, при этом должно выполняться условие 

Условие


выполняется.
По
условию долговечности цепи рекомендуется выбрать межосевое расстояние цепной
передачи при эскизной компоновке привода в интервале a = (30…50) * t =
(30...50)* 38,1= 1143…1905 мм.
Рассчитываем
предварительное значение межосевого расстояния
Определим
число звеньев в цепном контуре

Чтобы
не применять переходное соединительное звено, полученное значение округляем до
целого четного числа, т.е. примем Lt = 128
Уточним
фактическое значение межосевого расстояния цепной передачи по формуле
Выбранная
цепь будет иметь следующею длину:
Проверим
частоту вращения ведущей звездочки
Сравним
расчетное число ударов шарниров в цепи о зубья звездочек в секунду U
с
допускаемым значением [U]. Должно выполняться условие:
.
Определим
U - расчетное число ударов цепи о зубья звездочки
Определим
[U] - допускаемое число ударов цепи о зубья звездочки
Видим,
что 3,35 с-1 
13,33
с-1 . Следовательно, условие
выполняется.
Окончательно проверкой для выбора цепи является сравнение коэффициента запала
прочности s с его допустимым значением [s]. Должно
выполняться следующее условие:
Определим
коэффициент запаса прочности
, где :
-
разрушающая нагрузка цепи, Н. Она зависит от шага цепи и выбирается по таблице,
[1,табл Б.1].;

-
окружная сила, передаваемая цепью, Н

-
предварительное натяжение цепи от провисания ведомой ветви ( от ее силы
тяжести),
где
kf - коэффициент провисания цепи. Для горизонтальных
цепных передач kf =6;
m - масса одного
метра цепи, кг/м. Определим для выбранной цепи [1,табл Б.1], m =
5,50 кг/м;
a - межосевое
расстояние передачи, м;
g = 9,81 м/с2 -
ускорение свободного падения.

-
натяжение цепи от центробежных сил, Н
Таким
образом, фактический коэффициент запаса прочности цепи равен
Значение
допускаемого коэффициента запаса прочности определяем по данным таблицы [1,табл
9]. Условие s
[s]
выполняется.
Определим
силу давления цепи на валы Fп
Расчет
профиля зубьев звездочки регламентирован ГОСТ 592 - 81. Рассчитаем размеры
только ведущей звездочки, т.к. она изображается на чертеже общего вида редуктора:
диаметр
делительной окружности ведущей звездочки d
1, мм
диаметр
окружности выступов ведущей звездочки De1, мм
где
- коэффициент числа зубьев ведущей звездочки. Он
равен
;
λ - геометрическая характеристика зацепления
где
d3 - диаметр ролика цепи, [1,табл Б.1].
Рассчитываем
диаметр De1 , мм, по зависимости (62)
Рассчитываем
диаметр окружности впадин ведущей звездочки Di1, мм,
Размеры
ведущей звездочки:
Ширина
зуба b, мм
Угол
скоса γ = 20°
Фаска
зуба f, мм
Радиус
перехода r =1,6 мм
Толщина
диска С, мм
Диаметр
проточки Dс, мм
Диаметр
ступицы dст , мм
Длина
ступицы lст , мм
6.
Проектный расчет валов
При
работе испытывает сложное нагружение: деформации кручения и изгиба. Однако
проектный расчет валов проводится из условия прочности на чистое кручение, а
изгиб вала и концентрация напряжений учитываются пониженными допускаемыми
напряжениями на кручение, которые выбираются в интервале [
]=15...20 МПа. Меньшее значение [
] принимается для расчета быстроходных валов, большее
- для расчета тихоходных валов.
Наименьший
диаметр выходного участка быстроходного вала dВ1, мм,
(рисунок 7) равен:
(44)
Наименьший диаметр выходного участка тихоходного вала dВ2. мм, (рисунок 8) равен:
(45)
где Т2,, Т3 - номинальные вращающие моменты соответственно на входном
(быстроходном) и выходном (тихоходном) валах редуктора (пункт 1.4).
Полученные
расчетные значения диаметров выходных участков валов
,
округляются
до ближайшего большего стандартного значения из ряда, мм: 20, 21, 22, 24, 25,
26 ,28 ,30 ,32 ,34 ,35 ,36 ,38 ,40 ,42 ,45 ,48 ,50 ,52 ,55 ,60 ,63 ,65 ,70, 75
,80 ,85 ,90 ,95 ,100 ,105 ,110 ,120 ,125.
Окончательно
выбираем dВ1 = 32 мм, dВ2 = 48 мм. Остальные размеры
участков валов назначаются из выше приведенного ряда стандартных диаметров в
сторону увеличения, исходя из конструкторских соображений
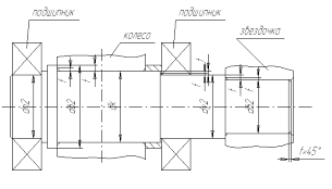
Рисунок 8 - Быстроходный вал (вал-шестерня)
Рисунок 9 - Тихоходный (выходной) вал
Для быстроходного вала (рисунок 8):
dУ1= dП1= 45 мм -диаметр вала под
уплотнение и подшипник. Необходимо учитывать, что значение посадочного диаметра
подшипника для данного диапазона кратно пяти (1, с. 67, таблица Б.5). Также
величина высоты t, мм, перехода
диаметра вала по отношению к предыдущему диаметру должна быть больше или равна
размеру фаски f, мм, (таблица 10);
dб1=50
мм - диаметр буртика для упора подшипника. Необходимо обеспечить, чтобы
величина диаметра dб1 была больше
или равна величине, рассчитанной по формуле dП1+ 2·t = 45
+ 2·2,5 = 50 мм. Значения высоты буртика t, мм, приведены в таблице 10. В этом случае величина высоты
буртика t должна быть больше или равна
величине радиуса закругления подшипника r, мм (таблица 10), что обеспечивает надежное осевое
размещение подшипника на валу;
df1, d1, da1,
b1- размеры шестерни (пункт 2).
Для тихоходного вала (рисунок 9):
dy2=dП2=55 мм - диаметр вала под
уплотнение и подшипник. Необходимо учитывать, что значение посадочного диаметра
подшипника для данного диапазона кратно пяти (1, с. 67, таблица Б.5). Также
значение высоты t, мм, перехода
диаметра вала по отношению к предыдущему диаметру должно быть больше или равно
величине размера фаски f, мм,
(таблица 10 [1]);
dк =
61 мм - диаметр под зубчатое колесо. Необходимо обеспечить, чтобы величина
диаметра dк была больше или равна величине
размера, рассчитанного по формуле dП2+2·t =55+2·3=61 мм. Высота перехода
диаметра t, мм, приведена в таблице 10. В этом
случае высота перехода t
должна быть больше или равна величине радиуса закругления подшипника r, мм, (таблица 10), что обеспечивает
надежное осевое размещение подшипника на валу;
dб2 =
68 мм - диаметр буртика для упора колеса. С другой стороны колеса для его
надежного осевого крепления на валу при сборке устанавливается распорная
втулка. Необходимо, чтобы высота перехода диаметра t была больше или равна размеру фаски f (таблица 10).
Длины участков валов определяются после эскизной компоновки редуктора на
миллиметровой бумаге непосредственным измерением линейкой или расчетом
размерных цепей.
7. Эскизная компоновка редуктора
7.1 Конструирование валов
Шестерня может быть выполнена с валом как одна деталь (вал - шестерня),
если выполняется следующее условие
df1
1,6· dб1, (46)
где df1- диаметр окружности впадин
шестерни. Расчет этого размера проводился в пункте 2;
dб1
-диаметр буртика рассчитан в пункте 4.
Для рассматриваемого примера 1,6·dб1 = 1,6·50 = 80 мм. df1=49мм. Условие выполняется 49≤80, следовательно,
быстроходный вал изготавливается, как вал - шестерня.
В зависимости от соотношения размеров df1, dб1
возможны четыре варианта изготовления вала - шестерни, показанные на рисунке
10. Величина выхода фрезы Lф
зависит от модуля зацепления m=2 и
внешнего диаметра фрезы Dф=70
мм
(таблица 15[1]) и определяется графически.
Переход между двумя смежными ступенями вала разных диаметров в
одноступенчатых редукторах чаще всего выполняется в виде канавки, размеры
которой в зависимости от диаметра вала приведены в таблице 12[1].

Рисунок 10 - Конструкция вала - шестерни
Размеры канавок для быстроходного вала:
ширина канавки в=3 мм
высота канавки h=0,25
мм
радиус перехода r=1 мм
Размеры канавок для тихоходного вала:
ширина канавки в=5 мм
высота канавки h=0, 5
мм
радиус перехода r=1,6
мм
Рисунок 11 - Канавки Длины выходных участков валов выбираются на 1,0…1,2
мм короче длины ступицы насаживаемой детали.
7.2 Предварительный выбор подшипников
В редукторах применяют в основном подшипники качения. Выбор типа
подшипника зависит от нагрузок, действующих на вал. Если действуют только
радиальные силы, то применяются радиальные шарикоподшипники (1, с. 67, таблица
Б.5). Выбор его типоразмера зависит от диаметра вала под подшипник. Посадочный
диаметр подшипника для быстроходного вала d=dП1=45, для
тихоходного вала d=dП2=50.
Выбираем подшипники средней серии для быстроходного вала, а для
тихоходного - тоже средней серии (для данного варианта),
т.к. если выбрать легкую серию, то долговечность подшипников будет меньше
допускаемой.
Таблица 4 - Выбор радиальных шарикоподшипников
|
Наименование вала
|
Обозначение подшипника
|
Размеры, мм
|
Грузоподъемность, кН
|
|
|
d
|
D
|
B
|
r
|
C
|
C0
|
|
Быстроходный
|
309
|
45
|
10
|
25
|
2,5
|
52,7
|
30,0
|
|
Тихоходный
|
211
|
55
|
100
|
21
|
2,5
|
43,6
|
25,0
|
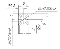
Диаметр окружности, проходящей через центр тел качения DPW, мм, определяется по формуле
DPW=0,5(100+45)=72,5
мм,
DPW=0,5(100+55)=77,5мм.
Рисунок 12 -
Соотношение размеров подшипника
7.3 Выбор способа смазки передачи и подшипников
Зубчатая цилиндрическая передача в горизонтальном редукторе смазывается
жидким маслом методом окунания колеса в масляную ванну, роль которой играет
корпус редуктора. Так как для нашего случая величина окружной скорости в
зацеплении зубчатых колес V
больше 2,5 м/с (V=3,06 м/с), то
подшипники смазываются масляным туманом от разбрызгивания этого же масла.
7.4 Выбор крышек подшипниковых узлов и уплотнений
Для герметизации подшипниковых узлов редуктора и осевой фиксации
подшипников применяются крышки. Они изготавливаются, как правило, из чугуна СЧ
15 двух видов - торцовые (1, с.68-69, таблицы Б.6 и Б.7) и врезные (1, с.70,
таблица Б. 8). Те и другие изготавливаются в двух исполнениях - глухие и с
отверстием для выходного конца вала. Размеры крышек определяют в зависимости от
диаметра наружного кольца подшипника D
Рисунок 13 - Подшипниковый узел
Крышки торцовые глухие (таблица Б.6[1])
Для быстроходного вала :
D =
100 мм, D1 = 120 мм , D2 = 145 мм, D3 =
90 мм , H = 15 мм, b = 5 мм, под болты: d = 11 мм, d1 = 18 мм, n = 6
Для тихоходного вала:
D =
100 мм, D1 = 120 мм , D2 = 145 мм, D3 =
90 мм , H = 15 мм, b = 5 мм, под болты: d = 11 мм, d1 = 18 мм, n = 6

Рисунок 14 - Крышка глухая торцовая
Крышки торцовые с отверстием для манжетного уплотнения (ГОСТ 18512 - 73
таблица Б.7[1])
Для быстроходного вала:
D =
100 мм, D1 = 120 мм, D2 = 145 мм, D3 =
90 мм, D4 = 100 мм, H = 23 мм,
h = 8 мм, h1 = 15 мм, В = 18 мм, b = 5 мм, b1 = 11 мм, L = 3 мм, h2 = 3.
Под болты: d
= 11 мм, d1 = 18 мм, n = 6.
Для тихоходного вала:
D =
100 мм, D1 = 120 мм, D2 = 145 мм, D3 =
90 мм, D4 = 100 мм, H = 23 мм,
h = 8
мм, h1 = 15 мм, В = 18 мм, b = 5 мм, b1 = 11 мм, L = 3
мм, h2 = 3. Под болты: d = 11 мм, d1 = 18 мм, n = 6.

Рисунок 15 - Крышка торцовая с отверстием
электродвигатель привод мощность передача
Для предотвращения вытекания смазочного материала из подшипниковых узлов,
а также зашиты их от попадания пыли, грязи и влаги, в крышках с отверстием для
выходного конца вала размешается уплотнение. Наиболее широко применяются
резиновые армированные манжеты (1,с.71,таблица Б. 9), размеры которых
выбираются по диаметру вала под уплотнение d = dy1
или dy2.
Манжета может иметь пыльник (исполнение 2).
Во время работы привода происходит нагрев деталей и масла, что приводит к
линейному удлинению валов редуктора. Для компенсации этого расширения
предусматривают осевой зазор в подшипниковых узлах a=0,2...0,5мм, который на чертежах общего вида не
показывается. При применении торцовых крышек регулировка осевого зазора
производится с помощью набора металлических прокладок (рисунок 12), который
устанавливается под фланец крышки. При применении врезных крышек
регулировка осевого зазора производится с помощью компенсирующих колец,
которые устанавливаются между торцами наружных колец подшипников и крышек.
Торцовые крышки подшипниковых узлов крепятся к корпусу редуктора с
помощью потайных винтов (1,с.72,таблица Б. 10), а для того, чтобы не было их
самоотвинчивания при вибрации, под головки винтов могут подкладываться
пружинные шайбы (1,с.72,таблица Б.11). 7.5
Графическая часть эскизной компоновки редуктора
Выполнение эскизной компоновки проводится несколькими этапами
На первом этапе откладывается межосевое расстояние а и вычерчивается
зубчатая цилиндрическая передача, размеры которой получены в пункте 2.
На втором этапе прочерчивается граница внутренней стенки редуктора на
расстоянии X = 8...12 мм от элементов зубчатой
цилиндрической передачи. Со стороны шестерни предварительное значение размера f, мм, определяется по формуле
f = D/2 + X = 100/2+10 = 60 мм, (48)
где D - диаметр наружного кольца
подшипника быстроходного вала, мм.
На третьем этапе вычерчиваются ступени валов на соответствующих осях по
диаметральным размерам, полученным в проектном расчете валов. Длины участков
валов L1, L2, L3, L4, L5, L6 , L7, L8 , мм, получаются из следующих рассуждений:
L1 -
длина участка вала под шкив, который равен
L1
=1,5·dB1, (49)
L1=1,5·40=60
мм
где dB1 - диаметр выходного участка вала,
мм;
Так как ступица шкива больше чем длина участка вала то принимаем его
конструктивно.
L2, L6 - длины участков валов под крышку с
уплотнением и подшипник,
которые рассчитываются по зависимости:
L2(6)
=B +H +5+Xмм,
(50)
L2=25+23+5+10=63
мм,
L6=21+23+5+10=59мм
где В - ширина соответствующего подшипника, мм;
Н - ширина соответствующей крышки, мм;
L4 , L7 - длины участков валов, находящихся
внутри корпуса редуктора. Они определяются по зависимости
L3 =L7 = b1 +2·X,
(51)
L3 =L7 =71+2·10=91 мм,
где b1,- ширина шестерни, мм;
L4, L8 - длины участков валов под
подшипник, которые определяются по формуле
L4(8)=В+X (52)
где В - ширина соответствующего подшипника, мм
L4=35,
L8=31
Если в конструкции редуктора применяются мазеудерживающие кольца, то в
размеры L2, L4, L6 , L8 , определяемые по формулам (49) и
(52), добавляется ширина мазеудерживающего кольца.
На четвертом
этапе дорисовываются подшипники по своим габаритным размерам и определяются для
валов размеры ai, bi , мм, которые являются плечами приложенных к валу сил.
Определение этих размеров позволяет провести проверочный расчет валов на
прочность и расчет подшипников на долговечность.

Рисунок 16 - Последовательность эскизной компоновки редуктора
8.
Определение внутренних силовых факторов в сечениях вала
После выполнения эскизной компоновки редуктора необходимо провести
проверочные расчеты валов и подшипников.
В данной курсовой работе проверочный расчет выполняется только для
тихоходного вала, как более нагруженного. Расчет вала проводится на совместное
действие изгиба и кручения. Для начала необходимо определить внутренние силовые
факторы в сечениях вала. Составляем расчетную схему вала. К тихоходному валу
прикладываем силы от зубчатой цилиндрической прямозубой передачи и цепной
передачи. Необходимо правильно расположить силы в плоскостях в соответствии с
кинематической схемой привода. Размеры участков тихоходного вала а = 76 мм, в =
66 мм были получены после эскизной компоновки редуктора.
Рассмотрим вертикальную плоскость YAX (рисунок 16,6). Окружную силу в зацеплении зубчатых
колес Ft перенесем на ось вала, добавляя
момент, равный Ft·d2/2.
От действия окружной силы Ft,
возникают реакции в опорах
=Ft/2=3118/2=1559Н,
так
как передача расположена симметрично относительно опор. Максимальное значение
изгибающего момента в вертикальной плоскости
, Н·мм,
(рисунок 16,в) равно
=
·b = 1559·66 = 102894 H·мм.
Рассмотрим горизонтальную плоскость ZAX (рисунок 16,г).
Определим
реакции в опорах
,
.
Решая
последнее уравнение относительно реакции
, получим
Н

Рисунок 17 - Схема нагружения тихоходного вала, эпюры внутренних силовых
факторов
Решая
последнее уравнение относительно реакции
, получим
После определения реакций в опорах необходимо провести проверку по
уравнению
;
-1722,86-1135+6835,86-3978=0.
Видим, что тождество выполняется. Значит, реакции в опорах определены
правильно.
Определим изгибающие моменты в сечениях вала.
В точке К
изгибающий момент равен
В
точке В изгибающий момент равен
Н·мм
По
рассчитанным значениям строим эпюру изгибающих моментов в горизонтальной
плоскости (рисунок 17, д).
Далее
необходимо построить суммарную эпюру изгибающих моментов
, Н·мм, (рисунок 17,е) по зависимости
. (53)
В
точке К суммарный изгибающий момент равен

Н·мм .
На
участке вала от точки К до конца выходного участка (рисунок 17,а) действует
также и крутящий момент Тз =590820 Н·мм, эпюра которого показана на рисунке
17,ж. 9 Проверка подшипников на долговечность
Для
проверки подшипников на долговечность необходимо сначала определить суммарные
радиальные реакции в опорах вала.
Выбранные
подшипники для тихоходного вала проверяются на долговечность по наиболее
нагруженной опоре. В рассматриваемом примере более нагружена опора В,
радиальная сила в которой равна
.
Долговечность
выбранных шарикоподшипников Lh , ч, определяется по формуле:
, (56)
где n = 293 мин-1 - частота вращения
тихоходного вала;
С = 43600 Н - динамическая грузоподъемность подшипника тихоходного вала;
Р - приведенная нагрузка, Н, которая для постоянного режима нагружение
определяется по зависимости
P = FrVCpKT, (57)
где V - коэффициент, учитывающий, какое
кольцо подшипника вращается. При вращении внутреннего кольца подшипника V=1 ;
Ср - коэффициент режима нагрузки, Cp=1,2 (таблица 12)
КT - температурный коэффициент. Если
при работе редуктор не нагревается выше 100°, то можно принять KT=1. Приведенная нагрузка по формуле
(57) равна Р = 7066 ·1· 1,2· 1 = 8479 H. Долговечность подшипника по формуле (56) равна
Lh>[Lh] 18471>10000, значит расчетная
долговечность подшипников выполняется.
9. Проверочный расчет тихоходного вала
Цель проверочного расчета состоит в проверке соблюдения следующего
неравенства в опасном сечении вала
s>[s], (58)
где s,[s]-расчетный и допускаемый коэффициент запаса прочности ([s]=2,5... 3,0 для валов общего
назначения).
Опасным будем считать сечение вала, где возникают наибольшие изгибающие и
крутящие моменты. В рассматриваемом примере таким сечением является сечение в
опоре В (рисунок 17). Также опасным может оказаться сечение под колесом.
Расчетный коэффициент запаса прочности равен:
(59)
где
-коэффициенты запаса Прочности соответственно по
нормальным и касательным напряжениям, рассчитываемые по формулам:
(60)
где
-пределы выносливости материала вала при симметричных
циклах изгиба и кручения, МПа. Выбираем материал вала - сталь 40Х, термообработка
- улучшение: от
МПа,
= 900
МПа. Тогда пределы выносливости материала вала определяются по эмпирическим
зависимостям.
МПа,
МПа;
(61)
-
эффективные коэффициенты концентрации напряжений при изгибе и кручении в
опасном сечении, которые выбираются по виду концентратора напряжений. Для
рассматриваемого примера определим соотношение размеров: t/r=3/1,6=1,875;
r/d = 1,6/55=0,029. Учитывая, что для материала вала
=900 МПа, определим коэффициенты
-коэффициент,
учитывающий шероховатость поверхности вала. Его значение выбирают в интервале
=0,9…1,0;
=0,95
-масштабные
факторы для нормальных и касательных напряжении. Для рассматриваемого примера
=0,675;
= 0,675;
-
амплитуды циклов напряжений, МПа
- средние
значения циклов напряжений, МПа;
-
коэффициенты, учитывающие влияние среднего напряжения цикла на коэффициент
запаса прочности.
Напряжения
изгиба изменяются по симметричному циклу, поэтому амплитуда
, МПа, и средние цикла
, МПа,
равны
,
=0, (62)
где
- максимальный изгибающий момент, Н·мм , в опасном сечении
вала;
W - момент
сопротивления сечения, мм3, который равен: для круглого сплошного сечения вала W=0,1d 3,
а для сечения со шпоночным пазом
(63)
где d - диаметр вала в опасном сечении, а
размеры шпоночного паза приведены в таблице Б.12.
Так
как у нас опасное сечение вала - сплошное, то поэтому амплитуда цикла
, МПа, определяется по формуле
Напряжения
кручения при нереверсивном вращении вала изменяются по нулевому циклу, поэтому
амплитуда
, МПа, и среднее значение цикла
, МПа, равны
(64)
где Т1 - крутящий момент в опасном сечении вала, Н·мм, (см. эпюру
крутящих моментов, рисунок 17,ж);
Wр -
полярный момент сопротивления сечения, мм3, который равен для круглого
сплошного сечения вала Wp =
0,2d3 , а для сечения со шпоночным пазом
(65)
d -
диаметр вала мм, в опасном сечении вала, а размеры шпоночного паза приведены в
[1,c.73, табл. Б.12].
Выбираем
коэффициенты
:
Для рассматриваемого примера коэффициенты запаса прочности по нормальным
и касательным напряжениям равны по формулам (60)
Расчетный
коэффициент запаса прочности равен по формуле (59)
Расчетный коэффициент запаса прочности больше допускаемого по условию
s>[s] 8.87≥(2,5... 3,0) значит, вал работоспособен. 11 Выбор
шпонок и проверка их на прочность
В соответствии с заданием на курсовую работу конструкции редуктора
применено три шпоночных соединения: зубчатое колесо - вал и выходные участки
быстроходного и тихоходного валов для крепления элементов открытых передач и
полумуфты.
Выбор сечения
шпонки осуществляется по диаметру вала d (таблица Б.12). Длина шпонки
выбирается на 5... 10 мм короче длины ступицы сопрягаемой с валом детали из
стандартного ряда. Выбранная шпонка проверяется на смятие по условию прочности
(66)
-
расчетное напряжение смятия, МПа, определяемое по формуле
(67)
где Ti - вращающий момент, Н·мм,
передаваемый валом;
d, h, b, t1 - размеры
соединения, мм, [1.c.73,табл. Б.12];
1р - расчетная длина шпонки, мм, которая для призматической шпонки с
закругленными торцами равна lp=l-b; (68)
-
допускаемое напряжение смятия, которое для стальной ступицы равно 80 ... 120 МПа,
для чугунной ступицы - уменьшается вдвое .
В
курсовой работе выбираются и проверяются все три шпонки. В качестве примера
выберем и проверим на прочность шпонку под зубчатым колесом. Для диаметра
тихоходного вала под колесом dк = 61мм по [1.c.73,табл. Б.12]
выбираем сечение шпонки b x h =
18 мм х 11мм.
Глубина
шпоночного паза в тихоходном валу редуктора t1 = 7 мм. Длина
шпонки согласовывается с длиной ступицы колеса, которая равна 75 мм. Выбираем
длину шпонки l=75мм. Тогда по зависимости: lp= 51-18 = 38 мм.
Для
тихоходного вала : b = 18 мм, h = 11 мм, t1 =
7 мм
Проверим выбранную шпонку на смятие видим, что действительное напряжение
смятия меньше допускаемого. Значит, выбранная шпонка работоспособна.
Заключение
В
результате выполнения данной курсовой работы я обучился методам проектирования
и расчета зубчатой цилиндрической передачи, проверки работоспособности
конструкции редуктора, а также расширил и углубил свои теоретические знания.
В
данной курсовой работе была описана последовательность выбора электродвигателя
и определение кинематических и силовых параметров валов привода. Выполнены
проектный и проверочный расчеты валов, подбор и проверка подшипников на
долговечность. Произведены выбор шпонок и проверка их на прочность.
Список
источников литературы
1. Проектирование механического привода общего назначения /
Сост.: В. Г. Сутокский, С. Н. Журавлева; Кубанский гос. технол. ун-т Каф.
технической механики. - Краснодар: Изд-во КубГТУ, 2001.- 80с.
2. Шейнблит А. Е. Курсовое проектирование деталей
машин.- Калининград:
Янтарный сказ, 1999.- 455с.
3. Дунаев П. Ф. Конструирование узлов и деталей машин/ П. Ф.
Дунаев, О. П. Леликов.- М.: Высшая школа, 1998.-447 с.