|
Е24
|
100
|
130
|
180
|
240
|
330
|
430
|
560
|
750
|
|
110
|
150
|
200
|
270
|
360
|
470
|
620
|
820
|
|
120
|
160
|
220
|
300
|
390
|
511
|
680
|
910
|
|
|
|
|
|
|
|
|
|
|
Технико-экономическое обоснование
В данной курсовой работе разрабатывается
автоматическая система контроля резисторов. Необходимость разработки таких
систем возникает вследствие малого их количества и достаточно большой цены.
Также использование стандартных средств измерения сопротивления (например,
электронных омметров), достаточно неудобно на производстве. Так как возникает
необходимость в ручном расчете процентного отклонения сопротивления резистора
от номинала. Данная система автоматически определяет процентное отклонение
номинала резистора и отображает данные непосредственно на жидкокристаллическом
экране, что очень удобно. Также возможно подключение данной системы к
персональному компьютеру.
Аналитический обзор существующих способов
решения поставленной задачи
В зависимости от объекта измерений, требуемой
точности результата, допустимого напряжения на измеряемом объекте или внешних
условий применяют различные методы. Наибольшее применение при измерении
сопротивлений получили метод вольтметра-амперметра, метод непосредственной
оценки, метод моста и метод дискретного счета.
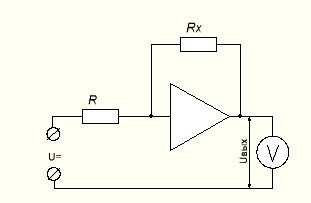
Метод вольтметра-амперметра
Этот метод является косвенным, так как сводится
к измерению тока и напряжения в цепи с измеряемым объектом и последующим
расчетом его параметров по закону Ома. Измерение активных сопротивлений
производятся на постоянном токе, при этом включение неизвестного резистора Rх,
в измерительную цепь возможно по схемам, представленным на рис. 1, а и б. Обе
схемы приводят к методическим погрешностям, обусловленным конечными значениями
внутренних сопротивлений приборов.
Определим эти погрешности. Действительное
значение измеряемого сопротивления в обоих случаях равно:

(1)
Сопротивление 
, измеренное по схеме, приведенной
на рис. 1, а, будет меньше действительного значения, так как показание
амперметра будет завышено на значение тока Iв, а
показание вольтметра будет равно напряжению на Rх. При этом
относительная методическая погрешность, %:

(2)
Из этого соотношения следует, что
погрешность 
, тем меньше, чем больше
сопрогивленнс вольтметра.
В случае применения схемы,
приведенной на рис. 1,б.

(3)
где 
-падение напряжения на амперметре;
тогда относительная методическая погрешность, %:

(4)
Погрешность 
появляется из-за неточного
определения напряжения на измеряемом объекте, так как, кроме напряжения 
, вольтметр измеряет также падение
напряжения на амперметре, следовательно, методическая погрешность будет тем
меньше, чем меньше сопротивление амперметра по сравнению с измеряемым
сопротивлением.
Таким образом схемой, приведенной на
рис.1, а, следует пользоваться для измерения малых сопротивлений, а схемой,
приведенной на рис 1, б - для измерения больших сопротивлений.
а) б)
Рис.1 Схема измерения активного
сопротивления методом вольтметра амперметра
Этот способ измерения сопротивлений
наиболее простой. Схемы, реализующие его, просты, но не обеспечивают высокой
точности (погрешность до 10-15%) измерений. Способ амперметра-вольтметра
используют в основном в омметрах - приборах для измерения электрического
сопротивления на постоянном токе.
Метод непосредственной оценки
Метод непосредственной оценки
реализуется в приборах прямого действия, в которых измеряемая величина оценивается
непосредственно по шкале, заранее отградуированной в соответствующих единицах,
или считывается с электронного табло цифровых приборов. Из приборов с
непосредственным отсчетом сопротивления на практике наибольшее применение
получили омметры, которые по принципу действия, заложенному в них,
подразделяются на электромеханические и электронные.
Электромеханические омметры делятся
на две группы: омметры с однорамочным измерительным механизмом и омметры с
двухрамочным измерительным механизмом логометрического типа.
Омметры электромеханической группы в
качестве отсчетного устройства используют чувствительный измеритель И
магнитоэлектрической системы (обычно с током полного отклонения Iи = 50 - 100
мкА).
Омметры с однорамочным измерительным
механизмом в зависимости от значения измеряемого сопротивления выполняются по
последовательной (рис.2, а) или параллельной (рис. 2, б) схемам.
а) б)
Рис.2 Схемы электромеханических
омметров с однорамочным измерительным механизмом
В качестве измерителя И в омметрах
этого типа используется обычно однорамочный магнитоэлектрический измерительный
механизм с добавочным сопротивлением Rд. Источником
питания омметров подобного вида, как правило, служит батарея.
Ток, протекающий через измерительный
механизм при разомкнутом ключе Кл, в последовательной схеме омметра равен

(5)
где 
- сопротивление измерительного
механизма; 
- постоянная измерительного
механизма по току; 
- угол поворота подвижной части
измерительного механизма. Из этого выражения следует:

(6)
При постоянных значениях 
, 
, 
и 
угол поворота измерительного
механизма 
определяется значением измеряемого
сопротивления 
, т. е. шкала прибора может быть
проградуирована в единицах сопротивления. Шкала омметра неравномерна. Начало
отсчета (нуль шкалы) у этого омметра справа, т. е. соответствует максимальному
углу поворота подвижной части измерительного механизма, так как при 
→0
= max. С течением
времени ЭДС батареи уменьшается, это вызывает погрешность в показаниях прибора.
Для поддержания напряжения на измерительном механизме постоянным применяется
добавочный резистор 
. С этой целью при замкнутом ключе
Кл производится установка нуля изменением сопротивления добавочного резистора 
. Омметры с последовательной схемой
используются при измерении сравнительно больших сопротивлений (единиц кОм), так
как при малых значениях 
эта схема имеет малую
чувствительность. При измерении небольших сопротивлений применяются омметры,
выполненные по параллельной схеме (рис. 2, б), для которой уравнение шкалы
имеет вид:

(7)
где 
, 
Как и в случае использования
последовательной схемы, угол поворота подвижной части измерительного механизма
зависит от сопротивления 
при условии, что остальные члены
уравнения (7) постоянны. В этом случае нулевое положение указателя совпадает с
нулевым значением измеряемого сопротивления, т. е. нуль на шкале слева.
Контроль правильности показаний прибора производится при разомкнутом ключе Кл.
При этом указатель прибора находится в крайнем правом положении (
). Компенсация изменения ЭДС батареи
производится изменением сопротивления 
.
Обычно погрешности измерения таких
омметров лежат в пределах 
(при измерении на рабочем участке
шкалы), У краёв шкалы погрешности сильно возрастают.
Основным недостатком омметров с
однорамочным измерительным механизмом является зависимость показаний от
напряжения источника питания, что вызывает необходимость предварительной
регулировки прибора.
Омметры с логометрическим
измерительным механизмом являются двухрамочными приборами, выполняются по
последовательной (рис.3, а) и параллельной (рис.3, б) схемам.
а) б)
Рис.3 Схемы электромеханических
омметров с логометрическим измерительным механизмом
Для схемы на рис.3,а имеем

где 
и 
-сопротивление рамок прибора.
Для схемы на рис.3, б имеем

, 
Угол поворота подвижной части
зависит от отношения токов 
. Видно, что при постоянных
значениях 
, 
, 
и 
показания прибора определяются
значением измеряемого сопротивления 
и не зависят от напряжения
источника питания. Схема с последовательным включением 
применяется для измерения больших
сопротивлений (сотен мегаом). При использовании параллельной схемы включения 
предел измерения прибора снижается
до сотен кОм. В качестве источников питания в логометрах используется генератор
индукторного типа, который приводится во вращение оператором или
электродвигателем. Основным достоинством приборов логометрического типа
является независимость показаний прибора от напряжения источника питания.
Электронные омметры. При построении
схем электронных омметров используются два метода: метод стабилизированного
тока в цепи делителя и метод преобразование измеряемого параметра в
пропорциональное ему напряжение.
а) б)
Рис.4 Схема измерения сопротивлений
по методу стабилизированного тока в цепи делителя
На рис.4, а приведена схема
измерения сопротивления по методу стабилизированного тока в цепи делителя.
Делитель, составленный из известного образцового 
и измеряемого 
сопротивлений, питается от
источника напряжения 
. Падение напряжения на образцовом
резисторе усиливается усилителем У с большим входным сопротивлением. Выходное
напряжение усилителя зависит от значения измеряемого сопротивления. В качестве
индикатора обычно применяется магнитоэлектрический микроамперметр, шкала
которого градуируется в единицах сопротивления. Если усилитель имеет
коэффициент усиления К и входное сопротивление 
, то измеряемое сопротивление будет
определяться выражением:

(8)
при 
получим: 
. Эта схема применяется при
измерении достаточно больших сопротивлений, когда 
.
Для измерения малых сопротивлений
применяется схема, представленная на рис.4, б. Измеряемое сопротивление
определяется выражением:

(9)
а при 
: 
. Данная схема позволяет измерять
сопротивление в диапазоне 
.
Измерение средних и больших (до 1018
Ом) сопротивлений осуществляется с использованием метода преобразования
измеряемого параметра в пропорциональное ему напряжение. Такие электронные
омметры выполняются на основе усилителя постоянного тока (УПТ) с большим
коэффициентом усиления охваченного отрицательной обратной связью рис.5.
Напряжение на выходе усилителя равно:

(10)
где 
-коэффициент усиления УПТ без обратной
связи; 
- коэффициент обратной связи. При
большом коэффициенте усиления 
и выражение (10) имеет вид: 
.
Как видно из выражения (10) выходное
напряжение будет пропорционально значению 
Вольтметр можно отградуировать в
единицах сопротивления. Шкала такого омметра получается равномерной.
Относительная погрешность не превышает обычно ±2,5%. Для расширения пределов
измерения используют набор резисторов. В приборах для измерения особо больших
сопротивлений - тераомметрах - сопротивление 
включают на входе УПТ. Как следует
из формулы (10), шкала прибора получается обратной. Относительная погрешность
возрастает до ±10% при измерении сопротивлений 
1012 Ом.
Рис.5
Мостовой метод
Мостовая схема может быть
представлена в виде четырех последовательно включённых сопротивлений образующих
четырехполюсник (рис. 6), к двум зажимам которого (диагональ питания) подключен
источник питания, а к двум другим (измерительная диагональ) - индикатор
(указатель равновесия). Ветви, включающие в себя эти сопротивления, называются
плечами моста.
Рис. 6
Схема одинарного четырёхплечного
моста постоянного тока
При определенном подборе
сопротивлений резисторов создается равновесие (баланс) моста, при котором ток в
измерительнойной диагонали отсутствует (
) и стрелочный указатель
нуль-индикатора устанавливается на нулевую отметку шкалы. Условием равновесия
моста является равенство произведений сопротивлений противоположных плеч

(11)
Если одно из этих сопротивлений является
измеряемым 
, его можно определить из
соотношения

(12)
Формула (12) называется рабочей
формулой моста. Для определения 
необходимо знать сопротивление
плеча 
, называемого плечом сравнения, и
отношение сопротивлений плеч
и 
, называемых плечами отношения.
Таким образом, сопротивление 
измеряется методом сравнения с
образцовыми сопротивлениями 
,
, 
, из которых одно или несколько для
обеспечения равновесия должны быть регулируемыми.
Если измеряемая величина определяется
при значении тока 
, мост называется уравновешенным. В
неуравновешенных мостах постоянного тока измеряемое сопротивление определяется
по значению тока гальванометра, проградуированного в единицах сопротивления, т.
е. 
. Причинами погрешностей измерения
сопротивлений уравновешенным одинарным четырехплечным мостом являются
недостаточно точная подгонка и рехупировка образцовых сопротивлений 
,
, 
, ограниченная чувствительность
гальванометра и мостовой схемы.
Для измерения малых активных
сопротивлений (
), с целью исключения влияния
сопротивлений соединительных проводов применяют двойные мосты (рис. 7). В цепь
источника питания входят регулировочное сопротивление 
, измеряемое малое сопротивление 
, образцовое сопротивление 
, которое выбирают одного порядка с 
и сопротивление соединительной шины

.
Рис.7
Схема двойного моста постоянного
тока
Сопротивления 

, 
, 
входящие в измерительную цепь,
выбирают достаточно большими (сотни и тысячи Ом). Таким образом, при работе
двойного моста в цепи источника питания обеспечивается достаточно большой ток
(5-10 А), позволяющий получить заметное падение напряжения на малых
сопротивлениях 
и 
, чем обеспечивается требуемая
чувствительность схемы. Резисторы 
и 
подключаются в цепь по
четырёхзажимной схеме включения: двумя токовыми зажимами присоединяются в цепь
источника питания моста, а двумя потенциальными в измерительную цепь, благодаря
этому через потенциальные зажимы в высокоомную измерительную цепь будут
ответвляться малые токи, создающие малые падения напряжений в соединениях, что
заметно снижает их влияние на погрешность измерения.
При равновесии моста ток через
указатель равновесия 
для схемы на рис.7 можно составить
следующие уравнения:

При соблюдении равенства: 
и достаточно малом сопротивлении 
рабочая формула двойного моста
постоянного тока запишется в следующем виде:

(13)
На практике изготавливаются
комбинированные мосты постоянного тока. Общая погрешность измерения одинарного
моста при измерении сопротивлений от 50 Ом до 100 кОм-0,05%, и двойного при
измерении сопротивлений от 100 Ом до 1 мкОм-0,5-1,5%.
Основными достоинствами мостов
постоянного тока являются высокая чувствительность и точность измерений. Для
повышения чувствительности равноплечего моста увеличивают напряжение питания и
применяют высокочувствительный магнитоэлектрический прибор-гальванометр,
показания которого заметны при незначительном изменении сопротивления в одном
из плеч моста. Очень малую погрешность измерений (порядка 0,5-0,05% и меньше)
получают при высокой точности фиксации состояния равновесия и применении точных
и стабильных резисторов и магазинов.
Метод дискретного счёта
Такие омметры обладают большим
быстродействием и высокой точностью. Упрощённая структурная схема подобного
омметра представлена на рис. 8. Принцип действия такого омметра основан на
измерении временного интервала, равного постоянной времени цепи разряда
образцового конденсатора 
через измеряемый резистор 
электронно-счетным методом.
Погрешность измерений методом
дискретного счета составляет 0,1 - 0,2% и зависит главным образом от
нестабильности сопротивлений резисторов 
, 
или конденсатора 
, нестабильности частоты генератора
счетных импульсов, а также неточности срабатывания устройства сравнения.
Для уменьшения погрешности
дискретности (равной соответственно 
) нужно увеличивать частоту
следования счетных импульсов 
и постоянную времени цени разряда
конденсатора (т. е. соответственно 
). Рассмотренный метод измерения
имеет высокую точность. Так, например, если при измерении сопротивлений взять 
= 1000 пФ и 
1 МГц, то при 
= 1 МОм m будет равно
1000 импульсов и погрешность дискретности составит лишь ±0,1%.
Рис. 8
Структурная схема измерителя сопротивления,
реализующая метод дискретного счёта
Перед началом измерения конденсатор 
контактами реле Р подключается к
источнику напряжения Е и полностью заряжается по истечении некоторого времени
(рис. 9, 0). При нажатии кнопки «Измерение» управляющее устройство переключает
контакты реле Р, благодаря чему начинается разряд конденсатора 
через резистор 
. Одновременно с началом разряда
конденсатора (момент t0)
управляющее устройство выдает импульс (рис. 9, 1), которым триггер переводится
в положение 1 (рис. 9, 2). При этом открывается временной селектор и на вход
электронного счетчика начинают поступать импульсы для счета (рис. 8-11,
диаграммы 3, 4).
микроконтроллер резистор печатный плата
Рис. 9
Временные диаграммы, поясняющие работу схемы,
приведённой на рис. 8
На входы сравнивающего устройства
подаются: напряжение конденсатора 
, убывающее с постоянной времени 
и напряжение делителя, состоящего
из резисторов 
и 
(рис. 9 ,0), которое определяется
выражением:

В момент t1 напряжение
конденсатора 
станет равным напряжению 
и сравнивающее устройство выдаст
импульс (диаграмма 5), которым триггер переведется в положение 0. Временной
селектор закроется. Счет импульсов прекратится (диаграммы 2, 4). За интервал
времени 
счетчик подсчитал m импульсов,
следовавших с периодом Тк (рис. 9, 3). Так как при 

(с погрешностью ±
), то

(14)
Для удобства отсчета целесообразно
выбирать параметры 
и 
таким
образом, чтобы выполнялось равенство 
Ом/имп
где n= 0; ± 1; ±
2; ± 3.
При

получим

или 
Таким образом, напряжение 
должно иметь определённое значение,
что достигается подбором резисторов 
и 
.
В данном курсовом проекте для
измерения сопротивлений я выбрал метод дискретного счёта, потому что этот метод
наиболее точный, высокоскоростной (интервал измерения: 
) и наиболее подходит для решения
поставленной задачи.
Разработка структурной схемы
Рис.10
Структурная схема разрабатываемого устройства
Схема устройства будет состоять из следующих
структурных блоков:
1. Источник опорного
напряжения: обеспечивает повышенную стабильность выходного напряжения.
. Схема измерения:
основана на разряде предварительно заряженной образцовой емкости.
. Устройство сравнения:
сравнение двух входных величин, в данном случае аналоговых и выдачи на выходы
сигналов о результате этого сравнения (о равенстве или неравенстве).
4. Триггер: устройство, обладающее
возможностью, длительно находится в одном из двух или более устойчивых
состояниях, и чередовать их под воздействием внешних воздействий. Триггеры -
это логические устройства с памятью. Их выходные сигналы в общем случае зависят
от сигналов, приложенных к входам в данный момент времени, но и от сигналов,
воздействующих на них ранее.
. Кварцевый генератор: очень высокая
добротность и стабильность.
. Протокол RS-232:
предназначен для подключения аппаратуры, передающей или принимающей данные, к
оконечной аппаратуре каналов данных. Сигнал (последовательность битов)
передается напряжением. Передатчик и приемник являются несимметричными: сигнал
передается относительно общего провода. В таблице 1 приведены границы
напряжений для сигналов приемника и передатчика. Логическому нулю па входе
приемника соответствует диапазон напряжений +3... + 12 В, а логической единице
- диапазон -12...-3 В. Диапазон -3...+3 В - зона нечувствительности,
обеспечивающая гистерезис приемника (передатчика). Уровни сигнала на выходах
должны быть и диапазоне -12.. -5 В для представления логической единицы и +5 ..
+12 В для представления логического нуля.
|
Диапазон
напряжения входа приёмника, В
|
Диапазон
напряжения выхода передатчика, В
|
Состояние
уравновешивающего сигнала
|
Состояние
линии данных
|
|
Логический
«0»
|
+3...
+ 12
|
+5
.. +12
|
ON
|
MARX
|
|
Логическая
«1»
|
-12...-3
|
-12..
-5
|
OFF
|
SPACE
|
Таблица 1 Границы напряжений COM-порта
(стандарт RS-232)
. Схема совпадения: выходной сигнал
должен вырабатываться тогда, когда сигналы на входах совпадают (приходят
одновременно). Если совпадения нет, то выходной сигнал должен отсутствовать.
. Счётчик: считает количество входных
импульсов, то есть с приходом каждого нового импульса двоичный код на выходе
счётчика увеличивается (или уменьшается) на единицу.
. Набор образцовых конденсаторов:
выбирается конденсатор соответствующий измеряемому номиналу сопротивления.
. Устройство индикации: информирует о
том, находится измеряемый резистор в необходимом допуске или нет.
. Делитель частоты: делит частоту
кварцевого генератора в зависимости от диапазона контролируемых резисторов.
. Микроконтроллер: определяет, находится
ли измеряемый резистор в допуске или нет; передаёт данные о контролируемом
резисторе на ПК; управляет схемами управления; сбрасывает показания счётчиков.
. Схема управления 1: переключает
конденсатор на заряд и разряд.
. Схема управления 2: переключает
конденсаторы в зависимости от номинала контролируемого резистора.
. Схема управления 3: выбор нужной
частоты от делителя в зависимости от диапазона контролируемого резистора.
Алгоритм работы прибора
В основе работы лежит метод
дискретного счета. Для измерения и контроля резисторов (
) используется процесс разряда
предварительно заряженной образцовой емкости (
). В результате, формируемый
измерительный интервал определяется постоянной времени: 
. С изменением номинал 
изменяется 
, а, следовательно, количество
импульсов поступивших на счетчик с эталонного генератора (
) будет также изменяться, что
неудобно для построения систем контроля резисторов, следовательно, чтобы 
, будем выбирать разные образцовые
ёмкости. Заданием ёмкости будем определять номинал контролируемого резистора. С
изменением диапазона измерения: 10 Ом-100 Ом; 100 Ом-1кОм и т. д. количество
импульсов будет увеличиваться в 10; 100 и т.д. раз. Для того чтобы количество
импульсов поступивших на счётчик было одинаковым, будем использовать делитель
частоты кварцевого генератора.
Схема управления 1 подключает к
источнику опорного напряжения конденсатор 
, который полностью заряжается за
время 
, потом она переключает конденсатор 
на разряд через резистор 
. Одновременно с началом разряда
конденсатора микроконтроллер переводит триггер в единичное состояние, вместе с
этим микроконтроллер сбрасывает показание счетчика, вследствие чего открывается
схема совпадения и начинается поступление импульсов с выхода генератора на
счетчик. На счётчике с приходом каждого нового входного импульса двоичный код
на выходе счётчика увеличивается. Двоичный код от счётчика подаётся на
микроконтроллер, который считает количество импульсов. Импульсы будут поступать
на счетчики до момента, когда напряжение на емкости 
станет равным напряжению,
снимаемому с делителя 
. В этот момент устройство сравнения
выдает сигнал, который переводит триггер в нулевое состояние, вследствие чего
схема совпадения блокирует прохождение импульсов с генератора на счетчик. Если
количество импульсов, поступивших на счётчик, превышает 255, то он выдаёт
сигнал переполнения, который фиксируется микроконтроллером, и он включает
делитель частоты. Схема управления 2 будет подключать образцовую ёмкость в
зависимости от номинала контролируемого резистора, а схема управления 3 будет
подключать делитель частоты кварцевого генератора в зависимости от диапазона
контролируемого резистора.
Разработка и расчёт функциональной схемы
Рис. 11 Функциональная схема разрабатываемого устройства
Зададим количество импульсов 
, тогда погрешность на дискретизацию
будет

Зададим частоту кварцевого
генератора 
.
Рассчитаем необходимые образцовые
ёмкости для каждого номинала контролируемого резистора

(таблица 2).
|
 , Ом , Ф
|
|
|
10
|
2
|
|
11
|
1,8180
|
|
12
|
1,6660

|
|
13
|
1,5380

|
|
15
|
1,3330

|
|
16
|
1,25
|
|
18
|
1,1110

|
|
20
|
1
|
|
22
|
9,090

|
|
24
|
8,3330

|
|
27
|
7,4070

|
|
30
|
6,6670

|
|
33
|
6,060

|
|
36
|
5,5570

|
|
39
|
5,1270

|
|
43
|
4,650

|
|
47
|
4,2570

|
|
51,1
|
3,9130

|
|
56
|
3,5710

|
|
62
|
3,2270

|
|
68
|
2,9410

|
|
75
|
2,6670

|
|
82
|
2,4390

|
|
91
|
2,1980

|
Таблица 2 Значение образцовой ёмкости для разных
номиналов сопротивлений
При изменении диапазона контролируемого
резистора будем делить частоту кварцевого генератора (таблица 3).
Таблица 3 Значение частоты для разных диапазонов
контролируемых сопротивлений
|
Диапазон
измеряемого сопротивления
|
Частота
кварцевого генератора,
|
|
10
Ом ÷
91 Ом
|
|
|
100
Ом ÷
910 Ом
|
|
|
1
кОм ÷
9,1 кОм
|
|
|
10
кОм ÷
91 кОм
|
|
Разработка и расчёт принципиальной схемы
Данные для расчёта
· Электрические параметры: шкала номиналов - 
· Метрологические характеристики: погрешность не
более 
· Диапазон контролируемых сопротивлений: 
· Условия эксплуатации: нормальные
Произведём описание и расчёт всех структурных
элементов схемы
Источник опорного напряжения
В качестве источника опорного напряжения выберем
микросхему К142ЕН6А, которая обеспечивает стабильное напряжение до ±15 ± 0,3 В.
Её характеристики указаны в таблице 4.
|
Uвх max, В
|
Uвыхmax, В
|
Uпд, В
|
Iвых
max,
А
|
Iпот, мА
|
КнU, %/В
|
КнI, %
|
|
±30
|
±15
|
2,2/2,5
|
0,2
|
7,5
|
0,0015
|
0,2
|
Таблица 4
Рис. 12 Схема включения К142ЕН6А до получения
стабилизированного напряжения ±9 В
Схема измерения
Для того чтобы интервал измерения
был 
, должно выполняться равенство
Выберем резистор

, тогда 
.
Вычислим минимальный измерительный
интервал

, при 
и 

Так как 
заряжается за интервал времени
равный

,
где 
и 
имеем 
Вычислим мощности, которые
рассеиваются на резисторах 

, следовательно
Переключение образцовых ёмкостей на
заряд и разряд будет происходить с помощью быстродействующего двухканального мультиплексора
MAX301 фирмы MAXIM рис. 13,
его характеристики указаны в таблице 5, назначение выводов в таблице 6.
Рис. 13
Таблица 5
|
Сопротивление
открытого канала, Ом
|
Питание,
В
|
Рпот,
мкВт
|
|
≤
20
|
±4,5…20
|
35
|
|
Номер
|
Назначение
|
|
1,
8
|
Выход
|
|
2
- 7
|
Не
используется
|
|
9,
16
|
Вход
|
|
10,
15
|
Логические
входы
|
Таблица 6
Рис.14
С изменением номинала контролируемого резистора
будем включать соответствующие ёмкости с помощью мультиплексора. Для
переключения ёмкостей нам нужен 24-канальный мультиплексор. Объединим
8-канальный с 16-канальным с помощью инвертора на входах разрешения и элемента
2И-НЕ для смешивания входных сигналов рис. 15.
Рис. 15
Характеристики мультиплексоров и назначение
выводов указаны в таблице 7 и 8.
|
Тип
|
Рпот,
мВт
|
tзад1/0, нс
|
tзад0/1, нс
|
Питание,
В
|
|
К155КП1
|
340
|
35
|
33
|
+5
|
|
К155КП7
|
260
|
20
|
14
|
+5
|
Таблица 7
|
D0-D15
|
Аналоговые
входы
|
|
Out
|
Аналоговый
выход
|
Напряжение
питания
|
|
1,
2, 4, 8
|
Адрес
(выбор соединения)
|
|
S
|
Вход
стробирования
|
Таблица 8
Компаратор
При выборе компаратора необходимо учитывать
напряжение смещения Eсм,
разность входных токов Δi,
коэффициент внутреннего усиления Кu.
Основными источниками погрешностей компаратора
являются: напряжение смещения Eсм,
и время задержки.
Выберем компаратор К521СА4 рис. 16. Назначение
выводов и характеристики указаны в таблице 9 и 10.
Рис. 16
|
Номер
вывода
|
Назначение
|
|
1
|
Вход
1
|
|
2
|
Вход
2
|
|
3
|
-9В
|
|
5
|
Выход
2
|
|
6
|
Земля
|
|
7
|
Выход
1
|
|
9
|
+5В
|
|
10
|
+9В
|
Таблица 9
|
Ток
потребления Iпот, мА: от положительного источника питания от
отрицательного источника питания
|
18,7
7,5
|
|
Напряжение
смещения нуля Uсм, мВ
|
4,0
|
|
Коэффициент
ослабления синфазных входных напряжений Кос сф, дБ
|
-
|
|
Средний
входной ток Iвх, мкА
|
2,0
|
|
Напряжение
«1» U1вых, В
|
2,5…4,5
|
|
Напряжение
«0» U0вых, В
|
0,5…0
|
|
Время
задержки включения tзд, нс
|
26
|
Таблица 10
Триггер
В качестве RS триггера выбираем К155ТМ2, который
является D триггером рис. 17. Его характеристики и назначение выводов указаны в
таблице 11 и таблице 12.
Рис. 17
|
Рпот,
мВт
|
tзад1/0, нс
|
tзад0/1, нс
|
Питание
|
|
157,5
|
25
|
40
|
+5В
|
Таблица 11
|
1
|
Вход
сброса
|
|
2
|
Информационный
вход (вход данных)
|
|
3
|
Тактовый
вход
|
|
4
|
Вход
установки
|
|
5
|
Прямой
выход
|
|
6
|
Инверсный
выход
|
Таблица 12
При подаче логического 0 на S
вход на выходе триггера (5) появляется логическая единица, при этом на входе R
должна присутствовать логическая единица. Чтобы возвратить триггер в исходное
состояние на вход R подается
логический 0, при этом на входе S
должна присутствовать логическая единица.
Схема совпадения
В качестве схемы совпадения выберем логический
элемент «И»
|
Вход
1
|
Вход
2
|
Выход
|
|
0
|
0
|
0
|
|
1
|
0
|
0
|
|
0
|
1
|
0
|
|
1
|
1
|
1
|
Таблица истинности двухвходового элемента «И»
Делитель частоты
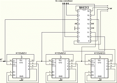
Для построения делителя частоты возьмём за
основу двоичный асинхронный счётчик типа К155ИЕ5 рис. 18. Его характеристики
указаны в таблице 13.
Рис. 18
Таблица 13
|
Рпот,
мВт
|
tзад, нс
|
Питание
|
|
265
|
135
|
+5В
|
Чтобы получить из счётчика делитель частоты на
10 нужно соединить выводы: С2 С1, R2
с 8, R1 c
2. С1 - вход, 4 - выход. Для деления частоты на 1000 нужно последовательно
соединить 3 счётчика. Для выбора необходимой частоты используется
мультиплексор. Выберем мультиплексор MAX313
фирмы MAXIM.
Рис. 19
ЖК-дисплей
Алфавитно-цифровые ЖК-модули представляют собой
недорогое и удобное решение, позволяющее сэкономить время и ресурсы при
разработке новых изделий, при этом обеспечивают отображение большого объема
информации при хорошей различимости и низком энергопотреблении. Возможность
оснащения ЖК-модулей задней подсветкой позволяет эксплуатировать их в условиях
с пониженной или нулевой освещенностью, а исполнение с расширенным диапазоном
температур (-20°С...+70°С) в сложных эксплуатационных условиях, в том числе в
переносной, полевой и даже, иногда, в бортовой аппаратуре.
Для своего проекта я выбрал жидкокристаллический
индикатор DV16100 от Data
Vision на основе
контроллера типа HD44780
фирмы Hitachi
рис. 20. Этот индикатор представляет собой печатную плату, на которую
смонтирован ЖК-дисплей, контроллер и необходимые электронные компоненты.
Рис. 20
Рассматриваемые индикаторы на основе HD44780
позволяют использовать различные режимы ввода в них информации и её просмотра.
Они формируют изображение не только цифр, но и букв латинского и русского
алфавита. У данного индикатора есть 14 выводов, их назначение указано в таблице
14.
|
Вывод
|
Обозначение
|
Назначение
|
|
1
|
GND
|
«Земля»
|
|
2
|
Vcc
|
Положительное
напряжение питания
|
|
3
|
Contrast
|
Регулировка
контрастности
|
|
4
|
R/S
|
Команда/Выбор
регистра
|
|
5
|
R/W
|
Чтение/Запись
|
|
6
|
E
|
Тактовые
импульсы
|
|
7
- 14
|
Data
|
Данные
|
Таблица 14
Запись информации происходит в параллельном коде
по фронту тактовых импульсов E.
Для моего проекта не требуется считывать данные
с дисплея, поэтому на бит R/S
можно подать потенциал «земли». Программное приложение просто ожидает в течение
некоторого интервала времени, длительность которого гарантирует завершения
очередной команды (4,1 мс - команды стирания, перевод дисплея (курсора) в
исходное состояние и 160 мкс - все остальные команды).
DV16100 -
однострочный индикатор, отображающий в строке 16 символов. Внутри индикатора
есть 80 ячеек памяти. При помощи команд, мы можем в любую из этих ячеек занести
любое 8-битное число. Каждому числу однозначно соответствует один символ.
Подающееся на дисплей напряжение управления
контрастом обычно регулируется с помощью потенциометра, который выполняет
функцию делителя напряжения. Изменяя положение движка резистора можно задать
любое напряжение от 0 до Vcc.
Для работы с дисплеем будем работать в режиме 4
линий данных (DB4-DB7).
Для инициализации 4-разрядного режима необходимо:
1. Ждать не менее 15 мс после включения питания.
2. Записать в ЖКИ команду 0x03 и ждать 5
мс, пока она не выполнится.
. Опять записать в ЖКИ команду 0x03 и
ждать 160 мкс.
. В третий раз подать команду 0x03 и
ждать 160 мкс (или пока не сбросится флаг занятости).
. Установить режимы:
- подать команду 0x02 для установки курсора в
начальную позицию;
- подать команду 0x028 для выбора
4-битного режима, после чего все последующие команды и данные будут
передаваться в два приема;
- установить число строк и размер
символов;
- подать команду 0x00/0x08 (то есть
команду 0x008), чтобы выключить экран;
- подать команду 0x00/0x01 (то есть
команду 0x001), чтобы стереть изображение па экране;
- установить направление смешения
курсора/экрана;
- подать команду включения экрана и,
если необходимо, курсора.
Для упрощения схемы включения ЖК-индикаторов
используем сдвиговый регистр, который преобразует входную последовательную
информацию в выходную параллельную. Возьмём сдвиговый регистр типа КМ555ИР8:
запись и сдвиг информации совершаются под действием положительного фронта
тактового импульса на входе С, на входе обнуления R
в этом режиме устанавливается уровень логической «1», а информацию подают на
любой из входов D1, D2,
причём на свободном входе фиксируется уровень логической «1»; асинхронное
обнуление регистра производят подачей уровня логического «0» на вход R.
С помощью сдвигового регистра количество подключаемых выводов можно уменьшить
до двух. Характеристики регистра КМ555ИР8 указаны в таблице 15. Схема для
двухпроводного интерфейса показана на рис. 21.
|
Рпот,
мВт
|
tзад, нс
|
Питание
|
|
135
|
32
|
+5В
|
Таблица 15
Рис. 21
Здесь последовательно передаваемые данные
комбинируются с содержимым сдвигового регистра для формирования
синхронизирующего импульса Е на соответствующем временном интервале. Проводное
И, которое реализуется с помощью резистора (1 кОм) и диода 1N914 и объединяет
линию входных данных с выходом 6 D-триггера буферного регистра КМ555ИР8.
Буферный регистр КМ555ИР8 сконфигурирован по схеме сдвигового регистра,
осуществляющего последовательно-параллельное преобразование данных. Перед
выполнением операции записи данных регистр обнуляется. В дальнейшем
производится запись логической «1» (для формирования сигнала управления Е),
после чего инициируется передача бита R/S и четырех бит данных. После
заполнения регистра на линии данных формируется синхронизирующий импульс Е.
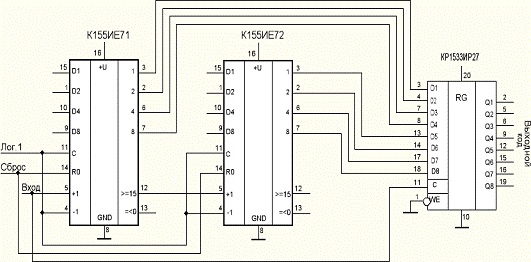
Счётчик
Для разработки счётчика будем использовать
синхронный счётчик с асинхронным переносом типа ИЕ7. Выберем К155ИЕ7 рис. 22.
Его характеристики и назначение выводов указаны в таблицах 16 и 17.
Рис. 22
|
Рпот,
мВт
|
tзад, нс
|
Питание
|
|
510
|
24
|
+5В
|
Таблица 16
|
15,
1, 10, 9
|
Информационные
входы
|
|
11
|
Вход
предварительной записи
|
|
5
|
Прямой
счет
|
|
4
|
Обратный
счет
|
|
3,
2, 6, 7
|
Выходы
соответствующих разрядов
|
|
12
|
Выход
“прямой перенос”
|
|
14
|
Вход
установки 0
|
|
13
|
Выход
“обратный перенос”
|
|
16
|
Питание
|
|
8
|
Общий
|
Таблица 17
Так как количество импульсов равно 160, то
объединим два четырёхразрядных счётчика. Так как нас интересуют все выходные
разряды одновременно, нужно обеспечить, чтобы за период входных импульсов
переключались все микросхемы счётчиков. Для этого подсоединим выходной
параллельный регистр, срабатывающий по фронту рис. 24. Код на выходе регистра
будет удерживаться в течение всего периода входных импульсов. Берём регистр КР1533ИР27
рис. 23, его характеристики указаны в таблице 18.
Рис. 23
|
Рпот,
мВт
|
tзад max, нс
|
Питание
|
|
145
|
15
|
+5В
|
Таблица 18
Информационные входы использовать не будем. Вход
установки 0 (R) предназначен для установки счетчика в код “0000”, когда на этот
вход подан высокий логический уровень.
Рис. 24 Счётчик для подсчёта входных импульсов
Протокол RS-232
Этот интерфейс получил широкое распространение:
он достаточно надёжен и прост в реализации. В большинстве микроконтроллеров
есть встроенные средства, обеспечивающие связь с другими устройствами на основе
данного интерфейса. Обычно применяется протокол 8-N-1
- 8-разрядные данные, без бита чётности, один стоповый бит. Проверка на чётность
не проводится, так как современные компьютеры позволяют осуществить достаточно
надёжную передачу данных на разумных скоростях. Согласно стандарту на интерфейс
RS-232, по исполняемым функциям различают два типа оборудования: оконечное
оборудование обработки данных (модем) (DTE)
и оборудование передачи данных (DCE).
Возникает необходимость использования
дополнительных аппаратных средств, с помощью которых на передающей стороне
уровни сигналов, вырабатываемые в микроконтроллере, переводятся в уровни интерфейса,
а на приёмной стороне осуществляется обратное преобразование.
Рис. 25
Стандартные разъёмы для подключения внешних
устройств
|
Имя
вывода
|
Номер
(DB-25)
|
Номер
(DB-9)
|
Направление
|
|
TxD
|
2
|
3
|
Вход
|
|
RxD
|
3
|
2
|
Выход
|
|
GND
|
7
|
5
|
|
|
RTS (запрос на пересылку)
|
4
|
7
|
Выход
|
|
CTS (инициирование пересылки)
|
5
|
8
|
Вход
|
|
DTR (готовность терминала)
|
20
|
4
|
Выход
|
|
DSR (готовность модема)
|
6
|
6
|
Вход
|
|
Ri (индикация сигнала вызова)
|
22
|
9
|
Вход
|
|
DCD (обнар.
сигнала несущей)
|
8
|
1
|
Вход
|
Таблица 19
Контакты разъёмов последовательного порта
Линии RTS и CTS используются обычно для
управления потоками данных, передаваемых между DCE
и DTE. После подготовки DCE
к передаче данных он активизирует линию RTS. Если оконечное устройство (DTE)
готово к приему данных, оно формирует сигнал CTS. Если компьютер не в состоянии
принять данные, сигнал па линии RTS выдаваться не будет, тем самым
соответствующее устройство уведомляется о невозможности приема компьютером
дополнительной информации.
Линии «готовность терминала» (DTR) и «готовность
модема» (DSR) обычно
применяются для подготовки сеанса передачи данных. В случае готовности к
взаимодействию с оконечным устройством (DTE)
компьютер выдает в линию DTR
соответствующий сигнал (сообщение). Если оконечное устройство может принять
данные, оно формирует сигнал в линии DSR для уведомления компьютера о
готовности к сеансу передачи данных. При возникновении каких-либо ошибок,
связанных с аппаратными средствами, это устройство отменяет сообщение в линии
DSR для уведомления компьютера о возникших проблемах. Аналогичным образом при
исчезновении сигнала несущей модемы отменят сообщение DSR.
В линии «обнаружение сигнала несущей» (DCD)
сообщение формируется, когда модемом установлена связь с другим устройством
(модемом). С помощью линии «индикация сигнала вызова» (RI) компьютер
информируется о генерации сигналов вызова.
Устройство передачи (DCE) И оконечное устройство
(DTE) всегда связаны общим («земляным») проводом. Эта линия оказывается весьма
критичной для интерфейса RS-232, от нее зависит работа входных преобразователей
уровней, с помощью которых определяются реальные логические уровни входных
напряжений линий. Общий провод этого интерфейса ни при каких обстоятельствах не
должен соединяться с корпусом устройства, чтобы избежать протекания
значительных токов, которые приводят к смещению напряжений и препятствуют
правильному считыванию поступающих данных. В большинстве современных устройств
линии подтверждения не используются. Сейчас в большинстве случаях достаточно
трёх линий, показанных на рис. 26.
Рис. 26
Передача информации по трём линиям
Проверка того, что коммуникационный кабель
вставлен в разъём, и имитация сигналов подтверждения обеспечиваются простым
замыканием двух пар линий: DTR
(готовность DTE к работе) и
DSR (готовность DCE
к работе), а также RTS
(запрос на передачу) и CTS
(готовность DCE к приёму
данных). Лини DCD (несущая
обнаружена) и Ri (индикатор
вызова) при этом не используются. Так как линии запроса/подтверждения
соединены, то сигналы подтверждения к готовности приёму данных вырабатываются
автоматически, простым дублированием сигналов запроса. Для реализации
интерфейса RS-232 удобней
всего использовать 9-контактный разъём и стандартный кабель.
Для преобразования логических уровней в уровни
интерфейса RS-232 возьмём
микросхему MAX232A
фирмы MAXIM рис. 27.
Рис. 27
Эта микросхема имеет встроенный преобразователь
для формирования напряжения ±12В и идеально подходит для реализации
трёхпроводной последовательной передачи данных. Сигнальная «земля» в данном
случае совпадает с «землёй» источника питания микросхемы. В микроконтроллере
для этой схемы должен быть встроенный приёмопередатчик USART.
Рис. 28
Подключение микроконтроллера к последовательному
порту персонального компьютера
Здесь C25=C26=C27=C28=C29=0.1
мкФ.
Кварцевый генератор
Для своего проекта я выбрал кварцевый генератор KXO-97T
80.0 МГц фирмы Geyer Electronic, его характеристики указаны в таблице 20. Эта
фирма выпускает кварцевые генераторы для тактирования цифровых схем. Кварцевый
генератор - это кварцевый резонатор и схема автогенератора в одном корпусе
размером 7,0/5,08/1,8 мм рис. 29.
Рис. 29 Внешний вид кварцевых генераторов серии KXO-97
|
Частота,
МГц
|
Питание,
В
|
Потребляемый
ток, мА
|
Температурная
стабильность
|
|
80
|
5,0±5%
|
15…40
|
-20…700С
|
Таблица 20
Микроконтроллер
Для своего проекта я выбрал микроконтроллер PIC16С64
фирмы Microchip Technology рис. 30, назначение выводов указаны в таблице 21.Эти
микроконтроллеры отличаются низкой ценой, низким энергопотреблением и высокой
скоростью. Микроконтроллеры имеют встроенное ЭППЗУ программы, ОЗУ данных и
выпускаются в 18 , 28 и 40 выводных корпусах. Этот микроконтроллер относится к
среднему подсемейству, 14-разрядное процессорное ядро, интерфейсы USART,
SPI, PSP.
Рис. 30
Микроконтроллеры семейства PIC имеют очень
эффективную систему команд, состоящую всего из 35 инструкций. Все инструкции
выполняются за один цикл, за исключением условных переходов и команд,
изменяющих программный счетчик, которые выполняются за 2 цикла. Один цикл
выполнения инструкции состоит из 4 периодов тактовой частоты. Таким образом,
при частоте 4 МГц, время выполнения инструкции составляет 1 мксек. Каждая
инструкция состоит из 14 бит, делящихся на код операции и операнд (возможна
манипуляция с регистрами, ячейками памяти и непосредственными данными).
Высокая скорость выполнения команд в PIC
достигается за счет использования двухшинной Гарвардской архитектуры вместо
традиционной одношинной Фон - Неймановской. Гарвардская архитектура
основывается на наборе регистров с разделенными шинами и адресным пространством
для команд и для данных. Набор регистров означает, что все программные объекты,
такие как порты ввода/вывода, ячейки памяти, представляют собой физически
реализованные аппаратные регистры.
|
RA0 - RA5
|
Порт
A
|
8
- битный квазидвунаправленный порт ввода/вывода
|
|
RB0 - RB7
|
Порт
B
|
|
|
RC0 - RC7
|
Порт
C
|
|
|
RD0 - RD7
|
Порт
D
|
|
|
RE0 - RE2
|
Порт
E
|
|
|
MCLR
|
Сброс
|
Низкий
уровень на этом входе генерирует сигнал сброса для контроллеров PIC16C6X.
Нарастание питающего напряжения включает встроенную выдержку на запуск
генератора, которая удерживает кристалл в режиме сброса около 18 мс. Этот
вход должен быть напрямую, или через резистор, подключен к Vdd.
|
|
OSC1/CLKIN
|
Генератор
(вход)
|
Для
типов "XT","HS","LP": вход для (вход)
кварцевого или керамического резонатора, или вход внешней тактовой частоты.
Для типа "RC": точка подключения внешней RC цепочки.
|
|
OSC2/CLKOUT
|
Генератор
(выход)
|
Для
типов "XT","HS","LP": выход кварцевого или
керамического резонатора. Нельзя подключать любую другую нагрузку к этому
выходу. Оставляется свободным, если используется внешний тактовый генератор.
Для типа "RC": на этом выходе присутствует сигнал
"CLKOUT", его частота составляет 1/4 Fosc1.
|
|
Vdd
|
Напряжение
питания
|
|
|
Vss
|
Общий
(земля)
|
|
Таблица 21
На основе выше изложенного составим
принципиальную схему системы контроля резисторов, выбрав из стандартных рядов
номиналы и тип всех используемых в схеме элементов.
Выбор элементной базы
|
Обозначение
|
Наименование
|
|
Диоды
|
|
VD1
|
КД521
|
|
Конденсаторы
|
|
C1, C2, C3, C4, C5, C6, C7, C8, C9, C10, C11, C12, C13, C14, C15, C16, C17, C18, C19, C20, C21, C22, C23, C24
|
К71-7
± 0,5%
|
|
C27, C28, C31, C32, C33, С34,
С35, С36, С37, С38, С39
|
К10-34
± 5%
|
|
С25,
С26, С29, С30
|
К10-50
± 20%
|
|
Резисторы
|
|
R2, R3
|
С2-29В-0,062 ± 0,1%
|
|
R1
|
С2-14-0,25
±
0,1%
|
|
R4, R5, R6, R7,R9,R10
|
C2-33Н ±
5%
|
|
R8
|
РП1-61А
± 15%
|
|
Микросхемы
|
|
D1
|
MAX301
|
|
D2
|
К521СА4
|
|
D3
|
К155ТМ2
|
|
D4
|
K155ЛИ5
|
|
D5
|
|
D6
|
K155KП7
|
|
D7
|
K555ЛН1
|
|
D8
|
КХО
80,0 MHz
|
|
D9
|
К155ЛА13
|
|
D10, D11, D12
|
K155ИЕ5
|
|
D13
|
КМ555ИР8
|
|
D14
|
DV16100
|
|
D15, D16
|
K155ИЕ7
|
|
D17
|
MAX313
|
|
D18
|
КР1533ИР27
|
|
D19
|
MAX232
|
|
D20
|
PIC16C64
|
|
A1
|
КН142ЕН6А
|
|
Кварцевый резонатор
|
|
ZQ1
|
Murata Erie CSA4.00MG
|
Расчёт погрешностей
Основная погрешность данной схемы
будет определяться отклонением числа импульсов пришедших на счетчик от
заданного значения 
=160. Количество импульсов пришедших
на счетчик будет определятся отклонением образцовых емкостей 
от номинала, нестабильностью
характеристик компаратора и кварцевого генератора импульсов. Расчет будем
производить, считая 
образцовым и равным 10 Ом. Номиналы
конденсаторов и резисторов в соответствии с принципиальной схемой выберем из
ряда Е198.
Погрешность дискретизации:

Погрешность образцовых емкостей
Отклонение 
от номинала составляет ±0,25%.

=160 при 
=0.2 мкФ.
Рассмотрим два предельных случая:





. 





Погрешность компаратора
Основными источниками погрешностей
компаратора являются: напряжение смещения 
, и время запаздывания.
Напряжение, идущее с делителя на
компаратор, в момент сравнения равняется

Рассчитаем погрешность смещения нуля
компаратора. Рассмотрим два случая:
1. В результате смещения нуля напряжение
сравнения будет равняться

Количество импульсов будет равняться



2. В результате смещения нуля напряжение
сравнения будет равняться

Количество импульсов будет равняться




Рассчитаем погрешность времени задержки
компаратора. Время задержки

с
Минимальный измерительный интервал

с.
С учетом времени задержки процесс измерения
будет длиться:

Количество поступивших импульсов за
время 
будет равняться:




Погрешностью кварцевого генератора можно
пренебречь, так как он является высокостабильным и имеет очень малую
погрешность при нормальных условиях эксплуатации.
Погрешностью из-за нестабильности
сопротивлений 
так же можно пренебречь, так как
она 
.
Полную погрешность прибора
рассчитаем как среднеквадратичное отклонение:

Следовательно условие технического
задания выполнено.
Конструкторско-технологический раздел
Расчёт размера печатной платы
Чтобы определить размеры печатной платы.
Рассчитаем среднюю площадь, которую будут занимать элементы схемы:
Микроконтроллер (PIC16C64)
- 780 мм2.
Компаратор (К521СА4) - 160 мм2.
Источник опорного напряжения (К142ЕН6А) - 96 мм2.
Кварцевый генератор (КХО-97Т 80,0 MHz)
- 37 мм2.
Микросхемы: MAX301,
MAX313, MAX232,
2×К155ИЕ7,
К155КП7, -6×120=720 мм2.
Микросхемы: К155ЛН1, К155ЛА3, К155ТМ2, К155ЛИ5,
КМ555ИР8, 3×К155ИЕ5 -
8×100=800 мм2.
Микросхемы: КР1533ИР27, К155КП1 - 2×110=220
мм2.
Резисторы - 45+4×13,2+21,3+2×15=150
мм2.
Конденсаторы - 15×66+200×24=5790
мм2.
диод - 8 мм2.
Общая площадь: S=8761
мм2.
Площадь печатной платы: Sп=2×S=2×8761=176
см2.
Размер печатной платы выбираем
14×14 см.
Выбор и обоснование материалов
В качестве материала печатной платы выбран
текстолит. Текстолит - хороший диэлектрик, стоек к действию слабых кислот и
щелочей, имеет низкий коэффициент трения (0,02 со смазкой и 0,32 без смазки),
небольшую плотность (1,3 - 1,4 см), легко поддается механической обработке
(фрезерование, распиловка, сверление, штамповка, шлифование, строгание).
Текстолит сохраняет все свои эксплуатационные свойства при температуре от -40
до +105ºС.
Кроме всего прочего, текстолит прост в механической обработке и поддается
сверлению, фрезерованию, штамповке или шлифованию на любых токарных,
сверлильных и других металлорежущих станках.
В качестве материала для корпуса прибора выбрана
пластмасса. Пластическими массами (пластмассами) обычно называют
неметаллические материалы, перерабатываемые в изделия методами пластической
деформации (прессование, экструзия, литье под давлением и т.д.), обладающие
пластическими свойствами в условиях переработки и не обладающие этими
свойствами в условиях эксплуатации. Таким образом, при обычных температурах
пластмассы представляют собой твердые, упругие тела. Значение пластмасс в
современной жизни трудно переоценить. Высокая прочность, устойчивость к износу
и долговечность делают их одним из самых современных и распространенных
материалов в некоторых отраслях промышленности. Например, в приборостроении -
являются ценным конструкционным и электротехническим материалом. Они легкие,
хорошо противостоят коррозии, имеют низкий коэффициент трения, обладают
повышенной износостойкостью, хорошими оптическими и изоляционными свойствами.
Заключение
В данной курсовой работе была разработана
система контроля резисторов с точностью 5%. Она позволяет определять находится
ли резистор в допуске, больше или меньше номинала. Использование
микроконтроллера дает возможность для модернизации этой системы на программном
уровне.
Список используемой литературы
1. Телешевский
Б.Е. «Измерения в электро- и радиотехнике». Москва. «Высшая школа» 1984г.
2. Гендин
Г.С. «Всё о резисторах». Москва «Массовая радио библиотека»
. Кушнир
Ф.В. «Радиотехнические измерения». Москва «Связь» 1980 г.
. Лозицкий
Б.Н. Мельниченко И.И. «Электрорадио-измерения». Москва. «Энергия» 1976 г.
. «Измерения
в электронике» под ред. В.А. Кузнецова. Москва «Энергоатомиздат» 1987 г.
. Новиков
Ю.В. «Основы цифровой схемотехники. Базовые элементы и схемы проектирования».
Москва «Мир» 2001г.
. Волович
Г.И. «Схемотехника аналоговых и аналого-цифровых электронных устройств». Москва
«Дюдека-ХХІ» 2005г.
. Гутников
В.С. «Интегральная электроника в измерительных устройствах». Ленинград
«Энергия» 1980г.
. Мейзда
Ф. «Электронные измерительные устройства и методы измерения». Москва «Мир»
1990г.
. Винокуров
В.И. Каплин С.И. Петелин Г.И. «Электрорадио-измерения». Москва «Высшая школа»
1986г.
. Аванесян
Г.Р. Лёвшин В.П. «интегральные микросхемы ТТЛ и ТТЛШ». Москва «Машиностроение»
1993г.
. Мечин
Ю.А. «180 аналоговых микросхем». Москва «Символ-Р» 1993г.
. Предко
М. «Справочник по PIC-микроконтроллерам».
Москва «Дюдека ХХІ» 2002г.
. Фрунзе
А.В. «Микроконтроллеры? это же просто» том 1. Москва «ИД СКИМЕН» 2002г.
. Белов
А.В. «Конструирование устройств на микроконтроллерах». Санкт Петербург «Наука и
техника» 2005г.