Гидравлика и гидравлические машины
Министерство
сельского хозяйства Российской федерации
ФЕДЕРАЛЬНОЕ
ГОСУДАРСТВЕННОЕ ОБРАЗОВАТЕЛЬНОЕ УЧРЕЖДЕНИЕ
ВЫСШЕГО
ПРОФЕССИОНАЛЬНОГО ОБРАЗОВАНИЯ
«ижевская
государственная сельскохозяйственная академия»
ФАКУЛЬТЕТ
НЕПРЕРЫВНОГО ПРОФЕССИОНАЛЬНОГО ОБРАЗОВАНИЯ
Гидравлика и гидравлические машины
Методические
материалы для студентов
Дисциплина
«Гидропривод»
Составитель: доцент каф.
«ТМППЖ»,
к.т.н., М.Ю. Васильченко
Ижевск
2010
Содержание
Основные задачи курса и
рекомендации к выполнению контрольной работы
Введение. Основные
положения
Глава 1. Гидростатика
Глава 2. Применение
уравнения Бернулли. Гидравлические сопротивления
Глава 3. Истечение
жидкости через отверстия и насадки
Глава 4. Гидромашины
Экзаменационные вопросы
Литература
Приложения
Основные задачи курса и рекомендации
к выполнению контрольной работы
Целью изучения дисциплины является
подготовка занятых в агропромышленном комплексе высококвалифицированных
инженеров, способных решать задачи, связанные с использованием жидкостей в
различных объектах техники и сельского хозяйства.
Предметом курса является изучение
основных законов гидравлики, основ теории лопастных объемных гидромашин, их
конструкций и принципов работы; принципов построения и эксплуатации систем
гидропривода; сельскохозяйственного водоснабжения.
Формы проведения занятий: лекции, практические занятия, написание контрольной работы.
Формы контроля: текущий контроль, экзамен.
Методические указания по
выполнению контрольной работы:
Контрольная работа содержит шесть
задач. Номера задач выбираются по двум последним цифрам шифра и устанавливаются
из таблицы 1. При последних двух цифрах от 01 до 30 номер варианта
соответствует номеру в таблице, при последних цифрах от 31 до 60 номер варианта
выбирается следующим образом, последние две цифры минус 30, при цифрах от 61 до
90 минус 60, 91 - 99 минус 90. Работа выполняется аккуратно на бумаге формата
А4 в рукописном виде.
Студент, не сдавший контрольную
работу, к экзамену не допускается.
Таблица 1
|
Вариант
|
Номера задач
|
Вариант
|
Номера задач
|
|
01
|
1
|
17
|
11
|
22
|
32
|
42
|
16
|
3
|
17
|
11
|
27
|
38
|
46
|
|
02
|
2
|
18
|
12
|
23
|
33
|
43
|
17
|
4
|
18
|
12
|
28
|
39
|
45
|
|
03
|
3
|
19
|
13
|
24
|
34
|
44
|
18
|
5
|
19
|
13
|
29
|
40
|
44
|
|
04
|
4
|
17
|
20
|
25
|
35
|
45
|
19
|
6
|
17
|
20
|
30
|
41
|
43
|
|
05
|
5
|
18
|
21
|
26
|
36
|
46
|
20
|
7
|
18
|
21
|
31
|
32
|
42
|
|
06
|
6
|
19
|
11
|
27
|
37
|
47
|
21
|
8
|
19
|
11
|
22
|
35
|
43
|
|
07
|
7
|
17
|
12
|
28
|
38
|
48
|
22
|
9
|
17
|
12
|
23
|
36
|
44
|
|
08
|
8
|
18
|
13
|
29
|
39
|
49
|
23
|
10
|
18
|
13
|
24
|
37
|
45
|
|
09
|
9
|
19
|
20
|
30
|
40
|
50
|
24
|
14
|
19
|
20
|
25
|
38
|
46
|
|
10
|
10
|
17
|
21
|
31
|
41
|
51
|
25
|
15
|
17
|
21
|
26
|
39
|
47
|
|
11
|
14
|
18
|
11
|
22
|
33
|
51
|
26
|
16
|
18
|
11
|
27
|
40
|
48
|
|
12
|
15
|
19
|
12
|
23
|
34
|
50
|
27
|
1
|
19
|
12
|
28
|
41
|
49
|
|
13
|
16
|
17
|
13
|
24
|
35
|
49
|
28
|
2
|
17
|
13
|
29
|
34
|
50
|
|
14
|
1
|
18
|
20
|
25
|
36
|
48
|
29
|
3
|
18
|
20
|
30
|
33
|
51
|
|
15
|
2
|
19
|
21
|
26
|
37
|
47
|
30
|
4
|
19
|
21
|
31
|
32
|
42
|
Введение. Основные положения
Гидравлика, или техническая механика
жидкостей, - это наука о законах равновесия и движения жидкостей, о способах
применения этих законов к решению практических задач.
Жидкостью называют вещество,
находящееся в таком агрегатном состоянии, которое сочетает в себе черты
твердого состояния (весьма малая сжимаемость) и газообразного (текучесть).
Законы равновесия и движения капельных жидкостей в известных пределах можно
применять и к газам.
На жидкость могут действовать силы,
распределенные по ее массе (объему), называемые массовыми, и по поверхности,
называемые поверхностными. К первым относятся силы тяжести и инерции, ко вторым
- силы давления и трения.
Давлением р называется отношение
силы F, нормальной к поверхности, к площади S. При равномерном распределении
.
Касательным напряжением t
называется отношение силы трения Fтр, касательной к поверхности, к
площади S:
.
Если давление р
отсчитывают от абсолютного нуля, то его называют абсолютным (рабс),
а если от условного нуля (т. е. сравнивают с атмосферным давлением ратм),
то избыточным (ризб):
рабс = ризб
+ ратм.
Если рабс
< ратм, то имеется вакуум, величина которого рвак = ратм
- рабс.
Основной физической
характеристикой жидкости является плотность r (кг/м3),
определяемая для однородной жидкости отношением ее массы m к объему W:
Плотность пресной воды
при температуре Т = 4 °С r = 1000 кг/м3. В гидравлике часто пользуются также
понятием удельного веса g (Н/м3), т. е. весом G единицы объема жидкости:
.
Плотность и удельный вес
связаны между собой соотношением
g = r
· g,
где g - ускорение
свободного падения.
Для пресной воды gвод
= 9810 Н/м3. При решении задач данного сборника допускается
принимать gвод
= 104 Н/м3.
Важнейшие физические
параметры жидкостей, которые используются в гидравлических расчетах, -
сжимаемость, температурное расширение, вязкость и испаряемость.
Сжимаемость жидкостей характеризуется
модулем объемной упругости К, входящим в обобщенный закон Гука
,
где DW
- приращение (в данном случае уменьшение) объема жидкости W, обусловленное
увеличением давления на Dр. Например, для воды Квод≈ 2 · 103
МПа.
Температурное расширение
определяется соответствующим коэффициентом, равным относительному изменению
объема, при изменении температуры на 1 °С:
[1/град].
Вязкость - это
способность жидкости сопротивляться сдвигу. Различают динамическую (μ)
и кинематическую (
) вязкости. Первая
входит в закон жидкостного трения Ньютона, выражающий касательное напряжение t
через поперечный градиент скорости dv/dу:
.
Кинематическая вязкость
связана с динамической соотношением
.
Единицей кинематической
вязкости является м2/с.
Испаряемость жидкостей
характеризуется давлением насыщенных паров в функции температуры.
Давлением насыщенных
паров можно считать то абсолютное давление, при котором жидкость закипает при
данной температуре.
Физические свойства некоторых
жидкостей и газов приведены в приложении (таблица 1 - 4).
Глава 1. Гидростатика
Давление в неподвижной жидкости
называется гидростатическим и обладает следующими двумя свойствами:
на внешней поверхности жидкости оно
всегда направлено по нормали внутрь объема жидкости;
в любой точке внутри жидкости оно по
всем направлениям одинаково, т.е. не зависит от угла наклона площадки, по
которой действует.
Уравнение, выражающее
гидростатическое давление р в любой точке неподвижной жидкости в том случае,
когда из числа массовых сил на нее действует лишь одна сила тяжести, называется
основным уравнением гидростатики:
р = р0 + hrg = р0+ gh, (1.1)
где р0 - давление на
какой-либо поверхности уровня жидкости, например, на свободной поверхности; -
глубина расположения рассматриваемой точки, отсчитанная от поверхности с
давлением р0.
В тех случаях, когда рассматриваемая
точка расположена выше поверхности с давлением р0, второй член в
формуле (1.1) отрицателен.
Другая форма записи того же
уравнения (1.1) имеет вид
,
где z и z0 -
вертикальные координаты произвольной точки и свободной поверхности,
отсчитываемые от горизонтальной плоскости вверх;
р/(rg)
- пьезометрическая высота (если р - избыточное давление);
р/(rg)
- приведенная пьезометрическая высота (если р - абсолютное давление).
Подавляющее большинство
механизмов и сооружений работают при окружающем давлении, равном атмосферному.
Наличие в устройстве жидкости или газа под избыточным (вакуумметрическим)
давлением обусловливает возникновение в его деталях дополнительных напряжений, которые
определяют прочность изделия, а также его работоспособность. Поэтому часто
необходимо знать силу избыточного воздействия жидкости на устройство.
Сила избыточного
давления жидкости на плоскую стенку равна произведению гидростатического
давления pC в центре тяжести площади стенки на площадь стенки S, т.
е.
= pC · S (1.2)
Центр давления (точка
приложения силы) расположен ниже центра тяжести площади или совпадает с
последним в случае горизонтальной стенки.
Расстояние между центром
тяжести площади и центром давления в направлении нормали к линии пересечения
плоскости стенки со свободной поверхностью жидкости равно
, (1.3)
где I0 -
момент инерции площади стенки относительно оси, проходящей через центр тяжести
площади и параллельной линии пересечения плоскости стенки со свободной
поверхностью;
уС - координата
центра тяжести площади.
Сила давления жидкости
на криволинейную стенку, симметричную относительно вертикальной плоскости,
складывается из горизонтальной Fx и вертикальной Fz
составляющих:
. (1.4)
Горизонтальная
составляющая Fx равна силе давления жидкости на вертикальную
проекцию данной стенки:
x
= hC r g Sв. (1.5)
Вертикальная
составляющая Fz равна весу тела давления, или другими словами, весу
жидкости в объеме W, заключенном между данной стенкой, свободной поверхностью
жидкости и вертикальной проецирующей поверхностью, проведенной по контуру
стенки. Если избыточное давление
на свободной
поверхности жидкости отлично от нуля, то при расчете следует эту поверхность
мысленно поднять (или опустить) на высоту (пьезометрическую высоту)
/(rg).
Относительный покой
жидкости - это равновесие ее в движущихся сосудах, когда помимо силы тяжести на
жидкость действует вторая массовая сила - сила инерции переносного движения,
причем эта сила постоянна по времени.
Возможны два случая
относительного покоя жидкости: в сосуде, движущемся прямолинейно и
равноускоренно, и в сосуде, вращающемся вокруг вертикальной оси с постоянной
угловой скоростью. В обоих случаях поверхности уровня, т. е. поверхности
равного давления (в том числе и свободная поверхность жидкости) принимают такой
вид, при котором равнодействующая массовая сила нормальна к этим поверхностям
во всех их точках.
В сосуде, движущемся
прямолинейно и равноускоренно, поверхности уровня будут плоскими.
В сосуде, равномерно
вращающемся вокруг вертикальной оси, поверхности уровня представляют собой
параболоиды вращения, ось которых совпадает с осью вращения сосуда.
Уравнение поверхности
уровня (в частности, свободной поверхности жидкости в открытом сосуде) в
цилиндрических координатах (r, z) имеет вид
, (1.6)
где z0 -
вертикальная координата вершины параболоида поверхности уровня; , z -
координаты любой точки поверхности уровня.
Закон распределения
давления по объему жидкости, вращающейся вместе с сосудом, выражается
уравнением
, (1.7)
где ρ0
- давление в точке с координатами r = 0, z = z0. Таким образом,
повышение давления в жидкости, возникающее вследствие ее вращения, равно
, (1.8)
что позволяет определить повышение
давления в любой интересующей нас точке объема.
При решении задач по гидростатике
прежде всего нужно хорошо усвоить и не смешивать такие понятия, как давление р
и сила F.
При решении задач на определение
давления в той или иной точке неподвижной жидкости следует пользоваться
основным уравнением гидростатики (1.1). Применяя это уравнение, нужно иметь в
виду, что второй член в правой части этого уравнения может быть как
положительным, так и отрицательным. Очевидно, что при увеличении глубины
давление возрастает, а при подъеме - уменьшается.
Необходимо твердо различать давления
абсолютное, избыточное и вакуум и обязательно знать связь между давлением,
удельным весом и высотой, соответствующей этому давлению (пьезометрической
высотой).
При решении задач, в которых даны
поршни или системы поршней, следует писать уравнение равновесия, т.е. равенство
нулю суммы всех сил, действующих на поршень (систему поршней).
Примеры решения задач
Пример 1.1. В U-образную трубку налиты вода и бензин. Определить плотность
бензина, если hб = 500 мм; hв = 350 мм. Капиллярный
эффект не учитывать.
Решение:
Проведем плоскость равного давления
(через нижний мениск бензина). Давления в левом и правом колене на этом уровне
будут равны, т.е. можно записать согласно основному уравнению гидростатики:
Ратм + gб · hб = Ратм
+ gв · hв
Отсюда находим удельный вес бензина

.
или, учитывая, что g
= r
· g:
.
Ответ:
.
Пример 1.2.
Определить объемный модуль упругости жидкости, если под действием груза А
массой 250 кг поршень прошел расстояние Dh = 5 мм. Начальная
высота положения поршня (без груза) Н = 1,5 м, диаметры поршня d = 80 мм и
резервуара D = 300 мм, высота резервуара h = 1,3 м. Весом поршня пренебречь.
Резервуар считать абсолютно жестким.
Решение:
Модуль объемной
упругости К определяется выражением:

.
Приложение груза вызвало
повышение давления на величину:
.
Изменение объема
жидкости при этом произошло на величину
.
Учитывая, что начальный
объем жидкости определяется как
,
величина, обратная
относительному изменению объема, составит:
Окончательно модуль
объемной упругости К составит:
К = −0,5 · 106
· (−3696) = 1848 · 106 Па.
Ответ: К = 1848 · 106
Па.

Пример 1.3.
Плоский прямоугольный щит перекрывает выходное отверстие резервуара под углом α
= 600. Щит имеет размеры a ×
b = 2 × 3 м, вес G = 5 кН. Глубина воды перед щитом h = 5 м. Удельный вес
воды g
= 104 Н/м3. Трением в шарнирах пренебречь. Определить
начальную силу тяги Т троса, необходимую для открывания щита.
Решение:
Из рисунка видно, что
центр тяжести щита (точка С) находится на глубине
Найдем величину силы
избыточного давления воды на затвор:
Приложена сила F в
центре давления (точка D), положение которой определяется выражением (сравни с
(1.3))
.
Находим
Учитывая, что момент
инерции прямоугольника равен
, площадь S = a · b,
отрезок CD (эксцентриситет е) определится как
.
Окончательно для центра
давления получим
lц.д.
= 4,77 + 0, 07 = 4,84 м.
Для определения силы
натяжения троса Т покажем силы, действующие на затвор (см. рис.), и составим
уравнение равновесия щита, т.е. сумма моментов действующих сил относительно оси
шарнира должна быть равна нулю:
Отсюда находим
Пример 1.4.
Определить усилие натяжения троса при подъеме полусферической крышки в сосуде,
если высота уровня жидкости Н = 4 м; избыточное давление Рм = 2 атм;
радиус крышки R = 1 м. Весом крышки пренебречь.
Решение:
На крышку действуют две силы: сила
натяжения троса Т и сила давления жидкости Fz = γ · Wт.д.
Из условия равновесия крышки
получаем, что
Т = Fz = γ · Wт.д.
Поскольку на свободной
поверхности жидкости действует избыточное давление, для определения объема тела
давления Wт.д. необходимо сначала поднять свободную поверхность на
высоту
.
Тогда объем тела давления определится как разность объемов цилиндра и
полусферы:
Окончательно для силы
натяжения троса получим
Т = 104 ·
73,3 = 73,3 · 104 Н.
Пример 1.5. В сосуд высотой Н = 0,3 м залита жидкость до уровня h = 0,2 м.
Определить, до какой угловой скорости ω можно раскрутить сосуд, с тем, чтобы жидкость не выплеснулась из
него, если его диаметр D = 100 мм.
Решение:
Ось z совместим с осью вращения, а
ось r пустим по дну сосуда.
Свободная поверхность жидкости во
вращающемся сосуде описывается уравнением (1.6)
.
Здесь нам неизвестны z0
и ω. Учитывая, что z = H при r = D/2, получим
, или
(1.9)
Второе уравнение,
связывающее z0 и ω, получим,
приравняв объемы жидкости в исходном, статичном и рабочем состояниях.
Исходный объем жидкости
определится как
.
Объем параболоида можно
определить как
Приравнивая объемы Wисх
= Wпар, получаем
(1.10)
Приравнивая теперь (1.9)
и (1.10), находим ω:
Пример 1.6.
К прямоугольному бруску, скользящему по тонкому слою масла на горизонтальной
поверхности, приложена сила F = 1 Н. Определить скорость установившегося
движения бруска. Размеры бруска a ×
b = 0,2 × 0,1 м. Толщина слоя масла δ = 0,5 мм.
Коэффициент динамической вязкости масла μ = 0,050 Па
с.
Решение:
При установившемся движении бруска
(ускорение равно нулю) проекция равнодействующей силы на горизонтальную ось
равна нулю, т.е.тр = F.
Учитывая, что слой масла тонкий,
можно принять распределение скорости масла по толщине слоя линейным, т.е.
.
И тогда сила Fтр
(по закону жидкостного трения Ньютона) определится как
Приравнивая Fтр
и F, получаем
Пример 1.7.
Герметично закрытая цистерна диаметром D = 3 м полностью заполнена керосином
плотностью ρ = 830 кг/м3. Показание
манометра Рм = 0,5 атм. Определить силу избыточного давления F
керосина на торцевую крышку, а также найти координату приложения этой силы.
Решение:
Удельный вес керосина имеет величину
γ = ρ · g = 830 · 10 = 8300 Н/м3.
Сила избыточного давления жидкости
на плоскую поверхность определяется как
F = γ · hц.т. · S.
Поскольку на свободной поверхности
имеется избыточное давление, ее нужно поднять на высоту Рм/γ (рисунок 1.7а) так, что
(см. рисунок 1.7б)
Таким образом
Поскольку днище расположено
вертикально, hц.т. = lц.т.
Положение центра давления
определяется величиной lц.д.:
Учитывая, что момент
инерции круга
,
получим
Ответ: F = 441 кН, ℓц.д
= 7,59 м.
ЗАДАЧИ К ГЛАВЕ 1
Задача 1. Канистра,
заполненная бензином и не содержащая воздуха, нагрелась на солнце до
температуры 50 оС. На сколько повысилось бы давление бензина внутри
канистры, если бы она была абсолютно жесткой? Начальная температура бензина 20 оС.
Модуль объемной упругости бензина принять равным К = 1300 МПа, коэффициент
температурного расширения βt
= 8·10-4 1/град.
Задача 2. Определить
избыточное давление на дне океана, глубина которого Н = 10 км, приняв плотность
морской воды ρ = 1030 кг/м3 и считая ее
несжимаемой. Определить плотность воды на той же глубине с учетом сжимаемости и
приняв модуль объемной упругости К = 2·103 МПа.
Задача 3. Определить
избыточное давление воды в трубе В, если показание манометра ρм
= 0,025 МПа. Соединительная трубка заполнена водой и воздухом, как показано на
схеме, причем Н1 = 0,5 м; Н2 = 3 м.
Как изменится показание манометра,
если при том же давлении в трубе всю соединительную трубку заполнить водой
(воздух выпустить через кран К)? Высота Н3 = 5 м.
Задача 4. В цилиндрический бак
диаметром D = 2 м до уровня Н = 1,5 м налиты вода и бензин. Уровень воды в
пьезометре ниже уровня бензина на h = 300 мм. Определить вес находящегося в
баке бензина, если ρб = 700 кг/м3.
Задача 5. Определить абсолютное
давление воздуха в сосуде, если показание ртутного прибора h = 368 мм, высота Н
= 1 м. Плотность ртути ρ = 13600 кг/м3. Атмосферное давление 736 мм рт. ст.
Задача 6. Определить, при какой
высоте уровня воды начнет открываться клапан К, если сила пружины Fпр
= 2 кН, угол ее установки α = 45о, высота h = 0,3 м.
Труба перед клапаном имеет квадратное сечение со стороной а = 300 мм.
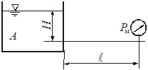
Задача 7. Определить абсолютное
давление на поверхности жидкости в сосуде и высоту h, если атмосферное давление
соответствует hа = 740 мм рт. ст., поддерживающая сила F = 10 Н, вес
сосуда G = 2 Н, а его диаметр d = 60 мм. Толщиной стенки сосуда пренебречь.
Плотность жидкости ρ = 1000 кг/м3.
Задача 8. Определить минимальное
значение силы F, приложенной к штоку, под действием которой начнется движение
поршня диаметром D = 80 мм, если сила пружины, прижимающая клапан к седлу,
равна Fпр = 100 Н, избыточное давление жидкости р2 = 0,2
МПа. Диаметр входного отверстия клапана (седла) d2 = 10 мм. Диаметр
штока d1 = 40 мм, избыточное давление жидкости в штоковой полости
гидроцилиндра р1 = 1,0 МПа.
Задача 9. Определить величину предварительного
поджатия пружины дифференциального предохранительного клапана (мм),
обеспечивающую начало открытия клапана при ρн = 0,8 МПа. Диаметры
клапана: D = 24 мм, d = 18 мм; жесткость пружины с = 6 Н/мм. Давление справа от
большого и слева от малого поршней - атмосферное.
Задача 10. Определить высоту h
столба воды в пьезометрической трубке. Столб воды уравновешивает полый поршень
с D = 0,5 и d = 0,2 м, имеющий высоту Н = 0,3 м. Собственным весом поршня и
трением в уплотнении пренебречь.
Задача 11. Определить расположение
центра тяжести С бетонного раствора (hС и lС), залитого в
закрытый кузов автомобиля при его торможении с ускорением а = g. Считать, что
кузов имеет форму параллелепипеда: L = 1,92 м, H = 1,2 м и h = 1 м.
Задача 12. В кузов
автомобиля-самосвала до уровня h1 = 0,4 м налит цементный раствор.
Определить наименьший допустимый путь торможения самосвала от скорости υ = 36 км/ч до остановки исходя
из условия, что раствор не выплеснулся из кузова. Для упрощения принять, что
кузов самосвала имеет форму прямоугольной коробки размерами l = 2,5 м; h = 0,8
м; ширина кузова b = 1,8 м, а движение автомобиля при торможении
равнозамедленное.
гидравлика гидропривод гидростатика
Задача 13. При отливке
цилиндрической полой заготовки во вращающейся относительно вертикальной оси форме
из-за действия сил тяжести нижний внутренний радиус r1 будет меньше
верхнего внутреннего радиуса r2. Определить их разность, если высота
отливки Н = 0,5 м, форма вращается с угловой скоростью ω = 200 с-1; ее
диаметр D = 200 мм и она в начальный момент заполнена на 30 % своего объема.
Задача 14. Определить скорость
скольжения V прямоугольной пластины (а х в х с = 630 мм х 420 мм х 11 мм) по
наклонной плоскости под углом β = 6о, если между пластиной и
плоскостью находится слой масла А - индустриальное 12. Толщина слоя масла δ = 0,5 мм, динамическая
вязкость 0,04 Па·С. Плотность материала пластины ρ
= 830 кг/м3.
При решении задачи применяется формула
Ньютона. Поскольку слой масла тонкий, можно считать, что скорость в нем
изменяется по прямолинейному закону.
Задача 15. Зазор А между валом и
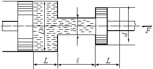
втулкой заполнен индустриальным маслом. Длина втулки L = 1500 мм. К валу,
диаметр которого D = 500 мм, приложен постоянный вращающий момент М = 640 Н·м.
Толщина зазора δ = 3 мм. Определить частоту вращения вала. Динамическая вязкость масла
0,05 Па·С.
При решении задачи применяется
формула Ньютона. Поскольку толщина δ слоя масла мала, можно считать, что скорости в нем изменяются по
прямолинейному закону. Эпюра касательных напряжений в слое масла принимается
прямоугольной; сила трения проходит через центр тяжести этой эпюры.
Задача 16. Начальное положение
гидравлической системы дистанционного управления представлено на рисунке
(рабочая жидкость между поршнями не сжата). При перемещении ведущего поршня
(его диаметр D) вправо жидкость постепенно сжимается и давление в ней
повышается. Когда манометрическое давление достигает величины рм =
20 МПа, сила давления на ведомый поршень (его диаметр 28 мм) становится больше
силы сопротивления F. С этого момента приходит в движение вправо и ведомый
поршень. Диаметр соединительной части цилиндров δ
= 14 мм, длина l = 1,50 м. Определить диаметр ведущего поршня,
необходимый для того, чтобы ход L = 40 мм обоих поршней был один и тот же.
Коэффициент объемного сжатия рабочей
жидкости принять β = 0,59 ·10-9 м2/Н.
Задача 17. Горизонтальный
цилиндрический резервуар, закрытый полусферическими днищами, заполнен бензином.
Длина цилиндрической части резервуара L = 3,3 м, диаметр D = 2 м. Манометр М
показывает манометрическое давление рм = 2,0 МПа. Плотность бензина ρ = 700 кг/м3.
Определить силы, разрывающие резервуар по сечениям: 1-1, 2-2, 3-3.
Задача 18. Вертикальная
цилиндрическая цистерна с полусферической крышкой до самого верха заполнена
двумя различными несмешивающимися жидкостями Ж1 и Ж2
(соответственно плотности ρ1 = 1150 кг/м3
и ρ2 = 1060 кг/м3). Диаметр цистерны D = 2,6 м, высота ее
цилиндрической части Н = 4,5 м. Глубина жидкости Ж1 равна Н/2.
Манометр М показывает манометрическое давление рм = 0,01 МПа.
Определить силу, растягивающую болты А, и горизонтальную силу, разрывающую
цистерну по сечению 1-1.
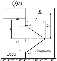
Задача 19. Круглое отверстие между
двумя резервуарами закрыто конической крышкой с размерами D = 550 мм и L = 450
мм. Закрытый резервуар заполнен водой, а открытый резервуар - глицерином. К
закрытому резервуару сверху присоединен манометр М, показывающий
манометрическое давление рм = 24,8 МПа. Плотность глицерина ρ = 1500 кг/м3,
глубина h = 2 м и Н = 2,55 м. Определить силы, вызывающие растяжение и срез
болтов А.
Задача 20. Отливка пустотелых
чугунных цилиндров высотой Н = 250 мм производится центробежным способом. Во
вращающуюся цилиндрическую форму вливаются W = 2,8 литров расплавленного
чугуна. Частота вращения формы п = 528 мин -1, ее внутренний диаметр
D = 200 мм. Определить толщину стенок отливки сверху и снизу.
У к а з а н и е. Объемными
деформациями металла пренебречь.
Задача 21. Цилиндрический резервуар
высотой Н = 2 м заполнен - водой до высоты ¾ Н. Диаметр резервуара D = 1 м. Определить:
) объем воды, ежесекундно
сливающейся из резервуара при его вращении с частотой п = 102 мин-1
вокруг его вертикальной оси;
) силу давления на дно резервуара и
горизонтальную силу, разрывающую резервуар по сечению 1-1 при его вращении.
Глава 2. Применение уравнения
Бернулли. Гидравлические сопротивления
При решении некоторых простейших
задач о движении жидкостей часто в первом приближении делают допущение о том, что
движущаяся жидкость является идеальной. Под идеальной понимают жидкость
абсолютно несжимаемую и нерасширяемую, не способную сопротивляться растяжению и
сдвигу, а также лишенную свойства испаряемости (рн.п = 0). Главное,
чем отличается жидкость идеальная от жидкости реальной, - это отсутствие у нее
вязкости, вызывающей способность сопротивления сдвигу, т. е. возникновению
касательных напряжений (трения в жидкости).
Следовательно, в движущейся
идеальной жидкости возможен лишь один вид напряжений - напряжение сжатия, т. е.
давление р, а касательное напряжение τ = 0.
Основными уравнениями, позволяющими
решать простейшие задачи о движении идеальной жидкости, является уравнение
расхода и уравнение Бернулли.
Уравнение расхода представляет собой
условие неразрывности (сплошности) потока несжимаемой жидкости, или, что то же
самое, равенство объемных расходов в каких-то двух поперечных сечениях одного и
того же потока, например 1 и 2, т. е. Q1 = Q2 или v1S1
= v2S2. Отсюда следует, что
, (2.1)
т. е. скорости обратно
пропорциональны площадям поперечных сечений потоков. При этом предполагается,
что скорость во всех точках данного сечения одинакова.
Уравнение Бернулли для
потока идеальной жидкости выражает собой закон сохранения удельной энергии
жидкости вдоль потока. Под удельной понимают энергию, отнесенную к единице
веса, объема или массы жидкости. Обычно удобнее бывает относить энергию к
единице веса. В этом случае уравнение Бернулли, записанное для сечений 1 и 2
элементарной струйки или потока идеальной жидкости, имеет вид
, (2.2)
где z - вертикальные
координаты центров тяжести сечений или удельная энергия положения;
р/(ρg)
- пьезометрическая (приведенная пьезометрическая) высота, или удельная энергия
давления; 2/(2g) - скоростной напор, или удельная кинетическая
энергия; Н - полный напор, или полная удельная энергия жидкости.
Для потока реальной
(вязкой) жидкости уравнение Бернулли следует писать в таком виде:
, (2.3)
где vср -
средняя по сечению скорость, равная vср = Q/S;
α -
коэффициент Кориолиса, учитывающий неравномерность распределения скоростей по
сечениям и равный отношению действительной кинетической энергии потока к
кинетической энергии того же потока, но при равномерном распределении
скоростей;
Σh
- суммарная потеря полного напора между сечениями 1 и 2, обусловленная
вязкостью жидкости.
Различают два вида
гидравлических потерь напора: местные потери и потери на трение по длине.
Местные потери напора
происходят в так называемых местных гидравлических сопротивлениях, т. е. в
местах изменения формы и размеров русла, где поток так или иначе деформируется
- расширяется, сужается, искривляется - или имеет место более сложная
деформация. Местные потери выражают формулой Вейсбаха
, (2.4)
где v - средняя скорость
потока в сечении перед местным сопротивлением (при расширении) или за ним (при
сужении) и в тех случаях, когда рассматривают потери напора в гидроарматуре
различного назначения;
ζм
- безразмерный коэффициент местного сопротивления.
Числовое значение
коэффициента в основном определяется формой местного сопротивления, его
геометрическими параметрами, но иногда влияет также число Рейнольдса, которое
для труб диаметром d выражается формулой
, (2.5)
здесь n
- кинематическая вязкость жидкости, выражаемая в м2/с или см2/с.
Число Рейнольдса
определяет режим движения жидкостей (и газов) в трубах.
При Re < Reкр,
где Reкр ≈ 2300, режим движения ламинарный, т.е. слоистый -
без перемешивания жидкости и без пульсаций скоростей и давлений.
При Re > Reкр
режим течения турбулентный, т.е. с перемешиванием жидкости и с пульсациями
скоростей и давлений.
Потери напора на трение
по длине l определяются общей формулой Дарси
, (2.6)
где безразмерный
коэффициент сопротивления трения l определяется в
зависимости от режима течения:
при ламинарном режиме lл
однозначно определяется число Рейнольдса, т.е.
; (2.7)
при турбулентном режиме lт
помимо числа Рейнольдса зависит еще от относительной шероховатости D/d,
т.е., используя формулу Альтшуля
(2.8)
где Δ
- высота микронеровностей стенки трубы (эквивалентная
шероховатость), мм.
Указания к решению задач
Задачи данного раздела
рассчитаны на применение уравнения Бернулли для потока реальной жидкости (2.3).
Полагая при этом поток турбулентным, коэффициент Кориолиса можно принимать α
= 1.
При применении уравнения
Бернулли важно правильно выбрать те два сечения, для которых оно записывается.
В качестве сечений
рекомендуется брать:
свободную поверхность
жидкости в резервуаре (баке), где скорость потока v = 0;
выход в атмосферу, где ризб
= 0; рабс = ратм;
сечение, где присоединен
тот или иной манометр, пьезометр или вакуумметр;
неподвижный воздух
вдалеке от входа в трубу, в которую происходит всасывание из атмосферы.
Уравнение Бернулли
рекомендуется сначала записать в общем виде, а затем переписать с заменой его
членов заданными буквенными величинами и исключить члены, равные нулю.
При этом необходимо
помнить следующее:
вертикальная ордината z
всегда отсчитывается от произвольной горизонтальной плоскости вверх;
давление р, входящее в
правую и левую части уравнения, должно быть задано в одной системе отсчета
(абсолютной или избыточной);
суммарная потеря напора Σh
всегда пишется в правой части уравнения Бернулли со знаком «+»;
величина Σh
в общем случае складывается из местных потерь, которые можно выражать формулой
Вейсбаха (2.4), и потерь на трение по длине, определяемых формулой Дарси (2.6).
Примеры решения задач
Пример 2.1. Из резервуара А, заполненного водой и находящегося под
манометрическим давлением Рм = 0,5 атм, вода подается по стальному
трубопроводу длиной l = 10 м
и диаметром d = 100 мм в резервуар Б на высоту Н = 2 м. Коэффициент
сопротивлений крана ξкр = 9, каждого колена ξкол =0,25; ξвх = 0,5; ξвых = 1. Коэффициент
гидравлического трения λ = 0,04. Определить режим течения, расход Q и скорость V воды в
трубопроводе.
Решение:
Уравнение Бернулли в общем случае
имеет вид:
. (2.9)
Первое сечение (1-1)
возьмем на свободной поверхности воды в баке А, второе (2-2) - на свободной
поверхности в баке Б. Плоскость сравнения совместим с осью трубопровода в месте
соединения его с баком А (см. рисунок).
Давления в первом и
втором сечениях возьмем абсолютные. Скоростью изменения уровней воды в баках А
и Б можно пренебречь, поэтому в уравнении (2.9) v1 = v2 =
0. Тогда уравнение (2.9) примет вид
.
Отсюда (учитывая, что Н2
= Н1 + Н) получаем
.
Режим течения определим
по значению числа Рейнольдса:
Т.к. Re > 2300,
следовательно, режим турбулентный.
Расход в трубе
определится как
Пример 2.2. Определить расход керосина, вытекающего из бака по трубопроводу
длиной l = 10 м и диаметром d = 50 мм, если
избыточное давление в баке Рм = 16 кПа, высота уровня Н1
= 1 м, высота подъема керосина в открытом пьезометре Н2 = 1,75 м.
Труба гидравлически гладкая (шероховатость D = 0). Плотность керосина ρ =
800 кг/м3, кинематическая вязкость n = 0,025 см2/с.
Удельный вес керосина γ = ρ · g = 800 · 10 = 8000 Н/м3. Поместим первое и второе поперечные сечения
потока, а также плоскость сравнения так, как показано на рисунке. Тогда
уравнение Бернулли примет вид:
или
. (2.10)
Воспользоваться
уравнением (2.10) мы не можем, т.к. нам неизвестно значение коэффициента
гидравлического трения λ. Поэтому дальнейшее решение проводим методом последовательных
приближений.
1-е приближение.
Задаемся значением λ из диапазона 0,02…0,04.
Пусть λ
= 0,02.
Тогда из (2.10) находим
скорость:
Далее определяем число
Рейнольдса:
.
Поскольку режим
турбулентный, а труба гладкая - коэффициент гидравлического трения λ
находим по формуле Блазиуса:
Различие между принятым
и получившимся значениями λ составит
Поскольку разница
превышает 5%, сделаем второе приближение.
2-е приближение.
Пусть λ
= 0,022.
Тогда из (2.10)
Поскольку теперь λ
= λ′, приближения заканчиваем.
Расход теперь
определится как
Данный метод позволяет с
достаточной точностью производить инженерные расчеты.
ЗАДАЧИ К ГЛАВЕ 2
Задача 22. Насос нагнетает жидкость
в напорный бак, где установились постоянный уровень на высоте Н = 2 м и
постоянное избыточное давление р2 = 0,2 МПа. Манометр, установленный
на выходе из насоса на трубе диаметром d1 = 75 мм, показывает р1
= 0,25 МПа. Пренебрегая потерями на трение по длине, определить расход жидкости
Q, если диаметр искривленной трубы, подводящей жидкости к баку, равен d2
= 50 мм; коэффициент сопротивления этой трубы принят равным ζ = 0,5. Плотность жидкости ρ = 800 кг/м3.
Задача 23. Бензин сливается из
цистерны по трубе диаметром d = 50 мм, на которой установлен кран с
коэффициентом сопротивления ζкр = 3. Определить расход
бензина при Н1 = 1,5 м и Н2 = 1,3 м, если в верхней части
цистерны имеет место вакуум hвак = 73,5 мм рт. ст. Потерями на
трение по длине пренебречь. Плотность бензина ρ
= 750 кг/м3.
Задача 24. Вода перетекает из
напорного бака А в открытый резервуар Б через вентиль с коэффициентом
сопротивления ζв = 3 по трубе. Диаметры:
d1 = 40 мм; d2 = 60 мм. Считая режим течения турбулентным
и пренебрегая потерями на трение по длине, определить расход. Учесть потери
напора при внезапных сужениях и расширениях. Высоты: Н1 = 1 м. Н2
= 2 м; избыточное давление в напорном баке ро = 0,15 МПа.
Задача 25. По длинной трубе
диаметром d = 50 мм протекает жидкость (ν = 2 см2/с; ρ = 900 кг/м3). Определить расход жидкости и давление в
сечении, где установлены пьезометр (h = 60 см) и трубка Пито (Н = 80 см).
У к а з а н и е. Считать, что
давление перед отводом расходуется на создание скоростного напора в отводе и
подъеме жидкости на высоту h.
Задача 26. Вода течет по трубе
диаметром D = 20 мм, имеющей отвод (d = 8 мм). Пренебрегая потерями напора,
определить расход жидкости в отводе q, если расход в основной трубе Q = 1,2
л/с; высоты Н = 2 м, h = 0,5 м. Режим течения считать турбулентным.
У к а з а н и е. Считать, что
давление перед отводом расходуется на создание скоростного напора в отводе и
подъеме жидкости на высоту h.
Задача 27. Масло трансформаторное из
большого резервуара, в котором поддерживается постоянный ее уровень, по
стальному нержавеющему трубопроводу вытекает в атмосферу. Диаметр трубопровода
d = 70 мм, его горизонтальная и наклонная части одинаковой длины l = 3,4 м.
Высота уровня жидкости над горизонтальной частью трубопровода равна Н = 6,2 м,
конец его наклонной части находится ниже горизонтальной части на величину h =
1,5 м. Плотность масла ρ = 900 кг/м3, кинематическая вязкость ν = 0,2 см2/с.
Эквивалентная шероховатость трубопровода Δ =
0,1 мм.
Определить расход Q жидкости и
построить пьезометрическую и напорную линии.
Задача 28. Чему должно быть равно
манометрическое давление рм на поверхности жидкости в закрытом
резервуаре А для того, чтобы обеспечить подачу керосина в количестве Q = 2,5
л/с в открытый резервуар Б? Разность уровней в резервуарах Н = 6,7 м. Чугунный
старый трубопровод имеет длину 2l (l = 4,8 м) и диаметр d = 50 мм,
эквивалентная шероховатость стенок Δ = 1 мм. Посредине его установлен обратный клапан К, коэффициент
местного сопротивления которого ζкл. = 5,5. Построить
пьезометрическую и напорную линии. Плотность керосина ρ = 750 кг/м3;
кинематическая вязкость ν = 0,02 см2/с
Задача 29. Из бака А жидкость с
плотностью ρ = 900 кг/м3 и вязкостью ν =
0,2 см2/с самотеком по алюминиевому трубопроводу длиной =
72 м попадает в производственный цех. Напор в баке А равен Н = 6 м. Каким
должен быть диаметр трубопровода, чтобы обеспечивалась подача жидкости в
количестве Q = 2,6 л/с при манометрическом давлении в конце трубопровода не
ниже рм = 0,2 МПа? При расчете принять, что местные потери напора
составляют 20 % от потерь по длине. Построить пьезометрическую и напорную
линии.
Задача 30. Из большого открытого
резервуара А, в котором поддерживается постоянный уровень жидкости, по
чугунному новому трубопроводу, состоящему из двух последовательно соединенных
труб, глицерин течет в резервуар Б. Разность уровней жидкости в резервуарах
равна Н = 6,8 м. Длина труб = 6,8 м и 2 = 8,2 м, а
их диаметры d = 70 мм и d2 = 50 мм. Плотность глицерина ρ = 1500 кг/м3;
вязкость ν = 10 см2/с. Эквивалентная шероховатость труб Δ = 0,6 мм.
Определить расход Q жидкости,
протекающей по трубопроводу. В расчетах принять, что местные потери напора
составляют 15 % от потерь по длине.
Задача 31. Определить расход воды,
протекающей по стальному трубопроводу в пункты 1 и 2, если напор Н в резервуаре
постоянный. Длина отдельных частей трубопровода равны l = 13 м, l1 =
13 м, l2 = 10 м, а диаметры d = 40 мм, d1 = 32 мм, d2
= 32 мм. Коэффициент гидравлического трения λ принять равным 0,04. Местные потери напора в расчетах не
учитывать.
Глава 3. Истечение жидкости через
отверстия и насадки
В процессе истечения жидкости
происходит преобразование потенциальной энергии жидкости в кинетическую.
Из уравнения Бернулли легко
выводится выражение для скорости истечения:
, (3.1)
где Н - расчетный напор,
который в общем случае равен сумме геометрического и пьезометрического напоров,
т. е.
, (3.2)
φ -
коэффициент скорости, определяемый как
. (3.3)
здесь α
- коэффициент Кориолиса, в приближенных расчетах обычно принимают α
= 1;
ζ -
коэффициент местного сопротивления.
Расход жидкости при
истечении через отверстия, насадки, дроссели и клапаны определяется
произведением скорости истечения на площадь сечения струи. Однако последняя
часть бывает меньше площади отверстия вследствие сжатия струи. Поэтому вводится
коэффициент сжатия
, (3.4)
где Sс и Sотв
- площади сечения струи и отверстия.
Отсюда расход равен
(3.5)
Вместо расчетного напора
Нрасч часто используется расчетный перепад давления Dррасч
= Нрасч · ρ · g и вместо (3.5) пишут:
(3.6)
Истечение жидкости может
происходить либо в газовую среду, например, в атмосферный воздух, либо в среду
той же жидкости. В последнем случае вся кинетическая энергия струи теряется на
вихреобразования.
Отверстием в тонкой
стенке называется отверстие, диаметр которого dотв больше толщины
стенки d.
В этом случае коэффициент расхода μ и
другие коэффициенты однозначно определяются числом Рейнольдса, а в приближенных
расчетах обычно принимают: ε = 0,64; φ = 0,97; α =
1; ζ = 0,065; μ = 0,62.
Внешний цилиндрический
насадок представляет собой короткую трубу, приставленную к отверстию снаружи,
или отверстие, диаметр которого dотв в 2...6 раз меньше толщины
стенки d.
Коэффициенты в приближенных расчетах обычно принимают μ
= φ = 0,82; ε = 1.
Внутренний цилиндрический
насадок - это короткая трубка, приставленная к отверстию изнутри. Для него
можно принимать μ = φ = 0,71; ε = 1.
Сопло, или коноидальный
насадок, обеспечивает плавное, безотрывное сужение потока внутри насадка и
параллельноструйное течение на выходе. Для сопла в расчетах можно принимать: μ
= φ = 0,97; ε=1.
Указания к решению задач
Задачи данного раздела
можно решать без записи уравнения Бернулли. Так, если дана задача на истечение
через отверстие, насадок или дроссель (жиклер) и задан коэффициент расхода, то
следует применить основное выражение (3.5). При этом следует помнить, что
расчетный напор в общем случае складывается из разностей геометрических и
пьезометрических высот (3.2).
Следует знать, что
коэффициент расхода μ однозначно определяется коэффициентами сжатия струи ε
и скорости φ (или сопротивления ζ).
Указанное выше основное
выражение для расхода справедливо и при истечении через отверстия, насадки и
дроссели в среду, заполненную той же самой жидкостью (истечение под уровень).
При этом кинетическая энергия, теряемая на вихреобразования, учитывается
коэффициентом расхода.
Если истечение жидкости
происходит при переменном напоре (опорожнение резервуаров), то в каждый данный
момент движение жидкости можно рассматривать как установившееся.
Примеры решения задач
Пример 3.1. Определить направление истечения воды через отверстие диаметром d
= 5 мм и расход, если разность уровней Н = 2 м, показание вакуумметра Рвак
соответствует 147 мм рт. ст., показание манометра Рм = 0,25 МПа,
коэффициент расхода μ = 0,62. Удельные веса ртути и воды принять γрт = 13,6 · 104
Н/м3; γ = 104 Н/м3.
Решение:
Для определения расхода
воспользуемся формулой (3.5):
Расчетный напор определяется
разностью полных напоров до отверстия и после него. Поскольку направление
истечения нам неизвестно, допустим, что оно происходит слева направо (см.
рис.). Обозначив абсолютные давления над жидкостью слева Р1, справа
Р2, глубины погружения Н1 и Н2, для Нрасч
получим (сравни с формулой 3.2)
Учитывая, что Р1
= Ратм - Рвак; Р2 = Ратм +
Рм; Н1 - Н2 = Н;
получим
Поскольку в задаче
вакуум задан высотой ртутного столба, выразим необходимое нам вакуумметрическое
давление Рвак как
Рвак =
γрт · hрт,
и тогда окончательно для
расчетного напора получим:

Расход при этом
определится как
ЗАДАЧИ К ГЛАВЕ 3
Задача 32. Определить
расход жидкости (ρ= 800 кг/м3), вытекающей из бака через отверстие площадью Sотв
= 1 см2. Показание ртутного прибора, измеряющего давление воздуха, h
= 268 мм, высота Н = 2 м, коэффициент расхода отверстия μ
= 0,60.
Задача 33. При исследовании
истечения через круглое отверстие диаметром dотв = 10 мм получено:
диаметр сжатого сечения струи dс = 8 мм; напор Н = 2 м; время
наполнения объема W = 10 л; t = 16,8 с. Определить коэффициент сжатия ε, скорости φ, расхода μ и сопротивления ζ. Распределение скоростей
по сечению струи принять равномерным.
Задача 34. При истечении жидкости
через отверстие диаметром dотв = 10 мм измерены: расстояние х = 5 м
(см. рис.), высота у = 4 м, напор Н = 1,7 м и расход жидкости Q = 0,275 л/с.
Подсчитать коэффициенты сжатия ε, скорости φ, расхода μ и сопротивления ζ. Распределение скоростей по сечению струи принять равномерным.
Сопротивлением воздуха пренебречь.
Задача 35. «Сосуд Мариотта»
представляет собой плотно закрытый сосуд, в крышке которого укреплена трубка,
сообщающая сосуд с атмосферой. Трубка может быть укреплена на различной высоте.
В стенке сосуда имеется отверстие диаметром d = 10 мм, через которое происходит
истечение в атмосферу. Какое давление установится в сосуде на уровне нижнего
обреза трубки при истечении? Определить скорость истечения и время опорожнения
«сосуда Мариотта» от верха до нижнего обреза трубки. Объемом жидкости в трубке
и сопротивлением при истечении пренебречь (ε =
1).
Форма сосуда цилиндрическая, D = 100
мм; Н = 2 м, h1 = 0,2 м, h2 = 1 м.
Задача 36. Вода под избыточным давлением
р1 = 0,3 МПа подается по трубе с площадью поперечного сечения S1
= 5 см2 к баллону Б, заполненному водой. На трубе перед баллоном
установлен кран К с коэффициентом местного сопротивления ζ = 5. Из баллона Б вода
вытекает в атмосферу через отверстие Sотв = 1 см2;
коэффициент расхода отверстия равен μ =
0,63. Определить расход воды Q.
У к а з а н и е. Записать уравнение
Бернулли для сечения 1-1 и 2-2 и основную формулу для расхода при истечении.
Задача 37. На рисунке изображена
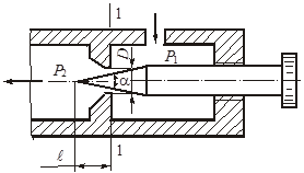
схема регулируемого игольчатого дросселя. Определить, на какое расстояние
необходимо вдвинуть иглу в дросселирующее отверстие для обеспечения перепада
давления Δр
= р1 - р2 = 3 МПа, если угол иглы α = 30о, диаметр дросселирующего отверстия D = 6 мм, его коэффициент
расхода μ = 0,8, расход жидкости Q =
1,2 л/с, плотность рабочей жидкости ρ =
900 кг/м3.
У к а з а н и е: площадь
дросселирующего кольца определить по приближенной формуле S = Sо - Sи,
где Sо - площадь отверстия, Sи - площадь иглы в сечении
1-1.
Задача 38. Жидкость с плотностью ρ = 850 кг/м3
подается от насоса в гидроцилиндр, а затем через отверстие в поршне площадью Sо
= 5 мм2 и гидродроссель Д в открытый бак.
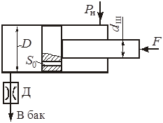
) Определить, при какой площади
проходного сечения дросселя Д поршень будет находиться в неподвижном равновесии
под действием силы F = 3000 Н, если диаметр поршня D = 100 мм, диаметр штока dш
= 80 мм, коэффициент расхода отверстия в поршне μо = 0,8, коэффициент
расхода дросселя μдр = 0,65, избыточное
давление, создаваемое насосом рн = 1 МПа.
) Определить площадь проходного
сечения дросселя Д, при которой поршень будет равномерно перемещаться со
скоростью υп = 1 см/с вправо.
Задача 39. Обратный клапан диаметром
d = 20 мм служит для пропуска жидкости (ρ =
900 кг/м3) только в одном направлении. Определить перепад
давления Δр
= р1 - р2 на клапане, если р1 = 1,6 МПа.
Жесткость пружины с = 13 Н/мм, ее предварительное поджатие уо = 8
мм, максимальный ход клапана = 3 мм, коэффициент расхода μ = 0,8, объемный расход Q =
1 л/с.
Задача 40. Считая жидкость
несжимаемой, определить скорость движения поршня под действием силы F = 10 кН
на штоке, диаметр поршня D = 80 мм, диаметр штока d = 30 мм, проходное сечение
дросселя Sдр = 2 мм2, его коэффициент расхода μ = 0,75, избыточное давление
слива рс = 0, плотность рабочей жидкости ρ = 900 кг/м3.
Задача 41. Определить время для
вытекания всей воды из цилиндрического бака, если его диаметр D = 0,8 м,
наполнение равно h = 0,7 м. Диаметр трубы d = 70 мм, длина = 0,8 м.
Температура жидкости 20 оС. Чему равно отношение продолжительности
вытекания первой и второй половины объема жидкости?
Указание: Продолжительность
истечения от уровня Но до уровня Н может быть определена по формуле:
,
где S - площадь сечения
сосуда;
Но -
начальный напор, с которого начинается опорожнение сосуда;
Н - конечный напор, до
которого опорожняется сосуд;
μ - коэффициент
расхода, который может быть определен по формуле
,
где ξсист.
- суммарный коэффициент сопротивления.
Глава 4. Гидромашины
Понятие «гидромашины» включает в
себя насосы и гидродвигатели. В насосе происходит преобразование энергии
двигателя (как правило, электродвигателя) в энергию потока жидкости, а
гидродвигатель преобразует энергию потока жидкости в механическую работу.
По принципу действия гидромашины
делят на объемные и динамические.
Объемными называют гидромашины,
рабочий процесс которых основан на попеременном заполнении рабочих камер
жидкостью и вытеснением ее из этих камер. Рабочей камерой объемной гидромашины
называют ограниченное пространство внутри машины, периодически изменяющее свой
объем и попеременно сообщающееся с входом и выходом.
В объемных насосах перемещение
жидкости осуществляется путем вытеснения ее из рабочих камер вытеснителями,
которые совершают поступательное (поршневые насосы), вращательное или сложное
вращательно-поступательное движение (роторные насосы).
В динамических гидромашинах жидкость
в камере находится под силовым воздействием и имеет постоянное сообщение со
входным и выходным патрубками.
Основной разновидностью динамических
насосов являются лопастные и, в частности, центробежные насосы. В центробежном
насосе передача мощности от двигателя к жидкости происходит в процессе движения
ее по межлопаточным каналам быстро вращающегося рабочего колеса из центральной
его части к периферии.
Напор Н, развиваемый центробежным
насосом, зависит от его подачи (расхода) Q. Зависит от расхода также η
- к.п.д. насоса, N - полезная мощность,
- допустимая
вакуумметрическая высота. Эти зависимости называются характеристиками насоса.
Обычно пользуются
экспериментальными кривыми Нн = f (Q), которые имеют вид плавно
спадающих кривых. Кривая зависимости к.п.д. насоса от подачи Q выходит из
начала координат (при Q = 0), достигает максимума при некоторой оптимальной подаче.
Для двух геометрически
подобных центробежных насосов и для подобных режимов их работы справедливы
следующие соотношения:
(4.1)
где D - диаметры рабочих
колес.
Приведенные формулы
позволяют производить пересчет характеристик центробежных насосов с одной
частоты n1 и диаметра D1 на другую частоту n2
и другой диаметр D2. Для одного итого же насоса D1 = D2
и формулы упрощаются.
Гидравлический и
объемный к.п.д. насоса при сохранении подобия режимов его работы остаются
приблизительно постоянными в силу автомодельности. Полный к.п.д. насоса при
этом в первом приближении можно считать также постоянным.
Когда абсолютное
давление на входе в центробежный насос оказывается слишком низким, на входных
элементах лопаток рабочего колеса возникает кавитация. При этом напор,
создаваемый насосом, и его к.п.д. резко падают.
Кавитационным запасом
называют разность между полным напором жидкости во входном патрубке насоса и
давлением насыщенных паров жидкости, т. е.
, (4.2)
где рв и vв,
- давление и скорость во входном патрубке насоса;
рн.п -
давление насыщенных паров жидкости при данной температуре.
Значение кавитационного
запаса, при котором начинается кавитация в насосе, называют критическим или
минимально допустимым кавитационным запасом и обозначают
.
Эта величина будет тем больше, чем больше подача насоса и частота вращения его
колеса, и может быть найдена по следующей формуле С. С. Руднева:
, (4.3)
где С = 800...1000 -
коэффициент для обычных насосов. Для насосов с повышенными кавитационными
свойствами С ≤ 1300. Это значение соответствует при подстановке в формулу
(5.10)
(м);
n (об/мин); Q (м3/с).
Формула С. С. Руднева
позволяет находить минимально допустимое абсолютное давление pв min
перед входом в насос при заданных Q и n, или Qmax при заданных pв
и n, или nmax при заданных рв и Q.
С явлением кавитации
связано и ограничение на высоту положения насоса относительно уровня жидкости в
исходном резервуаре. Допустимая высота всасывания определяется также с
использованием формулы Руднева:
,
где
-
потери во всасывающем трубопроводе; φ = 1,1 ÷
1,2.
Указания к решению задач
Задачи данной главы
сводятся к определению мощности, потребляемой насосом, подачи насоса,
построению характеристик центробежных насосов при различной частоте вращения.
Для их решения необходимо использовать формулы и соотношения (4.1)...(4.3), а
также известные формулы для определения геометрических размеров.
Примеры решения задач
Пример 4.1. Центробежный насос, характеристики которого (H(Q) и η(Q)) приведены в таблице,
подает воду (γ =
104 Н/м3; ν =
0,01 см2/с) на геометрическую высоту Нг =10 м.
Трубы всасывания и нагнетания имеют соответственно диаметры dвс = 50
мм и dн = 25 мм, а длины lвс = 5м, lн = 10м. Эквивалентная
шероховатость труб D = 0,6
мм. Найти рабочую точку при работе насоса на сеть. Определить, как изменяются
напор и мощность насоса при уменьшении задвижкой подачи воды на 25 %. При
построении характеристики трубопровода местными сопротивлениями пренебречь.
Решение: Рабочая точка определяется
пересечением характеристики H(Q) насоса и характеристики трубопровода.
Характеристику насоса строим по табличным данным. Характеристика трубопровода
определяется выражением
, (4.4)
где Q - расход, м3/с;
lвс,
lн
- коэффициенты гидравлического трения во всасывающем и нагнетательном
трубопроводах соответственно.
Характеристику трубопровода строим
по точкам, определив предварительно Нтр для различных значений
расхода Q.
При Q = 0, Нтр = 10.
Пусть Q = 0,3 л/с. Тогда скорости во
всасывающем и нагнетательном трубопроводах будут:
Режимы течения
определяются соответствующим числом Рейнольдса:
Коэффициенты
гидравлического трения определяем по универсальной формуле Альтшуля:
Потребный напор в
трубопроводе теперь определится согласно формуле (4.4)
Проводя аналогичные
вычисления для Q = 0,5 л/с и 0,7 л/с, данные заносим в таблицу. Нанеся
полученные точки на график и соединив их плавной кривой, получим характеристику
трубопровода Нтр(Q). (см. рис.). В пересечении характеристик насоса
и трубопровода получаем рабочую точку (точка А). Для рабочей точки по графикам
определяем:раб = 0,55 л/с;
Нраб = 11,3
м;
ηраб
= 53%.
Мощность насоса в точке
А составит:
При уменьшении расхода
задвижкой потери в трубопроводе растут и характеристика трубопровода пойдет
круче вверх. Поскольку новый расход будет меньше на 25%, чем в точке А, его
значение составит:
¢ = Q · 0,75 = 0,55 ·
0,75 = 0,41 л/с.
Поэтому новая рабочая
точка (точка В) будет расположена на характеристике насоса при полученном
значении расхода, а новая характеристика трубопровода
будет
расположена выше первоначальной. Соответственно с графика снимаем значения в
новой рабочей точке¢ = 0,41 л/с;
Н¢
= 11,6 м;
η¢
= 42%.
Мощность насоса в точке
В составит:
Представленный
графо-аналитический метод решения задач широко используется при определении
параметров работы насосов и насосных станций.
ЗАДАЧИ К ГЛАВЕ 4
Задача 42. При испытании
насоса получены следующие данные: избыточное давление на выходе из насоса р2
= 0,35 МПа; вакуум перед входом в насос hвак = 294 мм рт. ст.;
подача Q = 6,5 л/с; крутящий момент на валу насоса М = 41 Н · м; частота
вращения вала насоса n = 800 об/мин. Определить мощность, развиваемую насосом,
потребляемую мощность и к.п.д. насоса. Диаметры всасывающего и напорного
трубопроводов считать одинаковыми.
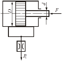
Задача 43.
Компенсационный бачок системы охлаждения двигателя внутреннего сгорания
расположен на 0,5 м выше оси вращения вала насоса и соединен с атмосферой.
Определить кавитационный запас и разность между ним и критическим кавитационным
запасом при температуре воды t = 80 оС (рн.п.= 45 кПа),
если кавитационный коэффициент быстроходности, по формуле Руднева, С = 1200; Q
= 5 л/с; п = 6000 об/мин.; hа = 740 мм рт. ст. Диаметр входного
трубопровода d = 40 мм.
Задача 44. Центробежный насос
работает с частотой вращения n1 = 1500 об/мин и перекачивает
жидкость по трубопроводу, для которого задана кривая потребного напора Нпотр
- f(Q) (см. рис.). На том же графике дана характеристика насоса Нн
при указанной частоте вращения. Какую частоту вращения нужно сообщить данному
насосу, чтобы увеличить подачу жидкости в два раза?
Задача 45. Центробежный насос, характеристика
которого при п1=1400 об/мин дана в виде графиков Н = f(Q) и η =f(Q), работает в системе
охлаждения двигателя и при указанной частоте вращения создает напор Н1
= 7,2 м и подачу Q = 3,5 л/с. Определить частоту вращения п2,
которую нужно сообщить этому насосу для того, чтобы при увеличении суммарного
сопротивления системы (включением дополнительного агрегата) подача насоса
осталась неизменной и равной Q = 3,5 л/с. Чему при этом будут равны к.п.д.
насоса η и потребляемая мощность?
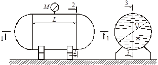
Задача 46. Центробежный насос с
рабочим колесом, диаметр которого D = 60 мм, имеет следующие параметры: Н1
= 8 м; Q1 = 6 л/с; п1 = 3000 об/мин. Для системы
охлаждения двигателя необходимо иметь насос, обеспечивающий на подобном режиме
работы подачу Q2 = 9 л/с при п2 = 4000 об/мин. Как надо
изменить диаметр рабочего колеса указанного выше насоса, чтобы обеспечить
требуемые параметры? Каков при этом будет напор насоса Н2?
Задача 47. Центробежный насос с
рабочим колесом, диаметр которого D1 = 250 мм, при частоте вращения
п1 = 1800 об/мин. создает напор Н1 = 12 м и подает Q =
6,4 л/с. Требуется определить частоту вращения п2 и диаметр D2
колеса насоса, который при подобном режиме работы создает напор Н2 =
18 м и обеспечивает подачу Q2 = 10 л/с.
Задача 48. Центробежный насос, характеристика
которого описывается уравнением Нн = Н0 - k1Q2,
нагнетает жидкость в трубопровод, потребный напор для которого пропорционален
квадрату расхода: Нпотр = k2Q2. Определить
подачу насоса и его напор, если Н0 = 5 м, k1 = k2
= 0,05 · 106 с2/м5. Какими будут подача насоса
и напор, если частота его вращения увеличится вдвое и вдвое возрасте
сопротивление трубопровода, т.е. k'2 = 0,1 х 106 с2/м5?
Задача 49. Подача центробежного
насоса, характеристика которого при ω =
250 с-1 описывается уравнением Нн = Н0
+ k1Q - k2Q2, при работе на заданный
трубопровод составляет Q = 5 л/с. Определить, с какой скоростью должно
вращаться колесо насоса для создания напора в два раза большего при той же
подаче, если Н0 = 4 м; k1 = 0,2 · 103 с/м2;
k2 = 0,06 · 106 с2/м5.
Задача 50. Определить допустимую
высоту всасывания hв центробежного насоса Нц при частоте
вращения насосного колеса n. Насос развивает подачу Q = 5 л/с, создавая напор Н
= 50 м. Диаметр всасывающего стального трубопровода dв=60 мм, в
= 9 м, эквивалентная шероховатость Δ =
0,2 мм. Перекачивается вода (ν =
0,01 см2/с, ρ = 1000 кг/м3), максимальная температура которой Т = 28
оС. Коэффициент, характеризующий конструкцию насоса, принять равным
С = 850.
Построить пьезометрическую линию для
всасывающего трубопровода.
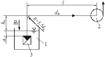
Задача 51. Определить наибольшее
допустимое расстояние l от колодца 1 до центробежного насоса 2 при частоте
вращения насосного колеса п. Насос развивает подачу Q = 3,3 л/с, создавая напор
Н = 18 м. Диаметр всасывающего стального трубопровода dв = 40 мм;
эквивалентность Δ = 0,1 мм; перекачивается вода (ν =
0,01 см2/с, ρ = 1000 кг/м3). Коэффициент, характеризующий
конструкцию насоса, принять равным С = 800. Высота всасывания насоса hв,
а клапан всасывания 3 находится ниже горизонта воды на величину а. Построить
пьезометрическую линию для всасывающего трубопровода.
ЭКЗАМЕНАЦИОННЫЕ ВОПРОСЫ
по курсу «Гидравлика»
. Основные физические свойства
жидкости. Приборы и способы измерения гидростатического давления.
Пьезометрический и гидростатический напор. Рабс; Ризб; Рвак.
. Гидростатическое давление и его
свойства. Основное уравнение гидростатики. Построение эпюры гидростатического
давления на вертикальную и наклонную плоскую поверхность.
. Аналитическое нахождение силы
давления жидкости на плоскую поверхность. Центр давления. Гидростатический
парадокс.
. Определение силы избыточного
гидростатического давления на криволинейную поверхность.
. Виды движения жидкости.
Установившееся, неустановившееся, напорное, безнапорное движение. Гидравлический
радиус. Расход и средняя скорость потока. Уравнение неразрывности.
. Идеальная жидкость. Уравнение
Бернулли для струйки идеальной жидкости. Физический смысл и графическое
изображение.
. Уравнение Бернулли для
установившегося движения потока реальной жидкости. Физический смысл,
графическое изображение, геометрический, пьезометрический и гидравлический
уклон.
. Два режима движения вязкой
жидкости. Число Re и его критические значения.
. Потери по длине. Коэффициент
гидравлического трения l и l=f(Re и D).
. Методика расчета длинных
трубопроводов. Коэффициент расхода.
. Местные потери энергии при
движении жидкости. Опытное и теоретическое определение x.
Классификация отверстий. Истечение
жидкости через отверстие в тонкой стенке.
. Истечение жидкости через
затопленное отверстие.
. Расчет сифонов.
. Классификация насадок.
Гидравлический расчет внешнего цилиндрического насадка.
. Классификация трубопроводов.
Основные расчетные формулы.
. Расчет длинных трубопроводов,
соединенных между собой параллельно и последовательно.
. Особенности с/х водоснабжения.
Расчет трубопровода с равномерной раздачей по длине (Qп).
. Принцип технико-экономического
расчета системы водоснабжения. Определение высоты и емкости бака водонапорной
башни.
. Классификация насосов. Основные
термины и определения в теории насосов. Вывод формулы напора.
. Принцип действия и классификация
центробежных насосов.
. Конструкции центробежных насосов.
Основные неисправности в работе центробежных насосов.
. Характеристика трубопровода.
Работа центробежного насоса на трубопроводе. Способы регулирования Q и Н.
. Параллельная и последовательная
работа центробежных насосов на трубопровод. Выбор марки насоса.
. Неустойчивая область работы
центробежного насоса. Высота всасывания и явление кавитации.
. Характер подачи жидкости
поршневыми насосами. Графики зависимости подачи от угла поворота кривошипа.
. Классификация динамических
насосов. Насосы трения. Принцип действия эрлифта.
. Роторные насосы. Конструкция и
принцип действия. Определение Q шестеренчатого насоса.
. Классификация насосных станций.
Определение Q и Н. Насосной станции I и II подъема.
. Гидропривод. Принцип действия,
достоинства и недостатки.
Литература
1. Задачник по гидравлике, гидромашинам и гидроприводу: учеб.
пособие для машиностроит. вузов / Б.Б.Некрасов, И.В.Фатеев, Ю.А.Беленков и др.;
под ред. Б.Б.Некрасова. - М.: Высш. шк., 1989. - 192 с.: ил.
2. Палишкин, Н.А. Гидравлика и сельскохозяйственное
водоснабжение / Н.А. Палишкин. - М.: Агропромиздат, 1990. - 351 с.
. Сабашвили, Р.Г. Гидравлика, гидравлические машины и
водоснабжение сельского хозяйства: учеб. пособие для вузов / Р.Г. Сабашвили. -
М.: Колос, 1997. - 479 с.
Приложение
Физические свойства жидкостей и
газов
Таблица 1 - Плотность и
кинематическая вязкость некоторых жидкостей при давлении р = 0,1 МПа
|
Жидкость
|
Температура, 0С
|
Плотность, кг/м3
|
Вязкость, 10-4 м2/с
|
|
Бензин:
|
|
|
|
|
авиационный
|
20
|
710-780
|
0,004-0,005
|
|
автомобильный
|
20
|
690-760
|
0,0055-0,0075
|
|
Бензол
|
20
|
870-880
|
0,0007
|
|
Вода дистиллированная
|
4
|
1000
|
0,0157
|
|
20
|
998
|
0,0101
|
|
80
|
972
|
0,0037
|
|
Глицерин (безводный)
|
20
|
1260
|
8,7
|
|
Дизельное топливо
|
20
|
830-860
|
0,02-0,06
|
|
Керосин
|
20
|
790-860
|
0,025
|
|
Мазут
|
80
|
880-940
|
0,43-1,2
|
|
Масло авиационное
|
|
|
|
|
МС-14
|
100
|
860
|
0,14
|
|
МС-20
|
100
|
870
|
0,205
|
|
МК-22
|
100
|
880
|
0,22
|
|
МС-20С
|
100
|
870
|
0,20
|
|
Масло автомобильное
|
|
|
|
|
АС-6
|
100
|
860
|
0,06
|
|
АС-8
|
100
|
870
|
0,08
|
|
АС-10
|
100
|
870
|
0,10
|
|
ДС-8
|
100
|
860
|
0,08
|
|
ДС-11
|
100
|
880
|
0,11
|
|
Масло моторное
|
|
|
|
|
МТ-14п
|
100
|
870
|
0,135-0,145
|
|
МТ-16п
|
100
|
870
|
0,16-0,175
|
|
МН-7,5
|
100
|
870
|
0,075
|
|
МС-6
|
50
|
850
|
0,06
|
|
М-20Г
|
100
|
|
0,20
|
|
Масло индустриальное
|
|
|
|
|
И-5А
|
50
|
890
|
0,04-0,05
|
|
И-8А
|
50
|
900
|
0,06-0,08
|
|
И-12А
|
50
|
880
|
0,10-0,14
|
|
И-25А
|
50
|
890
|
0,24-0,27
|
|
И-30А
|
50
|
890
|
0,28-0,33
|
|
И-40А
|
50
|
895
|
0,35-0,45
|
|
И-70А
|
50
|
910
|
0,65-0,75
|
|
И-100А
|
50
|
920
|
0,90-1,18
|
|
Масло АМГ-10
|
50
|
850
|
0,13
|
|
Масла:
|
|
|
|
|
веретенное АУ
|
100
|
890-900
|
0,036
|
|
турбинное ТП-22
|
50
|
900
|
0,20-0,24
|
|
турбинное ТП-30
|
50
|
900
|
0,28-0,32
|
|
турбинное ТП-46
|
50
|
900
|
0,44-0,48
|
|
трансформаторное
|
50
|
880-890
|
0,09
|
|
Нефть
|
18
|
760-900
|
0,25-1,4
|
|
Ртуть
|
15
|
13560
|
0,0011
|
|
Скипидар
|
16
|
870
|
|
Спирт этиловый (безводный)
|
20
|
790
|
0,0151
|
|
Чугун
|
1300
|
7000
|
0,011
|
Таблица 2 - Плотность и
кинематическая вязкость некоторых газов при 0 оС и давлении р = 0,1
МПа
|
Газ
|
Плотность, кг/м3
|
Вязкость, 10-4 м2/с
|
|
Азот
|
1,25
|
0,13
|
|
Аргон
|
1,78
|
0,12
|
|
Ацетилен
|
1,17
|
0,082
|
|
Водород
|
0,09
|
0,93-0,94
|
|
Водяной пар
|
0,80
|
0,11
|
|
Воздух
|
1,29
|
0,13
|
|
Кислород
|
1,43
|
0,13
|
|
Метан
|
0,72
|
0,14
|
|
Оксид углерода
|
1,25
|
0,13-0,14
|
|
Пропан
|
1,02
|
0,037
|
|
Диоксид углерода
|
1,98
|
0,07
|
Таблица 3 - Средние значения
изотермического модуля упругости некоторых жидкостей
|
Жидкость
|
Модуль упругости, МПа
|
Жидкость
|
Модуль упругости, МПа
|
|
Бензин авиационный
|
1350
|
Индустриальное-20
|
1362
|
|
Вода
|
2060
|
Индустриальное-50
|
1473
|
|
Глицерин
|
4464
|
Турбинное
|
1717
|
|
Керосин
|
1275
|
Силиконовая жидкость
|
1030
|
|
Масла:
|
|
Спирт этиловый безводный
|
1275
|
|
АМГ-10
|
1305
|
Ртуть
|
32373
|
Таблица 4 - Давление насыщенных
паров некоторых жидкостей, кПа
|
Жидкость
|
Температура, 0С
|
|
20
|
40
|
60
|
80
|
100
|
120
|
140
|
160
|
180
|
200
|
|
Бензин Б-70
|
16,3
|
33,2
|
55,8
|
103,3
|
|
|
|
|
|
|
|
Вода
|
2,4
|
7,5
|
20,2
|
48,2
|
103,3
|
195
|
334
|
|
|
|
|
Керосин Т-1
|
3,9
|
5,8
|
7,5
|
12,1
|
20,3
|
35
|
57
|
90,5
|
138,5
|
|
|
Масла
|
|
|
|
|
|
|
|
|
|
|
|
АМГ-10
|
|
|
0,4
|
0,8
|
1,8
|
3,1
|
5,8
|
11,8
|
23,8
|
|
|
индустриальное-20
|
|
|
0,14
|
0,3
|
0,4
|
0,6
|
0,9
|
2,0
|
3,8
|
6,8
|
|
индустриальное-50
|
|
|
|
|
0,14
|
0,3
|
0,7
|
1,6
|
3,0
|
5,8
|
|
Нефть (легкая)
|
7,8
|
13,7
|
37,2
|
85,3
|
|
|
|
|
|
|
|
Ртуть
|
0,0002
|
|
|
|
|
|
|
|
|
|
|
Спирт
|
8,0
|
20,0
|
49,3
|
|
|
|
|
|
|
|
Таблица 5 - Значения эквивалентной
шероховатости Δ для
различных труб
|
Вид трубы
|
Состояние трубы
|
Δ, мм
|
|
Тянутая из стекла и цветных металлов
|
Новая, технически гладкая
|
0,001-0,01
|
|
Бесшовная стальная
|
Новая
|
0,02-0,05
|
|
После нескольких лет эксплуатации
|
0,15-0,3
|
|
Стальная сварная
|
Новая
|
0,03-0,10
|
|
С незначительной коррозией (после очистки)
|
0,10-0,20
|
|
Умеренно заржавленная
|
0,30-0,70
|
|
Старая заржавленная
|
0,80-1,50
|
|
Сильно заржавленная или с большими отложениями
|
2,0-4,0
|
|
Стальная оцинкованная
|
Новая
|
0,10-0,20
|
|
После нескольких лет эксплуатации
|
0,40-0,70
|
|
Чугунная
|
Новая
|
0,20-0,50
|
|
Бывшая в употреблении
|
0,5-1,5
|
|
Полипропиленовая
|
Новая
|
0,01
|
|
Бывшая в употреблении
|
0,02-0,05
|